Please wait

image_0a.jpg


Juanicipio Mineral Resource and Mineral Reserves NI 43-101 Technical Report
MAG Silver Corp.
0723032
image_1.jpg

1Summary
1.1Introduction
This Technical Report (Report) on the Juanicipio Property (Property) has been prepared by AMC Mining Consultants (Canada) Ltd. (AMC) of Vancouver, Canada on behalf of MAG Silver Corp (MAG Silver) and is reporting updated Mineral Resource estimates and a statement of Mineral Reserve estimates for the first time. The Report has been prepared in accordance with the requirements of National Instrument 43-101 (NI 43-101) “Standards of Disclosure for Mineral Projects” of the Canadian Securities Administrators (CSA) for lodgement on CSA’s System for Electronic Document Analysis and Retrieval (SEDAR).
MAG Silver holds a 44 percent (%) interest in Minera Juanicipio, the Mexican incorporated joint venture (JV) company that owns (100%) of the Property. Fresnillo plc (Fresnillo) owns 56% of Minera Juanicipio and is the project operator. The Property is located in Zacatecas State, Mexico. Internal feasibility-level studies completed in 2018 (2018 study work) on behalf of Minera Juanicipio were used to advance the project to construction in April 2019. Underground production of mineralized development material commenced in the third quarter of 2020 and commercial production was declared in mid-2023. Mine operations are still in a ramp-up stage. Nameplate processing capacity of 4,000 tonnes per day (tpd) was achieved in Q3 2023, with mine ore production averaging about 3,700 tpd in the latter part of the year (approximately 1.3 million tonnes per annum (Mtpa)). Optimization and efficiency improvements are to be worked on in 2024.
Indicated and Measured Mineral Resource estimates are reported for the Valdecañas vein, which constitutes the major part of the Valdecañas vein system. Inferred Mineral Resource estimates are reported for the Valdecañas, Ramal 1, Venadas, and Anticipada parts of the Valdecañas system, and for the Juanicipio vein. Mineral Reserve estimates are reported for the first time and are based on the Measured and Indicated Mineral Resources.
Mineral Resource estimates are current as of 31 May 2023 and were prepared by Fresnillo; they have been reviewed by Mr J. M. Shannon, an independent consultant, who takes Qualified Person (QP) responsibility for those estimates. Mineral Reserve estimates are current as of 31 May 2023 and were also prepared by Fresnillo; they have been reviewed by Mr P. Salmenmaki, of AMC, who takes QP responsibility for those estimates. The Report has an effective date of 4 March 2024.
The Report provides an update to the Preliminary Economic Assessment (PEA) which was reported in the “MAG Silver Juanicipio NI 43-101 Technical Report, Amended and Restated, Zacatecas State, Mexico”, (2017 AMC Technical Report). This was prepared by AMC for MAG Silver, with an effective date 21 October 2017, and a revised date 19 January 2018.
The monetary values shown in the Report are in US dollars ($) unless stated otherwise.
1.2Location
The Juanicipio Property is situated about 6 kilometres (km) to the south-west of the city of Fresnillo, which is located about 60 km north-west of the state capital, Zacatecas City. Zacatecas City has a population of approximately 140,000 and is located about 550 km north-west of Mexico City. Zacatecas City is serviced by daily flights from Mexico City. Surface rights to the part of the Property where Mineral Resources have been identified are held by Minera Juanicipio.
1.3Geology and mineralization
The Juanicipio deposit comprises two significant silver-gold epithermal vein systems: the Valdecañas vein system and the Juanicipio vein. The Valdecañas vein system includes the Valdecañas vein itself and four structures named Ramal 1, Venadas, Pre-Anticipada, and Anticipada. The Juanicipio vein

amcconsultants.com    2

Juanicipio Mineral Resource and Mineral Reserves NI 43-101 Technical Report
MAG Silver Corp.
0723032
image_1.jpg


is located about 1,100 metres (m) south of the Valdecañas vein. Both systems strike east-southeast with an average dip of about 58 degrees (°) south-west. The more recently discovered vertical vein Venadas crosses the Valdecañas vein perpendicularly. The Valdecañas vein hosts most of the Mineral Resources currently estimated on the Property.
The Valdecañas vein system has undergone multiple mineralizing events as suggested by various stages of brecciation and quartz sealing, local rhythmic microcrystalline quartz-pyrargyrite-acanthite banding, and open-space cocks-comb textures and vuggy silica. The vein system exhibits the characteristic metal zoning of the principal veins in the Fresnillo district where high grade silver with lower grade lead and zinc transitions to higher grade lead and zinc with less silver with increasing depth.
1.4Exploration and drilling
Most exploration work on the Property has consisted of drilling, both from surface and underground, and underground channel sampling, which has been carried out since 2020. Limited soil sampling programs were carried out until 2017 and exploration to that point was focused on the Valdecañas area. A few additional exploration targets were identified and are discussed in Section 7. Approximately 5% of the concessions have been explored or drilled.
Fresnillo, the operator of Minera Juanicipio, commenced a surface mapping and detailed sampling program in 2016 to assist with identifying additional structures hosting mineralization on the Property. This program incorporated hyperspectral analyses of surface and drill core coupled with the collection of 255 rock samples from outcrops exhibiting deformation / veining and alteration. The results of this program have helped improve the conceptual model of epithermal mineralization in the Fresnillo district (Figure 8.1). The results were also used to create a detailed structural and hyperspectral map (Figure 9.1). The dashed white line in Figure 9.1 shows the location of the schematic section in Figure 8.1.
In 2003 and 2004, MAG Silver drilled nine core drillholes totaling 7,346 m. From August 2005 until May 2023, MAG Silver and Fresnillo, on behalf of the joint venture, have drilled a total of 499 core drillholes totaling 380,738 m on the Property (Table 10.1). Most of the drilling targeted the Valdecañas vein system. 4,537 channels totaling 4,677 m has been collected since October 2019.
Drilling has been commonly collared using HQ (64 millimetres (mm) core diameter) equipment, reducing to NQ (48 mm core diameter) and BQ (37 mm core diameter) as necessary. The current drilling contractor, Devico, has been using wedges or cement plugs every 30 m to give a deviation up to 9°. Diamond drilling has been carried out using Boart Longyear LF-90 and Atlas Copco CS-14 and CS-3001 drill rigs.
Overall drillhole spacing varies from 70 m to 100 m along strike and 50 m to 100 m down dip in the plane of mineralization. Core recovery is generally good except in extremely fractured near-surface rock, argillite, or wider fault structures.
1.5Mineral Resource estimates
The Mineral Resources for the Juanicipio deposit have been prepared by Mr Gerardo Elly Merino Angel, Resource Geologist of Fresnillo Operations S.A. Mr John Morton Shannon, P.Geo. reviewed the methodologies and data used to prepare the resource estimates and is satisfied that they comply with reasonable industry practice. Mr John Morton Shannon takes responsibility for these estimates.
This estimate is dated 31 May 2023 and supersedes the previous estimate outlined in the 2017 AMC Technical Report. The previous estimate had an effective date of 21 October 2017, and included drilling up to December 2016.

amcconsultants.com    3

Juanicipio Mineral Resource and Mineral Reserves NI 43-101 Technical Report
MAG Silver Corp.
0723032
image_1.jpg


The data used in the current estimate includes results of all drilling carried out on the Property up to 31 May 2023. Depletion by mining is also up to that date. The database consists of 488 surface and underground diamond drillholes and 972 channel samples.
Mineralization is hosted in six veins within the two major vein systems. Each of the veins has been wireframed separately. Estimates were also done separately, resulting in six block models.
Leapfrog Geo was used to construct the geological domains and to prepare assay data for geostatistical analysis. Leapfrog EDGE version 4.0.5 was used for geostatistical analysis and variography. Datamine RM was used to construct the block model, estimate metal grades, and report out Mineral Resources. Grade interpolation for Au, Ag, Pb, Zn, and Fe were carried out using Ordinary Kriging (OK) for the Valdecañas, Ramal 1, Anticipada, Pre-Anticipada, and Juanicipio veins. For the Venadas vein inverse distance cubed (ID3) was chosen as the interpolation method. The bulk density was estimated into the block model using ID3 for all veins.
The current estimate is summarized in Table 1.1 and expanded in Table 14.16. Table 1.1    Juanicipio Mineral Resources at 31 May 2023

Resource category
Cut-off grade
Quantity
Grade
Contained metal
Tonnes (kt)
Au (g/t)
Ag (g/t)
Pb (%)
Zn (%)
Au (koz)
Ag (koz)
Pb (kt)
Zn (kt)
Measured


209 g/t Ag Eq
1,441
2.19
780
1.42
2.70
102
36,130
20
39
Indicated
15,555
1.83
266
3.03
5.56
916
133,039
472
865
Measured & Indicated
16,996
1.86
310
2.89
5.32
1,017
169,169
492
904
Inferred
14,051
1.06
236
2.41
6.12
480
106,676
339
860
Notes:
CIM Definition Standards (2014) were used for reporting.
Mineral Resources are reported inclusive of Mineral Reserves.
Mineral Resources are reported at or above a cut-off grade of 209 grams per tonne (g/t) silver equivalent (AgEq), equivalent to $96.9 net smelter return (NSR). While a 3 m minimum width is applied and blocks above the cut-off grade are largely contiguous mineable shapes have not been defined, which may result in the tonnes of underground Mineral Resources being slightly exaggerated.
Mineral Resources are reported at values based on metal price assumptions, metallurgical recovery assumptions, mining costs, processing costs, general and administrative (G&A) costs, and variable smelting and transportation costs.
Metal price assumptions considered for the calculation of metal equivalent values are gold (US$1,450.00/oz), silver (US$20.00/oz), lead (US$0.90/lb), and zinc (US$1.15/lb).
Assumed metal recoveries of 75.84%, 87.06%, 86.33% and 74.48% for Au, Ag, Pb, and Zn, respectively and on NSR factors of US$30.71/g Au, US$0.46/g Ag, US$15.01/% Pb and US$11.36/% Zn.
Mineral Resources are reported on a 100% basis. The MAG share is 44%.
Totals may not compute exactly due to rounding.
The Mineral Resources were estimated by Fresnillo. Mr John Morton Shannon, P.Geo. (EGBC #32865), has reviewed the Mineral Resources and takes QP responsibility.
Source: AMC based on Fresnillo data, 2023.

The QP is not aware of any known environmental, permitting, legal, title, taxation, socioeconomic, marketing, political, or other similar factors that could materially affect the stated Mineral Resource estimates. This part of Mexico is regarded as a good jurisdiction to operate in, with a solid framework addressing the factors mentioned above.
Fresnillo has been working in the region for decades and operates an additional two major mining operations at Fresnillo and Saucito. It is aware of any local aspects of operating in the district.
amcconsultants.com    4

Juanicipio Mineral Resource and Mineral Reserves NI 43-101 Technical Report
MAG Silver Corp.
0723032
image_1.jpg


1.6Mineral Reserves
The Mineral Reserve statement for the Juanicipio mine is provided in Table 1.2. Mineral Reserve estimates are based on a cut-off value that considers mining, processing, and general and administration costs, with a variable trucking cost for each mining block. The variable component of the operating cost is generally a small fraction of the overall cost and Mineral Reserves are largely reported above a value of $150/t ore for cut and fill stopes and $122/t ore for longhole stopes. Some marginal ore that may lie on the fringes of other stopes that require development is included at a variable marginal cost that is generally above $121 for cut-and-fill and $93 for longhole stopes. Mineral Reserves are based on Measured and Indicated Mineral Resources only. Mineral Reserves (100% basis) are reported as of 31 May 2023, as shown in Table 1.2.
Table 1.2 Summary of Mineral Reserves as of 31 May 2023


Reserve category
Cut-off grade
Quantity
Grade
Contained metal
Tonnes (kt)
Au (g/t)
Ag (g/t)
Pb (%)
Zn (%)
Au (koz)
Ag (koz)
Pb (kt)
Zn (kt)
Proven

277 g/t AgEq
735
1.48
545
1.05
1.99
35
12,865
8
15
Probable
14,622
1.59
233
2.72
4.94
746
109,357
398
722
Proven and Probable
15,356
1.58
248
2.64
4.80
781
122,221
406
736
Notes:
CIM Definition Standards (2014) were used for reporting.
All figures rounded to reflect the relative accuracy of the estimates. Mineral Reserves are reported at a cut-off value based on metal price assumptions, metallurgical recovery assumptions, mining costs, processing costs, G&A costs, sustaining capital costs, and variable trucking costs.
NSR values are calculated as:
NSR = 30.71*Au+0.46*Ag+15.01*Pb+11.36*Zn. Units Au (g/t), Ag (g/t), Pb (%), Zn (%).
NSR factors are based on metal prices of $1,450/oz Au, $20.00/oz Ag, $0.90/lb Pb, and $1.15/lb Zn and estimated recoveries of 75.84% Au, 87.06% Ag, 86.33% Pb, and 74.48% Zn.
Payable metal assumptions for Au are 95% for lead concentrates, and 65% for zinc concentrate; for Ag: 95% for lead concentrates, and 70% for zinc concentrate. Lead 95% payable and zinc 85% payable.
The all-inclusive operating costs for longhole stopes and cut-and-fill stopes are $122/tonne and $150/tonne respectively (277 g/t AgEq based on weighted average for mining method). The marginal stope cut-off value is generally above $121/t for cut-and-fill and $93/t for longhole stopes.
Projected stope hangingwall (HW) and footwall (FW) dilution (ELOS) was included in the stope optimization process. The dilution thickness for stope hangingwall and footwall varies by mining method.
Additional operational mucking dilution of 0.5 m for longhole and cut-and-fill stopes is applied to the Mineral Reserve calculation. An extra endwall dilution for longhole stopes is assumed as 0.50 m.
Mining recovery factors are 95% for longhole stopes and 98% for cut-and-fill stopes. Mining recovery factor for ore drive development is 99%. Mining recovery factor for both sill pillars and rib pillars is 0%.
Exchange rate of 19 Mexican Pesos (MXP) to US$1.
The Mineral Reserves were estimated by Fresnillo. Mr Paul Salmenmaki P.Eng. (EGBC #40227), has reviewed the estimates and accepts QP responsibility for them.
Totals may not compute exactly due to rounding.
Note reported on a 100% basis and MAG Silver owns 44% of Minera Juanicipio. Source: AMC / Fresnillo, 2023.

1.7Geotechnical considerations
1.7.1Rock mass characterization
The rock mass at Juanicipio was divided into four geotechnical domains based on lithology domains, including:
Tertiary volcanics – This domain overlies host sediments across most of the mine site.
Cretaceous sediments - This domain is overlain by tertiary volcanics across most of the mine site and the host rock of the mineralization, comprising predominantly sandstone, shale, interbedded shale – sandstone, and green lava.

amcconsultants.com    5

Juanicipio Mineral Resource and Mineral Reserves NI 43-101 Technical Report
MAG Silver Corp.
0723032
image_1.jpg


Ore veins – Juanicipio comprises two major vein systems, namely the Valdecañas vein system and the Juanicipio vein system. Both systems strike east-southeast with an average dip of 58° to south-west. the Valdecañas vein is the principal vein structure and consists of three zones, with variable thicknesses (2 m to 30 m).
Faults - There are three major steep-dipping faults identified with two intersecting the Valdecañas vein. These faults are not expected to have a significant impact on large-scale stability but affect ground conditions locally given their spatial orientations.

Both Bieniawski’s RMR89 (Rock Mass Rating) and Barton’s Q system have been used for the rock mass classification for Juanicipio. In development and stoping operation to date, encountered ground conditions have been largely aligned with those projected from the 2018 study work geotechnical assessment. In terms of RMR89, rock qualities in the volcanic domain vary considerably from ‘Very Poor’ to ‘Good’, which is largely associated from weathering and alteration. The fault zones are generally ‘Poor’ to ‘Fair’. Rock qualities of the sedimentary and vein domains are typically ‘Fair’ to ‘Good’, with some ‘Very Poor’ to ‘Poor’ ground being encountered in the vicinity of faults or shale.
1.7.2Open stope stability
The open stope stability assessment in the 2018 study work indicated that:
Stope wall stability would be influenced by rock mass conditions and vein dips. For typically ‘Fair’ rock mass conditions, stope hangingwalls at dips of 65° would be stable without support for the proposed stope dimensions (20 m long by 20 m high), while stope hangingwalls at dips of 45° to 55° were projected to be marginally stable without support. The equivalent linear overbreak slough (ELOS) was anticipated to range from 0.5 m to 0.8 m for dipping angles decreasing from 65° to 45°.
Cable bolt support for wider stope spans (more than 6 m) and / or reduced effective strike lengths (thus to reduce the hydraulic radii of stope walls) was recognized as potentially being required to improve stope stability and control the overbreak and level of dilution for poorer ground conditions.

In stoping operations to date, stope design criteria have been adjusted to account for differences in ground conditions including adverse fault structures and unfavourable bedding planes of shale encountered. Figure 1.1 presents the current geotechnical guideline of stoping and backfilling for different rock mass conditions.
Figure 1.1 Geomechanical guideline for stoping and backfilling
figure11.jpg
Source: Juanicipio, 2024.

amcconsultants.com    6

Juanicipio Mineral Resource and Mineral Reserves NI 43-101 Technical Report
MAG Silver Corp.
0723032
image_1.jpg


Six metre long single strand Ø16 mm cable bolts on a 3 m (longitudinal) by 3.5 m (radial) staggered pattern have been installed in the back of stopes as required; 8 m long cable bolts with the same space pattern have been installed at the intersections of stope backs and access drives.
Cavity Monitoring System (CMS) surveying has indicated that footwall ELOS is typically less than
0.4 m, and the hangingwall ELOS is typically within the range of 0.5 m to 1.2 m. Excessive hangingwall overbreak up to 3 - 3.5 m has been encountered in Poor rock mass conditions or due to the adverse bedding planes of shale.
1.7.3Ground support requirements
The geotechnical support design for Juanicipio underground mining developed during the 2018 study work has been adjusted based on site specific experience. Table 1.3 presents the current primary ground support requirement based on RMR89.
Table 1.3 Ground support requirements for primary support.

Support class (SC)
Primary support
Notes

SC 1: RMR > 60
Good to Very Good
2.4 m long fully grouted rebar (Ø16 mm) on a 1.2 m x 1.2 m spacing, extending to 1 m (2 m for development in ore vein) above sill.
50 mm thick shotcrete (No shotcrete is required in vein zone)
SC 2: RMR 41 – 60
Fair
2.4 m long fully grouted rebar (Ø16 mm) on a 1.2 m x 1.2 m spacing, extending to 2 m above sill.
50 mm thick shotcrete
SC 3: RMR 21 – 40
Poor
2.4 m long fully grouted rebar (Ø16 mm) on a 1.2 m x 1.2 m spacing, extending to 2 m above sill.
100 mm thick shotcrete installed in 2 layers, full coverage
Need for light frame (reinforced rib), rigid frame (steel sets), and cable bolt support will be assessed by site geotechnical personnel based on actual ground conditions.
SC 4: RMR 0 – 20
Very Poor
2.4 m long fully grouted rebar (Ø16 mm) on a 1.2 m x 1.2 m spacing, extending to 1 m (above sill.
100 mm thick shotcrete installed in 2 layers, full coverage.

Secondary support, such as cable bolts, are designed for large spans in intersections, stope backs, and chambers if the primary support is inadequate. Cable bolt design (lengths and bolting pattern) may vary due to local conditions (excavation dimensions, structures orientations and rock mass qualities) and is assessed on a case-by-case basis.
Spiling is also used at Juanicipio for drifting through Poor ground to prevent unravelling causing overbreak or large instabilities, and limit overbreak due to adverse structures. As required, 12 m long Ø20 mm cement grouted steel bars have been used as spiles and installed above excavation profiles on a 0.5 m spacing prior to development.
1.8Mining concept
Previous studies considered longhole open stoping (LHOS) with waste rockfill as the preferred mining method; however, in the wider stopes that have been identified at deeper levels, cemented rock fill is planned to be utilized where more than one longitudinal pass is required. Some cut and fill stoping is planned in the upper areas where the ore is thin or ground conditions are deemed ‘Poor’. The steady state production throughput is planned to be approximately 4,000 tpd.
Mineable Shape Optimizer (MSO) has been used to generate stope shapes of mineralization projected to be economically viable. The stopes have then been checked to remove any outlying stopes that would not be economic when the cost of access development is included. Utilizing the selected stopes, the mine design has been updated to allow for changes in the Mineral Resource while maintaining the same underground infrastructure and ventilation strategy as proposed in the
amcconsultants.com    7

Juanicipio Mineral Resource and Mineral Reserves NI 43-101 Technical Report
MAG Silver Corp.
0723032
image_1.jpg


2018 study work. As-built wireframes of the latest development were also provided and included in the mine design. Any mined-out development or stopes were flagged in the model as part of the Mineral Reserve estimation process.
The mine access is via twin declines to the top of the mineralization, with a third (conveyor) decline that is located near the process plant in the Linares valley. The twin main declines access the orebody before splitting into three internal ramp systems that access the ore on a 20 m sub-level spacing, with central accesses to the vein as well as footwall drives to the extents of the mineralization to allow placement of rock fill. Stopes 20 m high (floor to floor) are designed to be mined from the extents back to the central access (retreat) with rock fill placed within 20 m of the retreating face.
The three internal ramps used to access the ore are shown in a projection in Figure 1.2. Waste accesses are developed in the footwall to provide access for backfill directly off the main ramp systems east and west along strike.
Figure 1.2 Access development composite plan layout (over three production levels)
figure12.jpg
Note: Projection and not to scale. Source: Fresnillo, 2023.

Truck haulage is currently used for transporting ore and waste from the mine workings to surface. It is planned to purchase and install a conveyor in the conveyor ramp from 2024 to 2025 as the primary life-of-mine (LOM) method for transporting ore to the process plant. Until the conveyor is installed and fully operational, ore is continuing to be trucked to surface.

amcconsultants.com    8

Juanicipio Mineral Resource and Mineral Reserves NI 43-101 Technical Report
MAG Silver Corp.
0723032
image_1.jpg


Once the conveyor is in place, ore will be trucked to an ore pass feeding the underground crusher, which is located on 1950 RL, from where it will be transferred to surface via the conveyor (base at 1940 RL). The decline portal for the conveyor is near the processing plant location in the Linares valley.
All waste not placed directly in stopes has been planned to be trucked to surface via the twin main access declines, where it will be stockpiled and later used for backfilling stopes as they are mined out.
The ventilation system for Juanicipio is designed as a ‘pull’ system, with primary exhaust fans located on surface at the top of each of the two primary exhaust raises. The crusher and tipple are planned to be ducted to an exhaust raise and through to surface. The conveyor decline is planned to exhaust both to the conveyor portal and to the crusher exhaust raise. This ensures that the conveyor decline is ventilated independently. Fresh air is delivered into the mine from the two main declines as well as fresh air raises from surface. Fresh air is distributed underground through the declines as well as internal fresh air raises. Internal return air raises carried with the production ramps connect to a dedicated exhaust airway and the return air raises to surface. The Juanicipio mine design includes an underground workshop at 1850 RL with fuel bay, and an underground magazine at 1920 RL. As such, some fresh air will be supplied to these areas, with the exhaust from each location reporting to a dedicated return air raise.
Figure 1.3 is an illustration of the mine as a whole, showing the as-built development, the conveyor route to surface, and the twin decline access ramps.
Figure 1.3 Overall mine layout
figure13.jpg
Note: Not to scale.
Source: AMC, 2024.

amcconsultants.com    9

Juanicipio Mineral Resource and Mineral Reserves NI 43-101 Technical Report
MAG Silver Corp.
0723032
image_1.jpg


During pre-production all mobile equipment for development was supplied by a contractor. Since production has begun, stoping has been undertaken by the owner while all development has remained with contractors. An estimate of the mobile equipment fleet requirements was developed based on meeting the demands of the development and production schedule.
Equipment has been selected based on projected productivities, but also considering the practical travel distances between mining zones. As the time to travel from one zone to another could be significant, the planned fleet size for the major pieces of development and production equipment has been based on most pieces being dedicated to a single mining zone. The haul truck fleet sizes, however, have been based on projected ore and waste tonnages as well as the haulage distances to each destination.
Development and production cycle times were evaluated to assist in the determination of the overall mining fleet. A typical development cycle analysis included consideration of jumbo drilling, face charging, mucking, scaling, and bolting, as well as intersection cable bolting, scaling, and shotcreting as required. A typical production cycle analysis consisted of longhole drilling, stope charging, mucking, and backfilling.
Labour requirements are based on an operating schedule of two, 12-hour shifts per day, 350 days per year. This is reduced to approximately 17.0 effective working hours per day after considering travel time, lunch breaks, pre-shift meetings, and other miscellaneous breaks. The workforce estimates have been largely based on operating experience to date and on a productivity analysis of underground activities and the physical requirements of the mine schedule. The underground workforce, as well as geology and survey, is made up of three rotations working a 10-days on and 5-days off schedule. Other technical support staff, mining supervisors and general and administration employees operate on a 5-day per week working schedule. The underground crew numbers are based on the equipment requirements to complete the work as planned. Additional personnel are included to cover absenteeism.
Personnel numbers will fluctuate over time to some extent as per the development and production schedule requirements. Peak total for the mine at full production is estimated to be 1569, with a maximum number on site during the day shift.
1.9Mineral processing
The Juanicipio processing plant commenced operation in March 2023. Prior to that date, Juanicipio ore was largely processed at the neighbouring Saucito plant.
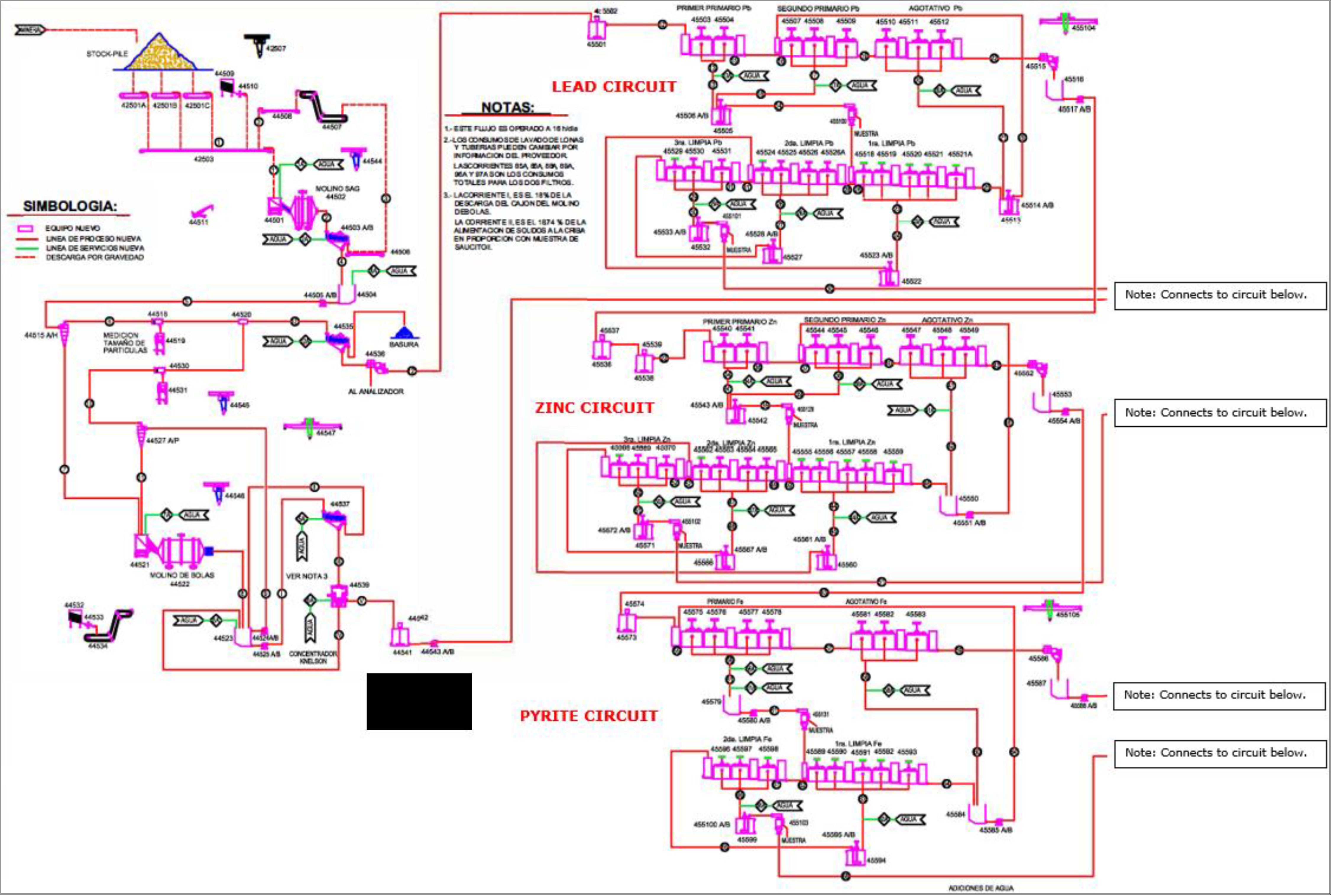
The Juanicipio plant has a nominal capacity of 4,000 tpd and consists of a comminution circuit with primary crushing and a semi-autogenous grinding mill and ball mill, followed by sequential flotation to produce a silver-rich lead concentrate, then a zinc concentrate, and then a gold-silver-bearing pyrite concentrate. Ultimately, ore crushing will be at an underground crusher, with delivery to the mill stockpile via a conveying system that will exit the mine at the portal adjacent to the mill.
The separate lead, zinc, and pyrite concentrates are thickened, filtered, and stockpiled. Lead and zinc concentrates are stored in separate concentrate storage areas with capacity for seven days of operation. The shipment of concentrates is carried out from Monday to Saturday using a front-end loader and specialized concentrate trucks, which transport the concentrates directly to a smelter or to a port or rail system for onward shipment.
Pyrite concentrates are similarly stored, with a first successful concentrate shipment recently achieved. The QP notes that the process to produce pyrite concentrates has been in an optimization phase.

amcconsultants.com    10

Juanicipio Mineral Resource and Mineral Reserves NI 43-101 Technical Report
MAG Silver Corp.
0723032
image_1.jpg


Total plant feed for the plant operating period from March to December 2023 was 956,914 t. Average grades for the period were 1.28 g/t Au, 489 g/t Ag, 1.20% Pb, 2.14% Zn, and 6.23% Fe. Average planned grades from Juanicipio mining for the period were 1.21 g/t Au, 434 g/t Ag, 1.10% Pb, and 1.99% Zn.
Gold, silver, lead, and zinc recoveries averaged 69.4%, 87.6%, 89.9%, and 90.5%, respectively, for the March to December 2023 period, compared to planned values of 75.8%, 87.1%, 86.3%, and 74.5%, respectively.
Commissioning and ramp-up have generally gone well, with the plant achieving designed throughput and designed silver, lead and zinc recoveries and concentrate grades. Gold recovery has improved as ramp-up and circuit optimization have progressed, with 71.4% being achieved in December 2023. The QP notes that, as of February 2024, the Knelson centrifugal concentrator to recover some of the gravity recoverable gold and silver early in the process flow is functioning, with full implementation imminent. The QP also acknowledges the continuing testing and process development being conducted by the plant’s operators to improve all processing aspects, including for gold recovery, and recommends continuation of the program.
Average mill recoveries of payable metal used to estimate revenue in the financial model are summarized in Table 1.4.
Table 1.4 Mill recoveries

Gold
Silver
Lead
Zinc
Mill recovery
78.0%
83.8%
87.0%
72.1%
1.10Project infrastructure
A 6.5 km access road, mostly over hilly terrain, accesses the main declines portal site from the mill, with the plant site being connected to the main highway by a 1.4 km road. Both the 1.4 km two-lane sealed road, which is suitable for use by heavy vehicles, and the access road to the main portals area are fully constructed and in operation.
Power is currently supplied to a main substation at the processing site via a 115 kilovolts (kV) overhead power line connected to the state-owned power grid. From the mill, a 13.2 kV power line has been extended to the conveyor drive, with a similar line to the main mine portals location. Fibre-optic cable has been installed from the mill control room to the underground mine via the conveyor decline and via the mine overland power line, which extends past the entrance to the conveyor decline and out to the underground mine main portal area. The fibre-optic cable fed into the underground mine from two locations provides some redundancy and greater communications reliability.
With completion of a Reverse Osmosis plant in 2023 and optimizing the consumption of treated municipal wastewater, all process water requirements are satisfied through the exclusive use of treated wastewater, thus eliminating any freshwater requirements from third parties. There are two additional wastewater treatment plants on site to reuse service water for dust control and irrigation of green spaces on the property. Potable water is purchased from local providers as required.
Detailed design of the tailings storage facility (TSF) for the project was undertaken by Knight Piésold. It is estimated that the Juanicipio processing plant will produce approximately 12.2 million tonnes (Mt) of tailings for surface storage over the anticipated mine life of approximately 13 years. Mill tailings will be discharged to a TSF which has a total volume capacity of approximately 8.5 Mt as currently designed. It is envisaged that the remaining required tailings storage will come from potential deepening of the Cell 2 basin (currently being pursued), a future expansion to the TSF through construction of an adjacent cell, and / or from a vertical raise of the dam.

amcconsultants.com    11

Juanicipio Mineral Resource and Mineral Reserves NI 43-101 Technical Report
MAG Silver Corp.
0723032
image_1.jpg


The TSF is designed for two construction and operational phases. Stage 1 will be constructed to a crest elevation of 2,217 m above mean sea level (amsl) and will have a maximum height of approximately 33 m. Stage 1 consists of two adjacent cells, Cell 1 to the west and Cell 2 to the east, that share an intermediate berm between the two. When the facility is at its ultimate configuration, Stage 2, the maximum height of the dam will be approximately 38 m, with a crest elevation of 2,222 m amsl. The Stage 1 dam may be considered a starter dam, encircling three sides of the geomembrane-lined tailings storage basin; the fourth side of the facility is created by the natural hillside slope. Only the outer dam will be raised during Stage 2 construction, thus the intermediate berm between Cells 1 and 2 will be covered with tailings during Stage 2 operations. For both the Stage 1 and Stage 2 configurations, the upstream and downstream slopes of the dam are designed to 2.5:1.0 H:V, with a crest width of 10 m.
The Juanicipio TSF features a homogeneous dam (i.e., non-zoned) founded upon native materials. Following site stripping, foundation preparation consists of removing all unsuitable soil strata (i.e., loose, caliche-rich) until reaching a competent layer as determined by site engineers. The dam contains a basal drainage system, consisting of a blanket drain built below the downstream portion of the dam to control potential seepage. Seepage that reaches the blanket drain is conveyed to collection drains along the outer perimeter of the dam, and then discharged into geomembrane-lined collection ponds. Seepage collected in the ponds is recirculated to the TSF, to the processing plant, or, as permitted by geochemical testing and regulations, discharged directly into the downstream environment.
Surface water management at the TSF is facilitated primarily by two non-contact diversion channels, one along the east side of the dam and the other along the south end and west sides of the facility. The channels are verified to accommodate run-on from the 1,000-year storm event as required by Comisión Nacional de Agua (CONAGUA). The east diversion channel is concrete-lined and the south / west channel is geotextile and riprap lined to deter erosion. Both channels feature energy dissipators at their termini prior to flow discharging into the downstream native environment. The TSF does not contain an operational spillway as it has been designed to store rainfall and run-on associated with the 72-hour probable maximum precipitation (PMP).
1.11Underground infrastructure
The ore handling system is based around a nominal 4,000 tpd production capacity, approximately equivalent to 216 tonnes per hour (tph) over a 24-hour period, based on a capacity factor of 1.3. This allows for excess capacity in the ore handling system relative to any potential disconnection between the mine and mill. Ore is currently trucked to surface and then to the mill stockpile. Once the conveyor system to surface is in operation, ore transport from various mining levels will be by truck haulage to the crusher on 1950 RL. The crushed material will then be placed on a load-out belt that feeds the first of two sequential underground conveyors that bring the material to surface. At surface, a third conveyor delivers the material to an 8,000 tonne capacity stockpile that is adjacent to the mill.
Later in the mine life, an internal shaft (winze) may be considered to allow hoisting of crushed ore from the loading pocket on 1300 RL up to the loading bin on 1950 RL. From there, the ore would be conveyed out of the mine via the existing conveyor system. An alternative arrangement using vertical conveyors is also being evaluated. Access to the top of the proposed winze or vertical conveyor is already developed. The selected hoisting facility would accommodate the production capacity of 1.4 Mtpa, with spare capacity built-in.
Development waste is either hauled to surface by trucks via the twin access declines or placed directly into stopes as backfill. All waste hauled to surface to date is stored near the current portal and has been largely used for construction material. As mining progresses, additional waste required
amcconsultants.com    12

Juanicipio Mineral Resource and Mineral Reserves NI 43-101 Technical Report
MAG Silver Corp.
0723032
image_1.jpg


for subsequent backfilling is planned to be delivered down a waste pass driven as close to the deposit as practicable, and then distributed to the stopes.
Separate explosives magazines have been developed for detonators and high explosives (ANFO and packaged emulsion explosives). The primary explosives magazine has a concrete floor and is fitted with an overhead manual lifting system for handling bulk ANFO explosive. The explosives magazines are located on 1920 RL.
Although the main maintenance workshop is located on surface, all major scheduled planned maintenance and rebuilds will take place in the underground workshop. The underground workshop is located on 1850 Level and has multiple service bays with overhead cranes. The workshop is also being fitted with lunchroom, workstations, communications room, and emergency facilities.
Mobile electrical compressors supply compressed air for the underground operations and primary equipment such as longhole drills have their own mobile compressors. The main compressor is located near the No 2 fan on surface above the portals of the twin declines. Air supply to the underground workshop is from this compressor via the main decline.
Refuge station chambers with 30-person capacity are used for emergencies; these chambers are portable for flexibility of location at the most appropriate areas of the mine.
The groundwater inflow into the mine was estimated using pre-drilling ahead of ramp development. SRK conducted the groundwater studies and provided the predrilling program. There are two temporary pump stations already in operation that together can handle 2,500 gallons per minute (gpm). The main pump station on 1850 Level has three pumps installed with a fourth available on stand-by. The current capacity is 5,000 gpm. A second permanent pump station is planned for 1650 Level that will pump to the 1850 Level station. A further main pump station is planned for the bottom of the mine (1250 Level) with a capacity of 2,500 gpm. It is estimated that the current and planned pump stations should provide sufficient capacity for the life of the mine.
The overall plan for handling groundwater is an advanced dewatering strategy that will largely depend on accessing the lower levels of the mine well ahead of stope production. This early development approach provides a means for installing a series of dewatering holes and sumps that will dewater sections of the mine prior to production mining. The risk of flooding will be partially mitigated by this early development strategy and by the provision of spare pumping capacity.
In 2023, the majority of Juanicipio process and operational water requirements was sourced from dewatering underground workings, with the water used primarily for mine development and dust control. Juanicipio also purchased potable well water from third parties for mine development and domestic use.
1.12Environmental, permitting, and social aspects
Environmental investigations included baseline assessments and initial studies required under Mexican Environmental Laws, inclusive of a Regional Environmental Impact Statement (MIA-R).
The mine is in a region that hosts several significant mining operations where the community is accustomed to mining activities. The QP is not aware of any environmental permitting or licensing requirements to which the Property has been or will be subject other than the normal mine permitting and licensing requirements as set forth by the Mexican Government.
Fresnillo, on behalf of Minera Juanicipio, has confirmed that the project does not have any environmental obligations or liabilities identified to date.

amcconsultants.com    13

Juanicipio Mineral Resource and Mineral Reserves NI 43-101 Technical Report
MAG Silver Corp.
0723032
image_1.jpg


Key permits and licenses for the project are in place and Fresnillo has indicated that all the land included in the design and operation of the Juanicipio mine has been purchased. There is no further expected requirement in this regard.
Climate change aspects were not specifically addressed in the Mineral Reserve estimation, but the QP considers that, for Juanicipio, any impacts would not have a material effect.
1.13Project development and production schedule
Underground production of mineralized development material at Juanicipio commenced in the third quarter of 2020 and commercial production was declared in mid-2023. Mine operations are still in a ramp-up stage.
Nameplate processing capacity of 4,000 tpd was achieved in Q3 2023, with mine ore production averaging about 3,700 tpd in the latter part of the year (approximately 1.3 Mtpa). Optimization and efficiency improvements are to be worked on in 2024.
The productivity assumptions used for scheduling are shown in Table 1.5. Table 1.5    Productivity assumptions
Activity
Unit
Value
Ramp development rate
m/month
90
Lateral development rate
m/month
50
Vertical development and surface raises
m/month
200
Stope production (longhole stopes)
t/day/stope
850
Stope production (cut and fill stopes)
t/day/stope
850
Backfill
t/day/stope
350
Source: Fresnillo, 2023.

All scheduling is carried out using Enhanced Production Scheduling (EPS) software. During the EPS scheduling, additional dilution ranging from 1% to 5% for mucking and other sources, as well as mining recovery factors are applied (95% for longhole stoping and 98% for cut and fill). Stopes are then checked for economic viability (above cut-off) and any uneconomic stopes removed from the mine plan and Mineral Reserve estimate.
The EPS production schedule is summarized in Table 1.6. The schedule provides a sequence of mining events that are driven by defined constraints. The QP notes that, for the Juanicipio Economic Analysis, the EPS schedule has been adjusted to include actual values for 2023. The QP also notes that, for the LOM total values, there are only minor and non-material differences between those in the Ore Reserve estimate and those in the production schedule.

amcconsultants.com    14

Juanicipio Mineral Resource and Mineral Reserves NI 43-101 Technical Report
MAG Silver Corp.
0723032
image_1.jpg


Table 1.6 EPS production schedule by year

Description
2023
2024
2025
2026
2027
2028
2029
Ore tonnes (t)
360
1,285
1,303
1,294
1,300
1,318
1,297
Au (g/t)
1.26
1.45
1.50
1.59
1.53
1.93
1.65
Ag (g/t)
620
403
373
300
287
198
155
Pb (%)
1.62
1.44
1.57
2.18
3.09
3.46
3.03
Zn (%)
3.27
2.76
2.70
3.71
5.10
6.15
5.39
Fe (%)
6.67
6.46
6.77
7.33
6.88
6.54
6.76
Description
2030
2031
2032
2033
2034
2035
Total
Ore tonnes (t)
1,308
1,309
1,308
1,302
1,272
702
15,356
Au (g/t)
1.61
1.66
1.61
1.51
1.37
1.72
1.58
Ag (g/t)
198
169
200
245
135
172
248
Pb (%)
2.97
2.65
2.82
3.13
2.72
3.11
2.64
Zn (%)
4.89
5.20
4.92
5.75
5.87
6.15
4.80
Fe (%)
6.65
6.56
6.58
6.10
5.39
6.38
6.54
Source: Fresnillo, 2023.

1.14Project capital costs
AMC completed a capital cost estimate as part of the 2018 study work. Since then, Fresnillo has advanced the project through detailed engineering, project construction, and initial mine development and stoping leading to achievement of commercial production in mid-2023. Internal estimates for the remaining Juanicipio capital, inclusive of sustaining capital and as of 31 May 2023, total $453M. A summary of projected capital costs is shown in Table 1.7.
Table 1.7 Summary of projected capital costs

Area
Total ($M)
Total remaining project capital costs
40
Total sustaining capital costs
413
Total LOM capital
453
Note: Numbers may not compute exactly due to rounding.

1.15Site operating costs
The operating costs used for the evaluation of project economics are based on actual operating costs and benchmark costs for similar operations in the area. Average LOM operating costs from the latest cost model for the 2023 Mineral Reserves are summarized as follows:
Mining - $63.32/t ore
Processing - $12.15/t ore
General and Administration- $10.38/t ore
Total operating cost - $85.85/t ore
For cut-off purposes, the average cut-off values used were $122/t for longhole stopes and $150/t for cut-and-fill stopes to also cover the LOM sustaining capital costs for mining, processing, and G&A; and the operating management fee (totaling $36/t). Similarly, marginal cut-off values generally above $93/t for longhole stopes and $121/t for cut-and-fill stopes were used.
amcconsultants.com    15

Juanicipio Mineral Resource and Mineral Reserves NI 43-101 Technical Report
MAG Silver Corp.
0723032
image_1.jpg


1.16Offsite costs (concentrate transport, treatment, and refining costs)
Market contracts are in place for the Juanicipio ore. Lead and zinc treatment charges of $198/dry metric tonne (dmt) concentrate and $320/dmt concentrate, respectively, are applied. Freight costs are $37/wet metric tonne (wmt) and $36/wmt for the lead and zinc concentrate, respectively. Refinery costs of $17/oz for gold and $1/oz for silver are also incorporated into the NSR calculations.
A first delivery of pyrite concentrate to an overseas buyer was recently achieved. The terms for that shipment included payment for 50% of the final silver and gold content in the concentrate. The same terms have been assumed for the economic assessment in the Technical Report.
1.17Taxes
The tax provisions include a conventional profit-based tax using the 30% corporate tax rate currently in effect. A 7.5% special mining duty is applied on earnings after allowable expenses and before taxes, and a 0.5% gross revenue royalty is applied on all gold and silver revenues.
1.18Projected sales
Project economics have been assessed using the following metal prices, which were selected after discussion with Fresnillo and MAG Silver representatives and referencing current market and recent historical prices, values used in other recent mineral projects reporting on SEDAR, and forecasts in the public domain:
Silver price = $22.00/oz
Gold price = $1,750/oz
Lead price = $1.00/lb
Zinc price = $1.15/lb
Existing terms of current concentrate sale agreements have been assumed for the economic assessment. For the purposes of this report, it is assumed that all lead, zinc, and pyrite concentrates over the LOM are transported to Torreón, Mexico for smelting.
1.19Economic analysis
All dollar values are considered constant and are in US dollars ($) unless otherwise stated. The cost estimate was prepared with a base date of Year 1 (2023) and use constant Year 1 dollars (no inflation). For net present value (NPV) estimation, all costs and revenues are discounted at 5% from the base date. An exchange rate of MXP19:US$1, a corporate tax rate of 30%, special mining duty of 7.5%, and 0.5% gross gold and silver revenue royalty have been assumed.
To facilitate assessment of economic viability, production physicals from the EPS schedule as of 31 May 2023 were uploaded into a simplified economic model. The start date for the economic analysis is 1 June 2023, with all discounted metrics reflecting that start date. For simplicity, the period June to December of 2023 is treated as a full year when applying discounting. The economic model includes current estimates for LOM capital and operating costs. 2023 ore production and operating cost values in the economic model are ‘Actuals’ from June to December as indicated by Minera Juanicipio monthly reports. The results of the analysis show that the project continues to maintain positive and robust economics.
Table 1.8 provides a summary of the key inputs and results of the economic analysis. Over a 13-year operating life, the mine is projected to generate approximately $1,656M pre-tax NPV and $1,224M post-tax NPV at 5% discount rate.
amcconsultants.com    16

Juanicipio Mineral Resource and Mineral Reserves NI 43-101 Technical Report
MAG Silver Corp.
0723032
image_1.jpg


Table 1.8 Key inputs and results of economic analysis

Juanicipio deposit
Unit
2023 LOM evaluation
Total ore
kt
15,356
Gold grade1
g/t
1.58
Silver grade1
g/t
248
Lead grade1
%
2.64
Zinc grade1
%
4.80
Gold recovery1
%
84.4
Silver recovery1
%
86.6
Lead recovery1
%
86.8
Zinc recovery1
%
72.3
Gold price
$/oz
1,750
Silver price
$/oz
22.00
Lead price
$/lb
1.00
Zinc price
$/lb
1.15
Gross revenue
$M
4,879
Selling costs2
$M
773
Management fee
$M
158
Capital costs
$M
453
Operating costs (total)3
$M
1,318
Operating costs (total)3
$/t
85.85
Cumulative pre-tax net cash flow4
$M
2,116
Cumulative post-tax net cash flow4
$M
1,570
Pre-tax NPV @ 5% discount rate5
$M
1,656
Post-tax NPV @ 5% discount rate5
$M
1,224
Notes:
Numbers may not compute exactly due to rounding.
Exchange rate MXP19:US$1. Metal prices: gold - $1,750/oz; silver 22/oz; lead - $1.00/lb; zinc - $1.15/lb.
1 LOM average recoveries to concentrates.
2 Selling costs include penalties, treatment, transportation, and refining costs.
3 Includes mine operating costs, milling, and mine G&A.
4 Undiscounted from 1 June 2023. Cash flow after employee profit sharing benefit (PTU).
5 Discounted from 1 June 2023. Depreciation expenses of $453M (for the remaining project and sustaining capital), and sunk costs of $840M (prior to 31 May 2023) are recognized in the tax calculations.

1.20Interpretations, conclusions, and recommendations
1.20.1Drilling
In the opinion of the QP, the drilling strategy and procedures used by Fresnillo on the Juanicipio Property conform to generally accepted industry best practices and are suitable for this deposit. The drilling information is sufficiently reliable, and the drilling pattern is sufficiently dense to interpret with confidence the geometry and the boundaries of silver, gold, zinc, and lead mineralization in the Valdecañas vein system and the Juanicipio vein. All diamond drillcore sampling has been conducted by appropriately qualified personnel under the direct supervision of appropriately qualified geologists.
The QP is not aware of any drilling, sampling, or recovery factors that could materially impact the accuracy and reliability of diamond drilling results from the Valdecañas vein system or the Juanicipio vein.
amcconsultants.com    17

Juanicipio Mineral Resource and Mineral Reserves NI 43-101 Technical Report
MAG Silver Corp.
0723032
image_1.jpg


1.20.2Sample preparation, analyses, and security - QAQC recommendations
Fresnillo has recently implemented a Quality Assurance and Quality Control (QAQC) program that combines key elements to monitor accuracy, precision, and sample contamination during sample preparation and analysis. The QP makes the following recommendations for future QAQC programs:
General QAQC
Increase insertion rates for all QAQC sample types as necessary to meet industry standards and develop a procedure to ensure that QAQC samples are included in each batch of samples submitted to the laboratory.
Create a standard operating procedure (SOP) that outlines the actions to be taken for QAQC failures.
Establish a ‘table of failures’ that documents warnings, failures, and remedial actions
taken for all QAQC sample types.
Standard reference materials
Insert additional SRMs to cover a wider range of grades. For each economic metal, the QP recommends the use of SRMs with values at the approximate cut-off grade of the deposit, at the approximate expected grade of the deposit, and at a higher grade. The current suite of SRMs used at Juanicipio do not cover the approximate expected Au, Ag, or Zn grades, and an SRM with a Zn grade higher than the approximate expected grade of the deposit is not used. Additional SRMs should be used that cover these values.
Plot SRM data over time to check for potential bias and instrumental drift.
Review SRM results using control charts as well as on a batch-by-batch basis. Re-assay sample batches where the SRM value is greater than three standard deviations from the expected value declared on the assay certificate. Investigate sample batches containing consecutive SRMs with results outside of two standard deviations of the expected value.
Ensure that insertion rates for SRM samples meet industry standards (5 –6%).
Blank samples
Establish a protocol for the remedial action to be taken to address sample batches with failed blanks.
Adjust sampling procedures so that blank samples are included immediately after visible high-grade mineralization.
Consider adding coarse blank material to the QAQC sample suite. This would allow for better monitoring of contamination during sample preparation.
Consider inserting blank material that is certified for Ag, Pb, and Zn. Contamination is currently only monitored for Au, but it is important to monitor contamination for all analytes given their high grades.
Consider reducing the blank failure limit to 2x lower limit of detection (LLD).
Duplicate samples
Develop a procedure that allows for selection of the majority of duplicate samples from visibly mineralized zones that are likely to exceed 15x LLD.
Request detail on the pulp sub-sampling process to understand possible sampling errors.
Submit duplicate samples in the surface diamond drill sample stream. All QAQC sample types should be submitted for all sample streams to ensure that the data can be properly assessed.
Umpire samples
Include SRM and pulp blank samples with umpire sample submissions. Ensure that these SRM and blank samples are identified as umpire QAQC samples in the database so that they can be reviewed independently of other SRMs and blanks.
amcconsultants.com    18

Juanicipio Mineral Resource and Mineral Reserves NI 43-101 Technical Report
MAG Silver Corp.
0723032
image_1.jpg


Submit umpire samples in the mine diamond drill sample stream.
All QAQC sample types should be submitted for all sample streams to ensure that the data can be properly assessed.
1.20.3Sample preparation, analyses, and security - Conclusions
The QP considers sample preparation and analytical and security protocols employed by Fresnillo to be acceptable. The QP has reviewed the QAQC procedures used by Fresnillo including certified reference materials, blank, duplicate and umpire data and has made some recommendations. The QP does not consider these to have a material impact on the Mineral Resource estimate and considers the assay database to be adequate for Mineral Resource estimation.
1.20.4Data verification
The QPs consider the assay database to be acceptable for Mineral Resource estimation.
1.20.5Mineral Resources interpretation and conclusions
Six veins have been estimated. All are classified as Inferred except for portions of the Valdecañas vein, which have been classified as Measured and Indicated. The development of the underground operation with dense drilling and underground sampling has enabled the classification of Measured Resources on this vein for the first time. Measured material consists of 8.5% of the Measured and Indicated material on this vein.
Since the last Mineral Resource reported by MAG Silver 2018, Measured and Indicated tonnes have increased by 32.5%. Average LOM silver grades have decreased by 27.4% and average gold grades have decreased by 11.4%; average lead and zinc grades have increased by 37.0% and 44.6% respectively. This reflects additional drilling in the lower, more base-metal-rich part of the deposit.
Inferred tonnes increased by 15.8%. In the Inferred category, silver grades have increased by 1.7%, lead grades have decreased by 2.0% and zinc grades have increased by 30.8%. The gold grades decreased in the Inferred Resource by 26.4%.
In regard to the management of the current Mineral Resource, reconciliation from the resource model to the short-term model and to what is actually produced is recommended to be pursued further.
1.20.6Mineral Resource estimate recommendations
Use estimation parameters that ensure a minimum of two samples and two drillholes inform each block for the Venadas and Juanicipio veins.
Evaluate and document the effect of the inclusion of channel samples on the grade estimates.
Carry out reconciliation between production and local estimates.
Assess method to more clearly demonstrate reasonable prospects for eventual economic extraction.
To give greater certainty to the plan, carry out in-fill drilling prior to the delimitation of the production stopes and, as far as possible, achieve a distance between holes of 35 to 50 m.
Ensure that geology is incorporated in any detailed short-term modelling and delineation.
Continue drilling to depth in the Valdecañas veins.
Continue drilling from the upper part of the Ramal 1 development to confirm vein continuity.
amcconsultants.com    19

Juanicipio Mineral Resource and Mineral Reserves NI 43-101 Technical Report
MAG Silver Corp.
0723032
image_1.jpg


These items would be budgeted as part of the mine operating costs.
Recommended exploration work is shown below in Table 1.9, along with estimated costs. The work is to be carried out by two groups: Operations and Exploration.

Table 1.9 Proposed program and cost estimate

Activity
Proposed program
Metres
Cost (US$)
Underground Drilling
Operational division
33,000
3,017,000
Other Expenses
104,000
Assay
564,000
Other
174,000
Surface Drilling
Exploration division
17,000
3,548,000
Other expenses
666,000
Assay
186,000
Total
50,000
8,258,000
Note: Totals may not compute exactly due to rounding.

1.20.7Mineral Reserve estimate interpretations, conclusions, and recommendations
Mineral Reserves are reported at an NSR cut-off value of $122 for longhole stoping and $150 for cut and fill. Mineral Reserves are based only on Measured or Indicated Resources. The total Proven and the Probable Mineral Reserves are:
15.36 Mt at average grades of 1.58 g/t Au, 248 g/t Ag, 2.64% Pb, and 4.80% Zn.
Relevant dilution and mining recovery factors have been applied in the estimation of Mineral Reserves.
The QP considers that the Reserves for Minera Juanicipio as stated herein are consistent with industry standards and are suitable for public reporting purposes.
In regard to the Mineral Reserves, the following recommendations are made:
Consider streamlining the cut-off grade (COG) definition process. The QP considers the estimation process for COG that uses a variable trucking cost component to be relatively complex, without making a material difference.
Mining operations are ramping up to full production. It is recommended that full acknowledgement be given to actual costs for steady-state operations going forward.
Recognizing that the mine is now milling ore through the Juanicipio plant, it is recommended that process recoveries specific to plant steady-state operation are well recorded and are used in future Mineral Reserve estimation.
1.20.8Mining interpretation, conclusions, and recommendations
The mine is accessed by two main declines and a conveyor decline. Procurement and installation of the conveyor in the decline will occur in 2024 to 2025.
Mechanized longhole stoping with waste backfill has been selected as the main mining method. Some cut and fill stopes are planned for thinner veins or Poor ground conditions.
Trade-off studies have identified that conveying the ore directly to the process plant from underground is economically and operationally advantageous compared to other arrangements.
amcconsultants.com    20

Juanicipio Mineral Resource and Mineral Reserves NI 43-101 Technical Report
MAG Silver Corp.
0723032
image_1.jpg


Evaluation of the production rate and scheduling indicates that the deposit supports a plan of approximately 4,000 tpd.
All waste will be tipped directly into stopes or trucked to surface. There will be a deficit in the amount of waste required for backfilling estimated to be 4.2 Mt. It is assumed that additional waste will be mined from a small surface pit and dropped down a waste pass for distribution to the stopes.
Approximately 15.4 Mt of ore is projected to be mined and processed over the currently envisaged mine life of 13 years.
Initial development and all development over the mine life has been or will be completed by contractors. All stoping operations will be completed by the owner - this includes all waste rock filling.
Blasting will be undertaken primarily with ANFO and non-electric detonators. In conditions that are wet, package emulsion explosives will be utilized.
The ventilation system for Juanicipio is designed as a ‘pull’ system with primary exhaust fans
located on surface at the top of each primary exhaust raise.
With the infrastructure airflow and leakage and balancing allowances the total airflow determination based on the projected diesel fleet size is 550 m3/s, whilst currently, 491 m³/s is being circulated.
The mine is using modern trackless mobile equipment for the development and stoping operations.
The peak number of personnel is projected to be 1,569, inclusive of a peak number for contactor employees projected to be 1,056. Labour requirements are based on an operating schedule of two, 12-hour shifts per day, 360 days per year.
The underground workforce, as well as geology and survey, is made up of three rotations working a 10-days on (5-day shifts and 5-night shifts) and 5-days off rotation. Other technical support staff, mining supervisors and general and administration employees work a 5-day per week schedule.
An underground waste materials balance study is recommended to further assess options for the backfill deficit.
A backfill study is recommended to further assess options for pillar recovery and tailings disposal.
As the planned strategy for ventilation of the conveyor and crusher has recently changed, a review is recommended to confirm the overall ventilation strategy for the medium to long term.

1.20.9Geotechnical
In regard to geotechnical aspects, the following recommendations are made:
Conduct stope reconciliation and identify the root cause of overbreak and underbreak and optimize future stoping design criteria.
Focus on drilling and blasting practices to minimize the blasting effects of overbreak and dilution.
Optimize drill and blasting design, particularly for Poor ground and adverse structures.
Develop and implement a robust QAQC procedure to improve drilling accuracy and blasting quality.
Improvements to drilling and blasting with stand-off of approximately 1.0 m from the. CMS fill shape will reduce the blast damage dilution and increase the stability of the exposed fill.
amcconsultants.com    21

Juanicipio Mineral Resource and Mineral Reserves NI 43-101 Technical Report
MAG Silver Corp.
0723032
image_1.jpg


Before assessing stability of future raises and required support, specific geotechnical drilling should be undertaken along the centreline of the selected sites and a thorough analysis of rock mass and discontinuity properties should be made. A detailed core logging program would be an integral part of each raise assessment.
Ground improvement options should be considered for raise stability, as required.
Update Ground Control Management Plan (GCMP) to reflect the current ground control practices at Juanicipio. All key aspects of lithology, structures (major and minor), geotechnical model, rock mass characterization, geotechnical design criteria for ground support and stope design, monitoring and QAQC should be included in the GCMP.
Optimize ground support and improve ground support design particularly for Poor ground.
Consider replacing mesh and plain shotcrete with fibrecrete to increase productivity and cost reduction.
Improve configurations for reinforced rib shotcrete (light frame) and spiling.
1.20.10Infrastructure interpretation, conclusions, and recommendations
A 6.5 km access road, mostly over hilly terrain, accesses the underground main declines portal area from the mill, with the plant site being connected to the main highway by a 1.4 km road.
Power supply is to a main substation at the plant site via a 115 kV overhead power line from a pre-existing power line located to the north of the Property.
Service water is generated at site by reverse osmosis process. Raw sewage water is treated on site prior to use.
Potable water is purchased from local providers as required.
All mill tailings will be discharged to the TSF, which has a total projected volume of approximately 8.5 Mt in its ultimate configuration. Stage 1 – Cell 1 of the TSF is currently in operation with limited remaining capacity. Stage 1 – Cell 2 of the structure is partially constructed and will be finished when the necessary permit is obtained. During the period in which Cell 1 is at maximum storage capacity and Cell 2 construction has not been finished, tailings from the Juanicipio processing plant will be pumped to the neighbouring mine TSF. Stage 2 will be constructed following the construction of Stage 1 – Cell 2, providing additional storage capacity via a downstream raise of the dam. The remaining estimated requirement for an additional 3.7 Mt of tailings storage will come from an expansion to the TSF via a vertical raise or an additional cell.
Dewatering will be via two main pump stations capable of handling 5,000 gpm. Drilling ahead of the advancing ramps has indicated no major water bearing structures. It is estimated that this should be sufficient capacity for the life of the mine.
The risk of flooding will be partially mitigated by this early development strategy and by the provision of spare pumping capacity.
Mobile compressors supply compressed air for underground operations, and primary equipment, such as longhole drills, have their own mobile compressors. The main compressor is located near the No 2 fan on surface above the main portal area and twin declines.
The QP considers that current infrastructure and plans for future additions and adjustments are appropriate to support the Juanicipio Mineral Reserves and their extraction.
In regard to infrastructure, the following recommendations are made:
Consider opportunities to optimize the materials handling system for deeper ore with an aim of reducing operating costs.
Continue with advanced dewatering of the orebody to reduce the amount of heat introduced to the mine workings from ingress of hot groundwater.
amcconsultants.com    22

Juanicipio Mineral Resource and Mineral Reserves NI 43-101 Technical Report
MAG Silver Corp.
0723032
image_1.jpg


Consider all options for necessary expansion of TSF capacity, with work to be completed in a timeframe that matches tailings disposal requirements.
1.20.11Mineral processing interpretations, conclusions, and recommendations
AMC visited Juanicipio in February 2024 and conducted an inspection of the Juanicipio plant. The facility was observed to be clean, well maintained and being operated in a safe and orderly manner. A site-wide maintenance record-keeping, planning and execution system utilizing industry standard software is fully implemented.
The designed throughput rate for the Juanicipio plant is 4,000 tpd. Daily averages increased during the commissioning and ramping up of the new plant and have demonstrated achievement of designed performance.
Total gold recovery (before payables adjustment) averaged 69.4% for March to December 2023 compared to the planned value of 75.8%. However, recoveries have improved as ramp-up and optimization of plant circuits have progressed, with gold recovery (inclusive latterly of some gravity gold) in December 2023 averaging 71.4% (silver at 89.0%, lead at 93.5%, zinc at 94.9%).
Total recoveries for March to December 2023 (before payables adjustment) for silver, lead and zinc exceeded plan:
Silver recovery averaged 87.6% compared to the planned value of 87.1%.
Lead recovery averaged 89.9% compared to the planned value of 86.3%.
Zinc recovery averaged 90.5% compared to the planned value of 74.5%.
Excluding the start-up month of March 2023, lead content of lead concentrate exceeded the planned value of 33.75% and ranged from 38% to 52%. Zinc content was generally in the planned range from 4.84% Zn to 12.0% Zn and ranged from 7% to 14%.
Excluding the start-up month of March 2023, zinc content of zinc concentrate exceeded the planned value of 49.71% and ranged from 49% to 53%. Lead content generally met the planned limit of 1.31%.
Commissioning and ramp-up have generally gone well, with the plant achieving designed throughput and designed silver, lead and zinc recoveries and concentrate grades. AMC acknowledges the continuing testing and process development being conducted by the plant’s operators to improve all processing aspects, including for gold recovery, and recommends continuation of the program.
The pyrite circuit has initially been in an optimization phase, with delivery to, and acceptance of a first pyrite concentrate shipment by, an off-shore purchaser recently achieved.
1.20.12TSF interpretations, conclusions, and recommendations
Detailed design of the TSF for the project has been undertaken by Knight Piésold. It is estimated that the Juanicipio processing plant will produce approximately 12.2 Mt of tailings for surface storage over an anticipated mine life of approximately 13 years. Mill tailings will be discharged to the TSF, which has a total volume capacity of approximately 8.5 Mt, as currently designed. The remaining required tailings storage will come from potential deepening of the Cell 2 basin, a future expansion to the TSF through construction of an adjacent cell, and / or a vertical raise of the dam.
amcconsultants.com    23

Juanicipio Mineral Resource and Mineral Reserves NI 43-101 Technical Report
MAG Silver Corp.
0723032
image_1.jpg


The TSF is designed for two construction and operational phases, denoted Stages 1 and 2. Stage 1 will be constructed to a crest elevation of 2,217 m amsl and will have a maximum height of approximately 33 m. When the facility is at its ultimate configuration, Stage 2, the maximum height of the dam will be approximately 38 m, with a crest elevation of 2,222 m amsl. The Stage 1 dam may be considered a starter dam, encircling three sides of the geomembrane-lined tailings storage basin; the fourth side of the facility is created by the natural hillside slope. The final facility will be completed via a 5-m downstream raise of the Stage 1 dam, known as Stage 2. For both the Stage 1 and Stage 2 configurations, the upstream and downstream slopes of the dam are designed to
2.5:1.0 H:V with a crest width of 10 m.
The Juanicipio TSF features a homogeneous dam (i.e., non-zoned) founded upon native materials. Following site stripping, foundation preparation consists of removing all unsuitable soil strata (i.e., loose, caliche-rich) until reaching a competent layer as determined by site engineers. The dam contains a basal drainage system, consisting of a blanket drain built below the downstream portion of the dam to control potential seepage. Seepage that reaches the blanket drain is conveyed to collection drains along the outer perimeter of the dam, and then discharged into geomembrane-lined collection ponds. Seepage collected in the ponds is recirculated to the TSF, to the processing plant, or, as permitted by geochemical testing and regulations, discharged directly into the downstream environment.
Surface water management at the TSF is facilitated primarily by two non-contact diversion channels, one along the east side of the dam and the other along the south end and west sides of the facility. The channels are verified to accommodate run-on from the 1,000-year storm event as required by CONAGUA. The east diversion channel is concrete-lined and the south / west channel is geotextile and riprap lined to deter erosion. Both channels feature energy dissipators at their termini prior to flow discharging into the downstream native environment. The TSF does not contain an operational spillway as it has been designed to store rainfall and run-on associated with the 72-hour PMP.
In regard to the TSF, the following interpretations, conclusions, and recommendations are provided:
Commitment is required for a TSF design expansion or new TSF facility for disposal of the projected 3.7 Mt of tailings additional to the current TSF capacity.
Site investigation work completed in 2023 indicated that the excavation of the Cell 2 tailings basin could be deepened to provide additional tailings storage and produce sufficient fill for the Stage 2 raise of the TSF. Conceptual engineering of the deepened Cell 2 basin by Knight Piésold suggests that more than a year of additional tailings storage could be added to the TSF. The QP notes that detailed engineering of the Cell 2 basin deepening has been authorized by Minera Juanicipio.
Cell 2 tailings basin deepening will only partially alleviate the requirement for additional TSF sufficient storage capacity to meet the life of mine tailings production. It is envisaged that the remaining required tailings storage will come from an expansion to the existing Juanicipio TSF through construction of an adjacent cell and / or from an additional raise of the dam. The QP recommends timely investigation, design, and planning for these options.

1.20.13Economics interpretation, conclusions, and recommendations
The economic assessment indicates strong economic viability for the Juanicipio Project. Over a 13-year operating life, the mine is projected to generate approximately $1,656M pre-tax NPV and
$1,224M post-tax NPV at 5% discount rate. Operating costs used for the economic evaluation are based on actual operating costs and benchmark costs for similar operations in the area. Total remaining capital expenditure is estimated at $453M.
amcconsultants.com    24

Juanicipio Mineral Resource and Mineral Reserves NI 43-101 Technical Report
MAG Silver Corp.
0723032
image_1.jpg


The QP has reviewed the overall economics for Juanicipio and provides the following related recommendations:
Maintain focus on achieving steady-state operations as soon as practicable to achieve full financial and operational benefit.
Complete construction of the planned conventional conveyor as soon as practicable to minimize operating costs and assist in maintaining production and mill feed targets.
Re-evaluate the usage of vertical conveyors or other viable materials handling options as the mine goes deeper.
Further drilling and investigation work aimed at upgrading Inferred Mineral Resources is recommended to consolidate the design basis for the project and, in particular, plans for long term ore handling.
1.20.14Risks
Mineral Resources are not Mineral Reserves and do not have demonstrated economic viability. There is a degree of uncertainty attributable to the estimation of Mineral Resources. There are considerable Mineral Reserves estimated based on the Measured and Indicated Resources available, which substantially reduces the risk. However, until Mineral Resources are actually mined and processed, the quantity of mineralization and grades must be considered as estimates only. Any material change in quantity of resources, mineralization, or grade may affect the economic viability of the project.
Increasing operating costs may lead to a reduction in the economically viable Mineral Reserves and could, therefore, affect overall project economics. Careful attention to cost containment and optimization should be considered during operations.
Ground control and appropriate ground support regimes must always be at the forefront of the mine operating and management focus, and particularly in Poor ground areas and / or where faults are anticipated to be encountered.
1.20.15Opportunities for further consideration currently excluded from project scope
Potential opportunities for the project include:
Inferred Mineral Resources have the potential to be converted to Indicated Mineral Resources through additional exploration work, some of which can be converted through near-term infill drilling.
Significant exploration potential exists within a large land package and a number of high priority drill targets.
The Valdecañas vein system is largely open at depth.
The Juanicipio vein is open to the west and to depth for further exploration.
amcconsultants.com    25

Juanicipio Mineral Resource and Mineral Reserves NI 43-101 Technical Report
MAG Silver Corp.
0723032
image_1.jpg

Contents
1Summary    ii
1.1Introduction    ii
1.2Location    ii
1.3Geology and mineralization    ii
1.4Exploration and drilling    iii
1.5Mineral Resource estimates    iii
1.6Mineral Reserves    v
1.7Geotechnical considerations    v
1.7.1Rock mass characterization    v
1.7.2Open stope stability    vi
1.7.3Ground support requirements    vii
1.8Mining concept    vii
1.9Mineral processing    x
1.10Project infrastructure    xi
1.11Underground infrastructure    xii
1.12Environmental, permitting, and social aspects    xiii
1.13Project development and production schedule    xiv
1.14Project capital costs    xv
1.15Site operating costs    xv
1.16Offsite costs (concentrate transport, treatment, and refining costs)    xvi
1.17Taxes    xvi
1.18Projected sales    xvi
1.19Economic analysis    xvi
1.20Interpretations, conclusions, and recommendations    xvii
1.20.1Drilling    xvii
1.20.2Sample preparation, analyses, and security - QAQC recommendationsxviii
1.20.3Sample preparation, analyses, and security - Conclusions    xix
1.20.4Data verification    xix
1.20.5Mineral Resources interpretation and conclusions    xix
1.20.6Mineral Resource estimate recommendations    xix
1.20.7Mineral    Reserve estimate interpretations, conclusions, and recommendations    xx
1.20.8Mining interpretation, conclusions, and recommendations    xx
1.20.9Geotechnical    xxi
1.20.10Infrastructure interpretation, conclusions, and recommendations    xxii
1.20.11Mineral processing interpretations, conclusions, and recommendationsxxiii
1.20.12TSF interpretations, conclusions, and recommendations    xxiii
1.20.13Economics interpretation, conclusions, and recommendations    xxiv
1.20.14Risks    xxv
1.20.15Opportunities for further consideration currently excluded from project scope    xxv
2Introduction    39
2.1Purpose    39
2.2Terms of reference    39
2.3Qualification of authors    40
2.4Sources of information    40
2.5Units of measure and currency    41
3Reliance on other experts    42
4Property description and location    43
4.1Land tenure    43
4.2Royalties and taxes    43
amcconsultants.com    26

Juanicipio Mineral Resource and Mineral Reserves NI 43-101 Technical Report
MAG Silver Corp.
0723032
image_1.jpg

5Accessibility, climate, local resources, infrastructure, and physiography    46
5.1Accessibility    46
5.2Climate    46
5.3Local resources    46
5.4Infrastructure    46
5.5Physiography    46
6History    47
6.1Previous ownership    47
6.2Exploration history    47
6.3Previous Mineral Resource estimates    47
6.4Production    48
7Geological setting and mineralization    49
7.1Regional geology    49
7.2Property geology    51
7.2.1Mesozoic rocks    51
7.2.2Tertiary igneous rocks    51
7.2.3Upper Tertiary rocks    52
7.2.4Structural geology    52
7.2.5Mineralization    56
7.2.5.1Valdecañas vein system    56
7.2.5.2Venadas vein    59
7.2.5.3Styles of mineralization    60
7.2.5.4Other known mineralization    60
8Deposit types    61
9Exploration    63
9.1Surface exploration    63
9.2Underground channel sampling    65
10Drilling    67
10.1Introduction    67
10.1.1Mag Silver (2003 - 2005)    68
10.2Fresnillo (2005 - 2023)    68
10.3Surveying and drilling procedures    68
10.4Drilling pattern and hole density    68
10.5Discussion on drilling programs    69
10.5.1Valdecañas vein system    69
10.5.2Juanicipio vein    70
10.5.3Venadas vein    72
10.6Comments    73
11Sample preparation, analyses, and security    74
11.1Sample Preparation and security by operator    74
11.1.1MAG Silver (2005)    74
11.1.2Fresnillo (2005 - 2023)    74
11.2Bulk density data    75
11.3QAQC procedures    76
11.3.1Standard reference materials    79
11.3.1.1SRMs overview    79
11.3.1.2Discussion on SRMs (2022 – 2023 program)    80
11.3.1.3Discussion on SRMs (2007 – 2022 programs)    82
11.3.1.4Comments on SRM samples    82
amcconsultants.com    27

Juanicipio Mineral Resource and Mineral Reserves NI 43-101 Technical Report
MAG Silver Corp.
0723032
image_1.jpg
11.3.2Blank samples    83
11.3.2.1Blank samples overview    83
11.3.2.2Discussion on blank samples (2022 – 2023 program)    83
11.3.2.3Discussion on blank samples (2007 – 2022 programs)    86
11.3.2.4Comments on blank samples    87
11.3.3Duplicate samples    87
11.3.3.1Duplicate samples overview    87
11.3.3.2Discussion on duplicate samples (2022 – 2023 program)    88
11.3.3.3Discussion on duplicate samples (2007 – 2022 programs)    91
11.3.3.4Comments on duplicate samples    92
11.3.4Umpire samples    92
11.3.4.1Umpire samples overview    92
11.3.4.2Discussion on umpire samples (2022 – 2023 program)    93
11.3.4.3Discussion on umpire samples (2007 – 2022 programs)    96
11.3.4.4Comments on umpire samples    96
11.3.5QAQC recommendations    96
11.3.6Conclusions    97
12Data verification    98
12.1Site inspections    98
12.2Assay verifications    98
13Mineral processing and metallurgical testing    100
13.1Metallurgical testing    100
13.2Sample preparation    101
13.3Head assays    101
13.4Mineralogical characterization    102
13.4.1Mineral composition and species distribution    102
13.4.2Mineral liberation    103
13.5Flotation tests    103
13.5.1Sequential open circuit flotation test work    104
13.5.2Locked cycle flotation test work    106
13.6Cyanidation of pyrite concentrate    108
13.7Gravity recoverable gold and silver    109
13.8Comminution test results (2015)    109
13.9Optimization testwork program 2021 and 2022    110
14Mineral Resource estimates    111
14.1Introduction    111
14.2Data used    112
14.2.1Drillhole database    112
14.2.2Bulk density    113
14.3Geology and vein modelling    114
14.4Statistics of selecting samples, capped samples, and composites    115
14.5Variography    119
14.6Search and estimation parameters    120
14.7Block model parameters    120
14.8Block model validation    121
14.8.1Visual check    121
14.8.2Statistical comparison model versus composites    122
14.8.3Swath plots    125
14.9Economic considerations    127
14.10Mineral Resource classification    128
14.11Mineral Resource estimate    129
14.12Grade sensitivity analysis    130
amcconsultants.com    28

Juanicipio Mineral Resource and Mineral Reserves NI 43-101 Technical Report
MAG Silver Corp.
0723032
image_1.jpg
14.13Previous Mineral Resource estimates    131
14.14Conclusion and recommendations    132
15Mineral Reserve estimates    133
15.1Introduction    133
15.2Mineral Reserve estimate    133
15.3Cut-off value    135
15.4Dilution and recovery estimates    136
15.5Conclusions and recommendations    136
16Mining methods    137
16.1Geotechnical considerations    138
16.1.1Geotechnical domains    138
16.1.2Rock mass classification    141
16.1.3Intact rock testing    141
16.1.4Longhole open stope stability    141
16.1.5Ground support requirements    143
16.1.5.1Lateral development    143
16.1.5.2Vertical development    143
16.2Stope design basis    144
16.2.1Mineral Resource    144
16.2.2Stope optimization    144
16.3Production projection and production to date    145
16.4Ore and waste handling    145
16.5Access development    146
16.6Mine design    148
16.6.1Typical development layout    149
16.7Ventilation    150
16.7.1Design criteria    150
16.7.2Airflow determination    151
16.7.3Ventilation modelling    152
16.7.4Ventilation control and distribution    152
16.7.5Ventilation updated design    153
16.7.6Primary fan duties    153
16.7.7Auxiliary ventilation    153
16.7.8Conveyor decline ventilation    154
16.7.9Conveyor risk of fire    154
16.8Rock fill    154
16.9Drill and blast design, and explosives management and logistics    155
16.9.1Blasting agents (ANFO)    155
16.9.2Boosters    155
16.9.3Detonators    155
16.9.4Stope drill and blast design    155
16.9.5Drill selection for stoping    156
16.10Production and development schedule    156
16.11Mobile equipment    157
16.12Mine personnel    159
16.13Conclusions and recommendations    163
17Recovery methods    165
17.1Ore transport    165
17.2Ore stockpile    165
17.3Grinding and classification    165
17.4Lead flotation circuit    166
17.5Zinc flotation circuit    166
amcconsultants.com    29

Juanicipio Mineral Resource and Mineral Reserves NI 43-101 Technical Report
MAG Silver Corp.
0723032
image_1.jpg
17.6Pyrite flotation circuit    166
17.7Thickening of lead concentrate    167
17.8Surge tank for lead concentrate    167
17.9Lead concentrate filtration    167
17.10Thickening of zinc concentrate    167
17.11Surge tank for zinc concentrate    167
17.12Filtration of zinc concentrate    168
17.13Thickening of pyrite concentrate    168
17.14Filtration of pyrite concentrate    168
17.15Thickening of final tails    168
17.16Shipment of lead, zinc, and pyrite concentrates    168
17.17Process flowsheet and tailings storage    168
17.18Mineral processing schedule and recovery    170
17.19Mineral processing conclusions and recommendations    177
18Project infrastructure    178
18.1Site layout    178
18.2Power supply    180
18.3Communications systems    180
18.4Water supply    181
18.4.1Dewatering    181
18.5Compressed air    182
18.6Stockpiles    182
18.7Tailings storage    182
18.8Other surface facilities    186
18.8.1Workshops and fuel storage    186
18.8.2Water and sewage treatment    186
18.9Explosives magazines    186
18.10Mine safety    186
18.10.1Emergency egress    187
18.10.2Stench system    187
18.11Material handling system    187
18.12Conclusions and recommendations    188
19Market studies and contracts    189
19.1Metal prices    189
19.2Marketing    189
20Environmental studies, permitting, and social or community impact    191
20.1Land purchasing agreements    191
21Capital and operating costs    192
21.1Capital costs    192
21.2Operating costs    193
22Economic analysis    196
22.1Assumptions    196
22.2Economic analysis    196
22.3Selling costs and payabilities    199
22.4Taxes, depreciation, and royalties    199
22.5Project sensitivities    199
22.6Conclusions and recommendations    200
23Adjacent properties    201
24Other relevant data and information    203
25Interpretation and conclusions    204
amcconsultants.com    30

Juanicipio Mineral Resource and Mineral Reserves NI 43-101 Technical Report
MAG Silver Corp.
0723032
image_1.jpg
25.1Drilling    204
25.2Sample preparation, analyses, and security    204
25.3Data verification    204
25.4Mineral Resources    204
25.5Mineral Reserve estimate    204
25.6Mining    205
25.7Infrastructure    206
25.8Processing    206
25.9TSF    207
25.10Environmental, permitting, and social aspects    208
25.11Economics    208
25.12Risks    209
25.13Opportunities for further consideration currently excluded from project scope 209
26Recommendations    210
26.1Sample preparation, analyses, and security - QAQC    210
26.2Mineral Resources    211
26.3Mineral Reserves    211
26.4Mining    212
26.5Geotechnical    212
26.6Infrastructure    212
26.7Processing    212
26.8TSF    213
26.9Economics    213
27References    214
28QP Certificates    217
Tables
Table 1.1    Juanicipio Mineral Resources at 31 May 2023    iv
Table 1.2    Summary of Mineral Reserves as of 31 May 2023    v
Table 1.3    Ground support requirements for primary support    vii
Table 1.4    Mill recoveries    xi
Table 1.5    Productivity assumptions    xiv
Table 1.6    EPS production schedule by year    xv
Table 1.7    Summary of projected capital costs    xv
Table 1.8    Key inputs and results of economic analysis    xvii
Table 1.9    Proposed program and cost estimate    xx
Table 2.1    Persons who prepared or contributed to this Technical Report    40
Table 4.1    Tenure data    43
Table 10.1    Summary of core drilling by year    67
Table 11.1    List of detection limits for Au, Ag, Pb, and Zn    75
Table 11.2    Density measurements from the Juanicipio project by rock type    76
Table 11.3    Juanicipio QAQC samples by year for all sample types    77
Table 11.4    Fresnillo Juanicipio QAQC insertion summary    77
Table 11.5    Juanicipio QAQC samples (2022 – 2023 program)    78
Table 11.6    Juanicipio QAQC insertion percentages (2022 – 2023 program)    78
Table 11.7    Summary of SRM types and grade summary (2022 – 2023 program)    79
Table 11.8    CDN-ME-1810 performance summary for surface diamond drill core samples    80
amcconsultants.com    31

Juanicipio Mineral Resource and Mineral Reserves NI 43-101 Technical Report
MAG Silver Corp.
0723032
image_1.jpg
Table 11.9    CDN-ME-1807 and CDN-ME-1903 performance summary for mine diamond drill core samples    81
Table 11.10    CDN-ME-1807 and CDN-ME-1903 performance summary for channel samples 82
Table 11.11    Summary of results for pulp blank analysis of diamond drill (surface) sample stream
.    84
Table 11.12    Summary of results for pulp blank analysis of diamond drill (mine) sample stream
.    85
Table 11.13    Summary of results for pulp blank analysis from channel sample stream    86
Table 11.14    Summary of duplicate sample results for the mine diamond drill core sample stream
.    89
Table 11.15    Summary of duplicate samples results for the channel sample stream    91
Table 11.16    Summary of umpire sample results of the surface diamond drill core sample stream
.    94
Table 11.17    Summary of umpire sample results of the channel sample stream    95
Table 13.1    Metallurgical samples - head assay    101
Table 13.2    Head sample - minerals composition    102
Table 13.3    Elemental metal distribution by mineralogical species    103
Table 13.4    Tests 1 to 5 - calculated head grades    104
Table 13.5    Tests 1 to 5 - Pb concentrate grades and recoveries    104
Table 13.6    Tests 1 to 5 - Zn concentrate grades and recoveries    105
Table 13.7    Tests 1 to 5 - tails grades and recoveries    105
Table 13.8    Tests 6 and 13 - calculated head grades    105
Table 13.9    Tests 6 and 13 - Pb concentrate grades and recoveries    105
Table 13.10    Tests 6 and 13 - Zn concentrate grades and recoveries    105
Table 13.11    Tests 6 and 13 - Pyrite concentrate grades and recoveries    106
Table 13.12    Tests 6 and 13 – Tails grades and recoveries    106
Table 13.13    Flotation circuit metallurgical balance    108
Table 13.14    Gravity recoverable gold and silver test results    109
Table 13.15    SAG and ball mill comminution data    109
Table 14.1    Juanicipio Mineral Resources at 31 May 2023    111
Table 14.2    Data used in estimate by type    112
Table 14.3    Average bulk densities by vein    114
Table 14.4    Statistics of raw samples    116
Table 14.5    Statistics of capped samples    117
Table 14.6    Statistics of composite data    118
Table 14.7    Variogram parameters for Valdecañas vein    119
Table 14.8    Juanicipio estimation search parameters    120
Table 14.9    Block model parameters for domains 100, 101, 104, 106, 300    120
Table 14.10    Block model parameters for Venadas (103)    121
Table 14.11    Estimated block model fields    121
Table 14.12    Composites and model statistics for Ag, Au, and Pb    123
Table 14.13    Composites and model statistics for Zn, Fe, and bulk density    124
Table 14.14    Input parameters in calculating resource NSR    127
Table 14.15    Relative percentage contribution from each vein    127
amcconsultants.com    32

Juanicipio Mineral Resource and Mineral Reserves NI 43-101 Technical Report
MAG Silver Corp.
0723032
image_1.jpg
Table 14.16    Juanicipio Mineral Resources by vein on 31 May 2023    130
Table 14.17    Sensitivities to cut off grade for Valdecañas Measured and Indicated    130
Table 14.18    Comparison of the 2023 and 2017 Mineral Resources    131
Table 15.1    Summary of Minera Juanicipio Mineral Reserves as of 31 May 2023    134
Table 15.2    Summary of Minera Juanicipio Mineral Reserves as of 31 May 2023 (44% Mag Silver)
.    134
Table 15.3    Mineral Resources and Mineral Reserves comparison    135
Table 15.4    NSR calculation assumptions    135
Table 16.1    Lithology code definitions and geotechnical domains    139
Table 16.2    Summary of intact rock elastic and strength properties of mafic tuff    141
Table 16.3    H-B strength parameters for intact LUAR    141
Table 16.4    Ground support requirements for primary support    143
Table 16.5    MSO parameters used to estimate potential economically viable mineralization145 Table 16.6    LOM development metres    147
Table 16.7    Ventilation velocity criteria    151
Table 16.8    Total airflow allowance    152
Table 16.9    Airway dimensions and friction factors    152
Table 16.10    Productivity assumptions    156
Table 16.11    EPS production schedule by year    157
Table 16.12    Equipment list    158
Table 16.13    Projected mine personnel requirements for steady state operations    160
Table 17.1    Juanicipio plant feed    171
Table 17.2    Juanicipio plant total recoveries – March to December 2023    173
Table 17.3    Projected LOM concentrate production and payable metal by year    176
Table 18.1    Estimated site power demand    180
Table 19.1    Lead concentrate – representative treatment terms    189
Table 19.2    Zinc concentrate – representative treatment terms    190
Table 19.3    Concentrate transport costs    190
Table 21.1    Remaining project capital and sustaining capital cost estimate    192
Table 21.2    LOM annual project capital cost estimate    192
Table 21.3    LOM annual sustaining capital cost estimate    193
Table 21.4    LOM annual capital cost estimate    193
Table 21.5    LOM site operating costs by major area    194
Table 21.6    LOM annual operating cost estimate    195
Table 22.1    Metal prices    196
Table 22.2    Key economic assumptions and results    197
Table 22.3    Juanicipio LOM production and cash flow forecast    198
Table 26.1    Proposed program and cost estimate    211

amcconsultants.com    33

Juanicipio Mineral Resource and Mineral Reserves NI 43-101 Technical Report
MAG Silver Corp.
0723032
image_1.jpg
Figures
Figure 1.1    Geomechanical guideline for stoping and backfilling    vi
Figure 1.2    Access development composite plan layout (over three production levels)    viii
Figure 1.3    Overall mine layout    ix
Figure 4.1    Location map    44
Figure 4.2    Claim map and surface rights on the Property    45
Figure 7.1    Regional geological setting of the Juanicipio project    50
Figure 7.2    Local geology of the Juanicipio project    53
Figure 7.3    Stratigraphic column for the Fresnillo area    54
Figure 7.4    Examples of common rock types at the Juanicipio deposit    55
Figure 7.5    Plan view showing distribution of the mineralized vein system    56
Figure 7.6    Examples of the Valdecañas vein    58
Figure 7.7    Example of Juanicipio vein    59
Figure 7.8    Example of Venadas vein    59
Figure 8.1    Conceptual model for epithermal mineralization in the Fresnillo District    62
Figure 9.1    Map showing structural and hyperspectral interpretation    64
Figure 9.2    Surface map showing property geology overlain by sample locations and gold values
.    65
Figure 9.3    Channel sampling markings at an underground development front    66
Figure 10.1    Map showing the distribution of drilling    69
Figure 10.2    Representative cross section of the Valdecañas, Anticipada, Pre-Anticipada, Ramal 1, & Juanicipio veins    70
Figure 10.3    Representative cross section of the Juanicipio vein    71
Figure 10.4    Representative cross section of the Venadas vein    72
Figure 11.1    Density measurement station with electronic scale and instrument to record data75 Figure 11.2    Control chart showing Au results for pulp blanks - surface diamond drill sample stream
.    84
Figure 11.3    Control chart showing Au results for pulp blanks - mine diamond drill sample stream
.    85
Figure 11.4    Control chart showing Au results for pulp blanks - channel sample stream    86
Figure 13.1    Lead flotation locked cycle test work flowsheet    107
Figure 14.1    Juanicipio drillhole location plan    113
Figure 14.2    Plan view of the mineralization domains at the Juanicipio project    115
Figure 14.3    3D view of Ag grades in Valdecañas block model and composite data    122
Figure 14.4    South-North swath plot of Valdecañas domain    125
Figure 14.5    West-East swath plot of Valdecañas domain    126
Figure 14.6    Elevation swath plot of Valdecañas domain    126
Figure 14.7    3D view of classification for Valdecañas    129
Figure 16.1    LHOS with rock fill general layout    137
Figure 16.2    CAF general layout    138
Figure 16.3    Lithology model    139
Figure 16.4    Interpreted faults intersecting the Valdecañas vein    140
Figure 16.5    Geomechanical guideline for stoping and backfilling    142
amcconsultants.com    34

Juanicipio Mineral Resource and Mineral Reserves NI 43-101 Technical Report
MAG Silver Corp.
0723032
image_1.jpg
Figure 16.6    Access development composite plan layout (over three production levels)    147
Figure 16.7    Composite plan view of the underground mine design    148
Figure 16.8    Long-section view of the underground mine design    149
Figure 16.9    Typical access development design (plan and oblique view)    150
Figure 16.10 Juanicipio ventilation – current    153
Figure 16.11 End of mine life snapshot    157
Figure 16.12 Projected major equipment required over LOM from Owner    159
Figure 16.13 Projected major equipment required over LOM from contractor    159
Figure 17.1    Process flowsheet    169
Figure 17.2    Juanicipio plant feed rate – March 2023 to January 2024    171
Figure 17.3    Juanicipio Au and Ag recoveries - March 2023 to January 2024    172
Figure 17.4    Juanicipio Pb and Zn recoveries – March 2023 to January 2024    173
Figure 17.5    Lead concentrate grade    174
Figure 17.6    Zinc concentrate grade    175
Figure 18.1    Site general layout    179
Figure 18.2    Section view of the TSF layout and design    184
Figure 18.3    Plan view of the TSF layout and design    185
Figure 18.4    Ore handling schematic    188
Figure 22.1    Project sensitivity chart    200
Figure 23.1    Adjacent properties    202
amcconsultants.com    35

Juanicipio Mineral Resource and Mineral Reserves NI 43-101 Technical Report
MAG Silver Corp.
0723032
image_1.jpg

Units & abbreviations

Units & abbreviations
Definition
°Degrees
°C
Degrees Celsius
$
United States Dollars
µmMicrons
%Percent
3DThree-dimensional
AgSilver
AgEq
Silver equivalent
ALS Chemex
ALS Chemex Laboratory
AMC
AMC Mining Consultants (Canada) Ltd.
amsl
Above mean sea level
ANFO
Ammonium nitrate fuel oil
AuGold
bgs
Below ground surface
BTS
Brazilian Tensile Strength
BV
Bureau Veritas
BWI
Ball mill Work Index
CAF
Cut-and-fill stoping
CCTV
Closed-circuit television
CDA
Canadian Dam Association
CIM
Canadian Institute of Mining, Metallurgy and Petroleum Definition Standards for Mineral Resources and Mineral Reserves
CMS
Cavity Monitoring System
Coeff. var.; CV
Coefficient of variation
COG
Cut-off grade
CONAGUA
Comisión Nacional de Agua
CSA
Canadian Securities Administrators
CuCopper
dmt
Dry metric tonne
DTM
Digital Terrain Model
EBIT
Earnings before interest and tax
EGBC
Engineers & Geoscientists BC
ELOSDilution
EPS
Enhanced Production Scheduler
FeIron
Fresnillo
Fresnillo plc
ft
Foot; feet
FWFootwall
gGram
G&A
General and administration
g/l
Grams per litre
g/t
Grams per tonne
GCMP
Ground Control Management Plan
GPaGigapascals
gpm
Gallons per minute
amcconsultants.com    36

Juanicipio Mineral Resource and Mineral Reserves NI 43-101 Technical Report
MAG Silver Corp.
0723032
image_1.jpg


Units & abbreviations
Definition
haHectares
H-B
Hoek-Brown
HWHangingwall
ID3
Inverse distance cubed
JV
Joint venture
kgKilogram
kg/t
Kilograms per tonne
kmKilometres
koz
Thousand troy ounces
ktKilotonnes
kVKilovolts
kWKilowatts
kWh
Kilowatt hours
kWh/t
Kilowatt hours per tonne
Lab
Preparatory laboratory
LAN
Local Area Network
LCT
Locked cycle test
LHOS
Longhole stopes
LLD
Lower limit of detection
LLDPE
Linear low-density polyethylene
LOM
Life-of-mine
MMillion
mMetres
m3
Cubic metres
m³/s
Cubic metres per second
Ma
Mega annum
MAG Silver
MAG Silver Corp
MIA-R
Regional Environmental Impact Statement
Minera Lagartos
Minera Lagartos S.A. de C.V.
mmMillimetres
MPaMegaPascal
MSO
Mineable Shape Optimizer
Mt
Million tonnes
Mtpa
Million tonnes per annum
MWMegawatt
MXP
Mexican Pesos
NI 43-101
National Instrument 43-101
NPV
Net present value
NSAMT
Natural Source Audio Magnetotelluric
NSR
Net smelter return
NVD
Night vision device
OK
Ordinary Kriging
P
Passing size
PbLead
PEA
Preliminary Economic Assessment
Peñoles
Industrias Peñoles S.A. de C.V.
amcconsultants.com    37

Juanicipio Mineral Resource and Mineral Reserves NI 43-101 Technical Report
MAG Silver Corp.
0723032
image_1.jpg


Units & abbreviations
Definition
PLC
Programmable logic controller
PMP
Probable Maximum Precipitation
ppm
Parts per million
PTU
Profit-sharing benefit
QAQC
Quality Assurance and Quality Control
QP
Qualified Person
RF
Rock fill
RMA
Reduced major axis
RMR
Rock Mass Rating
ROM
Run-of-mine
RPD
Relative percentage deviation
RQD
Rock quality designation
RSD
Relative standard deviation
SAG
Semi-autogenous grinding
SC
Support class
SEDAR
System for Electronic Document Analysis and Retrieval
SG
Specific gravity
SGS
SGS S.A.
SOP
Standard operating procedure
SRM
Standard reference material
Stand. dev.; Std. dev; SD
Standard deviation
tTonne
TCS
Triaxial Compressive Strength
tpd
Tonnes per day
tph
Tonnes per hour
TSF
Tailings storage facility
UCS
uniaxial compressive strength
UHF
Ultra-high frequency
UTM
Universal Transverse Mercator
VoIP
Voice over Internet Protocol
wmt
Wet metric tonne
Xanthate
Potassium amyl xanthate
ZnZinc
amcconsultants.com    38

Juanicipio Mineral Resource and Mineral Reserves NI 43-101 Technical Report
MAG Silver Corp.
0723032


2Introduction
2.1Purpose
This Technical Report (Report) on the Juanicipio Property (Property or Project) has been prepared by AMC Mining Consultants (Canada) Ltd. (AMC) of Vancouver, Canada on behalf of MAG Silver Corp (MAG Silver) and is reporting updated Mineral Resource estimates and a statement of Mineral Reserve estimates for the first time. The Report has been prepared in accordance with the requirements of National Instrument 43-101 (NI 43-101) “Standards of Disclosure for Mineral Projects” of the Canadian Securities Administrators (CSA) for lodgement on CSA’s System for Electronic Document Analysis and Retrieval (SEDAR). NI 43-101 utilizes the definitions and categories of Mineral Resources and Mineral Reserves as set out in the Canadian Institute of Mining, Metallurgy and Petroleum Definition Standards for Mineral Resources and Mineral Reserves 2014 (CIM, 2014).
MAG Silver holds a 44 percent (%) interest in Minera Juanicipio, the Mexican incorporated joint venture (JV) company that owns (100%) of the Property. Fresnillo plc (Fresnillo) owns 56% of Minera Juanicipio and is the Project operator. The Property is located in Zacatecas State, Mexico. Feasibility-level studies completed in 2018 (2018 study work) on behalf of Minera Juanicipio were used to advance the Project to construction in April 2019. Underground production of mineralized development material commenced in the third quarter of 2020 and commercial production was declared in mid-2023. Nameplate processing capacity of 4,000 tpd was achieved in Q3 2023, with mine ore production averaging about 3,700 tpd in the latter part of the year (approximately
1.3 million tonnes per annum (Mtpa)). Optimization and efficiency improvements are to be worked on in 2024.
The Report provides an update to the Preliminary Economic Assessment (PEA) that was reported in the “MAG Silver Juanicipio NI 43-101 Technical Report, Amended and Restated, Zacatecas State, Mexico”. This was prepared by AMC for MAG Silver, with an effective date 21 October 2017, and a revised date of 19 January 2018.
2.2Terms of reference
The Property hosts significant silver-gold epithermal structures. Indicated and Measured Mineral Resource estimates are reported for the Valdecañas vein, which constitutes the major part of the Valdecañas vein system. Inferred Mineral Resource estimates are reported for the Valdecañas, Ramal 1, Venadas, and Anticipada parts of the Valdecañas system, and for the Juanicipio vein. Mineral Reserve estimates are based on the Measured and Indicated Mineral Resources.
Mineral Resource estimates are current as of 31 May 2023 and were prepared by Fresnillo; they have been audited by Mr J. M. Shannon, an independent consultant, who takes Qualified Person (QP) responsibility for those estimates. Mineral Reserve estimates are current as of 31 May 2023 and were also prepared by Fresnillo; they have been reviewed by Mr P. Salmenmaki, of AMC, who takes QP responsibility for those estimates. The Report has an effective date of 4 March 2024.
All mining and processing facilities are contained within the Property boundary. Access roads and other surface infrastructure are restricted to areas over which Minera Juanicipio has secured surface tenure or access rights.
AMC’s scope of work for the Report included auditing and provision of QP acceptance for the Mineral Resource and Mineral Reserve estimates as part of overall responsibility for the Report. Mr G. Dominguez of Knight Piésold takes QP responsibility for tailings storage facility (TSF) aspects. AMC previously provided detailing and assessment of appropriate methods and production scheduling for potential mining and processing of Mineral Resources as part of the 2018 study work.
amcconsultants.com    39

Juanicipio Mineral Resource and Mineral Reserves NI 43-101 Technical Report
MAG Silver Corp.
0723032



That work also involved preparation of plans, schedules, and cost parameters for mine and infrastructure development concepts, and estimation of capital and operating costs for evaluation in an economic model with which to assess potential project economics. All key parameters and production scheduling have been updated and project economics re-evaluated to reflect the Mineral Reserve estimates stated herein.
Projected risks and opportunities associated with the Project have been compiled together with a list of recommendations for further Project activities, including monitoring of sample preparation, analyses, and security Quality Assurance and Quality Control (QAQC), Mineral Resource reconciliation model and exploration, Mineral Reserve estimation, mining backfill / materials balance study, overall ventilation strategy, Geotechnical and ground support standards, infrastructure materials handling and dewatering studies, Mineral processing monitoring, and to explore the expansion of the tailings storage facility to have sufficient storage capacity to meet the life-of-mine (LOM) tailings production.
2.3Qualification of authors
The names and details of persons who prepared, or who have assisted the QPs, in the preparation of this Technical Report are listed in Table 2.1. The QPs meet the requirements of independence as defined in NI 43-101, Part 1.
Table 2.1 Persons who prepared or contributed to this Technical Report

Qualified Persons responsible for the preparation and signing of this Technical Report*
Qualified Person

Position

Employer
Independent of Minera Juanicipio
Date of site visit
Professional designation
Sections of report

P. Salmenmaki
Principal Mining Engineer
AMC Mining Consultants (Canada) Ltd.

Yes

15 - 16
Feb 2024

P.Eng. (BC, ON)
2-6, 15, 20-24,
and parts of 1, 12, 16, and
25-27

R. Chesher
Principal Consultant
AMC Consultants Pty Ltd

Yes

No visit
FAusIMM (CP)
13, 17, 19, and
parts of 1 and 25–27

M. Molavi
Principal Mining Engineer
AMC Mining Consultants (Canada) Ltd.

Yes

No visit

P.Eng. (BC)
Parts of 1, 16,
18, 25, and 26
J.M. Shannon
Principal GeologistIndependent ConsultantYes
No visit
P.Geo. (BC)
14, and parts
of 1 and 25-27

C. Stewart
Senior Geologist
AMC Mining Consultants (Canada) Ltd.

Yes

No visit

P.Geo. (BC)
7-11, and parts
of 1, 12, and
25–27
G. Dominguez
Vice President
Knight Piésold and Co.
Yes
14 Feb
2024
P.E. (USA)
Parts of 1, 18,
25, and 26
Notes: *QP responsibility for ‘part’ sections is governed by respective areas of responsibility and expertise: P. Salmenmaki – Mining aspects; R. Chesher – Metallurgical aspects; M. Molavi – Underground and surface infrastructure aspects;
J.M. Shannon – Mineral Resource aspects; C. Stewart – Geology and QAQC aspects; G. Dominguez – Tailings storage aspects.

2.4Sources of information
Key sources of information include previous study documents, diamond drillhole and channel sample databases, metallurgical test work reports, site reporting, and other information provided by Minera Juanicipio, supplier information and quotes, AMC and / or QP project experience in Mexico and elsewhere, and marketing information gained with the assistance of Fresnillo. A full reference list is included at the end of this report.
amcconsultants.com    40

Juanicipio Mineral Resource and Mineral Reserves NI 43-101 Technical Report
MAG Silver Corp.
0723032



This Report provides an update to the PEA that was reported in the “MAG Silver Juanicipio NI 43-101 Technical Report, Amended and Restated, Zacatecas State, Mexico”, (2017 AMC Technical Report). This was prepared by AMC for MAG Silver, with an effective date 21 October 2017, and a revised date 19 January 2018.
AMC was responsible for managing and preparing the Report. The Report is effective as of 4 March 2024.
A draft of the report was provided to MAG Silver for checking for factual accuracy.
2.5Units of measure and currency
Throughout this Report, measurements are in metric units and currency is in United States dollars ($) unless otherwise stated.
The Report includes the tabulation of numerical data, which involves a degree of rounding for the purpose of Mineral Resource and Mineral Reserve reporting. The QPs do not consider any rounding of the numerical data to be material to the reporting results.
amcconsultants.com    41

Juanicipio Mineral Resource and Mineral Reserves NI 43-101 Technical Report
MAG Silver Corp.
0723032


3Reliance on other experts
The QPs have relied, in respect of legal aspects, upon the work of the Expert listed below. To the extent permitted under NI 43-101, the QPs disclaim responsibility for the relevant section of the Report:
Expert: RUPA Abogados, S.C., Special Mexican counsel for Minera Los Lagartos, S.A. de C.V., as advised in a letter of 31 December 2023 to AMC.
Report, opinion, or statement relied upon: information on mineral tenure and status, title issues, and mining concessions.
Extent of reliance: full reliance following a review by the QPs.
Portion of Technical Report to which disclaimer applies: Section 4.
The QPs have relied, in respect of environmental aspects, upon the work of the issuer’s Expert listed below. To the extent permitted under NI 43-101, the QPs disclaim responsibility for the relevant section of the Report:
Expert: Servicios Administrativos Peñoles, S.A. de C.V. (Peñoles) - Dirección de Ingeniería y Construcción (Engineering and Construction Management), on behalf of Minera Juanicipio.
Report, opinion, or statement relied upon: information on environmental studies and permitting.
Extent of reliance: full reliance following a review by the QPs.
Portion of Technical Report to which disclaimer applies: Section 20.
The QPs have relied, in respect of taxation and royalty aspects, upon the work of the issuer’s Expert listed below. To the extent permitted under NI 43-101, the QPs disclaim responsibility for the relevant section of the Report:
Expert: Fresnillo plc, as operator of the Juanicipio project.
Report, opinion, or statement relied upon: information on taxation and royalty aspects.
Extent of reliance: full reliance following a review by the QPs.
Portion of Technical Report to which disclaimer applies: Section 22.
amcconsultants.com    42

Juanicipio Mineral Resource and Mineral Reserves NI 43-101 Technical Report
MAG Silver Corp.
0723032


4Property description and location
The Property is located in central Zacatecas State, approximately 70 kilometres (km) by road north-west of the state capital of Zacatecas City (Figure 4.1). Zacatecas City has a population of approximately 140,000 and is located about 550 km north-west of Mexico City. Zacatecas City is serviced by daily direct flights from Mexico City, Dallas, Los Angeles, and Chicago. The Property is accessible by Federal Highway 49, north-west from Zacatecas City to Fresnillo, then 6 km to the south-west along paved and dirt roads. The centre of the property is located at approximately 102 degrees (°) 58’ east longitude and 23° 05’ north latitude.
4.1Land tenure
The Property consists of a single mining concession measuring 7,679.21 hectares (ha) (Figure 4.2). Table 4.1 lists the tenure information for the Juanicipio concession. All concessions in Mexico are classified as exploitation concessions and have a 50-year life from the date of issue, renewable for another 50 years if desired.
Table 4.1 Tenure data

Concession
Date issued
Expiry date
Area (ha)
Title No.
Owner
Juanicipio 1
13 Dec 2005
12 Dec 2055
7,679.2106
Tx 226339
Minera Juanicipio S.A.
Source: Fresnillo, 2022.

MAG Silver provided the QP with an independent opinion by RUPA Abogados, S.C. of México City, dated 31 December 2023, which agrees with the above land tenure information.
The Property is owned by Minera Juanicipio, a joint venture company held 56% by Fresnillo and 44% by MAG Silver, with Fresnillo acting as the operator. Industrias Peñoles S.A. de C.V. (Peñoles) holds a 75% interest in Fresnillo and Fresnillo owns approximately 10% of MAG Silver, therefore, Peñoles has an approximate 45% interest in the Property.
Surface ownership over the area of interest in the north-east portion of the Property was held by the Valdecañas Ejido and Ejido Saucito de Poleo. Minera Juanicipio purchased the surface rights of that area for $1.4 million (M) (Figure 4.2).
More recently, Minera Juanicipio purchased surface rights north of the mining concession for the mine processing and tailings storage facilities and access roads. Currently, Minera Juanicipio holds sufficient surface rights for all its infrastructure needs.
Except for liabilities related to the reclamation of exploration drill roads and sites, the QP is not aware of any outstanding environmental liabilities. Fresnillo is the Project operator and reports that all applicable permits required to conduct mineral exploration, undertake underground development and production, prepare and construct surface infrastructure, and improve or construct access roads and powerlines have been granted.
The QP is not aware of any other significant factors and risks that may affect access, title, or the right or ability to perform the planned work program on the Property.
4.2Royalties and taxes
A 7.5% special mining duty is applied on earnings before taxes and allowable expenses, and a 0.5% gross revenue royalty is applied on all gold and silver revenues. The tax provisions also include a conventional profit-based tax using the 30% corporate tax rate currently in effect.
amcconsultants.com    43

Juanicipio Mineral Resource and Mineral Reserves NI 43-101 Technical Report
MAG Silver Corp.
0723032


Figure 4.1    Location map
figure41.jpg
Source: Mag Silver, 2023.
amcconsultants.com    44

Juanicipio Mineral Resource and Mineral Reserves NI 43-101 Technical Report
MAG Silver Corp.
0723032


Figure 4.2    Claim map and surface rights on the Property
figure42.jpg
Source: Mag Silver, 2014.
amcconsultants.com    45

Juanicipio Mineral Resource and Mineral Reserves NI 43-101 Technical Report
MAG Silver Corp.
0723032


5Accessibility, climate, local resources, infrastructure, and physiography
5.1Accessibility
As noted above, the Property is located 70 km by road north-west of Zacatecas City in central Zacatecas State, see Figure 4.1. The Property is reached from Zacatecas City by taking Federal Highway 49 north-west to Fresnillo and then travelling 6 km to the south-west along paved and dirt roads. The closest airport with daily air service to Mexico City is located at Zacatecas City. Both Zacatecas City and Fresnillo are serviced by rail.
5.2Climate
The climate is warm and arid. Temperatures vary from 0°Celsius (C) to 41°C and average 21°C. The average annual precipitation is 290 millimetres (mm), with the period from June to October being the wettest. Exploration, development, and production activities can be carried out twelve months a year.
5.3Local resources
The closest full-service city is Fresnillo, located 8 km from the Property. Fresnillo has a population of approximately 200,000 and has all the services required to support a mining operation, including a trained workforce, hospital, and accommodations.
5.4Infrastructure
Site infrastructure consists of the following items:
A series of roads used to access: drill sites, decline and conveyor portals, mine offices and workshop, process plant and TSF, and surface magazine.
Training facilities, warehousing, run-of-mine stockpiles, change rooms and mine dry, dining room, emergency response services and medical treatment facility.
Twin underground access portals, conveyor decline from surface and underground access ramps and associated infrastructure.
Waste stockpile.
Power lines and sub-station.
Mineral Processing plant.
Tailings storage facility.
Section 18 describes the project infrastructure in detail.
5.5Physiography
The Property lies within the Mexican Mesa Central or Altiplano. This region is flanked to the west by the Sierra Madre Occidental and to the east by the Sierra Madre Oriental mountain ranges. The Altiplano in this region is dominated by broad alluvium-filled valleys between mountain ranges with an average elevation of approximately 1,700 m amsl. Local mountain ranges reach 3,000 m amsl. Elevations on the Property itself range from 2,050 m amsl to 2,450 m amsl and the terrain is moderate to rugged.
Vegetation is sparse and consists mainly of grasses, low thorny shrubs, and cacti with scattered oak forests at higher elevations. Surface water is rare, but groundwater is available.
There are sufficient surface rights and available power, water, and personnel to carry out exploration, underground development and production, and surface processing and associated infrastructure activities.
amcconsultants.com    46

Juanicipio Mineral Resource and Mineral Reserves NI 43-101 Technical Report
MAG Silver Corp.
0723032


6History
6.1Previous ownership
In July 2002, Minera Lagartos S.A. de C.V. (Minera Lagartos) optioned the Juanicipio 1 concession from a Mr Sutti. On 8 August 2002, MAG Silver entered into an agreement whereby it could acquire 98% of the issued and outstanding shares of Minera Lagartos. This agreement was later amended such that MAG Silver could acquire a 99% interest in Minera Lagartos and a beneficial ownership of the remaining 1% interest.
On 4 April 2005, MAG Silver announced that it had entered into a joint venture agreement with Peñoles whereby Peñoles could earn a 56% interest in the Property by spending $5M on or before the end of Year Four of the agreement. Peñoles committed to a minimum expenditure of $750,000 and including at least 3,000 metres (m) of drilling, in the first year of the agreement. Peñoles subscribed for $500,000 in MAG Silver shares at the market price on signing and an additional
$500,000 in MAG Silver shares if the contract continued into the second year. All earn-in requirements were met.
In 2007, Peñoles’ precious metals assets were spun out into Fresnillo plc, which was simultaneously
listed on the London Stock Exchange.
On 21 December 2007, Fresnillo and MAG Silver announced the formation of a new company incorporated in Mexico, Minera Juanicipio, to operate the joint venture. Minera Juanicipio is 56% held by Fresnillo and 44% held by MAG Silver, with Fresnillo acting as the operator.
6.2Exploration history
Silver mineralization in the Fresnillo area is reported to have been discovered in 1554. Although no records exist prior to the 1970s, the Property was likely prospected periodically over the years because of its proximity to the Fresnillo mining area.
Peñoles drilled several holes to the north-east of the Property in the 1970s and 1980s, prior to the discovery of the nearby San Carlos Vein. Concerted exploration of the areas adjoining the Property was begun by Fresnillo in 2006 based on results from the Valdecañas and San Carlos veins.
From 2000 to 2001, Minera Sunshine contracted IMDEX Inc. / Cascabel S.A. de C.V. (IMDEX / Cascabel) to complete property-wide (1:50,000 scale) geological mapping, preliminary rock chip sampling, and Landsat image and air photo analysis. This was followed by more detailed (1:5,000 scale) geological mapping in areas of interest, additional Landsat image analysis, detailed geochemical sampling, and a limited amount of Natural Source Audio Magnetotelluric (NSAMT) geophysical surveying. The NSAMT survey was used to define structures, mainly in the north-eastern part of the Property. Minera Sunshine obtained drill permits to test this area but was not able to undertake drilling before it went bankrupt in 2001 (Megaw and Ramirez, 2001).

From May 2003 to June 2004, MAG Silver completed nine core holes for a total of 7,346 m, as well as having done some limited surface sampling and prospecting prior to the formation of Minera Juanicipio. This first drill program on the Property included the discovery hole of the Juanicipio vein.
6.3Previous Mineral Resource estimates
There were no Mineral Resource or Mineral Reserve estimates prior to the Issuer’s involvement.
Hence there are no historical Mineral Resource or Mineral Reserve estimates on the Property.
Since 2005 there have been many estimates completed and reported, as the deposit was drilled off. These are listed below.
amcconsultants.com    47

Juanicipio Mineral Resource and Mineral Reserves NI 43-101 Technical Report
MAG Silver Corp.
0723032



In April 2008, Fresnillo disclosed an initial Mineral Resource estimate for the Valdecañas silver-gold-lead-zinc deposit as part of an initial public offering on the London Stock Exchange. In June 2008, MAG Silver retained SRK to prepare a Technical Report documenting the initial Mineral Resource estimate prepared by Fresnillo and audited by SRK (Chartier et al., 2008).
In 2009, Scott Wilson Roscoe Postle Associates Inc. was commissioned to update the Mineral Resource estimate and prepare an independent Technical Report for Minera Juanicipio, dated 9 April 2009 (Ross and Roscoe, 2009). In the same year, Wardrop Engineering Inc. was commissioned to complete a scoping study on the understood Mineral Resources (Ghaffari et al., 2009). The Mineral Resource estimate used by Ghaffari et al. (2009) was completed by Fresnillo and audited by SRK.
In 2010, MAG Silver retained Scott Wilson Roscoe Postle Associates Inc. to update the Mineral Resource estimate and prepare an independent Technical Report on the Juanicipio project.
In 2011, Minera Juanicipio retained Strathcona Mineral Services Limited to complete an independent Mineral Resources estimate and report on the Juanicipio Joint Venture property using exploration data available to June 2011 (Thalenhorst, 2011). Also in 2011, MAG Silver retained Roscoe Postle Associates Inc. (formerly Scott Wilson Roscoe Postle Associates Inc.) to update the Mineral Resource estimate and prepare an independent Technical Report (Ross, 2012).
In 2012, Minera Juanicipio commissioned AMC to complete a PEA on the Juanicipio project using the Mineral Resource Estimate from Thalenhorst (2011) and other data from Ross (2012) and Thomas et al. (2012).
In 2014, MAG Silver retained Roscoe Postle Associates Inc. to update the Mineral Resource estimate and prepare an independent Technical Report (Ross et al., 2014). This report introduced the terms ‘Bonanza Grade Silver Zone’ and ‘Deep Zone’ when describing the Mineral Resources.
In 2017, MAG Silver retained AMC to update the Mineral Resource estimate and PEA of the Juanicipio project using exploration data available to 31 December 2016. The Mineral Resource estimate had an effective date of 21 October 2017, and the results of the PEA were published in the 2017 AMC Technical Report (revised date of 19 January 2018).
6.4Production
Up to 31 May 2023, 1,447 kt of mineralized material at 1.24 grams per tonne (g/t) Au, 477 g/t Ag, 0.81% Pb, and 1.55% Zn had been processed from Juanicipio development and production operations.
amcconsultants.com    48

Juanicipio Mineral Resource and Mineral Reserves NI 43-101 Technical Report
MAG Silver Corp.
0723032


7Geological setting and mineralization
7.1Regional geology
The following information has been revised from the 2017 AMC Technical Report.
The Juanicipio Property is located on the western flank of the Mexican Mesa Central physiographic province, along the eastern margin of the Sierra Madre Occidental range. Most bedrock is covered by Quaternary alluvium and caliche with isolated outcrops restricted to drainages and low-lying hills (Simmons, 1991).
The basement rocks comprise late Palaeozoic to Mesozoic marine sedimentary and submarine volcanic rocks belonging to the Guerrero Terrane (Simmons, 1991, Figure 7.1) that were obducted onto older Palaeozoic and Precambrian continental rocks during the early Jurassic. Mesozoic basement rocks are unconformably overlain by late Cretaceous to Tertiary units of the Sierra Madre Occidental magmatic arc. The “lower volcanic complex” consists of an assemblage of late Cretaceous to Tertiary volcanic, volcaniclastic, conglomerate and locally limestone rocks. The “lower volcanic complex” is unconformably overlain by the “upper volcanic supergroup” consists of mid-Tertiary (~25 to 45 Ma) caldera related rhyolite ash flow tuffs and flows. Tertiary felsic volcanic rocks, up to 500 m thick in the Sierra de Valdecañas, unconformably overlay Mesozoic rocks (Lang et al., 1988). Eocene to Oligocene intrusions occur throughout the area and are related to a later felsic volcanic event (Ruvalcaba-Ruiz and Thompson, 1988; Wendt, 2002).
Major lithologic units in the area consist of deformed Mesozoic marine sedimentary and mafic volcanic rocks. Volcanic and volcaniclastic rocks of the Chilitos formation are likely Cretaceous in age, represent the earliest phase of volcanism identified in the area, and likely correlate to the base of the “lower volcanic complex” of the Sierra Madre magmatic arc.
The Cretaceous epicontinental marine greywacke and shale of the Proaño Group unconformably overlie the Chilito Formation (de Cserna, 1977; Simmons, 1991; Wendt, 2002). The Proaño Group is divided in to two formations: the “lower greywacke” Valdecañas Formation, a rhythmic sequence of interbedded greywacke and thin shale units, and the “upper greywacke” Plateros Formation, grading upward from carbonaceous and calcareous shale to alternating greywacke and shale (de Cserna, 1976; Ruvalcaba-Ruiz and Thompson, 1988). The Fortuna Limestone conformably overlies the Plateros Formation, consisting of medium-bedded dark-gray limestone with interbedded chert and thin units of calcareous shale. A gradational contact separates the Fortuna Limestone and the overlying Cerro Gordo Limestone. The Cerro Gordo Limestone is the youngest Mesozoic stratigraphic unit in the area, consisting of medium- to thick-bedded medium-gray limestone (de Cserna, 1976).
The late Cretaceous to early Tertiary Laramide Orogeny folded and thrust faulted rocks of the Chilitos Formation, Proaño Group, Fortuna Limestone, and Cerro Gordo Limestone. A late northeast-southwest extensional tectonic event accompanied by major strike-slip fault movement affected the area starting circa 35 Ma. This extension was most intense during the Miocene and developed much of the current basin and range topography. This generation of deformation is likely related to the north-west-trending Fresnillo Fault. In the Fresnillo District, most of the ore deposits are adjacent to the Fresnillo Fault (Ruvalcaba-Ruiz and Thompson, 1988).
The late northeast-southwest extensional tectonic event preceded the emplacement of mid-Tertiary plutons and related dykes and stocks (Ruvalcaba-Ruiz and Thompson, 1988), such as a quartz-monzonite stock / dyke which intruded the Fresnillo mine area during the mid-Tertiary (~32.4 Ma) prior to mineralization (Velador et al., 2010). Silver-lead-zinc veins and mineralized skarns were emplaced between 31 and 29.6 Ma, roughly coeval with the emplacement of a rhyolite volcanic package which was affected by widespread silicification and argillic alteration (Velador et al., 2010).
amcconsultants.com    49

Juanicipio Mineral Resource and Mineral Reserves NI 43-101 Technical Report
MAG Silver Corp.
0723032


An angular unconformity separates the Fresnillo Formation from the underlying Plateros Formation and Fortuna Limestone. The Fresnillo Formation consists of an older (>29 Ma) conglomerate, welded rhyolitic ash flow tuff and flow domes, and a younger (<29 Ma) conglomerate, rhyolitic ash flow tuff, and Tertiary olivine basalt flows (de Cserna, 1976; Wendt, 2002).
Calcrete cemented alluvial material, typically less than 20 m thick, covers the basins within the Fresnillo area and hill slopes are typically encrusted with caliche (de Csena, 1977).
Figure 7.1 Regional geological setting of the Juanicipio project
figure71.jpg
Source: Fresnillo, 2024.
amcconsultants.com    50

Juanicipio Mineral Resource and Mineral Reserves NI 43-101 Technical Report
MAG Silver Corp.
0723032


7.2Property geology
The following section has been revised from the 2017 AMC Technical Report.
The bedrock geology of the property is presented in Figure 7.2. Geological mapping on the Property was conducted by IMDEX / Cascabel on behalf of Minera Sunshine from 1999 to 2001. The results of this mapping are described in a company report by Megaw and Ramirez (2001) and Megaw (2010) and are summarized in the following subsections. A stratigraphic column of the Fresnillo It has areas is presented in Figure 7.3, and examples of common rock types at the Juanicipio deposit are presented in Figure 7.4.
The area in and around the Juanicipio project is dominated by a volcano-sedimentary sequence of the Guerrero Terrain (Simmons, 1991). Locally, this comprises andesitic tuffs overlying a rhythmic sequence of shale and sandstone.
7.2.1Mesozoic rocks
Within the project area, the oldest rocks observed are the calcareous shale and andesitic volcaniclastic rocks of the Chilitos Formation at the base of Linares Canyon. These highly deformed and sheared rocks are shallow to moderate north-east dipping and locally boudinaged. The upper contact of the Chilitos Formation forms an irregular unconformity to the overlying Tertiary volcanic and volcaniclastic rocks.
Drilling and ramp development from 2003 to date have cut significant sections of the Chilitos Formation and Proaño Group. The Chilitos Formation consists of intermediate-composition volcanic-dominated sandstones and altered tuffs. The Proaño Group comprises a variety of shale, greywacke, sandstones, polymictic intermediate volcanic breccias, and intermediate lava flows or sills. Exhalite layers up to 20 cm thick and composed of pyritic silica are observed locally. These rock units were altered to moderate, pervasive chloritization, argillization, and silicification.
7.2.2Tertiary igneous rocks
The tertiary rocks comprise the Linares and Altamira units, two distinct volcanic assemblages separated by an unconformity.
The lower assemblage, informally named the Linares volcanic package (Megaw and Ramirez, 2001), consists of volcaniclastic sedimentary rocks, welded and non-welded crystal lithic tuff, flow breccia, and rhyolite flow domes. The basal unit is composed of 5 to 20 m of epiclastic and arkosic rocks overlain by 20 m to 100 m of variably welded, rhyolite to dacite, composite ash flow tuff that resembles, and may correlate with, Fresnillo Formation volcanic rocks (Megaw and Ramirez, 2001). This unit has been dated at 44.7 to 31.7 mega annums (Ma) (Velador et al., 2010) and generally hosts the pervasive silicification “sinter”, advanced argillic alteration (kaolinite-alunite) and iron-oxide alteration found on the Property. Textural variation and Landsat interpretation within this unit suggests several eruptive centers (calderas) for these volcanic rocks in the Sierra Valdecañas range.
Overlying the ash flows is a layer of coarse tuffaceous rocks which underlies 100 to 150 m of welded ash flow tuff, which is less silicified than the lower ash flow tuff. Several rhyolite domes (shown in Figure 7.2) occur locally between Linares Canyon and the Cesantoni Kaolinite Mine in the north-west corner of the claim.
The Linares volcanic rocks are block faulted along north-northwest trending faults. The faults have shallow to moderate south-west dips. Silicification appears to post-date faulting as the faults only locally cut or displace silicified units (Megaw and Ramirez, 2001).
amcconsultants.com    51

Juanicipio Mineral Resource and Mineral Reserves NI 43-101 Technical Report
MAG Silver Corp.
0723032



Megaw and Ramirez (2001) also describe and informally name the Altamira volcanic package after the tallest peak in the area, Cerro Altamira, where the thickest section of these volcanic rocks is exposed on surface. These volcanic rocks overlie the Linares volcanic package across an angular unconformity overlain by a 20 to 50 m thick layer of bedded conglomerate and coarse tuff. Rounded fragments of silicified Linares volcanic rocks occur within the conglomerate. Overlying these clastic rocks is a 20 to 350 m thick section of welded rhyolite to rhyodacite ash flow tuff that has been dated at 27.4 and 28.7 Ma (Lang et al., 1988). Several caldera complexes have been identified within the Altamira package; however, to date, no mineralization has been found in these rocks.
7.2.3Upper Tertiary rocks
These rocks comprise olivine basalt flows that locally overlie felsic mid-Tertiary volcanic and volcaniclastic rocks on the Property. The olivine basalt flows have not been dated.
7.2.4Structural geology
Regional satellite image interpretation suggests that the Sierra Valdecañas range is a topographically high, but structurally down-dropped block surrounded by several major north-east and north-west faults. The most notable of these structures is the over 200 km long Fresnillo dextral strike-slip fault and the sub-parallel San Acacio-Zacatecas fault to the east of the project (Wendt, 2002). It also appears that the San Acacio-Zacatecas structure extends to the north-east corner of the Property.
The dominant structural features on the Property include:
340° to 020°, or north-south structures
290° to 310° trending, steeply dipping faults
040° to 050° trending structures
Field observations indicate the north-south trending structures are the oldest and are steep-dipping normal faults that cut and down-drop blocks of silicified tuff, especially in the vicinity of Linares Canyon.
Silicification, however, appears to be more closely related to the 290° to 310° trending, steep- to moderate-dipping faults. The 290° to 310° trending faults occur where silicification and advanced argillic alteration are most intense and may have served as major hydrothermal fluid pathways. Regional structural analysis suggests the 290° to 310° trending faults were extensional and generated between the regional left-lateral strike-slip faults. Repeated opening of these faults by intra-mineral strike-slip movements may have coincided closely with mineralization, resulting in the lateral continuity of mineralization within the Valdecañas and other veins of the Fresnillo District. The coincidence of extensional opening and mineralization may also explain the significant shifts in depth of boiling in the veins (Simmons, 1991).
amcconsultants.com    52

Juanicipio Mineral Resource and Mineral Reserves NI 43-101 Technical Report
MAG Silver Corp.
0723032



Figure 7.2    Local geology of the Juanicipio project
figure72.jpg
Source: Fresnillo, 2023.
amcconsultants.com    53

Juanicipio Mineral Resource and Mineral Reserves NI 43-101 Technical Report
MAG Silver Corp.
0723032



Figure 7.3    Stratigraphic column for the Fresnillo area
figure73.jpg
Source: Fresnillo, 2022 - modified after Velador et al., 2010.
amcconsultants.com    54

Juanicipio Mineral Resource and Mineral Reserves NI 43-101 Technical Report
MAG Silver Corp.
0723032



Figure 7.4    Examples of common rock types at the Juanicipio deposit
figure74.jpg
Notes:
(A)Oxidized lithophysa rhyolite lapilli tuff with 2 to 3 cm pumice fragments and quartz fragments.
(B)Oxidized medium- to coarse-grained bedded ash tuff.
(C)Oxidized agglomerate tuff with volcanic and sedimentary clasts in a lapilli matrix.
(D)Rhyolite pumice tuff.
(E)Conglomerate, typical of contact between Tertiary and Guerrero Terrane units.
(F)Intermediate to basaltic igneous rocks with visible plagioclase and pervasive chloritization.
(G)Chloritized sandstone with minor shale.
(H)Carbonaceous shale with minor calcite stringers. Source: Fresnillo, 2021.
amcconsultants.com    55

Juanicipio Mineral Resource and Mineral Reserves NI 43-101 Technical Report
MAG Silver Corp.
0723032



7.2.5Mineralization
The Fresnillo silver district contains low-sulphidation epithermal quartz-carbonate veins which form an extensive array of stacked, steeply dipping, west- to west-northwest-trending veins. The veins are laterally extensive and although the structures are persistent with depth, the silver-gold rich section is typically limited to a 300 m vertical interval corresponding to the boiling zone of the fossil hydrothermal system. Metal distributions show a sub vertical zoning with base metal abundance increasing with depth. Precious metal mineralization within the project area is hosted by two significant epithermal structures discovered to date: the Valdecañas vein system and the Juanicipio vein. Two plan views are shown in Figure 7.5 at 1,750 m and at 1,650 m Level. Both are located in the north-east corner of the claim and dip 35° to 70° to the south-west, with an average dip of 58°. The Valdecañas vein system extends beyond both the north and east property boundaries. The Juanicipio vein extends to beyond the east boundary and is open to the west.
Figure 7.5 Plan view showing distribution of the mineralized vein system

figure75.jpg
Notes: RVL = Chiltos Formation; AR = Arenite; LUAR = Lutite / Arenite. Source: Fresnillo, 2023.

7.2.5.1Valdecañas vein system
The Valdecañas vein system displays a metal zonation typical of the Fresnillo District and epithermal systems in general. The zonation comprises of an upper precious metal zone, the so-called “Bonanza Zone,” grading downwards into the “Deep Zone”, a deeper, base metal-dominant zone. Significant copper mineralization has recently been discovered within the deeper levels of the Valdecañas vein system. The Valdecañas structure hosts all the Indicated Mineral Resources and approximately 46% of the Inferred Mineral Resource tonnage currently estimated for the project.
The Valdecañas vein system was previously interpreted as an en echelon vein system and referred to as the V1E and V1W veins. Subsequent diamond drilling has shown the Valdecañas vein to be a continuous, moderate (50°) south-west dipping vein with a strike length of 1,100 m at the top of the vein and down dip continuity up to 2,000 m amsl. The average true thickness of the is 6.2 m but up to 29 m wide. The Valdecañas vein system consists of the Valdecañas itself, and the Ramal 1, Venadas, Pre-Anticipada and Anticipada veins.
amcconsultants.com    56

Juanicipio Mineral Resource and Mineral Reserves NI 43-101 Technical Report
MAG Silver Corp.
0723032



A paragenetic sequence for mineralization in the Valdecañas vein system is separated into five stages:
1Sphalerite and galena.
2Quartz and calcite with minor sulphides.
3Alternating bands of chalcedonic quartz- calcite – epidote-sphalerite – galena – and silver-bearing minerals.
4Quartz – calcite – dolomite – ankerite with coarse-grained pyragyrite.
5Barren quartz – calcite and fluorite (Velador, 2010). The main ore minerals are sphalerite, galena, pyragyrite, polybasite, and acanthite, with gangue minerals consisting of pyrite, arsenopyrite, quartz, and calcite (Figure 7.7).
The Ramal 1 Vein, previously referred to as the Desprendido and V2W (Ross 2012; Ross et al., 2017), is located in the footwall to the Valdecañas vein (Figure 7.5). It is moderate (53°) south-west dipping with a strike length of up to 850 m and down dip continuity between 940 and 1,930 m amsl. The average true thickness of the vein is 2.0 m and reaches up to 13.8 m. Vein mineralogy comprises white quartz with trace sulphides in the upper part of the system. Sulphide content and chlorite and epidote alteration with pervasive silicification increases with depth.
The Anticipada Vein, previously referred to as VANT (2017 AMC Technical Report), is located in the hanging wall to the Valdecañas vein (Figure 7.5). It is moderate (60°) south-west dipping with a strike length of 800 m and down dip continuity between 1,900 and 1,185 m amsl. The average true thickness of the vein is 1.9 m and reaches up to 17.8 m. Vein mineralogy comprises thin quartz, crustiform and banded layers of sphalerite and galena, and disseminated pyrite with local brecciated massive sulphide sections.
amcconsultants.com    57

Juanicipio Mineral Resource and Mineral Reserves NI 43-101 Technical Report
MAG Silver Corp.
0723032



Figure 7.6 Examples of the Valdecañas vein
figure76.jpg
Note: This is NQ drill core with the width of the core being approximately 47.6 mm. Source: Fresnillo, 2022.

Juanicipio vein
The Juanicipio vein is located approximately 1,100 m south of the Valdecañas vein system (Figure 7.5). It is moderate (45°-55°) south-west dipping with a strike length of 1,100 m and down dip continuity between 1,360 and 2,100 m amsl. The average true thickness of the vein is 0.9 m and reaches 3.0 m. Vein mineralogy comprises white quartz and calcite with disseminated sphalerite and galena (Figure 7.7).
amcconsultants.com    58

Juanicipio Mineral Resource and Mineral Reserves NI 43-101 Technical Report
MAG Silver Corp.
0723032



Figure 7.7 Example of Juanicipio vein
figure77.jpg
Note: This is NQ drill core with the width of the core being approximately 47.6 mm. Source: Fresnillo, 2022.

7.2.5.2Venadas vein
The Venadas vein is atypical of known vein types on the Juanicipio project. Located in the hanging wall of the Valdecañas vein and north-west of the current known extent of the Juanicipio vein (Figure 7.5), the Venadas vein is steep (78°) north-west dipping with a strike length of 830 m and down dip continuity between 1,510 and 2,070 m amsl. The average true thickness of the vein is 1.0 m and up to 3.4 m. Vein mineralogy comprises banded quartz, sphalerite, galena, and disseminated pyrite (Figure 7.8).
Figure 7.8 Example of Venadas vein
figure78.jpg
Note: This is NQ drillcore with the width of the core being approximately 47.6 mm. Source: Fresnillo, 2022.
amcconsultants.com    59

Juanicipio Mineral Resource and Mineral Reserves NI 43-101 Technical Report
MAG Silver Corp.
0723032



7.2.5.3Styles of mineralization
The veins are interpreted to have undergone multiple mineralizing events as suggested by repeated stages of brecciation and quartz sealing, local rhythmic microcrystalline quartz-pyrargyrite banding, and open-space cocks-comb textures. The veins exhibit vertical metal zoning, characteristic of other epithermal veins in the Fresnillo district. This vertical zoning is characterized by a change from silver and gold rich zones at the top, the so-called “Bonanza Zone”, to increased lead and zinc in the deeper parts of the known system termed Deep Zone, with copper values being seen in at the deepest levels. Notably, gold rich mineralization crosscuts the silver-dominant zones, which in turn cut earlier base-metal dominant mineralization, indicating complex multi-stage mineralization as is seen separately in other parts of the district. Gold appears to be present with silver as electrum.
Mineralization in the so-called “Bonanza Zone” consists of precious metal-rich, banded, or brecciated quartz-pyrargyrite-acanthite-polybasite-galena-sphalerite veins. Within 10 to 20 m of the upper extent of the veins, the wall rocks are progressively and pervasively silicified and cut by quartz veinlets carrying pyrite-sphalerite-galena. Alteration in the volcaniclastic / sedimentary host rock farther away from the vein is characterized by weak pyritization, moderate clay alteration, and calcite veining. Mineralization in the Deep Zone consists of base metal-rich, banded, or brecciated quartz-galena-sphalerite-chalcopyrite veins with lesser acanthite and pyrargyrite. Much of the silver mineralization appears in late sugary quartz veins that cut across the finer-grained massive base metal veins. Portions of the veins in the Deep Zone show skarn minerals including garnets, pyroxenes, and axinite within and surrounding the veins. Retrograde hydration of these minerals produced locally pervasive chlorite, ilvaite and hydrogrossular. The deep skarn zone appears best developed beneath the central part of the Valdecañas vein and diminishes in pervasiveness laterally in both directions. The degree and geometry of skarn development coupled with boron-bearing minerals (i.e., axinite) and complex vein overprinting suggests this is the product of a major upwelling zone of mineralizing fluid, possibly overlying an intrusive cupola at depth.
7.2.5.4Other known mineralization
There have been several limited drilling programs aimed at finding veins outside of the Valdecañas vein system and Juanicipio vein. To date, only narrow epithermal veins have been intercepted in drillholes outside of known mineralization. However, several intercepts from the exploration holes are above the 1,850 m amsl top-out of the Valdecañas vein system and future drill programs will test if these are above the top-outs of new veins.
Another area of exploration called Mesa Grande is located approximately seven km to the south of the Valdecañas vein system. Seven exploration holes were drilled at Mesa Grande and results indicate narrow epithermal veins with anomalous silver and gold hosted in volcanic rocks with alteration similar to the Valdecañas vein system and Juanicipio vein. In this area, there is a thick unit of volcanic rocks that postdate mineralization and overlie the same host rocks as in the Valdecañas vein system. The intercepts made at Mesa Grande were at or above 1,850 m amsl, suggesting these intercepts may be above the top-out of any mineralization that might be present in the area. Results from Mesa Grande suggest conditions were appropriate for epithermal veins formation, specifically this far to the south. Future drill programs will follow up on these results.
Elsewhere on the Property, extensive areas of intense silicification and advanced argillic alteration have been identified on surface and are like those documented above for the Valdecañas vein system and Juanicipio veins. Given that only between 5% and 10% of the property has been drill tested, these areas represent potential new targets for future vein discoveries.
amcconsultants.com    60

Juanicipio Mineral Resource and Mineral Reserves NI 43-101 Technical Report
MAG Silver Corp.
0723032


8Deposit types
The Juanicipio Property is located within the Fresnillo silver mining district, a northwest-southeast-trending corridor that extends 500 km from the Guanajuato District in the south-east through to the Sombrerete-San Martin-Sabinas silver district in the north-west. Precious metal deposits within the area consist of several low-sulphidation epithermal quartz-carbonate veining systems that crosscuts Middle Jurassic to Late Cretaceous volcanic and sedimentary rocks of the Guerrero Terrane. Structures hosting epithermal veins in the Fresnillo area are associated with a regional north-west-trending sinistral shear zone that is locally crosscut by younger northeast-southwest trending faults. Most of the low-sulfidation epithermal vein deposits are located at the intersection of the two structural trends and many occur in dilatational zones associated with the north-westerly structural trend (Megaw, 2010).
In the Fresnillo area, epithermal veins are laterally extensive, with continuous mineralization over strike lengths between 1.3 and 8 km (Ruvalcaba-Ruiz and Thompson, 1988). The veins typically dip steeply to the south and reflect the orientation of their host structure, though the veins may branch and flatten to form stockworks as they approach the upper extents of the mineralizing system. Although the structures hosting the deposits are vertically continuous, precious (Ag and Au) and base (Pb, Zn and Cu) metal mineralization is typically vertically zoned within a restricted window of the structure where mineralizing fluids range in temperature between ~180 to 280°C. Vertical metal zonation within the veins reflects the relationship between ascending hydrothermal fluids, boiling of these fluids, and depth below the syn-mineralization paleowater table (Hedenquist and Henley, 1985; Albinson, 1988). Horizontal metal zoning may also occur with higher metal content typically associated with the core(s) of fluid up-welling zone(s).
Hydrothermal fluids associated with low sulfidation epithermal vein deposits have near-neutral pH and are nearly in equilibrium with the vein wall rocks. Hydrothermal fluids that discharge at surface will boil and form silica sinters. Alteration associated with this type of hydrothermal system reflects the neutral pH of the mineralizing fluids and decreasing temperature gradient surrounding the fluid conduit. Clay minerals dominate the alteration assemblages of low sulphidation epithermal deposits. Smectite is indicative of low temperatures (<160°C), whereas illite by itself is indicative of higher temperatures (>220°C; Reyes, 1990).
Sulphide minerals typical of low-sulphidation epithermal ore zones comprising pyrite, Ag-Au sulphides, sphalerite, galena, and chalcopyrite. Gangue minerals typically include quartz, carbonate, sericite, and adularia. Quartz and chalcedony veins may show banded, crustiform, cockade, and druse-lined cavities, indicative of hydrothermal deposition in open structures. Multi-phase hydrothermal breccia textures are also observed, indicative of repeated episodes of hydraulic fracturing and mineral deposition. Lattice-textured calcite is also common, although it may be a pseudomorph of quartz as the system cools (White and Hedenquist, 1999; Hedenquist et al., 2000).
The schematic vertical section presented in Figure 8.1 illustrates the conceptual model for epithermal polymetallic mineralization in the Fresnillo District.
amcconsultants.com    61

Juanicipio Mineral Resource and Mineral Reserves NI 43-101 Technical Report
MAG Silver Corp.
0723032



Figure 8.1    Conceptual model for epithermal mineralization in the Fresnillo District
figure81.jpg
Source: Fresnillo, 2022 - adapted from Carlos Altamirano Morales, 2021.
amcconsultants.com    62

Juanicipio Mineral Resource and Mineral Reserves NI 43-101 Technical Report
MAG Silver Corp.
0723032


9Exploration
9.1Surface exploration
Exploration on the Property prior to formation of the Minera Juanicipio JV in 2007 is documented in Section 6 of this report. Since 2007, most exploration on the Property has consisted of surface and underground drilling and underground channel sampling. Drilling is discussed in detail in Section 10.
Limited soil sampling programs were carried out until 2017 and exploration to that point was focused on the Valdecañas area. A few additional exploration targets were identified and are discussed in Section 7. Less than 5% of the concessions have been explored or drilled.
Fresnillo, the operator of Minera Juanicipio, commenced a surface mapping and detailed sampling program in 2016 to assist with identifying additional structures hosting mineralization on the Property. This program incorporated hyperspectral analyses of surface and drill core coupled with the collection of 255 rock samples from outcrops exhibiting deformation / veining and alteration. The results of this program have helped improve the conceptual model of epithermal mineralization in the Fresnillo district (Figure 8.1). The results were also used to create a detailed structural and hyperspectral map (see Figure 9.1). The dashed white line in Figure 9.1 shows the location of the schematic section in Figure 8.1.
Rock samples were submitted to the ALS Chemex Laboratory (ALS Chemex) in Guadalajara, Mexico for gold analysis using fire assay with spectrometry finish (Au-ICP21), and four acid digestion with spectrometry finish (ME-ICP61m) for arsenic, antimuonium, and mercury.
The results of this program helped identify anomalous concentrations of gold, mercury, arsenic, and antimony. Gold anomalies are spatially related to hydrothermal breccias, veinlets of quartz-chalcedony, and alunite-kaolin that are exposed at surface and in the projection to the surface of the Valdecañas vein. Samples with concentrations up to 0.088 g/t gold, 514 parts per million (ppm) arsenic, 28.8 ppm mercury, and 54 ppm antimony were collected during the program. A map showing the location of surface samples and their gold values are shown in Figure 9.2.
amcconsultants.com    63

Juanicipio Mineral Resource and Mineral Reserves NI 43-101 Technical Report
MAG Silver Corp.
0723032



Figure 9.1    Map showing structural and hyperspectral interpretation
figure91.jpg
Note: The dashed white line shows the location of the schematic section in Figure 8.1. Source: Fresnillo, 2023.
amcconsultants.com    64

Juanicipio Mineral Resource and Mineral Reserves NI 43-101 Technical Report
MAG Silver Corp.
0723032



Figure 9.2 Surface map showing property geology overlain by sample locations and gold values
figure92.jpg
Source: Fresnillo, 2023.

9.2Underground channel sampling
Channel samples are collected regularly and used in the Mineral Resource estimation. Prior to sampling, sample intervals are marked on the rock face by the mine geologist, typically perpendicular to the mineralized structure. Samples are collected on faces with total sample distance averaging 7 m but ranging from 2 to 14 m. To minimize contamination while sampling the foot or hanging wall, samples are collected at a minimum distance of 10 cm from the vein contact. A diamond disc cutter and rotary hammer or a hammer and chisel or wedge is used depending on rock conditions. Individual sample intervals vary from 1 to 1.5 m. Sampled material is split into quarters; one quarter (~ 3 kg) of the material is placed in a sample bag.
Duplicate channel samples are collected for every fourth sample, at positions where the mineralization is conspicuous or at discretion of the mining geologist. Figure 9.3 shows a typical underground channel sampling layout with duplicate sampling.
Samples are labelled, recorded in the sampling database, and then delivered to ALS Chemex Laboratory in Guadalajara, Mexico immediately.
amcconsultants.com    65

Juanicipio Mineral Resource and Mineral Reserves NI 43-101 Technical Report
MAG Silver Corp.
0723032



Figure 9.3    Channel sampling markings at an underground development front
figure93.jpg
Source: Fresnillo, 2022.

A total of 4,537 channels totaling 4,677 m have been collected since October 2019.
amcconsultants.com    66

Juanicipio Mineral Resource and Mineral Reserves NI 43-101 Technical Report
MAG Silver Corp.
0723032


10Drilling
10.1Introduction
In 2003 and 2004, MAG Silver drilled nine core drillholes totaling 7,346 m. From August 2005 until May 2023, MAG Silver and Fresnillo, on behalf of the joint venture, have drilled a total of 499 core drillholes totaling 380,738 m on the Property (Table 10.1). Most of the drilling targeted the Valdecañas vein system.
The majority of the initial drilling was conducted by the Fresnillo exploration team. Since 2015 when underground, drilling was divided into two parts: surface drilling, still carried out by the exploration team, and underground drilling, as infill drill programs carried out by the mine geology team from underground setups. The mine geology team also conduct underground face sampling (i.e. channel sampling) which is discussed in Section 9.2.
Drilling was commonly collared using HQ (64 mm core diameter) equipment, reducing to NQ (48 mm core diameter) and BQ (37 mm core diameter) as necessary.
Table 10.1 Summary of core drilling by year

Operator
Surface drillholes
Underground drillholes
Drilling campaign
Date
Number of drillholes
Meterage
Number of drillholes
Meterage
MAG Silver
2003 and 2004
9
7,346
Fresnillo
1
Aug 2005 - May 2007
21
17,322
2
May 2007 - Oct 2007
5
4,252
3
Oct 2007 - Jan 2009
27
22,813
4
Jan 2009 - Nov 2009
19
13,138
5
Nov 2009 - Jun 2010
20
17,965
6
Jun 2010 - Nov 2010
17
13,687
7
Nov 2010 - Jun 2011
10
8,299
8
Jun 2011 - Jan 2012
10
7,958
9
Jan 2012 - Nov 2012
17
15,125
10
Nov 2012 - Dec 2013
32
29,326
11
Dec 2013 - Dec 2014
5
4,440
12
Dec 2014 - Dec 2015
5
5,024
13
Dec 2015 - Oct 2016
13
15,816
3
2,857
14
Oct 2016 - Dec 2017
8
9,140
1
353
15
Dec 2017 - Oct 2018
30
29,319
8
5,014
16
Oct 2018 - Oct 2019
19
23,644
17
Oct 2019 - Jul 2020
14
16,566
6
1,387
18
Jul 2020 -Dec 2020
12
15,722
7
969
19
Dec 2020 - May 2021
13
15,949
19
2,849
20
May 2021 - May 2022
24
32,591
67
7,529
21
May 2022 - May 2023
18
25,714
40
7,014
Total
348
351,156
151
29,582
Note: The total of surface and underground drilling is 499 holes for 380,738 m.
amcconsultants.com    67

Juanicipio Mineral Resource and Mineral Reserves NI 43-101 Technical Report
MAG Silver Corp.
0723032



10.1.1Mag Silver (2003 - 2005)
From May 2003 to June 2004, MAG Silver completed nine diamond drillholes for a total of 7,346 m. This first drill program on the Property included the discovery hole of the Juanicipio vein. Note that results from this drilling are not utilized in resource estimation and are not shown in any figures.
10.2Fresnillo (2005 - 2023)
From August 2005 to 31 May 2023, Fresnillo completed 490 diamond drillholes for a total of 373,392 m. The programs totaled 339 surface drillholes and 151 underground drillholes. Since 2017, Fresnillo has implemented directional drilling using Devico DeviDrill technology for most of the surface directed holes.
10.3Surveying and drilling procedures
Once collar locations and orientations are planned and drilling begins, single-shot survey data are collected and monitored in Datamine© Fusion and Leapfrog® software. Surface drillhole collars are located and surveyed using a differential GPS or transit system. Underground drillhole collars are located by surveyors using a total station instrument. Downhole surveys for surface and underground drillholes are collected using Reflex Flexit and EZ-Shot instruments with measurements typically collected at 50 m or shorter intervals. Where holes have been surveyed using a gyroscopic instrument, measurements are collected as frequently as every metre.
When surface drillholes are completed, the casing is removed, the collar location is identified by a cement monument engraved with the drillhole identification, and the site is revegetated per local requirements. Completed underground drillholes are marked with the hole number and either capped with a shutter if the hole can be used as a water source or left uncapped.
Core recovered during drilling is placed in a core box at the end of each run. Core boxes are transported to the logging facility at the end of each shift. The core recovery percentage per section drilled (“run”) is recorded in the drill log. The logs generally contain the name of the hole, drilled interval, and the core recovery percentage.
Core recovery is generally good except in extremely fractured near-surface rock, argillite, or wider fault structures.
10.4Drilling pattern and hole density
Overall drillhole spacing varies from 70 to 100 m along strike and 50 to 100 m down dip of mineralization.
Diamond drillholes considered for Mineral Resource modelling in the Valdecañas vein system were designed to have pierce points spaced approximately 50 to 100 m apart. Drilling density is highest in the upper parts of the vein system where pierce points are typically spaced 50 to 60 m, becoming more widely spaced in the deeper and lateral extents of the drill plan.
Diamond drillholes targeting the Venadas vein were drilled to have pierce points spaced at 30 to 50 m. Drilling density is highest within approximately 400 m of the Valdecañas vein system where pierce points are typically spaced approximately 30 m apart, becoming more widely spaced with increasing distance from the Valdecañas vein system.
Diamond drillholes targeting the Juanicipio vein were drilled to have pierce points spaced approximately 30 to 75 m apart. The distribution of pierce points consists of clusters of 2 to 3 pierce points spaced at approximately 30 m, with these clusters of drillholes spaced at 50 to 75 m. Pierce point spacing is typically tighter in the middle, becoming more widely spaced towards the lateral and vertical extents of the modelled Juanicipio vein.
amcconsultants.com    68

Juanicipio Mineral Resource and Mineral Reserves NI 43-101 Technical Report
MAG Silver Corp.
0723032



Figure 10.1 Map showing the distribution of drilling
figure101.jpg
Notes: Inset map shown in white above legend. The yellow dashed line shows the location of map area. Source: Fresnillo, 2024.

10.5Discussion on drilling programs
10.5.1Valdecañas vein system
A total of 387 diamond drillholes holes from surface and underground totaling 254,368 m have targeted the Valdecañas vein system. The majority of drillholes were drilled on an azimuth of 350 to 020 degrees with a downward inclination of 60° to 70°. Drillhole lengths range from 207 to 1,635 m for drillholes collared from surface stations and 80 to 1,225 m for drillholes collared from underground stations. Drillholes were surveyed at regular intervals of 50 m using Reflex tools. Figure 10.2 shows a representative cross section through the Valdecañas vein system at azimuth 295°. Other veins are shown on the figure for context.
amcconsultants.com    69

Juanicipio Mineral Resource and Mineral Reserves NI 43-101 Technical Report
MAG Silver Corp.
0723032



Figure 10.2    Representative cross section of the Valdecañas, Anticipada, Pre-Anticipada, Ramal 1, & Juanicipio veins
figure102.jpg
Source: Fresnillo, 2024.

10.5.2Juanicipio vein
A total of 37 diamond drillholes from surface totaling 32,706 m targeted the Juanicipio vein and of these, 18 drillholes intercepted mineralization. Most drillholes were drilled on an azimuth of 000 to 010 degrees with a downward inclination of 65° to 70°. Drillhole lengths range from 124 to 1,119 m. Drillholes were surveyed at regular intervals of 50 m using Reflex tools. Figure 10.3 shows a representative cross section through the Juanicipio vein at azimuth 295°.
amcconsultants.com    70

Juanicipio Mineral Resource and Mineral Reserves NI 43-101 Technical Report
MAG Silver Corp.
0723032



Figure 10.3    Representative cross section of the Juanicipio vein
figure103.jpg
Source: Fresnillo, 2024.
amcconsultants.com    71

Juanicipio Mineral Resource and Mineral Reserves NI 43-101 Technical Report
MAG Silver Corp.
0723032



10.5.3Venadas vein
A total of 62 diamond drillholes from surface and underground totaling 39,350 m targeted the Venadas vein. The majority of drillholes were drilled on an azimuth of 140° to 150° with a downward inclination of 50° to 60°. Drillhole lengths range from 583 to 1,635 m. Drillholes were surveyed at regular intervals of 50 m using Reflex instruments. Figure 10.4 shows a representative cross section through the Venadas vein at azimuth 230°.
Figure 10.4 Representative cross section of the Venadas vein
figure104.jpg
Source: Fresnillo, 2024.
amcconsultants.com    72

Juanicipio Mineral Resource and Mineral Reserves NI 43-101 Technical Report
MAG Silver Corp.
0723032



10.6Comments
In the opinion of the QP, the drilling strategy and procedures used by Fresnillo on the Juanicipio Property conform to generally accepted industry best practices and are suitable for this deposit. The drilling information is sufficiently reliable, and the drilling pattern is sufficiently dense to interpret with confidence the geometry and the boundaries of silver, gold, zinc, and lead mineralization in the Valdecañas vein system and the Juanicipio vein. All diamond drillcore sampling was conducted by appropriately qualified personnel under the direct supervision of appropriately qualified geologists.
The QP is not aware of any drilling, sampling, or recovery factors that could materially impact the accuracy and reliability of diamond drilling results from the Valdecañas vein system or the Juanicipio vein.
amcconsultants.com    73

Juanicipio Mineral Resource and Mineral Reserves NI 43-101 Technical Report
MAG Silver Corp.
0723032


11Sample preparation, analyses, and security
11.1Sample Preparation and security by operator
Sample preparation and security for both MAG Silver and Fresnillo are discussed below. Only assays from samples collected while Fresnillo has been the operator of the JV have been used in the Mineral Resource estimation.
11.1.1MAG Silver (2005)
During the 2005 season, drill core was logged at MAG Silver’s core processing facility in Fresnillo. After logging, sample technicians split core and placed one half into plastic sample bags with affixed labels, and the second half in a core tray for storage and reference. Batches of sealed samples were packed in rice bags and shipped by courier to the BSI Inspectorate preparatory laboratory (lab) in Durango, Mexico. Sample preparation involved crushing, splitting, and pulverizing of the subsamples.
After preparation, sample pulps were flown to Reno, Nevada, and analyzed for silver, arsenic, antimony, copper, mercury, lead, and zinc by aqua regia digestion and flame atomic absorption methods. A standard fire assay was used for gold. Procedural details at BSI Inspectorate (including the detection limits of each method) are described in Wetherup (2006). BSI Inspectorate is now part of Bureau Veritas and would have been a certified laboratory at that time; however, these data are not used in the Mineral Resource Estimation.
MAG Silver is and was independent of both BSI Inspectorate and Bureau Veritas.
11.1.2Fresnillo (2005 - 2023)
Drill core was received by exploration team personnel at the core handling facility near the Saucito mine site each day. Upon receipt, geotechnicians checked that depth markers were inserted at the end of each 3 m run and core boxes were labelled. Drill core was reconstructed and assessed for continuity and recovery data are recorded. The drill core was then logged by Fresnillo geologists who assessed and recorded lithology, alteration, mineralization, and structural and rock quality designation (RQD) information. Sample intervals were defined and sample tags were inserted. Sample lengths range from 0.6 to 2.0 m.
Drill core was then split using two methods: a diamond saw in mineralized zones, and mechanical splitter in altered zones; however, some early programs split both mineralized and altered core. Core splitting tools were cleaned regularly to avoid cross-contamination between samples. After splitting, half of the core was returned to the core box and the other half was placed in pre-numbered plastic sample bags, boxed, and stored securely until shipped to the analytical lab. One blank and at least two different SRMs were inserted into every batch of 20 to 30 samples.
Cut samples were shipped to ALS Chemex in Guadalajara, Mexico, where they were organized into batches, weighed (method code LOG-22) and crushed to 70% passing below 2 mm mesh screen (CRU-31). Up to 1,500 grams (g) of the crushed material was subsampled using a riffle splitter (SPL-21) and pulverized to 85% passing below 75 μm mesh screen (SPL-31).
The prepared pulps were then shipped by exploration team personnel to ALS Chemex Assay Laboratory in Vancouver, British Columbia for analysis. Each sample was analyzed for silver, lead, and zinc by ICP-AES analysis (ME-ICP4m). If silver concentrations exceed 100 ppm, the upper detection limit for ICP-AES, the sample was analyzed using gravimetric methods (Ag-GRA21). Standard fire assay was used to analyze for gold (Au-AA23). The ALS Chemex Vancouver laboratory is accredited to ISO 9001 by QMI-SAI Global and ISO 17025 by the Standards Council of Canada for several specific test procedures, including fire assay for gold with an atomic absorption and
amcconsultants.com    74

Juanicipio Mineral Resource and Mineral Reserves NI 43-101 Technical Report
MAG Silver Corp.
0723032



gravimetric finish, multi-element inductively coupled plasma optical emission spectroscopy (ICP-AES), and atomic absorption assays for silver, copper, lead, and zinc. See Table 11.1 for a list of limits of detection for each analyte.
Table 11.1 List of detection limits for Au, Ag, Pb, and Zn

Element
Limits of detection
Au
0.005 - 10,000 g/t
Ag
0.2 - 10,000 g/t
Pb
0.0002 - 20%
Zn
0.0002 - 30%
Source: Compiled by AMC, 2023.

Both MAG Silver and Fresnillo, the companies that make up the JV, are independent of ALS Chemex Assay.
11.2Bulk density data
Fresnillo collected specific gravity (SG) data as part of the core logging process. SG was calculated hydrostatically using Archimedes’ Principle. A sample of dry core was weighed in air, then weighed again while submerged in water. SG was then calculated by dividing the dry weight of the core by the dry weight of core less the submerged weight of core. The core was not sealed. As the core is not porous, the SG measurement accurately represents bulk density. The terms “density” and “bulk density” are used throughout the rest of the report.
Until 2015, a triple beam balance with an accuracy of 0.5 g was used to weigh the samples. Since 2015, samples were weighed using an electronic scale attached to a tablet with an application that calculates density values and uploads them directly to the drilling database (see Table 11.2). The use of this method has reduced the number of errors during the data collection. The density station is located inside the Juanicipio core storage facility.
Figure 11.1 Density measurement station with electronic scale and instrument to record data
figure111.jpg
Source: Fresnillo, 2021.
amcconsultants.com    75

Juanicipio Mineral Resource and Mineral Reserves NI 43-101 Technical Report
MAG Silver Corp.
0723032



By May 2023, a total of 65,328 measurements have been collected at the Juanicipio Property. Density measurements are summarized in Table 11.2 and their use in the estimate is discussed in Section 14.2.2.
Table 11.2 Density measurements from the Juanicipio project by rock type

Rock type
Number
Minimum
Maximum
Mean
Median
Std. dev.
Coeff. var.
Alluvium
10
1.80
2.67
2.22
2.20
0.27
0.12
Fault
1320
1.80
3.25
2.35
2.38
0.22
0.09
Conglomerate
264
1.85
2.73
2.37
2.40
0.14
0.06
Intrusive
896
1.98
3.89
3.17
3.22
0.21
0.07
Limestone
53
2.42
2.75
2.57
2.58
0.08
0.03
Mineralized veins and stockwork
14,566
1.72
4.85
2.72
2.69
0.2
0.07
Rhyolites
1,448
1.74
3.70
2.23
2.21
0.17
0.08
Green volcanics
1900
1.88
3.04
2.58
2.58
0.15
0.06
Sandstone and shales
44,871
1.68
3.46
2.60
2.61
0.10
0.04
Source: Fresnillo, 2024.

A total of 37,189 bulk density samples were related to drillholes informing the Mineral Resource Estimate.
11.3QAQC procedures
Fresnillo maintains a QAQC program which currently comprises commercial standard reference material (SRM), pulp blanks, field, coarse, and pulp duplicates, and umpire samples. Blank samples were included beginning in 2009. SRM samples were included beginning in 2010. Umpire samples were introduced in 2012. Field duplicates were introduced in 2022 and pulp and coarse duplicates introduced in 2023. Since 2022, SRMs, blanks, and duplicates have been inserted into the sample stream on a batch-by-batch basis and are used to monitor Au, Ag, Pb, and Zn assay values. Umpire samples are a select batch of pulp samples submitted to a second lab (umpire lab) to check the precision of analyses from the primary lab. The QP completed a review of QAQC data provided by Fresnillo and associated with drilling and channel sampling between 2007 and 31 May 2023.
The QP has reviewed Fresnillo’s internal QAQC data and documents from 2017 to 2023 as well as reviewing the QAQC data in Wetherup (2006) and AMC (2017; amended) and finds the results acceptable.
In addition to reviewing past QAQC reports and data, the QP generated his own charts for the 12 months preceding the current Mineral Resource estimate dated 31 May 2023 (see Section 14).
Summaries of QAQC results for each sample type (i.e., surface drillhole, underground drillhole, and face channel) including their pass / fail results, were provided by Fresnillo. Summaries of QAQC sample types and insertion rates are provided in Table 11.3 and Table 11.4, respectively. The summaries are divided into surface drilling, covering 2007 until 31 May 2023, and underground drilling and channel sampling, covering the end of 2016 until 31 May 2023. No QAQC samples were submitted in 2008.
amcconsultants.com    76

Juanicipio Mineral Resource and Mineral Reserves NI 43-101 Technical Report
MAG Silver Corp.
0723032



Table 11.3    Juanicipio QAQC samples by year for all sample types


Year
Surface drill samples

UG drill samples

Channels samples

SRMs2

Blanks
Duplicate samples
Umpire samples1

Pulp

Coarse

Field
ALS
vs BV
ALS
vs SGS
SGS
vs BV
ALS
vs IPL
ALS
vs ACME
IPL
vs ACME
2007
2,264
0
0
0
1
0
0
0
0
0
0
0
0
0
2009
4,190
0
0
1
30
0
0
0
0
0
0
0
0
0
2010
2,716
0
0
79
160
0
0
0
0
0
0
0
0
0
2011
990
0
0
44
86
0
0
0
0
0
0
0
0
0
2012
3,204
0
0
119
243
0
0
0
22
22
22
0
0
0
2013
6,026
0
0
258
516
0
0
0
23
23
23
0
0
0
2014
894
0
0
121
242
0
0
0
129
129
129
0
0
0
2015
1,443
0
0
107
212
0
0
0
123
123
123
0
0
0
2016
3,746
718
0
272
536
0
0
0
319
319
319
0
0
0
2017
2,013
10
0
107
216
0
0
0
34
34
34
0
0
0
2018
5,535
2,248
0
288
586
0
0
0
206
242
206
0
0
0
2019
4,586
0
0
289
288
0
0
0
137
179
137
1,082
1,119
1,082
2020
6,381
891
898
289
572
0
0
0
0
0
0
0
0
0
2021
2,519
952
635
295
292
0
0
0
0
0
0
0
0
0
2022
5,018
4,487
1,514
61
61
0
0
278
0
0
0
0
0
0
2023
3,371
1875
1490
302
400
203
199
121
50
99
50
0
0
0
Total
54,896
11,181
4,537
2,632
4,441
203
199
399
1,043
1,170
1,043
1,082
1,119
1,082
Notes:
1 The ALS vs ICP vs ACME samples were analyzed over the 2019 – 2020 period. For the purposes of this table, all samples are placed in 2019.
2 Total SRMs by element vary slightly, the SRM number by year is based on the element with the most samples. Source: Compiled by AMC, 2023.

Table 11.4    Fresnillo Juanicipio QAQC insertion summary

Year
Total samples
QAQC samples insertion rate (%)
SRMs
Blank samples
Umpire samples
Duplicate samples
2007
2,264
0
0
0
0
2009
4,190
0
0.7
0
0
2010
2,716
2.9
5.9
0
0
2011
990
4.4
8.7
0
0
2012
3,204
3.7
7.6
2.1
0
2013
6,026
4.3
8.6
1.1
0
2014
894
13.5
27.1
43.3
0
2015
1,443
7.4
14.7
25.6
0
2016
4,464
6.1
12
21.4
0
2017
2,023
5.3
10.7
5
0
2018
7,783
3.7
7.5
8.4
0
2019
4,586
6.3
6.3
9.9
0
2020
8,170
3.5
7
0
0
2021
4,105
7.2
1.5
0
0
2022
11,020
1.2
0
0
2.5
2023
6,739
4.5
5.9
3
7.8
Total
70,617
3.7
6.3
9.3
1.1
Source: Compiled by AMC, 2023.
amcconsultants.com    77

Juanicipio Mineral Resource and Mineral Reserves NI 43-101 Technical Report
MAG Silver Corp.
0723032



A more detailed table including sample types for QAQC sampling and insertion rates are shown for 1 June 2022 and 31 May 2023 (2022 – 2023 program) are shown in Table 11.5 and Table 11.6, respectively.
Table 11.5 Juanicipio QAQC samples (2022 – 2023 program)

QAQC sample type
Diamond drill
- surface
Diamond drill
- mine (UG)
Channel
Total

SRMs
CDN-ME-1807

170
47
49
96
CDN-ME-1810
170
CDN-ME-1903
9
27
36
BlanksPulp
169
117
114
400

Duplicates
Pulp
72
131
203
Coarse
68
131
199
Field
39
82
121

Umpire
ALS - BV
50

46
50
ALS - SGS
53
99
SGS - BV
50
50
Total samples (QAQC)
492
352
580
1,424
No. drillholes
18
40
362
420
No. samples
3372
1876
1491
6,739
Total meterage
25,714
7,014
4,677
37,405
Notes: Drillholes sample dates have been extrapolated to QAQC samples and used to filter the data for the relevant time period. QAQC samples not associated with the sample database have been removed.
Source: Compiled by AMC from data provided by Fresnillo.

Table 11.6 Juanicipio QAQC insertion percentages (2022 – 2023 program)

Sample type
Diamond drill
- surface
Diamond drill
- mine (UG)
Channel
No. samples
3,371
1,876
1,491

SRMs
CDN-ME-1807
0.0%
2.5%
3.3%
CDN-ME-1810
5.0%
0.0%
0.0%
CDN-ME-1903
0.0%
0.5%
1.8%
BlanksPulp
5.0%
6.2%
7.6%

Duplicates
Pulp
0.0%
3.8%
8.8%
Coarse
0.0%
3.6%
8.8%
Field
0.0%
2.1%
5.5%

Umpire
ALS - BV
1.5%
0.0%
0.0%
ALS - SGS
1.6%
0.0%
3.1%
SGS - BV
1.5%
0.0%
0.0%
Notes: Drillholes sample dates have been extrapolated to QAQC samples and used to filter the data for the relevant time period. QAQC samples not associated with the sample database have been removed.
Source: Compiled by AMC from data provided by Fresnillo.

Industry best practice typically advocates an SRM insertion rate of at least 5 – 6%, a blank insertion rate of 4 – 5%, a duplicate insertion rate (field, coarse, and pulp duplicates combined) of 5 – 6%, and a check (umpire) sample insertion rate of 4 – 5% of the total samples submitted, yielding a total of ~20% QAQC samples (Long et al., 1997; Méndez, 2011; Rossi and Deutsch, 2014). SRMs, blanks, and duplicates should be inserted in every batch of samples submitted to the laboratory to enable the monitoring of laboratory accuracy, contamination, and precision, respectively.
amcconsultants.com    78

Juanicipio Mineral Resource and Mineral Reserves NI 43-101 Technical Report
MAG Silver Corp.
0723032



The QAQC sample insertion summary is provided in Table 11.3 and the insertion percentages are provided in Table 11.4. The QP notes that the insertion rates meet industry standards for some sample types; however, several Fresnillo insertion rates are lower than industry standard. No duplicates were submitted with the surface diamond drill core samples and no umpire samples were submitted with the mine diamond drill core samples. Standard reference materials and blanks for mine diamond drill core samples and umpire samples for channel samples all have insertion percentages below the industry standards.
The QP notes that the complete database including drill core, channel, and QAQC samples was not provided by Fresnillo, and it is therefore not possible to comment on the spacing of QAQC samples, the proportion of QAQC samples within individual batches, or whether the distribution of QAQC samples relative to mineralized zones is appropriate.
11.3.1Standard reference materials
11.3.1.1SRMs overview
SRMs contain standard, predetermined concentrations of material (Au, Ag, Pb, and Zn) and are inserted into the sample stream to check the analytical accuracy of the laboratory. Fresnillo’s QAQC program at the Juanicipio Property includes the insertion of three SRMs into the sample stream for surface and mine diamond drill core and channel samples. All current SRMs have been supplied by CDN Resource Laboratories of Langley, British Columbia, Canada and certified for Au analysis by 30 g fire assay and AA / ICP / gravimetric finish, for Ag analysis by either 30 g fire assay and gravimetric finish or by four-acid digestion and AA / ICP finish, and for Pb and Zn analysis by four-acid digestion and AA / ICP finish. All SRMs have a relative standard deviation (RSD) of less than 10%.
A summary of the SRMs used at Juanicipio is presented in Table 11.7. SRM CDN-ME-1810 is used to monitor surface diamond drill core samples, and SRMs CDN-ME-1807 and CDN-ME-1903 are used to monitor mine diamond drill core samples and channel samples. For each economic metal, the QP recommends the use of at least three SRMs with values:
1At the approximate cut-off grade of the deposit.
2At the approximate expected grade of the deposit.
3At a higher grade.
Table 11.7 Summary of SRM types and grade summary (2022 – 2023 program)

CDN-ME-1807
CDN-ME-1810
CDN-ME-1903
AnalyteUnitMethod
Mean
SD
Mean
SD
Mean
SD
Au


g/t
Instrumental
7.88
0.42
4.41
0.33
3.035
0.242
Gravimetric
7.91
0.42
-
-
-
-
Ag
4-acid
327
20
154
9
180
11
Gravimetric
324
15
151
12
177
15
Pb
%
4-acid
2.34
0.1
1.46
0.07
1.06
0.04
Zn
4-acid
2.43
0.08
0.96
0.04
1.75
0.07
Source: Compiled by AMC from data provided by Fresnillo.

The QP understands SRM performance at Juanicipio is monitored on a regular basis, using control limits defined by the mean and standard deviation, which are provided on the SRM certificate. Analytical bias is calculated based on the average of analytical results within the reporting period relative to the ‘declared value’ provided on the SRM certificate.
amcconsultants.com    79

Juanicipio Mineral Resource and Mineral Reserves NI 43-101 Technical Report
MAG Silver Corp.
0723032



Fresnillo reviews SRMs using control charts based on calculated mean and standard deviation. Assay batches that include an SRM with a result outside of three standard deviations, or two out of three consecutive results outside of two standard deviations and consistently above or below the calculated SRM mean are considered outliers that are investigated. The QP notes that the protocol for batches with failed SRMs has not been provided, and there does not appear to be any reanalysis of batches with failed SRMs.
11.3.1.2Discussion on SRMs (2022 – 2023 program) SRMs for surface diamond drill core samples
A total of 170 SRM samples were submitted with 3,371 surface diamond drill core samples between 1 June 2022 and 31 May 2023 for an insertion rate of 5.0%, which meets the industry standard SRM insertion rate of at least 5 – 6%. Only one SRM (CDN-ME-1810) was used in the surface drilling sample stream, and the performance of this SRM is summarized in Table 11.8. One high warning (Au), two low warnings (Zn), and one mislabel (Au) are reported. There is a minor negative bias for Au, Pb, and Zn, and a minor positive bias for Ag. The bias for all analytes is <5% and these results are considered to reflect a high level of accuracy.
Table 11.8 CDN-ME-1810 performance summary for surface diamond drill core samples

CDN-ME-1810
Au
Ag
Pb
Zn
Unit
g/t
%
Cert. value
4.41
151
1.46
0.96
SD (control)
0.33
12
0.07
0.04
Mean (assays)
4.41
154.66
1.45
0.93
SD (assays)
0.17
3.11
0.02
0.02
Low warning (-2SD)
0
0
0
2
High warning (+2SD)
1
0
0
0
Low fail (-3SD)
0
0
0
0
High fail (+3SD)
0
0
0
0
Mislabel
1
0
0
0
Fail %
0%
0%
0%
0%
Bias
-0.09%
2.37%
-1.03%
-3.34%
Note: SD=standard deviation.
Source: Compiled by AMC from data provided by Fresnillo.

SRMs for mine diamond drill core samples
Two SRMs were used in the mine drilling sample stream between 1 June 2022 and 31 May 2023, which included 47 analyses of CDN-ME-1807 and nine analyses of CDN-ME-1903 for a total of 56 SRM samples for 1,875 mine diamond drill core samples. This produced an SRM insertion rate of only 3.0%, which does not meet industry standards. The performance of both SRMs is summarized in Table 11.9. Two high warnings (Ag, Pb) are reported for CDN-ME-1807, and no warnings or failures are reported for CDN-ME-1903. The bias for all analytes is <5% and generally considered to be acceptable, except for Ag in CDN-ME-1903 which has 7.18% bias. The control chart for these analyses shows a high level of precision for the Ag measurements in CDN-ME-1903, but all the measurements are consistently greater than the certified value, which has produced the slightly high positive bias. With only nine analyses, it is not possible to draw any further conclusions, and this degree of bias did not produce a warning or a failure, but this should be monitored if CDN-ME-1903 continues to be used in subsequent drilling.
amcconsultants.com    80

Juanicipio Mineral Resource and Mineral Reserves NI 43-101 Technical Report
MAG Silver Corp.
0723032



Table 11.9    CDN-ME-1807 and CDN-ME-1903 performance summary for mine diamond drill core samples

CDN-ME-1807
CDN-ME-1903
Au
Ag
Pb
Zn
Au
Ag
Pb
Zn
Unit
g/t
%
g/t
%
Cert. value (g/t)
7.88
324
2.34
2.43
3.035
177
1.06
1.75
SD (control)
0.42
15
0.1
0.08
2.42
15
0.04
0.07
Mean assays (g/t)
7.96
335
2.35
2.43
3.04
194
1.02
1.70
SD (assays)
0.27
8
0.06
0.06
0.12
2
0.02
0.02
Low warning (-2SD)
0
0
0
0
0
0
0
0
High warning (+2SD)
0
1
1
0
0
0
0
0
Low fail (-3SD)
0
0
0
0
0
0
0
0
High fail (+3SD)
0
0
0
0
0
0
0
0
Mislabel
0
0
0
0
0
0
0
0
Fail %
0%
0%
0%
0%
0%
0%
0%
0%
Bias
-1.51%
3.26%
-3.20%
-3.33%
-4.72%
7.18%
-4.68%
-4.61%
Note: SD=standard deviation. Time period: 2022 – 2023 program. Source: Compiled by AMC from data provided by Fresnillo.

SRMs for channel samples
Two SRMs were used in the channel sample stream between 1 June 2022 and 31 May 2023, which included 49 analyses of CDN-ME-1807 and 27 analyses of CDN-ME-1903 for a total of 76 SRM samples for 1,491 channel samples. This produced an SRM insertion rate of 5.1%, which meets industry standards. The performance of both SRMs is summarized in Table 11.10. Three high warnings (Ag), ten low failures (Pb, Zn), and one high failure (Zn) are reported for CDN-ME-1807. One high warning (Zn) is reported for CDN-ME-1903. The calculated bias for all analytes for both SRMs is <5% and considered to be acceptable. The five analyses with low failures for Pb coincide with the five low failures for Zn, which suggests that these analyses were from the same samples. The high failure for Zn also coincides with a peak in Pb that nearly meets the threshold for a high warning. Of the low failures, there are two instances of consecutive failures, which should trigger a reanalysis by Fresnillo; however, it is not clear from the provided data if this reanalysis was done. Overall, the failures appear to be outliers and do not appear to indicate a systematic analytical issue with the lab.
amcconsultants.com    81

Juanicipio Mineral Resource and Mineral Reserves NI 43-101 Technical Report
MAG Silver Corp.
0723032



Table 11.10 CDN-ME-1807 and CDN-ME-1903 performance summary for channel samples

CDN-ME-1807
CDN-ME-1903
Au
Ag
Pb
Zn
Au
Ag
Pb
Zn
Cert. value (g/t)
7.88
324
2.34
2.43
3.035
177
1.06
1.75
SD (control)
0.42
15
0.1
0.08
2.42
15
0.04
0.07
Mean assays (g/t)
8.04
339
2.32
2.40
3.10
186
1.05
1.76
SD assays
0.28
11.8
0.12
0.16
0.15
7.89
0.03
0.06
Low warning (-2SD)
0
0
0
0
0
0
0
0
High warning (+2SD)
0
3
0
0
0
0
0
1
Low fail (-3SD)
0
0
5
5
0
0
0
0
High fail (+3SD)
0
0
0
1
0
0
0
0
Mislabel
0
0
0
0
0
0
0
0
Fail %
0%
0%
10%
13%
0%
0%
0%
0%
Bias
-3.85%
4.26%
-3.53%
-3.64%
-2.98%
4.22%
-4.22%
-3.85%
Note: SD = standard deviation. Time period: 2022 – 2023 program. Source: Compiled by AMC from data provided by Fresnillo.

11.3.1.3Discussion on SRMs (2007 – 2022 programs)
Fresnillo has included SRMs with sample submissions in previous work programs. SRM results prior to 2010 are not available A detailed review of SRM results from 2010 – 2022 was completed with internal documents and data provided by Fresnillo, and a summary of the key findings is presented below:
SRM data is available from 2010 – 2022 for surface drilling and from 2021 – 2022 for underground drilling and channel sampling.
SRM insertion rates vary from 1.2 – 13.5%, with 6 programs (2014 –2017, 2019, 2021) meeting or exceeding the industry standard SRM insertion rate of 5 – 6%, and the remaining 8 programs falling below the industry standard.
Ten different SRMs have been used for surface drilling from 2010 – 2022, with the total number used in a single year ranging from 1 – 3.
For surface and underground drilling, failure rates vary between different SRMs and for different analytes. For Au, Ag, and Pb, SRMs demonstrate reasonable analytical accuracy, with most SRM analyses falling within control limits. Results for Zn are more variable, with failure rates ranging from 0 –62%.
SRM results for channel sampling reflect lower degrees of analytical accuracy for all analytes, with only one SRM (CDN-ME-1807) returning <10% failure rate for one analyte (Au). All other SRMs and analytes have 10 – 50% failure rates.
Overall, the SRMs for the period of 2010 – 2022 reflect reasonable analytical accuracy.
11.3.1.4Comments on SRM samples
Overall, the SRM results from 2010 – 2023 in all three sample streams are acceptable and indicate an appropriate level of accuracy. There were no failures and no consecutive warnings for SRMs in the surface and mine diamond drill core sample streams. SRM CDN-ME-1807 shows an increase in variance for Ag, Pb, and Zn towards the end of the reporting period and may indicate some contamination / machine errors and analytical drift. There were no consecutive warnings for SRMs in the channel sample stream; however, there were five low failures and one high failure. SRMs should be monitored on a batch-by-batch basis and any required remedial action taken immediately. The QP notes that the protocol for batches with failed SRMs was not provided, and there does not appear to be any reanalysis of batches with failed SRMs.
amcconsultants.com    82

Juanicipio Mineral Resource and Mineral Reserves NI 43-101 Technical Report
MAG Silver Corp.
0723032



At Juanicipio, the average grades based on the 2023 Mineral Resource estimate are 1.5 g/t Au, 277 g/t Ag, 2.7% Pb, and 5.7% Zn. Fresnillo applies an equivalency cut-off grade of 209 g/t Ag Eq, which incorporates estimated metal prices and recoveries. Based on these grades, all three SRMs used have mean Au concentrations higher than the approximate expected average grade of the deposit and mean Zn concentrations lower than the approximate expected average grade of the deposit. SRM CDN-ME-1807 has a mean Ag concentration higher than the approximate expected average grade of the deposit, whereas SRMs CDN-ME-1810 and CDN-ME-1903 have mean Ag concentrations lower than the approximate expected average grade of the deposit. With respect to Pb, SRM CDN-ME-1807 has a mean concentration at the approximate expected average grade of the deposit, and SRMs CDN-ME-1810 and CDN-ME-1903 have mean concentrations lower than the approximate expected average grade of the deposit. The following values are not covered by the current suite of SRMs used:
The approximate expected average Au grade of the deposit.
The approximate expected average Ag grade of the deposit.
The approximate expected average Zn grade of the deposit.
A higher grade than the approximate expected average Zn grade of the deposit.
Additional SRMs should be added to cover the above values and a wider range of grades.
11.3.2Blank samples
11.3.2.1Blank samples overview
Fresnillo’s QAQC program at the Juanicipio Property included the insertion of pulp blank samples to test for sample contamination of Au during preparation and analysis. Certified pulp blanks were supplied by Rocklabs Ltd. and KLEN International. Fresnillo does not monitor sample contamination for Ag, Pb, and Zn. A total of 400 pulp blank samples were inserted in the sample streams for the surface and underground drilling and channel sampling over the period of 1 June 2022 to 31 May 2023, with an overall insertion rate of 5.9%. Blank samples are included regularly in each batch of samples.
Fresnillo defines a failure threshold for pulp blanks of three times the lower limit of detection (LLD) for each analyte. Fresnillo does not state what remedial action is taken to address batches with failed blanks.
AMC typically reviews blank performance relative to the stated LLD for typical ore grade analysis, and it is generally expected that 90% of pulp blanks should be less than two times the LLD. For each of the sample streams described below, the blank performance is summarized according to Fresnillo criteria and AMC criteria separately. The blank material used for all sample streams on the Juanicipio Property are only certified for Au and not for Ag, Pb, and Zn. Thus, sample contamination was only assessed for Au and not for Ag, Pb, and Zn.
11.3.2.2Discussion on blank samples (2022 – 2023 program) Blank analysis of surface diamond drill core samples
A total of 169 pulp blank samples were included in the surface diamond drill core sample stream between 1 June 2022 and 31 May 2023. This produced a blank insertion rate of 5.0% for this sample stream, which meets industry standards of 4 – 5%. The performance of the blanks is summarized in Table 11.11, and the control chart for Au is provided in Figure 11.2. There were no failures using both Fresnillo and AMC criteria, which produced a pass rate of 100%. Some of the analyses were slightly above the LLD, but overall, there does not appear to be any contamination in this sample stream.
amcconsultants.com    83

Juanicipio Mineral Resource and Mineral Reserves NI 43-101 Technical Report
MAG Silver Corp.
0723032



Table 11.11 Summary of results for pulp blank analysis of diamond drill (surface) sample stream

Sample type
No. analyses
LLD
(g/t)
Fail criteria
Failure limit (g/t)
No. fails
No. pass
Pass
%
Pulp blank
169
0.005
AMC fail (2x LLD)
>0.010
0
169
100%
Fresnillo fail (3x LLD)
>0.015
0
169
100%
Source: Compiled by AMC from data provided by Fresnillo.

Figure 11.2 Control chart showing Au results for pulp blanks - surface diamond drill sample stream
figure112.jpg
Notes: Data from 1 June 2022 to 31 May 2023.
Source: Compiled by AMC from data provided by Fresnillo.

Blank analysis of mine diamond drill core samples
A total of 117 pulp blank samples were included in the mine diamond drill core sample stream between 1 June 2022 and 31 May 2023. This produced a blank insertion rate of 2.2% for this sample stream, which is below industry standards. The performance of the blanks is summarized in Figure
11.2 and the control chart for Au is provided in Figure 11.3. Two blank analyses failed according to AMC criteria (>2x LLD), and one analysis failed according to Fresnillo criteria (>3x LLD), for a pass percentage of 98.3% and 99.1%, respectively. Overall, this is an acceptable pass rate, and there does not appear to be any contamination in this sample stream.
amcconsultants.com    84

Juanicipio Mineral Resource and Mineral Reserves NI 43-101 Technical Report
MAG Silver Corp.
0723032



Table 11.12 Summary of results for pulp blank analysis of diamond drill (mine) sample stream

Sample type
No. analyses
LLD
(g/t)
Fail criteria
Failure limit (g/t)
No. fails
No. pass
Pass
%
Pulp blank
117
0.005
AMC fail (2x LLD)
>0.010
2
115
98.3%
Fresnillo fail (3x LLD)
>0.015
1
116
99.1%
Note: Data from June 2022 to May 2023.
Source: Compiled by AMC from data provided by Fresnillo.

Figure 11.3 Control chart showing Au results for pulp blanks - mine diamond drill sample stream
figure113.jpg
Notes: Data from 1 June 2022 to 31 May 2023.
Source: Compiled by AMC from data provided by Fresnillo.

Blank analysis of channel samples
A total of 114 pulp blank samples were included in the channel sample stream between 1 June 2022 and 31 May 2023. This produced a blank insertion rate of 7.6%, which exceeds industry standards. The performance of the blanks is summarized in Table 11.13, and the control chart for Au is provided in Error! Reference source not found.. Three blank analyses failed according to AMC criteria (
>2x LLD) for a pass percentage of 97%, which is acceptable. These failures belong to a group of samples in the second half of the shipment order with Au values at or above the LLD (Figure 11.4). This may indicate some minor contamination in the sample stream at this point. All samples passed according to Fresnillo criteria (>3x LLD). Given these results, there does not appear to be any major contamination in this sample stream.
amcconsultants.com    85

Juanicipio Mineral Resource and Mineral Reserves NI 43-101 Technical Report
MAG Silver Corp.
0723032



Table 11.13    Summary of results for pulp blank analysis from channel sample stream

Sample type
No. analyses
LLD
(g/t)
Fail criteria
Failure limit (g/t)
No. fails
No. pass
Pass
%
Pulp blank
114
0.005
AMC fail (2x LLD)
>0.010
3
111
97%
Fresnillo fail (3x LLD)
>0.015
0
114
100%
Source: Compiled by AMC from data provided by Fresnillo.

Figure 11.4    Control chart showing Au results for pulp blanks - channel sample stream
figure114.jpg
Notes: Data from 1 June 2022 to 31 May 2023.
Source: Compiled by AMC from data provided by Fresnillo.

11.3.2.3Discussion on blank samples (2007 – 2022 programs)
Fresnillo has included blanks with sample submissions in previous work programs. A summary of the key findings is presented below:
Blank data is available from 2007 – 2022 for surface drilling and from 2021 – 2022 for underground drilling and channel sampling.
Blank insertion rates vary from 0 – 27.1%, with most programs meeting or exceeding the industry standard blank insertion rate of 4 – 5%. Only 5 programs (2007 – 2009, 2021, 2022) fall below the industry standard.
From 2007 – 2018, grey cement was used as the blank material for all sampling programs. In 2019, the blanks used were grey cement and material from Rock Labs and KLEN International. From 2020 – 2022, only material from Rock Labs and KLEN International was used.
For all sampling programs and all years, no systematic contamination was noted. Pass rates range from 84 – 100%, with the majority of sampling programs reporting >95% pass rates.
amcconsultants.com    86

Juanicipio Mineral Resource and Mineral Reserves NI 43-101 Technical Report
MAG Silver Corp.
0723032



11.3.2.4Comments on blank samples
Overall, the blank results for all three sample streams in the 1 June 2022 to 31 May 2023 period are acceptable and do not indicate any significant sample contamination for Au. In the surface diamond drill core sample stream, all blank analyses passed. In the mine diamond drill core sample stream, two blank analyses failed according to AMC criteria, and one blank analysis failed according to Fresnillo criteria. In the channel sample stream, three blank analyses failed according to AMC criteria, and no blank analyses failed according to Fresnillo criteria.
The QP recommends that Fresnillo reduce their blank failure limits to 2x LLD to ensure that any potential contamination is flagged. Fresnillo does not state what remedial action is taken to address batches with failed blanks, and it is therefore not possible to comment on their procedure. Given the high concentrations of Ag, Pb, and Zn in the deposit, the QP recommends inserting blanks that are certified for these analytes to ensure that there is no contamination.
11.3.3Duplicate samples
11.3.3.1Duplicate samples overview
Duplicate samples monitor analytical precision and are taken at successive points within the sample preparation and analysis process to understand the variances occurring at each stage of this process. Pulp duplicates monitor variance associated with sub-sampling of the pulp, the analysis process, and the inherent geological variability. Coarse reject duplicates monitor these same variances plus the variance associated with sub-sampling of the coarse reject. Field duplicates monitor all the above variances plus the variance associated with sub-sampling of the drill core in the case of drill core samples or the variance along the targeted structure in the case of channel samples.
Fresnillo reviews duplicate samples using a min-max graph, which involves plotting the minimum duplicate value on the x-axis and the maximum duplicate value on the y-axis of a scatter plot. The resulting plot shows the magnitude of deviations with all points occurring above the y = x line. A hyperbolic equation is then calculated to define an error tolerance, which accounts for decreased precision that occurs towards the LLD. Fresnillo expects coarse duplicates to be within a 20% relative error, and pulp duplicates to be within a 10% relative error. Samples falling outside of the error line defined by the hyperbolic equation are considered to have failed. Fresnillo does not specify whether remedial action is taken to address failed duplicates or what rate of failure is considered acceptable.
AMC typically assesses duplicate data using scatter plots and absolute relative percentage deviation (RPD) plots, which measure the absolute difference between a sample and its duplicate relative to the mean of the pairs. In these analyses, pairs where the original or duplicate is less than 15x LLD are excluded. Removing these low values ensures that there is no undue influence on the RPD plots due to the higher variance of grades expected near the lower detection limit, where precision becomes poorer (Long et al., 1997).
The performance of duplicates is dependent on the mineralization style, inherent geological variance, and variance associated with sampling. The relative precision of a duplicate sample will increase as the fundamental sampling error (and other errors) associated with sub-sampling is removed. Pulp duplicates should therefore be more precise (alike) than coarse duplicates as they do not incorporate the same level of heterogeneity and extraction errors. The generally accepted criterion is that 85 - 90% of field duplicate samples should have an absolute relative difference of less than 25%. The threshold RPD decreases to less than 20% for coarse duplicates and to less than 10% for pulp duplicates (Rossi and Deutsch, 2014).
amcconsultants.com    87

Juanicipio Mineral Resource and Mineral Reserves NI 43-101 Technical Report
MAG Silver Corp.
0723032



Duplicate samples were not included in sample stream until the 2022 season. From 1 June 2022 to 31 May 2023, Fresnillo submitted pulp, coarse, and field duplicates with the mine diamond drill core sample stream and the channel sample stream. No duplicates were -submitted with the surface diamond drill core sample stream, and it is therefore not possible to assess the precision of analyses from this sample stream.
11.3.3.2Discussion on duplicate samples (2022 – 2023 program) Duplicate analysis of mine diamond drill core samples
Fresnillo submitted 72 pulp duplicates, 68 coarse duplicates, and 39 field (twin) duplicates (half core) in the mine diamond drill core sample stream between 1 June 2022 and 31 May 2023. Table
11.14 summarizes the duplicate performance. The combined insertion rate for all duplicates in the mine diamond drill core sample stream is 9.5%, which exceeds the industry standard of 5 – 6% for duplicates. However, when duplicate pairs with concentrations <15x LLD are removed, the remaining duplicate pairs that can be used for QAQC analysis account for an insertion rate of
4.3 - 9.2% depending on the analyte. The insertion rates for Ag (7.5%), Pb (5.5%), and Zn (9.2%) meet or exceed industry standards, whereas the insertion rate for Au is 4.3%, which is just below industry standards.
The pulp and coarse duplicates performed well, with 85 – 95% of pulp duplicates within 10% RPD and 95 – 100% of coarse duplicates within 20% RPD (Table 11.14). The ranges reported reflect slight variations in precision between the different analytes. Although 85% is just below the threshold of 90%, these results are considered to reflect an acceptable degree of analytical precision and reproducibility. The results also indicate good sample homogenization at the pulp and coarse reject levels and appropriate sub-sampling procedures for coarse reject and pulp material. There is slightly more variation between the measured concentrations in the original and duplicate samples at higher grades. The control of grade on precision is minimal for the pulp duplicates, and the effect is slightly more pronounced for the coarse duplicates.
In contrast, the field duplicates did not perform well, and the results vary significantly depending on the analyte. The percentage of samples within 20% RPD are as follows: 79% for Au, 60% for Ag, 41% for Pb, and 68% for Zn (Table 11.14). Given the good performance of the pulp and coarse duplicates, it is unlikely that the poor results for the field duplicates reflect major issues in the analytical process. It is more likely that the poor reproducibility is due to the heterogeneity of the mineralization. Of the four analytes investigated, Au has the highest reproducibility, followed by Zn, Ag, and Pb, which has the lowest reproducibility. This suggests that Au is more evenly distributed in mineralized zones than the other analytes. There is a greater variation between the measured concentrations in the original and duplicate samples at higher grades. This effect is especially pronounced at >0.4 g/t Au, >200 g/t Ag, >1% Pb, and >2% Zn. This relationship suggests there is greater heterogeneity of mineralization at higher grades. The field samples used for duplicate analysis have higher mean concentrations than the pulp and coarse samples for all analytes (Table 11.14), which, based on the relationship between variance and grade described above, likely also contributed to the poor performance of the field duplicate samples.
amcconsultants.com    88

Juanicipio Mineral Resource and Mineral Reserves NI 43-101 Technical Report
MAG Silver Corp.
0723032



Table 11.14 Summary of duplicate sample results for the mine diamond drill core sample stream

Analyte
Au
Ag
Pb
Zn
Unit
g/t
%
Pulp
ndup pairs=
72
72
72
72
ndup pairs > 15x LLD
27
54
39
68
LLD
0.005
0.2
0.0002
0.0002
Meanori
0.60
321.16
0.24
0.84
Meandup
0.59
329.41
0.23
0.83
Bias (%)
2.08
-2.57
3.65
1.30
% samples > 15x LLD
38%
75%
54%
94%
% samples within 10% RPD
89%
85%
95%
91%
% samples within 20% RPD
100%
96%
95%
96%
Coarse
ndup pairs=
68
68
68
68
ndup pairs > 15x LLD
25
50
32
66
LLD
0.005
0.2
0.0002
0.0002
Meanori
0.49
271.65
0.52
0.93
Meandup
0.48
280.22
0.49
0.92
Bias (%)
1.73
-3.15
4.68
1.12
% samples > 15x LLD
37%
74%
47%
97%
% samples within 10% RPD
84%
82%
78%
82%
% samples within 20% RPD
92%
88%
91%
95%
Field
ndup pairs=
39
39
39
39
ndup pairs > 15x LLD
28
37
32
38
LLD
0.005
0.2
0.0002
0.0002
Meanori
2.05
1099.55
1.01
3.10
Meandup
1.79
1014.66
1.02
3.23
Bias (%)
12.81
7.72
-1.03
-4.16
% samples > 15x LLD
72%
95%
82%
97%
% samples within 10% RPD
46%
32%
34%
34%
% samples within 20% RPD
79%
59%
41%
68%

Duplicate analysis of channel samples
Fresnillo submitted 131 pulp duplicates, 131 coarse duplicates, and 82 field (twin) duplicates (half core) in the channel sample stream between 1 June 2022 and 31 May 2023. Error! Reference s ource not found. summarizes the duplicate performance of the underground drilling duplicates. The combined insertion rate for all duplicates in the mine diamond drill core sample stream is 23.1%, which well exceeds the industry standard of 5 – 6% for duplicates. When duplicate pairs with concentrations <15x LLD are removed, the remaining duplicate pairs that can be used for QAQC analysis account for an insertion rate of 19.3 – 22.9% depending on the analyte, which still well exceeds industry standards.
The performance of the pulp duplicates varies significantly depending on the analyte. Results for Ag, Pb, and Zn indicate a high level of accuracy, with 94 – 95% of pulp duplicates within 10% RPD. For Au, only 76% of pulp duplicates are within 10% RPD. The coarse duplicates performed well for all analytes, with 95 – 99% of samples within 20% RPD. These results for Au are unusual and suggest that homogenization and / or sub-sampling procedures are better for coarse material than pulp material with respect to Au. Despite the pulp duplicates falling below the threshold of 90% of samples within 10% RPD for Au, the results for the pulp and coarse duplicates are considered to
amcconsultants.com    89

Juanicipio Mineral Resource and Mineral Reserves NI 43-101 Technical Report
MAG Silver Corp.
0723032



reflect an acceptable degree of analytical precision and reproducibility. The results also reflect good sample homogenization and appropriate sub-sampling procedures overall. The degree of variation between the measured concentrations of the original and duplicate samples does not appear to be significantly influenced by grade, with the exception of Au in the pulp duplicate samples, which exhibits more variation at >2 g/t.
The field duplicates for the channel samples performed poorly, with <40% of samples within 20% RPD for all analytes. As with the field duplicates for the mine diamond drill core samples, Au has the highest reproducibility of the four analytes, with 39% of samples within 20% RPD. The other three analytes also performed poorly, with 26 – 32% of samples within 20% RPD (Table 11.15). As with the mine diamond drill core duplicate samples, the good performance of the pulp and coarse channel duplicate samples suggests that the poor reproducibility of the field duplicates reflects heterogeneity in the mineralization rather than major issues in the analytical process. The results of the field duplicates for the channel samples are also consistent with Au being slightly more evenly distributed in mineralized zones than the other analytes. As with the field duplicates for the mine diamond drill core samples, the field duplicates for the channel samples reflect a greater variation between the measured concentrations in the original and duplicate samples at higher grades. This effect is especially pronounced at >1 g/t Au, >500 g/t Ag, >1% Pb, and >2% Zn.
amcconsultants.com    90

Juanicipio Mineral Resource and Mineral Reserves NI 43-101 Technical Report
MAG Silver Corp.
0723032



Table 11.15 Summary of duplicate samples results for the channel sample stream

Analyte
Au
Ag
Pb
Zn
Unit
g/t
%
Pulp
ndup pairs=
131
131
131
131
ndup pairs > 15x LLD
104
130
128
130
LLD
0.005
0.2
0.0002
0.0002
Meanori
1.287
586.608
1.223
2.996
Meandup
1.294
575.291
1.215
2.964
Bias (%)
-0.57
-1.18
0.62
1.09
% samples > 15x LLD
79%
99%
98%
99%
% samples within 10% RPD
76%
94%
95%
95%
% samples within 20% RPD
97%
98%
99%
99%
Coarse
ndup pairs=
131
131
131
131
ndup pairs > 15x LLD
109
131
129
130
LLD
0.005
0.2
0.0002
0.0002
Meanori
1.576
555.110
1.239
2.644
Meandup
1.593
556.438
1.215
2.638
Bias (%)
-1.05
-0.24
1.94
0.21
% samples > 15x LLD
83%
100%
99%
99%
% samples within 10% RPD
84%
94%
95%
96%
% samples within 20% RPD
95%
99%
98%
99%
Field
ndup pairs=
82
82
82
82
ndup pairs > 15x LLD
75
81
81
81
LLD
0.005
0.2
0.0002
0.0002
Meanori
2.912
974.403
1.702
2.492
Meandup
2.602
931.755
1.715
2.276
Bias (%)
10.64
4.38
-0.74
8.65
% samples > 15x LLD
92%
99%
99%
99%
% samples within 10% RPD
24%
17%
17%
19%
% samples within 20% RPD
39%
26%
32%
30%
Source: Compiled by AMC from data provided by Fresnillo.

11.3.3.3Discussion on duplicate samples (2007 – 2022 programs)
Fresnillo has included duplicate samples with sample submissions in previous work programs. Duplicate samples were not submitted for the surface drilling from 2007 – 2022. Duplicate samples were submitted with the underground drilling and channel sampling in 2022. A detailed review of duplicate sample results from 2010 – 2022 was completed with internal documents and data provided by Fresnillo, and a summary of the key findings is presented below:
A total of 49 field duplicates were submitted with the underground drilling, and 228 field duplicates were submitted with the channel sampling. No coarse or pulp duplicates were submitted in 2022.
The duplicate insertion rate for underground drilling was 1.1%, which is below the industry standard of 5 – 6%. When this is corrected for the number of samples that can be used for analysis of precision (i.e., >15x LLD), the insertion rate varies from 0.36 – 0.78% depending on the analyte.
The duplicate insertion rate for channel sampling 15.1%, which well above the industry standard of 5 – 6%. When this is corrected for the number of samples that can be used for
amcconsultants.com    91

Juanicipio Mineral Resource and Mineral Reserves NI 43-101 Technical Report
MAG Silver Corp.
0723032



analysis of precision (i.e., >15x LLD), the insertion rate varies from 7.9 – 11.0% depending on the analyte.
There are too few samples for the underground drilling dataset to make a meaningful assessment of precision.
For the channel samples, the duplicate samples returned consistently higher analyte concentrations than the original, and there is poor precision for all elements.
11.3.3.4Comments on duplicate samples
Duplicate performance can only be assessed from 2022 onwards when duplicates were first introduced into the sample stream.
The performance of the duplicate samples is highly variable and depends on the analyte, duplicate type (pulp, coarse, field), and sample stream. The QP notes that it is not possible to assess the precision of analyses in the surface diamond drill core sample stream because no duplicates were submitted with this sample stream. The pulp and coarse duplicates performed well for all analytes in both the mine diamond drill core and channel sample streams with a few exceptions. The percentages of pulp duplicates within 10% RPD for Au and Ag in the mine diamond drill core sample stream fall slightly below the 90% threshold at 89% and 85%, respectively (Table 11.10). The percentage of coarse duplicates within 20% RPD for Ag in the mine diamond drill core sample stream falls slightly below the 90% threshold at 88% (Table 11.10). All other analytes in the mine diamond drill core sample stream meet or exceed the threshold of 90% of pulp duplicates within 10% RPD and 90% of coarse duplicates within 20% RPD. In the channel sample stream, the 90% threshold is exceeded for pulp and coarse duplicates for all analytes apart from Au in the pulp duplicates, with only 76% of duplicate pairs within 10% RPD (Table 11.12). Overall, the results for the pulp and coarse duplicates for both sample streams are considered to reflect an acceptable degree of analytical precision and reproducibility.
The field duplicates for both the mine diamond drill core and channel sample streams performed poorly, and the threshold of 90% of duplicates within 20% RPD was not met for any analytes. Given the good performance of the pulp and coarse duplicates, it is unlikely that the poor results for the field duplicates reflect major issues in the analytical process. It is more likely that the poor reproducibility is due to the heterogeneity of the mineralization. The effects of this heterogeneity are more pronounced for field duplicates, which have not undergone any homogenization through crushing or pulverizing prior to separating the duplicate pairs. Furthermore, there is a greater variation between the measured concentrations in the original and duplicate samples at higher grades. The field samples used for duplicate analyses have higher mean concentrations than the pulp and coarse samples for all analytes, except for Zn in the channel sample stream. The higher grades of the field duplicates therefore likely also contributed to their poor performance.
11.3.4Umpire samples
11.3.4.1Umpire samples overview
Umpire samples are used to assess the accuracy of the primary laboratory, with duplicate samples sent to a second laboratory (‘umpire laboratory’). Between 1 June 2022 and 31 May 2023, the primary laboratory used by Fresnillo was ALS, and two umpire laboratories were used: SGS and Bureau Veritas.
Fresnillo monitors umpire performance using reduced major axis (RMA) plots and coefficient of determination (R2) values, which are acceptable for analyzing pair performance. In the QP’s opinion, umpire pairs should also be monitored in terms of RPD (similar to duplicate samples), with 90% of umpire pairs expected to be within 10% RPD (Rossi and Deutsch, 2014). As with duplicate samples, umpire pairs where the original or duplicate is less than 15x LLD are excluded to ensure that there
amcconsultants.com    92

Juanicipio Mineral Resource and Mineral Reserves NI 43-101 Technical Report
MAG Silver Corp.
0723032


is no undue influence on the RPD plots due to the higher variance of grades expected near the lower detection limit, where precision becomes poorer (Long et al., 1997).
Samples have been submitted to a secondary laboratory between 2012-2019. Umpire samples were also submitted in 2023.
From 1 June 2022 to 31 May 2023, Fresnillo submitted pulp umpire duplicates with the surface diamond drill core sample stream and the channel sample stream. No umpire samples were submitted with the mine diamond drill core sample stream.
11.3.4.2Discussion on umpire samples (2022 – 2023 program) Umpire sample analysis of surface diamond drill core samples
Fresnillo submitted 50 umpire samples to Bureau Veritas and 53 umpire samples to SGS in the surface diamond drill core sample stream between 1 June 2022 and 31 May 2023. summarizes the umpire performance by comparing the ALS analyses to Bureau Veritas and SGS and by comparing the Bureau Veritas and SGS analyses to each other. The insertion rate for umpire samples in the surface diamond drill core sample stream is 4.5%, which meets the industry standard of 4 – 5% for umpire samples. However, when umpire pairs with concentrations <15x LLD are removed, the remaining umpire pairs that can be used for QAQC analysis account for an insertion rate of only
1.8 – 4.4% depending on the analyte. The insertion rates for Pb (4.4%) and Zn (4.4%) meet industry standards, whereas the insertion rates for Au (1.8%) and Ag (3.4%) are below industry standards.
The performance of the umpire samples varies significantly depending on the analyte and the laboratory. The worst reproducibility is between SGS and Bureau Veritas, with Ag being the only analyte to have >90% of umpire pairs within 10% RPD. The best reproducibility is between ALS and SGS, with all analytes except for Au having >90% of umpire pairs within 10% RPD. For ALS and SGS, 81% of umpire pairs are within 10% RPD for Au, which is below the expected threshold but considered to be acceptable given the good performance of the other analytes and the heterogeneity of Au in mineralized zones.
The Au results for ALS and Bureau Veritas and for SGS and Bureau Veritas fall well below the 90% threshold for umpire pairs within 10% RPD. Only 50% of umpire pairs are within 10% RPD for ALS and Bureau Veritas, and only 37% of umpire pairs are within 10% RPD for SGS and Bureau Veritas. The Bureau Veritas data appear to indicate an analytical error for Au, which has likely contributed to the poor umpire sample performance with this laboratory. Nineteen samples analyzed by Bureau Veritas returned Au concentrations of 0.45 g/t, and none of these samples correlate well with the results from ALS or SGS. All these samples returned low Au concentrations from ALS and SGS (<0.8 g/t). Given that analyses below the lower limit of detection are often reported as half the detection limit, it appears that the samples with the analytical errors were analyzed by fire assay with a gravimetric finish, which has a lower limit of detection of 0.9 g/t at Bureau Veritas. These samples were not re-analyzed by a more sensitive method, resulting in poor correlation with the results from ALS and SGS. When these samples are removed, all umpire pairs plot along or close to the 1:1 line on scatter plots for ALS vs. Bureau Veritas (BV) and SGS vs. BV.
All other umpire results for all labs and analytes are considered acceptable and either meet the threshold of >90% of umpire pairs within 10% RPD or are close to this threshold (>85%). The exception is Zn for SGS and Bureau Veritas, which has only 77.1% of umpire pairs within 10% RPD (Table 11.16). The difference in results from SGS and Bureau Veritas is especially pronounced at higher grades (>10% Zn), and it is therefore possible that that the poor reproducibility is the result of greater heterogeneity of mineralization at higher grades. However, it is unclear why this effect is not as pronounced for comparisons of ALS and Bureau Veritas (BV) and ALS and SGS.
amcconsultants.com    93

Juanicipio Mineral Resource and Mineral Reserves NI 43-101 Technical Report
MAG Silver Corp.
0723032



Table 11.16    Summary of umpire sample results of the surface diamond drill core sample stream

ALS
(pri. lab)
Bureau
Veritas (ump. lab)
ALS
(pri. lab)
SGS
(ump. lab)
SGS
(ump. lab 1)
Bureau
Veritas (ump. lab 2)
Au
ndup pairs=
50
53
50
ndup pairs > 15x LLD
20
21
19
LLD (g/t)
0.005
0.005*
0.005
0.005
0.005
0.005*
Mean (g/t)
0.15
0.37
0.16
0.15
0.15
0.37
Maximum (g/t)
2.16
5.80
2.16
2.42
2.42
5.80
Minimum (g/t)
0.003
0.006
0.003
0.000023
0.000023
0.006
Std. dev.
0.33
0.87
0.33
0.36
0.37
0.87
CV
2.19
2.38
2.07
2.31
2.43
2.38
Bias (%)
-140.22
1.24
-143.00
Correlation coefficient
0.33
1.00
0.33
Percent Samples <10% RPD
50
81
37
Percent Samples <20% RPD
65
100
68
Ag
ndup pairs=
50
53
50
ndup pairs > 15x LLD
46
35
33
LLD (g/t)
0.2
0.3*
0.2
2
2
0.3*
Mean (g/t)
109.18
104.55
106.05
99.93
102.84
104.55
Maximum (g/t)
538
513
538
539
539
513
Minimum (g/t)
0.10
0.15
0.10
1.00
1.00
0.15
Std. dev.
134.96
129.25
131.76
125.29
128.37
129.25
CV
1.24
1.24
1.24
1.25
1.25
1.24
Bias (%)
4.24
5.77
-1.66
Correlation coefficient
1.00
0.97
0.96
Percent Samples <10% RPD
87
91
91
Percent Samples <20% RPD
98
97
97
Pb
ndup pairs=
50
53
50
ndup pairs > 15x LLD
48
51
48
LLD (%)
0.0002
0.0003*
0.0002
0.0002
0.0002
0.0003*
Mean (%)
1.41
1.38
1.35
1.36
1.41
1.38
Maximum (%)
16.65
16.20
16.65
15.67
15.67
16.20
Minimum (%)
0.0004
0.0003
0.0004
0.0007
0.0007
0.0003
Std. dev.
2.58
2.51
2.52
2.42
2.48
2.51
CV
5.49
5.78
1.86
1.78
1.76
1.82
Bias (%)
1.71
-0.42
2.05
Correlation coefficient
1.00
1.00
1.00
Percent Samples <10% RPD
94
90
85
Percent Samples <20% RPD
98
100
98
Zn
ndup pairs=
50
53
50
ndup pairs > 15x LLD
49
51
48
LLD (%)
0.0002
0.0001*
0.0002
0.0005
0.0005
0.0001*
Mean (%)
7.95
7.99
8.10
8.49
8.33
7.99
Maximum (%)
30.00
36.65
30.00
37.00
37.00
36.65
Minimum (%)
0.001
0.001
0.0013
0.0017
0.0017
0.001
Std. dev.
7.26
7.59
7.42
8.09
7.92
7.59
CV
0.91
0.95
0.92
0.95
0.95
0.95
Bias (%)
-0.48
-4.82
4.11
Correlation coefficient
0.99
0.99
0.99
Percent Samples <10% RPD
90
90
77
Percent Samples <20% RPD
98
98
98
Notes: *Certified values for the Bureau Veritas LLD were taken from the 2023 Bureau Veritas Geochemistry Fee Schedule. Source: Compiled by AMC from data provided by Fresnillo.
amcconsultants.com    94

Juanicipio Mineral Resource and Mineral Reserves NI 43-101 Technical Report
MAG Silver Corp.
0723032



Umpire sample analysis of channel samples
Fresnillo submitted 46 umpire samples to SGS in the channel sample stream between 1 June 2022 and 31 May 2023. Table 11.17 summarizes the umpire sample performance. The insertion rate for umpire samples in the channel sample stream is 3.1%, which is below the industry standard of 4 - 5% for umpire samples. When umpire pairs with concentrations <15x LLD are removed, the remaining umpire pairs that can be used for QAQC analysis account for an insertion rate of only
2.6 - 3.0% depending on the analyte.
The performance of the umpire pairs varies depending on the analyte, but results are good overall, with 84 – 91% of umpire pairs within 10% RPD for Ag, Pb, and Zn. The results for Ag (87.2%) and Zn (84.4%) fall just below the 90% threshold but are considered acceptable. The results for Au are poor, with only 56% of umpire pairs within 10% RPD. Given the good Au results for the ALS and SGS umpire pairs in the surface diamond drill core sample stream, it is unlikely that the poor performance of the channel sample umpire pairs is due to an analytical issue. There are also no obvious analytical errors visible on the scatter plots. It is more likely that the poor reproducibility of Au results between the two labs is due to the higher grade of samples submitted from the channel sample stream. The mean Au concentrations for ALS and SGS in the channel sample stream are
8.94 g/t and 9.03 g/t, respectively, whereas the mean concentrations in the surface diamond drill core sample stream are 0.16 g/t (ALS) and 0.15 g/t (SGS). It is also clear from the scatter plots that there is more variation between the ALS and SGS results at Au concentrations >2 g/t.
For the other analytes, there is slightly more variation between the measured concentrations returned from the primary and umpire labs at higher grades. This effect is more pronounced at
>1,000 g/t Ag, >2% Pb, and >2% Zn. The mean Ag and Zn concentrations of umpire samples in the channel sample stream are higher than umpire samples in the surface diamond drill core sample stream, which likely contributed to the slightly lower reproducibility of umpire samples in the channel sample stream.
Table 11.17 Summary of umpire sample results of the channel sample stream

Au (g/t)
Ag (g/t)
Pb (%)
Zn (%)
ALS
(pri. lab)
SGS
(ump. lab)
ALS
(pri. lab)
SGS
(ump. lab)
ALS
(pri. lab)
SGS
(ump. lab)
ALS
(pri. lab)
SGS
(ump. lab)
ndup pairs=
46
46
46
46
ndup pairs > 15x LLD
39
39
45
45
LLD
0.005
0.005
0.2
2
0.0002
0.0002
0.0002
0.0005
Mean
8.94
9.03
1894.80
1952.09
1.52
1.54
1.88
1.92
Maximum
265.00
262.50
7600.00
7693.38
14.75
16.10
12.10
11.70
Minimum
0.014
0.014
7.4
7.0
0.0009
0.0008
0.0041
0.0043
Std. dev.
39.18
38.81
2416.02
2215.76
2.69
2.82
2.24
2.27
CV
5.36
5.32
1.13
1.14
1.78
1.83
1.19
1.18
Bias (%)
-1.03
-3.02
-1.55
-2.21
Correlation coefficient
1.00
1.00
1.00
1.00
Percent Samples >10% RPD
56
87
91
84
Percent Samples >20% RPD
85
97
98
98
Source: Compiled by AMC from data provided by Fresnillo.
amcconsultants.com    95

Juanicipio Mineral Resource and Mineral Reserves NI 43-101 Technical Report
MAG Silver Corp.
0723032



11.3.4.3Discussion on umpire samples (2007 – 2022 programs)
Fresnillo has included umpire samples with sample submissions in previous work programs. Umpire samples have not consistently been used for all years, and as discussed above results are only available for 2012 – 2019 A detailed review of umpire sample results from 2012 – 2019 was completed with internal documents and data provided by Fresnillo, and a summary of the key findings is presented below:
The industry standard for umpire sample insertion rates is 4 – 5%, and the insertion rates for umpire duplicates from 2012 – 2019 varied from 1 – 43%.
There is poor precision for gold, with all comparisons indicating poor reproducibility between umpire duplicate samples.
The primary laboratory consistently under-estimated gold grades when compared to the umpire laboratories.
The primary laboratory consistently over-estimated silver; however, this appears to be in the range of 2 – 4 % and is not considered material.
The comparison with ALS and IPL is poor and should be disregarded.
Generally, silver, lead and zinc show acceptable precision, with the performance being consistent over time and generally improving with each year.
11.3.4.4Comments on umpire samples
An umpire sample program was implemented to assess the accuracy of the primary laboratory (ALS), with results compared to analyses by SGS and Bureau Veritas for the surface diamond drill core sample stream and by SGS for the channel sample stream. No umpire samples were submitted with the mine diamond drill core sample stream.
The umpire samples submitted to SGS performed well for most analytes, with >90% of umpire pairs within 10% RPD for Ag, Pb, and Zn in the surface diamond drill core sample stream (Table 11.15) and 84 – 91% of umpire pairs within 10% RPD for Ag, Pb, and Zn in the channel sample stream (Table 11.17). In the surface diamond drill core sample stream, 81% of umpire pairs are within 10% RPD for Au, which is below the expected threshold but considered to be acceptable given the good performance of the other analytes and the heterogeneity of Au in mineralized zones. In the channel sample stream, the results for Au are poor, with only 56% of umpire pairs within 10% RPD. This is interpreted to be the result of significantly higher-grade umpire samples submitted in the channel sample stream than in the surface diamond drill core sample stream.
The umpire samples submitted to Bureau Veritas performed well for most analytes, but the results for Au were poor, and there appears to be an analytical error. These results indicate a high level of accuracy for ALS as the primary laboratory and suggest that SGS is a more appropriate umpire laboratory than Bureau Veritas.
11.3.5QAQC recommendations
Fresnillo has recently implemented a QAQC program that combines key elements to monitor accuracy, precision, and sample contamination during sample preparation and analysis. The QP makes the following recommendations for future QAQC programs:
General QAQC
Increase insertion rates for all QAQC sample types as necessary to meet industry standards and develop a procedure to ensure that QAQC samples are included in each batch of samples submitted to the laboratory.
Create a standard operating procedure (SOP) that outlines the actions to be taken for QAQC failures.
amcconsultants.com    96

Juanicipio Mineral Resource and Mineral Reserves NI 43-101 Technical Report
MAG Silver Corp.
0723032



Establish a ‘table of failures’ that documents warnings, failures, and remedial actions
taken for all QAQC sample types.
Standard reference materials
Insert additional SRMs to cover a wider range of grades. For each economic metal, the QP recommends the use of SRMs with values at the approximate cut-off grade of the deposit, at the approximate expected grade of the deposit, and at a higher grade. The current suite of SRMs used at Juanicipio do not cover the approximate expected Au, Ag, or Zn grades, and an SRM with a Zn grade higher than the approximate expected grade of the deposit is not used. Additional SRMs should be used that cover these values.
Plot SRM data over time to check for potential bias and instrumental drift.
Review SRM results using control charts as well as on a batch-by-batch basis. Re-assay sample batches where the SRM value is greater than three standard deviations from the expected value declared on the assay certificate. Investigate sample batches containing consecutive SRMs with results outside of two standard deviations of the expected value.
Ensure that insertion rates for SRM samples meet industry standards (5 –6%).
Blank samples
Establish a protocol for the remedial action to be taken to address sample batches with failed blanks.
Adjust sampling procedures so that blank samples are included immediately after visible high-grade mineralization.
Consider adding coarse blank material to the QAQC sample suite. This would allow for better monitoring of contamination during sample preparation.
Consider inserting blank material that is certified for Ag, Pb, and Zn. Contamination is currently only monitored for Au, but it is important to monitor contamination for all analytes given their high grades.
Consider reducing the blank failure limit to 2x LLD.
Duplicate samples
Develop a procedure that allows for selection of the majority of duplicate samples from visibly mineralized zones that are likely to exceed 15x LLD.
Request detail on the pulp sub-sampling process to understand possible sampling errors.
Submit duplicate samples in the surface diamond drill sample stream. All QAQC sample types should be submitted for all sample streams to ensure that the data can be properly assessed.
Umpire samples
Include SRM and pulp blank samples with umpire sample submissions. Ensure that these SRM and blank samples are identified as umpire QAQC samples in the database so that they can be reviewed independently of other SRMs and blanks.
Submit umpire samples in the mine diamond drill sample stream.
All QAQC sample types should be submitted for all sample streams to ensure that the data can be properly assessed.
11.3.6Conclusions
The QP considers sample preparation and analytical and security protocols employed by Fresnillo to be acceptable. The QP has reviewed the QAQC procedures used by Fresnillo including certified reference materials, blank, duplicate and umpire data and has made some recommendations. The QP does not consider these to have a material impact on the Mineral Resource estimate and considers the assay database to be adequate for Mineral Resource estimation.
amcconsultants.com    97

Juanicipio Mineral Resource and Mineral Reserves NI 43-101 Technical Report
MAG Silver Corp.
0723032


12Data verification
12.1Site inspections
In accordance with NI 43-101 guidelines, QP Mr Paul Salmenmaki, P.Eng., Principal Mining Engineer with AMC, visited the Juanicipio property on 15 and 16 February 2024. The following site visit activities were undertaken:
Discussions with site staff regarding:
Survey procedures.
Mine planning procedures.
Geotech and ground support procedures.
Backfill procedures.
Ventilation procedures.
Mine maintenance procedures.
Geology procedures.
Inspection of the underground ground conditions.
Inspection of underground workings, stopes, and development.
Inspection of underground infrastructure, including main shop, pumps, ventilation fans, electrical power stations, crusher, twin declines and portals, conveyor ramp and portal, and communications systems.
Inspection of the mineral processing and TSF.
Inspection of surface offices, warehouses, security buildings, haul roads, power supply and backup, water supply, shotcrete plant, emergency response facilities, laboratory, and maintenance shops.
Inspection of core sheds and some recent drill core intersections from the property.
During the first day of the site visit, which was focused on the underground facilities and activities, Mr Paul Salmenmaki was guided by Mr Sergio Palomino Orenday, Fresnillo Technical Services Manager for the Juanicipio project. The second day consisted of a visit to the surface workings of the Juanicipio project in the morning, which was guided by Mr Roman Cruz Ortega, Processing Manager at Minera Juanicipio. In the afternoon, meetings were held with the Juanicipio Technical Services departments, including Geology, Geotech, Survey, Ventilation, Mine Planning, and Mine Maintenance, which were facilitated by Mr Sergio Palomino Orenday to discuss the Juanicipio operations and technical services.
During the site visit, the core storage facility was also inspected. In this facility, half cores are preserved in a good state within plastic boxes. SG measurements are taken with the help of an electronic scale located within this facility. The functionality of this scale and the measurement of the SG of core samples was demonstrated to the QP by Juanicipio Geology.
In the QP’s opinion, the site, building, equipment, and operations were observed to be clean, well
maintained and being operated in a safe and orderly manner.
12.2Assay verifications
Craig Stewart, QP, Senior Geologist with AMC, supervised a random cross-check of 3.7% of the assay database with original assay results for data collected from August 2005 to 31 May 2023. These dates correspond with the database used for the Mineral Resource.
amcconsultants.com    98

Juanicipio Mineral Resource and Mineral Reserves NI 43-101 Technical Report
MAG Silver Corp.
0723032



The verification comprised randomly selecting data from each assay program and comparing Au, Ag, Zn, Cu, Fe, and Pb assay results in the Mineral Resource database with analytical results on the original assay certificate.
The QP requested original certificates for a total of 55 drillholes (7,538 samples). Certificates could not be found for some of the older drilling. This impacted 175 samples. The remaining 7,363 samples were checked with minor issues noted. Rounding issues were ignored.
The QP does not consider the issues noted to have a material impact on Mineral Resource estimates. The QPs consider the assay database to be acceptable for Mineral Resource estimation.
amcconsultants.com    99

Juanicipio Mineral Resource and Mineral Reserves NI 43-101 Technical Report
MAG Silver Corp.
0723032


13Mineral processing and metallurgical testing
13.1Metallurgical testing
Metallurgical test work reporting to date has been reviewed by the QP, focusing on the most recent reports issued; these reports address: i) a flotation and milling test work program conducted during 2013, ii) further comminution testwork carried out in 2015, and iii) optimization testwork conducted in 2021 and 2022. The metallurgical test work reports consist of the following:
May 2008 Interim Report (Proyecto Juanicipio, 2008), which describes the initial tests on samples from the G, I+K, and M sections of the Valdecañas vein.
June 2009 Final Report (Proyecto Juanicipio, 2009), which describes additional tests from a more representative suite of samples from the G, H+I+J, K+L+M+N+O, and Q+R+S+T+U sections of the Valdecañas vein.
October 2013 - Proyecto Juanicipio 002-OT10-015-13 - Recovery of gold, silver, lead, and zinc.
May 2015 – Proyecto Juanicipio 002-OT10-015-13 - SAG and Ball-Milling Tests.
2022 – Resumen de investigacion metalúrgica 2021-22 (PowerPoint summary).
The May 2008 Interim Report included mineralogical characterization, basic Work Index determinations, and selective flotation tests for lead, zinc, and pyrite. The test work was carried out on an overall composite sample prepared from 79 individual samples obtained from 10 drillholes on the G, I, K, and M sections of the Valdecañas vein, as well as separate flotation test composites from sections G, I+K, and M. Mineralogical examinations indicated that the mineral matrix is mainly composed of quartz, pyrite, and calcite, with lead and zinc present as galena and sphalerite, respectively.
The most abundant silver species were sulphides and, in minor occurrences, native silver and electrum. The mineralogical texture was fine-grained for all the silver species, so it was necessary to grind to an 80% passing size (P80) of 40 microns (µm) to achieve an appropriate mineral liberation for the flotation process. Even with this relatively fine particle size, a significant amount of gold and a smaller proportion of silver were found in pyrite, with particle sizes at around 5 µm. This supported the initiative to also generate a pyrite concentrate to reduce the gold and silver deportment to tails.
The June 2009 Final Report was based on findings from the previous work and included additional test results on a representative suite of samples from more recent exploration. An overall composite was prepared from 190 m of mineralized intersections from 27 drillholes on sections G, H, I, J, K, L, M, N, O, P, Q, R, S, T, and U, and in addition, four composites from sections G, H+I+J, K+L+M+N+O, and Q+R+S+T+U were prepared and subjected to flotation tests to determine any metallurgical variability across the mineralized zones.
The October 2013 report was based on test work conducted on 136 samples obtained from 24 drillholes from the Valdecañas vein. The test work was again aimed at further building on the data developed during the previous two test programs. The following work was covered in this third test program:
Chemical analyses of head samples.
Mineralogical characterization.
Liberation studies of the mineral species at a P80 of 42 µm.
Selective flotation of lead, zinc, and pyrite in an open circuit under the operating conditions as defined in the first two stages of test work.
Locked cycle flotation tests.
Cyanidation test work of the pyrite concentrate.
amcconsultants.com    100

Juanicipio Mineral Resource and Mineral Reserves NI 43-101 Technical Report
MAG Silver Corp.
0723032



Determination of ball mill Work Indexes.
Determination of gravity recoverable gold and silver.
This 2013 program was carried out on samples considered more closely corresponding to likely production head grades, particularly in the first five years, and is considered in more detail below.
13.2Sample preparation
For the 2013 metallurgical test work, a single, 50 kilogram (kg) composite sample was made up from the available core samples. The following procedure was used to prepare the sample:
Mix each sample by passing it four times through a Jones sample splitter.
Obtain a weighted subsample based on thickness using a Jones sample splitter.
Collect all subsamples to form the general composite.
Grind to -20 mesh (0.85 mm equivalent).
Set 10 kg apart for Work Index determinations.
Homogenize and form lots of 1 kg using a rotary splitter.
Select a lot of 1 kg.
Pulverize at -200 nominal mesh (75 µm equivalent) for the head assay.
The remainder was used in flotation tests and to test gold and silver recoverable by gravimetry.
13.3Head assays
The average composition of the samples used for the 2013 metallurgical test work is shown in Table
13.1. These values compare reasonably well with the average grades of all the drill core samples used to make up the composite sample for the test work program.
Table 13.1    Metallurgical samples - head assay

Element
Unit
Grade
Au
g/t
1.90
Ag
g/t
549
Pb
%
2.14
Cd
%
0.04
Cu
%
0.09
Zn
%
4.63
Fe
%
8.90
Al
%
1.44
As
%
0.37
Ca
%
5.05
Si
%
22.78
C (Total)
%
1.32
S (Total)
%
5.77
Insoluble
%
57.58
amcconsultants.com    101

Juanicipio Mineral Resource and Mineral Reserves NI 43-101 Technical Report
MAG Silver Corp.
0723032



13.4Mineralogical characterization
13.4.1Mineral composition and species distribution
Table 13.2 shows the results of the 2013 mineral composition analysis and Table 13.3 shows the distribution by mineralogical species of gold, silver, lead, copper, zinc, and iron.
Table 13.2    Head sample - minerals composition

Minerals
Density (g/cm3)
Formula
Head grade (%)
Sphalerite
4.0
(Zn,Fe)S
9.34
Galena
7.4
PbS
2.34
Chalcopyrite
4.2
CuFeS2
0.18
Pyrite
5.0
FeS2
15.83
Pyrrhotite
4.6
Fe1-xS
1.08
Arsenopyrite
6.0
FeAsS
1.12
Gold electrum
12.2
Au2Ag
<0.001
Pyrargyrite
5.8
Ag3SbS3
0.05
Argentite
4.5
Ag2S
0.03
Freibergite
4.9
(Ag,Cu,Fe,Zn)12(Sb,As)4S13
0.03
Aguilarite
7.5
Ag4SeS
0.001
Native silver
10.5
Ag
0.001
Quartz
2.7
SiO2
47.69
Calcite
2.6
CaCO3
5.86
Orthoclase
2.8
KAlSi3O8
5.83
Iron oxides
5.5
FexOy
2.82
Wollastonite
3.4
CaSiO3
2.32
Chlorite
4.0
(AI,Mg,Fe)10(Si,AI)8O10
1.14
Ankerite
2.6
Ca(Mg,Fe)(C03)2
1.09
Fluorite
2.6
Ca5(PO4)3F
1.25
Muscovite
3.6
KAl2(Si3AI)O10(OH)2
0.51
Albite
3.0
NaAlSiO8
0.38
Andradite
2.7
Ca5Fe2(SiO4)3
0.36
Other
---
---
0.75

Lead and zinc are only present as galena and sphalerite, respectively. Gold was only detected as electrum (a naturally occurring alloy of gold and silver, with possible trace amounts of other metals) and the silver species were pyrargyrite, argentite, freibergite, aguilarite, and native silver. The gangue consisted mainly of quartz, calcite, orthoclase, iron oxides, wollastonite, fluorite, chlorite, ankerite, and smaller amounts of other silicates.
amcconsultants.com    102

Juanicipio Mineral Resource and Mineral Reserves NI 43-101 Technical Report
MAG Silver Corp.
0723032



Table 13.3    Elemental metal distribution by mineralogical species

Mineral
Weight %
Au (%)
Ag (%)
Pb (%)
Cu (%)
Zn (%)
Fe (%)
Galena
2.35








100
100

100
Sphalerite
9.34
6
Chalcopyrite
0.18
92
0.43
Pyrite
15.82
66.6
Pyrrhotite
1.08
5
Arsenopyrite
1.12
3
Gold electrum
<0.001
<0.05
0.01
Native silver
<0.01
2
19
Argentite
0.03
34
Freibergite
0.03
12
8
Pyrargyrite
0.05
50
Aguilarite
<0.01
2
Gangue
70
Total
100
100
100
100
100
100
100

13.4.2Mineral liberation
Mineral liberation studies indicated that:
At a P80 of 42 µm, the degree of liberation observed for various minerals was:
Galena – 86%
Sphalerite – 77%
Chalcopyrite – 64%
Pyrite – 87%
Pyrrhotite – 69%
Arsenopyrite – 85%
Liberation of silver species was around 62%
Liberation of non-sulphide gangue was 95%
The most important binary associations were:
Galena: 7% associated with gangue, 3% with sphalerite, and 2% with pyrite.
Sphalerite: 11% associated with gangue, 3% with galena, 3% with pyrite, and 3% with pyrrhotite.
Chalcopyrite: 16% associated with sphalerite, 5% with pyrite, 4% with gangue, and 3% with silver species.
Silver species: 11% associated with pyrite, 8% with sphalerite, 6% with gangue, and 5% with galena.
Gold was found as electrum particles, which were associated mainly with pyrite particles, both in the edges of particles and as inclusions in the particles.

13.5Flotation tests
For the 2013 test work, 17 sequential lead-zinc-pyrite flotation tests were conducted in open circuit configuration, using the composite sample. The tests were performed in accordance with the preferred reagent regime and flowchart established in previous experimental stages and with a grind P80 of 42 µm. The production of a pyrite concentrate was aimed at the recovery of finely disseminated gold and silver particles in the pyrite of the Juanicipio mineralization. The pyrite
amcconsultants.com    103

Juanicipio Mineral Resource and Mineral Reserves NI 43-101 Technical Report
MAG Silver Corp.
0723032



concentrate was subjected to cyanidation to evaluate gold and silver extractions. The presence of small quantities of native gold and silver particles also encouraged testing gravimetric separation of the gold and silver prior to the flotation circuit.
To take account of recycle streams, further locked cycle tests (LCTs) were conducted with the composite mineralization sample.
13.5.1Sequential open circuit flotation test work
Test work conditions selected were:
Lead flotation: Operate at pH 8 to 8.5 by adding zinc sulphate combined with sodium cyanide, sodium metabisulphite, lime, and sodium carbonate during grinding to depress sphalerite and pyrite, as well as to clean surfaces and promote the flotation of metallic gold and silver. Aerofloat 31 promoter was added because of the presence of native silver and electrum, with Aerophine A-3418 added as a gold-silver-lead collector to maintain selectivity against pyrite, pyrrhotite and sphalerite. The lead concentrate was cleaned three times. Lead tailings became zinc flotation feed.
Zinc flotation: Copper sulphate was added to activate sphalerite and Aerophine A-3418 as a collector at pH about 10.5 and the concentrate was cleaned four times. Zinc tailings became pyrite flotation feed.
Pyrite flotation: Ammonium potassium xanthate was dosed as a collector and the pyrite concentrate was cleaned twice.
Tests 1 to 5 were focused on selectively floating lead-zinc under operating conditions relatively similar to the previous test work programs in order to confirm results. The results of Tests 1 to 5 are shown in Table 13.4 to Table 13.7.
Table 13.4 Tests 1 to 5 - calculated head grades

Test No.
Au (g/t)
Ag (g/t)
Pb (%)
Zn (%)
Cu (%)
Fe (%)
1
1.9
533
2.09
4.54
0.09
9.90
2
2.0
532
2.03
4.44
0.08
9.40
3
1.8
542
2.07
4.58
0.08
9.40
4
2.0
543
2.14
4.57
0.11
9.30
5
2.0
543
2.14
4.61
0.10
9.80
Average
1.9
539
2.10
4.55
0.10
9.50

Table 13.5 Tests 1 to 5 - Pb concentrate grades and recoveries

Grade
Recovery
Test No.
P80
(µm)
%
weight
Au (g/t)
Ag (g/t)
Pb (%)
Zn (%)
Cu (%)
Fe (%)
Au (%)
Ag (%)
Pb (%)
Zn (%)
Cu (%)
Fe (%)
1
42
3.76
30.6
10,434
48.8
5.9
0.70
11.5
60.2
73.6
87.8
5.7
28.2
4.4
2
42
2.73
40.8
11,377
60.9
5.6
0.24
5.7
54.7
58.5
82.1
3.4
7.7
1.7
3
42
3.15
33.6
11,196
58.5
6.1
0.23
7.2
59.2
64.9
85.7
4.2
9.0
2.4
4
42
3.89
33.6
10,911
48.7
7.3
0.75
9.9
65.1
78.2
88.3
6.2
27.3
4.1
5
42
3.90
29.9
10,809
50.4
7.1
0.87
9.7
61.6
76.8
90.6
6.0
32.5
3.9
Average
3.49
33.7
10,945
53.5
6.4
0.56
8.8
60.1
70.4
86.9
5.1
20.9
3.3
amcconsultants.com    104

Juanicipio Mineral Resource and Mineral Reserves NI 43-101 Technical Report
MAG Silver Corp.
0723032


Table 13.6    Tests 1 to 5 - Zn concentrate grades and recoveries

Grade
Recovery
Test No.
P80
(µm)
%
Weight
Au (g/t)
Ag (g/t)
Pb (%)
Zn (%)
Cu (%)
Fe (%)
Au (%)
Ag (%)
Pb (%)
Zn (%)
Cu (%)
Fe (%)
1
42
6.65
1.3
400
0.34
49.4
0.43
12.9
4.5
5.0
1.1
72.4
30.6
8.6
2
42
7.27
1.6
591
0.50
49.8
0.42
11.3
5.5
8.1
1.8
81.5
36.3
8.7
3
42
7.91
1.2
562
0.50
49.6
0.45
12.0
5.1
8.2
1.9
85.6
43.1
10.1
4
42
7.54
1.3
394
0.39
50.4
0.44
12.0
4.8
5.5
1.4
83.2
31.3
9.8
5
42
7.56
1.5
499
0.36
50.8
0.50
11.8
5.9
6.9
1.2
83.3
35.7
9.1
Average
7.39
1.4
489
0.42
50.0
0.45
12.0
5.2
6.7
1.5
81.2
35.4
9.3

Table 13.7    Tests 1 to 5 - tails grades and recoveries

Grade
Recovery
Test No.
P80
(µm)
%
Weight
Au (g/t)
Ag (g/t)
Pb
%)
Zn (%)
Cu (%)
Fe (%)
Au (%)
Ag (%)
Pb (%)
Zn (%)
Cu (%)
Fe (%)
1
42
78.42
0.73
55
0.09
0.08
0.02
8.5
20.5
8.1
3.5
1.4
14.3
67.6
2
42
80.56
0.73
73
0.14
0.14
0.01
8.8
28.9
11.1
5.6
2.4
12.5
75.9
3
42
81.21
0.62
75
0.15
0.15
0.01
9.0
28.2
11.3
5.7
2.6
12.9
77.8
4
42
82.77
0.59
64
0.11
0.10
0.03
8.6
24.3
9.7
4.4
1.8
20.9
76.9
5
42
83.59
0.65
77
0.12
0.14
0.03
9.3
28.7
11.8
4.5
2.5
20.0
79.6
Average
81.31
0.66
69
0.12
0.12
0.02
8.9
26.1
10.4
4.7
2.1
16.1
75.6

Tests 6 and 13 included flotation of pyrite, while Tests 7 to 12 and 14 to 17 were performed to generate pyrite concentrate for cyanidation tests and were not reported separately. The results for Tests 6 and 13 are shown in Table 13.8 to Table 13.12.
Table 13.8 Tests 6 and 13 - calculated head grades

Test No.
Au (g/t)
Ag (g/t)
Pb (%)
Zn (%)
Cu (%)
Fe (%)
6
1.91
533
2.09
4.54
0.09
9.9
13
2.04
532
2.03
4.44
0.08
9.4
Average
1.97
532
2.06
4.49
0.09
9.6
Table 13.9 Tests 6 and 13 - Pb concentrate grades and recoveries

Grade
Recovery
Test No.
P80
(µm)
%
Weight
Au (g/t)
Ag (g/t)
Pb (%)
Zn (%)
Cu (%)
Fe (%)
Au (%)
Ag (%)
Pb (%)
Zn (%)
Cu (%)
Fe (%)
6
42
3.13
35.9
11,816
55.3
6.8
0.58
7.9
57.6
69.4
87.6
4.6
18.7
2.6
13
42
3.36
36.1
12,520
52.8
6.7
0.90
7.6
65.3
77.3
83.9
4.9
37.8
3.6
Average
3.25
36.0
12,168
54.1
6.7
0.74
7.7
61.5
73.4
85.8
4.7
28.2
3.1
Table 13.10 Tests 6 and 13 - Zn concentrate grades and recoveries

Grade
Recovery
Test No.
P80
(µm)
%
Weight
Au (g/t)
Ag (g/t)
Pb (%)
Zn (%)
Cu (%)
Fe (%)
Au (%)
Ag (%)
Pb (%)
Zn (%)
Cu (%)
Fe (%)
6
42
7.21
1.1
419
0.26
53.4
0.45
11.0
3.9
5.7
0.9
83.0
33.3
8.5
13
42
5.92
1.3
409
0.46
52.3
0.37
10.0
4.0
4.5
1.3
67.4
26.2
7.3
Average
6.57
1.2
414
0.36
52.8
0.41
10.5
4.0
5.1
1.1
75.2
29.8
7.9
amcconsultants.com    105

Juanicipio Mineral Resource and Mineral Reserves NI 43-101 Technical Report
MAG Silver Corp.
0723032


Table 13.11    Tests 6 and 13 - Pyrite concentrate grades and recoveries

GradeRecovery
Test No.
P80
(µm)
%
Weight
Au (g/t)
Ag (g/t)
Pb (%)
Zn (%)
Cu (%)
Fe (%)
Au (%)
Ag (%)
Pb (%)
Zn (%)
Cu (%)
Fe (%)
6
42
12.66
2.60
366
0.27
0.35
0.05
40.0
16.8
8.7
1.7
1.0
6.6
54.3
13
42
11.22
2.80
336
0.36
0.48
0.03
33.9
16.6
6.9
1.9
1.2
4.3
47.2
Average
11.94
2.70
351
0.31
0.41
0.04
36.9
16.7
7.8
1.8
1.1
5.4
50.7
Table 13.12    Tests 6 and 13 – Tails grades and recoveries

GradeRecovery
Test No.
P80
(µm)
%
Weight
Au (g/t)
Ag (g/t)
Pb (%)
Zn (%)
Cu (%)
Fe (%)
Au (%)
Ag (%)
Pb (%)
Zn (%)
Cu (%)
Fe (%)
6
42
68.20
0.16
10
0.07
0.05
0.01
2.9
5.6
1.3
2.5
0.8
8.4
21.2
13
42
69.31
0.16
12
0.10
0.07
0.07
3.1
6.0
1.5
3.1
1.0
7.5
26.3
Average
68.76
0.16
11
0.08
0.06
0.04
3.0
5.8
1.4
2.8
0.9
7.9
23.8

From the test results, it was considered feasible to achieve recoveries of around 65% of the gold in feed to the final lead concentrate, producing a gold grade of around 34 g/t. Similarly, it was considered viable to recover about 78% of the silver to the lead concentrate at a grade of around 11,000 g/t.
Lead recovery to the lead concentrate was just below 90%, with the lead grades at about 53%. Further efforts at optimization of the lead concentrate grade were seen as desirable, aimed at improving grades without impacting on recoveries. Generally, higher grades could demand higher premiums for the concentrate when sold to smelter operations for further processing.
Zinc recovery to the zinc concentrate was around 86%, with grades at about 50%. Typically, recovery was projected to decrease if grades were increased; however, further optimization of the grade vs. recovery equation was still seen as possible and was recommended to be further investigated.
The pyrite concentrate of Test 6 achieved a reasonable iron grade (40%), with 54% recovery of the iron, 17% gold recovery and 9% silver recovery were also significant at respective grades of 2.6 g/t and 366 g/t. During Test 13, gold, silver, and iron recoveries to the lead concentrate were higher, resulting in lower grades in the pyrite concentrate. This was seen to indicate that optimization of the lead flotation circuit could result in lower values reporting to the pyrite concentrate. This was recommended to be further investigated, as operation of the pyrite flotation circuit would impact both capital and operating costs.
13.5.2Locked cycle flotation test work
To evaluate the impact of recycle streams on the overall flotation grades and recoveries, a five-cycle locked cycle test was conducted, with the configuration of the flotation circuit shown in Figure 13.1.
Lead circuit:
Primary lead rougher flotation, with resulting concentrate going through three stages of cleaning and with the tails of each cleaner stage recycled to the preceding stage of the next cycle (e.g., Cleaner 2 Cycle 1 tails go to Cleaner 1 of Cycle 2).
Rougher tails to a secondary rougher or scavenger, with the concentrate recycled to the Primary Rougher stage of the following cycle, where it was combined with the feed of the next cycle.
amcconsultants.com    106

Juanicipio Mineral Resource and Mineral Reserves NI 43-101 Technical Report
MAG Silver Corp.
0723032



Zinc circuit:
Primary zinc rougher flotation, with the resulting concentrate going through four stages of cleaning and with tails of each cleaner stage recycled to the preceding stage of the next cycle (e.g., Cleaner 2 Cycle 1 tails go to Cleaner 1 of Cycle 2).
Rougher tails to a secondary rougher or scavenger, with the concentrate recycled to the Primary Rougher stage of the following cycle, where it was combined with the feed of the next cycle.

Pyrite circuit:
Primary pyrite rougher flotation, with the resulting concentrate going through two stages of cleaning and with the tails of each cleaner stage recycled to the preceding stage of the next cycle (e.g., Cleaner 2 Cycle 1 tails go to Cleaner 1 of Cycle 2).
Rougher tails to a secondary rougher or scavenger, with the concentrate recycled to the Primary Rougher stage of the following cycle, where it was combined with the feed of the next cycle.
Figure 13.1 Lead flotation locked cycle test work flowsheet
figure131.jpg
Source: Fresnillo, 2022.

The mass balance resulting from the locked cycle test work demonstrated the following:
It was possible to stabilize lead, zinc, and pyrite concentrate recoveries and grades with some adjustments to the reagents and operating regime. It was found that these were within the ranges expected for typical operations.
Gold and silver recoveries and grades also stabilized in the lead and pyrite concentrate. However, significant losses to tails were still recorded due to the presence of fine gold and silver-bearing particles. It was observed that these particles appear to concentrate in the
amcconsultants.com    107

Juanicipio Mineral Resource and Mineral Reserves NI 43-101 Technical Report
MAG Silver Corp.
0723032



scavenger circuit after several cycles before being rejected into tails. In the mass balance, it was observed that the last cycles recorded the highest gold and silver assays.
Calculated head grades were very close to the analyzed values.
The metallurgical mass balance for the flotation circuit is shown in Table 13.13.
Table 13.13    Flotation circuit metallurgical balance

Product
%
weight
Grades
Distribution
Au (g/t)
Ag (g/t)
Pb (%)
Zn (%)
Cu (%)
Fe (%)
Insols (%)
Au (%)
Ag (%)
Pb (%)
Zn (%)
Cu (%)
Fe (%)
Insols (%)
Pb concentrate
4.02
30.68
11,156
49.4
6.1
0.8
9.5
4.9
65.2
80.1
92.8
5.3
38.4
4.3
0.4
Zn concentrate
8.24
1.14
459
0.4
50.5
0.4
10.9
1.5
4.9
6.8
1.5
89.8
43.9
10.1
0.2
Pyrite concentrate
14.80
2.83
376
0.3
1.0
0.0
35.0
6.5
22.1
9.9
1.9
3.0
7.3
58.1
1.7
Tails
72.94
0.20
24
0.1
0.1
0.0
3.4
73.6
7.8
3.2
3.8
1.9
10.4
27.5
97.7
Calculated head grade
100
1.89
560
2.14
4.63
0.08
8.9
55
100
100
100
100
100
100
100
Head assays
1.9
549
2.14
4.63
0.09
8.9
57.6

The following observations were made:
Concentrate grades were aligned to the test results achieved during the open circuit tests.
Gold recovery to the lead concentrate was 65.2%.
Silver, lead, and copper recoveries to lead concentrate were 80.1%, 92.8%, and 38.4%, respectively.
Gold, silver, copper, and zinc recoveries to the zinc concentrate were 4.9%, 6.8%, 43.9%, and 89.8%, respectively.
Gold, silver, and iron recoveries to pyrite concentrate were 22.1%, 9.9%, and 58.1%, respectively.
Metal grades observed in the final tails stream were 0.2 g/t gold, 24 g/t silver, 0.11% lead, 0.01% copper, and 0.11% zinc.
13.6Cyanidation of pyrite concentrate
As the previous test work programs had indicated significant recovery of both gold and silver to a pyrite concentrate, cyanidation test work was undertaken during this program to confirm recovery of gold and silver from the concentrate. Tests were conducted over 120 hours with the cyanide concentration monitored and controlled at 5 grams per litre (g/l) and the pH of the leach slurry adjusted with lime to between 10.5 and 12.0.
The test results indicated the following:
Cyanidation without regrind: 16% of the gold and 47% of the silver were recovered. Copper, zinc, and iron recoveries were around 62%, 34%, and 0.1%, respectively, which may have indicated an excess of cyanide. Cyanide and lime consumption were 9 kg/t and 7 kg/t, respectively.
Cyanidation with regrind P80 of 5 µm and 72 hours of agitation: Recoveries averaged 51% for gold and 79% for silver. Copper, zinc, and iron recoveries increased to 72%, 42%, and 0.3%, with the consumption of cyanide and lime at around 17 kg/t and 16 kg/t, respectively.
Cyanidation with regrind P80 of 5 µm and 120 hours of agitation: Average recoveries increased slightly to 53% for gold and 81% for silver. The copper and zinc recoveries also increased slightly to 73% and 45%, respectively, and the iron recovery remained unchanged. The consumption of cyanide and lime was 16 kg/t and 32 kg/t, respectively.
amcconsultants.com    108

Juanicipio Mineral Resource and Mineral Reserves NI 43-101 Technical Report
MAG Silver Corp.
0723032



On average, gold and silver recoveries with a regrind of the concentrate to P80 of 5 µm were 52% for gold and 80% for silver, and tails contained an average of 1.28 g/t gold and 73 g/t silver, with the best recoveries achieved after 120 hours of agitated cyanide leaching.

13.7Gravity recoverable gold and silver
Preliminary tests were carried out to determine if some of the gold and silver was recoverable by gravity with P80 particle sizes of 89 µm, 65 µm, and 42 µm. A laboratory scale Knelson concentrator was used during this test work, requiring a 1 kg head sample. A summary of results is shown in Table 13.14.
Table 13.14 Gravity recoverable gold and silver test results


Test No.


P80
(µm)
Knelson concentrate
Knelson tails
Calculated head
Recovery to conc.
Tails distribution
%
weight
Au (g/t)
Ag (g/t)
Au (g/t)
Ag (g/t)
Au (g/t)
Ag (g/t)
Au (%)
Ag (%)
Au (%)
Ag (%)
1
42
5.0
17.0
2,799
1.5
462
2.2
580
37.0
24
63.0
76
2
65
9.3
6.6
2,040
1.1
411
1.6
562
38.0
34
62.0
66
3
89
8.2
6.1
1,970
1.3
452
1.7
577
30.0
28
70.0
72

It was observed that the best gold and silver concentrate grades were obtained at a finer grind, reaching 17 g/t for gold and 2,799 g/t for silver.
The results confirmed the presence of metallic gold and silver and indicated that there was good potential to recover both gold and silver by gravity. The potential benefit of a gravity circuit would be impacted by the efficiency of the flotation circuit, as well as the size and quantity of gold and silver particles.
More extensive test work on a fully integrated circuit was recommended to be conducted to enable a final evaluation of the benefits of a gravity circuit. Such work was seen as potentially improving the project economics due to improved payment terms if a gold and silver concentrate could be produced and sold, or alternatively, a separate leach and precious metal recovery circuit could be installed to produce doré bar. If successful, the benefit of a pyrite flotation circuit was seen as likely to also be reduced, which could lead to capital cost savings as well as a reduction in ongoing operating costs.
13.8Comminution test results (2015)
The results of the SAG and ball-milling tests carried out in 2015 are summarized in Table 13.15. Table 13.15    SAG and ball mill comminution data
Sample
A*b
Abrasion resistance
BWI (kWh/t)
R1
48.8
0.40
19.3
R2
42.4
0.41
21.1
R4
54.1
0.54
15.3
R5
55.8
0.36
18.3
R6-2
56.8
0.41
18.3
R7
47.6
0.55
18.3
Average
50.9
0.45
18.4
Maximum
56.8
0.55
21.1
Minimum
42.4
0.36
15.3

amcconsultants.com    109

Juanicipio Mineral Resource and Mineral Reserves NI 43-101 Technical Report
MAG Silver Corp.
0723032


Samples R2, R4, R6-2, and R7 were distributed along strike in the upper part of the Mineral Resources, whereas samples R1 and R5 represented the deeper zones. Grouping these into two data sets showed there to be no significant variability in hardness with depth.
The A*b data derived from the JK Drop-Weight test for SAG milling indicated that the mineralization was of medium competence (competence increases with lower A*b). The ball mill Work Index data (BWI), however, showed the mineralization to be hard in comparison with the industry database. Abrasion resistance was classified as medium. Comparing these results with previous BWI data showed very little change.
13.9Optimization testwork program 2021 and 2022
The main areas covered in this program are listed below, along with the key outcomes:
Pyrite Flotation and Cyanide Leaching:
Pyrite flotation tests and pyrite concentrate leaching tests were carried out on samples with slightly different original head grades and significantly different deportments of Au and Ag across the products. Notwithstanding this, global deportments of Au and Ag to concentrate were very similar at around 92% Au and 96% Ag. Leaching extractions were only 32% for Au and 72% for Ag.
Optimization of zinc depressants, i.e., zinc sulphate / cyanide dosage and techno-economic comparison with Deprezinc:
Reducing the dosage of zinc sulphate from 500 g/t to 250 g/t showed no statistically significant difference in performance and, therefore, 250 g/t was the recommended dosage.
Zinc sulphate and the Peñoles Deprezinc also showed no statistically significant difference in performance, but there was a significant difference in reagent costs in favour of zinc sulphate.
Comparison of standard testwork regimes for Juanicipio mineralization versus mineralization from the (Fresnillo) Fresnillo and Saucito mines:
For Juanicipio versus Fresnillo the metallurgical performance differences appeared to fit within a similar grade-recovery curve whereas, in the comparison with Saucito, the Juanicipio regime showed absolute improvements in both grade and recovery.
Some sensitivity to grind size and effects of liberation on concentrate grade were also observed.
Evaluation of low-grade mineralization treatment:
With low-grade material, a similar sensitivity of concentrate grade to grind size was observed.
Testwork on high-grade material for the purposes of mineral characterization:
The main value contribution was seen to come from the gold and silver recovery to the lead concentrate.
A bulk sample was taken for grinding at Saucito with subsequent flotation testwork at Centro de Investigacion y Desarollo Tecnologico (Centre of Investigations and Technological Development) and a testwork program of 10 weeks was conducted to confirm grinding and flotation performance, complemented with mineralogical analysis.
Evaluation of flocculants:
The flocculant AN923SH was found to be the best performer with respect to setting velocity and supernatant clarity.
amcconsultants.com    110

Juanicipio Mineral Resource and Mineral Reserves NI 43-101 Technical Report
MAG Silver Corp.
0723032


14Mineral Resource estimates
14.1Introduction
The Mineral Resources for the Juanicipio deposit have been prepared by Mr Gerardo Elly Merino Angel, Resource Geologist of Fresnillo Operations S.A. Mr John Morton Shannon, P.Geo. reviewed the methodologies and data used to prepare the resource estimates and was satisfied that they comply with reasonable industry practice. Mr John Morton Shannon takes responsibility for these estimates.
This estimate is dated 31 May 2023 and supersedes the previous estimate outlined in the 2017 AMC Technical Report. The previous estimate had an effective date of 21 October 2017, and included drilling up to December 2016.
The data used in the current estimate includes results of all drilling carried out on the Property up to 31 May 2023. Depletion by mining is also up to that date. The database consists of 488 surface and underground diamond drillholes and 972 channel samples.
Mineralization is hosted in six veins. Each has been wireframed separately. Estimates were done separately on each of the six veins resulting in six block models.
Leapfrog Geo was used to construct the geological domains and to prepare assay data for geostatistical analysis. Leapfrog EDGE version 4.0.5 was used for geostatistical analysis and variography. Datamine RM was used to construct the block model, estimate metal grades, and report out Mineral Resources. Grade interpolation for Au, Ag, Pb, Zn, and Fe were carried out using Ordinary Kriging (OK) for the Valdecañas, Ramal 1, Anticipada, Pre-Anticipada and Juanicipio veins. For the Venadas vein inverse distance cubed (ID3) was chosen as the interpolation method. The bulk density was estimated into the block model using ID3 for all veins.
The current estimate is summarized in Table 14.1, and expanded in Table 14.16. Table 14.1 Juanicipio Mineral Resources at 31 May 2023

Resource category
Cut-off grade
Quantity
Grade
Contained metal
Tonnes (kt)
Au (g/t)
Ag (g/t)
Pb (%)
Zn (%)
Au (koz)
Ag (koz)
Pb (kt)
Zn (kt)
Measured


209 g/t Ag Eq
1,441
2.19
780
1.42
2.70
102
36,130
20
39
Indicated
15,555
1.83
266
3.03
5.56
916
133,039
472
865
Measured & Indicated
16,996
1.86
310
2.89
5.32
1,017
169,169
492
904
Inferred
14,051
1.06
236
2.41
6.12
480
106,676
339
860
Notes:
CIM Definition Standards (2014) were used for reporting.
Mineral Resources are reported inclusive of Mineral Reserves.
Mineral Resources are reported at or above a cut-off grade of 209 g/t silver equivalent (AgEq), equivalent to $96.9 net smelter return (NSR). While a 3 m minimum width is applied and blocks above the cut-off grade are largely contiguous, mineable shapes have not been defined, which may result in the tonnes of underground Mineral Resources being slightly exaggerated.
Mineral Resources are reported at values based on metal price assumptions, metallurgical recovery assumptions, mining costs, processing costs, general and administrative (G&A) costs, & variable smelting and transportation costs.
Metal price assumptions considered for the calculation of metal equivalent values are gold (US$1,450.00/oz), silver (US$20.00/oz), lead (US$0.90/lb), and zinc (US$1.15/lb).
Assumed metal recoveries of 75.84%, 87.06%, 86.33% and 74.48% for Au, Ag, Pb, and Zn, respectively, and on NSR factors of US$30.71/g Au, US$0.46/g Ag, US$15.01/% Pb and US$11.36/% Zn.
Mineral Resources are reported on a 100% basis. The MAG share is 44%.
Totals may not compute exactly due to rounding.
The Mineral Resources were estimated by Fresnillo. John Morton Shannon, P.Geo. (EGBC #32865) has reviewed the Mineral Resources and takes QP responsibility.
Source: AMC based on Fresnillo data, 2023.
amcconsultants.com    111

Juanicipio Mineral Resource and Mineral Reserves NI 43-101 Technical Report
MAG Silver Corp.
0723032



The QP is not aware of any known environmental, permitting, legal, title, taxation, socioeconomic, marketing, political, or other similar factors that could materially affect the stated Mineral Resource estimates. This part of Mexico is regarded as a good jurisdiction to operate in with a solid framework addressing the factors mentioned above.
Fresnillo has been working in the region for decades and operate an additional two major mining operations at Fresnillo and Saucito and is aware of any local aspects of operating in the district.
14.2Data used
14.2.1Drillhole database
The Mineral Resource estimation is supported by a single database that contains the results of both diamond drill core from surface, underground drilling, and data from underground channel sampling. The data used for estimation of the Juanicipio deposit consists of 336 surface drillholes, 152 underground drillholes with average lengths of 1,016 m and 195 m respectively, in addition to 972 channels. This data has been acquired from 2006 to present. The drillholes are typically drilled in fans from both surface and underground as shown in plan view in Figure 14.1. Most of the drillholes intersect the mineralization at oblique angles, resulting in core lengths less than the true widths, but all attempts are made to drill as close to a normal intersection as possible. All drillhole collars are located in x, y, z coordinates by the mine surveyors in a truncated Universal Transverse Mercator (UTM) grid and elevation above mean sea level (amsl). Viewing the drillholes in three-dimensional (3D) space shows an average spacing of approximately 50 m to 100 m between pierce intersections of the plane of the mineralization. The data used in the estimate is shown in Table 14.2.
Table 14.2 Data used in estimate by type

Data type
Number of holes / channels
Number of samples
Meterage
Surface
336
52,700
341,505
Underground
152
11,181
29,735
Channel
972
4,537
4,677
Total
1,460
68,418
375,917
Source: AMC based on Fresnillo data, 2023.

In addition to the drillholes listed in Table 14.2, there were six holes drilled for metallurgical purposes and 17 others which had poor core recovery. Data from these 23 holes were used in the geological interpretation only and not in reviewing the statistics or in the estimate.
A high-level audit of the database was done to check for: invalid x, y collar locations or elevations with respect to surface topography; errors in downhole surveys shown by drastic dip changes; overlapping intervals in lithology or sampling; and errors in assays shown by negative or excessive values. No inconsistencies were identified during checking the drillholes in 3D.
Checking the collar locations of the surface drillholes against the Digital Terrain Model (DTM) of the topography surface showed some differences in elevation. About 15% of collars have a difference greater than 1 m. The maximum difference reached 3.33 m for 5 drillholes out of 336 surface drillholes. Note that the provided DTM was built based on 5 m contours, therefore, the differences discovered are not material.
The data is collected and stored in Fusion’s DHLogger system into which are built several “locks” to control anomalous values, which are then investigated. The data is ultimately held in a master server where only the database administrator can make changes.
amcconsultants.com    112

Juanicipio Mineral Resource and Mineral Reserves NI 43-101 Technical Report
MAG Silver Corp.
0723032



Figure 14.1 shows a drillholes location plan map with a set of sections lines shown over the Valdecañas structure.
Figure 14.1 Juanicipio drillhole location plan
figure141.jpg
Source: Fresnillo, 2023.

14.2.2Bulk density
Fresnillo has performed bulk density measurements on the core drilled on the Property. The collection of bulk density measurements is described in Section 11.3. A total of 37,189 bulk density measurements were related to drillholes informing the Mineral Resource Estimate.
The bulk density was estimated into the block model using ID3. Because of the limited search radii, some blocks were un-estimated. Any un-estimated blocks were assigned the average bulk density for that vein. Table 14.3 lists the average estimated bulk density for each vein as well as the average values that were assigned to un-estimated blocks.
amcconsultants.com    113

Juanicipio Mineral Resource and Mineral Reserves NI 43-101 Technical Report
MAG Silver Corp.
0723032



Table 14.3 Average bulk densities by vein

Vein number
Vein
Raw data average
Estimated average
Assigned average
Bulk density (t/m3)
Bulk density (t/m3)
Bulk density (t/m3)
100
Valdecañas
2.91
2.92
2.91
101
Ramal 1
2.85
2.86
2.85
103
Venadas
2.59
2.66
2.74
104
Anticipada
2.93
2.75
2.92
106
Pre-Anticipada
2.71
2.77
2.71
300
Juanicipio
2.93
2.94
3.00
Source: AMC based on Fresnillo data, 2023.

14.3Geology and vein modelling
The Juanicipio deposit consists of six veins making up the two main vein systems that lie in the north-eastern part of the concession. The two main veins are the Valdecañas vein and the Juanicipio vein, which are significant silver-gold epithermal structures. In addition to the Valdecañas vein, the Valdecañas vein system includes four additional veins: Ramal 1, Anticipada, Pre-Anticipada and Venadas. The single Juanicipio vein is situated about 800 m south-east from the Valdecañas vein. Both systems strike east-southeast with an average dip of about 55° south-west. The more recently discovered sub-vertical Venadas vein crosses the Valdecañas vein near perpendicularly and is one of a family of veins, three in total discovered to date, that are in this orientation.
Six separate mineralization domains were built by Fresnillo geologists using implicit modelling using the vein coding assigned to each vein intercept, vertical cross sections, and underground geological mapping. These domains are shown in Figure 14.2.
amcconsultants.com    114

Juanicipio Mineral Resource and Mineral Reserves NI 43-101 Technical Report
MAG Silver Corp.
0723032



Figure 14.2 Plan view of the mineralization domains at the Juanicipio project
figure142.jpg
Source: AMC based on Fresnillo data, 2023.

14.4Statistics of selecting samples, capped samples, and composites
The composite file and capped samples file provided by Fresnillo were validated. The following tables show the statistics by attribute for each vein, or domain. Table 14.4 shows the statistics for the raw samples selected within the vein wireframes.
amcconsultants.com    115

Juanicipio Mineral Resource and Mineral Reserves NI 43-101 Technical Report
MAG Silver Corp.
0723032


Table 14.4    Statistics of raw samples

Vein
Element
Number of samples
Minimum
Maximum
Mean
Stand. dev.
Coeff. var.
Vein Valdecañas
100
SG
2,619
1.88
4.85
2.91
0.32
0.11
100
AU
6,147
0.001
262.50
1.97
6.67
3.39
100
AG
6,147
0.10
27,411
591
1,389
2.35
100
PB
6,147
0.0001
48.91
1.42
3.01
2.12
100
ZN
6,147
0.0003
30.00
2.91
4.46
1.53
100
FE
6,136
0.05
44.89
6.65
4.37
0.66
Vein Ramal 1
101
SG
494
2.15
4.52
2.86
0.26
0.09
101
AU
551
0.001
17.65
0.59
1.67
2.86
101
AG
551
0.10
8,880
252
805
3.19
101
PB
551
0.0001
14.75
1.07
2.13
1.99
101
ZN
551
0.0005
30.00
2.95
4.49
1.52
101
FE
551
0.32
17.60
4.97
3.15
0.63
Vein Venadas
103
SG
93
2.36
3.60
2.59
0.13
0.05
103
AU
171
0.0025
28.72
2.16
3.96
1.83
103
AG
171
0.30
2,820
377
494
1.31
103
PB
171
0.0004
4.65
0.04
0.36
9.74
103
ZN
171
0.0009
4.23
0.05
0.33
7.05
103
FE
171
0.43
6.64
1.77
1.07
0.60
Vein Anticipada
104
SG
554
1.91
4.49
2.93
0.38
0.13
104
AU
553
0.001
19.85
1.05
2.20
2.10
104
AG
553
0.001
5,390.00
194
444
2.29
104
PB
553
0.0003
17.95
2.28
3.31
1.45
104
ZN
553
0.0008
30.00
5.93
7.05
1.19
104
FE
553
0.46
27.50
7.71
4.94
0.64
Vein Pre-Anticipada
106
SG
71
2.12
3.98
2.71
0.25
0.09
106
AU
72
0.01
13.55
0.92
1.98
2.15
106
AG
72
2
2,429
336
531
1.58
106
PB
72
0.0002
2.43
0.42
0.60
1.44
106
ZN
72
0.0005
11.30
1.07
1.84
1.72
106
FE
71
0.69
14.30
4.51
2.99
0.66
Vein Juanicipio
300
SG
26
2.27
3.76
2.99
0.35
0.12
300
AU
27
0.018
15.45
1.36
2.77
2.04
300
AG
27
2.4
4,370
819
1,359
1.66
300
PB
27
0.0015
10.50
1.46
1.82
1.25
300
ZN
27
0.014
11.25
3.44
3.32
0.97
300
FE
27
1.76
19.40
7.43
4.83
0.65
Note: Stand. dev.= Standard deviation; Coeff. var.= Coefficient of variation; SG= specific gravity which is equivalent to bulk density for these rocks.
Source: Compiled by AMC from data provided by Fresnillo, 2023.
amcconsultants.com    116

Juanicipio Mineral Resource and Mineral Reserves NI 43-101 Technical Report
MAG Silver Corp.
0723032


Capping was applied on the raw samples prior to compositing. The top cut values were selected based on log probability charts and decile analysis and applied to each vein. Statistics for five elements and density (SG) data were compared with those generated by Fresnillo. Table 14.5 shows the number of capped samples and difference of mean values in percent in addition to the statistics of the capped samples.
Table 14.5 Statistics of capped samples


Vein

Element
Number of samples

Minimum
Maximum (capped value in italics)

Mean
Stand. dev.
Coeff. var.
Number of capped samples
Vein Valdecañas
100
SG
6,147
1.88
4
2.91
0.2
0.07
17
100
AU
6,147
0.001
23
1.75
3.26
1.87
42
100
AG
6,147
0.1
8,000
564.02
1,124
1.99
38
100
PB
6,147
0.001
25
1.41
2.86
2.03
11
100
ZN
6,147
0.001
25
2.89
4.38
1.51
28
100
FE
6,136
0.05
44.89
6.65
4.37
0.66
0
Vein Ramal 1
101
SG
551
2.15
4
2.86
0.24
0.08
1
101
AU
551
0.001
15
0.57
1.56
2.72
2
101
AG
551
0.1
3,000
205.77
484
2.35
10
101
PB
551
0.001
10
1.04
1.98
1.9
7
101
ZN
551
0.001
20
2.9
4.27
1.47
6
101
FE
551
0.32
17.6
4.97
3.15
0.63
0
Vein Venadas
103
SG
171
2.36
3.6
2.72
0.19
0.07
0
103
AU
171
0.0025
12
1.92
2.86
1.49
8
103
AG
171
0.3
1,350
347.71
394
1.13
8
103
PB
171
0.001
0.4
0.01
0.05
4.06
1
103
ZN
171
0.001
0.6
0.03
0.07
2.97
1
103
FE
171
0.43
6.64
1.77
1.07
0.6
0
Vein Anticipada
104
SG
554
1.91
4
2.93
0.37
0.13
5
104
AU
554
0.001
14
1.01
1.97
1.95
4
104
AG
554
0.001
1,800
172.45
290
1.68
6
104
PB
554
0.001
16.5
2.25
3.25
1.45
6
104
ZN
554
0.001
25
5.78
6.7
1.16
18
104
FE
553
0.46
27.5
7.71
4.94
0.64
0
Vein Pre-Anticipada
106
SG
74
2.12
3.98
2.72
0.25
0.09
0
106
AU
74
0.001
5
0.71
0.93
1.3
1
106
AG
74
0.001
1,300
277.76
383
1.38
6
106
PB
74
0.001
1.5
0.37
0.5
1.37
6
106
ZN
74
0.001
5
0.95
1.46
1.55
2
106
FE
71
0.69
14.3
4.51
2.99
0.66
0
amcconsultants.com    117

Juanicipio Mineral Resource and Mineral Reserves NI 43-101 Technical Report
MAG Silver Corp.
0723032



Vein

Element
Number of samples

Minimum
Maximum (capped value in italics)

Mean
Stand. dev.
Coeff. var.
Number of capped samples
Vein Juanicipio
300
SG
27
2.27
3.76
2.99
0.35
0.12
0
300
AU
27
0.018
5.5
1.03
1.25
1.21
1
300
AG
27
2.4
2,250
572.79
794
1.39
4
300
PB
27
0.0015
5.5
1.33
1.26
0.94
1
300
ZN
27
0.014
6.5
2.94
2.4
0.82
4
300
FE
27
1.76
19.4
7.43
4.83
0.65
0
Note: Stand. dev.= Standard deviation; Coeff. var.= Coefficient of variation; SG= specific gravity which is equivalent to bulk density for these rocks.
Source: Compiled by AMC from data provided by Fresnillo, 2023.

Compositing was performed after capping. Before compositing, samples with absent grades are assigned with a value of 0.001 for all five elements. Upon analysis of sample length histograms for each vein, a composite length of 1.20 m was chosen for all veins. Composites were made using an option in Datamine of variable lengths that equally adjusts the length of each composite to incorporate any small residuals. The total number of samples decreased from 7,524 to 6,240 after compositing. Samples without bulk density values were assigned the average bulk density of the domain.
Table 14.6 shows the statistics of the bulk density and the 5 elements estimated for each vein. Table 14.6 Statistics of composite data
Vein
Element
Number of samples
Minimum
Maximum
Mean
Stand. dev.
Coeff. var.
Vein Valdecañas
100
SG
5,127
1.88
4.00
2.91
0.18
0.06
100
AU
5,127
0.001
23.00
1.75
2.94
1.68
100
AG
5,127
0.2204
8,000
565.75
1,027.43
1.82
100
PB
5,127
0.001
25.00
1.43
2.60
1.82
100
ZN
5,127
0.001
25.00
2.92
4.07
1.40
100
FE
5,119
0.0733
38.60
6.67
4.05
0.61
Vein Ramal 1
101
SG
439
2.19
4.00
2.86
0.22
0.08
101
AU
439
0.001
15.00
0.58
1.41
2.44
101
AG
439
0.1
3,000
207.56
442.54
2.13
101
PB
439
0.001
10.00
1.06
1.79
1.70
101
ZN
439
0.001
20.00
2.94
3.94
1.34
101
FE
439
0.34
15.90
4.98
2.97
0.60
Vein Venadas
103
SG
145
2.4
3.38
2.72
0.19
0.07
103
AU
145
0.0025
12.00
1.92
2.61
1.36
103
AG
145
1.4
1,350
348.10
365.51
1.05
103
PB
145
0.001
0.36
0.01
0.05
3.89
103
ZN
145
0.001
0.56
0.03
0.07
2.87
103
FE
145
0.46
5.73
1.78
0.96
0.54
amcconsultants.com    118

Juanicipio Mineral Resource and Mineral Reserves NI 43-101 Technical Report
MAG Silver Corp.
0723032



Vein
Element
Number of samples
Minimum
Maximum
Mean
Stand. dev.
Coeff. var.
Vein Anticipada
104
SG
451
1.91
4.00
2.93
0.35
0.12
104
AU
451
0.001
13.88
1.02
1.79
1.75
104
AG
451
0.001
1,800
174.60
268.07
1.54
104
PB
451
0.001
16.50
2.29
2.88
1.26
104
ZN
451
0.001
25.00
5.84
6.37
1.09
104
FE
448
0.46
24.34
7.74
4.64
0.60
Vein Pre-Anticipada
106
SG
56
2.12
3.25
2.72
0.19
0.07
106
AU
56
0.001
5.00
0.72
0.89
1.24
106
AG
56
0.001
1,300
281.83
334.11
1.19
106
PB
56
0.001
1.50
0.37
0.47
1.26
106
ZN
56
0.001
4.62
0.95
1.38
1.45
106
FE
53
0.69
12.14
4.56
2.83
0.62
Vein Juanicipio
300
SG
22
2.27
3.58
2.99
0.33
0.11
300
AU
22
0.018
2.92
1.05
0.97
0.92
300
AG
22
2.4
2,250
580.99
738.10
1.27
300
PB
22
0.0015
5.50
1.34
1.16
0.87
300
ZN
22
0.014
6.50
2.97
2.15
0.72
300
FE
22
1.76
19.34
7.48
4.62
0.62
Note: Stand. dev. = Standard deviation; Coeff. var. = Coefficient of variation; SG = specific gravity which is equivalent to bulk density for these rocks.
Source: Compiled by AMC from data provided by Fresnillo, 2023.

The compositing and capping employed for the estimation was found to be acceptable.
14.5Variography
Experimental variograms and variogram models on the Valdecañas vein were carried out using Leapfrog EDGE software. The variogram models were fitted by Fresnillo on experimental semi-variograms for all metals, except for silver, for which experimental correlograms were calculated. The anisotropy orientations were defined from the orientation of the mineralized structures, the visual observation of grades in longitudinal sections and variogram maps.
Table 14.7 shows the variogram model fitting for the five elements and bulk density for the biggest vein, the Valdecañas vein.
Table 14.7 Variogram parameters for Valdecañas vein


Item
Axis
Nugget
Structure 1
Structure 2
X
Y
Z

C0
Sill 1
Range (m)
Sill 2
Range (m)
Dip / Azi
Dip / Azi
Dip / Azi
C1
X
Y
Z
C2
X
Y
Z
Au
-6/227
-8/125
32/210
0.2
0.33
60
50
4
0.52
280
130
10
Ag
-6/227
-8/125
32/210
0.2
0.5
70
50
3
0.3
275
150
10
Pb
53/359
-15/290
32/210
0.2
0.51
50
110
5
0.29
500
200
12
Zn
-5/259
-27/139
33/209
0.1
0.37
225
158
5
0.43
490
308
10
Fe
57/30
0/300
33/210
0.1
0.26
48
50
8
0.64
450
250
12
Density
30/60
00/120
30/210
0.2
0.33
60
50
4
0.52
280
130
10
Source: AMC based on Fresnillo data, 2023.
amcconsultants.com    119

Juanicipio Mineral Resource and Mineral Reserves NI 43-101 Technical Report
MAG Silver Corp.
0723032


14.6Search and estimation parameters
Search ranges and estimation parameters for all domains are shown below in Table 14.8. For the Valdecañas, Ramal 1, Anticipada and Pre-Anticipada veins the minimum number of composites was 4 and the maximum number of composites was varying from 12 to 20. For Juanicipio and Venadas veins estimations only one pass was used with a minimum of one composite and maximum 24 composites for Juanicipio and 12 composites for Venadas.
Table 14.8 Juanicipio estimation search parameters

VeinPass
Range 1 (m)
Range 2 (m)
Range 3 (m)
Rotation angles around axis
Min. comps
Max. comps
Max. comps per drillhole
1
2
3

Valdecañas
1
48
40
40
35 (Z)
-8 (Y)
-57 (X)
4
12
3
2
72
60
60
35 (Z)
-8 (Y)
-57 (X)
4
16
3
3
192
160
160
35 (Z)
-8 (Y)
-57 (X)
4
20
3

Ramal 1
1
48
40
40
30 (Z)
-60 (X)
0 (Z)
4
12
3
2
72
60
60
30 (Z)
-60 (X)
0 (Z)
4
16
3
3
192
160
160
30 (Z)
-60 (X)
0 (Z)
4
20
3

Anticipada
1
48
40
40
35 (Z)
-8 (Y)
-57 (X)
4
12
3
2
72
60
60
35 (Z)
-8 (Y)
-57 (X)
4
16
3
3
192
160
160
35 (Z)
-8 (Y)
-57 (X)
4
20
3

Pre-Anticipada
1
48
40
40
35 (Z)
-8 (Y)
-57 (X)
4
12
3
2
72
60
60
35 (Z)
-8 (Y)
-57 (X)
4
16
3
3
192
160
160
35 (Z)
-8 (Y)
-57 (X)
4
20
3
Juanicipio
1
50
100
50
50 (Z)
-40 (X)
0 (Z)
1
24
-
Venadas
1
100
50
25
-45 (Z)
-80 (X)
0 (Z)
1
12
2
Notes: Comp = composites.
Source: AMC based on Fresnillo data, 2023.

14.7Block model parameters
Six block models were constructed and were sub-celled and rotated. The parent block size was 24 m by 6 m by 12 m with sub-blocking employed. Sub-blocking resulted in minimum cell dimensions of 4 m by 1 m by 1 m except for the Venadas vein where the minimum sub-block was 2 m by 0.5 m by 1 m.
Five vein models, Valdecañas (100), Ramal 1 (101), Anticipada (104), Pre-Anticipada (106), and Juanicipio (300) have the same model dimensions as shown in Table 14.9. Table 14.10 shows the block model dimension for the Venadas (103) vein, which is of a different orientation. The block models were built in the UTM system of coordinates, Datum NAD 27 R13.
Table 14.9 Block model parameters for domains 100, 101, 104, 106, 300

Block models 100, 101, 104, 106, 300
Parameter
X
Y
Z
Origin
708,936
559,362
900
Minimum block size
4
1
1
Maximum block size
24
6
12
Number of blocks
102
256
104
Rotation angle
30
Source: AMC based on Fresnillo data, 2023.
amcconsultants.com    120

Juanicipio Mineral Resource and Mineral Reserves NI 43-101 Technical Report
MAG Silver Corp.
0723032



Table 14.10 Block model parameters for Venadas (103)

Block model 103
Parameter
X
Y
Z
Origin
709,608
559,038
1488
Minimum block size
2
0.5
1
Maximum block size
24
6
12
Number of blocks
62
52
52
Rotation angle
-45
Source: AMC based on Fresnillo data, 2023.
The estimated block model fields are shown in Table 14.11. Table 14.11 Estimated block model fields
Model field
Description
Unit
DENSITY
Bulk density
t/m3
AU
Gold grades
g/t
AG
Silver grades
g/t
PB
Lead grades
%
ZN
Zinc grades
%
FE
Iron grades
%
Source: AMC based on Fresnillo data, 2022.

14.8Block model validation
The block models were validated in three ways: visual checks, statistical comparisons, and swath plots.
14.8.1Visual check
Visual checks were carried out on vertical sections comparing the block model estimates and drillhole grades. The grades for Au, Ag, Pb, and Zn were checked. The screen checks demonstrated a good agreement between the drillhole data and the model estimate in Figure 14.3.
amcconsultants.com    121

Juanicipio Mineral Resource and Mineral Reserves NI 43-101 Technical Report
MAG Silver Corp.
0723032


Figure 14.3 3D view of Ag grades in Valdecañas block model and composite data
figure143.jpg
Source: AMC based on Fresnillo data, 2023.

14.8.2Statistical comparison model versus composites
The estimated attributes in the block models are Ag, Au, Pb, Zn, Fe, and SG (equivalent to bulk density).
The comparison of the statistics of the composites and models by each individual vein has a general tendency for the mean grades in the block model for silver and gold to be below the mean grades of the composites. The mean grades of Pb and Zn in the block models are greater than in composites for all veins, except vein Ramal 1 (101).
The composites for Valdecañas (100), were declustered (80 m by 80 m by 80 m spacing). The comparison of the mean values shows that mean values for the base metals in the model are greater than mean values in the declustered composites. In a separate validation of the statistics of the upper more informed portions of the vein, where the composites are mostly represented by underground channels, a better match of grades between the block model and composites was obtained.
The mean values of all elements in the model are slightly lower than in the composites in Ramal 1 Vein (101) except for Zn.
In the separate block model of the Venadas vein (103) the mineralization mainly contains Au and Ag. The mean grades of Au and Ag in the model are less than in the composites. The grades of Pb and Zn are close to zero.
The comparison of the mean values of all elements for the Anticipada vein (104) shows the mean grades of Ag, Au, Fe, and the mean SG value in the model are slightly lower than in the composites. The mean grade for Zn is overestimated.
amcconsultants.com    122

Juanicipio Mineral Resource and Mineral Reserves NI 43-101 Technical Report
MAG Silver Corp.
0723032


The estimated values of all elements in the Juanicipio vein (300) are close to the values in composites, but with a slight underestimation for Ag and Au.
A general statement would be that silver is underestimated, and in the case of the main contributors 100, 101, and 104 this is in the tens of percent, as evident in Table 14.12 and Table 14.13.
Table 14.12    Composites and model statistics for Ag, Au, and Pb

VeinParameter
Ag (g/t)
Au (g/t)
Pb (%)
Composites
Model
Composites
Model
Composites
Model



100*
N Samples
5,127
305,035
5,127
305,035
5,127
305,035
Minimum
0.2204
0
0.001
0
0.001
0
Maximum
8,000
5,829
23
17.66
25
16.74
Mean
354
267
1.44
1.45
1.69
2.39
Stand. dev
853.15
400.15
2.85
1.38
3.00
2.38
Coeff. var.
2.41
1.50
1.99
0.96
1.77
1.00



101
N Samples
439
104,342
439
104,342
439
104,342
Minimum
0.1
0.61
0.001
0
0.001
0
Maximum
3,000
1,701
15
7.83
10
6.76
Mean
208
135
0.58
0.57
1.06
0.96
Stand. dev
442.54
183.12
1.41
0.93
1.79
1.00
Coeff. var.
2.13
1.36
2.44
1.64
1.70
1.04



103
N Samples
145
78,887
145
78,887
145
78,887
Minimum
1.4
0
0.0025
0
0.001
0
Maximum
1,350
1,100
12
7.46
0.36
0.19
Mean
348
231
1.92
1.02
0.01
0.00
Stand. dev
365.51
298.42
2.61
1.45
0.05
0.01
Coeff. var.
1.05
1.29
1.36
1.43
0.00
2.65



104
N Samples
451
109,463
451
109,463
451
109,463
Minimum
0.001
1.82
0.001
0.01
0.001
0
Maximum
1,800
1,084
13.8815
7.23
16.5
14.32
Mean
175
141
1.02
0.94
2.29
2.37
Stand. dev
268.07
114.63
1.79
0.91
2.88
1.97
Coeff. var.
1.54
0.81
1.75
0.97
1.26
0.83



106
N Samples
56
12,310
56
12,310
56
12,310
Minimum
0.001
2.51
0.001
0.05
0.001
0
Maximum
1,300
839
5
3.75
1.5
1.37
Mean
282
285
0.72
0.74
0.37
0.50
Stand. dev
334.11
141.67
0.89
0.56
0.47
0.34
Coeff. var.
1.19
0.50
1.24
0.76
1.26
0.68



300
N Samples
22
28,140
22
28,140
22
28,140
Minimum
2.4
2.4
0.018
0.02
0.0015
0
Maximum
2,250
2,250
2.919
2.92
5.5
5.5
Mean
581
490
1.05
0.97
1.34
1.41
Stand. dev
738.10
648.75
0.97
0.85
1.16
1.26
Coeff. var.
1.27
1.32
0.92
0.88
0.87
0.89
Note: *Declustered composites, Stand. dev= Standard deviation, Coeff. var. = Coefficient of variation. Source: AMC based on Fresnillo data, 2023.
amcconsultants.com    123

Juanicipio Mineral Resource and Mineral Reserves NI 43-101 Technical Report
MAG Silver Corp.
0723032



Table 14.13    Composites and model statistics for Zn, Fe, and bulk density

VeinParameter
Zn (%)
Fe (%)
SG
Composites
Model
Composites
Model
Composites
Model



100*
N Samples
5,127
305,035
5,119
305,035
5,127
305,035
Minimum
0.001
0
0.0733
0
1.88
2.1828
Maximum
25
20.35
38.596
17.68
4.0
3.67
Mean
3.71
4.78
6.66
6.88
2.91
2.93
Stand. dev
4.65
3.44
4.08
2.47
0.24
0.19
Coeff. var.
1.25
0.72
0.61
0.36
0.08
0.06



101
N Samples
439
104,342
439
104,342
439
104,342
Minimum
0.001
0
0.34
0.34
2.19
2.35
Maximum
20
15.37
15.90
15.90
4
3.93
Mean
2.94
3.00
4.98
4.57
2.86
2.87
Stand. dev
3.94
2.60
2.97
2.81
0.22
0.16
Coeff. var.
1.34
0.87
0.60
0.61
0.08
0.06



103
N Samples
145
78,887
145
78,887
145
78,887
Minimum
0.001
0
0.46
0
2.4
2.4
Maximum
0.56
0.32
5.73
4.77
3.38
2.93
Mean
0.03
0.01
1.78
1.35
2.72
2.66
Stand. dev
0.07
0.02
0.96
1.02
0.19
0.13
Coeff. var.
2.87
1.64
0.54
0.76
0.07
0.05



104
N Samples
451
109,463
448
109,463
451
109,463
Minimum
0.001
0
0.46
1.30
1.91
1.94
Maximum
25
24.74
24.34
18.25
4.00
3.75
Mean
5.84
6.81
7.74
7.82
2.93
2.99
Stand. dev
6.37
5.51
4.64
3.05
0.35
0.31
Coeff. var.
1.09
0.81
0.60
0.39
0.12
0.10



106
N Samples
56
12,310
53
12,310
56
12,310
Minimum
0.001
0
0.69
0
2.12
2.1735
Maximum
4.6224
4.14
12.1439
10.05
3.25
3.2476
Mean
0.95
1.18
4.56
4.64
2.72
2.78
Stand. dev
1.38
0.97
2.83
1.82
0.19
0.16
Coeff. var.
1.45
0.82
0.62
0.39
0.07
0.06



300
N Samples
22
28,140
22
28,140
22
28,140
Minimum
0.014
0.01
1.76
1.76
2.27
2.27
Maximum
6.5
6.5
19.3412
17.88
3.58
3.51
Mean
2.97
2.99
7.48
7.53
2.99
3.01
Stand. dev
2.15
2.04
4.62
4.32
0.33
0.34
Coeff. var.
0.72
0.68
0.62
0.57
0.11
0.11
Note: *Declustered composites Stand. dev.= Standard deviation; Coeff. var.= Coefficient of variation; SG= specific gravity which is equivalent to bulk density for these rocks.
Source: AMC based on Fresnillo data, 2023.
amcconsultants.com    124

Juanicipio Mineral Resource and Mineral Reserves NI 43-101 Technical Report
MAG Silver Corp.
0723032



14.8.3Swath plots
Swath plots were generated to compare the average composite grade with the estimated grade for each vein. The swath plots were produced for all estimated elements contained in the block model. The swath plots show sufficiently good agreement of distribution of the grades between the composites and block model. Figure 14.4, Figure 14.5, and Figure 14.6 show the swath plots for silver for the largest vein – the Valdecañas vein. The swath plots show good agreement between declustered drillhole grades and block model grades.
Figure 14.4 South-North swath plot of Valdecañas domain
figure144.jpg
Source: AMC based on Fresnillo data, 2023.
amcconsultants.com    125

Juanicipio Mineral Resource and Mineral Reserves NI 43-101 Technical Report
MAG Silver Corp.
0723032



Figure 14.5    West-East swath plot of Valdecañas domain
figure145.jpg
Source: AMC based on Fresnillo data, 2023.

Figure 14.6    Elevation swath plot of Valdecañas domain
figure146.jpg
Source: AMC based on Fresnillo data, 2023.
amcconsultants.com    126

Juanicipio Mineral Resource and Mineral Reserves NI 43-101 Technical Report
MAG Silver Corp.
0723032


14.9Economic considerations
Juanicipio Mineral Resources were reported based on AgEq, that was calculated by dividing NSR value by factor 0.4642. The values of AgEq provided were checked and no error was found. The NSR and AgEq calculation formulas are:
NSR= Au * 30.7088 + Ag * 0.4642 + Pb * 15.0140 +Zn * 11.3629 Ag Eq= NSR / 0.4642
Multiplication factors were based on the input parameters shown in Table 14.14. Table 14.14 Input parameters in calculating resource NSR
Item
Unit
Value
Gold price
US$/oz
1,450
Silver price
US$/oz
20.00
Lead price
US$/lb
0.90
Zinc price
US$/lb
1.15
Gold recovery
%
75.84
Silver recovery
%
87.06
Lead recovery
%
86.33
Zinc recovery
%
74.48
Source: AMC based on Fresnillo data, 2023.

These estimates are based on a geological interpretation of the six vein structures. The Valdecañas vein contains almost 80% of the total silver ounces and all of the Measured and Indicated category. In addition to the cut off of 209 g/t AgEq, for the Measured and Indicated Mineral Resource a 3 m minimum width is applied. This is seen as a fair approach towards meeting the criteria for reasonable prospects for eventual economic extraction (RPEEE) for the Measured and Indicated.
For the other veins, all of which are in the Inferred category the domains are interpreted by Fresnillo geologists and the cut off of 209 g/t AgEq is again used. A visual review shows that at that cut off the majority of the narrow, (sub 2 m) material is not included. This essentially screens out material not meeting RPEEE for these veins. The relative contribution of the individual veins is shown in Table 14.15.
Table 14.15 Relative percentage contribution from each vein

Vein name
Vein number
Relative percentages
Tonnes
Ag content
Valdecañas
100
75.8%
78.7%
Ramal 1
101
8.0%
6.6%
Venadas
103
1.2%
2.2%
Anticipada
104
12.6%
7.8%
Pre-Anticipada
106
1.0%
1.1%
Juanicipio
300
1.5%
3.6%
amcconsultants.com    127

Juanicipio Mineral Resource and Mineral Reserves NI 43-101 Technical Report
MAG Silver Corp.
0723032



14.10Mineral Resource classification
Mineral Resources were classified by degree of confidence based mainly on sample spacing, spatial continuity of assays supported by geology and geostatistics.
All veins were classified as Inferred Mineral Resources except for Valdecañas where sufficient data and knowledge exists such that Measured and Indicated Mineral Resource classifications have been assigned. The visual check showed the continuity of Indicated material is well supported by the drilling density and in the upper areas of Valdecañas where underground development sampling and detailed underground drilling were carried out, the blocks are classified as Measured. The Measured category represents about 8.5% of the total tonnes or 21.4% of the Measured plus Indicated Mineral Resources.
For the Indicated Mineral Resources, a limit was generated at an average hole spacing of less than 90 m, and only taking into account drillhole intersections with a vein width of greater than 3 m. All block estimates in the Indicated category are supported by a minimum of five samples and a minimum of two holes. The drilling density in the area was also considered.
Any material not classified as Measured and Indicated within the Valdecañas vein volume is Inferred.
For the other veins, the Inferred Mineral Resources are located in areas with drillhole intersections spaced at average distances ranging from 70 m to 100 m. All estimated blocks in the Inferred category are supported by a minimum of four samples except for Venadas and Juanicipio, where a minimum of one sample is used. These two veins contain only a total of 2.7% of the tonnes and 5.8% of the silver metal, and a strong recommendation is to use more than one sample for this estimation.
Figure 14.7 shows a 3D view of the classification of the Valdecañas vein.
amcconsultants.com    128

Juanicipio Mineral Resource and Mineral Reserves NI 43-101 Technical Report
MAG Silver Corp.
0723032



Figure 14.7    3D view of classification for Valdecañas
figure147.jpg
Source: AMC based on Fresnillo data, 2023.

14.11Mineral Resource estimate
Juanicipio Mineral Resources were reported based on AgEq, that was calculated by dividing NSR value by 0.4642 as explained in Section 14.9.
The Mineral Resources were reported at a 209 g/t AgEq cut-off grade based on mining parameters and realistic prices and recoveries. The Mineral Resources by vein are shown in Table 14.16.
amcconsultants.com    129

Juanicipio Mineral Resource and Mineral Reserves NI 43-101 Technical Report
MAG Silver Corp.
0723032


Table 14.16 Juanicipio Mineral Resources by vein on 31 May 2023

Resource category

Vein
Quantity
Grade
Contained metal
Tonnes (kt)
Au (g/t)
Ag (g/t)
Pb (%)
Zn (%)
Au (koz)
Ag (koz)
Pb (kt)
Zn (kt)
MeasuredValdecañas
1,441
2.19
780
1.42
2.7
102
36,130
20
39
IndicatedValdecañas
15,555
1.83
266
3.03
5.56
916
133,039
472
865
Total Measured & Indicated
16,996
1.86
310
2.89
5.32
1,017
169,169
492
904



Inferred
Valdecañas
6,526
1.04
228
2.73
6.15
217
47,932
178
401
Ramal 1
2,473
0.89
228
1.44
4.35
71
18,135
36
108
Venadas
371
2.19
507
0.01
0.02
26
6,050
0
0
Anticipada
3,923
1.09
169
2.86
8.38
138
21,378
112
329
Pre-Anticipada
301
0.76
311
0.54
1.28
7
3,012
2
4
Juanicipio
457
1.29
679
1.69
3.62
19
9,974
8
17
Total Inferred
14,051
1.06
236
2.41
6.12
480
106,676
339
860
Notes:
CIM Definition Standards (2014) were used for reporting.
Mineral Resources are reported inclusive of Mineral Reserves.
Mineral Resources are reported at or above a cut-off grade of 209 g/t AgEq equivalent to $96.9 NSR. While a 3 m minimum width is applied and blocks above the cut-off grade are largely contiguous, mineable shapes have not been defined, which may result in the tonnes of underground Mineral Resources being slightly exaggerated.
Mineral Resources are reported at values based on metal price assumptions, metallurgical recovery assumptions, mining costs, processing costs, G&A costs, and variable smelting and transportation costs.
Metal price assumptions considered for the calculation of metal equivalent values are gold (US$1,450.00/oz), silver (US$20.00/oz), lead (US$0.90/lb), and zinc (US$1.15/lb).
Assumed metal recoveries of 75.84%, 87.06%, 86.33% and 74.48% for Au, Ag, Pb, and Zn, respectively, and on NSR factors of US$30.71/g Au, US$0.46/g Ag, US$15.01/% Pb and US$11.36/% Zn.
Mineral Resources are reported on a 100% basis. The MAG share is 44%.
Totals may not compute exactly due to rounding.
The Mineral Resources were estimated by Fresnillo. John Morton Shannon, P.Geo. (EGBC #32865) has reviewed the Mineral Resources and takes QP responsibility.
Source: AMC based on Fresnillo data, 2023.

14.12Grade sensitivity analysis
The Mineral Resources of the Juanicipio project are not very sensitive to the selection of the reporting cut-off grade. To illustrate this sensitivity, the Measured and Indicated quantities and grade estimates are presented in Table 14.17 at a range of different AgEq cut-off values.
Table 14.17 Sensitivities to cut off grade for Valdecañas Measured and Indicated

Class
COG AgEq
(g/t)
Tonnes (kt)
Au (g/t)
Ag (g/t)
Pb (%)
Zn (%)
Metal Au (koz)
Metal Ag (koz)
Metal Pb (kt)
Metal Zn (kt)




Measured & Indicated
200
17,156
1.85
307
2.87
5.29
1022
169,551
493
908
209
16,996
1.86
310
2.89
5.32
1,017
169,169
492
904
220
16,708
1.88
314
2.93
5.37
1009
168,483
489
898
240
16,313
1.90
319
2.98
5.45
998
167,390
486
889
260
15,827
1.93
326
3.04
5.54
984
165,938
481
876
280
15,285
1.96
334
3.10
5.64
965
164,222
474
862
300
14,750
1.99
342
3.17
5.75
945
162,351
468
848
Source: AMC based on Fresnillo data, 2023.
amcconsultants.com    130

Juanicipio Mineral Resource and Mineral Reserves NI 43-101 Technical Report
MAG Silver Corp.
0723032


14.13Previous Mineral Resource estimates
The most recent Mineral Resource statement reported by MAG is found in the 2017 AMC Technical Report. That estimate included drilling to 31 December 2016 and the Mineral Resource was dated 21 October 2017.
Changes since the 2017 Mineral Resource estimate include:
167,233 m in an additional 179 surface drillholes.
28,707 m in an additional 158 underground drillholes.
4,737 m of additional channel sampling of underground development on mineralization.
Reinterpretation and reconfiguration of the domains.
Incorporation of geological knowledge gained during start-up of operations.
Classification of Measured in the Valdecañas vein.
Ongoing depletion and sterilization due to mining.
Updated AgEq inputs and cut-off grades.
A comparison between the 2017 and 2023 Mineral Resource estimates is shown in Table 14.18. Table 14.18    Comparison of the 2023 and 2017 Mineral Resources

Mineral Resources classification
Cut-off grade
Quantity Tonnes (Mt)
Grade
Contained metal
Au (g/t)
Ag (g/t)
Pb (%)
Zn (%)
Au (koz)
Ag (Moz)
Pb (kt)
Zn (kt)
31 May 2023
Measured

209 g/t AgEq or
$96.9 NSR
1.44
2.19
780
1.42
2.70
102
36
20
39
Indicated
15.56
1.83
266
3.03
5.56
916
133
472
865
Measured & Indicated
17.00
1.86
310
2.89
5.32
1,017
169
492
904
Inferred
14.05
1.06
236
2.41
6.12
480
107
339
860
21 October 2017
Measured


$55.1 NSR
-
-
-
-
-
-
-
-
-
Indicated
12.83
2.10
427
2.11
3.68
867
176
271
472
Measured & Indicated
12.83
2.10
427
2.11
3.68
867
176
271
472
Inferred
12.13
1.44
232
2.46
4.68
562
90
298
568
Percent differences
Indicated

-
21.2
-12.9
-37.7
43.6
51.1
5.7
-24.4
74.2
83.3
Measured & Indicated
32.5
-11.4
-27.4
37.0
44.6
17.3
-3.9
81.5
91.5
Inferred
15.8
-26.4
1.7
-2.0
30.8
-14.6
18.5
13.8
51.4
Notes for 2023: See footnotes under Table 14.1. Notes for 2017:
Mineral Resources are reported inclusive of Mineral Reserves. Mineral Resources are not Mineral Reserves and do not have demonstrated economic viability.
Dr A. Ross, Ph.D., P.Geo. of AMC is the QP under NI 43-101 and takes responsibility for the Mineral Resource estimate.
Mineral Resources are reported at values based on metal price assumptions, metallurgical recovery assumptions, mining costs, processing costs, G&A costs, and variable smelting and transportation costs. Mineral Resource are reported at $55.1 NSR cut-off.
Metal price assumptions considered for the calculation of metal equivalent values are gold (US$1,300/oz), silver (US$20/oz), lead (US$0.95/lb), and zinc (US$1.00/lb).
Assumed metal recoveries of 82%, 95%, 93% and 90% for Au, Ag, Pb, and Zn, respectively, and NSR factors for each metal of US$30.71/g Au, US$0.61/g Ag, US$19.48/% Pb and US$19.84/% Zn.
Drilling results up to 31 December 2016.
Source: AMC based on Fresnillo data, 2023, and 2017 AMC Technical Report
amcconsultants.com    131

Juanicipio Mineral Resource and Mineral Reserves NI 43-101 Technical Report
MAG Silver Corp.
0723032



The following observations have been made by the QP when comparing the 2017 Mineral Resource estimate with the 2023 Mineral Resource estimate:
The development of the underground operation with dense drilling and underground sampling now enables the classification of Measured Resources.
Measured and Indicated tonnes have increased by 32.5%. The silver grades decreased by 27.4% and gold grades decreased by 11.4%, lead and zinc grades have increased by 37.0% and 44.6%, respectively. This is due to these Mineral Resources including deeper more base metal rich material and this demonstrates the move from the silver (precious metal) upper part of the epithermal system to the more base-metal-rich system at depth.
Inferred tonnes increased by 15.8%. In the Inferred category silver grades have increased by 1.7%, lead grades have decreased by 2.0% and zinc grades have increased by 30.8%. The gold grades decreased in the Inferred Resource by 26.4%.

14.14Conclusion and recommendations
A summary of recommendations regarding the Mineral Resources specifically is inserted below:
Use estimation parameters that ensure a minimum of two samples and two drillholes inform each block for the Venadas and Juanicipio veins.
Evaluate and document the effect of the inclusion of channel samples on the grade estimates.
Carry out reconciliation between production and local estimates.
Assess method to more clearly demonstrate reasonable prospects for eventual economic extraction.
To give greater certainty to the plan, carry out in-fill drilling prior to the delimitation of the production stopes and, as far as possible, achieve a distance between holes of 35 m to 50 m.
Ensure that geology is incorporated in any detailed short-term modelling and delineation.
Continue drilling to depth in the Valdecañas veins.
Continue drilling from the upper part of the Ramal 1 development to confirm vein continuity.
amcconsultants.com    132

Juanicipio Mineral Resource and Mineral Reserves NI 43-101 Technical Report
MAG Silver Corp.
0723032


15Mineral Reserve estimates
15.1Introduction
The Juanicipio Mineral Reserve estimates have been completed to a level consistent with the CIM Definition Standards for Mineral Resources and Mineral Reserves (2014). As such, the Mineral Reserves are based on Measured and Indicated Resources and do not include any Inferred Resources.
The 2023 Mineral Reserve estimation has identified Proven Mineral Reserves of 735 kt at 1.48 g/t Au, 545 g/t Ag, 1.05% Pb, and 1.99% Zn, and Probable Mineral Reserves of 14,622 kt at 1.59 g/t Au, 233 g/t Ag, 2.72% Pb, and 4.94% Zn. The Project was approved for construction by Minera Juanicipio in 2018. Underground production of mineralized development material commenced in the third quarter of 2020 and commercial production was declared in mid-2023.
Nameplate processing capacity of 4,000 tpd was achieved in Q3 2023, with mine ore production averaging about 3,700 tpd in the latter part of the year (approximately 1.3 Mtpa). Optimization and efficiency improvements are to be worked on in 2024.
Up to 31 May 2023, 1,447 kt of mineralized materials at 1.24 g/t Au, 477 g/t Ag, 0.81% Pb, and 1.55% Zn have been processed from Juanicipio development and production operations.
15.2Mineral Reserve estimate
The estimation of Mineral Resources that form the basis of the Mineral Reserve estimates is described in Section 14 of this report. Mr Paul Salmenmaki, P.Eng. of AMC, takes responsibility for the estimation of the Juanicipio Mineral Reserves. The Mineral Reserve estimate is effective as of 31 May 2023 and is shown in Table 15.1 (100% basis) and Table 15.2 (MAG Silver 44% ownership basis).
Mineral Reserve estimates are based on a variable cut-off value that considers sustaining capital, mining, processing, and general and administration costs, with a variable trucking cost for each mining block. The variable component of the operating cost is generally a small fraction of the overall cost and Mineral Reserves are largely reported above a value of $150/t ore for cut-and-fill stopes and $122/t ore for longhole stopes. Some marginal material that may lie on the fringes of other stopes that require development is included at a variable marginal cost that is generally above
$121/t for cut-and-fill and $93/t for longhole stopes. The methodology used to determine the variable cut-off value is based on NSR and is described below in Section 15.4.
The current Mineral Reserve estimate is 15.4 million tonnes (Mt) of combined Proven and Probable Mineral Reserves at a grade of 1.58 g/t Au, 248 g/t Ag, 2.64% Pb, and 4.80% Zn.
amcconsultants.com    133

Juanicipio Mineral Resource and Mineral Reserves NI 43-101 Technical Report
MAG Silver Corp.
0723032



Table 15.1 Summary of Minera Juanicipio Mineral Reserves as of 31 May 2023


Reserve category
Cut-off grade
Quantity
Grade
Contained metal
Tonnes (kt)
Au (g/t)
Ag (g/t)
Pb (%)
Zn (%)
Au (koz)
Ag (koz)
Pb (kt)
Zn (kt)
Proven

277 g/t AgEq
735
1.48
545
1.05
1.99
35
12,865
8
15
Probable
14,622
1.59
233
2.72
4.94
746
109,357
398
722
Proven and Probable
15,356
1.58
248
2.64
4.80
781
122,221
406
736
Notes 2023:
Totals may not compute exactly due to rounding.
CIM Definition Standards (2014) were used for reporting.
All figures rounded to reflect the relative accuracy of the estimates. Mineral Reserves are reported at a cut-off value based on metal price assumptions, metallurgical recovery assumptions, mining costs, processing costs, G&A costs, sustaining capital costs, and variable trucking costs.
NSR values are calculated as:
NSR = 30.71*Au+0.46*Ag+15.01*Pb+11.36*Zn. Units Au (g/t), Ag (g/t), Pb (%), Zn (%).
NSR factors are based on metal prices of $1,450/oz Au, $20.00/oz Ag, $0.90/lb Pb, and $1.15/lb Zn, and estimated recoveries of 75.84% Au, 87.06% Ag, 86.33% Pb, and 74.48% Zn.
Payable metal assumptions for Au are 95% for lead concentrates, and 65% for zinc concentrate; for Ag: 95% for lead concentrates, and 70% for zinc concentrate. Lead 95% payable and zinc 85% payable.
The all-inclusive operating costs for longhole stopes and cut-and-fill stopes are $122/tonne and $150/tonne respectively (277 g/t AgEq based on weighted average for mining method). The marginal stope cut-off value is generally above $121/t for cut-and-fill and $93/t for longhole stopes.
The stope hangingwall (HW) and footwall (FW) dilution (ELOS) was included in the stope optimization process. The dilution thickness for stope hangingwall and footwall varies by mining method.
An additional operational floor mucking dilution of 0.5 m for longhole and cut-and-fill stopes is applied to the Mineral Reserve calculation. An extra endwall dilution for longhole stopes is 0.5 m.
Mining recovery factors are 95% for longhole stopes and 98% for cut-and-fill stopes. Mining recovery factor for ore drive development is 99%. Mining recovery factor for both sill pillars and rib pillars is 0%.
Exchange rate of 19 Mexican Pesos (MXP) to US$1.
The Mineral Reserves were estimated by Fresnillo. Mr Paul Salmenmaki, P.Eng. (EGBC #40227), a QP, reviewed and audited the Mineral Reserves and accepts QP responsibility for them.
Note: Reported on a 100% basis for Minera Juanicipio. MAG Silver owns 44% of Minera Juanicipio, which are presented separately in Table 15.2.
Source: AMC / Fresnillo, 2023.
Table 15.2 Summary of Minera Juanicipio Mineral Reserves as of 31 May 2023 (44% Mag Silver)

Category
Tonnes (kt)
Grade
Au (g/t)
Ag (g/t)
Pb (%)
Zn (%)
Proven
323
1.48
545
1.05
1.99
Probable
6,433
1.59
233
2.72
4.94
Proven and Probable
6,757
1.58
248
2.64
4.80
Note:
MAG Silver owns 44% of Minera Juanicipio.
Totals may not compute exactly due to rounding. Source: AMC / Fresnillo, 2023.

For the property as a whole, total Mineral Reserve tonnes are approximately 90% of Mineral Resources (Measured plus Indicated) tonnes (Table 15.3). Gold, silver, lead, and zinc Mineral Reserves are 85%, 80%, 91%, and 90%, respectively, of the corresponding Measured plus Indicated Mineral Resource grades. Metal conversion of gold, silver, lead, and zinc are 77%, 72%, 83%, and 81%, respectively.
With respect to the difference in tonnes and metal content between (Measured plus Indicated) Mineral Resources and (Proven and Probable) Mineral Reserves, the QP notes that the Mineral Resources have not had modifying factors applied that would allow consideration of conversion to Mineral Reserves.
amcconsultants.com    134

Juanicipio Mineral Resource and Mineral Reserves NI 43-101 Technical Report
MAG Silver Corp.
0723032



Table 15.3 Mineral Resources and Mineral Reserves comparison

Tonnes (Mt)
Au (g/t)
Ag (g/t)
Pb (%)
Zn (%)
Metal contained
Au (koz)
Ag (Moz)
Pb (kt)
Zn (kt)
Resource MS + ID
17.00
1.86
309.60
2.89
5.32
1,017.49
169.17
491.91
904.18
Reserve Prv + Prb
15.36
1.58
247.56
2.64
4.80
781.07
122.22
405.88
736.43
Conversion percentages
90%
85%
80%
91%
90%
77%
72%
83%
81%
Source: AMC / Fresnillo, 2023.

15.3Cut-off value
An NSR value field was generated in the Mineral Resource model and used to select the projected economically viable stopes. The parameters used for the NSR calculation are summarized in Table 15.4.
The cut-off value represents the estimate of sustaining capital costs, operating costs, base operational costs, and the variable trucking cost. The estimated operating costs are referenced against actual costs to date and those for other Fresnillo mines in the area using similar mining methods and with similar production rates. Development cost projections recognize actual contractor rates. The weighted average marginal cut-off that excludes sustaining capital is estimated to be $96.9/t, as shown in Table 15.4 ($121/t for cut-and-fill and $93/t for longhole stopes). The average full cut-off values for cut-and-fill and longhole stopes are $150/t and $122/t ore, respectively.
The NSR field is calculated based on the following formula:
NSR = 30.71*Au+0.46*Ag+15.01*Pb+11.36*Zn
General administration and royalty values are based on historical costs. Table 15.4    NSR calculation assumptions
Parameter field
Unit
Parameter value
Gold price
$/oz
1,450
Silver price
$/oz
20.0
Lead price
$/lb
0.90
Zinc price
$/lb
1.15
Gold recovery
%
75.84
Silver recovery
%
87.06
Lead recovery
%
86.33
Zinc recovery
%
74.48
Lead concentrate grade
%
33.73
Zinc concentrate grade
%
48.70
Lead concentrate treatment charge (including freight)
$/dmt
263
Zinc concentrate treatment charge (including freight)
$/dmt
365
Silver refining cost (lead concentrate)
$/oz
1.6
Gold refining cost (lead concentrate)
$/oz
17.0
NSR cut-off (marginal)
$/t
96.9
NSR cut-off (cut-and-fill)
$/t
150
NSR cut-off (longhole stoping)
$/t
122
Note: A variable cut-off value that reflects different trucking and loading costs by block is used in the model. The averages for both longhole and cut-and-fill stopes are presented in Table 15.2.
Source: Fresnillo, 2023.
amcconsultants.com    135

Juanicipio Mineral Resource and Mineral Reserves NI 43-101 Technical Report
MAG Silver Corp.
0723032


15.4Dilution and recovery estimates
There are two main sources of dilution in narrow vein stopes:
1Planned dilution. This is the dilution required to achieve the designed stope shape. Designed dilution can result from waste included:
To achieve minimum mining width.
To achieve a viable mining shape.
2Unplanned dilution. This is dilution that is outside of the designed stope shape. Depending on the mining method, it may include both overbreak, floor dilution, and endwall dilution.
Overbreak is typically a result of blasting practices and geotechnical conditions. Floor dilution is the result of mucking waste rock from the rock fill floor. Endwall dilution is the result of blasting ore against the waste backfill.
Estimated hangingwall and footwall overbreak dilution of the order of 1.0 m and 0.45 m, respectively, is currently assumed for both longhole stopes (LHOS) and cut-and-fill stoping (CAF).
Additional factors for mucking and endwall dilution (0.5 m in both cases for each of LHOS and CAF stoping), and mining recovery (98% for CAF and 95% for LHOS) are also applied in the Enhanced Production Scheduler (EPS).
Sill pillars and rib pillars are designed for the current layout of the deposit. The recovery of both sill pillars and rib pillars is assumed to be 0%.
Each stope is re-assessed for value after dilution and mining recovery factors are applied and after factors such as access development cost are evaluated, and any that fall below the cut-off value are removed from the estimate.
15.5Conclusions and recommendations
The QP considers that the Reserves for Minera Juanicipio as stated herein are consistent with industry standards and are suitable for public reporting purposes.
The QP makes the following observations and recommendations:
The QP considers the estimation process for cut-off grade (COG) that uses a variable trucking cost component to be relatively complex, without making a material difference. Consideration of streamlining this process is recommended.
Mining operations are ramping up to full production. It is recommended that full acknowledgement be given to actual costs for steady-state operations going forward.
Recognizing that the mine is now milling ore through the Juanicipio plant, it is recommended that process recoveries specific to plant steady-state operation are well recorded and are used in future Ore Reserve estimation.
amcconsultants.com    136

Juanicipio Mineral Resource and Mineral Reserves NI 43-101 Technical Report
MAG Silver Corp.
0723032


16Mining methods
The primary mining method proposed in the 2018 study work was LHOS with waste rock fill. The same method has been adopted for most of the stoping to date and for the Mineral Reserve estimate but, in some areas where the ore is thin or ground conditions are deemed ‘Poor’, the CAF method has been selected for ore extraction; these areas were flagged individually in the model. The steady state production throughput from the mine is planned to be approximately 4,000 tonnes per day (tpd).
The main mine access is via twin declines to the top of the mineralization. The access route then splits into three internal ramp systems on 20 m sub-level spacing for longhole mining, with central accesses to the vein as well as footwall drives to the extents of the mineralization to allow placement of rock fill. Stopes 20 m high (floor to floor) are mined from the extents back to the central access (retreat) with rock fill placed within about 20 m of the retreating face.
For sill cuts where stoping immediately below will subsequently be undertaken, a cemented layer has been poured.
In the lower levels of the mine where vein widths up to a maximum thickness of approximately 30 m are realized, the vein is planned to be mined in two longitudinal passes, each with a maximum width of 15 m. The footwall pass will be taken first over the full strike length, followed by the hangingwall pass. Cemented rock fill will be used in the footwall pass to minimize fill dilution into the hangingwall side of the stope.
Long-section schematics of the two mining methods are shown in Figure 16.1 and Figure 16.2.
Figure 16.1 LHOS with rock fill general layout
figure161.jpg
Source: AMC, 2024.
amcconsultants.com    137

Juanicipio Mineral Resource and Mineral Reserves NI 43-101 Technical Report
MAG Silver Corp.
0723032



Figure 16.2 CAF general layout
figure162.jpg
Source: AMC, 2024.

16.1Geotechnical considerations
AMC undertook a review of geotechnical work completed for Juanicipio underground mining. The QP adopted the findings of the review for the Technical Report. This section summarizes the key aspects of geotechnical assessment and geotechnical practices for the underground mining. The following information was provided to support AMC’s findings and conclusions:
The 2018 study work geotechnical assessment for Juanicipio by AMC.
Field observations during AMC’s site visit in February 2024.
Updated geotechnical model provided by site.
Geotechnical guidelines and practices for Juanicipio underground mining operations provided by site.
16.1.1Geotechnical domains
The Juanicipio orebody is situated in a series of volcanic and sedimentary rocks. Figure 16.3 shows a view of the 3D lithology model developed for Juanicipio underground mining, with lithology code definition being provided in Table 16.1.
amcconsultants.com    138

Juanicipio Mineral Resource and Mineral Reserves NI 43-101 Technical Report
MAG Silver Corp.
0723032



Figure 16.3    Lithology model
figure163.jpg
Source: Juanicipio, 2024.

Table 16.1    Lithology code definitions and geotechnical domains

Geotechnical domains
Lithological unit
Code


Tertiary volcanics
Rhyolite Lithic Tuff
RLF
Rhyolite Tuff Agglomerate
RTAV
Rhyolite Tuff Pumice
RTP
ConglomerateCG


Cretaceous sediments
ShaleLU
SandstoneAR
Sandstone / Shale
LUAR
Green Lava
RVL



Ore veins
StockworkSTWK
Vein 1
V1
Vein 2
V2
Isolated veins
VA
BrecciaBX
FaultFaultF
amcconsultants.com    139

Juanicipio Mineral Resource and Mineral Reserves NI 43-101 Technical Report
MAG Silver Corp.
0723032



The rock mass at Juanicipio was divided into four geotechnical domains based on lithology domains:
Tertiary volcanics overlie the host sediments across most of the mine site. The volcanics vary in thickness from 0 m to approximately 350 m, with an average thickness of 150 m to 200 m. This domain groups a variety of rock types as shown in Figure 16.4. Rock quality within this domain varies from ‘Vey Poor’ to ‘Good’ (in terms of RMR values), which are associated with the degree of weathering and alteration.
Cretaceous sediments are overlain by tertiary volcanics across most of the mine site. This domain is the host rock of the mineralization, comprising predominantly sandstone, shale, interbedded shale – sandstone, and green lava. Similar to the volcanics, rock quality within this domain is related to the degree of alteration and intact rock strength. There appears to be a transition in rock quality about 300 m below ground surface (bgs); above this horizon the shale layers are generally green and black, with heavy chloride alteration; below this horizon the shale layers are generally black, with no or slight alteration.
Ore veins are the predominant mineralization-bearing structure. Juanicipio comprises two major vein systems, namely the Valdecañas vein system and the Juanicipio vein system. Both systems strike east-southeast with an average dip of 58° to the south-west. the Valdecañas vein is the principal vein structure and consists of three zones, with variable thicknesses (2 m to 30 m).
Faults - There are three major steep-dipping faults interpreted based on data from core logging, with two intersecting the Valdecañas vein (Figure 16.4). These faults generally consist of ‘Poor’ to ‘Fair’ rock. Given their spatial orientations, they are not expected to have a significant impact on large-scale stability but affect ground conditions locally.
Figure 16.4 Interpreted faults intersecting the Valdecañas vein
figure164.jpg
Source: Juanicipio, 2018.
amcconsultants.com    140

Juanicipio Mineral Resource and Mineral Reserves NI 43-101 Technical Report
MAG Silver Corp.
0723032



16.1.2Rock mass classification
Both Bieniawski’s RMR89 (Rock Mass Rating) and Barton’s Q system have been used for the rock mass classification for Juanicipio. In development and stoping operation to date, encountered ground conditions have been largely aligned with those projected from the 2018 study work geotechnical assessment. In terms of RMR89, rock qualities in the volcanic domain are varying considerably from ‘Very Poor’ to ‘Good’, which is largely associated from weathering and alteration. The fault zones are classified as being ‘Poor’ to ‘Fair’. Rock qualities of the sedimentary and vein domains are typically ‘Fair’ to ‘Good’, with some ‘Very Poor’ to ‘Poor’ ground being encountered in the vicinity of faults or shale.
16.1.3Intact rock testing
A number of Uniaxial Compressive Strength (UCS), Brazilian Tensile Strength (BTS), and Triaxial Compressive Strength (TCS) tests have been undertaken on selected core samples of typical rock units. Table 16.2 provides a summary of laboratory test results.
Table 16.2 Summary of intact rock elastic and strength properties of mafic tuff

Intact rock
UCS (MPa)
E-Young’s modulus (GPa)
Poisson’s ratio
BTS (MPa)
Average
Std. dev.
Average
Std. dev.
Average
Std. dev.
Average
Std. dev.
AR
46.3
41.0
23.9
2.3
0.17
0.08
-
-
LUAR
63.0
56.9
27.2
11.7
0.14
0.06
10.8
3.2
CG
29.8
-
8.3
-
0.12
-
1.9
0.4
RTAV
9.0
5.9
21.4
1.3
0.19
0.07
-
-
RTP
49.8
43.2
20.3
3.1
0.15
0.07
-
-
RVL
32.7
24.1
24.3
1.6
0.18
0.07
5.3
2.3
V1/V2
178.1
-
89.3
-
0.29
-
-
-

Based on the test result from TCS, UCS, and BTS, the Hoek-Brown (H-B) strength parameters for intact LUAR are derived and presented in Table 16.3.
Table 16.3 H-B strength parameters for intact LUAR

Domain
No. of tests
σci (MPa)

mi
UCS
TCS
BTS
MT17
6
13
63
22.8214
Note: σci is the intact rock strength.

16.1.4Longhole open stope stability
Prior to the commencement of underground operations, stope stabilities were projected using the empirical modified stability graph method (after Potvin, 1988; Nickson, 1992; Hadjigeorgiou et al., 1995) for various stoping scenarios:
Dip of hangingwall ranges from 45° to 65°.
Width of vein varies from 2 to 30 m, with an average of 8 m.
Spacing of sublevels is 20 m.
Stope strike length is 20 m.
Stope dilution was estimated using the equivalent linear overbreak slough (ELOS) method (after Clark and Pakalnis, 1997) for the proposed stoping dimensions.
amcconsultants.com    141

Juanicipio Mineral Resource and Mineral Reserves NI 43-101 Technical Report
MAG Silver Corp.
0723032



The assessment results indicated that:
Stope wall stability was influenced by rock mass conditions and vein dips. For typically ‘Fair’ rock mass conditions, stope hangingwalls at dips of 65° would be stable without support for the proposed stope dimensions (20 m long by 20 m high), while stope hangingwalls at dips of 45° to 55° were projected to be marginally stable without support. The ELOS was anticipated to range from 0.5 m to 0.8 m for dipping angles decreasing from 65° to 45°.
Cable bolt support for wider stope spans (more than 6 m) and / or reduced effective strike lengths (thus to reduce the hydraulic radii of stope walls) was recognized as potentially being required to improve stope stability and control the overbreak and level of dilution for poorer ground conditions.

In stoping operations to date, stope design criteria have been adjusted to account for difference in ground conditions, including adverse fault structures and unfavourable bedding planes of shale encountered. Figure 16.5 presents the current geotechnical guideline of stoping and backfilling for different rock mass conditions.
Figure 16.5 Geomechanical guideline for stoping and backfilling
figure165.jpg
Source: Juanicipio, 2024.

Six metre long single-strand Ø16 mm cable bolts on a 3 m (longitudinal) by 3.5 m (radial) staggered pattern have been installed in the back of stopes as required; 8 m long cable bolts with the same space pattern have been installed at the intersections of stope backs and access drives.
Cavity Monitoring System (CMS) surveying has indicated that footwall ELOS is typically less than
0.4 m, and the hangingwall ELOS is typically within the range of 0.5 m to 1.2 m. Excessive hangingwall overbreak up to 3 m-3.5 m has been encountered in Poor rock mass conditions or due to the adverse bedding planes of shale.
Root causes of overbreak and underbreak should be investigated during the stope reconciliation process. Most common factors include fault or shear zones, weak rock, adverse stope geometry, drilling and blasting, time that the stope is open, cable bolt performance, and all aspects of QAQC. To minimize the hangingwall overbreak, drilling and blasting design, particularly for Poor ground, should be optimized, and a robust QAQC procedure for drilling and blasting should be implemented to improve drilling and blasting practices.
amcconsultants.com    142

Juanicipio Mineral Resource and Mineral Reserves NI 43-101 Technical Report
MAG Silver Corp.
0723032



16.1.5Ground support requirements
16.1.5.1Lateral development
AMC recommended that support classes be implemented at Juanicipio in accordance with rock mass conditions and the underground development be supported based on those conditions and the dimensions of the excavations. AMC proposed a geotechnical classification based on RMR89. This classification is used to describe ground support classes (SC) on rock mass classification scheme RMR89. The ground support design was adjusted subsequently by site based on site specific experiences of ground support and rock mass conditions. Table 16.4 presents the current primary ground support requirement based on RMR89.
Table 16.4 Ground support requirements for primary support

Support class (SC)
Primary support
Notes

SC 1: RMR > 60
Good to Very Good
2.4 m long fully grouted rebar (Ø16 mm) on a 1.2 m x 1.2 m spacing, extending to 1 m (2 m for development in ore vein) above sill.
50 mm thick shotcrete (no shotcrete required in vein zone)
SC 2: RMR 41 – 60
Fair
2.4 m long fully grouted rebar (Ø16 mm) on a 1.2 m x 1.2 m spacing, extending to 2 m above sill.
50 mm thick shotcrete
SC 3: RMR 21 – 40
Poor
2.4 m long fully grouted rebar (Ø16 mm) on a 1.2 m x 1.2 m spacing, extending to 2 m above sill.
100 mm thick shotcrete installed in 2 layers, full coverage
Need for light frame (reinforced rib), rigid frame (steel sets), and cable bolt support will be assessed by site geotechnical personnel based on actual ground conditions.
SC 4: RMR 0 – 20
Very Poor
2.4 m long fully grouted rebar (Ø16 mm) on a 1.2 m x 1.2 m spacing, extending to 1 m above sill.
100 mm thick shotcrete installed in 2 layers, full coverage.

Secondary support, such as cable bolting, is designed for large spans in intersections, stope backs, and chambers if the primary support is inadequate. Cable bolt design (lengths and bolting pattern) may vary due to local conditions (excavation dimensions, structures orientations and rock mass qualities) and is assessed on a case-by-case basis.
Spiling is also used at Juanicipio for drifting through Poor ground to prevent ground from unravelling causing overbreak or large instabilities, and limit overbreak due to adverse structures. As required, 12 m long Ø20 mm cement grouted steel bars have been used as spiles and installed above excavation profiles on a 0.5 m spacing prior to development.
16.1.5.2Vertical development
The QP understands that several raises have had sections collapse and have been abandoned, largely because of highly weathered / altered near surface soil and rock mass.
Before assessing the stability of future raises and the required support, specific geotechnical drilling should be undertaken along the centreline of the selected sites and a thorough analysis of rock mass and discontinuity properties should be made. Site specific investigations should consist of:
Oriented core drilling / geotechnical logging using both Q and RMR system with full ATV / OTV surveys.
Packer testing.
Core sample testing for UCS, triaxial, indirect tensile strength, and direct shear test of typical joints.
Detailed raise stability assessments, including kinematic analysis for face and sidewall wedge formation, together with an analysis of raise performance.
amcconsultants.com    143

Juanicipio Mineral Resource and Mineral Reserves NI 43-101 Technical Report
MAG Silver Corp.
0723032



For geotechnical drilling and core logging, the following recommendations are made:
During drilling, any weak zones and areas containing water-make should be recorded in the drilling logs.
AMC recommends logging interval monitoring is practiced as below:
Geotechnical and geological parameters are collected per drill run. Raisebore stability assessments are then made using rolling average techniques to average rock quality over drill run increments to determine the lower bound raisebore quality QR for more accurate raisebore assessment.
Distinct lithology or lithological / structure contacts such as faults or shear zones are recorded.
Zones of distinct quality such as a highly fractured intervals (broken zone, rubble zone), alteration, or soft infilling are recorded.
Core should be examined carefully to determine if there are rock units susceptible to deterioration.
Ground improvement is likely to be required for raise stability in the near surface soil and rock mass, which is highly weathered/altered. Ground improvement options include:
Pre-reinforcement of raise area by using rings of drilled piles in near surface soil and rock mass. Box-cut and / or pre-sink methods should also be considered for near surface ground improvement.
Pre-pressure grouting rings of drillholes for sections of ‘Poor’ to ‘Very Poor’ ground along the entire raise length.

16.2Stope design basis
16.2.1Mineral Resource
The Juanicipio Mineral Resource estimate is discussed in Section 14 of this report and is the basis for the 2023 Mineral Reserve estimate. All veins are classified as having Inferred material, with the Valdecañas vein carrying the Indicated and Measured material from which the Mineral Reserves Proven and Probable classifications are, respectively, derived.
16.2.2Stope optimization
An estimation of potential economically viable mineralization was generated using the stope optimizing software Mineable Shape Optimizer (MSO) on the Mineral Resource block model. The estimation is largely based on the application of LHOS as the predominant mining method, with waste rock fill and all supporting development. Some cut-and-fill stopes have been designed in areas of Poor ground conditions. Mined out development and stopes have been flagged in the Mineral Resource model and excluded from the Mineral Reserves estimation process.
As described in Section 15, mining recovery factors of 98% for CAF and 95% for LHOS stopes are assumed. The sill pillar and rib pillars have been designed for the current development layout for exploitation of the deposit. The recoveries of the sill pillar and the rib pillar are both assumed to be 0%.
Estimated hangingwall and footwall overbreak dilution ranges of the order of 1.0 m and 0.4 m, respectively, have been assumed for both LHOS and CAF. Additional factors for mucking dilution (0.5 m for each of CAF and LHOS stoping), and endwall dilution (0.5 m for LHOS stoping) have also been applied in the EPS schedule.
amcconsultants.com    144

Juanicipio Mineral Resource and Mineral Reserves NI 43-101 Technical Report
MAG Silver Corp.
0723032



The MSO parameters used for the generation of stope wireframes are summarized in Table 16.5. Beyond the generation of the MSO shapes, further assessment of economic viability for any stopes of a marginal nature included recognition and costing of access development.
Table 16.5 MSO parameters used to estimate potential economically viable mineralization

Parameter field
Parameter value
NSR cut-off value
Variable based on the trucking distance
NSR marginal cut-off value (average)
$96.9/t*
Density, default (waste)
2.6 t/m3
Default dip (seed)
124°
Default strike azimuth (seed)
Sub-stoping
Yes
Stope waste max fraction
1
Stope creation interval
20 m (along strike)
Stope height for longhole open stope
20 m
Stope height for cut-and-fill stope
5 m
Model evaluation plane
XZ
Stope width
Minimum: 2 m, Maximum: 60
Minimum pillar between stopes
7 m
Hangingwall dilution thickness for ore drive
0.8 m
Footwall dilution thickness for ore drive
0.4 m
Hangingwall dilution thickness for cut-and-fill stope
1.0 m
Footwall dilution thickness for cut-and-fill stope
0.5 m
Hangingwall dilution thickness for longhole open stope
1.0 m
Footwall dilution thickness for longhole open stope
0.4 m
Waste pillar width
Minimum: 7 m
Stope dip
Minimum: 40°, Maximum: 140°
Strike angle tolerance
Maximum: 40°, Maximum Change: 20°
Side-length ratio
Maximum: 2.25
Stope orientation plane
XZ
Note: *$121/t for cut-and-fill stopes, $93/t for longhole stopes. As described in Section 15.2. Source: Fresnillo, 2023.

16.3Production projection and production to date
Due to the number of independent zones (three) and the three separate accesses, as well as footwall drives that interconnect zones, AMC considered a production rate of approximately 4,000 tpd to be reasonably achievable. This production rate is well supported by the EPS schedule and associated animation, and by consideration of a viable number of working places, supporting manpower and equipment, ore and flill transport requirements, and ventilation.
In recent operations towards the end of 2023, monthly production around 3,800 tpd has been achieved, with the mine considered to be still in ramp-up mode.
16.4Ore and waste handling
A number of trade-off studies were previously undertaken to identify the optimum ore and waste handling systems both for underground and surface transportation. One of the studies considered moving the processing plant from its initially envisaged site near the mine portal to an alternate site closer to the main highway. This study identified that conveying the ore directly to the relocated
amcconsultants.com    145

Juanicipio Mineral Resource and Mineral Reserves NI 43-101 Technical Report
MAG Silver Corp.
0723032



process plant from underground was economically and operationally superior to other arrangements. The conveyor option was subsequently adopted as the primary LOM method for transporting ore to the process plant. Until the conveyor is installed and fully operational, ore is continuing to be trucked to surface.
The earlier trade-off studies also assumed that all waste would be trucked to surface or placed into stopes as available. The potential for a waste fill deficit at some point in the mine life was also recognized and, in that regard, it has been assumed that the additional waste needed would be sourced from a small pit near the waste stockpile. All waste required from surface would be transferred via a waste pass for loading and distribution to stopes as required. As exploitation of the Mineral Resource and Mineral Reserves is expanded the requirements will be reassessed.
Based on the selected depth of the start of the underground conveyor (1940 RL), further analysis was undertaken to assess ore-handling options below 1940 RL. Several options were considered including trucking, vertical conveying and hoisting via a winze. Of these options, trucking was determined to offer the most favourable economics and it has, therefore, been adopted for Juanicipio operations. However, the economic benefit differences were small between the three systems considered and well within the study accuracy range, and there were seen to be some potential operational benefits to hoisting or vertical conveying over trucking. Further work was undertaken from a long-term point of view to consider a potentially expanded resource at depth; based on this work, either a winze or vertical conveyor was seen as an option that could merit further consideration in the future.
16.5Access development
The mine access is via twin declines from surface to the top of the mineralization, and a third conveyor decline with a portal located near the process plant in the Linares valley. The twin main declines access the orebody before splitting into three internal ramp systems that access the ore on a 20 m sub-level spacing, with central accesses to the vein as well as footwall drives to the extents of the mineralization to allow placement of rock fill. Stopes 20 m high (floor to floor) are designed to be mined from the extents back to the central access (retreat) with rock fill placed within 20 m of the retreating face.
The three internal ramps used to access the ore are shown in a composite plan view in Figure 16.6 (see also Figure 16.8). Waste accesses are developed in the footwall to provide access for backfill directly off the main ramp systems east and west along strike.
amcconsultants.com    146

Juanicipio Mineral Resource and Mineral Reserves NI 43-101 Technical Report
MAG Silver Corp.
0723032



Figure 16.6    Access development composite plan layout (over three production levels)
image_40.jpg
Note: Projection and not to scale. Source: Fresnillo, 2023.

Table 16.6 provides a summary of the access and other development metres projected to be required over the envisaged LOM.
Table 16.6    LOM development metres

Development (m)
Access declines
13,262
Access level development
32,593
Footwall drives
10,667
Other waste development
1,514
Infrastructure development
14,355
Ore drive development
67,353
Total lateral development
139,745
Total vertical development
11,447
amcconsultants.com    147

Juanicipio Mineral Resource and Mineral Reserves NI 43-101 Technical Report
MAG Silver Corp.
0723032



16.6Mine design
The upper extent of the orebody is accessed by three declines, with the mineralization divided into six stoping sections (three zones comprising east and west stopes) with each zone accessed by a decline. Access crosscuts from the declines to the ore are positioned approximately in the centre of each pair of stoping sections to enable stope extraction to progress on retreat from the end of each stoping section to the central access. Each stoping section has a maximum strike length of the order of 250 m.
At the base of each sub-zone, sill pillars vertically separate the stoping sections into independently accessed stoping areas, providing flexibility in production scheduling and simplifying ventilation, stope mucking, and truck loading arrangements.
A composite plan view of the mine design showing the mine portals is provided in Figure 16.7 and a long-section view of the mine design is shown in Figure 16.8.
Figure 16.7 Composite plan view of the underground mine design
figure167.jpg
Source: Fresnillo, 2022.
amcconsultants.com    148

Juanicipio Mineral Resource and Mineral Reserves NI 43-101 Technical Report
MAG Silver Corp.
0723032



Figure 16.8 Long-section view of the underground mine design
figure168.jpg
Note: Not to scale.
Source: AMC, 2024.

When not being trucked to surface, ore will be trucked to the ore chute feeding the crusher that is located at 1950 RL. Crushed ore is then fed via a feeder conveyor to the main underground to surface conveyor. The planned underground conveyor is split into two legs, the initial leg is 1,577 m in length and the second leg is 2,651 m in length. The conveyor has been designed and constructed to deliver material to the mill stockpile located approximately 400 m from the mill on surface. For underground operations to date, all ore has been trucked to surface. The conveyor is planned to be purchased and installed in 2024 to 2025.
16.6.1Typical development layout
A typical Level layout consists of a Level access, ore drive, waste footwall drive, sump, electrical bay, orepass drive, remuck and truck loading bay, and a ventilation drive - see Figure 16.9. Finished development size parameters used for design are as follows:
Ramp development ends - 5 m by 5 m.
Conveyor decline - 5 m by 5 m.
Ramp / conveyor remuck spacing - 150 m.
Overcuts and undercuts - 4.5 m high and from 4.5 m to 15 m in width.
Ramp gradients - 12%.
Level development has been assumed to be at a flat gradient for design purposes but, for the Level, plans are acknowledged to have a minor gradient of 1:40 up.
Ramp turning radius - 20 m.
Diameter of ventilation raisebores - 2.4 m.
amcconsultants.com    149

Juanicipio Mineral Resource and Mineral Reserves NI 43-101 Technical Report
MAG Silver Corp.
0723032



In general, a non-arched profile has been adopted for development throughout the mine (Figure 16.9). Ore drives are understood as currently being mined with a shanty-back arrangement to reduce dilution.
Figure 16.9 Typical access development design (plan and oblique view)
figure169.jpg
Note: Not to scale.
Source: Fresnillo, 2022.

16.7Ventilation
The ventilation system has been designed to meet the requirements of Mexican Regulations and industry leading practices. The ventilation system for Juanicipio is designed as a ‘pull’ system, with primary exhaust fans located on surface at the top of each primary exhaust raise.
16.7.1Design criteria
Regulations included in the Mexico Regulations for Safety and Hygiene in Mines (NORMA Oficial Mexicana NOM-023-STPS-2012) that are relevant to the design of the ventilation system are summarized as follows:
Each horsepower of diesel combustion motor driven machinery located in the interior of the mine must be supplied with a minimum of 2.13 m3 of air per minute (equivalent to approximately 0.05 m3/s/kW).
In any areas where diesel engines operate, a minimum air velocity of 15.24 metres/minute (approximately 0.25 m/s) must be maintained.
A volume of air equal to 1.5 m3 per minute per worker must be supplied to the interior of the mine.

The criteria for exposure to elevated temperatures in the workplace are outlined in NORMA Oficial Mexicana NOM-015-STPS-2001, Condiciones térmicas elevadas o abatidas - Condiciones de seguridad e hygiene. Dependent upon work type and ambient measured temperature, a work / rest regime may be applied for higher thermal exposures. Above 32.2°C wet bulb, only momentary exposure is permitted.
amcconsultants.com    150

Juanicipio Mineral Resource and Mineral Reserves NI 43-101 Technical Report
MAG Silver Corp.
0723032



In addition to ensuring that the ventilation design meets the regulatory requirements noted above, consideration has also been given to best practice employed at comparable mines. As such, the design criteria shown in Table 16.7 were adopted for the design of the ventilation system for the Juanicipio mine.
Table 16.7 Ventilation velocity criteria

Airway
Minimum velocity (m/s)
Criteria
Maximum velocity (m/s)
Criteria


Ramps / travel-ways



0.5

Minimum airflow for areas where personnel are present. to ensure contaminant / dust removal and maintenance of thermal conditions.



6
5 m/s is the velocity at which visible dust can become entrained in air resulting in reduced visibility and dusty working areas. Use of water trucks in travelways will mitigate dust control issues with higher velocity.
Working area
0.5
4
Dust minimization, personal comfort.

Conveyor decline


0.5
Minimum airflow for areas where personnel are present to ensure contaminant / dust removal and maintenance of thermal conditions.


6
Relative air velocity between airflow and conveyor belt speed to limit liberation of dust from conveyed material.

Return air raise (RAR)

No minimum
Air velocities between 7 m/s and 13 m/s should be avoided in up-cast RARs to prevent formation of water blankets.

20
Economic considerations - in certain conditions velocity can be exceeded.

Emergency egress

0.5

Minimum velocity for areas where personnel are present.

10
Avoid creation of additional hazards in the form of dust and decreased mobility in any area used for emergency egress.
Drawpoint
0.5
Minimum velocity for dust and blast fume removal.
4
Limit excess liberation of dust
Return air drive
0.5
12
Maximum for personnel travel.

16.7.2Airflow determination
Two approaches have been used to estimate the total quantity of air required to ventilate the mine:
An assessment of the operating diesel fleet required for the maximum anticipated production and development activities, and the airflow required to meet statutory requirements.
An assessment of airflow required for personnel based upon Mexico Regulation 8.4.4 (a) (1).
In addition, an airflow allowance is also required for underground infrastructure and leakage, and for balancing inefficiencies.
To ensure that the local regulatory standards are met, at least 356 m3/sec (sum total of development, production, truck haulage and personnel values) should pass through the active mine workings. Adding the infrastructure allowance increases the requirement to 478 m3/sec. All mines experience leakage and balancing inefficiencies in the distribution of air through the mine workings. It is therefore common to add a contingency to the total primary airflow of between 15% and 30% above the airflow calculation. AMC factored the calculated air quantity by 15%, bringing the total airflow allowance to 550 m3/s, as shown in Table 16.8.
amcconsultants.com    151

Juanicipio Mineral Resource and Mineral Reserves NI 43-101 Technical Report
MAG Silver Corp.
0723032


Table 16.8    Total airflow allowance

Area
Airflow (m3/s)
Underground infrastructure
122
Development
172
Production
99
Haulage
80
Personnel
5
Leakages and losses
72
Total
550

A recent review of the diesel equipment operating underground as well as the number of personnel was undertaken by the mine operator and the results supplied to AMC. It was demonstrated that the diesel equipment, appropriately factored for utilization, required 490 m³/s of airflow. A further 10 m³/s was allocated for the number of personnel working underground for a total of 500 m³/s.
16.7.3Ventilation modelling
AMC conducted ventilation modelling (Ventsim™) for the Juanicipio project for three primary purposes:
To validate the operability of the ventilation circuit to ensure airflow can be provided to all the required areas.
To ensure compliance with design criteria.
For determination of peak permanent primary fan duties.
Peak primary fan duties occur with maximum concurrent development and production activity in the lowest levels of each ventilation district. Airway dimensions and friction factors used in the modelling are summarized in Table 16.9.
Table 16.9 Airway dimensions and friction factors

Excavation method
Profile
Height (m)
Width (m)
Friction factor (kg/m3)
Main decline / production ramp and other lateral development
Drill and blast
Arched
5.4
5.4
0.013
Conveyor decline
Drill and blast
Arched
7.0
5.0
0.013
Level to level exhaust raises
Raisebore
Round
3.0 (diameter)
n/a
0.005
Return air raises to surface
Raisebore
Round
4.5 (diameter)
n/a
0.003
Fresh air raises to surface
Raisebore
Round
3.0 (diameter)
n/a
0.005

16.7.4Ventilation control and distribution
The distribution of the required airflow from the primary intakes to the working areas is controlled by a combination of regulators and fans.
The crusher area will be ventilated via fresh air sourced from the ramps. The dust generated at the tipple and crusher are planned to be ducted to an exhaust raise and through to the surface. Auxiliary fans are to be used to deliver fresh air to the production levels. Drop-board regulators in the return air raises on each level access will ensure that the required amount of air is supplied to the auxiliary fans.
To ensure the primary airflow is available in sufficient quantities to the active working places, diligent airflow monitoring and control is required as development and stoping progress.
amcconsultants.com    152

Juanicipio Mineral Resource and Mineral Reserves NI 43-101 Technical Report
MAG Silver Corp.
0723032


16.7.5Ventilation updated design
The most recent site Ventsim model was assessed. The model showing the current primary airflows is shown in Figure 16.10. The QP notes that differences between total intake and total exhaust flows are due to differences in density between the fresh air and return air.
Figure 16.10 Juanicipio ventilation – current
figure1610.jpg
Source: Fresnillo, 2024.

16.7.6Primary fan duties
AMC carried out a computer simulation of the initially proposed ventilation circuit to determine the duty of the main ventilation fans. Including the currently installed fans, when the mine is fully developed with a total airflow of 550 m³/s, the fans were projected to operate at a pressure of up to 4.4 kPa and a power draw of up to 1,200 kW each.
A recent review of information received from the mine operator show that there are identical exhaust fans located on the two exhaust shafts. Each fan has a design duty operating point of 267 m³/s at a pressure of 2,971 Pa. The motors are sized at 1,035 kW and are presently operated at 90% rotational speed for Tiro (shaft) #1 fan and 80% for Tiro #2 fan.
16.7.7Auxiliary ventilation
Auxiliary fans are required during development of ramps and ore drives.
The initially designed maximum length of a dead-end heading in the ramp is based on a 60 m vertical distance between raise extensions connecting to the ramp. At a ramp grade of approximately 12% and allowing for continuation of development beyond the raise extension access during the raise development, the maximum dead-end heading length and, therefore, duct length
amcconsultants.com    153

Juanicipio Mineral Resource and Mineral Reserves NI 43-101 Technical Report
MAG Silver Corp.
0723032



is calculated as 550 m for the design parameters. Note that two ducts have been envisaged for the longer headings whereby one duct is extended to the face and the second duct ends at the truck loading bay.
The auxiliary fans have been planned to be moved to a new location after every 550 m of ramp development to maintain the maximum duct length.
Ramp dimensions of 5.4 m by 5.4 m will accommodate two 1,065 mm ventilation ducts in a parallel arrangement along with the scoop and truck. For the ramp development, one duct provides the required airflow for the ramp development face with the remaining airflow distributed to the truck loading area through the second duct.
For ore drive development and production activities, the largest piece of diesel equipment operating in a heading is a 310 kW, 17 t loader, which requires 14.8 m3/s of air to be delivered by a single ventilation fan with 1,065 mm ventilation duct.
It is noted from the fan inventory provided by the site that a variety of auxiliary fans have been purchased of varying volumetric capacities and pressures. Fans matched with ducting are appropriately selected and installed by site personnel to ensure regulatory criteria are met.
16.7.8Conveyor decline ventilation
During steady state operations, the conveyor decline may act as a primary means of access for personnel travelling in light vehicles, primarily at shift change. The conveyor decline is planned to exhaust both to the conveyor portal and to the crusher exhaust raise. A fan installed in a planned bypass near the portal entrance will affect the exhaust through the conveyor decline.
16.7.9Conveyor risk of fire
An underground conveyor belt carries the risk of a conveyor belt fire. AMC believes that, with the appropriate measures in place, the risk of a conveyor fire can be safely managed, as has been, and is being done at many mining operations.
To manage the risk, the design included allowance for the following:
Fire retardant belt.
Fire retardant grease and lubricants.
Ventilation controls to isolate the air in the conveyor decline in the event of a fire.
Regular inspection of the conveyor decline during operation in order to detect the development of faulty rollers, belt misalignment, or excessive dust build-up.
The conveyor decline will be established as an exhaust airway such that the air will not to be reused in the mine production areas. In the unlikely event of a conveyor belt fire, smoke would not be introduced into the primary ventilation circuit. Additionally, fire-rated airlock doors are planned to be installed in the connecting development from the conveyor decline to the main ramp which may be activated in the event of a fire to ensure isolation of the conveyor.
16.8Rock fill
The majority of backfill for Juanicipio has been planned to be supplied by waste rock from development. Since the start of operations, all waste has been tipped directly into stopes or trucked to a stockpile on surface near the twin ramp portal. As and when stope production voids are available, waste rock from concurrent underground operations or drawn from surface stockpiles is used for backfilling requirements.
amcconsultants.com    154

Juanicipio Mineral Resource and Mineral Reserves NI 43-101 Technical Report
MAG Silver Corp.
0723032



There will be a deficit in the amount of waste required for backfilling estimated to be 4.2 Mt. It is assumed that additional waste will be mined from a small surface pit and dropped down a waste pass for distribution to the stopes.
AMC recommends a waste materials balance study to further assess options for the backfill deficit.
All rockfill other than for sills has been projected to be uncemented to provide working platforms for equipment and to provide stability to the mining operations via void filling. At the start of each stoping block, a cemented beam has been poured. However, the recovery of sill pillars and rib pillars is currently assumed to be 0% until further studies are undertaken.
AMC recommends a backfill study to further assess options for sill pillar recovery.
16.9Drill and blast design, and explosives management and logistics
16.9.1Blasting agents (ANFO)
Ammonium nitrate fuel oil (ANFO) is generally the lowest cost explosive available to a mining operation and it is readily available in Mexico. However, ANFO should only be used in dry ground as it will readily dissolve in water and can potentially create problems with elevated nitrate levels in mine water. Also, ANFO should never be used in stopes that have very high concentrations of sulphide ore. ANFO is known to react exothermically with sulphides, and in extreme situations, the reactions have culminated in spontaneous detonations.
ANFO is the primary explosive product used for both lateral development and stope blasting at Juanicipio.
16.9.2Boosters
Boosters are high-strength explosive products that are used in conjunction with detonators to initiate the detonation of ANFO, booster sensitive packaged or bulk emulsion explosives. Boosters are commonly used explosive products and are readily available from explosives suppliers.
16.9.3Detonators
Non-electric detonators are the most common detonators used in mining and they are utilized for development blasting. Non-electric detonators are reliable, simple to use, and they are less expensive than alternatives such as electronic detonators.
16.9.4Stope drill and blast design
LHOS with waste rock fill is the primary mining method for Juanicipio. The following design parameters, assumptions and constraints have been recognized in the drill and blast design:
Applicable explosives products have been identified (e.g., ANFO, packaged explosive products, and electric and non-electric detonators).
Designs provided are recommended to be optimized in line with operating experience.
The stope size ranges assumed are: 20 m high (floor to floor), stope width varies from 4.5 m to 15 m, and total stoping panel lengths range from 100 m to 250 m.
Other than for sill cuts, longhole stopes to be filled with waste rock fill and the fill kept within 5 m to 15 m of the retreating production face based on local ground conditions.
Overcuts and undercuts at 4.0 m high and from 4.0 m to 15 m in width.
Production drills capable of drilling holes with diameters up to 102 mm. The production drill also to be capable of drilling 152 mm reamer holes.
All holes assumed to be drilled to maximize drilling accuracy, minimize hole-loading and blasting problems, minimize dilution, and optimize fragmentation.
amcconsultants.com    155

Juanicipio Mineral Resource and Mineral Reserves NI 43-101 Technical Report
MAG Silver Corp.
0723032



16.9.5Drill selection for stoping
The production drill rigs utilized are Sandvik DL432i or equivalent (slot and production blasthole drilling).
The Sandvik DL432i is capable of drilling holes with diameters between 76 mm and 102 mm in a single pass over the full length of the stope. Larger hole diameters up to 152 mm can also be drilled. The drill rig is suitable for accurate drilling of all stope production blastholes and the slot blastholes. It is also capable of operating under remote and tele-remote control, making it amenable to production ring drilling if required.
16.10Production and development schedule
For generation of the LOM production and development schedule, the entire mine design was imported into Datamine Studio 5DP software to undertake overall mine sequencing and evaluation. The mine physicals have been scheduled using EPS software. The productivity assumptions used for scheduling are shown in Table 16.10.
Table 16.10 Productivity assumptions

Activity
Unit
Value
Ramp development rate
m/month
90
Lateral development rate
m/month
50
Vertical development and surface raises
m/month
200
Stope production (longhole stopes)
tpd/stope
850
Stope production (cut and fill stopes)
tpd/stope
850
Backfill
tpd/stope
350
Source: Fresnillo, 2023.

During the EPS scheduling, additional dilution of 0.5 m for mucking and 0.5 m for endwall (HW and FW dilution are included in the stope wireframe), as well as mining recovery factors (95% for LHOS and 98% for CAF), have been applied. Stopes have then been rechecked for economic viability (above cut-off) and any uneconomic stopes removed from the estimate.
The EPS production schedule is summarized in Table 16.11. AMC was provided the EPS output file and checked for dilution and mining recovery as well as the updated NSR values. The QP notes that, for the Juanicipio Economic Analysis discussed in Section 22 of the Technical Report, the EPS schedule has been adjusted to include actual values for 2023. The QP also notes that, for the LOM total values, there are only minor and non-material differences between those in the Ore Reserve estimate and those in the production schedule.
amcconsultants.com    156

Juanicipio Mineral Resource and Mineral Reserves NI 43-101 Technical Report
MAG Silver Corp.
0723032


Table 16.11 EPS production schedule by year

Description
2023
2024
2025
2026
2027
2028
2029
Ore tonnes (kt)
360
1,285
1,303
1,294
1,300
1,318
1,297
Au (g/t)
1.26
1.45
1.50
1.59
1.53
1.93
1.65
Ag (g/t)
620
403
373
300
287
198
155
Pb (%)
1.62
1.44
1.57
2.18
3.09
3.46
3.03
Zn (%)
3.27
2.76
2.70
3.71
5.10
6.15
5.39
Description
2030
2031
2032
2033
2034
2035
Total
Ore tonnes (kt)
1,308
1,309
1,308
1,302
1,272
702
15,356
Au (g/t)
1.61
1.66
1.61
1.51
1.37
1.72
1.58
Ag (g/t)
198
169
200
245
135
172
248
Pb (%)
2.97
2.65
2.82
3.13
2.72
3.11
2.64
Zn (%)
4.89
5.20
4.92
5.75
5.87
6.15
4.80
Note: Part-year for 2023. Source: Fresnillo, 2023.

A snapshot of the projected mined-out stopes at the end of the mine life is provided in Figure 16.11. The schedule provides a sequence of mining events that are driven by constraints. The optimal sequence will be realized in conjunction with full stope production operations.
Figure 16.11 End of mine life snapshot
figure1611.jpg
Note: Not to scale. Source: AMC, 2023.

16.11Mobile equipment
Equipment for Juanicipio has been selected based on projected productivities but also considering the practical travel distances between mining zones. As the time to travel from one zone to another could be significant, the planned fleet size for the major pieces of development and production equipment has been based on most pieces being dedicated to a single mining zone. The haul truck fleet sizes, however, have been based on projected ore and waste tonnages as well as the haulage distances to each destination.
amcconsultants.com    157

Juanicipio Mineral Resource and Mineral Reserves NI 43-101 Technical Report
MAG Silver Corp.
0723032



The mine has been planned to operate with two 12-hour shifts per day. This is reduced to approximately 17.0 effective working hours per day after considering travel time, lunch breaks, pre-shift meetings, and other miscellaneous breaks.
Development and production cycle times were evaluated to assist in the determination of the overall mining fleet. A typical development cycle analysis included jumbo drilling, face charging, mucking, scaling, and bolting as well as intersection cable bolting and shotcreting as required. A typical production cycle analysis consisted of longhole drilling, stope charging, mucking, and backfilling.
Table 16.12 shows the proposed equipment numbers for peak development and stope production. Table 16.12 Equipment list
Contractor development equipment
Description
Number of units (Peak)
Loader large
Scoop Large (>12 t)
3
Loader medium
Scoop Medium (9-12 t)
4
Truck medium
Camion Medium (20-34 t)
10
Jumbo single boom
Single Boom Jumbo 16 ft
8
Utility truck
Oldenburg UV6
2
Scaler
Getman S3120
4
Bolter
Epiroc BOLTEC 235
4
Transmixer
Normet Transmixer Agitator Alpha
3
Shotcrete sprayer
Normet Spraymec
3
Raise borer
Robbins 2.44 m
6
Raise borer
Robbins 1.83 m
1
Service truck
Services & Mesh Ancillary
4
Utility truck
Flatbed Transport
1
Owner production equipment
Description
Number of units (Peak)
Loader large
Scoop Large (>12 t)
9
Loader medium
Scoop Medium (9-12 t)
2
Truck large
Camion Large (>34 t)
9
Truck medium
Camion Medium (20-34 t)
7
Jumbo single boom
Single Boom Jumbo 16 ft
5
Longhole rig
Sandvik DL432I
5
Scissor lift
Getman A64 EXC 3000
2
Scaler
Getman S3120
2
Bolter
Epiroc BOLTEC 235
4
Cable bolter
Sandvik DS421
1
Transmixer
Normet Transmixer Agitator Alpha
1
Shotcrete sprayer
Normet Spraymec
1
Service truck
Services & Mesh Ancillary
2
Utility truck
Flatbed Transport
2
AmbulanceAmbulance
2
Note: Light vehicle requirements not shown. Source: Fresnillo, 2023.
amcconsultants.com    158

Juanicipio Mineral Resource and Mineral Reserves NI 43-101 Technical Report
MAG Silver Corp.
0723032



Figure 16.12 shows the projection for truck, jumbo, bolter, production drill, charger, scoop, and light / auxiliary vehicle requirements over the LOM separated by contractor and owner operator. As the mine achieves and maintains full production, the equipment numbers will be re-evaluated based on current operating productivities, contractor contribution, and operational projections.
Figure 16.12 Projected major equipment required over LOM from Owner
figure1612.jpg
Source: Fresnillo, 2023.

Figure 16.13 Projected major equipment required over LOM from contractor
figure1613.jpg
Source: Fresnillo, 2023.

16.12Mine personnel
All vertical development has been planned to be completed by raiseboring and drop-raising methods and to be undertaken by contractors. Horizontal development and the recommended construction of concrete road surfaces for the main ramps is also being done by a contractor workforce. The production and remaining workforce have been assumed to be made up of owner employees.
amcconsultants.com    159

Juanicipio Mineral Resource and Mineral Reserves NI 43-101 Technical Report
MAG Silver Corp.
0723032



The underground mining team is organized into the following operational groups:
Mining supervision
General and administration
Development crews
Production crews
Raising
Logistics
Materials handling
Maintenance
Technical support
Table 16.13 shows the projected maximum total mine personnel by operational group. Labour requirements are based on an operating schedule of two 12-hour shifts per day, 360 days per year. The workforce estimates have been largely based on a productivity analysis of underground activities and the physical requirements of the mine schedule. The underground workforce, as well as geology and survey, is made up of three rotations working a 10-days-on (5-day shifts and 5-night shifts) and 5-days-off rotation. Other technical support staff, mining supervisors and general and administration employees work a 5-day per week schedule. The underground crew numbers are based on the equipment requirements to complete the scope of work as planned. Additional personnel are included to cover absenteeism.
Table 16.13 Projected mine personnel requirements for steady state operations

Total fixed personnel
Peak
Total Mine Management & Administration & Union Operators
Mine Superintendent
4
Maintenance Superintendent
2
Engineer & Planning Superintendent
2
Contractors Superintendent
2
Mine Control Room Superintendent
2
Process Improvement Superintendent
2
Geology & Exploration Superintendent
2
Rock Mechanic Superintendent
2
OH&S Supt Superintendent
2
Technology and Informatics Superintendent
2
Subtotal (Peak)
22
Owner Technical Services
Senior Engineer [Mine]
5
Junior Engineer - Shift Supervisor [Mine]
16
Training Engineer [Mine]
4
Senior Engineer [E&P]
2
Junior Engineer - Shift Supervisor [E&P]
13
Ventilation Senior Engineer [E&P]
2
Surveyor Senior Engineer [E&P]
2
Surveyor Junior Engineer [E&P]
7
Surveyors - Unionized [E&P]
17
Senior Engineer [Geology]
2
Junior Engineer - Shift Supervisor [Geology]
10
amcconsultants.com    160

Juanicipio Mineral Resource and Mineral Reserves NI 43-101 Technical Report
MAG Silver Corp.
0723032



Total fixed personnel
Peak
Rock Mechanic Senior Engineer [Geology]
2
Rock Mechanic Junior Engineer [Geology]
5
Training Engineer [Geology]
4
Subtotal (Peak)
91
Other Fixed Positions
Senior Engineer [OH&S]
4
Junior Engineer - Shift Supervisor [OH&S]
7
Environmental Senior Engineer [OH&S]
4
Environmental Junior Engineer [OH&S]
4
Health & Safety Commission - Unionized (CSH)
7
Senior Medical - Doctor (Medical Services)
4
Nurse (Medical Services)
11
Owner Labour
30
Subtotal (Peak)
71
Total Union Operators
Jumbo Operator Official
16
Simba Operator
16
Scaler Operator
7
Rockbolter Operator Official
11
Rockbolter Operator Assistant
11
Cablebolter Operator
2
Shotcrete Transporter
3
Shotcrete Sprayer
3
Ancillary Equip Operator
11
Scoop Operator
31
Camion Driver
48
General Labourer
31
Subtotal (Peak)
206
Owner Maintenance
Secretary - Assistant [Maintenance UG]
2
Senior Mechanic Engineer [Maintenance UG]
8
Junior Mechanic Engineer - Shift Supervisor [Maintenance UG]
19
Senior Electrician Engineer [Maintenance UG]
4
Junior Electrician Engineer - Shift Supervisor [Maintenance UG]
13
Senior Instrumentation Engineer [Maintenance UG]
4
Junior Instrumentation Engineer - Shift Supervisor [Maintenance UG]
5
Senior Planning Engineer [Maintenance UG]
2
Drill Mechanic
6
Drill Electrician
8
Mobile Diesel Mechanic
3
Conveyor Mechanic [Unionized]
3
Conveyor Electrician [Unionized]
2
Instrumentation
14
Infrastructure Mechanic
7
Infrastructure Electrician
13
Mine Operations Mechanic [Unionized]
10
Subtotal (Peak)
123
amcconsultants.com    161

Juanicipio Mineral Resource and Mineral Reserves NI 43-101 Technical Report
MAG Silver Corp.
0723032



Total fixed personnel
Peak
Total Contractor Fixed Personnel
Contractor Management and Supervision
Civil Work General Manager / Resident
2
Civil Work Admin Assistant
7
Civil Work Supervisor UG
6
Safety Coordinator UG
10
Dev General Manager
28
Dev Admin Assistant
28
Dev Safety Coordinator UG
25
Dev Senior Engineer
44
Dev Junior Engineer - Shift Supervisor
2
Dev Training Engineer
5
Dev Environment Junior Engineer
4
Vertical General Manager
2
Vertical Admin Assistant
2
Vertical Safety Coordinator UG
2
Vertical Junior Engineer - Shift Supervisor
7
Ground Support General Manager
7
Ground Support Admin Assistant
11
Ground Support Safety Coordinator UG
8
Ground Support Junior Engineer - Shift Supervisor
22
Ground Support Environmental Junior Engineer
2
Shotcrete & Concrete Supply General Manager / Resident
7
Shotcrete & Concrete Supply Admin Assistant
4
Shotcrete & Concrete Supervisor UG
3
Shotcrete & Concrete Supply Safety Coordinator UG
4
Miscellaneous Services General Manager / Resident
3
Miscellaneous Services Admin Assistant
6
Miscellaneous Services Junior Engineer - Shift Supervisor
22
Miscellaneous Services Safety Coordinator UG
8
Haulage General Manager
5
Haulage Admin Assistant
4
Haulage Safety Coordinator UG
7
Haulage Junior Engineer - Shift Supervisor
10
Dev Surveyor Junior Engineer
11
Dev Storer Man
21
Ground Support Storer Man
11
Haulage Storer Man
5
Civil Work UG
54
Concrete Laboratory Technician
8
Civil Works Storer Man
8
Explosives Delivery Man
4
Paramedic
28
Lamp Room
11
Training Instructors
10
Subtotal (Peak)
478
amcconsultants.com    162

Juanicipio Mineral Resource and Mineral Reserves NI 43-101 Technical Report
MAG Silver Corp.
0723032



Total fixed personnel
Peak
Contractor Maintenance
Drills Mechanic
25
Scoop Mechanic
33
Truck Mechanic
22
Electricians
81
Welders (Contractor)
33
Raiseborer Mechanic (Contractor)
4
General Mechanic
24
Subtotal (Peak)
222
Contractor Other Positions
Contractor General Mine Services
43
Subtotal (Peak)
43
Contractor Labour Totals
Jumbo Operator Official
27
Jumbo Operator Assistant
27
Explosive Loader Operator
5
Explosive Loader Assistant
5
Scaler Operator
12
Rockbolter Operator Official
13
Rockbolter Operator Assistant
13
Shotcrete Transporter
10
Shotcrete Sprayer
10
ROBBINS Operator
40
Ancillary Equip Operator
14
Scoop Operator
17
Camion Driver
32
General Labourer
88
Subtotal (Peak)
313
Total Owner and Union Manpower (Peak)
513
Total Contractor Manpower (Peak)
1,056
Total Owner, Contractor, and Union Operators (Peak)
1,569

Personnel numbers will fluctuate over time to some extent as per the development and production schedule requirements.
16.13Conclusions and recommendations
The QP makes the following observations and recommendations for mining:
Root causes of overbreak and underbreak should be investigated during the stope reconciliation process. Drilling and blasting design, particularly for Poor ground, should be optimized, and a robust QAQC procedure for drilling and blasting should be implemented to improve drilling and blasting practices.
Optimize ground support and improve ground support design particularly for Poor ground.
Before assessing stability of future raises and required support, specific geotechnical drilling should be undertaken along the centreline of the selected sites and a thorough analysis of rock mass and discontinuity properties should be made. A detailed core logging program would be an integral part of each raise assessment.
Ground improvement options should be considered for raise stability, as required.
amcconsultants.com    163

Juanicipio Mineral Resource and Mineral Reserves NI 43-101 Technical Report
MAG Silver Corp.
0723032



Update the Ground Control Management Plan (GCMP) to reflect the current ground control practices at Juanicipio.
An underground waste materials balance study is recommended to further assess options for the backfill deficit.
A backfill study is recommended to further assess options for sill pillar recovery.
As the planned strategy for ventilation of the conveyor and crusher has recently changed, a review is recommended to confirm the overall ventilation strategy for the medium to long term.
amcconsultants.com    164

Juanicipio Mineral Resource and Mineral Reserves NI 43-101 Technical Report
MAG Silver Corp.
0723032


17Recovery methods
The processing plant has a nominal capacity of 4,000 tpd and consists of a comminution circuit with primary crushing and milling, followed by sequential flotation to produce a silver-rich lead concentrate, then a zinc concentrate, and then a gold-silver-bearing pyrite concentrate. Ultimately, ore crushing will be at an underground crusher, with delivery to the mill stockpile via a conveying system that will exit the mine at the portal adjacent to the mill.
17.1Ore transport
Currently, ore is trucked from underground to surface, then to the run of mine stockpiles adjacent to the mill. The underground crusher has been designed to process the run-of-mine (ROM) material using a primary jaw crusher to reduce the material from a nominal 500 mm to a 100% passing size (P100) of 178 mm (P80 of 87 mm). Construction of the underground conveying system to transport the ore from the underground crusher to the surface is planned to commence in 2024.
17.2Ore stockpile
The main objective of the ore stockpile is to maintain continuity of the operation of the processing plant and to allow blending of different ore types, if required, to achieve the targeted plant feed grade and a consistent sizing of material. The stockpile acts as a buffer to any delays experienced in underground production. The stockpile is intended to have a live capacity for two days of mill operation (8,000 t). From the stockpile, the ore is delivered by a conveyor and feeder arrangement leading to the semi-autogenous grinding (SAG) mill.
17.3Grinding and classification
The main objective of grinding and classification is to liberate the valuable minerals in the ore by reducing the size of the ore and classifying it to reach a final product size (P80) of 60 µm. This is the minimum size required to generate the metal recoveries determined during metallurgical test work. An automated process control system is part of the design to ensure consistent grinding of the ore. The plant has a SAG mill - ball mill grinding circuit with subsequent processing in a flotation circuit. The SAG mill operates in closed circuit with a vibrating screen. The ball mill is designed to operate in closed circuit with hydrocyclones which separate finished material. SAG and ball mill installed power ratings have been estimated to be 1.6 megawatts (MW) and 3.7 MW respectively.
The ore from the stockpile is fed via three variable speed feeders that discharge onto the conveyor belt that feeds the SAG mill. The discharge of the SAG mill flows over a vibrating screen and the oversized material is returned to the SAG mill by means of a conveyor belt system.
The underflow of the screen flows under gravity to a pump-box where, together with ball mill discharge, it is transferred by centrifugal pumps to a bank of D-10 hydrocyclones. The fines resulting from the classification with a P80 of 60 µm, i.e., cyclone overflow, constitute the feed to the lead flotation circuit.
Cyclone overflow is transferred to a vibrating screen to eliminate trash and present a clean feed to flow by gravity to the lead circuit conditioning tank. The ball mill receives the coarse underflow from the cyclone for regrinding and its discharge is then again combined with the SAG mill screen undersized material and returned to the hydrocyclones to separate the fines and coarse material. This results in a closed grinding circuit to achieve a product size P80 of 60 µm. A Knelson centrifugal concentrator to recover some of the gravity recoverable gold and silver early in the process flow and at a coarse size is installed in the circuit, with full system operation imminent.
amcconsultants.com    165

Juanicipio Mineral Resource and Mineral Reserves NI 43-101 Technical Report
MAG Silver Corp.
0723032



17.4Lead flotation circuit
The general objectives of the lead circuit are to obtain a concentrate of lead with the least amount of impurities and to recover as much as possible of the mineralogical species containing gold, silver, lead, and copper. The cyclone overflow feeds by gravity to the conditioning tank for the lead flotation circuit, where the pH is adjusted and collectors, together with frother and zinc and pyrite depressants are added. Subsequently the overflow of the conditioning tank also flows by gravity to the lead flotation circuit. This circuit consists of the rougher 1, rougher 2, scavenger sections, and three stages of cleaning of rougher concentrate. The rougher and scavenger flotation stages are each performed in three banks of two cells of 100 m3 capacity. The first cleaning stage consists of a bank of four smaller flotation cells, each of 20 m3 capacity, and the second and third cleaning stages of banks of three cells, again each of 20 m3 capacity.
The rougher and scavenger flotation is carried out in series and the rougher concentrates 1 and 2 are cleaned three times in cascade, with the tails of the third cleaner returned to the second cleaner and the tails of the second cleaner returned to the first cleaner. The scavenger concentrate is combined with the tails of the first cleaner and returned to the head of the second rougher bank. The concentrate obtained in the third cleaner constitutes the final concentrate and is sent to the lead concentrate thickener.
The tails of the scavenger bank are the lead circuit tails and become feed for the zinc circuit. This zinc feed is pumped to two zinc conditioning tanks.
17.5Zinc flotation circuit
The overall objectives of the zinc circuit are to recover most of the zinc content in a concentrate with a minimum grade of 50% Zn at the lowest possible impurities content. The lead circuit tails are pumped to two zinc conditioners, where the pH is adjusted with lime, and cyanide, collector and frother are added. Subsequently, the tails pass by gravity to the zinc flotation circuit, consisting of two rougher stages, a scavenger stage, and three stages of cleaning of rougher concentrate.
The two rougher and scavenger flotation stages are each performed in three banks of two cells, of 100 m3 capacity. The first cleaning stage consists of a bank of four 20 m3 cells, with the second and third cleaner stages consisting of a bank of three cells, each of 20 m3 capacity. Similar to the lead circuit, the rougher and scavenger flotation is carried out in series, and the rougher concentrates 1 and 2 are cleaned three times in cascade. The tails of the third cleaner are returned to the second cleaner and the tails of the second cleaner are returned to the first. The scavenger concentrate is combined with the tails of the first cleaner and returned to the head of the second zinc rougher bank.
The concentrate obtained in the third cleaner constitutes the final concentrate and is sent to the zinc concentrate thickener. In the event that the pyrite circuit was not being operated, the tails of the scavenger bank would be the final tails and pumped to the tails thickener, where the maximum amount of process water would be recovered.
17.6Pyrite flotation circuit
The general objectives of the pyrite circuit are to recover most of the remaining gold and silver content in a pyrite concentrate with a minimum grade of 35% Fe and the lowest possible amount of impurities. The zinc circuit tails are pumped to the pyrite flotation conditioning tank, where potassium amyl xanthate (xanthate) is added as a collector, then passed by gravity to the pyrite flotation circuit, where xanthate is also added in the scavenger stage and frother in the two cleaner stages.
amcconsultants.com    166

Juanicipio Mineral Resource and Mineral Reserves NI 43-101 Technical Report
MAG Silver Corp.
0723032



The circuit for the pyrite flotation consists of a rougher flotation stage, a scavenger stage and two stages of cleaning of rougher concentrate. The rougher and scavenger flotation is carried out in two banks of four and two cells of 200 m3, respectively. The cleaning stages consist of two banks of five cells of 50 m3 in the first stage and four cells of 50 m3 in the second stage. The rougher and scavenger flotation is carried out in series, whereas the rougher concentrate is cleaned twice in cascade. The tails of the second cleaner return to the first cleaner and the tails of the first cleaner are combined with the scavenger concentrate and are returned to the head of the rougher bank. The concentrate obtained in the second cleaner constitutes the final concentrate and is sent to the pyrite concentrate thickener. The tails of the scavenger bank are the final tails, and they are pumped to the tails thickener, where the maximum amount of process water is recovered.
The pyrite circuit has initially been in an optimization phase, with delivery to, and acceptance of a first pyrite concentrate shipment by, an off-shore purchaser recently achieved.
17.7Thickening of lead concentrate
The main objective of thickening the lead concentrate is to increase the percentage of solids in the underflow and to obtain clarified water with the minimum content of suspended solids in the overflow. The 20% solids lead concentrate is pumped into a 60 foot (ft) by 10 ft (18.3 m by 3.0 m) thickener, where flocculant is added, and the underflow of the thickener, containing 60% solids, is pumped to the surge tank. The water from the overflow of the thickener flows by gravity to a pump-box, from where it is pumped to a polishing filter. The discharge of this filter flows directly to the surge tank, while the filtered water flows under gravity to the pump-box of the process water system.
17.8Surge tank for lead concentrate
The function of the lead concentrate surge tank is to keep the feed supply to the lead filter constant. A surge tank was designed with capacity to store 12 hours of lead concentrate production from the plant.
17.9Lead concentrate filtration
The main objective of filtering the lead concentrate is to decrease its moisture content to a maximum of 9.0%. The pulp of the surge tank with 60% solids is pumped to a pressure filter for lead concentrate with sufficient capacity to filter the daily production during the 18 hours of operation considered in the design parameters. The filtered concentrate is stored in the loading yard and then loaded onto specialized trucks, which are weighed, loaded, and sampled before onward transportation to the smelter location.
17.10Thickening of zinc concentrate
The main objective of the thickening of the zinc concentrate is to increase the percentage of solids in the underflow and to obtain clarified water with the minimum content of suspended solids in the overflow. The zinc concentrate with 20% solids is pumped into a 60 ft by 10 ft (18.3 m by 3.0 m) thickener. The underflow of the thickener, containing 60% solids, is pumped into a surge tank. The water from the overflow of the thickener flows by gravity to a pump-box, from where it is pumped to a polishing filter. The discharge of this filter flows directly to the surge tank, and the filtered water flows under gravity to the pump-box of the process water.
17.11Surge tank for zinc concentrate
The function of the zinc concentrate surge tank is to keep the feed to the zinc filter constant. A surge tank was designed with capacity to store 12 hours of zinc concentrate production from the plant.
amcconsultants.com    167

Juanicipio Mineral Resource and Mineral Reserves NI 43-101 Technical Report
MAG Silver Corp.
0723032



17.12Filtration of zinc concentrate
The main objective of filtering the zinc concentrate is to reduce its moisture content to a maximum of 9.0%. The slurry from the surge tank, at 60% solids, is pumped to a pressure filter for the zinc concentrate with sufficient capacity to filter the daily production during the 18 hours of operation considered in the design parameters. The filtered concentrate is stored in the loading yard and then loaded onto specialized trucks, which are weighed, loaded, and sampled before onward transportation to the smelter location.
17.13Thickening of pyrite concentrate
The main objective of the thickening of the pyrite concentrate is to increase the percentage of solids in the underflow and to obtain clarified water with the minimum content of suspended solids in the overflow. The pyrite concentrate with 20% solids is pumped into a 60 ft by 10 ft (18.3 m by 3.0 m) thickener, where flocculant is added, and the underflow of the thickener containing 60% solids is pumped to the surge tank. The water from the overflow of the thickener tank of the pyrite concentrate flows under gravity to the process water pump-box.
17.14Filtration of pyrite concentrate
The thickened pyrite concentrate is dewatered in a pressure filter to a target moisture content of 9% for onward transport, as described in Section 17.16.
17.15Thickening of final tails
The main goal of thickening final tails is to increase the percentage of solids in the underflow and recover the maximum amount of process water as soon as possible. The final tails with 10% solids are pumped to the 85 ft by 10 ft (25.9 m by 3.0 m) thickener. The underflow of the thickener containing 50% solids is pumped to the tailings dam. The overflow of the thickener flows by gravity to a pump-box, where it is combined with the water recovered from the lead, zinc, and pyrite pressure filters. Subsequently, the water is pumped into the process water tank for reuse in the process.
17.16Shipment of lead, zinc, and pyrite concentrates
Lead and zinc concentrates are stored in separate concentrate storage areas with capacity for seven days of operation. The shipment of concentrates is carried out from Monday to Saturday using a front-end loader and specialized concentrate trucks, which transport the concentrates directly to a smelter or to a port or rail system for onward shipment.
Pyrite concentrates are similarly stored, with a first successful concentrate shipment recently achieved.
17.17Process flowsheet and tailings storage
The underflow of the tailings thickener is pumped to the tailings storage facility, where the discharge is performed at the perimeter of the facility. A downstream construction method as described in Section 18 is used for the impoundment dike and the water is recovered by a floating pontoon. The recovered water flows under gravity to a channel that leads to a process water pond for reuse in the process. Figure 17.1 shows the process flow sheet.
amcconsultants.com    168


image_48.jpgJuanicipio Mineral Resource and Mineral Reserves NI 43-101 Technical Report
MAG Silver Corp.    0723032

Figure 17.1    Process flowsheet
figure171.jpg
Source: Fresnillo, 2022.
amcconsultants.com    169

Juanicipio Mineral Resource and Mineral Reserves NI 43-101 Technical Report
MAG Silver Corp.
0723032

figure1712.jpg

Source: Fresnillo, 2022.

17.18Mineral processing schedule and recovery
The QP notes that, for the financial model, a variable recovery is applied on an annual basis based on the projected head grade. The average LOM recoveries used to estimate payable metal in the financial model are 84.4%, 86.6%, 86.8%, and 72.3% for Au, Ag, Pb, and Zn, respectively. This includes gold and silver recovery from the pyrite concentrate, for which the process has been in an optimization phase.
amcconsultants.com    170

Juanicipio Mineral Resource and Mineral Reserves NI 43-101 Technical Report
MAG Silver Corp.
0723032

The Juanicipio processing plant commenced operation in March 2023. Prior to that date, Juanicipio ore was largely processed at the neighbouring Saucito plant.
Figure 17.2 shows the monthly Juanicipio plant feed rate for March 2023 to January 2024 compared to the nominal designed feed rate of 4,000 tpd. The QP notes the range of daily averages is tightening and the average production increasing and attaining the nominal figure of 4,000 tpd as operators conduct the optimization process.
Figure 17.2 Juanicipio plant feed rate – March 2023 to January 2024
figure172.jpg
Source: Fresnillo, 2024.

Figure 17.1 shows monthly Juanicipio plant feed data for the 2023 operating months (March to December). Total plant feed for the plant operating period was 956,914 t. Average grades for the period were 1.28 g/t Au, 489 g/t Ag, 1.20% Pb, 2.14% Zn, and 6.23% Fe. Average planned grades from Juanicipio mining for 2023 (January to December) were 1.21 g/t Au, 434 g/t Ag, 1.10% Pb, and 1.99% Zn.
Table 17.1 Juanicipio plant feed

Parameter
Unit
Mar
Apr
May
Jun
Jul
Aug
Sep
Oct
Nov
Dec
2023
Throughput
t
64,830
89,055
84,544
93,371
96,258
102,973
97,708
103,959
113,651
111,565
956,914
Gold grade
g/t
0.89
1.20
1.23
1.23
1.25
1.34
1.34
1.25
1.38
1.47.
1.28
Silver grade
g/t
286.85
532.79
526.52
497.15
517.22
507.72
560.36
506.14
471.87
432.99
488.92
Lead grade
%
0.49
0.85
1.13
1.11
1.22
1.32
1.50
1.65
1.35
1.06
1.20
Zinc grade
%
1.01
1.56
2.12
2.01
2.11
2.19
2.57
2.99
2.46
1.89
2.14
Iron grade
%
4.88
5.49
5.95
5.88
5.67
5.90
6.84
7.38
7.32
6.15
6.23
Source: Fresnillo, 2024.
Numbers may not compute exactly due to rounding.
amcconsultants.com    171

Juanicipio Mineral Resource and Mineral Reserves NI 43-101 Technical Report
MAG Silver Corp.
0723032

Figure 17.3 shows projected recovery values from test data (dashed red lines), and ranges of daily average gold and silver plant recoveries for the period from March 2023 to January 2024, and Figure
17.4 shows projected recovery values from test data (dashed red lines), and ranges of daily average lead and zinc plant recoveries for the same period.
Figure 17.3    Juanicipio Au and Ag recoveries - March 2023 to January 2024
figure173.jpg
Source: Fresnillo, 2024.
amcconsultants.com    172

Juanicipio Mineral Resource and Mineral Reserves NI 43-101 Technical Report
MAG Silver Corp.
0723032

Figure 17.4 Juanicipio Pb and Zn recoveries – March 2023 to January 2024
figure174.jpg
Source: Fresnillo, 2024.

Table 17.2 shows average monthly plant total recoveries (before payables adjustment) for March to December 2023. Gold, silver, lead, and zinc recoveries averaged 69.4%, 87.6%, 89.9%, and 90.5%, respectively, for the period, compared to planned values of 75.8%, 87.1%, 86.3%, and 74.5%, respectively, for 2023 January to December.
Table 17.2 Juanicipio plant total recoveries – March to December 2023

ParameterUnit
Mar
Apr
May
Jun
Jul
Aug
Sep
Oct
Nov
Dec
Gold recovery
%
73.6
71.1
69.7
66.3
64.6
73.0
68.8
68.1
68.5
71.4
Silver recovery
%
85.0
88.3
87.8
87.2
87.9
90.3
88.1
85.3
86.1
89.0
Lead recovery
%
81.0
86.2
87.0
87.6
89.4
92.7
94.3
91.7
90.7
93.5
Zinc recovery
%
80.6
83.1
89.5
91.6
88.3
94.1
93.3
89.6
94.3
94.9
Notes: Before payables adjustment.
Numbers may not compute exactly due to rounding. Source: Fresnillo, 2024.

Figure 17.5 shows the monthly range of daily average grade of lead in lead concentrate and zinc in lead concentrate (“Ley de Pb en Pb y Zn en Pb” – graph title in Spanish) from March 2023 to January 2024. Excluding the start-up month of March, lead content exceeded the planned value of 33.75% and ranged from 38% to 52%. Zinc content was generally in the planned range from 4.84% Zn to 12.0% Zn and ranged from 7% to 14%.
amcconsultants.com    173

Juanicipio Mineral Resource and Mineral Reserves NI 43-101 Technical Report
MAG Silver Corp.
0723032

Figure 17.5 Lead concentrate grade
figure175.jpg
Source: Fresnillo, 2024.

Figure 17.6 shows the monthly range of daily average grade of zinc in zinc concentrate and lead in zinc concentrate (“Ley de Zn en Zn y Pb en Zn” – graph title in Spanish) from March 2023 to January 2024. With the exception of the start-up month (March 2023), zinc content exceeded the planned value of 49.71% and ranged from 49% to 53%. Lead content generally met the planned limit of 1.31%.
amcconsultants.com    174

Juanicipio Mineral Resource and Mineral Reserves NI 43-101 Technical Report
MAG Silver Corp.
0723032

Figure 17.6    Zinc concentrate grade
figure176.jpg
Source: Fresnillo, 2024.

A summary of the LOM projected concentrate produced in dry metric tonnes (dmt) per year together with the payable metal is provided in Table 17.3.
amcconsultants.com    175


    
Juanicipio Mineral Resource and Mineral Reserves NI 43-101 Technical Report
MAG Silver Corp.
0723032


Table 17.3    Projected LOM concentrate production and payable metal by year

Concentrate
Unit
Total
2023
2024
2025
2026
2027
2028
2029
2030
2031
2032
2033
2034
2035
Lead concentrate
dmt
878,634
21,474
40,969
45,277
62,983
87,465
95,340
84,266
84,737
75,895
80,373
91,073
89,323
19,462
Zinc concentrate
dmt
1,034,890
28,851
52,388
51,284
70,645
97,250
117,303
102,069
95,708
95,648
91,095
98,771
108,732
25,147
Iron concentrate
dmt
1,478,600
3,054
76,781
142,796
147,751
134,190
139,736
136,577
130,424
144,998
151,492
128,585
115,787
26,429
Gold metal payable
kg
17,313
710
1,334
1,378
1,483
1,393
1,861
1,507
1,519
1,538
1,479
1,428
1,288
393
Silver metal payable
kg
2,893,054
308,992
411,966
392,187
309,220
282,782
190,021
146,015
193,060
157,212
184,517
192,055
101,710
23,317
Lead metal payable
t
326,141
7,647
14,749
16,300
22,674
32,362
37,183
32,021
31,014
27,778
29,738
33,242
33,943
7,493
Zinc metal payable
t
449,413
12,149
22,556
22,242
30,585
42,693
50,675
44,400
41,920
41,320
39,258
42,886
47,814
10,914
Notes:
2023 concentrate values are ‘Actuals’ from June to December as per Fresnillo.
Numbers may not compute exactly due to rounding. Source: Fresnillo / AMC, 2024.
amcconsultants.com    176

Juanicipio Mineral Resource and Mineral Reserves NI 43-101 Technical Report
MAG Silver Corp.
0723032

17.19Mineral processing conclusions and recommendations
AMC visited Juanicipio in February 2024 and conducted an inspection of the Juanicipio plant. The facility was observed to be clean, well maintained and being operated in a safe and orderly manner. A site-wide maintenance record-keeping, planning and execution system utilizing industry standard software is fully implemented.
The designed throughput rate for the Juanicipio plant is 4,000 tpd. Daily averages increased during the commissioning and ramping up of the new plant (see Figure 17.2) and have demonstrated achievement of designed performance.
Total gold recovery (before payables adjustment) averaged 69.4% for March to December 2023 compared to the planned value of 75.8%. However, recoveries have improved as ramp-up and optimization of plant circuits have progressed (see Figure 17.3), with gold recovery in December 2023 averaging 71.4% (silver at 89.0%, lead at 93.5%, zinc at 94.9%).
Total recoveries for March to December 2023 (before payables adjustment) for silver, lead and zinc exceeded plan:
Silver recovery averaged 87.6% compared to the planned value of 87.1%.
Lead recovery averaged 89.9% compared to the planned value of 86.3%.
Zinc recovery averaged 90.5% compared to the planned value of 74.5%.
Excluding the start-up month of March 2023, lead content of lead concentrate exceeded the planned value of 33.75% and ranged from 38% to 52%. Zinc content was generally in the planned range from 4.84% Zn to 12.0% Zn and ranged from 7% to 14%.
Excluding the start-up month of March 2023, zinc content of zinc concentrate exceeded the planned value of 49.71% and ranged from 49% to 53%. Lead content generally met the planned limit of 1.31%.
Commissioning and ramp-up have generally gone well, with the plant achieving designed throughput and designed silver, lead and zinc recoveries and concentrate grades. The QP acknowledges the continuing testing and process development being conducted by the plant’s operators to improve all processing aspects, including for gold recovery, and recommends continuation of the program.
The pyrite circuit has initially been in an optimization phase, with delivery to, and acceptance of a first pyrite concentrate shipment by, an off-shore purchaser recently achieved.
amcconsultants.com    177

Juanicipio Mineral Resource and Mineral Reserves NI 43-101 Technical Report
MAG Silver Corp.
0723032

18Project infrastructure
18.1Site layout
A 6.5 km access road, mostly over hilly terrain, accesses the underground main declines portal area from the mill, with the plant site being connected to the main highway by a 1.4 km road. Both the
1.4 km two lane sealed road, which is suitable for use by heavy vehicles, and the access road to the main portals are fully constructed and in operation.
The Juanicipio processing plant has been operating since March 2023, with an average of 3,580 tpd being achieved in the last quarter of 2023. As noted, it is located approximately 6.5 km from the underground decline portals, and it is approximately 400 m from the conveyor drive portal. Delivery of ore from underground at full production will be via the conveyor in the conveyor decline, which will be constructed in 2024 to 2025. Until the conveyor is fully operational, ore is continuing to be trucked to surface.
The site layout, showing the mill location relative to the existing mine, twin decline portals and conveyor portal, is shown in Figure 18.1.
amcconsultants.com    178

Juanicipio Mineral Resource and Mineral Reserves NI 43-101 Technical Report
MAG Silver Corp.
0723032

Figure 18.1    Site general layout
figure181.jpg
Source: AMC, 2022 – initial drawing from MAG Silver.
amcconsultants.com    179

Juanicipio Mineral Resource and Mineral Reserves NI 43-101 Technical Report
MAG Silver Corp.
0723032

18.2Power supply
The electrical supply system for the Juanicipio project has been developed in stages as the project has progressed. The initial system, with power sourced from a nearby mine, was used to develop the first decline. Power is currently supplied to a main substation at the processing site via a 115 kilovolts (kV) overhead power line connected to the state-owned power grid. From the mill, a
13.2 kV power line has been extended to the conveyor drive, with a similar line to the main mine portals location.
The final estimated power demand for the site when the mine is fully constructed is shown in Table 18.1.
Table 18.1 Estimated site power demand

Purpose
Total attached load (kW)
Estimated load factor
Average load (kW)
GWh per annum
Mine ventilation
5,040
78%
3,926
33.1
Mine dewatering
5,356
28%
1,510
9.4
Material handling
6,865
83%
5,708
48.7
Shaft sinking1
1,620
26%
426
N/A
Mining equipment
3,025
18%
551
4.8
Other underground2
175
75%
131
1.2
Underground total
22,081
55%
12,252
97.3
Mill
11,989
70%
8,400
70.6
Surface infrastructure
515
60%
310
2.2
Total
34,585
61%
20,962
170.1
Notes:
1 Additional loads for potential future shaft sinking, dependent on further materials handling studies. These are not included in annual power consumption estimates, as loads would be temporary.
2 Includes lighting panels and other miscellaneous loads.
Attached and average loads are based on peak demand.
Annual power consumption is based on typical operating demand.

As noted, there are two 13.2 kV feeders for the mine: an overhead pole line to deliver power from the mill to the main access portal area and surface ventilation fans, and a second pole line to the conveyor portal. This arrangement provides some degree of redundancy using cross-feed switchgear. The mill is powered directly from the mill substation.
Detailed electrical single-line diagrams that reflect the power distribution were developed for construction purposes, with associated designs for electrical switch gear, transformers, and reticulation.
18.3Communications systems
The development declines are furnished with a Leaky Feeder system that is extended underground via one feeder line with amplifiers spaced between ultra-high frequency (UHF) coax cable segments at no more than 350 m intervals.
Fibre-optic cable has been installed from the mill control room to the underground mine via the conveyor decline and via the mine overland power line, which extends past the entrance to the conveyor decline and out to the underground mine main portal area. The fibre-optic cable fed into the underground mine from two locations provides some redundancy and greater communications reliability. Should one of the fibre-optic lines be damaged, communications service will continue with the remaining line.
amcconsultants.com    180

Juanicipio Mineral Resource and Mineral Reserves NI 43-101 Technical Report
MAG Silver Corp.
0723032

The underground wireless network infrastructure consists of:
Voice over Internet Protocol (VoIP) mine phones.
Programmable logic controllers (PLC) for control of pumps, ventilation doors and start and / or stop of main fans.
Electrical substation monitoring.
Closed-circuit television (CCTV) system inside the mine.
Conversion to Wi-Fi which in turn connects tablets (chat, video calls, IP PBX calls, Apps), Smart cables, vehicle location night vision device (NVD) and People location (via cap lamp).
An IP PBX is a system that connects telephone extensions to the public switched telephone network and provides internal communication for a business.
Asset and personnel tracking capability.
Radio communications capability has been established underground by a wireless digital, Local Area Network (LAN) protocol Wi-Fi compatible system.
The backbone of the network comprises gigabit network switches connected by a composite cable that runs fibre and power to each device. Each switch also houses up to two wireless radios, giving pervasive wireless coverage along travelways. This also provides the ability to make continuous VoIP telephone calls from the portal to the face, and to have full asset and personnel tracking capability. The system also has redundancy to maintain operation if the fibre cable is damaged.
18.4Water supply
In 2023, the majority of Juanicipio process and operational water requirements was sourced from dewatering underground workings, with the water used primarily for mine development and dust control. Juanicipio also purchased potable well water from third parties for mine development and domestic use.
With completion of a Reverse Osmosis plant in 2023 and optimizing the consumption of treated municipal wastewater, all process water requirements are satisfied through the exclusive use of treated wastewater, currently eliminating any freshwater requirements from third parties. There are two additional wastewater treatment plants on site to reuse service water for dust control and irrigation of green spaces on the property. In 2022, Juanicipio water use was 397,300 m3, with 2023 consumption anticipated to be similar at approximately 1,200 m3 per day. Potable water is purchased from local providers as required.
18.4.1Dewatering
The groundwater inflow into the mine was estimated using pre-drilling ahead of ramp development. SRK conducted the groundwater studies and provided the predrilling program. There have been two temporary pump stations in operation that together can handle 2,500 gallons per minute (gpm). The main pump station on 1850 Level has three pumps installed with a fourth available on stand-by. The current capacity is 5,000 gpm. A second permanent pump station is planned for 1650 Level that will pump to the 1850 Level station. A main pump station is also planned at the bottom of the mine (1250 Level) with a capacity of 2,500 gpm. It is estimated that the current and planned pump stations should provide sufficient capacity for the life of the mine.

The overall plan for handling groundwater is an advanced dewatering strategy that will largely depend on accessing the lower levels of the mine well ahead of stope production. This early development approach provides a means for installing a series of dewatering holes and sumps that will dewater sections of the mine prior to production mining. The risk of flooding will be partially mitigated by this early development strategy and by the provision of spare pumping capacity.
amcconsultants.com    181

Juanicipio Mineral Resource and Mineral Reserves NI 43-101 Technical Report
MAG Silver Corp.
0723032

18.5Compressed air
Mobile electrical compressors supply compressed air for the underground operations and primary equipment such as longhole drills have their own mobile compressors. The main compressor is located near the No 2 fan on surface above the main portal and twin declines. Air supply to the underground workshop is from this compressor via the main decline.
18.6Stockpiles
Provision for an 8,000-tonne ore stockpile has been made to provide a two-day buffer between the underground mine production and the plant. Ore transported to surface via the underground conveyor will be transferred to the surface conveyor feeding the mill stockpile. The stockpile design includes a geodesic dome cover to control dust emissions.
A total of approximately 5.1 Mt of waste rock is expected to be produced over the mine life. Waste rock produced during the initial development period has been used for road and tailings dam construction or stockpiled on surface. Later in the mine life, any waste rock produced will be backfilled to stopes and mined out areas or stored on surface. Temporary waste rock storage areas have been designed near the main portal.
18.7Tailings storage
The Juanicipio TSF site is located immediately to the west of the processing plant, at the foot of the local mountain range which rises to the south with natural slopes between 2% to 7%. The dam is designed in a “U” shape with constructed embankments on the west, north, and east sides, and supported by the natural hillside to the south. The TSF is designed for two construction and operational phases, denoted Stages 1 and 2. Stage 1 will be constructed to a crest elevation of 2,217 m amsl and will have a maximum height of approximately 33 m. When the facility is at its ultimate configuration (Stage 2), the maximum height of the dam will be approximately 38 m, with a crest elevation of 2,222 m amsl.
The Canadian Dam Association (CDA) Application of Dam Safety Guidelines to Mining Dams (CDA, 2014) was used to establish the risk classification of the TSF. The Juanicipio TSF classifies in the "Extreme" consequence category, mainly due to its proximity to the processing plant on the east side of the facility and the “El Obligado” community to the north of the TSF.
The Stage 1 dam may be considered a starter dam, encircling three sides of the geomembrane-lined tailings storage basin; the fourth side of the facility is created by the natural hillside slope. The final facility will be completed via a 5 m downstream raise of the Stage 1 dam, known as Stage 2. For both the Stage 1 and Stage 2 configurations, the upstream and downstream slopes of the dam are designed to 2.5:1.0 H:V, with a crest width of 10 m.
Due to a series of ephemeral streams located on the TSF property that require construction permits from the Comisión Nacional de Agua (CONAGUA) to allow construction within their waterways, Stage 1 of the TSF was divided into two adjacent cells, referred to as Cell 1 and Cell 2. Construction of Cell 1 was completed in December 2022 in the western part of the facility, where the ephemeral streams are not impacted by construction; therefore, no permits were required from CONAGUA. The QP understands that all permitting documentation for construction of Cell 2 has been submitted and is expected to be approved in Q1 2024. Cell 2 will join with the north-east corner of the Cell 1 dam to form the complete Stage 1 starter dam. Construction of Cells 1 and 2 during Stage 1 implies that there will be an intermediate berm between the two cells, which serves as the eastern wing of Cell 1 during its operation. Only the outer embankments of the TSF will be raised during Stage 2 construction; thus, this intermediate berm will be covered with tailings during Stage 2 operations of the TSF.
amcconsultants.com    182

Juanicipio Mineral Resource and Mineral Reserves NI 43-101 Technical Report
MAG Silver Corp.
0723032

Near-surface site geology consists of conglomerated sandstone and colluvium, while volcanic units are found at greater depths. The design of the Juanicipio TSF considers a large, graded excavation within the sandstone and colluvium, around which the three sides of the dam are constructed. This excavation produces structural fill for the dam and increases the tailings storage capacity of the facility. It is possible that excavation of the tailings basin will not produce sufficient volume of fill for construction of the Stage 2 raise, and thus external borrow sources may be needed to complete the final dam construction.
The Juanicipio TSF features a homogeneous dam (i.e., non-zoned) founded upon native materials. Following site stripping, foundation preparation consists of removing all unsuitable soil strata (i.e., loose, caliche-rich) until reaching a competent layer as determined by site engineers. The dam contains a basal drainage system, consisting of a blanket drain built below the downstream portion of the dam to control potential seepage. Seepage that reaches the blanket drain is conveyed to collection drains along the outer perimeter of the dam, and then discharged into geomembrane-lined collection ponds. Seepage collected in the ponds is recirculated to the TSF, to the processing plant, or, as permitted by geochemical testing and regulations, discharged directly into the downstream environment.
Geochemical testing on the Juanicipio tailings indicates they are potentially acid generating. Hydrogeochemical transport modelling, considering geochemical properties of the tailings and the hydrogeological characterization of the foundation units, demonstrated that lining of the TSF is necessary to prevent contamination of groundwater downstream of the facility. Both the upstream slope of the dam and the entire tailings basin are lined with a 2.0-millimetre-thick, linear low-density polyethylene (LLDPE) geomembrane, which is textured on both sides. The soil surfaces upon which geomembrane is installed are moisture conditioned and compacted to provide intimate contact between the liner and the substrate.
Geotechnical instrumentation, consisting of open standpipe piezometers, vibrating wire piezometers, and survey monuments, has been installed within the TSF, and in its proximity, to monitor the performance of the facility. The piezometers monitor phreatic levels within the dam, groundwater levels, and are also used as part of the groundwater quality monitoring program. Additional instrumentation consisting of seepage flowmeters and accelerometers are considered for future installation.
As per results of laboratory testing on the tailings, a dry tailings density of 1.4 tonnes per cubic metre was used for deposition modelling. The total estimated storage capacities of Stage 1 – Cell 1, Stage 1 – Cell 2, and Stage 2 at projected deposition rates are 14 months, 47 months, and 30 months, respectively, making for a total storage life of approximately 7.6 years. Based on the project's design criteria, the total anticipated production of tailings for surface storage is 12.2 Mt, which will occur over approximately 13 years. Due to property restrictions on the TSF footprint, current projections indicate that the ultimate configuration (Stage 2) will provide up to 8.5 Mt of storage, or approximately 7.6 years of operations. The remaining required tailings storage will come from potential deepening of the Cell 2 basin, expansion to the existing TSF through construction of an adjacent cell, and / or from an additional raise of the dam.
The QP notes that, with respect to potential deepening of the Cell 2 tailings basin, site investigation work completed in 2023 indicated that such deepening could provide additional tailings storage and produce sufficient fill for the Stage 2 raise of the TSF. Conceptual engineering of the deepened Cell 2 basin by Knight Piésold suggests that more than a year of additional tailings storage could be added to the TSF. Detailed engineering of the Cell 2 basin deepening has been authorized by Minera Juanicipio.
amcconsultants.com    183

Juanicipio Mineral Resource and Mineral Reserves NI 43-101 Technical Report
MAG Silver Corp.
0723032

Stage 1 – Cell 1 of the TSF is currently in operation with limited remaining capacity. Partial construction of the Stage 1 – Cell 2 dam and tailings basin has been completed in areas where the CONAGUA permit is not required. Because the Stage 1 – Cell 2 facility will not be ready by the time the Stage 1 – Cell 1 facility reaches maximum capacity, an alternate option for tailings deposition has been negotiated with the neighbouring mine. An engineered pipeline was designed to transport tailings with the existing pumps at the Juanicipio processing plant to the neighbouring mine’s TSF. Construction of the pipeline, pressure reduction stations, and leak collection bays is currently complete, and the pipeline is ready to be commissioned.
Surface water management at the TSF is facilitated primarily by two non-contact diversion channels, one along the east side of the dam and the other along the south end and west sides of the facility. The channels are verified to accommodate run-on from the 1,000-year storm event as required by CONAGUA. The east diversion channel is concrete-lined and the south / west channel is geotextile and riprap lined to deter erosion. Both channels feature energy dissipators at their termini prior to flow discharging into the downstream native environment. The TSF does not contain an operational spillway as it has been designed to store rainfall and run-on associated with the 72-hour probable maximum precipitation (PMP).
The design contemplates a maximum elevation of tailings in contact with the dam of 2,221 m amsl, which maintains the required freeboard of 1 metre between the tailings beach and the dam crest. The design freeboard from the dam crest to the design supernatant pond is 2 metres; this freeboard complies with specifications in the Mexican standard NOM-141-SEMARNAT-2003 for TSFs in humid areas (SEMARNAT, 2003). Results of the site-specific water balance confirmed that the required pond freeboard is met if the 72-hour PMP were to occur. During normal conditions, it is anticipated that the average operational pond elevation will maintain a minimum freeboard of 4 metres.
The tailings are deposited in the TSF by a series of spigots (discharge points) located along the perimeter of the facility. Tailings are generally deposited from the north and east sides of the facility to form a tailings beach against the dam and push the supernatant pond towards the south-southwest, where water reclaim infrastructure is located. A combined system consisting of barges and floating suction elements (i.e., turrets) has been implemented for the recirculation of recovered water to the processing plant; the final number of barges and turrets required during the future stages of TSF operation will be evaluated according to the location of the pond and the requirements of the processing plant.
The current closure concept of the TSF considers a water-shedding revegetated cover. The design location of the pond in the south-west corner of the basin readily accommodates the construction of a cover that sheds water in this direction and allows for the excavation of a spillway in the natural terrain south-west of the facility. Construction of diversion channels sized for closure requirements, on the perimeter of the TSF, is also planned.
A section view and plan view of the TSF are shown in Figure 18.2 and Figure 18.3, respectively. Figure 18.2 Section view of the TSF layout and design
figure182.jpg
Source: Knight Piésold Ltd., 2024.
amcconsultants.com    184

Juanicipio Mineral Resource and Mineral Reserves NI 43-101 Technical Report
MAG Silver Corp.
0723032

Figure 18.3    Plan view of the TSF layout and design
figure183.jpg
Source: Knight Piésold Ltd., 2024.
amcconsultants.com    185

Juanicipio Mineral Resource and Mineral Reserves NI 43-101 Technical Report
MAG Silver Corp.
0723032

18.8Other surface facilities
An office complex is located close to the mill. This complex accommodates the metallurgical staff and the site laboratory. A training facility is also located near to the mill that provides mock-up emergency and mine rescue training and teaching. Sandvik simulators for operating major equipment including trucks, loaders and drilling equipment are in the training facility.
The mine administrative office complex is located near the main decline portals. This complex houses staff for mine engineering, geology, mine operation, and maintenance supervision. Other facilities at the main portal area include contractor lay-down and office areas, the main surface workshop, emergency and medical facilities, mine dry and lunchroom. Security gates provide controlled access to the mine site at both the main decline portals and the access road to the mill.
18.8.1Workshops and fuel storage
A surface workshop near the main decline portals is constructed to facilitate all major and minor mobile fleet repairs and rebuilds. Equipment that regularly exits the mine, such as the haulage fleet and light vehicles, is serviced at the surface shop, while equipment such as production scoops, jumbos, and production drills is generally serviced in the underground workshop.
Although a main maintenance area is located on surface, all major scheduled planned maintenance and rebuilds will take place in the underground workshop on 1850L, which is currently approaching completion. The workshop is fully operational and is being fitted out with offices and training rooms. The workshop acts as the parking area for the major equipment, to reduce travel time during shift changes. The workshop is also fitted with lunchroom, workstations, communications room, and emergency facilities.
A 110-kL fuel storage and dispensing facility is established near the portal area. The tank is double-walled, and installed in combination with appropriate pumps, emergency shut-off mechanisms, concrete containment area, and fire suppression equipment.
18.8.2Water and sewage treatment
A water treatment facility has been designed to treat all mine and mill water prior to discharge into the environment to ensure it meets regulatory standards. The water treatment facility is fully operational, and all water is reclaimed for use in the mill and mine. Raw sewage water is also treated on site prior to use.
18.9Explosives magazines
Separate explosives magazines have been developed for detonators and high explosives (ANFO and packaged emulsion explosives). The primary explosives magazine has a concrete floor and is fitted with an overhead manual lifting system for handling bulk ANFO explosive. The underground explosives magazines are located at 1920 Level. A secure explosives storage facility is also located on surface, north of the main access portals and is under national guard.
18.10Mine safety
The primary emergency response facility is located near the main decline portals. This includes a fire engine and firefighting equipment appropriate for initial response to any mine or mill fire. Support from community-based fire departments will be coordinated as part of the major emergency response.
On surface there are also facilities for handling and dispensing first aid services. This includes a treatment room and an ambulance, which is outfitted appropriately for response to any emergency and for transport to an offsite medical facility as required.
amcconsultants.com    186

Juanicipio Mineral Resource and Mineral Reserves NI 43-101 Technical Report
MAG Silver Corp.
0723032

Surface provision has been made for the mine rescue team. Facilities and work benches for storage, inspection, and maintenance of mine rescue equipment such as breathing apparatus, gas testers, or lifting gear have been made available.
Refuge station chambers with 30-person capacity are used for emergencies; these chambers are portable for flexibility of location at the most appropriate areas of the mine.
18.10.1Emergency egress
Secondary egress is by one of the three portal declines and, in each zone, either up or down the zone ramps (one of three) and then across to either of the other declines via the footwall drives, which are inter-connected between the zones at regularly spaced vertical intervals.
18.10.2Stench system
An automatic stench gas warning system is installed on the supply side of the twin access decline portals, conveyor portal, and two fresh air raises. When fired, this system will release stench gas into the main fresh air system allowing the gas to permeate rapidly throughout the mine workings.
If the automatic system fails to release, two back-up measures are in place: manual firing of the system at the unit, allowing the stench gas to be distributed as above, and release of a gas cylinder by hand into the fresh air intake.
Once stench is released, underground mine personnel must report immediately to the nearest mine refuge station or surface, whichever is closer.
18.11Material handling system
The material handling system for ore is based around a nominal 4,000 tpd production capacity, which is equivalent to 216 tph, based on a capacity factor of 1.3 over a 24-hour operating period. This allows for excess capacity in the ore handling system relative to any potential disconnection between the mine and mill.
Prior to installation of the crusher and conveyor portal, all ore has been transported to surface at the development portal and along the surface mine road to the plant. The underground crusher is currently installed and operational. Once the underground conveyor is installed all ore will be transported from the various mining levels by truck to the crusher. The crushed material will then be placed on a load-out belt feeding two other conveyors to surface, with an overland conveyor providing final delivery of ore to the mill. Currently, all ore is hauled in trucks to the surface and then to the ore stockpile at the mill.
Later in the mine life, pending further trade-off studies, either an internal winze or vertical conveyor may be installed to allow hoisting of ore from the proposed loading pocket at 1366 RL. A second crusher station would be located at the bottom of the mine to accommodate this option. Material would be discharged at 1950 Level and fed directly onto the conveyor belt for transport out of the mine via the conveyor system. There is some available spare capacity built into the system that could be realized through increased running speed or hours of operation, with minimal increase in costs.
Development waste is either hauled to surface by trucks via the twin access declines or placed directly into stopes as backfill. All waste hauled to surface is used as construction material or stored near the main portals. Future waste required for subsequent backfilling will be dropped down a waste pass driven as close to the deposit as practicable, and then distributed to the stopes.
A flowsheet of the potential final ore handling system is shown in Figure 18.4.
amcconsultants.com    187

Juanicipio Mineral Resource and Mineral Reserves NI 43-101 Technical Report
MAG Silver Corp.
0723032

Figure 18.4 Ore handling schematic
figure184.jpg
Note: Either a winze or a vertical conveyor may be installed pending further trade-off studies The existing LOM plan excludes the UG winze in the actual ore handling system.
Source: AMC, 2021.

The conveyor belts are proposed to be 800 mm wide and to travel at 1.25 m/s. These parameters ensure that some spare capacity is available, allow mitigation of dust generation, and help control wear on the belt.
Sections of conveyor truss consisting of back-to-back channel steel are hung from chains connected to rock bolts in the back of the decline. Carry and return idlers span the truss forming a ridged structure. Careful adjustments and shims in the hangers allow the sections to be lined up so that the belt tracks along the idlers.
All conveyor belting will be constructed of fire-resistant material and sprinklers will be provided along the length of the belt. The conveyor will be hung so that mobile service equipment can travel alongside the belt. Fire protection monitoring will be provided so that the belt can be stopped to minimize any spread of a potential fire.
The first and second underground conveyors will transport, in series, ore out of the mine and onto a third conveyor that is located on the surface. The 388 m long surface conveyor will then transport ore to the 8,000-t capacity surface stockpile. The surface conveyor will be mounted on steel support structures and will be provided with a cover to prevent fine mineralization loss due to wind.
18.12Conclusions and recommendations
The QP considers that current infrastructure and plans for future additions and adjustments are appropriate to support the Juanicipio Mineral Reserves and their extraction.
The following recommendations are made:
Consider opportunities to optimize the materials handling system for deeper ore with an aim to reduce operating costs and increase efficiency.
Continue with advanced dewatering of the orebody to reduce the amount of heat introduced to the mine workings from ingress of hot groundwater.
Consider all options for necessary expansion of TSF capacity, with work to be completed in a timeframe that matches tailings disposal requirements.
amcconsultants.com    188

Juanicipio Mineral Resource and Mineral Reserves NI 43-101 Technical Report
MAG Silver Corp.
0723032

19Market studies and contracts
19.1Metal prices
Project economics have been assessed using the following metal prices, which were selected referencing current market and recent historical prices, values used in other recent projects, and forecasts in the public domain. The metal prices selected are considered by the QP to be reasonable.
Silver price = $22.00/oz
Gold price = $1,750/oz
Lead price = $1.00/lb
Zinc price = $1.15/lb
19.2Marketing
For economic assessment in this report, metal prices are assumed constant over the life of mine and, as such, no escalation or de-escalation is considered for the treatment charges of any of the three concentrates.
The representative market terms and conditions discussed below recognize the existing relationship that Minera Juanicipio has with local smelters in Torreón, Coahuila State, Mexico, and with other concentrate purchasing entities. Representative treatment and other terms for lead and zinc concentrates are shown in Table 19.1 and Table 19.2. Both lead and zinc concentrates are subject to minor treatment penalties for impurities. Penalty elements associated with the lead concentrate include arsenic, antimony, zinc, and cadmium. Penalty elements associated with the zinc concentrate include iron, arsenic, magnesium oxide, and cadmium.
The QP has reviewed payment conditions and accepts responsibility for use, in this report, of the representative terms set out in Table 19.1 and Table 19.2. The QP also confirms that these are the values used in the financial model.
Table 19.1 Lead concentrate – representative treatment terms

Treatment terms
Value
Gold payment terms (% of contained metal in concentrate)
95%
Minimum deduction from gold grade
1.0 g/t
Silver payment terms (% of contained metal in concentrate)
95%
Minimum deduction from silver grade
50 g/t
Lead payment terms (% of contained metal in concentrate)
95%
Minimum deduction from lead concentrate grade
3 units (%)
Penalties
$27.93/dmt
Lead concentrate treatment charge
$198.24/dmt
Miscellaneous / other
$0.90/dmt
Gold refining charge applied to payable gold metal
$17.11/oz
Silver refining charge applied to payable silver metal
$1.00/oz
amcconsultants.com    189

Juanicipio Mineral Resource and Mineral Reserves NI 43-101 Technical Report
MAG Silver Corp.
0723032

Table 19.2 Zinc concentrate – representative treatment terms

Treatment terms
Value
Gold payment terms (% of contained metal in concentrate) after deduction below
65%
Deduct from gold grade
1.5 g/t
Silver payment terms (% of contained metal in concentrate) after deduction below
70%
Deduct from contained silver in concentrate
124.4 g/dmt
Zinc payment terms (% of contained metal in concentrate)
85%
Minimum deduction from zinc concentrate grade
8 units (%)
Penalties
$10.53/dmt
Zinc concentrate treatment charge (includes price participation)
$319.89/dmt
Miscellaneous / other
$0.81/dmt

For pyrite concentrates, it has been envisaged that, on an ongoing basis, they will be sold to a customer able to recover gold and silver through blending with other concentrates. The pyrite circuit has initially been in an optimization phase, with delivery to, and acceptance of a first pyrite concentrate shipment by, an off-shore purchaser, recently achieved. The terms for that shipment included payment for 50% of the final silver and gold content in the concentrate. The same terms have been assumed for the economic assessment. It is acknowledged that silver-rich lead concentrate and zinc concentrate could be sold to smelters locally, in the Asian region, or elsewhere. For the purposes of this report, it is assumed that all lead, zinc, and pyrite concentrates over the LOM are transported to Torreón for smelting. Assumed concentrate transport costs and moisture content are shown in Table 19.3.
Table 19.3 Concentrate transport costs

Transport cost
Value
Lead concentrate
$36.76/wmt
Zinc concentrate
$35.68/wmt
Pyrite concentrate
$36.18/wmt
Moisture content for lead concentrates
12.5%
Moisture content for zinc concentrates
9.8%
Moisture content for pyrite concentrates
9.0%
amcconsultants.com    190

Juanicipio Mineral Resource and Mineral Reserves NI 43-101 Technical Report
MAG Silver Corp.
0723032

20Environmental studies, permitting, and social or community impact
Environmental investigations were undertaken on areas likely to be disturbed by the project. These included baseline environmental assessments and initial studies required under Mexican Environmental Laws for the plant site, inclusive of a Regional Environmental Impact Statement (MIA-R).
The mine is in a region that hosts several significant mining operations where the community is accustomed to mining activities. The QP is not aware of any environmental permitting or licensing requirements to which the Property has been or will be subject other than the normal permitting and licensing requirements as set forth by the Mexican Government for undertaking mine development and operations.
Fresnillo, on behalf of Minera Juanicipio, has confirmed that the project does not have any environmental obligations or liabilities identified to date.
Climate change aspects were not specifically addressed in the Mineral Reserve estimation, but the QP considers that, for Juanicipio, any impacts would not have a material effect.
The following indicates key permits and licenses for the project:
Land Purchasing agreements by Minera Juanicipio.
Authorization for the Juanicipio project obtained from the Ministry of Environment and Natural Resources - Secretaría de Medio Ambiente y Recursos Naturales (SEMARNAT) for the environmental impact assessment. This is outlined in document Oficio No. SGPA/DGIRA/DG/ 07005.
MIA-R required by the Environmental Authority.
Land Use Change Authorization by the Environmental Authority:
Underground Works Exploration (33.26 Has) Inactive: DFZ152-201/13/1428.
Minera Juanicipio Stage 1 (124.11 Has) Inactive: DFZ152-201/17/1707.
Minera Juanicipio Stage 2 (61.95 Has) Inactive: DFZ152-201/18/1550.
Minera Juanicipio Stage 3 (94.26 Has) Inactive: DFZ152-201/19/1591.
Restitution    and    Closure    Plan    validated    by    the    authority    through    Official    Letter SGPA/DGIRA/DG/07353.
20.1Land purchasing agreements
The operator has indicated that all the land included in the design and operation of the Juanicipio mine has been purchased. There is no further expected requirement in this regard.
amcconsultants.com    191

Juanicipio Mineral Resource and Mineral Reserves NI 43-101 Technical Report
MAG Silver Corp.
0723032

21Capital and operating costs
21.1Capital costs
AMC completed a capital cost estimate as part of the 2018 study work. Since then, Fresnillo has advanced the project through detailed engineering, project construction, and initial mine development and stoping leading to achievement of mine commercial production in mid-2023. Internal estimates for the remaining Juanicipio capital, inclusive of sustaining capital and as of 31 May 2023, total $453M. The details of the estimate have been reviewed by the QP and the estimate is considered to be reasonable.
The following are key aspects of the remaining project and LOM sustaining capital cost estimate:
Lateral and vertical development unit costs per metre were estimated referencing site actual costs based on contractor rates.
Major aspects of project capital requirements for remaining surface and underground infrastructure items (e.g. underground to surface conveyor system, tailings facility, etc.) and for sustaining capital have been based on the site information provided by Minera Juanicipio and verified by the QP.
All costs, unless otherwise stated, are in US dollars ($).
The estimated total remaining project capital and sustaining capital costs over the LOM are summarized in Table 21.1. The QP understands that a potential hoist or vertical conveyor system via a winze may still be considered for future operations, but no estimate of related costs is included.
Table 21.1 Remaining project capital and sustaining capital cost estimate

Area
Total ($M)
Total remaining project capital costs
40
Total sustaining capital costs
413
Total LOM capital
453
Note: Numbers may not compute exactly due to rounding.

Details of projected annual capital expenditure for the LOM are shown in Table 21.2 though Table
21.4. The conventional conveyor from underground to the mill is estimated to cost approximately
$34.3M, with installation planned from 2024 to 2025. It is noted that the conveyor cost is still preliminary and may be subject to change. This infrastructure is a critical item to complete to facilitate smooth production for the remainder of the LOM.
Table 21.2 LOM annual project capital cost estimate

Year
Mobile equipment purchases (capacity increase) ($M)
Mining infrastructure ($M)
Total project capital ($M)
2023
0.05
-
0.05
2024
1.80
15.79
17.59
2025
3.93
18.51
22.44
Total
5.78
34.30
40.08
Note: Numbers may not compute exactly due to rounding.
amcconsultants.com    192

Juanicipio Mineral Resource and Mineral Reserves NI 43-101 Technical Report
MAG Silver Corp.
0723032

Table 21.3    LOM annual sustaining capital cost estimate


Year
Mining development ($M)
Other mining activities* ($M)
Mobile equipment replacement & rebuilds ($M)
Mining infrastructure investment ($M)

Processing ($M)

G&A ($M)
Total sustaining capital ($M)
2023
14.39
4.69
-
5.72
8.86
0.52
34.18
2024
11.81
4.48
0.15
5.62
14.15
5.72
41.93
2025
14.29
4.95
0.67
1.56
12.85
3.99
38.31
2026
9.95
6.37
5.38
3.50
15.12
4.02
44.34
2027
8.25
6.13
5.34
3.00
9.77
4.07
36.56
2028
6.25
4.07
9.76
2.50
8.74
2.86
34.18
2029
9.52
4.68
5.21
2.50
8.73
2.84
33.49
2030
6.70
4.53
10.45
1.75
13.46
2.87
39.76
2031
9.61
7.20
7.68
1.75
8.41
2.64
37.28
2032
4.56
5.74
6.24
2.50
8.47
2.64
30.15
2033
2.08
8.37
1.40
1.00
5.56
2.39
20.80
2034
-
4.23
2.05
1.00
5.46
2.20
14.93
2035
-
2.13
0.07
-
3.55
1.28
7.04
Total
97.40
67.57
54.40
32.40
123.14
38.04
412.94
Notes: *Other mining activities include material handling, backfill, mine services, sustaining capital to maintain existing fixed plant, primary fans, etc.
Numbers may not compute exactly due to rounding.

Table 21.4    LOM annual capital cost estimate

Year
Total project capital ($M)
Total sustaining capital ($M)
Total capital cost ($M)
2023
0.05
34.18
34.23
2024
17.59
41.93
59.52
2025
22.44
38.31
60.76
2026
-
44.34
44.34
2027
-
36.56
36.56
2028
-
34.18
34.18
2029
-
33.49
33.49
2030
-
39.76
39.76
2031
-
37.28
37.28
2032
-
30.15
30.15
2033
-
20.80
20.80
2034
-
14.93
14.93
2035
-
7.04
7.04
Total
40.08
412.94
453.03
Note: Numbers may not compute exactly due to rounding.

21.2Operating costs
The operating costs used for the evaluation of project economics are based on actual operating costs and benchmark costs for similar operations in the area. Average LOM operating costs from the latest cost model for the 2023 Mineral Reserves are summarized as follows:
Mining - $63.32/t ore (excludes sustaining capital)
Processing - $12.15/t ore
General and Administration - $10.38/t ore
Total operating cost - $85.85/t ore
amcconsultants.com    193

Juanicipio Mineral Resource and Mineral Reserves NI 43-101 Technical Report
MAG Silver Corp.
0723032

For cut-off purposes, the average cut-off values used were $122/t for longhole stopes and $150/t for cut-and-fill stopes to also cover the LOM sustaining capital costs for mining, processing, and G&A, and the operating management fee (totaling $36/t). Similarly, marginal cut-off values generally above $93/t for longhole stopes and $121/t for cut-and-fill stopes are used.
Key factors related to the operating cost estimate are:
Mining operating cost projections have referenced Juanicipio experience to date and other operations in the area. Some mine operating unit costs have been provided by mine contractors.
Costs estimated for trucking and conveying again reference similar projects / operations in the area and contractor information, and with labour, equipment, and power projections reflecting the operator-modelled production schedule. Further optimization of the mine production plan is aimed at aligning steady-state production with the Juanicipio processing plant full capacity of approximately 4,000 tpd.
Diesel consumption cost was estimated at a unit rate of $1.03/L.
Power costs were estimated based on projected infrastructure power requirements and an estimated rate of $0.10/kWh provided by Minera Juanicipio.
Ore development rates reflect current operating experience and contractor rates.
Variable and fixed processing unit costs ($/t milled) were estimated based on actual processing experience.
Fixed G&A costs ($/year) including site administration, human resources, finance and purchasing, general maintenance, security, safety, and environment, insurance, and are based on actual costs.
Operating costs were estimated for the underground conveyor and crushers at $0.71/t ore conveyed. The cost excludes maintenance labour and operating labour. Operating cost improvements may be anticipated once the conveyor is installed and commissioned.
The details of the LOM operating cost estimates have been reviewed by the QP and the estimates are considered to be reasonable.
21.2.1Mine site operating cost summaries
LOM site operating cost totals and average unit costs ($/t milled), by major area, are shown in Table 21.5.
Table 21.5 LOM site operating costs by major area

Department
$M
$/t milled
Mine
972
63.32
Process plant and surface equipment
187
12.15
General and administration
159
10.38
Total
1,318
85.85
Note: Numbers may not compute exactly due to rounding.
amcconsultants.com    194

Juanicipio Mineral Resource and Mineral Reserves NI 43-101 Technical Report
MAG Silver Corp.
0723032


Details of the estimated LOM annual operating costs are shown in Table 21.6. Table 21.6    LOM annual operating cost estimate

Year
UG
development ($M)
Other UG mining activities ($M)
Total UG mining ($M)
Processing ($M)
General and administration ($M)
Total operating cost ($M)
2023
22.84
42.23
65.07
14.24
12.17
91.48
2024
23.84
69.41
93.26
16.05
13.72
123.03
2025
20.57
66.29
86.86
14.72
12.58
114.16
2026
22.38
62.75
85.13
14.66
12.53
112.31
2027
23.11
61.34
84.45
14.70
12.56
111.71
2028
24.29
61.60
85.89
14.82
12.66
113.37
2029
22.18
66.05
88.22
14.68
12.54
115.44
2030
17.31
67.00
84.31
14.75
12.61
111.67
2031
6.49
65.96
72.45
14.76
12.61
99.83
2032
6.27
68.04
74.31
14.75
12.61
101.67
2033
5.12
63.72
68.84
14.71
12.57
96.12
2034
5.02
63.05
68.07
14.51
12.40
94.97
2035
0.71
14.76
15.47
9.19
7.85
32.52
Total
200.12
772.21
972.33
186.54
159.41
1,318.27
Notes:
2023 numbers are ‘Actuals’ from June to December as indicated by Minera Juanicipio monthly reports.
Numbers may not compute exactly due to rounding.
amcconsultants.com    195

Juanicipio Mineral Resource and Mineral Reserves NI 43-101 Technical Report
MAG Silver Corp.
0723032

22Economic analysis
22.1Assumptions
All currency is in US dollars ($) unless otherwise stated. The cost estimate and projected revenue were prepared with a base date of Year 1 (2023) and use constant Year 1 dollars (no inflation). For net present value (NPV) estimation, all costs and revenues are discounted at 5% from the base date. Metal prices were selected after discussion with Fresnillo and MAG Silver representatives and referencing current market and recent historical prices, values used in other recent mineral projects reporting on SEDAR (‘System for Electronic Document Analysis and Retrieval’ in Canada), and forecasts in the public domain. A summary of the metal prices used in the economic model and in the Mineral Reserves estimation is shown in Table 22.1. An exchange rate of MXP19:US$1, a corporate tax rate of 30%, special mining duty of 7.5%, and 0.5% gross gold and silver revenue royalty have been assumed.
Table 22.1 Metal prices

Description
Unit
Mineral Reserves
Economics model
Gold price
$/oz
1,450
1,750
Silver price
$/oz
20
22
Lead price
$/lb
0.90
1.00
Zinc price
$/lb
1.15
1.15
22.2Economic analysis
Underground production of mineralized development material at the Juanicipio mine commenced in the third quarter of 2020 and commercial production was declared in mid-2023. The QP notes that the Juanicipio operations are still in ramp-up mode, with steady-date production and associated costs and revenue not yet fully realized in practice.
The main metrics used to summarize the economic modelling are the discounted and non-discounted NPV, both pre-tax and post-tax. To facilitate assessment of economic viability, production physicals from the EPS schedule as of 31 May 2023 were uploaded into a simplified economic model. The start date for the economic analysis is 1 June 2023, with all discounted metrics reflecting that start date. For simplicity, the period June to December of 2023 is treated as a full year when applying discounting. The economic model includes current estimates for LOM capital and operating costs. 2023 ore production and operating cost values in the economic model are ‘Actuals’ from June to December as indicated by Minera Juanicipio monthly reports. The results of the analysis show that the project continues to maintain positive and robust economics.
Over a 13-year operating life, the mine is projected to generate approximately $2,116M in undiscounted pre-tax cash flow ($1,570M post-tax), with a NPV at 5% discount rate of $1,656M pre-tax and $1,224M post-tax. Total remaining project capital together with sustaining capital is estimated at $453M. Key assumptions and results of the mine economic assessment are provided in Table 22.2. The LOM annual cash flow projection is presented in Table 22.2.
amcconsultants.com    196

Juanicipio Mineral Resource and Mineral Reserves NI 43-101 Technical Report
MAG Silver Corp.
0723032

Table 22.2    Key economic assumptions and results

Juanicipio deposit
Unit
2023 LOM evaluation
Total ore
kt
15,356
Total waste production
kt
5,222
Gold grade1
g/t
1.58
Silver grade1
g/t
248
Lead grade1
%
2.64
Zinc grade1
%
4.80
Gold recovery1
%
84.4
Silver recovery1
%
86.6
Lead recovery1
%
86.8
Zinc recovery1
%
72.3
Payable gold metal
koz
557
Payable silver metal
koz
93,014
Payable lead metal
M lbs
719
Payable zinc metal
M lbs
991
Revenue split by commodity
Gold
20%
Revenue split by commodity
Silver
42%
Revenue split by commodity
Lead
15%
Revenue split by commodity
Zinc
23%
Gross revenue
$M
4,879
Selling costs2
$M
773
Management fee7
$M
158
Capital costs ($40M remaining Project, $413M sustaining)
$M
453
Operating costs (total)3
$M
1,318
Operating costs (total)3
$/t
85.85
Depreciation expenses4
$M
1,175
Cumulative pre-tax net cash flow5
$M
2,116
Cumulative post-tax net cash flow5
$M
1,570
Pre-tax NPV @ 5% discount rate6
$M
1,656
Post-tax NPV @ 5% discount rate6
$M
1,224
Notes: Numbers may not compute exactly due to rounding.
Exchange rate MXP19:US$1. Metal prices: gold - $1,750/oz; silver 22/oz; lead - $1.00/lb; zinc - $1.15/lb.
1 LOM average recoveries to concentrates.
2 Selling costs include penalties, treatment, transportation, and refining costs.
3 Includes mine operating costs, milling, and mine G&A.
4 Depreciation expenses include remaining project capital, sustaining capital, and sunk capital costs and are used for calculating taxes only.
5 Undiscounted from 1 June 2023. Cash flow after employee profit sharing benefit (PTU).
6 Discounted from 1 June 2023. Depreciation expenses of $453M (for the remaining project and sustaining capital) and sunk costs of $840M (prior to 31 May 2023) are recognized in the tax calculations.
7 Management fee relates to the Operator Services Agreement for Fresnillo operation of the mine.
amcconsultants.com    197


Juanicipio Mineral Resource and Mineral Reserves NI 43-101 Technical Report
MAG Silver Corp.
0723032

Table 22.3 Juanicipio LOM production and cash flow forecast

Item
Unit
Total
2023
2024
2025
2026
2027
2028
2029
2030
2031
2032
2033
2034
2035
Ore mined
kt
15,356
746
1,285
1,303
1,294
1,300
1,318
1,297
1,308
1,309
1,308
1,302
1,272
316
Ore milled
kt
15,356
746
1,285
1,303
1,294
1,300
1,318
1,297
1,308
1,309
1,308
1,302
1,272
316
Development - lateral
m
139,745
12,029
15,382
16,189
16,467
15,824
15,645
15,515
11,586
7,196
6,048
3,871
2,990
1,002
Development - vertical
m
11,447
2,670
2,740
1,232
290
597
715
599
455
1,466
646
39
0
0
Waste mined
kt
5,222
591
446
698
500
497
449
587
565
426
295
113
41
15
Gold grade - milled
g/t
1.58
1.44
1.45
1.50
1.59
1.53
1.93
1.65
1.61
1.66
1.61
1.51
1.40
1.72
Silver grade - milled
g/t
248
513
403
373
300
287
198
155
198
169
200
210
114
105
Lead grade - milled
%
2.64
1.47
1.44
1.57
2.18
3.09
3.46
3.03
2.97
2.65
2.82
3.13
3.26
3.11
Zinc grade - milled
%
4.80
2.62
2.76
2.70
3.71
5.10
6.15
5.39
4.89
5.29
5.37
5.99
6.28
6.29
Gold metal payable
koz
557
23
43
44
48
45
60
48
49
49
48
46
41
13
Silver metal payable
koz
93,014
9,934
13,245
12,609
9,942
9,092
6,109
4,694
6,207
5,054
5,932
6,175
3,270
750
Lead metal payable
M lbs
719
17
33
36
50
71
82
71
68
61
66
73
75
17
Zinc metal payable
M lbs
991
27
50
49
67
94
112
98
92
91
87
95
105
24
Total gross revenue
$M
4,879
306
456
447
430
458
450
371
397
364
379
398
340
83
Selling costs
$M
773
26
46
49
59
74
81
71
70
67
68
73
73
16
Total net revenue1
$M
4,106
280
410
398
371
384
368
300
327
297
311
325
268
66
Operating costs
Underground mining
$M
972
65
93
87
85
84
86
88
84
72
74
69
68
15
Processing
$M
187
14
16
15
15
15
15
15
15
15
15
15
15
9
General and administration
$M
159
12
14
13
13
13
13
13
13
13
13
13
12
8
Total operating cost
$M
1,318
91
123
114
112
112
113
115
112
100
102
96
95
33
Management fee2
$M
158
8
13
13
13
13
13
13
13
13
13
13
13
8
Capital costs
Project capital
$M
40
0
18
22
-
-
-
-
-
-
-
-
-
-
Sustaining capital
$M
413
34
42
38
44
37
34
33
40
37
30
21
15
7
Total capital cost
$M
453
34
60
61
44
37
34
33
40
37
30
21
15
7
Undiscounted cash flow (pre-tax)3
$M
2,116
145
209
205
196
218
202
133
157
141
161
190
140
19
Discounted cash flow (pre-tax)5%
3
$M
1,656
145
199
186
169
179
159
99
112
96
104
117
82
10
Cumulative pre-tax NPV5%
$M
1,656
145
344
530
699
878
1,037
1,136
1,248
1,343
1,447
1,564
1,646
1,656
Undiscounted cash flow (post tax)
$M
1,570
108
142
141
143
161
153
110
124
116
132
129
97
16
Discounted cash flow (post-tax)5%
$M
1,224
108
136
128
123
132
120
82
88
78
85
79
57
9
Cumulative post-tax NPV5%
$M
1,224
108
243
371
495
627
747
828
917
995
1,080
1,159
1,216
1,224
Notes: Numbers may not compute exactly due to rounding. Year 2023 is part year. Metal prices: gold - $1,750/oz; silver 22/oz; lead - $1.00/lb; zinc - $1.15/lb.
1 Gross revenue less selling costs.
2 Management fee is $13M per year.
3 After recognition of PTU.
amcconsultants.com    198

Juanicipio Mineral Resource and Mineral Reserves NI 43-101 Technical Report
MAG Silver Corp.
0723032



22.3Selling costs and payabilities
Selling costs include penalties, treatment charges, refining charges, transport costs, and other miscellaneous costs. Terms and conditions for the selling costs and payabilities with respect to the lead, zinc, and pyrite concentrates are outlined in Section 19.
22.4Taxes, depreciation, and royalties
Total paid taxes are calculated as the following percentage of taxable income:
Juanicipio: 30% of taxable income
A $13M management fee is paid annually to Fresnillo as of the commercial production declaration date.
Two types of royalties are recognized:
Extraordinary Rights: 0.5% of revenue from gold and silver sales.
Special Mining Right: 7.5% of earnings after allowable expenses and before taxes.
The operation also pays a profit-sharing amount to their employees in the form of the PTU (‘Participación de los Trabajadores en las Utilidades), which is calculated as 10% of earnings before interest and taxes (EBIT). The PTU has an annual cap of three months’ salary.
Depreciation expenses were estimated using straight line depreciation at 10%. The remaining project and sustaining capital of $453M together with sunk capital costs of $840M were included in the depreciation expenses.
22.5Project sensitivities
The economics for Juanicipio are very robust, with sensitivity ranges from -30% to +30% assessed, as shown in Figure 22.1. The operation is most sensitive to silver price and silver grade, followed by operating costs.
amcconsultants.com    199

Juanicipio Mineral Resource and Mineral Reserves NI 43-101 Technical Report
MAG Silver Corp.
0723032



Figure 22.1    Project sensitivity chart
figure221.jpg
Source: AMC / Fresnillo, 2024.

22.6Conclusions and recommendations
Using the referenced production projections and cost estimates, Juanicipio has a post-tax NPV5% of
$1,224M (pre-tax $1,656M). Project economics are shown to be most sensitive to silver price and silver grade, followed by operating costs.
The QP has reviewed the overall economics for Juanicipio and provides the following related recommendations:
Maintain focus on achieving steady-state operations as soon as practicable to achieve full financial and operational benefit.
Complete construction of the planned conventional conveyor as soon as practicable to minimize operating costs and assist in maintaining production and mill feed targets.
Re-evaluate the usage of vertical conveyors or other viable materials handling options as the mine goes deeper.
Further drilling and investigation work aimed at upgrading Inferred Mineral Resources is recommended to consolidate the design basis for the project and, in particular, plans for, long term ore handling.
amcconsultants.com    200

Juanicipio Mineral Resource and Mineral Reserves NI 43-101 Technical Report
MAG Silver Corp.
0723032


23Adjacent properties
Fresnillo holds the mining concessions surrounding the Property. For many years, Fresnillo focused exploration activity on tracing the San Carlos vein to the west from the known Fresnillo mining centre and on exploration for parallel veins, both to the north and south of San Carlos (Figure 23.1). Fresnillo has been successful in following the San Carlos vein for over six kilometres and in discovering several parallel veins lying between the San Carlos and Saucito veins to the south. This includes the Jarillas vein, which was traced eastward from the Valdecañas vein and now appears to be the eastern extension of the Valdecañas vein. Fresnillo initially referred to the veins to the south of San Carlos, including the Juanicipio Joint Venture area, as its Fresnillo II development project (Fresnillo, 2009) but, since mid-2009, has referred to its 100% owned properties in that area as the Saucito project, separate from the Juanicipio Joint Venture.
The Saucito project lies west of the Fresnillo Mine and east of the Property (Figure 23.1). The project is made up of three main vein structures: El Saucito, Jarillas, and Santa Natalia. Smaller veins include Madroño and Mesquite. Fresnillo (Fresnillo, 2022) reported Proven plus Probable Ore Reserves (JORC reporting) for Saucito to be 13.66 Mt grading 264 g/t Ag, 1.17 g/t Au, 1.36% Pb, and 2.27% Zn. Measured plus Indicated Mineral Resources (JORC reporting) for Saucito were reported to be 21.10 Mt grading 289 g/t Ag, 1.54 g/t Au, 1.56% Pb, and 2.65% Zn. Inferred Mineral Resources (JORC reporting) were reported to be 26.15 Mt grading 276 g/t Ag, 1.04 g/t Au, 1.38% Pb, and 2.96% Zn. The Saucito operation consists of an underground mine and two flotation plants with a combined production rate around 7,800 tpd or 2,600,000 tpa. Fresnillo has built a circuit to produce pyrite concentrates at Saucito, with the aim of increasing recovery rates of gold and silver.
The QP notes that the Saucito tonnes and grade information referenced above is as per Fresnillo reporting in the public domain. The QP has no reason to doubt that information but has not undertaken independent verification. The Saucito information is not necessarily indicative of the mineralization on the Property that is the subject of this Technical Report.
amcconsultants.com    201

Juanicipio Mineral Resource and Mineral Reserves NI 43-101 Technical Report
MAG Silver Corp.
0723032



Figure 23.1    Adjacent properties
figure231.jpg
Source: MAG Silver, 2023.
amcconsultants.com    202

Juanicipio Mineral Resource and Mineral Reserves NI 43-101 Technical Report
MAG Silver Corp.
0723032


24Other relevant data and information
The QPs consider that there is no additional information or explanation to add at this time to make the Technical Report more understandable and not misleading.
amcconsultants.com    203

Juanicipio Mineral Resource and Mineral Reserves NI 43-101 Technical Report
MAG Silver Corp.
0723032


25Interpretation and conclusions
25.1Drilling
In the opinion of the QP, the drilling strategy and procedures used by Fresnillo on the Juanicipio Property conform to generally accepted industry best practices and are suitable for this deposit. The drilling information is sufficiently reliable, and the drilling pattern is sufficiently dense to interpret with confidence the geometry and the boundaries of silver, gold, zinc, and lead mineralization in the Valdecañas vein system, and Juanicipio vein. All diamond drillcore sampling was conducted by appropriately qualified personnel under the direct supervision of appropriately qualified geologists.
The QP is not aware of any drilling, sampling, or recovery factors that could materially impact the accuracy and reliability of diamond drilling results from the Valdecañas vein system, and Juanicipio vein.
25.2Sample preparation, analyses, and security
The QP considers sample preparation and analytical and security protocols employed by Fresnillo to be acceptable. The QP has reviewed the QAQC procedures used by Fresnillo including certified reference materials, blank, duplicate and umpire data and has made some recommendations. The QP does not consider these to have a material impact on the Mineral Resource estimate and considers the assay database to be adequate for Mineral Resource estimation.
25.3Data verification
The QPs consider the assay database to be acceptable for Mineral Resource estimation.
25.4Mineral Resources
Six veins have been estimated. All are classified as Inferred except for portions of the Valdecañas vein, which have been classified as Measured and Indicated. The development of the underground operation with dense drilling and underground sampling has enabled the classification of Measured Resources on this vein for the first time. Measured material consists of 8.5% of the Measured and Indicated material on this vein.
Since the last Mineral Resource reported by MAG Silver in 2018, Measured and Indicated tonnes have increased by 32.5%. The silver grades decreased by 27.4% and gold grades decreased by 11.4%, lead and zinc grades have increased by 37.0% and 44.6%, respectively. This reflects additional drilling in the lower, more base-metal-rich part of the deposit.
Inferred tonnes increased by 15.8%. In the Inferred category silver grades have decreased by 3.9%, lead grades have decreased by 2.0% and zinc grades have increased by 10%. The gold grades decreased in the Inferred Resource by 26.4%.
In regard to the management of the current Mineral Resource, reconciliation from the resource model to the short-term model and to what is actually produced is recommended to be pursued further.
25.5Mineral Reserve estimate
Mineral Reserves are reported at an NSR cut-off value of $122 for longhole stoping and $150 for cut and fill. Mineral Reserves are based only on Measured or Indicated Resources.
amcconsultants.com    204

Juanicipio Mineral Resource and Mineral Reserves NI 43-101 Technical Report
MAG Silver Corp.
0723032



The total Proven and the Probable Mineral Reserves are:
15.36 Mt at average grades of 1.58 g/t Au, 248 g/t Ag, 2.64% Pb, and 4.80% Zn.
Relevant dilution and mining recovery factors have been applied in the estimation of Mineral Reserves.
The QP considers that the Mineral Reserves for Minera Juanicipio as stated herein are consistent with industry standards and are suitable for public reporting purposes.
25.6Mining
The mine is accessed by two main declines and a conveyor decline. Procurement and installation of the conveyor in the decline will occur to Year 2024 to Year 2025.
Mechanized longhole stoping with waste backfill has been selected as the main mining method. Some cut and fill stopes are planned for thinner veins or Poor ground conditions.
Trade-off studies have identified that conveying the ore directly to the process plant from underground is economically and operationally advantageous compared to other arrangements.
Evaluation of the production rate and scheduling indicates that the deposit supports a plan at approximately 4,000 tpd.
All waste will be tipped directly into stopes or trucked to surface. There will be a deficit in the amount of waste required for backfilling estimated to be 4.2 Mt. It is assumed that additional waste will be mined from a small surface pit and dropped down a waste pass for distribution to the stopes.
Approximately 15.4 Mt of ore is projected to be mined and processed over the currently envisaged mine life of 13 years.
Initial development and all development over the mine life has been or will be completed by contractors. All stoping operations will be completed by the owner - this includes all waste rock filling.
Blasting will be undertaken primarily with ANFO and non-electric detonators. In conditions that are wet, bulk emulsion explosives will be utilized.
The ventilation system for Juanicipio is designed as a ‘pull’ system with primary exhaust fans
located on surface at the top of each primary exhaust raise.
With the infrastructure airflow and leakage and balancing allowances the total airflow determination based on the projected diesel fleet size is 550 m3/s whilst currently 491 m³/s is being circulated.
The mine is using modern trackless mobile equipment for the development and stoping operations.
The peak number of personnel is projected to be 1,569, inclusive of a peak estimated number for contactor employees of 1,056. Labour requirements are based on an operating schedule of two, 12-hour shifts per day, 360 days per year.
The underground workforce, as well as geology and survey, consists of three rotations working for 10-days on (5 day shifts and 5 night shifts) and 5-days off rotation. Remaining technical support staff, mining supervisors and general and administration employees work a 5-day per week schedule.
An underground waste materials balance study is recommended to further assess options for the backfill deficit.
A backfill study is recommended to further assess options for sill pillar recovery.
As the planned strategy for ventilation of the conveyor and crusher has recently changed, a review is recommended to confirm the overall ventilation strategy for the medium to long term.
amcconsultants.com    205

Juanicipio Mineral Resource and Mineral Reserves NI 43-101 Technical Report
MAG Silver Corp.
0723032



25.7Infrastructure
A 6.5 km access road, mostly over hilly terrain, accesses the underground main declines portal area from the mill, with the plant site being connected to the main highway by a 1.4 km road.
Power supply is to a main substation at the plant site via a 115 kV overhead power line from a pre-existing power line located to the north of the Property.
Service water is generated at site by reverse osmosis process. Raw sewage water is treated on site prior to use.
Potable water is purchased from local providers as required.
All mill tailings will be discharged to the TSF, which has a total projected volume of approximately 8.5 Mt in its ultimate configuration. Stage 1 – Cell 1 of the TSF is currently in operation with limited remaining capacity. Stage 1 – Cell 2 of the structure is partially constructed and will be finished when the necessary permit is obtained. During the period in which Cell 1 is at maximum storage capacity and Cell 2 construction has not been finished, tailings from the Juanicipio processing plant will be pumped to the neighbouring mine’s TSF. Stage 2 will be constructed following the construction of Stage 1 – Cell 2, providing additional storage capacity via a downstream raise of the dam. The remaining estimated requirement for an additional 3.7 Mt of tailings storage will come from an expansion to the TSF via a vertical raise or an additional cell.
Dewatering will be via two main pump stations capable of handling 5,000 gpm. Drilling ahead of the advancing ramps has indicated no major water bearing structures. It is estimated that this should be sufficient capacity for the life of the mine.
Continuation of advanced dewatering of the orebody to reduce the amount of heat introduced to the mine workings from ingress of hot groundwater is recommended.
The risk of flooding will be partially mitigated by this early development strategy and by the provision of spare pumping capacity.
Mobile compressors supply compressed air for the underground operations, and primary equipment, such as longhole drills, have their own mobile compressors. The main compressor supplying air to the workshop is located near the No 2 fan on surface above the main portal area and twin declines.
The QP considers that current infrastructure and plans for future additions and adjustments are appropriate to support the Juanicipio Mineral Reserves and their extraction.
25.8Processing
AMC visited Juanicipio in February 2024 and conducted an inspection of the Juanicipio plant. The facility was observed to be clean, well maintained and being operated in a safe and orderly manner. A site-wide maintenance record-keeping, planning and execution system utilizing industry standard software is fully implemented.
The designed throughput rate for the Juanicipio plant is 4,000 tpd. Daily averages increased during the commissioning and ramping up of the new plant and have demonstrated achievement of designed performance.
Gold recovery averaged 69.4% for March to December 2023 compared to the planned value of 75.8%. However, recoveries have improved as ramp-up and optimization of plant circuits have progressed, with gold recovery in December 2023 averaging 71.4%.
amcconsultants.com    206

Juanicipio Mineral Resource and Mineral Reserves NI 43-101 Technical Report
MAG Silver Corp.
0723032



Recoveries for silver, lead and zinc exceeded plan:
Silver recovery averaged 87.6% for March to December 2023 compared to the planned value of 87.1%.
Lead recovery averaged 89.9% for March to December 2023 compared to the planned value of 86.3%.
Zinc recovery averaged 90.5% for March to December 2023 compared to the planned value of 74.5%.

Excluding the start-up month of March 2023, lead content of lead concentrate exceeded the planned value of 33.75% and ranged from 38% to 52%. Zinc content was generally in the planned range from 4.84% Zn to 12.0% Zn and ranged from 7% to 14%.
Excluding the start-up month of March 2023, zinc content of zinc concentrate exceeded the planned value of 49.71% and ranged from 49% to 53%. Lead content generally met the planned limit of 1.31%.
Commissioning and ramp-up have generally gone well, with the plant achieving designed throughput and designed silver, lead and zinc recoveries and concentrate grades. The QP acknowledges the continuing testing and process development being conducted by the plant’s operators to improve gold recovery, and recommends continuation of the program.
The pyrite circuit has initially been in an optimization phase, with delivery to, and acceptance of a first pyrite concentrate shipment by, an off-shore purchaser recently achieved.
25.9TSF
Detailed design of the TSF for the project has been undertaken by Knight Piésold. It is estimated that the Juanicipio processing plant will produce approximately 12.2 Mt of tailings for surface storage over an anticipated mine life of approximately 13 years. Mill tailings will be discharged to the TSF, which has a total volume capacity of approximately 8.5 Mt, as currently designed. The remaining required tailings storage will come from potential deepening of the Cell 2 basin, a future expansion to the TSF through construction of an adjacent cell, and / or a vertical raise of the dam.
The TSF is designed for two construction and operational phases, denoted Stages 1 and 2. Stage 1 will be constructed to a crest elevation of 2,217 m amsl and will have a maximum height of approximately 33 m. When the facility is at its ultimate configuration, Stage 2, the maximum height of the dam will be approximately 38 m, with a crest elevation of 2,222 m amsl. The Stage 1 dam may be considered a starter dam, encircling three sides of the geomembrane-lined tailings storage basin; the fourth side of the facility is created by the natural hillside slope. The final facility will be completed via a 5-m downstream raise of the Stage 1 dam, known as Stage 2. For both the Stage 1 and Stage 2 configurations, the upstream and downstream slopes of the dam are designed to
2.5:1.0 H:V with a crest width of 10 m.
The Juanicipio TSF features a homogeneous dam (i.e., non-zoned) founded upon native materials. Following site stripping, foundation preparation consists of removing all unsuitable soil strata (i.e., loose, caliche-rich) until reaching a competent layer as determined by site engineers. The dam contains a basal drainage system, consisting of a blanket drain built below the downstream portion of the dam to control potential seepage. Seepage that reaches the blanket drain is conveyed to collection drains along the outer perimeter of the dam, and then discharged into geomembrane-lined collection ponds. Seepage collected in the ponds is recirculated to the TSF, to the processing plant, or, as permitted by geochemical testing and regulations, discharged directly into the downstream environment.
amcconsultants.com    207

Juanicipio Mineral Resource and Mineral Reserves NI 43-101 Technical Report
MAG Silver Corp.
0723032



Surface water management at the TSF is facilitated primarily by two non-contact diversion channels, one along the east side of the dam and the other along the south end and west sides of the facility.
The channels are verified to accommodate run-on from the 1,000-year storm event as required by CONAGUA. The east diversion channel is concrete-lined and the south / west channel is geotextile and riprap lined to deter erosion. Both channels feature energy dissipators at their termini prior to flow discharging into the downstream native environment. The TSF does not contain an operational spillway as it has been designed to store rainfall and run-on associated with the 72-hour PMP.
In regard to the TSF, a commitment is required to provide additional necessary storage capacity:
Site investigation work completed in 2023 indicated that the excavation of the Cell 2 tailings basin could be deepened to provide additional tailings storage and produce sufficient fill for the Stage 2 raise of the TSF. Conceptual engineering of the deepened Cell 2 basin by Knight Piésold suggests that more than a year of additional tailings storage could be added to the TSF. Detailed engineering of the Cell 2 basin deepening has been authorized by Minera Juanicipio.
Even with the Cell 2 tailings basin deepening, the Juanicipio TSF will not have sufficient storage capacity to meet the life of mine tailings production. As noted, it is envisaged that the remaining required tailings storage will come from potential deepening of the Cell 2 basin, a future expansion to the TSF through construction of an adjacent cell, and / or a vertical raise of the dam. It is recommended that all viable opportunities be explored for expansion of the TSF capacity.
25.10Environmental, permitting, and social aspects
Environmental investigations included baseline assessments and initial studies required under MIA-R.
The mine is in a region that hosts several significant mining operations where the community is accustomed to mining activities. The QP is not aware of any environmental permitting or licensing requirements to which the Property has been or will be subject other than the normal mine permitting and licensing requirements as set forth by the Mexican Government.
Fresnillo, on behalf of Minera Juanicipio, has confirmed that the project does not have any environmental obligations or liabilities identified to date.
Key permits and licenses for the project are in place and Fresnillo has indicated that all the land included in the design and operation of the Juanicipio mine has been purchased. There is no further expected requirement in this regard.
Climate change aspects were not specifically addressed in the Mineral Reserve estimation, but the QP considers that, for Juanicipio, any impacts would not have a material effect.
25.11Economics
The economic assessment clearly indicates the strong economic viability of the Juanicipio Project. Over a 13-year operating life, the mine is projected to generate approximately $1,656M pre-tax NPV and $1,224M post-tax NPV at 5% discount rate. Operating costs used for the economic evaluation are based on actual operating costs and benchmark costs for similar operations in the area. Total remaining capital expenditure is estimated at $453M. Further drilling and investigation work aimed at upgrading Inferred Mineral Resources is recommended to consolidate the design basis for the project and, in particular, plans for long term ore handling.
amcconsultants.com    208

Juanicipio Mineral Resource and Mineral Reserves NI 43-101 Technical Report
MAG Silver Corp.
0723032



25.12Risks
Mineral Resources are not Mineral Reserves and do not have demonstrated economic viability. There is a degree of uncertainty attributable to the estimation of Mineral Resources. There are considerable Mineral Reserves estimated based on the Indicated Resources available which substantially reduces the risk. However, until Mineral Resources are actually mined and processed, the quantity of mineralization and grades must be recognized as estimates only. Any material change in quantity of resources, mineralization, or grade may affect the economic viability of the project.
Increasing operating costs may lead to a reduction in the economic viability of the current Mineral Reserves and could, therefore, affect overall project economics. Careful attention to cost control and optimization should be considered during operations.
Ground control and appropriate ground support regimes must always be at the forefront of the mine operating and management focus, and particularly in Poor ground areas and / or where faults are anticipated to be encountered.
25.13Opportunities for further consideration currently excluded from project scope
Potential opportunities for the project include:
Inferred Mineral Resources have the potential to be converted to Indicated Mineral Resources through additional exploration work, some of which can be converted through near-term infill drilling.
Significant exploration potential within a large land package and a number of high priority drill targets.
The Valdecañas vein system is largely open at depth.
The Juanicipio vein is open to the west and to depth for further exploration.
amcconsultants.com    209

Juanicipio Mineral Resource and Mineral Reserves NI 43-101 Technical Report
MAG Silver Corp.
0723032


26Recommendations
Other than for costs estimated below for exploration, the QPs consider that implementation of the following recommendations can form part of the day-to-day operating cost of the Juanicipio mine.
26.1Sample preparation, analyses, and security - QAQC
Fresnillo has recently implemented a QAQC program that combines key elements to monitor accuracy, precision, and sample contamination during sample preparation and analysis. The QP makes the following recommendations for future QAQC programs:
General QAQC
Increase insertion rates for all QAQC sample types as necessary to meet industry standards and develop a procedure to ensure that QAQC samples are included in each batch of samples submitted to the laboratory.
Create a SOP that outlines the actions to be taken for QAQC failures.
Establish a ‘table of failures’ that documents warnings, failures, and remedial actions
taken for all QAQC sample types.
Standard reference materials
Insert additional SRMs to cover a wider range of grades. For each economic metal, the QP recommends the use of SRMs with values at the approximate cut-off grade of the deposit, at the approximate expected grade of the deposit, and at a higher grade. The current suite of SRMs used at Juanicipio do not cover the approximate expected Au, Ag, or Zn grades, and an SRM with a Zn grade higher than the approximate expected grade of the deposit is not used. Additional SRMs should be used that cover these values.
Plot SRM data over time to check for potential bias and instrumental drift.
Review SRM results using control charts as well as on a batch-by-batch basis. Re-assay sample batches where the SRM value is greater than three standard deviations from the expected value declared on the assay certificate. Investigate sample batches containing consecutive SRMs with results outside of two standard deviations of the expected value.
Ensure that insertion rates for SRM samples meet industry standards (5 –6%).
Blank samples
Establish a protocol for the remedial action to be taken to address sample batches with failed blanks.
Adjust sampling procedures so that blank samples are included immediately after visible high-grade mineralization.
Consider adding coarse blank material to the QAQC sample suite. This would allow for better monitoring of contamination during sample preparation.
Consider inserting blank material that is certified for Ag, Pb, and Zn. Contamination is currently only monitored for Au, but it is important to monitor contamination for all analytes given their high grades.
Consider reducing the blank failure limit to 2x LLD.
Duplicate samples
Develop a procedure that allows for selection of the majority of duplicate samples from visibly mineralized zones that are likely to exceed 15x LLD.
Request detail on the pulp sub-sampling process to understand possible sampling errors.
Submit duplicate samples in the surface diamond drill sample stream. All QAQC sample types should be submitted for all sample streams to ensure that the data can be properly assessed.
amcconsultants.com    210

Juanicipio Mineral Resource and Mineral Reserves NI 43-101 Technical Report
MAG Silver Corp.
0723032



Umpire samples
Include SRM and pulp blank samples with umpire sample submissions. Ensure that these SRM and blank samples are identified as umpire QAQC samples in the database so that they can be reviewed independently of other SRMs and blanks.
Submit umpire samples in the mine diamond drill sample stream.
All QAQC sample types should be submitted for all sample streams to ensure that the data can be properly assessed.
26.2Mineral Resources
Use estimation parameters that ensure a minimum of two samples and two drillholes inform each block for the Venadas and Juanicipio veins.
Evaluate and document the effect of the inclusion of channel samples on the grade estimates.
Carry out reconciliation between production and local estimates.
Assess method to more clearly demonstrate reasonable prospects for eventual economic extraction.
To give greater certainty to the plan, carry out in-fill drilling prior to the delimitation of the production stopes and, as far as possible, achieve a distance between holes of 35 to 50 m.
Ensure that geology is incorporated in any detailed short-term modelling and delineation.
Continue drilling to depth in the Valdecañas veins.
Continue drilling from the upper part of the Ramal 1 development to confirm vein continuity.
The above items would be budgeted and be part of the mine operating costs.
Recommended exploration work is shown below in Table 26.1, along with estimated costs. This is to be carried out by two separate groups: Operations and Exploration.
Table 26.1    Proposed program and cost estimate

Activity
Proposed program
Metres
Cost (US$)
Underground Drilling
Operational division
33,000
3,017,000
Other Expenses
104,000
Assay
564,000
Other
174,000
Surface Drilling
Exploration division
17,000
3,548,000
Other expenses
666,000
Assay
186,000
Total
50,000
8,258,000
Note: Totals may not compute exactly due to rounding.

26.3Mineral Reserves
Consider streamlining the COG definition process. The QP considers the estimation process for COG that uses a variable trucking cost component to be relatively complex, without making a material difference.
Mining operations are ramping up to full production. It is recommended that full acknowledgement be given to actual costs for steady state operations going forward.
Recognizing that the mine is now milling ore through the Juanicipio plant, it is recommended that process recoveries specific to plant steady-state operation are well recorded and are used in future Mineral Reserve estimation.
amcconsultants.com    211

Juanicipio Mineral Resource and Mineral Reserves NI 43-101 Technical Report
MAG Silver Corp.
0723032



26.4Mining
An underground waste materials balance study is recommended to further assess options for the backfill deficit.
A backfill study is recommended to further assess options for pillar recovery and tailings disposal.
As the planned strategy for ventilation of the conveyor and crusher has recently changed, a review is recommended to confirm the overall ventilation strategy for the medium to long term.
26.5Geotechnical
Conduct stope reconciliation and identify the root cause of overbreak and underbreak and optimize future stoping design criteria.
Focus on drilling and blasting practices to minimize the blasting effects of overbreak and dilution.
Optimize drill and blasting design particularly for poor ground and adverse structures.
Develop and implement a robust QAQC procedure to improve drilling accuracy and blasting quality.
Improvements to drilling and blasting with stand-off of approximately 1.0 m from the CMS fill shape will reduce the blast damage dilution and increase the stability of the exposed fill.
Before assessing stability of future raises and required support, specific geotechnical drilling should be undertaken along the centreline of the selected sites and a thorough analysis of rock mass and discontinuity properties should be made. A detailed core logging program would be an integral part of each raise assessment.
Ground improvement options should be considered for raise stability, as required.
Update the GCMP to reflect the current ground control practices at Juanicipio. All key aspects of lithology, structures (major and minor), geotechnical model, rock mass characterization, geotechnical design criteria for ground support and stope design, monitoring and QAQC should be included in the GCMP.
Optimize ground support and improve ground support design particularly for Poor ground.
Consider replacing mesh and plain shotcrete with fibrecrete to increase productivity and cost reduction.
Improve configurations for reinforced rib shotcrete (light frame) and spiling.
26.6Infrastructure
Consider opportunities to optimize the materials handling system for deeper ore with an aim to reduce operating costs and increase efficiency.
Continue with advanced dewatering of the orebody to reduce the amount of heat introduced to the mine workings from ingress of hot groundwater.
Consider all options for necessary expansion of TSF capacity, with work to be completed in a timeframe that matches tailings disposal requirements.
26.7Processing
Commissioning and ramp-up have generally gone well, with the plant achieving designed throughput and designed silver, lead, and zinc recoveries and concentrate grades. The QP acknowledges the continuing testing and process development being conducted by the plant’s operators to improve all processing aspects, including for gold recovery, and recommends continuation of the program.
amcconsultants.com    212

Juanicipio Mineral Resource and Mineral Reserves NI 43-101 Technical Report
MAG Silver Corp.
0723032



26.8TSF
Investigate all viable options for provision of additional necessary TSF storage capacity, currently projected to be 3.7 Mt of tailings. Identified options include potential deepening of the Cell 2 basin (currently being pursued but would only provide some of the required capacity), a future expansion to the TSF through construction of an adjacent cell, and / or from a vertical raise of the dam.
26.9Economics
The QP has reviewed the overall economics for Juanicipio and provides the following related recommendations:
Maintain focus on achieving steady-state operations as soon as practicable to achieve full financial and operational benefit.
Complete construction of the planned conventional conveyor as soon as practicable to minimize operating costs and assist in maintaining production and mill feed targets.
Re-evaluate the usage of vertical conveyors or other viable materials handling options as the mine goes deeper.
Further drilling and investigation work aimed at upgrading Inferred Mineral Resources is recommended to consolidate the design basis for the project and, in particular, plans for long term ore handling.
amcconsultants.com    213

Juanicipio Mineral Resource and Mineral Reserves NI 43-101 Technical Report
MAG Silver Corp.
0723032


27References
Albinson, F.T. 1988, Geologic reconstruction of paleosurfaces in the Sombrerete, Colorada, and Fresnillo districts, Zacatecas State, Mexico. Economic Geology, v. 83, pp. 1,647-1,667.
Chartier, D., Cole, G., and Couture, J.-F. 2008, Mineral Resource Estimation, Valdecañas Silver Gold Project, Zacatecas State, Mexico. Technical report prepared for MAG Silver Corp. by SRK Consulting.
Clark, L., and Pakalnis, R. 1997, An Empirical Design Approach for Estimating Unplanned Dilution from Open Stope Hanging Walls and Footwalls, in Proceedings Annual General Meeting of C.I.M, Calgary.
de Cserna, Z. 1976, Geology of the Fresnillo area, Zacatecas, Mexico. Geological Society of America Bulletin, v. 87, pp. 1,191-1,199.
de Cserna, Z., Delevaux, M.H., and Harris, D.C. 1977, Datos isotópicos, mineralógicos y modelo genético propuesto para los Yacimientos de plomo, zinc y plata de Fresnillo, Zacatecas. University Nacional Autónoma Mexico, Insta. Geologica Review, v. 1, n. 1, pp. 110-116.
Ghaffari, H., Stewart, S.B.V., and Couture, J.-F. 2009, Valdecañas Project – Scoping Study NI 43-101 Technical Report, dated 19 August 2009 and filed on SEDAR on 6 November 2009.
Hadjigeorgiou, J., Leclair, J., Potvin, Y. 1995, An Update of the Stability Graph Method for Open Stope Design. 97th Annual General Meeting of C.I.M. Halifax, Nova Scotia.
Hedenquist, J.W., and Henley, R.W. 1985, The importance of CO2 on freezing point measurements of fluid inclusions: Evidence from active geothermal systems and implications for epithermal ore deposits. Economic Geology, v. 80, pp. 1,379-1,406.
Hedenquist, J.W., Arribas, A., and Gonzalez-Urien, E. 2000, Exploration for Epithermal Gold Deposits, Gold in 2000, Steffen G. Hagemann, Philip E. Brown.
Lang, B., Steinitz, G., Sawkins, F.J., and Simmons, S.F. 1988, K-Ar age studies in the Fresnillo silver district, Zacatecas. Economic Geology, v. 83, pp. 1,642-1,646.
Long, S.D., Parker, H.M., and Francis-Bongarcon, D. 1997, Assay quality assurance quality control programme for drilling projects at the prefeasibility to feasibility report level. Mineral Resources Development Incorporated (MRDI), August 1997.
MAG Silver Juanicipio NI 43-101 Technical Report, Amended and Restated, Zacatecas State, Mexico, (2017 AMC Technical Report) prepared by AMC on behalf of MAG Silver with an effective date of 21 October 2017 and Revised date 19 January 2018.
Megaw, P.K.M. 2010, Discovery of the Silver-Rich Juanicipio-Valdecañas Vein Zone, Western Fresnillo District, Zacatecas, Mexico. Society of Economic Geologists, Inc. Special Publication 15,
pp. 119-132.
Megaw, P.K.M., and Ramirez, R.L. 2001, Report on Phase 1 data compilation and geological, geochemical and geophysical study of the Juanicipio Claim, Fresnillo District, Zacatecas, Mexico. Report prepared for Minera Sunshine de Mexico S.A. de C.V.
amcconsultants.com    214

Juanicipio Mineral Resource and Mineral Reserves NI 43-101 Technical Report
MAG Silver Corp.
0723032



Méndez, A.S. 2011, A Discussion on Current Quality-Control Practices in Mineral Exploration, Applications and Experiences of Quality Control, Prof. Ognyan Ivanov (Ed.), ISBN: 978-953-307-236-4.
Methven, G., Riles, A., Kottmeier, C., and Nussipakynova, D. 2018, Minera Juanicipio Feasibility Study (2018 study work) prepared by AMC on behalf of Minera Juanicipio with an effective date of 31 July 2018.
Nickson, S.D. 1992, Cable Support Guidelines for Underground Hard Rock Mine Operations. Ph.D. thesis, University of British Columbia.
Potvin, Y. 1988, Empirical Open Stope Design in Canada. PhD thesis. University of British Columbia.
Reyes, A.G. 1990, Petrology of Philippine geothermal systems and the application of alteration mineralogy to their assessment, Journal of Volcanology and Geothermal Research, v. 43, n. 1–4,
pp. 279-309.
Ross, D.A. 2012, Technical Report on the Mineral Resource Update for the Juanicipio Joint Venture, Zacatecas State, Mexico. NI 43-101 Report. Roscoe Postle Associates Inc, Toronto, Canada. Available on SEDAR.
Ross, D., Cox, J. Krutzelmann, H. 2014, Technical Report on the Mineral Resource Update for the Juanicipio Joint Venture, Zacatecas State, Mexico. Prepared by RPA for MAG Silver Corp. Effective date 30 June 2014. Available on SEDAR.
Ross, A., Methven, G., Muller, H., and Kottmeier, C. 2017, MAG Silver Juanicipio NI 43-101 Technical Report (Amended and Restated). Technical report prepared for MAG Silver Corp. by AMC Consultants and filed on SEDAR.
Ross, D.A., and Roscoe, W.E. 2009, Technical Report on the Mineral Resource Update for the Juanicipio Joint Venture, Zacatecas State, Mexico. Technical report prepared for MAG Silver Corp. by RPA and filed on SEDAR.
Rossi, M.E. and Deutsch, C.V. 2014, Mineral Resource Estimation. Springer Science and Business Media Dordrecht.
RUPA Abogados, S.C., Special Mexican counsel for Minera Los Lagartos, S.A. de C.V., as advised in a letter of 31 December 2023 to AMC.
Ruvalcaba-Ruiz, D.C., and Thompson, T.B. 1988, Ore deposits at the Fresnillo Mine, Zacatecas, Mexico. Economic Geology, v. 83, n.8, pp. 1,583-1,596.
Simmons, S.F. 1991, Hydrologic implications of alteration and fluid inclusion studies in the Fresnillo District, Mexico: evidence for a brine reservoir and a descending water table during the formation of hydrothermal Ag-Pb-Zn ore bodies. Economic Geology, v. 86, n. 8, pp. 1,579-1,601.
Thalenhorst, H. 2011, Minera Resource Estimate, Minera Juanicipio, S.A. de C.V., Zacatecas, Mexico. Strathcona Mineral Services Limited, 20 Toronto Street, Toronto, Canada.
Thomas, M., Thalenhorst, H., Riles, A. 2012, Minera Juanicipio Property Zacatecas State, Mexico. Technical Report for Minera Juanicipio S.A. de C.V. Report by AMC Mining Consultants (Canada) Ltd. Available on SEDAR.
amcconsultants.com    215

Juanicipio Mineral Resource and Mineral Reserves NI 43-101 Technical Report
MAG Silver Corp.
0723032



Velador. J. M. 2010, Timing and Origin of Intermediate Sulfidation Epithermal Veins and Geochemical Zoning in the Fresnillo District, Mexico: Constrained by 40Ar/39Ar Geochronology, Fluid Inclusions, Gas Analysis, Stable Isotopes, and Metal Ratios. Doctoral Thesis, New Mexico Institute of Mining and Technology Department of Earth and Environmental Sciences.
Velador, J.M., Heizler, M.T., and Campbell, A.R. 2010, Timing of magmatic activity and evidence of a long-lived hydrothermal system in the Fresnillo Silver District, Mexico. Economic Geology, v. 105,
p. 1,335-1,349.
Wendt, C.J. 2002, The Geology and Exploration Potential of the Juanicipio Property, Fresnillo District, Zacatecas, Mexico. Technical report prepared for Mega Capital Investments.
Wetherup, S. 2006, Independent Technical Report, Juanicipio Silver Project, Zacatecas State, Mexico. Report prepared for MAG Silver Corp. by Caracle Creek International Consulting Inc.
White, N., and Hedenquist, J.W. 1995, Epithermal gold deposits. Styles, characteristics, and exploration. Society of Economic Geologists, Newsletter. v. 23. 1, pp. 9-13.
amcconsultants.com    216

Juanicipio Mineral Resource and Mineral Reserves NI 43-101 Technical Report
MAG Silver Corp.
0723032


28QP Certificates
CERTIFICATE OF AUTHOR
I, Paul Salmenmaki, P.Eng., of Vancouver, British Columbia, do hereby certify that:
1I am currently employed as a Principal Mining Engineer with AMC Mining Consultants (Canada) Ltd. (EGBC Permit #1002350), with an office at Suite 202, 200 Granville Street, Vancouver, British Columbia V6C 1S4.
2This certificate applies to the Technical Report titled “Juanicipio Mineral Resources and Mineral Reserves NI 43-101 Technical Report” with an effective date of 4 March 2024, (the “Technical Report”) prepared for MAG Silver Corp (“the Issuer”).
3I am a graduate of Laurentian University in Sudbury, Canada (Bachelor of Applied Science in Mining Engineering in 1998). I am a member in good standing of the Engineers and Geoscientists British Columbia (ID#40227) and the Professional Engineers Ontario (License #100012945). I have experience in underground copper-nickel mines, industrial minerals, narrow vein precious metal deposits, bulk mining methods for base metals, mine infrastructure, mine design and planning, mine production and financial evaluation, reserve estimation, technical reviews, all levels of studies from scoping to feasibility, project, and construction management.
I have read the definition of "qualified person" set out in National Instrument 43-101 Standards of Disclosure for Mineral Projects (“NI 43-101”) and certify that by reason of my education, affiliation with a professional association (as defined in NI 43-101) and past relevant work experience, I fulfill the requirements to be a "qualified person" for the purposes of NI 43-101.
4I have visited the Minera Juanicipio property from 15 to 16 February 2024.
5I am responsible for Sections 2 – 6, 15, 20 – 24, and parts of Sections 1, 12, 16 and 25 - 27 of the Technical Report.
6I am independent of the Issuer and related companies applying all of the tests in Section 1.5 of the NI 43-101.
7I have not had prior involvement with the property that is the subject of the Technical Report.
8I have read NI 43-101 and each section of the Technical Report for which I am responsible has been prepared in compliance with NI 43-101.
9As of the effective date of the Technical Report, to the best of my knowledge, information, and belief, each section of the Technical Report for which I am responsible contains all scientific and technical information that is required to be disclosed to make the Technical Report not misleading.
Effective Date: 4 March 2024
Signing Date: 27 March 2024

Original signed by
image_65.jpg
Paul Salmenmaki Principal Mining Engineer
AMC Mining Consultants (Canada) Ltd.
amcconsultants.com    217

Juanicipio Mineral Resource and Mineral Reserves NI 43-101 Technical Report
MAG Silver Corp.
0723032


CERTIFICATE OF AUTHOR
I, Robert Chesher, FAusIMM (CPMET), of Brisbane, Australia, do hereby certify that:
1I am currently employed as a Principal Consultant with AMC Consultants Pty Ltd, with an office at Level 15, 100 Creek Street, Brisbane Qld 4000, Australia.
2This certificate applies to the Technical Report titled “Juanicipio Mineral Resources and Mineral Reserves NI 43-101 Technical Report” with an effective date of 4 March 2024, (the “Technical Report”) prepared for MAG Silver Corp (“the Issuer”).
3I am a graduate of University of Queensland in Saint Lucia, Australia (BA Science in Metallurgical in 1977). I am a Fellow in good standing of the Australian Institute of Mining and Metallurgy (AusIMM) and am accredited as a Chartered Professional of the AusIMM in the discipline of Metallurgy (License #311429). I am a Registered Professional Engineer of Queensland (RPEQ #24758). I have practiced my profession continuously since 1977. My expertise is in corporate and technical (metallurgical) consulting, focusing on operational and performance reviews, improvements, and optimization.
I have read the definition of "qualified person" set out in National Instrument 43-101 Standards of Disclosure for Mineral Projects (“NI 43-101”) and certify that by reason of my education, affiliation with a professional association (as defined in NI 43-101) and past relevant work experience, I fulfill the requirements to be a "qualified person" for the purposes of NI 43-101.
4I have not visited the Minera Juanicipio property.
5I am responsible for Sections 13, 17, 19 and parts of Sections 1 and 25 - 27 of the Technical Report.
6I am independent of the Issuer and related companies applying all of the tests in Section 1.5 of the NI 43-101.
7I have not had prior involvement with the property that is the subject of the Technical Report.
8I have read NI 43-101 and each section of the Technical Report for which I am responsible has been prepared in compliance with NI 43-101.
9As of the effective date of the Technical Report, to the best of my knowledge, information, and belief, each section of the Technical Report for which I am responsible contains all scientific and technical information that is required to be disclosed to make the Technical Report not misleading.
Effective Date: 4 March 2024
Signing Date: 27 March 2024

Original signed by
image_65.jpg
Robert Chesher, FAusIMM (CPMET) Principal Consultant
AMC Consultants Pty Ltd
amcconsultants.com    218

Juanicipio Mineral Resource and Mineral Reserves NI 43-101 Technical Report
MAG Silver Corp.
0723032


CERTIFICATE OF AUTHOR
I, Mo Molavi, P.Eng., of Vancouver, British Columbia, do hereby certify that:
1I am currently employed as a Director / Mining Services Manager / Principal Mining Engineer with AMC Mining Consultants (Canada) Ltd. (EGBC Permit #1002350), with an office at Suite 202, 200 Granville Street, Vancouver, British Columbia V6C 1S4.
2This certificate applies to the Technical Report titled “Juanicipio Mineral Resources and Mineral Reserves NI 43-101 Technical Report” with an effective date of 4 March 2024, (the “Technical Report”) prepared for MAG Silver Corp (“the Issuer”).
3I am a graduate from Laurentian University in Sudbury, Canada (Bachelor of Engineering in 1979) and McGill University of Montreal, Canada (Master of Engineering in Rock Mechanics and Mining Methods in 1987). I am a registered member in good standing of the Association of Professional Engineers and Geoscientists of Saskatchewan (License #5646), the Engineers and Geoscientists British Columbia (License #37594), and a Member of the Canadian Institute of Mining, Metallurgy and Petroleum. I have worked as a Mining Engineer for a total of 43 years since my graduation from university and have relevant experience in project management, feasibility studies, and technical report preparations for mining projects.
I have read the definition of "qualified person" set out in National Instrument 43-101 Standards of Disclosure for Mineral Projects (“NI 43-101”) and certify that by reason of my education, affiliation with a professional association (as defined in NI 43-101) and past relevant work experience, I fulfill the requirements to be a "qualified person" for the purposes of NI 43-101.
4I have not visited the Minera Juanicipio property.
5I am responsible parts of Sections 1, 16, 18, 25, and 26 of the Technical Report.
6I am independent of the Issuer and related companies applying all of the tests in Section 1.5 of the NI 43-101.
7I have had prior involvement with the property that is the subject of the Technical Report.
8I have read NI 43-101 and each section of the Technical Report for which I am responsible has been prepared in compliance with NI 43-101.
9As of the effective date of the Technical Report, to the best of my knowledge, information, and belief, each section of the Technical Report for which I am responsible contains all scientific and technical information that is required to be disclosed to make the Technical Report not misleading.
Effective Date: 4 March 2024
Signing Date: 27 March 2024

Original signed by
image_65.jpg
Mo Molavi
Director / Mining Services Manager / Principal Mining Engineer AMC Mining Consultants (Canada) Ltd.
amcconsultants.com    219

Juanicipio Mineral Resource and Mineral Reserves NI 43-101 Technical Report
MAG Silver Corp.
0723032


CERTIFICATE OF AUTHOR
I, John Morton Shannon, P.Geo., of North Vancouver, British Columbia, do hereby certify that:
1I am currently a Principal Geologist with an address at 4-2133 St Georges Avenue, North Vancouver, BC, Canada.
2This certificate applies to the Technical Report titled “Juanicipio Mineral Resources and Mineral Reserves NI 43-101 Technical Report” with an effective date of 4 March 2024, (the “Technical Report”) prepared for MAG Silver Corp (“the Issuer”).
3I am a graduate of Trinity College Dublin in Dublin, Ireland (BA Mod Nat. Sci. in Geology in 1971). I am a member in good standing of the Engineers and Geoscientists British Columbia (Registration #32865). I have practiced my profession continuously since 1971 and have been involved in mineral exploration and mine geology for over 50 years since my graduation from university. This has involved working in Ireland, Zambia, Canada, and Papua New Guinea. My experience is principally in base metals and precious metals and have been Chief Geologist on two very large mines for major companies, with responsibility for all geological aspects of the operation. I have been involved in many properties in Mexico in a consulting capacity over the past 12 years.
I have read the definition of "qualified person" set out in National Instrument 43-101 Standards of Disclosure for Mineral Projects (“NI 43-101”) and certify that by reason of my education, affiliation with a professional association (as defined in NI 43-101) and past relevant work experience, I fulfill the requirements to be a "qualified person" for the purposes of NI 43-101.
4I have not visited the Minera Juanicipio property.
5I am responsible for Sections 14, and parts of Sections 1, and 25 - 27 of the Technical Report.
6I am independent of the Issuer and related companies applying all of the tests in Section 1.5 of the NI 43-101.
7I have had prior involvement with the property that is the subject of the Technical Report, in a review capacity only.
8I have read NI 43-101 and the section of the Technical Report for which I am responsible has been prepared in compliance with NI 43-101.
9As of the effective date of the Technical Report, to the best of my knowledge, information, and belief, the section of the Technical Report for which I am responsible contains all scientific and technical information that is required to be disclosed to make the Technical Report not misleading.
Effective Date: 4 March 2024
Signing Date: 27 March 2024

Original signed by
image_65.jpg
John Morton Shannon Principal Geologist
amcconsultants.com    220

Juanicipio Mineral Resource and Mineral Reserves NI 43-101 Technical Report
MAG Silver Corp.
0723032


CERTIFICATE OF AUTHOR
I, Robert Craig Stewart, P.Geo., of Calgary, Alberta, do hereby certify that:
1I am currently employed as a Senior Geologist with AMC Mining Consultants (Canada) Ltd. (EGBC Permit #1002350), with an office at Suite 202, 200 Granville Street, Vancouver, British Columbia V6C 1S4.
2This certificate applies to the Technical Report titled “Juanicipio Mineral Resources and Mineral Reserves NI 43-101 Technical Report” with an effective date of 4 March 2024, (the “Technical Report”) prepared for MAG Silver Corp (“the Issuer”).
3I am a graduate of Saint Mary’s University in Halifax, Canada (Bachelor of Science in Geology in 2008, and Master of Applied Science in Geochemistry in 2011) and Laurentian University in Sudbury, Canada (Doctor of Philosophy in Mineral Deposits and Precambrian Geology in 2017).
I am a member in good standing of the Engineers and Geoscientists British Columbia (License #55480). I have worked in multi-commodity deposits (e.g., gold, silver, lead, zinc) in northern British Columbia, Alaska, the Yukon, and Nunavut. I am highly skilled in data synthesis, including QAQC, and have been doing this work since 2008.
I have read the definition of "qualified person" set out in National Instrument 43-101 Standards of Disclosure for Mineral Projects (“NI 43-101”) and certify that by reason of my education, affiliation with a professional association (as defined in NI 43-101) and past relevant work experience, I fulfill the requirements to be a "qualified person" for the purposes of NI 43-101.
4I have not visited the Minera Juanicipio property.
5I am responsible for Sections 7-11 and parts of Sections 1, 12, and 25 - 27 of the Technical Report.
6I am independent of the Issuer and related companies applying all of the tests in Section 1.5 of the NI 43-101.
7I have had prior involvement with the property that is the subject of the Technical Report. I wrote a Quality Assurance / Quality Control assessment report and contributed as a writer to an audit report in 2023.
8I have read NI 43-101 and each section of the Technical Report for which I am responsible has been prepared in compliance with NI 43-101.
9As of the effective date of the Technical Report, to the best of my knowledge, information, and belief, each section of the Technical Report for which I am responsible contains all scientific and technical information that is required to be disclosed to make the Technical Report not misleading.
Effective Date: 4 March 2024
Signing Date: 27 March 2024

Original signed by
image_65.jpg
Robert Craig Stewart Senior Geologist
AMC Mining Consultants (Canada) Ltd.
amcconsultants.com    221


CERTIFICATE OF AUTHOR
I, Gilberto Dominguez, P.E., of Denver, Colorado, United States of America, do hereby certify that:
1I am currently employed as a Vice President of Knight Piésold and Co., with an office at 1999 Broadway, Suite 900, Denver, Colorado 80207, U.S.A. I am acting as Operations Manager of Knight Piesold Consulting S.A. de C.V. with an office at Av. Presidente Masaryk no. 29, Piso 11, Polanco V Sección, Miguel Hidalgo, Mexico City 11560, Mexico.
2This certificate applies to the Technical Report titled “Juanicipio Mineral Resources and Mineral Reserves NI 43-101 Technical Report” with an effective date of 4 March 2024, (the “Technical Report”) prepared for MAG Silver Corp (“the Issuer”).
3I am a graduate from Pontificia Universidad Catolica del Peru in Lima, Peru (Bachelor’s, Civil
Engineering in 1989); from Pennsylvania State University in State College, Pennsylvania,
U.S.A (Master’s, Pavement & Geotechnical Engineering in 1992); and Washington University in St. Louis, Missouri, U.S.A. (Master’s, International Project Management in 1994). I am a registered member in good standing of the Professional Engineers of Colorado (License #0032075). I have worked as a Civil Engineer for a total of 30+ years since my graduation from university and have relevant experience in management, design, geotechnical and hydraulic engineering, environmental control, permitting processes, and construction technical support, particularly in the mining sector. I have worked extensively in design and construction of waste, including tailings, and water management facilities. My experience includes geotechnical and hydrological studies as well as project direction and coordination between several disciplines, specialists, sub-consultants, and contractors; and with local and international offices, optimizing tasks allocation, budgets and schedules.
I have read the definition of "qualified person" set out in National Instrument 43-101 (NI 43-101) and certify that by reason of my education, affiliation with a professional association (as defined in NI 43-101) and past relevant work experience, I fulfill the requirements to be a "qualified person" for the purposes of NI 43-101.
4I have visited the Minera Juanicipio property on February 14, 2024.
5I am responsible for parts of Sections 1, 18, 25, and 26 of the Technical Report.
6I am independent of the Issuer and related companies applying all of the tests in Section 1.5 of the NI 43-101.
7I have not had prior involvement with the property that is the subject of the Technical Report.
8I have read NI 43-101 and the section of the Technical Report for which I am responsible has been prepared in compliance with NI 43-101.
9As of the effective date of the Technical Report, to the best of my knowledge, information, and belief, the section of the Technical Report for which I am responsible contains all scientific and technical information that is required to be disclosed to make the Technical Report not misleading.
Effective Date: 4 March 2024
Signing Date: 27 March 2024

Original signed by
image_65.jpg
Gilberto Dominguez Vice President
Knight Piésold and Co.



Juanicipio Mineral Resource and Mineral Reserves NI 43-101 Technical Report
MAG Silver Corp.
0723032
    
Our offices

Australia
Adelaide
Level 1, 12 Pirie Street Adelaide SA 5000 Australia
T +61 8 8201 1800
E adelaide@amcconsultants.com
Brisbane
Level 15, 100 Creek Street Brisbane Qld 4000 Australia
T +61 7 3230 9000
E brisbane@amcconsultants.com
Melbourne
Level 12, 477 Collins Street Melbourne Vic 3000 Australia
T +61 3 8601 3300
E melbourne@amcconsultants.com
Perth
Level 1, 1100 Hay Street West Perth WA 6005 Australia
T +61 8 6330 1100
E perth@amcconsultants.com
Canada
Toronto
140 Yonge Street, Suite 200 Toronto ON M5C 1X6 Canada
T +1 647 953 9730
E toronto@amcconsultants.com
Vancouver
200 Granville Street, Suite 202 Vancouver BC V6C 1S4 Canada
T +1 604 669 0044
E vancouver@amcconsultants.com
South Africa
United Kingdom
Cape Town
First Floor, Willowbridge Centre Carl Cronje Drive
Cape Town 7530 South Africa
T +27 720 833 231
E capetown@amcconsultants.com
Maidenhead
Registered in England and Wales Company No. 3688365
Building 3, 1st Floor
Concorde Park, Concorde Road Maidenhead SL6 4BY United Kingdom
T +44 1628 778 256
E maidenhead@amcconsultants.com
Registered Office:
The Kinetic Centre Theobald Street Elstree
Hertfordshire WD6 4PG United Kingdom















amcconsultants.com