Please wait
exhibit962p1i0 exhibit962p1i1
Technical Report Summary of the material Tailings Storage
 
Facilities
i
Technical
 
Report
 
Summary
of the
 
Material
Tailings
 
Storage
 
Facilities
Effective Date: 30 June 2022
Qualified Persons:
Mpfariseni Mudau Pr.Sci.Nat.
Steven Rupprecht FSAIMM
Prepared for:
exhibit962p1i0
 
 
exhibit962p2i1
Technical Report Summary of the material Tailings Storage
 
Facilities
ii
Date and Signature Page
This report entitled ‘Technical
 
Report Summary of the Material
 
Tailings Storage Facilities’, with
 
an effective
date
 
of
 
30
 
June
 
2022
 
was
 
prepared
 
for
 
Ergo
 
Mining
 
Proprietary
 
Limited
 
by
 
the
 
Qualified
 
Persons:
Mr Mpfariseni Mudau and Professor Steven Rupprecht
 
.
Dated at Johannesburg, 28 October 2022.
/s/ Mpfariseni Mudau
Mpfariseni Mudau (Pr.Sci.Nat.)
Resource Geology Manager
The RVN Group
/s/ Steven Rupprecht
Steven Rupprecht (FSAIMM)
Associate Principal Mining Engineer
The RVN Group
exhibit962p1i0
Technical Report Summary of the material Tailings Storage
 
Facilities
iii
1
EXECUTIVE SUMMARY
 
1
1.1
I
NTRODUCTION
 
1
1.2
P
ROPERTY
D
ESCRIPTION
 
1
1.3
M
INERAL
R
IGHTS AND
O
WNERSHIP
 
1
1.4
G
EOLOGY AND
M
INERALIZATION
 
2
1.5
E
VALUATION
D
RILLING AND
S
AMPLING
 
2
1.6
S
AMPLE
P
REPARATION
 
3
1.7
A
SSAYS
 
3
1.8
Q
UALITY
A
SSURANCE AND
Q
UALITY
C
ONTROL
 
4
1.9
M
ETALLURGICAL
S
AMPLING AND
T
ESTING
 
4
1.10
M
INERAL
R
ESOURCE
E
STIMATE
 
5
1.11
M
INERAL
R
ESERVE
E
STIMATE
 
6
1.12
P
ERMITTING
R
EQUIREMENTS
 
9
1.13
C
ONCLUSION AND
R
ECOMMENDATIONS
 
9
2
INTRODUCTION
 
11
2.1
P
ROJECT
B
ACKGROUND
 
11
2.2
T
ERMS OF
R
EFERENCE AND
P
URPOSE OF THE
T
ECHNICAL
R
EPORT
 
12
2.3
P
ARTICIPANTS AND
A
REAS OF
R
ESPONSIBILITIES
 
12
2.4
S
OURCES OF
I
NFORMATION
 
13
2.5
S
ITE
I
NSPECTION
 
13
2.6
U
NITS
,
C
URRENCIES AND
S
URVEY
C
OORDINATE
S
YSTEM
 
14
2.7
I
NDEPENDENCE
 
16
3
PROPERTY DESCRIPTION
 
17
3.1
L
OCATION AND
O
PERATIONS
O
VERVIEW
 
17
3.2
M
INERAL
R
IGHTS
C
ONDITIONS
 
21
3.3
M
INERAL
T
ITLE
 
21
3.4
V
IOLATION AND
F
INES
 
23
3.5
R
OYALTIES
 
23
3.6
L
EGAL
P
ROCEEDINGS AND
S
IGNIFICANT
E
NCUMBRANCES TO THE
P
ROPERTY
 
23
4
ACCESSIBILITY, CLIMATE, LOCAL RESOURCES, INFRASTRUCTURE
 
AND PHYSIOGRAPHY
 
24
4.1
T
OPOGRAPHY
,
E
LEVATION AND
V
EGETATION
 
24
4.2
A
CCESS
,
T
OWNS AND
R
EGIONAL
I
NFRASTRUCTURE
 
24
4.3
C
LIMATE
 
25
4.4
I
NFRASTRUCTURE AND
B
ULK
S
ERVICE
S
UPPLIES
 
25
4.5
P
ERSONNEL
S
OURCES
 
25
5
HISTORY
 
26
5.1
O
WNERSHIP
 
26
5.1.1
Crown Complex
 
26
5.1.2
City Deep complex
 
26
5.1.3
Knight Complex
 
26
exhibit962p1i0
Technical Report Summary of the material Tailings Storage
 
Facilities
iv
5.1.4
Ergo Complex
 
26
5.1.5
Marievale Complex
 
26
5.1.6
Grootvlei Complex
 
27
5.1.7
5A10/5L27
 
27
5.1.8
Daggafontein TSF
 
27
5.2
C
ONSTRUCTION OF THE
TSF
S AND
S
AND
D
UMPS
 
27
5.3
P
REVIOUS
E
XPLORATION AND
M
INE
D
EVELOPMENT
 
28
5.3.1
Previous Evaluation Drilling
 
28
5.3.2
Previous Development
 
28
6
GEOLOGICAL SETTING, MINERALIZATION AND DEPOSIT
 
30
6.1
R
EGIONAL
G
EOLOGY
 
30
6.2
M
INERALIZATION
,
L
OCAL AND
P
ROPERTY
G
EOLOGY
 
30
6.3
S
TRATIGRAPHY AND
C
ROSS
-
SECTIONS
 
31
6.4
D
EPOSIT
T
YPE
 
33
7
EXPLORATION
 
34
7.1
E
XPLORATION
 
34
7.2
T
OPOGRAPHIC
S
URVEYS
 
34
7.3
E
VALUATION
D
RILLING
 
34
7.4
D
RILLING
M
ETHODOLOGY
 
34
7.4.1
Auger Drilling
 
36
7.4.2
Reverse Circulation
 
36
7.5
C
ROWN
 
37
7.6
C
ITY
D
EEP
 
38
7.7
K
NIGHTS
 
39
7.7.1
4L14
 
39
7.7.2
4L50
 
40
7.8
E
RGO
 
41
7.8.1
7L15
 
41
7.8.2
Rooikraal
 
42
7.9
M
ARIEVALE
 
43
7.10
G
ROOTVLEI
C
OMPLEX
 
44
7.11
5A10/5L27
 
47
7.12
D
AGGAFONTEIN
TSF
 
48
7.13
L
OGGING AND
S
AMPLING
 
48
7.13.1
Logging
 
49
7.13.2
Sampling
 
49
7.14
S
AMPLE
R
ECOVERY
 
49
7.15
O
N
-
SITE
S
ECURITY
M
EASURES
 
49
7.16
C
OLLAR
S
URVEY
D
ATA
 
49
7.17
D
ENSITY
D
ETERMINATION
 
50
7.18
H
YDROLOGICAL
D
RILLING AND
T
EST
W
ORK
 
52
7.18.1
Crown Complex
 
52
7.18.2
City Deep Complex
 
53
7.18.3
Knights Complex
 
53
exhibit962p1i0
Technical Report Summary of the material Tailings Storage
 
Facilities
v
7.18.4
Ergo Complex
 
54
7.18.5
Marievale Complex
 
54
7.18.6
Grootvlei Complex
 
55
7.18.7
5A10/5L27
 
56
7.18.8
Daggafontein TSF
 
56
7.19
G
EOTECHNICAL
D
ATA
,
T
ESTING AND
A
NALYSIS
 
57
8
SAMPLE PREPARATION, ANALYSES AND SECURITY
 
58
8.1
S
AMPLING
G
OVERNANCE AND
Q
UALITY
A
SSURANCE
 
58
8.2
S
AMPLE
P
REPARATION AND
A
NALYSIS
 
58
8.2.1
On-site Sample Preparation
 
58
8.2.2
Laboratories, Sample Preparation and Analyses
 
59
8.2.3
QP Opinion
 
61
8.3
A
NALYTICAL
Q
UALITY
C
ONTROL
 
61
8.3.1
Nature and Extent of the Quality Control Procedures
 
61
8.3.2
Quality Control Results
 
62
8.3.3
QP Opinion
 
62
8.4
S
AMPLE
S
TORAGE AND
S
ECURITY
 
62
8.5
D
ATA
S
TORAGE AND
D
ATABASE
M
ANAGEMENT
 
62
9
DATA VERIFICATION
 
64
10
MINERAL PROCESSING AND METALLURGICAL TESTIN
 
G
 
65
10.1
N
ATURE AND
E
XTENT OF THE
M
ETALLURGICAL
T
ESTING
M
ETHOD
 
65
10.2
P
ROCEDURE
 
65
10.2.1
Slime Material
 
65
10.2.2
Sand Material
 
65
10.3
R
EPRESENTATIVE OF THE
S
AMPLES
 
66
10.4
D
ETAILS OF THE
L
ABORATORIES
 
66
10.5
R
ESULTS
 
66
10.6
I
NTERPRETATION OF THE
R
ESULTS
 
67
10.7
QP
O
PINION
 
68
11
MINERAL RESOURCE ESTIMATES
 
69
11.1
V
OLUME
M
ODELLING
 
70
11.2
B
ULK
D
RY
D
ENSITY
 
70
11.3
E
XPLORATORY
D
ATA
A
NALYSIS
 
70
11.4
E
STIMATION
T
ECHNIQUES
 
70
11.5
M
ODELLING AND
E
STIMATION
P
ARAMETERS
 
71
11.6
M
ODEL
V
ALIDATION
 
71
11.7
T
ECHNICAL AND
F
INANCIAL
P
ARAMETERS
 
72
11.8
U
NCERTAINTIES AND
C
LASSIFICATION
C
RITERIA
 
74
11.9
C
ROWN
C
OMPLEX
 
74
11.9.1
Exploratory Data Analysis
 
74
11.9.2
Modelling and Estimation Parameters
 
79
11.9.3
Technical and Economic Factors
 
80
11.9.4
Mineral Resource Classification Criteria
 
81
exhibit962p1i0
Technical Report Summary of the material Tailings Storage
 
Facilities
vi
11.9.5
Mineral Resource Statement
 
82
11.9.6
Mineral Resource Changes
 
82
11.9.7
Mineral Resource Risks and Uncertainty
 
82
11.10
C
ITY
D
EEP
C
OMPLEX
 
83
11.10.1
Exploratory Data Analysis
 
83
11.10.2
Modelling and Estimation Parameters
 
86
11.10.3
Technical and Economic Factors
 
87
11.10.4
Mineral Resource Classification Criteria
 
87
11.10.5
Mineral Resource Statement
 
87
11.10.6
Mineral Resource Changes
 
88
11.10.7
Mineral Resource Risks and Uncertainty
 
88
11.11
K
NIGHTS
C
OMPLEX
 
89
11.11.1
Exploratory Data Analysis
 
89
11.11.2
Modelling and Estimation Parameters
 
96
11.11.3
Technical and Economic Factors
 
98
11.11.4
Mineral Resource Classification Criteria
 
98
11.11.5
Mineral Resource Statement
 
99
11.11.6
Mineral Resource Changes
 
100
11.11.7
Mineral Resource Risks and Uncertainty
 
100
11.12
E
RGO
C
OMPLEX
 
100
11.12.1
Exploratory Data Analysis
 
100
11.12.2
Modelling and Estimation Parameters
 
108
11.12.3
Technical and Economic Factors
 
108
11.12.4
Mineral Resource Classification Criteria
 
109
11.12.5
Mineral Resource Statement
 
110
11.12.6
Mineral Resource Changes
 
110
11.12.7
Mineral Resource Risks and Uncertainty
 
111
11.13
M
ARIEVALE
C
OMPLEX
 
111
11.13.1
Exploratory Data Analysis
 
111
11.13.2
Modelling and Estimation Parameters
 
116
11.13.3
Technical and Economic Factors
 
116
11.13.4
Mineral Resource Classification Criteria
 
116
11.13.5
Mineral Resource Statement
 
117
11.13.6
Mineral Resource Changes
 
118
11.13.7
Mineral Resource Risks and Uncertainty
 
118
11.14
G
ROOTVLEI
C
OMPLEX
 
119
11.14.1
Exploratory Data Analysis
 
119
11.14.2
Modelling and Estimation Parameters
 
123
11.14.3
Technical and Economic Factors
 
123
11.14.4
Mineral Resource Classification Criteria
 
124
11.14.5
Mineral Resource Statement
 
125
11.14.6
Mineral Resource Changes
 
126
11.14.7
Mineral Resource Risks and Uncertainty
 
126
11.15
5A10/5L27
S
AND
D
UMPS
 
126
11.15.1
Exploratory Data Analysis
 
126
exhibit962p1i0
Technical Report Summary of the material Tailings Storage
 
Facilities
vii
11.15.2
Modelling and Estimation Parameters
 
128
11.15.3
Technical and Economic Factors
 
128
11.15.4
Mineral Resource Classification Criteria
 
128
11.15.5
Mineral Resource Statement
 
130
11.15.6
Mineral Resource Changes
 
130
11.15.7
Mineral Resource Risks and Uncertainty
 
131
11.16
D
AGGAFONTEIN
TSF
 
131
11.16.1
Exploratory Data Analysis
 
131
11.16.2
Modelling and Estimation Parameters
 
132
11.16.3
Technical and Economic Factors
 
133
11.16.4
Mineral Resource Classification Criteria
 
133
11.16.5
Mineral Resource Statement
 
134
11.16.6
Mineral Resource Changes
 
135
11.16.7
Mineral Resource Risks and Uncertainty
 
135
11.17
S
UMMARY
M
INERAL
R
ESOURCE
E
STIMATES
 
136
11.18
QP’
S
O
PINION
 
139
12
MINERAL RESERVE ESTIMATES
 
140
12.1
G
RADE
C
ONTROL AND
R
ECONCILIATION
 
140
12.2
C
UT
-
OFF
G
RADE
E
STIMATION
 
141
12.3
E
STIMATION AND
M
ODELLING
T
ECHNIQUES
 
142
12.4
M
INERAL
R
ESERVE
C
LASSIFICATION
C
RITERIA
 
142
12.5
M
INERAL
R
ESERVES
S
TATEMENT
 
142
12.6
QP
S
TATEMENT ON THE
M
INERAL
R
ESERVE
E
STIMATION
 
144
13
MINING METHODS
 
145
13.1
M
INING
M
ETHOD
 
145
13.1.1
Hydraulic Mining
 
146
13.1.2
Conventional Load, Haul and Slurry
 
149
13.2
M
INING
S
ECTIONS
 
152
13.2.1
West Rand
 
155
13.2.2
Central Rand Section – City Section
 
155
13.2.3
East Rand Section
 
156
13.3
M
INE
D
ESIGN AND
S
CHEDULE
 
157
13.4
G
EOTECHNICAL AND
G
EOHYDROLOGY
 
160
13.5
R
EQUIREMENTS FOR
S
TRIPPING
 
161
13.6
M
INING
E
QUIPMENT AND
P
ERSONNEL
R
EQUIREMENTS
 
162
13.7
M
INE
P
LANS
 
162
13.7.1
Introduction
 
162
13.7.2
Central Rand
 
162
13.7.3
East Rand (Ergo)
 
162
14
PROCESSING AND RECOVERY METHODS
 
165
14.1
I
NTRODUCTION
 
165
14.2
P
LANT
F
EED
G
RADE AND
M
ETALLURGICAL
T
EST
W
ORK
 
165
14.3
M
INERAL
P
ROCESS AND
E
QUIPMENT
C
HARACTERISTICS
 
168
exhibit962p1i0
Technical Report Summary of the material Tailings Storage
 
Facilities
viii
14.3.1
Reception
 
168
14.3.2
De-sanding Section
 
168
14.3.3
Carbon-in-Leach
 
168
14.3.4
Carbon Treatment
 
168
14.3.5
Plant Services
 
169
14.4
P
ERSONNEL
R
EQUIREMENTS
 
169
14.5
E
NERGY AND
W
ATER
R
EQUIREMENTS
 
169
14.6
P
ROCESS
M
ATERIALS
R
EQUIREMENTS
 
169
15
INFRASTRUCTURE
 
170
15.1
R
OADS
 
170
15.2
S
ITE
O
FFICES AND
W
ORKSHOPS
 
170
15.3
P
OWER
 
170
15.4
P
UMPS AND
P
IPELINES
 
171
15.5
W
ATER
 
172
15.6
I
NFRASTRUCTURE
 
172
15.7
T
AILINGS
D
ISPOSAL
 
174
15.8
C
ONCLUSION
 
176
16
MARKET STUDIES
 
177
16.1
M
ARKETS
 
177
16.2
G
OLD
P
RICE
 
177
16.3
E
XCHANGE
R
ATE
T
RENDS
 
178
16.4
G
LOBAL
D
EMAND
 
179
16.5
G
LOBAL
S
UPPLY
 
180
16.6
C
ONCLUDING
C
OMMENTS
 
181
17
ENVIRONMENTAL STUDIES
 
182
17.1
R
ESULTS OF
E
NVIRONMENTAL
S
TUDIES
 
182
17.2
R
EQUIREMENTS FOR
T
AILINGS
D
ISPOSAL
,
S
ITE
M
ONITORING AND
W
ATER
M
ANAGEMENT
 
182
17.2.1
Site Monitoring
 
183
17.2.2
Water Management
 
183
17.2.3
Vegetation Monitoring
 
183
17.2.4
Vegetation Maintenance
 
183
17.2.5
Water Monitoring
 
183
17.2.6
Legal and Permitting
 
184
17.3
P
LAN
N
EGOTIATIONS
,
 
OR
A
GREEMENTS WITH
L
OCAL
I
NDIVIDUALS OR
G
ROUPS
 
184
17.4
M
INE
C
LOSURE
P
LANS
R
EMEDIATION
P
LANS
,
 
AND
A
SSOCIATED
C
OSTS
 
185
17.5
QP
S
TATEMENT ON THE
E
NVIRONMENTAL
S
TUDIES
,
P
ERMITTING
,
P
LANS
,
N
EGOTIATIONS
,
 
WITH
L
OCAL
I
NDIVIDUALS OR
G
ROUPS
 
186
18
CAPITAL AND OPERATION COSTS
 
187
18.1
C
APITAL
E
XPENDITURE
 
187
18.1.1
Ergo Section Capital Expenditure
 
187
18.1.2
City Capital Expenditure
 
190
18.1.3
Knights Capital Expenditure
 
190
exhibit962p1i0
Technical Report Summary of the material Tailings Storage
 
Facilities
ix
18.1.4
QP commentary
 
190
18.2
O
PERATING
C
OSTS
 
191
19
ECONOMIC ANALYSIS
 
192
19.1
E
CONOMIC
A
NALYSIS
 
192
19.2
S
ENSITIVITY
A
NALYSIS
 
195
19.3
R
ISK
A
SSESSMENT
 
195
19.3.1
Rising Electricity Prices and Eskom Supply Distribution
 
195
19.3.2
Tailings Storage Facility Capacity
 
196
19.3.3
Social Unrest
 
196
19.3.4
Increased Crime
 
196
19.3.5
Depletion of Ergo’s Mineral Reserves
 
197
19.3.6
Social Licenses to Operate
 
197
19.3.7
Fluctuations in the Gold Price and Exchange Rate
 
197
19.3.8
Supply and Cost of Water
 
198
20
ADJACENT PROPERTIES
 
199
21
OTHER RELEVANT DATA AND INFORMATION
 
199
22
INTERPRETATION AND CONCLUSIONS
 
200
23
RECOMMENDATIONS
 
200
24
REFERENCES
 
201
25
RELIANCE ON INFORMATION PROVIDED BY REGISTRANT
 
201
26
QUALIFIED PERSONS DISCLOSURE CONSENT
 
202
exhibit962p1i0
Technical Report Summary of the material Tailings Storage
 
Facilities
x
Figure 3.1:
 
Location of the
 
Material TSFs
 
and Infrastructure (the
 
material properties of
Ergo)
 
................................
 
................................
 
................................
 
............................ 19
Figure 3.2:
 
Location of the
 
Material Properties
 
in Relation to
 
the Smaller TSFs
 
and Clean-
up Operations
 
................................
 
................................
 
................................
 
............
 
20
Figure 6.1:
 
A Typical Stratigraphy for Ergo’s TSFs ................................
 
................................
 
..
 
32
Figure 6.2:
 
Grootvlei Complex (6L17) Map showing Location of
 
Cross-section
 
...................... 32
Figure 6.3:
 
Cross-section of the Grootvlei Complex (6L17)
 
................................
 
....................... 33
Figure 7.1:
 
Crown Complex: Map showing drill hole Locations
 
................................
 
..........
 
37
Figure 7.2:
 
City Deep Complex: Map showing Drill Hole Locations
 
................................
 
........
 
38
Figure 7.3:
 
Knights Complex - 4L14: Map showing Drill Hole Locations
 
................................
 
....
 
39
Figure 7.4:
 
Knights Complex - 4L50: Map showing Drill Hole Locations
 
................................
 
....
 
40
Figure 7.5:
 
Ergo Complex - 7L15: Map showing Drill Hole Locations
 
................................
 
........
 
41
Figure 7.6:
 
Ergo Complex - Rooikraal: Map showing Drill Hole Locations
 
................................ 42
Figure 7.7:
 
Marievale Complex: Map showing Drill Hole Locations
 
................................
 
.........
 
43
Figure 7.8:
 
Grootvlei Complex - 6L16: Map showing Drill Hole Locations
 
................................ 44
Figure 7.9:
 
Grootvlei Complex
 
- 6L17: Map showing Drill Hole Locations
 
................................ 45
Figure 7.10: Grootvlei Complex - 6L17A: Map showing Drill
 
Hole Locations
 
........................... 46
Figure 7.11:
 
5A10/5L27: Map showing Drill Hole Locations
 
................................
 
................. 47
Figure 7.12:
 
Daggafontein
 
Complex
 
-
 
Daggafontein
 
TSF:
 
Map
 
showing
 
Drill
 
Hole
Locations ................................................................
 
................................
 
.................... 48
Figure 8.1:
 
Cone and Quartering Method
 
................................
 
................................
 
................. 58
Figure 11.1:
 
3L7 (Mooifontein): Distribution of Raw Gold Capped Data
 
.......................... 75
Figure 11.2:
 
3L7 (Mooifontein): Distribution of Composited Gold Data
 
............................ 76
Figure 11.3:
 
3L8 (GMTS): Distribution of Raw Gold Capped Data
 
................................
 
.....
 
76
Figure 11.4:
 
3L8 (GMTS): Distribution of Composited Gold Data
 
................................
 
.......
 
77
Figure 11.5:
 
3L5 (Diepkloof: Diepkloof): Distribution of Raw Gold Capped
 
Data ............
 
77
Figure 11.6:
 
3L5 (Diepkloof: Diepkloof): Distribution of Composited Gold
 
Data
 
...............
 
78
Figure 11.7:
 
3L5 (Diepkloof: Homestead): Distribution of Raw Gold Capped
 
Data
 
.........
 
78
Figure 11.8:
 
3L5 (Diepkloof: Homestead): Distribution of Composited Gold
 
Data
 
...........
 
79
Figure 11.9:
 
4L3: Distribution of Raw Gold Capped Data ................................
 
.................. 83
Figure 11.10:
 
4L3: Distribution of Composited Gold Data................................
 
..................... 84
Figure 11.11:
 
4L4: Distribution of Raw Gold Capped Data ................................
 
.................. 84
Figure 11.12:
 
4L4: Distribution of Composited Gold Data................................
 
..................... 85
Figure 11.13:
 
4L6:
Distribution of Raw Gold Capped Data
 
................................
 
......................... 85
exhibit962p1i0
Technical Report Summary of the material Tailings Storage
 
Facilities
xi
Figure 11.14:
 
4L6: Distribution of Composited Gold Data................................
 
..................... 86
Figure 11.15:
 
4L14: Distribution of Slime Raw Data
 
................................
 
................................ 89
Figure 11.16:
 
4L14: Log Distribution of Slime Raw Data
 
................................
 
......................... 90
Figure 11.17:
 
4L14: Distribution of Slime 6m Composited Data
 
................................
 
............
 
90
Figure 11.18:
 
4L14: Log Distribution of Slime 6m Composited Data
 
................................
 
.....
 
91
Figure 11.19:
 
4L14: Distribution of Soil Raw Data
 
................................
 
................................
 
...
 
91
Figure 11.20:
 
4L14: Log Distribution of Soil Raw Data
 
................................
 
............................ 92
Figure 11.21:
 
4L14: Distribution of Soil Raw Capped Data................................
 
.................... 92
Figure 11.22:
 
4L14: Log Distribution of Soil Raw Capped Data
 
................................
 
............
 
93
Figure 11.23:
 
4L50: Log Distribution of Raw Slime Data
 
................................
 
......................... 93
Figure 11.24:
 
4L50: Distribution of Raw Slime Raw Data
 
................................
 
........................ 94
Figure 11.25:
 
4L50: Log Distribution of Raw Capped Slime Data
 
................................
 
.........
 
94
Figure 11.26:
 
4L50: Distribution of Raw Capped Slime Data
 
................................
 
................ 95
Figure 11.27:
 
4L50: Distribution of 3m Composited Slime Data
 
................................
 
............
 
95
Figure 11.28:
 
4L50: Log Distribution of 3m Composited Slime Data
 
................................
 
.....
 
96
Figure 11.29:
 
4L50: Head Grade versus Modelled Average Gold Grade
 
........................... 99
Figure 11.30:
 
Rooikraal: Distribution of Raw Gold Data
 
................................
 
...................... 101
Figure 11.31:
 
Rooikraal: Log Distribution of Composited Gold Data
 
................................
 
.
 
102
Figure 11.32:
 
7L15: Plan showing North and South Domains
 
................................
 
.............. 103
Figure 11.33:
 
7L15: Distribution of 2015 Raw Data - North Domain
 
................................
 
....
 
104
Figure 11.34:
 
7L15: Log Distribution of 2016 Raw Data - North Domain
 
............................. 104
Figure 11.35:
 
7L15: Distribution of 2015 Raw Data - South Domain
 
................................
 
....
 
105
Figure 11.36:
 
7L15: Log Distribution of 2016 Raw Data - South Domain............................. 105
Figure 11.37:
 
7L15: Distribution of 3m Composited Slime Data - South Domain
 
............... 106
Figure 11.38:
 
7L15: Log Distribution of 3m Composited Slime Data - South
 
Domain
 
........
 
106
Figure 11.39:
 
7L15: Distribution of 3m Composited Slime Data - North Domain
 
............... 107
Figure 11.40:
 
7L15: Log Distribution of 3m Composited Slime Data - North
 
Domain
 
........
 
107
Figure 11.41:
 
7L4: Distribution of Capped Raw Gold Data ................................
 
............... 112
Figure 11.42:
 
Distribution of Composited Raw Gold Data
 
................................
 
................. 112
Figure 11.43:
 
7L5: Distribution of Raw Gold Data
 
................................
 
................................ 113
Figure 11.44:
 
7L5: Distribution of Composited Gold Data................................
 
................... 113
Figure 11.45:
 
7L6: Distribution of Raw Gold Data
 
................................
 
................................ 114
Figure 11.46: 7L6: Distribution of Composited Gold Data
 
................................
 
...................... 114
exhibit962p1i0
Technical Report Summary of the material Tailings Storage
 
Facilities
xii
Figure 11.47:
 
7L7: Distribution of Raw Capped Gold Data ................................
 
................ 115
Figure 11.48:
 
7L7: Distribution of Composited Capped Gold Data
 
................................
 
...
 
115
Figure 11.49:
 
6L16: Distribution of Raw Capped Gold Data ................................
 
.............. 120
Figure 11.50:
 
6L16: Distribution of Composited Gold Data
 
................................
 
................. 120
Figure 11.51:
 
6L17: Distribution of Raw Capped Gold Data ................................
 
.............. 121
Figure 11.52:
 
6L17: Distribution of Composited Gold Data
 
................................
 
................. 121
Figure 11.53:
 
6L17A: Distribution of Raw Capped Gold Data
 
................................
 
...........
 
122
Figure 11.54:
 
6L17A: Distribution of Composited Gold Data
 
................................
 
............. 122
Figure 11.55:
 
5A10/5l27: Distribution of Raw Gold Data
 
................................
 
..................... 127
Figure 11.56:
 
5A10/5l27: Distribution of Composited Gold Data ................................
 
.......
 
127
Figure 11.57:
 
Boxplots for the Different Drilling Campaigns
 
................................
 
................ 131
Figure 11.58:
 
Log Probability Plot
 
................................
 
................................
 
.......................... 132
Figure 11.59:
 
Mineral Resource Classification................................
 
................................
 
......
 
134
Figure 11.60:
 
Mineral Resource Reconciliation (Inclusive) ................................
 
................. 139
Figure 13.1:
 
Typical Tailing Storage Facility
 
................................
 
................................
 
........
 
146
Figure 13.2:
 
Example of Hydraulic Mining
 
................................
 
................................
 
..........
 
147
Figure 13.3:
 
Hydraulic Mining Process Diagram
 
................................
 
................................ 148
Figure 13.4:
 
Typical Mining Method for a TSF
 
................................
 
................................
 
.....
 
149
Figure 13.5:
 
Example of Loading with a FEL
 
................................
 
................................
 
.......
 
150
Figure 13.6:
 
Example of Loading with a FEL into a Hopper
 
................................
 
.............. 150
Figure 13.7:
 
Example of Material on Conveyor
 
................................
 
................................
 
.
 
151
Figure 13.8:
 
Slurry Point for Loading
 
................................
 
................................
 
.................... 151
Figure 13.9:
 
Ergo Sections
 
................................
 
................................
 
................................
 
....
 
153
Figure 13.10:
 
Ergo Operations Overview ................................
 
................................
 
............. 154
Figure 13.11:
 
Hydraulic Mining with Monitor showing Distance and Angle
 
...................... 161
Figure 13.12:
 
Daggafontein TSF Top Cut Mining Sequence
 
................................
 
............... 163
Figure 13.13:
 
Daggafontein TSF Middle Cut Mining Sequence
 
................................
 
.........
 
163
Figure 13.14:
 
Daggafontein TSF Bottom Cut Mining Sequence
 
................................
 
.........
 
164
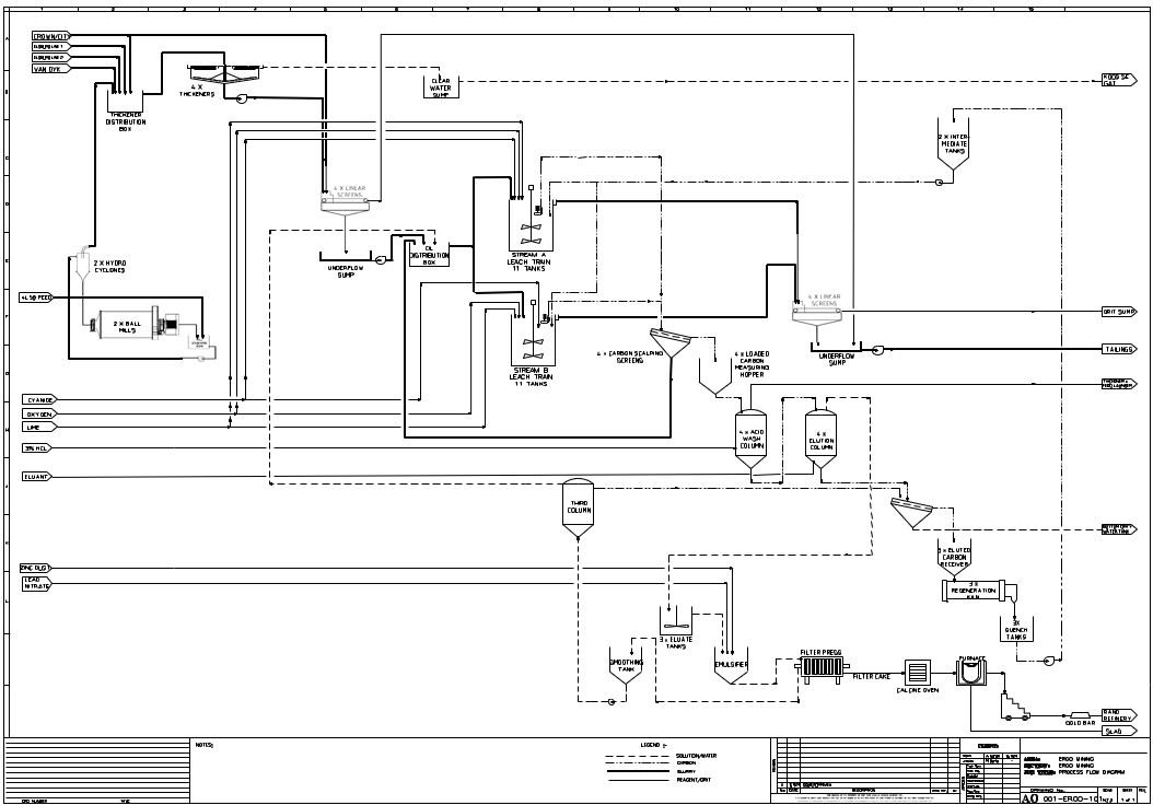
Figure 14.1:
 
Process Flow Diagram
 
................................
 
................................
 
..................... 167
Figure 15.1:
 
Above Ground Pipeline System ................................
 
................................
 
.....
 
171
Figure 15.2:
 
Rooikraal General Arrangement - Site Layout
 
................................
 
.............. 173
Figure 15.3:
 
Brakpan/Withok TSF
 
................................
 
................................
 
......................... 175
Figure 15.4:
 
Placement of Tailings Material at Brakpan/Withok TSF
 
................................ 175
exhibit962p1i0
Technical Report Summary of the material Tailings Storage
 
Facilities
xiii
Figure 19.1:
 
Ergo LoM Production Tonnage
 
................................
 
................................
 
.......
 
192
Figure 19.2:
 
Ergo LoM Gold Production
 
................................
 
................................
 
............. 193
Figure 19.3:
 
Sensitivity Analysis
 
................................
 
................................
 
............................ 195
Figure 19.4:
 
30-Year Gold Price in USD/oz (1992 to 2022)
 
................................
 
................ 198
Graph 1: Gold Price Historical Trendline
 
................................
 
................................
 
.................. 178
Graph 2: Exchange Rate Historical Trendline
 
................................
 
................................
 
.........
 
178
Graph 3: Global Gold Demand from 2012 to 2021
 
................................
 
................................ 179
Graph 4: Global Gold Supply from 2012 to 2021
 
................................
 
................................
 
....
 
180
Table 1.1: Ergo’s Mineral Resource Statement as at 30 June 2022 (Inclusive)
 
......................... 5
Table 1.2: Ergo’s Mineral Resource Statement as at 30 June 2022 (Exclusive)
 
........................ 6
Table 1.3: Ergo’s Mineral Reserve Statement as at 30 June 2022 ................................
 
.............
 
6
Table 1.4: Mineral Reserve Reconciliation ................................
 
................................
 
.................. 7
Table 2.1: List of QPs and their Responsibilities
 
................................
 
................................
 
..........
 
13
Table 2.2: List of Abbreviations
 
................................
 
................................
 
................................
 
...
 
14
Table 3.1: Footprint Areas of the Material TSFs................................
 
................................
 
..........
 
18
Table 3.2: Mineral Rights Information as at 30 June 2022 ................................
 
........................ 22
Table 3.3: Land Tenure Information
 
................................
 
................................
 
........................... 22
Table 5.1: History and Status of the TSFs and Sand Dump
 
................................
 
....................... 28
Table 5.2: ERGO Production History
 
................................
 
................................
 
........................... 29
Table 6.1:
 
Origin of the TSF and Sand Dump Material ................................
 
............................. 31
Table 7.1:
 
Survey Details of the Material from the TSFs and Sand Dumps
 
.............................. 35
Table 7.2:
 
Bulk Density Information and Statistics
 
................................
 
................................
 
.....
 
51
Table 7.3:
 
GMTS (3L8) Moisture Content ................................
 
................................
 
................... 52
Table 7.4:
 
Diepkloof (3L5) Moisture Content
 
................................
 
................................
 
.............
 
52
Table 7.5:
 
Mooifontein (3L7) Moisture Content
 
................................
 
................................
 
.........
 
52
Table 7.6:
 
4L3 Moisture Content
 
................................
 
................................
 
................................
 
.
 
53
Table 7.7:
 
4L4 Moisture Content
 
................................
 
................................
 
................................
 
.
 
53
Table 7.8:
 
4L6 Moisture Content
 
................................
 
................................
 
................................
 
.
 
53
Table 7.9:
 
4L14 Moisture Content
 
................................
 
................................
 
............................... 53
exhibit962p1i0
Technical Report Summary of the material Tailings Storage
 
Facilities
xiv
Table 7.10:
 
4L50 Moisture Content
 
................................
 
................................
 
...................... 54
Table 7.11:
 
Rooikraal Moisture Content
 
................................
 
................................
 
..............
 
54
Table 7.12:
 
7L15 Moisture Content
 
................................
 
................................
 
...................... 54
Table 7.13:
 
7L4: Moisture Content
 
................................
 
................................
 
....................... 54
Table 7.14:
 
7L5: Moisture Content
 
................................
 
................................
 
....................... 55
Table 7.15:
 
7L6: Moisture Content
 
................................
 
................................
 
....................... 55
Table 7.16:
 
7L7: Moisture Content
 
................................
 
................................
 
....................... 55
Table 7.17:
 
6L16 Moisture Content
 
................................
 
................................
 
...................... 55
Table 7.18:
 
6L17 Moisture Content
 
................................
 
................................
 
...................... 56
Table 7.19:
 
6L17A Moisture Content
 
................................
 
................................
 
.................... 56
Table 7.20:
 
5A10/5L27 Moisture Content
 
................................
 
................................
 
............
 
56
Table 7.21:
 
Daggafontein Moisture Content
 
................................
 
................................
 
......
 
56
Table 8.1:
 
Laboratories Used
 
................................
 
................................
 
................................
 
......
 
60
Table 10.1:
 
Summary of Predicted Ergo Processing Plant Performance
 
.......................... 67
Table 11.1:
 
Financial and Technical Data considered for Mineral Resource
 
.................. 72
Table 11.2:
 
Mineral Resource Estimate Cut-off Grades
 
................................
 
..................... 73
Table 11.3:
 
Search Parameters: Inverse Distance Estimation Method
 
................................ 79
Table 11.4:
 
Confidence Levels for Key Criteria for Mineral Resource Classification
 
.......
 
81
Table 11.5:
 
Crown Complex Mineral Resource Estimate (Exclusive)
 
................................
 
...
 
82
Table 11.6:
 
Search Parameters: Inverse Distance Estimation Method
 
................................ 86
Table 11.7:
 
Confidence
 
Levels
 
of
 
Key
 
Criteria
 
for
 
Classification
 
of
 
the
 
TSFs
 
Mineral
Resources ................................
 
................................
 
................................
 
................... 87
Table 11.8:
 
City Deep Complex Mineral Resource Estimates (Inclusive).............................
 
88
Table 11.9:
 
City Deep Complex Mineral Resource Estimates (Exclusive)
 
............................ 88
Table 11.10:
 
4L14: Search Parameters: Nearest Neighbor Estimation Method
 
................. 96
Table 11.11:
 
4L14: Search Parameters: Inverse Distance Estimation
 
Method
 
.................... 96
Table 11.12:
 
4L50: Search Parameters: Nearest Neighbor Estimation Method
 
................. 97
Table 11.13:
 
4L50: Search Parameters: Inverse Distance Estimation
 
Method
 
.................... 97
Table 11.14:
 
Confidence Levels of Key
 
Criteria for Classification
 
of the 4L14and 4L50
TSFs Mineral Resources ................................
 
................................
 
.............................. 98
Table 11.15:
 
Knights Complex Mineral Resource Estimates (Inclusive)
 
............................... 99
Table 11.16:
 
Knights Complex Mineral Resource Estimates (Exclusive)
 
............................ 100
Table 11.17:
 
Rooikraal: Search Parameters: Inverse Distance Estimation
 
Method .........
 
108
Table 11.18:
 
7L15: Search Parameters: Inverse Distance Estimation
 
Method
 
.................. 108
exhibit962p1i0
Technical Report Summary of the material Tailings Storage
 
Facilities
xv
Table 11.19:
 
Ergo:
 
Confidence
 
Levels
 
for
 
Key
 
Criteria
 
for
 
Mineral
 
Resource
Classification ................................
 
................................
 
................................
 
............ 109
Table 11.20:
 
Ergo Mineral Resource Estimates (Inclusive)................................
 
.................. 110
Table 11.21:
 
Ergo Mineral Resource Estimates (Exclusive)
 
................................
 
................. 110
Table 11.22:
 
Search Parameters
 
................................
 
................................
 
.......................... 116
Table 11.23:
 
Confidence Levels for Key Criteria for Mineral Resource Classification
 
.....
 
116
Table 11.24:
 
Marievale Mineral Resource Estimates (Inclusive)
 
................................
 
........
 
117
Table 11.25:
 
Marievale Resource Estimates (Exclusive)
 
................................
 
..................... 118
Table 11.26:
 
Search Parameters: Inverse Distance Estimation Method
 
........................... 123
Table 11.27:
 
Confidence Levels for Key Criteria for Mineral Resource Classification
 
.....
 
125
Table 11.28:
 
Grootvlei Complex Mineral Resource Estimates (Exclusive)
 
........................ 126
Table
 
11.29:
Search Parameters: Inverse Distance Estimation Method
 
................................
 
.......
 
128
Table 11.30:
 
Confidence Levels for Key Criteria for Mineral Resource Classification
 
.....
 
129
Table 11.31:
 
5A10/5L27 Mineral Resource Estimates (Inclusive)
 
................................
 
........
 
130
Table 11.32:
 
5A10/5L27 Mineral Resource Estimates (Exclusive)
 
................................
 
.......
 
130
Table 11.33:
 
Search Parameters
 
................................
 
................................
 
.......................... 133
Table
 
11.34:
Confidence Levels for Key Criteria for Mineral Resource Classification
 
................... 133
Table 11.35:
 
Daggafontein TSF Mineral Resource Estimate (Inclusive)
 
............................ 134
Table 11.36:
 
Daggafontein TSF Mineral Resource Estimate (Exclusive)
 
............................ 135
Table 11.37:
 
Inclusive Mineral Resources of
 
the 19 Material Properties
 
as at 30
 
June
2022
 
136
Table 11.38:
 
Exclusive Mineral Resources of the 19 Material Properties as
 
at 30 June
2022
 
137
Table 11.39:
 
Ergo Inclusive Mineral Resources Statement as at 30 June 2022
 
................ 138
Table
 
11.40:
Ergo Exclusive Mineral Resources Statement as at 30 June 2022
 
............................ 138
Table 12.1:
 
Reconciliation of RoM Head Grade (Au)
 
................................
 
......................... 140
Table 12.2:
 
Reconciliation of RoM Tonnage
 
................................
 
................................
 
.....
 
140
Table 12.3:
 
Cut-off Grade and Mineral Reserve Grades
 
................................
 
................. 141
Table 12.4:
 
Ergo TSF Mineral Reserves Statement as at 30 June 2022
 
............................ 143
Table 12.5:
 
Mineral Reserve Reconciliation
 
................................
 
................................
 
......
 
143
Table 13.1:
 
Historical Ergo Operational Results
 
................................
 
................................
 
.
 
145
Table 13.2:
 
Central Rand (City Section)
 
................................
 
................................
 
............ 155
Table 13.3:
 
Central Rand (Knights Section)
 
................................
 
................................
 
......
 
156
Table 13.4:
 
East Rand Section (Ergo Section)
 
................................
 
................................
 
...
 
157
exhibit962p1i0
Technical Report Summary of the material Tailings Storage
 
Facilities
xvi
Table 13.5:
 
Summary of Modifying Factors for LoM Plan
 
................................
 
................. 158
Table 13.6:
 
Ergo Forecast Production from July 2021 to June 2034
 
................................ 159
Table 14.1:
 
Ergo Process Recoveries ................................
 
................................
 
.................... 168
Table 16.1:
 
Above Ground Gold Stocks in 2021
 
................................
 
............................... 177
Table 16.2:
 
Long Term Consensus Forecasts in Nominal Terms
 
................................
 
.......
 
179
Table 16.3:
 
Global Gold Production ................................
 
................................
 
................. 180
Table 17.1:
 
Ergo Water Consumption ................................
 
................................
 
............... 183
Table 17.2:
 
SLP Financial Provision Summary
 
................................
 
................................
 
....
 
185
Table 17.3:
 
Ergo Rehabilitation Financial Provision Summary
 
................................
 
.........
 
186
Table 18.1:
 
Capital Expenditure Summary ................................
 
................................
 
.......
 
187
Table 18.2:
 
Rooikraal Capital Expenditure Estimate
 
................................
 
........................ 187
Table 18.3:
 
Marievale Capital Pump Stations ................................
 
................................
 
..
 
188
Table 18.4:
 
Marievale Total Capital Expenditure Summary
 
................................
 
............ 188
Table 18.5:
 
Daggafontein Capital Pump Stations ................................
 
........................... 188
Table 18.6:
 
Daggafontein Capital Expenditure Summary
 
................................
 
.............. 189
Table 18.7:
 
Non-material TSF Capital Expenditure for the Ergo Section
 
......................... 189
Table 18.8:
 
Withok Compartment Capital Expenditure
 
................................
 
.................. 189
Table 18.9:
 
Solar Power Project Capital Estimate ................................
 
............................ 190
Table 18.10:
 
City Total Capital Expenditure Summary
 
................................
 
....................... 190
Table 18.11:
 
Average LoM Operating Cost for Ergo
 
................................
 
.......................... 191
Table 19.1:
 
Economic Analysis
 
................................
 
................................
 
........................... 194
Table 26.1:
 
Qualified Person’s Details................................
 
................................
 
................ 202
exhibit962p1i0
Technical Report Summary of the material Tailings Storage
 
Facilities
1
1
 
Executive Summary
1.1
 
Introduction
Ergo Mining (Proprietary)
 
Limited (Ergo) is a
 
wholly owned subsidiary
 
of DRDGOLD Limited
 
(DRDGOLD).
DRDGOLD is domiciled in South
 
Africa and listed on the
 
Johannesburg Stock Exchange
 
(JSE: DRD) and
New York Stock Exchange (NYSE: DRD). DRDGOLD, a South African-based gold mining company, has a
100% share in Ergo. DRDGOLD is a Tailings Storage Facilities
 
(TSFs) retreatment company.
The TSFs
 
Mineral
 
Resource
 
and
 
Mineral
 
Reserve
 
estimates
 
declared
 
in
 
this
 
Technical
 
Report
 
Summary
(this Report) are 100%
 
attributable to DRDGOLD.
 
The TSFs covered are
 
from Crown, City
 
Deep, Knights,
Ergo, Marievale and Grootvlei Complexes,
 
5A10/5L27 sand dump and Daggafontein TSF.
The Mineral Resource
 
and Mineral
 
Reserve estimate contained
 
in this Technical
 
Report Summary were
compiled
 
and
 
reported
 
by
 
the
 
Qualified
 
Persons
 
(QPs)
 
for
 
DRDGOLD
 
in
 
accordance
 
with
 
Items
601(b)(96) and 1300 through 1305 of
 
Regulation S-K (Title 17, Part 229,
 
Items 601(b)(96) and 1300 through
1305
 
of
 
the
 
Code
 
of
 
Federal
 
Regulations)
 
promulgated
 
by
 
the
 
Securities
 
and
 
Exchange
 
Commission
(SEC).
This document is
 
the first submission
 
of a Technical
 
Report Summary under
 
Regulation S-K; thus,
 
it is not
an update of a previously filed Technical Report Summary.
This
 
Technical
 
Report
 
Summary
 
is
 
based
 
on
 
information
 
available
 
until
 
30
 
June
 
2022.
 
There
 
were
 
no
material changes between the effective and reporting
 
dates.
1.2
 
Property Description
Ergo is reclaiming
 
TSFs and sand
 
dumps in the
 
City of Johannesburg
 
and the City
 
of Ekurhuleni, Gauteng,
South Africa. The Crown and City Deep Complexes
 
are in the City of Johannesburg,
 
while all other TSFs
are located in the City of Ekurhuleni. A total of 19
 
material properties are discussed in this report.
1.3
 
Mineral Rights and Ownership
Ergo’s title in
 
its Mineral Resources
 
is vested in
 
common law ownership
 
and/or contractual arrangements
and
 
Prospecting
 
Rights,
 
and
 
its
 
competency
 
to
 
mine
 
the
 
same
 
lie
 
in
 
various
 
Mining
 
Rights
 
that
 
were
converted (and
 
consolidated)
 
in terms
 
of the
 
provisions
 
of the
 
MPRDA and
 
Environmental
 
Approvals.
Ergo has submitted an
 
application to renew and
 
consolidate all their Mining
 
Rights into a single
 
Mining
Right;
 
this
 
application
 
is
 
receiving
 
attention
 
from
 
the
 
Department
 
of
 
Mineral
 
Resources
 
and
 
Energy
(DMRE).
 
Renewal
 
applications
 
have
 
been
 
submitted
 
to
 
the
 
DMRE
 
for
 
each
 
expired
 
Right.
 
Ergo
 
has
applied to extend the consolidated Mining Right for 30 years,
 
which is the maximum allowable renewal
period as detailed in the Mineral and Petroleum Resources Development Act,
 
2002 (Act No. 28 of 2002)
(MPRDA).
This report has considered section 24(5) of the MPRDA, as
 
amended:
A mining right in respect of which
 
an application for renewal has
 
been lodged shall despite its expiry
date remain in force until such time as such application has
 
been granted or refused.
The same applies to the Prospecting Rights through section
 
18(5) of the MPRDA.
exhibit962p1i0
Technical Report Summary of the material Tailings Storage
 
Facilities
2
1.4
 
Geology and Mineralization
The
 
TSFs
 
are
 
man-made
 
features.
 
The
 
material
 
in
 
the
 
TSFs
 
has
 
been
 
processed
 
through
 
metallurgical
plants
 
that
 
generate
 
residue
 
(tailings),
 
which
 
are
 
relatively
 
uniform
 
in
 
comparison
 
with
 
the
 
natural
deposit from which the material is derived. The variation between grades is small as the process residue
TSFs were constructed
 
in layers.
 
Grade variation
 
primarily follows
 
variations in
 
the processing
 
and, to
 
a
lesser extent, the primary deposits characteristic.
The
 
TSFs
 
are
 
the
 
waste
 
product
 
of
 
the
 
mineral
 
recovery
 
process.
 
They
 
took
 
the
 
form
 
of
 
a
 
liquid
 
slurry
made of
 
fine mineral
 
particles -
 
created when
 
mined ore
 
was crushed,
 
milled and
 
processed. The
 
tailings
were
 
pumped
 
to
 
TSFs
 
which
 
were
 
constructed
 
using
 
the
 
Upstream
 
Deposition
 
Methodology.
 
Water
contained within
 
the slurry was
 
removed via various
 
drainage systems and
 
then re-used in
 
the process
whilst
 
the
 
TSF
 
was
 
in
 
operation.
 
Once
 
a
 
TSF
 
is
 
decommissioned
 
and
 
declared
 
dormant,
 
water
 
is
 
still
drained
 
and
 
recovered
 
but
 
evaporation
 
and
 
seepage
 
are
 
the
 
main
 
reasons
 
for
 
water
 
loss.
Rehabilitation
 
of the
 
side
 
slopes and
 
top surface
 
of the
 
TSF, by
 
way of
 
vegetation
 
and irrigation
 
,
 
was
previously only implemented once the TSF was declare
 
d
 
dormant.
1.5
 
Evaluation Drilling and Sampling
A qualified
 
surveyor
 
surveyed
 
all evaluation
 
drill
 
hole positions
 
.
 
Holes were
 
drilled
 
into the
 
TSF at
 
1.5m
intervals
 
to
 
determine
 
grade
 
distribution.
 
The
 
number
 
of
 
samples
 
(at
 
1,5m
 
intervals),
 
correlated
 
with
surveying data, provided the height of the TSF and
 
tonnage based on a bulk solid’s density of 1.42.
The
 
typical
 
exploration
 
programs
 
(geophysics,
 
trenching,
 
mapping,
 
and
 
soil
 
sampling)
 
were
 
not
undertaken
 
on
 
the
 
TSFs.
 
Evaluation
 
drilling
 
programs
 
were
 
conducted
 
on
 
the
 
TSFs.
 
No
 
exploration
 
is
required to locate TSFs, as their locations are known
 
and established above the natural ground level.
Two
 
drilling
 
techniques
 
were
 
followed
 
by
 
specialized
 
drilling
 
contractors
 
on
 
the
 
TSFs.
 
The
 
Reverse
Circulation (RC) method was
 
used where auger drilling techniques
 
could not drill to
 
the base of
 
the TSFs,
mainly due to the drill hole length and moisture of
 
the TSFs towards their bases.
With auger drilling, the rotation of a helical screw causes the
 
blade of the screw to lift the sample to the
surface. This drilling
 
method does not
 
require heavy
 
machinery to drill
 
to the desired
 
depth. The auger
method
 
can
 
be
 
used
 
for
 
shallow
 
environmental
 
drilling,
 
geotechnical
 
drilling,
 
soil
 
engineering
 
and
mineral deposits where the formation is soft and the hole does not collapse. This is done by pressing the
spiral rods into the ground using a drilling head
 
machine which can drill up to a depth of 50m.
Samples were collected through the spiral at 1.5m intervals, and the spiral was cleaned with water and
brushed after every run.
The RC
 
drilling
 
technique
 
was chosen
 
in preference
 
to auger
 
drilling
 
in certain
 
locations because
 
RC
drilling
 
could
 
drill
 
deeper
 
than
 
auger
 
drilling.
 
In
 
addition,
 
because
 
of
 
its
 
higher
 
power,
 
RC
 
can
 
drill
through wet material and has
 
better recovery percentages than auger drilling,
 
which loses wet samples
through its spiral.
The RVN Group (Proprietary)
 
Limited (The RVN Group) monitored the
 
drilling and sampling process. The
methods
 
were
 
to
 
an
 
acceptable
 
industry
 
standard,
 
and
 
the
 
results
 
were
 
considered
 
appropriate
 
for
further evaluation.
exhibit962p1i0
Technical Report Summary of the material Tailings Storage
 
Facilities
3
Logging was carried out as per the
 
Ergo protocols and the QP considered it appropriate for the deposit
under
 
consideration.
 
Drill
 
holes
 
were
 
logged
 
on-site
 
by
 
the
 
RVN
 
Geologist.
 
Samples
 
of
 
1.5m
 
length
intervals were taken for the
 
entire length of the drill
 
holes. Samples were classified according to
 
whether
they were slimes or
 
soil, moist or wet
 
and on color. All
 
drill hole data was
 
provided to Ergo in
 
electronic
and hardcopy formats as drill hole logs, sample logs and assay
 
certificates.
1.6
 
Sample Preparation
As the samples were moist to wet, all samples were split on-site using
 
the cone and quartering method.
One set was
 
prepared for routine exploration analysis
 
for use in the
 
Mineral Resource estimation and the
other set for metallurgical process test work. All the
 
samples were presented to the laboratory in a well-
organized
 
and
 
sorted
 
manner
 
with
 
easily
 
understandable
 
documentation,
 
including
 
fully
 
completed
Sample Submission Forms.
The samples were sent to the following three laboratories for
 
further preparation and assaying:
MAED
 
Metallurgical
 
Laboratories
 
(Proprietary)
 
Limited
 
(MAED)
 
is
 
located
 
at
 
Ergo’s
 
processing
plant in Brakpan. The facility is not accredited,
 
however is used by Ergo for its grade control and
daily sampling.
 
Although MAED is
 
not owned
 
by Ergo,
 
it is
 
situated in the
 
Ergo processing
 
plant
and was supplied with all routine exploration samples.
SGS
 
South
 
Africa
 
(Proprietary)
 
Limited
 
(SGS)
 
is
 
located
 
in
 
Randfontein.
 
SGS
 
is
 
an
 
accredited
facility
 
(T0265)
 
by
 
the
 
South
 
African
 
National
 
Accreditation
 
System
 
(SANAS)
 
for
 
the
 
selected
analytical method. Randomly selected check samples (approximately 10% of total samples per
TSF) from MAED were sent to SGS for confirmation. SGS is independent
 
of Ergo;
 
and
AngloGold Ashanti Limited Chemical Laboratory (Anglo Lab),
 
located in Carletonville,
 
analyzed
some
 
check
 
samples
 
for
 
7L15
 
TSF
 
in
 
2016/2017
 
as
 
a
 
secondary
 
laboratory
 
to
 
MAED.
 
The
laboratory no longer exists
 
and was not SANAS accredited.
 
The laboratory was independent
 
of
Ergo.
The
 
slime
 
material
 
has
 
been
 
previously
 
processed
 
and
 
sample
 
preparation
 
only
 
requires
 
weighing,
drying,
 
screening,
 
splitting
 
and
 
milling
 
before assaying.
 
Screening
 
removes
 
potentially
 
carbonaceous
and other oversized material to represent the material to
 
be processed through the metallurgical plant.
1.7
 
Assays
The laboratories weighed the
 
samples on receipt
 
before dry screening
 
them to remove
 
foreign material.
The
 
samples
 
were
 
then
 
dried
 
at
 
105
˚
C,
 
crushed
 
(80%
 
passing
 
2mm),
 
before
 
being
 
riffle
 
split
 
and
pulverized to 75µm.
 
The samples
 
were then analyzed
 
to determine the
 
gold content by
 
fire assay with
gravimetric
 
finish
 
by
 
MAED
 
and
 
Atomic
 
Absorption
 
Spectroscopy
 
(AAS)
 
finish
 
by
 
SGS.
 
The
 
lower
detection limit for these
 
methods is 0.01g/t with
 
no upper detection limit
 
for the gravimetric method
 
and
a 10g/t upper limit for AAS. The lower limit
 
is relevant to the current project
 
as the TSFs and sand dumps
consist of
 
processed
 
materials
 
and
 
are
 
generally
 
low-grade,
 
with
 
grades
 
slightly
 
higher
 
than
 
10 to
 
20
times the detection limit.
The laboratories
 
were instructed
 
to use
 
a 100g
 
aliquot to
 
analyze for
 
gold. Through
 
the experience
 
of
the QPs, it
 
is known that analyzing gold
 
in low-grade slimes, anything less
 
than a 100g
 
aliquot may report
inaccurate results.
exhibit962p1i0
Technical Report Summary of the material Tailings Storage
 
Facilities
4
1.8
 
Quality Assurance and Quality Control
The laboratories used
 
in analyzing the samples
 
have robust internal
 
quality control checks.
 
They routinely
insert reference
 
material (standards and
 
blanks)
 
and create
 
duplicates to
 
internally check the
 
accuracy
and precision
 
of their
 
assaying techniques.
 
A batch
 
is re-assayed
 
if the
 
quality control
 
samples do
 
not
perform as
 
expected. The
 
results of
 
the quality
 
control checks
 
were provided
 
with the
 
sample assays
and were all found to be acceptable by the QP.
The
 
RVN
 
Group
 
inserted
 
certified
 
quality
 
control
 
samples
 
as
 
an
 
additional
 
check
 
for
 
contamination,
precision
 
and
 
accuracy.
 
The
 
RVN
 
Group
 
quality
 
control
 
samples
 
results
 
were
 
satisfactory
 
as
 
they
generally reported values within the expected ranges.
1.9
 
Metallurgical Sampling and Testing
The TSFs
 
were portioned
 
into logical
 
sections for
 
metallurgical testing,
 
based either
 
on area,
 
shape or
elevation. The selected intervals for compositing into the metallurgical test
 
work samples were taken at
different elevations within the TSF to provide sufficient
 
material for the test work.
The
as
 
received
 
material
 
was
 
blended
 
and
 
divided
 
into
 
2kg
 
portions
 
using
 
cone
 
and
 
quarter
splitting.
Leaching of
as received
 
material were
 
done using
 
the following
 
parameters, which
 
simulates the
existing Ergo leach plant:
pH = 10.5;
precondition with lime for 1 hour or more to maintain
 
pH at 10.5;
Carbon-in-Leach (CIL) with 15g/l carbon;
NaCN addition 0,5kg/t;
dissolved oxygen in excess of six parts per million (ppm);
leach time eight hours; and
all samples were submitted to MAED for gold analysis
 
.
The metallurgical test work confirms that the material tested can be processed to recover residual gold
from the TSFs assessed via the current Ergo metallurgical
 
plant process.
Predicted
 
recoveries
 
from
 
the
 
TSFs
 
tested
 
vary
 
between
 
30%
 
and
 
60%
 
and
 
are
 
dependent
 
on
 
head
grade and the nature of the material. These values are typical for gold TSF processing. All the TSFs meet
the requirements for processing through the Ergo
 
plants.
exhibit962p1i0
 
 
 
 
 
 
 
 
 
 
 
 
 
 
 
 
 
 
 
 
 
 
 
 
 
 
 
 
 
 
 
 
 
 
 
 
 
 
 
 
 
 
 
 
 
 
 
 
 
 
Technical Report Summary of the material Tailings Storage
 
Facilities
5
1.10
 
Mineral Resource Estimate
The
 
Mineral
 
Resource
 
Estimate
 
for
 
the
 
TSFs
 
and
 
sand
 
dumps
 
were
 
adjusted
 
for
 
depletion
 
as
 
at
30 June 2022. The Mineral Resource estimate for all
 
the TSFs and sand dumps are declared as follows:
the point of
 
reference is
in situ
for all TSFs
 
and sand
 
dumps. The TSFs
 
or sand dumps
 
themselves
are the reference points;
no
 
geological
 
or
 
other
 
loses
 
were
 
applied
 
as
 
all
 
material
 
is
 
accessible
 
and
 
there
 
are
 
no
geological structures.
the Mineral
 
Resource Estimate
 
is stated
 
as both
 
inclusive and
 
exclusive
 
of Mineral
 
Reserves as
defined in Subpart 1300 of Regulation S-K; and
Mineral Resource is 100% attributable to DRDGOLD
 
.
The total
 
Mineral Resource
 
Estimate for
 
Ergo is
 
presented in
 
Table 1.1
 
to Table
 
1.2. The
 
changes in
 
the
Mineral Resource
 
from June
 
2021 to
 
June 2022
 
are due
 
to the
 
depletion of
 
20.51Mt at
 
0.33g/t Au
 
and
minor survey adjustments of 2.94Mt at 0.20g/t Au.
Table 1.1:
 
Ergo’s Mineral Resource Statement as at 30 June
 
2022 (Inclusive)
Mineral Resource
Classification
Mineral Resource as at 30 June 2021
(Inclusive)
Mineral Resource as at 30 June 2022
(Inclusive)
Tons
(Mt)
Au
(g/t)
Contents
(Moz)
Tons
(Mt)
Au
(g/t)
Contents
(Moz)
Measured Mineral Resource
282.95
0.31
2.81
266.25
0.31
2.64
Indicated Mineral Resource
574.95
0.25
4.61
568.21
0.25
4.55
Sub-total Measured and
Indicated Mineral Resource
857.90
0.27
7.42
834.45
0.27
7.19
Inferred Mineral Resource
21.32
0.24
0.16
21.32
0.24
0.16
Total Mineral Resources
879.22
0.27
7.58
855.77
0.27
7.35
Source: The RVN Group, 2022
Notes:
1.
 
Mineral Resources are reported inclusive of Mineral Reserves.
2.
 
Mineral Resources have been reported in accordance
 
with the classification criteria of Subpart 1300 of
 
Regulation S-K.
3.
 
Mineral Resources were estimated using the USD1,823/oz, ZAR15.60/USD, ZAR914,294/kg
 
financial parameters and recoveries in Table 11.2.
4.
 
The reference point for the Mineral Resource is in situ
 
.
5.
 
Quantities and grades have been rounded to two decimal
 
places; therefore, minor computational errors may
 
occur.
6.
 
No geological losses were applied to the Mineral Resources.
7.
 
Attributable Mineral Resource is 100% of the total Mineral
 
Resource.
exhibit962p1i0
 
 
 
 
 
 
 
 
 
 
 
 
 
 
 
 
 
 
 
 
 
 
 
 
 
 
 
 
 
 
 
 
 
 
 
 
 
 
 
 
 
 
 
 
 
 
 
 
 
 
 
 
 
 
 
 
 
 
 
 
 
 
 
 
 
 
 
 
 
 
 
 
 
 
 
 
 
 
 
 
 
 
 
 
 
 
 
 
Technical Report Summary of the material Tailings Storage
 
Facilities
6
Table 1.2:
 
Ergo’s Mineral Resource Statement as at 30 June
 
2022 (Exclusive)
Mineral Resource
Classification
Mineral Resource as at 30 June 2021
(Exclusive)
Mineral Resource as at 30 June 2022
(Exclusive)
Tons
(Mt)
Au
(g/t)
Contents
(Moz)
Tons
(Mt)
Au
(g/t)
Contents
(Moz)
Measured Mineral Resource
-
-
-
66.04
0.26
0.55
Indicated Mineral Resource
574.95
0.25
4.61
375.41
0.25
3.02
Sub-total Measured and
Indicated Mineral Resource
574.95
0.25
4.61
441.45
0.25
3.57
Inferred Mineral Resource
21.32
0.24
0.16
21.32
0.24
0.16
Total Mineral Resources
596.27
0.25
4.77
462.77
0.25
3.73
Source: The RVN Group, 2022
Notes:
1.
 
Mineral Resources are reported exclusive of Mineral Reserves.
2.
 
Mineral Resources have been reported in accordance
 
with the classification criteria of Subpart 1300 of
 
Regulation S-K.
3.
 
Mineral Resources were estimated using the USD1,823/oz, ZAR15.60/USD,
 
914,294ZAR/kg financial parameters and recoveries in Table 11.2.
4.
 
The reference point for the Mineral Resource is in situ
 
.
5.
 
Quantities and grades have been rounded to two decimal
 
places; therefore, minor computational errors may
 
occur.
6.
 
No geological losses were applied to the Mineral Resources.
7.
 
Attributable Mineral Resource is 100% of the total Mineral
 
Resource.
1.11
 
Mineral Reserve Estimate
The total Mineral Reserve estimate for Ergo is presented in Table
 
1.3. The changes in the Mineral Reserve
from 30 June 2021 to 30 June 2022 is due to the inclusion of
 
192Mt at 0.24g/t Au from Daggafontein, the
removal
 
of
 
66Mt
 
at
 
0.26g/t
 
Au
 
from
 
Grootvlei,
 
the
 
depletion
 
of
 
20Mt
 
at
 
0.33g/t
 
Au
 
and
 
the
 
survey
adjustments of 2.94Mt at 0.20g/t Au.
Table 1.3:
 
Ergo’s Mineral Reserve Statement as at 30 June 2022
Mineral Reserve
Classification
Mineral Reserve as at 30 June 2021
Mineral Reserve as at 30 June 2022
Tons
(Mt)
Au
(g/t)
Contents
(Moz)
Tone
(Mt)
Au
(g/t)
Contents
(Moz)
Proven Mineral Reserve
29.36
0.295
0.28
200.21
0.33
2.09
Probable Mineral Reserve
253.59
0.311
2.53
192.79
0.24
1.49
Total Mineral Reserves
282.95
0.309
2.81
393.00
0.28
3.58
Source: The RVN Group, 2022
Notes:
1.
 
Tons and grades were rounded and this may result
 
in minor adding discrepancies.
2.
 
Mineral Reserve has been reported in accordance with the
 
classification criteria defined in the classification criteria
 
of Subpart 1300 of
Regulation S-K
3.
 
Mineral Reserve is estimated using the USD1,823/oz, ZAR15.60/
 
USD and ZAR914,294/kg financial parameters.
4.
 
A cut-off grade of 0.20g/t has been applied.
5.
 
No mining losses or dilution has been applied
 
in the conversion process nor has a mine call factor
 
been applied.
 
6.
 
Tons and grade Run-of-Mine (RoM) as delivered
 
to the plant.
7.
 
Attributable Mineral Reserve is 100% of the total Mineral
 
Reserve.
exhibit962p1i0
 
 
 
 
 
 
 
 
 
 
 
 
 
 
 
 
 
 
 
 
 
 
 
 
 
 
 
 
 
 
 
Technical Report Summary of the material Tailings Storage
 
Facilities
7
Table 1.4 depicts the Mineral Reserve reconciliation
 
between 30 June 2021 and 30 June 2022.
Table 1.4:
 
Mineral Reserve Reconciliation
Source
Tons
(Mt)
Au Grade
(g/t)
Content
(Moz)
Total Mineral Reserve as at 30 June 2021
282.95
0.31
2.81
Depletion through Mining
(20.48)
0.33
(0.22)
Survey Adjustments
(2.94)
0.20
(0.01)
Inclusion of Daggafontein TSF in the LoM Plan
192.79
0.24
1.49
Exclusion of a Grootvlei TSF
(66.04)
0.26
(0.55)
Inclusion of 4 TSFs in the LoM Plan
6.72
0.26
0.06
Total Mineral Reserve as at 30 June 2022
393.00
0.28
3.58
Source: The RVN Group, 2022
Note: Quantities and grades have been rounded to two
 
decimal places therefore minor computational
 
errors may occur.
The
 
various
 
modifying
 
factors,
 
i.e.,
 
mining,
 
metallurgical,
 
processing,
 
infrastructure,
 
economic,
marketing, legal, environmental,
 
and governmental factors,
 
are discussed in
 
the following Items
 
of this
report.
The 30
 
June 2022
 
Life-of-Mine (LoM)
 
plan was
 
developed for
 
the Ergo
 
operations and
 
is based
 
on the
Mineral Resource Estimate as at 30 June
 
2022
 
together with a set of modifying
 
factors based on recent
historical
 
results
 
and
 
economic
 
inputs
 
provided
 
by
 
Ergo.
 
The
 
assumptions
 
applied
 
in
 
determining
 
the
modifying
 
factors
 
and
 
economic
 
inputs
 
are
 
reasonable
 
and
 
appropriate.
 
The
 
LoM
 
plan
 
is sufficient
 
ly
detailed
 
to
 
ensure
 
achievability
 
and
 
is
 
based
 
on
 
historical
 
achievements.
 
All
 
the
 
inputs
 
used
 
in
 
the
estimation of the Mineral
 
Reserve have been thoroughly
 
reviewed and can
 
be considered technically
robust.
The current mining methods applied
 
by Ergo are suitable for all TSFs.
 
No selective mining will occur with
the entire TSF being processed (including Inferred Mineral
 
Resources).
The Ergo processing
 
plant targets a
 
Run-of-Mine (RoM) throughput
 
between 1.8Mtpm to
 
2.0Mtpm. The
City Deep
 
plant has
 
been reconfigured
 
to operate
 
as a
 
milling and
 
pump station
 
and feed
 
the Ergo
processing plant via
 
a 50km pipeline.
 
The City Deep plant
 
processes material from
 
mining areas of
 
the
Central Rand areas of Johannesburg and is scheduled to close in 2027. Mining areas of Germiston, and
some areas of Boksburg are
 
treated via the Knights plant,
 
with mining operations scheduled to
 
close in
June 2024.
An
 
average
 
processing
 
plant
 
recovery
 
of
 
40.9%
 
has
 
been
 
estimated
 
over
 
the
 
19-year
 
LoM.
 
The
recoveries are based on metallurgical test work for the various TSFs,
 
slimes and silted wetland areas that
are scheduled to be mined over the 19-year LoM plan.
The
 
QP
 
is
 
of
 
the
 
opinion
 
that
 
all
 
significant
 
infrastructure
 
and
 
logistical
 
requirements
 
have
 
been
considered and
 
costed. It
 
is notable
 
that Ergo
 
has been
 
operating for
 
more than
 
20 years
 
and has
 
a
very good understanding of infrastructural and logistical
 
requirements.
A gold price
 
of ZAR914,294/kg is
 
used to support
 
the 30 June
 
2022 Mineral Resource
 
and Mineral Reserve
statements.
 
A
 
gold
 
price
 
of
 
USD1,823/oz
 
and
 
an
 
exchange
 
rate
 
of
 
ZAR15.60:1USD
 
was
 
used
 
in
 
the
estimation process.
exhibit962p1i0
Technical Report Summary of the material Tailings Storage
 
Facilities
8
The
 
gold
 
price
 
and
 
exchange
 
rates
 
were
 
considered
 
reasonable
 
by
 
the
 
QPs
 
to
 
support
 
the
 
Mineral
Resource and Mineral Reserve estimates as at 30 June
 
2022.
Mining Rights, Environmental Approvals and Prospecting Rights held
 
are listed under the Ergo
 
subsidiary.
Ergo has
 
numerous Surface
 
and Prospecting
 
Rights and
 
the ownership
 
of the
 
surface rights
 
and mine
TSFs vests
 
in various
 
legal entities.
 
Ergo’s Environment
 
al Management
 
Plan (EMP)
 
encompasses all
 
the
activities
 
of Ergo’s
 
operations
 
and assesses
 
the environmental
 
impacts of
 
mining
 
at reclamation
 
sites,
processing
 
plants,
 
TSFs
 
and
 
sand
 
dumps.
 
It
 
also
 
outlines
 
the
 
closure
 
process,
 
including
 
financial
provisions.
There are competing ownership
 
claims on the Grootvlei and Marievale
 
Complexes, as detailed in Item
3.6. On other TSFs,
 
there are no legal
 
challenges to Ergo’s
 
title that would
 
prevent operations of any
 
of
the current mineral rights or mining operations.
A
 
closure
 
cost
 
of
 
ZAR645
 
million
 
has
 
been
 
estimated
 
in
 
June
 
2022
 
for
 
the
 
Ergo
 
operations.
 
The
 
QP
 
is
satisfied that funding for rehabilitation and mine closure is adequate. The QP is satisfied that all material
issues relating to Environmental, Social and Governance
 
have been addressed in this document.
A total capital of ZAR3.22
 
billion is scheduled to
 
support the 19-LoM plan,
 
as depicted. The breakdown
of capital expenditure indicates that the majority of the capital, ZAR3.14 billion,
 
is allocated to the Ergo
operation over
 
the duration
 
of the
 
LoM plan
 
with an
 
additional
 
ZAR81.9 million
 
allocated for
 
the
 
City
Deep Complex.
 
As the
 
mining at
 
the Knight
 
section is
 
scheduled to
 
be completed
 
in 2024
 
there is
 
no
allocation
 
of
 
capital.
 
The
 
level
 
of
 
accuracy
 
for
 
the
 
capital
 
expenditure
 
is
 
at
 
least
 
to
 
a
 
preliminary
feasibility study (PFS) level of accuracy, (i.e., +/-25%) with
 
a maximum level of contingency of 15%.
The planned average operating cost for the Ergo budget
 
over the 19-year operations is estimated at a
PFS level of accuracy (i.e., +/-25%) and a total working
 
cost of ZAR90.86/t.
The 30 June
 
2022 19-year
 
LoM plan, which
 
is the basis
 
of the Mineral
 
Reserve estimate,
 
is scheduled
 
to
mine a total of 410.33Mt
 
at 0.28g/t and produce
 
50,658kg of gold over the
 
same period. The LoM
 
plan
includes
 
17.3Mt
 
of
 
material
 
that
 
is
 
treated
 
on
 
a
 
third-party
 
contract
 
basis
 
and
 
is
 
not
 
included
 
in
 
the
Mineral
 
Reserve.
 
The
 
economic
 
analysis
 
is
 
based
 
on
 
a
 
LoM
 
plan
 
that
 
is
 
designed
 
to
 
a
 
PFS
 
level
 
of
accuracy
 
(i.e.,
 
+/-25%).
 
The
 
economic
 
analysis
 
conducted
 
by
 
the
 
QP
 
indicates
 
a
 
net
 
present
 
value
(NPV) of ZAR2.21
 
billion after capital
 
expenditure and taxation
 
utilizing a discount
 
rate of 9.48%.
 
As the
Ergo operations are an on-going
 
operation with an annual positive
 
cashflow, the internal rate of return
(IRR) and payback period are not applicable.
exhibit962p1i0
Technical Report Summary of the material Tailings Storage
 
Facilities
9
The
 
sensitivity
 
analysis
 
of
 
the
 
Ergo
 
LoM
 
model
 
varies
 
revenue
 
(price
 
and
 
grade),
 
operating
 
cost
 
and
capital expenditure at 5%
 
increments above and
 
below the base case.
 
The analysis indicates that
 
the
Ergo operations are
 
very sensitive to
 
revenue parameters such as
 
gold price,
 
exchange rate, grade and
recovery. In addition, the LoM is also very sensitive to changes in operating costs. The sensitivity
 
analysis
indicates
 
that
 
the
 
LoM
 
is
 
not
 
overly
 
sensitive
 
to
 
capital
 
and
 
therefore, capital
 
expenditure
 
should
 
be
considered
 
if
 
the
 
expenditure
 
will
 
reduce
 
operating
 
costs or
 
increase
 
revenue.
 
The sensitivity
 
analysis
indicates that
 
the achievement
 
of the
 
LoM Plan
 
in terms
 
of tonnage
 
is critical
 
in realizing
 
the planned
operating costs and being able to mine the individual TSFs at
 
the planned cut-off grade.
1.12
 
Permitting Requirements
Ergo
 
is
 
one
 
of
 
only
 
a
 
few
 
surface
 
operators
 
that
 
holds
 
Mining
 
Rights
 
under
 
the
 
MPRDA
 
over
 
a
 
large
portion
 
of
 
its
 
reserves.
 
The
 
provisions
 
of
 
the
 
MPRDA,
 
and
 
the
 
definition
 
of
 
‘mineral’
 
had
 
inadvertently
created
 
a
 
gap
 
in
 
the
 
Act
 
placing
 
the
 
‘minerals’
 
in
 
certain
 
TSFs
 
beyond
 
the
 
regulatory
 
reach
 
of
 
the
MPRDA and limiting its competency to issue rights
 
upon application.
 
However,
 
in
 
terms
 
of
 
the
 
transitional
 
arrangements
 
of
 
the
 
MPRDA,
 
which
 
were
 
peremptory
 
upon
 
the
DMRE in the event that the petitioner met the conditions for conversion from ‘old order’ to
 
‘new order’,
Ergo was
 
able to
 
convert its
 
old order
 
rights,
 
thus extending
 
its “license
 
to mine”
 
into the
 
dispensation
introduced by the MPRDA. Ergo has also submitted applications
 
to renew all its Mining and Prospecting
Rights with
 
the DMRE.
 
The current
 
Mining and
 
Prospecting
 
Rights have
 
expired (with
 
the exception
 
of
7L4 TSF) but remain in force until such time that the renewal applications
 
have been granted or refused
by the
 
DMRE. Water use
 
licenses are
 
applied for
 
as and
 
when required
 
to remain
 
compliant with
 
relevant
legislation.
Ergo
 
complies
 
with
 
all
 
the
 
conditions
 
for
 
renewal
 
and
 
has
 
no
 
reason
 
to
 
believe
 
that
 
the
 
submitted
renewals
 
would not be granted. Ergo is in constant communication with
 
the DMRE and is submitting the
required information as per their requests to finalize these
 
renewal applications.
There
 
are
 
conflicting
 
ownership
 
claims
 
to
 
certain
 
Grootvlei
 
and
 
Marievale
 
TSFs
 
which
 
are
 
detailed
 
in
Item 3.6.
1.13
 
Conclusion and Recommendations
The
 
QP
 
concludes
 
that
 
the
 
protocols
 
for
 
drilling,
 
sampling
 
preparation
 
and
 
analysis,
 
verification,
 
and
security meet industry
 
standard practices
 
and are appropriate
 
for the purposes
 
of a Mineral
 
Resource
estimate. The studies
 
have found that
 
the Ergo TSFs
 
have reasonable prospects
 
for economic extraction.
The QP
 
is satisfied
 
with the
 
Quality Assurance (QA)
 
developed by
 
The RVN
 
Group and
 
the Quality
 
Control
(QC) programs implemented as there was no significant
 
bias in reporting data.
The QP
 
contends that
 
the assumptions,
 
parameters, and
 
methodology
 
used for
 
the Mineral
 
Resource
estimate are appropriate for the style of mineralization and
 
deposit type.
There
 
is
 
sufficient
 
information
 
to
 
allow
 
for
 
decision-making
 
in
 
the
 
future.
 
The
 
QPs
 
recommended
 
no
additional work.
The
 
QP
 
considers
 
the
 
conversion
 
of
 
Mineral
 
Resources
 
to
 
Mineral
 
Reserves
 
to
 
be
 
appropriate.
 
TSFs
reported
 
in
 
this
 
document
 
have
 
sufficient
 
information
 
to
 
be
 
used
 
in
 
Mineral
 
Reserve
 
estimate
 
and
demonstrate
 
economic
 
viability.
 
The
 
modifying
 
factors
 
applied
 
are
 
considered
 
appropriate
 
as
 
they
exhibit962p1i0
Technical Report Summary of the material Tailings Storage
 
Facilities
10
contain sufficient detail to
 
support at least a
 
PFS level of accuracy
 
(i.e., +/-25%); with a
 
maximum level
of contingency of 15%.
The significant risks that could affect the Mineral Resource
 
and Mineral Reserve are:
rising electricity prices and the continuity of the Eskom supply
 
distribution;
regulatory approval for the Withok compartment of the Brakpan/Withok
 
TSF final life design;
the sensitivity of some of
 
the TSFs to the increase
 
in operating costs and the decrease
 
in the gold
price;
social unrest and social license to operate;
supply and cost of water;
failure to obtain necessary approvals from the DMRE;
competing claims to ownership of certain Marievale
 
and Grootvlei TSFs;
global inflation and rising production costs; and
extreme weather.
exhibit962p1i0
Technical Report Summary of the material Tailings Storage
 
Facilities
11
2
 
Introduction
2.1
 
Project Background
Ergo Mining
 
(Proprietary)
 
Limited (Ergo)
 
is a
 
subsidiary
 
of DRDGOLD
 
Limited
 
(DRDGOLD).
 
DRDGOLD
 
is
domiciled in South
 
Africa and listed
 
on the
 
Johannesburg Stock Exchange (JSE:DRD)and
 
New York
 
Stock
Exchange (NYSE:
 
DRD).
 
DRDGOLD, a
 
South African-based
 
gold mining
 
company, has
 
a 100%
 
share in
Ergo.
 
The Tailings
 
Storage Facilities
 
 
(TSFs’) Mineral
 
Resource and
 
Mineral Reserve
 
estimates declared
 
in this
Technical Report Summary (this
 
Report/TRS) are owned
 
by Ergo and
 
are 100% attributable
 
to DRDGOLD.
The TSFs
 
covered in
 
the report
 
are from
 
the Crown,
 
City Deep,
 
Knights, Ergo,
 
Marievale and
 
Grootvlei
Complexes,
 
and 5A10/5L27 sand
 
dumps and Daggafontein
 
TSF. A total
 
of 19 TSFs
 
were identified by
 
Ergo
to be material properties and have been
 
described extensively in this report. Ergo
 
has a total of 98 TSFs
inclusive of 79 smaller TSFs and clean-up sites.
The Mineral Resource and Mineral Reserve estimates
 
contained in this Technical Report
 
Summary were
compiled
 
and
 
reported
 
by
 
the
 
Qualified
 
Persons
 
(QPs)
 
for
 
DRDGOLD
 
in
 
accordance
 
with
 
Items
601(b)(96) and 1300 through 1305 of
 
Regulation S-K (Title 17, Part 229,
 
Items 601(b)(96) and 1300 through
1305
 
of
 
the
 
Code
 
of
 
Federal
 
Regulations)
 
promulgated
 
by
 
the
 
Securities
 
and
 
Exchange
 
Commission
(SEC).
This document is the first submission of a Technical Report Summary under Subpart
 
1300 of Regulation S-
K; thus, it is not an update of a previously filed Technical
 
Report Summary.
The material TSFs are at different mining stages as presented
 
below:
Crown (3L5, 3L7 and 3L8):
 
The TSFs are at an advanced
 
exploration stage, with all
 
TSFs classified
as Indicated Mineral Resources.
City Deep (4L3,
 
4L4 and
 
4L6):
 
The Complex is
 
at a development
 
stage with
 
all TSFs declared
 
as
Measured Mineral Resources and Proven Mineral Reserves.
Knights (4L14 and
 
4L50):
 
The Complex
 
is at
 
a development stage,
 
with TSFs
 
reported as Measured
Mineral Resources and Proven Mineral Reserves.
Ergo
 
(Rooikraal
 
and
 
7L15):
 
The
 
Complex
 
is
 
at
 
a
 
production
 
stage
 
with
 
Measured/Indicated
Mineral Resources and Proven/Probable Mineral Reserves
 
declared.
Marievale (7L4, 7L5, 7L6 and 7L7):
 
The Complex is at a development stage
 
with TSFs reported as
Measured Mineral Resources and Proven Mineral Reserves.
Grootvlei (6L16,
 
6L17 and
 
6L17A):
 
The Complex
 
is at
 
an advanced
 
exploration
 
stage with
 
two
TSFs
 
reported
 
as
 
Measured
 
Mineral
 
Resources
 
and
 
one
 
TSF
 
reported
 
as
 
Indicated
 
Mineral
Resources.
5A10/5L27
 
Sand
 
Dumps:
 
The
 
two
 
sand
 
dumps
 
are
 
joined.
 
Measured
 
Mineral
 
Resource
 
and
Proven Mineral Reserve
 
were declared. The
 
sand dump is
 
a production
 
stage through trucking
to Ergo Plant.
exhibit962p1i0
Technical Report Summary of the material Tailings Storage
 
Facilities
12
Daggafontein
 
TSF:
 
The
 
TSF
 
is
 
at
 
a
 
development
 
stage,
 
with
 
a
 
significant
 
amount
 
(192.79Mt)
declared
 
as
 
Indicated
 
Mineral
 
Resource
 
and
 
Probable
 
Mineral
 
Reserve.
 
A
 
smaller
 
amount
(21.32Mt) of the material is reported as Inferred Mineral Resource due to inaccessibility because
of the presence of surface water.
2.2
 
Terms of Reference and Purpose of the Technical Report
Ergo commissioned the
 
QPs from The RVN
 
Group (Proprietary) Limited
 
(The RVN Group) to
 
compile this
Technical Report Summary to report their Mineral Resource
 
and Mineral Reserve estimates.
This report
 
details the
 
results
 
of the
 
evaluation
 
drilling,
 
sampling,
 
assaying, bulk
 
density
 
determination,
surveying
 
and
 
metallurgical
 
test
 
work
 
and
 
the
 
resultant
 
Mineral
 
Resource
 
and
 
Mineral
 
Reserve
estimations.
This document reports the
 
Mineral Resource and Mineral
 
Reserve estimates for the
 
material TSFs. The TSFs
in
 
this
 
report
 
are
 
clustered
 
into
 
complexes,
 
with
 
the
 
exception
 
of
 
the
 
5A10/5L27
 
sand
 
dumps
 
and
Daggafontein TSF, which are reported separately
 
due to their size and location:
Crown;
City Deep;
Knights;
Ergo;
Grootvlei;
Marievale;
5A10/5L27;
 
and
Daggafontein.
This report is the first Technical Report Summary for DRDGOLD prepared under the SEC's
 
Subpart 1300 of
Regulation S-K disclosure requirements.
The effective
 
date of
 
the Mineral
 
Resource and
 
Mineral Reserve
 
estimates
 
for the TSFs
 
is 30 June
 
2022.
The QPs noted that there had been no material change to
 
the information between the effective date
and the signature date of the Report.
Ergo is a South African gold producer,
 
recovering gold from the retreatment of surface
 
tailings facilities
located in the Central and Eastern areas of the Gauteng
 
Province.
The RVN Group is a South African-based mining consulting firm that
 
provides services and advice to the
local
 
and
 
international
 
mineral
 
industries.
 
Ergo
 
has
 
retained
 
The
 
RVN
 
Group
 
since
 
2016
 
to
 
manage
drilling activities,
 
estimate Mineral
 
Resources and
 
Mineral Reserves
 
and compile
 
technical reports.
 
The
QPs from The RVN Group prepared this Technical
 
Report Summary.
exhibit962p1i0
Technical Report Summary of the material Tailings Storage
 
Facilities
13
2.3
 
Participants and Areas of Responsibilities
The following
 
personnel were
 
nominated to
 
the project
 
team, and
 
their specific
 
areas of responsibility
are shown in Table 2.1. The qualifications and appropriate experience of the authors are summarized in
Table 2.1.
exhibit962p1i0
 
 
 
 
 
 
 
 
 
 
 
 
Technical Report Summary of the material Tailings Storage
 
Facilities
14
Table 2.1:
 
List of QPs and their Responsibilities
Personnel
Company
Qualifications
Responsibility
Mpfariseni Mudau,
Pr.Sci.Nat.
The RVN Group
B.Sc. (Hons) Geology,
Graduate Diploma in Mining Engineering,
M.Sc. Mining Engineering,
B.Sc. Applied Mathematics and Statistics,
SACNASP Registration No.: 400305/12
Item
1 to 11 and
20 to 25
Steven Rupprecht,
FSAIMM
The RVN Group
B.Sc. Mining Engineering,
Ph.D. Mechanical Engineering
FSAIMM Registration No.: 701013
 
Item
1 and
12 to 19
Source: The RVN Group, 2022
The
 
QP
 
responsible
 
for
 
reporting
 
and
 
signing
 
off
 
on
 
the
 
exploration
 
activities
 
and
 
Mineral
 
Resource
estimates is Mr Mpfariseni Mudau.
 
Mr Mudau is a Professional Natural Scientist
 
(with registration number
400305/12) registered
 
with
 
the
 
South African
 
Council
 
for Natural
 
Scientific
 
Professions
 
(SACNASP)
 
with
more
 
than
 
five
 
years
 
of
 
experience
 
relevant
 
to
 
the
 
drilling,
 
estimation
 
and
 
reporting
 
of
 
TSF
 
Mineral
Resources. Mr Mudau works for The RVN Group and
 
is independent of Ergo and DRDGOLD.
The QP
 
with responsibility for
 
reporting and signing
 
off of
 
the Mineral Reserve
 
estimates is Professor
 
Steven
Rupprecht.
 
Professor
 
Rupprecht
 
is a
 
Fellow
 
of
 
the
 
Southern
 
African
 
Institute
 
of
 
Mining
 
and
 
Metallurgy
(SAIMM
 
with
 
registration
 
number:
 
701013)
 
with
 
more
 
than
 
five
 
years
 
of
 
experience
 
relevant
 
to
 
the
estimation and reporting of TSF Mineral Reserves. Professor
 
Rupprecht is an associate of The RVN Group
and is independent of Ergo and DRDGOLD.
2.4
 
Sources of Information
Most of the technical information utilized for
 
the preparation of this report was obtained from
 
the drilling
campaigns
 
that
 
The RVN
 
Group
 
supervised.
 
Other
 
technical
 
information
 
and
 
engineering
 
data were
sourced
 
from
 
Ergo,
 
their
 
contractors
 
and
 
third-party
 
reports
 
available
 
in
 
the
 
public
 
domain.
 
These
sources are acknowledged in the body of the report and
 
listed in Item 24.
Information provided by the registrant upon which the
 
QPs relied is listed in Item 25.
In
 
preparing
 
the
 
report,
 
the
 
QPs
 
have
 
relied
 
upon
 
contributions
 
from
 
a
 
range
 
of
 
technical,
 
financial,
environmental
 
and
 
engineering
 
specialists
 
for
 
the
 
disciplines
 
outside
 
their
 
expertise.
 
Based
 
on
 
the
support
 
and
 
advice
 
from
 
the
 
specialists,
 
the
 
QPs
 
consider
 
it
 
reasonable
 
to
 
rely
 
upon
 
the
information/advice provided.
2.5
 
Site Inspection
Mr
 
Mpfariseni
 
Mudau
 
visited
 
the
 
drilling
 
projects
 
on
 
commencement,
 
during,
 
and
 
completion
 
of
 
the
drilling
 
campaigns.
 
These
 
visits
 
were
 
conducted
 
in
 
2016,
 
2017,
 
2018,
 
2019,
 
2020,
 
2021
 
and
 
2022.
Mr Mudau
 
further visited
 
the sample
 
sorting and
 
storage facilities
 
at the
 
Ergo processing
 
plant in
 
Brakpan.
On
 
several
 
occasions,
 
Mr
 
Mudau
 
also
 
visited
 
MAED
 
Metallurgical
 
Laboratories
 
(Proprietary)
 
Limited
(MAED)
 
and
 
SGS
 
South
 
Africa
 
(Proprietary)
 
Limited
 
(SGS)
 
where
 
the
 
samples
 
were
 
prepared
 
and
analyzed.
 
Mr Mudau also visited the mining sites on several occasions
 
.
exhibit962p1i0
 
 
 
 
 
 
 
 
 
 
 
 
 
 
 
 
 
 
 
 
 
 
 
 
 
 
 
 
 
Technical Report Summary of the material Tailings Storage
 
Facilities
15
The objectives of the site visits were to:
familiarize the QP with the TSFs and the general infrastructure
 
;
inspect the drilling and sampling sites;
conduct assessment of sampling methodologies, quality
 
control processes and data validation;
provide training and conduct planned task observations
 
;
validate
 
the geological logging;
inspect the sample storage area and the sample preparation
 
methods;
discuss and agree on the analytical method with
 
the laboratories;
 
and
collection of database and additional technical
 
information.
Steven Rupprecht conducted site visits to material and
 
non-material TSFs in 2020, 2021 and 2022.
2.6
 
Units, Currencies and Survey Coordinate System
Unless otherwise
 
stated, all
 
figures included
 
in this
 
report are
 
expressed in
 
metric units.
 
All geographic
coordinates are UTM WGS84 system or LO29 Meridian
 
.
 
The elevation Datum is the mean sea level.
All
 
monetary
 
figures expressed
 
in
 
this
 
report are
 
in South
 
African
 
Rand
 
(ZAR) and
 
United
 
States
 
Dollar
(USD).
A point is
 
used as the
 
decimal marker, and the
 
comma is used
 
for the thousand’s
 
separator (for numbers
larger than 999).
Unless
 
otherwise
 
stated,
 
the
 
word
tons
 
denotes
 
a
 
metric
 
ton
 
(1,000kg).
 
Table
 
2.2
 
presents
 
the
abbreviations used in the report.
Table 2.2:
 
List of Abbreviations
Units
Description
%
percentage
˚
degrees
˚
C
Degrees Centigrade
minutes
seconds
 
µm
Micron
3D
three-dimensional
AAS
Atomic Absorption Spectroscopy
AMD
acid mine drainage
AMIS
African Mineral Standards
amsl
above mean sea level
Anglo Lab
AngloGold Ashanti Limited Chemical Laboratory
Au
gold
CIL
Carbon-in-Leach
cm
centimeter(s)
CoV
Coefficient of Variation
CRM
Certified Reference Material
Crown Mines
Crown Mines Limited
DMRE
Department of Mineral Resources and Energy
DRDGOLD
DRDGOLD Limited
exhibit962p1i0
 
 
 
 
 
 
 
 
 
 
 
 
 
 
 
 
 
 
 
 
 
 
 
 
 
 
 
 
 
 
 
 
 
 
 
 
 
 
 
 
 
 
 
 
 
 
 
 
 
 
 
 
 
 
 
 
Technical Report Summary of the material Tailings Storage
 
Facilities
16
Units
Description
EIA
Environmental Impact Assessment
EMP
Environmental Management Plan
EMPr
Environmental Management Program
Ergo
Ergo Mining (Proprietary) Limited
ERPM
East Rand Proprietary Mines Limited
Eskom
Electricity Supply Commission
g
gram(s)
g/l
grams per liter
g/t
grade grams per ton
Geografix
Geografix Surveys CC
GPS
Global Positioning System
ha
hectares = 100m-by-100m
HRD
Human Resource Development
IDW
Inverse Distance Weighting
InSAR
Interferometric Synthetic Aperture Radar
IRR
internal rate of return
ISO
International Organization for Standardization
JSE
Johannesburg Stock Exchange
kg
kilograms = 1,000 grams
kg/t
kilograms per ton
km
kilometer(s) = 1,000 meters
km
2
square kilometers
koz
kilo ounces= 1,000 ounces (troy)
kt
kilotons
ktpm
kilotons per month
LED
Local Economic Development
liter
Metric unit of volume = 1,000cm
3
LoM
Life-of-Mine
m
meter(s)
m
2
square meters
MAED
MAED Metallurgical Laboratories (Proprietary) Limited
mamsl
meters above mean sea level
mm
millimeter(s) = meter/1000
Moz
Million ounces (troy)
MR
Mining Right
Mt
Million metric tons
Mtpa
Million tons per annum
MWP
Mining Works Program
NaCN
sodium cyanide
NERSA
National Energy Regulator of South Africa
NN
Nearest Neighbor
NNR
National Nuclear Regulator
NPV
net present value
NYSE
New York Stock Exchange
oz
Troy ounces = 31.1034768 grams
pH
quantitative measure of the acidity or basicity of a solution
ppm
parts per million
exhibit962p1i0
 
 
 
 
 
 
 
 
 
 
 
 
 
 
 
 
 
 
 
 
 
 
 
 
 
 
 
 
 
 
 
 
 
Technical Report Summary of the material Tailings Storage
 
Facilities
17
Units
Description
PR
Prospecting Right
PWP
Prospecting Work Program
QA
Quality Assurance
QC
Quality Control
QP
Qualified Persons
RC
Reverse Circulation
RoM
Run-of-Mine
SANAS
South African National Accreditation System
SCADA
supervisory control and data acquisition
SEC
Securities and Exchange Commission
SGS
SGS South Africa (Proprietary) Limited
S-K 1300
Subpart 1300 of Regulation S-K under the U.S. Securities Exchange Act of 1934
SLP
Social and Labor Plan
t
metric ton = 1,000 kilograms
t/m
3
density - ton per cubic meter
TCTA
Trans-Caledon Tunnel Authority
The RVN Group
The RVN Group (Proprietary) Limited
this Report
Technical Report Summary
tons
metric tons = 1,000 kilograms
 
TPMS
Tailings Performance Management System
USD
United States Dollars
WGS84
World Geographic System 1984
WUL
Water Use License
ZAR
South African Rand
2.7
 
Independence
The QPs or The RVN Group
 
received a fee for preparing
 
this Technical Report Summary in
 
accordance
with standard professional
 
consulting practice. The
 
QPs or The RVN
 
Group will receive
 
no other benefit
for the preparation of this report.
 
Neither QPs, The RVN Group, nor
 
any of its employees and
 
associates
employed in the
 
preparation of
 
this report has
 
any pecuniary
 
or beneficial interest
 
in Ergo, DRDGOLD
 
,
or their associates.
The QPs consider
 
themselves independent.
exhibit962p1i0
Technical Report Summary of the material Tailings Storage
 
Facilities
18
3
 
Property Description
3.1
 
Location and Operations Overview
Ergo is
 
reclaiming
 
TSFs in
 
the City
 
of Johannesburg
 
and the
 
City of
 
Ekurhuleni,
 
Gauteng, South
 
Africa.
The Crown and City
 
Deep Complexes are located
 
in the City of
 
Johannesburg while all
 
other TSFs and
the sand dumps are located in the City of Ekurhuleni,
 
as shown in Figure 3.1.
This TRS covers a total of 18 material TSFs of varying sizes and
 
one sand dump.
 
The smaller TSFs or clean-
up sites (79
 
in total) are
 
not extensively
 
covered in this
 
report for various
 
reasons: they are
 
not material
as most are too small
 
while others are not part of
 
an immediate plan to be
 
included in the Life-of-Mine
plan
 
by
 
Ergo
 
(e.g.,
 
Fleurhof
 
Complex).
 
The
 
18
 
material
 
TSFs
 
and
 
one
 
sand
 
dump
 
contribute
approximately 89% of the total Mineral Resource, while the remaining 79 smaller TSFs and clean-up sites
only
 
contribute
 
11%
 
to
 
the
 
total
 
Ergo
 
Mineral
 
Resource
 
estimates.
 
Of
 
the
 
total
 
Ergo
 
Mineral
 
Reserve
declared,
 
92%
 
contribution
 
by
 
tonnage
 
is
 
from
 
the
 
material
 
properties.
 
Thus,
 
Ergo
 
considers
 
the
 
79
smaller TSFs and clean-up sites not material (Figure 3.2).
The sand dumps (5A10 and
 
5L27) are combined to form one
 
elongated structure of varying heights. The
two small
 
dumps on
 
the north
 
and east
 
are known
 
as 5L27
 
and the
 
center sand
 
dump is
 
5A10. These
dumps are joined and
 
have similar properties.
 
They were modelled as 5A10/5L27
 
but then separated for
reporting Mineral Resource estimate.
Of the
 
total material
 
properties,
 
18 are
 
slime TSFs
 
and one
 
is a
 
sand dump
 
(5A10/5L27). Slime
 
is a
 
very
fine material, while sand is course-grained.
The
 
areas
 
occupied
 
by
 
the
 
18
 
material
 
TSFs
 
and
 
a
 
sand
 
dump
 
are
 
shown
 
in
 
Table
 
3.1.
 
Engineering
parameters and topography determined the size and
 
shapes of the properties at
 
the time of deposition
of the waste products from the respective processing
 
plants.
exhibit962p1i0
 
 
 
 
 
 
 
 
 
 
 
 
 
 
 
 
 
 
 
 
 
 
 
 
 
 
 
 
 
 
 
 
 
 
 
 
 
 
 
 
 
 
 
 
 
 
 
 
 
 
 
 
 
 
 
 
 
 
 
 
 
 
 
 
 
 
 
 
 
 
 
 
 
 
 
 
 
 
 
 
 
 
Technical Report Summary of the material Tailings Storage
 
Facilities
19
Table 3.1:
 
Footprint Areas of the Material TSFs
TSF
Centre Coordinates
Area
(ha)
Maximum Height
(m)
Crown
3L5 (Diepkloof)
26
0
13’34.95”S, 27
0
57’09.70”E
130.00
67.50
3L7 (Mooifontein)
26
0
13’35.85”S, 27
0
13’35.85”E
87.00
88.50
3L8 (GMTS)
26
0
14’23.75”S, 27
0
58’07.91”E
147.00
94.50
City Deep
4L3
26°13'51.72"S, 28° 5’50.63”E
36.61
40.50
4L4
26°13’59.91”S, 28° 6’9.99”E
23.81
16.50
4L6
26°13’59.56”S, 28° 7’15.02”E
27.15
19.50
Knights
4L14
26°12'23.76"S, 28° 8'54.38"E
10.27
37.50
4L50
26°15'18.78"S, 28°13'8.60"E
68.03
40.50
Ergo
Rooikraal
26
0
21’48.16” S, 28
0
17’40.88”E
141.04
47.50
7L15
26°19'49.59"S, 28°24'46.01"E
73.28
37.50
Marievale
7L4
 
26°19'30.94"S, 28°30'5.07"E
133.48
25.00
7L5
26°19'55.08"S, 28°30'3.08"E
26.91
22.50
7L6
26°19'56.20"S, 28°30'22.96"E
46.73
34.50
7L7
26°20'51.49"S, 28°30'5.43"E
47.00
13.50
Grootvlei
6L16
26°14'31.94"S, 28°28'55.51"E
112.13
31.50
6L17
26°13'18.99"S, 28°29'23.20"E
110.02
40.50
6L17A
26°14'0.25"S, 28°29'42.67"E
85.05
25.50
5A10/5L27
5A10/5L27
26°13'9.79"S, 28°23'51.84"E
202.00
68.00*
Daggafontein
Daggafontein TSF
26
0
17’56.48” S, 28
0
31’55.10”E
462.21
64.50
Total Area (ha)
1,969.72
Source: The RVN Group, 2022
Note
:
*estimated height as drilling could not reach the base
 
of the sand dump, only drilled up to 52.5m
.
exhibit962p1i0
Technical Report Summary of the material Tailings Storage
 
Facilities
20
Figure 3.1: Location of the Material TSFs and
 
Infrastructure (the material properties of Ergo)
exhibit962p1i0 exhibit962p37i0
 
 
 
 
Technical Report Summary of the material Tailings Storage
 
Facilities
21
exhibit962p1i0
Technical Report Summary of the material Tailings Storage
 
Facilities
22
Source: The RVN Group, 2022
exhibit962p1i0
Technical Report Summary of the material Tailings Storage
 
Facilities
23
Figure 3.2:
 
Location of the Material Properties in Relation
 
to the Smaller TSFs and Clean-up Operations
exhibit962p1i0 exhibit962p40i0
 
 
 
 
Technical Report Summary of the material Tailings Storage
 
Facilities
24
exhibit962p1i0
Technical Report Summary of the material Tailings Storage
 
Facilities
25
Source: The RVN Group, 2022
exhibit962p1i0
Technical Report Summary of the material Tailings Storage
 
Facilities
26
Other material properties of Ergo include:
Knights
 
Plant;
Ergo Plant;
Brakpan/Withok TSF;
pump stations;
a network of pipelines;
City Milling Plant;
Central Water Facility;
 
and
solar power project.
3.2
 
Mineral Rights Conditions
TSFs are in most instances
 
considered movable, and capable
 
of being owned under
 
the common law
separately from land. As such they are
 
distinguishable from underground minerals, which can no longer
be
 
individually
 
owned in
 
South African
 
but in
 
respect
 
of which
 
the
 
Department
 
of
 
Mineral
 
Resources
and Energy (DMRE)
 
may issue Mining Rights
 
in terms of the
 
MPRDA of 2002 (MPRDA),
 
as amended. The
construct of the MPRDA
 
caused the minerals in
 
certain TSFs to therefore
 
fall outside the regulatory reach
of the
 
MPRDA.
 
The transitional
 
arrangements of
 
the MPRDA
 
provided for
 
existing operations
 
however,
to convert
 
old order
 
rights (Mining
 
Licenses held
 
under the
 
previous dispensation)
 
to new
 
order rights.
Ergo successfully
 
converted its
 
old order
 
licenses to
 
Mining Rights,
 
and is
 
seeking to
 
consolidate them
into
 
a
 
single
 
right.
 
Now,
 
in
 
terms
 
of
 
reserves
 
in
 
TSFs
 
over
 
which
 
there
 
were
 
no
 
old
 
order
 
rights,
Environmental Approvals
 
are obtained
 
from the
 
DMRE for
 
the retreatment
 
of such
 
TSFs –
 
a somewhat
pragmatic, yet administratively competent means of
 
overcoming the drafting gap in the MPRDA.
For
 
an
 
exploration
 
project,
 
a
 
Prospecting
 
Right
 
(PR),
 
valid
 
for
 
five
 
years,
 
is
 
issued,
 
and
 
for
 
a
 
mining
operation, a Mining Right (MR)
 
valid for up to 30
 
years,
 
is issued. The PR, which
 
is conducted in terms of
a Prospecting Work Program (PWP), is renewable for a
 
further three years. The MR is undertaken in
 
terms
of
 
the
 
Mining
 
Works
 
Program
 
(MWP),
 
Social
 
and
 
Labor
 
Plan
 
(SLP),
 
and
 
an
 
approved
 
Environmental
Management
 
Program
 
(EMPr)which
 
can
 
be
 
renewed
 
for
 
a
 
further
 
30
 
years.
 
A
 
PR
 
or
 
MR
 
may
 
be
cancelled or suspended subject to Section 47 of the
 
MPRDA.
The
 
MPRDA
 
makes
 
provisions
 
relating
 
to
 
the
 
ownership
 
and
 
Broad-Based
 
Socio-Economic
Empowerment
 
Charter.
 
A
 
shareholding,
 
equity,
 
interest
 
or
 
participation
 
in
 
the
 
mining
 
right
 
or
 
joint
venture,
 
or
 
a
 
controlling
 
interest
 
in
 
a
 
company/joint
 
venture
 
may
 
not
 
be
 
encumbered,
 
ceded,
transferred,
 
mortgaged,
 
let,
 
sublet,
 
assigned,
 
alienated,
 
or
 
otherwise
 
disposed
 
of
 
without
 
the
 
written
consent of the Minister, except in the case of a change
 
of controlling interest in listed companies.
The SLP is submitted to
 
the DMRE every five
 
years for approval, while
 
the SLP’s annual progress
 
report is
submitted annually to the DMRE.
The Environmental Management Plan (EMP) and Water Use License (WUL) are assessed for compliance
annually.
exhibit962p1i0
 
 
 
 
 
 
 
 
 
 
 
 
 
 
 
 
 
 
 
 
 
 
 
 
 
 
 
 
 
 
 
 
 
 
 
 
 
 
 
 
 
 
 
 
Technical Report Summary of the material Tailings Storage
 
Facilities
27
3.3
 
Mineral Title
Ergo title in its TSFs is vested
 
in either common law ownership
 
or private treaty and it
 
holds either Mining
and
 
Prospecting
 
Rights
 
as presented
 
in
 
Table
 
3.2 or
 
Environmental
 
Approvals
 
in
 
respect
 
of the
 
same.
Ergo has submitted applications
 
for the renewal of its mining
 
rights and prospecting rights. The
 
renewal
applications
 
were
 
made
 
to
 
the
 
DMRE
 
on
 
different
 
dates
 
per
 
mining
 
right.
 
Ergo
 
is
 
in
 
the
 
process
 
of
 
a
consolidation of
 
its mining
 
rights and
 
as such
 
has applied
 
to extend
 
the mining
 
period for
 
a further
 
30
years
 
through
 
its
 
consolidated
 
mine
 
works
 
program.
 
The
 
period
 
of
 
30
 
years
 
is
 
the
 
maximum
 
period
allowable for a Mining Right renewal as detailed in
 
the MPRDA, as amended.
This report has considered Section 24(5) of the MPRDA, as amended:
A mining right in respect of which
 
an application for renewal has
 
been lodged shall despite its expiry
date remain in force until such time as such application has
 
been granted or refused.
The same applies to the prospecting right (section18(5)
 
of the mentioned Act).
Freehold landowners
 
are presented
 
in Table 3.3.
 
Ergo owns a
 
significant portion
 
of freehold where
 
the
TSFs and sand dumps are located. Where Ergo
 
does not own the property, use and
 
access agreements
are in place
 
with third-party landowners,
 
with the exception
 
of the landowner
 
on which certain
 
of the
Marievale dumps are situated. Access to the TSFs for Prospecting Right purposes is enabled through the
provisions in the MPRDA.
Table 3.2:
 
Mineral Rights Information as at 30 June 2022
Complex
Permit
Holder
Permit Type
Reference
Number with
the DMRE
Expiry Date
Renewal
Submission
Application
Date
Renewal
Reference
Number with
the DMRE
Crown
Ergo
Mining Right
GP184MR
20/06/2014
24/03/2014
GP 10022 MR
City Deep
Ergo
Mining Right
GP185MR
20/06/2014
24/03/2014
GP 10023 MR
Knights
Ergo
Mining Right
GP187MR
20/06/2018
13/03/2018
GP 10067 MR
Ergo
Ergo
Mining Right
GP158MR
27/10/2021
23/07/2021
GP 10097 MR
Marievale (7L4)
Ergo
Prospecting Right
GP10348
19/02/2022
Not
applicable
Not
applicable
Marievale (7L5,
7L6 and 7L7)
Ergo
Common Law
Ownership
Not
applicable
Not
applicable
Not
applicable
Not
applicable
Grootvlei
Ergo
Prospecting Right
GP10044PR
21/04/2019
28/03/2019
GP 10592 PR*
5A10/5L27
Ergo
Mining Right
GP158MR
27/10/2021
23/07/2021
GP 10097 MR
Daggafontein TSF
Ergo
Mining Right
GP158MR
27/10/2021
23/07/2021
GP 10097 MR
Source: DRDGOLD, 2022
Table 3.3:
 
Land Tenure Information
Reclamation Sites
Surface Rights Owner
Crown Complex
Ergo and Innovative Property Solutions(iPROP)
City Deep Complex
Ergo and IPROP
Knights Complex
Ergo, Abland, Living Africa and EMM
exhibit962p1i0
 
 
 
 
 
 
 
 
 
Technical Report Summary of the material Tailings Storage
 
Facilities
28
Ergo Complex
Ergo and Ekurhuleni Metropolitan Municipality
Marievale Complex
Ergo, Ekurhuleni Metropolitan Municipality, Scarlet Sun and STI Consulting
Grootvlei Complex
Ekurhuleni Metropolitan Municipality and various private owners
5A10/5L27 Sand Dump
Marcon Group
Daggafontein TSF
Ergo
Source: DRDGOLD, 2022
3.4
 
Violation and Fines
Ergo has no fines resulting from violating the mineral rights
 
conditions.
3.5
 
Royalties
Ergo is not required to pay
 
royalties to the State, nor
 
does it receive royalties
 
from any other operation.
Royalties
 
in
 
South
 
Africa
 
are
 
guided
 
by
 
the
 
Mineral
 
and
 
Petroleum
 
Resources
 
Royalty
 
Act,
 
2002
 
(Act
No. 28 of 2008) (MPRRA).
Ergo does not pay
 
royalty on the retreatment of
 
TSFs and sand dumps as
 
the treatment of TSFs
 
and sand
dumps does not trigger the requirement to pay royalties
 
.
3.6
 
Legal Proceedings and Significant Encumbrances to the Property
The QP was
 
advised by Ergo
 
that there are
 
no material legal
 
challenges concerning its
 
Mineral Resource
and Mineral Reserve, except for Grootvlei and
 
Marievale Complexes. The QPs find it reasonable
 
to rely
on the legal opinion provided by Ergo.
 
From the
 
documentation reviewed
 
and input
 
by the
 
relevant Technical
 
Specialists, the
 
QPs could
 
not
identify
 
any
 
significant
 
factors
 
or
 
risks
 
with
 
regards
 
to
 
the
 
title
 
permitting,
 
surface
 
ownership,
environmental
 
and
 
community
 
factors
 
that
 
would
 
prevent
 
the
 
evaluation
 
or economic
 
extraction
 
of
the
 
TSFs.
 
The
 
QPs
 
were
 
assured
 
that
 
Ergo
 
Mining
 
complies
 
with
 
all
 
title
 
and
 
environmental
 
permitting
requirements.
 
The
 
QPs
 
were
 
informed
 
by
 
Ergo
 
Mining
 
that
 
no
 
significant
 
factors
 
or
 
risks
 
might
 
affect
access,
 
title,
 
or
 
the
 
right
 
or
 
ability
 
to
 
perform
 
work
 
on
 
the
 
TSFs,
 
except
 
for
 
Grootvlei
 
and
 
Marievale
Complexes.
Grootvlei Comp
 
lex:
Ergo
 
has submitted
 
a renewal
 
application
 
of its
 
prospecting
 
rights over
 
Grootvlei
dumps
 
6L16,
 
6L17
 
and
 
6L17A
 
to
 
the
 
DMRE.
 
During
 
the
 
2022
 
financial
 
year, an
 
external
 
party
 
raised
 
a
conflicting claim of
 
common law ownership of
 
6L16, 6L17 and
 
6L17A TSFs.
 
Although the claim
 
was based
on common law ownership and
 
no attempt has been made
 
to set aside the prospecting
 
rights over the
TSFs, the Grootvlei
 
TSFs have been
 
excluded from the
 
Mineral Reserves statement
 
and the Life-of-Mine
(LoM) plan but included in the Mineral Resources statement.
Marievale
 
Complex:
Ergo
 
acquired
 
the
 
7L5,
 
7L6
 
and
 
7L7
 
TSFs
 
in
 
terms
 
of
 
a
 
written
 
notarial
 
executed
deed of sale during
 
2019 and took
 
possession of the
 
TSFs on 8 April
 
2019. It has since
 
also obtained the
requisite
 
National
 
Environmental
 
Management
 
Act,
 
1998
 
(Act
 
No.
 
107
 
of
 
1998)
 
(NEMA)
 
regulatory
approvals to
 
retreat the
 
said TSFs.
 
During the
 
2022 financial
 
year, the
 
owner of
 
the land
 
on which
 
7L5,
7L6 and 7L7 are situated, an estimated 36,524t out of the total 54,114t comprising the Marievale cluster,
notified Ergo that in its view, the said TSFs had acceded to the land and that it
 
had become the owner
of the TSFs. Ergo disputes the claim of legal title and
 
the matter is to be referred to arbitration.
exhibit962p1i0
Technical Report Summary of the material Tailings Storage
 
Facilities
29
All ownership requirements were met when the TSFs were purchased by Ergo and therefore the TSFs are
still included in the Mineral Reserves. Whilst Ergo has received confident legal advice on the merits of its
claim,
 
in the
 
event
 
that the
 
arbitration
 
goes against
 
Ergo,
 
its Mineral
 
Reserves
 
will
 
reduce by
 
35.52Mt
(0.35Moz at
 
0.29g/t). Inasmuch
 
as it
 
then enters
 
into a
 
commercial arrangement
 
with the
 
land-owner,
the
 
financial
 
benefit
 
of
 
this
 
portion
 
of
 
the
 
Marievale
 
cluster
 
will
 
be
 
reduced
 
by
 
whatever
 
benefit
 
is
agreed to in favor of the land-owner.
Ergo has
 
a submitted
 
renewal application
 
to the
 
DMRE for
 
the prospecting
 
rights it
 
holds over
 
7L4 TSF.
The entity (who
 
holds common law
 
ownership rights over
 
the land on
 
which the TSF is
 
situated and the
TSF itself) has agreed to relinquish ownership in favor of Ergo, provided
 
that Ergo undertakes to:
make a notional amount payment;
suitably remove the TSF; and
rehabilitate the land.
A draft contract stipulating the terms of such agreement is awaiting
 
final signature.
4
 
Accessibility, Climate, Local Resources, Infrastructure and Physiography
4.1
 
Topography, Elevation and Vegetation
The project areas fall
 
in the Grassland Biome
 
of South Africa. The
 
Grassland Biome is
 
found on the high
central plateau of South Africa and the inland areas of Kwazulu
 
-Natal and the Eastern Cape.
The topography is mainly flat and elevation ranges between
 
1,560mamsl and 1,700mamsl.
Natural
 
vegetation
 
for
 
the
 
project
 
is
 
limited
 
to
 
areas
 
outside
 
the
 
urban
 
footprint.
 
Within
 
the
 
urban
environment where most of the TSFs are to be reclaimed
 
,
 
little vegetation occurs in its natural state.
The TSFs
 
and
 
sand
 
dumps
 
are
 
situated in
 
highly
 
urbanized
 
and
 
industrialized
 
areas
 
with
 
limited
 
fauna
and flora. The TSFs are man-made and the trees and grasses on the TSFs have been planted to prevent
dust and erosion from the TSFs.
4.2
 
Access, Towns and Regional Infrastructure
The TSFs
 
and sand
 
dumps
 
are situated
 
in the
 
Gauteng Province
 
of South
 
Africa, Gauteng
 
is the
 
most
industrialized
 
province
 
in
 
South Africa
 
and
 
the
 
infrastructure is
 
adequate.
 
All
 
the
 
regional
 
and
 
on-site
infrastructure that is required for mining is well established. There
 
is a good supply chain for all necessary
consumables and equipment in or near the mine sites.
The areas surrounding
 
the mine sites
 
have good health
 
facilities (i.e., public
 
and private hospitals)
 
and
education facilities (i.e., ranging from pre-primary
 
to secondary and tertiary education levels).
A good
 
road transportation system
 
can be
 
found in
 
the area.
 
The TSFs
 
and sand
 
dumps are
 
well serviced
by highways, paved
 
regional roads and a
 
network of dirt tracks
 
that the Ergo utilized
 
to access mining
and project visits. The QPs consider access to the
 
TSFs to be in good condition. For international supplies
exhibit962p1i0
Technical Report Summary of the material Tailings Storage
 
Facilities
30
or travel, the OR Tambo and Lanseria International Airports, in Kempton
 
Park and Lanseria respectively,
are well-positioned to service Ergo.
Tele-communication on the
 
TSFs and sand dumps
 
is good for all major
 
network providers. Most parts
 
of
the
 
project
 
areas
 
are
 
fully
 
covered
 
by
 
the
 
third
 
or
 
fourth
 
generation
 
(3G
 
or
 
4G)
 
wireless
 
mobile
telecommunications technology. Other areas are
 
now covered by high-end 5G technology.
Item 15 presents the infrastructure in more detail.
4.3
 
Climate
A summer rainfall climate prevails
 
in the areas. Summer rain
 
occurs mainly in the form of
 
thunderstorms
with
 
a
 
mean
 
annual
 
precipitation
 
of
 
approximately
 
680mm,
 
and
 
evaporation
 
is
 
about
 
1,800mm
 
per
year. Winds
 
are generally
 
light and
 
blow predominantly
 
from the northwest.
 
Winters are
 
cold and
 
dry.
Extreme
 
weather
 
conditions
 
occur
 
in
 
the
 
form
 
of
 
frost
 
(2
 
to
 
20
 
occurrences
 
per
 
annum)
 
and
 
the
occasional hailstorm.
The
 
average
 
annual
 
temperature
 
for
 
the
 
year
 
is
 
approximately
 
19˚C,
 
with
 
average
 
maximum
temperatures ranging between 22˚C
 
and 32˚C and average minimum
 
temperatures ranging between
2˚C
 
and
 
18˚C.
 
The
 
hottest
 
months
 
are
 
from
 
December
 
to
 
February.
 
During
 
April
 
and
 
May,
 
there
 
is
 
a
noticeable drop
 
in temperature,
 
which signals
 
the commencement
 
of winter.
 
The coldest
 
months are
June and July. Rains and temperature have minimal effects
 
on operations.
The area generally has
 
a high evaporation rate
 
in the summer months
 
from November to January.
 
This
gives rise to
 
high relative humidity.
 
Evaporation is greater
 
in summer than
 
in winter due
 
to higher ambient
temperatures.
There are no long-term associated climatic risks, other
 
than those associated with climate change and
global warming, and the operating season is year-round.
4.4
 
Infrastructure and Bulk Service Supplies
The TSFs and sand
 
dumps are situated
 
in the well-developed
 
province of Gauteng
 
and have the
 
most
major supplies. All the
 
regional and on-site infrastructure that
 
is required for mining and
 
processing is well
established. There is
 
a good supply
 
chain for all
 
necessary consumables and
 
equipment in or near
 
the
mine sites. Section 15 of this report details the infrastructure
 
relevant to Ergo.
The TSFs and sand dumps are located near hospitals
 
offering basic and advanced medical care.
The project
 
areas are supplied
 
with bulk
 
electricity from the
 
regional grid supplied
 
by Eskom,
 
the national
power supplier, or by the local municipality. Like most parts of South Africa, the operations are affected
by occasional load shedding implemented by Eskom
 
during periods of constrained power generation.
Water to the TSFs and related infrastructure is supplied by Rand
 
Water. Ergo recycles most of the water.
4.5
 
Personnel Sources
Where mining activities take place,
 
Ergo has commissioned contractors to
 
conduct mining and secure
the TSFs.
 
Where there
 
are no
 
mining activities,
 
Ergo has
 
employed contractors
 
to maintain
 
the TSFs
 
(to
exhibit962p1i0
Technical Report Summary of the material Tailings Storage
 
Facilities
31
minimize dust and monitor water levels on the TSFs and sand dumps) and security companies to secure
the properties.
Ergo employees conduct site inspections
 
on a regular basis of the project TSFs and sand dumps.
Should additional
 
employees
 
be required,
 
the surrounding
 
areas have
 
a large
 
semi-skilled
 
and skilled
workforce.
 
The
 
cities
 
of
 
Johannesburg
 
and
 
Ekurhuleni
 
have
 
a
 
large
 
source
 
of
 
talent
 
for
 
trades
 
and
technical management.
The majority of
 
employees hired
 
by Ergo are
 
sourced from Gauteng
 
Province, where
 
all the properties
are situated. Contractors and
 
specialist consultants are also
 
predominantly based in Gauteng Province.
exhibit962p1i0
Technical Report Summary of the material Tailings Storage
 
Facilities
32
5
 
History
5.1
 
Ownership
Anglo American Corporation
 
commissioned the Ergo
 
facility (processing plant)
 
on the
 
East Rand in
 
1977.
The objective was to recover gold, uranium and produce sulfuric acid from surface tailings material via
a metallurgical
 
flotation process.
 
In 1977
 
a carbon
 
in leach
 
(CIL) plant
 
was added.
 
In 1990,
 
when the
uranium market collapsed, the uranium plant
 
and the larger of the two acid
 
plants were closed down.
In 1998
 
Ergo became
 
part of
 
Anglo Gold
 
Limited (later
 
Anglo Gold
 
Ashanti Limited).
 
In 2005
 
Ergo was
closed down.
In 2007, Ergo (Pty) Limited was formed as a
 
joint venture between DRDGOLD and Mintails to re-establish
the tailings
 
treatment
 
operations.
 
A year
 
later (2008)
 
re-commissioning
 
of the
 
plant
 
started, and
 
Ergo
acquired the Mintails’
 
stake in the
 
gold recovery phase
 
of the project.
 
In 2009 a
 
second feed line
 
was
brought into the Ergo plant
 
from the Elsburg TSFs
 
and the plant capacity
 
doubled to 1.2 Mt
 
per month.
In 2010, DRDGOLD acquired the balance of Mintails
 
 
interest.
5.1.1
 
Crown Complex
Crown
 
Mines
 
Limited
 
(Crown
 
Mines),
 
previously
 
known
 
as
 
Rand
 
Mines
 
(Milling
 
and
 
Mining)
 
Limited,
belonged
 
to
 
Rand
 
Mining
 
Proprietary
 
Group,
 
which
 
commenced
 
retreatment
 
operations
 
in
 
1982.
 
At
least 90% of the
 
Crown Complex material was deposited onto
 
the Crown TSF Complex Facility by
 
Crown
Gold Recoveries,
 
which retreated
 
processed material
 
originally mined
 
from the
 
historical mines
 
in the
area. The Crown complex is situated on the farm
 
Mooifontein 225-IQ.
5.1.2
 
City Deep complex
City Deep belonged
 
to Rand Mines
 
(Milling and Mining) Limited
 
and fell under
 
the same group
 
as Crown
Gold Recovery. Records indicate
 
that in 1986 City Deep Complex
 
belonged to City Deep Rand Mines.
Most
 
of
 
City
 
Deep
 
TSFs
 
are
 
located
 
on
 
the
 
farms
 
Elandsfontein
 
107-IR,
 
Kliprivierfontein
 
106-IR
 
and
Doornfontein 92-IR.
5.1.3
 
Knight Complex
Most
 
of
 
the
 
TSFs
 
in
 
the
 
Knights
 
complex
 
were
 
previously
 
owned
 
by
 
Simmer
 
and
 
Jack
 
dating
 
back
 
to
1986. Witwatersrand Gold Mine owned other TSFs.
5.1.4
 
Ergo Complex
The Ergo
 
Complex was
 
created
 
by East
 
Rand Proprietary
 
Mines Limited
 
(ERPM) around
 
1958. ERPM
 
in
Boksburg
 
was
 
established
 
more
 
than
 
125
 
years
 
ago
 
as
 
an
 
underground
 
gold
 
mining
 
operation
 
and
produced gold
 
from 1896
 
to 2008.
 
ERPM had
 
approximately 15
 
shafts in
 
the Elsburg
 
area, which
 
were
the primary sources of the
 
tailings material deposited onto TSFs
 
4L47/48/49 and 50. The Ergo
 
complex is
situated on the farms Klippoortje 110-IR and 112-IR.
exhibit962p1i0
Technical Report Summary of the material Tailings Storage
 
Facilities
33
5.1.5
 
Marievale Complex
Marievale
 
Complex
 
was
 
previously
 
owned
 
by
 
Gencor
 
Limited
 
(General
 
Mining
 
Union
 
Corporation)
(Gencor) and operated
 
by Marievale Consolidated
 
Mines. The primary
 
commodity was
 
gold, and the
secondary
 
commodity
 
was
 
silver.
 
The
 
first
 
year
 
of
 
production
 
was
 
1939.
 
Mining
 
stopped
 
in
 
1998.
 
The
Marievale complex is located on the farm Vlakfontein
 
281-IR.
5.1.6
 
Grootvlei Complex
Grootvlei was
 
previously owned
 
by Gencor
 
and operated
 
by Grootvlei
 
Proprietary Mines
 
Limited from
1967 to 1981 at
 
an average grade
 
of 5g/t of gold.
 
The registered owner in
 
1986 was DUMPCO
 
Limited.
Mining stopped in 2005. Grootvlei is located on the farm Grootvlei
 
124-IR.
5.1.7
 
5A10/5L27
The Consolidated Modderfontein Mine deposited mine tailings on the 5A10/5L27 sand dump during
 
the
1980s. Before then, the sand dump was owned by Government
 
Gold Mine.
5.1.8
 
Daggafontein TSF
Daggafontein
 
TSF
 
was
 
previously
 
owned
 
by
 
Daggafontein
 
Mines.
 
Tailings
 
deposition
 
onto
 
the
 
TSF
commenced around 1982
 
and ceased around
 
2002 when the mine
 
ceased operations. Currently,
 
the
TSF is owned by Ergo.
5.2
 
Construction of the TSFs and Sand Dumps
The TSFs
 
were constructed in
 
accordance with
 
the then
 
Chamber of
 
Mines guidelines and
 
best practices
at the
 
time. The
 
guidelines provided
 
for a
 
starter wall,
 
toe drain
 
and blanket
 
drain. Gravity
 
penstocks
were
 
provided
 
on
 
all
 
TSFs,
 
which
 
were
 
subsequently
 
replaced
 
with
 
elevated
 
penstocks
 
during
 
their
operations. The final design heights for
 
a ‘typical’
 
TSF operated using day-walls were
 
generally between
30m and 100m.
All the TSFs were constructed as upstream TSFs. Upstream TSFs need to be raised slowly to
 
allow the solid
tailings time to dry and consolidate enough to support
 
a new level of the TSF.
The sand dump material was deposited by trucks
 
or cocopans.
exhibit962p1i0
 
 
 
 
 
 
 
 
 
 
 
 
 
 
 
 
 
 
 
 
 
 
 
 
 
 
 
 
 
 
 
 
 
 
 
 
 
 
 
 
 
 
 
 
 
 
 
 
 
 
 
 
 
 
 
 
 
 
 
 
 
 
 
 
 
 
 
 
 
 
 
 
 
 
 
 
 
 
 
 
 
 
 
 
 
 
 
 
 
 
 
 
 
 
 
 
 
Technical Report Summary of the material Tailings Storage
 
Facilities
34
Table 5.1
 
presents the
 
history and
 
status of
 
TSFs and
 
the sand
 
dump. The
 
TSFs and
 
the sand
 
dump are
considered old, and the properties have been dormant
 
for a considerable number of years.
Table 5.1:
 
History and Status of the TSFs and Sand Dump
TSF/Sand Dump
Commissioned
Date
Decommissioned
Date
Status as at
30 June 2022
Age since becoming
Dormant (Years)
Crown
3L5
+/-1920
2009
Dormant
12
3L7
Dormant
3L8
Dormant
City Deep
4L3
1965
1984
Development
37
4L4
Development
4L6
Development
Knights
4L14
1960
2000
Dormant
21
4L50
1968
1998
Mining
NA
Ergo
Rooikraal
1985
2012
Development
9
7L15
1964
1986
Dormant
35
Marievale
7L4
1964
1998
Dormant
23
7L5
1964
1998
Dormant
23
7L6
1964
1998
Dormant
23
7L7
1964
1998
Dormant
23
Grootvlei
6L16
1964
2005
Dormant
16
6L17
2005
Dormant
16
6L17A
2005
Dormant
16
5A10/5L27
5A10/5L27
1960
1986
Mining
NA
Daggafontein
Daggafontein
1970
2003
Dormant
17
Source: DRDGOLD, 2022
5.3
 
Previous Exploration and Mine Development
5.3.1
 
Previous Evaluation Drilling
Previous evaluation drilling
 
was completed on the
 
TSFs in the 1970s
 
by Anglo-American, and
 
from 2006
to
 
2008
 
by
 
Ergo
 
and
 
Mintails
 
SA
 
(Proprietary)
 
Limited.
 
The
 
QP
 
was
 
made
 
aware
 
of
 
these
 
activities,
however the
 
QP did
 
not use
 
data acquired
 
before 2008
 
in this
 
report as
 
data quality
 
assessment and
validation could not be performed.
5.3.2
 
Previous Development
In 1976,
 
the construction
 
of the processing
 
plant and
 
associated infrastructure
 
commenced and
 
Ergo
formally came into production on 25 February 1978.
exhibit962p1i0
 
 
 
 
 
 
 
 
 
 
 
 
 
 
 
 
 
 
 
 
 
 
 
Technical Report Summary of the material Tailings Storage
 
Facilities
35
Table 5.2 presents Ergo’s production data over the last
 
five years.
Table 5.2:
 
ERGO Production History
Date
Tons Mined
(Mt)
Yield Au
(g/t)
Gold Produced
(kg)
Gold Produced
(koz)
30 June 2018
24.3
0.19
4,679
150
30 June 2019
23.2
0.19
4,493
144
30 June 2020
*
20.2
0.20
3,989
128
30 June 2021
23.0
0.19
4,263
137
30 June 2022
22.1
0.19
4,156
134
Source: DRDGOLD, 2022
Note: *production was affected by COVID-19 national
 
lockdown.
exhibit962p1i0
Technical Report Summary of the material Tailings Storage
 
Facilities
36
6
 
Geological Setting, Mineralization and Deposit
6.1
 
Regional Geology
The TSFs are man-made features, and mineral distribution reflects the artificial nature
 
of the deposit. The
materials are
 
the waste
 
products (tailings)
 
of the
 
mining and
 
metallurgical process
 
recovery from
 
the
Witwatersrand and Transvaal Supergroups gold deposits.
These
 
tailings
 
consist
 
predominantly
 
of
 
quartz,
 
lesser
 
amounts
 
of
 
mica,
 
chlorite,
 
chloritoid,
 
pyrite
(1% to 2%) and low concentrations of gold, uranium
 
and sulfur.
Gold was discovered in the conglomerates of the Witwatersrand
 
sedimentary basin in about 1886.
The Witwatersrand
 
Supergroup is
 
aerially and structurally
 
related to
 
the underlying Dominion
 
Reef System
and the
 
overlying
 
Ventersdorp
 
System.
 
The Supergroup
 
is an
 
elongated
 
sedimentary
 
basin stretching
some 320km in a north-easterly direction and
 
160km in a north-westerly direction. The
 
upper portions of
the Witwatersrand Supergroup contain quartz conglomerates that have been mined for their gold
 
and
uranium contents.
The Transvaal Supergroup is a
 
stratigraphic unit consisting of
 
clastic sediments, carbonates, banded iron
formations and volcanics
 
younger than the
 
Witwatersrand Supergroup.
 
It occasionally
 
directly overlies
the
 
gold-bearing
 
conglomerates
 
of the
 
Witwatersrand
 
Supergroup
 
where
 
the
 
Ventersdorp
 
Volcanics
have been eroded or were not developed. At the base of
 
the Transvaal Supergroup is a conglomerate
layer, the Black Reef, that has been mined for gold.
The operations
 
are situated
 
in the
 
Witwatersrand Central
 
Rand and
 
East Goldfields.
 
The East
 
Goldfield
are linked
 
to the
 
Central
 
basin across
 
a large
 
monoclinal
 
structure, the
 
Springs
 
Monocline.
 
The major
economic
 
horizons
 
mined
 
were
 
the
 
South
 
Reef
 
together
 
with
 
Main
 
Reef,
 
Main
 
Reef
 
Leader
 
and
 
the
Elsburg and Kimberley Reefs. The Black Reef, where
 
mineralized,
 
was also mined in the area.
6.2
 
Mineralization, Local and Property Geology
The TSFs
 
has been processed
 
through metallurgical plants
 
that eject a
 
residue (tailings) which
 
is relatively
uniform in terms
 
of gold mineralization when
 
compared with the
 
natural deposit from
 
which the material
is derived. The variation
 
between gold grades is
 
small as the
 
process residue dump was
 
constructed in
layers/benches.
 
Grade
 
variation
 
primarily
 
follows
 
variations
 
in
 
the
 
processing
 
and,
 
to
 
a
 
lesser
 
extent,
primary deposits characteristic. The gold mineralization
 
is fairly well distributed throughout the TSF.
The TSFs are the by-product
 
of the mineral recovery
 
process. They took the
 
form of a liquid slurry
 
made
of fine mineral
 
particles
 
created when mined ore
 
was crushed,
 
milled and processed. The
 
tailings
 
were
pumped to
 
the TSFs which
 
were constructed
 
using earth dam
 
s. As the
 
residue of
 
the tailings
 
gradually
drained
 
and
 
became
 
compacted,
 
grass
 
and
 
other
 
vegetation
 
were
 
planted
 
to
 
rehabilitate
 
the
environment.
exhibit962p1i0
 
 
 
 
 
 
 
 
 
 
 
 
 
 
 
 
 
 
 
 
 
 
 
 
 
 
 
 
 
 
 
 
 
 
 
 
 
 
 
 
 
 
 
 
 
 
 
 
 
 
 
 
 
 
 
 
 
 
 
 
 
 
 
 
 
 
 
 
Technical Report Summary of the material Tailings Storage
 
Facilities
37
The TSFs and sand dumps evaluated in this report originated from different sources or processing plants,
as shown in Table 6.1.
Table 6.1:
 
Origin of the TSF and Sand Dump Material
TSF/Sand Dump
Source Mine
Mined Reef
Crown Complex
3L5
Crown Mines
Main Reef
3L7
Crown Mines
Main Reef
3L8
Crown Mines
Main Reef
City Deep Complex
4L3
City Deep Gold Mine (Proprietary) Limited
Kimberley Reef
4L5
City Deep Gold Mine (Proprietary) Limited
Kimberley Reef
4L6
City Deep Gold Mine (Proprietary) Limited
Kimberley Reef
Knights Complex
4L14
Simmer and Jack Gold Mine
Black Reef
4L50
Witwatersrand Gold Mine
Black Reef/Elsburg
Ergo Complex
Rooikraal
Knights Plant
Residue from Knights Plant
7L15
Vlakfontein Mine
Black Reef
Marievale Complex
7L4
 
Marievale Consolidated Mine
Kimberley Reef, Nigel Reef and Main
7L5
Marievale Consolidated Mine
Kimberley Reef, Nigel Reef and Main
7L6
Marievale Consolidated Mine
Kimberley Reef, Nigel Reef and Main
7L7
Marievale Consolidated Mine
Kimberley Reef, Nigel Reef and Main
Grootvlei Complex
6L16
Grootvlei Proprietary Mines Limited
Kimberley Reef
6L17
Grootvlei Proprietary Mines Limited
Kimberley Reef
6L17A
Grootvlei Proprietary Mines Limited
Kimberley Reef
5A10/5L27 Sand Dumps
5A10/5L27
Modderfontein East Mine
Main Reef Leader
Daggafontein TSF
Daggafontein
 
Daggafontein Mine
Main Reef
Source: DRDGOLD, 2022
6.3
 
Stratigraphy and Cross-sections
Unlike the stratigraphy
 
of the in
 
situ mineral deposit,
 
the stratigraphy of
 
a TSF or
 
sand dump is
 
man-made.
A typical stratigraphy
 
is presented in
 
Figure 6.1. Slime
 
was deposited on
 
soil (original ground
 
level). The
color of topsoil ranges from red to black.
 
In some cases, soil is mineralized or enriched.
exhibit962p1i0 exhibit962p54i2
 
 
 
 
exhibit962p54i1
 
 
 
 
Technical Report Summary of the material Tailings Storage
 
Facilities
38
Figure 6.1:
 
A Typical Stratigraphy for Ergo’s TSFs
Source: The RVN Group, 2022
A typical cross-section of a TSF is shown in Figure 6.2 and
 
Figure 6.3.
Figure 6.2:
 
Grootvlei Complex (6L17) Map showing Location of
 
Cross-section
exhibit962p1i0 exhibit962p55i1
 
 
 
 
Technical Report Summary of the material Tailings Storage
 
Facilities
39
Source: The RVD Group, 2022
 
Figure 6.3:
 
Cross-section of the Grootvlei Complex (6L17)
Source: The RVN Group, 2022
6.4
 
Deposit Type
The
 
deposits
 
under
 
consideration
 
are
 
man-made
 
features
 
that
 
are
 
sometimes
 
referred
 
to
 
as
 
dumps,
tailing dams, or simply mine dams.
The
 
TSF
 
or
 
sand
 
dump
 
generally
 
lies
 
above
 
the
 
prevailing
 
ground
 
level
 
and
 
there
 
is
 
no
 
host
 
rock.
 
No
geological
 
or
 
mineralization
 
controls
 
are
 
relevant
 
to
 
the
 
TSFs
 
or
 
sand
 
dumps
 
as
 
they
 
are
 
man-made
features.
The engineering design
 
parameters determine the
 
size and shape of
 
the TSF or sand dump
 
at the time
of the deposition of the waste products from the respective
 
plants.
exhibit962p1i0
Technical Report Summary of the material Tailings Storage
 
Facilities
40
7
 
Exploration
7.1
 
Exploration
The TSFs are man-made engineering features and typical exploration programs (geophysics, trenching,
mapping
 
and
 
soil
 
sampling)
 
were
 
not
 
undertaken
 
on
 
the
 
TSFs.
 
An
 
evaluation
 
drilling
 
program
 
was
conducted on the
 
TSFs. No exploration
 
work was required
 
to locate the
 
TSFs,
 
as their locations
 
are well
known, rising well above ground level.
 
The QP considered non-drilling
 
exploration to be not material to
the Ergo properties.
7.2
 
Topographic Surveys
The
 
topographic
 
surfaces
 
of
 
the
 
TSFs
 
were
 
surveyed
 
by
 
Jaco
 
van
 
Staden,
 
a
 
qualified
 
surveyor
 
from
Geografix Surveys CC (Geografix), using a differential Global Positioning System (GPS) unit. The method
has an accuracy
 
in the range
 
of 10cm.
 
The conventional
 
survey equipment
 
(total stations,
 
prisms and
related
 
equipment)
 
and
 
GPS
 
Real
 
Time
 
Kinetic
 
systems
 
were
 
used
 
to
 
accurately
 
determine
 
the
coordinated positions of the surface features as required
 
to create a digital terrain model.
Daily calibration
 
through transformation
 
was completed
 
to ensure
 
the instruments
 
reported accurate
results. This standard procedure
 
was performed daily
 
before surveying. After
 
surveying was conducted
or when the day’s
 
work was completed,
 
the calibration was
 
rechecked through measurements
 
of the
benchmark
 
points
 
to
 
confirm
 
that
 
the
 
instruments
 
measured
 
the
 
correct
 
values.
 
Data
 
from
 
survey
measurements
 
were
 
checked
 
through
 
repeated
 
measurements
 
of
 
selected
 
points.
 
No
 
bias
 
was
identified.
Surveys
 
were
 
undertaken
 
on
 
a
 
10m
 
grid
 
and
 
measurements
 
were
 
also
 
taken
 
on
 
all
 
breaker
 
lines.
 
An
additional 10m to 20m outside the footprint of each
 
TSF and sand dump was also surveyed.
No additional tailings material was deposited on the TSFs after the surveys were
 
conducted. For the TSFs
where mining
 
is taking place
 
(4L50 and 5A10/5L27),
 
monthly surveys are
 
completed, and
 
the tonnage
is
 
depleted
 
from
 
the
 
Mineral
 
Resources
 
and
 
Mineral
 
Reserves
 
up
 
to
 
30
 
June
 
2022.
 
The
 
details
 
of
 
the
survey information are presented in Table 7.1.
The QP was satisfied to rely on the survey measurements as an accurate representation
 
of the TSFs and
sand dumps.
7.3
 
Evaluation Drilling
Evaluation
 
drilling
 
campaigns
 
were completed
 
on the
 
TSFs and
 
sand dumps.
 
The drilling
 
grid was
 
not
always regular due
 
to access issues;
 
however,
 
the QP noted
 
that drill holes
 
were well spread.
 
The well-
spread
 
drill
 
holes
 
ensured
 
that
 
the
 
samples
 
collected
 
were representative
 
of the
 
respective
 
TSFs
 
and
sand dumps.
7.4
 
Drilling Methodology
Two drilling
 
techniques were
 
followed by
 
specialized independent
 
drilling contractors
 
on the
 
TSFs. The
Reverse Circulation (RC) method was implemented where the
 
auger drilling technique could not drill to
exhibit962p1i0
 
 
 
 
 
 
 
 
 
 
 
 
 
 
 
 
 
 
 
 
 
 
 
 
 
 
 
 
 
 
 
 
 
 
 
 
 
 
 
 
 
 
 
 
 
 
 
 
 
 
 
 
 
 
 
 
 
 
 
 
 
 
 
 
 
 
 
 
 
 
 
 
 
 
 
 
 
 
 
 
 
 
 
 
 
 
 
 
 
Technical Report Summary of the material Tailings Storage
 
Facilities
41
the base of the TSF
 
due to drill hole length exceeding 55m or
 
areas of high moisture content
 
at the base
of the TSF.
The QP was satisfied that all measures
 
were taken to ensure that drilling,
 
sampling and recoveries were
acceptable and would not
 
affect the accuracy and
 
reliability of the
 
results. The experienced geologists
from The
 
RVN Group
 
monitored the
 
drilling process.
 
The QP
 
made ad-hoc
 
site visits
 
during drilling
 
and
sampling. In the
 
opinion of the
 
QP, the processes
 
followed were adequate for
 
collecting quality samples
and information for use in the interpretation of results and
 
in the Mineral Resource estimation.
Table 7.1:
 
Survey Details of the Material from the TSFs and Sand Dumps
TSF/Sand Dump
Area
 
(ha)*
Date Surveyed**
Coordinate System, Datum
Crown
3L5 (Diepkloof)
158.5
02/09/2013
WGS84 LO27, amsl***
3L7 (Mooifontein)
108.4
15/08/2013
WGS84 LO27, amsl
3L8 (GMTS)
159.3
20/09/2013
WGS84 LO27, amsl
City Deep
4L3
33.9
15/05/2017
WGS84 LO29, amsl
4L4
20.6
08/06/2017
WGS84 LO29, amsl
4L6
44.2
15/06/2017
WGS84 LO29, amsl
Knights
4L14
22.4
13/11/2015
WGS84 LO29, amsl
4L50
55.5
19/05/2017
WGS84 LO29, amsl
Ergo
Rooikraal
136.8
23/05/2018
WGS84 LO29, amsl
7L15
97.6
23/05/2008
WGS84 LO29, amsl
Marievale
7L4
 
116.3
19/01/2009
WGS84 LO29, amsl
7L5
31.1
08/01/2009
WGS84 LO29, amsl
7L6
62.0
20/01/2009
WGS84 LO29, amsl
7L7
69.1
22/01/2009
WGS84 LO29, amsl
Grootvlei
6L16
127.9
15/05/2015
WGS84 LO29, amsl
6L17
130.7
15/05/2015
WGS84 LO29, amsl
6L17A
85.7
15/05/2015
WGS84 LO29, amsl
5A10/5L27
5A10/5L27
56.7
26/02/2008
WGS84 LO29, amsl
Daggafontein
Daggafontein TSF
476.9
12/08/2016
WGS84 LO29, amsl
Total Area (Ha)
1,993.6
Source: The RVN Group, 2022
Note:
*area includes 10m outside the TSF footprint
**date before mining (4L50 TSF and 5A10/5L27 sand dump
 
are surveyed monthly for production purpose
 
s)
***amsl is the abbreviation for above mean sea level
exhibit962p1i0
Technical Report Summary of the material Tailings Storage
 
Facilities
42
7.4.1
 
Auger Drilling
Auger drilling,
 
a cost-effective
 
method, was
 
commissioned
 
by Ergo
 
on most
 
of their
 
TSFs for
 
holes less
than 55m and located within areas of lower moisture content
 
.
With auger drilling, the rotation of a helical screw causes the
 
blade of the screw to lift the sample to the
surface. This drilling method does not require heavy machinery in order to drill to the desired depth. This
auger method can
 
be used for
 
shallow environmental drilling, geotechnical
 
drilling, soil engineering
 
and
mineral deposits where the formation is soft and the hole does not collapse. This is done by pressing the
spiral rods into the ground using a drilling head machine
 
which can drill up to a depth of 55m.
Samples were collected through the spiral at every 1.5m interval and the spiral was cleaned with water
and brushed clean after every run.
7.4.2
 
Reverse Circulation
RC drilling,
 
with better sample
 
recovery than auger
 
drilling, is
 
a method of
 
drilling which
 
uses dual wall
drill rods consisting of
 
an outer drill rod
 
with an inner tube.
 
These hollow inner tubes allow
 
the drill cuttings
to be transported back to the surface in a continuous, steady
 
flow.
The drilling mechanism is often a pneumatic reciprocating piston called a hammer, which in turn drives
a clay cutter, specifically made to cut soft material
 
such as tailings and soil.
The clay cutter
 
is used to
 
remove samples that
 
are pushed through
 
the machine
 
with compressed air.
When
 
air
 
is
 
blown
 
down
 
the
 
annulus
 
(ring-shaped
 
structure)
 
of
 
the
 
rod,
 
the
 
pressure
 
shift
 
creates
 
a
reverse circulation,
 
bringing
 
the tailings
 
up the
 
inner tube.
 
When the
 
tailings reach
 
a deflector
 
box at
the top of the rig, the material is moved through a
 
hose attached to the top of the cyclone.
The drill cuttings will travel around the cyclone until they fall
 
through the bottom opening into a sample
bag. These bags are sorted and marked with the location and depth where the sample was collected.
RC drilling technique can drill up to 1,500m deep. The other benefits
 
of RC drilling include:
more reliable and less contaminated samples than
 
those from auger drilling;
a high drill penetration rate;
a larger sample size; and
a more cost-effective method than diamond or sonic
 
drilling.
Samples were collected through the cyclone at 1.5m
 
intervals and the rods and cyclone were cleaned
with compressed air after every run.
The RC drilling technique was chosen because RC drilling could drill deeper holes than auger drilling. In
addition,
 
because
 
of
 
its
 
higher
 
power,
 
RC
 
drilling
 
can
 
drill
 
through
 
wet
 
material
 
and
 
has
 
a
 
better
recovery percentage than auger drilling, which is prone to
 
losing wet samples through its spiral.
exhibit962p1i0 exhibit962p59i1
 
 
 
 
Technical Report Summary of the material Tailings Storage
 
Facilities
43
7.5
 
Crown
A total
 
of 44
 
RC drill
 
holes at
 
approximately
 
200m-by-200m
 
average grid
 
were completed
 
in 2017
 
on
Crown Complex as shown in Figure 7.1Figure 7.8.
Figure 7.1:
 
Crown Complex:
 
Map showing drill hole Locations
Source: The RVN Group, 2022
exhibit962p1i0 exhibit962p60i1
 
 
 
 
Technical Report Summary of the material Tailings Storage
 
Facilities
44
7.6
 
City Deep
A total
 
of 27
 
auger drill
 
holes between
 
100m and
 
200m spacing
 
were completed
 
in 2017
 
on the
 
City
Deep Complex, as shown in Figure 7.2.
Figure 7.2:
 
City Deep Complex:
 
Map showing Drill Hole Locations
Source: The RVN Group, 2022
exhibit962p1i0 exhibit962p61i1
 
 
 
 
Technical Report Summary of the material Tailings Storage
 
Facilities
45
7.7
 
Knights
7.7.1
 
4L14
A total
 
of 17
 
auger drill
 
holes were
 
completed on
 
4L14. The
 
average drill
 
hole spacing
 
was 100m.
 
Drill
holes are
 
well spread
 
throughout the
 
TSF as
 
presented
 
in Figure
 
7.3.The TSF
 
has a
 
maximum height
 
of
37.5m.
 
The
 
intersected
 
soil
 
reported
 
higher
 
gold
 
values;
 
thus,
 
the
 
soil
 
was
 
modelled
 
as
 
a
 
separate
domain and added to the TSF’s Mineral Resource.
Figure 7.3:
 
Knights Complex - 4L14: Map showing Drill Hole Locations
Source: The RVN Group, 2022
exhibit962p1i0 exhibit962p62i1
 
 
 
 
Technical Report Summary of the material Tailings Storage
 
Facilities
46
7.7.2
 
4L50
A total of
 
22 auger drill
 
holes were completed
 
on 4L50. The
 
average drill hole
 
spacing is between
 
50m
and 100m. Drill
 
holes are
 
well spread throughout
 
the TSF (Figure
 
7.4). The
 
TSF has a
 
maximum height
 
of
40m. The average gold grade is 0.26g/t. Mining is ongoing
 
on this TSF.
Figure 7.4:
 
Knights Complex - 4L50: Map showing Drill Hole Locations
Source: The RVN Group, 2022
exhibit962p1i0 exhibit962p63i1
 
 
 
 
Technical Report Summary of the material Tailings Storage
 
Facilities
47
7.8
 
Ergo
7.8.1
 
7L15
A total of 22 auger
 
drill holes were completed on 7L15. Some
 
holes were twin holes to confirm the
 
results
obtained in
 
previous drilling
 
campaigns.
 
The drill
 
hole pattern
 
has an
 
irregular spacing
 
averaging
 
less
than 100m (Figure 7.5).
Figure 7.5:
 
Ergo Complex - 7L15: Map showing Drill Hole Locations
Source: The RVN Group, 2022
exhibit962p1i0 exhibit962p64i1
 
 
 
 
Technical Report Summary of the material Tailings Storage
 
Facilities
48
7.8.2
 
Rooikraal
A total of 64
 
RC drill holes were
 
completed on Rooikraal.
 
Irregular drill hole
 
spacing was due to
 
access
challenges (Figure 7.6). An average drill hole spacing
 
of less than 100m was achieved.
Figure 7.6:
 
Ergo Complex - Rooikraal: Map showing Drill Hole Locations
Source: The RVN Group, 2022
exhibit962p1i0 exhibit962p65i1
 
 
 
 
Technical Report Summary of the material Tailings Storage
 
Facilities
49
7.9
 
Marievale
A drill
 
hole
 
map
 
for
 
the
 
Marievale
 
complex
 
is presented
 
in
 
Figure
 
7.7.
 
Average
 
spacing
 
of 100m
 
was
followed. Auger drilling was done in 2020.
Figure 7.7:
 
Marievale Complex:
 
Map showing Drill Hole Locations
Source: The RVN Group, 2022
exhibit962p1i0 exhibit962p66i1
 
 
 
 
Technical Report Summary of the material Tailings Storage
 
Facilities
50
7.10
 
Grootvlei Complex
A total
 
of 34,
 
31 and
 
39 drill
 
holes were
 
completed on
 
6L16, 6L17
 
and 6L17A
 
respectively,
 
as shown
 
in
Figure 7.8,
 
Figure 7.9
 
and Figure
 
7.10. Drill
 
holes completed
 
in 2016
 
were a
 
combination of
 
auger and
RC
 
techniques.
 
All
 
previous
 
campaigns
 
(2008
 
and
 
2015)
 
used
 
the
 
auger
 
drilling
 
technique.
 
The
 
grid
spacing for 6L16 is
 
approximately 200m-by-200m
 
while 6L17 and
 
6L17A have a
 
closer drill hole
 
spacing
of approximately 100m-by-100m.
Figure 7.8:
 
Grootvlei Complex - 6L16: Map showing Drill Hole Locations
Source: The RVN Group, 2022
exhibit962p1i0 exhibit962p67i1
 
 
 
 
Technical Report Summary of the material Tailings Storage
 
Facilities
51
Figure 7.9:
 
Grootvlei Complex - 6L17: Map showing Drill Hole Locations
Source: The RVN Group, 2022
exhibit962p1i0 exhibit962p68i1
 
 
 
 
Technical Report Summary of the material Tailings Storage
 
Facilities
52
Figure 7.10: Grootvlei Complex - 6L17A: Map showing Drill
 
Hole Locations
Source: The RVN Group, 2022
exhibit962p1i0 exhibit962p69i2 exhibit962p69i1
 
 
 
 
Technical Report Summary of the material Tailings Storage
 
Facilities
53
7.11
 
5A10/5L27
A total of 30 drill holes were completed on the 5A10/5L27 sand dumps
 
in 2017. All drill holes were drilled
using the auger
 
drilling technique.
 
An irregular spacing
 
of between 50m
 
and 100m
 
was followed.
 
Due
to the high
 
height of
 
the sand
 
dump, all
 
holes drilled
 
on top
 
of the
 
middle dump
 
did not
 
intersect the
base of the TSF (red color in Figure 7.11). Mining is ongoing
 
on this sand dump.
Figure 7.11:
 
5A10/5L27: Map showing Drill Hole Locations
Source: The RVN Group, 2022
The deepest
 
drilled hole
 
was 52.5m.
 
This drill
 
hole did
 
not intersect
 
the base
 
or soil.
 
The auger
 
drill machine
could not drill deeper
 
because the holes collapse
 
at depths,
 
due to auger drilling
 
constraints.
 
The RVN
Group geologists
 
stopped drilling
 
once they noticed
 
that the hole
 
had collapsed,
 
so as to
 
ensure that
only good-quality representative samples were obtain
 
ed.
exhibit962p1i0 exhibit962p70i1
 
 
 
 
Technical Report Summary of the material Tailings Storage
 
Facilities
54
7.12
 
Daggafontein TSF
A total of
 
55 drill holes
 
were drilled on
 
Daggafontein TSF from
 
2017 to 2021
 
as shown in
 
Figure 7.12. The
center of the TSF (outlined with a dotted line) could not be accessed for drilling
 
due to the presence of
surface water. Figure
 
7.12 presents the
 
evaluation drilling information for
 
the different drilling campaigns.
Only two drill holes were completed in 2017 which were drilled far apart. Drilling campaigns completed
from
 
2018
 
to
 
2021
 
were
 
drilled
 
to
 
infill
 
the
 
drill
 
space
 
to
 
confirm
 
the
 
continuity
 
of
 
mineralization.
 
On
average, the drill
 
holes were spaced
 
at a nominal
 
grid of 200m-by-200m
 
and were well
 
spread to ensure
that the samples were representative of the TSF.
Figure 7.12:
 
Daggafontein Complex - Daggafontein TSF: Map showing
 
Drill Hole Locations
Source: The RVN Group, 2022
7.13
 
Logging and Sampling
The RVN
 
Group used
 
comprehensive logging
 
and sampling
 
standard procedures,
 
including extensive
Quality
 
Assurance
 
(QA)and
 
Quality
 
Control
 
(QC)
 
procedures.
 
In
 
addition,
 
the
 
geologist
 
and
 
drilling
supervisor count
 
ed the
 
rods after
 
each hole
 
had intersected
 
the soil
 
to confirm
 
the borehole
 
depths.
Where samples were split, quartering was done by the
 
geologist on-site to ensure the representativity of
these samples.
The samples were assigned unique sample identification numbers and
 
tagged before being submitted
to the
 
laboratory. In
 
addition, for
 
each sample
 
batch, QC
 
samples were
 
submitted to
 
the laboratory.
exhibit962p1i0
Technical Report Summary of the material Tailings Storage
 
Facilities
55
The RVN Group geologists
 
prepared sample submission sheets that
 
accompanied the samples. Records
of the sample data were captured in a database.
The RVN Group monitored the
 
drilling and sampling process. Logging
 
was qualitative in nature, except
for sample intervals. All drill holes were logged in entirety
 
from top to bottom on-site.
As drilling progressed, the spiral for auger and rods for RC
 
drilling were cleaned after every drilling run to
prevent sample contamination.
7.13.1
 
Logging
Drill
 
holes
 
were
 
logged
 
on-site
 
by
 
The
 
RVN
 
Group
 
geologist
 
using
 
the
 
individual
 
1.5m
 
samples
 
taken
throughout the drill hole. Samples were classified according to whether they were slimes or soil, moist or
wet and on color.
Logging
 
was
 
done
 
on-site
 
as
 
hard
 
copy
 
handwritten
 
logs,
 
then
 
later
 
captured
 
electronically
 
into
Microsoft Excel.
7.13.2
 
Sampling
Every
 
drill
 
hole
 
was
 
sampled
 
at
 
1.5m
 
intervals
 
for
 
the
 
entire
 
length
 
of
 
the
 
hole.
 
The
 
samples
 
were
immediately
 
bagged
 
and
 
tagged
 
on
 
site. Sampling
 
(plastic)
 
bags
 
were labelled
 
and
 
tagged
 
with
 
a
sample book tag. The drill
 
log and sample book were
 
regularly checked against the
 
drill hole depth as
drilling proceeded so as to ensure compatibility.
Samples were noted as “dry”, “moist” or “wet”
 
in the drill log and sample book.
The
 
responsible
 
geologist
 
planned
 
sample
 
numbers
 
and
 
the
 
QC
 
samples
 
in
 
a
 
Microsoft
 
Excel
spreadsheet and assigned them to the appropriate
 
sample interval.
The RVN Group safely and carefully collected, secured and transported the samples
 
from the site so as
to avoid contamination and sample loss.
All
 
the
 
samples
 
were
 
presented
 
to
 
the
 
laboratory
 
in
 
a
 
well-organized
 
and
 
sorted
 
manner
 
with
 
easily
understandable documentation, including a fully
 
completed Sample Submission Form.
7.14
 
Sample Recovery
Samples
 
recovered
 
from
 
the
 
TSFs
 
and
 
sand
 
dump
 
material
 
were
 
mostly
 
moist
 
and
 
fine-grained.
 
The
sample size was visually checked on-site to ensure they were of
 
a similar size and sufficient quantity. The
gold grade did not show a definable relationship with sample weights.
 
The QP considered the recovery
and sample quality satisfactory for further evaluation.
7.15
 
On-site Security Measures
Access to the drill sites
 
was restricted to the drilling and
 
The RVN Group teams. Any
 
unauthorized access
to the drill
 
sites was prohibited.
 
Drilling sites were
 
demarcated by danger
 
tape and no
 
visitors could cross
the demarcated area unless
 
authorized by the QP.
 
Once samples were packed
 
and the bags closed,
no one was allowed to open the bags.
exhibit962p1i0
Technical Report Summary of the material Tailings Storage
 
Facilities
56
7.16
 
Collar Survey Data
A qualified
 
surveyor from
 
Geografix surveyed
 
the drill
 
hole collar
 
positions using
 
total station
 
surveying
equipment and differential GPS instruments. The accuracy
 
of the method was within a 10cm range.
Collar positions were plotted on the satellite images to verify positions and collars plots were inspected.
Elevations were compared to the topographic survey.
 
Collar positions were verified to be accurate.
The QP is satisfied with the surveying methodology followed. The surveys were performed by a qualified
surveyor
 
who
 
has
 
sufficient
 
experience
 
to
 
undertake
 
the
 
task.
 
The
 
surveys
 
were
 
considered
 
to
 
be
 
of
adequate quality for use in the evaluations of the TSFs.
No downhole survey measurements were taken as the drill holes were shallow and vertical,
 
and the QP
anticipated no deviations.
7.17
 
Density Determination
Bulk densities on the TSFs were measured in situ by Letsatsi Materials Engineering (Proprietary) Limited (a
South
 
African
 
National
 
Accreditation
 
System
 
(SANAS)
 
accredited
 
institution
 
for
 
engineering
 
materials
testing)
 
using
 
a
 
Troxler
 
densitometer
 
between
 
September
 
2020
 
and
 
January
 
2021.
 
The
 
bulk
 
density
measurements
 
included compaction rates and moisture content. The use of densitometers on TSFs and
sand
 
dumps
 
is
 
common
 
practice,
 
as
 
TSFs
 
and
 
sand
 
dumps
 
are
 
engineered
 
features
 
with
 
consistent
physical properties.
 
The density
 
of the TSF
 
is directly
 
proportional to
 
the compaction
 
rate and material
property. As
 
the moisture
 
content increases,
 
density
 
decreases and
 
vice
 
versa. The
 
compaction
 
rate
and
 
material
 
property
 
do
 
not
 
vary
 
significantly
 
with
 
depth
 
(TSFs
 
and
 
sand
 
dumps
 
are
 
largely
homogeneous);
 
thus,
 
measurements
 
taken
 
at
 
any
 
depth
 
(>10cm)
 
are
 
representative
 
of
 
the
 
TSF
 
and
sand dump compartments.
Density measurement points were prepared and measurements
 
were taken per TSF or sand dump. The
points
 
were
 
well
 
spread.
 
Preparation
 
of points
 
involved
 
removing
 
the
 
topmost
 
5cm
 
to
 
10cm
 
of loose
material and flattening (levelling) the
 
surface. Measurements were taken at
 
150mm and 300mm depths
per point. As part of quality control, some points are measured
 
more than once.
The statistics of the density measurements are presented
 
in Table 7.2.
The average bulk densities determined
 
for the TSFs or sand dump were
 
slightly higher than the
 
1.42t/m
3
that Ergo uses for the TSFs or sand dump they are mining.
The mean tests showed that the density is more than 1.42t/m
3
with a 95% confidence level. Confidence
intervals for the densities indicated,
 
with a 95% confidence level, that the mean density applied at Ergo
is within the range. The QP decided to
 
continue using a lower mean density of 1.42t/m
3
 
as it is within the
95% confidence and prediction intervals, passed the mean test. In addition,
 
Ergo has been successfully
applying 1.42t/m
3
 
in their mining production reconciliation for more than
 
15 years.
The
 
QP
 
is
 
satisfied
 
using
 
a
 
1.42t/m
3
 
mean
 
dry
 
bulk
 
density
 
for
 
all
 
the
 
TSFs
 
and
 
sand
 
dumps
 
with
 
the
understanding of the upside potential if the mean
 
density is later determined to be higher.
exhibit962p1i0
 
 
 
 
 
 
 
 
 
 
 
 
 
 
 
 
 
 
 
 
 
 
 
 
 
 
 
 
 
 
 
 
 
 
 
 
 
 
 
 
 
 
 
 
 
 
 
 
 
 
 
 
 
 
 
 
 
 
 
 
 
 
 
 
 
 
Technical Report Summary of the material Tailings Storage
 
Facilities
57
Table 7.2:
 
Bulk Density Information and Statistics
Reclamation Site
TSF/Sand Dump
Number
of
Samples
Mean Density
(t/m
3
)
Standard Deviation
(t/m
3
)
Minimum
(t/m
3
)
Maximum
(t/m
3
)
CoV***
Crown Complex
3L5
60
1.479
0.044
1.353
1.567
0.03
3L7
60
1.443
0.020
1.381
1.485
0.01
3L8
32
1.397
0.028
1.331
1.440
0.02
City Deep Complex
4L3
20
1.419
0.078
1.214
1.560
0.05
4L4
20
1.456
0.031
1.410
1.522
0.02
4L6*
-
-
-
-
-
-
Knights Complex
4L14*
-
-
-
-
-
-
4L50
30
1.624
0.040
1.531
1.711
0.02
Ergo Complex
7L15
30
1.513
0.035
1.443
1.591
0.02
Rooikraal
90
1.457
0.051
1.350
1.602
0.04
Marievale Complex
7L4
60
1.457
0.033
1.405
1.526
0.02
7L5
30
1.434
0.047
1.360
1.520
0.03
7L6
60
1.453
0.060
1.335
1.595
0.04
7L7
60
1.461
0.032
1.374
1.548
0.02
Grootvlei Complex
6L16
60
1.543
0.060
1.384
1.643
0.04
6L17
59
1.499
0.038
1.420
1.592
0.03
6L17A
58
1.490
0.044
1.402
1.606
0.03
5A10/5L27 Sand
Dumps
5A10/5L27
30
1.529
0.037
1.468
1.596
0.02
Daggafontein TSF
Daggafontein
58
1.511
0.058
1.394
1.687
0.04
Total
817
1.480**
0.043
1.214
1.711
0.03
Source: The RVN Group, 2022
*no measurements were taken due to access
 
problems
**weighted average
***CoV is the abbreviation for Coefficient of Variation
exhibit962p1i0
 
 
 
 
 
 
 
 
 
 
 
 
 
 
 
 
 
 
 
 
 
 
 
 
 
 
 
 
 
 
 
 
 
 
 
 
 
 
 
 
 
 
 
 
 
 
 
 
 
 
 
 
 
 
 
 
 
 
 
 
 
Technical Report Summary of the material Tailings Storage
 
Facilities
58
7.18
 
Hydrological Drilling and Test Work
No hydrogeological studies were completed.
However, some relevant hydrological data
 
was captured during
 
drilling and logging by
 
The RVN Group.
The RVN Group logs have moisture
 
content recorded (i.e., dry,
 
moist, wet or watery). Additionally, Ergo
installed
 
piezometers
 
in
 
some
 
larger
 
TSFs
 
(Crown
 
Complex
 
and
 
Daggafontein
 
TSF)
 
to
 
monitor
 
water
levels.
 
Smaller
 
TSFs
 
are
 
considered
 
low
 
risks
 
as
 
they
 
are
 
dormant
 
and
 
mostly
 
moist
 
to
 
dry;
 
thus,
 
no
piezometers were installed.
7.18.1
 
Crown Complex
The QP has classified the GMTS TSF as moist
 
to wet and Diepkloof and Mooifontein TSFs
 
are classified as
dry to moist (Table 7.3, Table 7.4 and Table 7.5).
Table 7.3:
 
GMTS (3L8) Moisture Content
Average Depth
Moisture Content Commentary
From
(m)
To
(m)
0.0
27.0
Dry
27.0
54.0
Moist
54.0
58.5
Wet
58.5
61.5
Watery
61.5
64.5
Wet
64.5
67.5
Watery
67.5
The Base of the TSF
Wet
The Base of the TSF
Soil
Moist
Source: The RVN Group, 2022
Table 7.4:
 
Diepkloof (3L5) Moisture Content
Average Depth
Moisture Content Commentary
From
(m)
To
(m)
0.0
21.0
Dry
21.0
45.0
Moist
45.0
The Base of the TSF
Wet
The Base of the TSF
Soil
Moist
Source: The RVN Group, 2022
Table 7.5:
 
Mooifontein (3L7) Moisture Content
Average Depth
Moisture Content Commentary
From
(m)
To
(m)
0.0
30.5
Dry
30.5
36.0
Moist
36.0
The Base of the TSF
Wet
The Base of the TSF
Soil
Moist
Source: The RVN Group, 2022
exhibit962p1i0
 
 
 
 
 
 
 
 
 
 
 
 
 
 
 
 
 
 
 
 
 
 
 
 
 
 
 
 
 
 
 
 
 
 
 
 
 
 
 
 
 
 
 
 
 
 
 
 
 
 
 
 
 
 
 
 
 
 
 
 
 
 
 
 
 
 
 
 
 
 
 
 
 
 
Technical Report Summary of the material Tailings Storage
 
Facilities
59
7.18.2
 
City Deep Complex
The QP classified the City Deep Complex as moist (Table
 
7.6, Table 7.7 and Table 7.8).
Table 7.6:
 
4L3 Moisture Content
Average Depth
Moisture Content Commentary
From (m)
To (m)
0.0
31.5
Moist
31.5
The Base of the TSF
Wet
The Base of the TSF
Soil
Moist
Source: The RVN Group, 2022
Table 7.7:
 
4L4 Moisture Content
Average Depth
Moisture Content Commentary
From
(m)
To
(m)
0.0
The Base of the TSF
Moist
The Base of the TSF
Soil
Moist
Source: The RVN Group, 2022
Table 7.8:
 
4L6 Moisture Content
Average Depth
Moisture Content Commentary
From
(m)
To
(m)
0.0
13.5
Moist
13.5
The Base of the TSF
Wet
The Base of the TSF
Soil
Moist
Source: The RVN Group, 2022
7.18.3
 
Knights Complex
The QP classified the Knights TSFs as moist (Table
 
7.9 and Table 7.10).
Table 7.9:
 
4L14 Moisture Content
Average Depth
Moisture Content Commentary
From
(m)
To
(m)
0.0
4.5
Dry
4.5
12.0
Moist
 
12.0
25.0
Wet
25.0
30.0
Moist
30.0
The Base of the TSF
Wet
The Base of the TSF
Soil
Moist
Source: The RVN Group, 2022
exhibit962p1i0
 
 
 
 
 
 
 
 
 
 
 
 
 
 
 
 
 
 
 
 
 
 
 
 
 
 
 
 
 
 
 
 
 
 
 
 
 
 
 
 
 
 
 
 
 
 
 
 
 
 
 
 
 
 
 
 
 
 
 
 
 
 
 
 
 
 
 
 
 
 
 
 
 
 
 
 
 
 
 
 
 
 
 
 
 
Technical Report Summary of the material Tailings Storage
 
Facilities
60
Table 7.10:
 
4L50 Moisture Content
Average Depth
Moisture Content Commentary
From
(m)
To
(m)
0.0
16.5
Moist
16.5
The Base of the TSF
Wet
The Base of the TSF
Soil
Moist
Source: The RVN Group, 2022
7.18.4
 
Ergo Complex
The
 
QP
 
classified
 
the
 
Rooikraal
 
TSF
 
as
 
moist
 
to
 
wet
 
(Table
 
7.11
 
to
 
Table
 
7.12).
 
The
 
TSF
 
is
 
moist
 
to
 
wet
because it is situated closer to the wetland. The 7L15 TSF is
 
moist.
Table 7.11:
 
Rooikraal Moisture Content
Average Depth
Moisture Content Commentary
From
(m)
To
(m)
0.0
12.0
Moist
 
12.0
13.5
Dry
13.5
22.5
Wet
22.5
The Base of the TSF
 
Watery
The Base of the TSF
Soil
Moist
Source: The RVN Group, 2022
Table 7.12:
 
7L15 Moisture Content
Average Depth
Moisture Content Commentary
From
(m)
To
(m)
0.0
19.5
Moist
19.5
The Base of the TSF
Wet
The Base of the TSF
Soil
Moist
Source: The RVN Group, 2022
7.18.5
 
Marievale Complex
The QP classified
 
the Marievale
 
TSFs as moist
 
to wet (Table
 
7.13, Table 7.14,
 
Table 7.15 and
 
Table 7.16).
The
 
TSF
 
is
 
moist
 
to
 
wet
 
because
 
it
 
is
 
situated
 
closer
 
to
 
the
 
Blesbokspruit.
 
All
 
TSFs
 
are
 
east
 
of
 
the
Blesbokspruit.
Table 7.13:
 
7L4: Moisture Content
Average Depth
Moisture Content Commentary
From
(m)
To
(m)
0.0
6.0
Moist
6.0
10.5
Wet
10.5
The Base of the TSF
Watery
The Base of the TSF
Soil
Moist
Source: The RVN Group, 2022
exhibit962p1i0
 
 
 
 
 
 
 
 
 
 
 
 
 
 
 
 
 
 
 
 
 
 
 
 
 
 
 
 
 
 
 
 
 
 
 
 
 
 
 
 
 
 
 
 
 
 
 
 
 
 
 
 
 
 
 
 
 
 
 
 
 
 
 
 
 
 
 
 
 
 
 
 
 
 
 
 
 
 
 
 
 
 
 
 
 
 
 
 
 
 
 
 
 
 
 
 
 
 
 
 
Technical Report Summary of the material Tailings Storage
 
Facilities
61
Table 7.14:
 
7L5: Moisture Content
Average Depth
Moisture Content Commentary
From
(m)
To
(m)
0.0
1.5
Dry
1.5
12.0
Moist
12.0
The Base of the TSF
Wet
The Base of the TSF
Soil
Moist
Source: The RVN Group, 2022
Table 7.15:
 
7L6: Moisture Content
Average Depth
Moisture Content Commentary
From
(m)
To
(m)
0.0
4.5
Dry
4.5
15.0
Moist
15.0
The Base of the TSF
Wet
The Base of the TSF
Soil
Moist
Source: The RVN Group, 2022
Table 7.16:
 
7L7: Moisture Content
Average Depth
Moisture Content Commentary
From
(m)
To
(m)
0.0
6.0
Dry
6.0
10.5
Moist
10.5
The Base of the TSF
Wet
The Base of the TSF
Soil
Moist
Source: The RVN Group, 2022
7.18.6
 
Grootvlei Complex
The
 
QP
 
classified
 
the
 
Grootvlei
 
TSFs
 
as
 
wet
 
(Table
 
7.17,
 
Table
 
7.18
 
and
 
Table
 
7.19).
 
The
 
TSFs
 
are
 
wet
because they are situated closer to the Blesbokspruit wetland area. The
 
6L17 and 6L17A TSFs are east of
the Blesbokspruit,
 
while the 6L16 TSF is located to the west.
Table 7.17:
 
6L16 Moisture Content
Average Depth
Moisture Content Commentary
From
(m)
To
(m)
0.0
7.5
Moist
 
7.5
24.5
Wet
24.5
The Base of the TSF
 
Watery
The Base of the TSF
Soil
Moist
Source: The RVN Group, 2022
exhibit962p1i0
 
 
 
 
 
 
 
 
 
 
 
 
 
 
 
 
 
 
 
 
 
 
 
 
 
 
 
 
 
 
 
 
 
 
 
 
 
 
 
 
 
 
 
 
 
 
 
 
 
 
 
 
 
 
 
 
 
 
 
 
 
 
 
 
 
 
 
 
 
 
 
 
 
 
 
 
 
 
 
 
 
 
 
 
 
 
 
Technical Report Summary of the material Tailings Storage
 
Facilities
62
Table 7.18:
 
6L17 Moisture Content
Average Depth
Moisture Content Commentary
From
(m)
To
(m)
0.0
4.5
Dry
4.5
18.0
Moist
18.0
The Base of the TSF
Wet
The Base of the TSF
Soil
Moist
Source: The RVN Group, 2022
Table 7.19:
 
6L17A Moisture Content
Average Depth
Moisture Content Commentary
From
(m)
To
(m)
0.0
13.5
Dry
13.5
The Base of the TSF
Wet
The Base of the TSF
Soil
Moist
Source: The RVN Group, 2022
7.18.7
 
5A10/5L27
The QP classified
 
the 5A10/5L27 sand dumps
 
as moist to
 
dry sand dumps. This
 
is because courser
 
grained
sand does not trap water like the finer grained tailings
 
slime (Table 7.20).
Table 7.20:
 
5A10/5L27 Moisture Content
Average Depth
Moisture Content Commentary
From
(m)
To
(m)
0.0
The Base of the TSF
Moist
The Base of the TSF
Soil
Moist
Source: The RVN Group, 2022
7.18.8
 
Daggafontein TSF
Daggafontein TSF
 
has water
 
on the
 
surface.
 
The QP
 
classified
 
it as
 
wet. It
 
was estimated
 
that at
 
least
one million cubic meters of water are on top of Daggafontein
 
TSF (Table 7.21).
Table 7.21:
 
Daggafontein Moisture Content
Average Depth
Moisture Content Commentary
From
(m)
To
(m)
0.0
12.0
Dry
12.0
16.0
Moist
16.0
19.5
Wet
19.5
30.0
Watery
30.0
The Base of the TSF
 
Wet
The Base of the TSF
Soil
Moist
Source: The RVN Group, 2022
exhibit962p1i0
Technical Report Summary of the material Tailings Storage
 
Facilities
63
7.19
 
Geotechnical Data, Testing and Analysis
No geotechnical testing and sampling were completed
 
on the TSFs and sand dumps.
However,
 
stability
 
assessment
 
studies
 
were
 
completed
 
on
 
the
 
TSFs
 
with
 
a
 
greater
 
than
 
60Mt
 
Mineral
Resource. In 2019, stability assessments were conducted on
 
Daggafontein TSF and Crown Complex TSFs
by Lutails Engineering (Proprietary) Limited. No studies
 
were completed on other the TSFs
 
or sand dumps
as they are small, dormant)
 
and pose a low geotechnical stability risk.
The following were observed on the Daggafontein
 
TSF:
there was no seepage anywhere around the toe of the
 
TSF;
some of the catchment paddocks,
 
where they still exist, are quite silted and should be cleaned
or re-shaped during a rehabilitation process;
 
the filter drains were mostly open but in need of jet-rodding
 
to remove sedimentation;
 
and
 
there was water visible on the top surface.
On the Crown Complex TSFs, the following conclusions
 
were made:
there
 
are
 
adequate
 
controls
 
on
 
the
 
TSFs
 
to
 
prevent
 
stormwater
 
damage,
 
with
 
no
 
significant
spillages having occurred over the past few years;
the potential
 
for wind-blown
 
dust has been
 
ameliorated through
 
ridge ploughing
 
of the basins
and due to the presence of well-established vegetation;
vegetation has been established on most side slopes thereby reducing water and wind erosion.
There have been
 
no reports
 
of significant
 
spillages from the
 
Crown Complex
 
over the past
 
few
years;
most of
 
the filter
 
drain
 
outlets
 
are no
 
longer
 
operational,
 
and recorded
 
drain
 
flow is
 
therefore
only a fraction
 
of what it
 
was. Despite the
 
outlet pipe losses,
 
the is very
 
little evidence of
 
seepage
from the toe of the TSF; and
most of the
 
standpipe piezometers
 
are no
 
longer operational.
 
Those remaining
 
show a drop
 
in
piezometric levels,
 
albeit it less than reasonably expected.
Hydrogeological
 
advice
 
is
 
obtained
 
prior
 
to
 
mining
 
activities
 
as
 
the
 
combination
 
of
 
high
 
moisture
content and fine particles could, during mining activities, result in liquefaction and mud
 
rush conditions.
A risk
 
assessment is undertaken
 
when commencing mining
 
of a
 
TSFs or
 
sand dump to
 
avoid slope failures.
Ergo and their mining contractors have procedures to ensure safe mining and loading of TSFs and sand
dumps which can be as high as 70m.
Ergo had not reported any
 
significant slope failures associated
 
with the retreatment operations
 
of their
TSFs or sand dumps in the past 15 years.
The QP
 
is satisfied
 
that the
 
stability studies
 
of the
 
TSFs are
 
sufficient and
 
meet the
 
requirements for
 
the
intended purpose.
exhibit962p1i0 exhibit962p80i2 exhibit962p80i1
 
 
 
 
Technical Report Summary of the material Tailings Storage
 
Facilities
64
8
 
Sample Preparation, Analyses and Security
8.1
 
Sampling Governance and Quality Assurance
The RVN
 
Group
 
used its
 
standard
 
procedures
 
for
 
data
 
collection,
 
analysis,
 
validation
 
and
 
storage.
 
In
addition, regular
 
planned task
 
observations of
 
procedures and
 
their implementations
 
are undertaken
to
 
ensure
 
compliance
 
and
 
appropriateness
 
for
 
the
 
drilling
 
program.
 
Training
 
and
 
planned
 
task
observations are provided by the QP.
The sample chain of custody is managed by experienced
 
geologists from The RVN Group.
The QP is satisfied with the QA and QC protocols in
 
place.
8.2
 
Sample Preparation and Analysis
8.2.1
 
On-site Sample Preparation
All samples were
 
halved on-site by a
 
geologist through the cone
 
and quartering method as
 
the samples
were too
 
moist or
 
wet to
 
use a
 
riffle splitter,
 
which has
 
the potential
 
to introduce
 
cross-contamination
and bias. The cone and
 
quartering method does
 
not introduce a systematic
 
bias as it involves pouring
each sample on a clean, flattened bag (1.0m-by-0.5m).
The quartering method is considered appropriate for the TSF material as TSF samples are homogeneous
due
 
to
 
the
 
deposition
 
procedure.
 
Figure
 
8.1
 
shows
 
the
 
cone
 
and
 
quartering
 
methodology
 
followed.
One half is for the metallurgical test and the other half
 
is for a routine exploration sample.
Figure 8.1:
 
Cone and Quartering Method
Source: Modified after Alakangas, 2015
exhibit962p1i0
Technical Report Summary of the material Tailings Storage
 
Facilities
65
Sorting of samples took place on the TSFs and at the
 
storage site at Ergo.
Where
 
a
 
field
 
duplicate
 
was
 
required,
 
a
 
selected
 
routine
 
exploration
 
sample
 
underwent
 
a
 
further
quartering process.
To maintain
 
validity and
 
integrity of
 
samples and
 
as part
 
of security
 
measures,
 
only geologists
 
worked
on the samples,
 
and samples were sealed immediately after preparation.
8.2.2
 
Laboratories, Sample Preparation and Analyses
The samples
 
were sent
 
to the
 
following three
 
reputable laboratories for
 
further preparation and
 
assaying:
MAED at
 
Ergo’s Plant
 
in
 
Brakpan:
 
The facility
 
is not
 
accredited
 
but it
 
is the
 
laboratory
 
used by
Ergo
 
for
 
its
 
grade
 
control
 
and
 
daily
 
plant
 
samples.
 
MAED
 
is
 
not
 
owned
 
by
 
Ergo,
 
although
 
it
 
is
situated in the Ergo Plant and was supplied with all routine
 
exploration samples for analysis;
SGS
 
in
 
Randfontein:
 
SGS
 
is
 
a
 
SANAS
 
accredited
 
facility
 
(T0265)
 
and
 
has
 
been
 
used
 
for
 
the
selected analytical method. Randomly selected check samples
 
(approximately 10% of the total
samples)
 
from MAED were sent to SGS for confirmation. SGS is independent
 
of Ergo;
 
and
AngloGold
 
Ashanti
 
Limited
 
Chemical
 
Laboratory
 
(Anglo
 
Lab)
 
in
 
Carletonville:
 
Anglo
 
Lab
analyzed some check samples
 
for 7L15 TSF
 
in 2016 and 2017
 
as a secondary laboratory
 
to MAED.
The
 
laboratory
 
no
 
longer
 
exists
 
and
 
it
 
was
 
not
 
SANAS
 
accredited.
 
The
 
laboratory
 
was
independent of Ergo.
exhibit962p1i0
 
 
 
 
 
 
 
 
 
 
 
 
 
 
 
 
 
 
 
 
 
 
 
 
 
 
 
 
 
 
 
 
 
 
 
 
 
 
 
 
 
 
 
 
 
 
 
 
 
 
 
 
 
 
 
 
 
 
 
 
 
 
 
 
 
 
 
 
 
 
 
 
 
Technical Report Summary of the material Tailings Storage
 
Facilities
66
Table 8.1 presents information about where the samples
 
were analyzed.
Table 8.1:
 
Laboratories Used
TSF/Sand Dump
Primary Laboratory
Secondary Laboratory
Crown Complex
3L5
MAED
3L7
MAED
3L8
MAED
City Deep Complex
4L3
MAED
SGS
4L5
MAED
4L6
MAED
Knights Complex
4L14
MAED
SGS
4L50
MAED
SGS
Ergo Complex
Rooikraal
MAED
SGS
7L15
MAED
SGS and Anglo Lab
Marievale Complex
7L4
MAED
7L5
MAED
7L6
MAED
7L7
MAED
Grootvlei Complex
6L16
MAED
SGS
6L17
MAED
SGS
6L17A
MAED
SGS
5A10/5L27 Sand Dump
5A10/5L27
MAED
Daggafontein Complex
Daggafontein
MAED
SGS
Source: The RVN Group, 2022
The laboratories sorted and weighed samples
 
on receipts, conducted dry screening to remove
 
foreign
material.
 
Subsequently,
 
the samples
 
were dried
 
at 105
˚
C, then
 
crushed to
 
80% passing
 
2mm, riffle
 
split
and finally pulverized to 75µm before being analyzed.
The selected laboratories follow analytical procedures
 
that are conventional industry practice.
The samples were
 
analyzed for gold
 
by fire
 
assay with gravimetric
 
finish by MAED
 
and Atomic Absorption
Spectroscopy (AAS) finish
 
by SGS and
 
Anglo Lab. These
 
methods are conventional and
 
have been used
for more than 50 years
 
with minor adjustments.
 
The methods have a
 
lower detection limit
 
of 0.01g/t Au
and there is no upper detection limit for gravimetric finish.
 
The AAS has a 10g/t Au upper limit. The lower
limit is relevant to the TSFs and sand dumps.
 
The TSFs and sand dumps are processed materials
 
and are
generally low-grade materials
 
with slightly higher grades than ten times the detection limit.
The
 
laboratories
 
were
 
instructed
 
to
 
use
 
a
 
100g
 
aliquot
 
to
 
analyze
 
for
 
gold.
 
Through
 
experience,
 
it
 
is
known that
 
to analyze
 
for gold
 
in low-grade
 
slimes, anything
 
less than
 
a 100g
 
aliquot may
 
report less
accurate results.
exhibit962p1i0
Technical Report Summary of the material Tailings Storage
 
Facilities
67
8.2.3
 
QP Opinion
The
 
QP
 
is
 
satisfied
 
with
 
the
 
sample
 
preparation,
 
analytical
 
methods
 
and
 
level
 
of
 
cleanliness
 
at
 
the
analytical laboratories.
 
The analytical
 
techniques employed
 
are suited
 
to the
 
mineralization style
 
and
expected grades. The techniques meet the requirements for
 
the intended use.
8.3
 
Analytical Quality Control
8.3.1
 
Nature and Extent of the Quality Control Procedures
A comprehensive
 
QC program
 
comprising
 
reference material,
 
duplicates and
 
commercially
 
sourced
certified
 
blanks
 
were
 
inserted
 
by
 
The
 
RVN
 
Group
 
in
 
a
 
random
 
but
 
stratified
 
manner,
 
at
 
frequencies
targeting
±
10% coverage
 
of all samples.
 
The QC
 
program identifies
 
various aspects
 
of the results
 
that
could negatively influence the subsequent
 
evaluation processes. The QC
 
samples were used to
 
monitor
the sampling, sample preparation and analytical processes. Analysis of QC data
 
is performed to assess
the
 
reliability
 
of
 
all
 
sample
 
assay
 
data
 
and
 
the
 
confidence
 
in
 
the
 
data
 
used
 
for
 
Mineral
 
Resource
estimation.
All QC sample insertions maintained consecutive numerical
 
order. These control samples were inserted
as part
 
of a
 
continuous
 
sample
 
number
 
sequence
 
and
 
the
 
QC samples
 
were not
 
obviously
 
different
from routine samples when
 
the milled material was
 
prepared and analyzed.
 
Applying the QC process,
it
 
was
 
possible
 
to
 
identify
 
samples
 
that
 
have
 
been
 
swapped,
 
gone
 
missing
 
or
 
incorrectly
 
labelled
amongst other aspects.
QC
 
samples
 
were
 
sourced
 
from
 
African
 
Mineral
 
Standards
 
(AMIS)
 
based
 
in
 
Modderfontein,
Johannesburg.
The
 
RVN
 
Group
 
ensured
 
that
 
all
 
standards
 
and
 
blanks
 
were
 
stored
 
in
 
sealed
 
containers
 
and
considerable care
 
was taken to
 
ensure that they
 
were not contaminated
 
in any manner
 
(i.e., through
storage in a dusty environment or being placed in
 
a contaminated sample bag, etc.).
Field duplicates were prepared on-site as the TSF
 
material was already loose and fine-grained.
The QC set of samples consisted of:
the certified silica blanks (AMIS0484) from AMIS;
certified
 
reference
 
materials
 
(CRMs)
 
(AMIS0647
 
with
 
0.17g/t
 
Au,
 
AMIS0299
 
with
 
0.36g/t
 
Au,
AMIS0515 with 0.51g/t Au) from AMIS;
standard
 
reference
 
material
 
L-AU015
 
and
 
L-AU16
 
with
 
an
 
average
 
value
 
of
 
0.20g/t
 
Au
 
and
0.30g/t Au, respectively
 
.
 
Standard reference
 
materials
 
with the averages
 
of 0.22g/t Au,
 
0.33g/t
Au and 0.74g/t Au were also used; and
field duplicates (prepared through the cone and quartering
 
technique discussed in Item 8.2.1).
From 2021, only CRM
 
were used and the
 
use of inhouse standard
 
reference material was discontinued
as inhouse
 
standards
 
performance
 
was not
 
always
 
consistent.
 
The
 
QP noted
 
that
 
this
 
does not
 
imply
that the previous results
 
were of low quality
 
as rigorous quality
 
control assessments were
 
implemented.
exhibit962p1i0
Technical Report Summary of the material Tailings Storage
 
Facilities
68
The new
 
procedure
 
of
 
using
 
only
 
CRM
 
with
 
a matched
 
matrix
 
was
 
implemented
 
because
 
the
 
CRMs
come with defined certified values and are easier to monitor.
8.3.2
 
Quality Control Results
Analytical results for the
 
blank and standards are analyzed graphically on
 
control charts to facilitate
 
the
identification of
 
anomalous data
 
points. A
 
sufficient number
 
of standards
 
and blanks
 
are inserted into
the sample stream. If the standard result is reported outside three standard deviations
 
of the certificate
value
 
a re-assay would be requested for the whole batch from
 
the laboratory.
8.3.3
 
QP Opinion
In the QP’s opinion, the QC samples covered
 
a reasonable range of grades with respect
 
to the overall
resource grades
 
and no
 
significant bias
 
was observed.
 
The laboratories’
 
analytical data
 
shows overall
acceptable
 
precision
 
and
 
accuracy
 
and
 
no
 
evidence
 
of
 
overwhelming
 
contamination
 
by
 
the
laboratory
 
that
 
would
 
affect
 
the
 
integrity
 
of
 
the
 
data.
 
As
 
a
 
result,
 
the
 
analytical
 
data
 
from
 
the
laboratories is of acceptable integrity and
 
can be relied upon
 
for TSF and sand dump
 
grade estimation.
8.4
 
Sample Storage and Security
Samples were
 
stored at
 
the Archive
 
Store at
 
Ergo’s processing
 
plant in
 
Brakpan. The
 
storage facility
 
is
always locked and
 
has an electric
 
fence to prevent
 
unauthorized entry. Sample
 
rejects and pulps
 
are
stored for six months after all assays are received from the laboratory
 
and then discarded.
8.5
 
Data Storage and Database Management
Procedures are in place to ensure the accuracy and security
 
of the databases.
Laboratories reported results in
 
Microsoft Excel and .pdf
 
formats.
 
The RVN Group
 
copied and pasted the
results into the database. Spot checks were
 
randomly performed to identify copying and pasting errors.
The RVN Group created and validated the database on behalf
 
of Ergo. The database was developed
and validated in Microsoft Excel. The database was sent to
 
Ergo for further use and storage.
The RVN Group compiled the following key digital
 
databases:
a drill hole database that includes collar location, assay
 
and geology data;
assay quality control data;
density data; and
process samples information.
The QP is satisfied with
 
data storage and validation
 
.
 
Database management practices
 
adhere to best
practice. The QP is of the opinion that the databases are a fair and accurate
 
record of all drill hole and
assay data.
exhibit962p1i0
Technical Report Summary of the material Tailings Storage
 
Facilities
69
The RVN
 
Group has
 
saved the
 
information, including
 
the databases,
 
in the
 
cloud as
 
a backup,
 
in line
with the latest technological developments. Additionally,
 
data is stored on external hard drives placed
in
 
different
 
locations.
 
The
 
RVN
 
Group
 
has
 
provided
 
sufficient
 
provisions
 
to
 
ensure
 
the
 
security
 
and
integrity of the data stored in the databases.
exhibit962p1i0
Technical Report Summary of the material Tailings Storage
 
Facilities
70
9
 
Data Verification
Post-2016:
The QP performed
 
verifications of the
 
data collected.
 
The QP experienced
 
no limitations
 
to
the review, analysis and verification of data.
The QP
 
did compare
 
a selection
 
of the
 
hardcopy logs
 
with the
 
drill holes
 
database and
 
the logs
 
and
database match. The
 
collars were checked by
 
comparing the collars with
 
the topography surface from
the surveyor. Collars were also plotted on Google Earth Pro for confirmation. The collars were
 
accurate.
Logging, surveying
 
and sampling
 
were monitored
 
by the
 
exploration geologists
 
and verified
 
routinely
for
 
consistency.
 
The
 
RVN
 
Group
 
geologists
 
regularly
 
maintain
 
and
 
validate
 
the
 
databases
 
using
validation
 
routines
 
and
 
regularly
 
check
 
the
 
drill
 
hole
 
data
 
visually
 
on-screen.
 
A
 
first
 
check
 
consists
 
of
identifying duplicate sample numbers or lack of
 
sample information. Paper records are stored in
 
a safe
location at Ergo’s Offices.
The QP
 
is of
 
the opinion
 
that the
 
data collection,
 
import and
 
validation workflows
 
are consistent
 
with
industry standards and are of sufficient quality to support
 
the Mineral Resource estimation.
The QP has
 
taken a number of
 
steps to verify
 
the Mineral Resource estimates,
 
including assumptions and
inputs
 
into
 
the
 
estimate
 
and
 
the
 
estimation
 
process
 
itself.
 
The
 
QP
 
checked
 
the
 
volume,
 
density
 
and
grade
 
with
 
the
 
Mineral
 
Resource
 
QP
 
along
 
with
 
the
 
mine
 
planning
 
specialist,
 
noting
 
that
 
based
 
on
historical information, no dilution or mining loss is applied
 
to the Mineral Resource.
The
 
QP
 
conducts
 
quarterly
 
reconciliations
 
of
 
Run-of-Mine
 
(RoM)
 
grade,
 
tonnage,
 
recovery
(metallurgical
 
assumptions)
 
and
 
other
 
modifying
 
factors
 
from
 
the
 
ongoing
 
mining
 
operations
 
to
demonstrate that
 
the modifying
 
factors applied
 
to the
 
mine plan
 
are as
 
predicted by
 
the geological
block model.
Actual
 
performance
 
for
 
operational
 
mining
 
areas
 
provides
 
a
 
high
 
level
 
of
 
confidence
 
where
 
similar
performance
 
can
 
be
 
expected
 
from
 
future
 
mining
 
areas.
 
The
 
current
 
Mineral
 
Reserves
 
have
 
not
demonstrated any
 
material differences
 
in the
 
planned and
 
actual modifying
 
factors. The
 
QP is
 
of the
opinion that the data used to estimate the Mineral
 
Reserve is adequate.
Historical:
Sampling and assaying of the TSFs and sand dumps
 
prior to 2016 is essentially the same as
 
the
current work. The only real change noted by the
 
QP is that the sieve size was
 
reduced to 850µm in 2016,
where it
 
was 1,000µm
 
previously.
 
Currently,
 
there is
 
no apparent
 
difference between
 
the results
 
using
these different sieve sizes.
The analytical
 
method is fire
 
assay, a well-established
 
technique used in
 
the South African
 
gold mines.
The methods differed slightly over time and between laboratories, but the results are consistent within a
TSF. Aliquot sizes have been either 100g or 125g, depending
 
on the laboratory used.
Quality control systems are in place in laboratories
 
to monitor accuracy and precision.
exhibit962p1i0
Technical Report Summary of the material Tailings Storage
 
Facilities
71
10
 
Mineral Processing and Metallurgical Testing
10.1
 
Nature and Extent of the Metallurgical Testing Method
Samples were
 
received from
 
the
 
various drilling
 
exercises in
 
1.5m increments
 
for each
 
hole.
 
Typically,
composites were made
 
over a 15m
 
horizon as
 
this corresponds
 
with the monitoring/mining
 
depth. The
TSFs and sand dumps were generally divided into a top, middle and bottom horizon, depending on the
height of the TSF or
 
sand dump. In the plans, the TSFs
 
were also divided into areas giving distinct domain
samples for metallurgical test work.
10.2
 
Procedure
10.2.1
 
Slime Material
The individual
 
samples were split
 
in two using
 
a blending
 
mat, and cone
 
and quartering methods.
 
The
one half
 
was returned
 
to the
 
sample bag
 
for possible
 
future use
 
and for
 
reference. The
 
other half
 
was
composited as per the areas/horizons or
 
domain alluded to earlier. The composite
 
was well mixed and
sub-samples
 
taken
 
for
 
test
 
work
 
at
 
Ergo
 
Metallurgical
 
Research
 
or
 
at
 
the
 
Maelgwyn
 
South
 
Africa
(Proprietary) Limited’s laboratory.
The proposed
 
processing
 
route for
 
all TSF
 
and sand
 
dump material
 
is hydraulic
 
mining, cyaniding
 
in a
Carbon-in-Leach (CIL) circuit, with
 
the tailings deposited onto
 
another TSF, and then
 
carbon eluted for
gold recovery before being recycled back to the
 
leach.
A standard bottle roll test was done on each composite
 
using the following leaching parameters:
samples slurried to a density of 1.45;
screened to remove +850µm discard material;
head sample was taken for triplicate fire assay;
pre-conditioning with lime for one hour to stable pH of 10.5;
cyanide added at 0.35kg/t;
activated carbon added at 20g/l;
leach terminated after seven hours;
solids filtered and washed twice and solutions tested for residual
 
reagents and gold content;
residue assays done in triplicate.
10.2.2
 
Sand Material
Metallurgical test work
 
was conducted on
 
5A10/5L27 sand dump
 
drilling samples. The
 
objective of the
test
 
work
 
was
 
to
 
validate
 
the
 
gold
 
grades
 
received
 
from
 
the
 
Mineral
 
Resource
 
Management
 
(MRM)
Department,
 
assess
 
the
 
milling
 
requirements
 
and
 
evaluate
 
the
 
leach
 
kinetics/characteristics
 
of
 
the
material. The dump was partitioned into four sections. The average gold grade received from the MRM
Department for
 
Section 1
 
was 0.62g/t,
 
Section 2
 
was 0.30g/t,
 
Section 3
 
was 0.51g/t
 
and Section
 
4 was
exhibit962p1i0
Technical Report Summary of the material Tailings Storage
 
Facilities
72
0.41g/t.
 
The
 
average
 
gold
 
grade
 
obtained
 
from
 
metallurgical
 
research
 
test
 
work
 
for
 
Section
 
1
 
was
0.62g/t, Section 2 was 0.30g/t, Section 3 was 0.51g/t
 
and Section 4 was 0.39g/t.
The samples
 
were milled
 
over varying
 
durations and
 
milling curves
 
plotted to
 
determine the
 
optimum
milling time. The milling curves
 
indicate that the optimum
 
milling duration achieving
 
at least 60% -75µm
is 2.5 hours
 
for Section
 
1 and
 
2 hours
 
for Sections
 
2, 3 and
 
4. Leach
 
tests were
 
then conducted
 
on the
milled product and the results confirm that gold yield increases
 
with increased milling time.
The respective 5A10 material responds well to cyanide leach as desired dissolution of 60% was attained
for all Sections at the above milling durations. Preg-robbing tests were also
 
conducted on material from
Sections 1 and 3 and the results indicate that there
 
is no significant preg-robbing.
10.3
 
Representative of the Samples
Drill holes were drilled on a defined grid down to the soil. The samples
 
received were correctly split and
composited,
 
and are considered to be representative of the various volumes
 
within the TSFs.
10.4
 
Details of the Laboratories
The
 
Ergo
 
Metallurgical
 
Research
 
Laboratory,
 
located
 
in
 
Brakpan
 
inside
 
the
 
Ergo
 
processing
 
plant,
 
is
geared
 
to
 
perform
 
bottle
 
roll
 
testing
 
on
 
a
 
routine
 
basis
 
with
 
skilled
 
technicians.
 
Internal
 
accounting
checks are undertaken to ensure the accuracy of the work done. The laboratory is not accredited and
is the internal test facility for Ergo. The laboratory is
 
not independent of Ergo.
The
 
Maelgwyn
 
South
 
Africa
 
(Proprietary)
 
Limited
 
(Maelgwyn)
 
laboratory,
 
situated
 
in
 
Roodepoort,
 
is
accredited for International
 
Organization for Standardization
 
(ISO 9001:2025)
 
to perform gold leaching
test work
 
with their
 
assays analysis
 
conducted by
 
the SGS laboratory
 
,
 
in Randfontein.
 
SGS is
 
an SANAS
accredited facility (T0265) for gold analysis.
Both the Maelgwyn and SGS laboratories are independent
 
of Ergo.
10.5
 
Results
The main assumption was that the laboratory procedure emulates
 
the processing plant and historically
this has
 
been shown
 
to be
 
a fair
 
assumption. To
 
accommodate the
 
dissolved loss
 
encountered in
 
the
processing plant,
 
an allowance of 0.008g/t
 
Au is made to
 
calculate the predicted recovery in
 
the plant.
exhibit962p1i0
 
 
 
 
 
 
 
 
 
 
 
 
 
 
 
 
 
 
 
 
 
 
 
 
 
 
 
 
 
 
 
 
 
 
 
 
 
 
 
 
 
 
 
 
 
 
 
 
 
 
 
 
 
 
 
 
 
 
 
 
 
 
 
 
 
 
 
 
 
 
 
 
 
 
 
 
 
 
 
 
 
 
 
 
 
 
 
 
 
 
 
 
 
 
 
 
 
 
 
 
 
 
 
 
 
 
 
 
 
 
 
 
 
 
 
 
 
 
 
Technical Report Summary of the material Tailings Storage
 
Facilities
73
Table 10.1 presents the results of metallurgical test
 
work.
Table 10.1:
 
Summary of Predicted Ergo Processing Plant Performance
TSF/Sand Dump
Head Au
(g/t)
Washed
Residue Au
(g/t)
Dissolution
Loss Au
(g/t)
Recovery
(%)
Analysis Laboratory
Crown Complex
3L8 (GMTS)
0.25
0.14
0.008
41
Ergo
3L7 (Mooifontein)
0.23
0.13
0.008
40
Ergo
3L5 (Diepkloof )
0.23
0.14
0.008
36
Ergo
City Deep Complex
4L3
0.32
0.12
0.008
60
Ergo
4L4
0.37
0.21
0.008
41
Ergo
4L6
0.31
0.12
0.008
58
Ergo
Knights Complex
4L14
0.28
0.15
0.008
44
Maelgwyn/Ergo
Ergo Complex
4L50
0.26
0.16
0.008
35
Maelgwyn/Ergo
Rooikraal
0.25
0.17
0.008
31
Ergo
7L15
0.28
0.14
0.008
47
Maelgwyn/Ergo
Marievale Complex
7L4
0.29
0.13
0.008
52
Ergo
7L5
0.30
0.19
0.008
34
Ergo
7L6
0.24
0.16
0.008
30
Ergo
7L7
0.34
0.2
0.008
39
Ergo
Grootvlei Complex
6L16
0.25
0.17
0.008
33
Maelgwyn/Ergo
6L17
0.26
0.13
0.008
47
Maelgwyn/Ergo
6L17A
0.26
0.15
0.008
39
Maelgwyn/Ergo
5A10/5L27 Sand Dumps
5A10/5L27
0.49
0.21
0.008
60
Ergo
Daggafontein TSF
Daggafontein
0.25
0.16
0.008
35
Ergo
Source: DRDGOLD, 2022
10.6
 
Interpretation of the Results
Table
 
10.1
 
summarizes
 
the
 
metallurgical
 
test
 
work
 
that
 
has
 
been
 
done
 
on
 
the
 
various
 
TSFs
 
and
 
sand
dumps. In
 
the table
 
under the
 
‘comments’
 
column,
 
an indication
 
as to
 
which laboratories
 
carried out
the test work
 
is given. The
 
head grade and
 
washed residue
 
are the results
 
achieved in
 
the laboratory.
In order
 
to predict
 
how the
 
material would
 
respond to
 
treatment in
 
the Ergo
 
processing plant,
 
a dissolved
gold loss
 
of 0.008g/t
 
Au has
 
been applied.
 
In general,
 
the head
 
grades vary
 
between 0.25g/t
 
Au and
0.32g/t Au. The response to cyanidation is varied
 
which could be due to numerous factors.
exhibit962p1i0
Technical Report Summary of the material Tailings Storage
 
Facilities
74
10.7
 
QP Opinion
In the opinion of
 
the QP, data derived
 
from metallurgical test work is
 
adequate for designing processing
facilities and techniques,
 
and provides suitable
 
grade and recovery predictions
 
for use in
 
the LoM plans.
Confidence is further increased by processing plant performance demonstrated through reconciliation
for over ten years.
The metallurgical process is well tested and utilized by numerous tailings
 
retreatment operators in South
Africa and elsewhere. There were no processing factors
 
or deleterious elements that could significantly
affect potential economic extraction.
exhibit962p1i0
Technical Report Summary of the material Tailings Storage
 
Facilities
75
11
 
Mineral Resource Estimates
The gold grade estimation was completed using two
 
modelling techniques: Inverse Distance Weighting
(IDW)
 
to
 
the
 
power
 
of
 
2
 
and
 
validation
 
using
 
the
 
Nearest
 
Neighbor
 
(NN)
 
technique.
 
The
 
techniques
reported a similar average global gold grade with no significant conditional bias.
 
The Mineral Resource
estimation
 
was
 
declared
 
using
 
the
 
IDW
 
to
 
the
 
power
 
of 2.
 
The estimation
 
approach
 
was
 
considered
appropriate
 
based
 
on the
 
review
 
of
 
several
 
factors,
 
including
 
the
 
quantity
 
and
 
spacing
 
of available
data, the interpreted
 
control on miner
 
alization,
 
the style and
 
geometry of the
 
mineralization as well
 
as
geological logging
 
and additional
 
information recorded
 
from the drill
 
holes. TSFs
 
and sand
 
dumps are
man-made engineering features which was considered
 
in the estimation process. Ordinary Kriging was
considered
 
unnecessary
 
for
 
TSF
 
and
 
sand
 
dump
 
evaluation
 
as
 
the
 
main
 
aim
 
was
 
to
 
obtain
 
global
averages rather than local variations considering
 
the envisaged or applied mining method.
Mineral Resources were
 
estimated for all
 
the TSFs, and
 
the estimation procedures
 
are similar in
 
approach
for all the
 
TSFs and sand
 
dumps. However,
 
each TSF and
 
sand dump is
 
treated as a
 
separate entity
 
as
each has differences due to data distribution and characteristic of the material. Estimation procedures
and parameters are given individually per TSF or sand
 
dump.
All tailings material
 
is above the
 
current land surface
 
and continuity of
 
grade within
 
the TSFs is
 
defined
based on +/-100m
 
drill hole spacing.
 
The tailings material
 
has been processed
 
through a metallurgical
treatment plant
 
that ejects
 
a waste
 
residue that
 
is relatively
 
uniform when
 
compared with
 
the natural
deposit from which the material
 
is derived. The variation between
 
samples and drill hole is
 
small (0.1g/t
to 1.0g/t) in comparison
 
to in situ gold
 
deposits. However, the
 
percentage difference may
 
be huge as
is the case with trace elements.
Datamine’s
 
Studio
 
RM
 
geological
 
modelling
 
software
 
was
 
used
 
as
 
the
 
modelling
 
tool.
 
Most
 
of
 
the
statistical and geostatistical
 
study was completed
 
using SAS JMP
 
Pro and the
 
RStudio, an open-source
integrated
 
development
 
environment
 
for
 
“R”,
 
a
 
programing
 
language
 
for
 
advanced
 
statistical
computing and graphics.
Mineral Resource
 
estimates are not
 
Mineral Reserves and
 
do not
 
have demonstrated
 
economic viability.
There is no
 
certainty that all or
 
any part of
 
the Mineral Resource will
 
be converted into
 
a Mineral Reserve.
The Mineral Resource estimates for all the TSFs and
 
a sand dump are declared as follows:
the point of reference is
in situ
. The TSFs or sand dumps themselves are the reference
 
points;
no
 
geological
 
or
 
other
 
losses
 
were
 
applied
 
as
 
all
 
material
 
is
 
accessible
 
and
 
there
 
are
 
no
geological structures;
Mineral
 
Resource
 
estimates
 
are
 
stated
 
as
 
both
 
inclusive
 
and
 
exclusive
 
of
 
Mineral
 
Reserves
 
as
defined in Subpart 1300 of Regulation S-K; and
the Mineral Resource is 100% attributable to Ergo. DRDGOLD,
 
the registrant, owns 100% of Ergo.
Item 11.1 to Item
 
11.7 present the methodology followed
 
a similar methodology for all the
 
TSFs and sand
dumps. Item 11.9 to Item 11.16 provides detail for
 
each complex,
 
TSF or sand dump.
exhibit962p1i0
Technical Report Summary of the material Tailings Storage
 
Facilities
76
The 79 smaller TSFs and clean-up material contribute about 11% of the total Mineral Resource estimates
by
 
tonnage.
 
The
 
Mineral
 
Resource
 
estimates
 
in
 
these
 
smaller
 
dumps
 
pose
 
a
 
less
 
than
 
material
 
risk
 
to
Ergo. Their Mineral Resource
 
was estimated from survey information
 
,
 
production and/or historical
 
data,
applying straight arithmetic average
 
s
 
as the TSFs or clean-up
 
sites are too small to be
 
evaluated by 3D
modelling. The QP considered the inclusion
 
of the TSFs and
 
clean-up operations as appropriate and has
conducted verification
 
checks to
 
support their
 
inclusion.
 
The Mineral
 
Resource estimates
 
of these
 
TSFs
and clean-up operations are not discussed
 
individually,
 
but they are part of the total
 
Mineral Resource
for Ergo.
11.1
 
Volume Modelling
For all significant TSFs, three-dimensional (3D) modelling
 
was completed using drill hole information and
survey data. Volumes were
 
estimated using a top
 
surface defined by a
 
ground survey and
 
associated
digital terrain model. The bases
 
of the TSFs were
 
defined by the drill hole
 
data and the edges of
 
the TSFs.
All
 
drill
 
holes
 
were drilled
 
to intersect
 
soil at
 
the
 
base of
 
the
 
TSFs. The
 
block
 
models were
 
constructed
inside of this volume. Tonnages and grades were then
 
extracted from the block models.
11.2
 
Bulk Dry Density
An average dry bulk density of 1.42t/m
3
 
described in Item 7.17 was applied to all the
 
TSFs and the sand
dumps. The tons were reported as dry tons.
11.3
 
Exploratory Data Analysis
 
Exploratory data analysis
 
was done on
 
raw and composited
 
gold data. Samples were
 
collected at 1.5m
intervals.
 
For
 
IDW
 
estimation
 
method,
 
the
 
sample
 
lengths
 
were
 
adequate.
 
The
 
samples
 
were
 
further
composited to 6m to allow for NN estimation
 
as the modelled blocks were 6m high
 
to represent bench
height.
 
Samples
 
were
 
composited
 
based
 
on
 
mean
 
sea
 
level
 
to
 
mimic
 
deposition.
 
This
 
allowed
 
for
estimations to be carried out based on the levels.
The requirement for
 
high-grade capping
 
was assessed to
 
ascertain the reliability
 
and spatial clustering
of
 
the
 
high-grade
 
data.
 
The
 
steps
 
completed
 
as
 
part
 
of
 
the
 
high-grade
 
capping
 
assessment
 
are
summarized below:
review of the data to identify any
 
data that deviates from the general
 
data distribution. This was
completed using histograms and log probability plots;
review of plots comparing the
 
contribution to the mean and
 
standard deviation of the highest-
grade data; and
visual review in 3D to allow assessment of the clustering
 
of the higher-grade data.
11.4
 
Estimation Techniques
The estimation was constrained by
 
the mineralization interpretations. The
 
statistical characteristics of the
available
 
sample
 
information
 
and
 
the
 
spatial
 
distribution
 
aided
 
the
 
definition
 
of
 
the
 
estimation
parameters, such as search volume and orientation
 
of the search ellipses.
exhibit962p1i0
Technical Report Summary of the material Tailings Storage
 
Facilities
77
The
 
IDW
 
(to
 
the
 
power
 
of
 
2)
 
and
 
NN
 
method
 
of
 
estimation
 
were
 
chosen
 
as
 
the
 
most
 
appropriate
methods for evaluation
 
of TSFs and
 
sand dumps,
 
as the dataset
 
for each TSF
 
and sand dump
 
is generally
homogeneous (laterally), grade variations are small due to deposition technique and the drill holes are
well
 
spread
 
and
 
spacing
 
is
 
moderately
 
wide.
 
The
 
methods,
 
when
 
applied
 
appropriately,
 
retain
 
the
grade
 
variation
 
of
 
the
 
deposit,
 
as
 
opposed
 
to
 
an
 
arithmetic
 
average,
 
and
 
is
 
simpler
 
and
 
more
appropriate
 
for
 
TSF
 
or
 
sand
 
dump
 
evaluation
 
than
 
other
 
advanced
 
estimation
 
techniques
 
such
 
as
Ordinary Kriging.
 
These estimation
 
techniques have
 
been found
 
to be
 
reliable by
 
Ergo over
 
the last
 
15 years
 
of mining
TSFs and sand dumps.
Hard
 
domain
 
boundaries
 
were
 
used
 
throughout,
 
preventing
 
samples
 
lying
 
outside
 
the
 
domain
 
from
being
 
used
 
for
 
the
 
estimation
 
meaning
 
slime
 
and
 
soil
 
samples
 
were
 
separated
 
during
 
the
 
estimation
process. A
 
three-pass estimation
 
strategy was
 
applied to
 
each zone,
 
applying an
 
expanded and
 
less
restrictive sample search to the second and subsequent estimation passes
 
and only considering blocks
not previously assigned
 
an estimate. However,
 
more than 80%
 
of the estimates were
 
completed in the
first pass.
 
A record
 
was
 
kept
 
of the
 
number
 
of
 
samples
 
used
 
to
 
estimate
 
the
 
grade
 
into a
 
block.
 
The
variance of each block and the search
 
volume that satisfied the criteria used
 
to select samples for use
in the estimation of each block.
11.5
 
Modelling and Estimation Parameters
The parent
 
block size
 
for all
 
the TSFs
 
and sand
 
dumps was
 
largely based
 
on the
 
average drill
 
spacing
and sample compositing interval.
 
The height of the
 
original dump benches is
 
approximately 5m to 6m.
The parent
 
block size
 
is selected
 
to estimate
 
the deposit
 
approximates
 
half the
 
drill hole
 
spacing and
maps the bench height. Sub-blocking was allowed for a good
 
volume definition.
11.6
 
Model Validation
A
 
routine
 
validation
 
process
 
was
 
followed
 
for
 
all
 
the
 
TSFs
 
and
 
sand
 
dumps.
 
All
 
relevant
 
statistical
information was recorded to enable validation and
 
review of the estimates.
The recorded information included:
the number of samples used per block estimate;
average distance to samples per block estimate;
estimation flag to determine in which estimation
 
pass a block was estimated;
 
and
the number of drill holes
 
from which composite data were used
 
to complete the block estimate.
exhibit962p1i0
 
 
 
 
 
 
 
 
 
 
 
 
 
 
 
 
 
Technical Report Summary of the material Tailings Storage
 
Facilities
78
The estimates were reviewed visually and
 
statistically prior to being accepted. The review
 
included the
following activities:
comparison of
 
volume estimates
 
between the
 
block model,
 
the 3D
 
wireframe model
 
and the
surveyor's report;
check
 
for global
 
bias
 
through
 
comparison
 
of the
 
estimate
 
versus
 
the
 
mean
 
of the
 
composite
dataset, including weighting where appropriate to account
 
for data clustering;
histogram comparison of grade block distribution versus composite
 
grade distribution;
visual checks of cross-sections, long-sections and
 
plans;
 
and
where
 
production
 
data
 
was
 
available,
 
reconciliation
 
was
 
carried
 
out
 
as
 
part
 
of
 
the
 
model
validation process.
Alternative estimates were
 
also completed to test
 
the sensitivity of the
 
reported model to
 
the selected
interpolation
 
parameters.
 
An
 
insignificant
 
amount
 
of
 
variation
 
in
 
overall
 
grade
 
was
 
noted
 
in
 
the
alternate
 
estimations.
 
The
 
results
 
were
 
satisfactory
 
for
 
the
 
level
 
of
 
accuracy
 
anticipated
 
for
 
TSF
evaluation.
11.7
 
Technical and Financial Parameters
In determining the cut-off grades of the Mineral Resources, the QP applied the data presented in Table
11.1.
The QP considered
 
the gold price
 
,
 
exchange rate and
 
working cost per
 
ton (long-term
 
prices as at
 
30
June
 
2022),
 
as
 
applied
 
reasonable
 
for
 
use
 
in
 
declaring
 
the
 
Mineral
 
Resources.
 
Justification
 
for
 
the
financial parameters used is detailed in Item 16. Additional technical parameters per TSF or sand dump
are
 
presented
 
in
 
the
 
relevant
 
items.
 
The
 
QP
 
considered
 
both
 
technical
 
and
 
financial
 
parameters
(infrastructure, mine design and planning,
 
processing plant, environmental compliance and permitting)
to justify the reasonable prospects for
 
economic extraction. All complexes except Crown and Grootvlei
Complexes have
 
studies done
 
to a
 
PFS level
 
of accuracy
 
(i.e., +/-
 
25%). For
 
the Crown
 
and Grootvlei
Complexes,
 
initial assessments were completed.
Table 11.1:
 
Financial and Technical Data considered for Mineral Resource
Element
Unit
Value
Mineral Resource Gold Price
USD/oz
1,823
Mineral Resource Gold Price
ZAR/kg
914,294
Exchange Projection
ZAR/USD
15.60
Working Costs per Ton (slimes)
ZAR/t
70.76
Working Costs per Ton (sand)
ZAR/t
204.46
Source: DRDGOLD, 2022
The QP has considered
 
that Ergo does not
 
selectively mine a
 
TSF. The average grade
 
of the TSF is used
to determine whether or
 
not a TSF is mined
 
in its entirety.
 
Where the average grade
 
of the TSF is above
the cut-off grade
 
,
 
all the
 
material in
 
the TSF or
 
sand dump
 
is considered
 
to be
 
mined. The
 
QP applied
no block cut-off.
exhibit962p1i0
 
 
 
 
 
 
 
 
 
 
 
 
 
 
 
 
 
 
 
 
 
 
 
 
 
 
 
 
 
 
 
 
 
 
 
 
 
 
 
 
 
 
 
 
 
 
 
 
 
 
 
 
 
 
 
 
 
 
 
 
 
 
 
 
 
 
 
 
 
 
 
 
 
 
 
 
 
 
 
 
 
 
 
 
 
 
 
 
 
 
 
 
 
 
 
 
 
 
 
 
 
 
 
 
 
 
 
 
 
Technical Report Summary of the material Tailings Storage
 
Facilities
79
A
 
cut-off
 
grade
 
is
 
also
 
determined
 
per
 
TSF
 
or
 
sand
 
dump.
 
A
 
TSF
 
may
 
report
 
an
 
average
 
gold
 
grade
below a
 
cut-off grade,
 
but when
 
included in
 
a complex,
 
the total
 
complex should
 
be above
 
the cut-
off grade. See
 
Table 11.2 for
 
the cut-off information.
 
The QP determined
 
cut-off grades using
 
the formula
presented in Item 12.2.
Table 11.2:
 
Mineral Resource
 
Estimate Cut-off Grades
TSF/Sand Dump
Recovery
Cut-off Grade
(%)
(g/t)
Crown Complex
3L8 (GMTS)
41
0.189
3L7 (Mooifontein)
40
0.193
3L5 (Diepkloof)
36
0.215
Average for the Complex
0.199
City Deep Complex
4L3
60
0.129
4L4
41
0.189
4L6
58
0.133
Average for the Complex
0.150
Knights Complex
4L14
44
0.176
4L50
35
0.221
Average for the Complex
0.199
Ergo Complex
Rooikraal
33
0.235
7L15
47
0.165
Average for the Complex
0.200
Marievale Complex
7L4
52
0.149
7L5
34
0.228
7L6
30
0.258
7L7
39
0.198
Average for the Complex
0.208
Grootvlei Complex
6L16
33
0.235
6L17
47
0.165
6L17A
39
0.198
Average for the Complex
0.199
5A10/5L27 Sand Dump
5A10/5L27
55
0.407
Daggafontein TSF
Daggafontein
35
0.221
Source: The RVN Group, 2022
The following statements apply
 
to all Mineral Resources tables:
Mineral Resources are not Mineral Reserves;
Mineral Resources are reported inclusive and exclusive
 
of Mineral Reserves;
exhibit962p1i0
Technical Report Summary of the material Tailings Storage
 
Facilities
80
Mineral Resources have been reported in accordance
 
with Subpart 1300 of Regulation S-K;
Mineral
 
Resources
 
were
 
estimated
 
using
 
the
 
USD1,823/oz,
 
ZAR15.60/USD
 
and
 
ZAR914,294/kg
financial parameters;
the recovery information is presented in Table 11.2;
the reference point is
in situ
;
a troy ounce = 31.1034768g;
 
and
quantities
 
and
 
grades
 
were
 
rounded
 
to
 
reflect
 
the
 
accuracy
 
of
 
the
 
estimates;
 
any
 
apparent
errors are insignificant.
11.8
 
Uncertainties and Classification Criteria
Definitions
 
for
 
Mineral
 
Resource
 
categories
 
used
 
in
 
this
 
report
 
are
 
those
 
defined
 
by
 
the
 
Security
 
and
Exchange
 
Commission in
 
Subpart 1300
 
of Regulation
 
S-K. Mineral
 
Resource Estimates
 
are
 
classified
 
to
reflect
 
the
 
increased
 
level
 
of
 
geological
 
confidence
 
into
 
Inferred,
 
Indicated
 
and
 
Measured
 
Mineral
Resource categories.
By
 
their
 
nature,
 
all
 
Mineral
 
Resource
 
estimates
 
carry
 
an
 
inherent
 
amount
 
of
 
risk
 
and
 
uncertainty
depending on
 
various factors,
 
including interpretation
 
of data,
 
drilling data
 
quality, uncertainty
 
in the
survey and metallurgical test work data collected and the modelling process.
 
However, Ergo has been
in operation for more than 20 years treating TSFs and sand
 
dumps and has sufficiently mitigated Mineral
Resource
 
risks
 
through
 
obtaining
 
sufficient
 
sampling
 
information.
 
Some
 
uncertainties
 
were
 
resolved
through reconciliations,
 
process improvement and the use of experienced personnel in data collection
and interpretation.
The
 
QP
 
based
 
the
 
Mineral
 
Resource
 
categorization
 
on
 
the
 
robustness
 
of
 
the
 
various
 
data
 
sources
available,
 
the
 
confidence
 
of
 
the
 
geological
 
interpretation
 
and
 
various
 
estimation
 
parameters
 
(e.g.,
distance
 
to
 
data,
 
number
 
of
 
data,
 
maximum
 
search
 
radii
 
etc.)
 
and
 
reconciliation
 
data
 
where
 
it
 
is
available.
 
The QP considers
 
the Mineral
 
Resource classification
 
as a function
 
of the confidence
 
of the
whole
 
process
 
from
 
drilling,
 
sampling,
 
geological
 
understanding
 
and
 
variables
 
relationships.
 
TSFs
 
and
sand dumps are evaluated
 
individually and there
 
are no blanket
 
classification parameters as
 
TSFs and
sand dumps
 
are different
 
.
 
However, drill
 
hole spacing
 
and data
 
quality contribute
 
significantly
 
to the
classification confidence.
Each TSF or sand dump has its classification criteria
 
discussed separately.
The Mineral Resource confidence is assessed via internal peer
 
reviews, with no material issues identified.
Mineral Resources have reasonable prospects for
 
economic extraction and the QP
 
considered a range
of mining, processing, infrastructural, social, environmental
 
and permitting factors.
exhibit962p1i0 exhibit962p97i1
 
 
 
 
Technical Report Summary of the material Tailings Storage
 
Facilities
81
11.9
 
Crown Complex
11.9.1
 
Exploratory Data Analysis
Statistical analysis of data was completed as presented in
 
Figure 11.1 to Figure 11.8. Data was analyzed
as raw, capped and composites. There was
 
no material changed between the data sets. The
 
data sets
show positively skewed distribution.
 
Based on
 
the high-grade
 
cap investigations,
 
high-grade caps
 
were selected
 
and applied
 
to the
 
raw
dataset:
3L7 (Mooifontein): gold grades were capped at 0.60g/t;
3L8 (GMTS): gold grades were capped at 0.60g/t;
 
and
3L5
 
(Diepkloof):
 
two
 
domains
 
(compartments)
 
were
 
modelled
 
and
 
gold
 
grades
 
were
 
also
capped at 0.60g/t.
Capping was only applied to raw data and its impact
 
on the mean was immaterial.
3L5
 
(Diepkloof
 
TSF)
 
was
 
domained
 
into
 
two
 
areas
 
because
 
of
 
physical
 
separation
 
between
 
the
 
two
compartments (Homestead and Diepkloof).
Figure 11.1:
 
3L7 (Mooifontein): Distribution of Raw Gold Capped Data
Source: The RVN Group, 2022
exhibit962p1i0 exhibit962p98i2
 
 
 
 
exhibit962p98i1
 
 
 
 
Technical Report Summary of the material Tailings Storage
 
Facilities
82
Figure 11.2:
 
3L7 (Mooifontein): Distribution of Composited Gold Data
Source: The RVN Group, 2022
Figure 11.3:
 
3L8 (GMTS): Distribution of Raw Gold Capped Data
Source: The RVN Group, 2022
exhibit962p1i0 exhibit962p99i2
 
 
 
 
exhibit962p99i1
 
 
 
 
Technical Report Summary of the material Tailings Storage
 
Facilities
83
Figure 11.4:
 
3L8 (GMTS): Distribution of Composited Gold Data
Source: The RVN Group, 2022
Figure 11.5:
 
3L5 (Diepkloof:
 
Diepkloof):
 
Distribution of Raw Gold Capped Data
Source: The RVN Group, 2022
exhibit962p1i0 exhibit962p100i2
 
 
 
 
exhibit962p100i1
 
 
 
 
Technical Report Summary of the material Tailings Storage
 
Facilities
84
Figure 11.6:
 
3L5 (Diepkloof:
 
Diepkloof):
 
Distribution of Composited Gold Data
Source: The RVN Group, 2022
Figure 11.7:
 
3L5 (Diepkloof:
 
Homestead):
 
Distribution of Raw Gold Capped Data
Source: The RVN Group, 2022
exhibit962p1i0
 
 
 
 
 
 
 
 
 
 
 
 
 
 
 
 
 
 
 
 
 
 
 
 
 
 
 
 
 
 
 
 
 
 
 
 
 
exhibit962p101i1
 
 
 
 
Technical Report Summary of the material Tailings Storage
 
Facilities
85
Figure 11.8:
 
3L5 (Diepkloof:
 
Homestead):
 
Distribution of Composited Gold Data
Source: The RVN Group, 2022
11.9.2
 
Modelling and Estimation Parameters
Half the drill hole spacing
 
was chosen as the block
 
size. Block size of 100m-by-100m-by-6m
 
was chosen
for the TSFs. Sub-celling was allowed for better volume definition.
The sample search parameters are supplied in Table
 
11.3.
Table 11.3:
 
Search Parameters: Inverse Distance Estimation
 
Method
TSF
Domain
Estimation
Pass
Search Distance
Minimum
Number of
Composites
Maximum
Number of
Composites
X
(m)
Y
(m)
Z
(m)
3L7 (Mooifontein)
Mooifontein
1
300
300
6
5
20
2
600
600
12
5
20
3
900
900
18
5
20
3L8 (GMTS)
GMTS
1
400
400
10
4
10
2
800
800
20
4
10
3
1,200
1,200
30
4
10
3L5 (Diepkloof)
Homestead
1
400
400
10
4
10
2
800
800
20
4
10
3
1,200
1,200
30
4
10
Diepkloof
1
400
400
10
4
10
2
800
800
20
4
10
3
1,200
1,200
30
4
10
Source: The RVN Group, 2022
exhibit962p1i0
Technical Report Summary of the material Tailings Storage
 
Facilities
86
11.9.3
 
Technical and Economic Factors
11.9.3.1
 
Site Infrastructure
Crown Complex is located
 
in a well-developed area
 
(Johannesburg) with most mining
 
infrastructure in
place.
 
Johannesburg
 
is
 
a
 
megacity
 
and
 
is
 
one
 
of
 
the
 
100
th
 
largest
 
urban
 
cities
 
in
 
the
 
world.
Johannesburg was established in the 1880s following
 
the discovery of gold.
Roads:
Access
 
to
 
the
 
Crown
 
Complex
 
is
 
via
 
the
 
N1
 
highway
 
and
 
a
 
network
 
of
 
the
 
well-maintained
paved road systems.
Power:
Power requirements
 
are primarily
 
for the operation
 
of pumps
 
and site
 
offices. Power
 
is sourced
from
 
the
 
national
 
supplier,
 
the
 
Electricity
 
Supply
 
Commission
 
(Eskom).
 
There
 
is
 
power
 
supply
 
from17#
substation to the surrounding areas and the TSFs.
Site
 
Offices
 
and
 
Workshop:
 
Site
 
offices
 
are
 
typically
 
established
 
by
 
mining
 
contractors
 
as
 
part
 
of
 
the
mining
 
contract.
 
Workshops
 
for
 
maintenance
 
of
 
roads,
 
pumps
 
and
 
pipelines
 
are
 
based
 
at
 
the
 
Ergo
processing plant and no additional infrastructure is required.
Crown Complex is situated in the City of Johannesburg, so
 
other specialized services could be sourced
from the private workshops.
Pumps and Pipelines:
 
Before mining could start, the pump station and pipeline to Ergo processing plant
in Brakpan
 
should be completed.
 
A pipeline of
 
approximately 20km
 
will be required
 
to supply
 
slime to
City Deep. There
 
is already a pipeline
 
infrastructure to transport slime
 
to Ergo Plant from
 
City Deep; this
may need to be upgraded along with a water supply
 
pipeline at a later stage.
Water:
 
Water
 
is
 
required
 
during
 
mining
 
as
 
hydraulic
 
mining
 
method
 
is
 
suitable
 
for
 
Crown
 
Complex.
 
A
Mining
 
Right renewal
 
application
 
has been
 
launched.
 
Crown Complex
 
has
 
the majority
 
of the
 
water
uses authorized and
 
would only require
 
minor amendments, but this
 
would only be able
 
to 100%
 
defined
when the entire
 
scope and design
 
of the project
 
is finalized. Ergo
 
is confident that
 
a water use
 
license
will be issued.
Tailings Deposition
 
Site:
 
Ergo has
 
sufficient tailings
 
deposition capacity
 
at their
 
Brakpan/Withok tailings
deposition facility
 
to accommodate
 
all material
 
from Crown
 
Complex,
 
in addition
 
to the
 
tonnages in
the LoM plan if the final design of
 
the Brakpan/Withok TSF is approved
 
and implemented. Refer to Item
15.7 and 19.3.2 for more detail on deposition plans.
11.9.3.2
 
Mine Design and Planning
Hydraulic
 
mining
 
is
 
suitable
 
for
 
Crown
 
Complex.
 
Hydraulic
 
mining
 
can
 
loosely
 
be
 
defined
 
as
 
the
excavation
 
of
 
material
 
from
 
its
in
 
situ
 
state
 
using
 
water.
 
A
 
stream
 
of
 
water
 
is
 
directed
 
at
 
the
 
tailings
material
 
with
 
the
 
purpose
 
of
 
mechanically
 
breaking
 
and/or
 
softening
 
the
 
material
 
so
 
that
 
it
 
can
 
be
carried away by the
 
water flow. The
 
application or effectiveness of the
 
method is a function
 
of a variety
of factors
 
ranging
 
from
 
the
 
size, velocity
 
and
 
pressure
 
of
 
the
 
water
 
stream
 
to the
 
location,
 
hardness,
particle size and moisture content of the material to be mined.
exhibit962p1i0
Technical Report Summary of the material Tailings Storage
 
Facilities
87
Hydraulic mining is
 
typically undertaken using
 
100mm or 150mm
 
monitor guns with
 
increased production
achieved
 
by
 
the
 
inclusion
 
of
 
additional
 
units.
 
This
 
provides
 
a
 
high
 
degree
 
of
 
flexibility
 
that
 
allows
simultaneous mining at a number of
 
points over a wide range
 
of production rates. Consequently, grade
blending is readily achievable.
A production rate of 3 x 600kt/m is assumed from Crown
 
Complex due to pipeline capacity.
11.9.3.3
 
Processing Plant
Crown Complex material could be
 
processed at Ergo’s processing plant
 
as discussed in Item
 
10 and the
results
 
presented
 
in
 
Table
 
10.1.
 
The
 
slime
 
material
 
is
 
not
 
significantly
 
different
 
to
 
the
 
slimes
 
material
processed at the Ergo processing plant.
 
The Ergo processing plant details are in Item 14.
11.9.3.4
 
Environmental Compliance and Permitting
A
 
Mining
 
Right
 
renewal
 
application
 
was
 
launched
 
with
 
the
 
DMRE.
 
Compliance
 
and
 
permitting
 
are
discussed in Item 3.2 and 17.
11.9.3.5
 
Initial Assessment Results
The QP’s opinion is that
 
there is a reasonable prospect
 
for economic extraction based on
 
the total mix
of technical and financial factors discussed. A cut-off grade
 
is discussed in Item 12.2.11.7
11.9.4
 
Mineral Resource Classification Criteria
A
 
list
 
of
 
the
 
criteria
 
used
 
to
 
classify
 
the
 
Mineral
 
Resources
 
is
 
given
 
in
 
Table
 
11.4.
 
Applying
 
these
confidence
 
levels,
 
Mineral
 
Resource
 
classification
 
codes
 
were
 
assigned
 
to
 
the
 
block
 
model.
 
A
 
low
confidence
 
in
 
one of
 
the
 
listed
 
items
 
will
 
mean
 
classification
 
is downgraded
 
to Inferred,
 
a moderate
confidence in at least one item will mean a property
 
is Indicated while all highs mean the property is
 
in
the Measured Mineral Resource category.
exhibit962p1i0
 
 
 
 
 
 
 
 
 
 
 
 
 
 
 
 
 
 
 
 
 
 
 
 
 
 
Technical Report Summary of the material Tailings Storage
 
Facilities
88
Table 11.4:
 
Confidence Levels for Key Criteria for Mineral Resource
 
Classification
Items
Discussion
Confidence
Drilling Techniques
RC drilling technique to international standards
High
Logging
Detailed logging throughout
High
Drill Sample Recovery
The sample recovery was considered satisfactory and was
acceptable for mineral resource estimation
High
Sub-sampling Techniques
and Sample Preparation
Material has previously been processed and quartering was
applied
High
Quality of Assay Data
Available data is of robust quality however there is a relatively high
variability in the lowest grade assays
High
Verification of Sampling
and Assaying
A comprehensive QC program implemented during exploration
High
Location of Sampling
Points
Survey of all collars and TSFs surfaces
High
Data Density and
Distribution
Data points were well spread, though widely spaced.
Approximately 200m-by-200m spacing was followed
Moderate
Database Integrity
Errors identified and rectified
High
Geological Interpretation
Geometry is known accurately
High
Bulk Density
A mean density of 1.42t/m
3
 
was considered reasonable
High
Mineralization Type
Mineralization is well known from processing
High
Estimation and Modelling
Techniques
NN and Inverse Distance
High
Source: The RVN Group, 2022
The
 
drill
 
hole
 
spacing
 
was
 
approximately
 
200-by-200m
 
on
 
all
 
the
 
TSFs.
 
With
 
this
 
grid,
 
the
 
grade,
 
floor
elevation
 
and
 
TSF
 
geometry
 
were
 
estimated
 
with
 
sufficient
 
confidence
 
to
 
allow
 
the
 
application
 
of
modifying factors in sufficient detail
 
to support mine planning and
 
evaluation of the economic viability
of
 
the
 
TSFs.
 
All
 
TSFs’
 
material
 
was
 
classified
 
as
 
Indicated
 
Mineral
 
Resources.
 
No
 
Measured
 
Mineral
Resource was
 
declared
 
as the
 
drill
 
space is
 
still too
 
wide to
 
conclusively
 
define grade
 
continuity and
volume. No Inferred was declared as drilling provided
 
sufficient information.
The data
 
or supporting
 
information is
 
derived
 
from the
 
adequately
 
detailed
 
and reliable
 
exploration,
sampling
 
and testing
 
and is
 
sufficient to
 
assume
 
geological
 
and grade
 
or quality
 
continuity between
points of observation.
11.9.5
 
Mineral Resource Statement
As
 
no
 
Mineral
 
Reserve
 
was
 
declared,
 
inclusive
 
is
 
equal
 
to
 
exclusive
 
Mineral
 
Resource
 
for
 
the
 
Crown
Complex (Table 11.5).
exhibit962p1i0
 
 
 
 
 
 
 
 
 
 
 
 
 
 
 
 
 
 
 
 
 
 
 
 
 
 
 
 
 
 
 
 
 
 
 
 
 
 
 
 
 
 
 
 
 
 
 
 
 
 
 
 
 
 
 
 
 
 
 
 
 
 
 
 
 
 
 
 
 
 
 
 
 
 
 
 
 
 
 
 
 
 
 
 
 
 
 
 
 
 
 
 
 
 
 
 
 
 
Technical Report Summary of the material Tailings Storage
 
Facilities
89
Table 11.5:
 
Crown Complex Mineral Resource Estimate (Exclusive)
TSF
Mineral
Resource
Category
Mineral Resources as at 30 June
2021 (Exclusive)
Mineral Resources as at 30 June
2022 (Exclusive)
Tons
(kt)
Au
(g/t)
Content
(oz)
Tons
(kt)
Au
(g/t)
Content
(oz)
Measured Mineral Resources
-
-
-
-
-
-
Mooifontein (3L7)
Indicated
67,559
0.23
499,577
67,559
0.23
499,577
GMTS (3L8)
Indicated
107,450
0.25
863,649
107,450
0.25
863,649
Diepkloof (3L5)
Indicated
97,988
0.23
724,589
97,988
0.23
724,589
Sub-total Indicated Mineral
Resources
272,997
0.24
2,087,815
272,997
0.24
2,087,815
Sub-total Measured and
Indicated Mineral Resources
272,997
0.24
2,087,815
272,997
0.24
2,087,815
Inferred Mineral Resources
-
-
-
-
-
-
Total Mineral Resource
272,997
0.24
2,087,815
272,997
0.24
2,087,815
Source: The RVN Group, 2022
11.9.6
 
Mineral Resource Changes
There was
 
no change
 
in Mineral
 
Resource as
 
no drilling,
 
mining or
 
additional deposition
 
was done
 
on
Crown Complex.
11.9.7
 
Mineral Resource Risks and Uncertainty
The renewal of the Mining Right
 
for the Crown Complex is a
 
risk. The application to renew
 
was launched
in 2014 and
 
Ergo has since
 
been constantly engaging the
 
DMRE. This report
 
has considered section
 
24(5)
of the MPRDA, as amended; as quoted below:
A mining right in respect of which
 
an application for renewal has
 
been lodged shall despite its expiry
date remain in force until such time as such application has
 
been granted or refused.
The QP classified the overall Mineral Resource risk as medium due
 
to lower grades and permitting status
of the Crown Complex.
In the opinion of the QP, no further technical work is required as the drilling
 
program provided sufficient
data to define continuity.
11.10
 
City Deep Complex
11.10.1
 
Exploratory Data Analysis
Figure 11.9 to Figure 11.14 show the frequency
 
distributions
 
of the gold grades on 4L3, 4L4
 
and 4L6. Data
was analyzed as
 
raw, capped and composites.
 
There was no
 
material changed between the
 
data sets.
The data sets show positively skewed distribution.
Based on
 
the high-grade
 
cap investigations,
 
high-grade caps
 
were selected
 
and applied
 
to the
 
raw
dataset. A little/insignificant reduction in the available
 
metal is noted.
4L3: capped at 0.65g/t Au;
4L4: capped at 0.65g/t Au; and
exhibit962p1i0 exhibit962p106i1
 
 
 
 
Technical Report Summary of the material Tailings Storage
 
Facilities
90
4L6: capped at 0.50g/t Au.
Figure 11.9:
 
4L3: Distribution of Raw Gold Capped Data
Source: The RVN Group, 2022
exhibit962p1i0 exhibit962p107i2
 
 
 
 
exhibit962p107i1
 
 
 
 
Technical Report Summary of the material Tailings Storage
 
Facilities
91
Figure 11.10:
 
4L3: Distribution of Composited Gold Data
Source: The RVN Group, 2022
Figure 11.11:
 
4L4: Distribution of Raw Gold Capped Data
Source: The RVN Group, 2022
exhibit962p1i0 exhibit962p108i2
 
 
 
 
exhibit962p108i1
 
 
 
 
Technical Report Summary of the material Tailings Storage
 
Facilities
92
Figure 11.12:
 
4L4: Distribution of Composited Gold Data
Source: The RVN Group, 2022
Figure 11.13:
 
4L6:
Distribution of Raw Gold Capped Data
Source: The RVN Group, 2022
exhibit962p1i0
 
 
 
 
 
 
 
 
 
 
 
 
 
 
 
 
 
 
 
 
 
 
 
 
 
 
 
 
 
 
 
exhibit962p109i1
 
 
 
 
Technical Report Summary of the material Tailings Storage
 
Facilities
93
Figure 11.14:
 
4L6: Distribution of Composited Gold Data
Source: The RVN Group, 2022
11.10.2
 
Modelling and Estimation Parameters
A block
 
model
 
with
 
100m-by-100m
 
blocks
 
was constructed
 
for
 
4L3, 4L4
 
and
 
4L6 inside
 
the
 
respective
volumes. Tonnages
 
and grades
 
were estimated
 
into the
 
block model.
 
The parent
 
block sizes
 
selected
to estimate
 
the deposit
 
approximates
 
the
 
drill
 
hole
 
spacing.
 
The tailings
 
bench
 
heights
 
are 5m
 
to
 
8m
high. The QP selected 6m in the Z direction for the City
 
Deep Complex to correspond with the average
bench height.
The sample search parameters are supplied in the
 
Table 11.6.
Table 11.6:
 
Search Parameters: Inverse Distance Estimation
 
Method
TSF
Estimation Pass
Search Distance
Minimum
Number of
Composites
Maximum
Number of
Composites
X
(m)
Y
(m)
Z
(m)
4L3
1
400
400
10
4
10
2
800
800
20
4
10
3
1,200
1,200
30
4
10
4L4
1
400
400
10
4
10
2
800
800
20
4
10
3
1,200
1,200
30
4
10
4L6
1
400
400
10
4
10
2
800
800
20
4
10
3
1,200
1,200
30
4
10
Source: The RVN Group, 2022
exhibit962p1i0
 
 
 
 
 
 
 
 
 
 
 
 
 
 
 
 
 
 
 
 
 
 
 
 
 
 
 
 
 
 
 
 
 
 
 
 
 
 
 
 
 
 
 
 
 
Technical Report Summary of the material Tailings Storage
 
Facilities
94
11.10.3
 
Technical and Economic Factors
Item 13 to Item 19 were considered in declaring the Mineral
 
Resource estimates.
11.10.4
 
Mineral Resource Classification Criteria
An additional list of the
 
criteria used by the
 
QP to classify the Mineral
 
Resource estimates in addition
 
to
the
 
statistical
 
parameters
 
is
 
given
 
in
 
Table
 
11.7.
 
Applying
 
these
 
confidence
 
levels,
 
Mineral
 
Resource
classification codes were
 
assigned to the
 
block model. A
 
low confidence in
 
one of the
 
listed items will
mean classification is downgraded to Inferred, a moderate confidence in at least one item will mean a
property is Indicated while all highs mean the property
 
is in the Measured Mineral Resource category.
Table 11.7:
 
Confidence Levels of Key Criteria for Classification
 
of the TSFs Mineral Resources
Items
Discussion
Confidence
Drilling Techniques
Auger to industry standards
High
Logging
Detailed logging throughout
High
Drill Sample Recovery
The sample recovery is estimated as >90% and was considered
acceptable for Mineral Resource estimation
High
Sub-sampling
Techniques and
Sample Preparation
Material has previously been processed and was submitted directly
for sampling
High
Quality of Assay Data
Available data is of robust quality
High
Verification of
Sampling and
Assaying
A comprehensive QC program was implemented
High
Location of Sampling
Points
Survey of all collars and TSF surfaces
High
Data Density and
Distribution
Approximately 100m-by-100m spacing was followed
high
Geological
Interpretation
Geometry is known accurately
High
Mineralization Type
Mineralization is well known from processing
High
Estimation and
Modelling Techniques
Inverse distance used for resource declaration. NN used for validation
High
Source: The RVN Group, 2022
The QP classified
 
the Mineral
 
Resources into the
 
Measured Mineral
 
Resource Category
 
as the drill
 
hole
spacing
 
was
 
tight
 
enough
 
(approximately
 
100m
 
apart)
 
to
 
provide
 
sufficient
 
evidence
 
of
 
grade
continuity and estimate
 
tons with high
 
confidence.
 
No Indicated and
 
Inferred Mineral
 
Resources were
declared.
11.10.5
 
Mineral Resource Statement
Table 11.8 to Table 11.9 present Mineral Resources
 
for 4L3, 4L4 and 4L6 as at 30 June 2022.
Table 11.8:
 
City Deep Complex Mineral Resource Estimates
 
(Inclusive)
TSF
Mineral Resource
Category
Mineral Resources as at 30 June 2021
(Inclusive)
Mineral Resources as at 30 June 2022
(Inclusive)
Tons
Au
Content
Tons
Au
Content
exhibit962p1i0
 
 
 
 
 
 
 
 
 
 
 
 
 
 
 
 
 
 
 
 
 
 
 
 
 
 
 
 
 
 
 
 
 
 
 
 
 
 
 
 
 
 
 
 
 
 
 
 
 
 
 
 
 
 
 
 
 
 
 
 
 
 
 
 
 
 
 
 
 
 
 
 
 
 
 
 
 
 
 
 
 
 
 
 
 
 
 
 
 
 
 
 
 
 
 
 
 
 
 
 
 
 
 
 
 
 
 
 
 
 
 
 
 
 
 
 
 
 
 
 
 
 
 
 
 
 
 
 
 
 
 
 
 
 
 
 
 
 
 
 
 
 
 
 
 
 
 
 
 
 
 
 
 
 
 
 
 
 
 
 
 
 
Technical Report Summary of the material Tailings Storage
 
Facilities
95
(kt)
(g/t)
(oz)
(kt)
(g/t)
(oz)
4L3
Measured
13,134
0.32
135,126
13,134
0.32
135,126
4L4
Measured
4,738
0.32
48,746
4,738
0.32
48,746
4L6
Measured
2,410
0.31
24,020
2,410
0.31
24,020
Sub-total Measured Mineral
Resources
20,282
0.32
207,891
20,282
0.32
207,891
Indicated Mineral Resources
-
-
-
-
-
-
Sub-total Measured and
Indicated Mineral Resources
20,282
0.32
207,891
20,282
0.32
207,891
Inferred Mineral Resources
-
-
-
-
-
-
Total Mineral Resource
20,282
0.32
207,891
20,282
0.32
207,891
Source: The RVN Group, 2022
Table 11.9:
 
City Deep Complex Mineral Resource Estimates
 
(Exclusive)
TSF
Mineral
Resource
Category
Mineral Resources as at 30 June 2021
(Exclusive)
Mineral Resources as at 30 June 2022
(Exclusive)
Tons
(kt)
Au
(g/t)
Content
(oz)
Tons
(kt)
Au
(g/t)
Content
(oz)
4L3
Measured
-
-
-
-
-
-
4L4
Measured
-
-
-
-
-
-
4L6
Measured
-
-
-
-
-
-
Sub-total Measured
Mineral Resources
-
-
-
-
-
-
Indicated Mineral
Resources
-
-
-
-
-
-
Sub-total Measured and
Indicated Mineral
Resources
-
-
-
-
-
-
Inferred Mineral
Resources
-
-
-
-
-
-
Total Mineral Resource
-
-
-
-
-
-
Source: The RVN Group, 2022
11.10.6
 
Mineral Resource Changes
There was no
 
change in
 
Mineral Resources
 
as no drilling,
 
mining or additional
 
deposition was done
 
on
4L3, 4L4
 
and 4L6 TSFs.
11.10.7
 
Mineral Resource Risks and Uncertainty
The
 
QP’s
 
opinion
 
is
 
that
 
the
 
overall
 
grade
 
and
 
tonnage
 
estimates
 
are
 
reasonable
 
for
 
mine
 
planning
based on the drill hole data and assay statistics.
The gold price fluctuations present the main risk to the declared
 
Mineral Resource estimates.
Risks
 
of
 
grade,
 
continuity
 
of
 
mineralization
 
and
 
tons
 
were
 
mitigated
 
through
 
the
 
reasonable
 
drilling
space, validation procedures, metallurgical testing, advanced statistical
 
analyses and the use of
 
robust
modelling techniques.
The QP classified the
 
overall Mineral Resource
 
risk as low. In
 
the opinion of
 
the QP, no further
 
technical
work is required as the drilling program provided enough data
 
to define continuity.
exhibit962p1i0 exhibit962p112i1
 
 
 
 
Technical Report Summary of the material Tailings Storage
 
Facilities
96
11.11
 
Knights Complex
11.11.1
 
Exploratory Data Analysis
Statistics of the sample population from raw, capped and composited data are
 
given in Figure 11.15 to
Figure 11.28. At 4L14, both slime and
 
soil were mineralized with soil having
 
a maximum grade of 1.96g/t
Au. The spread of
 
both the slimes
 
and soil data
 
is not large
 
which indicates that
 
the grade variability
 
is
low. The
 
gold grades for
 
soil were
 
capped at 0.94g/t
 
to reduce the
 
over-estimation of soil
 
gold resources.
Capping
 
reduced
 
the
 
mean
 
by
 
about
 
10%;
 
however,
 
this
 
is
 
due
 
to
 
lack
 
of
 
data
 
rather
 
than
 
a
 
large
volume of
 
high-grade material.
 
The slimes
 
grades were
 
composited into
 
6m intervals.
 
The soil
 
domain
was
 
not
 
composited
 
as
 
there
 
was
 
not
 
enough
 
data.
 
The
 
6m
 
composites
 
were
 
based
 
on
 
numerous
statistical tests and bench height. The bench height is 5m
 
to 6m high.
Figure 11.15:
 
4L14: Distribution of Slime Raw Data
Source: The RVN Group, 2022
exhibit962p1i0 exhibit962p113i2
 
 
 
 
exhibit962p113i1
 
 
 
 
Technical Report Summary of the material Tailings Storage
 
Facilities
97
Figure 11.16:
 
4L14: Log Distribution of Slime Raw Data
Source: The RVN Group, 2022
Figure 11.17:
 
4L14: Distribution of Slime 6m Composited Data
Source: The RVN Group, 2022
exhibit962p1i0 exhibit962p114i2
 
 
 
 
exhibit962p114i1
 
 
 
 
Technical Report Summary of the material Tailings Storage
 
Facilities
98
Figure 11.18:
 
4L14: Log Distribution of Slime 6m Composited Data
Source: The RVN Group, 2022
Figure 11.19:
 
4L14: Distribution of Soil Raw Data
Source: The RVN Group, 2022
exhibit962p1i0 exhibit962p115i2
 
 
 
 
exhibit962p115i1
 
 
 
 
Technical Report Summary of the material Tailings Storage
 
Facilities
99
Figure 11.20:
 
4L14: Log Distribution of Soil Raw Data
Source: The RVN Group, 2022
Figure 11.21:
 
4L14: Distribution of Soil Raw Capped Data
Source: The RVN Group, 2022
exhibit962p1i0 exhibit962p116i2
 
 
 
 
exhibit962p116i1
 
 
 
 
Technical Report Summary of the material Tailings Storage
 
Facilities
100
Figure 11.22:
 
4L14: Log Distribution of Soil Raw Capped Data
Source: The RVN Group, 2022
Figure 11.23:
 
4L50: Log Distribution of Raw Slime Data
Source: The RVN Group, 2022
exhibit962p1i0 exhibit962p117i2
 
 
 
 
exhibit962p117i1
 
 
 
 
Technical Report Summary of the material Tailings Storage
 
Facilities
101
Figure 11.24:
 
4L50: Distribution of Raw Slime Raw Data
Source: The RVN Group, 2022
Figure 11.25:
 
4L50: Log Distribution of Raw Capped Slime Data
Source: The RVN Group, 2022
exhibit962p1i0 exhibit962p118i2
 
 
 
 
exhibit962p118i1
 
 
 
 
Technical Report Summary of the material Tailings Storage
 
Facilities
102
Figure 11.26:
 
4L50: Distribution of Raw Capped Slime Data
Source: The RVN Group, 2022
 
Figure 11.27:
 
4L50: Distribution of 3m Composited Slime Data
Source: The RVN Group, 2022
exhibit962p1i0
 
 
 
 
 
 
 
 
 
 
 
 
 
 
 
 
 
 
 
 
 
 
 
 
 
 
 
 
 
 
 
 
 
 
 
exhibit962p119i1
 
 
 
 
Technical Report Summary of the material Tailings Storage
 
Facilities
103
Figure 11.28:
 
4L50: Log Distribution of 3m Composited Slime Data
Source: The RVN Group, 2022
11.11.2
 
Modelling and Estimation Parameters
4L14:
The parent
 
block sizes for
 
the TSFs were
 
mostly based on
 
the average drill
 
spacing and compositing
interval. The
 
height of
 
the dump
 
benches is
 
around 5m
 
to 6m.
 
The parent
 
block sizes selected
 
to estimate
the
 
deposit
 
approximates
 
half
 
the
 
drill
 
hole
 
spacing.
 
Sub-blocking
 
was
 
allowed
 
for
 
good
 
volume
definition. Soil was modelled as a
 
separate domain. Soil was modelled because it
 
had high gold values,
the QP attributed this high gold value to gold remobilization
 
from the TSF.
Estimation Parameters for 4L14 are given in Table
 
11.10 and Table 11.11.
Table 11.10:
 
4L14: Search Parameters: Nearest Neighbor Estimation Method
Domain
Estimation
Pass
Search Distance
Minimum
Number of
Composites
Maximum
Number of
Composites
Maximum
Number of
Composites
per Drill Hole
X
(m)
Y
(m)
Z
(m)
Slime
1
400
400
50
1
1
1
2
800
800
100
1
1
1
3
1,200
1,200
150
1
1
1
Soil
1
400
400
50
1
1
1
2
800
800
100
1
1
1
3
1,200
1,200
150
1
1
1
Source: The RVN Group, 2022
exhibit962p1i0
 
 
 
 
 
 
 
 
 
 
 
 
 
 
 
 
 
 
 
 
 
 
 
 
 
 
 
 
 
 
 
 
 
 
 
 
 
 
 
 
 
 
 
 
 
 
 
 
 
 
 
 
 
 
 
 
 
 
 
 
 
 
 
 
 
 
 
 
 
 
 
 
 
 
 
 
 
 
 
 
 
 
 
 
 
 
 
 
 
 
 
 
 
 
 
 
 
 
 
Technical Report Summary of the material Tailings Storage
 
Facilities
104
Table 11.11:
 
4L14: Search Parameters: Inverse Distance Estimation
 
Method
Domain
Estimation
Pass
Search Distance
Minimum
Number of
Composites
Maximum
Number of
Composites
Maximum
Number of
Composites
per Drill Hole
X
(m)
Y
(m)
Z
(m)
Slime
1
500
500
12
5
10
2
2
1,000
1,000
24
5
10
2
3
1,500
1,500
36
5
10
2
Soil
-
-
-
-
-
-
-
-
-
-
-
-
-
-
-
-
-
-
-
-
-
Source: The RVN Group, 2022
4L50:
The parent block sizes for the 4L50 TSF were mostly based on the average drill spacing and bench
height. The parent block sizes
 
selected to estimate the deposit approximates the
 
borehole spacing. The
bench height is 2m to 4m high.
 
Sub-blocking was allowed to improve volume
 
representation within the
interpreted wireframe models of the dump top and
 
bottom surfaces.
A comparison
 
of the
 
2008 and
 
2016 drillhole
 
information
 
showed that
 
the
 
base of
 
the
 
dump was
 
not
properly defined
 
in the
 
2008 drilling.
 
There appeared
 
to be
 
over-drilling
 
or extra
 
samples at
 
the base.
Due
 
to
 
this
 
problem,
 
it
 
was
 
decided
 
to
 
map
 
the
 
base
 
of
 
the
 
dump
 
using
 
the
 
2016
 
to
 
2017
 
drilling
campaign data only. There is high confidence in the logging
 
data from the 2016 drilling campaign.
The sample search parameters are supplied in Table
 
11.12 and Table 11.13.
Table 11.12:
 
4L50: Search Parameters: Nearest Neighbor Estimation Method
Domain
Estimation
Pass
Search Distance
Minimum
Number of
Composites
Maximum
Number of
Composites
Maximum
Number of
Composites
per Drill Hole
X
(m)
Y
(m)
Z
(m)
Slime
1
400
400
50
1
1
1
2
800
800
100
1
1
1
3
1,200
1,200
150
1
1
1
Source: The RVN Group, 2022
Table 11.13:
 
4L50: Search Parameters: Inverse Distance Estimation Method
Domain
Estimation
Pass
Search Distance
Minimum
Number of
Composites
Maximum
Number of
Composites
Maximum
Number of
Composites
per Drill Hole
X
(m)
Y
(m)
Z
(m)
Slime
1
500
500
6
5
10
2
2
1,000
1,000
12
5
10
2
3
1,500
1,500
24
5
10
2
Source: The RVN Group, 2022
A number of search parameters were tested; optimum parameters
 
were chosen by the QP.
exhibit962p1i0
 
 
 
 
 
 
 
 
 
 
 
 
 
 
 
 
 
 
 
 
 
Technical Report Summary of the material Tailings Storage
 
Facilities
105
11.11.3
 
Technical and Economic Factors
Item 13
 
to Item 19
 
were considered
 
in declaring
 
the Mineral
 
Resource Estimates.
 
The technical
 
studies
were done at a PFS level. As at 30June 2022, 4L50
 
was being mined.
11.11.4
 
Mineral Resource Classification Criteria
The
 
4L14
 
and
 
4L50
 
TSFs
 
were
 
classified
 
using
 
a
 
number
 
of
 
criteria
 
including
 
data
 
density,
 
estimation
statistics and
 
TSF knowledge
 
and interpretation.
 
For classification
 
purpose, blocks
 
estimated within
 
the
first search radius were
 
classified as Measured
 
Mineral Resources.
 
The TSFs were
 
classified as Measured
Mineral Resources.
A list of
 
the criteria used
 
to classify the
 
Mineral Resources in
 
addition to the
 
statistical parameters,
 
is given
in
 
Table
 
11.14
 
below.
 
Applying
 
these
 
confidence
 
levels,
 
Mineral
 
Resource
 
classification
 
codes
 
were
assigned
 
to
 
the
 
block
 
model.
 
A
 
low
 
confidence
 
in
 
one
 
of
 
the
 
listed
 
items
 
will
 
mean
 
classification
 
is
downgraded to Inferred, a moderate confidence in at least one item will mean a property is Indicated
while all highs mean the property is in the Measured Mineral
 
Resource category.
Table 11.14:
 
Confidence
 
Levels
 
of
 
Key
 
Criteria
 
for
 
Classification
 
of
 
the
 
4L14and
 
4L50
 
TSFs
Mineral Resources
Items
Discussion
Confidence
Drilling Techniques
Auger to international standards
High
Logging
Detailed logging throughout
High
Drill Sample Recovery
The
 
sample
 
recovery
 
is
 
estimated
 
as
 
>90%
 
and
 
is
 
considered
acceptable for Mineral Resource estimation
High
Sub-sampling Techniques
and Sample Preparation
Material
 
has
 
previously
 
been
 
processed
 
and
 
can
 
be
 
submitted
directly for sampling
High
Quality of Assay Data
Available
 
data
 
is
 
of
 
robust
 
quality
 
however
 
there
 
is
 
a
 
relatively
high variability in the lowest grade assays
High
Verification of Sampling and
Assaying
A comprehensive QC program implemented during exploration
High
Location of Sampling Points
Survey of all collars and TSFs surfaces
High
Data Density and
Distribution
Drilled with auger drill holes at 100m-by-100m
High
Database Integrity
Errors identified and rectified
High
Geological Interpretation
Geometry is known accurately
High
Mineralization Type
Mineralization is well known from processing
High
Estimation and Modelling
Techniques
NN and Inverse Distance Squared
High
Source: The RVN Group, 2022
Both TSFs were classified
 
as Measured due to
 
a tight drill
 
hole spacing of <100m
 
and high data
 
quality.
This
 
spacing
 
enabled
 
the
 
QP
 
to
 
estimate
 
tonnage
 
and
 
grade
 
continuity
 
with
 
high
 
confidence.
Production
 
data
 
from
 
4L50
 
matches
 
well
 
with
 
the
 
estimated
 
values
 
(Figure
 
11.29).
 
No Indicated
 
and
exhibit962p1i0
 
 
 
 
 
 
 
 
 
 
 
 
 
 
 
 
 
 
 
 
 
 
 
 
 
 
 
 
 
 
 
 
 
 
 
 
 
 
 
 
 
 
 
 
 
 
 
 
 
 
 
 
 
 
 
 
 
 
 
 
 
 
 
 
 
 
 
 
 
 
 
 
 
 
 
 
 
 
 
 
 
 
 
 
 
exhibit962p122i1
 
 
 
 
Technical Report Summary of the material Tailings Storage
 
Facilities
106
Inferred Mineral
 
Resources were declared
 
as confidence
 
in the data
 
and estimation process
 
followed
were high.
Figure 11.29:
 
4L50: Head Grade versus Modelled Average Gold Grade
Source: The RVN Group, 2022
11.11.5
 
Mineral Resource Statement
Table 11.15 and
Table 11.16 present the Mineral Resource for 4L14 and
 
4L50.
Table 11.15:
 
Knights Complex Mineral Resource Estimates (Inclusive)
TSF
Mineral
Resource
Category
Mineral Resources as at 30 June 2021
(Inclusive)
Mineral Resources as at 30 June 2022
(Inclusive)
Tons
(kt)
Au
(g/t)
Content
(oz)
Tons
(kt)
Au
(g/t)
Content
(oz)
4L14
Measured
6,638
0.29
61,891
6,638
0.29
60,824
4L50
Measured
6,756
0.26
56,475
3,418
0.26
27,216
Sub-total Measured
Mineral Resources
13,394
0.27
118,366
10,056
0.28
88,040
Indicated Mineral
Resources
-
-
-
-
-
-
Sub-total Measured and
Indicated Mineral
Resources
13,394
0.27
118,366
10,056
 
0.28
88,040
Inferred Mineral
Resources
-
-
-
-
-
-
Total Mineral Resource
13,394
0.27
118,366
10,056
 
0.28
88,040
Source: The RVN Group, 2022
exhibit962p1i0
 
 
 
 
 
 
 
 
 
 
 
 
 
 
 
 
 
 
 
 
 
 
 
 
 
 
 
 
 
 
 
 
 
 
 
 
 
 
 
 
 
 
 
 
 
 
 
 
 
 
 
 
 
 
 
 
 
 
 
 
 
 
 
 
 
 
 
 
 
 
 
 
 
 
 
 
 
 
Technical Report Summary of the material Tailings Storage
 
Facilities
107
Table 11.16:
 
Knights Complex Mineral Resource Estimates (Exclusive)
TSF
Mineral
Resource
Category
Mineral Resources as at 30 June 2021
(Inclusive)
Mineral Resources as at 30 June 2022
(Inclusive)
Tons
(kt)
Au
(g/t)
Content
(oz)
Tons
(kt)
Au
(g/t)
Content
(oz)
4L14
Measured
-
-
-
-
-
-
4L50
Measured
-
-
-
-
-
-
Sub-total Measured
Mineral Resource
-
-
-
-
-
-
Indicated Mineral
Resource
-
-
-
-
-
-
Sub-total Measured and
Indicated Mineral
Resources
-
-
-
-
-
-
Inferred Mineral Resource
-
-
-
-
-
-
Total Mineral Resources
-
-
-
-
-
-
Source: The RVN Group, 2022
11.11.6
 
Mineral Resource Changes
Mining
 
on
 
4L50
 
TSF resulted
 
in
 
a
 
depletion
 
of
 
the
 
Mineral
 
Resource.
 
Depletion
 
and
 
reconciliation
 
are
explained
 
in
 
13.
 
The
 
modeled
 
average
 
gold
 
grade
 
correlated
 
well
 
with
 
production
 
data
(Figure 11.29). No mining has taken place on 4L14 TSF.
11.11.7
 
Mineral Resource Risks and Uncertainty
The
 
QP’s
 
opinion
 
is
 
that
 
the
 
overall
 
grade
 
and
 
tonnage
 
estimates
 
are
 
reasonable
 
for
 
mine
 
planning
based on the drill hole data and assay statistics.
The gold price fluctuations present the main risk to the declared
 
Mineral Resource estimates.
Risks of grade, continuity of mineralization and tonnage
 
were mitigated through the reasonable drilling
spacing,
 
validation
 
procedures,
 
metallurgical
 
testing,
 
advanced
 
statistical
 
analyses
 
and
 
the
 
use
 
of
robust modelling techniques.
The QP classified the
 
overall Mineral Resource
 
risk as low. In
 
the opinion of
 
the QP, no further
 
technical
work is required as the drilling program provided enough data
 
to define continuity.
11.12
 
Ergo Complex
11.12.1
 
Exploratory Data Analysis
11.12.1.1
 
Rooikraal
Exploratory
 
data
 
analysis
 
was
 
done
 
on
 
raw
 
and
 
composited
 
gold
 
data
 
(Figure
 
11.30
 
and
Figure 11.31).
 
The distribution
 
of the
 
raw and
 
composite is
 
symmetrical with similar
 
coefficient of
 
variation
and a low standard deviation.
 
exhibit962p1i0 exhibit962p124i1
 
 
 
 
Technical Report Summary of the material Tailings Storage
 
Facilities
108
Based on
 
the high-grade
 
cap investigations,
 
the QP
 
decided not
 
to apply
 
high-grade capping
 
as no
extreme values were noted.
Figure 11.30:
 
Rooikraal: Distribution of Raw Gold Data
Source: The RVN Group, 2022
exhibit962p1i0 exhibit962p125i1
 
 
 
 
Technical Report Summary of the material Tailings Storage
 
Facilities
109
Figure 11.31:
 
Rooikraal: Log Distribution of Composited Gold Data
Source: The RVN Group, 2022
11.12.1.2
 
7L15
A comprehensive study on the
 
2015 versus the 2016 to 2017
 
datasets
 
was performed. The 2015 dataset
has higher grades than the 2016 to 2017 dataset. The 2015 dataset reported an average gold grade of
0.34g/t and the 2016 to 2017 dataset has an average
 
gold grade of 0.26g/t.
A decision was
 
made to re-drill three
 
drill holes and
 
compare the 2015
 
samples against the
 
2016 samples
in
 
the
 
same horizon.
 
The
 
2016
 
samples
 
were
 
split
 
on-site
 
into
 
three
 
subsamples
 
and
 
were
 
sent
 
to
 
two
different laboratories. One
 
batch was sent to
 
the local mine
 
laboratory (MAED-Ergo) and
 
two batches
of same
 
samples were
 
sent to
 
the Anglo
 
Lab with
 
completely
 
different sample
 
numbers to
 
avoid
 
the
laboratory identifying that the samples were
 
from the same drillholes.
The
 
results
 
of
 
the
 
re-drilling
 
showed
 
that
 
the
 
old
 
7L15
 
data
 
(2015)
 
analyzed
 
by
 
the
 
MAED
 
(Crown)
laboratory
 
were
 
over-reported
 
and
 
should
 
not be
 
used
 
in
 
the
 
Mineral
 
Resource
 
evaluation.
 
Only
 
the
2016 to 2017
 
drilling campaign dataset
 
could be used
 
for the estimation.
 
The MAED laboratory
 
analyzing
the 2016
 
samples
 
is a
 
new
 
laboratory
 
at the
 
Ergo
 
processing
 
plant
 
and not
 
the
 
old laboratory
 
at
 
the
Crown processing plant,
 
which analyzed the 2015 samples.
Domaining:
7L15 has
 
two physically
 
visible TSFs
 
and the
 
grades of
 
the TSFs
 
are different
 
(Figure 11
 
.32).
The
 
layering
 
in
 
each
 
domain
 
did
 
not
 
continue
 
into
 
the
 
other.
 
The
 
South
 
and
 
North
 
domains
 
were
separated
 
for
 
Mineral
 
Resource
 
evaluation.
 
The
 
North
 
TSF
 
(Figure
 
11.33
 
and
 
Figure
 
11.34)
 
has
 
lower
grades than the
 
South TSF (Figure
 
11.35 and Figure
 
11.36). The North
 
domain has
 
an average grade
 
of
 
0.23g/t Au and the South domain reported an average
 
grade of 0.30g/t Au.
exhibit962p1i0 exhibit962p126i1
 
 
 
 
Technical Report Summary of the material Tailings Storage
 
Facilities
110
Figure 11.32:
 
7L15: Plan showing North and South Domains
Source: The RVN Group, 2022
exhibit962p1i0 exhibit962p127i2
 
 
 
 
exhibit962p127i1
 
 
 
 
Technical Report Summary of the material Tailings Storage
 
Facilities
111
Figure 11.33:
 
7L15: Distribution of 2015 Raw Data - North Domain
Source: The RVN Group, 2022
Figure 11.34:
 
7L15: Log Distribution of 2016
 
Raw Data - North Domain
Source: The RVN Group, 2022
exhibit962p1i0 exhibit962p128i2
 
 
 
 
exhibit962p128i1
 
 
 
 
Technical Report Summary of the material Tailings Storage
 
Facilities
112
Figure 11.35:
 
7L15: Distribution of 2015 Raw Data - South Domain
Source: The RVN Group, 2022
Figure 11.36:
 
7L15: Log Distribution of 2016
 
Raw Data - South Domain
Source: The RVN Group, 2022
exhibit962p1i0 exhibit962p129i2
 
 
 
 
exhibit962p129i1
 
 
 
 
Technical Report Summary of the material Tailings Storage
 
Facilities
113
The
 
statistical
 
characteristics
 
of
 
the
 
North
 
and
 
South
 
domains
 
are
 
shown
 
in
 
Figure
 
11.37
 
to
Figure 11.40. Compositing was completed at 3m interval.
Figure 11.37:
 
7L15: Distribution of 3m Composited Slime Data -
 
South Domain
Source: The RVN Group, 2022
Figure 11.38:
 
7L15: Log Distribution of 3m Composited Slime
 
Data - South Domain
Source: The RVN Group, 2022
exhibit962p1i0 exhibit962p130i2
 
 
 
 
exhibit962p130i1
 
 
 
 
Technical Report Summary of the material Tailings Storage
 
Facilities
114
Figure 11.39:
 
7L15: Distribution of 3m Composited Slime Data -
 
North Domain
Source: The RVN Group, 2022
Figure 11.40:
 
7L15: Log Distribution of 3m Composited Slime
 
Data - North Domain
Source: The RVN Group, 2022
exhibit962p1i0
 
 
 
 
 
 
 
 
 
 
 
 
 
 
 
 
 
 
 
 
 
 
 
 
 
 
 
 
 
 
 
 
 
 
 
 
 
 
 
 
 
 
 
 
 
 
 
 
 
 
 
 
 
 
 
 
 
 
 
 
 
 
 
 
 
 
 
Technical Report Summary of the material Tailings Storage
 
Facilities
115
11.12.2
 
Modelling and Estimation Parameters
11.12.2.1
 
Rooikraal
The height of the original dump
 
benches is approximately 5m
 
to 6m. The parent block sizes selected
 
to
estimate the deposit
 
approximates the drill
 
hole spacing (at
 
least a drill
 
hole in a block)
 
and maps the
bench height.
A number
 
of search
 
parameters
 
were
 
tested
 
and
 
optimum parameters
 
were chosen
 
by
 
the
 
QP.
 
The
sample search parameters are supplied in Table 11.17.
Table 11.17:
 
Rooikraal: Search Parameters: Inverse Distance Estimation
 
Method
Domain
Estimation
Pass
Search Distance
Minimum
Number of
Samples
Maximum
Number of
Samples
Maximum
Number of
Samples per
Drill Hole
X
(m)
Y
(m)
Z
(m)
Rooikraal
1
600
600
12
6
18
5
2
1,200
1,200
24
6
18
5
3
1,800
1,800
36
6
18
5
Source: The RVN Group, 2022
11.12.2.2
 
7L15
The parent block sizes
 
for the 7L15 TSFs
 
were mostly based on
 
the average drill spacing and
 
compositing
interval.
 
The
 
parent
 
block
 
sizes
 
selected
 
to
 
estimate
 
the
 
deposit
 
approximates
 
half
 
the
 
borehole
spacing. Sub-blocking
 
was allowed
 
for good
 
volume definition.
 
The search
 
parameters are
 
presented
in Table 11.18.
Table 11.18:
 
7L15: Search Parameters: Inverse Distance Estimation
 
Method
Domain
Estimation
Pass
Search Distance
Minimum
Number of
Composites
Maximum
Number of
Composites
Maximum
Number of
Composites
per Drill Hole
X
(m)
Y
(m)
Z
(m)
North
1
400
400
6
2
5
-
2
800
800
12
2
5
-
3
1,200
1,200
24
2
5
-
South
1
400
400
6
2
5
-
2
800
800
12
2
5
-
3
1,200
1,200
24
2
5
-
Source: The RVN Group, 2022
11.12.3
 
Technical and Economic Factors
The QP used
 
the PFS information
 
(Item 13 to
 
Item 19) to
 
declare that the
 
Rooikraal and
 
7L15 TSFs have
reasonable prospects for economic extraction.
The QP opinion is that there is a reasonable prospect for economic extraction based on the total mix of
technical and economic factors discussed.
exhibit962p1i0
 
 
 
 
 
 
 
 
 
 
 
 
 
 
 
 
 
 
 
 
 
 
Technical Report Summary of the material Tailings Storage
 
Facilities
116
11.12.4
 
Mineral Resource Classification Criteria
A list of the
 
criteria used to classify the
 
Mineral Resources in addition to
 
the statistical parameters is given
in Table
 
11.19. Applying
 
these confidence
 
levels, Mineral
 
Resource classification
 
codes were
 
assigned
to the block model.
 
A low confidence in
 
one of the listed
 
items will mean classification
 
is downgraded
to Inferred, a moderate confidence in at least one item will mean a property is Indicated while all highs
mean the property is in the Measured Mineral Resource category.
Table 11.19:
 
Ergo: Confidence Levels for Key Criteria for Mineral Resource
 
Classification
Items
Discussion
Confidence
Drilling Techniques
Auger for 7L15 and for Rooikraal TSF, RC and auger drilling
techniques
 
were used. These methods are industry standard for
drilling TSFs
High
Logging
Detailed logging throughout
High
Drill Sample Recovery
The sample recovery was considered satisfactory and was
acceptable for Mineral Resource estimation
High
Sub-sampling Techniques
and Sample Preparation
Material has previously been processed and quartering was
applied
High
Quality of Assay Data
Available data is of robust quality however there is a relatively high
variability in the lowest grade assays
High
Verification of Sampling
and Assaying
A comprehensive QC program implemented during exploration
High
Location of Sampling
Points
Survey of all collars and TSFs surfaces
High
Data Density and
Distribution
Data points were well spread. Approximately 100m-by-100m
spacing was followed
High
Database Integrity
Errors identified and rectified
High
Geological Interpretation
Geometry is known accurately.
High
Bulk Density
A mean density of 1.42t/m
3
 
was considered reasonable with a
potential upside
High
Mineralization Type
Mineralization is well known from processing
High
Estimation and Modelling
Techniques
NN and Inverse Distance
High
Source: The RVN Group, 2022
The drillhole spacing was approximately
 
100m-by-100m. With this grid, the
 
grade, floor elevation and TSF
geometry
 
were
 
estimated
 
with
 
sufficient
 
confidence
 
to
 
allow
 
the
 
application
 
of
 
modifying
 
factors
 
in
sufficient
 
detail
 
to
 
support
 
mine
 
planning
 
and
 
evaluation
 
of
 
the
 
economic
 
viability
 
of
 
the
 
TSF.
 
Some
auger drill holes that did not intersect the floor, had the floor defined by the RC drill holes. All the
 
RC drill
holes intersected the floor or the base. The TSF material was classified as a Measured Mineral
 
Resource.
exhibit962p1i0
 
 
 
 
 
 
 
 
 
 
 
 
 
 
 
 
 
 
 
 
 
 
 
 
 
 
 
 
 
 
 
 
 
 
 
 
 
 
 
 
 
 
 
 
 
 
 
 
 
 
 
 
 
 
 
 
 
 
 
 
 
 
 
 
 
 
 
 
 
 
 
 
 
 
 
 
 
 
 
 
 
 
 
 
 
 
 
 
 
 
 
 
 
 
 
 
 
 
 
 
 
 
 
 
 
 
 
 
 
 
 
 
 
 
 
 
 
 
 
 
 
 
 
 
 
 
 
 
 
 
 
 
 
 
 
 
 
 
 
 
 
 
 
 
 
 
 
 
 
 
 
 
 
 
 
 
 
 
 
 
 
 
 
 
 
 
 
 
 
 
 
 
 
 
 
 
 
 
 
 
 
 
 
Technical Report Summary of the material Tailings Storage
 
Facilities
117
11.12.5
 
Mineral Resource Statement
The Mineral Resource in Table 11.20 to Table 11.21
 
is 100% attributable to DRDGOLD.
Table 11.20:
 
Ergo Mineral Resource Estimates (Inclusive)
TSF
Mineral
Resource
Category
Mineral Resources as at 30 June 2021
(Inclusive)
Mineral Resources as at 30 June 2022
(Inclusive)
Tons
(kt)
Au
(g/t)
Content
(oz)
Tons
(kt)
Au
(g/t)
Content
(oz)
7L15
Measured
17,646
0.26
147,506
 
17,646
0.26
147,506
 
Rooikraal
Measured
56,763
0.26
474,493
 
56,763
0.26
474,493
 
Sub-total Measured
Mineral Resources
74,409
0.26
621,999
74,409
0.26
621,999
Indicated Mineral
Resources
-
-
-
-
-
-
Sub-total Measured and
Indicated Mineral
Resources
74,409
0.26
621,999
74,409
0.26
621,999
Inferred Mineral
Resources
-
-
-
-
-
-
Total Mineral Resource
74,409
0.26
621,999
74,409
0.26
621,999
Source: The RVN Group, 2022
Table 11.21:
 
Ergo Mineral Resource Estimates (Exclusive)
TSF
Mineral
Resource
Category
Mineral Resources as at 30 June 2021
(Exclusive)
Mineral Resources as at 30 June 2022
(Exclusive)
Tons
(kt)
Au
(g/t)
Content
(oz)
Tons
(kt)
Au
(g/t)
Content
(oz)
7L15
Measured
-
-
-
-
-
-
Rooikraal
Measured
-
-
-
-
-
-
Sub-total Measured
Mineral Resources
-
-
-
-
-
-
Indicated Mineral
Resources
-
-
-
-
-
-
Sub-total Measured and
Indicated Mineral
Resources
-
-
-
-
-
-
Inferred Mineral
Resources
-
-
-
-
-
-
Total Mineral Resource
-
-
-
-
-
-
Source: The RVN Group, 2022
11.12.6
 
Mineral Resource Changes
There was
 
no change
 
in the
 
Mineral Resource
 
as no
 
mining or
 
additional deposition
 
was done
 
on the
Rooikraal and 7L15 TSFs.
exhibit962p1i0
Technical Report Summary of the material Tailings Storage
 
Facilities
118
11.12.7
 
Mineral Resource Risks and Uncertainty
The QP classified
 
the overall Mineral
 
Resource risk for
 
both the Rooikraal
 
and 7L15 TSFs
 
as medium due
to the low-grade margin, gold price, recovery and
 
working costs.
In the opinion of the QP, no further technical work is required as the drilling
 
program provided sufficient
data to define continuity.
11.13
 
Marievale Complex
11.13.1
 
Exploratory Data Analysis
Exploratory data
 
analysis
 
was done
 
on raw
 
and composited
 
gold
 
data (Figure
 
11.41 to
 
Figure 11.48).
Data
 
was
 
analyzed
 
as
 
raw,
 
capped
 
and
 
composites.
 
There
 
was
 
no
 
material
 
changed
 
between
 
the
data sets. The data sets distribution is symmetrical.
Based on
 
the investigation,
 
cutting or
 
capping of
 
the extreme
 
values was
 
considered. Lower
 
extreme
grades were noted and visualized in 3D space. They were
 
considered part of the population:
7L4: capping was
 
applied at 0.45g/t Au.
 
All gold grades
 
greater than 0.45g/t were
 
set as 0.45g/t;
7L5: no capping was applied as no outliers were noted;
7L6: no capping was applied as no outliers were noted;
 
and
7L7: capping was applied at 0.70g/t Au to minimize the impact
 
of extremely high values.
A study on domaining was conducted.
 
The TSFs were not domained laterally or vertically;
 
however, the
QP noted
 
the
 
vertical
 
stratification.
 
This stratification
 
aided
 
in
 
defining
 
the search
 
volume (estimation
parameter) in a vertical direction.
The gold distributions are symmetrical and the variability
 
is low, typical for a TSF.
exhibit962p1i0 exhibit962p135i2
 
 
 
 
exhibit962p135i1
 
 
 
 
Technical Report Summary of the material Tailings Storage
 
Facilities
119
Figure 11.41:
 
7L4: Distribution of Capped Raw Gold Data
Source: The RVN Group, 2022
Figure 11.42:
 
Distribution of Composited Raw Gold Data
Source: The RVN Group, 2022
exhibit962p1i0 exhibit962p136i2
 
 
 
 
exhibit962p136i1
 
 
 
 
Technical Report Summary of the material Tailings Storage
 
Facilities
120
Figure 11.43:
 
7L5: Distribution of Raw Gold Data
Source: The RVN Group, 2022
Figure 11.44:
 
7L5: Distribution of Composited Gold Data
Source: The RVN Group, 2022
exhibit962p1i0 exhibit962p137i2
 
 
 
 
exhibit962p137i1
 
 
 
 
Technical Report Summary of the material Tailings Storage
 
Facilities
121
Figure 11.45:
 
7L6: Distribution of Raw Gold Data
Source: The RVN Group, 2022
Figure 11.46: 7L6:
 
Distribution of Composited Gold Data
Source: The RVN Group, 2022
exhibit962p1i0 exhibit962p138i2
 
 
 
 
exhibit962p138i1
 
 
 
 
Technical Report Summary of the material Tailings Storage
 
Facilities
122
Figure 11.47:
 
7L7: Distribution of Raw Capped Gold Data
Source: The RVN Group, 2022
Figure 11.48:
 
7L7: Distribution of Composited Capped Gold Data
Source: The RVN Group, 2022
exhibit962p1i0
 
 
 
 
 
 
 
 
 
 
 
 
 
 
 
 
 
 
 
 
 
 
 
 
 
 
 
 
 
 
 
Technical Report Summary of the material Tailings Storage
 
Facilities
123
11.13.2
 
Modelling and Estimation Parameters
The height of the original dump benches
 
is approximately 5m to 6m. The
 
parent block sizes selected to
estimate the deposit
 
approximates half
 
the drill
 
hole spacing and
 
corresponds to
 
the bench
 
height or
multiple thereof. Sub-blocking was allowed for good volume
 
definition.
The sample search parameters are supplied in Table
 
11.22.
Table 11.22:
 
Search Parameters
Domain
Estimation Pass
Search Distance
Minimum
Number of
Composites
Maximum
Number of
Composites
Maximum
Number of
Samples Per
Drill Hole
X
(m)
Y
(m)
Z
(m)
Slime
1
400
400
6
3
10
2
2
800
800
12
3
10
2
3
1,200
1,200
18
3
10
2
Source: The RVN Group, 2022
11.13.3
 
Technical and Economic Factors
The
 
technical
 
and
 
financial
 
studies
 
completed
 
for
 
the
 
Marievale
 
Complex
 
were
 
at
 
the
 
preliminary
feasibility
 
study
 
(PFS)
 
level
 
of
 
accuracy,
 
(i.e.,
 
+/-25%)
 
as
 
presented
 
in
 
Item
 
13
 
to
 
Item
 
19.
 
The
 
QP
concluded that there are reasonable prospects
 
for economic extraction.
11.13.4
 
Mineral Resource Classification Criteria
A
 
list
 
of
 
the
 
criteria
 
used
 
to
 
classify
 
the
 
Mineral
 
Resources
 
is
 
given
 
in
 
Table
 
11.23.
 
Applying
 
these
confidence
 
levels,
 
Mineral
 
Resource
 
classification
 
codes
 
were
 
assigned
 
to
 
the
 
block
 
model.
 
A
 
low
confidence
 
in
 
one of
 
the
 
listed
 
items will
 
mean
 
classification
 
is downgraded
 
to Inferred,
 
a moderate
confidence in at least one item will mean a property
 
is Indicated while all highs mean the property is
 
in
the Measured Mineral Resource category.
exhibit962p1i0
 
 
 
 
 
 
 
 
 
 
 
 
 
 
 
 
 
 
 
 
 
 
 
 
 
 
 
 
 
 
 
 
 
 
 
 
 
 
 
 
 
 
 
 
 
 
 
 
 
 
 
 
 
 
 
 
 
 
 
 
 
 
 
 
 
 
 
 
 
 
 
 
 
 
 
 
 
 
 
 
 
 
 
 
 
 
 
 
 
 
 
 
 
 
 
 
 
 
 
 
 
 
 
 
 
 
 
 
 
 
 
 
 
 
 
 
 
 
 
Technical Report Summary of the material Tailings Storage
 
Facilities
124
Table 11.23:
 
Confidence Levels for Key Criteria for Mineral Resource
 
Classification
Items
Discussion
Confidence
Drilling Techniques
Auger drilling technique to international standards
High
Logging
Detailed logging throughout
High
Sub-sampling Techniques
and Sample Preparation
Material has previously been processed and quartering was
applied
High
Quality of Assay Data
Available data is of robust quality however there is a relatively
high variability in the lowest grade assays
High
Verification of Sampling
and Assaying
A comprehensive QC program implemented during exploration
High
Location of Sampling Points
Survey of all collars and TSFs surfaces
High
Data Density and
Distribution
Data points were well spread
High
Database Integrity
Errors identified and rectified
High
Geological Interpretation
Geometry is known accurately
High
Bulk Density
A mean density of 1.42t/m
3
 
was considered reasonable
High
Mineralization Type
Mineralization is well known from processing
High
Estimation
 
and
 
Modelling
Techniques
NN, and Inverse Distance
High
Source: The RVN Group, 2022
The
 
material
 
was
 
classified
 
as
 
a
 
Measured
 
Mineral
 
Resource
 
as
 
drill
 
hole
 
spacing
 
was
 
approximately
100m-by-100m.
 
No
 
Indicated
 
or
 
Inferred
 
Mineral
 
Resources
 
were
 
declared
 
as
 
the
 
geological
confidence derived from
 
exploration, test work and
 
Mineral Resource estimation
 
work was conclusive,
and the defined Mineral Resource can be used for mine
 
planning studies.
11.13.5
 
Mineral Resource Statement
The Mineral Resource Estimates
 
are stated as both an
 
inclusive and exclusive of Mineral Reserve
 
(Table
11.24 to Table 11.25).
Table 11.24:
 
Marievale Mineral Resource Estimates (Inclusive)
TSF
Mineral
Resource
Category
Mineral Resources as at 30 June 2021
(Inclusive)
Mineral Resources as at 30 June 2022
(Inclusive)
Tons
(kt)
Au
(g/t)
Content
(oz)
Tons
(kt)
Au
(g/t)
Content
(oz)
7L4
Measured
17,590
0.34
192 281
17,590
0.34
192,281
7L5
Measured
6,980
0.29
65 080
6,980
0.29
65,080
7L6
Measured
12,760
0.26
106 663
12,760
0.26
106,663
7L7
Measured
16,784
0.32
172 678
16,784
0.32
172,678
Sub-total Measured
Mineral Resources
54,114
0.31
536,701
54,114
0.31
536,701
Indicated Mineral
Resources
-
-
-
-
-
-
Sub-total Measured and
Indicated Mineral
Resources
54,114
0.31
536,701
54,114
0.31
536,701
Inferred Mineral
Resources
-
-
-
-
-
-
Total Mineral Resource
54,114
0.31
536,701
54,114
0.31
536,701
exhibit962p1i0
 
 
 
 
 
 
 
 
 
 
 
 
 
 
 
 
 
 
 
 
 
 
 
 
 
 
 
 
 
 
 
 
 
 
 
 
 
 
 
 
 
 
 
 
 
 
 
 
 
 
 
 
 
 
 
 
 
 
 
 
 
 
 
 
 
 
 
 
 
 
 
 
 
 
 
 
 
 
 
 
 
 
 
 
 
 
 
 
 
 
 
 
 
 
 
 
 
 
 
 
 
 
 
 
Technical Report Summary of the material Tailings Storage
 
Facilities
125
Source: The RVN Group, 2022
Table 11.25:
 
Marievale Resource Estimates (Exclusive)
TSF
Mineral
Resource
Category
Mineral Resources as at 30 June 2021
(Exclusive)
Mineral Resources as at 30 June 2022
(Exclusive)
Tons
(kt)
Au
(g/t)
Content
(oz)
Tons
(kt)
Au
(g/t)
Content
(oz)
7L4
Measured
-
-
-
-
-
-
7L5
Measured
-
-
-
-
-
-
7L6
Measured
-
-
-
-
-
-
7L7
Measured
-
-
-
-
-
-
Measured Mineral
Resources
-
-
-
-
-
-
Indicated Mineral Resources
-
-
-
-
-
-
Sub-total Measured and
Indicated Mineral Resources
-
-
-
-
-
-
Inferred Mineral Resources
-
 
-
 
-
 
-
 
-
 
-
 
Total Mineral Resources
-
-
-
-
-
-
Source: The RVN Group, 2022
Notes:
1.
 
Mineral Resources are not Mineral Reserves.
2.
 
Mineral Resources are reported exclusive of Mineral Reserves.
3.
 
Mineral Resources have been reported in accordance
 
with Subpart 1300 of Regulation S-K.
4.
 
Mineral Resources were
 
estimated using the USD1,823/oz,
 
ZAR15.60ZAR/USD and ZAR914,294ZAR/kg financial parameters
 
and recoveries
in Item 11.13.3.
5.
 
A troy ounce = 31.1034768g
6.
 
The quantities and grades have been rounded to two decimal
 
places;
 
therefore, minor computational errors may occur.
11.13.6
 
Mineral Resource Changes
There was
 
no change
 
in Mineral
 
Resource as no
 
drilling, mining,
 
or additional
 
deposition was
 
done on
Marievale Complex since the latest estimate.
11.13.7
 
Mineral Resource Risks and Uncertainty
The
 
QP’s
 
opinion
 
is
 
that
 
the
 
overall
 
grade
 
and
 
tonnage
 
estimates
 
are
 
reasonable
 
for
 
mine
 
planning
based
 
on
 
the
 
drill
 
hole
 
data
 
and
 
assay
 
statistics.
 
This
 
presents
 
a
 
low
 
risk
 
for
 
preliminary
 
feasibility
 
or
feasibility
 
mine
 
planning
 
work,
 
as
 
only
 
Mineral
 
Resources
 
with
 
the
 
highest
 
level
 
of
 
geoscientific
knowledge are included in an economic assessment.
The gold price fluctuations present the main risk to the declared
 
Mineral Resource.
Risks
 
of
 
grade
 
and
 
continuity
 
of
 
mineralization
 
were
 
mitigated
 
through
 
the
 
closely
 
spaced
 
drilling,
validation
 
procedures,
 
metallurgical
 
testing,
 
advanced
 
statistical
 
analyses
 
and
 
the
 
use
 
of
 
robust
geological modelling techniques.
The QP classified the overall Mineral Resource risk as low to medium. In the opinion of the QP, no further
technical work is required as the drilling program provided
 
enough data to define continuity.
exhibit962p1i0
Technical Report Summary of the material Tailings Storage
 
Facilities
126
11.14
 
Grootvlei Complex
11.14.1
 
Exploratory Data Analysis
Analysis
 
of
 
data
 
from
 
different
 
campaigns
 
was
 
completed
 
to
 
check
 
compatibility.
 
Tools used
 
for
 
this
were
 
box
 
plots,
 
histograms,
 
PP
 
and
 
QQ
 
plots,
 
and
 
ANOVA
 
table.
 
Datasets
 
from
 
different
 
campaigns
were then combined.
Based on
 
the high-grade
 
cap investigations,
 
high-grade caps
 
were selected
 
and applied
 
to the
 
raw
dataset. A little/insignificant reduction in the available
 
metal was noted.
6L16: gold grades were capped at 0.70g/t;
6L17: gold grades were capped at 0.69g/t;
 
and
6L17A: gold grades were capped at 0.65g/t.
Capping
 
was only
 
applied to
 
raw data
 
and its
 
impact on
 
the mean
 
was immaterial
 
for the
 
6L17 and
6L17A TSFs. One
 
sample with 16.10g/t
 
skewed the results
 
for the 6L16
 
TSF. Additional infill
 
drilling is
 
required
on 6L16
 
TSF to
 
further
 
test
 
the
 
robustness
 
of
 
the
 
high
 
grade
 
intersects,
 
which,
 
if
 
confirmed
 
by
 
the
 
infill
drilling, may support a less aggressive capping strategy.
Figure 11.54
 
to Figure
 
11.49 presents the
 
basic statistics data
 
for 6L16,
 
6L17 and
 
6L17A. Data
 
was analyzed
as raw, capped and composites. There was
 
no material changed between the data sets. The
 
data sets
show positively skewed distribution.
exhibit962p1i0 exhibit962p143i2
 
 
 
 
exhibit962p143i1
 
 
 
 
Technical Report Summary of the material Tailings Storage
 
Facilities
127
Figure 11.49:
 
6L16: Distribution of Raw Capped Gold Data
Source: The RVN Group, 2022
Figure 11.50:
 
6L16: Distribution of Composited Gold Data
Source: The RVN Group, 2022
exhibit962p1i0 exhibit962p144i2
 
 
 
 
exhibit962p144i1
 
 
 
 
Technical Report Summary of the material Tailings Storage
 
Facilities
128
Figure 11.51:
 
6L17: Distribution of Raw Capped Gold Data
Source: The RVN Group, 2022
Figure 11.52:
 
6L17: Distribution of Composited Gold Data
Source: The RVN Group, 2022
exhibit962p1i0 exhibit962p145i2
 
 
 
 
exhibit962p145i1
 
 
 
 
Technical Report Summary of the material Tailings Storage
 
Facilities
129
Figure 11.53:
 
6L17A: Distribution of Raw Capped Gold Data
Source: The RVN Group, 2022
Figure 11.54:
 
6L17A: Distribution of Composited Gold Data
Source: The RVN Group, 2022
exhibit962p1i0
 
 
 
 
 
 
 
 
 
 
 
 
 
 
 
 
 
 
 
 
 
 
 
 
 
 
 
 
 
 
Technical Report Summary of the material Tailings Storage
 
Facilities
130
11.14.2
 
Modelling and Estimation Parameters
The parent
 
block size for
 
the TSF
 
was largely based
 
on the
 
average drill spacing
 
and sample compositing
interval.
 
The
 
height
 
of
 
the
 
original
 
dump
 
benches
 
is
 
approximately
 
5m
 
to
 
6m.
 
The
 
parent
 
block
 
sizes
selected to estimate the deposit approximates the drill hole spacing for the 6L17 and 6L17 TSFs, half the
drill hole spacing
 
for 6L16
 
TSFs and
 
maps the
 
bench height. Sub-blocking
 
was allowed for
 
a good volume
definition.
The sample search parameters are supplied in Table
 
11.26.
Table 11.26:
 
Search Parameters: Inverse Distance Estimation
 
Method
Domain
Estimation Pass
Search Distance
Minimum
Number of
Composites
Maximum
Number of
Composites
X
(m)
Y
(m)
Z
(m)
Grootvlei
1
400
400
10
5
20
2
800
800
20
5
20
3
1,200
1,200
30
5
20
Source: The RVN Group, 2022
11.14.3
 
Technical and Economic Factors
The Mineral
 
Resource Estimates
 
for the 6L16,
 
6L17 and
 
6L17A TSFs
 
were declared
 
considering the
 
initial
assessment completed.
 
The Grootvlei
 
TSFs are
 
not included
 
in the
 
LoM plan.
 
The cut-off
 
grade details
are presented in Table 11.2.
11.14.3.1
 
Site Infrastructure
Roads:
Access
 
to
 
the
 
Grootvlei
 
Complex
 
is
 
via
 
the
 
N17
 
highway
 
and
 
a
 
network
 
of
 
well-maintained
paved road system. The operation is accessed via
 
gravel roads.
Power:
Power requirements
 
are primarily
 
for the operation
 
of pumps
 
and site
 
offices. Power
 
is sourced
from the national supplier, Eskom. There is a power
 
supply near the TSFs.
Site
 
Offices
 
and
 
Workshop:
 
Site
 
offices
 
are
 
typically
 
established
 
by
 
mining
 
contractors
 
as
 
part
 
of
 
the
mining contract.
 
Workshops for
 
the maintenanc
 
e
 
of roads,
 
pumps and
 
pipelines
 
is based
 
at the
 
Ergo
processing plant and no additional infrastructure is required.
The Grootvlei
 
Complex is
 
situated in
 
the City
 
of Ekurhuleni,
 
so other
 
specialized services could
 
be sourced
from the private workshops.
Pumps
 
and
 
Pipelines:
 
Before
 
mining
 
can
 
start,
 
the
 
pump
 
station
 
and
 
pipeline
 
to
 
the
 
Ergo
 
processing
plant in Brakpan will be required to be completed. As other TSFs in the same vicinity are in the LoM plan
with a detailed pipeline plan, it is the QP’s view
 
that a shorter (less than 5km) pipeline will be required to
connect the Grootvlei TSFs to the other planned pipeline network (for
 
Daggafontein TSF in the LoM plan
done at PFS level).
Tailings
 
Deposition
 
Site:
 
Ergo
 
has
 
sufficient
 
tailings
 
deposition
 
capacity
 
at
 
their
 
Brakpan/Withok
 
TSF
 
to
accommodate all
 
material from
 
Grootvlei Complex
 
,
 
in addition
 
to the
 
tons in
 
the LoM
 
plan provided
regulatory approval
 
for the
 
Brakpan/Withok TSF
 
final design
 
is obtained.
 
See Item
 
15.7 and
 
Item 19.3.2
for more information on the deposition plans.
exhibit962p1i0
Technical Report Summary of the material Tailings Storage
 
Facilities
131
11.14.3.2
 
Mine Design and Planning
Mine design
 
and planning will
 
be similar to
 
the one
 
in Item
 
13.1.1. A
 
production rate of
 
600ktpm (200ktpm
per TSF) is assumed due to the pipeline capacity as the TSFs could be mined together
 
with others in the
same vicinity.
11.14.3.3
 
Processing Plant
The Grootvlei Complex material could be processed at
 
the Ergo processing plant (see Item 10.5.).
11.14.3.4
 
Environmental Compliance and Permitting
Ergo’s Prospecting Rights covering the Grootvlei Complex
 
are presented in Item 3.3.
Ergo complies with all environmental and
 
social responsibilities as required by the
 
MPRDA, as amended.
No known environmental
 
issues were identified during
 
the site visit and
 
documentation review. There
 
is
an EMP approved
 
by the DMRE.
 
There are no
 
exclusions of material
 
or area due
 
to Environmental,
 
Social
and Governance considerations.
As discussed in Item 3.6, there is a competing ownership
 
claim over the Grootvlei Complex.
11.14.3.5
 
Initial Assessment Results
The QP’s opinion is that
 
there is a reasonable prospect
 
for economic extraction based on
 
the total mix
of technical and economic factors discussed.
11.14.4
 
Mineral Resource Classification Criteria
A
 
list
 
of
 
the
 
criteria
 
used
 
to
 
classify
 
the
 
Mineral
 
Resources,
 
in
 
addition
 
to
 
the
 
statistical
 
parameters,
 
is
given
 
in
 
Table
 
11.27.
 
Applying
 
these
 
confidence
 
levels,
 
Mineral
 
Resource
 
classification
 
codes
 
were
assigned
 
to
 
the
 
block
 
model.
 
A
 
low
 
confidence
 
in
 
one
 
of
 
the
 
listed
 
items
 
will
 
mean
 
classification
 
is
downgraded to Inferred, a moderate confidence in at least one item will mean a property is Indicated
while all highs mean the property is in the Measured Mineral
 
Resource category.
exhibit962p1i0
 
 
 
 
 
 
 
 
 
 
 
 
 
 
 
 
 
 
 
 
 
 
 
 
 
 
Technical Report Summary of the material Tailings Storage
 
Facilities
132
Table 11.27:
 
Confidence Levels for Key Criteria for Mineral Resource
 
Classification
Items
Discussion
Confidence
Drilling Techniques
Auger and RC drilling technique to international standards
High
Logging
Detailed logging throughout
High
Drill Sample Recovery
The sample recovery was considered satisfactory and was
acceptable for Mineral Resource estimation
High
Sub-sampling
Techniques and
Sample Preparation
Material has previously been processed and quartering was applied
High
Quality of Assay Data
Available data is of robust quality however there is a relatively high
variability in the lowest grade assays
High
Verification of
Sampling and
Assaying
Full QC program implemented during exploration
High
Location of Sampling
Points
Survey of all collars and TSFs surfaces
High
Data Density and
Distribution
Data points were well spread, though widely spaced. Approximately
100m-by-100m spacing was followed for 6L17 and 6L17A TSFs. 6L16 TSF
has an average drill hole spacing of 200m-by-200m
High (6L17
and 6L17A)
Moderate for
6L16
Database Integrity
Errors identified and rectified
High
Geological
Interpretation
Geometry is known accurately
High
Bulk Density
A mean density of 1.42t/m
3
 
was considered reasonable
High
Mineralization Type
Mineralization is well known from processing
High
Estimation and
Modelling
Techniques
NN and Inverse Distance
High
Source: The RVN Group, 2022
The drill
 
hole
 
spacing
 
was
 
approximately
 
100-by-100m
 
on the
 
6L17
 
and
 
6L17A
 
TSFs. With
 
this
 
grid,
 
the
grade,
 
floor
 
elevation
 
and
 
TSF
 
geometry
 
were
 
estimated
 
with
 
sufficient
 
confidence
 
to
 
allow
 
the
application
 
of
 
modifying
 
factors
 
in
 
sufficient
 
detail
 
to
 
support
 
mine
 
planning
 
and
 
evaluation
 
of
 
the
economic viability of the
 
TSFs. The 6L17 and
 
6L17A TSFs were
 
classified in the Measured
 
Mineral Resource
category. The 6L16
 
TSF was declared
 
as Indicated Mineral
 
Resource, as the
 
drill space is
 
too wide (200m-
by-200m).
The
 
data
 
or
 
supporting
 
information
 
is
 
derived
 
from
 
adequately
 
detailed
 
and
 
reliable
 
exploration,
sampling
 
and testing
 
and is
 
sufficient to
 
assume
 
geological
 
and grade
 
or quality
 
continuity between
the points of observation.
11.14.5
 
Mineral Resource Statement
The Mineral
 
Resource Estimates for
 
the Grootvlei
 
Complex is
 
presented in
 
Table 11.28.
 
No Mineral
 
Reserve
was declared on the Grootvlei TSFs, so exclusive and
 
inclusive are equal.
exhibit962p1i0
 
 
 
 
 
 
 
 
 
 
 
 
 
 
 
 
 
 
 
 
 
 
 
 
 
 
 
 
 
 
 
 
 
 
 
 
 
 
 
 
 
 
 
 
 
 
 
 
 
 
 
 
 
 
 
 
 
 
 
 
 
 
 
 
 
 
 
 
 
 
 
 
 
 
 
 
 
 
 
 
 
 
 
 
Technical Report Summary of the material Tailings Storage
 
Facilities
133
Table 11.28:
 
Grootvlei Complex Mineral Resource Estimates (Exclusive)
TSF
Mineral
Resource
Category
Mineral Resources as 30 June 2021
(Exclusive)
Mineral Resources as at 30 June 2022
(Exclusive)
Tons
(kt)
Au
(g/t)
Content
(oz)
Tons
(kt)
Au
(g/t)
Content
(oz)
6L17
Measured
49,320
0.26
412,275
49,320
0.26
412,275
6L17A
Measured
16,716
0.26
140,807
16,716
0.26
140,807
Sub-total Measured
Mineral Resources
66,036
0.26
553,082
66,036
0.26
553,082
6L16
Indicated
41,619
0.26
347,901
41,619
0.26
347,901
Sub-total Indicated
Mineral Resources
41,619
0.26
347,901
41,619
0.26
347,901
Sub-total Measured and
Indicated Mineral
Resources
107,655
0.26
900,984
107,655
0.26
900,984
Inferred Mineral
Resources
-
-
-
-
-
-
Total Mineral Resource
107,655
0.26
900,984
107,655
0.26
900,984
Source: The RVN Group, 2022
11.14.6
 
Mineral Resource Changes
There was no
 
change in Mineral Resource
 
as no additional drilling,
 
mining,
 
additional deposition or
 
study
was done on the Grootvlei Complex.
11.14.7
 
Mineral Resource Risks and Uncertainty
The renewal
 
of the Prospecting
 
Right for the
 
Grootvlei Complex
 
is a risk.
 
The application
 
to renew
 
was
launched in 2019 and Ergo is awaiting the granting of the Prospecting Permit from the DMRE. This report
has considered section 18(5) of the MPRDA, as ame
 
nded:
A prospecting
 
right in respect
 
of which an
 
application for
 
renewal has
 
been lodged
 
shall despite
 
its
expiry date remain in force until such time as such application
 
has been granted or refused.
There is an ownership claim as detailed in Item 3.6.
The QP classified the overall Mineral Resource
 
risk as high.
 
In the opinion of the QP, no further technical
work is required as the drilling program provided sufficient
 
data to define continuity.
11.15
 
5A10/5L27 Sand Dumps
11.15.1
 
Exploratory Data Analysis
Exploratory data
 
analysis was
 
performed on
 
gold grades.
 
No capping
 
was applied
 
as data
 
shows no
extreme values.
 
Samples
 
were composited
 
to 6m
 
interval.
 
The mean
 
did not
 
change
 
materially
 
after
compositing into 6m interval.
Figure 11.55 and Figure 11.56 present the basic statistical data
 
for the 5A10/5L27 sand dumps.
 
Data was
analysed as raw, capped and composites. There
 
was no material changed between the
 
data sets. The
data sets show positively skewed distribution.
exhibit962p1i0 exhibit962p150i2
 
 
 
 
exhibit962p150i1
 
 
 
 
Technical Report Summary of the material Tailings Storage
 
Facilities
134
Figure 11.55:
 
5A10/5l27:
 
Distribution of Raw Gold Data
Source: The RVN Group, 2022
Figure 11.56:
 
5A10/5l27:
 
Distribution of Composited Gold Data
Source: The RVN Group, 2022
exhibit962p1i0
 
 
 
 
 
 
 
 
 
 
 
 
 
 
 
 
 
 
 
 
 
 
 
 
 
 
 
 
 
 
Technical Report Summary of the material Tailings Storage
 
Facilities
135
11.15.2
 
Modelling and Estimation Parameters
The parent
 
block size
 
for the
 
sand dumps
 
was largely
 
based on
 
the average
 
drill spacing
 
and sample
compositing
 
interval.
 
The
 
height
 
of
 
the
 
original
 
sand
 
dump
 
benches
 
is
 
approximately
 
5m
 
to
 
6m.
 
The
parent block
 
sizes selected
 
to estimate
 
the deposit
 
approximates the
 
drill hole
 
spacing and
 
maps the
bench height. Sub-blocking was allowed for a good
 
volume definition.
The sample search parameters are supplied in
Table
 
11.29
.
Table
 
11.29:
 
Search Parameters: Inverse Distance Estimation Method
Domain
Estimation Pass
Search Distance
Minimum
Number of
Composites
Maximum
Number of
Composites
X
(m)
Y
(m)
Z
(m)
5A10/5l27
100
100
50
4
10
100
200
200
100
4
10
200
300
200
200
4
10
300
Source: The RVN Group, 2022
11.15.3
 
Technical and Economic Factors
The QP
 
declared the
 
Mineral Resource
 
estimate for
 
the 5A10/5L27
 
sand dumps
 
considering technical
and economic studies in Item 13 to Item 19.
11.15.4
 
Mineral Resource Classification Criteria
A list of the
 
criteria used to classify the
 
Mineral Resources in addition to
 
the statistical parameters is given
in
 
Table
 
11.30.
 
Applying
 
these
 
confidence
 
levels,
 
the
 
Mineral
 
Resource
 
classification
 
codes
 
were
assigned to the block model.
exhibit962p1i0
 
 
 
 
 
 
 
 
 
 
 
 
 
 
 
 
 
 
 
 
 
 
 
 
Technical Report Summary of the material Tailings Storage
 
Facilities
136
Table 11.30:
 
Confidence Levels for Key Criteria for Mineral Resource
 
Classification
Items
Discussion
Confidence
Drilling Techniques
Auger and drilling technique to international standards
High
Logging
Detailed logging throughout
High
Drill Sample Recovery
The sample recovery was considered satisfactory and was
acceptable for Mineral Resource estimation
High
Sub-sampling Techniques
and Sample Preparation
Material has previously been processed and quartering was
applied
High
Quality of Assay Data
Available data is of robust quality however there is a relatively
high variability in the lowest grade assays
High
Verification of Sampling
and Assaying
Full QC program implemented during exploration
High
Location of Sampling Points
Survey of all collars and TSFs surfaces
High
Data Density and
Distribution
Data points were well spread, though widely spaced.
Approximately 50m-by-100m spacing was followed. Where drill
holes did not intersect the base, holes were completed on the
edge
High
Database Integrity
Errors identified and rectified
High
Geological Interpretation
Geometry is known accurately
High
Bulk Density
A mean density of 1.42t/m
3
 
was considered reasonable
High
Mineralization Type
Mineralization is well known from processing
High
Estimation and Modelling
Techniques
NN and Inverse Distance
High
Source: The RVN Group, 2022
The drill hole spacing enabled the QP to define gold grades, floor elevation and sand dump geometry.
This
 
provide
 
the
 
QP
 
conclusive
 
confidence
 
to
 
allow
 
the
 
application
 
of
 
modifying
 
factors
 
in
 
sufficient
detail to support mine planning
 
and evaluation of the economic
 
viability of the sand
 
dumps. The sand
dumps were
 
classified
 
as
 
Measured
 
Mineral
 
Resources.
 
The data
 
or
 
supporting
 
information
 
is derived
from the adequately detailed and reliable exploration, sampling and testing and is sufficient to assume
geological
 
and
 
grade
 
or
 
quality
 
continuity
 
between
 
points
 
of
 
observation.
 
The
 
resource
 
model
 
and
production
 
data
 
reconciled
 
well
 
with
 
less
 
than
 
a
 
1%
 
grade
 
difference.
 
This
 
was
 
also
 
considered
 
in
classifying the 5A10/5L27 sand dumps as Measured Mineral
 
Resources.
exhibit962p1i0
 
 
 
 
 
 
 
 
 
 
 
 
 
 
 
 
 
 
 
 
 
 
 
 
 
 
 
 
 
 
 
 
 
 
 
 
 
 
 
 
 
 
 
 
 
 
 
 
 
 
 
 
 
 
 
 
 
 
 
 
 
 
 
 
 
 
 
 
 
 
 
 
 
 
 
 
 
 
 
 
 
 
 
 
 
 
 
 
 
 
 
 
 
 
 
 
 
 
 
 
 
 
 
 
 
 
 
 
 
 
 
 
 
 
 
 
 
 
 
 
 
 
 
 
 
 
 
 
 
 
 
 
 
 
 
 
 
 
 
 
 
 
 
 
 
 
 
 
 
 
 
 
 
 
 
 
 
 
 
 
 
 
 
 
 
 
 
 
 
 
 
 
 
Technical Report Summary of the material Tailings Storage
 
Facilities
137
11.15.5
 
Mineral Resource Statement
The Mineral
 
Resource
 
estimates
 
for
 
the
 
5A10/5L27
 
sand
 
dumps
 
are
 
presented
 
in
 
Table
 
11.28
 
to
 
Table
11.32.
Table 11.31:
 
5A10/5L27 Mineral Resource Estimates (Inclusive)
TSF
Mineral
Resource
Category
Mineral Resources as 30 June 2021
(Inclusive)
Mineral Resources as at 30 June 2022
(Inclusive)
Tons
(kt)
Au
(g/t)
Content
(oz)
Tons
(kt)
Au
(g/t)
Content
(oz)
5L27 (East)
Measured
5,965
0.48
92,054
3,979
0.49
60,467
5L27 (North)
Measured
4,288
0.28
38,601
4,288
0.28
38,601
5A10
Measured
2,117
0.61
41,519
1,595
0.61
31,285
Sub-total Measured Mineral
Resources
12,370
0.43
172,174
9,862
0.42
128,075
Indicated Mineral
Resources
-
-
-
-
-
-
Sub-total Measured and
Indicated Mineral
Resources
12,370
0.43
172,174
9,862
0.42
128,075
Inferred Mineral Resources
-
-
-
-
-
-
Total Mineral Resource
12,370
0.43
172,174
9,862
0.42
128,075
Source: The RVN Group, 2022
Table 11.32:
 
5A10/5L27 Mineral Resource Estimates (Exclusive)
TSF
Mineral
Resource
Category
Mineral Resources as 30 June 2021
(Exclusive)
Mineral Resources as at 30 June 2022
(Exclusive)
Tons
(kt)
Au
(g/t)
Content
(oz)
Tons
(kt)
Au
(g/t)
Content
(oz)
5L27
Measured
-
-
-
-
-
-
5A10
Measured
-
-
-
-
-
-
Sub-total Measured Mineral
Resources
-
-
-
-
-
-
Indicated Mineral
Resources
-
-
-
-
-
-
Sub-total Measured and
Indicated Mineral
Resources
-
-
-
-
-
-
Inferred Mineral Resources
-
-
-
-
-
-
Total Mineral Resource
-
-
-
-
-
-
Source: The RVN Group, 2022
11.15.6
 
Mineral Resource Changes
Mining took place on the
 
5A10 sand dump reclaiming
 
808kt at 0.61g/t Au in the
 
last financial year. The
mined and modelled tonnage and grades reconciled
 
well.
exhibit962p1i0 exhibit962p154i1
 
 
 
 
Technical Report Summary of the material Tailings Storage
 
Facilities
138
11.15.7
 
Mineral Resource Risks and Uncertainty
The
 
QP’s
 
opinion
 
is
 
that
 
the
 
overall
 
grade
 
and
 
tonnage
 
estimates
 
are
 
reasonable
 
for
 
mine
 
planning
based on the borehole
 
data and assay statistics.
 
Production data reconciled well with
 
the block model.
The
 
gold
 
price
 
fluctuations
 
and
 
lower
 
grades
 
of
 
sand
 
material
 
present
 
the
 
main
 
risk
 
to
 
the
 
declared
Mineral Resource.
The QP classified the overall Mineral Resource risk as low to medium. In the opinion of the QP, no further
technical work is required as the drilling program provided
 
enough data to define continuity.
11.16
 
Daggafontein TSF
11.16.1
 
Exploratory Data Analysis
The QP tested if there
 
was a material difference
 
in the gold grades from
 
the various drilling campaigns
to ascertain if the datasets
 
from the different campaigns
 
were compatible. Figure 11.57
 
shows the box
plots
 
of
 
the
 
different
 
campaigns.
 
The
 
difference
 
was
 
considered
 
minor
 
by
 
the
 
QP.
 
The
 
2017
 
drilling
campaign reported
 
slightly higher
 
grades. This
 
campaign,
 
however only
 
comprised two
 
drill holes
 
(on
either side of the TSF
 
east and west). Analysis of variance and a Tukey (Honest Significant Differences)
HSD plot showed
 
that there is
 
a difference in
 
sample means
 
between 2017
 
and the other
 
campaigns.
The QP
 
investigated the
 
differences and
 
concluded that
 
the difference
 
is due
 
to the
 
amount of
 
data
per campaign and spatial distribution
 
of the data point.
 
Accordingly, the QP concluded that
 
data from
the campaigns could be combined.
Figure 11.57:
 
Boxplots for the Different Drilling Campaigns
Source: The RVN Group, 2022
exhibit962p1i0 exhibit962p155i1
 
 
 
 
Technical Report Summary of the material Tailings Storage
 
Facilities
139
The
 
drill
 
hole
 
individual
 
sample
 
gold
 
grades
 
are
 
positively
 
skewed.
 
The
 
mean
 
of
 
the
 
gold
 
grades
 
is
0.24g/t.
Based
 
on
 
the
 
statistical
 
investigation,
 
cutting
 
or
 
capping
 
of
 
the
 
extreme
 
values
 
was
 
not
 
considered
(Figure 11.58). Lower
 
extreme grades were
 
noted and visualized in
 
3D space. They
 
were considered part
of the population.
Figure 11.58:
 
Log Probability Plot
Source: The RVN Group, 2022
A study on domaining
 
was conducted. This was
 
done through analysis
 
of zones based on
 
TSF material,
color and
 
spatial grade analysis.
 
The TSF
 
was not
 
domained laterally or
 
vertically, however, the
 
QP noted
the vertical stratification. This stratification aided in
 
defining the search volume in the vertical direction.
No capping was applied.
11.16.2
 
Modelling and Estimation Parameters
The parent
 
block size for
 
the TSF
 
was largely based
 
on the
 
average drill spacing
 
and sample compositing
interval.
exhibit962p1i0
 
 
 
 
 
 
 
 
 
 
 
 
 
 
 
 
 
 
 
 
 
 
 
 
 
 
 
 
 
 
 
 
 
 
 
 
 
 
 
 
 
 
 
 
 
 
 
 
 
 
 
 
Technical Report Summary of the material Tailings Storage
 
Facilities
140
The sample search parameters are supplied in Table
 
11.33.
Table 11.33:
 
Search Parameters
Domain
Estimation Pass
Search Distance
Minimum
Number of
Composites
Maximum
Number of
Composites
Maximum
Number of
Samples Per
Drill Hole
X
(m)
Y
(m)
Z
(m)
Slime
1
500
500
6
5
20
4
2
1,000
1,000
12
5
20
4
3
1,500
1,500
18
5
20
4
Source: The RVN Group, 2022
11.16.3
 
Technical and Economic Factors
The QP
 
declared the
 
Mineral Resource
 
estimates for
 
the Daggafontein
 
TSF considering
 
technical and
economic studies in Item 13 to Item 19.
The Daggafontein
 
TSF's average
 
gold grade
 
is 0.24g/t,
 
which is
 
above the
 
cut-off grade
 
presented
 
in
Table 11.2.
 
Selective mining
 
of the
 
TSF is
 
not practiced
 
by Ergo,
 
therefore a
 
cut-off is
 
not a
 
block level
but it is for the entire TSF. If a TSF mean grade is above cut
 
-off, it is considered for the Mineral Resource.
The QP’s opinion is that
 
there is a reasonable prospect
 
for economic extraction based on
 
the total mix
of technical and economic
 
factors discussed.
11.16.4
 
Mineral Resource Classification Criteria
A list of
 
the criteria used
 
to classify the
 
Mineral Resources is
 
given in Table
 
11.34 below. Applying
 
these
confidence levels, Mineral Resource classification codes
 
were assigned to the block model.
Table
 
11.34:
 
Confidence Levels for Key Criteria for Mineral Resource Classification
Items
Discussion
Confidence
Drilling Techniques
RC drilling technique to international standards
High
Logging
Detailed logging throughout
High
Sub-sampling Techniques and
Sample Preparation
Material has previously been processed and quartering
was applied
High
Quality of Assay Data
Available data is of robust quality however there is a
relatively high variability in the lowest grade assays
High
Verification of Sampling and Assaying
Full QC program implemented during exploration
High
Location of Sampling Points
Survey of all collars and TSFs surfaces
High
Data Density and Distribution
Data points were well spread. No drilling under water
Moderate
(low for
underwater
material)
Database Integrity
Errors identified and rectified
High
Geological Interpretation
Geometry is known accurately
High
Bulk Density
A mean density of 1.42t/m
3
 
was considered reasonable
High
Mineralization Type
Mineralization is well known from processing
High
Estimation and Modelling Techniques
NN, Inverse Distance and Ordinary Kriging
High
Source: The RVN Group, 2022
exhibit962p1i0
 
 
 
 
 
 
 
 
 
 
 
 
 
 
 
 
 
 
 
 
 
 
 
 
 
 
 
 
 
 
 
 
 
 
 
 
 
 
 
 
 
 
 
 
 
 
 
 
 
 
 
 
 
 
 
 
 
 
 
 
 
 
 
 
 
 
 
 
 
 
 
 
 
 
 
 
 
 
 
 
exhibit962p157i1
 
 
 
 
Technical Report Summary of the material Tailings Storage
 
Facilities
141
Where drill hole spacing is less than 250m,
 
the material was classified as an Indicated
 
Mineral Resource
(Figure 11.59). An
 
Inferred Mineral Resource
 
was defined for
 
the area under
 
water where drilling
 
could
not be done and grades were estimated on the second
 
pass i.e., up to 1,000m drilling space.
Figure 11.59:
 
Mineral Resource Classification
Source: The RVN Group, 2022
11.16.5
 
Mineral Resource Statement
The Mineral Resource is stated in Table 11.35 and
 
Table 11.36.
Table 11.35:
 
Daggafontein TSF Mineral Resource Estimate (Inclusive)
TSF
Mineral
Resource
Category
Mineral Resources as 30 June 2021
(Inclusive)
Mineral Resources as at 30 June 2022
(Inclusive)
Tons
(kt)
Au
(g/t)
Content
(oz)
Tons
(kt)
Au
(g/t)
Content
(oz)
Measured Mineral Resources
-
-
-
-
-
-
Indicated Mineral Resources
192,793
0.24
1,487,625
192,793
0.24
1,487,625
Sub-total Measured and
Indicated Mineral Resources
192,793
0.24
1,487,625
192,793
0.24
1,487,625
Inferred Mineral Resources
21,318
0.24
164,494
21,318
0.24
164,494
Total Mineral Resources
214,111
0.24
1,652,119
214,111
0.24
1,652,119
Source: The RVN Group, 2022
exhibit962p1i0
 
 
 
 
 
 
 
 
 
 
 
 
 
 
 
 
 
 
 
 
 
 
 
 
 
 
 
 
 
 
 
 
 
 
 
 
 
 
 
 
 
 
 
 
 
 
 
 
 
 
 
 
 
 
 
 
 
 
 
 
 
 
 
 
 
 
 
 
 
 
 
 
 
 
 
 
 
 
 
 
Technical Report Summary of the material Tailings Storage
 
Facilities
142
Table 11.36:
 
Daggafontein TSF Mineral Resource Estimate (Exclusive)
TSF
Mineral
Resource
Category
Mineral Resources as 30 June 2021
(Exclusive)
Mineral Resources as at 30 June 2022
(Exclusive)
Tons
(kt)
Au
(g/t)
Content
(oz)
Tons
(kt)
Au
(g/t)
Content
(oz)
Measured Mineral Resources
-
-
-
-
-
-
Indicated Mineral Resources
-
-
-
-
-
-
Sub-total Measured and
Indicated Mineral Resources
-
-
-
-
-
-
Inferred Mineral Resources
21,318
0.24
164,494
21,318
0.24
164,494
Total Mineral Resources
21,318
0.24
164,494
21,318
0.24
164,494
Source: The RVN Group, 2022
11.16.6
 
Mineral Resource Changes
There was
 
no change
 
in the
 
Mineral Resource
 
from June
 
2021 to
 
June 2022
 
as no additional
 
drilling or
studies were completed on the Daggafontein TSF.
11.16.7
 
Mineral Resource Risks and Uncertainty
The
 
QP’s
 
opinion
 
is
 
that
 
the
 
overall
 
grade
 
and
 
tonnage
 
estimates
 
are
 
reasonable
 
for
 
mine
 
planning
based on the drill hole data
 
and assay statistics. The Inferred
 
portion of the Mineral Resource could
 
not
be
 
sufficiently
 
drilled
 
as
 
this
 
portion
 
of
 
the
 
TSF
 
remains
 
saturated
 
and
 
its
 
estimation
 
was
 
based
 
on
extrapolation.
 
This presents
 
a low
 
risk
 
for preliminary
 
feasibility
 
or feasibility
 
mine
 
planning
 
work, as
 
no
Inferred Resource was included in an economic assessment.
The gold price fluctuations and lower grades present
 
the main risk to the declared Mineral Resource.
Risks
 
of
 
grade
 
and
 
continuity
 
of
 
mineralization
 
were
 
mitigated
 
through
 
infill
 
drilling,
 
validation
procedures,
 
metallurgical
 
testing,
 
advanced
 
statistical
 
analyses
 
and
 
the
 
use
 
of
 
robust
 
geological
modelling techniques.
The QP classified the overall Mineral Resource risk as low to medium. In the opinion of the QP, no further
technical work is
 
required as the
 
drilling program provided sufficient
 
data to define
 
continuity. No drilling
in the waterlogged area is recommended.
exhibit962p1i0
 
 
 
 
 
 
 
 
 
 
 
 
 
 
 
 
 
 
 
 
 
 
 
 
 
 
 
 
 
 
 
 
 
 
 
 
 
 
 
 
 
 
 
 
 
 
 
 
 
 
 
 
 
 
 
 
 
 
 
 
 
 
 
 
 
 
 
 
 
 
 
 
 
 
 
 
 
 
 
 
 
 
 
 
 
 
 
 
 
 
 
 
 
 
 
 
 
 
 
 
 
 
 
 
 
 
Technical Report Summary of the material Tailings Storage
 
Facilities
143
11.17
 
Summary Mineral Resource Estimates
Table 11.37
 
presents the
 
summary of the
 
Mineral Resource
 
estimates (inclusive)
 
for the 18
 
TSFs and
 
the
one sand
 
dump. The
 
Mineral Resource
 
estimates are
 
reported as
 
inclusive of
 
the Mineral
 
Reserve and
the reference point is in situ.
Table 11.37:
 
Inclusive Mineral Resources of the 19 Material Properties
 
as at 30 June 2022
Complex
TSF/Sand Dump
Category
Mineral Resources as at 30 June
2021 (Inclusive)
Mineral Resources as at 30 June
2022 (Inclusive)
Tons
(kt)
Au
(g/t)
Content
(oz)
Tons
(kt)
Au
(g/t)
Content
(oz)
City Deep
4L3
Measured
13,134
0.32
135,126
13,134
0.32
135,126
4L4
Measured
4,738
0.32
48,746
4,738
0.32
48,746
4L6
Measured
2,410
0.31
24,020
2,410
0.31
24,020
Knights
4L14
Measured
6,638
0.29
61,891
6,638
0.29
60,824
4L50
Measured
6,756
0.26
56,475
3,418
0.26
27,216
Ergo
7L15
Measured
17,646
0.26
147,506
17,646
0.26
147,506
Rooikraal
Measured
56,763
0.26
474,493
56,763
0.26
474,493
Marievale
7L4
Measured
17,590
0.34
192,281
17,590
0.34
192,281
7L5
Measured
6,980
0.29
65,080
6,980
0.29
65,080
7L6
Measured
12,760
0.26
106,663
12,760
0.26
106,663
7L7
Measured
16,784
0.32
172,678
16,784
0.32
172,678
Grootvlei
6L17
Measured
49,320
0.26
412,275
49,320
0.26
412,275
6L17A
Measured
16,716
0.26
140,807
16,716
0.26
139,732
5A10/5L27
5A10/5L27
Measured
11,985
0.43
164,623
9,862
0.42
128,075
Sub-total Measured Mineral Resources
240,220
0.29
2,202,664
234,759
0.28
2,134,715
Grootvlei
6L16
Indicated
41,619
0.26
347,901
41,619
0.26
347,901
Daggafontein
Daggafontein
Indicated
192,793
0.24
1,487,625
192,793
0.24
1,487,625
Crown
Mooifontein
(3L7)
Indicated
67,559
0.23
499,577
67,559
0.23
499,577
GMTS (3L8)
Indicated
107,450
0.25
863,649
107,450
0.25
863,649
Diepkloof (3L5)
Indicated
97,988
0.23
724,589
97,988
0.23
724,589
Sub-total Indicated Mineral Resources
507,409
0.24
3,923,341
507,409
0.24
3,923,341
Sub-total Measured and Indicated Mineral
Resources
747,629
0.25
6,126,005
742,168
0.25
6,058,056
Daggafontein
Daggafontein
Inferred
21,318
0.24
164,494
21,318
0.24
164,494
Sub-total Inferred Mineral Resources
21,318
0.24
164,494
21,318
0.24
164,494
Total Material Mineral Resources
768,947
0.25
6,290,499
763,486
0.25
6,222,550
Source: The RVN Group, 2022
Notes:
i.
 
Mineral Resources are not Mineral Reserves.
ii.
 
Mineral Resources are reported inclusive of Mineral Reserves.
iii.
 
Mineral Resources have been reported in accordance with
 
Subpart 1300 of Regulation S-K
iv.
 
Mineral Resources
 
were estimated
 
using the
 
USD1,823/oz, ZAR15.60/USD,
 
ZAR914,294/kg financial
 
parameters and
 
recoveries
in Table 11.2
v.
 
A troy ounce = 31.1034768g
vi.
 
Quantities and grades were rounded to reflect the accuracy
 
of the estimates; and if any apparent errors are insignificant
exhibit962p1i0
 
 
 
 
 
 
 
 
 
 
 
 
 
 
 
 
 
 
 
 
 
 
 
 
 
 
 
 
 
 
 
 
 
 
 
 
 
 
 
 
 
 
 
 
 
 
 
 
 
 
 
 
 
 
 
 
 
 
 
 
 
 
 
 
 
 
 
 
 
 
 
 
 
 
 
 
 
 
 
 
 
 
 
 
 
 
 
 
 
 
 
 
 
 
 
 
 
 
 
 
 
 
 
 
 
 
 
 
 
 
 
 
Technical Report Summary of the material Tailings Storage
 
Facilities
144
Table 11.38 presents exclusive Mineral Resource estimates
 
for the material properties.
Table 11.38:
 
Exclusive Mineral Resources of the 19 Material Properties
 
as at 30 June 2022
Complex
TSF/Sand
Dump
Category
Mineral Resources as at 30 June
2021 (Exclusive)
Mineral Resources as at 30 June
2022 (Exclusive)
Tons
(kt)
Au
(g/t)
Content
(oz)
Tons
(kt)
Au
(g/t)
Content
(oz)
City Deep
4L3
Measured
-
-
-
-
-
-
4L4
Measured
-
-
-
-
-
-
4L6
Measured
-
-
-
-
-
-
Knights
4L14
Measured
-
-
-
-
-
-
4L50
Measured
-
-
-
-
-
-
Ergo
7L15
Measured
-
-
-
-
-
-
Rooikraal
Measured
-
-
-
-
-
-
Marievale
7L4
Measured
-
-
-
-
-
-
7L5
Measured
-
-
-
-
-
-
7L6
Measured
-
-
-
-
-
-
7L7
Measured
-
-
-
-
-
-
Grootvlei
6L17
Measured
-
-
-
49,320
0.26
412,275
6L17A
Measured
-
-
-
16,716
0.26
140,807
5A10/5L27
5A10/5L27
Measured
-
-
-
-
-
-
Sub-total Measured Mineral Resources
-
-
-
66,036
0.26
553,082
Grootvlei
6L16
Indicated
41,619
0.26
347,901
41,619
0.26
347,901
Daggafontein
Daggafontein
Indicated
192,793
0.24
1,487,625
-
-
-
Crown
Mooifontein
(3L7)
Indicated
67,559
0.23
499,577
67,559
0.23
499,577
GMTS (3L8)
Indicated
107,450
0.25
863,649
107,450
0.25
863,649
Diepkloof
(3L5)
Indicated
97,988
0.23
724,589
97,988
0.23
724,589
Sub-total Indicated Mineral Resources
507,409
0.24
3,923,342
314,616
0.24
2,435,716
Sub-total Measured and Indicated Mineral
Resources
507,409
0.24
3,923,342
380,652
0.24
2,988,798
Daggafontein
Daggafontein
Inferred
21,318
0.24
164,494
21,318
0.24
164,494
Total Inferred Mineral Resources
21,318
0.24
164,494
21,318
0.24
164,494
Total Material Mineral Resource
528,727
0.24
4,087,835
401,970
0.24
3,153,292
Source: The RVN Group, 2022
Notes:
i.
 
Mineral Resources are not Mineral Reserves.
ii.
 
Mineral Resources are reported exclusive of Mineral Reserves.
iii.
 
Mineral Resources have been reported in accordance with
 
Subpart 1300 of Regulation S-K
iv.
 
Mineral Resources
 
were estimated
 
using the
 
USD1,823/oz, ZAR15.60/USD,
 
ZAR914,294/kg financial
 
parameters and
 
recoveries
in Table 11.2
v.
 
A troy ounce = 31.1034768g
vi.
 
Quantities and grades were rounded to reflect the accuracy
 
of the estimates; and if any apparent errors are insignificant
exhibit962p1i0
 
 
 
 
 
 
 
 
 
 
 
 
 
 
 
 
 
 
 
 
 
 
 
 
 
 
 
 
 
 
 
 
 
 
 
 
 
 
 
 
 
 
 
 
 
 
 
 
 
 
 
 
 
 
 
 
 
 
 
 
 
 
 
 
 
 
 
 
 
 
 
 
 
 
 
 
 
 
 
 
 
 
 
 
 
 
 
 
 
 
 
 
 
 
 
 
 
 
 
 
 
 
Technical Report Summary of the material Tailings Storage
 
Facilities
145
The total
 
Mineral
 
Resource
 
Estimates
 
for Ergo
 
are
 
presented
 
in
 
Table
 
11.39 and
 
Table
 
11.40. The
 
total
Mineral Resource consisted of 19 material properties
 
and 79 small TSFs and clean-up sites. The changes
in
 
Mineral
 
Resource
 
from
 
June
 
2021
 
to
 
June
 
2022
 
are
 
due
 
to
 
depletion
 
of
 
20.48Mt
 
at
0.33g/t Au and minor survey adjustments of 2.94Mt at 0.20g/t
 
Au as presented on Figure 11.60.
Table 11.39:
 
Ergo Inclusive Mineral Resources Statement as at 30 June
 
2022
Mineral Resources
Classification
Mineral Resources as at 30 June 2021
(Inclusive)
Mineral Resources as at 30 June 2022
(Inclusive)
Tons
(Mt)
Au
(g/t)
Content
(Moz)
Tons
(Mt)
Au
(g/t)
Content
(Moz)
Measured Mineral Resources
282.95
0.31
2.81
266.25
0.31
2.64
Indicated Mineral Resources
574.95
0.25
4.61
568.21
0.25
4.55
Sub-total Measured and
Indicated Mineral Resources
857.90
0.27
7.42
834.45
0.27
7.19
Inferred Mineral Resources
21.32
0.24
0.16
21.32
0.24
0.16
Total
Mineral Resources
879.22
0.27
7.58
855.77
0.27
7.35
Source: The RVN Group, 2022
Table
 
11.40:
 
Ergo Exclusive Mineral Resources Statement as at 30 June 2022
Mineral Resources
Classification
Mineral Resources as at 30 June 2021
(Exclusive)
Mineral Resources as at 30 June 2022
(Exclusive)
Tons
(Mt)
Au
(g/t)
Content
(Moz)
Tons
(Mt)
Au
(g/t)
Content
(Moz)
Measured Mineral Resources
-
-
-
66.04
0.26
0.55
Indicated Mineral Resources
574.95
0.25
4.61
375.41
0.25
3.02
Sub-total Measured and
Indicated Mineral Resources
574.95
0.25
4.61
441.45
0.25
3.57
Inferred Mineral Resources
21.32
0.24
0.16
21.32
0.24
0.16
Total
Mineral Resources
596.27
0.25
4.77
462.77
0.25
3.77
Source: The RVN Group, 2022
exhibit962p1i0 exhibit962p162i1
Technical Report Summary of the material Tailings Storage
 
Facilities
146
Figure 11.60:
 
Mineral Resource Reconciliation (Inclusive)
Source: The RVN Group, 2022
11.18
 
QP’s Opinion
In the QP’s opinion, all relevant technical and
 
economic factors that may likely affect the
 
prospects
 
of
economic
 
extraction,
 
were
 
adequately
 
considered
 
for
 
the
 
Mineral
 
Resources
 
reported.
 
The
 
QP
recommended no further work.
exhibit962p1i0
 
 
 
 
 
 
 
 
 
 
 
 
 
 
 
 
 
 
 
 
 
 
 
 
 
 
 
 
 
 
 
 
 
 
 
 
 
 
 
 
 
 
Technical Report Summary of the material Tailings Storage
 
Facilities
147
12
 
Mineral Reserve Estimates
This Item includes discussion and
 
comments on the conversion of
 
Mineral Resources to Mineral Reserves.
Specifically,
 
comments
 
are
 
provided
 
on
 
the
 
key
 
assumptions,
 
parameters
 
and
 
methods
 
(modifying
factors) used to estimate the 30 June 2022 Mineral Reserve.
Mineral Reserves
 
estimates are affected
 
by multiple
 
factors that change
 
over time. Fluctuations
 
in the
gold price, exchange rates, legislation in the operating country, other reporting jurisdictions and a wide
range
 
of
 
operating
 
conditions
 
may
 
affect
 
the
 
Mineral
 
Reserve
 
estimates.
 
Estimates
 
of
 
the
 
Mineral
Reserves should be considered best estimates at the
 
time of reporting.
The level
 
of the
 
study conducted
 
to support
 
the declaration of
 
the 30
 
June 2022
 
Mineral Reserve is
 
based
on a
 
mine plan
 
and design
 
conducted to
 
a PFS level
 
of accuracy
 
(i.e., +/-25%)
 
with a
 
maximum level
of contingency
 
of 15%.
 
Ergo utilizes
 
Measured and
 
Indicated Mineral
 
Resources incorporated
 
into the
LoM plan. No Inferred Mineral Resources have been
 
used in the LoM plan.
12.1
 
Grade Control and Reconciliation
The
 
Ergo
 
LoM
 
plan
 
and
 
schedule
 
for
 
the
 
individual
 
TSFs
 
is
 
based
 
on
 
3-D
 
geological
 
models,
 
which
provides
 
grade,
 
density,
 
and
 
volume
 
for
 
each
 
individual
 
block.
 
The
 
planning
 
department
 
takes
 
this
information and establishes a grade for the
 
proposed mining cut, typically in the order
 
of 15m. The mine
plan accounts for each block, resulting in a tonnage and
 
grade estimate for the entire mining block or
mining cut. The mining cut is then sequenced and scheduled.
Ergo
 
conducts
 
grade
 
and
 
tonnage
 
reconciliations
 
on
 
a
 
quarterly
 
basis
 
with
 
no
 
material
 
difference
between the planned and actual grade and tonnages
 
observed.
Table 12.1:
 
Reconciliation of RoM Head Grade (Au)
Year
Plan RoM Head
Grade
(g/t)
Actual RoM Head
Grade
(g/t)
Head Grade
Difference
(g/t)
Percentage
Difference
(%)
2019/2020
0.358
0.354
-0.003
-1.13%
2020/2021
0.354
0.363
0.009
2.54%
2021/2022
0.347
0.366
0.018
5.19%
Source: The RVN Group, 2022
Table 12.2:
 
Reconciliation of RoM Tonnage
Year
Measured Survey
Tonnage
(kt)
Processing Plant
Tonnage
(kt)
Tonnage
Difference
(kt)
Percentage
Difference
(%)
2019/2020
20 265
20 086
-179
-0.9%
2020/2021
22 884
22 949
66
0.7%
2021/2022
22 810
21 553
-1 527
-6.7%
Source: The RVN Group, 2022
exhibit962p1i0
 
 
 
 
 
 
 
 
 
 
 
 
 
 
 
 
Technical Report Summary of the material Tailings Storage
 
Facilities
148
The above results (Table
 
12.1 and Table 12.2)
 
indicate no material difference between
 
the planned and
actual grade and planned
 
and actual tonnages for years
 
2019/20 and 2020/21. However,
 
the 2021/22
reconciliation between planned and actual grade indicates a 5.2% increase in the gold grade (0.35g/t
versus 0.37g/t). Further, the
 
reconciliation showed a
 
6.7% decrease in the
 
planned tonnage during
 
the
same period. The higher grade
 
is associated with mining some
 
mineralized material not in the
 
mine plan
nor in the
 
Mineral Reserve,
 
which was
 
mined at a
 
higher grade than
 
anticipated. The
 
decrease in
 
the
tonnage was due to power issues at Knights
 
section. Knights was negatively affected by load shedding
(scheduled and
 
unscheduled power
 
cuts). Ergo
 
is addressing
 
this issue
 
by introducing
 
back-up power
generators and installing a
 
power cable from
 
City Deeps to
 
supply Knights with
 
power from Eskom
 
rather
than City
 
Power. The
 
supply
 
of Eskom
 
power will
 
result in
 
advised power
 
reduction
 
rather than
 
power
cuts without any warning, which was the case with City
 
Power.
12.2
 
Cut-off Grade Estimation
The cut-off
 
grade, for
 
the purposes
 
of the
 
Mineral Reserve
 
definition, is
 
defined as
 
the grade
 
at which
the value
 
of the
 
contained metal
 
in a
 
unit quantity
 
is equivalent
 
to the
 
cost of
 
its production,
 
i.e., the
breakeven grade.
Cut-off Grade
=
Total On-Mine Production Costs
(Metal Market Price
 
Off-Mine Costs) x Recovery
The gold price
 
and other operational inputs
 
are discussed in various
 
Items of this
 
Report; plant recoveries
are reviewed in Item
 
14,
 
Item 16 reports on
 
marketing and pricing, and operating costs
 
are commented
on in Item 18. The cut-off grade and
 
Mineral Reserve grades for the source
 
areas are provided in Table
12.3.
 
Note
 
that
 
due
 
to
 
the
 
nature
 
of
 
mining
 
TSFs,
 
the
 
cut-off
 
grade
 
is
 
not
 
based
 
on
 
a
 
block
 
value
 
or
individual sections of the
 
TSF but based on
 
the total TSF (i.e.,
 
if the entire TSF
 
grade is above the
 
cut-off
grade, the TSF will be mined.
Table 12.3:
 
Cut-off Grade and Mineral Reserve Grades
Source Area
Plant Recovery
(%)
Cut-off Au Grade
(g/t)
Mineral Reserve Au Grade
(g/t)
Ergo
40,87
0.24
0.28
Source: The RVN Group, 2022
Notes:
1.
 
The cut-off grade
 
provided above is
 
based on the
 
June 2022 LoM
 
plan and used
 
to validate the
 
30 June 2022
 
Mineral Resource and
Mineral Reserve estimation.
2.
 
Gold price ZAR914,294/kg (Item 16).
3.
 
On-mine cost ZAR90.86/t (Item 18).
4.
 
Off-mine cost ZAR0.00/t.
The various
 
modifying factors i.e.,
 
mining, metallurgical, processing,
 
infrastructure, economic, marketing,
legal,
 
environmental,
 
and governmental factors are discussed in Item 13 to
 
Item 19
exhibit962p1i0
Technical Report Summary of the material Tailings Storage
 
Facilities
149
12.3
 
Estimation and Modelling Techniques
Ergo reports its Mineral
 
Resources and Mineral
 
Reserves in accordance
 
with the Regulation S-K
 
1300. In
no case has Measured Mineral Resources been downgraded
 
to a Probable Mineral Reserve category.
Other than geological modelling, no other modelling or estimation techniques are used in the
 
selection
of Mineral Reserves. Selection for inclusion in the Mineral Reserves
 
is based on the average grade of the
TSF being above the required cut-off grade.
The following comments are relevant in the conversion
 
of Mineral Resources to Mineral Reserves:
there is no mining dilution, as each of the TSFs is to be
 
mined and processed in their entirety;
no allowance has been made for mining losses; and
a LoM
 
plan has
 
been generated
 
,
 
reviewed and
 
tested for
 
economic viability
 
in a
 
discounted
cash
 
flow
 
(DCF)
 
model.
 
Cognizance
 
has
 
been
 
taken
 
of
 
the
 
geotechnical
 
considerations
regarding the
 
safety of
 
the operation
 
and long-term
 
stability of
 
the TSF
 
walls, and
 
the working
considerations are
 
based on operational
 
practices as
 
provided by Fraser
 
Alexander (Proprietary)
Limited, a tailings design, management and mining company.
12.4
 
Mineral Reserve Classification Criteria
The
 
Mineral
 
Reserve
 
classification
 
of
 
Proven
 
and
 
Probable
 
is
 
a
 
function
 
of
 
the
 
Mineral
 
Resource
classification
 
with
 
due
 
considerations
 
of
 
the
 
minimum
 
criteria
 
for
 
the
modifying
 
factors
 
as
considered in
 
the S-K1300.
 
In no
 
case has
 
Measured Mineral Resources
 
been downgraded to
 
a Probable
Mineral Reserve Category.
Due to
 
the length
 
of approval
 
times for
 
the renewal
 
of permits,
 
some of
 
the Mineral
 
Reserves may
 
be
based on
 
permits (approvals)
 
still in
 
the process
 
of being
 
renewed. At
 
this time,
 
there is
 
no indication
that
 
these renewals
 
will
 
not be
 
granted
 
and
 
therefore
 
have
 
been
 
used
 
in
 
the
 
LoM plan
 
and
 
Mineral
Reserve statement.
12.5
 
Mineral Reserves Statement
Mineral
 
Reserves
 
are
 
based
 
on
 
the
 
30
 
June
 
2022,
 
LoM
 
plan
 
and
 
schedule.
 
The
 
Ergo
 
Mineral
 
Reserve
statement as at 30 June 2022 is provided in Table 12.4 along with the previous Mineral Reserves as at 30
June 2021.
The QP confirms that the Mineral Reserve statement presented in Table 12.4 is
 
disclosed in accordance
to the S-K1300 guidelines.
exhibit962p1i0
 
 
 
 
 
 
 
 
 
 
 
 
 
 
 
 
 
 
 
 
 
 
 
 
 
 
 
 
 
 
 
 
 
 
 
 
 
 
 
 
 
 
 
 
 
 
 
 
 
 
 
 
 
 
 
 
 
 
 
 
 
 
 
 
 
Technical Report Summary of the material Tailings Storage
 
Facilities
150
Table 12.4:
 
Ergo TSF Mineral Reserves Statement as at 30
 
June 2022
Mineral Reserve
Classification
Mineral Reserves as at 30 June 2021
Mineral Reserves as at 30 June 2022
Tons
(Mt)
Au
(g/t)
Contents
(Moz)
Tons
(Mt)
Au
(g/t)
Contents
(Moz)
Proven
29.36
0.295
0.28
200.21
0.33
2.09
Probable
253.59
0.311
2.53
192.79
0.24
1.49
Total Mineral Reserves
282.95
0.309
2.81
393.00
0.28
3.58
Source: The RVN Group, 2022
Notes:
1.
 
Tons and grades were rounded, and this may result
 
in minor adding discrepancies.
2.
 
The Mineral Reserve has been reported in accordance
 
with the classification criteria defined in the Regulation
 
S-K 1300.
3.
 
The Mineral Reserve is estimated using the USD1,823/oz, ZAR15.60/USD
 
and ZAR914,294ZAR/kg financial parameters.
4.
 
No mining losses or dilution has been applied
 
in the conversion process nor has a mine call factor
 
been applied.
5.
 
Tonnage and grade RoM delivered to the processing
 
plant.
6.
 
The attributable Mineral Reserve is 100% of the total Mineral
 
Reserve.
The QP responsible
 
for the
 
reporting and
 
sign-off of
 
the Mineral
 
Reserve is
 
Professor Steven
 
Rupprecht.
Professor Rupprecht
 
is a Fellow
 
of the Southern
 
African Institute of
 
Mining and Metallurgy
 
(SAIMM) with
more than five years of experience relevant to the evaluation and
 
reporting of TSF Mineral Reserves.
Table 12.5
 
depicts the
 
Mineral Reserve
 
reconciliation between
 
30 June
 
2021, and
 
30 June 2022.
 
Some
20.48Mt was
 
depleted through
 
mining operations;
 
66.04Mt was
 
removed from
 
the Mineral
 
Reserve by
the removal of the Grootvlei TSFs from the LoM plan;
 
2.94Mt was subtracted due to survey adjustments,
and a
 
further 192.79Mt
 
added to
 
the LoM
 
plan with
 
the inclusion
 
of the
 
Daggafontein TSF
 
and 6.72Mt
for
 
additional
 
TSFs
 
upgraded
 
from
 
Indicated
 
Mineral
 
Resources
 
to
 
the
 
Probable
 
Mineral
 
Reserve
category.
 
Based
 
on the
 
above,
 
a total
 
tonnage
 
of 110.06Mt
 
has
 
been
 
added,
 
resulting
 
in
 
a 30
 
June
2022 Mineral Reserve of 393.00Mt at a grade of 0.28g/t.
Table 12.5:
 
Mineral Reserve Reconciliation
Source
Tons
(Mt)
Au Grade
(g/t)
Content
(Moz)
Mineral Reserve as at 30 June 2021
282.95
0.31
2.81
Depletion through Mining Operations
(20.48)
0.33
(0.22)
Survey Adjustment
(2.94)
0,20
(0.01)
Inclusion of Daggafontein TSF in the LoM Plan
192.79
0.24
1.49
Exclusion of a Grootvlei TSF
(66.04)
0.26
(0.55)
Inclusion of 4 TSFs in the LoM Plan
6.72
0.26
0.06
Mineral Reserve as at 30 June 2022
393.00
0.28
3.58
Source: The RVN Group, 2022
Note: Quantities and grades have been rounded to two
 
decimal places,
 
therefore minor computational errors may occur.
The
 
various
 
modifying
 
factors,
 
i.e.,
 
mining,
 
metallurgical,
 
processing,
 
infrastructure,
 
economic,
marketing, legal,
 
environmental,
 
and governmental
 
factors, will
 
be discussed
 
in the
 
following Items
 
of
this Report.
exhibit962p1i0
Technical Report Summary of the material Tailings Storage
 
Facilities
151
12.6
QP Statement on the Mineral Reserve Estimation
The Mineral Reserves declared are estimated from the
 
30 June 2022 LoM plan which was
 
developed for
the Ergo operations and is based on the Mineral Resource Estimates as at
 
30 June 2021, depleted to 30
June 2022 together with a
 
set of modifying factors based
 
on recent operational results,
 
and economic
inputs provided by
 
Ergo.
 
The assumptions applied
 
in determining the
 
modifying factors and
 
economic
inputs are reasonable and appropriate. The LoM plan is in sufficient detail to ensure achievability and is
based
 
on
 
historical
 
achievements.
 
All
 
the
 
inputs
 
used
 
in
 
the
 
estimation
 
of
 
the
 
Mineral
 
Reserves
 
have
been thoroughly reviewed and can be considered
 
technically robust.
Apart from the Marievale Complex (a low to medium risk
 
due to ownership issues), the QP applies a low
risk
 
to the
 
Mineral
 
Reserves
 
but acknowledges
 
there
 
are
 
several
 
external
 
factors that
 
can
 
impact
 
on
Mineral Reserves, such as
 
infrastructural, marketing, financial,
 
environmental,
 
social and governmental
aspects.
exhibit962p1i0
 
 
 
 
 
 
 
 
 
 
 
 
 
 
 
 
 
 
Technical Report Summary of the material Tailings Storage
 
Facilities
152
13
 
Mining Methods
Ergo’s
 
business
 
is
 
the
 
retreatment
 
of
 
old
 
gold
 
bearing
 
sand
 
dumps
 
and
 
slimes
 
dams
 
(termed
 
TSFs)
 
to
recover gold. Consequently, Ergo has acquired an extensive inventory of gold bearing sand and slimes
TSFs spread across the Central
 
and East Rand goldfields produced from
 
the historical processing of gold
ores of
 
the Witwatersrand
 
Supergroup,
 
by the
 
gold
 
mines that
 
operated
 
across the
 
gold
 
fields. These
mines are now mostly
 
defunct and stretch from
 
the Crown, City
 
Deep and Knights processing
 
plants in
the Central Rand to the south of Johannesburg to the Grootvlei Mine in the East Rand over some 70km.
The result of
 
Ergo’s retreatment
 
is the creation
 
of a ‘new’
 
TSF, which
 
tailings are deposited
 
on a mega
TSF (Brakpan/Withok TSF)
 
designed to modern
 
standards. In
 
this way, Ergo
 
plays a dual
 
role in creating
value and cleaning up the environment.
Ergo consists of
 
the processing plant
 
and pipeline infrastructure,
 
the mining rights,
 
licenses and permits
to access
 
a large
 
number of
 
surface Mineral
 
Resources (old
 
tailings, slimes
 
and sand
 
dumps) and
 
the
active Brakpan/Withok TSF.
Table 13.1 indicates Ergo’s historical operation
 
results. The results show that
 
since 2017 Ergo has declined
from
 
nearly
 
25Mtpa
 
to
 
21.5Mtpa.
 
During
 
the
 
2020
 
and
 
2021
 
financial
 
years
 
(FYs),
 
production
 
was
adversely affected by
 
the Covid-19
 
pandemic and
 
in 2022 was
 
influenced by
 
power restrictions (load
shedding).
 
The 2022
 
tonnage profile
 
was also
 
lower due
 
to a
 
deliberate decision
 
by management
 
to
mine higher grade material as part of a clean-up operation which
 
in turn sacrificed low grade volume.
Although operational tonnage was lower than planned, operational performances
 
were boosted by a
higher
 
gold
 
price
 
received
 
for
 
FY2022
 
(ZAR894,409/kg),
 
FY2021
 
(ZAR917,996/kg)
 
and
 
FY2020
(ZAR768,675/kg) reporting robust
 
net cashflows. Ergo
 
has adjusted
 
the planned RoM
 
tonnage in the
 
2022
LoM plan targeting about 22Mtpa in the short to medium term
 
and 21.6Mtpa in the longer term.
Table 13.1:
 
Historical Ergo Operational Results
Year
FY2022
FY2021
FY2020
FY2019
FY2018
FY2017
Tonnage (t) ('000)
21,111
22,952
20,228
23,162
24,281
24,958
Gold Produced (kg)
4,156
4,263
3,989
4,493
4,679
4,265
Yield (g/t)
0,188
0,186
0,197
0,194
0,193
0,171
Source: DRDGOLD, 2022
13.1
 
Mining Method
The current mining methods
 
applied by Ergo are
 
suitable for all TSFs (dumps)
 
(Figure 13.1). No selective
mining will occur with the entire TSF being
 
processed. No selective mining is the result
 
of four conditions
inherent in the DRDGOLD operation of reclaiming the dumps:
there is nowhere on the mining sites to dump the below cut-off
 
grade material;
the mining method is not conducive to selective
 
mining;
 
and
the operation is a
 
rehabilitation exercise, and all mineralized
 
material must be removed
 
from the
site, and
 
it is,
 
therefore, economically beneficial
 
to process
 
all material, even
 
low-grade material.
Concurrent rehabilitation
 
takes place
 
which reduces
 
the environmental
 
impact as
 
well as
 
the
rehabilitation liabilities
exhibit962p1i0 exhibit962p169i1
 
 
 
 
Technical Report Summary of the material Tailings Storage
 
Facilities
153
Figure 13.1:
 
Typical Tailing Storage Facility
Source: DRDGOLD, 2022
13.1.1
 
Hydraulic Mining
The
 
use
 
of
 
water
 
plus
 
energy
 
to
 
mine
 
unconsolidated
 
material
 
has
 
a
 
long
 
history.
 
Documented
 
and
physical evidence indicates
 
widespread and sophisticated
 
use in the Californian
 
goldfields in the mid-
19th century. Thousands
 
of kilometers
 
of ditches and
 
flumes were constructed
 
to gravitate
 
water from
the mountains
 
to generate
 
sufficient
 
pressure
 
to “flush”
 
the
 
alluvial
 
gravel
 
beds into
 
sluices. In
 
recent
years,
 
however,
 
the
 
most
 
popular
 
techniques
 
have
 
been
 
based
 
on
 
hydraulic
 
mining
 
used
 
to
 
mine
unconsolidated
 
materials,
 
alluvial
 
deposits,
 
freshly
 
blasted
 
ores
 
and
 
for
 
the
 
recovery
 
(or
 
mining)
 
of
dewatered TSFs.
Hydraulic mining is
 
loosely defined as excavating
 
material from its
 
in situ state
 
using water. A stream
 
of
water is directed at the mining face to
 
mechanically breaking and/or softening the material so that the
water flow
 
can carry
 
it away.
 
The application
 
or
 
effectiveness
 
of the
 
method is
 
a function
 
of various
factors
 
ranging
 
from
 
the
 
size,
 
velocity
 
and
 
pressure
 
of
 
the
 
water
 
stream
 
to
 
the
 
location,
 
hardness,
particle size and moisture content of the material to be mined.
Hydraulic
 
mining
 
is
 
typically
 
undertaken
 
using
 
100mm
 
or
 
150mm
 
monitor
 
guns
 
(Figure
 
13.2),
 
with
increased production achieved by
 
including additional units. Hydraulic
 
mining provides a high degree
of
 
flexibility
 
that
 
allows
 
simultaneous
 
mining
 
at
 
several
 
points
 
over
 
a
 
wide
 
range
 
of
 
production
 
rates.
Consequently, grade blending is readily achievable.
exhibit962p1i0 exhibit962p170i1
 
 
 
 
Technical Report Summary of the material Tailings Storage
 
Facilities
154
Figure 13.2:
 
Example of Hydraulic Mining
Source: DRDGOLD, 2022
Hydraulic
 
mining
 
in
 
semi
 
or
 
near-saturated
 
conditions
 
is
 
possible
 
and
 
common
 
and
 
has
 
a
 
clear
advantage over load-and-haul operations.
 
Hydraulic mining does
 
not create,
 
but rather ameliorate the
airborne
 
dust
 
problem
 
often
 
associated
 
with
 
fine
 
TSFs
 
and
 
dry
 
mining
 
techniques.
 
A
 
typical
 
generic
hydraulic mining system is shown in Figure 13.3.
exhibit962p1i0 exhibit962p171i1
 
 
 
 
Technical Report Summary of the material Tailings Storage
 
Facilities
155
Figure 13.3:
 
Hydraulic Mining Process Diagram
Source: J Engels,
 
No Date
Note: the pumps have been excluded for clarity
The planning of hydraulic mining considers several
 
factors:
the required production rate;
the life of the operation;
the type of material to be
 
mined (including hardness, density,
 
grading, specific gravity,
 
degree
of contamination (vegetation));
the site topography, shape and form of the TSF;
the slurry quality requirements;
the pumping distances;
 
and
water, power, equipment and labor availability.
Considering
 
the
 
abovementioned
 
aspects
 
allows
 
the
 
size
 
and
 
number
 
of
 
monitor
 
guns
 
to
 
be
determined. Essentially, most applications
 
require 1m
3
 
of water per dry ton
 
to be mined aiming for
 
50%
solids.
 
A
 
monitor
 
gun
 
can
 
be
 
fitted
 
with
 
different
 
diameter
 
nozzles
 
(100mm
 
or
 
150mm)
 
that
 
allow
production rates to be “fine-tuned”.
exhibit962p1i0 exhibit962p172i1
 
 
 
 
Technical Report Summary of the material Tailings Storage
 
Facilities
156
Before the
 
slurry enters
 
the pumping
 
facilities, it
 
is usually
 
necessary to
 
pass the
 
slurry through
 
a screen
or
 
series
 
of
 
screens
 
depending
 
upon
 
the
 
degree
 
of
 
contamination
 
and
 
oversize.
 
Satellite
 
pumps
transport
 
slime
 
into
 
a
 
thickener
 
or
 
header
 
tank
 
ahead
 
of
 
the
 
processing
 
plant
 
that
 
accommodates
surges in flow, grading or density.
Hydraulic
 
mining
 
provides
 
slurry
 
feedstock
 
to
 
the
 
mineral
 
processing
 
plant
 
continuously.
 
To
 
maintain
production,
 
high
 
pressure
 
water
 
must
 
be
 
ensured.
 
Slurry
 
densities
 
and
 
production
 
rates
 
will
 
not
 
be
achieved
 
if
 
the
 
water
 
pressure
 
is
 
not
 
maintained.
 
Critical
 
to
 
hydraulic
 
mining
 
is
 
consistent
 
high
 
slurry
densities. If densities
 
drop, less tonnage
 
is delivered to
 
the processing plant,
 
thus increasing the
 
mining
cost. Figure 13.4 demonstrates a cross-sectional view of mining
 
a TSF.
Figure 13.4:
 
Typical Mining Method for a TSF
Source: DRDGOLD, 2018
13.1.2
 
Conventional Load, Haul and Slurry
A second mining method employed
 
by Ergo is the
 
use of front-end loaders
 
(FEL) to load slimes
 
and sand
(Figure 13.5). In
 
these cases, the
 
FELs load from
 
the bottom of
 
the dump and
 
transport the mineralized
material to a feed hopper which feeds a conveyor.
 
The conveyor transports (Figure 13.6 to Figure
 
13.8)
the mineralized
 
material to the
 
satellite pump
 
station where
 
it is
 
mixed with
 
water to form
 
a slurry
 
then
pumped to
 
the processing
 
plant. In
 
other cases,
 
the FELs
 
load directly
 
onto trucks
 
for transport
 
to the
processing plant.
exhibit962p1i0 exhibit962p173i2
 
 
 
 
exhibit962p173i1
 
 
 
 
Technical Report Summary of the material Tailings Storage
 
Facilities
157
Figure 13.5:
 
Example of Loading with a FEL
Source: DRDGOLD, 2022
Figure 13.6:
 
Example of Loading with a FEL into a Hopper
Source: DRDGOLD, 2022
exhibit962p1i0 exhibit962p174i2
 
 
 
 
exhibit962p174i1
 
 
 
 
Technical Report Summary of the material Tailings Storage
 
Facilities
158
Figure 13.7:
 
Example of Material on Conveyor
Source: DRDGOLD, 2022
Figure 13.8:
 
Slurry Point for Loading
Source: DRDGOLD, 2022
exhibit962p1i0
Technical Report Summary of the material Tailings Storage
 
Facilities
159
13.2
 
Mining Sections
Ergo re-treats slimes and
 
sand dumps from three
 
sections,
 
as depicted in Figure
 
13.9, the West
 
Section,
Central
 
Section, and
 
the
 
East
 
Section.
 
Figure
 
13.10
 
provides
 
an
 
overview
 
of the
 
Ergo
 
operations
 
and
pipelines from the West Rand to East Rand.
In terms of the LoM plan and the Mineral Reserve statement, the following
 
TSFs are considered material
for Ergo:
4L3 (13.1Mt);
Rooikraal TSF (56.8Mt);
7L15 TSF (17.1Mt);
Marievale Complex (54.1Mt);
 
and
Daggafontein TSF (192.8Mt).
The following TSFs, excluding
 
the material TSFs listed
 
above, are reported on
 
an aggregate basis, as
 
they
are included in the LoM plan and cumulatively make
 
the Ergo operation economically viable.
exhibit962p1i0 exhibit962p176i1
 
 
 
 
Technical Report Summary of the material Tailings Storage
 
Facilities
160
Figure 13.9:
 
Ergo Sections
Source: DRDGOLD, 2022
exhibit962p1i0 exhibit962p177i1
 
 
 
 
Technical Report Summary of the material Tailings Storage
 
Facilities
161
Figure 13.10:
 
Ergo Operations Overview
Source: DRDGOLD, 2022
Note: overview purposes only
exhibit962p1i0
 
 
 
 
 
 
 
 
 
 
 
 
 
 
 
 
 
 
 
 
 
 
 
 
 
 
 
 
 
 
 
 
 
 
 
 
 
 
 
 
 
 
 
 
Technical Report Summary of the material Tailings Storage
 
Facilities
162
13.2.1
 
West Rand
No Mineral Reserve was declared.
13.2.2
 
Central Rand Section – City Section
Mining areas located from
 
Soweto to City Deep
 
are planned to be
 
loaded and hauled to
 
the City
Deep Basin or alternatively 4L25. Slurry is
 
pumped from the City Deep Basin via a
 
600ktpm (500mm
NB pipe)
 
pipeline to
 
the Ergo
 
processing plant.
 
Operations from
 
the City
 
Section are
 
planned to
be completed in September 2027 and the Knights
 
Section will be completed in June 2024.
Table 13.2 and Table 13.4
 
depict the working places
 
in the Central Rand that
 
are included in the
LoM
 
plan
 
and
 
include
 
sites
 
that
 
are
 
being
 
mined
 
on
 
a
 
contract
 
basis
 
and
 
not
 
included
 
in
 
the
Mineral Reserve.
Table 13.2:
 
Central Rand (City Section)
Workplace
Tonnage
(kt)
Grade
AU
(g/t)
Recovery
(%)
Steady State
Mining Rate
(ktpm)
Commentary
3L1 Sand and 3A1
201
0.63
64.1
20
Mined in 2026
3L40
204
0.30
46.0
50
Mined in 2022 to 2023
4L42
300
0.30
46.0
75
Mined in 2022
3L43
150
0,45
52.7
50
Mined in 2022
4L2
252
0.30
46.0
100
Mined in 2022 to 2023
4L25 LG
1 518
0.31
46.1
150
Mined in 2022 to 2023
4L3
13,134
0.32
45.9
320
Mined in 2022 to 2026
4L4
4,738
0.31
47.8
140
Mined in 2023 to 2027
4L6
2,410
0.60
44.2
140
Mined in 2023 to 2024
3L30 Rob Deep Slime
216
0.60
73.3
40
Mined in 2022
3L30 Rob Deep Sand
15
1.00
62,5
20
Mined in 2022 to 2023
(Rehabilitation)
Valley Silts
3,760
0.60
64.9
80
Mined in 2022 to 2026
Genesis (3A11)
164
0.42
62.5
50
Contract-Mined in 2022
Cons Dump Cluster
794
0.63
51.4
65
Contract-Mined in 2026
Total
27,856
Source: The RVN Group, 2022
exhibit962p1i0
 
 
 
 
 
 
 
 
 
 
 
 
 
 
 
 
 
 
 
 
 
 
 
 
 
 
 
 
 
 
 
 
 
 
 
 
 
 
 
 
 
 
 
 
 
 
 
 
 
 
 
Technical Report Summary of the material Tailings Storage
 
Facilities
163
Table 13.3:
 
Central Rand (Knights
 
Section)
Workplace
Tonnage
(kt)
Grade
Au
(g/t)
Recovery
(%)
Steady State
Mining Rate
(ktpm)
Commentary
4A18 - E
 
and S Sand
130
0.60
62.2
10
Mined in 2022
4A18 - 4A30 Sand
204
0.50
55.2
17
Mined in 2022
4A18 -4A19 Sand
216
0.60
62.2
18
Mined in 2022
4A18 - 4L13 Sand
46
0.60
62.3
10
Mined in 2022
4A18 - BGM Dumps
Sand
2,256
0.60
62.8
34
Contract - Mined in 2022
4A18 - Benoni Cluster
Sand
1,200
0.56
59.6
60
Mined in 2023 to 2024
Consolidated Dumps
via 5/L/27
645
0.38
41.0
80
Mined in 2024
4L18 -Ezekiel
130
0.40
43.5
20
Mined in 2022
4L18 - 4L19 Slime
292
0.65
65.2
40
Mined in 2022
4L18 - 4L8 Slime
120
0.48
52.9
15
Mined in 2022
4L18 - Primrose Slime
398
0.60
62.3
40
Mined in 2023 to 2024
Cedar and 50/50
350
0.36
37.7
40
Mined in 2023 to 2024
Cason Slime and
Lycast Clean-up
50
0.63
64.2
15
Mined in 2022
Cedar and 50/50
881
0.47
52.3
100
Mined in 2022
Total
6,919
Source: The RVN Group, 2022
13.2.3
 
East Rand Section
Table
 
13.4
 
indicates
 
the
 
TSF
 
planned
 
working
 
sites
 
located
 
in
 
the
 
East
 
Rand
 
-
 
Ergo
 
Section,
including sites that are being mined on a contract basis,
 
and not included in the Mineral Reserve.
exhibit962p1i0
 
 
 
 
 
 
 
 
 
 
 
 
 
 
 
 
 
 
 
 
 
 
 
 
 
 
 
 
 
 
 
 
 
 
 
 
 
 
 
 
 
 
 
 
 
 
 
 
 
 
 
 
 
 
 
 
 
 
 
 
 
Technical Report Summary of the material Tailings Storage
 
Facilities
164
Table 13.4:
 
East Rand Section (Ergo Section)
Workplace
Tonnage
(kt)
Grade
(g/t)
Recovery
(%)
Steady State
Mining Rate
(ktpm)
Commentary
4L14
6,638
0.28
48.1
270
Mined 2023 to 2025
4L30
3,512
0.33
48.0
270
Mined 2022 to 2024
4L39
9,008
0.42
54.3
360
Contract - Mined 2023 to
2025
4L40
2,281
0.27
44.4
300
Contract -Mined 2025 to
2026
Cons Dump Benoni
1,912
0.48
63.5
50
Contract - Mined 2024 to
2027
4L50 Elsburg
3,418
0.26
39.5
280
Plan Finish in 2023
4L49 Elsburg
290
0.26
41.3
290
Mined 2023
4L47 Elsburg
3,219
0,26
41.3
270
Site clean up
Benoni Slime
500
0.34
43.8
130
Mined 2023
5A10
975
0,61
65.0
70
Completed in 2022
5L27
3,829
0.40
64.9
140
Mining 2022 to 2026
5L27 Sand
4,288
0.28
60.0
140
Mining 2026 to 2028
5L27 Scoops Slime
1,155
0.60
67.9
100
Contract - Mined 2022 to
2023
5L27 Pipeline
1,002
0.60
62.8
90
Mined to 2024 to 2025
5L29 van Dyk
2,355
0.26
42.3
220
Mined to 2023
6L13
2,874
0.60
58.3
240
Mined 2028 to 2029
6L14
6,980
0.32
50.0
291
Mined 2027 to 2029
7L15
17,646
0.26
42.9
600
Mined 2027 to 2033
Rooikraal
56,763
0.26
34.2
380
Mined 2023 to 2034
Marievale 7L4
17,590
0.34
46.0
750
Mined 2025 to 2027
Marievale 7L5
6,980
0.29
47.4
750
Mined 2027 to 2029
Marievale 7L6
12,760
0.26
41.3
350
Mined 2029 to 2031
Marievale 7L7
16,784
0.32
40.9
550
Mined 2028 to 2031
Daggafontein
192,800
0.24
35.0
1,800
Mined 2031 to 2041
Total
375,559
Source: The RVN Group, 2022
13.3
 
Mine Design and Schedule
The technical work/studies conducted by Ergo to support the conversion of Mineral Resources
to
 
Mineral
 
Reserves
 
and
 
to
 
generate
 
the
 
on-going
 
LoM
 
plan
 
are
 
at
 
least
 
to
 
a
 
PFS
 
level
 
of
accuracy (i.e., +/-25%). The LoM schedule mines
 
approximately 21Mtpa from several TSF sites.
Table 13.5 provides
 
the modifying
 
factors used
 
to convert
 
the Mineral
 
Resources to
 
a Mineral
Reserve used in
 
the 19-year LoM
 
plan.
 
Due to the
 
nature of mining
 
tailings and slimes
 
TSFs, no
mining
 
loss
 
or
 
dilution
 
is
 
applied
 
in
 
the
 
conversion
 
process.
 
Recovery
 
factors
 
are
 
based
 
on
actual plant performances, which are reconciled
 
annually.
exhibit962p1i0
 
 
 
 
 
 
 
 
 
 
 
 
 
 
 
 
 
Technical Report Summary of the material Tailings Storage
 
Facilities
165
Table 13.5:
 
Summary of Modifying Factors for LoM Plan
Source Area/Plant
MCF
(%)
LoM Recovery
(%)
Mining Loss
(%)
Dilution
(%)
Total Ergo Operation
100
40.9
0
0
Source: The RVN Group, 2022
Note: Tailing recoveries vary on a TSF-by-TSF basis
Table 13.6 provides the
 
30 June 2022 19-year LoM
 
tonnage and recovered gold schedule
 
used
to support the declaration of the Mineral Reserve. The LoM plan has a cut-off grade of 0.24g/t
Au, which is below the planned LoM head grade of 0.28g/t Au. The working cost of ZAR90.86/t
is based on the
 
LoM plan.
 
The current LoM plan
 
is very robust. However,
 
it remains sensitive
 
to
RoM grade, gold price, exchange rate, recovery and
 
operating costs.
exhibit962p1i0
 
 
 
 
 
 
 
 
 
 
 
 
 
 
 
 
 
 
 
 
 
 
 
 
 
 
 
 
 
 
 
 
 
 
 
 
 
 
 
 
 
 
 
 
 
 
 
 
 
 
 
 
 
 
 
 
 
 
 
 
 
 
 
 
 
 
 
 
 
 
 
 
 
 
 
 
 
 
 
 
 
 
 
 
 
 
 
 
 
 
 
 
 
 
 
 
 
 
 
 
 
 
 
 
 
 
 
 
 
 
 
 
 
 
 
 
 
 
 
 
 
 
 
 
 
 
 
 
 
 
 
 
 
 
 
 
 
 
 
 
 
 
 
 
 
 
 
 
 
 
 
 
 
 
 
 
 
 
 
 
 
 
 
 
 
 
 
 
 
 
 
 
 
 
 
 
 
 
 
 
 
 
 
 
 
 
 
 
 
 
 
 
 
 
 
 
 
 
 
 
 
 
 
 
 
 
 
 
 
 
 
 
 
 
 
 
 
 
 
 
 
 
 
 
 
 
 
 
 
 
 
 
 
 
 
 
 
 
 
 
Technical Report Summary of the material Tailings Storage
 
Facilities
166
Table 13.6:
 
Ergo Forecast Production from July 2021 to June
 
2034
Years
1
2
3
4
5
6
7
2022 to 2023
2023 to 2024
2024 to 2025
2025 to 2026
2026 to 2027
2027 to 2028
2028 to 2029
Tons
(kt)
Recovered
Au
(kg)
Tons
(kt)
Recovered
Au
(kg)
Tons
(kt)
Recovered
Au
(kg)
Tons
(kt)
Recovered
Au
(kg)
Tons
(kt)
Recovered
Au
(kg)
Tons
(kt)
Recovered
Au
(kg)
Tons
(kt)
Recovered
Au
(kg)
Sand
3,409
1,380
4,684
1,767
2,560
1,116
2,450
885
2,615
839
1,549
605
720
466
Slime
19,501
2,760
18,290
2,873
19,020
2,873
18,038
2,437
19,340
2,628
19,479
2,486
20,200
2,479
Total
22,910
4,141
22,974
4,561
21,580
3,988
20,488
3,322
21,955
3,467
21,028
3,091
20,920
2,945
Years
8
9
10
11
12
13
14
2029 to 2030
2030 to 2031
2031 to 2032
2032 to 2033
2033 to 2034
2034 to 2035
2035 to 2036
Tons
(kt)
Recovered
Au
(kg)
Tons
(kt)
Recovered
Au
(kg)
Tons
(kt)
Recovered
Au
(kg)
Tons
(kt)
Recovered
Au
(kg)
Tons
(kt)
Recovered
Au
(kg)
Tons
(kt)
Recovered
Au
(kg)
Tons
(kt)
Recovered
Au
(kg)
Sand
720
466
720
466
720
466
515
333
0
-
0
-
0
-
Slime
21,145
2,727
21,599
2,555
21,585
1,979
21,600
1,852
21,703
1,854
21,600
1,814
21,600
1,814
Total
21,865
3,193
22,319
3,021
22,305
2,445
22,115
2,185
21,703
1,854
21,600
1,814
21,600
1,814
Years
15
16
17
18
19
Total
2036 to 2037
2037 to 2038
2038 to 2039
2039 to 2040
2040 to 2041
Tons
(kt)
Recovered
Au
(kg)
Tons
(kt)
Recovered
Au
(kg)
Tons
(kt)
Recovered
Au
(kg)
Tons
(kt)
Recovered
Au
(kg)
Tons
(kt)
Recovered
Au
(kg)
Tons
(kt)
Recovered
Au
(kg)
Sand
 
0
-
0
-
0
-
0
-
0
-
20,662
8,788
Slime
21,600
1,814
21,600
1,814
21,600
1,814
21,600
1,814
18,572
1,560
389,672
41,870
Total
21,600
1,814
21,600
1,814
21,600
1,814
21,600
1,814
18,572
1,560
410,334
50,658
Source: The RVN Group, 2022
exhibit962p1i0
Technical Report Summary of the material Tailings Storage
 
Facilities
167
13.4
 
Geotechnical and Geohydrology
The
 
Witwatersrand
 
TSFs
 
have
 
been
 
successfully
 
and
 
economically
 
exploited
 
for
 
some
 
time,
 
and
 
the
geotechnical and geohydrology characteristics are well understood from practical experience.
 
A safe
bench
 
height
 
is
 
dependent
 
upon
 
the
 
material
 
being
 
mined
 
and
 
is
 
also
 
influenced
 
by
 
the
 
phreatic
surface within the
 
dump. No
 
geotechnical or hydrological risks
 
surrounding Ergo’s operations
 
have been
identified that would
 
impact the declaration of
 
a Mineral Reserve. As
 
no open pit
 
mining is taking
 
place,
the mine design
 
does not account
 
for slope angles
 
but rather the
 
natural angle of
 
repose from hydraulic
mining. To ensure the competency of the wall, an
 
angle of 45
˚
 
is used for mining.
No geotechnical or hydrological aspects affecting the surface deposits are significant to the operation
and the QP is unaware of any incidents regarding
 
unexpected highwall failure.
Mining bench heights are in the order of 15m.
Hydraulic mining provides slurry feedstock to
 
the processing plant continuously. To maintain
 
production,
high pressure
 
water must
 
be ensured.
 
Slurry densities
 
and production
 
rates will
 
not be
 
achieved if
 
the
water pressure is not maintained. Critical to hydraulic mining is
 
consistent high slurry densities. If densities
drop, less tonnage is delivered to the processing
 
plant,
 
thus increasing the unit mining cost.
The following series of steps offer an overview of the
 
hydraulic mining process:
the water monitor
 
washes the slime
 
material between
 
10m to 15m
 
high benches
 
with a mining
width of 15m and a length of 9m or more (“mining
 
cut”);
monitoring will be conducted from the bench of the
 
TSF (i.e., top-down approach);
the
 
resulting
 
slurry
 
stream
 
is
 
channeled
 
in
 
the
 
15m
 
wide
 
mining
 
cut,
 
which
 
forms
 
a
 
trough
 
to
ensure a good flow of the slurry material to the pumps,
 
which will then transport the slurry to the
processing plant;
 
and
approximately
 
6,950t/d
 
(316tph)
 
per
 
water
 
monitor
 
is
 
achievable
 
equating
 
to
 
four
 
hydraulic
monitors to produce 600ktpm.
The operating position of the monitor will be on the top of the mining cut and operating at a 45
˚
 
angle,
as seen in Figure 13.11.
 
The reclamation gun position
 
and bench angles are
 
based on experience and
on-site observations.
exhibit962p1i0 exhibit962p184i1
 
 
 
 
Technical Report Summary of the material Tailings Storage
 
Facilities
168
Figure 13.11:
 
Hydraulic Mining with Monitor showing Distance and Angle
Source: DRDGOLD; and The RVN Group, 2022
When
 
FELs
 
are
 
used,
 
care
 
is
 
taken
 
to
 
ensure
 
that
 
there
 
is
 
no
 
undermining
 
of
 
the
 
dump
 
highwall
 
with
operators being
 
cognizant
 
of the
 
risks related
 
to
 
slumping highwalls.
 
Dozers are
 
used to
 
remove
 
over
hanging
 
material
 
where
 
required.
 
No
 
geotechnical
 
or
 
hydrological
 
aspects
 
affecting
 
the
 
surface
deposits are significant to the operation and the QP is unaware of
 
any incidents regarding unexpected
highwall failure.
13.5
 
Requirements for Stripping
As
 
no
 
underground
 
mining
 
is
 
done,
 
there
 
is
 
no
 
underground
 
development
 
and
 
backfilling
 
required.
Other than minimal precleaning with a dozer of the
 
top of the TSFs no pre-stripping is required at Ergo.
exhibit962p1i0
Technical Report Summary of the material Tailings Storage
 
Facilities
169
13.6
 
Mining Equipment and Personnel Requirements
The equipment required for hydraulic mining are as follows:
track mounted hydraulic monitors;
water columns, 250mm diameter pipes to feed water to
 
the hydraulic monitor;
grizzly screen to remove debris from slurry;
satellite pump stations (spindle pumps) to pump slurry
 
to main pump station;
 
and
main transfer pump station.
For
 
loading
 
of
 
sand,
 
excavators,
 
dozers,
 
FELs,
 
trucks
 
and
 
conveyors
 
are
 
required
 
as
 
shown
 
in
Item 13.2.2.
Ergo
 
employs
 
776
 
full
 
time
 
employees
 
and
 
1,628
 
special
 
service
 
providers,
 
with
 
service
 
providers
deployed mostly in security, reclamation,
 
and tailings deposition.
13.7
 
Mine Plans
13.7.1
 
Introduction
The QPs have identified the material TSFs in the Mineral
 
Resource and Mineral Reserve.
In terms of the
 
LoM plan and
 
the Mineral Reserve
 
statement, the following
 
TSF are considered material
for Ergo:
4L3 (13.1Mt);
Rooikraal TSF (56.8Mt);
7L15 TSF (17.1Mt);
Daggafontein (192.8Mt);
 
and
Marievale Complex (54.1Mt).
13.7.2
 
Central Rand
The 4L3 TSF accounts for 13.1Mt and is considered material to Ergo. The 4L3 TSF has commenced
 
mining
operations in 2022 achieving a steady state mining rate
 
of 3.2Mtpa and is completed in 2026.
13.7.3
 
East Rand (Ergo)
The Rooikraal
 
TSF is scheduled
 
to commence
 
mining in
 
2023 and completes
 
mining operations
 
in 2034
Rooikraal starts up at
 
4.5Mt in 2023, with steady
 
state production of 5.4Mt
 
between 2027 and 2033.
 
The
final year produces 4.4Mt as the remnant of the TSF is removed.
Mining of the Marievale Complex is scheduled to commence in 2025,
 
starting with the mining of the 7L4
TSF, in 2027 the 7L5
 
TSF embarks with 7L6 and 7L7
 
TSFs begin mining in 2028. The
 
Marievale complex starts
production
 
at 4.7
 
Mtpa
 
and
 
reaching
 
a steady
 
state mining
 
rate of
 
9.0Mtpa
 
in
 
2028 with
 
production
exhibit962p1i0 exhibit962p186i1
Technical Report Summary of the material Tailings Storage
 
Facilities
170
influenced
 
by
 
the
 
various
 
TSFs
 
starting-up
 
or
 
winding
 
down
 
production.
 
The
 
mining
 
of
 
Marievale
 
is
conditional
 
upon
 
the
 
successful
 
resolution
 
of
 
the
 
conflicting
 
ownership
 
claim
 
by
 
the
 
owner
 
of
 
the
freehold on which a part of the complex is situated.
Mining of the Daggafontein TSF commences in October 2031. The top cut is mined from 2031 until 2033,
the middle
 
cut of
 
the TSF
 
being mined
 
for four
 
years, from
 
2034 until
 
2037, and
 
the bottom
 
cut mined
from
 
2038
 
to
 
2041
 
(Figure
 
13.12,
 
Figure
 
13.13
 
and
 
Figure
 
13.14).
 
Over
 
the
 
11-year
 
period
 
the
Daggafontein TSF produces 192.8Mt at a grade of 0.24g/t
 
Au.
Figure 13.12:
 
Daggafontein TSF Top Cut Mining Sequence
Source: The RVN Group, 2022
exhibit962p1i0 exhibit962p187i2 exhibit962p187i1
Technical Report Summary of the material Tailings Storage
 
Facilities
171
Figure 13.13:
 
Daggafontein TSF Middle Cut Mining Sequence
Source: The RVN Group, 2022
Figure 13.14:
 
Daggafontein TSF Bottom Cut Mining Sequence
Source: The RVN Group, 2022
exhibit962p1i0
Technical Report Summary of the material Tailings Storage
 
Facilities
172
14
 
Processing and Recovery Methods
14.1
 
Introduction
The
 
Ergo
 
processing
 
plant
 
located
 
in
 
Brakpan,
 
is
 
Ergo’s
 
flagship
 
metallurgical
 
plant
 
which
 
currently
targets
 
throughput
 
between
 
1.8Mtpm
 
to
 
2.0Mtpm.
 
The
 
City
 
Deep
 
processing
 
plant
 
has
 
been
reconfigured to operate
 
as a milling and
 
pump station and feed
 
the Ergo processing plant
 
via a 50km
pipeline. The
 
City Deep processing
 
plant processes
 
mineralized material
 
from TSFs of
 
the Central
 
Rand
areas (i.e., Johannesburg, Germiston,
 
and Boksburg), with mining
 
operations scheduled to close
 
in 2027.
Knights Plant treats sand and slime and will operate until
 
2024.
The Ergo
 
processing plant
 
follows the
 
conventional
 
method of
 
extracting
 
gold. The
 
plant has
 
been in
operation for more than 30 years, with minor improvements
 
conducted on a regular basis.
Ergo
 
retreats
 
historical
 
tailings
 
and
 
the
 
remaining
 
gold
 
in
 
the
 
TSFs
 
is
 
finely
 
disseminated
 
within
 
the
material. The gold
 
does not respond
 
to physical recovery
 
methods. Direct
 
cyanidation has
 
been used
for decades to solubilize the gold and then
 
recover it by hydrometallurgical techniques.
 
The Carbon in
leach (CIL)
 
process is
 
used with
 
elution and
 
final recovery
 
by zinc
 
precipitation which
 
produces >85%
bullion quality.
14.2
 
Plant Feed Grade and Metallurgical Test Work
The Ergo processing plant is fed from at least eight different
 
mining sites (including sand and slime) that
are being mined
 
and fed
 
into the plant
 
at any
 
one time. Daily
 
composites are
 
submitted to
 
the assay
laboratory for
 
grade determination
 
to assist
 
with the
 
management of
 
the operations.
 
A sub-sample
 
is
split
 
and
 
composite
 
samples
 
over
 
a
 
week
 
for
 
metallurgical
 
test
 
work.
 
A
 
bottle
 
roll
 
test
 
is
 
conducted
utilizing the same parameters
 
that are used
 
on the full-scale
 
plant. Should any
 
deviations be reported,
further investigations are undertaken.
Prior
 
to
 
commencing
 
reclamation
 
of
 
any
 
mineralized
 
material,
 
a
 
comprehensive
 
drilling
 
exercise
 
is
carried out.
 
As part
 
of the
 
evaluation, sub-samples
 
are sent
 
to Ergo’s
 
in-house
 
metallurgical
 
research
laboratory for testing to assess the amenability of the material to cyanidation
 
and what recoveries can
be expected. Mineralogy work is
 
not carried out on
 
a routine basis but
 
on a needs-basis associated with
the exploration program.
Sand material that
 
is coarse in
 
nature, is first
 
milled prior to
 
cyanidation, while slimes
 
material is processed
without pre-milling.
 
All feed
 
streams are
 
combined before
 
removing extraneous
 
oversize, which
 
could
contaminate
 
the
 
activated
 
carbon,
 
over
 
linear
 
screens.
 
The
 
material
 
is
 
leached
 
with
 
cyanide
 
at
 
an
elevated
 
pH
 
in
 
mechanically
 
agitated
 
tanks.
 
Carbon
 
is
 
then
 
used
 
to
 
adsorb
 
the
 
dissolved
 
gold.
 
The
loaded carbon is
 
removed from the
 
circuit and the
 
gold eluted off
 
the carbon.
 
The gold is
 
then finally
recovered using zinc precipitation and smelting of bullion
 
bars.
The tailings are pumped to a
 
large Mega TSF (Brakpan/Withok TSF) located south of
 
the Ergo processing
plant.
 
The
 
Brakpan/Withok
 
TSF
 
as
 
of
 
June
 
2022
 
has
 
a
 
remaining
 
capacity
 
of
 
approximately
 
(~950Mt)
after
 
implementation
 
of
 
the
 
facility’s
 
final
 
life
 
design.
 
The
 
Ergo
 
plant
 
capacity
 
is
 
64,000tpd
 
and
 
gold
recovery is between 35% and 50%.
A 100% mine call factor is applied at the Ergo processing
 
plant.
exhibit962p1i0
Technical Report Summary of the material Tailings Storage
 
Facilities
173
For planning purposes, Ergo uses the RoM head grade (i.e., the grade of the RoM material
 
as delivered
to the processing plant)
 
and the anticipated residue grade to estimate the recovery which is
 
the head
grade minus residue grade multiplied by the tonnage treated.
During
 
the
 
life
 
of
 
each
 
TSF,
 
the
 
mined
 
grade
 
is
 
monitored
 
and
 
compared
 
to
 
the
 
estimated
 
Mineral
Reserve grade. Generally, these grades tend to track each
 
other. When the TSF is completely mined, a
final reconciliation is conducted.
Metallurgical test work is carried
 
out routinely using laboratory equipment
 
and leach conditions, which
closely mimic the full-scale operation.
 
The test work is considered representative
 
as historical results are
consistent, and generally
 
minor deviations are
 
seen on numerous
 
tests from the
 
same source material.
The material differs slightly
 
in terms of head grade,
 
particle size and origin, so
 
different recovery factors
are used for each
 
source. Due to the consistency of
 
the exploration and metallurgical test work,
 
no bulk
sampling or pilot scaling test work is conducted.
No specific
 
assumptions or allowances
 
are made
 
for deleterious
 
elements in the
 
material. They are
 
either
screened out before entering the processing plant or if they cannot be removed,
 
the metallurgical test
work results will include the impact. If the impact is too great, the
 
material will not be treated.
Cyanidation of gold bearing material, with elution of gold from the loaded carbon is a tried and tested
process and there is nothing novel about the process.
exhibit962p1i0
Technical Report Summary of the material Tailings Storage
 
Facilities
174
Figure 14.1: Process Flow Diagram
exhibit962p1i0 exhibit962p191i0
Technical Report Summary of the material Tailings Storage
 
Facilities
175
exhibit962p1i0
Technical Report Summary of the material Tailings Storage
 
Facilities
176
exhibit962p1i0
 
 
 
 
 
 
 
 
 
Technical Report Summary of the material Tailings Storage
 
Facilities
177
Table 14.1 indicates
 
the process recoveries
 
for the various
 
plants for the
 
past two years,
 
and the planned
average recoveries
 
over the
 
19-year LoM.
 
The recoveries
 
are based
 
on metallurgical
 
test work
 
for the
various tailings dumps, slimes and silted
 
vleis that are scheduled to
 
be mined over the 19-year
 
LoM plan.
Table 14.1:
 
Ergo Process Recoveries
Description
2020 to 2021
2021 LoM Average
2022 LoM Average
Total Mine
45.9%
48.9%
40.8%
Source: DRDGOLD, 2022
Note: The drop in the 2022 recovery is due to the inclusion
 
of the Daggafontein TSF which has a recovery of
 
35%.
14.3
 
Mineral Process and Equipment Characteristics
The metallurgical
 
process and
 
equipment used
 
at the
 
Ergo processing
 
plant is
 
well tested
 
and utilised
by numerous tailings retreatment operators in South Africa.
14.3.1
 
Reception
Material received
 
from the
 
various mining
 
sites is
 
first sampled
 
through two
 
in one
 
slurry samplers
 
and
then thickened in four large thickeners to produce an underflow with an SG of 1.45 for leaching and for
recovery of excess water.
14.3.2
 
De-sanding Section
Thickened
 
material
 
from
 
the
 
four
 
large
 
thickeners
 
is
 
pumped
 
to
 
a
 
distribution
 
box
 
in
 
the
 
de-sanding
section. Here the tailings can be directed to
 
four linear screens which have an 850µm aperture cloth for
the removal of
 
debris to prevent
 
contamination of
 
the carbon. The
 
undersize from the
 
linear screens is
pumped up to a two-way distribution box ahead of the leach.
14.3.3
 
Carbon-in-Leach
The CIL section
 
comprises of two
 
streams of 11
 
tanks per stream.
 
Each tank
 
has a capacity
 
of 2,000m
3
and at
 
a throughput
 
of 1.8Mtpm
 
gives
 
a leach
 
residence time
 
of about
 
11.5 hours,
 
with the
 
first tank
being used for pre-conditioning with lime and oxygen.
Cyanide is added
 
to the second and
 
fourth tank in
 
the leach train.
 
Carbon is present
 
in all but
 
the first
two tanks
 
and is
 
retained by
 
interstage screens.
 
Carbon is
 
moved counter-current
 
up the
 
leach using
recessed
 
impeller
 
pumps.
 
The
 
carbon
 
concentration
 
in
 
the
 
tanks
 
is
 
about
 
10g/l.
 
Loaded
 
carbon
 
is
transferred
 
to
 
the
 
four
 
loaded
 
carbon
 
hoppers
 
over
 
vibrating
 
screens.
 
Loaded
 
carbon
 
values
 
vary
between 200g/t and 300g/t.
CIL
 
tailings
 
flow
 
through
 
residue
 
samplers
 
before
 
passing
 
over
 
four
 
safety
 
linear
 
screens.
 
Screened
material
 
reports to
 
a residue
 
sump from
 
where it
 
is pumped
 
to the
 
Brakpan/Withok
 
TSF
 
through three
tailings pipelines using five of six installed D-frame
 
pumps.
14.3.4
 
Carbon Treatment
Loaded carbon
 
is acid
 
treated in
 
8.5t batches
 
in three
 
independent acid
 
wash columns.
 
The carbon
then reports to
 
three of the
 
four elution columns.
 
The fourth column
 
is used to
 
scavenge gold from
 
the
zinc precipitation tails.
exhibit962p1i0
Technical Report Summary of the material Tailings Storage
 
Facilities
178
Loaded carbon is first washed with dilute hydrochloric acid to remove acid soluble contaminants. Acid
washed carbon
 
is transferred
 
to the
 
elution column
 
which is
 
operated at
 
elevated temperatures
 
and
pressure to strip gold off the carbon using a cyanide/caustic
 
solution (eluant).
The
 
eluate,
 
which
 
now
 
contains
 
the
 
gold
 
in
 
solution,
 
is
 
contacted
 
with
 
ultra-fine
 
zinc
 
powder
 
to
precipitate the
 
gold. This
 
gold bearing
 
sludge is
 
then filtered
 
in a
 
plate and
 
frame filter.
 
Sludge is
 
then
calcined at 600
˚
C before being smelted in an arc furnace and cast into
 
dorè bars.
Eluted
 
carbon
 
is
 
regenerated
 
in
 
two
 
rotating
 
kilns
 
at
 
about
 
750
˚
C.
 
In
 
total,
 
about
 
100
 
elutions
 
are
conducted monthly.
14.3.5
 
Plant Services
Instrument Air:
Instrument air
 
is supplied
 
to the float
 
from one compressor
 
house and
 
the remainder
 
of
the processing plant from a centrally located facility.
Process Water:
 
Process water is made up of thickener overflow and return dam water and
 
is distributed
throughout the processing plant by a network of pumps and
 
pipes.
Fresh Water:
 
The Rand Water
 
Board water is
 
received at a
 
reservoir for use
 
in the processing
 
plant and
directly for elution water, fire hydrants and human
 
consumption.
Power:
Bulk power is supplied to the Ergo processing plant
 
by the Ekurhuleni Metropolitan Municipality.
Natural Gas:
Natural gas is obtained by a pipeline from Sasol and
 
used for elution heating purposes.
Assay Laboratory:
All assays are done by the MAED laboratory which is
 
located on the Ergo processing
plant site but is operated by an independent third party.
14.4
 
Personnel Requirements
Ergo
 
employs
 
776
 
full
 
time
 
employees
 
and
 
1,628
 
special
 
service
 
providers,
 
with
 
service
 
providers
deployed mostly in security, reclamation (mining) and tailings deposition. The processing plants employ
376 persons.
14.5
 
Energy and Water Requirements
Energy and water requirements are discussed in Item
 
15.3 and 15.5.
14.6
 
Process Materials Requirements
Ergo has access to all required
 
process material required through their local or international
 
suppliers.
exhibit962p1i0
Technical Report Summary of the material Tailings Storage
 
Facilities
179
15
 
Infrastructure
Ergo
 
currently
 
mines
 
the
 
existing
 
gold
 
TSFs and
 
sand
 
dumps in
 
the
 
Johannesburg
 
and
 
Brakpan
 
areas
with
 
slurry
 
pumped
 
via
 
pipelines
 
from
 
the
 
numerous
 
mining
 
operations
 
to
 
the
 
Ergo
 
processing
 
plant
located in Brakpan.
The
 
infrastructure
 
required
 
to
 
support
 
the
 
LoM
 
plan
 
is
 
essentially
 
in
 
place,
 
with
 
future
 
infrastructure
requirements
 
being
 
designed
 
and
 
estimated
 
by
 
Ergo
 
to
 
a
 
PFS
 
level
 
of
 
accuracy
 
(i.e.,
 
+/-25%)
 
with
 
a
maximum
 
level
 
of
 
contingency
 
of
 
15%.
 
Infrastructure
 
requirements
 
and
 
capital
 
costs
 
are
 
based
 
on
current mining operations, as the
 
mining methodology applied
 
to exploit the TSFs and sand
 
dumps are
substantially
 
the
 
same
 
throughout
 
the
 
LoM
 
plan
 
with
 
no
 
significant
 
operational
 
changes
 
expected
between current and planned future operations.
The use of railways, port facilities, dams, leach pads and other infrastructure components not discussed
below as they are not material infrastructure components
 
the Ergo operations.
15.1
 
Roads
Access to
 
the mining
 
sites is
 
via current
 
municipal and
 
regional road
 
networks with
 
no construction
 
or
upgrading of unpaved roads.
15.2
 
Site Offices and Workshops
The
 
mining
 
contractors
 
establish
 
site
 
offices
 
as
 
part
 
of
 
the
 
mining
 
contract.
 
Workshops
 
for
 
the
maintenance of roads, pumps and pipelines are based at the
 
Ergo processing plant, and no additional
infrastructure is required.
15.3
 
Power
Bulk
 
power
 
is
 
supplied
 
to
 
Ergo
 
by
 
Eskom,
 
City
 
Power
 
and
 
the
 
Ekurhuleni
 
Municipality.
 
The
 
power
 
grid
infrastructure
 
serving
 
the
 
East
 
Rand
 
is
 
particularly
 
extensive,
 
with
 
electrical
 
power
 
being
 
received
through several alternative substations on the Eskom grid. Mining sites are supplied via several separate
feeders.
The Eskom power grid
 
has been negatively affected by poor
 
power availability and subsequently, it has
at times been unable
 
to meet power demand.
 
Some load shedding
 
has taken place
 
during 2021 and
2022, affecting the country and Ergo. Electrical
 
demand is approximately between 60MW and 70MW.
Power
 
supply
 
is
 
viewed
 
as
 
a
 
risk
 
to
 
Ergo
 
operations.
 
A
 
risk-mitigating
 
measure
 
that
 
has
 
been
implemented
 
by
 
Ergo
 
is the
 
provision
 
of back
 
-up
 
power and
 
other
 
engineering
 
upgrades
 
to
 
prevent
plant
 
choke-up/silt-down
 
during
 
power
 
interruptions.
 
These
 
measures
 
have
 
enabled
 
the
 
processing
plant to
 
resume full
 
production without
 
extensive delay
 
after each
 
power interruption.
 
A 7MVA
 
diesel
emergency power plant is also available as backup
 
.
exhibit962p1i0 exhibit962p196i1
 
 
 
 
Technical Report Summary of the material Tailings Storage
 
Facilities
180
Ergo has a curtailment agreement with Eskom
 
whereby the total consumption is reduced on request by
an
 
agreed
 
percentage
 
during
 
load-shedding
 
hours.
 
This
 
involves
 
reducing
 
the
 
total
 
consumption
 
by
between 4MVA and 8MVA during load-shedding hours. The reduction in the
 
power consumption results
in the
 
operations maintaining
 
an uninterrupted
 
tonnage
 
throughput, but
 
recoveries
 
are lower
 
due
 
to
certain parts of the process plant not operating during
 
the load reduction periods.
15.4
 
Pumps and Pipelines
Slurry transport is mainly via pipelines that carry it to the Ergo processing plant
 
(Figure 15.1).
 
Ergo uses a
standard
 
set
 
of pipes
 
and
 
pumps
 
(500mm
 
pipes).
 
Equipment
 
selection
 
is
 
based
 
on
 
the
 
most
 
suitable
sizes from the standard equipment range.
Figure 15.1:
 
Above Ground Pipeline System
Source: DRDGOLD, 2022
The pipelines
 
are
 
mainly
 
installed
 
above
 
ground,
 
providing
 
easy
 
maintenance
 
access
 
and
 
making
 
it
easier
 
to identify
 
and
 
rectify
 
any
 
failures on
 
these
 
pipelines.
 
Where
 
necessary, pipe
 
bridges
 
are
 
used
along the pipeline routes to cross streams and rivers.
The existing pumping and
 
slurry pipeline systems are
 
managed through a supervisory
 
control and data
acquisition
 
(SCADA)
 
system.
 
The
 
SCADA
 
system
 
allows
 
Ergo
 
to
 
operate
 
the
 
equipment
 
remotely.
Thereby, Ergo can monitor the entire pipeline system via a centralized system. For example, pumps and
valves
 
can
 
be
 
used
 
(open/closed
 
or
 
on/off),
 
and
 
readings
 
taken
 
(pressures
 
and
 
flows)
 
from
 
the
centralized site, with no actual human-machine interface on the actual site. As the pumps are installed
with a
 
duty and standby
 
configuration, the operation
 
of the
 
existing and planned
 
pumping and pipeline
systems should be adequate to support the requirements
 
of the LoM plan.
exhibit962p1i0
Technical Report Summary of the material Tailings Storage
 
Facilities
181
Operations west of the
 
Ergo processing plant
 
are serviced by pipeline
 
and other existing infrastructure.
The
 
Marievale
 
and
 
Daggafontein
 
mining
 
areas
 
east
 
of
 
the
 
processing
 
plant
 
have
 
pipeline
permits/servitudes/surface
 
rights
 
in
 
place.
 
The
 
QP
 
has
 
not
 
identified
 
any
 
impediments
 
that
 
would
prevent the construction of the necessary infrastructur
 
e
 
to support the LoM plan.
15.5
 
Water
The primary uses for water
 
are in the Ergo processing
 
plant and for hydraulic
 
mining of the various
 
TSFs.
Water used
 
for hydraulic mining
 
turns the
 
dry tailings
 
into a
 
slurry, which is
 
then pumped to
 
the processing
plant for
 
processing. Excess
 
water recovered
 
at the
 
thickeners in
 
the processing
 
plant is
 
then returned
to the hydraulic mining sites for re-use.
In 2017,
 
Ergo completed
 
the construction
 
of a
 
central
 
water reticulation
 
plant
 
to give
 
it the
 
ability
 
to
deliver water to all corners of the operation and return
 
it through a fully integrated closed system.
Currently
 
60%
 
to
 
70%
 
of
 
all
 
process
 
water
 
make
 
up
 
at
 
Ergo
 
is
 
drawn
 
from
 
the
 
Brakpan/Withok
 
TSF
 
to
various
 
reclamation
 
sites
 
by
 
way
 
of
 
return
 
water
 
columns.
 
A
 
further
 
6%
 
to
 
11%
 
of
 
process
 
water
top-up needs are
 
from treated underground acid
 
mine drainage (AMD),
 
drawn from a
 
facility operated
by the Trans-Caledon Tunnel Authority (TCTA) from whom DRDGOLD secured the right to
 
use up to 30Ml
of AMD water
 
per day. The Ekurhuleni
 
City Council’s wastewater treatment
 
facility at Rondebult supplies
less than 1%, depending on the
 
rate at which water flows into
 
the waste facility and another 15% to 20%
is from lakes
 
and dams in
 
the region that
 
captures the
 
inflow of seasonal
 
rain and storm
 
water inflows,
harvested in terms of the requisite extraction licenses. Potable water is used only where the sensitivity of
equipment requires it
 
and for certain
 
early stages of
 
irrigation to settle
 
in newly established
 
vegetation
on TSFs.
Given
 
the
 
location
 
of
 
the
 
Ergo
 
operations,
 
the
 
QP
 
does
 
not
 
foresee
 
the
 
likelihood
 
of
 
the
 
operations
being curtailed
 
due to a
 
water shortage. However,
 
the future increased
 
reliance on
 
water purchased
from Rand Water will add materially to the operating costs.
15.6
 
Infrastructure
General arrangement drawings
 
are provided for the Rooikraal TSF to demonstrate design work
 
typical
of a mining site (Figure 15.2). The actual construction
 
work will vary slightly to account for specific site
conditions,
 
but generally,
 
the infrastructure is common from site to site,
 
with 52 TSFs planned to be
mined over the 19-year LoM plan.
exhibit962p1i0
Technical Report Summary of the material Tailings
 
Storage Facilities
182
Figure 15.2: Rooikraal General Arrangement -
 
Site Layout
exhibit962p1i0 exhibit962p199i0
Technical Report Summary of the material Tailings
 
Storage Facilities
183
exhibit962p1i0
Technical Report Summary of the material Tailings
 
Storage Facilities
184
Source: DRDGOLD, 2022
exhibit962p1i0
Technical Report Summary of the material Tailings
 
Storage Facilities
185
15.7
 
Tailings Disposal
The
 
Brakpan/Withok
 
TSF
 
(Figure
 
15.3)
 
is
 
a
 
single
 
large
 
tailings
 
dam
 
that
 
covers
 
700ha
 
at
 
its
 
base
 
and
500ha at its current elevation and has a
 
perimeter of around 12km. The Brakpan/Withok TSF was built by
cycloning
 
the tailings
 
at the
 
point of
 
deposition
 
out with
 
the larger
 
particles from
 
the tailings,
 
forming
the dam wall. The annual rate
 
of rise is between 3m
 
and 4m. The fines from the
 
cyclones run out into the
center of the dam. This generates
 
a more stable wall with
 
the finer material safely stored inside
 
the TSF.
With
 
the
 
deposition
 
rate
 
from
 
1.8Mtpm
 
to
 
2.0Mtpm
 
the
 
use
 
of
 
cycloning
 
is
 
viewed
 
as
 
the
 
most
appropriate method for
 
disposal of the tailings
 
material. Track mounted
 
cyclone units (Figure
 
15.4) are
used with eight cyclone units connected to the tailings
 
pipeline system. The TSF was originally designed
by Knight Piésold. Operational activities are currently
 
under contract by Fraser Alexander.
Immediately
 
adjacent
 
and
 
to
 
the
 
south
 
of
 
the
 
Brakpan/Withok
 
TSF
 
footprint
 
lies
 
the
 
former
 
cleared
footprint of an
 
area licensed for
 
tailings storage,
 
spanning an
 
approximate 400 hectares.
 
This area, on
which
 
a
 
large
 
portion
 
of
 
the
 
Withok
 
compartment
 
stood,
 
was
 
retreated
 
and
 
cleared
 
by
 
the
 
former
owners
 
of
 
Ergo.
 
Ergo
 
intends
 
to
 
redeposit
 
residue
 
tailings
 
onto
 
this
 
compartment
 
and
 
has
 
initiated
 
a
process
 
to
 
obtain
 
regulatory
 
approval
 
for
 
the
 
final
 
design
 
of
 
the
 
Brakpan/Withok
 
TSF.
 
The
Brakpan/Withok
 
TSF final
 
design is
 
the engineering
 
design that
 
ultimately brings
 
the tailings
 
deposition
facility
 
to
 
its
 
finality
 
in
 
terms
 
of
 
extent,
 
operation,
 
rehabilitation
 
and
 
management.
 
The
 
implemented
final
 
design
 
would
 
result
 
in
 
alignments
 
with
 
the
 
Global
 
Industry
 
Standard
 
on
 
Tailings
 
Management
(GISTM)
 
and
 
regulatory
 
bodies,
 
increase
 
deposition
 
capacity,
 
improve
 
operation/management
 
and
bring about the sustainable closure of the facility.
The Brakpan/Withok TSF will provide sufficient storage
capacity
 
to
 
support
 
Ergo’s
 
19-year
 
LoM
 
plan.
 
Ultimately,
 
when
 
the
 
Withok
 
compartment
 
of
 
the
 
TSF
reaches a suitable height, it will merge with the Brakpan
 
compartment of the TSF.
The Brakpan/Withok
 
TSF as of
 
30 June 2022
 
has a capacity
 
of 250.4Mt.
 
Once regulatory
 
approvals are
received for its final life design, the TSF will have will
 
have a joint capacity of over 930Mt.
 
exhibit962p1i0 exhibit962p202i2
 
 
 
 
exhibit962p202i1
 
 
 
 
Technical Report Summary of the material Tailings
 
Storage Facilities
186
Figure 15.3:
 
Brakpan/Withok TSF
Source: DRDGOLD, 2022
Figure 15.4:
 
Placement of Tailings Material at Brakpan/Withok TSF
exhibit962p1i0
Technical Report Summary of the material Tailings
 
Storage Facilities
187
Source: DRDGOLD, 2022
15.8
 
Conclusion
The
 
QP
 
is
 
of
 
the
 
opinion
 
that
 
all
 
significant
 
infrastructure
 
and
 
logistical
 
requirements
 
have
 
been
considered.
 
It
 
is
 
notable
 
that
 
Ergo
 
has
 
been
 
operating
 
for
 
more
 
than
 
20
 
years
 
and
 
has
 
a
 
very
 
good
understanding of infrastructural and logistical requirements.
exhibit962p1i0
 
 
 
 
 
 
 
 
 
 
 
 
 
 
 
Technical Report Summary of the material Tailings
 
Storage Facilities
188
16
 
Market Studies
16.1
 
Markets
All gold
 
produced
 
is delivered
 
to
 
the
 
Rand
 
Refinery
 
for refining
 
with no
 
restrictions
 
on the
 
quantity
 
or
time
 
frame.
 
DRDGOLD
 
has
 
a
 
long-standing
 
agreement
 
with
 
Rand
 
Refinery
 
in
 
terms
 
of
 
which
 
Rand
Refinery accounts to Ergo at the prevailing spot price. When
 
applying the 30 June 2022 spot exchange
rate
 
(ZAR16.29/USD)
 
to
 
the
 
associated
 
gold
 
price
 
of
 
USD1,819.06/oz
 
Au,
 
a
 
real
 
gold
 
price
 
of
ZAR952,721.20/kg is achieved.
Gold is
 
a precious
 
metal, refined
 
and sold
 
as bullion
 
on the
 
international market.
 
Aside from
 
the gold
holdings of
 
central banks,
 
current uses
 
of gold
 
include jewelry,
 
private investment,
 
dentistry, medicine
and technology (Table 16.2).
Table 16.1:
 
Above Ground Gold Stocks in 2021
Description
Quantity
(t)
Contribution
(%)
Jewelry
94,464.0
46%
Private Investment
45,456.0
22%
Bank Holdings
34,592.3
17%
Other
30,726.0
15%
Source: GoldHub, 2022
The largest use of gold is in jewelry, accounting for approximately
 
46% of the above-ground gold. Gold
does not follow
 
the usual supply
 
and demand logic
 
because it is virtually
 
indestructible and can
 
easily
be recycled. In
 
addition, gold stored
 
in the vaults of
 
banks is relatively
 
illiquid and subject to
 
the vagaries
of global economies. These characteristics of the gold market make it challenging
 
to forecast the gold
price.
16.2
 
Gold Price
The
 
gold
 
price
 
increased
 
in
 
2020
 
due
 
to
 
uncertainties
 
related
 
to
 
the
 
outbreak
 
of
 
Covid-19.
 
It
 
then
 
declined
 
to
 
a
 
spot
 
price
 
of
 
~ZAR945,295/kg
 
(i.e.,
 
USD1,806.89/oz
 
at
 
ZAR16.27/USD)
 
as
 
at
30 June 2022 (Graph 1).
exhibit962p1i0
 
 
 
 
 
 
 
 
 
 
 
 
 
exhibit962p205i0 exhibit962p205i1 exhibit962p205i2 exhibit962p205i3
 
 
 
 
 
 
 
 
 
 
 
 
 
 
 
 
 
 
 
 
 
exhibit962p205i4 exhibit962p205i5 exhibit962p205i6 exhibit962p205i7
 
 
 
 
 
 
 
Technical Report Summary of the material Tailings
 
Storage Facilities
189
 
800
 
1,000
 
1,200
 
1,400
 
1,600
 
1,800
 
2,000
 
2,200
 
2,400
Jun-17
Jun-18
Jun-19
Jun-20
Jun-21
Jun-22
Gold Price (USD/oz)
Gold's Monthly Closing Price
Trendline
Upper and Lower Standard Deviation Bands
 
10
 
11
 
12
 
13
 
14
 
15
 
16
 
17
 
18
 
19
Jun-17
Jun-18
Jun-19
Jun-20
Jun-21
Jun-22
Exchange Rate (ZAR/USD)
Monthly Closing USD/ZAR Rate
Trendline
Upper and Lower Standard Deviation Bands
Graph 1: Gold Price Historical Trendline
Source: Sound Mining, 2022
The linear trendline indicates robust gold price potential
 
over the longer-term.
16.3
 
Exchange Rate Trends
The ZAR to USD exchange rate saw record breaking highs in
 
the second quarter of 2020 (ZAR19.35/USD)
but has subsequently
 
dropped back
 
to ZAR16.27/USD as
 
at 30 June
 
2022. A factor
 
in the deterioration
of the local currency in 2020 was the lockdowns and
 
economic volatility brought on by Covid-19.
The spot
 
exchange rate of
 
ZAR16.27/USD compares well
 
with the
 
six-year historical trendline
 
as displayed
in Graph 2.
Graph 2: Exchange Rate Historical Trendline
Source: Sound Mining, 2022
exhibit962p1i0
 
 
 
 
 
 
 
 
 
 
 
 
 
 
 
 
 
 
 
 
 
 
 
 
 
 
 
 
 
 
 
 
 
 
 
exhibit962p206i0
 
 
 
 
Technical Report Summary of the material Tailings
 
Storage Facilities
190
0
500
1,000
1,500
2,000
2,500
3,000
3,500
4,000
4,500
5,000
2012
2013
2014
2015
2016
2017
2018
2019
2020
2021
Quantity (t)
 
Year
Various service providers
 
and financial institutions are
 
consulted to determine consensus
 
forecasts of the
gold price (Table 16.2).
Table 16.2:
 
Long Term Consensus Forecasts in Nominal Terms
Description
Year 1
(FY2023)
Year 2
(FY2024)
Year 3
(FY2025)
Year 4
(FY2026)
Year 5
(LT)
USD/oz
1,823
1,799
1,751
1,724
1,496
ZAR/USD
15.60
15.74
15.77
15.79
15.20
ZAR Price/kg
914,294
910,051
888,083
875,474
731,081
Source: Sound Mining, 2022
The economic assessment
 
for the Mineral Reserve
 
estimate relies on a real
 
price of ZAR914,294/kg (i.e.,
USD1,823/oz
 
at
 
ZAR15.60/USD)
 
as
 
of
 
30
 
June
 
2022
 
terms
 
as
 
provided
 
by
 
DRDGOLD.
 
The
 
QP
 
has
considered
 
the
 
consensus
 
forecasts
 
supplied
 
by
 
DRDGOLD
 
against
 
linear
 
trends
 
in
 
the
 
demand
 
and
supply of gold
 
as recorded
 
over the period
 
from 2012 to
 
2021 to examine
 
whether these forecasts
 
are
reasonable.
16.4
 
Global Demand
Graph 3 reveals a gradual reduction in demand (~14.2%)
 
over the past ten years (2012 to 2021).
Graph 3: Global Gold Demand from 2012 to 2021
Source: GoldHub, 2022
exhibit962p1i0
 
 
 
 
 
 
 
 
 
 
 
 
 
 
 
 
 
 
 
 
 
 
 
 
 
 
 
 
 
 
 
 
 
 
 
 
 
 
 
 
 
 
 
 
 
 
 
 
 
 
 
 
 
 
 
 
 
exhibit962p207i0
 
 
 
 
Technical Report Summary of the material Tailings
 
Storage Facilities
191
4,100
4,200
4,300
4,400
4,500
4,600
4,700
4,800
4,900
5,000
2012
2013
2014
2015
2016
2017
2018
2019
2020
2021
Quantity (t)
 
Year
16.5
 
Global Supply
The global gold supply from mining and recycling activities over the same period is presented in
 
Graph
4.
Graph 4: Global Gold Supply from 2012 to 2021
Source: GoldHub, 2022
While
 
the
 
graph
 
suggests
 
an
 
overall
 
upward
 
trend
 
from
 
2012
 
to
 
2021
 
(~2.6%),
 
the
 
supply
 
generally
levelled out over the past five
 
years. The supply from mining
 
satisfied some 76% of the demand in
 
2021,
with the balance met by recycled gold.
Gold supply
 
from mining
 
increased
 
by
 
approximately
 
106t during
 
2021 (3,582t)
 
when
 
compared
 
with
2020 (3,476t) despite
 
an overall drop
 
in supply since
 
2019 (GoldHub, 2022).
 
Below are the
 
top ten gold
producing countries in 2021 (Table 16.3).
Table 16.3:
 
Global Gold Production
Rank
Country
Production
(t)
2016
2017
2018
2019
2020
2021
1
China
464
429
404
383
368
332
2
Russia
262
281
295
330
331
331
3
Australia
288
293
313
325
328
315
4
Canada
163
171
189
183
171
193
5
United States of America
229
236
225
200
190
187
6
Ghana
131
133
149
142
139
129
7
Peru
166
167
163
143
98
127
8
Mexico
131
120
118
109
102
125
9
Indonesia
118
118
153
92
101
118
10
South Africa
163
154
128
111
99
114
Source: GoldHub, 2022
exhibit962p1i0
Technical Report Summary of the material Tailings
 
Storage Facilities
192
16.6
 
Concluding Comments
The
 
QP
 
notes
 
a
 
short-term
 
up-tick
 
despite
 
the
 
long-term
 
reduction
 
in
 
demand
 
together
 
with
 
an
essentially constant
 
supply over
 
the past
 
five years.
 
These trends
 
are not
 
inconsistent with
 
the forecast
price trend
 
in Table
 
16.3. The
 
QP is
 
satisfied that
 
a real
 
30 June
 
2022 gold
 
price of
 
ZAR914,294/kg
 
is a
reasonable
 
assumption for examining the economic viability of the Mineral
 
Reserve estimate.
exhibit962p1i0
Technical Report Summary of the material Tailings
 
Storage Facilities
193
17
 
Environmental Studies
17.1
 
Results of Environmental Studies
An
 
Environmental
 
Impact
 
Assessment
 
(EIA)
 
has
 
been
 
conducted
 
over
 
the
 
Ergo
 
operation
 
with
 
the
findings
 
of
 
the
 
EIA
 
showing
 
that
 
the
 
operation
 
would
 
result
 
in
 
certain
 
negative
 
impacts
 
during
 
the
operational phase to the environment, however, none of the specialist
 
studies objected to the project.
During
 
the
 
mining
 
operations,
 
negative
 
impacts
 
are
 
largely
 
Moderate
 
to
 
Insignificant,
 
and
 
after
interventions the
 
impacts are
 
mitigated to
 
a Low
 
significance. During
 
the decommissioning
 
and post-
decommissioning
 
phases,
 
most
 
of
 
the
 
impacts
 
will
 
be
 
positive
 
as
 
the
 
historical
 
TSFs
 
and
 
associated
environmental impacts of the TSFs are removed.
Social and
 
community interaction
 
remains a
 
key focus
 
for Ergo.
 
Stakeholder
 
engagement is
 
reported
annually
 
with
 
the
 
SLP
 
compliant
 
and
 
filed
 
with
 
the
 
proper
 
authorities.
 
Ergo
 
appears
 
to
 
have
 
good
relations with surrounding communities and engages
 
proactively.
The QP
 
is unaware
 
of any
 
material flaws
 
in terms
 
Ergo’s social
 
license to
 
operate, however,
 
it is
 
noted
that in the current South African socio-political issues remain
 
a risk and require constant monitoring.
Rehabilitation
 
will
 
be
 
carried
 
out
 
once
 
the
 
reclamation
 
of
 
individual
 
TSF
 
are
 
completed,
 
with
rehabilitation returning the disturbed land to as close to its
 
original landscape as possible.
The principles for proper rehabilitation are:
preparing a comprehensive rehabilitation plan prior to the commencement of any activities on
site;
stormwater management must be in place at the site prior
 
to commencing with any activities;
landform design (e.g., shaping, re-grassing, etc.);
maintenance management and eradication of invader
 
species;
a plan on how waste will be managed on site; and
an emergency preparedness/response plan.
The objective of the site
 
rehabilitation (in accordance
 
with the NEMA EIA Regulations
 
of 2014) must be
measurable, practical and be feasible to implement through:
providing the vision, objectives, targets and criteria
 
for final rehabilitation of the project;
outlining the principles for rehabilitation;
explaining the
 
risk assessment
 
approach and
 
outcomes and
 
link decommissioning
 
activities to
risk;
rehabilitation detailing the decommissioning and rehabilitation
 
actions that clearly indicate the
measures that
 
will be
 
taken to
 
mitigate and/ or
 
manage identified risks
 
and describing the
 
nature
of residual risks that will need to be monitored and managed
 
post decommissioning;
identifying knowledge gaps and how these will be addressed
 
and filled; and
exhibit962p1i0
Technical Report Summary of the material Tailings
 
Storage Facilities
194
outlining monitoring, auditing and reporting requirements.
17.2
 
Requirements for Tailings Disposal, Site Monitoring and Water Management
The general description of the Brakpan/Withok TSF is covered
 
in Item 15.
17.2.1
 
Site Monitoring
Site
 
monitoring
 
provides
 
information
 
on
 
whether
 
rehabilitation
 
methods
 
employed
 
are
 
functioning
correctly or not. The purpose of monitoring is to ensure that the objectives of the rehabilitation program
are met, and that the progressive rehabilitation process is followed
 
as planned during the LoM.
The
 
post
 
closure
 
monitoring
 
period
 
will
 
begin
 
once
 
scheduled
 
decommissioning
 
and
 
rehabilitation
activities for the sites have been completed. The duration of post closure monitoring
 
will be determined
based on environmental performance
 
and until it can
 
be demonstrated that the
 
rehabilitation work has
achieved the agreed outcomes;
 
however, at present, it
 
has been assumed that
 
post closure monitoring
will not continue
 
for more than
 
five years. It
 
is important that
 
the data obtained
 
during monitoring is
 
used
to gauge the success of rehabilitation. Negative monitoring findings should be
 
clearly linked to specific
corrective actions.
The following aspects should be monitored during the post-closure
 
phase.
17.2.2
 
Water Management
The quality
 
of groundwater
 
and
 
surface
 
water at
 
the
 
various
 
sites will
 
be
 
monitored
 
quarterly
 
for five
years
 
post
 
closure,
 
except
 
for
 
the
 
Knights
 
Mining
 
Right
 
which
 
requires
 
30
 
years
 
monitoring
 
at
 
certain
monitoring points as per the approved WULs, to ensure
 
compliance of the various constituents with the
standards. Samples should be analyzed for particulate and soluble contaminants. Water monitoring will
be taking place at 76 different locations.
17.2.3
 
Vegetation Monitoring
The following vegetation monitoring is recommended:
vegetation cover;
species composition;
erosion; and
alien invasive plants.
17.2.4
 
Vegetation Maintenance
Vegetation maintenance will specifically focus on fertilizing the rehabilitated areas annually if required,
controlling
 
alien
 
invasive plants
 
where
 
needed
 
and
 
general
 
maintenance
 
such as
 
in-filling
 
of erosion
gullies. In the case of erosion, the cause should be identified,
 
and rectified.
exhibit962p1i0
 
 
 
 
 
 
 
 
 
 
 
 
 
 
 
 
 
 
 
 
 
 
 
 
 
 
 
 
 
 
 
 
 
 
 
 
 
 
 
Technical Report Summary of the material Tailings
 
Storage Facilities
195
17.2.5
 
Water Monitoring
Currently, 66% of
 
all process water
 
make-up at Ergo
 
is drawn from
 
water returned from
 
the Brakpan as
shown in Table 17.1.
Table 17.1:
 
Ergo Water Consumption
Description
Total Consumption 2022
Total Consumption 2021
Ml
%
Ml
%
Potable Water Sources Externally
2,460
9
2,813
11
Rondebult Waste Water
27
-
46
-
Surface Water Extracted
4691
18
4,210
17
Water Recycled in Process
16,302
62
17,233
66
TCTA Water (AMD)
2,907
11
1,683
6
Total Water Used
26,387
100
25,985
100
Source: DRDGOLD, 2022
17.2.6
 
Legal and Permitting
Item 3 of the TRS (Table 3.2) discusses the Mining
 
Rights and Prospecting Rights details for Ergo’s and the
status thereof.
Ergo’s EMP encompasses all the activities
 
of Ergo’s operations and assesses
 
the environmental impacts
of mining
 
at reclamation
 
sites, plants
 
and
 
TSFs. It
 
also outlines
 
the
 
closure
 
process, including
 
financial
provisions.
There are currently no legal challenges to Ergo’s title
 
to its reserves other than those discussed below.
The QPs are aware of two issues that could impact on Ergo’s current mining rights or mining
 
operations.
Grootvlei Complex:
Ergo has a
 
Mining Right over Grootvlei
 
TSF 6L14 via Mining
 
Right GP158MR and
 
has
submitted a renewal application of
 
its Prospecting Rights over
 
Grootvlei TSFs 6L16, 6L17
 
and 6L17A to the
DMRE,
 
which
 
application
 
is
 
pending.
 
During
 
the
 
2022
 
financial
 
year,
 
an
 
external
 
party
 
raised
 
a
conflicting claim
 
of common
 
law ownership
 
of TSFs
 
6L16, 6L17
 
and 6L17A.
 
Although the
 
claim was
 
on
common law
 
ownership
 
and no
 
challenge
 
has been
 
brough against
 
the Prospecting
 
Rights
 
over the
dumps, the
 
Grootvlei Complex
 
has been
 
excluded from
 
the Mineral
 
Reserves statement
 
and the
 
LoM
plan. However, the Grootvlei Complex has been included in the Mineral Resources statement as Ergo is
of the opinion that the Prospecting Rights will be renewed.
Marievale Complex:
 
Ergo acquired
 
the Marievale
 
TSFs 7L5,
 
7L6 and
 
7L7 in
 
terms of
 
a written
 
notarially
executed
 
deed
 
of
 
sale
 
during
 
2019
 
and
 
took
 
possession
 
of
 
the
 
TSFs
 
on
 
8
 
April
 
2019.
 
It
 
has
 
since
 
also
obtained the requisite
 
NEMA regulatory approvals
 
to retreat these
 
TSFs. During the
 
2022 financial year,
the owner of the
 
land on which
 
7L5, 7L6 and a
 
portion of 7L7
 
are situated, an
 
estimated 36,524t out
 
of
the
 
total
 
54,114t
 
comprising
 
the
 
Marievale
 
Complex,
 
notified
 
Ergo
 
that
 
in
 
its
 
view,
 
the
 
said
 
TSFs
 
had
acceded to the land,
 
and that it had
 
become the owner of the
 
TSF. Ergo disputes the claim
 
of legal title
and the matter is to be referred to arbitration. All ownership requirements were met when the TSFs were
purchased
 
by
 
Ergo
 
and
 
therefore
 
these
 
TSFs
 
are
 
still
 
included
 
in
 
the
 
LoM
 
plan
 
and
 
Mineral
 
Reserves.
Whilst Ergo has
 
received confident legal advice
 
of the merits
 
of its claim,
 
in the event that
 
the arbitration
goes against Ergo, its Mineral Reserves will reduce by 35.52Mt (0.35Moz at 0.29g/t). In so much as it then
enters into
 
a commercial
 
arrangement with
 
the landowner,
 
the financial
 
benefit of
 
this portion
 
of the
Marievale Complex will be reduced by whatever benefit
 
is agreed to in favor of the land-owner.
exhibit962p1i0
 
 
 
 
 
 
 
 
 
 
 
 
 
 
 
 
 
 
 
 
 
 
 
 
 
 
 
 
 
 
 
 
 
 
 
 
 
 
Technical Report Summary of the material Tailings
 
Storage Facilities
196
Ergo has
 
submitted a
 
renewal application
 
to the DMRE
 
for the
 
Prospecting Rights
 
it holds
 
over the
 
7L4
TSF as described more fully under Item 3.6.
17.3
 
Plan Negotiations, or Agreements with Local Individuals or Groups
Social and
 
community interaction
 
remains a
 
key focus
 
for Ergo.
 
Stakeholder
 
engagement is
 
reported
annually against the SLP and any complaint is filed with
 
the proper authorities.
The QP is unaware
 
of any material
 
flaws of Ergo’s social
 
license to operate. However,
 
it is noted that
 
in
the current
 
South African
 
political environment,
 
social and
 
community issues
 
always remain
 
a risk
 
and
require constant monitoring.
The five-year SLP was
 
submitted by Ergo in
 
terms of the requirements
 
of the MPRDA. The development,
submission and
 
implementation of
 
an SLP
 
is a
 
requirement of
 
the MPRDA
 
and the
 
right to
 
mine. Table
17.2 indicates
 
the budget
 
for the
 
2018
 
to 2022
 
SLP, noting
 
that the
 
SLP plan
 
is conducted
 
in five-year
segments.
The SLP covers three key elements:
Human
 
Resource
 
Development
 
(HRD)
:
 
which
 
focuses
 
on
 
the
 
empowerment
 
of
 
historically
disadvantaged
 
South Africans
 
to progress
 
to higher
 
career
 
levels
 
within
 
the
 
industry.
 
Ergo
 
has
various
 
programs
 
to
 
address
 
this
 
aspect,
 
including
 
skills
 
development
 
programs,
 
career
progression and mentorship employment equity targets
 
;
Local Economic
 
Development
 
(LED):
 
which
 
focuses
 
on
 
the
 
upliftment
 
of
 
both the
 
surrounding
(affected)
 
and
 
labor-providing
 
communities.
 
Ergo
 
has
 
four
 
projects,
 
one
 
agricultural
development,
 
a
 
sewing
 
project
 
and
 
two
 
projects
 
to
 
upgrade
 
facilities
 
at
 
primary
 
schools.
 
A
ZAR10 million budget is allocated to these LED projects
 
;
 
and
Program
 
for
 
Management
 
of
 
Downscaling
 
and
 
Retrenchment:
 
which
 
focuses
 
on
 
minimizing
negative impact
 
due
 
to
 
either job
 
losses
 
through
 
retrenchment
 
and
 
mine
 
closure in
 
the long-
term.
Table 17.2:
 
SLP Financial Provision Summary
Description
2018
2019
2020
2021
2022
Total
(ZAR million)
HRD Total
7.08
7.53
5.69
5.91
7.08
33.29
LED Total
3.40
5.80
2.60
2.20
1.50
15.50
Downscaling Retrenchment
13.00*
SLP Budget
10.48
13.33
8.29
8.11
8.58
61.79
Source: DRDGOLD, 2022
Note: *This amount has already been accrued and
 
is available for reskilling should the mine prematurely
 
be forced to close.
17.4
 
Mine Closure Plans Remediation Plans, and Associated Costs
In accordance
 
with South African
 
mining legislation,
 
all mining
 
companies are required
 
to rehabilitate
the land on which
 
they work to
 
a determined standard for alternative use.
 
Ergo has spent ZAR198 million
on various rehabilitation activities in the three years between 2020
 
and 2022.
A community consortium,
 
consisting of
 
nine local companies
 
that represent areas
 
including Langlaagte,
Diepkloof,
 
Meadowlands,
 
Orlando
 
West,
 
Orlando
 
East,
 
Riverlea,
 
Pennyville
 
and
 
Ormonde,
 
has
 
been
exhibit962p1i0
 
 
 
 
 
 
 
 
 
 
 
 
 
 
 
 
Technical Report Summary of the material Tailings
 
Storage Facilities
197
established to
 
conduct certain
 
rehabilitation work
 
for Ergo
 
as part
 
of its
 
small enterprise
 
development
initiatives.
 
It currently
 
employs 27
 
community members
 
from the
 
abovementioned
 
areas. Their
 
current
project entails the establishment of
 
new side slope vegetation on
 
the Crown TSFs and to
 
irrigate until the
vegetation is self-sustainable.
Ergo is on track to complete this vegetation program
 
by 2026.
In
 
2016,
 
a
 
decision
 
was
 
taken
 
to
 
complete
 
the
 
recovery
 
of
 
mine
 
waste
 
materials
 
from
 
a
 
number
 
of
legacy
 
reclamation
 
sites
 
and
 
to
 
close
 
the
 
Crown
 
plant.
 
The
 
clean-up
 
of
 
the
 
legacy
 
sites
 
has
 
proven
difficult
 
and
 
costly
 
and
 
requires
 
the
 
use
 
of
 
earthmoving
 
equipment
 
to
 
mechanically
 
lift
 
and
 
move
residual material.
 
Steady progress is being made on the clean-up and closure
 
of these legacy sites.
As clean-up work on former
 
reclamation sites is completed, applications
 
are submitted to the National
Nuclear
 
Regulator
 
(NNR)
 
for
 
land
 
clearance
 
certificates.
 
In
 
2019,
 
Ergo
 
received
 
land
 
clearance
certificates for an area
 
covering approximately 135.5ha
 
from NNR, releasing
 
land located close to
 
the
Benoni central business district for development.
In 2019, applications were lodged with the NNR in respect of 136ha of rehabilitated land for clearance.
In 2020,
 
applications were
 
lodged for
 
a further
 
27ha of
 
rehabilitated land
 
,
 
in 2021,
 
for a
 
further 87.6ha
and in 2022, for a further 23.6ha.
Ergo’s decommissioning and restoration liabilities
 
are funded by
 
a combination of funds
 
that have been
set aside for environmental rehabilitation. ZAR132.7 million is currently held in the Guardrisk Cell Captive
under
 
a
 
ring-fenced
 
environmental
 
insurance
 
policy.
 
Further
 
environmental
 
guarantees
 
of
 
ZAR377.8
million
 
have
 
been
 
issued
 
by
 
Guardrisk
 
Insurance
 
Company
 
Limited
 
to
 
the
 
DMRE.
 
In
 
total,
 
Ergo
 
has
ZAR510.5 million in environmental rehabilitation
 
and closure cover.
The calculated costs for rehabilitation and closure of the Ergo Operations estimated by Digby Wells are
ZAR639
 
million
 
(Table
 
17.3).
 
Ergo
 
systematically
 
audits
 
and
 
monitors
 
progress
 
on
 
rehabilitation
 
and
closure
 
and
 
adjusts
 
its
 
provision
 
accordingly.
 
Required
 
audits
 
are
 
undertaken
 
and
 
submitted
 
to
 
the
DMRE annually.
Table 17.3:
 
Ergo Rehabilitation Financial Provision Summary
Area and Mining Right
Closure Cost 2022
(ZAR)
CMR - GP186MR
11,845,711
Crown - GP184MR
125,160,690
City Deep - GP185MR
41,802,525
Knights - GP187MR
46,318,600
ERPM - GP150 and 151MR
10,240,493
Ergo - GP158MR
403,565,361
Total (excluding VAT)
638,933,381
Source: Digby Wells, 2022
exhibit962p1i0
Technical Report Summary of the material Tailings
 
Storage Facilities
198
17.5
 
QP Statement on the Environmental Studies, Permitting, Plans,
 
Negotiations, with Local
Individuals or Groups
The QP is satisfied that all
 
material issues relating to Environmental,
 
Social and Governance have
 
been
addressed in this document.
The above statement
 
is borne out
 
by the fact
 
that Ergo incurred
 
no fines of
 
monetary value or
 
significant
non-monetary sanctions for non-compliance with environmental laws and regulations were imposed
 
in
the past four years (2019, 2020, 2021 and 2022).
The QP
 
finds the
 
funding
 
mechanism
 
appropriate
 
for mine
 
rehabilitation
 
and mine
 
closure, but
 
notes
that
 
there
 
is
 
a
 
shortfall
 
between
 
the
 
reclamation
 
funding
 
and
 
the
 
July
 
2022
 
Digby
 
Wells
 
closure
 
cost
estimate.
exhibit962p1i0
 
 
 
 
 
 
 
 
 
 
 
 
 
 
 
 
 
 
 
 
 
 
 
 
 
 
 
 
Technical Report Summary of the material Tailings
 
Storage Facilities
199
18
 
Capital and Operation Costs
The capital expenditure and operating costs provided take cognizance of the requirements
 
to support
the
 
LoM
 
plan.
 
The
 
capital
 
expenditure
 
takes
 
into
 
account
 
the
 
ongoing
 
requirements
 
of
 
starting
 
new
operating sites as current
 
TSFs Mineral Reserves are
 
depleted. This capital expenditure
 
schedule is based
on the
 
LoM production schedule
 
with the
 
capital expenditure based
 
on mining and
 
engineering designs
conducted to a PFS level of accuracy (i.e., +/-25%) with a maximum
 
level of contingency of 15% being
applied.
The operating
 
costs support
 
the planned
 
LoM production
 
profile taking
 
into consideration whether
 
slimes
or
 
sand
 
material
 
is
 
mined
 
and
 
the
 
method
 
and
 
distance
 
in
 
which
 
the
 
mineralized
 
material
 
is
transported(i.e., pumped
 
or trucked). Operating
 
costs are activity-based
 
costs accounting for
 
surface
mining costs (extraction
 
and transportation); processing
 
costs (including tailings
 
disposal costs), cost
 
of
maintaining
 
key
 
mine
 
infrastructure
 
and
 
general
 
and
 
administrative
 
costs.
 
The
 
estimate
 
of
 
operating
costs are based on historical operating cost data, which is well understood as Ergo is
 
a well-established
mining operation.
 
Operating costs
 
are estimated
 
to at least
 
a PFS
 
level of
 
accuracy (i.e.,
 
+/-25%)
 
with
no contingency applied due to the understanding
 
of the cost to mine and process the RoM material
 
.
18.1
 
Capital Expenditure
A total capital
 
of ZAR3.22 billion
 
is scheduled
 
to support the
 
Ergo LoM
 
plan.
 
The breakdown
 
of capital
expenditure indicates
 
the majority
 
of the
 
capital, ZAR3.14
 
billion,
 
is allocated
 
to the
 
Ergo Section
 
over
the duration of the LoM plan with an additional ZAR81.9 million allocated in
 
2022 for the City Section.
 
As
the mining at the Knights
 
Section is completed in 2024 there is no allocation
 
of capital.
The
 
capital
 
expenditure
 
summary
 
as
 
proposed
 
in
 
the
 
30
 
June
 
2022
 
LoM
 
plan
 
is
 
presented
 
in
Table
 
18.1.
 
The
 
level
 
of
 
accuracy
 
for
 
the
 
capital
 
expenditure
 
is
 
to
 
at
 
least
 
a
 
PFS
 
level
 
of
 
accuracy
(i.e., +/-25%) with a maximum level of contingency
 
of 15%.
Table 18.1:
 
Capital Expenditure Summary
Area
Budgeted Capital
Expenditure
(ZAR)
Ergo Section
3,137,603,000
City Section
81,923,000
Knights Section
0
Total (excluding VAT)
3,219,526,000
Source: DRDGOLD, 2022
18.1.1
 
Ergo Section Capital Expenditure
This
 
section
 
depicts
 
the
 
capital
 
expenditure
 
estimate
 
for
 
the
 
Ergo
 
Section.
 
Table
 
18.2
 
indicates
 
the
Rooikraal capital expenditure estimate planned in January
 
2022.
 
Table 18.2:
 
Rooikraal Capital Expenditure Estimate
Discipline
Capital Expenditure
(ZAR)
Consultancies
324,000
Civil
15,100,835
exhibit962p1i0
 
 
 
 
 
 
 
 
 
 
 
 
 
 
 
 
 
 
 
 
 
 
 
 
 
 
 
 
 
 
 
 
 
 
 
 
 
 
 
 
 
 
 
 
 
 
 
 
 
 
 
 
 
 
 
 
 
 
 
 
 
 
 
 
 
 
 
 
Technical Report Summary of the material Tailings
 
Storage Facilities
200
Structural Steel
14,591,639
Mechanical
18,783,480
Piping
99,680,396
Electrical
28,471,978
Instrumentation
1,599,218
Security
415,634
Other
2,824,000
Total
181,791,181
Source: DRDGOLD, 2022
Note: ZAR 91.759 million spent in 2021/22 financial
 
year
Table 18.3
 
indicate the capital
 
expenditure estimate for
 
the Marievale pump
 
station and
 
total Marievale
capital expenditure estimate respectively.
Table 18.3:
 
Marievale Capital Pump Stations
Area
Budgeted Capital
Expenditure
(ZAR)
Consultants
294,000
Civil engineering
29,793,240
Structural steelwork
30,583,013
Mechanical
36,020,706
Electrical
66,507,688
Instrumentation
4,471,908
Security
1,525,297
Other
7,568,000
Total (excluding VAT)
176,763,853
Source: DRDGOLD, 2022
Table 18.4:
 
Marievale Total Capital Expenditure Summary
Area
Budgeted Capital
Expenditure
(ZAR)
Pump Station
176,763,853
Slurry Pipeline
65,628,130
Water Pipeline
56,328,874
Water Transfer
41,343,778
total (excluding VAT)
345,590,778
Source: DRDGOLD, 2022
Table 18.5
 
shows the
 
estimated capital
 
expenditure for
 
the Daggafontein
 
pump station,
 
inclusive of
 
a
ZAR4.6 million contingency (4.2%). Table
 
18.6 indicates the Daggafontein capital expenditure summary.
Table 18.5:
 
Daggafontein Capital Pump Stations
Description
Budgeted Capital
Expenditure
(ZAR)
Consultants
294,000
Civil Engineering
17,611,703
Structural Steelwork
18,279,748
exhibit962p1i0
 
 
 
 
 
 
 
 
 
 
 
 
 
 
 
 
 
 
 
 
 
 
 
 
 
 
 
 
 
 
 
 
 
 
 
 
 
 
 
 
 
 
 
 
 
 
 
 
 
 
 
 
 
 
 
 
 
 
 
 
 
Technical Report Summary of the material Tailings
 
Storage Facilities
201
Mechanical
20,300,199
Electrical
41,446,040
Instrumentation
4,471,908
Security
415,634
Other
7,568,000
Total (excluding VAT)
110,387,234
Source: DRDGOLD, 2022
Table 18.6:
 
Daggafontein Capital Expenditure Summary
Area
Budgeted Capital
Expenditure
(ZAR)
Pump Stations
110,387,234
Slurry Pipeline
36,981,310
Water Pipeline
33,161,400
Daggafontein Plant Upgrades
86,149,055
Total (excluding VAT)
266,679,000
Source: DRDGOLD, 2022
Table 18.7shows the non-material TSF Capital Expenditure for
 
the Ergo Section.
Table 18.7:
 
Non-material TSF Capital Expenditure for the Ergo
 
Section
Area
Budgeted Capital
Expenditure
(ZAR)
4L14
50,157,000
7L15
60,000,000
4L39
69,927,000
5L27
59,852,000
Sustaining
1
 
and Small Capital Projects
837,085,000
Total (excluding VAT)
1,077,021,000
Source: DRDGOLD, 2022
Note:
1.
 
Sustaining capital of ZAR30 million between years 3 to 18 (ZAR480 million); ZAR221.4 million
 
and ZAR105.6 million allocated in year 1 and
year 2 to complete numerous small capital programs
The Withok compartment design is based on
 
upstream cyclone system and a scavenger well system
 
for
environmental
 
containment.
 
The
 
Brakpan/Withok
 
TSF
 
has
 
been
 
digitally
 
modelled
 
which
 
model
 
has
been
 
used
 
to
 
inform
 
the
 
various
 
quantities
 
of
 
the
 
various
 
infrastructure
 
aspects.
 
The
 
capital
 
costs
 
to
implement
 
the
 
Withok
 
compartment
 
has
 
been
 
estimated
 
upon
 
typical
 
contractor
 
tender
methodologies
 
by
 
Beric
 
Robinson
 
Tailings
 
(Proprietary)
 
Limited.
 
Table
 
18.8
 
indicates
 
the
 
capital
expenditure budget for the proposed Withok compartment
 
.
 
The Withok compartment design work has
been conducted to a PFS level of accuracy with
 
a 15% contingency applied to the capital estimate.
Table 18.8:
 
Withok Compartment Capital Expenditure
Area
Budgeted Capital
Expenditure
(ZAR)
Construction Contract
456,056,963
exhibit962p1i0
 
 
 
 
 
 
 
 
 
 
 
 
 
 
 
 
 
 
 
 
 
 
 
 
 
 
 
 
 
 
 
 
 
 
 
 
 
 
 
 
 
 
 
 
 
 
 
 
 
 
 
 
Technical Report Summary of the material Tailings
 
Storage Facilities
202
Material Supply
76,009,494
Engineering Design and Oversight
3,648,456
Scavenger Boreholes
12,161,519
Pumps, Power Reticulation and Other
60,807,595
Sub-total
608,684,026
Contingency 14%
91,302,604
Total (excluding VAT)
699,986,630
Source: DRDGOLD, 2022
The capital budget for the solar power project is shown
 
in Table 18.9.
Table 18.9:
 
Solar Power Project Capital Estimate
Area
Budgeted Capital
Expenditure
(ZAR)
Solar MW Works
69,579,000
Solar 20MW
338,084,000
Solar 88kV (15% contingency)
239,660,000
Total (excluding VAT)
646,323,000
Source: DRDGOLD, 2022
18.1.2
 
City Capital Expenditure
A capital of ZAR81.9 million has been allocated to the City
 
section in 2022 (Table 18.10).
Table 18.10:
 
City Total Capital Expenditure Summary
Area
Budgeted Capital
Expenditure
(ZAR)
4/L/4 TSF
19,527,000
Valley Silts
62,396,000
Total (excluding VAT)
81,923,000
Source: DRDGOLD, 2022
18.1.3
 
Knights Capital Expenditure
Due to the short life of the Knights Section,
 
no capital expenditure has been planned
 
or budgeted.
18.1.4
 
QP commentary
The QP associates
 
a low risk
 
to the engineering
 
capital expenditure
 
for the mining
 
associated projects
as the design and
 
construction of pump stations
 
and pipelines have
 
been conducted numerous times
by
 
Ergo.
 
The QP
 
notes
 
the
 
level
 
of accuracy
 
for
 
the
 
capital
 
expenditure
 
estimates
 
are
 
to a
 
PFS level
accuracy (i.e.,
 
+/-25%). Contingency
 
varies between
 
0% to
 
15% with
 
contingency typically
 
applied to
civil work, structural steelwork and
 
electrical and instrumentation. In
 
no case is the contingency
 
above
15%.
The QP is
 
of the opinion
 
that the risk
 
associated with the Withok
 
compartment capital estimate and
 
solar
plant and storage facility is Low to Medium and typical
 
of a PFS level of accuracy (i.e., +/-25%).
exhibit962p1i0
 
 
 
 
 
 
 
 
 
 
 
 
 
 
 
 
 
 
 
 
 
 
 
 
Technical Report Summary of the material Tailings
 
Storage Facilities
203
18.2
 
Operating Costs
Mining related operating costs are
 
assigned to the Ergo processing plant
 
and the mining of the various
TSFs. A different operational cost is applied to each deposit, depending on its composition, proximity to
the processing plant and the
 
reclamation method. Sand dumps have a
 
higher cost than slimes, as sand
must be milled down to 80% less than 75µm while the
 
slime can be treated in the CIL tanks directly.
Mining related operating
 
costs are assigned
 
to the planned
 
TSFs to be
 
mined and the
 
Ergo processing
plant. The planned average
 
operating cost for the Ergo
 
19-year LoM plan is estimated
 
at a PFS level of
accuracy
 
(i.e.,
 
+/-25%)
 
with
 
a
 
maximum
 
level
 
of
 
contingency
 
of
 
15%
 
with
 
a
 
total
 
working
 
cost
 
of
ZAR90.86/t (Table 18.11).
Table 18.11:
 
Average LoM Operating Cost for Ergo
Operating Cost
Average LoM
Operating Cost
(ZAR 000’s)
Labor
375,733
Consumables
663,822
Electricity
81,735
Water
28,557
Contractors
350,715
Other
262,710
Sub-total Cash Cost
1,863,272
Rehabilitation Cost
25,349
Other Operation Cost
24,572
Retrenchment Cost
6,215
Corporate Cost
42,916
Sub-total Other Cost
99,052
Total Working Cost
1,962,324
Source: The RVN Group, 2022
The
 
development
 
of
 
the
 
annual
 
operating
 
costs
 
is
 
based
 
on
 
historical
 
cost
 
data
 
as
 
Ergo
 
has
 
been
operational for numerous years. The
 
QP associates a Low
 
risk with many of
 
the operating costs, however
a Medium
 
risk is
 
associated
 
with consumables,
 
electricity
 
and water
 
due
 
to the
 
volatile nature
 
of the
market of these items. Ergo is attempting to mitigate the volatility with the installation of the solar power
project and reuse of water where possible. Refer to Item 19.3
 
for more details on risk.
exhibit962p1i0 exhibit962p220i1
 
 
 
 
Technical Report Summary of the material Tailings
 
Storage Facilities
204
19
 
Economic Analysis
19.1
 
Economic Analysis
The 30
 
June 2022
 
19-year LoM
 
plan, which
 
is the
 
basis of
 
the Mineral
 
Reserve, is
 
scheduled to
 
mine a
total
 
of
 
410.33Mt
 
at
 
0.28g/t
 
Au
 
and
 
produce
 
50,658kg
 
of
 
gold
 
over
 
the
 
same
 
period.
 
The
 
economic
analysis is based on a LoM plan that is designed to a PFS level of accuracy (i.e., +/-25%). The economic
analysis
 
conducted
 
by
 
the
 
QP
 
indicates
 
a
 
net
 
present
 
value
 
(NPV)
 
of
 
ZAR2.2
 
billion
 
after
 
capital
expenditure and
 
taxation
 
utilizing a
 
discount rate
 
of 9.48%
 
(real terms).
 
As the
 
Ergo operations
 
are an
on-going with an annual positive cashflow, the internal rate of return (IRR) and payback period are not
applicable.
Figure 19.1:
 
Ergo LoM Production Tonnage
Source: The RVN Group, 2022
exhibit962p1i0 exhibit962p221i1
 
 
 
 
Technical Report Summary of the material Tailings
 
Storage Facilities
205
Figure 19.2:
 
Ergo LoM Gold Production
Source: The RVN Group, 2022
Table 19.1 presents the
 
Ergo cashflow model over
 
the 19-year LoM Plan.
 
The NPV has been
 
calculated
by
 
discounting
 
the
 
positive
 
cashflows
 
at
 
the
 
appropriate
 
rate
 
and
 
subtracting
 
the
 
required
 
capital
expenditure. The QP has made the assumptions listed below to derive a realistic base case operational
cashflow model:
the
 
production
 
schedule
 
is
 
sourced
 
from
 
the
 
Ergo
 
LoM
 
plan.
 
The
 
mining
 
tonnage
 
schedule
 
is
shown in Figure 19.1, which varies between 23.0Mtpa
 
and 18.2Mtpa;
plant feed grade as per the LoM schedule (Figure 19.2)
 
with an average grade of 0.28g/t Au;
the average metallurgical recovery over the LoM schedule
 
is 40.9%;
total
 
working
 
costs
 
estimated
 
at
 
ZAR90.86/t
 
RoM
 
are
 
inclusive
 
of
 
mining,
 
metallurgical
 
and
general and administration costs (working costs);
the gold market
 
price is
 
set at ZAR914,294/kg
 
(see Item
 
16 for further
 
information for
 
gold price
in USD/oz and exchange rate);
capital expenditure of ZAR3.219 billion is inclusive of contingency
 
;
no salvage value of assets has been assumed;
a tax rate of 27%;
a discount rate of 9.48% in real (no inflation) terms;
no
 
royalty
 
payment
 
is
 
applicable
 
to
 
Ergo,
 
as
 
the
 
operation
 
is
 
not
 
subject
 
to
 
royalties
 
on
 
the
retreatment of TSFs;
capital expenditure was fully written-off against operating
 
profit, with no time constraint; and
exhibit962p1i0
Technical Report Summary of the material Tailings
 
Storage Facilities
206
no escalation
 
or inflationary
 
effects have
 
been included
 
in the
 
economic evaluation,
 
which is
based on constant money value (real terms).
The NPV of the Ergo
 
LoM plan as at 30
 
June 2022
 
was calculated at ZAR2.2
 
billion at a discount
 
rate of
9.48% as shown in Table 19.1
.
exhibit962p1i0 exhibit962p223i1
Technical Report Summary of the material Tailings Storage
 
Facilities
207
Table 19.1:
 
Economic Analysis
Source: The RVN Group, 2022
exhibit962p1i0 exhibit962p224i1
 
 
 
 
Technical Report Summary of the material Tailings
 
Storage Facilities
208
19.2
 
Sensitivity Analysis
The sensitivity analysis of the Ergo financial model
 
that varies revenue (price and grade); operating cost
and capital expenditure at 5% increments above
 
and below the base case is shown in Figure
 
19.3.
 
The
analysis indicates that the Ergo operations are very sensitive to revenue parameters such as gold price,
grade, and recovery.
 
In addition, the LoM
 
plan is also very
 
sensitive to changes in
 
operating costs. The
sensitivity
 
indicates
 
that
 
the
 
LoM
 
plan
 
is not
 
as
 
sensitive
 
to capital
 
and
 
therefore
 
capital
 
expenditure
should be considered
 
if the expenditure
 
will result
 
in reducing operating
 
cost or increase
 
revenue. The
sensitivity
 
indicates
 
that
 
achievement
 
of
 
the
 
LoM
 
plan
 
in
 
terms
 
of
 
tonnage
 
is
 
critical
 
in
 
realizing
 
the
planned operating
 
costs and
 
being able
 
to mine
 
at the
 
planned cut-off
 
grade. The
 
QP is
 
unaware of
any capital
 
expenditures, that
 
if delayed,
 
would materially
 
affect the
 
LoM plan
 
or cashflow.
 
The QP
 
is
of the opinion that no extremely weather conditions will materially
 
impact on the capital development
program.
Figure 19.3:
 
Sensitivity Analysis
Source: The RVN Group, 2022
19.3
 
Risk Assessment
The following
 
highlights show
 
the key
 
risks that
 
Ergo has
 
identified as
 
critical to
 
their operations,
as well as comments
 
on mitigation of these risks.
19.3.1
 
Rising Electricity Prices and Eskom Supply Distribution
The mining industry is a dominant
 
consumer of electricity, consuming approximately 30% of the
 
national
electricity supply. The processing plants operate on
 
a “24/7/365”
 
basis and continuous electricity supply
is paramount to achieving a stable plant with enhanced
 
efficiencies.
Eskom
 
remains
 
the
 
biggest
 
systemic
 
risk
 
to
 
the
 
sustainability
 
of
 
the
 
South
 
African
 
economy.
 
On
28 July 2020, a
 
court judgment was given against the National
 
Energy Regulator of South Africa
 
(NERSA)
and allowed for Eskom to increase its
 
tariffs from the original 5.22% on
 
1 April 2021 to approximately 15%.
An increase
 
of 14.59%
 
was
 
approved
 
for
 
the 202
 
1
 
to 2022
 
municipal
 
tariff after
 
Eskom
 
applied
 
for
 
an
exhibit962p1i0
Technical Report Summary of the material Tailings
 
Storage Facilities
209
electricity
 
price
 
increase
 
of
 
20.5%.
 
In
 
February
 
2022,
 
NERSA
 
allowed
 
for
 
an
 
increase
 
of
 
9.6%
 
in
 
the
standard electricity tariff as implemented in April 2022.
Ergo has adopted a two-staged approach to the risks associated
 
with electricity supply.
Firstly,
 
Ergo
 
has
 
had
 
to
 
install
 
extensive
 
back-up
 
systems
 
to
 
counteract
 
the
 
impact
 
of
 
unscheduled
interruptions in the power supply. Although Ergo is unable
 
to maintain full production during black-outs,
back-up generator sets ensure that the
 
processing plants remain
 
in motion and that the circuits
 
do not
choke or become
 
blocked through the
 
settlement of solids
 
in the slurry.
 
This enables the
 
immediate start-
up of production once the power is restored.
At the
 
Brakpan/Withok
 
TSF, the
 
back-up
 
capacity
 
is sufficient
 
to ensure
 
that
 
deposition can
 
continue
uninterrupted, thus
 
there is
 
no interference
 
with the
 
processing plant
 
operations (i.e.,
 
if the
 
deposition
system comes to a halt, then the entire operation will stop). From a safety perspective, it is also
 
essential
that the
 
water balance
 
on the
 
TSF pumping
 
operations remain
 
under control
 
to ensure
 
that water
 
on
the Brakpan/Withok TSF remains within the stated factors
 
of safety.
The second
 
important
 
strategic
 
consideration
 
regarding
 
electricity
 
supply is
 
to address
 
the impact
 
of
escalating
 
electricity
 
costs.
 
Ergo
 
continues
 
to
 
investigate
 
ways
 
of
 
reducing
 
the
 
impact
 
of
 
price
increases. Power storage and the pricing policy of Eskom to charge different rates during peak
 
and off-
peak periods
 
appear to
 
be the
 
most likely
 
near-term solutions
 
in this
 
regard. Charging
 
power storage
units during
 
these periods
 
and then
 
drawing them
 
down during
 
peak hours
 
to avoid
 
peak rates,
 
may
well in the long-term, provide a financially feasible model
 
in this regard.
 
Ergo
 
has
 
obtained
 
regulatory
 
approvals
 
for
 
the
 
development
 
of
 
a
 
solar
 
photovoltaic
 
and
 
battery
storage
 
facility
 
which
 
will
 
be
 
located
 
adjacent
 
to
 
the
 
Ergo
 
processing
 
plant.
 
Ergo
 
has
 
approved
ZAR646.3 million to develop the first phase of the solar
 
energy project.
19.3.2
 
Tailings Storage Facility Capacity
Ergo is a
 
volume-driven business.
 
As a result,
 
Ergo needs to
 
ensure that there
 
is sufficient capacity
 
in its
TSFs
 
to
 
deposit
 
material
 
after
 
processing
 
and
 
extracting
 
gold
 
in
 
the
 
plant.
 
Additional
 
tailings
 
storage
capacity is required
 
in the
 
medium-term to continue
 
operating at
 
current levels. This
 
additional capacity
will come from the Brakpan/Withok TSF, adjacent to the Brakpan
 
TSF. Ergo has allocated ZAR700 million
for the
 
implementation
 
of the
 
Brakpan/Withok
 
TSF final
 
life
 
design.
 
These is
 
a risk
 
of production
 
being
reduced in the event that regulatory approvals are
 
not obtained or not obtained timeously.
 
19.3.3
 
Social Unrest
The
 
growing
 
frustration
 
of
 
society
 
due
 
to
 
lack
 
of
 
Government
 
service
 
delivery
 
and
 
high
 
rates
 
of
unemployment (heightened by
 
the impact of the Covid-19 pandemic)
 
lead to increased protests and
conflict,
 
affecting
 
communities
 
in
 
and
 
around
 
Ergo’s
 
operations.
 
This
 
may
 
result
 
in
 
operational
disruptions.
19.3.4
 
Increased Crime
The current
 
strained economic
 
and uncertain
 
socio-political environment
 
contribute to
 
adverse crime
trends.
 
Ergo operations
 
are
 
not immune
 
to crime
 
and
 
are
 
frequently
 
targeted by
 
criminals
 
as well
 
as
syndicates seeking access to gold or gold concentrate.
exhibit962p1i0
Technical Report Summary of the material Tailings
 
Storage Facilities
210
19.3.5
 
Depletion of Ergo
s Mineral Reserves
Ergo’s
 
strategy
 
is
 
to
 
maintain
 
its
 
Mineral
 
Reserve
 
base
 
by
 
improving
 
the
 
robustness
 
of
 
LoM
 
plan
 
by
increasing production through better extraction efficiencies. Another risk associated with Ergo’s Mineral
Reserve
 
is
 
the
 
depletion
 
of
 
higher-grade
 
Mineral
 
Reserves.
 
The
 
current
 
gold
 
price
 
assists
 
with
 
the
economic
 
viability
 
of
 
lower
 
grade
 
TSFs,
 
however
 
when
 
the
 
gold
 
price
 
drops,
 
it
 
will
 
be
 
important
 
to
optimize the
 
LoM plan
 
to enable
 
the mining
 
of lower
 
grade TSFs.
 
This will
 
require optimizing
 
the mining
throughput,
 
reducing
 
operating
 
costs
 
and
 
improving
 
the
 
mineral
 
recovery
 
efficiencies.
 
The
 
QP
associates a low to medium risk to the Mineral Reserve
 
base as some TSF are operating close to the cut-
off grade. In
 
certain instances, the risk
 
may be negated by
 
increasing the mining rate
 
of the TSF,
 
thereby
reducing the per unit operating cost and the cut-off grade.
19.3.6
 
Social Licenses to Operate
Historically, mining has taken place in the Johannesburg
 
area since 1886 and therefore, environmental
and waste disposal practices that were designed and that may have been adequate
 
in a less densely
populated environment, are inadequate today. Ergo’s entire operating footprint is the legacy footprint
of mining
 
in Johannesburg
 
specifically in
 
the East
 
Rand. An
 
integral part
 
of Ergo’s
 
mining process
 
is to
remedy the shortcomings of that legacy by mining
 
and the historical TSFs.
While mining, there can be
 
high levels of dust and
 
other disturbances from reclamation
 
sites, however,
the
 
result
 
is
 
a
 
better
 
and
 
cleaner
 
environment
 
once
 
the
 
TSF
 
us
 
removed.
 
To
 
minimize
 
the
 
impact
 
of
mining operations, Ergo conducts dust monitoring and
 
implements measures to suppress dust.
In addition, Ergo has adopted the strategy of concurrent
 
rehabilitation, which reduces Ergo’s long-term
environmental obligation. Ergo’s current mine design strategy is to
 
conduct rehabilitation of completed
mining
 
sites
 
as
 
soon
 
as
 
practically
 
possible
 
(See
 
Item
 
17
 
for
 
further
 
Environmental,
 
Social
 
and
Governance commentary).
Pressures
 
and
 
demands
 
on
 
business
 
by
 
local
 
communities,
 
non-government
 
organizations
 
have
increased. Social license to operate issues
 
are typically driven by the
 
social and economic landscape;
and
 
the
 
Covid-19
 
pandemic
 
has
 
exacerbated
 
the
 
social
 
and
 
economic
 
issues
 
in
 
South
 
Africa.
Unemployment, hunger and desperation are of great concern and Ergo has been active in supporting
the
 
local
 
communities.
 
Ergo
 
will,
 
however,
 
be
 
increasingly
 
exposed
 
to
 
this
 
risk
 
should
 
social
 
and
economic conditions in the country not improve.
19.3.7
 
Fluctuations in the Gold Price and Exchange Rate
As
 
a
 
market
 
price
 
taker,
 
Ergo
 
is
 
exposed
 
to
 
fluctuations
 
in
 
the
 
United
 
States
 
Dollar
 
gold
 
price
 
and
ZAR/USD exchange rate. The higher the gold price,
 
the higher the profitability. A noticeable upswing
 
in
the gold
 
price has
 
occurred since
 
March 2019
 
(Figure
 
19.4),
 
with a
 
peak
 
of USD1,970/oz
 
achieved
 
in
July 2020, and
 
a 30 June
 
2022 price
 
of USD1,829/oz.
 
Between the
 
August 2021 peak
 
and the July
 
2020
high,
 
a
 
gold
 
price
 
low
 
of
 
USD1,062
 
was
 
reached
 
in
 
November
 
2015,
 
indicating
 
price
 
volatility
 
of
approximately USD700/oz between the high and
 
low gold prices
 
from 2011 to 2022.
exhibit962p1i0 exhibit962p227i1
 
 
 
 
Technical Report Summary of the material Tailings
 
Storage Facilities
211
Figure 19.4:
30-Year Gold Price in USD/oz (1992 to 2022)
Source: Macrotrends.net, 2022
This is mainly because of investors returning to gold as a safe haven asset in the
 
wake of recent fears of
a
 
global
 
economic
 
slowdown.
 
The
 
ZAR/USD
 
exchange
 
rate
 
remained
 
volatile
 
throughout
 
the
 
year
mainly as
 
a result of
 
economic uncertainty
 
marred by
 
political instability
 
and global market
 
slowdown
sentiment.
Since the revenue
 
line is determined
 
by external factors,
 
Ergo manages
 
this risk by
 
being very focused
on areas that it can influence
 
such as costs and operational
 
efficiency. Ergo continues to
 
look at ways
to
 
impede
 
the
 
increase
 
of
 
costs
 
and
 
save
 
costs
 
by
 
making
 
ongoing
 
continuous
 
improvements
 
on
process and efficiencies. Precise dosing of
 
chemicals and consumables, based on the ongoing
 
analysis
of key drivers in the Ergo processing plant, contributes to keeping costs as low as possible;
 
lower friction
in pipelines
 
through HDPE
 
lining reduces
 
power consumption,
 
and maintaining
 
a closed
 
water circuit
and use of recycled water reduces the costs of water
 
consumption are a few initiatives implemented.
To limit
 
the vulnerability
 
to a
 
drop in
 
the price
 
of gold
 
in ZAR
 
terms, Ergo
 
monitors costs
 
in line
 
with the
approach stated above. In addition to that, Ergo
 
also works hard to increase recoveries.
19.3.8
 
Supply and Cost of Water
Ergo’s surface retreatment operations are reliant
 
on water to transport the slimes from reclaimed
 
areas
to the processing plant and to the TSF.
It is
 
acknowledged
 
that water
 
is a
 
limited
 
natural resource,
 
crucial
 
for the
 
sustainability
 
of the
 
planet
and
 
South
 
Africa
 
is
 
a
 
water-scarce
 
country.
 
There
 
are
 
increasing
 
calls
 
from
 
interest
 
groups
 
for
intervention
 
to
 
avoid
 
future
 
deficits
 
in
 
water
 
supply.
 
Over
 
the
 
past
 
few
 
years,
 
Ergo
 
has
 
deliberately
focused
 
on
 
investing
 
in
 
infrastructure
 
and
 
strategies
 
to
 
reduce
 
the
 
reliance
 
on
 
potable
 
water
 
and
expand the use of other water sources. Ergo relies
 
on third party providers for any shortfall in water.
exhibit962p1i0
Technical Report Summary of the material Tailings
 
Storage Facilities
212
20
 
Adjacent Properties
There are no adjacent properties to report.
21
 
Other Relevant Data and Information
Ergo is committed to improving
 
governance and transparency
 
in the safety and management
 
of TSFs,
a commitment that so far has taken Ergo to implement
 
the following:
an internal
 
Tailings Performance
 
Management System
 
(TPMS) was
 
implemented for
 
dedicated
data
 
collection,
 
storage
 
and
 
processing
 
to
 
ensure
 
the
 
integrity
 
of
 
the
 
data
 
for
 
day-to-day
management and oversight purposes;
quarterly drone surveillance;
 
and
review
 
of
 
historical
 
Interferometric
 
Synthetic
 
Aperture
 
Radar
 
(InSAR)
 
imagery
 
for
 
mapping
ground deformation over large areas.
An eternal Tailings Review Panel review panel has been
 
in place since 2018.
The
 
QPs
 
and
 
Ergo
 
have
 
a
 
number
 
of
 
internal
 
controls
 
to
 
manage
 
risk
 
and
 
uncertainty
 
in
 
the
 
Mineral
Resource
 
and
 
Mineral
 
Reserve
 
estimation
 
process.
 
Monthly
 
meetings
 
are
 
held
 
with
 
the
 
Ergo
 
MRM
Manager and the
 
Ergo/DRDGOLD Finance team
 
to discuss any
 
concerns or areas
 
requiring further work.
In addition to
 
these meeting, the
 
QPs liaise with
 
the relevant
 
specialists on
 
an on-going
 
basis to check
on progress of a number of technical programs.
There is
 
no other
 
known available
 
relevant data
 
or information
 
material to
 
the discussed
 
properties in
this regard.
exhibit962p1i0
Technical Report Summary of the material Tailings
 
Storage Facilities
213
22
 
Interpretation and Conclusions
The
 
QP
 
concludes
 
that
 
the
 
protocols
 
for
 
drilling,
 
sampling
 
preparation
 
and
 
analysis,
 
verification,
 
and
security meet industry
 
standard practices
 
and are appropriate
 
for the purposes
 
of a Mineral
 
Resource
estimate. The initial assessments have
 
found that the Ergo
 
TSFs have reasonable prospects
 
for economic
extraction.
 
The
 
QP
 
is
 
satisfied
 
with
 
the
 
QA
 
developed
 
by
 
The
 
RVN
 
Group
 
and
 
the
 
QC
 
program
implemented,
 
as there was no significant bias in reporting data.
The QP
 
contends
 
that the
 
assumptions, parameters
 
and methodology
 
used for
 
the
 
Mineral Resource
estimate are appropriate for the style of mineralization
 
and deposit type.
The
 
tonnage
 
and
 
content
 
of
 
the
 
TSFs
 
are
 
as
 
expected
 
and
 
can
 
be
 
processed
 
in
 
the
 
current
 
Ergo
processing plant. TSFs and
 
sand dumps reported in
 
this document have sufficient
 
information to be used
in the Mineral Reserve estimates and demonstrate economic viability.
The identified risks that could affect the Mineral Resources
 
and Mineral Reserves are:
rising electricity prices and Eskom supply distribution;
depositional capacity;
social unrest;
increased crime;
depletion of Ergo’s Mineral Reserves;
dependency on key suppliers;
social licenses to operate;
fluctuation of the gold price and the exchange rate;
extreme weather;
 
and
supply and cost of water.
23
 
Recommendations
There is sufficient information to allow for decision-making in the future. Accordingly, no additional work
is recommended.
exhibit962p1i0
Technical Report Summary of the material Tailings
 
Storage Facilities
214
24
 
References
Alakangas,
 
Eija.
 
(2015).
 
Quality
 
guidelines
 
of
 
wood
 
fuels
 
in
 
Finland
 
VTT-M-04712-15.
10.13140/RG.2.1.3290.3127.
Ellis. L., 2021.
 
Ergo Closure
 
Cost Assessment
 
2021, Digby
 
Wells Environmental,
 
Project Number
 
ERG7002.
June 2021. Unpublished.
Engles, J., (n.d.). Tailings Info. Sourced July 2022 - https://www.tailings.info/technical/hydraulic.htm
Goldprice, 2022. Sourced July 2022 - https://goldprice.org/gold
 
-price-today/2022-06-30
Macrotrends. (2022). Sourced July
 
2022 - (https://www.macrotrends.net/1333/historical-gold-prices-100-
year-chart)
Mudau, M.,
 
2017. Procedure
 
for
 
drilling
 
management,
 
logging,
 
sampling
 
and
 
analysis
 
of the
 
material
from Tailings Storage Facility. The RVN Group. Johannesburg.
 
The RVN Group. Unpublished.
Mudau,
 
M.,
 
2020.
 
Technical
 
Report
 
of
 
the
 
Daggafontein
 
Tailings
 
Storage
 
Facility.
 
The
 
RVN
 
Group.
Johannesburg. The RVN Group. Unpublished.
Mudau, M. and Rupprecht,
 
S.M., 2020a. Technical Report
 
of the Marievale Tailings
 
Storage Facility.
 
The
RVN Group. Johannesburg. The RVN Group. Unpublished.
Mudau, M. and
 
Rupprecht,
 
S.M., 2020b.
 
Technical Report
 
of the
 
Grootvlei Tailings
 
Storage Facility.
 
The
RVN Group. Johannesburg. The RVN Group. Unpublished.
Mudau, M. and
 
Rupprecht, S.M.,
 
2020c. Technical
 
Report of the
 
Rooikraal Tailings
 
Storage Facility.
 
The
RVN Group. Johannesburg. The RVN Group. Unpublished.
25
 
Reliance on Information Provided by Registrant
The QPs relied on the following information provided
 
by the registrant:
legal matters about the Mining and Prospecting Rights. The QPs considered it reasonable to rely
on registrant’s legal
 
opinion (legal or
 
permitting matters are
 
discussed in Item
 
1.3, Item 3.3
 
to Item
3.6 and Item 17.2.6);
environmental matters discussed in Item 17.3 and Item
 
19.3.6 relating to Ergo compliance;
Ergo commits or plans to provide to local individuals or groups
 
(Item 17.3);
macroeconomic trends, data, and assumptions and interest
 
rates (Item 16); and
marketing information and plans (Item 16).
The QPs considered
 
it reasonable
 
to rely on
 
the above information
 
as the registrant
 
has the necessary
expertise and has been in operation for more than
 
20 years of successful and profitable retreatment
 
of
TSFs and sand dumps.
 
The QP also found that the data provided aligns with the industry norms. The QPs
have no reason to believe that any material facts
 
had been withheld or misstated.
exhibit962p1i0
Technical Report Summary of the material Tailings
 
Storage Facilities
215
exhibit962p1i0
 
 
 
 
 
 
 
 
 
 
 
 
 
 
 
 
 
 
 
 
Technical Report Summary of the material Tailings
 
Storage Facilities
216
26
 
Qualified Persons Disclosure Consent
We, the signees, in our capacity as Qualified Persons in connection with the Technical Report Summary
of Ergo Mining
 
Proprietary Limited dated 28 October 2022 (The Technical Report Summary) as required
by Item 601(b)(96)
 
of Regulation S-K
 
and filed
 
as an exhibit
 
to DRDGOLD Limited’s
 
(DRDGOLD) annual
report
 
on
 
Form
 
20-F
 
for
 
the
 
year
 
ended
 
30
 
June
 
2022
 
and
 
any
 
amendments
 
or
 
supplements
 
and/or
exhibits thereto (collectively,
 
the “Form 20-F”) pursuant
 
to Subpart 1300 of
 
Regulation S-K promulgated
by the U.S. Securities and Exchange Commission (1300
 
Regulation
 
S-K), each hereby consent to:
the
 
public
 
filing
 
and
 
use
 
by
 
DRDGOLD
 
of
 
the
 
Technical
 
Report
 
Summary
 
for
 
which
 
I
 
am
responsible as an exhibit to the Form 20-F;
the
 
use
 
and
 
reference
 
to
 
my
 
name,
 
including
 
my
 
status
 
as
 
an
 
expert
 
or
 
Qualified
 
Person
 
(as
defined by SK-1300) in connection
 
with the Form 20-F
 
and Technical Report Summary
 
for which
I am responsible;
use of any extracts from, or summary of, the
 
Technical Report Summary in the Form 20-F and the
use of
 
any information
 
derived, summarized,
 
quoted or
 
referenced from
 
the Technical
 
Report
Summary, or portions
 
thereof, that
 
is included
 
or incorporated
 
by reference
 
into the
 
Form 20-F;
and any amendments or supplements thereto.
I am responsible for authoring,
 
and this consent pertains to, the
 
Technical Report Summary (Table
 
26.1)
for which my name
 
appears below and certify
 
that I have read
 
the 20-F and that
 
it fairly and accurately
represents the information in the Technical Report
 
Summary for which I am responsible.
Table 26.1:
 
Qualified Person’s Details
Property Name
TRS Effective
Date
QP Name
Affiliation to
Registrant
Field or Area of
Responsibility
Signature
Ergo Mining
Proprietary Limited
 
(A subsidiary of
DRDGOLD Limited)
30 June 2022
Professor Steven
Rupprecht
Independent
Consultant
Item 1 and
 
12 to 19I
/s/ Steven
Rupprecht
Ergo Mining
Proprietary Limited
 
(A subsidiary of
DRDGOLD Limited)
30 June 2022
Mr Mpfariseni
Mudau
Independent
Consultant
 
Item 1 to 11 and
 
20 to 25
/s/ Mpfariseni
Mudau