![]() | ![]() |
NI 43-101 Technical Report
Camino Rojo Project, Zacatecas State, Mexico
Orla Mining Ltd.
Prepared by:
SLR Consulting (Canada) Ltd.
Orla Mining Ltd.
Kappes, Cassiday & Associates
Blue Coast Research Ltd.
DRA Americas Inc.
Entech Mining Ltd.
SLR Project No.: 233.065118.00001
| Effective Date: | September 30, 2025 |
| Signature Date: | March 18, 2026 |
Revision: 0
Qualified Persons:
| Andrew Boushy, P.Eng. | Caleb Cook, P.E. |
| Marie-Christine Gosselin, P.Geo. | Sylvain Guerard, P.Geo. |
| David Frost, FAusIMM | Andrew Kelly, P.Eng. |
| Stephen Ling, P.Eng. | Patrick McCann, P.Eng. |
| Frank Palkovits, P.Eng. | James (Jim) Theriault, P.Eng. |
| Luis Vasquez, P.Eng. | |
Making Sustainability Happen
| Orla Mining Ltd. | Camino Rojo Project | March 18, 2026 |
| NI 43-101 Technical Report | SLR Project No.: 233.065118.00001 |
NI 43-101 Technical Report
Camino Rojo Project, Zacatecas State, Mexico
SLR Project No.: 233.065118.00001
Prepared by
![]() |
SLR Consulting (Canada) Ltd. 55 University Ave., Suite 501 Toronto, ON M5J 2H7
|
![]() |
Orla Mining Ltd. 2020 – 666 Burrard Street Vancouver, BC V6C 2X8 |
![]() |
Kappes, Cassidy and Associates 7950 Security Circle Reno, NV 89506
|
![]() |
Blue Coast Research Ltd. Unit 2 – 1020 Herring Gull Way Parksville, BC V9P 1R2 |
![]() |
DRA Americas Inc. 20 Queen Street West, 29th Floor Toronto, ON M5H 3R3 |
![]() |
Entech Mining Ltd. 1100 Melville St, Suite 835 Vancouver, BC, V6E 4A6 |
for
Orla Mining Ltd.
2020 – 666 Burrard Street
Vancouver, BC V6C 2X8
Canada
Effective Date - September 30, 2025
Signature Date - March 18, 2026
| Prepared by: | Peer Reviewed by: |
| Andrew Boushy, P. Eng. | Luke Evans, M.Sc., P.Eng. |
| Caleb Cook, P.E. | Jason Cox, P.Eng. |
| David Frost, FAusIMM | |
| Marie-Christine Gosselin, P.Geo. | Approved by: |
| Sylvain Guerard, P.Geo. | Project Manager |
| Stephen Ling, P.Eng. | Alex Bell, P.Eng. |
| Andrew Kelly, P.Eng. | |
| Patrick McCann, P.Eng | Project Director |
| Frank Palkovits, P.Eng. | Jason Cox, P.Eng. |
| James (Jim) Theriault, P.Eng. | |
| Luis Vasquez, P.Eng. |
| Orla Mining Ltd. | Camino Rojo Project | March 18, 2026 |
| NI 43-101 Technical Report | SLR Project No.: 233.065118.00001 |
Forward-looking Statements
This report contains certain "forward-looking information" and "forward-looking statements" (collectively, the “forward-looking statements”) within the meaning of Canadian securities legislation and within the meaning of Section 27A of the United States Securities Act of 1933, as amended, Section 21E of the United States Exchange Act of 1934, as amended, the United States Private Securities Litigation Reform Act of 1995, or in releases made by the United States Securities and Exchange Commission, all as may be amended from time to time, including, without limitation, statements regarding the mineral resource and mineral reserve estimates; the development plans for Camino Rojo (as defined herein), including planned drilling and the goals and timing thereof; permitting; the results of the PEA (as defined herein), including projected net present value, internal rate of return, production, processing, grades, recovery, revenue, costs, taxes, sensitivities, cash flows, mine life, payback periods, the concentrate market and other similar information; and metal prices, including gold, silver and zinc. Forward-looking statements are statements that are not historical facts which address events, results, outcomes or developments are or may be expected to occur. Forward-looking statements are based on the beliefs, estimates and opinions of the authors of this report on the date the statements are made and they involve a number of risks and uncertainties. Certain material assumptions regarding such forward-looking statements were made, including without limitation, assumptions regarding: the future prices of gold, silver and zinc; anticipated costs and the ability of Orla Mining Ltd. (the “Company”) to fund the development of Camino Rojo and its other programs; the PEA; the Company’s ability to carry on exploration, development, and mining activities; tonnage of ore to be mined and processed; ore grades and recoveries; decommissioning and reclamation estimates; currency exchange rates remaining as estimated; prices for energy inputs, labour, materials, supplies and services remaining as estimated; the Company’s ability to secure and to meet obligations under property agreements, including the layback agreement with Fresnillo plc; that all conditions of the Company’s credit facility will be met; the timing and results of drilling programs; mineral reserve and mineral resource estimates and the assumptions on which they are based; the discovery of mineral resources and mineral reserves on the Company’s mineral properties; that political and legal developments will be consistent with current expectations; the timely receipt of required approvals and permits, including those approvals and permits required for the successful expansion and operation of Camino Rojo; the timing of cash flows; the costs of operating and exploration expenditures; the Company’s ability to operate in a safe, efficient, and effective manner; the Company’s ability to obtain financing as and when required and on reasonable terms; that the Company’s activities will be in accordance with the Company’s public statements and stated goals; and that there will be no material adverse change or disruptions affecting the Company or its properties. Consequently, there can be no assurances that such statements will prove to be accurate and actual results and future events could differ materially from those anticipated in such statements. Forward-looking statements involve significant known and unknown risks and uncertainties, which could cause actual results to differ materially from those anticipated. These risks include, but are not limited to: uncertainty and variations in the estimation of mineral resources and mineral reserves; risks related to the Company’s indebtedness and gold prepayment; risks related to exploration, development, and operation activities; foreign country and political risks, including risks relating to foreign operations; delays in obtaining or failure to obtain governmental permits, or non-compliance with permits; tailings risks; reclamation costs; environmental and other regulatory requirements; loss of, delays in, or failure to get access from surface rights owners; uncertainties related to title to mineral properties; water rights; risks related to natural disasters, terrorist acts, health crises, and other disruptions and dislocations; financing risks and access to additional capital; risks related to guidance estimates and uncertainties inherent in the preparation of feasibility studies; uncertainty in estimates of production, capital, and operating costs and potential production and cost overruns; the fluctuating price of gold and silver; risks related to the Camino Rojo Project; unknown labilities in connection with acquisitions; global financial conditions; uninsured risks; climate change risks; competition from other companies and individuals; conflicts of interest; risks related to compliance with anti-corruption laws; volatility in the market price of the Company’s securities; assessments by taxation authorities in multiple jurisdictions; foreign currency fluctuations; the Company’s limited operating history; litigation risks; the Company’s ability to identify, complete, and successfully integrate acquisitions; intervention by non-governmental organizations; outside contractor risks; risks related to historical data; risks related to the Company’s foreign subsidiaries; risks related to the Company’s accounting policies and internal controls; the Company’s ability to satisfy the requirements of Sarbanes–Oxley Act of 2002; enforcement of civil liabilities; the Company’s status as a passive foreign investment company (PFIC) for U.S. federal income tax purposes; information and cyber security; gold industry concentration; shareholder activism; other risks associated with executing the Company’s objectives and strategies; other risks associated with executing the objectives and strategies; as well as those risk factors discussed in Orla’s most recently filed management's discussion and analysis and annual information form, which are available on www.sedarplus.ca and www.sec.gov. Except as required by the securities disclosure laws and regulations, the QPs undertake no obligation to update these forward-looking statements to reflect events or circumstances after the date of such forward-looking statements.
| i | ![]() |
| Orla Mining Ltd. | Camino Rojo Project | March 18, 2026 |
| NI 43-101 Technical Report | SLR Project No.: 233.065118.00001 |
Non-GAAP Measures
The Company has included certain performance measures (“non-GAAP measures”) in this report which are not specified, defined, or determined under generally accepted accounting principles (“GAAP”). These non-GAAP measures are common performance measures in the gold mining industry, but because they do not have any mandated standardized definitions, they may not be comparable to similar measures presented by other issuers. Accordingly, we use such measures to provide additional information, and readers should not consider these non-GAAP measures in isolation or as a substitute for measures of performance prepared in accordance with GAAP. As the proposed underground project outline in Section 24 of this report is not in production, it does not have historical non-GAAP financial measures nor historical comparable measures under IFRS, and therefore the foregoing prospective non-GAAP financial measures or ratios may not be reconciled to the nearest comparable measures under IFRS.
All-In Sustaining Cost
The Company has provided AISC performance measures that reflect all the expenditures that are required to produce an ounce of gold from operations. While there is no standardized meaning of the measure across the industry, the Company’s definition conforms to the AISC definition as set out by the World Gold Council in its guidance dated November 14, 2018. Orla believes that this measure is useful to market participants in assessing operating performance and the Company’s ability to generate cash flow from operating activities.
| ii | ![]() |
| Orla Mining Ltd. | Camino Rojo Project | March 18, 2026 |
| NI 43-101 Technical Report | SLR Project No.: 233.065118.00001 |
Cash Costs
The Company calculated total cash costs as the sum of operating costs, royalty costs, production taxes, refining and shipping costs, net of by-product silver credits. Cash costs per ounce is calculated by taking total cash costs and dividing such amount by payable gold ounces. While there is no standardized meaning of the measure across the industry, the Company believes that this measure is useful to external users in assessing operating performance.
Sustaining Capital
Sustaining capital expenditure is a supplementary financial measure and defined as cash-basis expenditures which maintain operations and sustain production levels.
| iii | ![]() |
| Orla Mining Ltd. | Camino Rojo Project | March 18, 2026 |
| NI 43-101 Technical Report | SLR Project No.: 233.065118.00001 |
Table of Contents
| Forward-looking Statements | i | |
| 1.0 | Summary | 1-1 |
| 1.1 | Executive Summary | 1-1 |
| 1.2 | Economic Analysis | 1-10 |
| 1.3 | Technical Summary | 1-10 |
| 2.0 | Introduction | 2-1 |
| 2.1 | Sources of Information | 2-2 |
| 2.2 | List of Abbreviations | 2-5 |
| 3.0 | Reliance on Other Experts | 3-1 |
| 4.0 | Property Description and Location | 4-1 |
| 4.1 | Location | 4-1 |
| 4.2 | Land Tenure | 4-1 |
| 4.3 | Environmental Encumbrances | 4-8 |
| 4.4 | Permitting | 4-8 |
| 4.5 | Access, Title, Permit, and Security Risks | 4-8 |
| 4.6 | Royalties | 4-8 |
| 5.0 | Accessibility, Climate, Local Resources, Infrastructure and Physiography | 5-1 |
| 5.1 | Accessibility | 5-1 |
| 5.2 | Climate | 5-1 |
| 5.3 | Local Resources and Infrastructure | 5-1 |
| 5.4 | Physiography | 5-4 |
| 6.0 | History | 6-1 |
| 6.1 | Prior Ownership | 6-1 |
| 6.2 | Exploration and Development History | 6-1 |
| 6.3 | Historical Resource Estimates | 6-4 |
| 6.4 | Past Production | 6-4 |
| 7.0 | Geological Setting and Mineralization | 7-1 |
| 7.1 | Sources of Information | 7-1 |
| 7.2 | Regional Geology | 7-1 |
| 7.3 | Property Geology | 7-5 |
| 8.0 | Deposit Types | 8-1 |
| 9.0 | Exploration | 9-1 |
| 10.0 | Drilling | 10-1 |
| iv | ![]() |
| Orla Mining Ltd. | Camino Rojo Project | March 18, 2026 |
| NI 43-101 Technical Report | SLR Project No.: 233.065118.00001 |
| 10.1 | General | 10-1 |
| 10.2 | Drilling by Owner | 10-2 |
| 10.3 | Sampling | 10-10 |
| 11.0 | Sample Preparation, Analyses, and Security | 11-1 |
| 11.1 | Sample Preparation and Analysis | 11-1 |
| 11.2 | Sample Security | 11-2 |
| 11.3 | Density Sampling and Measurement | 11-2 |
| 11.4 | Quality Assurance and Quality Control | 11-2 |
| 11.5 | QA/QC Conclusions and Recommendations | 11-24 |
| 12.0 | Data Verification | 12-1 |
| 12.1 | Mineral Resources | 12-1 |
| 12.2 | Mineral Reserves | 12-2 |
| 12.3 | Metallurgical Testing and Recovery Methods | 12-2 |
| 13.0 | Mineral Processing and Metallurgical Testing | 13-1 |
| 13.1 | Heap Leach and Cyanidation Test Work | 13-2 |
| 13.2 | Sulphide Test Work | 13-17 |
| 14.0 | Mineral Resource Estimates | 14-1 |
| 14.1 | Summary | 14-1 |
| 14.2 | Mineral Resource Database | 14-3 |
| 14.3 | Geological Interpretation | 14-4 |
| 14.4 | Treatment of High-Grade Assays | 14-11 |
| 14.5 | Compositing | 14-16 |
| 14.6 | Trend Analysis | 14-17 |
| 14.7 | Search Strategy and Grade Interpolation Parameters | 14-21 |
| 14.8 | Bulk Density | 14-22 |
| 14.9 | Block Model | 14-22 |
| 14.10 | Cut-off Grade and Optimization Parameters | 14-23 |
| 14.11 | Classification | 14-29 |
| 14.12 | Block Model Validation | 14-34 |
| 14.13 | Mineral Resource Reporting | 14-45 |
| 14.14 | Comparison with Previous Estimates | 14-47 |
| 15.0 | Mineral Reserve Estimates | 15-1 |
| 15.1 | Introduction | 15-1 |
| 15.2 | Block Model | 15-1 |
| v | ![]() |
| Orla Mining Ltd. | Camino Rojo Project | March 18, 2026 |
| NI 43-101 Technical Report | SLR Project No.: 233.065118.00001 |
| 15.3 | Dilution and Ore Loss | 15-1 |
| 15.4 | Pit Optimization and Cut-Off Grade | 15-1 |
| 15.5 | Mineral Reserves Reporting | 15-3 |
| 16.0 | Mining Methods | 16-1 |
| 16.1 | Introduction | 16-1 |
| 16.2 | Geotechnical Considerations | 16-1 |
| 16.3 | Hydrological Considerations | 16-4 |
| 16.4 | Open Pit Design | 16-4 |
| 16.5 | Waste Rock and Stockpile Facilities | 16-6 |
| 16.6 | Mining Operations | 16-6 |
| 16.7 | Life-of-Mine Plan | 16-6 |
| 17.0 | Recovery Methods | 16-6 |
| 17.1 | Process Description | 17-3 |
| 17.2 | Operational Performance | 17-5 |
| 18.0 | Project Infrastructure | 18-1 |
| 18.1 | Overview | 18-1 |
| 18.2 | Supporting Infrastructure | 18-3 |
| 19.0 | Market Studies and Contracts | 19-1 |
| 20.0 | Environmental Studies, Permitting, and Social or Community Impact | 20-1 |
| 20.1 | Environmental Aspects | 20-1 |
| 20.2 | Waste and Water Management | 20-4 |
| 20.3 | Environmental Permitting | 20-7 |
| 20.4 | Social or Community Requirements | 20-13 |
| 20.5 | Mine Closure Requirements | 20-15 |
| 21.0 | Capital and Operating Costs | 20-19 |
| 21.1 | Introduction | 20-19 |
| 21.2 | Capital Cost Estimates | 20-19 |
| 21.3 | Operating Cost Estimates | 20-19 |
| 22.0 | Economic Analysis | 22-1 |
| 23.0 | Adjacent Properties | 23-1 |
| 24.0 | Other Relevant Data and Information | 24-1 |
| 24.1 | Introduction | 24-1 |
| 24.2 | Property Description and Location | 24-1 |
| 24.3 | Accessibility, Climate, Local Resources, Infrastructure, and Physiography | 24-1 |
| vi | ![]() |
| Orla Mining Ltd. | Camino Rojo Project | March 18, 2026 |
| NI 43-101 Technical Report | SLR Project No.: 233.065118.00001 |
| 24.4 | History | 24-1 |
| 24.5 | Geological Setting and Mineralization | 24-1 |
| 24.6 | Deposit Types | 24-1 |
| 24.7 | Exploration | 24-1 |
| 24.8 | Drilling | 24-2 |
| 24.9 | Sample Preparation, Analyses and Security | 24-2 |
| 24.10 | Data Verification | 24-2 |
| 24.11 | Mineral Processing and Metallurgical Testing | 24-2 |
| 24.12 | Mineral Resource Estimates | 24-2 |
| 24.13 | Mineral Reserve Estimates | 24-2 |
| 24.14 | Mining Methods | 24-2 |
| 24.15 | Recovery Methods | 24-43 |
| 24.16 | Infrastructure | 24-51 |
| 24.17 | Market Studies and Contracts | 24-57 |
| 24.18 | Environmental Studies, Permitting and Social or Community Impact | 24-57 |
| 24.19 | Capital and Operating Costs | 24-58 |
| 24.20 | Economic Analysis | 24-66 |
| 24.21 | Risks and Opportunities | 24-75 |
| 25.0 | Interpretation and Conclusions | 25-1 |
| 25.1 | Geology and Mineral Resources | 25-1 |
| 25.2 | Mining and Mineral Reserves | 25-2 |
| 25.3 | Mineral Processing | 25-3 |
| 25.4 | Project Infrastructure | 25-3 |
| 25.5 | Market Studies and Contracts | 25-3 |
| 25.6 | Environmental, Permitting, and Social Considerations | 25-3 |
| 25.7 | Capital and Operating Costs | 25-4 |
| 25.8 | Other Relevant Data and Information | 25-4 |
| 26.0 | Recommendations | 26-1 |
| 26.1 | Geology and Mineral Resources | 26-1 |
| 26.2 | Mining and Mineral Reserves | 26-1 |
| 26.3 | Metallurgical Test Work and Mineral Processing | 26-2 |
| 26.4 | Project Infrastructure | 26-2 |
| 26.5 | Environmental, Permitting, and Social Considerations | 26-2 |
| 26.6 | Capital and Operating Costs | 26-2 |
| vii | ![]() |
| Orla Mining Ltd. | Camino Rojo Project | March 18, 2026 |
| NI 43-101 Technical Report | SLR Project No.: 233.065118.00001 |
| 26.7 | Other Relevant Date and Information | 26-3 |
| 27.0 | References | 27-1 |
| 28.0 | Date and Signature Date | 28-1 |
| 29.0 | Certificate of Qualified Person | 29-1 |
| 29.1 | Andrew Boushy | 29-1 |
| 29.2 | Caleb Cook | 29-2 |
| 29.3 | David Frost | 29-3 |
| 29.4 | Marie-Christine Gosselin | 29-4 |
| 29.5 | Sylvain Guérard | 29-5 |
| 29.6 | Stephen Ling | 29-6 |
| 29.7 | Andrew Kelly | 29-7 |
| 29.8 | Patrick James McCann | 29-8 |
| 29.9 | Frank Palkovits | 29-9 |
| 29.10 | Luis Vasquez | 29-10 |
| 29.11 | James (Jim) Theriault, P.Eng. | 29-11 |
Tables
| Table 1-1: | Summary of Mineral Resources – Effective Date of September 30, 2025 | 1-14 |
| Table 1-2: | Mineral Reserves Estimate – Effective Date of September 30, 2025 | 1-17 |
| Table 1-3: | Summary of LOM Unit Operating Costs | 1-21 |
| Table 2-1: | Qualified Persons and Responsibilities | 2-3 |
| Table 4-1: | Listing of Mining Concessions | 4-2 |
| Table 9-1: | Summary of Regional Exploration Programs 2018–2025 | 9-1 |
| Table 10-1: | Summary of Camino Rojo Drilling, 2007 to 2025 | 10-1 |
| Table 10-2: | All Drilling Completed by Orla, 2018 to June 30, 2025 | 10-6 |
| Table 11-1: | Laboratory Limits of Detection (LoD) | 11-1 |
| Table 11-2: | Orla Control Sample Insertion Rate and Failure Criteria | 11-4 |
| Table 11-3: | Camino Rojo QC Insertion Rates: 2007 to 2025 | 11-4 |
| Table 11-4: | Camino Rojo Certified Reference Material Performance (2007–2025) | 11-5 |
| Table 11-5: | Duplicate Types and Descriptions | 11-15 |
| Table 11-6: | Camino Rojo Duplicates Precision – HARD Index (2008 to 2025) | 11-15 |
| Table 12-1: | Summary of Assay Verification for Gold, Silver, Copper, Lead and Zinc | 12-1 |
| Table 13-1: | Camino Rojo Test Program Summary | 13-1 |
| Table 13-2: | Estimated Recoveries by Material Type for P80 28mm Crush Size | 13-6 |
| viii | ![]() |
| Orla Mining Ltd. | Camino Rojo Project | March 18, 2026 |
| NI 43-101 Technical Report | SLR Project No.: 233.065118.00001 |
| Table 13-3: | Projected Field Cyanide Consumptions by Material Type | 13-6 |
| Table 13-4: | Projected Field Lime Consumptions by Material Type | 13-6 |
| Table 13-5: | AAO Column Leach Test Results | 13-8 |
| Table 13-6: | Monthly Production Composite Column Leach Tests | 13-9 |
| Table 13-7: | Average Monthly Production Column Recoveries vs. Monthly Composite Bottle Roll Recoveries | 13-13 |
| Table 13-8: | LCT-1 Locked Cycle Test Results (Composite, WE MC1) | 13-17 |
| Table 13-9: | LCT-2 Locked Cycle Test Results (Composite, WE MC2) | 13-18 |
| Table 13-10: | LCT-1 Locked Cycle Test Results (Composite, WE High Silver Comp) | 13-18 |
| Table 13-11: | LCT-2 Locked Cycle Test Results (Composite, WE High Silver Comp) | 13-18 |
| Table 13-12: | Comminution Test Results Summary | 13-19 |
| Table 13-13: | Comminution Test Results by Rock Type | 13-20 |
| Table 13-14: | Summary of Direct Cyanidation Bottle Roll Results | 13-23 |
| Table 13-15: | Example of Sequential Au-Zn-AsPy Flotation (F-16) | 13-24 |
| Table 13-16: | Chemical Composition of Camino Rojo Flotation Concentrates | 13-25 |
| Table 13-17: | Gold Extractions from POX Tests | 13-26 |
| Table 13-18: | Head Assays for Variability Samples | 13-27 |
| Table 13-19: | Variability CIL Bottle Roll Results | 13-29 |
| Table 13-20: | Metal Recovery by Geometallurgical Zone to each Concentrate | 13-31 |
| Table 14-1: | Summary of Mineral Resources – Effective Date of September 30, 2025 | 14-2 |
| Table 14-2: | Assay and Capping Statistics Summary | 14-12 |
| Table 14-3: | Gold and Silver High-Grade Restrictions Summary | 14-16 |
| Table 14-4: | Composites Descriptive Statistics | 14-16 |
| Table 14-5: | Estimation Domains Modelled Semi-Variograms | 14-21 |
| Table 14-6: | Search Ellipse Geometry and Sample Selection Strategy | 14-21 |
| Table 14-7: | Density Values per Domain | 14-22 |
| Table 14-8: | Camino Rojo Sub-Blocked Model Parameters | 14-23 |
| Table 14-9: | Camino Rojo Regularized Model Parameters | 14-23 |
| Table 14-10: | Mineral Resource Cut-off Grade Inputs | 14-24 |
| Table 14-11: | Geometallurgical Domains | 14-25 |
| Table 14-12: | Metallurgical Recoveries | 14-25 |
| Table 14-13: | NSP Values for Concentrate - Mill Material | 14-26 |
| Table 14-14: | NSR Cut-Off Values per Geometallurgical Domains | 14-27 |
| Table 14-15: | AuEq Wireframing Formula NSP Values | 14-28 |
| Table 14-16: | Mineral Resource Classification Parameters | 14-30 |
| ix | ![]() |
| Orla Mining Ltd. | Camino Rojo Project | March 18, 2026 |
| NI 43-101 Technical Report | SLR Project No.: 233.065118.00001 |
| Table 14-17: | Wireframe to Block Model Volume Confirmation | 14-41 |
| Table 14-18: | Statistical Validation for Estimated Elements – Unconstrained | 14-42 |
| Table 14-19: | F0 Reconciliation analysis between SLR Mineral Resource Block Model and Production Grade Control Model | 14-43 |
| Table 14-20: | Summary of Mineral Resources – Effective Date of September 30, 2025 | 14-45 |
| Table 14-21: | Comparison between March 30, 2025 MRE and September 30, 2025 MRE | 14-49 |
| Table 15-1: | Cut-Off Parameters | 15-2 |
| Table 15-2: | NSR Factors by Material Type | 15-2 |
| Table 15-3: | Gold Equivalent Cut-Off Grade and NSR Cut-Off Value by Material Type | 15-3 |
| Table 15-4: | Mineral Reserve Estimates – Effective Date of September 30, 2025 | 15-4 |
| Table 16-1: | Operational History | 16-1 |
| Table 16-2: | Current LOM Plan | 16-7 |
| Table 18-1: | Camp Capacity | 18-3 |
| Table 20-1: | Camino Rojo - Environmental Permits | 20-9 |
| Table 20-2: | Camino Rojo Closure Cost Estimate Summary | 20-18 |
| Table 21-1: | Sustaining Capital Costs | 20-19 |
| Table 21-2: | Total Operating Costs | 20-19 |
| Table 21-3: | Unit Operating Costs | 20-19 |
| Table 24-1: | Provided Block Model | 24-3 |
| Table 24-2: | Provided Block Model Key Attributes | 24-3 |
| Table 24-3: | Recovery to Concentrate by Metallurgical Domain | 24-4 |
| Table 24-4: | Payability in Concentrate by Metallurgical Domain | 24-4 |
| Table 24-5: | NSR Estimation Parameters | 24-5 |
| Table 24-6: | Cost Included in Mine Cut-Off Values | 24-6 |
| Table 24-7: | Preliminary Estimates of Cut-Off Values | 24-6 |
| Table 24-8: | Design Parameters | 24-10 |
| Table 24-9: | Dilution and Recovery Summary for Camino Rojo Underground Project | 24-11 |
| Table 24-10: | Preliminary MSO Parameters | 24-11 |
| Table 24-11: | Preliminary Economic Screening Parameters | 24-12 |
| Figure 24-16: | Long-hole Production Tonnes by Stope Tonnage Bins | 24-21 |
| Table 24-12: | Key Economic Analysis Parameters | 24-23 |
| Table 24-13: | Development Activity and Equipment Rates | 24-23 |
| Table 24-14: | Production Activity Tasks and Equipment Rates | 24-24 |
| Table 24-15: | Annual Lateral Development Quantities1 | 24-25 |
| Table 24-16: | Annual Vertical Development Quantities | 24-26 |
| x | ![]() |
| Orla Mining Ltd. | Camino Rojo Project | March 18, 2026 |
| NI 43-101 Technical Report | SLR Project No.: 233.065118.00001 |
| Table 24-17: | Annual Long-hole Drilling Quantities | 24-28 |
| Table 24-18: | Key Haulage Calculation Parameters | 24-30 |
| Table 24-19: | Total and Annual Material Movement Schedule for the Underground Project | 24-31 |
| Table 24-20: | Annual Backfill Quantities | 24-33 |
| Table 24-21: | Total and Annual Mined Mineralized Schedule | 24-35 |
| Table 24-22: | Mined Mineralization by Classification | 24-36 |
| Table 24-23: | Key Mine Physicals by Phase | 24-36 |
| Table 24-24: | Ventilation Demand Estimate for the Underground Project | 24-38 |
| Table 24-25: | Mining Power Consumption | 24-42 |
| Table 24-26: | Process Design Criteria | 24-44 |
| Table 24-27: | Estimated Power Requirements | 24-56 |
| Table 24-28: | Initial Capital Expenditure Summary | 24-58 |
| Table 24-29: | Mining Cost Summary (US$) | 24-59 |
| Table 24-30: | Mechanical Equipment List (Installed) Summary | 24-60 |
| Table 24-31: | Infrastructure Summary | 24-61 |
| Table 24-32: | Discipline Factor Summary | 24-61 |
| Table 24-33: | Indirect Factor Summary | 24-61 |
| Table 24-34: | Paste Plant Cost (Phase 1) | 24-62 |
| Table 24-35: | TMF (Phase 1/Cell1) | 24-62 |
| Table 24-36: | Operating Cost Summary | 24-63 |
| Table 24-37: | Mine Operating Costs | 24-64 |
| Table 24-38: | Process Plant Operating Costs | 24-64 |
| Table 24-39: | Paste Plant Operating Costs | 24-65 |
| Table 24-40: | Sustaining Capital Cost Summary | 24-65 |
| Table 24-41: | Summary Metrics | 24-66 |
| Table 24-42: | Macro-Economic Assumptions | 24-67 |
| Table 24-43: | Concentrate Grade Assumptions | 24-69 |
| Table 24-44: | Process Plant Feed (Years 1–10) | 24-70 |
| Table 24-45: | Process Plant Feed (Years 11–17) | 24-70 |
| Table 24-46: | Detailed Metrics | 24-72 |
| Table 24-47: | Sensitivity to Gold Price Assumptions | 24-73 |
| xi | ![]() |
| Orla Mining Ltd. | Camino Rojo Project | March 18, 2026 |
| NI 43-101 Technical Report | SLR Project No.: 233.065118.00001 |
Figures
| Figure 1-1: | Contained in Concentrate | 1-22 |
| Figure 4-1: | Location Map | 4-5 |
| Figure 4-2: | Property Map | 4-6 |
| Figure 4-3: | Surface Rights in Project Area | 4-7 |
| Figure 5-1: | Regional Infrastructure | 5-3 |
| Figure 5-2: | View of Typical Topography and Vegetation at Camino Rojo | 5-4 |
| Figure 6-1: | Historical Drill Hole Locations and Project Claim Boundaries | 6-3 |
| Figure 7-1a: | Regional Geology | 7-3 |
| Figure 7-1b: | Regional Geology | 7-4 |
| Figure 7-2: | Peñasquito District and Camino Rojo Stratigraphic Column | 7-6 |
| Figure 7-3: | Local Geology, Camino Rojo Deposit | 7-8 |
| Figure 7-4: | Cupido Formation Mineralization | 7-9 |
| Figure 7-5: | La Peña Formation | 7-10 |
| Figure 7-6: | Cuesta del Cura Formation | 7-11 |
| Figure 7-7: | Indidura Formation | 7-12 |
| Figure 7-8: | Caracol Formation | 7-13 |
| Figure 7-9: | Hornblende-Biotite Quartz-Monzodiorite Porphyry | 7-14 |
| Figure 9-1: | Orla’s IP Surveys | 9-2 |
| Figure 9-2: | Orla’s Drone MAG Surveys | 9-3 |
| Figure 9-3: | Orla’s Gravimetry Surveys | 9-4 |
| Figure 9-4: | Orla’s Regional RAB Drill Hole Collars | 9-5 |
| Figure 9-5: | Orla’s Regional DDH Drill Hole Collars | 9-6 |
| Figure 9-6: | Orla’s Soil Sampling Locations | 9-7 |
| Figure 9-7: | Orla’s Rock Sampling Locations | 9-8 |
| Figure 10-1: | Near-Mine Resource Drilling by Type | 10-8 |
| Figure 10-2: | Near-Mine Resource Drilling by Company | 10-9 |
| Figure 11-1: | Gold Z-Score Values by Company | 11-8 |
| Figure 11-2: | Control Charts of CRM CDN-ME-15 Results for Au-Ag-Cu-Pb-Zn for Goldcorp (2011–2015) | 11-8 |
| Figure 11-3: | Control Charts of CRM CDN-ME-1706 Results for Au-Ag-Cu-Pb-Zn for Orla (2023–2025) | 11-11 |
| Figure 11-4: | Coarse Blank Samples: 2007–2025 | 11-14 |
| Figure 11-5: | Field Duplicate Sampling Method | 11-16 |
| Figure 11-6: | Field Duplicate Scatter and HARD plots for Au-Ag-Cu-Pb-Zn (2008 to 2025) | 11-17 |
| Figure 11-7: | Coarse Duplicate Scatter and HARD plots for Au-Ag-Cu-Pb-Zn (2008 to 2025) | 11-19 |
| xii | ![]() |
| Orla Mining Ltd. | Camino Rojo Project | March 18, 2026 |
| NI 43-101 Technical Report | SLR Project No.: 233.065118.00001 |
| Figure 11-8: | Pulp Duplicate Scatter and HARD plots for Au-Ag-Cu-Pb-Zn (2008 to 2025) | 11-21 |
| Figure 11-9: | Check Assay Scatter and Q-Q plots: ALS vs. Assayers Canada (2007/2008) | 11-23 |
| Figure 13-1: | Column Leach Test Sample Locations | 13-3 |
| Figure 13-2: | Kp Oxide Recovery vs. Crush Size | 13-4 |
| Figure 13-3: | Ki Oxide Recovery vs. Crush Size | 13-4 |
| Figure 13-4: | Trans-Hi Recovery vs. Crush Size | 13-5 |
| Figure 13-5: | Trans-Lo Recovery vs. Crush Size | 13-5 |
| Figure 13-6: | Production Column Leach Tests Crush Size vs. Recovery | 13-12 |
| Figure 13-7: | Column and Production Cyanide Consumption | 13-15 |
| Figure 13-8: | Modeled, Column and Production Lime Consumption | 13-15 |
| Figure 13-9: | Relationship between Gold Head Grade and CIL Bottle Roll Recovery of Variability Samples | 13-21 |
| Figure 13-10: | Relationship between Arsenic Grade and CIL Bottle Roll Recovery of Variability Samples | 13-22 |
| Figure 13-11: | Relationship between Organic Carbon Content and Gold Recovery of Variability Samples | 13-22 |
| Figure 13-12: | Sulphide Oxidation in POX Tests | 13-26 |
| Figure 14-1: | Camino Rojo Oxide Model | 14-5 |
| Figure 14-2: | Camino Rojo Low-Grade Mineralization Model | 14-7 |
| Figure 14-3: | HG Mineralization Wireframes within the LG Envelope | 14-9 |
| Figure 14-4: | Camino Rojo Estimation Domain Model | 14-11 |
| Figure 14-5: | Gold Capping Analysis of Domain 100 | 14-13 |
| Figure 14-6: | Silver Capping Analysis of Domain 200 | 14-14 |
| Figure 14-7: | Zinc Capping Analysis of Domain 500 | 14-15 |
| Figure 14-8: | Gold Grade Contouring of MIN103 and Observed Trends | 14-18 |
| Figure 14-9: | Gold Grade Contouring of 500 Series and Observed Trends | 14-19 |
| Figure 14-10: | Modelled Variograms for Estimation Domain OxTrHi | 14-20 |
| Figure 14-11: | Classified Resource Blocks above the NSR Cut-Off Values inside Camino Rojo Resource Pit Shell | 14-31 |
| Figure 14-12: | Classified Resource Blocks above the NSR Cut-Off Values inside Camino Rojo Resource Underground Reporting Shapes | 14-32 |
| Figure 14-13: | Drill Hole Spacing (m) from Blocks to Closest Sample by Category – Unconstrained | 14-33 |
| Figure 14-14: | Gold Block Grades and Composites | 14-35 |
| Figure 14-15: | Gold Block Grades, Blast Holes and Composites | 14-36 |
| xiii | ![]() |
| Orla Mining Ltd. | Camino Rojo Project | March 18, 2026 |
| NI 43-101 Technical Report | SLR Project No.: 233.065118.00001 |
| Figure 14-16: | Gold Swath Plots for All Classified Material | 14-38 |
| Figure 14-17: | Ag Swath Plots for All Classified Material | 14-39 |
| Figure 14-18: | Zn Swath Plots for All Classified Material | 14-40 |
| Figure 14-19: | Differences in Ounces, Tonnes, and Grade per Bench from the Reconciliation of Grade Control Model vs 2025 Exploration Block Model | 14-44 |
| Figure 14-20: | Differences in Silver Ounces, Tonnes and Grade per Bench from the Reconciliation of Grade Control Model vs Exploration 2025 Block Model | 14-44 |
| Figure 14-21: | Gold Grade Tonnage Curve– Measured and Indicated Mineral Resources in $2,800 Optimized Pit Shell | 14-47 |
| Figure 16-1: | Geotechnical Parameters for Open Pit | 16-3 |
| Figure 16-2: | Final Pit Design | 16-5 |
| Figure 16-3: | End of Q3 2025 Surface | 16-9 |
| Figure 16-4: | End of 2025 Surface | 16-10 |
| Figure 16-5: | End of 2026 Surface | 16-11 |
| Figure 16-6: | End of 2027 Surface | 16-12 |
| Figure 16-7: | End of 2028 Surface | 16-13 |
| Figure 16-8: | End of 2029 Surface | 16-14 |
| Figure 16-9: | End of 2030 Surface | 16-15 |
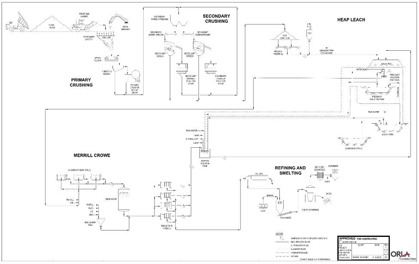
| Figure 17-1: | Camino Rojo Process Flowsheet | 17-2 |
| Figure 17-2: | Gold Ounces by Month | 17-5 |
| Figure 17-3: | Silver Ounces by Month | 17-6 |
| Figure 17-4: | Gold Recovery by Month | 17-6 |
| Figure 17-5: | Silver Recovery by Month | 17-7 |
| Figure 17-6: | Estimated Gold Inventory by Month | 17-8 |
| Figure 17-7: | Estimated Silver Inventory by Month | 17-8 |
| Figure 18-1: | Existing General Site Layout | 18-2 |
| Figure 24-1: | Grade Tonnage Curve for Validated Block Model – Mill Material | 24-7 |
| Figure 24-2: | Grade Tonnage Curve for Validated Block Model – Heap Leach Material | 24-7 |
| Figure 24-3: | Mining Dilution | 24-9 |
| Figure 24-4: | Mining Recovery and Loss of Mineralization | 24-9 |
| Figure 24-5: | Stope Shapes and Dilution Contact Surfaces | 24-10 |
| Figure 24-6: | Screened MSO Shape Tonnes by Grade | 24-13 |
| Figure 24-7: | Waterfall of Tonnage from Block Model to Final MSO Shapes | 24-14 |
| Figure 24-8: | Waterfall of Value from Block Model to Final MSO Shapes | 24-14 |
| Figure 24-9: | Location of Major Fault Structures | 24-15 |
| xiv | ![]() |
| Orla Mining Ltd. | Camino Rojo Project | March 18, 2026 |
| NI 43-101 Technical Report | SLR Project No.: 233.065118.00001 |
| Figure 24-10: | Modified Stability Graph | 24-16 |
| Figure 24-11: | Portal Location in Pit Design | 24-17 |
| Figure 24-12: | Camino Rojo Underground Typical Level Layout | 24-18 |
| Figure 24-13: | Camino Rojo Underground Development Overview | 24-19 |
| Figure 24-14: | Camino Rojo Underground by Mining Method | 24-20 |
| Figure 24-15: | Number of Long-hole Open Stopes by Stope Tonnage Bin | 24-21 |
| Figure 24-17: | Production Tonnes Per Level | 24-22 |
| Figure 24-18: | Annual Lateral Development Schedule | 24-25 |
| Figure 24-19: | Annual Vertical Development Schedule | 24-26 |
| Figure 24-20: | Annual Long-hole Drilling Schedule | 24-28 |
| Figure 24-21: | Stope Excavation Rate by Tram Distance | 24-30 |
| Figure 24-22: | Annual Trucking Requirements | 24-31 |
| Figure 24-23: | Annual Backfill Schedule | 24-33 |
| Figure 24-24: | Annual Mined Mineralization Schedule for the Underground Project | 24-35 |
| Figure 24-25: | Mine Ventilation Diagram | 24-38 |
| Figure 24-26: | Secondary Egress Circuit | 24-40 |
| Figure 24-27: | Permanent Water Management Circuit | 24-41 |
| Figure 24-28: | Total Monthly Mine Personnel Estimate | 24-43 |
| Figure 24-29: | Process Flow Diagram | 24-47 |
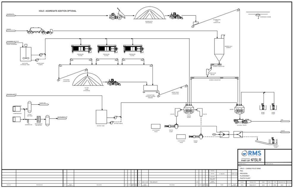
| Figure 24-30: | PEA Paste Plant Flowsheet | 24-53 |
| Figure 24-31: | Proposed TMF Layout | 24-55 |
| Figure 24-32: | CAPEX Distribution | 24-58 |
| Figure 24-33: | Bin Classification | 24-69 |
| Figure 24-34: | IRR Sensitivity to Metal Pricing | 24-73 |
| Figure 24-35: | NPV Sensitivity to Metal Pricing | 24-74 |
| Figure 24-36: | Sensitivity to Operating Assumptions | 24-74 |
| xv | ![]() |
| Orla Mining Ltd. | Camino Rojo Project | March 18, 2026 |
| NI 43-101 Technical Report | SLR Project No.: 233.065118.00001 |
| 1.0 | Summary |
| 1.1 | Executive Summary |
This Technical Report has been prepared for Orla Mining Ltd. (Orla) by Qualified Persons from SLR Consulting (Canada) Ltd. (SLR), Kappes, Cassiday & Associates (KCA), Blue Coast Research Ltd (BCR), DRA Americas Inc. (DRA), Entech Mining Ltd. (Entech), and Orla for the Camino Rojo Project (Camino Rojo or the Project) located in Zacatecas State, Mexico. This Technical Report has been prepared in accordance with National Instrument 43-101 – Standards of Disclosure for Mineral Projects (NI 43-101).
Camino Rojo is 100% owned and operated by Minera Camino Rojo S.A. de C.V. (MCR), a subsidiary of Orla Mining Ltd. (Orla). Orla is a gold mining company with mining and exploration projects in Mexico, the United States of America, Panama, and Canada. Orla is listed on the Toronto Stock Exchange (TSX: OLA) and the New York Stock Exchange (NYSE: ORLA).
The purpose of this Technical Report is to disclose updated Mineral Resources and Mineral Reserves for the Project, incorporating initial disclosure of the results of a Preliminary Economic Assessment (PEA) that evaluates the technical and economic potential of a stand-alone underground development project beneath the existing Camino Rojo open pit operation (the Underground Project) and the construction of a process facility (the Processing Plant) for the processing of sulphide and refractory material. This Technical Report supersedes the previous Technical Report dated July 17, 2025 (SLR 2025) prepared for Orla.
The results of the PEA are presented in Section 24 – Other Relevant Data and Information. The PEA was prepared by a team of independent industry experts who are Qualified Persons (QPs) under NI 43-101 led by DRA and supported by Entech, SLR, and BCR.
The PEA evaluates the Underground Project supported by an 8,000 tonnes per day (tpd) Processing Plant which includes crushing, semi-autogenous grinding (SAG) and ball mill grinding, and selective flotation circuits designed to produce three saleable concentrates (gold (Au), zinc (Zn), and pyrite (Py)). The PEA has been completed as a stand-alone underground development case and does not integrate the existing oxide heap leach operation.
The PEA is preliminary in nature; it includes Inferred Mineral Resources that are considered too speculative geologically to have the economic considerations applied to them that would enable them to be categorized as Mineral Reserves, and there is no certainty that the preliminary economic assessment will be realized. Mineral Resources that are not Mineral Reserves do not have demonstrated economic viability. The PEA has been completed independent of the Camino Rojo open pit project and is treated as a completely separate development project.
The distribution of gold mineralization at the Project is controlled by steep northwest and shallow south dipping polymetallic veins. Pervasive, near surface oxidation extends to approximately 150 metres (m) to 200 m below surface and extends to greater depths along structurally controlled zones of fracturing and permeability. Host rock lithology significantly influences deposit styles, and the Camino Rojo deposit displays transitional mineralization styles, forming a continuum between intermediate sulphidation epithermal and skarn mineralization.
Numerous regional exploration programs have been executed by Orla since the acquisition of the property in October 2017, including mapping, prospecting, diamond drill (DDH), rotary air blast (RAB), and reverse circulation (RC) drill programs, geophysical surveys, and soil, rock and biogeochemical sampling programs. Subsequent to the effective date of this report, Orla completed its 2025 (full year) regional exploration program, which included an ~4,700 m regional drill program that followed up on positive drill results from 2024 and drill tested two new targets.
| 1-1 | ![]() |
| Orla Mining Ltd. | Camino Rojo Project | March 18, 2026 |
| NI 43-101 Technical Report | SLR Project No.: 233.065118.00001 |
The Project includes active open pit mining and heap leach operations that commenced in late 2021 and achieved commercial production in 2022. In 2024, an average heap leach processing rate of approximately 20,000 stacked metric tonnes per day (tpd) was achieved, exceeding the design capacity of 18,000 stacked tpd. Current planning assumes a steady-state stacking rate of 18,900 tpd.
The Canadian Institute of Mining, Metallurgy and Petroleum (CIM) Definition Standards for Mineral Resources and Mineral Reserves (CIM (2014) definitions) were used for Mineral Resource and Mineral Reserve classification.
Unless otherwise noted, all revenues, costs, and currency in this Technical Report are presented in United States dollars ($ or US$).
| 1.1.1 | Conclusions |
The QPs offer the following conclusions by area.
| 1.1.1.1 | Geology and Mineral Resources |
| · | Prior operators and MCR have met legal requirements to maintain the mining concession titles in good standing. Conditional upon continued compliance with annual requirements, no risks to the validity of title have been identified. |
| · | The Mineral Resources at Camino Rojo have been updated with data collected since the last Mineral Resource estimate, which was dated effective as of March 31, 2025 (SLR, 2025). The effective date of the updated Mineral Resource estimate is September 30, 2025. |
| · | The QA/QC protocols currently in place have shown notable improvements during the most recent drilling campaigns. The procedures for sample preparation, security, and analytical testing are generally aligned with industry best practices, supporting the integrity and reliability of assay data. Performance from certified reference materials (CRMs), blanks, and duplicates indicate acceptable levels of accuracy and precision, particularly in the context of the Project's known coarse gold (nugget) effect. |
| · | The QA/QC data continues to be systematically monitored, with timely corrective actions taken as needed. These practices ensure that the assay database remains robust and suitable for use in Mineral Resource estimation, with no material concerns identified that would impact the reliability of the results. |
| · | The mineralization at Camino Rojo is interpreted as an intrusive-related system hosted by clastic sedimentary rocks, exhibiting a polymetallic assemblage dominated by gold, silver, and zinc, with minor lead and copper. The geological and geochemical features observed in the Camino Rojo deposit align with those typically associated with distal oxidized gold skarn systems. Mineralization extends over approximately two kilometres (km) along strike, 0.5 km across strike, and one and 1.3 km vertically. |
| · | There is potential to increase the Mineral Resource base at Camino Rojo, both at depth and along strike, and ongoing exploration efforts are warranted. Orla has an exploration plan in place to extend the Mineral Resource footprint and to support continued infill drilling. |
| 1-2 | ![]() |
| Orla Mining Ltd. | Camino Rojo Project | March 18, 2026 |
| NI 43-101 Technical Report | SLR Project No.: 233.065118.00001 |
| · | The application of Net Smelter Return (NSR) cut-off values, in conjunction with the use of an optimized pit shell and underground reporting shapes, ensures that the Mineral Resource estimate meets the requirement for reasonable prospects for eventual economic extraction (RPEEE). The assumed physical and economic parameters are considered appropriate for the style of mineralization, deposit types, and planned mining and processing methods at Camino Rojo. |
| · | The Project’s updated Mineral Resource estimate is reported inclusive of Mineral Reserves. Measured Mineral Resources total 3,355 thousand tonnes (kt) at grades of 0.71 g/t Au and 16.91 g/t Ag, containing 77 thousand ounces (koz) of Au and 1,825 koz of Ag. Indicated Mineral Resources total 88,785 kt, grading 1.71 g/t Au, 12.02 g/t Ag, and 0.21% Zn, containing 4,897 koz Au, 34,313 koz Ag, and 402 million pounds (Mlb) Zn. Inferred Mineral Resources total approximately 5,766 kt at grades of 2.02 g/t Au, 11.39 g/t Ag, and 0.46% Zn, containing an estimated 374 koz Au, 2,111 koz Ag, and 58 Mlb Zn. Inferred Mineral Resources are considered too speculative geologically to have the economic considerations applied to them that would enable them to be categorized as Mineral Reserves. Mineral Resources that are not Mineral Reserves do not have demonstrated economic viability. |
| · | Comparison between the March 31, 2025 and the September 30, 2025 Mineral Resource estimates shows a 45% increase in contained zinc in the Measured and Indicated category. Zinc is only considered in the mill scenario, and the grade is averaged over the final total numbers. Gold and silver showed decreases of 1% and 2% contained metal, respectively, in the Measured and Indicated category. The changes can be attributed to the addition of 23 new drill holes, differences in reporting methodology, processing assumptions, cut-off grade criteria, mining approaches, and depletion of near surface material due to mining activity. Due to the additional drilling, certain Inferred Mineral Resources within Zone 22 were converted to Indicated Mineral Resources. |
| 1.1.1.2 | Mining and Mineral Reserves |
| · | The effective date of the Mineral Reserve estimates is September 30, 2025. Mineral Reserves are classified using CIM (2014) definitions in accordance with the requirements of NI 43-101. Mineral Reserve estimates reflect the reasonable expectation that all necessary permits and approvals will be obtained and maintained. |
| · | To facilitate Mineral Reserve estimation and scheduling activities, the resource block model was re-blocked to a 10 m x 10 m x 10 m cell size. In the QP’s opinion, the regularized block model incorporated adequate dilution consistent with the mine’s current reconciliation data. |
| · | No additional dilution or ore loss was added to the regularized block model. In the QP’s opinion, compositing of assays and estimating blocks with multiple composites introduces some smoothing of model grades that are analogous to dilution and ore loss effects. Additionally, regularizing and re-blocking of a sub-blocked model incorporates increased tonnage and grade dilution. |
| · | Since the start of mining operations, MCR has been following the recommended geotechnical parameters presented in KCA 2021. |
| · | The metal prices used to estimate Mineral Reserves were $2,300 per ounce of gold and $25 per ounce of silver The QP considers these prices to be reasonable based on historical three-year trailing averages, prices used by other gold and silver producing companies for comparable projects, and long-range consensus price forecasts prepared by various bank economists prepared by CIBC. |
| 1-3 | ![]() |
| Orla Mining Ltd. | Camino Rojo Project | March 18, 2026 |
| NI 43-101 Technical Report | SLR Project No.: 233.065118.00001 |
| · | The Life-of-Mine (LOM) plan productivity assumptions are based on similar productivities achieved by the current and prior contractors. All equipment and personnel required to deliver the current LOM plan are either on site or available when required. While total material moved (TMM) requirements are notably higher in 2026 and 2027 compared to recent actuals, in the opinion of the QP, the planned TMM in these years is achievable and notes that it is the mining contractor’s contractual obligation to provide the necessary fleet and labour to deliver the LOM plan. |
| · | In the QP’s opinion, the operating cost assumptions used for developing the NSR cut-off values and subsequent Mineral Reserve estimates are reasonable and are based on MCR’s 2025 budget operating costs and the 2025 technical report on MCR (SLR 2025). |
| · | The Project’s updated open pit, heap leach Mineral Reserve estimates include Proven Mineral Reserves (including stockpiles) totalling approximately 3,015 kt at grades of 0.71 g/t Au (69 koz contained gold) and 17.4 g/t Ag (1,684 koz contained silver), while Probable Mineral Reserves total approximately 30,399 kt at grades of 0.73 g/t Au (715 koz contained gold) and 14.3 g/t Ag (13,955 koz contained silver). |
| · | Orla submitted a permit application in November 2024 to support and obtain the necessary permits and permit amendments related to the Fresnillo layback area and east-west pit expansion, which are required for the extraction and processing of the Mineral Reserve estimates tabulated herein. The current Mineral Reserve estimates, at the effective date of September 30, 2025, assume the mining of the areas related to the permit application starting in February 2026. |
| 1.1.1.3 | Mineral Processing |
| · | The current processing method at the Project includes run-of-mine (ROM) ore crushing, followed by stacking and heap leaching. The Project currently crushes approximately 19,200 tpd. Pregnant solution from the heap leach is pumped to a Merrill-Crowe plant (the Merrill-Crowe Plant) for precious metal recovery. |
| · | As of September 30, 2025, realized recoveries for gold are overall in good agreement with predicted production results. |
| · | Relative to the Project’s metallurgical test work, actual silver recoveries to date are lower than expected as compared to the recovery model presented in the feasibility study completed by KCA in 2021 (the 2021 FS [KCA 2021]). Silver recoveries have continued to improve; however, there remains a risk that projected silver production targets may not be achieved. |
| 1.1.1.4 | Project Infrastructure |
| · | In the QP’s opinion, the current infrastructure at MCR is suitable and meets the Project’s current mining and processing requirements, i.e., extraction of Mineral Reserves via open pit mining and recovery of metals using heap leaching. |
| 1.1.1.5 | Market Studies and Contracts |
| · | The main contracts at Camino Rojo relate to the mining contractor, the blasting service provider, and various consumable contracts. The contracts were established based on the LOM plan and the QP considers the terms of the contracts to be reasonable relative to industry norms. |
| 1-4 | ![]() |
| Orla Mining Ltd. | Camino Rojo Project | March 18, 2026 |
| NI 43-101 Technical Report | SLR Project No.: 233.065118.00001 |
| 1.1.1.6 | Environmental, Permitting, and Social Considerations |
| · | Based on the information available for review, the QP has not identified any known environmental issues that could materially impact the ability to extract the Project’s Mineral Resources and Mineral Reserves. |
| · | The QP is not aware of any non-compliance environmental issues raised by the relevant Mexican authorities. |
| · | The existing mine has the environmental permits to explore and operate, and it is in the process of obtaining additional approvals for the transition to underground, including the associated changes in the land use to accommodate the additional areas related to this transition. Once these permits are granted, the mine must obtain additional environmental permits (including the change to land use) to reflect the project changes, including those related to the Underground Project and associated infrastructure. Conditional upon continued compliance, permits for normal exploration and exploitation activities, as applicable, are expected to be attainable. |
| · | The Project has an Environment, Sustainability, Health and Safety Policy, and several environmental standards, plans, and programs in place. |
| · | The existing mine does not lie within any protected areas (SANAT 2025), however, in January 2024, a new protected area located 13 km east of the Project site was created. This protected area is located in the Mazapil, Concepción de Oro and Salvador municipalities in Zacatecas. The protected area is called the Semidesierto Zacatecano and is listed as a Flora and Fauna Protection Area. The protected area has a total surface of 223,796 ha. The management plan for the protected area has not been released yet, and the buffer areas established around the new protected area are unknown. |
| · | Orla and MCR have developed an environmental and social risk register that helps document track and manage risks (current and emerging social risks). It also has in place a Stakeholder Engagement Plan, a Communication Plan, and a grievance mechanism specific to the Project. |
| · | Orla and MCR have executed agreements with communities within the Project area of influence for the use of the land and for supporting community investment activities. |
| · | Orla and MCR have established policies and practices to enhance the economic benefits of the Project, including local employment, contracting opportunities, and community investment. Overall, Orla and MCR appear to have built and maintained working relationships with the communities surrounding its operations. |
| · | A conceptual Mine Closure Plan (MCP) has been developed for the Project. |
| 1.1.1.7 | Capital and Operating Costs |
| · | The Project is currently in the operating phase. Total sustaining capital costs from the fourth quarter (Q4) of 2025 through 2031 are estimated to be approximately $31.1 million. |
| 1-5 | ![]() |
| Orla Mining Ltd. | Camino Rojo Project | March 18, 2026 |
| NI 43-101 Technical Report | SLR Project No.: 233.065118.00001 |
| · | The average operating costs for the remaining LOM are forecasted to be $13.28/t stacked, including mining cost of $2.15/t mined ($5.40/t stacked), processing cost of $4.26/t stacked, rehandling cost of $0.16/t stacked, and G&A cost of $3.46/t stacked. |
| 1.1.1.8 | Preliminary Economic Assessment on the Underground Project |
| · | The PEA evaluated the technical and economic potential of a stand-alone, underground development project beneath the existing Camino Rojo open pit operation and the construction of the Processing Plant for the processing of sulphide and refractory material. |
| · | The process flowsheet includes the production of three salable concentrates – gold, zinc and a gold-silver bearing pyrite concentrate. |
| · | Average annual gold production (in concentrate) over the first 10 years is projected to be 215,000 ounces, with an expected average all-in sustaining cost (AISC) of $1,304 per payable ounce of gold. |
| · | The PEA results demonstrate robust economics with an NPV(5%) of $1.3 billion with an after-tax IRR of 30% at $3,100/oz gold. |
| · | An assessment of current market conditions for gold-bearing pyrite, gold, and zinc concentrates was conducted as part of the PEA by an independent concentrate marketing advisor. The assessment included a review of treatment and refining charges, payable terms, impurity thresholds, and transportation costs for concentrates with similar metallurgical characteristics. The analysis also considered recent market transactions and long-term demand trends for sulphide concentrates. |
| · | The PEA is preliminary in nature; it includes Inferred Mineral Resources that are considered too speculative geologically to have the economic considerations applied to them that would enable them to be categorized as Mineral Reserves, and there is no certainty that the preliminary economic assessment will be realized. Mineral Resources that are not Mineral Reserves do not have demonstrated economic viability. |
| 1.1.2 | Recommendations |
The QPs offer the following recommendations by area.
| 1.1.2.1 | Geology and Mineral Resources |
| 1 | Conduct a full wireframe and block model update for the next Mineral Resource estimate (MRE) update. The September 30, 2025, Mineral Resource estimate focused only on Zone 22, and the zone within the Caracol formation was left unchanged. While the 23 new drill holes targeted deeper mineralization, a full model update is recommended to understand the mineralization relationships, particularly around the 100 and 200 series, which border and extend below the Caracol but were not included in this update. Updating of the entire model will also streamline modelling workflows within Leapfrog and facilitate model validation. |
| 2 | Continue diamond drilling perpendicular to mineralized zones to better define vein geometry, validate historical downdip drill holes, and increase confidence in areas currently supported primarily by downdip drilling. This approach would also support upgrading areas in the 100 series domain from the Inferred Mineral Resource classification to the Indicated Mineral Resource classification. |
| 1-6 | ![]() |
| Orla Mining Ltd. | Camino Rojo Project | March 18, 2026 |
| NI 43-101 Technical Report | SLR Project No.: 233.065118.00001 |
| 3 | To support the estimation strategy, continue exploration drilling in the 300 series and 500 series high-grade mineralization domains to prove additional resources at depth and better understand grade continuity. |
| 4 | Investigate the mineralization chronology and metal associations, and based on this analysis, consider extending the gold-only wireframes at depth given that gold is the primary metal contributor. |
| 5 | Create separate wireframes for silver and zinc to better capture significant grades and reduce reliance on high-grade restrictions. |
| 6 | Establish routine check assays with an independent accredited (umpire) laboratory. |
| 7 | Develop deposit-specific Certified Reference Materials (CRMs). These measures are intended to strengthen the overall QA/QC framework and ensure continued reliability of assay results for Mineral Resource estimation. |
| 8 | To ensure accurate volumetric and tonnage estimates, review sample intervals with anomalous density values and assess the potential causes of errors. |
| 9 | In future resource model updates, reassess the silver estimation approach as current validation exercises indicate that the current resource model may be overly restrictive. To better reflect the distribution and continuity of silver mineralization, this reassessment should include a review of estimation parameters and assay methodologies. |
| 10 | Continue routine reconciliation of the resource block model against actual production. |
| 1.1.2.2 | Mining and Mineral Reserves |
| 1. | Regularly assess contractor performance regarding reconciliation and dilution control. |
| 2. | As economic conditions dictate, examine opportunities to further optimize the pit and mining schedules. |
| 1.1.2.3 | Metallurgical Test Work and Mineral Processing |
| 1 | Continue to closely monitor silver recoveries and production to determine whether a write down of the silver inventory is warranted. |
| 2 | Review ROM recovery and leach kinetics assumptions and determine if the recent discrepancy between the modeled and realized gold recoveries is due to the stacking of the ROM ore. |
| 3 | Consider using the monthly feed composite column leach tests results for production and inventory calculations. |
| 1.1.2.4 | Project Infrastructure |
| 1 | Obtain the authorizations necessary to operate another water supply well, which would provide the mine site with an additional 25 L/s of water supply. |
| 2 | Maintain infrastructure as it ages and conduct regular maintenance and assessments. |
| 1.1.2.5 | Environmental, Permitting, and Social Considerations |
| 1 | Ensure that the additional environmental approvals (including land use change) required for the Underground Project are obtained. In addition, Orla and MCR should ensure that the Unique Environmental Licence is up to date and considers the planned changes in the Project’s facilities (i.e., transition to underground and changes in the footprints and processes). |
| 1-7 | ![]() |
| Orla Mining Ltd. | Camino Rojo Project | March 18, 2026 |
| NI 43-101 Technical Report | SLR Project No.: 233.065118.00001 |
| 2 | Allow sufficient time for planning and completion of environmental studies that will be required for the transition to underground. |
| 3 | Complete a permitting schedule linked to the Project Execution Schedule. |
| 4 | Continue engaging with regulators to obtain the formal permits for the domestic wastewater discharges. |
| 5 | Regularly review and update the existing environmental policies, standards, procedures, management and monitoring plans. |
| 6 | Monitor surface water quality monthly instead of yearly. It is recommended that the environmental team of Camino Rojo tabulates and processes the monitoring data collected with higher frequency to understand trends and compliance with applicable regulations. The analysis will allow Camino Rojo to identify and manage any issues if they arise. |
| 7 | Undertake additional water supply/water recycling studies to determine alternative options for water supply as a contingency measure. |
| 8 | Monitor the release of the management plan for the Semi-desierto Zacatecano protected area by the government to understand the management measures in the plan, the buffer areas, and potential implications for the Project. |
| 9 | The Project has an environmental and social risk register, as well as a Risk Committee responsible for identifying, registering, and managing ESG risks related to the Project. It is not clear how the risk register informs the Stakeholder Engagement Plan (and management plans). The QP recommends that these two documents be linked together and revisited regularly as social and emerging risks are constantly evolving. |
| 1.1.2.6 | Capital and Operating Costs |
| 1 | Continually monitor actual spending, comparing to budgets and optimize where possible. |
| 1.1.2.7 | Preliminary Economic Assessment on the Underground Project |
The following items are recommended for future study:
Mining
| 1 | Complete a production rate trade-off study to identify the optimal production for the operation as currently understood. |
| 2 | Complete detailed geotechnical review for stope stability and ground support requirements. |
| 3 | Confirm paste fill strength and cure time testing. |
| 4 | Complete mining equipment/material movement trade-off, considering equipment size and type. |
| 5 | Obtain site specific quotes from vendors for equipment and major consumables. |
| 6 | Obtain site specific quotes from mining contractors. |
| 1-8 | ![]() |
| Orla Mining Ltd. | Camino Rojo Project | March 18, 2026 |
| NI 43-101 Technical Report | SLR Project No.: 233.065118.00001 |
Metallurgical Test Work
| 1 | Complete additional flotation test work, including locked cycle tests, to further define process requirements and metallurgical recovery on samples from across the deposit. |
| 2 | Perform additional variability flotation tests on the selected flowsheet to expand the recovery relationships. |
| 3 | Conduct additional comminution test work |
| 4 | Complete dewatering test work to support the design of thickening and filtration equipment. |
| 5 | Conduct additional Pressure Oxidation (POX) tests to continue to evaluate the trade-off between concentrate sales and POX-CIL flowsheets. |
Processing Plant
| 1 | Ensure the samples selected for metallurgical testing are representative of the orebody, spatially and with respect to grade and metallurgical and physical characterization for the different zones within the Resource. |
| 2 | Conduct additional metallurgical test work to: |
| o | Optimize reagents selection and consumption to reduce operating costs. |
| o | Confirm gold and silver recovery algorithms including recoveries for low head grade materials. |
| o | Confirm deleterious elements in plant feed that could potentially impact the sale and value of concentrates. |
| 3 | Re-evaluate flowsheet options to include downstream oxidation/carbon-in-leach (CIL) treatment to produce doré as an alternative to concentrate. |
| 4 | Optimize plant sizing in concert with mine production schedules for the purpose of right-sizing the project and improving the project economics. |
| 5 | Optimize the crushing and milling circuit for optimal performance and cost. |
Paste Plant and Tailings Management Facility
| 1 | Investigate sub-aerial tailings deposition using vacuum filtration. This is one of the more significant opportunities. A sound balance can be found that capitalizes on the paste plant infrastructure to optimize the tailings management facility (TMF) design, so long as gravity and pump distribution of paste can be readily managed, and tailings disposal incorporated into the system. |
| 2 | Conduct trade-off studies of pressure filtration versus vacuum filter or even thickened tailings that can achieve similar stability at far lower costs with less environmental impact. Impact of water conservation should be considered with all technologies. |
| 3 | Investigate sub-aerial options including using the heap leach as a buttress for the TMF, waste rock as a natural containment, waste rock co-disposal with filter cake, and possibly in-pit disposal if mine access or project sequence is amenable. |
| 4 | Confirm whether paste pumping will be necessary or cost optimal. |
| 5 | Confirm binder requirements based on material testing and mining cycle requirements for greater cost certainty. |
| 1-9 | ![]() |
| Orla Mining Ltd. | Camino Rojo Project | March 18, 2026 |
| NI 43-101 Technical Report | SLR Project No.: 233.065118.00001 |
| 6 | Confirm TMF contact water management plan including water storage and water treatment requirements. |
| 7 | Complete geotechnical investigation of TMF foundation to refine inputs into TMF design and to evaluate the suitability of excavated material for reuse in TMF construction. |
| 8 | Complete borrow search to support TMF foundation preparation, construction and closure planning |
| 1.2 | Economic Analysis |
An economic analysis is not required as Orla is a producing issuer, the operations are currently in production, and there is no material expansion of current production included in the LOM plan presented in this Technical Report.
Orla performed an economic analysis of the Camino Rojo Operations using the assumptions, costing and Mineral Reserve estimates presented in this Report and verified that the outcome is a positive cash flow that confirms the economic viability of the Mineral Reserves.
| 1.3 | Technical Summary |
| 1.3.1 | Property Description and Location |
The Camino Rojo property is located in the Municipality of Mazapil, State of Zacatecas, Mexico, and situated along a wide, flat valley near the village of San Tiburcio. The property lies 190 km northeast of the city of Zacatecas, 48 km south-southwest of the town of Concepción del Oro, and 54 km south-southeast of Newmont’s Peñasquito Mine. The Project area is centred at approximately 244150 E 2675900 N UTM NAD27 Zone 14N.
Access to the Camino Rojo mine site is by the paved, four lane Mexican Highway 54 and by Route 62, a secondary paved highway that passes through San Tiburcio. The Camino Rojo mine site is approximately 260 km southwest of Monterrey and 190 km northeast of Zacatecas. A private road enters the Camino Rojo mine property approximately 250 m northeast of the intersection of Highway 54 and Route 62. This road provides access to the camps, offices, mine, process plant, and other Camino Rojo Project facilities. Camino Rojo site access roads include approximately 20 km of paved, dirt, and gravel roads. There are numerous gravel roads within the property linking the surrounding countryside with the two highways. There are very few locations within the property that are not readily accessible by four-wheel drive vehicle.
| 1.3.2 | Land Tenure |
The property mineral rights are held by Orla’s Mexican subsidiary, Minera Camino Rojo S.A. de C.V. (MCR), in seven concessions covering 138,639.75 hectares (ha). Surface rights in the Project area are owned by several federally defined agrarian communities (Ejidos). The land that includes the Mineral Resource at Camino Rojo is controlled by the San Tiburcio Ejido. Exploration work has been carried out under the authority of agreements between the project operators and the Ejidos.
On December 21, 2020, Orla announced that it had entered into an agreement (the “Layback Agreement) with Fresnillo plc (“Fresnillo”), granting Orla the right to expand the Camino Rojo oxide pit onto a portion of Fresnillo’s 782 ha “Guachichil D1” mineral concession, Title 245418, located immediately to the north of Orla’s property. The Layback Agreement received Federal Competition Commission (Comisión Federal de Competencia Económica or “COFECE”) approval in February 2021, and the surface access rights were ceded in December 2022.
| 1-10 | ![]() |
| Orla Mining Ltd. | Camino Rojo Project | March 18, 2026 |
| NI 43-101 Technical Report | SLR Project No.: 233.065118.00001 |
| 1.3.3 | History |
The Camino Rojo deposit was discovered by geologists under contract to Canplats Resources Corporation (Canplats) in mid-2007. The deposit was concealed beneath post-mineral cover in a broad, low relief alluvial valley adjacent to the western flank of the Sierra Madre Oriental. A shallow pit excavated through a thin veneer of alluvium, located adjacent to a stock pond (represa) was the discovery exposure of the deposit. Canplats began concurrent programs of surface geophysics and reverse-circulation (RC) drilling in late 2007 and began core drilling in 2008. Elevated chargeability zones from the surface geophysics were interpreted as large volumes of sulphide mineralized rocks. Drilling by Canplats, and later drilling by Goldcorp Inc. (Goldcorp), confirmed the presence of sulphide mineralization at depth in the Represa zone (now the Camino Rojo deposit), and a deeper sulphide mineralized zone to the southwest at Don Julio (now part of the Camino Rojo Sulphides Zone).
Canplats was acquired by Goldcorp in early 2010. Validation, infill, condemnation, and expansion drilling began in January 2011, mostly focused on the Represa and Don Julio zones, and their immediate surroundings. Airborne gravity, magnetic and TEM surveys were carried out, and RAB and RC drilling tested other exploration targets within the concession.
Orla acquired the property from Goldcorp in 2017. The Camino Rojo Oxide Gold Mine achieved its first gold pour in December 2021 and began commercial production in April 2022.
| 1.3.4 | Geology and Mineralization |
The Camino Rojo property geology is dominated by siliciclastic and carbonate Cretaceous sedimentary units which are intruded by northeast-southwest and east-west striking mafic to intermediate dikes. The property-scale map pattern is dominated by northeast vergent folds, commonly cored by limestones of the Cupido Formation. Northeast directed shortening is pre- to post-tectonic with respect to intrusion of dikes and formation of ore-stage polymetallic veins and mantos. Cenozoic extension resulted in the formation of horsts and grabens at Camino Rojo.
The Camino Rojo deposit is gold-dominant, with lesser silver, lead and zinc and displays transitional mineralization styles, forming a continuum between intermediation sulphidation epithermal and skarn mineralization. The Oxide and the Caracol-hosted Sulphide zones exhibit characteristics typical of intermediate sulphidation epithermal deposits, while Zone 22 shows features of distal skarn zones. The Late Cretaceous Caracol Formation is the primary host of Camino Rojo Oxides and Camino Rojo Sulphides (Sulphides) mineralized zones, while Zone 22 extends into the underlying carbonate-rich Indidura, Cuesta del Cura, La Peña and Cupido formations.
The distribution of auriferous mineralization at Camino Rojo is controlled by steep northwest and shallow south dipping polymetallic veins within the siliciclastic hosted Oxide and Sulphide zones. Within the carbonate hosted Zone 22, auriferous mineralization is controlled by disseminated, patchy and massive polymetallic sulphide replacement (manto type) of carbonate strata and sulphide breccias along the margins and crosscutting dioritic dikes. Pervasive, near surface oxidation extends to approximately 150 m to 200 m below surface and extends to greater depths along structurally controlled zones of fracturing and permeability.
| 1.3.5 | Exploration and Drilling Status |
Orla continues to conduct exploration activities across parts of its Camino Rojo mining concessions. Numerous regional exploration activities have been executed, including mapping, prospecting, diamond drill (DDH), RAB, and RC drill programs, geophysical surveys, and soil, rock and biogeochemical sampling since the acquisition of the property in October 2017. This includes regional drilling (105 holes, 34,725 m), mapping, prospecting, geophysical surveys (1,103.8 km2 drone magnetometry, 243 km2 gravity, 346 km2 induced polarization), soil sampling (18,086 samples), rock sampling (3,273 samples) and biogeochemical sampling (22 samples).
| 1-11 | ![]() |
| Orla Mining Ltd. | Camino Rojo Project | March 18, 2026 |
| NI 43-101 Technical Report | SLR Project No.: 233.065118.00001 |
Subsequent to the effective date of this report, Orla completed its 2025 (full year) regional exploration program, which included:
| · | A ~4,700 m regional drill program, following up on two positive drill results from 2024 (Hacheros and Lago Azul) and drill testing two new targets (Majoma and Miserias). |
| · | Target generation and definition activities including prospecting, mapping, soil sampling, rock sampling and magnetic drone survey across the Majoma-Miserias target areas. |
| 1.3.6 | Mineral Resource Estimates |
The QPs from SLR were engaged to estimate the Mineral Resources at Camino Rojo assuming both open pit and underground mining scenarios, primarily using diamond drill hole data.
Orla provided the drill hole database, which the QP reviewed and verified. The database includes over 1,000 drill holes totaling approximately 533,000 m, with detailed geological, assay, and geotechnical information. Only drill holes within the defined resource area were used in the Mineral Resource estimate. Geological models, including lithology, alteration, and geometallurgical domains, were developed in Leapfrog by Orla and reviewed by the QP. Mineralization wireframes were constructed for both low-grade and high-grade mineralization zones, using gold and gold equivalent cut-offs of 0.1 g/t Au or 0.1 g/t AuEq for low-grade and 1 g/t Au or 1 g/t AuEq for high-grade, with AuEq being used below the Caracol Formation to consider the contributing metals at depth, as further described in Table 1-1 below. These mineralization wireframes were organized into vein groups and estimation domains, reflecting geological and metallurgical characteristics.
To prevent isolated high-grade assays from skewing the grade estimation, SLR applied capping based on statistical analyses within defined capping domains (MIN100, MIN200, MIN300, MIN500, LG, and OUT). High-grade restrictions were also implemented in lower-grade domains (LG and OUT) to limit the impact of anomalous values. After capping, assays were composited into fixed 1.5 m intervals within mineralized wireframes, with short composites (under 0.45 m) added to the previous interval to maintain consistency in the estimation process.
Grade continuity was evaluated using indicator grade shells and variogram analysis, revealing distinct gold grade trends, particularly in veins MIN103, MIN203, MIN206, and MIN237. These trends guided variogram modelling, with the most reliable results in the OxTrHi domain.
The QP estimated the Camino Rojo grade block model using ID² or ID³ interpolation in three to four passes, with hard boundaries across all domains and variable orientation. A density sub-domaining strategy was established using the high-grade (HG), low-grade (LG), and OUT domains based on oxidation levels (oxide [Ox], transition [Tr], and sulphide [Sx]), resulting in nine density domains, with values ranging from 2.4 g/cm³ to 2.67 g/cm³, that are considered appropriate for the deposit. An octree block model with 5 m parent blocks, sub-blocked to 1.25 m, was built in Leapfrog Edge. The QP deems the model and block size suitable for both open pit and underground mine planning.
| 1-12 | ![]() |
| Orla Mining Ltd. | Camino Rojo Project | March 18, 2026 |
| NI 43-101 Technical Report | SLR Project No.: 233.065118.00001 |
Metal prices used for Mineral Resource estimation were $2,800/oz for gold, $33/oz for silver, and $1.25/lb for zinc. NSR cut-off values were defined according to mining and processing methods, including costs and recovery assumptions. Open pit NSR cut-off values ranged between $8.44/t (leach) and $14.06/t (Mill). Underground NSR cut-off values were between $57/t and $66/t for leach and $63/t to $72/t for mill flotation concentrate. The ranges in underground NSR cut-off values correspond to different mining methods, with the lower value being for long-hole stoping and the higher value representing cut-and-fill. Only blocks above these cut-offs within resource pit shells and all blocks within underground resource reporting shapes built with these NSR cut-off values were reported. The stockpiles were included using a cut-off grade of 0.21 g/t Au.
Open pit optimization was performed in Whittle using a 10 m x 10 m x 10 m regularized block model and the Pseudoflow algorithm, applying a 45° slope angle, NSR-based revenue inputs, and mining and processing costs of $2.06/t, $8.44/t (heap leach), and $14.06/t (mill). Underground optimization was completed in Deswik’s Stope Optimizer using NSR inputs and costs differentiated by mining method (long-hole stoping and cut-and-fill) and processing route. For heap leach material, NSR cut-offs of $57/t for long-hole stoping and $66/t for cut-and-fill were applied, while for flotation concentrate material, NSR cut-offs of $63/t for long-hole stoping and $72/t for cut-and-fill were used. Panel shapes were constrained by geometry and dip, with a two metre minimum thickness, clipped to the pit shell, and overlapping or isolated shapes were removed. A crown pillar exclusion zone has not been included in this Mineral Resource estimate. SLR has assumed that the crown pillar will be removed at the end of the mine life.
The QP classified the Camino Rojo Mineral Resources based on drill hole spacing within key estimation domains (OxTrHi, 100, 200, 300, 500, and LG). Measured Mineral Resources, limited to the OxTrHi domain, required a drill spacing of greater than or equal to 25 m, visual validation with blast hole data, and grade continuity above the 0.25 g/t Au production cut-off. Indicated Mineral Resources were defined by spacing of approximately 25 m to 50 m, and Inferred by approximately 50 m to 100 m. Classification also considered drill hole geometry (minimum three holes) and data distribution. Where downdip drill holes lacked perpendicular support within 25 m in the 100 series, Indicated Mineral Resource blocks were downgraded to Inferred Mineral Resources. CIM (2014) definitions were used for Mineral Resource classification. Mineral Resources that are not Mineral Reserves do not have demonstrated economic viability.
The QP validated the Camino Rojo block model using visual checks and statistical comparisons to ensure the reliability of domain flagging and interpolated grades. This included comparing block model grades to composite and blast hole assays, evaluating swath plots across estimation methods (ID, OK, NN) and composites, and checking volumetric consistency between wireframes and the model. This update focused on the deeper mineralization in Zone 22 (located below the Caracol formation) and an updated reconciliation was not considered necessary since there were no material changes to the open pit portion of the model. The reconciliation results presented correspond to the March 31, 2025 MRE. The reconciliation with the production grade control model confirmed good alignment for gold (2% tonnage, 1% grade, 3% ounces variance), while silver showed a 40% negative variance, attributed to differing assay methods. Overall, SLR concluded the model is robust and suitable for public disclosure.
Mineral Resources for Camino Rojo, with an effective date of September 30, 2025, are presented in Table 1-1.
The QP is not aware of any environmental, permitting, legal, title, taxation, socio-economic, marketing, political, or other relevant factors that could materially affect the Mineral Resource estimate.
| 1-13 | ![]() |
| Orla Mining Ltd. | Camino Rojo Project | March 18, 2026 |
| NI 43-101 Technical Report | SLR Project No.: 233.065118.00001 |
| Table 1-1: | Summary of Mineral Resources – Effective Date of September 30, 2025 |
| Operation | Process Type |
Category | Tonnage (kt) |
Average Grade | Contained Metal | NSR Cut- off Value ($/t) | ||||||
| Gold (g/t) |
Silver (g/t) |
Zn (%) |
AuEq (g/t) |
Gold (koz) |
Silver (koz) |
Zinc (Mlb) |
AuEq (koz) | |||||
| OP | Leach | Measured | 2,768 | 0.79 | 16.21 | - | 0.85 | 71 | 1,442 | - | 76 | 8.44 |
| Indicated | 37,309 | 0.69 | 13.10 | - | 0.74 | 823 | 15,708 | - | 893 | |||
| Measured + Indicated | 40,077 | 0.69 | 13.31 | - | 0.75 | 893 | 17,151 | - | 969 | |||
| Inferred | 1,523 | 0.74 | 12.26 | - | 0.80 | 36 | 600 | - | 39 | |||
| Mill | Measured | - | - | - | - | - | - | - | - | - | 14.06 | |
| Indicated | 2,213 | 0.85 | 8.91 | 0.39 | 0.94 | 60 | 634 | 19 | 67 | |||
| Measured + Indicated | 2,213 | 0.85 | 8.91 | 0.39 | 0.94 | 60 | 634 | 19 | 67 | |||
| Inferred | 71 | 0.85 | 8.69 | 0.30 | 0.95 | 2 | 20 | 0 | 2 | |||
| Total OP | Measured | 2,768 | 0.79 | 16.21 | - | 0.85 | 71 | 1,442 | 0 | 76 | 8.44 to 14.06 | |
| Indicated | 39,522 | 0.69 | 12.86 | 0.02* | 0.76 | 883 | 16,342 | 19 | 960 | |||
| Measured + Indicated | 42,290 | 0.70 | 13.08 | 0.02* | 0.76 | 953 | 17,785 | 19 | 1,036 | |||
| Inferred | 1,594 | 0.74 | 12.10 | 0.01* | 0.80 | 38 | 620 | 0 | 41 | |||
| UG | Leach | Measured | - | - | - | - | - | - | - | - | - | 57 to 66 |
| Indicated | 3,298 | 2.54 | 12.23 | - | 2.66 | 269 | 1,297 | - | 282 | |||
| Measured + Indicated | 3,298 | 2.54 | 12.23 | - | 2.66 | 269 | 1,297 | - | 282 | |||
| Inferred | 198 | 2.39 | 14.62 | - | 2.53 | 15 | 93 | - | 16 | |||
| Mill | Measured | - | - | - | - | - | - | - | - | - | 63 to 72 | |
| Indicated | 45,965 | 2.53 | 11.28 | 0.38 | 2.70 | 3,745 | 16,674 | 383 | 3,985 | |||
| Measured + Indicated | 45,965 | 2.53 | 11.28 | 0.38 | 2.70 | 3,745 | 16,674 | 383 | 3,985 | |||
| Inferred | 3,974 | 2.51 | 10.95 | 0.66 | 2.82 | 321 | 1,398 | 58 | 360 | |||
| Total UG | Measured | - | - | - | - | - | - | - | - | - | 57 to 72 | |
| Indicated | 49,263 | 2.53 | 11.35 | 0.35* | 2.69 | 4,014 | 17,971 | 383 | 4,267 | |||
| Measured + Indicated | 49,263 | 2.53 | 11.35 | 0.35* | 2.69 | 4,014 | 17,971 | 383 | 4,267 | |||
| Inferred | 4,172 | 2.50 | 11.12 | 0.63* | 2.80 | 336 | 1,491 | 58 | 376 | |||
| Stockpiles** | Measured | 588 | 0.34 | 20.25 | - | 0.34 | 6 | 383 | - | 6 | (0.21 g/t Au) | |
| Indicated | 0 | - | - | - | - | - | - | - | - | |||
| Measured + Indicated | 588 | 0.34 | 20.25 | - | 0.34 | 6 | 383 | - | 6 | |||
| Inferred | 0 | - | - | - | - | - | - | - | - | |||
| Total | Measured | 3,355 | 0.71 | 16.91 | - | 0.76 | 77 | 1,825 | - | 82 | 8.44 to 72 | |
| Indicated | 88,785 | 1.71 | 12.02 | 0.21 | 1.83 | 4,897 | 34,313 | 402 | 5,227 | |||
| Measured + Indicated | 92,141 | 1.68 | 12.20 | 0.20 | 1.79 | 4,974 | 36,138 | 402 | 5,309 | |||
| Inferred | 5,766 | 2.02 | 11.39 | 0.46 | 2.25 | 374 | 2,111 | 58 | 417 | |||
| 1-14 | ![]() |
| Orla Mining Ltd. | Camino Rojo Project | March 18, 2026 |
| NI 43-101 Technical Report | SLR Project No.: 233.065118.00001 |
Notes:
1 CIM (2014) definitions were followed for estimating Mineral Resources.
2 Mineral Resources are estimated in the optimized pit shell at a NSR cut-off value of $8.44/t for leach material and $14.06/t for Mill material, while the underground reporting shapes are using a NSR cut-off value for long-hole stoping of $57/t for heap leach material and $63/t for mill material were applied. For cut-and-fill mining, NSR cut-off values of $66/t for heap leach material and $72/t for mill material were used.
3 Open Pit and Underground Mineral Resources are estimated using a long-term price of $2,800 per ounce for gold, $33 per ounce for silver, and $1.25 per pound for zinc, with an US$:C$ exchange rate of 1:1.34.
4 Stockpiles are using a cut-off grade of 0.21 g/t Au based on a long-term price of $2,300 per ounce gold, with an US$:C$ exchange rate of 1:1.34.
5 Bulk density varies from 2.40 t/m3 to 2.67 t/m3 for the mineralization and estimation domains and 2.0 t/m3 for the overburden.
6 Metallurgical recoveries vary according to geometallurgical domains and process type (Leach or Mill) and are either a constant or formula based. Heap leach recoveries range from 40% to 70% for gold and 11% to 34% for silver. For mill flotation concentrate, recoveries range from 80% to 89% for gold, 52% to 86% for silver, and 87% to 90% for zinc; zinc recovery is assumed to be 0% for the Transition and S1a_CAR geometallurgical domains.
7 The NSR is calculated by material type with the following formulas:
o Heap Leach Material NSR ($/t) = (Au grade (g/t) x (((2,800-1.69) x Au recovery Heap Leach x 0.999 x (1-0.03)) / 31.103477)) + (Ag grade (g/t) x (((33-1.69) x Ag recovery Heap Leach x 0.98 x (1-0.03)) / 31.103477))
o Mill Material NSR ($/t) = (Au NSP ($/g Au) x Au grade (g/t)) + (Ag NSP ($/g Ag) x Ag grade (g/t)) + (Zn NSP ($/g Zn) x Zn grade (ppm))
8 The gold equivalent (AuEq) by material types are calculated with the following formulas:
o Heap Leach Material AuEq = Au grade (g/t) + (Ag NSP ($/g) / Au NSP ($/g) x Ag grade (g/t)).
o Mill Material AuEq = Au grade (g/t) + (Ag NSP ($/g) / Au NSP ($/g) x Ag grade (g/t)) + ((Zn NSP ($/lb) x 2,204.62 / 100 / Au NSP ($/g)) x Zn grade (ppm) / 10,000))
9 Mineral Resources are constrained by an optimized resource pit shell and underground resource panels with a minimum mining width of 2 m for long-hole stoping and 5 m for cut-and-fill.
10 Mineral Resources are inclusive of Mineral Reserves.
11 Numbers may not add due to rounding.
12 Inferred Mineral Resources are considered too speculative geologically to have the economic considerations applied to them that would enable them to be categorized as Mineral Reserves.
* Zinc is only considered in the Mill scenario, and its grade is averaged over the final total numbers.
**AuEq depends on net smelter price (NSP) parameters that vary by geometallurgical domain, which cannot be defined for stockpiled material. Instead of a calculated AuEq value, the stockpiles use the Au value for the AuEq, which does not include the contribution from Ag.
| 1-15 | ![]() |
| Orla Mining Ltd. | Camino Rojo Project | March 18, 2026 |
| NI 43-101 Technical Report | SLR Project No.: 233.065118.00001 |
| 1.3.7 | Mineral Reserve Estimates |
Mineral Reserves are classified using CIM (2014) definitions in accordance with the requirements of NI 43-101. Mineral Reserve estimates reflect the reasonable expectation that all necessary permits and approvals will be obtained and maintained.
Mineral Reserves are estimated assuming only heap leach processing and open pit mining methods.
To estimate open pit Mineral Reserves, the Project’s updated block model was regularized and re-blocked to a 10 m x 10 m x 10 m cell size. Orla and the QP completed several audits and verification exercises to ensure proper block model transfer and import into Hexagon MinePlan software.
No additional dilution or ore loss was added to the regularized block model. Compositing of assays and estimating blocks with multiple composites introduces some smoothing of model grades that are analogous to dilution and ore loss effects. Additionally, regularization and re-blocking of a sub-blocked model incorporates increased tonnage and grade dilution.
The pit optimization process was completed using Geovia’s Whittle software package. Only gold and silver are considered in the pit optimization, and the only material types considered are the oxide material with pervasive potassic alteration (KpOx material), oxide material with incipient potassic or phyllic alteration (KiOx), transition material with high (60-90%) oxidation (TrHi), and transition material with low (30-60%) oxidation (TrLo). Given the two products (gold and silver doré) and variable metallurgical recoveries by material type, an NSR cut-off value was used to determine the Mineral Reserve estimates.
The metal prices used to estimate Mineral Reserves were $2,300 per ounce of gold and $25 per ounce of silver.
Operating cost assumptions used for developing the NSR cut-off values are based on MCR’s 2025 budget operating costs and updated with Q1 to Q3 2025 actuals. The mining operating cost assumption is based on completing mining operations using a mining contractor.
The Mineral Reserve estimate is presented in Table 1-2 has an effective date of September 30, 2025.
Orla submitted a permit application in November 2024 to support and obtain the necessary permits and permit amendments related to the Fresnillo layback area and east-west pit expansion, which are required for the extraction and processing of the Mineral Reserve estimates tabulated herein. The current Mineral Reserve estimates, at the effective date of September 30, 2025, assume the mining of the areas related to the permit application starting in February 2026.
| 1-16 | ![]() |
| Orla Mining Ltd. | Camino Rojo Project | March 18, 2026 |
| NI 43-101 Technical Report | SLR Project No.: 233.065118.00001 |
| Table 1-2: | Mineral Reserves Estimate – Effective Date of September 30, 2025 |
| Reserves Category | Mass (kt) | Gold (g/t) | Silver (g/t) | Gold (koz) | Silver (koz) |
| Proven (In Situ) | 2,427 | 0.81 | 16.7 | 63 | 1,301 |
| Proven (Stockpile) | 588 | 0.34 | 21.5 | 6 | 383 |
| Proven (total) | 3,015 | 0.71 | 17.4 | 69 | 1,684 |
| Probable (total) | 30,399 | 0.73 | 14.3 | 715 | 13,955 |
| Total Mineral Reserves | 33,414 | 0.73 | 14.6 | 785 | 15,638 |
Notes:
1. The Mineral Reserve estimates have been prepared in accordance with CIM (2014) definitions.
2. Rounding as required by reporting guidelines may result in summation differences.
3. The estimation of Mineral Reserves may be materially affected by geology, environment, permitting, legal, title, taxation, sociopolitical, marketing, or other relevant issues.
4. koz = 1,000 troy ounces; t = tonne (1,000 kilograms)
5. The Mineral Reserve estimates for Camino Rojo have an effective date of September 30, 2025.
6. Stephen Ling, P.Eng. of Orla is the qualified person responsible for the Mineral Reserve estimates for Camino Rojo.
7. Mineral Reserves are based on prices of $2,300/oz gold and $25/oz silver.
8. Mineral Reserves are based on net smelter return (NSR) cut-off value of $8.44 per tonne
9. NSR value for leach material is as follows:
KpOx: NSR ($/t) = 50.12 x gold (g/t) + 0.078 x silver (g/t), based on gold recovery of 70% and silver recovery of 11%.
KiOx: NSR ($/t) = 40.10 x gold (g/t) + 0.107 x silver (g/t), based on gold recovery of 56% and silver recovery of 15%.
TrHi: NSR ($/t) = 42.96 x gold (g/t) + 0.192 x silver (g/t), based on gold recovery of 60% and silver recovery of 27%.
TrLo: NSR ($/t) = 28.64 x gold (g/t) + 0.242 x silver (g/t), based on gold recovery of 40% and silver recovery of 34%.
10. The NSR values account for metal recoveries, refining costs, and refinery payable percentages.
11. Stockpiles are all derived from Camino Rojo mined material and are calculated using reconciled production figures adjusted for mining accuracy. Stockpile grades are calculated from grade control block grades. Stockpiles are using a cut-off grade of 0.21 g/t Au based on a long-term price of $2,300 per ounce gold, with an US$:C$ exchange rate of 1:1.34.
| 1.3.8 | Mining Methods |
The Camino Rojo mine is a conventional open pit mine. Mining operations consist of drilling medium diameter blast holes (approximately 17 cm), blasting with either explosive slurries or ammonium nitrate and fuel oil (ANFO), and loading blasted materials into large, off-road trucks with hydraulic shovels and wheel loaders. Ore is delivered to the primary crusher and waste rock is delivered to a waste rock storage facility (WRSF) southeast of the current pit.
Contract mining services are used at the Camino Rojo open pit and mining is carried out using 100 t capacity haul trucks, with additional equipment, including loading units, sized to match this haulage fleet.
The current LOM plan was developed by MCR and Orla to supply ore to a conventional crushing and heap leach facility with the capacity to process 18,900 tpd.
Since the start-up of mining operations at MCR, selective mining practices and the mine’s stockpiling strategy have resulted in a build-up of low-grade stockpiled ore south of the open pit. This low-grade ore will be stacked on the heap leach facility at the end of mine life.
Surface water runoff is diverted around active or planned mining areas via a series of diversion channels and redirected to natural drainage locations at the southern boundary of the property. The main goal of the diversion channels is to avoid contamination of surface water and to avoid inflow into the pit that would affect mining operations. The overall pit condition is considered to be dry; however, occasionally water from mining facilities is collected in ponds and used for operational requirements, such as dust management.
| 1-17 | ![]() |
| Orla Mining Ltd. | Camino Rojo Project | March 18, 2026 |
| NI 43-101 Technical Report | SLR Project No.: 233.065118.00001 |
The ultimate pit design includes pit haul roads and sufficient working room for all mining equipment. The pit haul road design width is 25 m, allowing for the construction of a berm and drainage ditch, at a maximum grade of 10%. This will accommodate trucks of approximately 100 t capacity such as the Caterpillar 777 class truck.
Since the start of mining operations, MCR has been following the recommended geotechnical parameters presented in KCA 2021, and the current LOM design uses the KCA 2021 geotechnical parameters. Piteau completes annual geotechnical site visits to assess slope performance in the pit, at stockpile locations, and at the WRSF, and conduct reviews of heap leach pad stability. Additionally, Piteau’s annual reviews provide opportunities to train operational staff and further calibrate the assumed geotechnical parameters, such as evaluating the potential for pit slope or face angle steepening.
Following a pit wall event July 2025, on a small portion of the North wall, Piteau provided a technical memorandum that included an assessment of the of the wall event and an action plan for the pit re-entry, along with North wall pushback design update (Piteau 2025).
The following are the design updates to the North wall:
| · | A minimum 50 m push-back should be planned (measured from the current toe of the North wall) at a maximum interramp angle of 42°. Single (10m) benches are recommended to mitigate toppling risk. |
| · | Long, straight segments should be avoided wherever possible. A gradual concave curvature to the wall provides optimal conditions for slope stability. Convex shapes (in plan or section) should be avoided. |
Operating and monitoring advice provided by Piteau was incorporated into MCR open pit design and operating procedures. Additional site visits by Piteau are planned to monitor the North Wall, above the annual reviews. Based on the performance of the North wall push back, Piteau will be issuing design parameters for the final design in 2026.
The waste dump is currently being constructed with a face angle of 36 degrees, 20 m height and 50 m berms. The remaining capacity for the WRSF is sufficient for the remaining LOM, with 46.4 Mt of storage capacity as of the end of September 2025.
The current LOM plan assumes a supply of ore to the crushing and heap leach facilities at a stacking rate of 18,900 tpd, based on current crusher performance.
From 2025 to 2027, the current LOM plan mining rate of total material moved (TMM) ranges from 38,000 tpd to 70,000 tpd on a month-to-month basis, and from 2028 to 2030, the TMM mining rate ranges from 18,500 tpd to 48,500 tpd, including rehandling of the low-grade.
| 1.3.9 | Mineral Processing |
Camino Rojo is an open pit heap leach operation which has been in production since late 2021. Ore is crushed at a rate of 19,200 tonnes per day to 80% passing 25 mm using a two-stage closed crushing circuit and conveyor stacked onto a leach pad in 10 m lifts. Lime is added to the material for pH control before being stacked and leached with a dilute cyanide solution. Pregnant solution flows by gravity to a pregnant solution pump box before being pumped to the Merrill-Crowe Plant for precious metal recovery. Gold and silver are precipitated from the pregnant solution via zinc cementation. The precious metal precipitate is dewatered using filters, dried in a mercury retort to remove mercury values, and smelted to produce the final doré product.
| 1-18 | ![]() |
| Orla Mining Ltd. | Camino Rojo Project | March 18, 2026 |
| NI 43-101 Technical Report | SLR Project No.: 233.065118.00001 |
Overall gold recovery from the start of operation through September of 2025 is 62% and silver recovery is 8% based on ounces recovered to doré with an estimated inventory of 30,000 oz for gold and 510,000 oz for silver. These inventories include metals in solution, in-heap within partially leached ore and any areas not under leach including newly stacked ore and side slopes.
Overall, modeled recoveries vs. actual production for gold is in good agreement with reasonable inventory levels. Gold inventory has recently started to increase due to several possible factors, including the processing of ROM material and should be monitored and corrective actions taken if these values continue to increase. Silver shows a significantly larger variance, and several factors may be contributing to this including slower leach kinetics for silver than expected, insufficient free cyanide in solutions within the leach pad to maximize silver recovery, or too high silver recovery estimates. It is likely that the silver recoveries for the initial ores stacked and irrigated were overestimated; however, it is recommended that the recovery estimates not be changed at this time as silver production has been improving significantly since 2023.
| 1.3.10 | Project Infrastructure |
The MCR operation includes an open pit mine, a WRSF, a low-grade stockpile, a heap leach pad, and two topsoil stockpiles.
Surface infrastructure to support operations is in place, and includes:
| · | Haulage roads |
| · | Camp facilities |
| · | Site buildings |
| · | Service infrastructure, including water, power, and waste infrastructure |
| 1.3.11 | Market Studies and Contracts |
Gold and silver production can generally be sold to any of a number of financial institutions or refining houses and therefore no market studies are required to support the Camino Rojo Mineral Reserves.
The doré produced at Camino Rojo is shipped, under secure conditions, to refineries. The gold is sold and the settlement price is based on the then-current spot price for gold and silver on public markets.
The main contracts at Camino Rojo relate to the mining contractor, the blasting service provider, and various consumable contracts. The contracts were established based on the LOM plan.
| 1.3.12 | Environmental, Permitting, and Social Considerations |
Orla has launched a "Towards 2030 Sustainability Strategy" to ratify its commitment to being a responsible, sustainability-driven company. The Project has an Environment, Sustainability, Health and Safety Policy, and several environmental standards, plans, and programs in place, including among others, a waste rock management plan, a management plan for potentially acid generating materials, an environmental monitoring plan, flora rescue and relocation plan, fauna rescue and relocation plan, waste management plan, a stormwater and sedimentation control plan, a preventive and corrective equipment maintenance program, a health and safety program, a cyanide management plan, an emergency response plan, and a blasting vibration monitoring program (SANAT 2025). SLR understands that Orla has set targets and defined key performance indicators to measure their progress on environmental and social governance (ESG) actions.
| 1-19 | ![]() |
| Orla Mining Ltd. | Camino Rojo Project | March 18, 2026 |
| NI 43-101 Technical Report | SLR Project No.: 233.065118.00001 |
The existing mine has the environmental permits to explore and operate, and it is in the process of obtaining additional approvals for mining of the open pit layback, east-west pit expansion and the transition to underground, including the associated changes in the land use to accommodate the additional areas related to this transition.
The Camino Rojo operation does not generate excess water resulting in surface discharge of industrial effluent to the environment (i.e., zero discharge operation). The industrial water is recycled for use in mine operation activities (primary ore processing and road irrigation for dust suppression). Only treated effluent from the domestic wastewater treatment plant is discharged to the environment.
The Project site water supply is sourced exclusively from underground wells, with current valid permits expiring in 2030 and 2050.
As part of the work that supports the updated Environmental Impact Statement (MIA-R 2024), MCR prepared a detailed analysis of compliance with the obligations derived from the authorization contained in the Resolution official letter SGPA/DGIRA/DG/03478 of August 11, 2020. The approval comprises 148 obligations. Of these obligations, there are no known non-compliances, and 31 obligations are not currently applicable (SANAT 2025).
The environmental authorities require the submission of compliance reports as part of the permit requirements where MCR documents the environmental performance of the Project and how the conditions stated in the environmental permits are met. Currently, the Project completes several reports in a semi-annual or annual basis to be submitted to the environmental authorities.
The most recent conceptual MCP for the Project was prepared in 2022. The conceptual MCP addresses final closure actions, and post-closure inspection and monitoring. The closure schedule includes 4.5 years of closure followed by 10 years of post-closure monitoring. A closure cost estimate was included in the MCP.
| 1.3.13 | Capital and Operating Cost Estimates |
The Project is currently in the operating phase and all the necessary open pit mining and processing equipment and infrastructure are already in place.
Orla estimates that total sustaining capital costs for the period Q4 2025 through 2031 are approximately $31.1 million, with this estimate including costs for heap leach pad expansions required to the end of the current mine life. Other process capital costs include the completion of the crushed ore stockpile dome cover. The majority of the sustaining capital is expected to be spent during 2026 and 2027 on leach pad expansions.
Unit operating cost estimates are based on actual operating data and forecasts and include all labour, reagents, consumables, electricity, maintenance, fuel and lubricants, and all other direct operating expenses. Unit mining operating costs are based on existing contracts for contract mining. LOM unit operating costs are presented in Table 1-3.
| 1-20 | ![]() |
| Orla Mining Ltd. | Camino Rojo Project | March 18, 2026 |
| NI 43-101 Technical Report | SLR Project No.: 233.065118.00001 |
| Table 1-3: | Summary of LOM Unit Operating Costs |
| Description | LOM
($/t ore stacked) |
| Open Pit Mining | 5.40 |
| Rehandle | 0.16 |
| Processing | 4.26 |
| G&A | 3.46 |
| Total | 13.28 |
| 1.3.14 | Preliminary Economic Assessment on the Underground Project |
The preliminary economic assessment (PEA) of the Underground Project demonstrates robust economics over the 17 years of mine life and outlines a pathway to extend the life of the Camino Rojo Mine beyond the current open pit and heap leach operation.
The PEA is preliminary in nature; it includes Inferred Mineral Resources that are considered too speculative geologically to have the economic considerations applied to them that would enable them to be categorized as Mineral Reserves, and there is no certainty that the preliminary economic assessment will be realized. Mineral Resources that are not Mineral Reserves do not have demonstrated economic viability. The PEA has been completed independent of the Camino Rojo open pit project and is treated as a completely separate development project.
The PEA results highlight an after-tax Net Present Value (discounted at 5%) of $1.3 billion with an internal rate of return (IRR) of 30% at $3,100/oz gold price. Initial capital expenditure is estimated at $608 million with a payback period of 38 months.
The Mine Plan contemplated in the PEA Project includes a Measured and Indicated Mineral Resource estimate of 33.0 million tonnes at 2.80 g/t resulting in an estimated 2.97 million ounces of gold (3.16 million of ounces of gold equivalent), an Inferred Mineral Resource estimate of 2.8 million tonnes at 2.81 g/t resulting in an estimated 0.25 million ounces of gold (0.27 million of ounces of gold equivalent) and an additional 1.4 million tonnes of diluting material included within mineable shapes. Mineral Resources that are not Mineral Reserves do not have demonstrated economic viability.
The Processing Plant is designed for a nominal throughput of 8,000 tonnes per day, operating 24 hours per day with an assumed availability of 92%. Average gold recovered in concentrate across all domains is estimated at 87% of the gold contained in the mined ore. The flowsheet proposes primary crushing followed by crushed material stockpiling and reclaim. Grinding will consist of primary and secondary stages, featuring a SAG mill with pebble crushing, and a ball mill operating in closed circuit with hydro-cyclones. Selective flotation circuits (carbon flotation, gold flotation, zinc flotation, and gold-bearing pyrite flotation) will produce separate saleable gold, zinc, and pyrite concentrates, which will be filtered prior to load-out, storage and transportation to markets.
Tailings will be thickened and directed to a paste backfill plant for filtration and to provide the Underground Project with paste backfill. Surplus filtered tailings will be directed to a filtered tailings management facility. (TMF)
Over the first 10-years of the mine life, the average annual gold and gold equivalent production in concentrate is projected to be 215,000 ounces and 228,000 ounces, respectively, and the average annual payable gold and payable gold equivalent is projected to be 190,000 ounces and 201,000 ounces, respectively (Figure 1-1).
| 1-21 | ![]() |
| Orla Mining Ltd. | Camino Rojo Project | March 18, 2026 |
| NI 43-101 Technical Report | SLR Project No.: 233.065118.00001 |
Note: gold equivalent (AuEq) reflects total metal presented on an equivalent basis. Orla uses conversion ratios for calculating gold equivalent for its silver and zinc production, which are calculated by multiplying the volumes of silver and zinc by the respective assumed metal prices, recoveries (varies), and dividing the resulting figure by assumed gold price. The following metal prices and recoveries (averaged) were used:
| · | Gold: $3,100/oz and 87% recovery |
| · | Silver: $37.50/oz and 75% recovery |
| · | Zinc: $1.20/lb and 40% recovery |
| Figure 1-1: | Contained in Concentrate |
| 1-22 | ![]() |
| Orla Mining Ltd. | Camino Rojo Project | March 18, 2026 |
| NI 43-101 Technical Report | SLR Project No.: 233.065118.00001 |
| 2.0 | Introduction |
SLR Consulting (Canada) Ltd. (SLR), Kappes, Cassiday & Associates (KCA), and Blue Coast Research Ltd (BCR), were retained by Minera Camino Rojo S.A. de C.V. (MCR), a subsidiary of Orla Mining Ltd. (Orla), to prepare a Technical Report on the Camino Rojo Project, located in Zacatecas State, Mexico. Camino Rojo is 100% owned and operated by MCR. Orla is gold mining company with mining and exploration projects in Mexico, the United States of America, Panama, and Canada. Orla is listed on the Toronto Stock Exchange (TSX: OLA) and the New York Stock Exchange (NYSE: ORLA).
The purpose of this Technical Report is to support the disclosure of updated Mineral Resources and Mineral Reserve estimates for Camino Rojo with an effective date of September 30, 2025. This Technical Report is prepared in accordance with NI 43-101 Standards of Disclosure for Mineral Projects. Additionally, this Technical Report includes the results of the Preliminary Economic Assessment (PEA) for the underground project in Section 24 – Other Relevant Data and Information. The PEA evaluates the technical and economic potential of a stand-alone underground development project beneath the existing Camino Rojo open pit operation and the construction of a processing plant for the processing of sulphide and refractory material (the Process Plant).
The PEA was prepared by a team of independent industry experts who are Qualified Persons under NI 43-101, led by DRA Americas Inc. (DRA) and supported by Entech Mining (Entech), SLR, and BCR. The PEA evaluates the Underground Project supported by an 8,000 tonnes per day (tpd) Processing Plant, which includes crushing, SAG and ball mill grinding, and selective flotation circuits designed to produce three saleable concentrates (gold, zinc, pyrite). The PEA has been completed as a stand-alone underground development case and does not integrate the existing oxide heap leach operation.
The Camino Rojo property is located in the Municipality of Mazapil, State of Zacatecas, Mexico, near the village of San Tiburcio. The property lies 190 km northeast of the city of Zacatecas, 48 km south-southwest of the town of Concepción del Oro, and 54 km south-southeast of the Peñasquito Mine, which is owned and operated by Newmont Corporation (Newmont).
The distribution of gold mineralization at the Project is controlled by steep northwest and shallow south dipping polymetallic veins. Host rock lithology significantly influences deposit styles, and the Camino Rojo deposit displays transitional mineralization styles, forming a continuum between intermediate sulphidation epithermal and skarn mineralization.
Numerous regional exploration programs have been executed by Orla, including mapping, prospecting, diamond drill (DDH), rotary air blast (RAB), and reverse circulation (RC) drill programs, geophysical surveys, and soil, rock and biogeochemical sampling programs, since the acquisition of the property in October 2017. Subsequent to the effective date of this report, Orla completed its 2025 regional exploration program, which included a ~4,700 m regional drill program that followed up on positive drill results from 2024 (Hacheros and Lago Azul) and drill tested two new targets (Majoma and Miserias).
The Project includes active open pit mining and heap leach operations that commenced in late 2021 and achieved commercial production in 2022. In 2024, an average heap leach processing rate of approximately 20,000 stacked metric tonnes per day (tpd) was achieved, exceeding the design capacity of approximately 18,000 stacked tpd. Current planning assumes a steady-state stacking rate of 18,900 tpd.
| 2-1 | ![]() |
| Orla Mining Ltd. | Camino Rojo Project | March 18, 2026 |
| NI 43-101 Technical Report | SLR Project No.: 233.065118.00001 |
| 2.1 | Sources of Information |
Table 2-1 lists the qualified person (QPs) and the sections for which they are responsible. Details of the most recent site visits completed by each QP are also provided.
| Table 2-1: | Qualified Persons and Responsibilities |
| QP, Designation, Title | Company | Independent of the Issuer |
Responsible for | Site Visit |
| Marie-Christine Gosselin, P.Geo., Senior Resource Geologist | SLR | Yes | 1.1.1.1, 1.1.2.1, 1.3.6, 11, 12.1, 14, 25.1, 26.1 | Ms. Gosselin visited the site from January 22 to January 25, 2024. While at site, Ms. Gosselin held discussions with site personnel; visited the open pit operation; reviewed core; reviewed data collection and quality assurance and quality control (QA/QC) procedures; and reviewed geological interpretations, geological modelling, and Mineral Resource estimation procedures. |
| Sylvain
Guérard, P.Geo. Senior VP Exploration |
Orla | No | 1.3.1 to 1.3.5, 4 to 10 | Mr. Guérard has visited the site several times since 2020, with the most recent site visit from April 15 to 16, 2025. During the most recent site visit, Guérard reviewed core samples and discussed with site personnel open pit mapping, modelling, drilling and results, and regional exploration programs. |
| Stephen
Ling, P.Eng. Director of Technical Services |
Orla | No | 1.1, 1.1.1.2, 1.1.1.4, 1.1.1.5, 1.1.1.7, 1.1.2.2, 1.1.2.4, 1.1.2.6, 1.2, 1.3.7, 1.3.8, 1.3.10, 1.3.11, 1.3.13, 2, 3, 12.2, 15, 16, 18, 19, 21 to 23, 25.2, 25.4, 25.5, 25.7, 26.2, 26.4, 26.6 | Mr. Ling visited the Project most recently from January 26 to 28, 2026. During Mr. Ling’s site visit, he toured the operations and met with the MCR technical teams. |
| Caleb Cook, P.E., Project Engineer and Engineering Manager | KCA | Yes | 1.1.1.3, 1.1.2.3, 1.3.9, 12.3, 13.0, 13.1, 17, 25.3, 26.3 | Mr. Cook visited the Project most recently from April 30 to May 1, 2024. During the site visit, he reviewed the heap leach and processing facilities, reviewed laboratory operating procedures, and met with site metallurgists to discuss metallurgical accounting methods. |
| Andrew Kelly, P.Eng., President and Senior Metallurgist | BCR | Yes | 1.1.2.7 (Metallurgical Test Work), 12.3, 13.2, 26.7.2 | Mr. Kelly has not visited the Project as his section responsibilities pertain to test work and associated analysis completed offsite. |
| 2-2 | ![]() |
| Orla Mining Ltd. | Camino Rojo Project | March 18, 2026 |
| NI 43-101 Technical Report | SLR Project No.: 233.065118.00001 |
| QP, Designation, Title | Company | Independent of the Issuer |
Responsible for | Site Visit |
| Luis
Vasquez, M.Sc., P.Eng., Principal Hydrotechnical Engineer |
SLR | Yes | 1.1.1.6, 1.1.2.5, 1.3.12, 20, 24.18, 25.6, 26.5 | Mr. Vasquez has not visited Project as he considered it unnecessary for his section responsibilities. |
| Andrew Boushy, Study Manager | DRA | Yes | 1.1.1.8, 1.3.14, 24.1 to 24.13, 24.16.3, 24.17, 24.19 to 24.20, 25.8 | Mr. Boushy has not visited the Project, as the QP considers a site visit unnecessary at this stage of the study for the specified scope and responsibilities. |
| Patrick McCann, P.Eng., Principal Engineer | Entech | Yes | 1.1.2.7 (Mining), 24.14, 24.21.1.1, 24.21.2.1, 26.7.1 | Mr. McCann visited the site May 27 to 29, 2025. During the site visit he held discussions with site personnel; visited the open pit operation; visited the waste storage facility; visited the heap leach facility; reviewed core; and reviewed geological interpretations and modelling assumptions. |
| David Frost, Vice President Process Engineering | DRA | Yes | 1.1.2.7 (Processing Plant), 24.15, 24.21.1.2, 24.21.2.2, 26.7.3 | Mr. Frost has not visited the Project, as the QP considers a site visit unnecessary at this stage of the study for the specified scope and responsibilities. |
| Frank Palkovits | SLR | Yes | 1.1.2.7 (Paste Plant and TMF), 24.16.1, 24.21.1.3, 24.21.2.3, 26.7.4 | Mr. Palkovits has not visited the Project, as the QP considers a site visit unnecessary at this stage of the study for the specified scope and responsibilities. |
| James (Jim) Theriault | SLR | Yes | 24.16.2 | Mr. Theriault has not visited the Project, as the QP considers a site visit unnecessary at this stage of the study for the specified scope and responsibilities. |
| All | 27 |
| 2-3 | ![]() |
| Orla Mining Ltd. | Camino Rojo Project | March 18, 2026 |
| NI 43-101 Technical Report | SLR Project No.: 233.065118.00001 |
During the preparation of this report and while on site, discussions were held with personnel from Orla:
| · | José Texidor, P.Geo., Mineral Resources Manager, Orla Mining |
| · | Stephen Ling, P.Eng., Director of Technical Services, Orla Mining |
| · | Steven Scott, M.Sc., P.Geo., Chief Geologist Global Exploration, Orla Mining |
| · | Robin Wolf, P.Geo., Project Geologist Global Exploration, Orla Mining |
| · | Sergio Rodriguez, Exploration Geologist, Orla Mining |
| · | Yuri Ordonez, Exploration Geologist, Orla Mining |
| · | Dhio Montiel, Senior Geologist, Orla Mining |
The documentation reviewed, and other sources of information, are listed at the end of this Technical Report in Section 27 References.
| 2-4 | ![]() |
| Orla Mining Ltd. | Camino Rojo Project | March 18, 2026 |
| NI 43-101 Technical Report | SLR Project No.: 233.065118.00001 |
| 2.2 | List of Abbreviations |
Units of measurement used in this Technical Report conform to the metric system. Unless otherwise noted, all revenues, costs, and currency in this Technical Report are presented in United States dollars ($ or US$).
| m | micron | kVA | kilovolt-amperes |
| mg | microgram | kW | kilowatt |
| a | annum | kWh | kilowatt-hour |
| A | ampere | L | litre |
| bbl | barrels | lb | pound |
| Btu | British thermal units | L/s | litres per second |
| °C | degree Celsius | m | metre |
| C$ | Canadian dollars | M | mega (million); molar |
| cal | calorie | m2 | square metre |
| cfm | cubic feet per minute | m3 | cubic metre |
| cm | centimetre | MASL | metres above sea level |
| cm2 | square centimetre | m3/h | cubic metres per hour |
| d | day | mi | mile |
| dia | diameter | min | minute |
| dmt | dry metric tonne | mm | micrometre |
| dwt | dead-weight ton | mm | millimetre |
| °F | degree Fahrenheit | mph | miles per hour |
| ft | foot | MVA | megavolt-amperes |
| ft2 | square foot | MW | megawatt |
| ft3 | cubic foot | MWh | megawatt-hour |
| ft/s | foot per second | oz | Troy ounce (31.1035g) |
| g | gram | oz/st, opt | ounce per short ton |
| G | giga (billion) | ppb | part per billion |
| Gal | Imperial gallon | ppm | part per million |
| g/L | gram per litre | psia | pound per square inch absolute |
| Gpm | Imperial gallons per minute | psig | pound per square inch gauge |
| g/t | gram per tonne | RL | relative elevation |
| gr/ft3 | grain per cubic foot | s | second |
| gr/m3 | grain per cubic metre | st | short ton |
| ha | hectare | stpa | short ton per year |
| hp | horsepower | stpd | short ton per day |
| hr | hour | t | metric tonne |
| Hz | hertz | tpa | metric tonne per year |
| in. | inch | tpd | metric tonne per day |
| in2 | square inch | $ | United States dollar |
| J | joule | USg | United States gallon |
| k | kilo (thousand) | USgpm | US gallon per minute |
| kcal | kilocalorie | V | volt |
| kg | kilogram | W | watt |
| km | kilometre | wmt | wet metric tonne |
| km2 | square kilometre | wt% | weight percent |
| km/h | kilometre per hour | yd3 | cubic yard |
| kPa | kilopascal | yr | year |
| 2-5 | ![]() |
| Orla Mining Ltd. | Camino Rojo Project | March 18, 2026 |
| NI 43-101 Technical Report | SLR Project No.: 233.065118.00001 |
| 3.0 | Reliance on Other Experts |
This Technical Report has been prepared by, or its preparation supervised by, the QPs from SLR, KCA, BCR, Entech, DRA, and Orla. The information, conclusions, opinions, and estimates contained herein are based on:
| · | Information available to SLR, KCA, BCR, Entech, DRA, and Orla at the time of preparation of this Technical Report, which are listed in Section 27 – References. |
| · | Assumptions, conditions, and qualifications as set forth in this Technical Report. |
For the purpose of this Technical Report, the QPs have relied on ownership information provided in a summary report prepared by Orla’s legal counsel in Mexico, Lic. Mauricio Heiras of Chihuahua, Chihuahua State, and this information is relied on in Section 4 and the Summary of this Technical Report (Heiras 2026).
The QPs have relied on guidance from Orla on applicable tax rates and their application, the legal details of required royalty payments, and other government levies or interests, applicable to revenue or income from the Camino Rojo Project, in developing the cut-off grades discussed in Section 14.10, Section 15.4, and related disclosure in Sections 1 and 25 of this report.
Except for the purposes legislated under applicable securities laws, any use of this Technical Report by any third party is at that party’s sole risk.
| 3-1 | ![]() |
| Orla Mining Ltd. | Camino Rojo Project | March 18, 2026 |
| NI 43-101 Technical Report | SLR Project No.: 233.065118.00001 |
| 4.0 | Property Description and Location |
| 4.1 | Location |
The Camino Rojo property is located in the Municipality of Mazapil, State of Zacatecas, Mexico, near the village of San Tiburcio. The property lies 190 km northeast of the city of Zacatecas, 48 km south-southwest of the town of Concepción del Oro, and 54 km south-southeast of Newmont’s Peñasquito Mine (Figure 4-1). The Project area is centred at approximately 244,150 E and 2,675,900 N UTM NAD27 Zone 14N.
All geographic references in this Technical Report utilize UTM Zone 14N datum NAD27 unless otherwise stated.
| 4.2 | Land Tenure |
| 4.2.1 | Mineral Tenure |
The Orla QP has relied upon Orla’s legal counsel in Mexico, Mauricio Heiras Garibay, Esq., of Chihuahua, for a review of the concession titles and legal framework (Heiras 2017 to 2026)
All minerals’ rights in Mexico are the property of the government of Mexico and may be exploited by private entities under concessions granted by the Mexican federal government. The process was first defined under the Mexican Mining Law of 1992 and excludes petroleum and nuclear resources from consideration. The Mexican mining law also requires that non-Mexican entities must either establish a Mexican corporation, or partner with a Mexican entity.
Under the amendment of April 29, 2005, the General Directorate of Mines (Direccion General de Minas [DGM]) grants concessions for a period of 50 years, provided the concession is maintained in good standing. In the same amendment no distinction was made between mineral exploration and exploitation concessions. As part of the requirements to maintain a concession in good standing, bi-annual fees must be paid based upon a per-hectare escalating fee, work expenditures must be incurred in amounts determined based on concession size and age, and applicable environmental regulations must be respected.
The current Camino Rojo property consists of seven concessions covering, in aggregate, 138,639.75 hectares (ha). All concessions were originally staked and titled to Canplats de Mexico S.A. de C.V., whose legal name was subsequently changed to Camino Rojo S.A. de C.V. Camino Rojo S.A. de C.V. subsequently ceded all mining claims to Minera Peñasquito S.A. de C.V., who in turn sold the mining claims to MCR, as discussed in Section 4.2.1.1 of this Technical Report.
Concession information is summarized in Table 4-1, and the concessions are shown in Figure 4-2. The concessions are in good standing with respect to payment of mining taxes (January and July of each year) and filing of assessment reports, production reports and ownership of all seven concessions has been registered to MCR (Heiras 2020, 2021, 2022, 2023, 2024 and 2026).
In addition to the claims held directly, MCR has obtained the right to mine waste rock and to mine, and recover for Orla’s account, all oxide and transitional material amenable to heap leaching that is within that portion of the open pit extending onto an adjacent mineral concession, as discussed in Section 4.2.1.2 of this Technical Report.
| 4-1 | ![]() |
| Orla Mining Ltd. | Camino Rojo Project | March 18, 2026 |
| NI 43-101 Technical Report | SLR Project No.: 233.065118.00001 |
| Table 4-1: | Listing of Mining Concessions |
| Concession Name | File
Number (Expediente) |
Title Number |
Validity | Area (ha) | |
| Title
Issued Date |
Expiration Date | ||||
| Camino Rojo | 093/28336 | 230914 | 06/11/2007 | 05/11/2057 | 8,340.79 |
| Camino Rojo 1 | 093/28349 | 231922 | 16/05/2008 | 15/05/2058 | 88,897.33 |
| Camino Rojo 1 Frac. A | 093/28349 | 231923 | 16/05/2008 | 15/05/2058 | 96.89 |
| 2da. Reducción Camino Rojo 3 | 8/002-00319 | 247240 | 19/01/2024 | 02/06/2058 | 9,560.00 |
| Camino Rojo 2 | 093/28417 | 232076 | 10/06/2008 | 09/06/2058 | 17,847.44 |
| Camino Rojo 4 Reduc. F.1 | 093/28465 | 246859 | 18/12/2019 | 01/10/2058 | 96.00 |
| 3ra. Reducción Camino Rojo 5 | 8/002-00317 | 247272 | 21/06/2024 | 01/10/2058 | 13,797.31 |
| Total | 138,639.75 | ||||
| 4.2.1.1 | Orla Control of Mining Concessions via Acquisition from Minera Peñasquito S.A. de C.V. |
The claims are controlled by Orla by means of its ownership of MCR, which acquired the concessions from Newmont’s Mexican subsidiary, Minera Peñasquito S.A. de C.V. A summary of Orla’s and Newmont’s respective rights and obligations under the terms of the asset purchase agreement dated June 20, 2017 (Acquisition Agreement) between Orla and Goldcorp Inc. (a subsidiary of Newmont) is as follows:
Goldcorp, a subsidiary company to Newmont, was granted a 2% net smelter return (NSR) royalty on all metal production from the Project, except for metals produced under the sulphide joint venture option stipulated in the Acquisition Agreement. On October 27, 2021, the 2% NSR royalty that pertains to oxide material was sold to Maverix Metals Inc. (Maverix)
Orla is the operator of the Project and has full rights to explore, evaluate, and exploit the property.
In the event that a sulphide project is defined through a positive Pre-Feasibility Study outlining one of the development scenarios a) or b) contained herein, Newmont may, at its option, enter into a joint venture for the purpose of future exploration, advancement, construction, and exploitation of the sulphide project.
| · | Scenario a): A sulphide project where material from the Project is processed using the existing infrastructure of the Peñasquito Mine, Mill and Concentrator facilities. In such circumstances, the sulphide project would be operated by Newmont, who would earn a 70% interest in the sulphide project, with Orla owning 30%. |
| · | Scenario b): A standalone sulphide project with a mine plan containing at least 500 million tonnes (Mt) of Proven and Probable Mineral Reserves using standalone facilities not associated with Peñasquito. Under this scenario, the sulphide project would be operated by Newmont, who would earn a 60% interest in the sulphide project, with Orla owning 40%. |
Following exercise of its option, if Newmont elects to sell its portion of the sulphide project, in whole or in part, then Orla would retain a right of first refusal on the sale of the sulphide project.
| 4-2 | ![]() |
| Orla Mining Ltd. | Camino Rojo Project | March 18, 2026 |
| NI 43-101 Technical Report | SLR Project No.: 233.065118.00001 |
Carry forward of assessment work credits will be applied to the Camino Rojo property concessions, thus no expenditures are immediately required to meet assessment work requirements.
| 4.2.1.2 | Orla’s Access to a Portion of Fresnillo’s Mining Concessions |
On December 21, 2020, Orla announced that it had entered into an agreement with Fresnillo Plc and two of its Mexican subsidiary companies, granting Orla the right to expand the Camino Rojo oxide pit onto 21.8 ha of Fresnillo’s 782 ha “Guachichil D1” mineral concession, Title 245418, located immediately to the north of Orla’s property pursuant to a definitive layback agreement (the “Layback Agreement”). The Layback Agreement allows Orla access to oxide and transitional heap leachable Mineral Resources on Orla’s property below the open pit outlined in the June 2019 Technical Report (KCA 2019). In addition, the Layback Agreement grants Orla the right to mine from Fresnillo’s mineral concession and recover for Orla’s account, all oxide and transitional material amenable to heap leaching that are within an expanded open pit. Closing of the Layback Agreement was completed upon receipt of approval from the Mexican Federal Competition Commission (Comisión Federal de Competencia Económica [COFECE]) in February 2021.
The Layback Agreement is only with respect to the portion of the heap leach material included in the Mineral Reserve. Any potential development of the Camino Rojo property that includes material outside this agreement within the UG Resources included in the Mineral Resource estimate is dependent on entering into an additional agreement with Fresnillo (or any potential subsequent owner of the mineral titles).
| 4.2.2 | Surface Rights |
Surface rights in the Project area are owned by several Ejidos, which are federally defined agrarian communities. The land that includes the Mineral Resource at Camino Rojo is controlled by the San Tiburcio Ejido, comprised of 364 voting members who collectively control 37,154 ha. The legal ownership of surface rights verification and the information contained herein is derived from a summary report prepared by Orla’s legal counsel in Mexico, Mauricio Heiras Garibay, Esq. (Heiras 2026).
Areas for which MCR controls surface rights, illustrated in Figure 4-3, include both areas with and without mineral rights, with the latter being maintained for possible infrastructure purposes.
Exploration work at the Project has been carried out under the terms of surface access agreements negotiated with the Ejido San Tiburcio and executed on February 26, 2013, and October 31, 2018. Camino Rojo S.A. de C.V. (a Goldcorp subsidiary) executed agreements with the Ejido San Tiburcio that cover the Camino Rojo Mineral Resource. Camino Rojo S.A. de C.V. subsequently passed the rights and obligations of these agreements to Minera Peñasquito S.A. de C.V. (a Goldcorp subsidiary), who subsequently transferred the rights and obligations to MCR. The two agreements currently in effect with Ejido San Tiburcio are listed:
| · | Previous to Expropriation Occupation Agreement (COPE), executed on February 26, 2013, by and between Camino Rojo S.A. de C.V., in its position of “occupant”, and Ejido San Tiburcio, as the owner, with regards to a surface area of 2,497.30 ha. The rights and obligations of this agreement were passed to MCR, and the agreement stipulates that the Ejido San Tiburcio expressly and voluntarily accepts the expropriation of the Ejido San Tiburcio lands by MCR, in effect converting the Ejido San Tiburcio land to fee simple private land titled to MCR. In the event that the Federal agency responsible for the expropriation process, the Secretary of Agrarian Territorial and Urban Development (Secretario de Desarollo Agrario Territorial y Urbano), denies the petition to cede the Ejido San Tiburcio lands to MCR, the agreement automatically converts to a 30-year temporary occupation agreement. Payment in full was made at the date of signing and no further payments are due. This agreement is valid and expires in 2043 and covers the area of the Mineral Resource discussed in this Technical Report. |
| 4-3 | ![]() |
| Orla Mining Ltd. | Camino Rojo Project | March 18, 2026 |
| NI 43-101 Technical Report | SLR Project No.: 233.065118.00001 |
| · | Collaboration and Social Responsibility Agreement (CSRA), executed on February 26, 2013, by and between Camino Rojo S.A. de C.V., in its position of “collaborator”, and Ejido San Tiburcio, as “beneficiary”, with regards to certain social contributions to be provided in favour of this last CSRA. The rights and obligations of this agreement were passed to MCR, and the agreement stipulates that MCR will contribute annually to the Ejido San Tiburcio to be used to promote and execute diverse social and economic development programs to benefit the Ejido San Tiburcio. Additionally, at its discretion, MCR will provide support for adult education, career training, business development assistance, and cultural programs, and scholastic scholarships. The agreement expires when exploration or exploitation activities at the Project end. Annual payments are due on the 29th of June each year. MCR has made all required payments up to the date of this Technical Report, thus this agreement is valid and remains in effect until mine closure or project cancellation. |
MCR executed a surface rights agreement with Ejido San Francisco de los Quijano on July 22, 2021. None of the Mineral Resources of Mineral Reserves discussed in this Technical Report, nor proposed infrastructure, is located on Ejido San Francisco de los Quijano land. This Temporary Occupation Agreement (convention d’occupation temporaire [COT]) allows MCR to conduct exploration activities on 5,332 ha, as shown in Figure 4-3. The agreement expires on July 22, 2027. A payment is required to keep the agreement in good standing. MCR has made all required payments up to the date of this Technical Report.
MCR executed a surface rights agreement with Ejido la Pardita on October 24, 2022. None of the Mineral Resources or Mineral Reserves discussed in this Technical Report, nor proposed infrastructure, is located on Ejido La Pardita land. This COT allows MCR to conduct exploration activities on 4.205 ha, as shown in Figure 4-3. The agreement expires on October 8, 2027. A payment is required to keep the agreement in good standing. MCR has made all required payments up to the date of this Technical Report.
MCR executed a surface rights agreement with Ejido El Berrendo on March 4, 2024. None of the Mineral Resources or Mineral Reserves discussed in this Technical Report, nor proposed infrastructure, is located on Ejido El Berrendo land. This COT allows MCR to conduct exploration activities on 2,631 ha, as shown in Figure 4-3. The agreement expires on August 8, 2026. A payment is required to keep the agreement in good standing. MCR has made all required payments up to the date of this Technical Report.
Fresnillo controls surface rights needed for exploration and mining on the “Guachichil D1” mining concession. Pursuant to the Layback Agreement, a portion of surface rights controlled by Fresnillo were ceded by MCR on December 18, 2022, to mine on a portion of the “Guachichil D1” mining concession that covers the area outside of the Orla concession required for the Project as defined in this Technical Report.
| 4-4 | ![]() |
| Orla Mining Ltd. | Camino Rojo Project | March 18, 2026 |
| NI 43-101 Technical Report | SLR Project No.: 233.065118.00001 |
| Figure 4-1: | Location Map |

| 4-5 | ![]() |
| Orla Mining Ltd. | Camino Rojo Project | March 18, 2026 |
| NI 43-101 Technical Report | SLR Project No.: 233.065118.00001 |
| Figure 4-2: | Property Map |
| 4-6 | ![]() |
| Orla Mining Ltd. | Camino Rojo Project | March 18, 2026 |
| NI 43-101 Technical Report | SLR Project No.: 233.065118.00001 |
| Figure 4-3: | Surface Rights in Project Area |

| 4-7 | ![]() |
| Orla Mining Ltd. | Camino Rojo Project | March 18, 2026 |
| NI 43-101 Technical Report | SLR Project No.: 233.065118.00001 |
| 4.3 | Environmental Encumbrances |
The Orla QP is not aware of any environmental liabilities on the property. Prior to Orla’s development of the Project, the property did not contain active or historical mines or prospects, and there were no pre-existing plant facilities nor tailings piles present within the Project area. All exploration work has been carried out by prior operators in accordance with Mexican environmental standards.
| 4.4 | Permitting |
The existing mine has the environmental permits to explore and operate, and it is in the process of obtaining additional approvals for mining of the open pit layback, east-west pit expansion and transition to underground mining, including the associated changes in the land use to accommodate the additional areas related to this transition. Section 20.3 provides additional details on permitting requirements and status.
| 4.5 | Access, Title, Permit, and Security Risks |
| 4.5.1 | Access Risks |
The Project has had a productive relationship with the surface owners, and in the QP’s opinion, no extraordinary risks to Project access have been identified. A valid surface access agreement allows Orla, through its Mexican subsidiary MCR, to explore and develop the Project. Additionally, the Layback Agreement received COFECE approval in February 2021, and the surface access rights were ceded in December 2022.
| 4.5.2 | Title Risks |
Prior operators and MCR have met legal requirements to maintain the mining concession titles in good standing. Conditional upon continued compliance with annual requirements, no risks to the validity of title have been identified.
| 4.5.3 | Environmental Permitting Risks |
MCR has been compliant with Mexican environmental regulations, and conditional upon continued compliance, permits for normal exploration and exploitation activities are expected to be attainable.
| 4.5.4 | Security Risks |
The mine operates in a region impacted by criminal activity, including by members of criminal cartels and directed against other members of criminal cartels. The Company regularly reassesses its security exposure and is committed to ensuring safety at the mine.
| 4.6 | Royalties |
Under the terms of the Acquisition Agreement, Newmont acquired a 2% (two percent) NSR royalty on all metal production from the Project, except for metals produced under a sulphide joint venture option as stipulated in the Acquisition Agreement. On October 27, 2021, the 2% NSR royalty was sold to Maverix Metals Inc. (which was subsequently acquired and is wholly-owned by Triple Flag Precious Metals Corp).
A 1% royalty is payable to the Mexican government as an Extraordinary Mining Duty, mandated by Federal Law, and applies to precious metal production from all mining concessions, regardless of owner or other royalty encumbrances. This royalty was increased to 1% from 0.5% and is in effect starting in 2025.21.3
| 4-8 | ![]() |
| Orla Mining Ltd. | Camino Rojo Project | March 18, 2026 |
| NI 43-101 Technical Report | SLR Project No.: 233.065118.00001 |
| 5.0 | Accessibility, Climate, Local Resources, Infrastructure and Physiography |
| 5.1 | Accessibility |
The Project is located in the Municipality of Mazapil, State of Zacatecas, Mexico, situated along a wide, flat valley near the village of San Tiburcio on Mexican Highway 54, a well-maintained, paved highway providing southbound access to the major city of Zacatecas in Zacatecas State, a distance of 203 km, as well as northbound towards Monterrey in Nuevo Leon, a distance of 261 km (Figure 5-1). Both cities have airports with regularly scheduled flights south to Mexico City or north to the USA. The Project is located 48 km south-southwest of the town of Concepción del Oro, which is the nearest population center with basic services, and 54 km south-southeast of Newmont’s Peñasquito Mine.
Highways 54 and 62 transect the property There are also numerous gravel roads within the property linking the surrounding countryside with the two highways. There are very few locations within the property that are not readily accessible by four-wheel drive vehicle.
| 5.2 | Climate |
The climate is typical of the high-altitude Mesa Central, dry and semi-arid. Annual precipitation for the area is approximately 337 mm, mostly during the rainy season in July, August, and September. Temperatures commonly range from +30° to 12°C in the summer and 24° to -6°C in the winter. Exploration and production activities can be conducted year-round.
| 5.3 | Local Resources and Infrastructure |
There is a good network of road and rail services in the region. Road access to most of the property is possible via numerous gravel roads from both Highways 54 and 62. In addition, there is a railway approximately 40 km east of San Tiburcio that crosses both highways (Figure 5-1). There is a high voltage powerline transecting the property near San Tiburcio. A new 34.5 kV powerline was completed in March 2021; it has a capacity of 10 MW and connects the Project to the national electric grid at Concepción del Oro.
The Project site is generally flat with adequate space for development of mining and processing facilities. Surface rights over the area required for Project infrastructure development, including access from the adjoining highway, and most of the open pit are subject to a Previous to Expropriation Occupation Agreement (COPE), as described in Section 4.2.2. Surface rights for the part of the pit that is on the Fresnillo mineral concession are subject to the Layback Agreement.
Prior operators purchased ground water from owners of local wells and trucked the water to site for drilling needs. On February 24, 2015, Camino Rojo SA de CV acquired groundwater rights totaling 9,695,900 m3 per annum for industrial and services uses. These water rights were subsequently transferred to Minera Peñasquito SA de CV and then assigned to MCR. The water rights acquired by MCR grant permission to construct and extract water from up to 26 wells in the Project area. Currently, MCR has four wells in production for water extraction and another well undergoing permitting review.
Most exploration and operating supplies may be purchased in the nearby historical mining cities of Zacatecas, Fresnillo, and Saltillo. Experienced mining personnel are available locally and from the nearby mining towns of Concepción del Oro and Mazapil.
Potential waste disposal areas, heap leach pad areas, process plant sites and infrastructure facilities are discussed in Sections 16.5, 17.1, and 18.0 of this Technical Report.
| 5-1 | ![]() |
| Orla Mining Ltd. | Camino Rojo Project | March 18, 2026 |
| NI 43-101 Technical Report | SLR Project No.: 233.065118.00001 |
| Figure 5-1: | Regional Infrastructure |

| 5-2 | ![]() |
| Orla Mining Ltd. | Camino Rojo Project | March 18, 2026 |
| NI 43-101 Technical Report | SLR Project No.: 233.065118.00001 |
| 5.4 | Physiography |
The broad valley around San Tiburcio is bounded to the north by the low rolling hills of Sierra La Arracada and Sierra El Barros, to the east by Sierra La Cucaracha, and to the south by the Sierra Los Colgados. The terrain is generally flat. Bedrock exposures are rare, limited to road cuts, borrow pits or creek beds. The elevations within the property range from approximately 1,850 MASL to 2,460 MASL, and relief is low.
The vegetation is dominated by the scrub bushes creosote bush and tar bush, with lesser cacti, maguey, sage and coarse grasses with rare yucca (Figure 5-2). The natural vegetation is used to locally graze domestic livestock, principally goats. Wild fauna is not abundant, but several varieties of birds, rabbits, coyote, lizards, and snakes inhabit the area.
| Figure 5-2: | View of Typical Topography and Vegetation at Camino Rojo |

| 5-3 | ![]() |
| Orla Mining Ltd. | Camino Rojo Project | March 18, 2026 |
| NI 43-101 Technical Report | SLR Project No.: 233.065118.00001 |
| 6.0 | History |
| 6.1 | Prior Ownership |
Orla’s mining concessions comprising the Camino Rojo property were originally staked to the benefit of Canplats de Mexico, S.A. de C.V., a subsidiary of Canplats Resources Corporation (Canplats), in 2007. In 2010, Goldcorp Inc. (Goldcorp) acquired 100% of the concession rights held by Canplats through its subsidiary Minera Peñasquito SA de CV. Orla’s subsidiary, MCR, acquired the Project from Goldcorp in 2017.
| 6.2 | Exploration and Development History |
The Camino Rojo gold-silver-lead-zinc deposit was discovered in mid-2007, approximately 45 km south-southwest of Concepción del Oro, and was originally entirely concealed beneath post-mineral cover in a broad, low relief alluvial valley adjacent to the western flank of the Sierra Madre Oriental. Mineralized road ballast, placed on a dirt road near San Tiburcio, Zacatecas, was traced to its source by geologists Perry Durning and Bud Hillemeyer from La Cuesta International, working under contract to Canplats. A shallow pit excavated through a thin veneer of alluvium, located adjacent to a stock pond (Represa), was the discovery exposure of the deposit. Following a rapid program of surface pitting and trenching for geochemical samples, Canplats Resources began concurrent programs of surface geophysics (resistivity and induced polarization) and RC drilling in late 2007, which continued into 2008.
The initial drilling was focused on a 450 m by 600 m gold in rock geochemical anomaly named the Represa zone. Diamond drilling began in 2008. The geophysical survey defined two principal areas of high chargeability: one centred on the Represa zone and another one kilometre to the west named the Don Julio zone. Drilling demonstrated that the Represa and Don Julio zones are part of the same mineralized zone, which crops out at Represa and plunges to the west. The elevated chargeability zones were interpreted as large volumes of sulphide mineralized rocks. Drilling by Canplats, and later drilling by Goldcorp, confirmed the presence of extensive sulphide mineralization at depth in the Represa zone, and much lower quantities of sulphide minerals at Don Julio.
By August of 2008, Canplats drilled a total of 92 reverse circulation (RC) and 30 DD holes, for a total of 23,988 m and 16,044 m, respectively, mainly focused in the Represa zone. The surface access and permission to continue drilling were cancelled in early August 2008, by the San Tiburcio Ejido, Zacatecas. Nevertheless, in November 2008, Canplats published an independent Mineral Resource estimate for the Represa zone.
In October 2009 Canplats publicly released a Preliminary Economic Assessment (PEA) of the Project (Blanchflower 2009), which has been superseded by later work and technical studies, is no longer current, and, accordingly, should not be relied upon.
Canplats was acquired by Goldcorp in early 2010. Validation, infill, condemnation, and expansion drilling began in January 2011. By the end of 2015, a total of 279,788 m of new core drilling in 415 drill holes and 20,569 m of new RC drilling in 96 drill holes was completed in the Represa and Don Julio zones and their immediate surroundings. An additional 31,286 m of shallow rotary air blast (RAB)-style, RC drilling in 306 drill holes was completed, with most of the RAB drilling testing other exploration targets within the concession. Airborne gravity, magnetic and transient electromagnetic (TEM) surveys were also carried out, the results of which are in the archives of MCR.
| 6-1 | ![]() |
| Orla Mining Ltd. | Camino Rojo Project | March 18, 2026 |
| NI 43-101 Technical Report | SLR Project No.: 233.065118.00001 |
As of the end of 2015 a total of 295,832 m in 445 DDH, 44,557 m in 188 RC drill holes, and 31,286 m of RAB drilling had been completed.
There were no exploration or drilling activities carried out from the end of 2015 up to and including October 2017, when the project was acquired by Orla through its subsidiary, MCR.
Locations of historical drill holes and the Project claim boundaries are summarized in Figure 6-1.
Canplats, Goldcorp, and Orla conducted metallurgical tests which are discussed in Section 13.1 of this Technical Report.
| 6-2 | ![]() |
| Orla Mining Ltd. | Camino Rojo Project | March 18, 2026 |
| NI 43-101 Technical Report | SLR Project No.: 233.065118.00001 |
| Figure 6-1: | Historical Drill Hole Locations and Project Claim Boundaries |

| 6-3 | ![]() |
| Orla Mining Ltd. | Camino Rojo Project | March 18, 2026 |
| NI 43-101 Technical Report | SLR Project No.: 233.065118.00001 |
| 6.3 | Historical Resource Estimates |
| 6.3.1 | Canplats |
Minorex Consulting Ltd. prepared a Mineral Resource estimate for Canplats in 2009 (Blanchflower 2009) that was publicly disclosed in a Technical Report prepared in accordance with the disclosure standards of NI 43-101. Since the effective date of the 2009 Mineral Resource estimate, significant additional drill hole data has become available, rendering the 2009 estimate obsolete. The 2009 resource estimate is historical in nature, has not been verified by the authors and should not be relied upon. Orla is not treating the historical estimate as a current estimate.
| 6.3.2 | Goldcorp |
Goldcorp publicly disclosed Mineral Reserve and Mineral Resources on Camino Rojo with an effective date of June 30, 2016 (Goldcorp 2017); this Mineral Resource and Mineral Reserve estimate is no longer current. The key assumptions, parameters, and methods used by Goldcorp to prepare the historical estimate are unknown. The 2016 reserve and resource estimates are historical in nature, have not been verified by the QP, and should not be relied upon. Orla is not treating these historical estimates as current estimates.
| 6.4 | Past Production |
The Camino Rojo open pit, heap leach operation achieved its first gold pour in December 2021 and began commercial production in April 2022. As of September 30, 2025, the mine has produced 447,820 oz of gold.
| 6-4 | ![]() |
| Orla Mining Ltd. | Camino Rojo Project | March 18, 2026 |
| NI 43-101 Technical Report | SLR Project No.: 233.065118.00001 |
| 7.0 | Geological Setting and Mineralization |
| 7.1 | Sources of Information |
The following geological discussion is derived from a variety of peer-reviewed professional papers focused on the regional geology as set out in section 27 hereto (Mitre-Salazar 1989; Centeno-Gracia 2005; Aranda-Gomez 2006; Nieto-Samaniego 2007; Loza-Aguirre 2008; Tristán-González 2009; Barboza-Gudiño 2010; Weiss 2010; Ortega-Flores 2015; Cruz-Gámez 2017), a Master’s of Science thesis from the University of Nevada-Reno that details the deposit geology (Sanchez 2017), geologic maps published by the Servicio Geologico Mexicano, field and diamond drill core observations by Dr. Matthew Gray (Gray 2016 and 2018) and Dr. Anthony Longo (Longo 2017; Longo and Edwards 2017), and regional stratigraphy from previously published Technical Reports (Blanchflower 2009).
| 7.2 | Regional Geology |
The Camino Rojo deposit is located beneath a broad pediment of predominantly Tertiary and Quaternary alluvium and sedimentary rocks (Figure 7-1a and Figure 7-1b) along the boundary between the Mesa Central physiographic province and the Sierra Madre Oriental fold and thrust belt near the pre-Laramide continental-margin. The oldest rocks are Triassic metamorphic continental rocks overlain by Early to Middle Jurassic red beds. Upper Jurassic to Upper Cretaceous marine facies rocks overlie the red beds at a disconformity and comprise a package of shelf carbonate rocks comprising the Zuloaga to Cuesta del Cura Formations and the basin-filling flysch sediments of the Indidura and Caracol Formations (Nieto-Samaniego 2007, Ortega-Flores 2015). The deposit lies within the southern extent of the northwest striking San Tiburcio fault zone (Weiss 2010).
A Permo-Triassic tectono-volcanic arc in the eastern Sierra Madre Oriental represents the first Pacific-directed subduction and tectonism in Central Mexico (Centeno-Gracia 2005). Erosion of the eastern Triassic highlands shed siliciclastic material westward and turbidites off the continental shelf into the Triassic basin plains. These marine clastic rocks, the Triassic Zacatecas and El Alamar Formations (Cruz-Gámez 2017) were subsequently metamorphosed to phyllites and schists (Nieto-Samaniego 2007) then eroded before continental siliciclastic rocks or red beds were deposited atop an angular unconformity in the Early Jurassic (Nazas Formation and later La Joya Formation) (Barboza-Gudiño 2010). A disconformity atop Lower Jurassic continental rocks preceded deposition of marine carbonate rocks belonging to the Zuloaga and La Caja Formations in the Late Jurassic. Following a cessation of volcanism, arc magmatism flared up in the west along the Guerrero arc and continued through the Late Cretaceous. Deposition of the shelf carbonate rocks progressed into the Early Cretaceous with the Taraises, Cupido, La Peña and Cuesta del Cura Formations. Upper Cretaceous flysch sediments of the Caracol Formation were derived from the erosion of the western Guerrero arc and were deposited in the back-arc basin atop the carbonate rocks. The Mesozoic marine sediments were deformed during the Laramide orogeny from the Late Cretaceous to the Paleocene forming the Sierra Madre Oriental fold and thrust belt (Nieto-Samaniego 2007).
By the late Paleocene, northeast of the Mesa Central, a flexural bend in the fold and thrust belt deflected the Mesozoic strata into a series of west- and northwest-trending fold axes and faults (Tristán-González 2009). South of the westward deflection, the fold belt strikes south to southeast. By early Eocene, the initial pulse of extensional tectonics produced north-northeast (NNE) to north-northwest (NNW) normal and strike-slip faults that bound mountain ranges (Matehuala fault zone) and deformed the southeast-trending fold belt along the eastern boundary of Mesa Central (Loza-Aguirre 2008). By the middle Eocene, ranges in the fold and thrust belt were displaced and truncated by northwest-striking high angle faults that translated through the Mesa Central and feature both normal and strike-slip displacement (Nieto-Samaniego 2007; Tristán-González 2009). Subsequent pulses of extension occurred from the early Oligocene to the Miocene and the Pliocene to the Quaternary that reactivated existing faults in conjunction with basaltic fissure volcanism and isolated monogenetic basaltic cinder cones (Aranda-Gomez 2006).
| 7-1 | ![]() |
| Orla Mining Ltd. | Camino Rojo Project | March 18, 2026 |
| NI 43-101 Technical Report | SLR Project No.: 233.065118.00001 |
The northwest faults include two major fault systems that localized middle Eocene to Oligocene magmatic activity and define the southern and northern boundaries of Mesa Central. The southern fault zone known as the San Luis-Tepehuanes fault system separates the Sierra Madre Occidental from Mesa Central and localizes numerous mineral deposits (Nieto-Samaniego 2007, Loza-Aguirre 2008). The northern fault zone known as the San Tiburcio lineament and fault zone extends for more than 185 km and features both left-lateral strike-slip and normal displacement (Mitre-Salazar 1989). The fault truncates west-trending anticlinal axes in the flexural bend of the Sierra Madre Oriental and may crosscut the NNE-trending Matehuala fault zone that bounds the eastern Mesa Central. Anticlinal fold axes and faults parallel the San Tiburcio fault zone, and granitic intrusive rocks and dacitic to andesitic dikes are localized along portions of its extensive strike length.
Mineralization styles in the region include polymetallic and copper-gold skarn and limestone manto (replacement) silver-lead-zinc sulphide ores. The nearest significant producing mines or past producers are Newmont’s Peñasquito mine, located 53 km north-northwest of Camino Rojo, and various mines of the Concepción del Oro district, 47 km north-northeast of Camino Rojo. The Peñasquito mine exploits gold-silver-lead-zinc mineralization hosted in igneous diatreme-breccias and the surrounding Caracol Formation. Peñasquito mineralization gives way at depth to copper-gold sulphide breccias in garnet skarn, within limestone beneath the Caracol Formation (Rocha-Rocha 2016). In the Concepción del Oro district polymetallic and copper-gold skarn deposits and limestone-hosted manto (replacement) silver-lead-zinc sulphide deposits adjacent to Late Eocene igneous intrusions were mined (Buseck 1966). Although there are similarities in mineralization styles and metal assemblages between Camino Rojo and these other regional deposits, they are not necessarily indicative of the current or any potential mineralization within the Camino Rojo property.
| 7-2 | ![]() |
| Orla Mining Ltd. | Camino Rojo Project | March 18, 2026 |
| NI 43-101 Technical Report | SLR Project No.: 233.065118.00001 |
| Figure 7-1a: | Regional Geology |

| 7-3 | ![]() |
| Orla Mining Ltd. | Camino Rojo Project | March 18, 2026 |
| NI 43-101 Technical Report | SLR Project No.: 233.065118.00001 |
| Figure 7-1b: | Regional Geology |

| 7-4 | ![]() |
| Orla Mining Ltd. | Camino Rojo Project | March 18, 2026 |
| NI 43-101 Technical Report | SLR Project No.: 233.065118.00001 |
| 7.3 | Property Geology |
The Camino Rojo property geology is dominated by siliciclastic and carbonate Cretaceous sedimentary units which are intruded by northeast-southwest and east west striking mafic to intermediate dikes (Figure 7-2). The property-scale map pattern is dominated by northeast vergent folds, commonly cored by limestones of the Cupido Formation. Northeast directed shortening is pre- to post-tectonic with respect to intrusion of dikes and formation of ore-stage polymetallic veins and mantos. Cenozoic extension resulted in the formation of horsts and grabens at Camino Rojo. Grabens are infilled with up to 200 m of rhyolitic tuffs and basalts.
| 7-5 | ![]() |
| Orla Mining Ltd. | Camino Rojo Project | March 18, 2026 |
| NI 43-101 Technical Report | SLR Project No.: 233.065118.00001 |
| Figure 7-2: | Peñasquito District and Camino Rojo Stratigraphic Column |

| 7-6 | ![]() |
| Orla Mining Ltd. | Camino Rojo Project | March 18, 2026 |
| NI 43-101 Technical Report | SLR Project No.: 233.065118.00001 |
| 7.3.1 | Rock Types |
The Late Cretaceous Caracol Formation is the primary host of the Camino Rojo Oxides and Camino Rojo Sulphides mineralized zones. Recent drilling has extended gold-silver-zinc mineralization through the entire sedimentary sequence that has been drill tested to date. Drilling within the carbonate stratigraphy beneath the Caracol Formation has identified Au-Ag-Zn-(Pb)-(Cu) mineralization associated with massive sulphide replacement (mantos) and skarn-style alteration. The mineralization that extends beneath the Caracol Formation is referred to as Zone 22. The local geology is summarized in Figure 7-3. The deposit stratigraphy, known from current diamond drilling, is discussed in the paragraphs below (oldest to youngest).
| 7-7 | ![]() |
| Orla Mining Ltd. | Camino Rojo Project | March 18, 2026 |
| NI 43-101 Technical Report | SLR Project No.: 233.065118.00001 |
| Figure 7-3: | Local Geology, Camino Rojo Deposit |

| 7-8 | ![]() |
| Orla Mining Ltd. | Camino Rojo Project | March 18, 2026 |
| NI 43-101 Technical Report | SLR Project No.: 233.065118.00001 |
| 7.3.1.1 | Cupido Formation |
The Early Cretaceous Cupido Formation is characterized by light and dark gray medium to thick bands of fine-grained limestones with interbedded silty layers. At the property scale, the Cupido Formation commonly occurs as the core of anticlines. Below the Camino Rojo deposit, diamond drilling indicates the formation is at least 300 m thick. The upper contact with La Peña formation is transitional, with increasing chert content and the appearance of black chert nodules and disseminated epigenetic pyrite.
| Figure 7-4: | Cupido Formation Mineralization |
a) Unaltered
CRSX24-43A_1537.45m, massive limestone, light recrystallized horizons, chlorite in fractures and presence of hornfels. | |
| b) Altered | |
CRSX24-40_1405.30 m pervasive strong silicification and skarn alteration: garnet + pyroxene + wollastonite. |
CRSX24-45A_1373.95m skarn alteration: garnets > wollastonite, oxidation in fractures, and weak chlorite in fractures |
CRSX24-45A_1378.20m, skarn alteration: garnet + pyroxene + wollastonite |
|
c) Mineralized
CRSX24-36C_1447m massive sulphide manto: pyrite-sphalerite-chalcopyrite | |
| 7-9 | ![]() |
| Orla Mining Ltd. | Camino Rojo Project | March 18, 2026 |
| NI 43-101 Technical Report | SLR Project No.: 233.065118.00001 |
| 7.3.1.2 | La Peña Formation |
The mid-Early Cretaceous La Peña Formation is characterized by gray limestones interbedded with calcareous siltstone, shale, and chert. Bedding ranges from medium-bedded at the bottom to thin-bedded at the top of the formation. Typical thickness across the property is less than 100 m. The upper contact with the Cuesta del Cura Formation is gradational, with decreasing chert bands.
| Figure 7-5: | La Peña Formation |
| a) Unaltered | b) Altered |
![]() |
|
| CRSX24-45A_1269.10m massive limestone with local strongly marbled layers | CRSX24-36A_1245.35m pervasive strong skarn alteration: garnet + wollastonite > pyroxene; strong silicification and chloritization. |
c) Mineralized | |
| CRSX24-25F_1135.85m semi-massive sulphide manto: arsenopyrite-pyrite > pyrrhotite | CRSX24-37_1275.20m massive sulphide manto: pyrite-pyrhotite-chalcopyrite |
| 7.3.1.3 | Cuesta del Cura Formation |
The mid Cretaceous Cuesta del Cura Formation features thin- to medium-bedded grey limestone with wavy laminations and locally discontinuous layers of black shale and chert. Thicknesses in excess of 280 m are reported for the Cuesta del Cura Formation regionally; drilling at Camino Rojo deposit indicates a thickness of approximately 125 m. Contact with the overlying Indidura Formation is gradational, marked by thinning of limestone and chert beds.
| 7-10 | ![]() |
| Orla Mining Ltd. | Camino Rojo Project | March 18, 2026 |
| NI 43-101 Technical Report | SLR Project No.: 233.065118.00001 |
| Figure 7-6: | Cuesta del Cura Formation |
a) Unaltered
CRSX24-36A_990.05m granular limestone with laminar horizons | |
b) Altered
CRSX24-25G_1086.05m pervasive strong skarn alteration: garnet + pyroxene; weak argillization
CRSX24-25G_1090.00m pervasive strong skarn alteration: garnet + pyroxene; weak argillization | |
| c) Mineralized | |
CRSX24-36D_1015.62m massive sulphide manto: pyrite-sphalerite-galena-arsenopyrite |
CRSX24-38A_971.40m massive sulphide manto: quartz-pyrite-sphalerite-chalcopyrite-calcite, with white clays. |
CRSX23-22C_1045.85m massive sulphide manto: pyrite-arsenopyrite-pyrrhotite-sphalerite-galena-chalcopyrite | |
| 7-11 | ![]() |
| Orla Mining Ltd. | Camino Rojo Project | March 18, 2026 |
| NI 43-101 Technical Report | SLR Project No.: 233.065118.00001 |
| 7.3.1.4 | Indidura Formation |
The Late Cretaceous Indidura Formation is characterized by thin-bedded calcareous shale, grey shaley limestone and siltstone. Across the Camino Rojo property, estimated thicknesses range from 100 m to 220 m, with a thickness of approximately 200 m. The contact with the overlying Caracol Formation is gradational, with the upper contact of the Indidura Formation located at the bottom of the last occurrence of sandstone.
| Figure 7-7: | Indidura Formation |
| a) Unaltered | |
CRSX24-41_790m calcareous shale | |
| b) Altered | |
CRSX24-31A_850.15m potassic alteration |
CRSX24-31A_837.40m potassic alteration: moderate bleaching, with weak calc-silicate alteration. |
| c) Mineralized | |
CRSX24-25E_769.80m arsenopyrite-sphalerite-pyrite vein crosscut by late calcite vein in potassic altered host rock | |
| 7.3.1.5 | Caracol Formation |
The mid-Late Cretaceous Caracol Formation is 600 m to 800 m thick, and consists of thinly interlayered carbonaceous and calcareous siltstones, silty mudstones, and fine-grained calcareous sandstone. Sandstone layers typically display cross-laminations. At Camino Rojo this sequence hosts most of the currently defined polymetallic mineralization. Similarly, at the Peñasquito deposit, the bulk of diatreme breccia-, manto-, stockwork- and vein-mineralization is hosted in the Caracol Formation (Rocha & Rocha 2016).
| 7-12 | ![]() |
| Orla Mining Ltd. | Camino Rojo Project | March 18, 2026 |
| NI 43-101 Technical Report | SLR Project No.: 233.065118.00001 |
| Figure 7-8: | Caracol Formation |
a) Unaltered
CRSX23-17_145.70m alternating sandstone, siltstone and mudstone layers |
b) Oxidized
CROX23-03_7.00m orange oxidation with whitening from potassic alteration and boxwork/stockwork texture |
c) Altered
CRSX21-03A_647.00m potassic alteration | |
c) Mineralized
CRSX20-1A_465.20m cross-cutting arsenopyrite-sphalerite-pyrite veins in incipient potassic altered host rock
CRSX20-01A_481.80m cross-cutting sphalerite-arsenopyrite-pyrite veins in incipient potassic altered host rock
CRSX21-04A; 691.60 m cross-cutting arsenopyrite-quartz-pyrite vein in potassic altered host rock | |
| 7-13 | ![]() |
| Orla Mining Ltd. | Camino Rojo Project | March 18, 2026 |
| NI 43-101 Technical Report | SLR Project No.: 233.065118.00001 |
| 7.3.1.6 | Intrusive Rock Types |
Hornblende-biotite quartz-monzodiorite porphyry, fine-grained hornblende-plagioclase porphyry, and plagioclase-biotite porphyry are the dominant intrusive rock types identified on the Camino Rojo property (Figure 7-9). Zircon dating from the dikes give a crystallization age of 73.7 (±4.28) Ma (Sanchez, 2017). The dikes are black to dark grey in outcrop, occurring as vertical dikes striking northeast-southwest or east-west. Country rocks are typically weakly hornfelsed within 1-2 m of the contact and may be locally brecciated; dike contacts typically have centimetre-scale chill margins. Dikes may be locally chloritized and/or sericitized. Crosscutting relationships constrain these intermediate dikes to late Cretaceous or younger.
Mapping by the Servicio Geológico Mexicano (2014) identified porphyritic syenite approximately 12 km northwest of Camino Rojo. The syenite is weakly chloritized and sericitized and the contact with calcareous country rock is argillized and silicified.
| Figure 7-9: | Hornblende-Biotite Quartz-Monzodiorite Porphyry |
A)
CRSX24-45A_1335.20m local potassic alteration and silicification, hornblende crystals>pyroxenes>biotite, presence of pyrite-chalcopyrite in fractures |
B)
CRSX21-04A_747.2-747.4m potassic alteration and disseminated low-grade auriferous pyrite mineralization overprinted by Au-Zn-Ag-Pb sulphide veins. |
| 7.3.1.7 | Post-mineral Cover |
Isolated outcrops of basalt unconformably overly the Cretaceous sedimentary sequence across the Camion Rojo property. The basalts are black to dark grey when fresh, weathering to light to dark reddish ochre. Flows range from massive to flow banded with a maximum thickness of up to 80 m. The basalts may be vesicular or amygdaloidal and locally contain plagioclase and olivine phenocrysts. Basalt flows occur as northwest-southeast trending bodies, inferred to be structurally controlled by grabens associated with Miocene extension.
Miocene or younger polymictic conglomerates and Quaternary polymictic gravel-conglomerate unconformably overly the basalts and Cretaceous sedimentary sequence. These conglomerates may exceed 200 m thickness when infilling Miocene grabens.
| 7.3.2 | Alteration |
Sedimentary bedrock across the Camino Rojo property is typically unaltered to weakly altered. The Caracol Formation may exhibit weak sericite, albite, or chlorite; dendritic manganese is common on bedding planes. Within carbonate formations, recrystallization and the formation of black stylolites are the most common types of alteration. Carbonate units may be crosscut by hydrothermal breccias with a calcite matrix, commonly with limonite, goethite, or hematite staining.
Within the Camino Rojo Deposit, contact metamorphism is associated with the intrusion of dioritic dikes. Within the Sulphides Zone, hornfels alteration is characterized by recrystallization and hardening of siliciclastic layers. Within Zone 22, limestones have been converted to white and gray marbles.
| 7-14 | ![]() |
| Orla Mining Ltd. | Camino Rojo Project | March 18, 2026 |
| NI 43-101 Technical Report | SLR Project No.: 233.065118.00001 |
Within the Sulphides Zone, pervasive potassic (adularia) alteration accompanied by decarbonization and formation of pervasive disseminated fine-grained pyrite (Longo 2017; Longo and Edwards 2017; Sanchez 2017) may have been contemporaneous with contact metamorphism. Martinez-Esparza (2020) dated hydrothermal potassic feldspar from the sulphides using Ar40/Ar39 methods, returning ages of 68.31 ± 0.19 Ma and 70.3 ± 0.10 Ma, indicating pervasive hydrothermal alteration is within error of the crystallization age of zircons collected from dioritic dikes.
Within the sulphides, potassic alteration is divided into pervasive (Kp; ≥ 4 wt% K) and incipient (Ki; <4 wt% K) domains. Visually, the Kp is characterized by bleaching of sandstone to mudstone graded beds, resulting in a distinctive tan to white colour. The Ki domain is characterized by black and dark grey graded beds with pervasive weak illite-sericite alteration. Strong potassic alteration within the Ki, only identifiable through geochemical data, is restricted to fractures and bedding. Illite-sericite has been identified as part of the background alteration surrounding the Kp/Ki domains.
The Kp domain is enriched in potassium and depleted in calcium and sodium relative to the Ki domain and unaltered Caracol formation. In addition to potassium, metasomatic fluids are interpreted to have mobilized organic carbon. Within the core of the Kp alteration domain, organic carbon values are typically low (<0.1 wt%), increasing towards the Kp-Ki contact. Within the Ki and unaltered Caracol, organic carbon values are typically greater than 0.2 wt%.
Within Zone 22, intrusion of dioritic dikes likely resulted in the alteration of the carbonate units via contact metamorphism of limestone to marble. Recrystallization of limestones extends up to 150 m on either side of the main dike, and up to 200 m in areas that may be influenced by secondary structures. Prograde skarn alteration may have begun at this time and continued through or was renewed during subsequent metasomatic and mineralizing events. Prograde skarn alteration, consisting of wollastonite - garnet - sericite - pyrite, has completely overprinted any early contact metamorphism of the limestones. Prograde skarn alteration may be equivalent to early potassic alteration in the overlying Caracol Formation. Prograde skarn alteration likely contributed to advancing the marble front to the current extent. The skarn front extends up to 100 m on either side of the dike zone, with stronger development in the footwall of the dike. Within the skarn envelope, marbles are typically coarse-grained with buff or tan coloured calc-silicates, transitioning from white to grey with distance from the dike zone. Beyond the marble front, limestones are cut by calcite veins and stylolites. Retrograde skarn, consisting of epidote – chlorite ± amphibole ± quartz, commonly with quartz filled vugs, overprints prograde skarn alteration.
| 7.3.3 | Mineralization and Structure |
The Camino Rojo property is in the eastern part of the Mexican Fold and Thrust Belt (MFTB). Bedrock mapping across the property has identified northeast vergent folds with moderate southwest dipping axial planes and gentle northwest-southeast plunging fold axes. Open pit mapping at Camino Rojo has identified folding within the Caracol Formation characterized by northeast vergent similar folds with thickening of mudstone layers in fold hinges. Sandstone layers tend to form similar folds with extensional features (e.g., fractures and tension gashes) on the outside of fold hinges. Short limbs are commonly steeply dipping or overturned and may be sheared out, commonly with centimetre-thick clay matrix cataclasite. Reverse faults with southwest side up sense of movement have also been identified within the open pit. Property-scale reverse faults have not been identified.
| 7-15 | ![]() |
| Orla Mining Ltd. | Camino Rojo Project | March 18, 2026 |
| NI 43-101 Technical Report | SLR Project No.: 233.065118.00001 |
The San Tiburcio Lineament (STL) is a major regional fault corridor that can be traced over a strike length of approximately 300 km. The STL is northwest-southeast striking and is interpreted as being the result of a sinistral ductile shear, the age and tectonic history of which is debated. Two possible interpretations include: (1) the STL is the result of reactivation of the Mojave-Sonora megashear during the Laramide orogeny (Mitre 1989) and (2) the STL originated during the Laramide orogeny (syntectonic with the MFTB) and was re-activated during the Miocene (Sorto Araiz and García Ortíz 2012) and subsequently during extension in the Central Mesa. In the Camino Rojo area, the STL is characterized by lineaments striking northwest-southeast, e.g., the Guanamero, Los Lobos and Camino Rojo faults.
Historical workings in the Camino Rojo area are described by Sorto Araiz and García Ortíz (2012). Historical workings around Camino Rojo are typically small, with strike lengths less than 30 m and depths less than 20 m. The historical workings exploited stratabound decimetre-scale veins with erratic Ag-Pb-Zn mineralization in carbonate stratigraphy.
Recent drilling at exploration targets on the Camino Rojo property have intercepted narrow high-grade gold mineralization at Guanamero, located approximately seven km northeast of the Camino Rojo open pit (Orla 2023).
Within the Sulphides Zone at Camino Rojo, the earliest phase of gold mineralization, Stage 1, is associated with pervasive potassic alteration and disseminated fine-grained pyrite. Disseminated pyrite formed preferentially in muddy sandstone to mudstone parts of graded beds. Gold grades are typically <0.4 g/t Au. No other metals are known to be associated with this phase of gold mineralization. Within Zone 22, Stage 1 gold mineralization is not well preserved, with few examples of potassic alteration and disseminated pyrite in siliciclastic intervals having been identified.
The main stage of gold mineralization, Stage 2, overprints Stage 1 pyrite mineralization. The Dike Zone, the steep northwest dipping, southwest striking structure intruded by dioritic dikes, and the Bx1 fault breccia, a moderate to steep northwest dipping, northeast-southwest striking brittle fault, have been identified as important deposit-scale structures that influenced the distribution of Stage 2 polymetallic sulphide veins. In the open pit, the Dike Zone and Bx1 intersect. Moving down plunge to the southwest, the Dike Zone and Bx1 diverge, with a separation of approximately 300 m at the base of the sulphides.
Within the sulphides, Stage 2 is controlled by mutually crosscutting moderate to steep northwest and shallow south-southwest dipping intermediate sulphidation veins. Where the Dike Zone and BX1 intersect, Stage 2 veins crosscut dioritic dikes. Moving down plunge, Stage 2 veins both crosscut and locally exploit the margins of dioritic dikes. Stage 2 veins consist of pyrite-arsenopyrite and pyrite-sphalerite-galena (Sanchez 2017). Where Stage 2 veins crosscut dioritic dikes, potassic alteration haloes with decreased Stage 1 pyrite content are evident. Within siliciclastic rocks, the potassic alteration halo is not visually obvious although a millimetre-scale halo of decreased Stage 1 pyrite content is common. Stage 2 veins crosscut northeast vergent folds in the Caracol Formation, locally exploiting structures associated with folding (e.g., hinge zones, extension gashes, etc.). No significant post-Stage 2 structures (e.g., offsetting of structural domains) associated with northeast vergent folding have been identified at this time.
Within Zone 22, Stage 2 mineralization consists of fine- to coarse-grained disseminated, patchy, and massive auriferous pyrrhotite-sphalerite-pyrite as carbonate bedding replacements and as steep veins or breccias along the margin of and within dioritic dikes. Zone 22 polymetallic sulphide mineralization occurring as bedding replacement appears to follow northeast vergent folding of carbonate stratigraphy. Crosscutting relationships in the sulphide mineralization indicates main stage gold mineralization is syn- to post-tectonic with respect to northeast vergent folding. It is unclear whether the mantos exploited bedding that had already been deformed by northeast vergent folding or were folded after formation.
| 7-16 | ![]() |
| Orla Mining Ltd. | Camino Rojo Project | March 18, 2026 |
| NI 43-101 Technical Report | SLR Project No.: 233.065118.00001 |
The youngest metalliferous event identified at Camino Rojo are Stage 3 low sulphidation veins. Within the Sulphide Zone mineralization, Stage 3 mineralization consists of colloform banded quartz veins, drusy-coxcomb quartz veins and polymictic quartz cement hydrothermal breccia with pyrite-galena-sulphosalts with moderate to high gold and silver values (Longo 2017; Longo and Edwards, 2017). Within Zone 22, a younger phase of gold and silver mineralization, consisting of disseminated to patchy chalcopyrite-pyrrhotite associated with retrograde skarn alteration, has been identified. This younger phase of gold-silver mineralization is tentatively correlated with Phase 3 mineralization in the Sulphides based on crosscutting relationships. Stage 3 veins overprint and locally exploit Stage 2 structures.
Post-mineralization structures consist of unmineralized calcite veins in both the Sulphides and Zone 22 and brittle faults. The Bx1 Fault was reactivated as a normal fault. This interpretation is supported by the inclusion of Stage 2 vein fragments as clasts within Bx1 clay matrix cataclasite and slicken lines indicating northwest side down sense of movement. The youngest structures identified at the Camino Rojo Deposit are steep northwest and southeast striking fault breccias and crush breccias. These youngest structures are interpreted to be syn-tectonic with Miocene extension.
| 7.3.4 | Oxidation |
Oxidation ranges from complete oxidation in the uppermost parts of the deposit, to unoxidized in the sulphides and Zone 22. The transition between oxidized and unoxidized mineralization underlies or surrounds oxide mineralization. Oxidation within transition zones is controlled by faulting, fracturing and permeability of strata.
Oxidation is nearly complete in the uppermost parts of the deposit, generally extending from surface to depths of 150 m to 200 m. The transitional zone of mixed oxide/sulphide extends as deep as 650 m below surface where oxidizing fluids penetrated along the Dike Zone and Bx1 structures.
Within the oxide open pit and Sulphides Zone, sandy layers of the Caracol Formation are preferentially oxidized, creating a stratigraphically interlayered sequence of oxide and sulphide material at the centimetre-scale, with oxidation along structures affecting all strata. Incomplete oxidation in the transition zone may result in nearly complete oxidation of the gold bearing parts of the rock, resulting in metallurgical characteristics more like oxide than sulphide hosted gold mineralization.
No oxidized material has been defined in Zone 22.
| 7.3.5 | Conclusions |
The distribution of auriferous mineralization at Camino Rojo is controlled by steep northwest and shallow south dipping polymetallic veins within the siliciclastic hosted oxide and sulphide zones. Within the carbonate hosted Zone 22, auriferous mineralization is controlled by disseminated, patchy and massive polymetallic sulphide replacement of carbonate strata and sulphide breccias along the margins of, and crosscutting, dioritic dikes. Pervasive, near surface oxidation extends to approximately 150 to 200 m below surface and extends to greater depths along structurally controlled zones of fracturing and permeability.
The Camino Rojo system extends approximately 0.9 km to 1.0 km along strike and up to 400 m in width, and comprises three continuous mineralized zones: (i) the near-surface Camino Rojo Oxides (from surface to approximately 250 m vertical depth), (ii) the underlying Camino Rojo Sulphides (approximately 250 m to 700 m depth), both of which are hosted within the Caracol Formation, and (iii) the deeper Zone 22 (approximately 700 m to 1,300 m depth), which is hosted in limestone units and remains open at depth.
| 7-17 | ![]() |
| Orla Mining Ltd. | Camino Rojo Project | March 18, 2026 |
| NI 43-101 Technical Report | SLR Project No.: 233.065118.00001 |
| 8.0 | Deposit Types |
The observed geological and geochemical characteristics of the gold-silver-lead-zinc deposit at Camino Rojo are consistent with an intermediate sulphidation-state (IS) epithermal and a distal oxidized gold skarn deposit. The main characteristics of these deposits include:
| · | Intermediate Sulphidation Epithermal (Hedenquist et al. 2000): |
| o | Typically associated with andesite-rhyodacite (diorite-granodiorite/monzogranite) |
| o | Typically veins, breccia or disseminated bodies |
| o | Sulphide mineralogy comprised of pyrite, Au-Ag sulphides, sphalerite, galena |
| o | Alteration consists of clays, sericite, alunite |
| · | Distal Oxidized Gold Skarn (Meinert et al. 2005): |
| o | Typically found in lithologies containing some limestone, but deposits are not restricted to limestones. |
| o | Formed by regional or contact metamorphic processes by metasomatic fluids, often of magmatic origin. |
| o | Typically, zoned deposits with a general pattern of garnet and pyroxene minerals proximal to the mineralizing heat and fluid source, and distal zones of bleached marble. |
| o | Low total sulphide content. |
| o | Sulphide mineralogy comprised of pyrite, pyrrhotite, chalcopyrite, sphalerite, and galena. |
| o | Highest gold grades are associated with late, relatively lower temperature mineralizing events, often with potassium feldspar and quartz gangue. |
| o | May be transitional to epithermal deposits. |
Host rock lithology significantly influences deposit style, accounting for the differences in mineralization styles observed between the upper and lower parts of the Camino Rojo deposit as currently defined. The Camino Rojo deposit is gold-dominant, with lesser silver, lead, and zinc and displays transitional mineralization styles, forming a continuum between intermediation sulphidation epithermal and skarn mineralization. The oxide and the Caracol-hosted sulphide mineralization exhibit characteristics typical of intermediate sulphidation epithermal deposits, while Zone 22 shows features of distal skarn zones.
Skarn deposits often exhibit predictable patterns of mineral zoning and metal zoning. Application of skarn zoning models to exploration allows for inferences about the possible lateral and depth extents of the mineralized system at the Camino Rojo deposit and can be used to guide further exploration drill programs.
| 8-1 | ![]() |
| Orla Mining Ltd. | Camino Rojo Project | March 18, 2026 |
| NI 43-101 Technical Report | SLR Project No.: 233.065118.00001 |
| 9.0 | Exploration |
Orla continues to conduct exploration activities across parts of its mining concessions. Numerous regional exploration activities have been executed, including mapping, prospecting, diamond (DDH), RAB, and RC drill programs, geophysical surveys, and soil, rock and biogeochemical sampling since the acquisition of the property in October 2017. A summary of all activities undertaken from acquisition through to database closure on June 30, 2025, are presented in Table 9-1.
| Table 9-1: | Summary of Regional Exploration Programs 2018–2025 |
| Regional
Exploration Programs |
2018 | 2019 | 2020 | 2021 | 2022 | 2023 | 2024 | 20251 | Total |
| DDH Drilling (m) | 0 | 0 | 0 | 0 | 600 | 13,668 | 4,873 | 1,722 | 20,863 |
| DDH
Drilling (Number of samples assayed) |
0 | 0 | 0 | 0 | 0 | 8,174 | 3,115 | 3,333 | 14,622 |
| RAB Drilling (m) | 0 | 0 | 0 | 9,167 | 600 | 0 | 0 | 0 | 9,767 |
| RAB
Drilling (Number of samples assayed) |
0 | 0 | 0 | 3,916 | 661 | 0 | 0 | 0 | 4,577 |
| RC Drilling (m) | 2537 | 5,334 | 0 | 5,992 | 0 | 0 | 0 | 13,862 | |
| RC
Drilling (Number of samples assayed) |
556 | 77 | 3,732 | 0 | 4,245 | 0 | 0 | 0 | 8,610 |
| Drone MAG (km2) | 0 | 77 | 0 | 322 | 232 | 207 | 167 | 98.8 | 1,103.8 |
| Induced Polarization (km2) | 46 | 60 | 78 | 90 | 40 | 0 | 31 | 0 | 346 |
| Gravimetry (km2) | 0 | 106 | 0 | 0 | 0 | 71 | 65 | 0 | 243 |
| Soil Samples | 132 | 12 | 0 | 2,223 | 5,334 | 5,153 | 2,797 | 2,435 | 18,086 |
| Rock Samples | 684 | 499 | 295 | 241 | 554 | 566 | 374 | 60 | 3,273 |
| Biogeochemistry Samples | 0 | 0 | 0 | 0 | 0 | 22 | 0 | 0 | 22 |
Note: 1 For the period from January 1, 2025, to database closure on June 30, 2025. | |||||||||
Induced polarization (IP) geophysical surveys, totalling 346 km2. have been completed in various areas across the property, as illustrated in Figure 9-1. Generally, the grids were designed with 200 / 400 / 800 m line separation and 100 m station spacing. Dipole spacing was selected to search for features at depths greater than 100 m to 200 m.
A total of 1,103.8 km2 of drone magnetometer (MAG) surveys has been flown across the property, as illustrated in Figure 9-2. The grids were designed with north-south trending flight lines spaced at 100 m with an average survey elevation of 35 m. Additionally, 243 km2 of gravity surveys have been completed across the property, illustrated in Figure 9-3. The grids were designed with 200 m line separation and stations every 200 m.
The locations of the regional RAB and DDH drill hole collars are shown in Figure 9-4 and Figure 9-5, respectively. The locations for soil and rock samples are shown in Figure 9-6 and Figure 9-7, respectively.
| 9-1 | ![]() |
| Orla Mining Ltd. | Camino Rojo Project | March 18, 2026 |
| NI 43-101 Technical Report | SLR Project No.: 233.065118.00001 |
| Figure 9-1: | Orla’s IP Surveys |

| 9-2 | ![]() |
| Orla Mining Ltd. | Camino Rojo Project | March 18, 2026 |
| NI 43-101 Technical Report | SLR Project No.: 233.065118.00001 |
| Figure 9-2: | Orla’s Drone MAG Surveys |

| 9-3 | ![]() |
| Orla Mining Ltd. | Camino Rojo Project | March 18, 2026 |
| NI 43-101 Technical Report | SLR Project No.: 233.065118.00001 |
| Figure 9-3: | Orla’s Gravimetry Surveys |
| 9-4 | ![]() |
| Orla Mining Ltd. | Camino Rojo Project | March 18, 2026 |
| NI 43-101 Technical Report | SLR Project No.: 233.065118.00001 |
| Figure 9-4: | Orla’s Regional RAB Drill Hole Collars |

| 9-5 | ![]() |
| Orla Mining Ltd. | Camino Rojo Project | March 18, 2026 |
| NI 43-101 Technical Report | SLR Project No.: 233.065118.00001 |
| Figure 9-5: | Orla’s Regional DDH Drill Hole Collars |
| 9-6 | ![]() |
| Orla Mining Ltd. | Camino Rojo Project | March 18, 2026 |
| NI 43-101 Technical Report | SLR Project No.: 233.065118.00001 |
| Figure 9-6: | Orla’s Soil Sampling Locations |
| 9-7 | ![]() |
| Orla Mining Ltd. | Camino Rojo Project | March 18, 2026 |
| NI 43-101 Technical Report | SLR Project No.: 233.065118.00001 |
| Figure 9-7: | Orla’s Rock Sampling Locations |

| 9-8 | ![]() |
| Orla Mining Ltd. | Camino Rojo Project | March 18, 2026 |
| NI 43-101 Technical Report | SLR Project No.: 233.065118.00001 |
Multiple anomalous areas have been identified through soil and rock sampling. Extensive soil samples (18,086) have been collected across the property (Figure 9-6). Anomalous gold (>0.2 g/t) is often associated with elevated arsenic (>100 ppm) and zinc (>300 ppm). The sampling grids have 250 m x 250 m spacing between stations and line, and infill lines have 100 m x 100 m spacing. Additionally, 3,273 rock chip samples have been collected. Anomalous pathfinder elements include As (>1000 ppm), Sb (>100 ppm), Mn (>2,000 ppm), Ba (>400 ppm), and Mo (>25 ppm). In 2023, a small orientation biogeochemical survey was conducted over the Camino Rojo deposit footprint. Twenty-two samples of Gobernadora plant (Larrea tridentata) and Mezquite (Prosipis) were collected from five lines 200 m apart and 100 m between samples.
The rock and soil samples were sent to the independent ALS Minerals (ALS) sample preparation facility in Zacatecas, Mexico. Sample analysis was performed in the ALS laboratory in Vancouver, British Columbia, Canada (independent laboratory). For rock samples, gold results were obtained by ALS using fire assay fusion and an atomic absorption spectroscopy (AAS) finish (Au-AA23) Samples also underwent multi-element analysis, including silver, copper, lead, and zinc, using an Aqua Regia digestion (ME-ICP41) or a four-acid digestion (ME-MS61L) for soil samples.
Subsequent to the effective date of this report, Orla completed its 2025 regional exploration program, which included:
| · | A ~4,700 m regional drill program, following up on two positive drill results from 2024 (Hacheros and Lago Azul) and drill testing two new targets (Majoma and Miserias). |
| · | Target generation and definition activities include prospecting, mapping, soil sampling, rock sampling and magnetic drone survey across the Majoma-Miserias target areas. |
The four regional targets tested by Orla in 2025 were:
| · | Hacheros: bleached and highly fractured Indidura Formation, with Fe-oxides and carbonate veinlets along fractures. Follow-up on a positive drill hole result from 2024. |
| · | Lago Azul: prospective northwest-southeast trending structure with Ag-epithermal characteristics. Follow-up on a positive drill hole result from 2024. |
| · | Majoma: phyllic alteration and proximity to potential intrusive source in Caracol Fm. Subtle high-level magnetic anomalies have been identified through MAG drone survey. Soil sampling and IP anomaly. |
| · | Las Miserias: geochemical anomalies in rocks and soil samples have been observed. Mapping and analysis of historical RAB drilling has identified silicification and oxidized breccias with hydrothermal minerals. |
Other potential regional drill targets identified by Orla include:
| · | Guanamero East: alteration at Caracol Formation contacts with abundant intermediate dikes as potential heat/fluid source of the alteration. Gold mineralization intercept in historical drilling. |
| · | Berrendo: a colluvium covered area, geochemical anomalies and alteration intersected in historical RAB drill holes. Northeast magnetic highs, NNW faults with Mn-calcite veining. Alteration zones in Caracol Fm. include chlorite +/- Mn-calcite, or sericite-K-feldspar or K-illite-chlorite. |
| · | La Sierrita: northeast trending oxidized hydrothermal calcite veins, soil anomalies, boiling textures and polyphasic breccia with altered clasts. |
| · | Potrero: Northwest-trending San Tiburcio structure in Caracol Fm. Au mineralization intercept along northeast trend from historical drilling |
| 9-9 | ![]() |
| Orla Mining Ltd. | Camino Rojo Project | March 18, 2026 |
| NI 43-101 Technical Report | SLR Project No.: 233.065118.00001 |
| 10.0 | Drilling |
| 10.1 | General |
The drill hole database for the Camino Rojo property contains 1,651 drill holes and 543,635 m of drilling, as summarized in Table 10-1 and illustrated in Figure 10-1 and Figure 10-2.
| · | During 2007 and 2008 Canplats drilled 121 holes, comprising 92 RC holes and 29 DDH holes, for 39,831 m of drilling. |
| · | Between 2011 and 2015 Goldcorp drilled 779 holes for 328,587 m of drilling. These were 95 RC holes, 306 RAB holes, and 378 DDH holes. The 2015 holes and some of the late 2014 holes were drilled for geotechnical investigations. |
| · | Orla drilling includes all drilling conducted between 2018 to database closure on June 30, 2025, including resource drilling, regional exploration, condemnation, etc., as further detailed in Table 10-2. |
| Table 10-1: | Summary of Camino Rojo Drilling, 2007 to 2025 |
| Year | Company | RC Drillilng | RAB Drilling | DDH Drilling | Total | ||||
| Holes | Metres | Holes | Metres | Holes | Metres | Holes | Metres | ||
| 2007 | Canplats | 12 | 2,367 | 12 | 2,367 | ||||
| 2008 | Canplats | 80 | 21,621 | 29 | 15,843 | 109 | 37,464 | ||
| 2007-08 | Canplats | 92 | 23,988 | 29 | 15,843 | 121 | 39,831 | ||
| 2011 | Goldcorp | 91 | 18,447 | 138 | 10,008 | 124 | 54,249 | 353 | 82,704 |
| 2012 | Goldcorp | 4 | 1,116 | 160 | 18,514 | 38 | 35,606 | 202 | 55,236 |
| 2013 | Goldcorp | 134 | 110,305 | 134 | 110,305 | ||||
| 2014 | Goldcorp | 8 | 2,764 | 79 | 75,478 | 87 | 78,242 | ||
| 2015 | Goldcorp | 3 | 2,100 | 3 | 2,100 | ||||
| 2011-15 | Goldcorp | 95 | 19,563 | 306 | 31,286 | 378 | 277,738 | 779 | 328,587 |
| 2018 | Orla | 27 | 7,129 | 49 | 4,718 | 76 | 11,847 | ||
| 2019 | Orla | 23 | 5,451 | 23 | 5,451 | ||||
| 2020 | Orla | 22 | 5,577 | 7 | 3,435 | 29 | 9,012 | ||
| 2021 | Orla | 1 | 371 | 283 | 9,197 | 8 | 2,644 | 292 | 12,212 |
| 2022 | Orla | 30 | 6,892 | 20 | 600 | 36 | 12,867 | 86 | 20,360 |
| 2023 | Orla | 1 | 494 | 139 | 57,848 | 140 | 58,342 | ||
| 2024 | Orla | 84 | 42,374 | 84 | 42,374 | ||||
| 20252 | Orla | 25 | 15,619 | 25 | 15,619 | ||||
| 2018-25 | Orla | 104 | 25,914 | 303 | 9,797 | 348 | 139,505 | 755 | 175,217 |
| Total | Total | 291 | 69,465 | 609 | 41,083 | 755 | 433,086 | 1,651 | 543,635 |
*Notes: 1. Table reports one less Canplats core hole, one less Goldcorp RC hole and 37 less Goldcorp core holes compared to historical drilling reported in Section 6.0, as some of the historical drilling was outside the current project area and are not included in the Camino Rojo drillhole database. 2. For the period from January 1, 2025, to database closure on June 30, 2025. | |||||||||
| 10-1 | ![]() |
| Orla Mining Ltd. | Camino Rojo Project | March 18, 2026 |
| NI 43-101 Technical Report | SLR Project No.: 233.065118.00001 |
| 10.2 | Drilling by Owner |
| 10.2.1 | Canplats |
The Canplats drilling was conducted during 2007 and 2008. It is reported the RC holes were drilled by Tiger Drilling de Mexico, S.A. de C.V. and Layne de Mexico, S.A. de C.V. (Layne). The rigs used drilled holes of either 4.75 in or 5.5 in (12 cm or 14 cm) diameter. Most of the core holes are HQ (63.5 mm) and drilled by Major Drilling International Inc. Four PQ (85.0 mm) holes were drilled to collect metallurgical samples and three of them have assays for individual samples in the SLR database (CRM-006, CRM-014, and CRM-020). There are no assays available for CRM-038.
It was previously reported that Canplats did not complete downhole surveys for the RC holes, however, Goldcorp was able to re-enter most of the holes and complete the surveys resulting in 67 of the Canplats RC holes having detailed downhole survey information.
Core and RC logging procedures for Canplats drilling were described by Blanchflower (2009). For RC drilling, Canplats sampling personnel extracted spoon size splits from each drill interval at the rig’s cyclone splitter, washed away the fine fraction with a strainer, and placed the washed splits into divided plastic chip trays. Canplats geologists subsequently logged the RC cuttings in the office and storage building, describing each interval on paper log forms with codes for lithology, alteration, mineralization and fracturing. The logged information was later captured into electronic spreadsheet files.
Core was logged prior to hydraulic splitting and sampling. Canplats geologists used paper logging forms to record descriptions of colour, lithology, alteration, mineralization, bedding, and fracture and fault angles to the core axis. Descriptions used a combination of alpha-numeric codes and normal text and included hand-drawn graphical sketches. The logged information was later captured into electronic spreadsheet files for import into the drill hole database.
The Canplats drilling discovered and partially delineated the oxide mineral deposit that occurs at the northeast end of the Camino Rojo deposit, in the Represa zone. The drilling also discovered the deeper sulphide deposit to the southwest, in the Don Julio zone. This data was used to develop a Mineral Resource estimate and PEA level study for the Represa zone by Canplats during 2009.
| 10.2.2 | Goldcorp |
The Goldcorp drilling was conducted from 2011 to 2015. The RC drilling was conducted by Layne and G4 Drilling. The RC holes were 4.75 inches to 5.125 inches in diameter (12 cm to 13 cm). The core holes were drilled by Layne, BD Drilling, and Boart-Longyear and were generally HQ core. In addition to the core and RC holes, 306 RAB holes were drilled. The average depth of these holes was only about 100 m, and they were mostly peripheral to the main deposit area. Downhole surveys were conducted for the core and RC drilling but not for the RAB holes. They were assumed to be vertical.
Most of the holes are orientated north with an approximate 60°
dip. This is an optimal orientation for the bedding, which dips moderately to the south/-southeast. This direction is
less optimal for moderate to steep northwest dipping structures and intercepts with narrow veins at low to very low angles to the core
axis have been observed in many holes indicating that some of the mineralization was drilled down dip. There are two sections with holes
directed to the south drilled by Goldcorp.
| 10-2 | ![]() |
| Orla Mining Ltd. | Camino Rojo Project | March 18, 2026 |
| NI 43-101 Technical Report | SLR Project No.: 233.065118.00001 |
Goldcorp RC chip logging was recorded on paper log forms by Goldcorp geologists at the RC drill sites, concurrent with drilling. Washed fines and chips from each interval were examined and logged, and a spoon-sized split was placed into divided chip trays for future reference. As of the date of this Technical Report, the chip trays are available for inspection. The Goldcorp geologists described and recorded the lithology, alteration, fracture/fault zones, oxidation class, percent oxidation by volume, estimated percent and type of iron oxides, estimated percent sphalerite, galena, pyrite, and other sulphides, calcite, other veins, and colour. Descriptive text and a graphic sketch column were also recorded. These data were later transferred into electronic spreadsheet files for import into the drill hole database.
Core logging by Goldcorp was carried out on whole core, prior to any core cutting or sampling. All core was brought by Goldcorp personnel to the core logging shelter, rinsed with water, and measured from run blocks to determine core depths contained in each core box. Goldcorp geologists logged lithology, alteration, fracture/fault zones, oxidation class, and percent oxidation by volume. Graphical sketch columns for lithology, bedding, fracture and fault angles to core axes, and mineralization were also recorded. Estimated percentages of sulphide and gangue minerals, as well as their mode of occurrence were recorded as text. Logged information was later transferred into electronic spreadsheet files for import into the drill hole database. Core was also photographed prior to splitting. In 2012, the logging was modified to include fields for estimated percentages of various sulphide minerals. During 2010, Goldcorp geologists re-logged the Canplats RC drill cuttings to visually determine the degree of oxidation of each drill interval in terms of percent oxidation of the rock by volume. The Goldcorp drilling further delineated both the oxide and sulphide Mineral Resources.
| 10.2.3 | Orla |
Procedure
Orla has conducted drilling programs from 2018 through to the effective date of this Technical Report. RC drilling has been conducted by Layne (2018), Ecodrill Ltd. (2020), and Globexplore (2022). RAB drilling has been conducted by Globexplore (2021–2022). Core drilling has been conducted by BD Drilling (2018), Ecodrill (2020–2024), Intercore (2023–2024), Globexplore (2023–present) and Major Drilling Group International Inc. (2024–2025). Core is usually HQ, and for RC a 5 ¼” (13.34 cm) diameter face return bit with shroud is used.
For core holes, core logging by Orla personnel was conducted on unsplit whole core. Lithology, structure, alteration, oxidation, and mineralization data were recorded on paper drill logs, then transcribed into an electronic database from 2018 to 2021. RQD (rock quality designation) and core recovery information was similarly captured. During 2021, paper logging was replaced by electronic logging using Geobank software; in 2023 Orla switched to MX Deposit software. Drill core was photographed prior to sampling.
For RC, RC chips were logged by Orla geologists. Lithology, alteration, oxidation, and mineralization data were recorded on paper drill logs, then transcribed into an electronic database. During 2021, paper logging was replaced by logging electronically with Geobank software. Drill cuttings were sampled by splitting the sample at the drill rig with a cyclone, or in the case of wet samples, with a rotary splitter. Depending on recovery, a ½ or ¼ split was sent for assay and the remaining sample preserved and stored in warehouses in San Tiburcio.
Gyroscopic downhole surveys were completed for both diamond core and reverse circulation drill holes by Silver State Surveys Inc., supported by their Concepción del Oro, Zacatecas office.
| 10-3 | ![]() |
| Orla Mining Ltd. | Camino Rojo Project | March 18, 2026 |
| NI 43-101 Technical Report | SLR Project No.: 233.065118.00001 |
Orla Drilling 2018 – 2019
In 2018 and 2019, Orla conducted various small drilling campaigns, including clay exploration, condemnation, geotechnical, metallurgy, and water well drilling. In 2018, a Camino Rojo deposit infill program consisting of 803 m across six holes was executed, and 619 m across two holes targeting the BX1 structure were also drilled. In 2019, a regional exploration program drilled 2,537 m across eight holes.
Orla Near-Mine Drilling Programs 2020-2025
2020 Program
In 2020, Orla initiated a ‘Phase 1’ 6,079 m directional drilling program on the Camino Rojo Sulphides Zone, consisting of 15 holes spaced 100 m to 250 m apart and drilled to the south. Following the 2017 acquisition of the property from Goldcorp, Orla’s technical team identified the potential for higher-grade (>2 g/t Au) sulphide mineralization within the Caracol Formation based on geological evaluation of the existing data. The team observed that the historical south-to-north drilling had intersected north-dipping veins at low angles to core axes. The team concluded that to further the evaluation of the potential mining scenarios for the Camino Rojo Sulphides Zone, additional drill data would be required to provide confirmation of grade and geometry of the sulphide vein mineralization. The 2020–2021 program was designed as a proof-of-concept program to determine if southeast oriented drilling perpendicular to the moderate to steep northwest dipping mineralized vein sets would confirm or improve upon historical results. The program used directional drilling techniques to avoid redrilling the barren hanging wall of the deposits, providing closely spaced intercepts ranging from 10 m to 50 m apart on three sections, targeting some of the best mineralized parts of the deposit. All drill holes targeted the Dike fault zone and sulphide vein sets, which had been interpreted as a key control on mineralization.
2021 Program
During 2021, Orla’s near-mine exploration efforts at Camino Rojo, coinciding with the first year of oxide mine production, were focused on the continuation of the Phase 1 sulphide drilling (described above). The sulphide program initiated in 2020 was completed in April 2021 and confirmed the continuity and geometry of the higher-grade gold mineralization (> 2 g/t Au), obtained geotechnical information required to evaluate potential underground mining scenarios, and provided material for geological model refinement and metallurgical studies.
2022 Program
Phase 2 of the sulphide directional drilling program began in April 2022, with 9,174 m in 21 holes at spaced at 150 m to 200 m line spacing. The program was designed to infill between the Phase 1 north-to-south drill holes, reducing the spacing between the south-azimuth drill holes to 150 m to 200 m. The results were again positive, returning wide higher-grade domains associated with identifiable structures in the deposit. Vein domains, i.e., areas of high vein concentrations, were recognized and coincided with higher grade mineralization. The vein domains were defined by combining the Orla oriented diamond drill core data with approximately 70,000 m of historical vein density and orientation data recovered from paper logs and digitized within the main zone of potassic alteration (Kp). These vein domains became an important guide for the mineralization wireframes used in the underground resource estimation.
| 10-4 | ![]() |
| Orla Mining Ltd. | Camino Rojo Project | March 18, 2026 |
| NI 43-101 Technical Report | SLR Project No.: 233.065118.00001 |
Select holes from the Phase 2 program were extended to test the down plunge continuity of the Caracol hosted Camino Rojo Sulphide Zone. These holes returned encouraging and significant results, such as 4.02 g/t Au over 22.9 m in hole CRSX22-07 and marked the emergence of the ‘Zone 22’ as a potential extension of the Camino Rojo gold system. At the time, most of the gold mineralization at Camino Rojo had been defined in the Caracol Formation, but this recent drilling, compiled historical drilling data and the updated geological model indicated that mineralization extended deeper into the underlying Indidura and Cuesta del Cura formations. The deeper gold mineralization is hosted by manto-type semi-massive to massive pyrrhotite-sphalerite ± pyrite sulphide replacement of bedding, commonly within skarn and calc-silicate alteration flanking the steep northwest dipping dioritic dike. Gold mineralization may also occur in association with patchy sulphide mineralization within the skarn alteration.
2023 Program
In 2023, Orla executed two near-mine drilling programs: a near-mine oxide (including Layback) program and ‘Phase 3’ that targeted the Camino Rojo Sulphides Zone (including Zone 22). The near-mine oxide program drilled 6,502 m, split between 3,464 m in 24 holes on the Fresnillo Layback Area including confirmation (twinning) of historical Fresnillo holes and 3,038 m in 15 holes was completed targeting the extension of oxide gold mineralization on Orla’s property. Results from the Layback Area program confirmed historical Fresnillo drill results and the continuity of oxide hosted gold mineralization immediately north of and adjacent to the oxide pit. The assay results were consistent with the thicknesses and grades reported in historical Fresnillo drill data (Internal Orla memo 2023; IMC memo 2023). For the near-pit oxide extension drilling, Orla’s approach was to test along strike and down dip of key structures controlling oxidation to define additional oxide gold mineralization. Results identified significant structurally controlled oxide gold mineralization up to 50 m below and up to 15 m southeast of the ultimate oxide pit boundaries at the time but did not result in expansion of the resource pit.
The Phase 3 follow up sulphide infill program drilled 37,677 m in 68 holes at 50 m spacing, with 20% testing Zone 22. Phase 3 drilling consisted of south-oriented drilling that reduced the overall drill spacing to 25 m to 30 m (including historical drill holes) within the Camino Rojo Sulphides Zone. Additionally, a new drill section was executed, including 2,607 m in four directional drill holes. This Zone 22 program was aimed at continuing to define the extent, grade and style of mineralization down-plunge of the Camino Rojo deposit. Deep extension drilling beyond the limits of the 2021 open pit confirmed polymetallic mineralization in the Indidura and Cuesta del Cura Formations 450 m down-plunge. The results validated historical intercepts, reinforced confidence in the newly defined geological model and confirmed the presence of significant polymetallic semi-massive to massive sulphide mineralization.
2024 Program
In 2024, a 35,462 m Zone 22 drill program totalling 52 holes was executed with two objectives: 1) to infill the down-plunge extension of the mineralized system, enhancing the understanding of the geometry, continuity, and endowment potential of mineralization along the projection of the Dike Zone, and 2) to step out broadly, further evaluating the upside potential of the mineralized system both down dip and down plunge. Increased drill density in Zone 22, along with positive drill results extended known mineralization beyond the previous mineral resource down-plunge by 600 m and 500 m along strike, parallel to the dike structure. The deepest down-plunge holes intersected mineralization up to 900 m from the previous resource limit. This high-grade polymetallic semi-massive to massive sulphide mineralization remains open at depth, and some intersections highlighted notable copper mineralization (e.g. up to 4.95% Cu over 1.2 m in CRSX24-36A) indicating new Cu-Au-Ag skarn mineralization associated with a potential new mineralized trend (vector).
| 10-5 | ![]() |
| Orla Mining Ltd. | Camino Rojo Project | March 18, 2026 |
| NI 43-101 Technical Report | SLR Project No.: 233.065118.00001 |
2025 Program
In 2025, Orla continued to focus on Zone 22, with the objective of confirming, upgrading and extending the continuity of high-grade polymetallic mineralization along the down-plunge extension of the Camino Rojo deposit, to support an updated underground Mineral Resource estimate. Drill spacing was tightened to 30 m to 80 m within the upper 500 m of Zone 22 to improve geological and grade continuity interpretation. The program returned high-grade intersections, including 9.8 g/t AuEq over 9.4 m in hole CRSX25-47B and 9.0 g/t AuEq over 7.9 m in hole CRSX25-48A, supporting the interpreted continuity of high-grade polymetallic mineralization.
The initial 15,000 m program was completed in July. Based on encouraging results, an additional 5,000 m was allocated to further test Zone 22. As of the June 30, 2025 database closure, a total of 13,897 m had been completed in 21 holes. The program was completed in December with cumulative drilling of 21,891 m across 35 holes. Current geological interpretation indicates that Zone 22 remains open at depth and along strike.
Other Drilling
In addition to the near mine drilling programs, Orla has also completed geotechnical, metallurgical, condemnation, regional exploration, water exploration, and development drilling, totalling 159,226 m. All drilling completed by Orla from 2018 to June 30, 2025, is summarized in Table 10-2.
| Table 10-2: | All Drilling Completed by Orla, 2018 to June 30, 2025 |
| Drilling Purpose | Drill
Hole Type |
Total
Number of Holes |
Total
Metres (m) |
| Clay Exploration | DDH | 5 | 56 |
| Condemnation | RC | 7 | 1,768 |
| Geotechnical | DDH | 3 | 740 |
| Geotechnical – Infrastructure | DDH | 21 | 370 |
| Metallurgy | DDH | 14 | 2,289 |
| Resource Drilling | |||
| Near-Mine Oxide | RC | 13 | 1,228 |
| Near-Mine Oxide | DDH | 42 | 6,912 |
| Oxide (BX01) | DDH | 12 | 2,521 |
| Oxide (Layback) | DDH | 24 | 3,465 |
| Infill/Sulphide | DDH | 104 | 52,930 |
| Zone 22 | DDH | 73 | 49,359 |
| Sub-total Resource Drilling | 268 | 116,415 | |
| Regional Exploration | |||
| RC | 55 | 13,862 |
| 10-6 | ![]() |
| Orla Mining Ltd. | Camino Rojo Project | March 18, 2026 |
| NI 43-101 Technical Report | SLR Project No.: 233.065118.00001 |
| Drilling Purpose | Drill
Hole Type |
Total
Number of Holes |
Total
Metres (m) |
| DDH | 50 | 20,863 | |
| RAB | 303 | 9,797 | |
| Water Wells | RC/rotary | 29 | 9,057 |
| Total Drilling | 755 | 175,217 |
Clay exploration drill holes indicated that clay required for leach pad and pond construction was present, but adequate amounts were unable to be confirmed.
Condemnation drill holes verified that the proposed sites for Project infrastructure would not impede development of Mineral Resources.
Geotechnical drill holes provided the information necessary to determine pit slope stabilities and design criteria for the process plant, leach pad, waste storage facilities, and ponds, and confirmed that the proposed locations for each are suitable.
Metallurgical drill holes provided material for testing as described in Section 13.0 of this Technical Report.
The Regional Exploration drill holes were part of regional exploration programs as described in section 9.0 of this Technical Report.
The water exploration, monitoring, and development drill holes provided information needed for hydrogeologic modeling.
| 10-7 | ![]() |
| Orla Mining Ltd. | Camino Rojo Project | March 18, 2026 |
| NI 43-101 Technical Report | SLR Project No.: 233.065118.00001 |
| Figure 10-1: | Near-Mine Resource Drilling by Type |

| 10-8 | ![]() |
| Orla Mining Ltd. | Camino Rojo Project | March 18, 2026 |
| NI 43-101 Technical Report | SLR Project No.: 233.065118.00001 |
| Figure 10-2: | Near-Mine Resource Drilling by Company |
| 10-9 | ![]() |
| Orla Mining Ltd. | Camino Rojo Project | March 18, 2026 |
| NI 43-101 Technical Report | SLR Project No.: 233.065118.00001 |
| 10.3 | Sampling |
| 10.3.1 | Canplats and Goldcorp Sampling |
Goldcorp sample intervals were consistently 1.5 m for core, RC, and RAB drilling. For Canplats RC drilling, about 20% of the sample intervals were 1.0 m and 80% were 2.0 m intervals. Canplats core samples tended to be 2.0 m intervals, but about 30% of the intervals were shorter and of random length. According to the Canplats 2009 Technical Report (Blanchflower 2009), the geologist could adjust the sample intervals to correspond with geologic contacts.
For the RC drilling by Canplats and Goldcorp a splitter was used at the drill rig and the sample collected in the field. For drill core, both Canplats and Goldcorp split the samples at secure facilities and bagged them for shipment to the sample preparation laboratories.
There is no recovery information for Canplats drilling or for any of the RC or RAB drilling. The recovery for Goldcorp core was very high, generally above 90% and the overall average was about 96%.
| 10.3.2 | Orla Sampling |
Drill core was sampled by cutting the core with a diamond saw and sending half of the core for assay and retaining half of the core in the core box for archive. Sample intervals were generally 1.5 m long, except where geologic contacts or lack of recovery required a different sample length. Sampling was conducted in secure facilities at the Project core logging facility in San Tiburcio.
| 10-10 | ![]() |
| Orla Mining Ltd. | Camino Rojo Project | March 18, 2026 |
| NI 43-101 Technical Report | SLR Project No.: 233.065118.00001 |
| 11.0 | Sample Preparation, Analyses, and Security |
| 11.1 | Sample Preparation and Analysis |
Geological staff from Canplats oversaw the sampling and analysis during the drilling campaigns in 2007 and 2008. Goldcorp took over supervision for the drilling activities from 2011 to 2015, and Orla has been managing the process since the 2018 drilling campaign.
The ALS Chemex laboratory (ALS), located in North Vancouver, British Columbia, has served as the primary assay laboratory for routine surface and drill sample assaying in the Canplats, Goldcorp, and Orla drilling and sampling programs. All assays were conducted at ALS, which is certified under ISO 9001:2000 and 2008 and accredited under ISO 17025:2005. ALS operates independently of Canplats, Goldcorp, and Orla.
Sample preparation occurred at the ALS laboratory located in Zacatecas, following the PREP-31 standard procedure:
| · | Samples were dried at 105ºC, coarse crushed to 70% passing (P70) a 10-mesh screen (-2.0 mm), riffle split (200 g to 250 g), and pulverized to 85% passing (P85) a 200-mesh screen (-75 µm). |
| · | Gold was assayed using a 30-gram fire assay fusion, with Atomic Absorption finish (ALS Chemex Code Au-AA23). Over-limits (10.0 g/t Au) for gold were automatically re-assayed using a 30-gram fire assay fusion with gravimetric finish (method code Au-GRA21). |
| · | A total of 34 other elements were determined using a multielement inductively coupled plasma – atomic emission spectroscopy (ICP-AES) instrument and four-acid sample digestion (method code ME-ICP61). Over-limits for silver, copper, zinc, and lead were automatically determined by ICP-AES and four-acid digestion (method code ME-OG62) for ore-grade samples. |
RAB-style RC samples collected between 2011 and 2014 were analyzed using ALS's ME-MS61m method. This technique involves four-acid digestion, ICP-AES, mass spectrometry, and cold-vapor atomic absorption to detect 48 elements plus mercury. Most RAB holes are situated around the edges of the main deposit area. In 2024, samples with more than 1% sulphide content were tested using the Au-SCR21 screen fire assay.
Limits of detection (LoD) for ALS are summarized in Table 11-1.
| Table 11-1: | Laboratory Limits of Detection (LoD) |
| Laboratory | Element | Primary
Method |
Lower Detection Limit |
Upper
Detection Limit |
Secondary Method1 |
Secondary
Method - Lower Detection Limit |
| ALS | Au | Au-AA23 | <0.005 ppm | >10.0 ppm | Au-GRA21 | <0.05 ppm |
| Ag | ME-ICP61 | <0.5 ppm | >100 ppm | ME-OG62 | <1 ppm | |
| Cu | ME-ICP61 | <1 ppm | >10.000 ppm | ME-OG62 | <0.001% | |
| Pb | ME-ICP61 | <2 ppm | >10.000 ppm | ME-OG62 | <0.001% | |
| Zn | ME-ICP61 | <2 ppm | >10.000 ppm | ME-OG62 | <0.001% | |
Notes: 1. When the upper detection limit of the primary method is reached, samples are assayed with a secondary method of analysis to obtain an accurate representation of the high grades of the samples. | ||||||
| 11-1 | ![]() |
| Orla Mining Ltd. | Camino Rojo Project | March 18, 2026 |
| NI 43-101 Technical Report | SLR Project No.: 233.065118.00001 |
| 11.2 | Sample Security |
| 11.2.1 | Canplats and Goldcorp Sample Security |
Canplats core and RC samples were trucked approximately 5 km from the field to a secure warehouse in San Tiburcio. Drill cores were halved, bagged, sealed with plastic ties, and stored in a locked facility overseen by company geologists. Before shipment, bags were grouped into labeled, sealed nylon sacks.
These sacks were hand-delivered by company staff to the ALS Chemex lab in Guadalajara, Jalisco.
Under Goldcorp, samples were transported twice daily to the same warehouse. Each afternoon, sealed core bags were packed into numbered rice sacks and stored securely. Once or twice a week, these were picked up by a contracted truck and delivered to ALS Chemex for processing.
Orla assumed control of the former Goldcorp facility in San Tiburcio, which now securely stores core samples, assay pulps, and RC chip trays. The site is enclosed and protected by locked gates.
| 11.2.2 | Orla Sample Security |
Orla personnel transport core boxes to the company's secure storage facilities in San Tiburcio at the conclusion of each drill shift. The core is labeled, photographed, logged, and sampled under the supervision of staff geologists. The geologists define the intervals for sampling, after which the drill core is split following established procedures.
Following cutting, half of the core is placed in a plastic sample bag, while the other half is returned to the core box. Each sample is tagged and bagged, with quality control (QC) samples inserted into the sampling sequence.
Samples destined for assay are packaged into shipping bags and dispatched directly to the ALS sample preparation facility in Zacatecas. Sampled holes, rejects, and pulps are retained after analysis in storage facilities at the site.
| 11.3 | Density Sampling and Measurement |
At the Camino Rojo mine, a total of 10,090 density measurements were conducted in the core shack by trained personnel. Prior to analysis, each sample undergoes documentation, including photography and descriptive logging, before its submission for density measurement. This data integrates into the main geological database, accompanied by a corresponding label on the sample's storage box.
The water immersion technique is used for density measurements, supplemented by paraffin wax treatment for porous samples. The logging geologist identifies and isolates samples of interest, typically measuring between 10 cm to 15 cm in length. Sampling frequency is set at roughly 25 m intervals within waste rock and 10 m within ore zones, guided by lithologic or geological domain variations.
| 11.4 | Quality Assurance and Quality Control |
Orla employs quality assurance (QA) and quality control (QC) protocols to ensure the integrity of sample data. The implemented QA practices include standardized operating procedures as well as maintaining data management and transfer systems, while the implemented QC includes monitoring the sampling performance, sample preparation, and analytical processes. Analysis of QC data is performed to assess the reliability of all sample assay data and the confidence in the data used for resource estimation.
| 11-2 | ![]() |
| Orla Mining Ltd. | Camino Rojo Project | March 18, 2026 |
| NI 43-101 Technical Report | SLR Project No.: 233.065118.00001 |
| 11.4.1 | Quality Control Insertion Rates |
| 11.4.1.1 | Canplats (2007–2008) |
During Canplats period, blanks and commercial certified reference materials (CRMs) were inserted into drilling sample streams at a rate of approximate of 5% or 1 in 20. The control database includes 1,098 coarse blank sample results with multi-elemental assays and 1,074 CRMs, derived from four types with different grade ranges, certified by Shea Clark Smith, Nevada, US. Two of these (CR_Std_5 and CR_Std_6) were certified for gold, while the other two were certified for silver, lead, and zinc.
Additionally, in 2007–2008, Canplats conducted a check assay verification, sending 151 samples along with pulp duplicates, blanks, and CRMs, to Assayers Canada, located in Vancouver, BC. This umpire laboratory was accredited under ISO 9001:2008 at the time and was later acquired by SGS.
Only 15 field duplicates records were found within the QC database provided to SLR, and no pulp or coarse duplicates were found in this review.
| 11.4.1.2 | Goldcorp (2011–2015) |
The QA/QC program implemented by Goldcorp included the use of blanks, standards, and field duplicates to monitor preparation and analytical stages in the laboratory. A total of 13,193 quality control samples were inserted into the sample stream, accounting for approximately 7% of the total samples.
A total of 7,225 blank samples was inserted at a rate of 1 in 25 for coarse blanks. These samples consisted of fragments of unaltered calcareous siltstone and sandstone of the Caracol Formation, from a burrow pit near Tanque Nuevo, Zacatecas, approximately 60 km northeast of Camino Rojo. For RC blanks, the Caracol material was hand-crushed to coarse gravel size, and for core drilling blanks, the material was broken into fragments similar to drill core size.
A total of 5,762 CRM samples were inserted every 1 in 50 samples, always immediately following a blank sample. Four CRMs, CDN-ME-15, CDN-ME-16, CDN-ME-1307, and CDN-ME- GS-P7H, were sourced by CDN Resource Laboratories in Vancouver, British Columbia, and three were in-house reference materials, PEN1850OX, PEN1850T, and STDCR14-01, all prepared at SGS Minerals in Durango, Mexico.
Some 57 field duplicates were taken from quarter core fractions and were added every 100th sample, labeled with a "B" suffix. In addition, 149 pulp duplicates were added within the Goldcorp QA/QC program, conforming to 0.1% in that period.
| 11.4.1.3 | Orla (2018–2025) |
Orla implemented a more robust QA/QC program during its drilling campaigns, which included 908 coarse blank, 907 CRM, 1,764 field duplicate, 497 coarse duplicate, and 508 pulp duplicate samples as well as 48 pulp duplicate check assays from blast holes sent to Bureau Veritas Laboratories in British Columbia, Canada, a third-party laboratory (independent of Orla) in 2019, accredited by SCC and holding certification ISO/IEC 17025.
Blank samples, consisting of unmineralized post-mineral volcanic rocks, were inserted at a rate of 1:50, ideally following visible gold or high-grade mineralization intervals.
| 11-3 | ![]() |
| Orla Mining Ltd. | Camino Rojo Project | March 18, 2026 |
| NI 43-101 Technical Report | SLR Project No.: 233.065118.00001 |
Ten different CRMs sourced either by CND Resource Laboratories or Rocklabs of New Zealand were inserted every 50 samples. CRMs OXC145, OXD127, OXI121, OXI145 from Rocklabs were certified for gold and CRMs CDN-ME-1404, CDN-ME-1414, CDN-ME-1704, CDN-ME-1706, CDN-ME-2103, and CDN-ME-1409 were certified for gold plus the multi-element ICP spectrum.
Field duplicates were inserted into the sample stream at a rate of one in 50 and were selected and taken from either a split of the RC drilling chips or quartered drill core, which was later increased to half drill core samples. A total of 1,764 field duplicates were inserted blindly. Coarse duplicates were also inserted into the sample stream at a rate of one coarse duplicate every 100 samples. Pulp duplicates were inserted at the same rate.
The QA/QC sample insertion rates and failure criteria used during the Orla drilling campaigns are summarized in Table 11-2.
Table 11-3 presents the number of QC submittals from 2007 to 2025.
| Table 11-2: | Orla Control Sample Insertion Rate and Failure Criteria |
| Control | Insertion Rate | 1 in | Limits | Error Tolerance | Labeling |
| CRM | 2% | 50 | 3 x SD | <5% Bias | XX33 & XX99 |
| Blank | 2% | 50 | 2-3 x LoD | <10% Failure Rate | Do not have a fixed numbering |
| Field Duplicate | 2% | 50 | 30% | <10% pairs | XX00 or XX50 |
| Coarse Duplicate | 1% | 100 | 20% | <10% pairs | XX25DUP |
| Pulp Duplicate | 1% | 100 | 10% | <10% pairs | XX75REP |
| Table 11-3: | Camino Rojo QC Insertion Rates: 2007 to 2025 |
| QC Control | Canplats | Goldcorp | Orla | |||
| Count | Insertion Rate | Count | Insertion Rate | Count | Insertion Rate | |
| Primary Sample | 34,502 | 94% | 187,176 | 93% | 42,371 | 90% |
| Blank | 1,098 | 3% | 7,225 | 4% | 908 | 2% |
| CRM | 1,074 | 3% | 5,762 | 3% | 907 | 2% |
| Field Duplicate | 15 | 0% | 57 | 0% | 1,764 | 4% |
| Coarse Duplicate | 0 | 0% | 0 | 0% | 497 | 1% |
| Pulp Duplicate | 0 | 0% | 149 | 0% | 508 | 1% |
The QP has conducted a comprehensive review of the quality control database and has summarized findings, categorized by control types and company periods, in the following sections.
| 11.4.2 | Certified Reference Material |
Results of the regular submission of CRMs are used to identify potential issues with specific sample batches and long-term biases associated with the primary assay laboratory.
| 11-4 | ![]() |
| Orla Mining Ltd. | Camino Rojo Project | March 18, 2026 |
| NI 43-101 Technical Report | SLR Project No.: 233.065118.00001 |
Specific pass/fail criteria were used based on setting the CRM acceptance limits at the mean ±3 standard deviations (SD) as a failure limit threshold.
| 11.4.2.1 | Canplats (2007–2008) |
During the initial Canplats drilling campaigns, the CRMs used did not include gold certification for CR_Std_10 and CR_Std_11, only for silver, lead, and zinc. However, as Canplats transitioned to using CR_Std_5 and CR_Std_6, gold was included as a certified element. During this period, 22 potential mislabeling cases were identified, where the nominal values of the CRMs matched different CRMs or blank samples. This is illustrated in the Z-score plot, which shows a significant number of failures during this timeframe (Figure 11-1).
In general, CRM biases are within the acceptable threshold, though failures are slightly higher for gold in CR_Std_6, as detailed in Table 11-4. Additionally, lead shows a negative bias, resulting in a significant number of outliers starting in June 2008. The QP does not consider these observations to be material.
| 11.4.2.2 | Goldcorp (2011–2015) |
Throughout Goldcorp campaigns, seven different CRMs were used. Despite some significant failures, the number of occurrences was relatively low compared to the total samples, with 24 potential mislabeling cases observed during this period.
The CRMs inserted during this timeframe covered a range from low to high gold grades. The QP considers the results observed for these CRMs, with biases ranging from -1.2% to 1.1%, to be good with an acceptable failure rate of less than 4% for gold. Figure 11-2 provides an example of the results for CRM CDN-ME-15.
Regarding other elements, including silver, copper, lead, and zinc, all seven CRMs demonstrated excellent performance, with biases within a 5% variation and a failure rate well within acceptable limits.
| 11.4.2.3 | Orla Mining (2021–2024) |
The ten types of CRMs inserted during Orla mining phases demonstrated significantly better performance and improved monitoring protocols for failures, as noted in Figure 11-1 and Table 11-4. The performance of these CRMs was notably good, with biases around -1% to 1% and insignificant or non-existent failures exceeding the upper and lower bounds, as shown in Figure 11-3 (CDN-ME-1706).
Orla's QA/QC quarterly reports indicate continuous monitoring of failures and re-runs in the laboratory when necessary.
| Table 11-4: | Camino Rojo Certified Reference Material Performance (2007–2025) |
| Company | CRM | Element | Year Range | No. Samples | Mean (ppm) |
EV | SD | No. Failures |
Bias (%) |
Failures (%) |
| Canplats | CR_Std_10 | Ag | 2007 - 2008 | 62 | 191.63 | 197.73 | 8.42 | 0 | -3.1 | 0.0 |
| Pb | 2007 - 2008 | 66 | 1,184.39 | 1221.59 | 75.61 | 4 | -3.0 | 6.1 | ||
| Zn | 2007 - 2008 | 62 | 3,222.26 | 3328.52 | 230 | 0 | -3.2 | 0.0 | ||
| CR_Std_11 | Ag | 2007 - 2008 | 55 | 79.58 | 80.31 | 2.82 | 1 | -0.9 | 1.8 | |
| Pb | 2007 - 2008 | 55 | 368.02 | 385.96 | 13.29 | 9 | -4.7 | 16.4 | ||
| Zn | 2007 - 2008 | 55 | 977.29 | 968.54 | 50.18 | 0 | 0.9 | 0.0 |
| 11-5 | ![]() |
| Orla Mining Ltd. | Camino Rojo Project | March 18, 2026 |
| NI 43-101 Technical Report | SLR Project No.: 233.065118.00001 |
| Company | CRM | Element | Year Range | No. Samples | Mean (ppm) |
EV | SD | No. Failures |
Bias (%) |
Failures (%) |
| CR_Std_5 | Ag | 2008 - 2008 | 506 | 29.52 | 28.4 | 1.6 | 10 | 4.0 | 2.0 | |
| Au | 2008 - 2008 | 490 | 0.57 | 0.55 | 0.04 | 33 | 3.0 | 6.7 | ||
| Pb | 2008 - 2008 | 506 | 1,695.18 | 1750 | 50 | 53 | -3.1 | 10.5 | ||
| Zn | 2008 - 2008 | 506 | 6,281.13 | 6450 | 260 | 14 | -2.6 | 2.8 | ||
| CR_Std_6 | Au | 2008 - 2008 | 414 | 1.48 | 1.46 | 0.11 | 36 | 1.1 | 8.7 | |
| Pb | 2008 - 2008 | 420 | 3,051.48 | 3012.92 | 365.91 | 4 | 1.3 | 1.0 | ||
| Zn | 2008 - 2008 | 419 | 2,873.15 | 2784.48 | 140 | 12 | 3.2 | 2.9 | ||
| Goldcorp | 1850OX | Ag | 2011 - 2015 | 1,078 | 34.02 | 34 | 1.2 | 18 | 0.1 | 1.7 |
| Au | 2011 - 2015 | 1,078 | 0.27 | 0.27 | 0.01 | 4 | -1.6 | 0.4 | ||
| Cu | 2011 - 2015 | 1,081 | 141.22 | 150 | 9 | 3 | -5.9 | 0.3 | ||
| Pb | 2011 - 2015 | 1,078 | 4,454.28 | 4400 | 203 | 1 | 1.2 | 0.1 | ||
| Zn | 2011 - 2015 | 1,078 | 20,384.97 | 21000 | 1300 | 2 | -2.9 | 0.2 | ||
| 1850T | Ag | 2011 - 2014 | 1,571 | 18.62 | 19 | 1 | 38 | -2.0 | 2.4 | |
| Au | 2011 - 2014 | 1,571 | 0.22 | 0.22 | 0.01 | 45 | -0.1 | 2.9 | ||
| Cu | 2011 - 2014 | 1,571 | 177.49 | 180 | 12 | 2 | -1.4 | 0.1 | ||
| Pb | 2011 - 2014 | 1,571 | 2,218.06 | 2200 | 131 | 1 | 0.8 | 0.1 | ||
| Zn | 2011 - 2014 | 1,571 | 4,020.6 | 3900 | 252 | 2 | 3.1 | 0.1 | ||
| CDN-ME-1307 | Ag | 2014 - 2018 | 451 | 55.41 | 54.1 | 1.55 | 21 | 2.4 | 4.7 | |
| Au | 2014 - 2018 | 451 | 1.01 | 1.02 | 0.04 | 5 | -0.9 | 1.1 | ||
| Cu | 2014 - 2018 | 451 | 5,501 | 5370 | 100 | 69 | 2.4 | 15.3 | ||
| Pb | 2014 - 2018 | 451 | 8,798.54 | 8640 | 180 | 35 | 1.8 | 7.8 | ||
| Zn | 2014 - 2018 | 451 | 7579.53 | 7460 | 130 | 47 | 1.6 | 10.4 | ||
| CDN-ME-15 | Ag | 2011 - 2012 | 813 | 33.95 | 34 | 1.85 | 18 | -0.1 | 2.2 | |
| Au | 2011 - 2012 | 813 | 1.4 | 1.39 | 0.05 | 28 | 1.1 | 3.4 | ||
| Cu | 2011 - 2012 | 813 | 133.32 | 140 | 5 | 22 | -4.8 | 2.7 | ||
| Pb | 2011 - 2012 | 813 | 3,945.83 | 4130 | 220 | 2 | -4.5 | 0.3 | ||
| Zn | 2011 - 2012 | 813 | 2,512.03 | 2510 | 130 | 2 | 0.1 | 0.3 | ||
| CDN-ME-16 | Ag | 2014 - 2015 | 882 | 32.07 | 30.8 | 1.1 | 55 | 4.1 | 6.2 | |
| Au | 2014 - 2015 | 882 | 1.47 | 1.48 | 0.07 | 35 | -0.6 | 4.0 | ||
| Cu | 2014 - 2015 | 882 | 6,830.31 | 6710 | 180 | 35 | 1.8 | 4.0 | ||
| Pb | 2014 - 2015 | 882 | 8,659.12 | 8790 | 200 | 40 | -1.5 | 4.5 | ||
| Zn | 2014 - 2015 | 882 | 8,176.88 | 8070 | 200 | 30 | 1.3 | 3.4 | ||
| CR14-01 | Ag | 2014 - 2014 | 687 | 11.76 | 11.5 | 0.89 | 3 | 2.2 | 0.4 | |
| Au | 2014 - 2014 | 687 | 0.21 | 0.21 | 0.03 | 18 | -0.4 | 2.6 | ||
| Cu | 2014 - 2015 | 698 | 165.3 | 170.5 | 13.16 | 11 | -3.1 | 1.6 | ||
| Pb | 2014 - 2014 | 687 | 1,356.86 | 1313.8 | 72.58 | 1 | 3.3 | 0.2 | ||
| Zn | 2014 - 2014 | 687 | 2,024.49 | 1927 | 136.88 | 0 | 5.1 | 0.0 | ||
| GS-P7H | Au | 2014 - 2015 | 266 | 0.79 | 0.8 | 0.02 | 7 | -1.2 | 2.6 | |
| Orla | CDN-ME-1404 | Ag | 2018 - 2023 | 123 | 59.65 | 60.1 | 1.6 | 0 | -0.8 | 0.0 |
| 11-6 | ![]() |
| Orla Mining Ltd. | Camino Rojo Project | March 18, 2026 |
| NI 43-101 Technical Report | SLR Project No.: 233.065118.00001 |
| Company | CRM | Element | Year Range | No. Samples | Mean (ppm) |
EV | SD | No. Failures |
Bias (%) |
Failures (%) |
| Au | 2018 - 2023 | 123 | 0.89 | 0.89 | 0.03 | 0 | 0.7 | 0.0 | ||
| Cu | 2018 - 2023 | 123 | 4,851.63 | 4868 | 109 | 1 | -0.3 | 0.8 | ||
| Pb | 2018 - 2023 | 123 | 3,742.03 | 3762 | 97 | 1 | -0.5 | 0.8 | ||
| Zn | 2018 - 2023 | 123 | 20,648.78 | 20600 | 380 | 1 | 0.2 | 0.8 | ||
| CDN-ME-1414 | Ag | 2018 - 2022 | 42 | 18.73 | 18.8 | 0.5 | 0 | -0.4 | 0.0 | |
| Au | 2018 - 2022 | 42 | 0.29 | 0.29 | 0.03 | 0 | 1.0 | 0.0 | ||
| Cu | 2018 - 2022 | 42 | 2,199.29 | 2210 | 47 | 1 | -0.5 | 2.4 | ||
| Pb | 2018 - 2022 | 42 | 1,050.48 | 1041 | 28 | 1 | 0.9 | 2.4 | ||
| Zn | 2018 - 2022 | 42 | 7,334.52 | 7269 | 155 | 2 | 0.9 | 4.8 | ||
| CDN-ME-1704 | Ag | 2023 - 2024 | 193 | 11.6 | 11.6 | 0.65 | 0 | 0.0 | 0.0 | |
| Au | 2023 - 2024 | 193 | 1 | 0.99 | 0.04 | 0 | 0.1 | 0.0 | ||
| Cu | 2023 - 2024 | 193 | 6,949.48 | 6920 | 140 | 0 | 0.4 | 0.0 | ||
| Pb | 2023 - 2024 | 193 | 484.41 | 490 | 15 | 0 | -1.1 | 0.0 | ||
| Zn | 2023 - 2024 | 193 | 7,940 | 8000 | 200 | 0 | -0.8 | 0.0 | ||
| CDN-ME-1706 | Ag | 2023 - 2024 | 281 | 11.9 | 11.7 | 0.6 | 4 | 1.7 | 1.42 | |
| Au | 2023 - 2024 | 280 | 2.06 | 2.06 | 0.08 | 0 | -0.1 | 0.0 | ||
| Cu | 2023 - 2024 | 281 | 8,262.42 | 8310 | 120 | 0 | -0.6 | 0 | ||
| Pb | 2023 - 2024 | 281 | 633.16 | 630 | 20 | 0 | 0.5 | 0.0 | ||
| Zn | 2023 - 2024 | 281 | 2,825.16 | 2910 | 10 | 6 | -2.92 | 2.14 | ||
| CDN-ME-2103 | Ag | 2024 - 2025 | 89 | 99.42 | 101 | 2.5 | 5 | -1.6 | 5.62 | |
| Au | 2024 - 2025 | 89 | 1 | 0.99 | 0.06 | 0 | 1.1 | 0.0 | ||
| Cu | 2024 - 2025 | 89 | 3,558.43 | 3570 | 65 | 0 | -0.3 | 0.0 | ||
| Pb | 2024 - 2025 | 89 | 2,211.8 | 2220 | 35 | 0 | -0.4 | 0.0 | ||
| Zn | 2024 - 2025 | 89 | 4,280.56 | 4280 | 110 | 1 | 0.01 | 1.1 | ||
| OxC145 | Au | 2018 - 2022 | 6 | 0.21 | 0.21 | 0.01 | 0 | 2.5 | 0.0 | |
| OxC152 | Au | 2023 - 2024 | 49 | 0.21 | 0.22 | 0.01 | 0 | -0.6 | 0.0 | |
| OxD127 | Au | 2018 - 2022 | 26 | 0.46 | 0.46 | 0.01 | 0 | -0.1 | 0.0 | |
| Oxi121 | Au | 2018 - 2024 | 44 | 1.79 | 1.83 | 0.05 | 1 | -2.3 | 2.3 | |
| CDN-ME-1409 | Ag | 2024-2025 | 52 | 12.17 | 11.6 | 0.8 | 2 | 4.94 | 3.85 | |
| Au | 2024-2025 | 53 | 0.66 | 0.65 | 0.035 | 0 | 2.43 | 0 | ||
| Cu | 2024-2025 | 54 | 2,417.41 | 2420 | 50 | 0 | -0.1 | 0 | ||
| Pb | 2024-2025 | 54 | 654.31 | 650 | 10 | 0 | 0.66 | 0 | ||
| Zn | 2024-2025 | 54 | 7,633.89 | 7710 | 190 | 0 | -0.99 | 0 |
|
Notes: EV: expected value SD: Standard deviation Unit (Au, Ag, Cu, Pb, Zn): ppm |
| 11-7 | ![]() |
| Orla Mining Ltd. | Camino Rojo Project | March 18, 2026 |
| NI 43-101 Technical Report | SLR Project No.: 233.065118.00001 |
| Figure 11-1: | Gold Z-Score Values by Company |

| Figure 11-2: | Control Charts of CRM CDN-ME-15 Results for Au-Ag-Cu-Pb-Zn for Goldcorp (2011–2015) |

| 11-8 | ![]() |
| Orla Mining Ltd. | Camino Rojo Project | March 18, 2026 |
| NI 43-101 Technical Report | SLR Project No.: 233.065118.00001 |
| 11-9 | ![]() |
| Orla Mining Ltd. | Camino Rojo Project | March 18, 2026 |
| NI 43-101 Technical Report | SLR Project No.: 233.065118.00001 |


| 11-10 | ![]() |
| Orla Mining Ltd. | Camino Rojo Project | March 18, 2026 |
| NI 43-101 Technical Report | SLR Project No.: 233.065118.00001 |
| Figure 11-3: | Control Charts of CRM CDN-ME-1706 Results for Au-Ag-Cu-Pb-Zn for Orla (2023–2025) |


| 11-11 | ![]() |
| Orla Mining Ltd. | Camino Rojo Project | March 18, 2026 |
| NI 43-101 Technical Report | SLR Project No.: 233.065118.00001 |


| 11-12 | ![]() |
| Orla Mining Ltd. | Camino Rojo Project | March 18, 2026 |
| NI 43-101 Technical Report | SLR Project No.: 233.065118.00001 |

| 11.4.3 | Blank Material |
The regular submission of blank material is used to assess contamination during sample preparation and to identify sample numbering errors.
Field blank samples consisted of barren material collected from different quarry locations during various drilling campaigns, with expected analyte concentrations below 0.005 ppm Au.
SLR has reviewed 9,231 coarse blank samples used throughout both DDH and RC drilling campaigns between 2007 and 2025. A threshold limit of ten times the Limit of Detection (LoD) for gold and silver was considered as failure criteria, and 100 times LoD for other base metals including copper, lead, and zinc, due to the significantly low LoD for the assay method used (ICP-AES).
SLR noted that the materials used during the Goldcorp phases up until 2015 exhibited a higher frequency of failures across all elements. Despite this, the overall number of rejected samples was minimal (less than 1%) compared to the accepted samples over time, and this did not affect the reliability of the assay results. An improvement was noted from 2018 during Orla drilling campaigns, due to continuous monitoring of laboratory results, as illustrated in Figure 11-4.
| 11-13 | ![]() |
| Orla Mining Ltd. | Camino Rojo Project | March 18, 2026 |
| NI 43-101 Technical Report | SLR Project No.: 233.065118.00001 |
| Figure 11-4: | Coarse Blank Samples: 2007–2025 |

| 11-14 | ![]() |
| Orla Mining Ltd. | Camino Rojo Project | March 18, 2026 |
| NI 43-101 Technical Report | SLR Project No.: 233.065118.00001 |
| 11.4.4 | Duplicates |
A description of the different types of duplicates used by Camino Rojo is provided in Table 11-5.
| Table 11-5: | Duplicate Types and Descriptions |
| Duplicate | Description |
| Field | A sample collected at the same time and from the same location as an original sample, such as a sample taken from a quarter of the original drill core sample interval. Since 2021, a duplicate sample has been taken from the second half of the drill core sample. |
| Coarse | Preparation duplicates - The second sample obtained from splitting the coarse crushed rock during sample preparation (better than 70% passing - 2 mm or 10 mesh). |
| Pulp | Assay (lab) duplicates - The second sample obtained from splitting the pulverized material during sample preparation. |
A database with 2,769 sample pairs collected between 2008 and 2025 was reviewed by SLR using statistical analysis, scatter plots, and HARD plots. Table 11-6 details the criteria for duplicate failures at Camino Rojo and presents the results obtained.
In 2024, SLR detected a wide pair dispersion for gold among all duplicate types. In 2025, Orla investigated this dispersion using a screening metallic analysis, which revealed a nuggety sample distribution (Sanfurgo 2025). Sanfurgo (2025) recommended additional tests, including changing the crushing protocol from 70% passing to a minimum of 90% passing 2 mm, and expanding screen tests to explore gold reporting to different size fractions.
The QP recommends changing the current sample preparation protocol from PREP-31 to PREP-31D for exploration samples:
| · | Core and rock sample (PREP-31): Crush to 70% passing 2 mm, riffle split a 250 g portion, and pulverize the split to better than 85% passing 75 microns. |
| · | Core and rock samples containing high-grade or coarse gold (PREP-31D): Crush to 90% passing 2 mm, riffle split a 1 kg portion and pulverize the split to better than 85% passing 75 microns. |
The QP has relaxed the acceptable HARD Index thresholds for gold to 40% for field duplicates, 30% for coarse duplicates, and 20% for pulp duplicates for review purposes. This adjustment was applied to calibrate the analysis with the observed coarse gold effect in the duplicates, found in the study by Sanfurgo (2025). The limits for field, coarse, and pulp duplicates for other elements (i.e., silver, copper, lead, and zinc) remain at the acceptable limits of 30%, 20%, and 10%, respectively.
| Table 11-6: | Camino Rojo Duplicates Precision – HARD Index (2008 to 2025) |
| Duplicate | No. | Threshold Limit | Failures | HARD Index | |||||
| Type | Samples | Au | Ag/Zn/Pb/Cu | Tolerance | Au (ppm) |
Ag (ppm) |
Cu (ppm) |
Pb (ppm) |
Zn (ppm) |
| Field | 1,836 | <40% | <30% | <10% | 22.3% | 17% | 7.2% | 15.5% | 12.9% |
| Coarse | 499 | <30% | <20% | <10% | 16.0% | 7.6% | 1.0% | 7.0% | 1.8% |
| Pulp | 656 | <20% | <10% | 5%<x<10% | 27.9% | 13.6% | 4.3% | 22.0% | 2.7% |
| 11-15 | ![]() |
| Orla Mining Ltd. | Camino Rojo Project | March 18, 2026 |
| NI 43-101 Technical Report | SLR Project No.: 233.065118.00001 |
| 11.4.4.1 | Field Duplicates |
During Canplats and Goldcorp phases between 2007 and 2015, field duplicates were taken from a rig split of the RC drilling chips or quartered drill core.
During Orla drilling phases between 2018 and 2022, field duplicates were splits of RC chips or quartered drill core, taken from the same material as the original sample, and submitted blind.
In 2023, drilling activities involved the utilization of smaller diameter holes, resulting in samples of reduced weight, potentially influencing the variability observed in field duplicate results.
From January 1 to May 26, 2023, duplicate samples were split, with one half sent for routine analysis and the other used as a field duplicate. Samples from highly fractured areas were quartered instead. Between May 26, 2023, and April 4, 2024, the sampling method was modified to divide the samples further, intending to better homogenize the duplicates. However, no significant change in results was observed. On April 4, 2024, the original sampling approach was reinstated without quartering the samples, as illustrated in Figure 11-5.
| Figure 11-5: | Field Duplicate Sampling Method |

The QP observed that field duplicates exhibited poor precision across all elements, likely due to in situ mineralization variability. Additionally, the inherent coarse gold effect in the Camino Rojo deposit may also contribute to this issue; however, the QP is of the opinion that the rejected failure rates are not significant (<23%), and the adjusted threshold limits for gold provide a more realistic scenario for controlling coarse gold. Figure 11-6 presents field duplicate scatter plots and HARD plots for gold, silver, copper, lead, and zinc.
| 11-16 | ![]() |
| Orla Mining Ltd. | Camino Rojo Project | March 18, 2026 |
| NI 43-101 Technical Report | SLR Project No.: 233.065118.00001 |
| Figure 11-6: | Field Duplicate Scatter and HARD plots for Au-Ag-Cu-Pb-Zn (2008 to 2025) |



| 11-17 | ![]() |
| Orla Mining Ltd. | Camino Rojo Project | March 18, 2026 |
| NI 43-101 Technical Report | SLR Project No.: 233.065118.00001 |


| 11.4.4.2 | Coarse Duplicates |
Coarse duplicate results showed accurate fits within a 20% threshold for silver, copper, lead, and zinc. Strong correlations were observed, and HARD rates for these elements remained below 10%. Three samples with zinc grades over 10,000 ppm (detection limit of primary method of analysis) were not rerun, and partial results are insufficient for comparison. The QP recommends using a subsequent assaying method to properly analyse samples that reach the detection limit of the primary method, which would provide proper data for comparison between coarse duplicate pairs.
Gold coarse duplicate pairs exhibit moderate scattering across all grade ranges, likely influenced by the deposit's nugget effect. HARD plots indicate that approximately 89% of the sample pairs are below a 30% relative difference, demonstrating acceptable precision levels for gold in coarse duplicates, as illustrated in Figure 11-7.
| 11-18 | ![]() |
| Orla Mining Ltd. | Camino Rojo Project | March 18, 2026 |
| NI 43-101 Technical Report | SLR Project No.: 233.065118.00001 |
| Figure 11-7: | Coarse Duplicate Scatter and HARD plots for Au-Ag-Cu-Pb-Zn (2008 to 2025) |



| 11-19 | ![]() |
| Orla Mining Ltd. | Camino Rojo Project | March 18, 2026 |
| NI 43-101 Technical Report | SLR Project No.: 233.065118.00001 |


| 11.4.4.3 | Pulp Duplicates |
Pulp duplicate pairs displayed moderate dispersion for gold in the scatter plots, reinforcing the presence of a coarse gold effect. HARD plots show that 85% of the sample pairs are below a 20% relative error difference, which is considered an acceptable rate. The QP recommends implementing gold screen metallic fire assays within the existing analytical protocol to reduce variability in high-grade gold samples.
For silver, copper, lead, and zinc, excellent correlations were observed, with most results aligning closely to the 45-degree line.
| 11-20 | ![]() |
| Orla Mining Ltd. | Camino Rojo Project | March 18, 2026 |
| NI 43-101 Technical Report | SLR Project No.: 233.065118.00001 |
| Figure 11-8: | Pulp Duplicate Scatter and HARD plots for Au-Ag-Cu-Pb-Zn (2008 to 2025) |



| 11-21 | ![]() |
| Orla Mining Ltd. | Camino Rojo Project | March 18, 2026 |
| NI 43-101 Technical Report | SLR Project No.: 233.065118.00001 |


| 11.4.5 | Check Assays |
Assayers Canada, an independent laboratory, conducted check assays on the same pulp samples previously assayed by ALS in 2008. A total of 152 check assays were selected from either drill core or RC pulp samples, which underwent fire assay for gold and ICP analysis for silver, copper, lead, and zinc.
The check assay results exhibited considerable variability across all gold grade ranges (Figure 11-9, likely due to the coarse gold effect in the Camino Rojo deposit. Silver, lead, and zinc showed good correlations, although some scattering was observed in all elements, especially at lower concentration grades (less than 10 ppm Ag, and less than 400 ppm Zn and Pb).
In 2019, an additional 48 pulp check assays from blasthole samples were submitted to Bureau Veritas, which returned strong correlations with the original ALS assay results.
The QP recommends implementing a periodic check assay program for drill hole samples at a third-party laboratory to continuously monitor the performance of the primary laboratory. The check assay programs should also include control samples.
| 11-22 | ![]() |
| Orla Mining Ltd. | Camino Rojo Project | March 18, 2026 |
| NI 43-101 Technical Report | SLR Project No.: 233.065118.00001 |
| Figure 11-9: | Check Assay Scatter and Q-Q plots: ALS vs. Assayers Canada (2007/2008) |


| 11-23 | ![]() |
| Orla Mining Ltd. | Camino Rojo Project | March 18, 2026 |
| NI 43-101 Technical Report | SLR Project No.: 233.065118.00001 |


| 11.5 | QA/QC Conclusions and Recommendations |
The QP is of the opinion that the protocols in place have been improved during the recent drilling phases, and a continuous correction of biases in a timely manner has been observed. In general, positive performances were achieved from CRMs and blanks, and acceptable precision rates from duplicates, considering the gold nugget effect at the Project, however, some improvements are recommended for the QA/QC program, including revising the existing sample preparation protocol, as follows:
| 1 | The procedures for sample preparation, security, and analytical testing are generally aligned with industry best practices, supporting the integrity and reliability of assay data. Performance from certified reference materials (CRMs), blanks, and duplicates indicate acceptable levels of accuracy and precision, particularly in the context of the Project's known coarse gold (nugget) effect. |
| 11-24 | ![]() |
| Orla Mining Ltd. | Camino Rojo Project | March 18, 2026 |
| NI 43-101 Technical Report | SLR Project No.: 233.065118.00001 |
| 2 | The sampling procedure for pulp duplicates, with an insertion rate of 1%, is adequate; however, the selection of samples should be non-random and specifically targeted to mineralized zones. |
| 3 | Change the sample preparation protocol from crushing to P70 2 mm to P90 2 mm and pulverize one kilogram samples to P85 75 microns, as evidence of coarse gold effect in duplicates is observed and confirmed by the recent gold screen metallic analysis undertaken on core duplicate samples. |
| 4 | Incorporate screen tests to explore gold reporting to different size fractions including screen meshes #2, #4, #10, and #150, to investigate the size distribution of the coarse gold fraction. |
| 5 | Continue gold screen metallic analysis for all sample types that report economic gold grades, including RC, blast hole, and core samples. Use the results to modify and optimize the sample preparation procedures accordingly. |
| 6 | Implement a check assay program with an umpire laboratory as a routine procedure, submitting pulp samples with representative grade distributions of the mineralization along with control samples. |
| 7 | Develop in-house reference standards for transitional and sulphide mineralization. |
| 8 | Continue to monitor QA/QC data to quickly identify and correct any deviations and keep detailed records of QA/QC procedures, tests, results, and corrective actions for accountability and traceability. |
| 11-25 | ![]() |
| Orla Mining Ltd. | Camino Rojo Project | March 18, 2026 |
| NI 43-101 Technical Report | SLR Project No.: 233.065118.00001 |
| 12.0 | Data Verification |
| 12.1 | Mineral Resources |
The SLR QP conducted cross-checks between the Camino Rojo assay database and ALS assay certificates, comparing values for Au, Ag, Pb, Cu, and Zn with the assay database records. The review found no significant discrepancies.
A detailed review encompassed a total of 630 drill holes, using data from 3,254 assay certificates spanning from 2007 to 2025, which included 229,273 core samples. Additionally, data from 135 RC drill holes were reviewed, comprising 171 certificates, with 16,337 samples cross-checked. Overall, the SLR QP verified 93% of the core and RC assays in the drill hole database.
Only minor discrepancies were detected during the cross-checking of drill hole samples, including seventeen samples from drill hole CRSX22-13, showing inconsistencies in gold values between the original certificate ZA22369755 and the database entries under certificate ZA23028924. Both certificates have identical gold grades, which differ from those in the assay database. The QP recommends investigating these discrepancies and correcting them accordingly in the assay database. Conversely, values for other elements were consistent with the original certificates.
For the RC samples, nine minor discrepancies were found exclusively with Pb overlimit measurements. Despite these findings, the discrepancies were deemed non-material due to the overall similarity between the certificate and database values.
The SLR QP is of the opinion that the database is well maintained and that database verification procedures for Camino Rojo comply with industry standards and are adequate for the purposes of Mineral Resource estimation.
| Table 12-1: | Summary of Assay Verification for Gold, Silver, Copper, Lead and Zinc |
| Drilling Type | Year | No. Samples* | No. Samples Compared |
% Samples Compared |
N Discrepancies | ||||
| Au | Ag | Cu | Pb | Zn | |||||
| RC | 2007 | 1,440 | 1,433 | 100% | - | ||||
| 2008 | 9,047 | 8,986 | 99% | - | - | - | - | - | |
| 2011 | 3,721 | 3,651 | 98% | - | - | - | - | - | |
| 2012 | 671 | 665 | 99% | - | - | - | - | - | |
| 2014 | 186 | 183 | 98% | - | - | - | - | - | |
| 2018 | 826 | 819 | 99% | - | - | - | - | - | |
| 2022 | 605 | 600 | 99% | - | - | - | - | - | |
| DDH | Historical | 15,797 | - | - | - | - | - | - | - |
| 2008 | 8,044 | 8,044 | 100% | - | - | - | - | - | |
| 2011 | 26,729 | 26,729 | 100% | - | - | - | - | - | |
| 2012 | 24,976 | 24,976 | 100% | - | - | - | - | - | |
| 2013 | 55,502 | 55,502 | 100% | - | - | - | - | - | |
| 2014 | 66,236 | 66,066 | 100% | - | - | - | - | - | |
| 12-1 | ![]() |
| Orla Mining Ltd. | Camino Rojo Project | March 18, 2026 |
| NI 43-101 Technical Report | SLR Project No.: 233.065118.00001 |
| Drilling Type | Year | No. Samples* | No. Samples Compared |
% Samples Compared |
N Discrepancies | ||||
| Au | Ag | Cu | Pb | Zn | |||||
| 2015 | 9,329 | 9,329 | 100% | - | - | - | - | - | |
| 2018 | 626 | 626 | 100% | - | - | - | - | - | |
| 2021 | 2,441 | 2,441 | 100% | - | - | - | - | - | |
| 2022 | 3,350 | 3,350 | 100% | - | - | - | - | - | |
| 2023 | 16,352 | 16,056 | 98% | 18 | - | - | - | - | |
| 2024 | 14,032 | 12,280 | 88% | - | - | - | - | - | |
| 2025 | 3,876 | 3,874 | 100% | - | - | - | - | - | |
| Total RC and Core | 263,786 | 245,610 | 93% | 18 | 1 | 0 | 0 | - | |
|
Notes:
(*) This number of samples accounts for valid gold values and excludes empty values. |
| 12.2 | Mineral Reserves |
The Orla QP for Mineral Reserves prepared checklists for the open-pit Mineral Reserves process to ensure that all relevant aspects have been considered in the estimations and workflow. The checklists include a list of factors to consider, based on the CIM Estimation of Mineral Resources & Mineral Reserves Best Practice Guidelines (2019) and are completed and signed for every Mineral Reserves update by the Qualified Persons and reviewers. The checklists were completed by the Orla QP with no outstanding concerns.
| 12.3 | Metallurgical Testing and Recovery Methods |
The KCA QP reviewed the available metallurgical test work data supporting the metallurgical recoveries, production data, assumptions used in the LOM plan and reviewed sustaining and operating cost forecasts for the process plant. Additionally, during the site visit, the KCA QP reviewed the heap leach and processing facilities, reviewed laboratory operating procedures and met with site metallurgists to discuss metallurgical accounting methods.
The BCR QP reviewed the available metallurgical test work data supporting the metallurgical recoveries used for the sulphide portion of the Mineral Resource estimate.
| 12-2 | ![]() |
| Orla Mining Ltd. | Camino Rojo Project | March 18, 2026 |
| NI 43-101 Technical Report | SLR Project No.: 233.065118.00001 |
| 13.0 | Mineral Processing and Metallurgical Testing |
The Project is currently in operation as an open pit mine with a heap leach operation for recovery of gold and silver values. Historical metallurgical test work programs on material from the Project that were commissioned by the prior operators, Canplats and Goldcorp, between 2009 and 2015, as well as test work programs carried out by Orla between 2019 and 2020, evaluated the amenability of the material to heap leaching for the recovery of gold and silver. These test work programs are summarized in Table 13-1. Since the start of operations in 2021, routine column and bottle roll leach tests have been completed on monthly production composites at Camino Rojo’s onsite lab.
| Table 13-1: | Camino Rojo Test Program Summary |
| Report | Provider | Sponsor | Description |
| An Investigation into the Amenability of 21 Camino Rojo Samples to Leaching & Flotation Processes, August 2009 | SGS Mineral Services | Canplats | Bottle Roll, Column Leach and Flotation Test Work on Drill Core Samples of Oxide, Sulphide and Transition Material |
| Camino Rojo Project Report on Metallurgical Test Work, April 2010 | KCA | Canplats | Cyanide shake tests on individual core intervals and column leach testing and characterization (whole rock analysis, multi-element analysis, percolation and agglomeration) on 16 composite samples of Oxide, Sulphide and Transition Material |
| Camino Rojo Project Report on Metallurgical Test Work, May 2012 | KCA | Goldcorp | Head analyses, bottle roll leach testing, agglomeration testing and column leach testing on 14 composite samples from half split HQ core. |
| Camino Rojo Final Report, March 2014 | Blue Coast Research | Goldcorp | Variability on small scale gravity, flotation and leach testing plus flotation flowsheet development and mineralogical analysis |
| Camino Rojo Variability, May 2014 | Hazen Research | Goldcorp | Grinding, flotation and cyanide leaching tests on sulphide and transition material |
| Camino Rojo Project Report on Metallurgical Test Work, October 2014 | KCA | Goldcorp | Direct and CIL bottle roll tests on 34 cut and broken core intervales from eight drill holes |
| Camino Rojo Project Report on Metallurgical Test Work, August 2015 | KCA | Goldcorp | Head analyses, preg-robbing test work, direct and CIL bottle roll leach tests and column leach tests on 13 composites from broken HQ core |
| Camino Rojo Project Kp, Ki, TrSx(H), TrHi and TrLo Composites Report on Metallurgical Test Work, June 2019 | KCA | Orla | Head analyses, physical characterization, bottle roll leach tests, agglomeration tests, column leach tests and diagnostic leach tests on composite samples from PQ core material |
| 13-1 | ![]() |
| Orla Mining Ltd. | Camino Rojo Project | March 18, 2026 |
| NI 43-101 Technical Report | SLR Project No.: 233.065118.00001 |
| Report | Provider | Sponsor | Description |
| Camino Rojo Project TrLo Composite (AAO) Report of Metallurgical Test Work, December 2020 | KCA | Orla | Preliminary oxidative treatment work to evaluate alkaline atmospheric oxidation as a pre-treatment for heap leach material |
| 13.1 | Heap Leach and Cyanidation Test Work |
| 13.1.1 | Historical Test Work Summary |
Historical heap leach and cyanidation test work includes 107 column leach tests and 164 bottle roll leach tests completed between 2009 and 2019 and formed the recovery estimates for gold and silver and reagent requirements for the Camino Rojo operation. Only tests on representative samples were used for the recovery analysis and included 85 column leach tests (41 on Kp Oxide material, 7 on Ki Oxide material, 16 on Trans-Hi material and 21 Trans-Lo material) and 54 bottle roll leach tests with direct correlations with the column leach tests. Key results and design parameters from the historical test work were:
| · | Crush size of 100% passing 38mm (P80 28mm). |
| · | Estimated gold recoveries (including 2% field deduction) of: |
| o | 70% for Kp Oxide; |
| o | 56% for Ki Oxide; |
| o | 60% for Trans-Hi; and |
| o | 40% for Trans-Lo; |
| · | Estimated silver recoveries (including 3% field deduction) of: |
| o | 11% for Kp Oxide; |
| o | 15% for Ki Oxide; |
| o | 27% for Trans-Hi; and |
| o | 34% for Trans-Lo. |
| · | Design leach cycle of 80 days. |
| · | Agglomeration with cement not required for permeability or stability. |
| · | Average cyanide consumption of 0.35 kg/t ore. |
| · | Average lime consumption of 1.25 kg/t ore. |
Sample locations for the historical heap leach test work is presented in Figure 13-1. Recoveries for gold and silver vs. the 80% passing material crush size for Kp Oxide, Ki Oxide, Trans-Hi and Trans-Lo is presented in Figure 13-2 through Figure 13-5, respectively.
| 13-2 | ![]() |
| Orla Mining Ltd. | Camino Rojo Project | March 18, 2026 |
| NI 43-101 Technical Report | SLR Project No.: 233.065118.00001 |
| Figure 13-1: | Column Leach Test Sample Locations |

Source: Orla 2019.
| 13-3 | ![]() |
| Orla Mining Ltd. | Camino Rojo Project | March 18, 2026 |
| NI 43-101 Technical Report | SLR Project No.: 233.065118.00001 |
| Figure 13-2: | Kp Oxide Recovery vs. Crush Size |

| Figure 13-3: | Ki Oxide Recovery vs. Crush Size |

| 13-4 | ![]() |
| Orla Mining Ltd. | Camino Rojo Project | March 18, 2026 |
| NI 43-101 Technical Report | SLR Project No.: 233.065118.00001 |
| Figure 13-4: | Trans-Hi Recovery vs. Crush Size |

| Figure 13-5: | Trans-Lo Recovery vs. Crush Size |

Results from the historical test work generally showed improved recoveries with finer crushing with decreasing recovery improvements for gold at crush sizes finer that P80 25mm. Silver recoveries were significantly more sensitive to crush size than gold recoveries.
A crushed product size of 100% passing 38mm (P80 ~28mm) was selected to minimize crushing requirements and recover most of the recoverable gold and silver. Estimated recoveries by material type at P80 28mm, including a 2% field deduction for gold and 3% field deduction for silver, from the historical test work is presented in Table 13-2.
| 13-5 | ![]() |
| Orla Mining Ltd. | Camino Rojo Project | March 18, 2026 |
| NI 43-101 Technical Report | SLR Project No.: 233.065118.00001 |
| Table 13-2: | Estimated Recoveries by Material Type for P80 28mm Crush Size |
| Material Type | Au | Ag |
| Kp Oxide | 70% | 11% |
| Ki Oxide | 56% | 15% |
| Transition-hi | 60% | 27% |
| Transition-lo | 40% | 34% |
Cyanide consumption and minimum lime addition were calculated based on the averages from the column leach tests and are presented Table 13-3 and Table 13-4, respectively. Field cyanide consumptions were estimated at 35% of the lab consumptions.
| Table 13-3: | Projected Field Cyanide Consumptions by Material Type |
| Material Type | NaCN Consumption (kg/t) |
| Kp Ox | 0.32 |
| Ki Ox | 0.38 |
| Trans-Hi | 0.37 |
| Trans-Lo | 0.37 |
| Wt. Avg., All | 0.35 |
| Table 13-4: | Projected Field Lime Consumptions by Material Type |
| Material Type | Quicklime Consumption (kg/t) |
| Kp Ox | 1.26 |
| Ki Ox | 1.16 |
| Trans-Hi | 1.24 |
| Trans-Lo | 1.32 |
| Wt. Avg. All | 1.25 |
Preg robbing material was identified in some the historical test work and presents a low to moderate risk to the overall Project. A detailed investigation by Orla into the preg-robbing material along with preg-robbing test work completed by KCA indicated that the preg-robbing material will most likely not be encountered until later in the Project life and can be mitigated by proper ore control
| 13.1.2 | Kappes, Cassiday & Associates (2020) |
Results from the 2020 KCA program summarized herein were extracted from the KCA laboratory report titled “Camino Rojo Project TrLo Composite (AAO) Report of Metallurgical Test Work” dated December 2020.
| 13-6 | ![]() |
| Orla Mining Ltd. | Camino Rojo Project | March 18, 2026 |
| NI 43-101 Technical Report | SLR Project No.: 233.065118.00001 |
Preliminary oxidative treatment test work was conducted by KCA in 2020 to evaluate an alkaline atmospheric oxidation (AAO) process as a pre-treatment for heap leach material. The AAO process is designed to oxidize sulphide material by agglomerating the material with cement and soda ash and circulating an alkaline solution through the material along with air sparging. The alkaline solution is circulated for several weeks before being rinsed with water followed by normal cyanide leaching. The preliminary AAO test program included two column leach tests on Trans-Lo material crushed to -9.5 mm (one with AAO pre-treatment and one without). Results for the AAO column leach tests are presented in Table 13-5.
| 13-7 | ![]() |
| Orla Mining Ltd. | Camino Rojo Project | March 18, 2026 |
| NI 43-101 Technical Report | SLR Project No.: 233.065118.00001 |
| Table 13-5: | AAO Column Leach Test Results |
| KCA Sample No. |
Description | Calculated Head (g/t Au) |
Extracted (g/t Au) |
Weighted Avg. Tail Screen (g/t Au) |
Extracted (% Au) |
Calculated Tail P80 Size (mm) |
Days of Leach |
Consumption NaCN (kg/t) |
Addition Cement (kg/t) |
| 85104 A | TrLo Composite (AAO) | 0.896 | 0.624 | 0.272 | 70% | 6.11 | 105 | 2.32 | 4.03 |
| 85104 A | TrLo Composite | 0.847 | 0.516 | 0.331 | 61% | 7.08 | 97 | 2.74 | 4.07 |
| KCA Sample No. |
Description | Calculated Head (g/t Ag) |
Extracted (g/t Ag) |
Weighted Avg. Tail Screen (g/t Ag) |
Extracted (% Ag) |
Calculated Tail P80 Size (mm) |
Days of Leach |
Consumption NaCN (kg/t) |
Addition Cement (kg/t) |
| 85104 A | TrLo Composite (AAO) | 18.15 | 11.77 | 6.38 | 65% | 6.11 | 105 | 2.32 | 4.03 |
| 85104 A | TrLo Composite | 18.68 | 11.71 | 6.97 | 63% | 7.08 | 97 | 2.74 | 4.07 |
| 13-8 | ![]() |
| Orla Mining Ltd. | Camino Rojo Project | March 18, 2026 |
| NI 43-101 Technical Report | SLR Project No.: 233.065118.00001 |
The AAO pre-treated column achieved 11% higher recovery compared to the column without pre-treatment suggesting that there may be an opportunity to increase recoveries on transition and mixed sulphide material with AAO pre-treatment. Additional test work is required to confirm these results and optimize reagent requirements for the process and will need to be completed before any evaluations of potential economic benefits can be made.
| 13.1.3 | Production Column and Bottle Roll Test Work |
Routine bottle roll and column leach tests have been completed on composites from the crushed product overland conveyor beginning in October of 2021. Bottle roll tests are typically performed on weekly and monthly composites and column tests performed on monthly composites in duplicate. As of September 2025, 103 production composite column leach tests have been completed or are in progress along with 271 bottle roll leach tests.
For the column leach tests, the composite samples are screened to determine the P80 crush size, assayed for gold and silver, then leached for approximately 90 days. Results for the 92 completed columns are presented in Table 13-6
| Table 13-6: | Monthly Production Composite Column Leach Tests |
| Identification | Crush Size (mm) |
Calculated Head (g/t) |
Days of Leach |
Consumption (g/t) |
% Recovery | |||
| Au | Ag | CN | Lime | %Au | %Ag | |||
| Oct-21 prueba 1 | 38.6 | 0.607 | 14.74 | 97 | 627 | 1250 | 68.8 | 3.7 |
| Oct-21 prueba 2 | 38.6 | 0.607 | 14.74 | 97 | 580 | 1250 | 71.3 | 4.6 |
| Nov-21 prueba 1 | 38.2 | 0.642 | 8.58 | 97 | 488 | 1250 | 70.2 | 2.6 |
| Nov-21 prueba 2 | 38.2 | 0.642 | 8.58 | 97 | 670 | 1250 | 66.4 | 2.3 |
| Dic-21 prueba 2 | 23.6 | 0.859 | 14.33 | 87 | 632 | 1250 | 62.6 | 2.1 |
| Dic-21 prueba 2-Continuación | 22.8 | 0.859 | 14.33 | 163 | 1598 | 1250 | 71.0 | 2.7 |
| Ene-22 prueba 1 | 36.7 | 0.699 | 10.43 | 87 | 756 | 1250 | 64.7 | 4.9 |
| Ene-22 prueba 2 | 36.7 | 0.699 | 10.43 | 87 | 754 | 1250 | 62.7 | 5.3 |
| Feb-22 prueba 1 | 32.2 | 1.257 | 12.36 | 87 | 711 | 1350 | 72.2 | 2.1 |
| Feb-22 prueba 2 | 32.2 | 1.257 | 12.36 | 87 | 740 | 1350 | 72.5 | 2.6 |
| Mar-22 prueba 1 | 30.0 | 0.866 | 11.62 | 87 | 698 | 1380 | 70.4 | 2.3 |
| Mar-22 prueba 2 | 30.0 | 0.866 | 11.62 | 87 | 779 | 1380 | 71.8 | 2.0 |
| Abr-22 prueba 1 | 26.8 | 0.716 | 10.69 | 90 | 762 | 1380 | 74.6 | 2.2 |
| Abr-22 prueba 2 | 26.8 | 0.716 | 10.69 | 90 | 719 | 1380 | 72.4 | 1.8 |
| May-22 prueba 1 | 27.9 | 0.661 | 11.27 | 91 | 738 | 1380 | 64.3 | 1.9 |
| May-22 prueba 2 | 27.9 | 0.661 | 11.27 | 91 | 675 | 1380 | 63.5 | 1.8 |
| Jun-22 prueba 1 | 31.4 | 0.792 | 14.00 | 90 | 761 | 1380 | 71.0 | 1.8 |
| Jun-22 prueba 2 | 31.4 | 0.792 | 14.00 | 90 | 680 | 1380 | 74.9 | 1.8 |
| Jul-22 prueba 1 | 25.9 | 0.812 | 10.94 | 90 | 650 | 1380 | 67.2 | 1.6 |
| 13-9 | ![]() |
| Orla Mining Ltd. | Camino Rojo Project | March 18, 2026 |
| NI 43-101 Technical Report | SLR Project No.: 233.065118.00001 |
| Identification | Crush Size (mm) |
Calculated Head (g/t) |
Days of Leach |
Consumption (g/t) |
% Recovery | |||
| Au | Ag | CN | Lime | %Au | %Ag | |||
| Jul-22 prueba 2 | 25.9 | 0.812 | 10.94 | 90 | 700 | 1380 | 68.2 | 1.5 |
| Ago-22 prueba 1 | 28.8 | 0.883 | 6.85 | 91 | 652 | 1380 | 72.6 | 2.9 |
| Ago-22 prueba 2 | 28.8 | 0.883 | 6.85 | 91 | 562 | 1380 | 71.2 | 2.7 |
| Sep-22 prueba 1 | 27.1 | 0.889 | 8.26 | 90 | 426 | 1380 | 76.5 | 2.5 |
| Sep-22 prueba 2 | 27.1 | 0.889 | 8.26 | 90 | 423 | 1380 | 74.7 | 3.0 |
| Oct-22 prueba 1 | 33.6 | 0.775 | 11.18 | 90 | 533 | 1380 | 70.5 | 1.6 |
| Oct-22 prueba 2 | 33.6 | 0.775 | 11.18 | 90 | 567 | 1380 | 69.8 | 1.5 |
| Nov-22 prueba 1 | 28.9 | 0.694 | 13.96 | 90 | 611 | 1380 | 77.3 | 2.6 |
| Nov-22 prueba 2 | 28.9 | 0.694 | 13.96 | 90 | 450 | 1380 | 76.3 | 2.7 |
| Dic-22 prueba 1 | 27.9 | 0.670 | 16.49 | 90 | 566 | 1380 | 71.1 | 3.3 |
| Dic-22 prueba 2 | 27.9 | 0.670 | 16.49 | 90 | 518 | 1380 | 81.5 | 3.4 |
| Dic-22 Rep | 27.9 | 0.670 | 16.49 | 90 | 425 | 1380 | 75.5 | 2.8 |
| Ene-23 prueba 1 | 28.2 | 0.630 | 13.35 | 90 | 529 | 1730 | 72.7 | 3.3 |
| Ene-23 prueba 2 | 28.2 | 0.630 | 13.35 | 90 | 466 | 1730 | 71.3 | 2.2 |
| Feb-23 prueba 1 | 29.0 | 0.690 | 17.69 | 90 | 584 | 1730 | 71.0 | 3.5 |
| Feb-23 prueba 2 | 29.0 | 0.690 | 17.69 | 90 | 593 | 1730 | 72.1 | 3.0 |
| Mar-23 prueba 1 | 29.5 | 0.728 | 6.86 | 90 | 514 | 1730 | 70.5 | 2.9 |
| Mar-23 prueba 2 | 29.5 | 0.728 | 6.86 | 90 | 543 | 1730 | 69.8 | 3.7 |
| Abr-23 prueba 1 | 27.9 | 0.531 | 16.87 | 90 | 674 | 1730 | 65.9 | 4.3 |
| Abr-23 prueba 2 | 27.9 | 0.531 | 16.87 | 90 | 712 | 1730 | 69.1 | 4.3 |
| May-23 prueba 1 | 27.5 | 0.608 | 7.78 | 90 | 640 | 1730 | 71.4 | 9.3 |
| May-23 prueba 2 | 27.5 | 0.608 | 7.78 | 90 | 596 | 1730 | 71.5 | 8.8 |
| Jun -23 prueba 2 | 25.0 | 0.751 | 3.73 | 90 | 549 | 1726 | 64.9 | 7.5 |
| Jun-23 prueba 3 | 25.0 | 0.751 | 3.73 | 90 | 549 | 1726 | 69.4 | 7.2 |
| Jul -23 prueba 1 | 28.0 | 0.891 | 8.22 | 90 | 445 | 1709 | 69.1 | 10.2 |
| Jul-23 prueba 2 | 28.0 | 0.891 | 8.22 | 90 | 463 | 1707 | 69.4 | 9.9 |
| Jul -23 prueba 3 | 24.3 | 0.649 | 5.44 | 90 | 339 | 1930 | 72.8 | 9.4 |
| Pueba p80 23 mm 1 | 23.0 | 0.777 | 7.98 | 90 | 394 | 1721 | 81.1 | 14.3 |
| Pueba p80 23 mm 2 | 23.0 | 0.777 | 7.98 | 90 | 363 | 1719 | 80.5 | 13.0 |
| Ago -23 prueba 1 | 23.7 | 0.861 | 5.67 | 90 | 338 | 1696 | 80.6 | 14.8 |
| Ago -23 prueba 2 | 23.7 | 0.861 | 5.67 | 90 | 289 | 1699 | 79.4 | 15.0 |
| Sep -23 prueba 1 | 24.9 | 0.772 | 6.06 | 90 | 537 | 3631 | 78.1 | 11.3 |
| 13-10 | ![]() |
| Orla Mining Ltd. | Camino Rojo Project | March 18, 2026 |
| NI 43-101 Technical Report | SLR Project No.: 233.065118.00001 |
| Identification | Crush Size (mm) |
Calculated Head (g/t) |
Days of Leach |
Consumption (g/t) |
% Recovery | |||
| Au | Ag | CN | Lime | %Au | %Ag | |||
| Sep -23 prueba 2 | 24.9 | 0.772 | 6.06 | 90 | 482 | 3606 | 79.2 | 12.3 |
| Sep-23 prueba 3 | 24.3 | 0.427 | 8.28 | 90 | 275 | 1853 | 78.5 | 11.9 |
| Oct -23 prueba 1 | 24.3 | 0.678 | 7.99 | 90 | 177 | 4275 | 75.9 | 15.0 |
| Oct -23 prueba 2 | 24.3 | 0.678 | 7.99 | 90 | 273 | 4208 | 72.8 | 12.6 |
| Nov -23 prueba 1 | 24.5 | 0.569 | 10.40 | 90 | 235 | 4197 | 71.7 | 8.8 |
| Nov -23 prueba 2 | 24.5 | 0.569 | 10.40 | 90 | 218 | 4161 | 80.6 | 12.9 |
| Dic -23 prueba 1 | 26.4 | 0.748 | 6.22 | 90 | 217 | 4141 | 73.5 | 23.6 |
| Dic -23 prueba 2 | 26.4 | 0.748 | 6.22 | 90 | 222 | 4130 | 79.3 | 24.6 |
| Dic -23 prueba 3 | 26.4 | 0.745 | 7.87 | 90 | 286 | 1917 | 82.3 | 17.9 |
| Ene -24 prueba 1 | 29.3 | 0.755 | 10.27 | 90 | 254 | 1968 | 75.3 | 19.7 |
| Ene -24 prueba 2 | 29.3 | 0.755 | 10.27 | 90 | 282 | 1930 | 77.0 | 17.5 |
| Feb -24 prueba 1 | 25.1 | 0.660 | 16.43 | 90 | 316 | 1884 | 85.4 | 23.7 |
| Feb -24 prueba 2 | 25.1 | 0.660 | 16.43 | 90 | 322 | 1900 | 85.2 | 18.2 |
| Mar-24 prueba 1 | 26.1 | 0.747 | 20.47 | 90 | 352 | 1917 | 78.3 | 30.8 |
| Mar-24 prueba 2 | 26.1 | 0.747 | 20.47 | 90 | 357 | 1978 | 75.1 | 23.9 |
| Abr-24 prueba 1 | 24.7 | 0.664 | 8.05 | 90 | 269 | 1996 | 74.5 | 15.6 |
| Abr-24 prueba 2 | 24.7 | 0.664 | 8.05 | 90 | 332 | 1986 | 74.1 | 15.9 |
| May-24 prueba 1 | 24.7 | 0.521 | 17.52 | 90 | 360 | 2069 | 74.0 | 21.9 |
| May-24 prueba 3 | 24.7 | 0.521 | 17.52 | 90 | 503 | 2008 | 71.9 | 26.0 |
| Jun-24 prueba 1 | 24.5 | 0.673 | 8.85 | 90 | 509 | 1757 | 69.9 | 27.1 |
| Jun-24 prueba 2 | 24.5 | 0.673 | 8.85 | 90 | 377 | 1856 | 72.7 | 26.4 |
| Jul-24 prueba 1 | 24.6 | 1.052 | 12.76 | 90 | 479 | 1870 | 77.0 | 21.0 |
| Jul-24 prueba 2 | 24.6 | 1.052 | 12.76 | 90 | 424 | 1861 | 77.5 | 18.9 |
| Ago-24 prueba 1 | 25.1 | 0.658 | 11.36 | 90 | 472 | 1808 | 73.9 | 19.8 |
| Ago-24 prueba 2 | 25.1 | 0.658 | 11.36 | 90 | 505 | 1831 | 72.5 | 24.6 |
| Sep-24 prueba 1 | 24.3 | 0.703 | 11.87 | 90 | 523 | 1810 | 71.7 | 24.5 |
| Sep-24 prueba 2 | 24.3 | 0.703 | 11.87 | 90 | 522 | 1779 | 71.7 | 20.8 |
| Oct-24 prueba 1 | 24.3 | 0.990 | 18.53 | 90 | 531 | 2031 | 65.5 | 26.4 |
| Oct-24 prueba 2 | 24.3 | 0.990 | 18.53 | 90 | 514 | 2046 | 69.2 | 25.3 |
| Oct-24 prueba 3 | 24.3 | 0.990 | 18.53 | 90 | 1711 | 2921 | 66.2 | 28.2 |
| Nov-24 prueba 1 | 24.2 | 0.724 | 15.69 | 90 | 492 | 1789 | 72.4 | 20.3 |
| Nov-24 prueba 2 | 24.2 | 0.724 | 15.69 | 90 | 532 | 1797 | 69.4 | 21.7 |
| 13-11 | ![]() |
| Orla Mining Ltd. | Camino Rojo Project | March 18, 2026 |
| NI 43-101 Technical Report | SLR Project No.: 233.065118.00001 |
| Identification | Crush Size (mm) |
Calculated Head (g/t) |
Days of Leach |
Consumption (g/t) |
% Recovery | |||
| Au | Ag | CN | Lime | %Au | %Ag | |||
| Dec-24 test 1 | 24.9 | 0.748 | 10.12 | 90 | 621 | 1692 | 82.2 | 16.7 |
| Dec-24 test 2 | 24.9 | 0.748 | 10.12 | 90 | 625 | 1685 | 77.8 | 17.2 |
| Jan-25 test 1 | 24.8 | 0.543 | 9.64 | 106 | 586 | 1699 | 56.4 | 27.6 |
| Jan-25 test 2 | 24.8 | 0.543 | 9.64 | 106 | 596 | 1710 | 56.7 | 23.0 |
| Jan-25 test 3 | 24.8 | 0.543 | 9.64 | 90 | 435 | 1624 | 61.5 | 23.7 |
| Feb-25 test 1 | 24.3 | 0.781 | 7.65 | 103 | 563 | 1652 | 66.3 | 24.0 |
| Feb-25 test 2 | 24.3 | 0.781 | 7.65 | 103 | 821 | 1511 | 61.4 | 20.2 |
| Mar-25 test 1 | 22.7 | 0.521 | 8.19 | 103 | 497 | 1651 | 60.2 | 30.9 |
| Mar-25 test 2 | 22.7 | 0.521 | 8.19 | 103 | 567 | 1613 | 63.0 | 31.3 |
The average recovery for gold from the monthly composite column leach tests is 72% and silver is 12%. To date, approximately 75% of the ore processed (including pad overliner) has been classified as Kp Oxide material and 15% Ki material and these recovery estimates are in line with the historical recovery estimates for gold and for silver. Similar to the historical test work, the production column test work shows a slight correlation between crush size and recovery with higher recoveries at finer product sizes as shown in Figure 13-6.
| Figure 13-6: | Production Column Leach Tests Crush Size vs. Recovery |

For the bottle rolls, 96-hour leach tests are typically performed on weekly and monthly composites on material as received from the crushing circuit or further crushed to 9.5 mm (3/8”). The average gold recovery for the bottle roll tests was 58% and the average silver recovery was 31%. Gold recoveries were consistently lower compared to the column leach tests on the same material with significantly higher silver recoveries in the bottle roll tests. The QP believes the lower gold recoveries are a function of the reduced leach time compared to the columns and it is unclear why the silver recoveries are significantly higher. Average monthly column composite recoveries vs. recoveries for monthly bottle roll composites are shown in Table 13-7.
| 13-12 | ![]() |
| Orla Mining Ltd. | Camino Rojo Project | March 18, 2026 |
| NI 43-101 Technical Report | SLR Project No.: 233.065118.00001 |
| Table 13-7: | Average Monthly Production Column Recoveries vs. Monthly Composite Bottle Roll Recoveries |
| Month | Column Recovery, % | Bottle Roll Recovery, % | ||
| Au | Ag | Au | Ag | |
| 21-Oct | 70.0 | 4.2 | 47.2 | 12.8 |
| 21-Nov | 68.3 | 2.5 | 39.8 | 12.6 |
| 21-Dec | 66.8 | 2.4 | 59.7 | 19.5 |
| 22-Jan | 63.7 | 5.1 | 36.2 | 21.5 |
| 22-Feb | 72.4 | 2.4 | 40.5 | 23.0 |
| 22-Mar | 71.1 | 2.1 | 47.9 | 24.3 |
| 22-Apr | 73.5 | 2.0 | 52.5 | 25.4 |
| 22-May | 63.9 | 1.8 | 40.1 | 18.9 |
| 22-Jun | 72.9 | 1.8 | 62.0 | 38.9 |
| 22-Jul | 67.7 | 1.6 | 69.6 | 26.2 |
| 22-Aug | 71.9 | 2.8 | 69.0 | 24.7 |
| 22-Sep | 75.6 | 2.7 | 67.8 | 29.4 |
| 22-Oct | 70.2 | 1.6 | 71.8 | 24.6 |
| 22-Nov | 76.8 | 2.7 | 63.9 | 25.2 |
| 22-Dec | 76.1 | 3.2 | 68.8 | 39.8 |
| 23-Jan | 72.0 | 2.8 | 61.6 | 37.8 |
| 23-Feb | 71.6 | 3.3 | 68.5 | 27.1 |
| 23-Mar | 70.2 | 3.3 | 69.4 | 34.8 |
| 23-Apr | 67.5 | 4.3 | 71.2 | 34.7 |
| 23-May | 71.4 | 9.0 | 76.7 | 37.7 |
| 23-Jun | 67.1 | 7.3 | 60.1 | 30.0 |
| 23-Jul | 70.4 | 9.8 | 66.5 | 31.6 |
| 23-Aug | 80.0 | 14.9 | 75.5 | 25.8 |
| 23-Sep | 78.6 | 11.8 | 64.8 | 19.3 |
| 23-Oct | 74.4 | 13.8 | 62.7 | 23.5 |
| 23-Nov | 76.2 | 10.8 | 60.6 | 26.4 |
| 23-Dec | 78.4 | 22.0 | 62.4 | 33.0 |
| 13-13 | ![]() |
| Orla Mining Ltd. | Camino Rojo Project | March 18, 2026 |
| NI 43-101 Technical Report | SLR Project No.: 233.065118.00001 |
| Month | Column Recovery, % | Bottle Roll Recovery, % | ||
| Au | Ag | Au | Ag | |
| 24-Jan | 76.2 | 18.6 | 56.2 | 34.0 |
| 24-Feb | 85.3 | 21.0 | 73.8 | 34.2 |
| 24-Mar | 76.7 | 27.3 | 72.5 | 39.3 |
| 24-Apr | 74.3 | 15.8 | 66.5 | 33.8 |
| 24-May | 72.9 | 24.0 | 77.3 | 39.4 |
| 24-Jun | 71.3 | 26.8 | 58.0 | 41.3 |
| 24-Jul | 77.2 | 19.9 | 63.7 | 26.2 |
| 24-Aug | 73.2 | 22.2 | 61.4 | 34.3 |
| 24-Sep | 71.7 | 22.7 | 55.3 | 39.8 |
| 24-Oct | 67.0 | 26.6 | 58.3 | 36.9 |
| 24-Nov | 70.9 | 21.0 | 55.2 | 36.0 |
| 24-Dec | 80.0 | 17.0 | 57.5 | 39.0 |
| 25-Jan | 58.2 | 24.8 | 52.2 | 38.6 |
| 25-Feb | 63.9 | 22.1 | 62.0 | 34.4 |
| 25-Mar | 61.6 | 31.1 | 36.3 | 42.7 |
| 25-Apr | 63.8 | 27.2 | 44.2 | 39.0 |
| 25-May | 62.8 | 28.8 | 45.4 | 35.6 |
| 25-Jun | 72.8 | 17.9 | 15.1 | 28.1 |
| 25-Jul | 43.2 | 21.9 | 32.0 | 34.5 |
| 25-Aug | 44.8 | 8.5 | 56.9 | 30.0 |
| *Column tests for April to August 2025 have not been completed, recovery estimates are based on solution and are not official recoveries. | ||||
Lime addition for the production column leach tests averaged 1.85 kg/t and cyanide consumptions averaged 0.54 kg/t, which corresponds to an estimated field consumption of 0.19 kg/t. Production consumption data from January 2024 until September 2025 showed and average lime addition of 2.44 kg/t and a cyanide consumption of 0.23 kg/t. Compared to the production column and historical estimates, the production cyanide consumption is lower than predicted and the lime addition is higher. A comparison of model predictions, column, and production consumptions of cyanide and lime are presented in Figure 13-7 and Figure 13-8, respectively.
| 13-14 | ![]() |
| Orla Mining Ltd. | Camino Rojo Project | March 18, 2026 |
| NI 43-101 Technical Report | SLR Project No.: 233.065118.00001 |
| Figure 13-7: | Column and Production Cyanide Consumption |

| Figure 13-8: | Modeled, Column and Production Lime Consumption |

| 13-15 | ![]() |
| Orla Mining Ltd. | Camino Rojo Project | March 18, 2026 |
| NI 43-101 Technical Report | SLR Project No.: 233.065118.00001 |
| 13.1.4 | Heap Leach & Cyanidation Test Work Conclusions |
Based on the results of the historical and ongoing site production test data, along with site production data presented in Section 17.2, the QP from KCA recommends the following:
| · | Crush size of 100% passing 35mm (P80 25mm), with the exception of ROM. |
| · | Estimated gold recoveries (including 2% field deduction) of: |
| o | 70% for Kp Oxide; |
| o | 56% for Ki Oxide; |
| o | 60% for Trans-Hi; |
| o | 40% for Trans-Lo; and |
| · | Estimated silver recoveries (including 3% field deduction) of: |
| o | 11% for Kp Oxide; |
| o | 15% for Ki Oxide; |
| o | 27% for Trans-Hi; |
| o | 34% for Trans-Lo; and |
| · | Design leach cycle of 90 days. |
| · | Average cyanide consumption of 0.25 kg/t ore. |
| · | Average lime consumption of 3.5 kg/t ore. |
| · | Preg-robbing has not been a material issue during production and is not expected to present any significant risks to the project. |
The updated production parameters consider using the same recoveries for gold and silver as the previous estimates. Realized recoveries for gold are in close agreement with the predicted recoveries and are supported by the onsite production column results. Silver recoveries, both realized and predicted from the production columns, have been consistently lower than anticipated; however, an ongoing uptick in produced silver suggests that this may be a result of slower than anticipated silver leach kinetics and increased silver production may be anticipated as leaching continues on higher lifts. For this reason, it is the author’s opinion that reducing the silver recoveries may be premature at this time.
The target crush size has been changed to a P80 of 25 mm, which has been routinely achieved by the crushing circuit on site, to maximize the potential recoveries. Reagent requirements have also been adjusted based on the production data and monthly composite columns with cyanide consumption being reduced to 0.25 kg/t and lime additions being increased to 3.5 kg/t.
| 13.2 | Sulphide Test Work |
| 13.2.1 | 2009 SGS Mineral Services – Sulphide Flotation |
SGS Mineral Services in Durango, Mexico, completed a flotation program on sulphide material on behalf of Canplats. Lead-zinc flotation tests were performed on 14 transition and sulphide composites from Camino Rojo drill holes CRD-005, CRD-009, CRD-012, CRD-013, CRD-015, CRD-022 and CRD-023 at grind sizes of 80% passing 200 Mesh (74 µm).
Findings from this flotation program showed three tests with recoveries of lead to rougher concentrate in excess of 85%, two additional tests indicated lead recoveries in excess of 70%. Apart from these tests the lead grades were mostly low, and considerable upgrading would be necessary to produce a saleable concentrate. Recoveries of zinc to a zinc rougher concentrate were modest. Two tests recorded recoveries in excess of 75%. Results indicate that considerable upgrading of both zinc and lead rougher concentrate would be required to produce a saleable concentrate.
| 13-16 | ![]() |
| Orla Mining Ltd. | Camino Rojo Project | March 18, 2026 |
| NI 43-101 Technical Report | SLR Project No.: 233.065118.00001 |
| 13.2.2 | 2010 to 2013 Blue Coast Research |
Test work conducted at BCR over 2012 and 2013 consisted of a variability study, a small gravity program, and flotation flowsheet development. The majority of the test work completed was performed on sulphide material from the western part of the deposit.
Gold mineralogy was undertaken using both optical and Dynamic-SIMS techniques. Results indicated that gold was significantly linked to both pyrite and arsenopyrite. Higher gold values were associated with higher arsenic values. The Dynamic-SIMS work also indicated the presence of solid solution gold within arsenopyrite and pyrite indicating the presence of refractory gold within sulphides. Some of the arsenopyrite concentrates were leached in various CIL tests, with and without a 45 minute regrind. Regrinding of the concentrate yielded little additional gold recovery from the concentrates reinforcing that a portion of the gold is in solid solution within the sulphides.
A singled extended Gravity Recoverable Gold (GRG) test and nine smaller-scale GRG tests, at nominal primary grind sizes of approximately 100 µm, resulted in gold recovery to gravity concentrates ranging from 12% to 48%. These results suggest that a portion of gold at Camino Rojo is amenable to recovery via gravity concentration techniques.
Flotation test work evaluated conditions required to produce sequential lead, zinc, and arsenopyrite concentrates. Test work culminated in four locked cycle tests (LCTs) with variable results. Results are summarized in Table 13-8 through Table 13-11. Lead concentrate grades ranged from 29.9% Pb to 47% Pb at lead recoveries of nearly 30% to a high of 87%. At these concentrate grades, additional cleaning will be necessary to produce a saleable lead concentrate. Zinc concentrate grades ranged from 43% to 49.9% at zinc recoveries between 74% and 92%. Gold and silver reported to the lead, zinc, and arsenopyrite concentrates to varying degrees. The highest recovery and concentrate grades were observed in samples with the highest head grades.
| Table 13-8: | LCT-1 Locked Cycle Test Results (Composite, WE MC1) |
| Product | Assays | % Distribution | ||||||||||
| Pb (%) | Zn (%) | As (%) | Ag (g/t) | Au (g/t) | S (%) | Pb | Zn | As | Ag | Au | S | |
| Pb Clnr 3 Conc | 29.9 | 0.3 | 0.1 | 2432.5 | 187.9 | 9.5 | 29.5 | 0.1 | 0.1 | 26.7 | 16.9 | 0.3 |
| Zn Clnr 3 Conc | 3.9 | 42.9 | 0.1 | 436.8 | 40.6 | 30.1 | 22.6 | 73.8 | 0.8 | 28.4 | 21.6 | 5.0 |
| AsPy Rougher | 0.4 | 1.1 | 0.4 | 38.2 | 2.5 | 4.4 | 23.4 | 18.9 | 31.0 | 24.5 | 13.3 | 7.2 |
| Rougher Tail | 0.0 | 0.0 | 0.1 | 1.8 | 0.5 | 3.1 | 24.5 | 7.2 | 68.2 | 20.4 | 48.2 | 87.6 |
| Feed | 0.09 | 0.31 | 0.07 | 8.30 | 1.01 | 3.28 | 100 | 100 | 100 | 100 | 100 | 100 |
| Note: lead (Pb), zinc (Zn), arsenopyrite (AsPy) | ||||||||||||
| 13-17 | ![]() |
| Orla Mining Ltd. | Camino Rojo Project | March 18, 2026 |
| NI 43-101 Technical Report | SLR Project No.: 233.065118.00001 |
| Table 13-9: | LCT-2 Locked Cycle Test Results (Composite, WE MC2) |
| Product | Assays | Distribution (%) | ||||||||||||
| Pb % | Zn % |
As (%) |
Ag (g/t) |
Au g/t |
S % | C % | Pb | Zn | As | Ag | Au | S | C | |
| Carbon Pre-float Conc | 0.3 | 0.2 | 0.050 | 39 | 1.6 | 3.0 | 7.3 | 2.3 | 0.3 | 0.3 | 3.2 | 1.0 | 0.5 | 1.6 |
| Pb Clnr 3 Conc | 35.4 | 7.3 | 0.160 | 2103 | 217 | 15.5 | 12.0 | 69.5 | 4.0 | 0.3 | 50.4 | 40.1 | 0.8 | 0.7 |
| Zn Clnr 3 Conc | 0.7 | 49.9 | 0.068 | 122 | 8.7 | 29.8 | 4.0 | 4.2 | 85.9 | 0.4 | 9.2 | 5.1 | 4.8 | 0.8 |
| AsPy Clnr 2 Conc | 0.4 | 1.0 | 4.08 | 52 | 14.7 | 24.9 | 2.9 | 5.0 | 3.9 | 50.1 | 8.7 | 18.9 | 8.9 | 1.2 |
| AsPy Clnr 1 Tail | 0.06 | 0.04 | 0.491 | 10.8 | 2.69 | 17.8 | 1.89 | 3.7 | 0.8 | 28.2 | 8.4 | 16.2 | 29.7 | 3.7 |
| Rougher Tail | 0.01 | 0.02 | 0.020 | 1.5 | 0.17 | 1.88 | 2.64 | 15.3 | 5.0 | 20.7 | 20.1 | 18.6 | 55.4 | 92.0 |
| Feed | 0.08 | 0.29 | 0.091 | 6.7 | 0.87 | 3.14 | 2.65 | 100 | 100 | 100 | 100 | 100 | 100 | 100 |
| Table 13-10: | LCT-1 Locked Cycle Test Results (Composite, WE High Silver Comp) |
| Product | Assays | % Distribution | ||||||||||
| Pb (%) |
Zn (%) |
As (%) |
Ag (g/t) | Au (g/t) |
S (%) |
Pb | Zn | As | Ag | Au | S | |
| Pb Clnr 3 Conc | 47.7 | 2.6 | 0.2 | 10210 | 6.3 | 12.8 | 79.8 | 4.6 | 2.1 | 65.0 | 17.4 | 6.6 |
| Zn Clnr 3 Conc | 6.0 | 42.4 | 0.2 | 3404 | 1.5 | 29.0 | 12.6 | 91.9 | 3.5 | 27.0 | 5.2 | 18.7 |
| AsPy Rougher Conc | 0.6 | 0.3 | 2.0 | 240 | 7.0 | 27.2 | 3.1 | 1.4 | 80.1 | 4.8 | 60.4 | 43.8 |
| Rougher Tail | 0.1 | 0.03 | 0.03 | 12.4 | 0.1 | 1.5 | 4.5 | 2.0 | 14.3 | 3.2 | 17.0 | 30.9 |
| Feed | 1.28 | 1.24 | 0.17 | 338 | 0.78 | 4.17 | 100 | 100 | 100 | 100 | 100 | 100 |
| Table 13-11: | LCT-2 Locked Cycle Test Results (Composite, WE High Silver Comp) |
| Product | Assays | % Distribution | ||||||||||
| Pb (%) |
Zn (%) |
As (%) |
Ag (g/t) |
Au (g/t) |
S (%) |
Pb | Zn | As | Ag | Au | S | |
| Pb Clnr 2 Conc | 47.1 | 3.2 | 0.2 | 9486 | 7.1 | 13.4 | 87.1 | 6.1 | 3.2 | 66.0 | 22.7 | 7.7 |
| Zn Clnr 3 Conc | 3.0 | 49.5 | 0.2 | 2758 | 1.2 | 31.3 | 5.2 | 90.3 | 3.4 | 18.3 | 3.7 | 17.1 |
| AsPy Rougher Conc | 1.0 | 0.5 | 2.1 | 975 | 6.1 | 7.7 | 3.3 | 1.8 | 63.1 | 12.1 | 34.6 | 7.8 |
| Rougher Tail | 0.1 | 0.0 | 0.0 | 13.3 | 0.3 | 3.1 | 4.4 | 1.8 | 30.3 | 3.6 | 39.1 | 67.4 |
| Feed | 1.28 | 1.24 | 0.14 | 341 | 0.75 | 4.16 | 100 | 100 | 100 | 100 | 100 | 100 |
| 13-18 | ![]() |
| Orla Mining Ltd. | Camino Rojo Project | March 18, 2026 |
| NI 43-101 Technical Report | SLR Project No.: 233.065118.00001 |
| 13.2.3 | 2014 Hazen Research |
Hazen Research (Hazen) was commissioned to conduct flotation and cyanide leaching studies of sulphide and transitional material. According to Goldcorp identification, samples were designated as three ore types based on mineralization characteristics: PBC (lead mineralization), ZNC (zinc mineralization) and ASC (arsenic mineralization). Some 112 composites were tested. Standard flotation methods yielded recoveries of approximately 90% Au, 74% to 81% Ag, 83% to 90% Zn, and 82% to 91% Pb for sulphide material, and recoveries of 60% to 67% Au, 56% to 63% Ag, 35% Zn, and 48% Pb for transition material (Stepperud and Giddings 2014).
Some samples contained elevated levels of organic carbon resulting in greater potential for preg-robbing effects during cyanidation. Higher gold recoveries were observed during CIL tests as opposed to direct cyanidation. Because of the high preg-robbing potential (PRP) of some of the composite samples, CIL was selected for the 48 hour variability tests. These variability test results noted:
| · | PBC Composites: Gold extractions ranged from 5.3% (PBC67) to 92.4% (PBC8) |
| · | ZNC Composites: Gold extractions ranged from 7.0% (ZNC79) to 91.9% (ZNC107) |
| · | ASC Composites: Gold extractions ranged from 9.2% (ASC126) to 53.7% (ASC118) |
Generally, high gold extraction was associated with low PRP values.
| 13.2.4 | 2015 SGS Canada Inc. – Comminution Testing |
Comminution testing occurred at SGS Vancouver in 2015 (Sun and Lang 2015). A total of 23 half HQ composites and two full PQ composites were selected for testing. The HQ samples were selected based on four spatial quadrants, alteration, and oxidation. The PQ samples were selected based on their respective oxidation levels which included one near sulphide composite and one highly oxidized composite. JK Drop Weight (Axb), SMC, Abrasion Index (Ai), Crusher Work Index (CWI), Bond Ball Mill Work Index (BWi), Bond Rod Work Index (RWi), SPI, Point Load Index (PLI), and Unconfined Compressive Strength (UCS) tests were performed. It should be noted that only two relevant crusher work indices were obtained from testing data, as shown in the summary of results in Table 13-12 below.
| Table 13-12: | Comminution Test Results Summary |
| SMC A x b |
SPI® (Min) |
CWI (kWh/t) |
RWI (kWh/t) |
BWI (kWh/t) |
Ai (g) |
UCS (kN) |
PLI IS50 | |
| Average | 38.8 | 99.8 | 15.9 | 14.5 | 0.123 | 7.20 | ||
| Min | 63.7 | 34.4 | 9.4 | 10.9 | 8.6 | 0.017 | 251.3 | 2.69 |
| Max | 27.6 | 145.9 | 10.5 | 19.1 | 19.0 | 0.276 | 522.3 | 15.35 |
| Rel. Std. Dev. | 21.1 | 29.2 | 15.0 | 21.4 | 73.7 | 45.9 |
Source: SGS 2015.
Notes: Min and Max Values refer to the softest and hardest for the grindability tests
Additionally, comminution results are provided by alteration type in Table 13-13. These alterations are Pyrite-Carbonate (PC), Incipient Potassic Hornfels (IH), and Potassic Hornfels (HF). Samples were also grouped by Sulphide and Transition material. The PQ core samples are included with the Transition material.
| 13-19 | ![]() |
| Orla Mining Ltd. | Camino Rojo Project | March 18, 2026 |
| NI 43-101 Technical Report | SLR Project No.: 233.065118.00001 |
| Table 13-13: | Comminution Test Results by Rock Type |
| Rock Type | A x b | SPI (min) |
RWI (kWh/t) |
BWI (kWh/t) |
Ai (g) |
| PC SC | 41.6 | 93.0 | 14.5 | 12.8 | 0.061 |
| IH SC | 31.0 | 132.1 | 18.4 | 16.7 | 0.150 |
| HF SC | 30.6 | 128.3 | 18.4 | 18.1 | 0.243 |
| Sulphide | 34.4 | 118.1 | 17.1 | 15.7 | 0.143 |
| PCTC | 50.5 | 57.2 | 12.1 | 9.6 | 0.024 |
| IHTC | 40.7 | 92.0 | 15.3 | 13.2 | 0.061 |
| HFTC | 39.1 | 99.4 | 16.7 | 16.2 | 0.200 |
| PQ | 38.0 | 87.5 | 15.6 | 15.3 | 0.133 |
| Transition | 42.8 | 82.9 | 14.8 | 13.3 | 0.104 |
Source: SGS 2015.
| 13.2.5 | 2020 Blue Coast Research – Metallurgical Test Program |
The 2020 test work evaluated 21 variability samples selected from predominantly sulphide and transition material. The variability composite head grades averaged 1.9 g/t Au, 11 g/t Ag, 0.19% As, and 0.35% Zn. Organic carbon averaged 0.09%. The head grades varied within the dataset with gold grades ranging from 0.2 g/t to 10.8 g/t. Organic carbon grade ranged from 0.01% to 0.29%. Significant preg-robbing potential was noted with several of the variability samples. A master composite was built comprising of equal portions of 20 of the 21 samples. The master composite was used for some limited optimization of both cyanidation and flotation conditions.
The master composite flotation work indicated that selective arsenopyrite flotation can be achieved on the master composite while recovering approximately 80% of the gold to a rougher concentrate. It was observed in the master composite and some variability composites that zinc preferentially floats ahead of arsenopyrite. Up to 80% of the zinc was recovered to the first rougher concentrate at a grade of 14% Zn. No zinc cleaning tests were conducted during this study to determine if this zinc could be upgraded to a potentially marketable concentrate.
Highlights from the variability flotation test work are listed:
| · | On average, gold recovery to overall rougher concentrate was 72%. Silver, arsenic and zinc recoveries were 61%, 56% and 80% respectively. |
| · | Gold recovery ranged from a low of 29% to a high of 97%, silver recovery ranged from 33% to 94%, arsenic from 10% to 96%, and zinc from 9% to 99%. |
| · | The average mass pull to combined rougher concentrate was 10% and ranged from 1% to 34%. |
| · | On average, the gold grade to rougher concentrate was 16 g/t Au, and the sulphur grade was 14% S. |
| · | The average zinc recovery to the first rougher concentrate was 44% at a grade of 8% Zn. Zinc recovery ranged from a low of 2% to a high of 94%, suggesting some composites were highly amenable to zinc flotation, while others were not. The grade of the first rougher concentrate ranged from a low of <1% Zn to a high of 22% Zn. |
| 13-20 | ![]() |
| Orla Mining Ltd. | Camino Rojo Project | March 18, 2026 |
| NI 43-101 Technical Report | SLR Project No.: 233.065118.00001 |
The master composite cyanidation study noted that gold recovery was insensitive to primary grind size between a p80 of 75µm and 125µm. Increasing the concentration of sodium cyanide (NaCN) from 1.0 g/L to 2.0 g/L also did not impact gold recovery. The study did note that extending the cyanidation residence time from 48 hours to 72 hours had a positive effect with an average increase to gold recovery of approximately 6%. The presence of activated carbon was necessary due to the presence of preg-robbing organic carbon in the composite. Approximately 55-60% of the gold appears recoverable by conventional cyanidation processes. Silver recovery was 35%. Sodium cyanide consumption during the master composite work ranged from 1.3 kg/t to 2.5 kg/t, and lime consumption ranged from 0.4 kg/t to 0.7 kg/t.
Expanding the cyanidation study to the 21 variability samples highlighted the following key observations:
| · | Gold extraction averaged 58%, ranging from a low of 18% to a high of 95%, suggesting that a high degree of variability exists in the degree of refractoriness of Camino Rojo sulphide ores. Lower gold recovery is broadly associated with samples containing higher arsenic and organic carbon. |
| · | Silver recovery averaged 44%, ranging from 26% to 81%. |
| · | The average gold and silver recoveries from the variability dataset line up well with the optimized master composite CIL recoveries, which is to be expected. |
| · | NaCN consumption averaged 1.6 kg/t, ranging from 1.4 kg/t to 2.2 kg/t. Lime consumption averaged 0.6 kg/t, ranging from 0.4 kg/t to 1.0 kg/t. |
The relationships between various feed constituents (gold, arsenic, and organic carbon) and CIL bottle roll recovery are summarized in Figure 13-9 through Figure 13-11.
| Figure 13-9: | Relationship between Gold Head Grade and CIL Bottle Roll Recovery of Variability Samples |

Source: Middleditch 2020.
| 13-21 | ![]() |
| Orla Mining Ltd. | Camino Rojo Project | March 18, 2026 |
| NI 43-101 Technical Report | SLR Project No.: 233.065118.00001 |
| Figure 13-10: | Relationship between Arsenic Grade and CIL Bottle Roll Recovery of Variability Samples |

Source: BCR 2020.
| Figure 13-11: | Relationship between Organic Carbon Content and Gold Recovery of Variability Samples |

Source: BCR 2020.
| 13.2.6 | 2022 Blue Coast Research – Metallurgical Test Program |
BCR conducted a metallurgical test program in 2022. The program evaluated two master composites, 33 variability samples, and two samples that were submitted for comminution test work only. Test work including whole rock CIL, flotation, and some limited comminution testing.
| 13-22 | ![]() |
| Orla Mining Ltd. | Camino Rojo Project | March 18, 2026 |
| NI 43-101 Technical Report | SLR Project No.: 233.065118.00001 |
Comminution tests included BWi tests and SMC tests on three samples. BWi results were relatively consistent and ranged from 20.2 kWh/tonne to 20.6 kWh/tonne. The Axb results from the SMC tests ranged from 28.6 to 30.9. Both types of tests indicate that the material is hard.
Whole rock CIL tests displayed a wide range of gold extractions, ranging from a low of 1.2% to a high of 98.1%. The average recovery of all tests was 58.3%. Some material is clearly amenable to direct cyanidation. Samples with elevated arsenic and higher quantities of organic carbon respond less favourably to direct cyanidation. The lowest direct cyanidation recoveries came from samples with organic carbon greater than 0.2%, suggesting that preg-robbing behaviour may be a limiting factor.
Table 13-14: Summary of Direct Cyanidation Bottle Roll Results
| Test ID | Sample ID | Sample Type | Primary
Grind (p80, µm) |
Recovery (%) | ||
| Au | Ag | |||||
| CN-1 | OPLC Comp | OPLC Master Comp | 116 | 85.4 | 36.9 | |
| CN-2 | 372768 | OPLC Variability Sample | 126 | 72.8 | 50.4 | |
| CN-3 | 373854 | OPLC Variability Sample | 121 | 81.5 | 40.1 | |
| CN-4 | 373927 | OPLC Variability Sample | 136 | 47.6 | 54.6 | |
| CN-5 | 373930 | OPLC Variability Sample | 126 | 81.3 | 65.7 | |
| CN-6 | 373941 | OPLC Variability Sample | 117 | 98.1 | 55.1 | |
| CN-7 | 372754 | OPLC Variability Sample | 121 | 77.0 | 36.2 | |
| CN-8 | 372759 | OPLC Variability Sample | 128 | 73.7 | 37.0 | |
| CN-9 | 373876 | OPLC Variability Sample | 119 | 92.3 | 25.8 | |
| CN-10 | 372846 | OPLC Variability Sample | 107 | 79.5 | 36.4 | |
| CN-11 | 373859 | OPLC Variability Sample | 138 | 83.1 | 31.8 | |
| CN-12 | OPLC(Sxox)_01(1) | SxOx Variability Sample | 174 | 79.0 | 34.4 | |
| CN-13 | OPLC(Sxox)_03A(1) | SxOx Variability Sample | 111 | 57.7 | 44.5 | |
| CN-14 | OPLC(Sxox)_03A(2) | SxOx Variability Sample | 126 | 88.4 | 46.3 | |
| CN-15 | OPLC(Sxox)_03A(3) | SxOx Variability Sample | 115 | 95.2 | 44.5 | |
| CN-16 | OPLC_04B(1) | Variability Sample | 116 | 44.8 | 35.6 | |
| CN-17 | OPMC_01 | Variability Sample | 112 | 56.0 | 25.2 | |
| CN-18 | OPMC_02(1) | Variability Sample | 111 | 73.2 | 27.8 | |
| CN-19 | OPMC_04B(1) | Variability Sample | 117 | 44.0 | 17.6 | |
| CN-20 | OPMC_04B(2) | Variability Sample | 138 | 36.1 | 48.4 | |
| CN-21 | UGLC_01 | Variability Sample | 118 | 82.3 | 38.2 | |
| CN-22 | UGLC_02 | Variability Sample | 102 | 70.2 | 18.5 | |
| CN-23 | UGLC_04B | Variability Sample | 108 | 61.1 | 24.9 | |
| CN-24 | UGMC_01 | Variability Sample | 131 | 57.3 | 32.0 | |
| CN-25 | UGMC_02(2) | Variability Sample | 114 | 53.6 | 19.4 | |
| 13-23 | ![]() |
| Orla Mining Ltd. | Camino Rojo Project | March 18, 2026 |
| NI 43-101 Technical Report | SLR Project No.: 233.065118.00001 |
| Test ID | Sample ID | Sample Type | Primary
Grind (p80, µm) |
Recovery (%) | ||
| Au | Ag | |||||
| CN-26 | UGMC_04B | Variability Sample | 118 | 73.5 | 37.5 | |
| CN-27 | Master Comp 2 | Master Comp 2 | 96 | 67.1 | 24.0 | |
| CN-30 | OPHC-01 | Variability Sample | 75 | 24.5 | 19.1 | |
| CN-31 | OPHC-02(1) | Variability Sample | 84 | 10.5 | 17.9 | |
| CN-32 | OPHC-02(2) | Variability Sample | 148 | 13.0 | 17.0 | |
| CN-33 | OPHC-04B(1) | Variability Sample | 111 | 19.2 | 19.8 | |
| CN-34 | OPHC-04B(2) | Variability Sample | 126 | 31.0 | 19.1 | |
| CN-35 | UGHC-01 | Variability Sample | 103 | 24.8 | 22.8 | |
| CN-36 | UGHC-02 | Variability Sample | 123 | 39.1 | 34.4 | |
| CN-37 | UGHC-04B | Variability Sample | 81 | 1.2 | 19.3 | |
| CN-39 | S2B-HC Comp | Variability Sample | ~120 | 19.6 | 21.7 | |
Source: BCR 2022.
Flotation test work evaluated two basic flowsheet arrangements. First a sequential flowsheet was considered which recovered free gold, zinc, and arsenopyrite/pyrite into separate concentrates. Second a bulk sulphide flowsheet was tested which floated all sulphides and corresponding gold into a single combined concentrate. In both flowsheets, for situations where elevated organic carbon is present, a carbon pre-float could be toggled on or off to remove excess organic carbon from the circuit ahead of gold-sulphide flotation. This reduces some potential for downstream preg-robbing behaviour and allows for reduced flotation reagent consumption.
An example of the sequential flowsheet is highlighted in Table 13-15 below. A zinc concentrate was produced grading 54% Zn at 65% zinc recovery. The zinc concentrate also contains 60 g/t Au representing 9% of the total gold. 29% of the gold reported to a gold rougher, and a further 48% reported to the arsenopyrite concentrate. The arsenopyrite concentrate would require oxidative pretreatment ahead of cyanidation to enable gold extraction.
Table 13-15: Example of Sequential Au-Zn-AsPy Flotation (F-16)
| Product | Mass | Assays | % Distribution | ||||||||||||
| % | Au (g/t) |
Ag (g/t) |
Zn (%) |
As (%) |
Fe (%) |
S (%) |
Corg (%) |
Au | Ag | Zn | As | Fe | S | Corg | |
| Carbon Pre-float | 2.7 | 1.1 | 26 | 0.3 | 0.14 | 4.1 | 2.6 | 1.07 | 1.3 | 5.8 | 2.4 | 1.2 | 2.1 | 1.5 | 28.4 |
| Au Rougher | 1.6 | 43.6 | 295 | 0.7 | 0.28 | 5.3 | 4.3 | 0.19 | 29.1 | 38.1 | 3.7 | 1.3 | 1.6 | 1.4 | 2.9 |
| Zn Cleaner 3 Conc | 0.4 | 60.7 | 223 | 54.5 | 0.31 | 10.8 | 34.1 | 0.05 | 9.4 | 6.7 | 65.3 | 0.3 | 0.7 | 2.7 | 0.2 |
| AsPy Conc | 11.4 | 9.9 | 25 | 0.7 | 2.43 | 6.8 | 5.1 | 0.09 | 47.7 | 23.7 | 25.6 | 82.9 | 14.8 | 12.4 | 10.1 |
| Rougher Tails | 84.0 | 0.35 | 4 | 0.01 | 0.06 | 5.05 | 4.59 | 0.07 | 12.5 | 25.6 | 3.0 | 14.3 | 80.8 | 82.0 | 58.4 |
| Calculated Head | 100 | 2.4 | 12 | 0.3 | 0.33 | 5.3 | 4.7 | 0.10 | 100 | 100 | 100 | 100 | 100 | 100 | 100 |
Source: BCR 2022.
| 13-24 | ![]() |
| Orla Mining Ltd. | Camino Rojo Project | March 18, 2026 |
| NI 43-101 Technical Report | SLR Project No.: 233.065118.00001 |
As an alternative to the sequential flotation sequence, the simpler bulk flotation flowsheet was also evaluated. Gold recoveries to sulphide concentrate in these tests ranged from 48% to 93%, with an average gold recovery from optimized tests of 85% to 89% observed for low and high carbon composites respectively. Varying amounts of pyrite were allowed to report into the bulk sulphide concentrate during these tests. Enabling an increased amount of pyrite to float into the sulphide concentrate allows for higher gold recoveries.
| 13.2.7 | 2022 Sherritt Technologies – Pressure Oxidation Test Work |
BCR prepared two concentrate samples and submitted them to Sherritt Technologies for pressure oxidation (POX) amenability testing. Feed 1 was produced from material containing lower organic (non acid leachable: CNAL) carbon. Feed 2 was produced from material containing higher proportions of organic carbon. The resulting concentrate also contained more organic carbon (CNAL, 0.33%). Characteristics of both feed types are presented in Table 13-16.
Table 13-16: Chemical Composition of Camino Rojo Flotation Concentrates
| Element | Units | Feed 1 | Feed 2 |
| Au | g/t | 9.97 | 11.2 |
| Ag | g/t | 49.8 | 27.4 |
| Al | % | 6.03 | 4.65 |
| As | % | 1.92 | 1.31 |
| Cd | % | 0.02 | 0.01 |
| Ca | % | 3.5 | 3.45 |
| C | % | 1.18 | 1.57 |
| CNAL | % | 0.13 | 0.33 |
| Cl | % | 0.01 | 0.004 |
| Co | % | <0.005 | <0.005 |
| Cu | % | 0.08 | 0.08 |
| Fe | % | 8.1 | 15 |
| Mg | % | 1.02 | 0.87 |
| Mn | % | 0.05 | 0.05 |
| Ni | % | 0.08 | 0.05 |
| Si | % | 22.2 | 17.2 |
| S | % | 7.11 | 16.5 |
| S (SO4) | % | 0.06 | 0.02 |
| S (S2-) | % | 7.05 | 15.4 |
| Zn | % | 1.92 | 1.05 |
Source: Sherritt 2022.
Sherritt conducted six batch POX tests. Each POX test was conducted in a 4 L autoclave with a 2.5 L slurry volume. Tests evaluated different temperatures (220°C to 230°C) and oxygen overpressures (300 kPA to 700 kPa O2). The impact of chlorides in the process water was also tested. Site water at Camino Rojo may be expected to contain elevated chloride levels averaging 800 ppm. Tests 1 through 4 were conducted on Feed 1. Test 5 and 6 were conducted on Feed 2.
| 13-25 | ![]() |
| Orla Mining Ltd. | Camino Rojo Project | March 18, 2026 |
| NI 43-101 Technical Report | SLR Project No.: 233.065118.00001 |
Sulphide oxidation throughout each of the six tests was very good. Oxidation rates of 99% were observed in all tests. The presence of 800 ppm chloride notably increased the oxidation kinetics. Sulphide oxidation kinetics were fast even with the milder conditions employed in Test 6.
Figure 13-12: Sulphide Oxidation in POX Tests

Source: Sherritt 2022.
CIL tests were conducted on all POX kinetic and conditioning samples to determine gold and silver extractions. Gold extractions in excess of 95% were noted in all tests with the exception of POX Test 6, which employed milder oxidation conditions. For both feed materials, the best POX conditions were noted as 230°C and 500 kPa O2 overpressure. These conditions resulted in gold extractions of 98% for Feed 1 and 96% for Feed 2.
The excellent gold leach performance each Feed sample is encouraging and indicates that POX followed by CIL may be an appropriate method for recovering gold from refractory zones of the Camino Rojo sulphide deposit. The higher organic carbon content of Feed 2 resulted in only a moderate reduction in gold recovery. Test results are summarized in Table 13-17.
Table 13-17: Gold Extractions from POX Tests
| POX TEST ID | POX Test 1 | POX Test 2 | POX Test 3 | POX Test 4 | POX Test 5 | POX Test 6 |
| Material | Feed 1 | Feed 1 | Feed 1 | Feed 1 | Feed 2 | Feed 2 |
| Temperature | 220°C | 220°C | 230°C | 220°C | 230°C | 220°C |
| O2 Pressure (kPa(g)) | 500 | 500 | 500 | 700 | 500 | 300 |
| Chloride (ppm) | 0 | 800 | 800 | 800 | 800 | 800 |
| 13-26 | ![]() |
| Orla Mining Ltd. | Camino Rojo Project | March 18, 2026 |
| NI 43-101 Technical Report | SLR Project No.: 233.065118.00001 |
| POX TEST ID | POX Test 1 | POX Test 2 | POX Test 3 | POX Test 4 | POX Test 5 | POX Test 6 |
| Time, min | Gold Extractions (%) | |||||
| 20 | 94.5 | 91.3 | 92.8 | 91.2 | 79.8 | 81 |
| 40 | 97 | 92.4 | 94.5 | 91.2 | 86.9 | 79.1 |
| 60 | 97.7 | 93.7 | 96.8 | 94.4 | 93.4 | 86.1 |
| 80 | 98.6 | 95.6 | 98.1 | 96 | 95.6 | 88.6 |
| Cond. 40 | 98.7 | 96.7 | 98.6 | 96.2 | 96.1 | 91.4 |
| Cond. 80 | -- | -- | 98.2 | 96.9 | 96.2 | 91.9 |
| Cond. 120 | -- | -- | 98.7 | 96.9 | 95.8 | 92.5 |
Source: Sherritt 2022.
Silver CIL extractions from POX residues were notably poor, typically less than 20%. CIL tests on unoxidized POX feed material had silver recoveries of 41.6% and 41.9% for Feed 1 and Feed 2, respectively. The lower silver recoveries from POX residues are likely due to the formation of silver jarosite during pressure oxidation and conditioning. Jarosite formation locks silver into the solids and prevents its extraction during cyanide leaching. The addition of a lime boil circuit to the process flowsheet before CIL can decompose jarosites, liberating silver and improving overall silver recovery; however, the lime boil may can also liberate other metals (such as arsenic) which may then require further stabilization.
| 13.2.8 | 2023 to 2024 Blue Coast Research – Metallurgical Test Program |
Test work conducted at BCR during 2023 and 2024 evaluated 37 variability composites and two master composites. Variability tests included both cyanidation and flotation work, while the master composite work was carried out to optimize some of the flotation test work parameters. The 37 composites were selected from within the main deposit, while three samples (VAR 1, VAR 2 and Ext_03) were taken from Zone 22. Head grades were generally higher than previous studies reflecting the potential for an underground resource. Head grades of variability composites are summarized in Table 13-18.
Table 13-18: Head Assays for Variability Samples
| Sample | Au (g/t) |
Ag (g/t) |
As
(%) |
Fe
(%) |
Pb
(%) |
Zn
(%) |
Ctot (%) |
Corg
(%) |
Stot
(%) |
S2-
(%) |
Preg- rob (%) |
| Method | FA | 4AD- ICP |
4AD- ICP |
4AD- ICP |
4AD- ICP |
4AD- ICP |
ELTRA | HCl- ELTRA |
ELTRA | HCl- ELTRA | |
| VAR 1 | 5.35 | 12.19 | 0.30 | 5.93 | N/A | 1.67 | 4.96 | <0.03 | 5.28 | 4.18 | 3 |
| VAR 2 | 1.58 | 7.32 | 0.31 | 6.76 | N/A | 0.89 | 5.97 | <0.03 | 5.95 | 5.56 | 2 |
| (S1a)_1 | 1.63 | 4.56 | 0.03 | 2.32 | 0.01 | 0.09 | 1.43 | <0.03 | 2.20 | 2.05 | 2 |
| (S1a)_2 | 0.57 | 1.92 | 0.06 | 2.96 | 0.00 | 0.09 | 1.36 | <0.03 | 3.05 | 2.82 | NIL |
| (S1a)_3 | 3.76 | 7.86 | 0.11 | 3.49 | 0.02 | 0.23 | 2.67 | 0.20 | 3.36 | 3.31 | 100 |
| (S1b)_1 | 1.59 | 14.10 | 0.15 | 4.46 | 0.20 | 0.25 | 2.31 | 0.33 | 3.43 | 3.41 | 100 |
| (S1b)_2 | 1.21 | 2.45 | 0.15 | 3.26 | 0.02 | 0.07 | 2.38 | 0.26 | 1.58 | 1.59 | 100 |
| (S1b)_3 | 0.97 | 13.81 | 0.13 | 3.36 | 0.26 | 0.30 | 2.01 | 0.18 | 1.32 | 1.32 | 100 |
| 13-27 | ![]() |
| Orla Mining Ltd. | Camino Rojo Project | March 18, 2026 |
| NI 43-101 Technical Report | SLR Project No.: 233.065118.00001 |
| Sample | Au (g/t) |
Ag (g/t) |
As
(%) |
Fe
(%) |
Pb
(%) |
Zn
(%) |
Ctot (%) |
Corg
(%) |
Stot
(%) |
S2-
(%) |
Preg- rob (%) |
| Method | FA | 4AD- ICP |
4AD- ICP |
4AD- ICP |
4AD- ICP |
4AD- ICP |
ELTRA | HCl- ELTRA |
ELTRA | HCl- ELTRA | |
| (S2a)_1 | 3.05 | 5.61 | 0.34 | 4.95 | 0.01 | 0.09 | 1.47 | 0.14 | 4.47 | 4.32 | 100 |
| (S2a)_2 | 3.15 | 12.31 | 1.19 | 4.89 | 0.23 | 0.61 | 0.99 | <0.03 | 4.11 | 3.77 | 2 |
| (S2a)_3 | 1.06 | 9.25 | 0.23 | 3.68 | 0.08 | 0.38 | 1.65 | 0.03 | 2.62 | 2.53 | NIL |
| (S2a)_4 | 2.62 | 11.09 | 0.28 | 5.57 | 0.07 | 0.64 | 1.46 | 0.04 | 5.65 | 5.44 | NIL |
| (S2a)_5 | 1.88 | 5.95 | 0.25 | 3.93 | 0.03 | 0.30 | 0.97 | 0.08 | 2.85 | 2.76 | 18 |
| (S2a)_6 | 2.33 | 12.29 | 0.19 | 5.49 | 0.03 | 0.60 | 1.25 | 0.09 | 5.52 | 5.03 | 50 |
| (S2a)_7 | 3.59 | 22.31 | 0.51 | 7.37 | 0.19 | 0.43 | 0.76 | 0.04 | 8.35 | 8.83 | 94 |
| (S2a)_8 | 5.28 | 7.62 | 0.70 | 6.62 | 0.01 | 0.15 | 1.20 | 0.07 | 7.57 | 7.43 | 36 |
| (S2a)_9 | 1.71 | 5.49 | 0.39 | 4.40 | 0.00 | 0.16 | 1.35 | 0.15 | 4.49 | 4.46 | 100 |
| (S2a)_10 | 1.78 | 11.64 | 0.11 | 3.59 | 0.19 | 0.43 | 3.05 | 0.13 | 3.50 | 3.43 | 98 |
| (S2a)_11 | 4.98 | 6.86 | 0.13 | 0.88 | 0.01 | 0.05 | 1.63 | 0.12 | 3.85 | 3.79 | 100 |
| (S2b)_1 | 3.55 | 25.64 | 0.36 | 4.50 | 0.50 | 0.62 | 1.72 | 0.19 | 4.30 | 4.30 | 98 |
| (S2b)_2 | 3.54 | 25.09 | 0.52 | 5.39 | 0.32 | 0.61 | 2.40 | 0.30 | 4.84 | 4.85 | 99 |
| (S2b)_3 | 4.59 | 13.02 | 0.43 | 5.12 | 0.13 | 0.44 | 0.64 | 0.22 | 5.22 | 5.03 | 99 |
| (S2b)_4 | 1.55 | 6.59 | 0.20 | 3.57 | 0.08 | 0.28 | 1.53 | 0.29 | 2.59 | 2.44 | 100 |
| (S2b)_5 | 1.77 | 11.66 | 0.15 | 3.83 | 0.21 | 0.27 | 2.32 | 0.23 | 2.18 | 2.18 | 100 |
| (S2b)_6 | 2.17 | 11.19 | 0.36 | 4.40 | 0.10 | 0.40 | 2.56 | 0.35 | 3.56 | 3.43 | 100 |
| (S2b)_7 | 1.75 | 24.23 | 0.23 | 4.29 | 0.35 | 0.55 | 2.67 | 0.38 | 2.89 | 2.67 | 99 |
| (S2b)_8 | 5.46 | 15.39 | 0.71 | 9.22 | 0.06 | 0.11 | 1.31 | 0.25 | 10.59 | 10.89 | 99 |
| (S2b)_9 | 1.47 | 6.50 | 0.34 | 4.09 | 0.03 | 0.20 | 1.90 | 0.28 | 3.03 | 2.96 | 100 |
| (S2b)_10 | 2.18 | 10.50 | 0.38 | 4.16 | 0.11 | 0.43 | 2.29 | 0.35 | 3.27 | 3.10 | 100 |
| (S2b)_11 | 1.54 | 14.26 | 0.29 | 4.06 | 0.20 | 0.18 | 2.22 | 0.29 | 2.27 | 2.19 | 100 |
| (S2b)_12 | 3.38 | 16.21 | 0.20 | 4.29 | 0.27 | 0.29 | 1.71 | 0.21 | 3.92 | 3.74 | 99 |
| (S2b)_13 | 1.41 | 15.34 | 0.17 | 4.24 | 0.20 | 0.34 | 2.96 | 0.39 | 2.90 | 2.88 | 100 |
| Ext_03 | 4.47 | 32.37 | 1.08 | 10.41 | 0.11 | 2.39 | 5.87 | 0.03 | 9.93 | 9.02 | NIL |
| (T)_1 | 2.58 | 18.12 | 0.24 | 5.30 | 0.10 | 0.79 | 0.42 | <0.03 | 5.79 | 5.54 | NIL |
| (T)_2 | 1.88 | 13.26 | 0.09 | 7.03 | 0.10 | 0.25 | 0.74 | <0.03 | 0.04 | 0.04 | NIL |
| (T)_3 | 4.29 | 11.04 | 0.17 | 5.79 | 0.04 | 0.20 | 2.52 | 0.03 | 0.94 | 0.94 | 2 |
| (T)_4 | 3.94 | 5.45 | 0.04 | 3.20 | 0.02 | 0.20 | 1.58 | 0.04 | 0.71 | 0.66 | NIL |
Source: BCR 2024.
Notes: Ctot – total carbon, Corg – organic carbon
| 13-28 | ![]() |
| Orla Mining Ltd. | Camino Rojo Project | March 18, 2026 |
| NI 43-101 Technical Report | SLR Project No.: 233.065118.00001 |
Each composite was subjected to a standard variability cyanidation test. Each test was conducted using a CIL protocol, with 15 g/L of activated carbon being added to the bottle roll. A primary grind size of approximately 80% passing 125 µm was used and sodium cyanide concentration was maintained at 1.0 g/L throughout the test. pH was maintained between 10.5 and 11 through the addition of lime. As observed in earlier test programs, gold recovery was variable with the lowest gold recoveries observed in the samples with highest preg-robbing values. A summary of CIL bottle roll test results is presented in Table 13-19.
Table 13-19: Variability CIL Bottle Roll Results
| Test ID | Composite | Particle Size (um) |
Au
Recovery (%) |
NaCN
Consumption (kg/t) |
CaO
Consumption (kg/t) |
Preg
Rob % |
| CN-1 | VAR 1 | 123 | 96 | 1.28 | 0.65 | 3 |
| CN-2 | VAR 2 | 121 | 82 | 1.21 | 0.66 | 2 |
| CN-3 | (S1a)_1 | 116 | 90 | 1.47 | 0.62 | 2 |
| CN-4 | (S1a)_2 | 113 | 90 | 1.38 | 0.45 | 0 |
| CN-5 | (S1a)_3 | 107 | 48 | 1.32 | 0.73 | 100 |
| CN-6 | (S1b)_1 | 122 | 19 | 1.45 | 0.91 | 100 |
| CN-7 | (S1b)_2 | 124 | 3 | 1.35 | 0.88 | 100 |
| CN-8 | (S1b)_3 | 114 | 39 | 1.25 | 0.58 | 100 |
| CN-9 | (S2a)_1 | 123 | 40 | 1.35 | 0.93 | 100 |
| CN-10 | (S2a)_2 | 134 | 62 | 1.71 | 0.72 | 2 |
| CN-11 | (S2a)_3 | 126 | 69 | 1.53 | 0.77 | 0 |
| CN-12 | (S2a)_4 | 125 | 70 | 1.62 | 0.61 | 0 |
| CN-13 | (S2a)_5 | 121 | 80 | 1.80 | 0.79 | 18 |
| CN-14 | (S2a)_6 | 135 | 80 | 1.82 | 0.43 | 50 |
| CN-15 | (S2b)_1 | 116 | 46 | 1.80 | 0.50 | 98 |
| CN-16 | (S2b)_2 | 133 | 29 | 1.70 | 0.59 | 99 |
| CN-17 | (S2b)_3 | 125 | 31 | 1.14 | 0.81 | 99 |
| CN-18 | (S2b)_4 | 117 | 29 | 1.48 | 0.76 | 100 |
| CN-19 | (S2b)_5 | 121 | 27 | 1.34 | 0.76 | 100 |
| CN-20 | (S2b)_6 | 119 | 14 | 1.24 | 0.79 | 100 |
| CN-21 | (T)_1 | 120 | 71 | 0.28 | 0.67 | 0 |
| CN-22 | (T)_2 | 116 | 93 | 1.14 | 0.58 | 0 |
| CN-23 | (T)_3 | 118 | 89 | 1.29 | 0.68 | 2 |
| CN-24 | (T)_4 | 118 | 98 | 1.49 | 0.50 | 0 |
| CN-25 | (S2a)_7 | 124 | 62 | 1.66 | 0.48 | 94 |
| CN-26 | (S2a)_8 | 117 | 71 | 1.28 | 0.70 | 36 |
| CN-27 | (S2a)_9 | 131 | 32 | 1.01 | 0.47 | 100 |
| CN-28 | (S2a)_10 | 134 | 62 | 1.15 | 0.62 | 98 |
| 13-29 | ![]() |
| Orla Mining Ltd. | Camino Rojo Project | March 18, 2026 |
| NI 43-101 Technical Report | SLR Project No.: 233.065118.00001 |
| Test ID | Composite | Particle Size (um) |
Au
Recovery (%) |
NaCN
Consumption (kg/t) |
CaO
Consumption (kg/t) |
Preg
Rob % |
| CN-29 | (S2a)_11 | 113 | 44 | 1.52 | 0.63 | 100 |
| CN-30 | (S2b)_7 | 131 | 12 | 0.91 | 0.74 | 99 |
| CN-31 | (S2b)_8 | 123 | 34 | 1.15 | 0.66 | 99 |
| CN-32 | (S2b)_9 | 117 | 13 | 1.14 | 0.82 | 100 |
| CN-33 | (S2b)_10 | 124 | 18 | 0.96 | 0.82 | 100 |
| CN-34 | (S2b)_11 | 121 | 14 | 1.18 | 0.76 | 100 |
| CN-35 | (S2b)_12 | 121 | 48 | 1.89 | 0.50 | 99 |
| CN-36 | (S2b)_13 | 118 | 12 | 1.00 | 0.91 | 100 |
| CN-37 | Ext_03 | 129 | 86 | 2.14 | 0.74 | NIL |
Source: BCR 2024.
Flotation test work on the variability samples used a sequential gold and arsenopyrite flotation scheme. Total gold recovery for these tests averaged 40% for samples with higher organic carbon to 78% for samples with lower organic carbon. The exclusion of the carbon pre-float step from these tests likely resulted in poor flotation performance as flotation reagents are adsorbed onto organic carbon. It is the QP’s opinion that these specific tests are not representative of the potential flotation performance within the Camino Rojo sulphide deposit.
Follow up flotation work was conducted on Master Composites made up of low organic carbon (S2a) and higher organic carbon (S2b). The addition of the carbon pre-float stage greatly improved performance of downstream flotation. Combined gold recovery to gold and arsenopyrite (or bulk sulphide) concentrates improved to 92% to 94% for the low carbon composite (S2a) and 90% for the higher carbon composite (S2b).
Small scale gravity tests were conducted on each Master Composite, where the sample was ground to a nominal size of 80% passing 125 µm before being concentrated in laboratory scale Knelson centrifugal gravity concentrator. The Knelson concentrate was then upgraded over a shaking table to produce a combined tip and middling fraction representing approximately 1.5% of the overall feed mass. Gold recovery to these gravity products was 65% for the low carbon composite (s2a) and 43% for the high carbon composite (s2B). This suggests that gravity could still play a role in a potential flowsheet.
Three samples from Zone 22 were tested during this program. Whole ore CIL gold extraction from this material ranged from 82% (VAR-2) to 96% (VAR-1). Zinc grades were often higher in the samples, and zinc flotation was often very good. Open circuit zinc cleaner test work on VAR-1 and Ext_03 displayed zinc recovery of 90% and 94% respectively at zinc concentrate grades ranging from 51% to 52% Zn.
| 13.2.9 | Camino Rojo Sulphides – Summary of Metallurgical Test Work |
The Camino Rojo sulphide deposit is metallurgically complex and benefits from some flexibility in processing options. Distinct zones of cyanide leachable gold are present, coupled with distinct areas of refractory material. The refractory zones are associated with areas of higher arsenic and organic carbon. In areas with elevated zinc, potential exists to produce a zinc concentrate as well.
| 13-30 | ![]() |
| Orla Mining Ltd. | Camino Rojo Project | March 18, 2026 |
| NI 43-101 Technical Report | SLR Project No.: 233.065118.00001 |
A geometallurgical review of the available data was carried out which delineated six spatially distinct zones of metallurgical performance. These included non-refractory and refractory zones. These areas were defined as:
| · | Non-Refractory |
| o | Transition (T) – transition material |
| o | Sulphide Leachable (S1a) – outside of the arsenic vein system with generally higher CIL gold extractions |
| · | Refractory |
| o | High Arsenic Low Organic Carbon (S2a) |
| o | High Arsenic High Organic Carbon (S2b) |
| o | Moderate/Variable Arsenic High Organic Carbon (S1b) |
| · | Zone 22 (S22) |
The refractory zones represent over 80% of the mined tonnage and heavily influence the process selection. Consideration was given to both a flotation only process and flotation combined with pressure oxidation and cyanidation. The improved saleability of gold bearing pyrite concentrates led to the selection of the flotation only flowsheet as the preferred approach. The flotation circuit will produce three separate concentrates for sale (gold, zinc and pyrite).
| 13.2.9.1 | Recovery Projections |
Recovery of gold, silver and zinc to each of the respective concentrates by geometallurgical zone is summarized below. The refractory material (S2a, S2b and S1b) and Zone 22 will each produce three concentrates. Material from the non-refractory zones (T and S1a) will produce a single gold bearing pyrite concentrate, however future phases of study should continue to evaluate this as it may be beneficial to bring some of the gold from these zones into the gold concentrate.
Gold concentrates are expected to contain between 40 g/t and 60 g/t gold, with approximately 250 g/t silver. Zinc concentrates grading in excess of 50% zinc are expected with gold and silver grades averaging 35 g/t and 535 g/t, respectively. Finally, the pyrite concentrate is expected to contain approximately 10 g/t gold and 20 g/t silver. Given the presence of arsenopyrite in the deposit, some arsenic is expected in the concentrates. Gold concentrates may contain between 1% and 1.5% arsenic, while pyrite concentrate could contain approximately 2% to 3% arsenic.
During processing, metallurgically similar material will be grouped into bins and fed to the plant in campaigns that are prioritized by value. Bin 1 includes the refractory material (S2a, S2b and S1b). Bin 2 includes the non refractory material (T and S1a) and Bin 3 comprises of Zone 22.
Table 13-20: Metal Recovery by Geometallurgical Zone to each Concentrate
| Geomet Zones | Gold Concentrate | Zinc Concentrate | Pyrite Concentrate | ||||
| Au (%) | Ag (%) | Au (%) | Ag (%) | Zn (%) | Au (%) | Ag (%) | |
| S2a | 40.1 | 35.5 | 3.4 | 18.8 | 45.2 | 45.8 | 31.2 |
| S2b | 33.7 | 51.2 | 3.1 | 8.0 | 32.8 | 51.3 | 16.1 |
| S1b | 33.7 | 51.2 | 3.1 | 8.0 | 32.8 | 51.3 | 16.1 |
| T | - | - | - | - | - | 80.0 | 52.0 |
| S1a | - | - | - | - | - | 85.0 | 60.0 |
| Zone 22 | 50.0 | 50.0 | 20.0 | 5.0 | 90.0 | 10.0 | 15.0 |
| 13-31 | ![]() |
| Orla Mining Ltd. | Camino Rojo Project | March 18, 2026 |
| NI 43-101 Technical Report | SLR Project No.: 233.065118.00001 |
| 14.0 | Mineral Resource Estimates |
| 14.1 | Summary |
SLR and the QP were engaged to estimate the Camino Rojo Mineral Resources under both an open pit and underground mining scenario. This estimation relied principally on data from diamond drill hole samples. Wireframes were created using Leapfrog Geo, while Leapfrog Edge software facilitated grade interpolation into blocks using the inverse distance cubed (ID³) and squared (ID²) interpolation methods. Block classification as Measured, Indicated, and Inferred was primarily based on a drill spacing criterion. SLR and the QP validated the estimates using standard industry validation techniques.
To ensure the criteria for Reasonable Prospects for Eventual Economic Extraction (RPEEE) were met, an optimized resource shell for reporting Mineral Resources was generated using GEOVIA Whittle software. Open pit NSR cut-off values were set at $8.44/t for heap leach material and $14.06/t for mill material. Underground reporting shapes were generated in Deswik based on the selected mining methods and corresponding NSR cut-off values. For long-hole stoping, NSR cut-offs of $57/t for heap leach material and $63/t for mill material were applied. For cut-and-fill mining, NSR cut-off values of $66/t for heap leach material and $72/t for mill material were used. The stockpiles were reported at a cut-off grade of 0.21 g/t Au, based on a $2,300 per ounce gold price.
As there were no material changes or new drilling that justified an update to the block model within the Caracol Formation, SLR restricted revisions to Zone 22 and the surrounding low-grade (LG) mineralization to avoid impacting the current Mineral Reserves. The QP recommends a complete update of the entire block model in a subsequent Mineral Resource estimate.
A summary of the Mineral Resource estimate for Camino Rojo with an effective date of September 30, 2025, is shown in Table 14-1. Canadian Institute of Mining, Metallurgy and Petroleum (CIM) Definition Standards for Mineral Resources and Mineral Reserves (CIM (2014) definitions) were used for Mineral Resource classification.
| 14-1 | ![]() |
| Orla Mining Ltd. | Camino Rojo Project | March 18, 2026 |
| NI 43-101 Technical Report | SLR Project No.: 233.065118.00001 |
Table 14-1: Summary of Mineral Resources – Effective Date of September 30, 2025
| Operation | Process Type |
Category | Tonnage (kt) |
Average Grade | Contained Metal | ||||||
| Gold (g/t) |
Silver (g/t) |
Zn (%) |
AuEq (g/t) |
Gold (koz) |
Silver
(koz) |
Zinc (Mlb) |
AuEq (koz) | ||||
| OP | Leach | Measured | 2,768 | 0.79 | 16.21 | - | 0.85 | 71 | 1,442 | - | 76 |
| Indicated | 37,309 | 0.69 | 13.10 | - | 0.74 | 823 | 15,708 | - | 893 | ||
| Measured + Indicated | 40,077 | 0.69 | 13.31 | - | 0.75 | 893 | 17,151 | - | 969 | ||
| Inferred | 1,523 | 0.74 | 12.26 | - | 0.80 | 36 | 600 | - | 39 | ||
| Mill | Measured | - | - | - | - | - | - | - | - | - | |
| Indicated | 2,213 | 0.85 | 8.91 | 0.39 | 0.94 | 60 | 634 | 19 | 67 | ||
| Measured + Indicated | 2,213 | 0.85 | 8.91 | 0.39 | 0.94 | 60 | 634 | 19 | 67 | ||
| Inferred | 71 | 0.85 | 8.69 | 0.30 | 0.95 | 2 | 20 | 0 | 2 | ||
| Total OP | Measured | 2,768 | 0.79 | 16.21 | - | 0.85 | 71 | 1,442 | 0 | 76 | |
| Indicated | 39,522 | 0.69 | 12.86 | 0.02* | 0.76 | 883 | 16,342 | 19 | 960 | ||
| Measured + Indicated | 42,290 | 0.70 | 13.08 | 0.02* | 0.76 | 953 | 17,785 | 19 | 1,036 | ||
| Inferred | 1,594 | 0.74 | 12.10 | 0.01* | 0.80 | 38 | 620 | 0 | 41 | ||
| UG | Leach | Measured | - | - | - | - | - | - | - | - | - |
| Indicated | 3,298 | 2.54 | 12.23 | - | 2.66 | 269 | 1,297 | - | 282 | ||
| Measured + Indicated | 3,298 | 2.54 | 12.23 | - | 2.66 | 269 | 1,297 | - | 282 | ||
| Inferred | 198 | 2.39 | 14.62 | - | 2.53 | 15 | 93 | - | 16 | ||
| Mill | Measured | - | - | - | - | - | - | - | - | - | |
| Indicated | 45,965 | 2.53 | 11.28 | 0.38 | 2.7 | 3,745 | 16,674 | 383 | 3,985 | ||
| Measured + Indicated | 45,965 | 2.53 | 11.28 | 0.38 | 2.7 | 3,745 | 16,674 | 383 | 3,985 | ||
| Inferred | 3,974 | 2.51 | 10.95 | 0.66 | 2.82 | 321 | 1,398 | 58 | 360 | ||
| Total UG | Measured | - | - | - | - | - | - | - | - | - | |
| Indicated | 49,263 | 2.53 | 11.35 | 0.35* | 2.69 | 4,014 | 17,971 | 383 | 4,267 | ||
| Measured + Indicated | 49,263 | 2.53 | 11.35 | 0.35* | 2.69 | 4,014 | 17,971 | 383 | 4,267 | ||
| Inferred | 4,172 | 2.50 | 11.12 | 0.63* | 2.80 | 336 | 1,491 | 58 | 376 | ||
| Stockpiles** | Measured | 588 | 0.34 | 20.25 | - | 0.34 | 6 | 383 | - | 6 | |
| Indicated | 0 | - | - | - | - | - | - | - | - | ||
| Measured + Indicated | 588 | 0.34 | 20.25 | - | 0.34 | 6 | 383 | - | 6 | ||
| Inferred | 0 | - | - | - | - | - | - | - | - | ||
| Total | Measured | 3,355 | 0.71 | 16.91 | - | 0.76 | 77 | 1,825 | - | 82 | |
| Indicated | 88,785 | 1.71 | 12.02 | 0.21 | 1.83 | 4,897 | 34,313 | 402 | 5,227 | ||
| Measured + Indicated | 92,141 | 1.68 | 12.20 | 0.20 | 1.79 | 4,974 | 36,138 | 402 | 5,309 | ||
| Inferred | 5,766 | 2.02 | 11.39 | 0.46 | 2.25 | 374 | 2,111 | 58 | 417 | ||
| 14-2 | ![]() |
| Orla Mining Ltd. | Camino Rojo Project | March 18, 2026 |
| NI 43-101 Technical Report | SLR Project No.: 233.065118.00001 |
Notes:
1 CIM (2014) definitions were followed for estimating Mineral Resources.
2 Mineral Resources are estimated in the optimized pit shell at a NSR cut-off value of $8.44/t for leach material and $14.06/t for Mill material, while the underground reporting shapes are using a NSR cut-off value for long-hole stoping of $57/t for heap leach material and $63/t for mill material were applied. For cut-and-fill mining, NSR cut-off values of $66/t for heap leach material and $72/t for mill material were used.
3 Open Pit and Underground Mineral Resources are estimated using a long-term price of $2,800 per ounce for gold, $33 per ounce for silver, and $1.25 per pound for zinc, with an US$:C$ exchange rate of 1:1.34.
4 Stockpiles are using a cut-off grade of 0.21 g/t Au based on a long-term price of $2,300 per ounce gold, with an US$:C$ exchange rate of 1:1.34.
5 Bulk density varies from 2.40 t/m3 to 2.67 t/m3 for the mineralization and estimation domains and 2.0 t/m3 for the overburden.
6 Metallurgical recoveries vary according to geometallurgical domains and process type (Leach or Mill) and are either a constant or formula based. Heap leach recoveries range from 40% to 70% for gold and 11% to 34% for silver. For mill flotation concentrate, recoveries range from 80% to 89% for gold, 52% to 86% for silver, and 87% to 90% for zinc; zinc recovery is assumed to be 0% for the Transition and S1a_CAR geometallurgical domains.
7 The NSR is calculated by material type with the following formulas:
o Heap Leach Material NSR ($/t) = (Au grade (g/t) x (((2,800-1.69) x Au recovery Heap Leach x 0.999 x (1-0.03)) / 31.103477)) + (Ag grade (g/t) x (((33-1.69) x Ag recovery Heap Leach x 0.98 x (1-0.03)) / 31.103477)) o Mill Material NSR ($/t) = (Au NSP ($/g Au) x Au grade (g/t)) + (Ag NSP ($/g Ag) x Ag grade (g/t)) + (Zn NSP ($/g Zn) x Zn grade (ppm))
8 The gold equivalent (AuEq) by material types is calculated with the following formulas:
o Heap Leach Material AuEq = Au grade (g/t) + (Ag NSP ($/g) / Au NSP ($/g) x Ag grade (g/t)). o Mill Material AuEq = Au grade (g/t) + (Ag NSP ($/g) / Au NSP ($/g) x Ag grade (g/t)) + ((Zn NSP ($/lb) x 2,204.62 / 100 / Au NSP ($/g)) + Zn grade (ppm) / 10,000))
9 Mineral Resources are constrained by an optimized resource pit shell and underground resource panels with a minimum mining width of 2 m for long-hole stoping and 5 m for cut-and-fill.
10 Mineral Resources are inclusive of Mineral Reserves.
11 Numbers may not add due to rounding.
12 Inferred Mineral Resources are considered too speculative geologically to have the economic considerations applied to them that would enable them to be categorized as Mineral Reserves.
* Zinc is only considered in the Mill scenario, and its grade is averaged over the final total numbers.
**AuEq depends on net smelter price (NSP) parameters that vary by geometallurgical domain, which cannot be defined for stockpiled material. Instead of a calculated AuEq value, the stockpiles use the Au value for the AuEq, which does not include the contribution from Ag. |
The QP is not aware of any environmental, permitting, legal, title, taxation, socio-economic, marketing, political, or other relevant factors that could materially affect the Mineral Resource estimates.
| 14.2 | Mineral Resource Database |
Orla compiled and provided the drill hole database for Camino Rojo, which was subsequently reviewed by SLR and the QP. This database includes various data files, such as collar positions, downhole deviation surveys, assays including ICP multi-element analyses, lithology, density, structures, alteration, and mineralization, all organized into distinct tables. The Camino Rojo database was part of a Seequent Leapfrog 2025.1.1 project, and separate CSV files were also supplied.
The database used for this MRE (which includes only the drill holes that are within the resource area) contains data from drilling conducted between 2007 and 2025, encompassing information from 1,037 drill holes (165 reverse circulation (RC) drill holes, 768 diamond drill holes (DDH), 104 rotary air blast (RAB) drill holes) with a total length of 532,919 m and 263,784 samples. Verification procedures for the drill hole database are detailed in Section 12 of this Technical Report. The database, closed on June 30, 2025, was provided on August 6, 2025, with the most recent drill holes included being CROX24-36 and CRSX25-50A.
Some RC drilling results from Canplats were considered wet and possibly contaminated. These 16 holes were excluded from the database prior to the resource modelling exercise:
| BCR-010 | BCR-032 | BCR-044 | BCR-074 |
| BCR-028 | BCR-035 | BCR-052 | BCR-080 |
| BCR-030 | BCR-039 | BCR-057 | BCR-084 |
| BCR-031 | BCR-040 | BCR-069 | BCR-085 |
| 14-3 | ![]() |
| Orla Mining Ltd. | Camino Rojo Project | March 18, 2026 |
| NI 43-101 Technical Report | SLR Project No.: 233.065118.00001 |
| 14.3 | Geological Interpretation |
Orla geologists developed multiple geological models in Leapfrog using an implicit modelling approach with manual adjustments such as polylines and points. A lithological model, which includes the overburden and the lithological formations Caracol, Indidura, Cuesta del Cura, la Peña, and Cupido, was prepared. Additionally, models of the oxide, alteration, geometallurgical domains, arsenic, structures, and organic carbon were created. The QP reviewed the provided geological models and confirmed their suitability for Mineral Resource estimation.
The oxide model contained the following layers: oxide (Ox), transition high (TrHi), transition low (TrLo), transition sulphide (TrSx), and sulphide (Sx), as illustrated in Figure 14-1. Criteria used for the determination of the level of oxidation were the following:
| · | Ox: Logged interval is visually identified as oxide with >90% oxidation of the drill core. Where visual identification is ambiguous, sulphur content (s_pct) can be used as a quantitative criterion, with values below 2% indicative of oxide material |
| · | TrHi: Logged interval is visually identified as TrHi with 60-90% oxidation of the drill core. Where visual identification is ambiguous, sulphur content (s_pct) can be used as a quantitative criterion, with values below 3% indicative of TrHi material |
| · | TrLo: Logged interval is visually identified as TrLo with 30-60% oxidation of the drill core |
| · | TrSx: Logged interval is visually identified as TrSx with 10-30% oxidation of the drill core |
| · | Sx: Logged interval is visually identified as Sx with <10% oxidation of the drill core |
| 14-4 | ![]() |
| Orla Mining Ltd. | Camino Rojo Project | March 18, 2026 |
| NI 43-101 Technical Report | SLR Project No.: 233.065118.00001 |
Figure 14-1: Camino Rojo Oxide Model

| 14-5 | ![]() |
| Orla Mining Ltd. | Camino Rojo Project | March 18, 2026 |
| NI 43-101 Technical Report | SLR Project No.: 233.065118.00001 |
The alteration, arsenic, organic carbon, and oxide model all inform the geometallurgical domains model, which is used for the metallurgical recoveries, NSR, and AuEq calculations. The geometallurgical domains are listed:
| · | KpOx: oxide (Ox) layer within potassic alteration (Kp) |
| · | KiOx: Ox within incipient potassic alteration (Ki), now represented by the low-grade shell, which is discussed below |
| · | TrHi |
| · | TrLo |
| · | TrSx |
| · | S1a: low arsenic (from the arsenic model) within low organic carbon wireframe (from the organic carbon geological model). S1a is subdivided into two sub-domains for geometallurgy; in the Caracol formation, S1a_CAR, and in zone 22, S1a_22 or S22. |
| · | S2a: high arsenic within low organic carbon wireframe |
| · | S1b: variable arsenic within high organic carbon wireframe |
| · | S2b: high arsenic within high organic carbon wireframe |
Using Leapfrog implicit modelling techniques and manual control features, the QP created a low-grade (LG) mineralization shell (Figure 14-2) consisting of two portions, one built using a 0.1 g/t Au cut-off, mostly within the Caracol formation, with the other built using a 0.1 g/t gold equivalent (AuEq) cut-off in the other lithological formations. The AuEq was used to reflect the contribution of zinc, lead, and copper that is increasing at depth. The AuEq formula is defined in section 0 of this report. These wireframes included lower grade intercepts to ensure the continuity of the solid and avoid unnecessary fragmentation. Interval selection was guided by economic composites. Indicator shells at various cut-off values were used to select the cut-off value that best enhanced the grade continuity.
| 14-6 | ![]() |
| Orla Mining Ltd. | Camino Rojo Project | March 18, 2026 |
| NI 43-101 Technical Report | SLR Project No.: 233.065118.00001 |
Figure 14-2: Camino Rojo Low-Grade Mineralization Model

| 14-7 | ![]() |
| Orla Mining Ltd. | Camino Rojo Project | March 18, 2026 |
| NI 43-101 Technical Report | SLR Project No.: 233.065118.00001 |
Within the low-grade envelope, Orla geologists, in collaboration with SLR and the QP, constructed high-grade mineralization wireframes (HG) at 1 g/t Au for the Caracol formation and at 1 g/t gold equivalent (AuEq) in lithological formations below the Caracol. This process used core photo orientations, indicator shells, a vein density model, and oriented core disks. Four vein groups (the 100, 200, 300, and 400 series) were modelled.
In the Caracol, the vein groups included the 100 series, representing sub-vertical zones, and the 200 series, representing flat to shallow dipping zones. The 100 series posed challenges during its conception due to the historical downdip drilling orientation.
Further at depth, the 300 and 500 series were built, the first one being sub-vertical skarns, and the latest representing sub-horizontal to shallow dipping mantos bodies.
Series 100 contains 27 distinct wireframes labelled between MIN101 to MIN129, while series 200 contains 22 veins labelled between MIN201 to MIN243.
Further at depth, series 300 only contains MIN301, while series 500 contains 48 veins named from MIN502 to MIN563. These wireframes were grouped by series for the purpose of this estimation. The individual veins in each group are generally not touching one another.
Figure 14-3 shows the HG mineralization wireframes within the low-grade envelope. Additionally, it is important to note that MCR refers to the HG wireframes sitting below the Caracol lithological formation as Zone 22.
Although the current approach of preparing mineralization wireframes at depth using gold equivalent grades has been effective, the QP recommends that MCR reevaluate this strategy in future updates. Specifically, the mineralization chronology and relationships between metals should be analyzed. Based on the results of this review, extending the gold-only wireframes from higher levels at depth should be investigated, given that gold is the primary metal contributor.
Additionally, creating separate wireframes for silver, zinc, and copper should be considered, as appropriate. This approach would provide a more accurate representation of the nature of the mineralization and its chronology, as well as better capture significant grades within constrained envelopes, reducing reliance on high-grade restrictions to manage isolated high-grade intercepts.
| 14-8 | ![]() |
| Orla Mining Ltd. | Camino Rojo Project | March 18, 2026 |
| NI 43-101 Technical Report | SLR Project No.: 233.065118.00001 |
Figure 14-3: HG Mineralization Wireframes within the LG Envelope

Source: SLR 2026
| 14-9 | ![]() |
| Orla Mining Ltd. | Camino Rojo Project | March 18, 2026 |
| NI 43-101 Technical Report | SLR Project No.: 233.065118.00001 |
For the final estimation domains, the nature of the deposit and the metallurgical methods for both oxide and sulphide materials were considered. A merged wireframe named OxTrHi, consisting of the Oxide (Ox) and Transition High (TrHi) wireframes from the Orla oxide geological model, was prepared and clipped within the low-grade envelope. Subsequently, the HG wireframes were clipped to the OxTrHi wireframe, resulting in seven estimation domains: OxTrHi, 100, 200, 300, 500, LG and OUT (remaining area outside the LG shell), as shown in Figure 14-4.
| 14-10 | ![]() |
| Orla Mining Ltd. | Camino Rojo Project | March 18, 2026 |
| NI 43-101 Technical Report | SLR Project No.: 233.065118.00001 |
Figure 14-4: Camino Rojo Estimation Domain Model

Source: SLR 2026
| 14.4 | Treatment of High-Grade Assays |
| 14.4.1 | Capping Levels |
To mitigate the impact of erratic high-grade assays that could otherwise skew surrounding lower-grade samples, the QP implements the practice of capping high-grade assays before compositing. Statistical methods were employed to establish appropriate capping levels for Camino Rojo.
The 100, 200, 300, 500, LG and the OUT wireframes were used for this exercise as capping domains. Estimated elements capping levels for each domain were determined using a combination of methods including histograms, decile analysis, probability plots, disintegration, and visual inspection of the spatial distribution of higher-grade assays. Descriptive statistics for both raw (uncapped) and capped assays are provided in Table 14-2.
| 14-11 | ![]() |
| Orla Mining Ltd. | Camino Rojo Project | March 18, 2026 |
| NI 43-101 Technical Report | SLR Project No.: 233.065118.00001 |
Table 14-2: Assay and Capping Statistics Summary
| Capping
Domain |
Count | Raw Assays | Capped Assays | |||||||
| Average (g/t) |
Min (g/t) |
Max (g/t) |
CV | Cap (g/t) |
No. Capped |
Average (g/t) |
CV | % Metal Loss | ||
| Au | ||||||||||
| 100 | 18,661 | 1.92 | 0.0001 | 115.0 | 1.99 | 50 | 22 | 1.91 | 1.85 | 0.52 |
| 200 | 4,836 | 2.09 | 0.0001 | 290.0 | 2.57 | 30 | 13 | 2.0 | 1.53 | 4.31 |
| 300 | 120 | 1.21 | 0.013 | 17.0 | 1.81 | - | - | - | - | - |
| 500 | 707 | 2.66 | 0.007 | 61.5 | 1.68 | 25 | 6 | 2.59 | 1.52 | 2.63 |
| LG | 95,589 | 0.29 | 0.0001 | 140.5 | 3.88 | 30 | 23 | 0.29 | 2.98 | 1.68 |
| OUT | 139,588 | 0.03 | 0.0001 | 56.1 | 11.54 | 12 | 22 | 0.03 | 8.77 | 3.16 |
| Ag | ||||||||||
| 100 | 18,661 | 12.58 | 0 | 4,870 | 3.63 | 225 | 23 | 12.10 | 1.56 | 3.82 |
| 200 | 4,836 | 14.26 | 0 | 388 | 1.42 | 170 | 9 | 14.17 | 1.36 | 0.63 |
| 300 | 120 | 19.74 | 0.25 | 188 | 1.32 | 70 | 6 | 17.9 | 1.05 | 9.32 |
| 500 | 707 | 17.24 | 0.25 | 399 | 1.75 | 85 | 24 | 15.38 | 1.30 | 10.79 |
| LG | 95,589 | 4.28 | 0.00 | 567 | 2.48 | 200 | 38 | 4.24 | 2.21 | 0.93 |
| OUT | 139,588 | 1.67 | 0.00 | 1,975 | 8.59 | 375 | 56 | 1.60 | 6.52 | 4.19 |
| Capping
Domain |
Count | Average (ppm) |
Min (ppm) |
Max (ppm) |
CV | Cap (ppm) |
No. Capped |
Average (ppm) |
CV | % Metal Loss |
| Zn | ||||||||||
| 100 | 18,661 | 3,445 | 0 | 172,000 | 1.59 | 55,000 | 31 | 3,419 | 1.49 | 0.76 |
| 200 | 4,836 | 4,570 | 0 | 93,700 | 1.35 | 40,000 | 22 | 4,512 | 1.26 | 1.26 |
| 300 | 120 | 1,488 | 21 | 38,000 | 2.68 | - | - | - | - | - |
| 500 | 707 | 15,169 | 13 | 166,500 | 1.65 | 90,000 | 21 | 14,289 | 1.48 | 5.8 |
| LG | 95,589 | 1,570 | 0 | 210,000 | 2.36 | 80,000 | 44 | 1563 | 2.25 | 0.41 |
| OUT | 139,588 | 210 | 0 | 247,000 | 6.12 | 80,000 | 6 | 209 | 5.44 | 0.62 |
The gold capping analysis of domain 100 is presented in Figure 14-5, silver capping for domain 200 in Source: SLR 2026
Figure 14-6, and zinc in domain 500 in Figure 14-7.
| 14-12 | ![]() |
| Orla Mining Ltd. | Camino Rojo Project | March 18, 2026 |
| NI 43-101 Technical Report | SLR Project No.: 233.065118.00001 |
Figure 14-5: Gold Capping Analysis of Domain 100
![]() |
![]() |
Source: SLR 2026
| 14-13 | ![]() |
| Orla Mining Ltd. | Camino Rojo Project | March 18, 2026 |
| NI 43-101 Technical Report | SLR Project No.: 233.065118.00001 |
Figure 14-6: Silver Capping Analysis of Domain 200
![]() |
![]() |
Source: SLR 2026.
| 14-14 | ![]() |
| Orla Mining Ltd. | Camino Rojo Project | March 18, 2026 |
| NI 43-101 Technical Report | SLR Project No.: 233.065118.00001 |
Figure 14-7: Zinc Capping Analysis of Domain 500
![]() |
![]() |
Source: SLR 2026.
| 14-15 | ![]() |
| Orla Mining Ltd. | Camino Rojo Project | March 18, 2026 |
| NI 43-101 Technical Report | SLR Project No.: 233.065118.00001 |
| 14.4.2 | High-Grade Restriction |
High-grade restrictions were implemented to mitigate the disproportionate influence of isolated higher grade assay values on the overall estimation. Unrestricted, these values could potentially overestimate the average grade estimate beyond the representative nature of the entire deposit. Restrictions were applied to gold and silver composites in the ellipsoid search passes of the estimation in the lower grade domains LG and OUT (Table 14-3), where isolated high-grade anomalies were identified, resulting in clusters of high-grade blocks.
Table 14-3: Gold and Silver High-Grade Restrictions Summary
| Domain | HG
Restriction (g/t) |
Distance
(m) |
Distance
Pass 1 (%) |
Distance Pass 2 (%) |
Distance Pass 3 (%) |
Distance
Pass 4 (%) |
| LG | 0.25 | ~5 m (1 block) | 7 | 3.5 | 20 | 2.4 |
| OUT | 0.25 | ~10m (2 blocks) | 22 | 14 | 4.8 | (-) |
| 14.5 | Compositing |
Before grade estimation, capped assay samples were composited by SLR using a fixed interval length of 1.5 m. The compositing process was conducted from collar to toe within mineralization wireframes, starting at the wireframe pierce-point and continuing to the point where the hole exited the domain. Composites shorter than 30% of the compositing length, i.e., shorter than 0.45 m, were added to the previous interval. The 1.5 m composite length was selected based on the raw sample lengths, with 83% of the samples measuring 1.5 m.
Table 14-4 provides descriptive statistics for capped composite values, organized by estimation domain.
Table 14-4: Composites Descriptive Statistics
| Estimation
Domain |
Count | Length (m) |
Minimum (g/t) |
Maximum (g/t) |
Mean (g/t) |
St
Dev (g/t) |
CV |
| Au | |||||||
| OxTrHi | 18,848 | 28,189.17 | 0.0001 | 35.89 | 0.61 | 1.08 | 1.76 |
| 100 | 15,206 | 22,566.14 | 0.0001 | 50 | 2.04 | 3.61 | 1.77 |
| 200 | 4,506 | 6,681.51 | 0.0001 | 30 | 2.05 | 3.03 | 1.48 |
| 300 | 92 | 136.23 | 0.013 | 11.24 | 1.11 | 1.70 | 1.53 |
| 500 | 610 | 881.54 | 0.009 | 25 | 2.60 | 3.64 | 1.40 |
| LG | 90,273 | 134,850.27 | 0.0001 | 30 | 0.28 | 0.85 | 3.02 |
| OUT | 197,661 | 296,251.83 | 0.0001 | 12 | 0.03 | 0.23 | 7.05 |
| Ag | |||||||
| OxTrHi | 18,848 | 28,189.17 | 0 | 225 | 11.99 | 12.09 | 1.01 |
| 100 | 15,206 | 22,566.14 | 0 | 225 | 10.45 | 18.10 | 1.73 |
| 200 | 4,506 | 6,681.51 | 0 | 170 | 12.85 | 17.98 | 1.40 |
| 300 | 92 | 136.23 | 0.25 | 67.09 | 18.03 | 16.25 | 0.90 |
| 14-16 | ![]() |
| Orla Mining Ltd. | Camino Rojo Project | March 18, 2026 |
| NI 43-101 Technical Report | SLR Project No.: 233.065118.00001 |
| Estimation
Domain |
Count | Length (m) |
Minimum (g/t) |
Maximum (g/t) |
Mean (g/t) |
St
Dev (g/t) |
CV |
| 500 | 610 | 881.54 | 0.25 | 85 | 15.21 | 18.56 | 1.22 |
| LG | 90,273 | 134,850.27 | 0 | 200 | 3.40 | 8.28 | 2.43 |
| OUT | 197,661 | 296,251.83 | 0 | 375 | 1.60 | 9.40 | 5.88 |
| Domain | Count | Length (m) |
Minimum (ppm) |
Maximum (ppm) |
Mean (ppm) |
St
Dev (g/t) |
CV |
| Zn | |||||||
| OxTrHi | 18,848 | 28,189.17 | 0 | 30,600 | 2,937.85 | 2,410.31 | 0.82 |
| 100 | 15,206 | 22,566.14 | 0 | 55,000 | 3,244.88 | 5,175.10 | 1.59 |
| 200 | 4,506 | 6,681.51 | 0 | 40,000 | 4,381.61 | 5,712.50 | 1.30 |
| 300 | 92 | 136.23 | 40.25 | 25,738.20 | 1,414.06 | 3,294.56 | 2.33 |
| 500 | 610 | 881.54 | 13 | 90,000 | 14,378.98 | 19,348.65 | 1.35 |
| LG | 90,273 | 134,850.27 | 0 | 80,000 | 1,418.97 | 3,337.46 | 2.35 |
| OUT | 197,661 | 296,251.83 | 0 | 77,455.36 | 208.71 | 1,003.21 | 4.81 |
| 14.6 | Trend Analysis |
| 14.6.1 | Grade Contouring |
Grade continuity was analyzed by generating a series of numeric shells in Leapfrog, for both the grouped veins (100, 200, 300 and 500) and for some of the largest veins of each mineralization vein series. Grade contouring for the individual veins of groups 100 and 200 gave better results, with more distinguishable visual grade trends.
Veins MIN103, MIN203, MIN206, MIN237 were reviewed. Sub-vertical to moderately plunging trends were identified in MIN103, generally extending along an east-northeast (ENE) to west-southwest (WSW) strike, and west plunging.
For group 200, the review of veins 203, 206, and 237 allowed for the definition of one sub-horizontal to shallow dipping trend plunging towards the southeast, with a strike northwest to southeast. Another trend, sub-vertical with a northeast-southwest strike plunging west, was also distinguished.
For group 500, the grade contouring allowed for the definition of a sub-vertical trend plunging slightly towards the south, with a northwest-southeast strike. Examples of the gold grade contouring for MIN103 and the 500 series are presented in Figure 14-8 and Figure 14-9.
Other elements such as silver and zinc were also reviewed, but trends were most apparent for gold. The orientation of these trends was valuable in guiding experimental variography.
| 14-17 | ![]() |
| Orla Mining Ltd. | Camino Rojo Project | March 18, 2026 |
| NI 43-101 Technical Report | SLR Project No.: 233.065118.00001 |
Figure 14-8: Gold Grade Contouring of MIN103 and Observed Trends

| 14-18 | ![]() |
| Orla Mining Ltd. | Camino Rojo Project | March 18, 2026 |
| NI 43-101 Technical Report | SLR Project No.: 233.065118.00001 |
Figure 14-9: Gold Grade Contouring of 500 Series and Observed Trends

Source: SLR 2026
| 14-19 | ![]() |
| Orla Mining Ltd. | Camino Rojo Project | March 18, 2026 |
| NI 43-101 Technical Report | SLR Project No.: 233.065118.00001 |
| 14.6.2 | Variography |
Variogram models were calibrated against experimental variograms using non-transformed data in Vulcan Data Analyser. The process focused on identifying the most reliable and stable gold variogram for each classified domain with the 1.5 m composites used for estimation. Although variograms were generated for all estimation domains, the most reliable results were achieved in domain OxTrHi, as shown in Figure 14-10. The analysis identified grade continuity of 28 m at 80% of the sill (R80), 50 m (R90), and 100 m (R100). A nugget of 0.3 was defined by the downhole variogram. The semi-major variogram rise quickly to the sill, showing 80% to 90% of the sill reached in very short ranges (10 m to 20 m), reflecting the high geological variability. These distances were used to define drill hole spacing as part of the Mineral Resource classification criteria.
Figure 14-10: Modelled Variograms for Estimation Domain OxTrHi

Source: SLR 2026
Table 14-5 details the variogram models built in Vulcan Analyser for the Camino Rojo classified estimation domains.
| 14-20 | ![]() |
| Orla Mining Ltd. | Camino Rojo Project | March 18, 2026 |
| NI 43-101 Technical Report | SLR Project No.: 233.065118.00001 |
Table 14-5: Estimation Domains Modelled Semi-Variograms
| Domain | Bearing | Plunge | Dip | Model | Nugget | Structure 1 | Structure 2 | Structure 3 | Structure 4 | ||||
| Variance | Ranges1 (m) |
Variance | Ranges (m) |
Variance | Ranges (m) |
Variance | Ranges (m) | ||||||
| 100 | 65 | 0 | 50 | Spherical | 0.2 | 0.2 | 5/5/2.5 | 0.3 | 7.5/5/7.5 | 0.3 | 10/15/15 | - | - |
| 200 | 65 | 0 | -5 | Spherical | 0.5 | 0.3 | 10/10/2.5 | 0.1 | 15/15/10 | 0.1 | 30/30/25 | - | - |
| OxTrHi | 65 | 30 | 60 | Spherical | 0.3 | 0.1 | 3/3/3 | 0.21 | 10/5/40 | 0.2 | 70/7.5/50 | 0.19 | 100/50/50 |
| LG | 65 | 0 | 50 | Spherical | 0.5 | 0.3 | 2/2/10 | 0.15 | 10/10/35 | 0.05 | 25/25/50 | - | - |
Notes: 1 Ranges in Major, Semi-Major and Minor directions. 2 Domain 300 and 500 do not have sufficient data to obtain stable variograms. | |||||||||||||
The QP recommends reviewing the domaining strategy and analysing the trends to improve understanding of variability within the domains and to refine future search ellipsoid orientations. The QP also suggests that Orla continue drilling to collect more data for the 300 and 500 estimation domains, which would allow better understanding of grade trends and continuity at depth.
| 14.7 | Search Strategy and Grade Interpolation Parameters |
The interpolation of the Camino Rojo grade block model involved four passes for all estimation domains, except for the OUT domain, which used three passes. Grades were estimated using 1.5 m composites and ID³ or ID² interpolation methods. The ID method was chosen to preserve local grades while accommodating occasional internal dilution and lower grade intercepts within the mineralized wireframes. Additionally, hard boundaries were applied to all estimation domains. Variable orientation was used to define orientation of anisotropy.
Table 14-6 presents the search ellipse geometry and sample selection strategy used for each pass in estimating gold, silver, and zinc grades.
Table 14-6: Search Ellipse Geometry and Sample Selection Strategy
| Domain | Method | Orientation | P1
Search (m) |
P2
Search (m) |
P3
Search (m) |
P4
Search (m) |
P1
Min/Max Samples/ Max per DH |
P2
Min/Max Samples/ Max per DH |
P3
Min/Max Samples/ Max per DH |
P4
Min/Max Samples/ Max per DH |
HG Restrictions |
| OxTrHi | ID3 | VO1 | 45/45/22.5 | 70/70/35 | 25/25/12.5 | 210/210/105 | 9/16/4 | 6/16/4 | 1/16/- | 5/16/4 | - |
| 100 | ID3 | VO | 45/45/22.5 | 70/70/35 | 25/25/12.5 | 210/210/105 | 5/16/4 | 5/16/4 | 1/16/- | 5/16/4 | - |
| 200 | ID3 | VO | 20/20/10 | 40/40/20 | 10/10/5 | 120/120/60 | 5/16/4 | 5/16/4 | 1/16/- | 5/16/4 | - |
| 300 | ID2 | VO | 70/35/17.5 | 140/70/35 | 210/105/52.5 | 280/140/70 | 3/8/2 | 3/8/2 | 3/8/2 | 3/8/2 | - |
| 500 | ID2 | VO | 70/70/7.5 | 140/140/15 | 25/25/12.5 | 210/210/22.5 | 3/8/2 | 3/8/2 | 1/8/- | 3/8/2 | - |
| LG | ID2 | VO2 | 70/70/35 | 140/140/70 | 25/25/12.5 | 210/210/105 | 7/16/4 | 6/16/5 | 1/16/- | 5/16/4 | 0.25 g/t @ ~5 m for Au and Ag 3 |
| OUT | ID2 | VO2 | 45/45/22.5 | 70/70/735 | 210/210/105 | - | 12/16/4 | 12/16/4 | 8/16/4 | - | 0.25 g/t @ ~10 m for Au and Ag 3 |
Notes: 1 Variable orientation using some individual 100 veins. 2 Variable orientation using lithological formations. 3 For all passes. | |||||||||||
| 14-21 | ![]() |
| Orla Mining Ltd. | Camino Rojo Project | March 18, 2026 |
| NI 43-101 Technical Report | SLR Project No.: 233.065118.00001 |
| 14.8 | Bulk Density |
Orla provided SLR and the QP with 13,211 density values ranging between 1.02 g/cm³ and 7.87 g/cm³. To better capture the nature of the deposit, SLR and the QP created sub-domaining of the grouped 100, 200, 300, and 500 mineralization high-grade (HG), LG, and OUT wireframes with the different oxidation levels.
The oxidation layers categorized as TrHi, TrLo, and TrSx were grouped into one level named Tr. Oxide (Ox) and sulphide (Sx) were considered independently. A total of nine density domains was generated: HG_Ox, HG_Tr, HG_Sx, LG_Ox, LG_Tr, LG_Sx, OUT_Ox, OUT_Tr and OUT_Sx.
Density values for the overburden (OVB) were also reviewed and a density of 2.0 g/cm³ was assigned to this material type. A total of 13,205 samples were available after the QP excluded outliers above 5.0 g/cm³ for this analysis. The QP recommends reviewing these outlier values. Review of the new density data indicates that average values are consistent with those used in the March 31, 2025 MRE, and therefore the block model density assignments were not modified. Within the density domains, assigned density ranged between 2.40 g/cm³ and 2.67 g/cm³, which the QP considers to be reasonable for this type of mineralization.
Density values were assigned to each block based on average density by domain. The assigned values are detailed in Table 14-7.
Table 14-7: Density Values per Domain
| Domain | Count | Mean (g/cm3) |
Assigned
Density (g/cm3) |
| OVB | 245 | 2.00 | 2.00 |
| HG_Ox | 26 | 2.41 | 2.40 |
| HG_Tr | 132 | 2.53 | 2.52 |
| HG_Sx | 723 | 2.69 | 2.67 |
| LG_Ox | 205 | 2.38 | 2.40 |
| LG_Tr | 334 | 2.52 | 2.53 |
| LG_Sx | 4,415 | 2.63 | 2.62 |
| Out_Ox | 463 | 2.47 | 2.48 |
| Out_Tr | 66 | 2.49 | 2.5 |
| Out_Sx | 6,596 | 2.61 | 2.62 |
| 14.9 | Block Model |
An octree sub-blocked model was created using Seequent’s Leapfrog Edge 2025.1.1 software to support the Camino Rojo Mineral Resource estimate. The model features parent blocks measuring 5 m in width, 5 m in depth, and 5 m in height, sub-blocked to a minimum of 1.25 m by 1.25 m x 1.25 m. This block model is unrotated. A 10 m x 10 m x 10 m regularized block model with the same origins has also been prepared for open pit reporting. The underground Mineral Resource estimates were reported from the sub-blocked model.
The QP is of this opinion that the chosen block size of the regularized model is suitable for open pit operation planning, and the sub-blocked model is suitable for underground mining. The parameters of the Camino Rojo sub-blocked model are summarized in Table 14-8, and the regularized model parameters are shown in Table 14-9
| 14-22 | ![]() |
| Orla Mining Ltd. | Camino Rojo Project | March 18, 2026 |
| NI 43-101 Technical Report | SLR Project No.: 233.065118.00001 |
Table 14-8: Camino Rojo Sub-Blocked Model Parameters
| Type | X | Y | Z |
| Base Point (m) | 243,180 | 2,675,480 | 2,070 |
| Boundary Size (m) | 1,995 | 1,105 | 1,745 |
| Parent Block Size (m) | 5 | 5 | 5 |
| Min. Sub-block Size (m) | 1.25 | 1.25 | 1.25 |
| Rotation (°) | 0 | 0 | 0 |
| Total size in blocks | 30,774,471 | ||
Table 14-9: Camino Rojo Regularized Model Parameters
| Type | X | Y | Z |
| Base Point (m) | 243,180 | 2,675,480 | 2,070 |
| Boundary Size (m) | 1,990 | 1,100 | 1,740 |
| Block Size (m) | 10 | 10 | 10 |
| Rotation (°) | 0 | 0 | 0 |
| Total size in blocks | 3,808,860 | ||
| 14.10 | Cut-off Grade and Optimization Parameters |
The metal prices used for estimating Mineral Reserves are based on consensus, long term forecasts from banks, financial institutions, and other sources. For estimating Mineral Resources, the metal prices used are typically slightly higher than those used for estimating Mineral Reserves. For Camino Rojo, Mineral Resources are estimated at the following metal prices: $2,800 per ounce of gold, $33 per once of silver, and $1.25 per pound of zinc.
The QP has estimated Mineral Resources using NSR cut-off values of $8.44/t for heap leach material and $14.06/t for mill material for open pit mining. Underground reporting shapes were generated in Deswik based on the selected mining methods and corresponding NSR cut-off values, with cut-offs of $57/t for heap leach and $63/t for mill material applied for long-hole stoping, and $66/t for heap leach and $72/t for mill material applied for cut-and-fill mining.
The aforementioned NSR cut-off values were determined considering the assumed costs of the mining method, such as long hole stoping for the underground, processing methods, costs of mined material, as well as gold, silver, zinc, and prices. The calculations considered the total operating costs, encompassing mining, processing, and general and administrative (G&A) expenses. Sustaining capital was included in leached material calculations only. The costs and parameters used to calculate the cut-off values are detailed in Table 14-10.
Geometallurgical domains are presented in Table 14-11 and associated metallurgical recoveries are listed in Table 14-12. The underground reporting shapes generated using Deswik Stope Optimizer include small volumes of heap leach domains being processed in the bulk concentrate, and small volumes of mill material domains going to the heap leach. The metallurgical recoveries for these cross-processed domains (KpOx, KiOx, TrHi, and TrLo reporting to the mill and Transition, S1a, S1b/S2b, S2a, and S22 reporting to the heap leach) are based upon the QP’s review of historical test work.
| 14-23 | ![]() |
| Orla Mining Ltd. | Camino Rojo Project | March 18, 2026 |
| NI 43-101 Technical Report | SLR Project No.: 233.065118.00001 |
Only blocks within the Mineral Resource pit shell above the cut-off value and underground constraining shapes were reported. Table 14-14 summarizes NSR cut-off values for each geometallurgical domains.
In accordance with the CIM (2014) requirement that Mineral Resources demonstrate "reasonable prospects for eventual economic extraction" (RPEEE), SLR and the QP created an optimized pit shell using Whittle software to constrain the Mineral Resources of the shallower portion of the deposit. A regularized block model with dimensions of 10 m x 10 m x 10 m, matching the selective mining unit (SMU) of the Project, was used for developing the optimized pit shell, verifying RPEEE and reporting open-pit Mineral Resources.
For the deeper portion of the deposit, underground resource panels were used for Mineral Resource reporting and were generated using Deswik Stope Optimizer (DSO). A 2.0 m minimum thickness was used for long-hole stoping and 5.0 m for cut-and-fill to ensure that the minimum criteria for RPEEE were met. While a regularized block model was used for pit optimization, underground Mineral Resource reporting was completed using a sub-blocked model to capture the details of the underground resource domains.
| 14.10.1 | Cut-off Grade Parameters |
Table 14-10: Mineral Resource Cut-off Grade Inputs
| Parameter | Units | Values |
| Gold Price | $/oz | 2,800 |
| Silver Price | $/oz | 33 |
| Zinc Price | $/lb | 1.25 |
| Royalty NSR | % | 3 |
| Heap Leach Material | ||
| Heap Leach Mining Cost | $/t mined | OP: 2.06 UG: 45 (Long hole) UG: 54 (Cut and Fill) |
| Heap Leach Processing Cost | $/t stacked | 4.24 |
| Heap Leach G&A | $ million per year | 21 |
| Heap Leach Sustaining Capital | $/t stacked | 0.91 |
| Heap Leach Rehandle Cost | $/t stacked | 0.24 |
| Gold Payable | % | 99.9 |
| Silver Payable | % | 98.0 |
| Gold and Silver Refining | $/oz poured | 1.69 |
| Flotation - Mill Material | ||
| Mill Mining Cost | $/t mined | OP: 2.06 UG: 45 (Long Hole) UG: 54(Cut and Fill) |
| Mill Processing Cost | $/t milled | 11 |
| Mill G&A | $ million per year | 19.5 |
| 14-24 | ![]() |
| Orla Mining Ltd. | Camino Rojo Project | March 18, 2026 |
| NI 43-101 Technical Report | SLR Project No.: 233.065118.00001 |
| Parameter | Units | Values |
| Mill Sustaining Capital | $/t milled | 0-0.91 |
| Mill Rehandle Cost | $/t milled | OP:0.24 UG:0.42 |
| Gold Payable | % | 70-95 |
| Silver Payable | % | 40-90 |
| Zinc Payable | % | 0-85 |
| Gold Refining | $/oz | 5-10 |
| Silver Refining | $/oz | 0.5 |
| Concentrate Trans | $/t wet | 180 |
| Concentrate Treat | $/t dry | 80-180 |
| Concentrate Moisture | % | 10 |
Table 14-11: Geometallurgical Domains
| Domain Name |
Description | OP Processing | UG Processing |
| KpOx | Potassic alteration in Oxide | Heap Leach | |
| KiOx | Low-grade shell in Oxide | ||
| TrHi | Transition High, 60% to 90% Oxide | ||
| TrLo | Transition Low, 30% to 60% Oxide | ||
| Transition | Transition Sulphide, Leachable, >70% recovery | Flotation/Concentrate | |
| S1a (S1a_CAR) | Sulphide, Potentially Leachable, Low Organic Carbon, in Caracol formation | ||
| S1b/S2b | Sulphide, Potentially Leachable, High Organic Carbon | ||
| S2a | Sulphide, Not Leachable, Low Organic Carbon, Single Refractory | ||
| S22 (S1a_22) | Sulphide, Potentially Leachable, Low Organic Carbon, Double Refractory, below Caracol formation (zone 22) | ||
| 14-25 | ![]() |
| Orla Mining Ltd. | Camino Rojo Project | March 18, 2026 |
| NI 43-101 Technical Report | SLR Project No.: 233.065118.00001 |
Table 14-12: Metallurgical Recoveries
| Domain Name | Processing Method | Au
Rec1 (%) |
Ag
Rec (%) |
Zn
Rec (%) |
| KpOx | Heap Leach | 0.70 | 0.11 | 0.00 |
| KiOx | 0.56 | 0.15 | 0.00 | |
| TrHi | 0.60 | 0.27 | 0.00 | |
| TrLo | 0.40 | 0.34 | 0.00 | |
| Transition, S1a, S1b/S2b, S2a, S222 | 0.22 | 0.25 | 0.00 | |
| Transition | Bulk Concentrate | 0.80 | 0.52 | 0.00 |
| S1a (S1a_CAR) | 0.85 | 0.60 | 0.00 | |
| KpOx, KiOx, TrHi, TrLo2 | 0.80 | 0.52 | 0.00 | |
| S1b/S2b | Au Concentrate | 0.34 | 0.51 | 0.05 |
| Zn Concentrate | 0.03 | 0.08 | 0.33 | |
| Py Bulk Concentrate | 0.51 | 0.16 | 0.50 | |
| Total | 0.88 | 0.75 | 0.87 | |
| S2a | Au Concentrate | 0.40 | 0.36 | 0.07 |
| Zn Concentrate | 0.03 | 0.19 | 0.45 | |
| Py Bulk Concentrate | 0.46 | 0.31 | 0.36 | |
| Total | 0.89 | 0.86 | 0.89 | |
| S22 (S1a_22) | Au Concentrate | 0.50 | 0.50 | 0.00 |
| Zn Concentrate | 0.20 | 0.05 | 0.90 | |
| Py Bulk Concentrate | 0.10 | 0.15 | 0.00 | |
| Total | 0.80 | 0.70 | 0.90 | |
Notes:
1 Rec = Recovery 2 Cross-processed domains are small volumes included within the underground reporting shapes, resulting in heap leach material going to the mill and mill material going to the heap leach.
| ||||
The NSR value assigned to a block varies by processing method, as summarized in Table 14-10 and Table 14-12. The domains to be processed by Heap Leach use the following calculation:
Heap Leach NSR ($/t) = (Au grade (g/t) x (((2,800-1.69) x Au recovery Heap Leach x 0.999 x (1-0.03)) / 31.103477)) + (Ag grade (g/t) x (((33-1.69) x Ag recovery Heap Leach x 0.98 x (1-0.03)) / 31.103477))
The NSR values for the mill material are calculated based on the grade and the revenue per Metal Unit or the net smelter price (NSP).
Mill NSR ($/t) = (Au NSP ($/g Au) x Au grade (g/t)) + (Ag NSP ($/g Ag) x Ag grade (g/t)) + (Zn NSP ($/g Zn) x Zn grade (ppm))
The NSP values used are listed in Table 14-13.
| 14-26 | ![]() |
| Orla Mining Ltd. | Camino Rojo Project | March 18, 2026 |
| NI 43-101 Technical Report | SLR Project No.: 233.065118.00001 |
Table 14-13: NSP Values for Concentrate - Mill Material
| Element | Domain Name | NSP ($/g) | |
| Au | Transition | 25.26 | |
| S1a (S1a_CAR) | 46.51 | ||
| S1b/S2b | 58.71 | ||
| S2a | 49.53 | ||
| S22 (S1a_22) | 37.94 | ||
| Ag | Transition | 0.22 | |
| S1a (S1a_CAR) | 0.44 | ||
| S1b/S2b | 0.42 | ||
| S2a | 0.49 | ||
| S22 (S1a_22) | 0.37 | ||
| Element | Domain Name | NSP ($/lb) | NSP ($/g)1 |
| Zn | Transition | 0 | 0 |
| S1a (S1a_CAR) | 0 | 0 | |
| S1b/S2b | 0.41 | 0.000904 | |
| S2a | 0.28 | 0.000617 | |
| S22 (S1a_22) | 0.81 | 0.001786 | |
Note:
NSP ($/g) is calculated using the following formula: Zn NSP ($/lb) x 2,204.62/1,000,000 | |||
The NSR cut-off values per geometallurgical domains as well as per operating and processing type are listed in Table 14-14.
Table 14-14: NSR Cut-Off Values per Geometallurgical Domains
| Domain Name | OP
Processing |
UG
Processing |
OP
Cutoff ($/t) |
UG
Cut-off ($/t) Long-hole |
UG
Cut-off ($/t) Cut and Fill |
| KpOx | Heap Leach | 8.44 | 57 | 66 | |
| KiOx | |||||
| TrHi | |||||
| TrLo | |||||
| Transition | Mill – Flotation/Concentrate | 14.06 | 63 | 72 | |
| S1a (S1a_CAR) | |||||
| S1b/S2b | |||||
| S2a | |||||
| S22 (S1a_22) | |||||
Stockpiles are reported using cut-off grades defined by geometallurgical domain. For the current Mineral Resource Estimate, all stockpile material is assumed to originate from the KiOx geometallurgical domain and is therefore reported using the corresponding cut-off grade of 0.21 g/t Au. Costs and parameters of this cut-off grade are presented in section 15.4, in Table 15-3.
| 14-27 | ![]() |
| Orla Mining Ltd. | Camino Rojo Project | March 18, 2026 |
| NI 43-101 Technical Report | SLR Project No.: 233.065118.00001 |
For reporting purposes, gold equivalent (AuEq) is based on the following formulas:
Heap Leach AuEq (g/t) = Au grade (g/t) + (Ag NSP ($/g) / Au NSP ($/g) x Ag grade (g/t))
Mill - Concentrate AuEq (g/t) = Au grade (g/t) + (Ag NSP ($/g) / Au NSP ($/g) x Ag grade (g/t)) + ((Zn NSP ($/lb) x 2,204.62 / 100 / Au NSP ($/g)) x Zn grade (ppm) / 10,000))
At the wireframing stage, prior to the finalization of economic parameters and cut-off grades, an AuEq formula based on provisional NSP values was used for geological modelling. These NSP values differ from those later applied in the AuEq formula used for reporting.
The wireframing NSP values are summarized inTable 14-15, and the corresponding AuEq formula used for Zone 22 is as follows
AuEq wireframing = Au grade (g/t) + (Ag NSP / Au NSP) x Ag grade (g/t)) + (Zn NSP x 2,204.62 / 100 / Au NSP) x Zn grade (ppm) / 10,000+(Pb NSP x 2,204.62 / 100 / Au NSP) x Pb grade (ppm) /10,000
Table 14-15: AuEq Wireframing Formula NSP Values
| Element | Geometallurgical domain | NSP ($/g) |
| Au | KpOx | 39.378 |
| KiOx | 31.502 | |
| TrHi | 33.753 | |
| TrLo | 22.502 | |
| Transition | 12.37 | |
| S1a | 52.385 | |
| S2a | 48.903 | |
| S1b, S2b | 43.054 | |
| Ag | KpOx | 0.065 |
| KiOx | 0.089 | |
| TrHi | 0.161 | |
| TrLo | 0.202 | |
| Transition | 0.221 | |
| S1a | 0.196 | |
| S2a | 0.261 | |
| S1b, S2b | 0.260 | |
| Zn | KpOx, KiOx, TrHi, TrLo | 0 |
| Transition, S1a, S2a, S1b, S2b | 0.624 | |
| Pb | KpOx, KiOx, TrHi, TrLo | 0 |
| Transition, S1a, S2a, S1b, S2b | 0.407 |
| 14-28 | ![]() |
| Orla Mining Ltd. | Camino Rojo Project | March 18, 2026 |
| NI 43-101 Technical Report | SLR Project No.: 233.065118.00001 |
Note: gold equivalent (AuEq) reflects total metal presented on an equivalent basis. Orla uses conversion ratios for calculating gold equivalent for its silver and zinc production, which are calculated by multiplying the volumes of silver and zinc by the respective assumed metal prices, recoveries (varies), and dividing the resulting figure by assumed gold price. The following metal prices and recoveries (averaged) were used:
| · | Gold: $3,100/oz and 87% recovery |
| · | Silver: $37.50/oz and 75% recovery |
| · | Zinc: $1.20/lb and 40% recovery |
| 14.10.2 | Optimization Parameters |
Open pit optimization used a 10 m x 10 m x 10 m regularized block model. The ultimate economic pit limit was determined in Whittle using the Pseudoflow algorithm. An overall slope angle of 45-degrees was used. Revenue input was provided by the NSR formulae coded into the block model. Cost inputs consisted of a mining cost of $2.06/t-mined and processing costs of $4.24/t and $11/t for heap leach and milled material, respectively, functioning as the in-pit cut-off value for the NSR optimization.
Underground optimization was performed in Deswik using the Stope Optimizer tool. The algorithm was optimized for value using NSR formulae coded into the block model, with underground NSR cut-offs differentiated by mining method (long-hole stoping and cut-and-fill) and processing route. For heap leach material, NSR cut-offs of $57/t for long-hole stoping and $66/t for cut-and-fill were applied, while for flotation concentrate material, NSR cut-offs of $63/t for long-hole stoping and $72/t for cut-and-fill were used. Long-hole stoping panels were constrained with a length of 20 m, a height of 20 m, a minimum width of 2 m, and minimum dip of 45°. Cut-and-fill resource panels were constrained with a length of 5 m, a height of 5 m, a minimum width of 5 m, and a minimum dip of 70°. A 10 m minimum pillar between adjacent long-hole resource panels has been considered. The shapes generated for heap leach, and flotation concentrate material were compared to each other to remove overlapping areas. The shapes were also clipped to the economic pit shell. Isolated shapes and fragments have been excluded from the Mineral Resource estimate. A crown pillar exclusion zone has not been included in this Mineral Resource estimate. SLR has assumed that the crown pillar will be removed at the end of the mine life.
| 14.11 | Classification |
Definitions for resource categories used in this Technical Report are consistent with those defined by CIM (2014) and adopted by NI 43-101. In the CIM classification, a Mineral Resource is defined as “a concentration or occurrence of solid material of economic interest in or on the Earth’s crust in such form, grade or quality and quantity that there are reasonable prospects for eventual economic extraction”. Mineral Resources are classified into Measured, Indicated, and Inferred categories. A Mineral Reserve is defined as the “economically mineable part of a Measured and/or Indicated Mineral Resource” demonstrated by studies at Pre-Feasibility or Feasibility level as appropriate. Mineral Reserves are classified into Proven and Probable categories.
The QP developed and implemented a classification approach by creating classification solids based on drill hole spacing, and only within estimation domains OxTrHi, 100, 200, 300, 500 and LG. The specific criteria for classification are detailed in Table 14-16. Measured Mineral Resources were only considered in the OxTrHi estimation domain, where production is occurring, and confidence is increased through visual validation with the blast holes data. Gold grade continuity above the production gold cut-off grade of 0.25 g/t was also used as a criterion for Measured Mineral Resources. Some lower-grade material and drill holes beyond the spacing criteria for Indicated and Inferred Mineral Resources were included to maintain continuity.
| 14-29 | ![]() |
| Orla Mining Ltd. | Camino Rojo Project | March 18, 2026 |
| NI 43-101 Technical Report | SLR Project No.: 233.065118.00001 |
Table 14-16: Mineral Resource Classification Parameters
| Mineral
Resource Category |
Criteria |
| Measured | Drill hole spacing of maximum 25 m; in OxTrHi resource domain only; with grade continuity at the open pit production gold cut-off grade (0.25 g/t Au). |
| Indicated | Drill spacing approximately 25 m to 50 m. |
| Inferred | Drill spacing between approximately 50 m and 100 m. |
Classified blocks above the NSR cut-off values within the Camino Rojo Mineral Resource pit shell are shown in Figure 14-11, and within the underground reporting shapes in Figure 14-12.
Figure 14-13 illustrates the distribution of classified blocks based on the drill spacing, considering a minimum of three drill holes. A multiplying factor of 1.4 was used to calculate drill hole spacing from the average distance to the closest drill hole estimated on the block model.
For Measured Mineral Resources, 100% of the blocks are supported by drill hole spacings of less than 25 m and 95% of the Indicated Mineral Resource blocks are supported by drill spacings of less than 50 m. Regarding Inferred Mineral Resources, over 90% of the Inferred Mineral Resource blocks respected the 100 m drill hole spacing. The classification distances are based on variographic analysis. In the estimation domain 100, some downgrading of Indicated Mineral Resources to Inferred Mineral Resources was applied where downdip drill holes were not supported by another drill hole, drilled perpendicular to the zone, within a 25 m distance.
The QP recommends increasing the density of perpendicular drilling to increase the confidence in the downdip drilling and upgrade Inferred Mineral Resources to the Indicated Mineral Resource category.
| 14-30 | ![]() |
| Orla Mining Ltd. | Camino Rojo Project | March 18, 2026 |
| NI 43-101 Technical Report | SLR Project No.: 233.065118.00001 |
Figure 14-11: Classified Resource Blocks above the NSR Cut-Off Values inside Camino Rojo Resource Pit Shell
Source: SLR 2026
| 14-31 | ![]() |
| Orla Mining Ltd. | Camino Rojo Project | March 18, 2026 |
| NI 43-101 Technical Report | SLR Project No.: 233.065118.00001 |
Figure 14-12: Classified Resource Blocks above the NSR Cut-Off Values inside Camino Rojo Resource Underground Reporting Shapes
Source: SLR 2026
| 14-32 | ![]() |
| Orla Mining Ltd. | Camino Rojo Project | March 18, 2026 |
| NI 43-101 Technical Report | SLR Project No.: 233.065118.00001 |
Figure 14-13: Drill Hole Spacing (m) from Blocks to Closest Sample by Category – Unconstrained
Measured
Indicated
| 14-33 | ![]() |
| Orla Mining Ltd. | Camino Rojo Project | March 18, 2026 |
| NI 43-101 Technical Report | SLR Project No.: 233.065118.00001 |
Inferred
Source: SLR 2026.
| 14.12 | Block Model Validation |
The QP used visual and statistical methods to validate the block model attributes, domain flagging, and interpolated block grades at Camino Rojo. The checks performed included:
| · | Visual inspection of composite and blast hole assay results versus block grades for gold (Figure 14-14 and Figure 14-15), silver and zinc. |
| · | Comparison between ID, ordinary kriging (OK) and nearest neighbour (NN) mean swath plots as well as with 100 m cell declustering on composites (Figure 14-16 to Figure 14-18) in classified material. |
| · | Wireframe to block model volume confirmation (Table 14-17) |
| · | ID versus NN, and OK block statistics for classified domains (Table 14-18) |
| · | Reconciliation with production grade control block model (Table 14-19, Figure 14-19 and Figure 14-20) |
| 14-34 | ![]() |
| Orla Mining Ltd. | Camino Rojo Project | March 18, 2026 |
| NI 43-101 Technical Report | SLR Project No.: 233.065118.00001 |
Figure 14-14: Gold Block Grades and Composites
| 14-35 | ![]() |
| Orla Mining Ltd. | Camino Rojo Project | March 18, 2026 |
| NI 43-101 Technical Report | SLR Project No.: 233.065118.00001 |
Figure 14-15: Gold Block Grades, Blast Holes and Composites
Note: 10 m thick Vertical Section Looking East – Easting 244,247 m.
Source: SLR 2026.
| 14-36 | ![]() |
| Orla Mining Ltd. | Camino Rojo Project | March 18, 2026 |
| NI 43-101 Technical Report | SLR Project No.: 233.065118.00001 |
Swath plots were generated to compare gold grades estimated using various methods, including Inverse Distance (ID), and Nearest Neighbor (NN) alongside composited drill hole data. Comparisons were conducted in the east, north, and elevation directions.
Swath plots were prepared on a domain-by-domain basis and for all classified material (Measured, Indicated, and Inferred) using the ID³ and NN estimation methods, as well as the composited data. Swaths were generated for gold, silver, and zinc, and composited values were declustered using a 100 m cell size. Gold swath plots in all classified material are presented in Figure 14-16, silver in Figure 14-17, and zinc in Figure 14-18.
Overall, the swath plots indicate sufficient agreement between the ID³ and NN estimates and the composited data, with no evidence of significant local bias, supporting the robustness of the estimation approach. For gold, the ID³ swaths in the east and north directions locally plot slightly above the NN estimates; however, this difference is limited in magnitude and is not considered indicative of a systematic overestimation. Rather, it reflects differences inherent to the interpolation methods and parameterization.
Since the LG domain, which incorporates a HYR in ID³, was included in the swath analysis, the same HYR was applied in the NN estimation. This approach may contribute to minor differences when comparing estimated values to the composited data, as the composites do not incorporate the HYR.
Overall, the swath plots behavior is consistent with a well-conditioned model and demonstrates appropriate spatial continuity and grade reproduction across domains and resource classifications.
| 14-37 | ![]() |
| Orla Mining Ltd. | Camino Rojo Project | March 18, 2026 |
| NI 43-101 Technical Report | SLR Project No.: 233.065118.00001 |
Figure 14-16: Gold Swath Plots for All Classified Material
|
![]() |
![]() |
| 14-38 | ![]() |
| Orla Mining Ltd. | Camino Rojo Project | March 18, 2026 |
| NI 43-101 Technical Report | SLR Project No.: 233.065118.00001 |
Figure 14-17: Ag Swath Plots for All Classified Material
|
|
|
| 14-39 | ![]() |
| Orla Mining Ltd. | Camino Rojo Project | March 18, 2026 |
| NI 43-101 Technical Report | SLR Project No.: 233.065118.00001 |
Figure 14-18: Zn Swath Plots for All Classified Material
|
|
|
| 14-40 | ![]() |
| Orla Mining Ltd. | Camino Rojo Project | March 18, 2026 |
| NI 43-101 Technical Report | SLR Project No.: 233.065118.00001 |
Table 14-17: Wireframe to Block Model Volume Confirmation
| Zones | Wireframe Volume (m³) |
Block Model Volume (m³) |
Comparison (%) |
| OxTrHi | 35,189,000 | 35,189,945 | 100% |
| 100 | 25,632,000 | 25,627,010 | 100% |
| 200 | 8,867,500 | 8,860,467 | 100% |
| 300 | 270,120 | 270,244 | 100% |
| 500 | 1,778,800 | 1,778,568 | 100% |
| LG | 317,760,000 | 317,773,057 | 100% |
| Total | 389,207,840 | 389,208,914 | 100% |
| *OUT domain is not confirmed since the boundary of the wireframe model was larger than the boundary of the block model. | |||
| 14-41 | ![]() |
| Orla Mining Ltd. | Camino Rojo Project | March 18, 2026 |
| NI 43-101 Technical Report | SLR Project No.: 233.065118.00001 |
Table 14-18: Statistical Validation for Estimated Elements – Unconstrained
| Domain | Mean | Max | CV | |||||||||
| Capped Composite | Block
Model NN |
Block
Model ID |
Block
Model OK |
Capped Composite | Block
Model NN |
Block
Model ID |
Block Model OK |
Capped Composite | Block
Model NN |
Block
Model ID |
Block
Model OK | |
| Au | (g/t) | (g/t) | (g/t) | (g/t) | (g/t) | (g/t) | (g/t) | (g/t) | ||||
| OxTrHi | 0.63 | 0.62 | 0.61 | 0.62 | 49.57 | 49.57 | 15.29 | 13.02 | 1.77 | 1.73 | 1.01 | 0.89 |
| 100 | 2.01 | 2.36 | 2.09 | 2.15 | 50.00 | 50.00 | 42.24 | 28.79 | 1.80 | 1.57 | 0.79 | 0.64 |
| 200 | 2.17 | 2.27 | 2.04 | 2.04 | 30.00 | 30.00 | 29.62 | 21.00 | 1.52 | 1.38 | 0.77 | 0.64 |
| 300 | 1.11 | 1.11 | 1.05 | - | 11.24 | 11.24 | 6.17 | - | 1.53 | 1.14 | 0.85 | - |
| 500 | 2.61 | 2.59 | 2.49 | 2.46 | 25.00 | 25.00 | 23.14 | 17.30 | 1.40 | 1.38 | 0.89 | 0.74 |
| LG | 0.29 | 0.26 | 0.26 | 0.21 | 33.49 | 33.49 | 23.82 | 7.58 | 3.21 | 1.63 | 1.02 | 0.81 |
| OUT | 0.04 | 0.04 | 0.01 | - | 11.44 | 11.18 | 10.02 | - | 6.49 | 5.71 | 2.63 | - |
| Ag | (g/t) | (g/t) | (g/t) | (g/t) | (g/t) | (g/t) | (g/t) | (g/t) | ||||
| OxTrHi | 12.16 | 11.85 | 11.90 | 11.93 | 225.00 | 225.00 | 128.81 | 99.99 | 0.98 | 0.97 | 0.67 | 0.62 |
| 100 | 11.27 | 12.99 | 11.80 | 12.07 | 225.00 | 225.00 | 185.63 | 157.59 | 1.62 | 1.56 | 0.83 | 0.72 |
| 200 | 11.46 | 13.26 | 12.27 | 12.29 | 170.00 | 170.00 | 170.00 | 170.00 | 1.52 | 1.37 | 0.95 | 0.86 |
| 300 | 18.03 | 19.17 | 17.89 | - | 67.09 | 67.09 | 53.38 | - | 0.90 | 0.71 | 0.41 | - |
| 500 | 15.26 | 15.10 | 15.14 | 15.02 | 85.09 | 85.00 | 83.76 | 67.18 | 1.22 | 1.17 | 0.80 | 0.63 |
| LG | 3.65 | 7.40 | 2.37 | 2.36 | 200.00 | 200.00 | 147.30 | 109.57 | 2.60 | 2.61 | 1.60 | 1.08 |
| OUT | 1.78 | 1.85 | 0.19 | - | 375.00 | 375.00 | 294.18 | - | 5.43 | 4.26 | 4.37 | - |
| Zn | (ppm) | (ppm) | (ppm) | (ppm) | (ppm) | (ppm) | (ppm) | (ppm) | ||||
| OxTrHi | 2,910 | 2,885 | 2,864 | - | 30,600 | 30,600 | 22,168 | - | 0.78 | 0.78 | 0.59 | - |
| 100 | 3,619 | 4,236 | 3,898 | - | 55,000 | 55,000 | 48,075 | - | 1.60 | 1.38 | 0.79 | - |
| 200 | 3,843 | 4,407 | 4,177 | - | 40,000 | 40,000 | 40,000 | - | 1.49 | 1.29 | 0.83 | - |
| 300 | 1,414 | 1,514 | 1,790 | - | 25,738 | 25,738 | 17,225 | - | 2.33 | 1.98 | 1.20 | - |
| 500 | 14,426 | 15,056 | 15,404 | - | 90,000 | 90,000 | 90,000 | - | 1.34 | 1.31 | 0.99 | - |
| LG | 1,531 | 1,476 | 1,444 | - | 80,000 | 80,000 | 54,513 | - | 2.54 | 2.75 | 1.37 | - |
| OUT | 236 | 135 | 65 | - | 77,455 | 77,455 | 33,861 | - | 4.20 | 4.56 | 5.51 | - |
Notes: *Ordinary kriging (OK) estimator for domain 300 and OUT as well as for Zn could not be generated due to unstable variography and/or insufficient data.
| 14-42 | ![]() |
| Orla Mining Ltd. | Camino Rojo Project | March 18, 2026 |
| NI 43-101 Technical Report | SLR Project No.: 233.065118.00001 |
Reconciliation was not updated for this exercise from the March 31, 2025 MRE, as the block model within the Caracol Formation, which hosts the currently operating open pit, remains unchanged. As recent drilling focused on deeper mineralization in Zone 22 and did not result in material changes to the open pit model, an updated reconciliation was not considered necessary. Although SLR reviewed the monthly reconciliation report provided by Orla covering production data up to September 30, 2025, nothing was identified that would materially affect the Mineral Resource Estimate.
The reconciliation results presented below therefore correspond to the March 31, 2025 MRE. The QP prepared a gold and silver F0 reconciliation by bench, using the production - grade control model against the regularized, SLR Mineral Resource block model. Reconciliation was prepared at 0.25 g/t Au (current production cut-off grade in the open pit) and the results are shown in Table 14-19.
Overall, the reconciliation for gold shows good performance, with an overall difference of only 2% in tonnage, 1% in grade, and 3% in ounces, while the silver data indicates a negative reconciliation. There is an approximate 40% difference in silver grades and ounces. These differences can be explained by the use of four-acid digestion assaying in the exploration laboratory as compared to the use of aqua regia digestion in the mine site production laboratory. Figure 14-19 and Figure 14-20 shows the reconciliation for gold and silver, respectively.
Table 14-19: F0 Reconciliation analysis between SLR Mineral Resource Block Model and Production Grade Control Model
| Bench | SLR-Mineral Resource Block Model | Production - Grade Control Model | Production
- Grade Control Model / SLR Mineral Resource Block Model | ||||||||||||
| Tonnage (kt) |
Au (g/t) |
Ag (g/t) |
koz Au |
koz Ag |
Tonnage (kt) |
Au (g/t) |
Ag (g/t) |
koz Au |
koz Ag |
Tonnage (kt) |
Au (g/t) |
Ag (g/t) |
koz Au | koz Ag | |
| 1,945 | 1,412 | 0.692 | 8.99 | 31 | 408 | 1,729 | 0.755 | 3.83 | 42 | 213 | 122% | 109% | 43% | 134% | 52% |
| 1,935 | 3,096 | 0.666 | 10.38 | 66 | 1,033 | 3,353 | 0.707 | 4.54 | 76 | 489 | 108% | 106% | 44% | 115% | 47% |
| 1,925 | 3,004 | 0.678 | 10.63 | 65 | 1,027 | 3,426 | 0.703 | 4.78 | 77 | 526 | 114% | 104% | 45% | 118% | 51% |
| 1,915 | 3,012 | 0.706 | 10.81 | 68 | 1,047 | 2,960 | 0.714 | 5.04 | 68 | 479 | 98% | 101% | 47% | 99% | 46% |
| 1,905 | 2,817 | 0.731 | 11.54 | 66 | 1,045 | 2,737 | 0.706 | 5.73 | 62 | 505 | 97% | 97% | 50% | 94% | 48% |
| 1,895 | 2,661 | 0.751 | 12.69 | 64 | 1,086 | 2,690 | 0.703 | 6.66 | 61 | 576 | 101% | 94% | 52% | 95% | 53% |
| 1,885 | 2,606 | 0.758 | 13.20 | 64 | 1,106 | 2,525 | 0.743 | 7.54 | 60 | 612 | 97% | 98% | 57% | 95% | 55% |
| 1,875 | 1,991 | 0.825 | 14.92 | 53 | 955 | 1,944 | 0.862 | 9.04 | 54 | 565 | 98% | 104% | 61% | 102% | 59% |
| 1,865 | 1,784 | 0.878 | 16.59 | 50 | 952 | 1,759 | 0.800 | 11.81 | 45 | 668 | 99% | 91% | 71% | 90% | 70% |
| 1,855 | 1,536 | 0.915 | 18.20 | 45 | 899 | 1,442 | 0.892 | 14.04 | 41 | 651 | 94% | 98% | 77% | 92% | 72% |
| 1,845 | 1,217 | 0.873 | 17.26 | 34 | 676 | 1,216 | 0.918 | 12.18 | 36 | 476 | 100% | 105% | 71% | 105% | 70% |
| 1,835 | 911 | 0.884 | 15.96 | 26 | 467 | 936 | 0.951 | 12.65 | 29 | 381 | 103% | 108% | 79% | 111% | 81% |
| 1,825 | 785 | 0.892 | 17.32 | 23 | 437 | 788 | 1.007 | 15.45 | 25 | 391 | 100% | 113% | 89% | 113% | 90% |
| 1,815 | 504 | 1.140 | 22.36 | 18 | 363 | 506 | 1.114 | 19.44 | 18 | 316 | 100% | 98% | 87% | 98% | 87% |
| Total | 27,336 | 0.768 | 13.09 | 675 | 11,501 | 28,012 | 0.772 | 7.61 | 695 | 6,849 | 102% | 101% | 58% | 103% | 60% |
| 14-43 | ![]() |
| Orla Mining Ltd. | Camino Rojo Project | March 18, 2026 |
| NI 43-101 Technical Report | SLR Project No.: 233.065118.00001 |
Figure 14-19: Differences in Ounces, Tonnes, and Grade per Bench from the Reconciliation of Grade Control Model vs 2025 Exploration Block Model
Figure 14-20: Differences in Silver Ounces, Tonnes and Grade per Bench from the Reconciliation of Grade Control Model vs Exploration 2025 Block Model
After conducting these validation steps, the QP concluded that the Mineral Resource estimates for the Project were suitable for public disclosure based on the following observations:
| · | The examination of grade distributions, mean comparisons, swath plots and reconciliation indicate that the estimation setup functions as intended. The boundary conditions and utilization of input data are appropriate, with no significant over-extrapolation of grades. Additionally, the smoothing of grades aligns with expectations based on the input data. |
| · | Volume comparisons confirm that the block model accurately represents the in-situ mineralization. |
| · | The comparison shown in the swath plots demonstrate good correlation between the different estimation methods in both gold and silver. |
| · | Reconciliation F0 shows that the resource model is behaving as expected. |
| 14-44 | ![]() |
| Orla Mining Ltd. | Camino Rojo Project | March 18, 2026 |
| NI 43-101 Technical Report | SLR Project No.: 233.065118.00001 |
| 14.13 | Mineral Resource Reporting |
Mineral Resources for the Camino Rojo deposit are reported in accordance with the estimation methodologies and classification criteria outlined in this Technical Report. The open pit Mineral Resources are constrained within an optimized pit shell and reported at NSR cut-off values of $8.44/t for heap leach material and $14.06/t for mill material. Underground reporting solids were constructed in Deswik using the adopted mining methods and their associated NSR cut-off criteria. Long-hole stoping applied NSR cut-offs of $57/t for heap leach material and $63/t for mill material, while cut-and-fill mining used cut-offs of $66/t and $72/t, respectively. Reporting was done on the regularized block model for open pit Mineral Resources and on the sub-blocked model for underground Mineral Resources.
The upper portion of the block model sitting in the Caracol Formation was not updated as part of this work, with updates limited to Zone 22 (high-grade zones below the Caracol Formation) and the surrounding low-grade mineralization. This approach was adopted to maintain the upper portion of the model unchanged so as not to affect the current Mineral Reserves, as no material changes or new drilling warranted an update. SLR recommends a complete update of the entire block model in the next Mineral Resource Estimate.
Mineral Resources were classified in accordance with CIM (2014) definitions and are summarized by open pit or underground and processing methods in Table 14-20.
Table 14-20: Summary of Mineral Resources – Effective Date of September 30, 2025
| Operation | Process Type | Category | Tonnage (kt) |
Average Grade | Contained Metal | ||||||
| Gold (g/t) |
Silver (g/t) |
Zn (%) |
AuEq (g/t) |
Gold (koz) |
Silver (koz) |
Zinc (Mlb) |
AuEq (koz) | ||||
| OP | Leach | Measured | 2,768 | 0.79 | 16.21 | - | 0.85 | 71 | 1,442 | - | 76 |
| Indicated | 37,309 | 0.69 | 13.10 | - | 0.74 | 823 | 15,708 | - | 893 | ||
| Measured + Indicated | 40,077 | 0.69 | 13.31 | - | 0.75 | 893 | 17,151 | - | 969 | ||
| Inferred | 1,523 | 0.74 | 12.26 | - | 0.80 | 36 | 600 | - | 39 | ||
| Mill | Measured | - | - | - | - | - | - | - | - | - | |
| Indicated | 2,213 | 0.85 | 8.91 | 0.39 | 0.94 | 60 | 634 | 19 | 67 | ||
| Measured + Indicated | 2,213 | 0.85 | 8.91 | 0.39 | 0.94 | 60 | 634 | 19 | 67 | ||
| Inferred | 71 | 0.85 | 8.69 | 0.30 | 0.95 | 2 | 20 | 0 | 2 | ||
| Total OP | Measured | 2,768 | 0.79 | 16.21 | - | 0.85 | 71 | 1,442 | 0 | 76 | |
| Indicated | 39,522 | 0.69 | 12.86 | 0.02* | 0.76 | 883 | 16,342 | 19 | 960 | ||
| Measured + Indicated | 42,290 | 0.70 | 13.08 | 0.02* | 0.76 | 953 | 17,785 | 19 | 1,036 | ||
| Inferred | 1,594 | 0.74 | 12.10 | 0.01* | 0.80 | 38 | 620 | 0 | 41 | ||
| UG | Leach | Measured | - | - | - | - | - | - | - | - | - |
| Indicated | 3,298 | 2.54 | 12.23 | - | 2.66 | 269 | 1,297 | - | 282 | ||
| Measured + Indicated | 3,298 | 2.54 | 12.23 | - | 2.66 | 269 | 1,297 | - | 282 | ||
| Inferred | 198 | 2.39 | 14.62 | - | 2.53 | 15 | 93 | - | 16 | ||
| Mill | Measured | - | - | - | - | - | - | - | - | - | |
| Indicated | 45,965 | 2.53 | 11.28 | 0.38 | 2.70 | 3,745 | 16,674 | 383 | 3,985 | ||
| Measured + Indicated | 45,965 | 2.53 | 11.28 | 0.38 | 2.70 | 3,745 | 16,674 | 383 | 3,985 | ||
| Inferred | 3,974 | 2.51 | 10.95 | 0.66 | 2.82 | 321 | 1,398 | 58 | 360 | ||
| Total UG | Measured | - | - | - | - | - | - | - | - | - | |
| Indicated | 49,263 | 2.53 | 11.35 | 0.35* | 2.69 | 4,014 | 17,971 | 383 | 4,267 | ||
| Measured + Indicated | 49,263 | 2.53 | 11.35 | 0.35* | 2.69 | 4,014 | 17,971 | 383 | 4,267 | ||
| Inferred | 4,172 | 2.50 | 11.12 | 0.63* | 2.80 | 336 | 1,491 | 58 | 376 | ||
| 14-45 | ![]() |
| Orla Mining Ltd. | Camino Rojo Project | March 18, 2026 |
| NI 43-101 Technical Report | SLR Project No.: 233.065118.00001 |
| Operation | Process Type | Category | Tonnage (kt) |
Average Grade | Contained Metal | ||||||
| Gold (g/t) |
Silver (g/t) |
Zn (%) |
AuEq (g/t) |
Gold (koz) |
Silver (koz) |
Zinc (Mlb) |
AuEq (koz) | ||||
| Stockpiles** | Measured | 588 | 0.34 | 20.25 | - | 0.34 | 6 | 383 | - | 6 | |
| Indicated | 0 | - | - | - | - | - | - | - | - | ||
| Measured + Indicated | 588 | 0.34 | 20.25 | - | 0.34 | 6 | 383 | - | 6 | ||
| Inferred | 0 | - | - | - | - | - | - | - | - | ||
| Total | Measured | 3,355 | 0.71 | 16.91 | - | 0.76 | 77 | 1,825 | - | 82 | |
| Indicated | 88,785 | 1.71 | 12.02 | 0.21 | 1.83 | 4,897 | 34,313 | 402 | 5,227 | ||
| Measured + Indicated | 92,141 | 1.68 | 12.20 | 0.20 | 1.79 | 4,974 | 36,138 | 402 | 5,309 | ||
| Inferred | 5,766 | 2.02 | 11.39 | 0.46 | 2.25 | 374 | 2,111 | 58 | 417 | ||
|
Notes:
1 CIM (2014) definitions were followed for estimating Mineral Resources.
2 Mineral Resources are estimated in the optimized pit shell at a NSR cut-off value of $8.44/t for leach material and $14.06/t for Mill material, while the underground reporting shapes are using a NSR cut-off value for long-hole stoping of $57/t for heap leach material and $63/t for mill material were applied. For cut-and-fill mining, NSR cut-off values of $66/t for heap leach material and $72/t for mill material were used.
3 Open Pit and Underground Mineral Resources are estimated using a long-term price of $2,800 per ounce for gold, $33 per ounce for silver, and $1.25 per pound for zinc, with an US$:C$ exchange rate of 1:1.34.
4 4. Stockpiles are using a cut-off grade of 0.21 g/t Au based on a long-term price of $2,300 per ounce gold, with an US$:C$ exchange rate of 1:1.34.
5 Bulk density varies from 2.40 t/m3 to 2.67 t/m3 for the mineralization and estimation domains and 2.0 t/m3 for the overburden.
6 Metallurgical recoveries vary according to geometallurgical domains and process type (Leach or Mill) and are either a constant or formula based. Heap leach recoveries range from 40% to 70% for gold and 11% to 34% for silver. For mill flotation concentrate, recoveries range from 80% to 89% for gold, 52% to 86% for silver, and 87% to 90% for zinc; zinc recovery is assumed to be 0% for the Transition and S1a_CAR geometallurgical domains.
7 The NSR is calculated by material type with the following formulas:
o Heap Leach Material NSR ($/t) = (Au grade (g/t) x (((2,800-1.69) x Au recovery Heap Leach x 0.999 x (1-0.03)) / 31.103477)) + (Ag grade (g/t) x (((33-1.69) x Ag recovery Heap Leach x 0.98 x (1-0.03)) / 31.103477))
o Mill Material NSR ($/t) = (Au NSP ($/g Au) x Au grade (g/t)) + (Ag NSP ($/g Ag) x Ag grade (g/t)) + (Zn NSP ($/g Zn) x Zn grade (ppm))
8 The gold equivalent (AuEq) by material types is calculated with the following formulas:
o Heap Leach Material AuEq = Au grade (g/t) + (Ag NSP ($/g) / Au NSP ($/g) x Ag grade (g/t)).
o Mill Material AuEq = Au grade (g/t) + (Ag NSP ($/g) / Au NSP ($/g) x Ag grade (g/t)) + ((Zn NSP ($/lb) x 2,204.62 / 100 / Au NSP ($/g)) x Zn grade (ppm) / 10,000))
9 Mineral Resources are constrained by an optimized resource pit shell and underground resource panels with a minimum mining width of 2 m for long-hole stoping and 5 m for cut-and-fill.
10 Mineral Resources are inclusive of Mineral Reserves.
11 Numbers may not add due to rounding.
12 Inferred Mineral Resources are considered too speculative geologically to have the economic considerations applied to them that would enable them to be categorized as Mineral Reserves.
* Zinc is only considered in the Mill scenario, and its grade is averaged over the final total numbers.
** AuEq depends on NSP parameters that vary by geometallurgical domain, which cannot be defined for stockpiled material. Instead of a calculated AuEq value, the stockpiles use the Au value for the AuEq, which does not include the contribution from Ag. | |||||||||||
| 14-46 | ![]() |
| Orla Mining Ltd. | Camino Rojo Project | March 18, 2026 |
| NI 43-101 Technical Report | SLR Project No.: 233.065118.00001 |
Figure 14-21 illustrates the sensitivity to cut-off grade using a gold grade tonnage curve for Measured and Indicated material inside the Mineral Resource pit shell, in the regularized model. The grade tonnage curve shows a smooth shape, with a slight break at 0.25 g/t Au that is associated with the modelling technique and classification.
Figure 14-21: Gold Grade Tonnage Curve– Measured and Indicated Mineral Resources in $2,800 Optimized Pit Shell
| 14-47 | ![]() |
| Orla Mining Ltd. | Camino Rojo Project | March 18, 2026 |
| NI 43-101 Technical Report | SLR Project No.: 233.065118.00001 |
| 14.14 | Comparison with Previous Estimates |
The updated Mineral Resource estimates reflect changes in some key areas:
| · | Metal recoveries have been updated and are now all fixed values associated to a specific geometallurgical domain, which reflect the differing treatment routes. |
| · | Cut-off values defined based on distinct NSR domains corresponding to both the processing method and the mining method (open pit versus underground long-hole stoping and cut-and-fill) now reflects revised assumptions for metal prices as well as mining, processing, and general and administrative costs. |
| · | The current Mineral Resource estimates distinguish between geometallurgical domains and updated processing methods, considering all mill material for flotation concentrate as a whole rather than Mill - CIL with POX, or Mill - CIL, which impact NSR calculations and cut-off grades. |
| · | The mill flotation concentrate shows increased recovery of zinc between 87% and 90% within the S1b, S2a, and S2b geometallurgical domains. Zinc recovery by Mill - CIL with POX average 80% in the previous Mineral Resource estimate. |
| · | Open pit Mineral Resources are now reported on the regularized block model. |
| · | Stockpiles are now included in the MRE report. |
| · | The depletion of near-surface material and conversion of Inferred Mineral Resources to Indicated Mineral Resources. |
The differences in reporting methodology, processing assumptions, cut-off grade criteria, mining approaches (open pit/underground long-hole stoping versus open pit/underground long-hole stoping and cut-and-fill), and new drilling in Zone 22 improves the contained metal Measured and Indicated Resources of zinc by 45% but slightly decreases gold by 1% (Table 14-21Table 14-21. Otherwise, the two block models are based on fundamentally identical technical frameworks.
| 14-48 | ![]() |
| Orla Mining Ltd. | Camino Rojo Project | March 18, 2026 |
| NI 43-101 Technical Report | SLR Project No.: 233.065118.00001 |
Table 14-21: Comparison between March 30, 2025 MRE and September 30, 2025 MRE
| Mineral Resource Estimate Effective Date |
Classification | Tonnage (kt) |
Average Grade | Contained Metal | ||||||
| Au (g/t) |
Ag (g/t) |
Zn (%) |
AuEq (g/t) |
Au (koz |
Ag (koz) |
Zn (Mlb) |
AuEq (koz) | |||
| March 30, 2025 | ||||||||||
| Measured | 3,062 | 0.81 | 16.2 | - | 0.87 | 80 | 1,595 | 0 | 86 | |
| Indicated | 86,563 | 1.77 | 12.65 | 0.2 | 1.87 | 4,922 | 35,206 | 278 | 5,217 | |
| M + I | 89,625 | 1.74 | 12.77 | 0.1 | 1.84 | 5,002 | 36,801 | 278 | 5,304 | |
| Inferred | 7,612 | 1.91 | 12.21 | 0.2 | 2.03 | 468 | 2,989 | 26 | 497 | |
| September 30, 2025 | ||||||||||
| Measured | 3,355 | 0.71 | 16.91 | - | 0.76 | 77 | 1,825 | - | 82 | |
| Indicated | 88,785 | 1.71 | 12.02 | 0.2 | 1.83 | 4,897 | 34,313 | 402 | 5,227 | |
| M + I | 92,141 | 1.68 | 12.2 | 0.2 | 1.79 | 4,974 | 36,138 | 402 | 5,309 | |
| Inferred | 5,766 | 2.02 | 11.39 | 0.5 | 2.25 | 374 | 2,111 | 58 | 417 | |
| Comparison | ||||||||||
| Measured | 10% | -12% | 4% | - | -13% | -4% | 14% | - | -5% | |
| Indicated | 3% | -3% | -5% | 40% | -2% | -1% | -3% | 45% | 0% | |
| M + I | 3% | -3% | -4% | 43% | -3% | -1% | -2% | 45% | 0% | |
| Inferred | -24% | 6% | -7% | 188% | 10% | -20% | -29% | 123% | -16% | |
Notes:
| 1) | CIM (2014) definitions were followed for estimating Mineral Resources. |
| 2) | In September 2025: |
| a) | Mineral Resources are estimated in the optimized pit shell at a NSR cut-off value of $8.44/t for leach material and $14.06/t for Mill material, while the underground reporting shapes are using a NSR cut-off value for long-hole stoping of $57/t for heap leach material and $63/t for mill material were applied. For cut-and-fill mining, NSR cut-off values of $66/t for heap leach material and $72/t for mill material were used. Stockpiles are using a cut-off grade of 0.21 g/t Au. |
| b) | Mineral Resources are estimated using a long-term price of $2,800 per ounce for gold, $33 per ounce for silver, and $1.25 per pound for zinc, with an US$:C$ exchange rate of 1:1.34. |
| c) | Metallurgical recoveries vary according to geometallurgical domains and process type (Leach or Mill) and are either a constant or formula based. Heap leach recoveries range from 40% to 70% for gold and 11% to 34% for silver. For mill flotation concentrate, recoveries range from 80% to 89% for gold, 52% to 86% for silver, and 87% to 90% for zinc; zinc recovery is assumed to be 0% for the Transition and S1a_CAR geometallurgical domains. |
| d) | The NSR is calculated by material type with the following formulas: |
| i) | Heap Leach Material NSR ($/t) = (Au grade (g/t) x ((2,800-1.69) x Au recovery Heap Leach x 0.999 x (1-0.03)) / 31.103477)) + (Ag grade (g/t) x (((33-1.69) x Ag recovery Heap Leach x 0.98 x (1-0.03)) / 31.103477)) |
| ii) | Mill Material NSR ($/t) = (Au NSP ($/g Au) x Au grade (g/t)) + (Ag NSP ($/g Ag) x Ag grade (g/t)) + (Zn NSP ($/g Zn) x Zn grade (ppm)) |
| e) | The gold equivalent (AuEq) by material types is calculated with the following formulas: |
| f) | Heap Leach Material AuEq = Au grade (g/t) + (Ag NSP ($/g) / Au NSP ($/g) x Ag grade (g/t)). |
| i) | Mill Material AuEq = Au grade (g/t) + (Ag NSP ($/g) / Au NSP ($/g) x Ag grade (g/t)) + ((Zn NSP ($/lb) x 2,204.62 / 100 / Au NSP ($/g)) + Zn grade (ppm) / 10,000)) |
| g) | Mineral Resources are constrained by an optimized resource pit shell and underground resource panels with a minimum mining width of 2 m for long-hole stoping and 5 m for cut-and-fill. |
| h) | Reported Mineral Resources includes stockpiled material. AuEq depends on NSP parameters that vary by geometallurgical domain, which cannot be defined for stockpiled material. Instead of a calculated AuEq value, the stockpiles use the Au value for the AuEq, which does not include the contribution from Ag. |
| 14-49 | ![]() |
| Orla Mining Ltd. | Camino Rojo Project | March 18, 2026 |
| NI 43-101 Technical Report | SLR Project No.: 233.065118.00001 |
| 3) | In March 2025: |
| a) | Mineral Resources are estimated in the optimized pit shell at a NSR cut-off value of $7.59/t for leach material and $17.30/t for Mill - CIL material, while the underground reporting shapes are using a NSR cut-off value of $59.02/t for leach material, $68.73/t for Mill - CIL material and $76.23/t for Mill – CIL with POX material. |
| b) | Mineral Resources are estimated using a long-term price of $2,300 per ounce gold, $29 per ounce silver, and $1.25 per pound zinc, with an US$:C$ exchange rate of 1:1.33. |
| c) | Metallurgical recoveries vary according to geometallurgical domains and process type (Leach, Mill - CIL, or Mill – CIL with POX) and are either a constant or formula based. Heap leach recoveries range from 40% to 70% for gold and 11% to 34% for silver, for the open pit and underground scenario. For Mill material, gold and silver recoveries are calculated using grade dependent formulas. The open pit CIL mean recovery is 60% for gold and 22% for silver. The underground CIL mean recovery is 92% for gold and 36% for silver. The underground CIL with POX mean recovery is 85% for gold and 41% for silver. Zn recovery by Mill – CIL with POX is 80%. |
| d) | The NSR is calculated by material type with the following formulas: |
| i) | Heap Leach Material NSR ($/t) = $71.98 x Au recovery x Au grade (g/t) + $0.84 x Ag recovery x Ag grade (g/t). |
| ii) | Mill – CIL NSR ($/t) = $68.34 x Au recovery x Au grade (g/t) + $0.73 x Ag recovery x Ag grade (g/t). |
| iii) | Mill – CIL with POX NSR ($/t) = $68.34 x Au recovery x Au grade (g/t) + $0.73 x Ag recovery x Ag grade + $0.00146 x Zn recovery x Zn grade (ppm). |
| e) | The gold equivalent (AuEq) for by material types are calculated with the following formulas: |
| i) | Heap Leach material: Au grade (g/t) + ($0.84 x Ag recovery x Ag grade (g/t)) /($71.98 x Au recovery). |
| ii) | Mill - CIL material: Au grade (g/t) + ($0.73 x Ag recovery x Ag grade (g/t)) / ($68.34 x Au recovery). |
| iii) | Mill – CIL with POX material: Au grade (g/t) + ($0.73 x Ag recovery x Ag grade (g/t)) / ($68.34 x Au recovery) + ($0.00146 x Zn recovery x Zn grade (ppm)) / ($68.34 x Au recovery). |
| f) | Mineral Resources are constrained by an optimized resource pit shell and underground resource panels with a minimum width of 2 m. |
| g) | Bulk density varies from 2.40 t/m³ to 2.67 t/m³ for the mineralization and estimation domains and 2.0 t/m3 for the overburden. |
| h) | Mineral Resources are inclusive of Mineral Reserves. |
| 4) | Numbers may not add due to rounding. |
| 14-50 | ![]() |
| Orla Mining Ltd. | Camino Rojo Project | March 18, 2026 |
| NI 43-101 Technical Report | SLR Project No.: 233.065118.00001 |
| 15.0 | Mineral Reserve Estimates |
| 15.1 | Introduction |
The Project’s open pit Mineral Reserves were estimated using CIM (2014) definitions in accordance with the requirements of NI 43-101. Mineral Reserve estimates reflect the reasonable expectation that all necessary permits and approvals will be obtained and maintained.
Mineral Reserves were estimated assuming only heap leach processing and open pit mining methods.
| 15.2 | Block Model |
The sub-blocked model described in Section 14 was regularized and re-blocked to a 10 m x 10 m x 10 m cell size by SLR, and the model was provided to Orla and the QP in .csv format for the estimation of open pit Mineral Reserves. Orla and the QP completed corresponding audits and verification to ensure proper block model transfer and import into Hexagon MinePlan software.
| 15.3 | Dilution and Ore Loss |
Similar to previous block models used at Camino Rojo, no additional dilution or ore loss was added to the regularized block model. Compositing of assays and estimating blocks with multiple composites introduces some smoothing of model grades that are analogous to dilution and ore loss effects. Additionally, regularizing and re-blocking a sub-blocked model incorporates increased tonnage and grade dilution.
To determine a regularized block size that adequately represents planned mining activities, an analysis was completed by SLR and reviewed by the Orla QP. Relative to the sub-blocked model, the selected regularized block size of 10 m x 10 m x 10 m for estimating Mineral Reserves incorporates an additional 13% ore tonnage and a 9% reduction in gold grades. Camino Rojo has been operating with the same block size since the start of open pit mining operations.
| 15.4 | Pit Optimization and Cut-Off Grade |
The pit optimization process was completed using Geovia’s Whittle software package.
Only gold and silver were considered in the pit optimization, and the only material types considered are the KpOx, KiOx, TrHi, and TrLo material types. Given the two products (gold and silver doré) and the variable metallurgical recoveries by material type, NSR cut-off values were used to report Mineral Reserve estimates.
The metal prices used to estimate Mineral Reserves were $2,300 per ounce of gold and $25 per ounce of silver. The QP considers these prices to be reasonable based on historical three-year trailing averages, prices used by other gold and silver producing companies for comparable projects, and long-range consensus price forecasts prepared by various bank economists prepared by CIBC.
Operating cost assumptions used for developing the NSR cut-off values are based on MCR’s 2025 budget operating costs, updated with Q1 to Q3 2025 actuals. The mining operating cost assumption is based on completing mining operations using a mining contractor. Table 15-1 summarizes the cost assumptions and parameters used in the pit optimization and in the determination of cut-off grades (CoG) and NSR cut-off values.
| 15-1 | ![]() |
| Orla Mining Ltd. | Camino Rojo Project | March 18, 2026 |
| NI 43-101 Technical Report | SLR Project No.: 233.065118.00001 |
Table 15-1: Cut-Off Parameters
| Parameter | Unit | Value |
| Gold Price | $/oz | 2,300 |
| Silver Price | $/oz | 25.00 |
| Mining Cost | $/t mined | 2.06 |
| Process Cost | $/t stacked | 4.24 |
| G&A Cost | $/t stacked | 3.05 |
| Rehandle | $/t stacked | 0.24 |
| Sustaining Capital | $/t stacked | 0.91 |
| Refining | $/oz poured | 1.69 |
| Gold Payable | % | 99.9 |
| Silver Payable | % | 98.0 |
| Royalty | % | 3.0 |
The metallurgical recoveries discussed in Section 13.0 were applied to obtain NSR factors, which are listed in Table 15-2. The NSR factors were coded into the block model to the applicable blocks to obtain the NSR value per block as a value per tonne. Additionally, an equivalent gold grade (AuEq) was calculated to account for the silver grade in the blocks. The AuEq grade is used by MCR and Orla for reporting and to facilitate activities within the mine’s operations.
Table 15-2: NSR Factors by Material Type
| Ore Type | Metal | Rec % | NSR $/g |
| KpOx | Au | 70% | 50.12 |
| KiOx | Au | 56% | 40.10 |
| TrHi | Au | 60% | 42.96 |
| TrLo | Au | 40% | 28.64 |
| KpOx | Ag | 11% | 0.08 |
| KiOx | Ag | 15% | 0.11 |
| TrHi | Ag | 27% | 0.19 |
| TrLo | Ag | 34% | 0.24 |
Table 15-3 presents the Mineral Reserve cut-off values in terms of AuEq and NSR. The NSR cut-off value is $8.44 per tonne, which includes the process, G&A, rehandle operating costs and the sustaining capital costs. This NSR cut-off value applies to all blocks that must be removed from the pit (open pit discard), and therefore, the mining cost is considered as a sunk cost. The calculated NSR cut-off value does not vary by material type and is therefore convenient for mine planning and scheduling.
| 15-2 | ![]() |
| Orla Mining Ltd. | Camino Rojo Project | March 18, 2026 |
| NI 43-101 Technical Report | SLR Project No.: 233.065118.00001 |
Table 15-3: Gold Equivalent Cut-Off Grade and NSR Cut-Off Value by Material Type
| Ore Type | AuEq CoG (g/t) |
NSR Cut-off Value ($/t) |
| KpOx | 0.168 | 8.44 |
| KiOx | 0.210 | 8.44 |
| TrHi | 0.196 | 8.44 |
| TrLo | 0.295 | 8.44 |
The pit slopes assumed for the pit optimization are based on the parameters presented in the feasibility study prepared by KCA in 2021 (the 2021 FS [KCA 2021]), which were developed by Piteau Associates Engineering Ltd. (Piteau).
Following a pit wall event July 2025, on a small portion of the North wall, Piteau provided a technical memorandum that included an assessment of the of the wall event and an action plan for the pit re-entry, along with North wall pushback design update (Piteau 2025). One of the recommendations provided was the implementation of a 50 m pushback with updated North wall design parameters. Operating and monitoring advice provided by Piteau was incorporate into MCR open pit design and operating procedures.
Geotechnical design parameters are presented in Section 16 of this report.
| 15.5 | Mineral Reserves Reporting |
Open pit Mineral Reserve estimates are reported as diluted and inclusive of all planned ore losses and scheduled for stacking on the MCR heap leach pad. Measured and Indicated Mineral Resources within the Camino Rojo open pit were converted to Proven and Probable Mineral Reserves.
The Mineral Reserve estimates are presented in Table 15-4 and have an effective date of September 30, 2025. The estimation of Mineral Reserves may be materially affected by geology, environment, permitting, legal, title, taxation, sociopolitical, marketing, or other relevant issues.
Orla submitted a permit application in November 2024 to support and obtain the necessary permits and permit amendments related to the Fresnillo layback area and east-west pit expansion, which are required for the extraction and processing of the Mineral Reserve estimates tabulated herein. The current Mineral Reserve estimates assume the mining of the areas related to the permit application starting in February 2026.
| 15-3 | ![]() |
| Orla Mining Ltd. | Camino Rojo Project | March 18, 2026 |
| NI 43-101 Technical Report | SLR Project No.: 233.065118.00001 |
Table 15-4: Mineral Reserve Estimates – Effective Date of September 30, 2025
| Mineral Reserve Category | Mass (kt) | Gold (g/t) | Silver (g/t) | Gold (koz) | Silver (koz) |
| Proven (In Situ) | 2,427 | 0.81 | 16.7 | 63 | 1,301 |
| Proven (Stockpile) | 588 | 0.34 | 21.5 | 6 | 383 |
| Total Proven | 3,015 | 0.71 | 17.4 | 69 | 1,684 |
| Probable | 30,399 | 0.73 | 14.3 | 715 | 13,955 |
| Total Mineral Reserves | 33,414 | 0.73 | 14.6 | 785 | 15,638 |
|
Notes: 1. The Mineral Reserve estimates have been prepared in accordance with CIM (2014) definitions.
2. Rounding as required by reporting guidelines may result in summation differences.
3. The estimation of Mineral Reserves may be materially affected by geology, environment, permitting, legal, title, taxation, sociopolitical, marketing, or other relevant issues.
4. koz = 1,000 troy ounces; t = tonne (1,000 kilograms)
5. The Mineral Reserve estimates for Camino Rojo have an effective date of September 30, 2025.
6. Stephen Ling, P.Eng. of Orla is the qualified person responsible for the Mineral Reserve estimates for Camino Rojo.
7. Mineral Reserves are based on prices of $2,300/oz gold and $25/oz silver.
8. Mineral Reserves are based on net smelter return (NSR) cut-off value of $8.44 per tonne
9. NSR value for leach material is as follows:
KpOx: NSR ($/t) = 50.12 x gold (g/t) + 0.078 x silver (g/t), based on gold recovery of 70% and silver recovery of 11%.
KiOx: NSR ($/t) = 40.10 x gold (g/t) + 0.107 x silver (g/t), based on gold recovery of 56% and silver recovery of 15%.
TrHi: NSR ($/t) = 42.96 x gold (g/t) + 0.192 x silver (g/t), based on gold recovery of 60% and silver recovery of 27%.
TrLo: NSR ($/t) = 28.64 x gold (g/t) + 0.242 x silver (g/t), based on gold recovery of 40% and silver recovery of 34%.
10. The NSR values account for metal recoveries, refining costs, and refinery payable percentages.
11. Stockpiles are all derived from Camino Rojo mined material and are calculated using reconciled production figures adjusted for mining accuracy. Stockpile grades are calculated from grade control block grades. Stockpiles are using a cut-off grade of 0.21 g/t Au based on a long-term price of $2,300 per ounce gold, with an US$:C$ exchange rate of 1:1.34. | |||||
The QP is not aware of any mining, metallurgical, infrastructure, permitting, or other relevant factors that have not been disclosed in this Technical Report that could materially affect the Mineral Reserve estimate.
| 15-4 | ![]() |
| Orla Mining Ltd. | Camino Rojo Project | March 18, 2026 |
| NI 43-101 Technical Report | SLR Project No.: 233.065118.00001 |
| 16.0 | Mining Methods |
| 16.1 | Introduction |
Currently, Camino Rojo is a conventional open pit mine. Mining operations consist of drilling medium diameter blast holes, blasting with either explosive slurries or ammonium nitrate and fuel oil (ANFO), and loading blasted materials into large, off-road trucks with hydraulic shovels and wheel loaders. Ore is delivered to the primary crusher and waste rock is delivered to a waste rock storage facility (WRSF) southeast of the current pit.
Contract mining services are used at the Camino Rojo open pit and are currently provided by Grupo Construcciones Planificadas S.A De C.V. (Construplan). Mining is carried out using 100 t capacity haul trucks, with additional equipment, including loading units, sized to match this haulage fleet.
The current Life-of-Mine (LOM) plan was developed by MCR and Orla to supply ore to a conventional crushing and heap leach facility with the capacity to process 18,900 tpd.
Since the start-up of mining operations at MCR, selective mining practices and the mine’s stockpiling strategy have resulted in a build-up of low-grade stockpiled ore south of the open pit. This low-grade ore will be stacked on the heap leach facility at the end of mine life.
Table 16-1 summarizes MCR’s historical production, from the start of the operations to the end of the third quarter (Q3) of 2025.
Table 16-1: Operational History
| Operational History | 2021 | 2022 | 2023 | 2024 | Q3 2025 |
| Ore Mined (kt) | 2,058 | 8,300 | 7,437 | 7,614 | 4,536 |
| Au Grade(g/t) | 0.71 | 0.71 | 0.75 | 0.86 | 0.68 |
| Waste Mined (kt) | 2,050 | 5,535 | 4,162 | 8,564 | 7,740 |
| Total Mined (kt) | 4,108 | 13,835 | 11,599 | 16,177 | 12,275 |
| Strip Ratio (w:o) | 1.00 | 0.67 | 0.56 | 1.12 | 0.57 |
| Stockpile Balance (kt) | 870 | 2,287 | 2,719 | 3,127 | 588 |
| Stockpile Grade (g/t) | 0.67 | 0.38 | 0.33 | 0.33 | 0.34 |
| Ore Stacked (kt) | 1,188 | 6,882 | 7,006 | 7,205 | 7,075 |
| Au Grade(g/t) | 0.74 | 0.82 | 0.79 | 0.88 | 0.55 |
| Gold Produced (oz) | 2,422 | 109,596 | 121,877 | 136,748 | 77,177 |
| Gold Sold (oz) | 2,422 | 107,502 | 118,993 | 138,474 | 79,064 |
| 16.2 | Geotechnical Considerations |
As part of developing the 2021 FS (KCA 2021), Piteau completed a geotechnical assessment and report with proposed pit slope and bench parameters (Piteau 2019). Figure 16-1 presents the proposed geotechnical parameters by pit sector, with red values indicating the inter-ramp angle (IRA).
| 16-1 | ![]() |
| Orla Mining Ltd. | Camino Rojo Project | March 18, 2026 |
| NI 43-101 Technical Report | SLR Project No.: 233.065118.00001 |
The recommended pit slope designs are based on a 38° IRA for the post-mineral rocks on the east side of the pit. The south pit wall is designed assuming a 53° IRA based on double benching of 10 m high benches. Locally, the rock mass dips into the pit wall on the south side of the pit; therefore, this pit wall is expected to remain relatively stable. It is assumed that controlled blasting, such as pre-splitting, will be required to develop and maintain the recommended bench face angles and catch benches.
The north and west pit walls are based on single benching (10 m high benches) of the upper 50 m of the pit wall at IRAs ranging from 37° to 41.5° and double benching below this elevation at IRAs ranging from 42° to 47°. Pre-splitting is also assumed to develop and maintain the bench face angles and catch benches.
Since the start of mining operations, MCR has been following the recommended geotechnical parameters presented in the 2021 FS, and the current LOM open pit design uses these geotechnical parameters. Piteau completes annual geotechnical site visits to assess slope performance in the pit, at stockpile locations, and at the WRSF, and conducts reviews of heap leach pad stability. Additionally, Piteau’s annual reviews provide opportunities to train operational staff and further calibrate the assumed geotechnical parameters, such as evaluating the potential for pit slope or face angle steepening
Following a pit wall event July 2025, on a small portion of the North wall, Piteau provided a technical memorandum that included an assessment of the of the wall event and an action plan for the pit re-entry, along with North wall pushback design update (Piteau 2025).
The following are the design updates to the North wall:
| · | A minimum 50 m push-back should be planned (measured from the current toe of the North wall) at a maximum interramp angle of 42°. Single (10 m) benches are recommended to mitigate toppling risk. |
| · | Long, straight segments should be avoided wherever possible. A gradual concave curvature to the wall provides optimal conditions for slope stability. Convex shapes (in plan or section) should be avoided. |
Operating and monitoring advice provided by Piteau was incorporated into MCR open pit design and operating procedures. Additional site visits by Piteau are planned to monitor the North Wall, above the annual reviews. Based on the performance of the North wall push back, Piteau will be issuing design parameters for the final design in 2026.
| 16-2 | ![]() |
| Orla Mining Ltd. | Camino Rojo Project | March 18, 2026 |
| NI 43-101 Technical Report | SLR Project No.: 233.065118.00001 |
Figure 16-1: Geotechnical Parameters for Open Pit
| 16-3 | ![]() |
| Orla Mining Ltd. | Camino Rojo Project | March 18, 2026 |
| NI 43-101 Technical Report | SLR Project No.: 233.065118.00001 |
| 16.3 | Hydrological Considerations |
Surface water runoff is diverted around active or planned mining areas via a series of diversion channels and redirected to natural drainage locations at the southern boundary of the property. The purpose of the diversion channels is to prevent contamination of surface water and prevent inflow into the pit that would affect mining operations. The overall pit condition is considered to be dry, however, occasionally water from mining areas is collected in ponds and used for operational requirements, such as dust management.
| 16.4 | Open Pit Design |
The ultimate (final) pit design is expected to be realized in 2029 and is based on the results of a Lerchs-Grossman analysis using the parameters discussed in previous sections of this report. Figure 16-2 shows the final pit design. The design includes pit haul roads and sufficient working room for all mining equipment. The pit haul road design width is 25 m, allowing for the construction of a berm and drainage ditch, at a maximum grade of 10%. This will accommodate trucks of approximately 100 t capacity such as the Caterpillar 777 class truck.
| 16-4 | ![]() |
| Orla Mining Ltd. | Camino Rojo Project | March 18, 2026 |
| NI 43-101 Technical Report | SLR Project No.: 233.065118.00001 |
Figure 16-2: Final Pit Design
| 16-5 | ![]() |
| Orla Mining Ltd. | Camino Rojo Project | March 18, 2026 |
| NI 43-101 Technical Report | SLR Project No.: 233.065118.00001 |
| 16.5 | Waste Rock and Stockpile Facilities |
A WRSF is located southeast of the pit for storage of waste rock generated from mining operations. As discussed in the 2021 FS, transition and sulphide waste rock material is being blended with or encapsulated by oxide materials. It is expected that this will provide excess neutralization potential (NP) for neutralization of localized acidic conditions in the WRSF.
The WRSF has been constructed and is operated per recommendations presented in KCA 2021. The WRSF is currently being constructed to facilitate closure with slope angles of 36 degrees, lift heights of 20 m, and 50 m wide oxide containment berms. The remaining capacity of the WRSF is sufficient to support the current LOM plan, with approximately 46.4 Mt of storage capacity at the end of September 2025.
Currently, the open pit ore mining rate exceeds the required heap leach stacking rate of 18,000 tpd. Where the stacking rate will be exceeded, lower grade ore is stockpiled and will be rehandled and stacked on the heap leach pad at the end of the current LOM plan. The low-grade stockpile is located south of the pit and west of the WRSF. Stacking of stockpiled material on the heap leach pad is scheduled to begin in 2029 and will be completed in 2030.
Marginal waste below the AuEq cut-off grade is being segregated in the WRSF for potential reclaiming at the end of the mine life if economically viable to do so at that time.
| 16.6 | Mining Operations |
Mine operations consist of drilling medium diameter blast holes (approximately 17 cm), blasting with either explosive slurries or ANFO depending on water conditions, and loading into large off-road trucks with hydraulic shovels and wheel loaders. Ore is delivered to the primary crusher, and waste is delivered to the WRSF southeast of the pit.
Contract mining services are used at the Camino Rojo open pit and are currently provided by Construplan. Mining is carried out using 100 t capacity haul trucks, with additional equipment, including loading units, sized to match this haulage fleet.
The mine’s blasting services are provided by TERRA Corporación, S.A de C.V (Terra). As recommended by Piteau, Terra also drills angled holes along interim and final pit walls to facilitate pre-split blasting and an appropriate degree of wall control.
The MCR geology team completes ore control activities, such as pit mapping of mineralization and geology, blasthole sampling for assaying, and collection of representative pit material for bottle roll testing. The short-term grade control model, informed by blasthole sampling, reconciles well against the regularized resource block model and actual production.
Since the start of operations, the actual ounces contained in the ore zones and delivered to the crusher are 3% less than the ounces predicted by the regularized resource block model, while the identified combined ore and waste zones in the regularized resource model delivered 3% more ounces to the crusher than predicted.
| 16.7 | Life-of-Mine Plan |
The current LOM plan assumes a supply of ore to the crushing and heap leach facilities at a stacking rate of 18,900 tpd.
From 2025 to 2027, the current LOM plan mining rate of total material moved (TMM) ranges from 38,000 tpd to 70,000 tpd on a month-to-month basis, and from 2028 to 2030, the TMM mining rate ranges from 18,500 tpd to 48,500 tpd, including rehandling of the low-grade stockpile. Except for the final two years of the LOM plan, all material movements are ex-pit material movements.
| 16-6 | ![]() |
| Orla Mining Ltd. | Camino Rojo Project | March 18, 2026 |
| NI 43-101 Technical Report | SLR Project No.: 233.065118.00001 |
The LOM plan productivity assumptions are based on similar productivities achieved by the current and prior contractors. All equipment and personnel required to deliver the current LOM plan are either on site or available when required. The current mining contractor fleet at MCR consists of eleven 100 t haul trucks, four production loading units, one secondary excavator, three production drills, two dozers, two motor graders, and two water trucks. While TMM requirements are notable higher in 2026 and 2027 compared to recent actuals, in the opinion of the QP, the planned TMM in these years is achievable and notes that it is the mining contractor’s contractual obligation to provide the necessary fleet and labour to deliver the LOM plan.
Table 16-2 presents an annualized production schedule from Q4 2025 to the end of the current LOM plan. Figure 16-3 to Figure 16-9 show the annual end-of-period (EOP) surfaces for the open pit, waste rock storage, low-grade stockpile, and heap leach pads.
Table 16-2: Current LOM Plan
| Parameter | Total | Q4 2025 | 2026 | 2027 | 2028 | 2029 | 2030 |
| Mining | |||||||
| Crusher Ore (kt) | 28,416 | 1,645 | 6,897 | 6,897 | 6,916 | 6,061 | |
| Au (g/t) | 0.81 | 0.48 | 0.87 | 0.85 | 0.83 | 0.75 | |
| Ag (g/t) | 15.7 | 7.27 | 13.4 | 19.2 | 16.5 | 15.5 | |
| Low-Grade Ore (kt) | 4,410 | 0 | 1,280 | 1,481 | 1,649 | 0 | |
| Au (g/t) | 0.27 | 0.00 | 0.26 | 0.26 | 0.29 | 0.00 | |
| Ag (g/t) | 6.6 | 0.00 | 6.1 | 7.3 | 6.4 | 0.0 | |
| Total Ore (t) | 32,826 | 1,645 | 8,177 | 8,378 | 8,565 | 6,061 | |
| Au (g/t) | 0.74 | 0.48 | 0.78 | 0.75 | 0.73 | 0.75 | |
| Ag (g/t) | 14.5 | 7.3 | 12.2 | 17.1 | 14.6 | 15.5 | |
| Waste (kt) | 51,200 | 3,121 | 16,273 | 17,032 | 8,942 | 5,831 | |
| Total ExPit (kt) | 84,026 | 4,766 | 24,450 | 25,410 | 17,508 | 11,892 | |
| Stripping Ratio (w:o) | 1.56 | 1.90 | 1.99 | 2.03 | 1.04 | 0.96 | |
| Rehandled (kt) | 4,998 | 836 | 4,043 | ||||
| Au (g/t) | 0.28 | 0.26 | 0.28 | ||||
| Ag (g/t) | 8.4 | 8.1 | 8.2 | ||||
| Total Moved (kt) | 89,024 | 4,884 | 24,450 | 25,410 | 17,508 | 12,728 | 4,043 |
| Processing | |||||||
| Ore Stacked (kt) | 33,414 | 1,764 | 6,897 | 6,897 | 6,916 | 6,897 | 4,043 |
| Au (g/t) | 0.73 | 0.47 | 0.87 | 0.85 | 0.83 | 0.69 | 0.28 |
| Ag (g/t) | 14.6 | 7.4 | 13.4 | 19.2 | 16.5 | 14.6 | 8.2 |
| 16-7 | ![]() |
| Orla Mining Ltd. | Camino Rojo Project | March 18, 2026 |
| NI 43-101 Technical Report | SLR Project No.: 233.065118.00001 |
| Parameter | Total | Q4 2025 | 2026 | 2027 | 2028 | 2029 | 2030 |
| Au Contained (koz) | 785 | 26 | 194 | 189 | 185 | 154 | 37 |
| Au Rec (%) | 62.3% | 62.3% | 62.4% | 62.0% | 61.7% | 61.6% | 62.3% |
| Au Produced (koz) | 489 | 15 | 122 | 113 | 111 | 93 | 35 |
| Ag Contained (koz) | 15,638 | 420 | 2,965 | 4,265 | 3,675 | 3,248 | 1,066 |
| Ag Rec (%) | 16.6% | 8.5% | 9.0% | 12.1% | 13.3% | 15.4% | 16.6% |
| Ag Produced (koz) | 3,735 | 67 | 349 | 1,047 | 737 | 1,033 | 503 |
| 16-8 | ![]() |
| Orla Mining Ltd. | Camino Rojo Project | March 18, 2026 |
| NI 43-101 Technical Report | SLR Project No.: 233.065118.00001 |
Figure 16-3: End of Q3 2025 Surface
| 16-9 | ![]() |
| Orla Mining Ltd. | Camino Rojo Project | March 18, 2026 |
| NI 43-101 Technical Report | SLR Project No.: 233.065118.00001 |
Figure 16-4: End of 2025 Surface
| 16-10 | ![]() |
| Orla Mining Ltd. | Camino Rojo Project | March 18, 2026 |
| NI 43-101 Technical Report | SLR Project No.: 233.065118.00001 |
Figure 16-5: End of 2026 Surface
| 16-11 | ![]() |
| Orla Mining Ltd. | Camino Rojo Project | March 18, 2026 |
| NI 43-101 Technical Report | SLR Project No.: 233.065118.00001 |
Figure 16-6: End of 2027 Surface
| 16-12 | ![]() |
| Orla Mining Ltd. | Camino Rojo Project | March 18, 2026 |
| NI 43-101 Technical Report | SLR Project No.: 233.065118.00001 |
Figure 16-7: End of 2028 Surface
| 16-13 | ![]() |
| Orla Mining Ltd. | Camino Rojo Project | March 18, 2026 |
| NI 43-101 Technical Report | SLR Project No.: 233.065118.00001 |
Figure 16-8: End of 2029 Surface
| 16-14 | ![]() |
| Orla Mining Ltd. | Camino Rojo Project | March 18, 2026 |
| NI 43-101 Technical Report | SLR Project No.: 233.065118.00001 |
Figure 16-9: End of 2030 Surface
| 16-15 | ![]() |
| Orla Mining Ltd. | Camino Rojo Project | March 18, 2026 |
| NI 43-101 Technical Report | SLR Project No.: 233.065118.00001 |
| 17.0 | Recovery Methods |
Camino Rojo is an open pit heap leach operation which has been in production since late 2021. Open pit mining commenced in August 2021 with processing facilities commissioned in Q4 2021 (with the Merrill-Crowe Plant in operation in December 2021). The first gold pour occurred on December 13, 2021, and commercial production was achieved on April 1, 2022.
For the current operation, ore is crushed and stacked at a rate of 19,200 tpd on average over the life of the mine to a target crush size of 80% passing 25 mm using a two-stage closed crushing circuit and conveyor stacked onto a leach pad in 10-metre lifts. Lime is added to the material for pH control before being stacked and leached with a dilute cyanide solution. Pregnant solution flows by gravity to a pregnant solution pump box before being pumped to the Merrill-Crowe Plant for metal recovery. Gold and silver are precipitated from the pregnant solution via zinc cementation. The precious metal precipitate is dewatered using filters, dried in a mercury retort to remove mercury values, and smelted to produce the final doré product. The overall process flowsheet is presented in Figure 17-1.
Starting on May 11, 2025, ROM ore was stacked at an additional nominal rate of 21,700 tpd on the heap through August 9, 2025, with a total of 494,000 tonnes of ROM ore being stacked. Processing of ROM ore was performed due to concerns of a production shortfall with the processing of larger percentages of Ki and transitional material and was discontinued when this was no longer a concern.
| 16-16 | ![]() |
| Orla Mining Ltd. | Camino Rojo Project | March 18, 2026 |
| NI 43-101 Technical Report | SLR Project No.: 233.065118.00001 |
Figure 17-1: Camino Rojo Process Flowsheet

Source: M3 2020.
| 17-2 | ![]() |
| Orla Mining Ltd. | Camino Rojo Project | March 18, 2026 |
| NI 43-101 Technical Report | SLR Project No.: 233.065118.00001 |
| 17.1 | Process Description |
| 17.1.1 | Crushing and Conveyor Stacking |
ROM ore is transported from the mine pit in 100-tonne surface haul trucks at a nominal rate of 19,200 tonnes per day and crushed to a target particle size of P80 25 mm using a two-stage closed crushing circuit. The crushing circuit includes a primary jaw crusher and two secondary cone crushers, each fed by a double deck vibrating screen. ROM ore is either directly dumped into the primary crusher dump hopper or stockpiled in a ROM stockpile; stockpiled ore from the ROM stockpile is reclaimed by a front-end loader and fed to the dump hopper as needed. Oversized rocks or large lumps are broken using a rock breaker.
Ore from the primary crusher dump hopper is fed to a vibrating grizzly feeder via an apron feeder with the grizzly oversize being fed to the primary jaw crusher and the grizzly undersize being recombined with the jaw crusher product on the primary crusher discharge conveyor. Primary crushed ore is fed to a surge bin where it is combined with the secondary cone crusher product and fed to the secondary screens via two each reclaim feeders and screen feed conveyors. Secondary screen oversize material is fed to the secondary cone crushers where it is crushed and recycled back to the surge bin and screen undersize is transferred to the crushed product stockpile.
Crushed ore is reclaimed from the crushed product stockpile and fed to an overland conveyor which transfer the ore to the heap stacking system. Crushed ore is sampled at regular intervals via a cross-chute sampler between the stockpile reclaim conveyor and overland conveyor. Pebble lime (CaO) is added to the ore on the overland conveyor for pH control with an average addition of 3.6 kg/t in 2025. Water sprays are included at all crushing transfer points to reduce dust generation by the crushing circuit and a cover for the crushed product stockpile has been installed.
The conveyor stacking system includes the index feed conveyor, horizontal index, and radial stacker conveyors which are fed by a combination of overland and grasshopper transfer conveyors. The heap is constructed in 10 metre lifts and leached with a low concentration cyanide solution.
Once a lift of cells has finished leaching and is sufficiently drained, a new lift can be stacked over the top of the old lift. The old lift is cross-ripped prior to stacking new ore on top of any old heap area or access road/ramp to break up any compacted or cemented sections.
| 17.1.2 | Heap Leaching and Solution Handling |
ROM ore is transported from the mine pit in 100-tonne surface haul trucks at a nominal rate of 19,200 tonnes per day and crushed to a target particle size of P80 25 mm using a two-stage closed crushing circuit. The crushing circuit includes a primary jaw crusher and two secondary cone crushers, each fed by a double deck vibrating screen. ROM ore is either directly dumped into the primary crusher dump hopper or stockpiled in a ROM stockpile; stockpiled ore from the ROM stockpile is reclaimed by a front-end loader and fed to the dump hopper as needed. Oversized rocks or large lumps are broken using a rock breaker.
Ore from the primary crusher dump hopper is fed to a vibrating grizzly feeder via an apron feeder with the grizzly oversize being fed to the primary jaw crusher and the grizzly undersize being recombined with the jaw crusher product on the primary crusher discharge conveyor. Primary crushed ore is fed to a surge bin where it is combined with the secondary cone crusher product and fed to the secondary screens via two each reclaim feeders and screen feed conveyors. Secondary screen oversize material is fed to the secondary cone crushers where it is crushed and recycled back to the surge bin and screen undersize is transferred to the crushed product stockpile.
| 17-3 | ![]() |
| Orla Mining Ltd. | Camino Rojo Project | March 18, 2026 |
| NI 43-101 Technical Report | SLR Project No.: 233.065118.00001 |
Crushed ore is reclaimed from the crushed product stockpile and fed to an overland conveyor which transfer the ore to the heap stacking system. Crushed ore is sampled at regular intervals via a cross-chute sampler between the stockpile reclaim conveyor and overland conveyor. Pebble lime (CaO) is added to the ore on the overland conveyor for pH control with an average addition of 3.6 kg/t in 2025. Water sprays are included at all crushing transfer points to reduce dust generation by the crushing circuit and a cover for the crushed product stockpile has been installed.
The conveyor stacking system includes the index feed conveyor, horizontal index, and radial stacker conveyors which are fed by a combination of overland and grasshopper transfer conveyors. The heap is constructed in 10 m lifts and leached with a low concentration cyanide solution.
Once a lift of cells has finished leaching and is sufficiently drained, a new lift can be stacked over the top of the old lift. The old lift is cross-ripped prior to stacking new ore on top of any old heap area or access road/ramp to break up any compacted or cemented sections.
| 17.1.3 | Merrill-Crowe Recovery Plant and Refinery |
The Merrill-Crowe Plant is designed to recover gold and silver values from pregnant solution by zinc precipitation. Pregnant solution is pumped to two of the three pressure leaf type clarification filters (two operating, one on backwash/clean/precoat cycle) at a nominal rate of 1,000 m3/h (1,200 m3/h design) to remove suspended solids. Diatomaceous Earth (DE) is used to precoat the clarification filters and as body feed solution which is metered into the pregnant feed solution to the clarification filters during operation. The clear pregnant solution from the clarification circuit is sent to the deaeration tower for removal of oxygen and the deaerated, clarified pregnant solution is then pumped to three of four precipitate filter presses. Ultra-fine zinc is added at the press feed pump suction to precipitate gold and silver from the deaerated pregnant solution. Lead Nitrate (PbNO3) is also metered into the zinc cone as needed to improve Merrill-Crowe efficiencies. Precipitated gold and silver are collected in the precipitate filter presses, and the resulting barren solution is returned to the barren solution tank.
Periodically, one of the precipitate presses is taken off-line and the empty pre-coated press is put online. The press taken off-line goes through a compressed air blow cycle to dry the filtered precipitate. The precipitate is collected in pans which are loaded into an electric mercury retort with a fume collection system for drying and removal of mercury before being mixed with fluxes in preparation for smelting. Recovered mercury is considered as a hazardous waste and is transported off site for disposal.
The mixed precipitate and fluxes are fed to the tilting induction furnace. After melting, slag is poured off into cascading cast iron moulds until the remaining molten furnace charge is mostly molten metal (doré). Doré is poured off into bar moulds, cooled, cleaned, and stored in a vault pending shipment to a third-party refiner. The doré poured from the furnace represents the final product of the processing circuit.
Slag is reprocessed using a fine jaw combo crusher and re-smelted to recover any remaining metal values.
| 17-4 | ![]() |
| Orla Mining Ltd. | Camino Rojo Project | March 18, 2026 |
| NI 43-101 Technical Report | SLR Project No.: 233.065118.00001 |
| 17.2 | Operational Performance |
Overall gold recovery from the start of operation through September 30, 2025, is approximately 62% (based on ounces recovered to doré) and silver recovery is 8.3% plus an additional 1.6% recovery for gold and 0.4% for silver when accounting for gold and silver values recovered to the Merrill-Crowe precipitate and leach solutions. Ounces stacked, modeled recoverable ounces and ounces recovered to doré by month is presented in Figure 17-2 for gold and Figure 17-3 for silver. Modeled recovery vs. actual production for gold and silver is presented Figure 17-4 and Figure 17-5, respectively.
Between May 11 and August 9, 2025, approximately 494,000 tonnes of ROM ore was stacked and processed on the heap leach pad with assumed recoveries of 50% for gold and 9% for silver. Processing of ROM ore was performed due to concerns of a production shortfall with the processing of larger percentages of Ki, and transitional material and was discontinued when this was no longer a concern.
Figure 17-2: Gold Ounces by Month

Source: KCA 2025.
| 17-5 | ![]() |
| Orla Mining Ltd. | Camino Rojo Project | March 18, 2026 |
| NI 43-101 Technical Report | SLR Project No.: 233.065118.00001 |
Figure 17-3: Silver Ounces by Month

Source: KCA 2025.
Figure 17-4: Gold Recovery by Month

Source: KCA 2025.
| 17-6 | ![]() |
| Orla Mining Ltd. | Camino Rojo Project | March 18, 2026 |
| NI 43-101 Technical Report | SLR Project No.: 233.065118.00001 |
Figure 17-5: Silver Recovery by Month

Source: KCA 2025.
As of September 30, 2025, the difference between the realized recovery to date (as doré and MC precipitate) and the assumed endpoint recoveries reflects the booked metals inventory, which is currently estimated at approximately 29,800 oz for gold and 507,000 oz for silver with inventories by month presented in Figure 17-6 and Figure 17-7, respectively. Estimated gold inventory in heap solution had an initial peak in June 2023 followed by a moderately steady decrease in inventory. Gold then started to present a steady increase in inventory again from September 2024 until September 2025. Estimated silver inventory followed a similar trend with its peak occurring in April 2024 and has maintained relatively steady levels. These inventories include metals in solution, partially leached ore and any unleached areas such as newly stacked ore and side slopes.
Overall, modeled recoveries versus actual production for gold are in good agreement with reasonable inventory levels. Silver recoveries show a significantly larger variance and several factors may be contributing to this including slower leach kinetics for silver than expected, insufficient free cyanide in the leach pad to maximize silver recovery, or silver recovery estimates that need to be better calibrated. Recently, the difference in modeled vs. realized gold recovery has seen a slight increase and should be monitored. One likely contributing factor to this is the assumed ROM recoveries or ROM recovery rate.
As silver production has been improving and the inventory has been decreasing or holding steady, the QP recommends maintaining the silver recovery estimates at this time. Silver recoveries should continue to be closely evaluated, especially with regards to the monthly composite columns to determine whether a write down of some of the silver inventory is warranted.
| 17-7 | ![]() |
| Orla Mining Ltd. | Camino Rojo Project | March 18, 2026 |
| NI 43-101 Technical Report | SLR Project No.: 233.065118.00001 |
Figure 17-6: Estimated Gold Inventory by Month

Source: KCA 2025.
Figure 17-7: Estimated Silver Inventory by Month

Source: KCA 2025.
| 17-8 | ![]() |
| Orla Mining Ltd. | Camino Rojo Project | March 18, 2026 |
| NI 43-101 Technical Report | SLR Project No.: 233.065118.00001 |
| 18.0 | Project Infrastructure |
| 18.1 | Overview |
The MCR operation currently includes an open pit mine, a WRSF, a low-grade ore stockpile, a heap leach pad, and two topsoil stockpiles.
Key surface infrastructure to support operations is in place, and includes:
| · | Haulage roads |
| · | Camp facilities |
| · | Site buildings |
| · | Service infrastructure, including water, power, and waste infrastructure |
Within the scope of the permit currently under review (MIA-R 2024), expansions or additions are planned for the following:
| · | Open pit |
| · | WRSF |
| · | Low-grade ore stockpile |
| · | Crusher feed stockpile |
| · | Diversion channels |
| · | Underground portals within the open pit as part of an exploration decline |
| · | Environmentally focused works such as a nursery, botanical garden, conservation and restoration areas, and the addition of a new area for soil protection |
Figure 18-1 illustrates the existing general site layout.
| 18-1 | ![]() |
| Orla Mining Ltd. | Camino Rojo Project | March 18, 2026 |
| NI 43-101 Technical Report | SLR Project No.: 233.065118.00001 |
Figure 18-1: Existing General Site Layout

| 18-2 | ![]() |
| Orla Mining Ltd. | Camino Rojo Project | March 18, 2026 |
| NI 43-101 Technical Report | SLR Project No.: 233.065118.00001 |
| 18.2 | Supporting Infrastructure |
| 18.2.1 | Haulage Roads |
| 18.2.1.1 | Access Roads |
Access to the mine site is by the paved, four lane Mexican Highway 54 and by Route 62, a secondary paved highway that passes through San Tiburcio. The mine site is approximately 260 km southwest of Monterrey and 190 km northeast of Zacatecas. A private road enters the mine property approximately 250 m northeast of the intersection of Highway 54 and Route 62. This road provides access to the camps, offices, mine, process plant, and other Project facilities. Site access roads include approximately 20 km of paved, dirt, and gravel roads.
| 18.2.1.2 | Mine Haulage Road |
The mine’s main haul road was established during the Project’s pre-production period. There are multiple branches of haul road off the main haul road from the pit, including access to the mine truck shop, WRSF, and low-grade ore stockpile. There are approximately 2.1 km of haul roads constructed from the top of the pit ramp to all associated haul truck destinations.
| 18.2.2 | Mine Camp Facilities |
The operations camp includes “A” type and “B” type dorm units. The “A” dorm units consist of eight double rooms with accommodation for two single beds or double bunks and shared bathroom facilities. The “B” dorm units consist of eight single rooms, each of which have accommodations for one single bed and a private bathroom; the single rooms can be converted to quadruple occupancy if required. The camp includes eight “A” type and six “B” type dorm units with a total of 112 rooms. The total camp capacity is presented in Table 18-1.
Table 18-1: Camp Capacity
| Description | Number of Dorm Units | Rooms per Dorm Unit | Normal Occupancy per Dorm Unit | Maximum Occupancy per Dorm Unit |
| Type A Dorm | 8 | 8 | 16 | 32 |
| Type B Dorm | 6 | 8 | 8 | 32 |
| Total Camp | 112 | 176 | 448 |
Other facilities included as part of the operations camp include a laundry facility, a kitchen and dining facility, and a recreation building.
The mine site cooking, dining facilities, and recreation facilities are housed in pre-engineered steel buildings that are located near the camp to support the owner and contractor workforces.
In between working shifts, owner employees reside in either the mine site camp or in nearby communities, while contractor employees reside in an off-site hotel or in nearby communities. The total mine site workforce includes approximately 300 owner employees and 375 contractor employees working on day/night shifts and on rosters.
| 18-3 | ![]() |
| Orla Mining Ltd. | Camino Rojo Project | March 18, 2026 |
| NI 43-101 Technical Report | SLR Project No.: 233.065118.00001 |
| 18.2.3 | Site Buildings |
Site buildings are primarily prefabricated steel buildings or concrete masonry unit buildings. Site buildings/facilities include:
| · | Administration Building |
| · | Mine Camp Facilities |
| · | Merrill-Crowe Plant |
| · | Refinery |
| · | Laboratory |
| · | Process Maintenance Workshop |
| · | Reagent Storage Building |
| · | Mine Truck Shop |
| · | Contractor Mine Office Building |
| · | Fuel Stations |
| · | Warehouse |
| · | Explosives Magazine |
| · | Guard House |
| · | Medical Clinic |
| · | Temporary Storage of Hazardous Waste |
| · | Landfill |
| · | Nursery |
| · | Botanical Garden |
An exploration office and core sheds are located in San Tiburcio, approximately 1 km from the main gate access for the mine site.
| 18.2.3.1 | Process Facilities |
The process facilities include the Merrill-Crowe Plant, a refinery, a laboratory, a process maintenance workshop, and reagent storage located adjacent to the Merrill-Crowe Plant. Additional details related to the process equipment and facilities are presented in Section 17.
The laboratory facility is located near the Merrill-Crowe Plant and processes samples generated from mining and processing activities. Chemical and fire assays are completed in this laboratory by owner employees.
| 18.2.3.2 | Mine Truck Shop |
The truck shop has a semi-open arrangement and includes repair bays for trucks, ancillary equipment, and light vehicles, and wash and welding areas.
Adjacent to the wash bay is an oil skimmer to collect the oil in the wash water from the wash bay.
| 18-4 | ![]() |
| Orla Mining Ltd. | Camino Rojo Project | March 18, 2026 |
| NI 43-101 Technical Report | SLR Project No.: 233.065118.00001 |
Crane work is conducted within the mine truck shop with a 10 t overhead crane. Maintenance fluids are distributed to each bay by the means of lubrication stations, each with a supply of compressed air, clean water, grease oils and lubricants.
| 18.2.3.3 | Fuel Storage and Dispensing |
Fuel for the mining fleet is handled and stored at a fuel station adjacent to the mine truck shop which has four diesel storage tanks for a total of 180 m3. Fuel is delivered to the mine site via tanker trucks.
| 18.2.3.4 | Warehouse and Fenced Laydown Yard |
A warehouse and laydown yard for storage of miscellaneous equipment, piping, and supplies is located near the entrance to the mine site. An attached fenced laydown yard is adjacent to the warehouse.
| 18.2.3.5 | Magazine Site |
Within a two-metre high bermed and fenced area, explosives product and accessories are stored.
Approximate distances from notable infrastructure are as follows:
| · | 800 m northwest of the heap leach boundary |
| · | 1,000 m west of the nearest occupied facility (primary crusher) |
| · | 1,100 m southwest of the main haulage road |
| · | 1,200 m west of the WRSF |
| · | 1,300 m east of the El Berrendo access road |
Based on the amount of explosives to be stored in the explosives’ facilities, all of the aforementioned distances exceed the minimum safety distance requirements of the explosive regulations established by Secretaría de la Defensa Nacional (SEDENA).
| 18.2.3.6 | Guard Shack and Security |
Access to the mine site is limited to one main gate to ensure that only authorized employees, contractors, and visitors are allowed onto the property or inside the critical facilities. The entrance is staffed 24 hours per day, 7 days per week for identification control, random checks, drug and alcohol monitoring, and vehicle check-in/out. A security contractor is used for general site security and protection of assets.
| 18.2.3.7 | Medical Clinic |
A medical clinic and ambulance are located on the mine site near the administrative buildings. Medical treatment is limited to the attendance of minor accidents and stabilization of patients that have received minor trauma. In the event that advanced medical care is needed, the ambulance is equipped and prepared for emergency transport to Saltillo or Zacatecas.
| 18.2.3.8 | Temporary Storage of Hazardous Waste |
A temporary hazardous waste warehouse is used for the storage of hydrocarbon waste (used oil, soil impregnated with hydrocarbons, solids contaminated with hydrocarbons, water with hydrocarbons, used grease), and a separate area is used for chemical waste.
| 18-5 | ![]() |
| Orla Mining Ltd. | Camino Rojo Project | March 18, 2026 |
| NI 43-101 Technical Report | SLR Project No.: 233.065118.00001 |
| 18.2.3.9 | Sanitary Landfill and RME Deposit |
Non-hazardous solid waste is disposed of in a fenced sanitary landfill of approximately one hectare, located within the property boundary. The landfill has a capacity of approximately 15,000 m³ or 4,500 tons of waste material based on compaction between 200 and 250 kg/m³. The base of the landfill is compacted in compliance with NOM-083-SEMARNAT-2003 and covered with an impermeable membrane.
| 18.2.3.10 | Nursery |
A nursery is operated to reproduce plant species that will be used in the restoration of areas affected by mining operations. This nursery is located within the mine site footprint and currently occupies an area of 1.03 hectares. It is expected to expand to 1.38 hectares once a new MIA-R permit is obtained.
| 18.2.3.11 | Botanical Garden |
There is a 1.02 hectare botanical garden located within the mine site footprint. This garden is one of the main areas for transplanting rescued flora, for maintaining rescued plants, and for educational purposes for visitors and members of neighboring communities, as well as for worker training.
| 18.2.4 | Services |
| 18.2.4.1 | Air Strip |
The mine site includes a one kilometre by 30 m wide air strip to allow for small passenger planes to land and take off. The air strip is constructed by grading and compacting the existing surface and is located south of the heap leach pad. The air strip does not include any infrastructure or provisions for fueling or maintenance of planes or other aircraft.
| 18.2.4.2 | Power Supply |
The existing power supply to the mine site is from a connection to the national commercial grid. Overhead powerlines are connected to the 34.5 kV, three phase and 60 Hz power system, to a metering and switching substation.
| 18.2.4.3 | Site Distribution |
Power distribution around the process plant and site facilities is by overhead powerlines at 34.5 kV, 3 phase, 60 Hz and is stepped down to 4,160 V, 460 V, 220 V and 110 V, as required. Power is primarily supplied at 460 V or 220/110 V to motor control centres or distribution panels in their respective areas. Power to the conveying stacking system is supplied at 4,160 V and stepped down to 460 V using on board transformers for each conveyor. All overhead distribution powerlines are connected to the main switchgear.
| 18.2.4.4 | Emergency Power |
In the event of a power failure or power interruption, diesel-fired backup generators are used to supply emergency power for safety and security. Backup electric power is supplied to the following facilities:
| · | Critical process equipment including solution handling equipment |
| 18-6 | ![]() |
| Orla Mining Ltd. | Camino Rojo Project | March 18, 2026 |
| NI 43-101 Technical Report | SLR Project No.: 233.065118.00001 |
| · | Mine camp |
| · | Raw water pumping system |
To maintain power to critical equipment during power outages, a 6,000 kW generator plant is installed next to the main switch station. A fuel tank is provided for the generator to maintain a 24-hr fuel supply.
Emergency power for the mine camp and raw water pumping systems is by small local generators located at the facilities.
| 18.2.4.5 | Communications |
The communications systems required to support mining, processing, and general administration activities require multiple transmission modes for fail-safe redundancy. Internal communications are by radio frequency. External communications are through a mix of landline, cellular (CFE network), and voice over internet protocol (VOIP).
| 18.2.4.6 | Water Supply |
The existing mine’s water supply is sourced from production wells located within the property boundary. There is a total of four water supply wells.
The current wells are capable of supplying water at 40 L/s. Along with recycled process water, this is sufficient for operations in a normal year. Orla is currently awaiting authorization to operate another well, which would provide the mine site with an additional 25 L/s of water supply.
Other sources of water include water captured from pit dewatering, which is used for site dust control and other operational requirements.
| 18.2.4.7 | Potable and Domestic Water |
Fresh water is treated by a reverse osmosis water treatment system from the raw water tank and stored in an HDPE or lined storage tank to ensure that the water remains acceptable for domestic uses. Water is distributed by pumps to the camp and other facilities.
| 18.2.4.8 | Surface Water Management |
Surface water runoff is diverted around the active or planned mining areas and allowed to return to natural drainage locations on the southern boundary of the property. An emergency pond collects water runoff from areas near the process facilities through a series of diversion ditches.
| 18.2.4.9 | Sewage |
A sewage treatment plant of 60 m3/day capacity is located next to the operations camp. This plant handles the sewage from all camp rooms, kitchens and laundry rooms. Sludge volume generated in the treatment plant is collected and analysed according to regulations, then is used for compost production to be sent to the growth media stockpiles while the treated water is used for dust suppression.
Waste from the septic systems in the process area, administrative buildings, and laboratory is piped to a 11 m3/day sewage plant for treatment. Septic tanks designated for the administration and contractor office buildings are serviced on a weekly basis, and sewage is transferred to the camp sewage treatment plant.
| 18-7 | ![]() |
| Orla Mining Ltd. | Camino Rojo Project | March 18, 2026 |
| NI 43-101 Technical Report | SLR Project No.: 233.065118.00001 |
| 19.0 | Market Studies and Contracts |
No market studies were completed in support of this Technical Report. Gold and silver production can generally be sold to any of a number of financial institutions or refining houses and therefore no market studies are required.
The doré produced at Camino Rojo is shipped, under secure conditions, to refineries. The gold is sold and the settlement price is based on the then-current spot price for gold and silver on public markets.
Material contracts at Camino Rojo include those executed with the mining contractor, the blasting service provider, and various major consumable suppliers. The contracts are informed by the current LOM plan, and in the QP’s opinion, the terms and conditions are reasonable relative to industry norms. The specific terms of these contracts are confidential and therefore not further described in this report.
Parties to the material contracts are as follows:
| · | Mining Contractor: GRUPO CONSTRUCCIONES PLANIFICADAS S.A DE C.V. (Construplan). |
| · | Blasting Services: TERRA Corporación, S.A de C.V. (Terra) |
| · | Cyanide: CYPLUS IDESA SAPI DE C.V. (Cyplus) |
| · | Fuel: DISTRIBUIDORA DE COMBUSTIBLES LAGUNA SA DE C.V. (Simsa) |
| · | Lime: MINTCSA MINAS Y TRAMOS CARRETEROS S.A. DE C.V. (Mintcsa) |
| 19-1 | ![]() |
| Orla Mining Ltd. | Camino Rojo Project | March 18, 2026 |
| NI 43-101 Technical Report | SLR Project No.: 233.065118.00001 |
| 20.0 | Environmental Studies, Permitting, and Social or Community Impact |
| 20.1 | Environmental Aspects |
| 20.1.1 | Environmental Setting |
| 20.1.1.1 | Climate |
There are two types of weather Within the Project area, the arid and the semi-arid. The average annual temperature is 16.6°C, with an average minimum temperature of 6.4°C and an average maximum temperature of 26.8 °C.
The total average annual precipitation is 314.1 mm, with the period from July to September being the one with the highest precipitation (rainfall exceeding 50 mm), and the period from February to March being the months with the lowest precipitation (less than 12 mm).
The average annual evaporation is 1,877 mm, with June and July being the months with the highest evaporation in the year.
| 20.1.1.2 | Geology |
In the Regional Environmental System (Sistema Ambiental Regional or SAR in Spanish), the oldest rocks that emerge are from the Mesozoic. The geological structures present are the result of various tectonic events. No surface faulting is recognized in the area, but faulting is inferred along the San Tiburcio fault, with a northwest-southeast orientation, as well as other similar regional features with the same orientation and a northeast-southwest orientation. of very low seismicity, characterized by being a region where there are no historical records of major seismic events in the last 80 years (SANAT 2025).
| 20.1.1.3 | Hydrology |
The SAR is located within the Salado Hydrological Region, mostly in the Sierra de Rodríguez Basin, San Tiburcio Sub-basin. Within the SAR there are three ephemeral streams, which flow into the Burgos stream. The main one (32,184 m), is called Veredas Coloradas which change direction to the east to flow into the Burgos watercourse. This stream crosses the Project area (SANAT 2025). The high ratio of evaporation to precipitation influences the hydrology of the site. All surface waters in the area are ephemeral (Orla 2023b).
| 20.1.1.4 | Hydrogeology |
Groundwater in the open pit area is generally present at about 110 m to 130 m, and at about 60m to 110 m in the WRSF area. Shallower zones of groundwater may also be present in other areas of the Project, such as in the area of the HLP, at a depth of approximately 12 m to 50 m (Orla 2023b).
| 20.1.1.5 | Biodiversity |
The Camino Rojo Mine is located in the biophysical environmental units UAB-27 Sierras Transversales and UAB-40 Sierras and Lomeríos de Aldama and Rio Grande. The analysis of the work completed in both areas shows that the works and activities of the Project do not contravene any of the environmental policies and strategies proposed (SANAT 2025), since:
| · | Both environmental units have an environmental policy of Sustainable Use, with which the Project is compatible. |
| 20-1 | ![]() |
| Orla Mining Ltd. | Camino Rojo Project | March 18, 2026 |
| NI 43-101 Technical Report | SLR Project No.: 233.065118.00001 |
| · | The units have very low (UAB-27) and no presence (UAB-40) of protected natural areas. |
| 20.1.1.6 | Protected Areas |
· The existing mine does not lie within any protected areas (SANAT 2025), however, in January 2024, a protected area located 13 km east of the Project site was created. This protected area is located in the Mazapil, Concepción de Oro and Salvador municipalities in Zacatecas. The protected area is called the Semidesierto Zacatecano and is listed as a Flora and Fauna Protection Area. The protected area has a total surface of 223,796 ha. The management plan for the protected area has not been released yet, and the buffer areas established around the new protected area are unknown.
| 20.1.2 | Environmental Studies and Management Plans |
To obtain the main environmental approvals, Mexican environmental legislation includes three main types of environmental documents/approvals to be prepared/obtained by proponents:
| · | Environmental Impact Statement (EIS) (Manifestación de Impacto Ambiental [MIA]) |
| · | Particular MIA (MIA-P) used for medium-scale projects, which should include description of the environmental impacts and proposed mitigation measures. |
| · | Regional MIA (MIA-R) used for large complex projects, which should include a broader analysis of the regional context, cumulative and impacts, and public participation |
| · | Supporting Technical Studies (Estudios Técnicos Justificativos [ETJ]) |
| · | Unique Environmental License (Licencia Ambiental Unica [LAU]) |
The Mexican Environmental legislation also considers the option of Unified Technical Documents (Documento Técnico Unificado [DTU]), which combines two of the key environmental procedures, the MIA and ETJ, into a single submission.
According to the Mexican legislation, the objective of the Regional MIA is the prevention, mitigation, and restoration of damage to the environment, as well as the regulation of works or activities to avoid or reduce their negative effects on the environment and on human health. It is a comprehensive assessment of the environmental impacts of large-scale projects or those that influence more than one municipality, ecosystem, or watershed, considering the ecological, social, and economic context of the entire region. The study evaluates the potential effects of project activities on the environment and identifies the preventive/mitigation measures that could minimize adverse effects produced by the execution of the project activities. This study is used to determine the environmental feasibility of the proposed project.
In addition to the MIA, when the activity is considered high-risk, an Environmental Risk Study (Estudio de Riesgo Ambiental [ERA]) is required. The ERA must be included as part of the MIA package submitted to the environmental authority for review and approval. The environmental authority is the Secretariat of Environment and Natural Resources (Secretaría del Medio Ambiente y Recursos Naturales [SEMARNAT])
The Project operates under an approved MIA and corresponding ETJ covering current activities (Section 20.3.2). SLR received copy of the updated Regional MIA (in Spanish) and its Executive Summary in English (SANAT 2025), which addresses the proposed modifications—mainly the transition to underground mining via exploration portals in the lower pit and the northern open-pit pushback—as outlined in Section 20.3.3.
| 20-2 | ![]() |
| Orla Mining Ltd. | Camino Rojo Project | March 18, 2026 |
| NI 43-101 Technical Report | SLR Project No.: 233.065118.00001 |
The Project has several environmental management plans including, among others, a water management plan, adaptation and mitigations related to climate change, waste rock management plan, an environmental monitoring plan, a biodiversity management plan, emissions management plan, waste management plan, a health and safety plan, awareness plan, a social and economic development plan, cyanide management plan, an emergency response plan, and closure and restoration plan (SANAT 2025). The QP understands that Orla has set targets and defined key performance indicators to measure progress on environmental and social governance (ESG) actions. This information is publicly disclosed through Orla’s Sustainability report (Orla 2025).
Water Quality
Water quality monitoring is discussed in Section 20.2.3.4.
Air Quality
The Project has in place a monitoring air quality network to measure total dust, as well as particulate dust matter of a size less than 10 microns (PM10) and between 1 and 2.5 microns (PM2.5) at designated monitoring stations. This regular assessment allows the Project to understand air quality. In addition, metals in the captured dust are monitored (Orla 2025). According to the air quality dispersion model completed, it is anticipated that the air emissions from the mine will remain below the applicable national criteria (NOM-043-SEMARNAT-1993) (SANAT 2025).
| 20.1.3 | Greenhouse Gas Emissions |
The Project recorded a total of 32,221 tons of CO2eq/year, exceeding the federal threshold of 25,000 tons of CO2eq/year (SANAT 2025). As a result, the Project should quantify and report the emissions on an annual basis to SEMARNAT through the National Emissions Registry (Registro Nacional de Emisiones, RENE). The greenhouse gas (GHG) emissions intensity is 0.24 tons CO2eq per oz Au produced (Orla 2025). The emissions information is reported annually as part of the Cedula de Operación Anual (COA). The Project also reports the implementation of some mitigation activities carried out to reduce GHG (SANAT 2025). Some of these activities will include the use of renewable energies (solar water heaters for camp showers, and the evaluation of a 2 MW photovoltaic yard), use of high-efficiency control equipment, potential reduction in the use of fossil fuels, and reforestation, among others (SANAT 2025).
| 20.1.4 | Environmental Compliance |
As part of the work that supports the updated Regional MIA, MCR prepared a detailed analysis of compliance with the obligations derived from the authorization contained in the Resolution official letter SGPA/DGIRA/DG/03478 of August 11, 2020. The approval comprises 148 obligations. Of these obligations, there are no known non-compliances, and 4% of the obligations are not currently applicable (SANAT 2025).
| 20-3 | ![]() |
| Orla Mining Ltd. | Camino Rojo Project | March 18, 2026 |
| NI 43-101 Technical Report | SLR Project No.: 233.065118.00001 |
The environmental authorities require submission of compliance reports as part of the permit requirements where MCR documents the environmental performance of the Project and how the conditions stated in the environmental permits are met. Currently, the Project completes several reports in a semi-annual or annual basis to be submitted to the environmental authorities. The reporting requirements are summarized as follows:
| · | The Unique Environmental License (Licencia Ambiental Unica [LAU]) requires the submission of a COA. The COA is a mechanism for reporting emissions, transfers and management of pollutants that should demonstrate compliance with the obligations set out in the Environmental License. This annual report must include a summary of the environmental activities completed from January 1 to December 31 of the previous year. This report must be submitted between March 1 to June 30 of every year. The COA must contain among others, mine’s technical information, project description, products, by-products, energy consumption, air emissions, water taking, water discharge, transfer of hazardous wastes (including storage, treatment and final disposal), GHG inventory, spills, contamination prevention, increase or reduction of substances comparing against the previous year. If the COA is not submitted, there is the potential for fines. |
| · | The MIA-R 2020 establishes a requirement for a submission of an annual compliance report. The report must be submitted to SEMARNAT and Procuraduría Federal de Protección al Ambiente (PROFEPA). |
| · | The ETJ includes the submission of semi-annual reports as a permit requirement. These reports included the evidence of the delimitation of areas to avoid unauthorized cutting, topographical surveys of the stored overburden, estimation of areas that have been cleared during the reported period, and the accumulated clearance completed. |
Orla submits these reports as per the requirements established in each of the permits.
| 20.1.5 | Environmental Management System |
The Board of Directors (the “Board”) and Senior Leadership Team at Orla are dedicated to corporate governance. The Board’s main responsibilities include overseeing corporate performance and risk management and ensuring that management is set to achieve Orla’s strategic objectives. Five committees assist the Board with its governance functions in critical areas: Audit Committee, Corporate Governance and Nominating Committee, Environmental, Sustainability, Health and Safety (ESHS) Committee, Human Resources and Compensation Committee (HRCC), and Technical Committee.
Orla is a participant of the United Nations (UN) Global Compact. In addition, Orla has launched a "Towards 2030 Sustainability Strategy" to ratify its commitment to being a responsible, sustainability-driven company. The Board approves policies and procedures to ensure that Orla operates in compliance with applicable laws, regulations, and in accordance with Orla’s Code of Conduct and Ethics.
The Project has an Environment, Sustainability, Health and Safety Policy, and several environmental standards, including among others new standards covering water management, biodiversity, air emissions and noise, and hazardous materials (Orla 2025). In addition, there are several management plans and programs in place.
| 20.2 | Waste and Water Management |
| 20.2.1 | Environmental Geochemistry |
A key environmental concern associated with ore and mined waste material is their long-term geochemical behaviour in the context of acid rock drainage (ARD) and metal leaching (ML), which may result in significant environmental impacts under conditions where sulphide mineral oxidation products may be transported by meteoric water, contaminating down-gradient surface and/or groundwater.
| 20-4 | ![]() |
| Orla Mining Ltd. | Camino Rojo Project | March 18, 2026 |
| NI 43-101 Technical Report | SLR Project No.: 233.065118.00001 |
Geochemical characterization included a total of 304 waste rock samples and 33 ore samples collected from exploration cores. The laboratory testing included, among others, Acid Base Accounting (ABA), Net Acid Generation (NAG), mineralogy, Synthetic Precipitation Leaching Procedure (SPLP), and Humidity Cells (HCTs).
At least 14% of the evaluated samples are classified as Potential Acid Generating (PAG) material. These samples are associated with sulphides and the transition zone of the deposit, which contains a mix of oxides and sulphides. The deposit exhibits a significant Neutralization Potential (NP), which refers to a material's capacity to neutralize acidity, expressed in terms of the amount of calcium carbonate (CaCO3) equivalent needed to neutralize a certain amount of acid. According to the laboratory testing, the NP is approximately 185 kg CaCO3/t for samples collected from the open pit area, and 130 kg CaCO3/t when considering all the samples collected for geochemical testing.
Based on the laboratory testing results, there is also ML potential for both the transition and the sulphide materials; however, the concentrations for arsenic, lead, and antimony did not exceed the criteria presented in national regulation NOM-157-SEMARNAT-2009 PECT (Orla 2023b).
| 20.2.2 | Waste Rock Management |
The WRSF is located southeast of the pit for storage of waste rock generated from mining operations. To manage the waste rock, the Project has completed a waste rock management plan (HydroGeoLogica 2020). The waste rock management plan indicates that transition and sulphide material should be blended with, or encapsulated by, post-mineral or oxide materials. This is to ensure that there is an excess neutralization potential (NP) for neutralization of localized acidic conditions in the WRSF. The plan also recommends a minimum of five metre thick layer of post-mineral or oxide waste to be placed as a base layer prior to the placement of transition and sulphide waste. In addition, the plan establishes the need for sulphide waste to be encapsulated with a minimum of a three metre thick layer of post-mineral or oxide waste over transition and sulphide materials, both on the top of the WRSF and on the side slopes of the facility.
The Project water management (including the WRSF) is presented under Section 20.2.1.
The management plan (HydroGeologica 2020) also recommends the completion of periodic sampling and ABA testing of the waste rock material to be completed to confirm predictions of sulphur content and neutralization potential.
Stability analysis of the WRSF has been completed (Piteau 2020). According to the assessment, the proposed revised geometry of the WRSF associated with the unconstrained mining scenario is considered to have adequate deep-seated stability to meet the criteria consistent with industry standard (Piteau 2020).
| 20.2.3 | Site Water Management |
| 20.2.3.1 | Water Supply |
In Mexico, there are 653 aquifers or hydrogeological units. In some regions of the country, especially in arid areas, aquifers are the only source of water supply; however, when extraction exceeds their natural recharge, they can be considered over-exploited. The mine lies within the Guadalupe Garzarón aquifer (code 3220), which has a deficit of 908,523 m3/year (CONAGUA 2024).
| 20-5 | ![]() |
| Orla Mining Ltd. | Camino Rojo Project | March 18, 2026 |
| NI 43-101 Technical Report | SLR Project No.: 233.065118.00001 |
MCR has two concession titles for the use of water from wells No. 815544 and No. 817918. These permits allow the water taking from underground for 3,695,900 m3/year and 6,000,000 m3/year, expiring in 2030 and 2050, respectively (Orla 2026). The Project requires water for construction, dust control, leaching process, laboratory, camp, offices, nursery and firefighting system (SANAT 2025). The total water consumption for the Project is on average 33 L/s, with an annual consumption of 1,040,688 m³. Groundwater inflows from the open pit are anticipated to exceed water demand for process and mine operations. Currently the total water supply of the Project is obtained from deep wells located within the property boundary (SANAT 2025).
| 20.2.3.2 | Site Water Management Overview |
The water management system of Camino Rojo includes the main following components:
| · | Water collection system and pond (unlined) for the WRSF |
| · | Water collection system and pond (unlined) for the low-grade stockpile |
| · | Process pond (lined) and event pond (lined) for the heap leach pad |
| · | Open pit dewatering system |
| · | Domestic wastewater treatment plant for the camp |
Water collected within the Project footprint from the different facilities is collected in ponds and used for mine operation activities (primary ore processing and road irrigation for dust suppression). Water collected in the ponds is also lost to evaporation and infiltration (in the case of unlined ponds). There is no active effluent discharge of water to the environment, except the treated effluent discharge from the domestic wastewater treatment plant.
The heap leach pad is designed with a 2 mm thick low-density polyethylene (LLDPE) geomembrane underlaid by a 300 mm thick layer of compacted clay to minimize infiltration.
The process and event water ponds are designed with a double high-density polyethylene (HDPE) geomembrane comprised of a 2 mm thick upper layer and a 1.5 mm thick lower layer to minimize infiltration, equipped with a leak detection system between the geomembranes. An emergency pond is proposed downstream of the process plant area. The emergency pond is designed with a 300 mm thick layer of compacted clay to minimize infiltration.
Regarding the presence of natural streams, there are no perennial streams within the Project area. Only five ephemeral brooks are present in the Project area (Orla 2022). A diversion channel was built by MCR for Las Veredas Coloradas brook.
| 20.2.3.3 | Groundwater Quality Monitoring |
Camino Rojo conducts regular groundwater quality monitoring, which was initiated during the baseline program, prior to construction and operations. The monitoring includes locations within the Project site, and also locations upstream, and downstream of the site. The frequency of the monitoring ranges from quarterly to annual (depending on the sampling location).
| 20-6 | ![]() |
| Orla Mining Ltd. | Camino Rojo Project | March 18, 2026 |
| NI 43-101 Technical Report | SLR Project No.: 233.065118.00001 |
There is no legislation that establishes groundwater quality standards for the Project site. However, there is a Mexican regulation (NOM-127-SSA1-2021) that establishes criteria for water quality related to water for human consumption, which applies to the public and private agencies responsible for water supply. This legislation establishes maximum permissible limits for pH, hardness, Total Suspended Solids, total cyanide, ammoniacal nitrogen, and metals. SANAT (2024) reports that the background water quality concentrations from the baseline program (prior the initiation of construction and mining activities at the site) was not suitable for human consumption and did not meet NOM-127-SSA1-2021. This finding is consistent with the groundwater quality monitoring results during operations, which show some exceedances (e.g., sulfates, Total Dissolved Solids).
Camino Rojo should continue the groundwater quality monitoring consolidating the data to understand trends, monitoring the water quality parameters included in NOM-127-SSA1-2021, and comparing the monitoring results against the limits defined in this regulation as a reference (even if there is no formal regulatory requirement to do it). In addition, it is recommended that Orla determines the best way to communicate to the surrounding communities the findings on groundwater quality, given that the water has not been, and continues to be not suitable for human consumption (even prior to the start of the Project operations). It is noted that the water used by the communities is sourced from community wells (Aosenuma 2025).
| 20.2.3.4 | Surface Water Quality Monitoring |
Camino Rojo conducts regular surface water quality monitoring, which was initiated during the baseline program, prior to construction and operations. The monitoring includes locations onsite, and also locations upstream, and downstream of the site. The monitoring is carried out in a yearly basis. SLR recommends increasing the water quality monitoring frequency to monthly. Collecting data once a year does not provide sufficient information to observe trends and be able to implement timely corrective measures in the event of water contamination. The environmental team of Camino Rojo should tabulate and processes the monitoring data collected with higher frequency to understand trends and compliance with applicable regulations. The analysis will allow Camino Rojo to identify and manage any issues if they arise
There is a Mexican regulation (NOM-001- SEMARNAT-2021) that establishes criteria for wastewater discharges into the environment. NOM-001- SEMARNAT-2021 establishes maximum permissible limits for pH, temperature, total suspended solids, Chemical Oxigen Demand (COD), Total Organic Carbon, Total Nitrogen, Total Phosphorus, Total Suspended Solids, coliforms, cyanide and metals (arsenic, cadmium, copper, chromium, mercury, nickel, lead and zinc).
Camino Rojo compares the results of the water quality monitoring against the limits established in NOM-001-SEMARNAT-2021 as a reference, as this regulation is not directly applicable (the Project site does not have an industrial effluent discharge into a watercourse/sea/soil).
Camino Rojo should continue the surface water quality monitoring consolidating the data to understand trends and monitoring the water quality parameters included in NOM-001-SEMARNAT-2021.
| 20.3 | Environmental Permitting |
| 20.3.1 | Environmental Approval |
The General Law of Ecological Equilibrium and Environmental Protection (Ley General de Equilibrio Ecologico y la Proteccion al Ambiente [LGEEPA]) defines the environmental impact assessment as the procedure through which SEMARNAT establishes the terms that will guide the performance of works and activities that may cause environmental impacts and establishes the applicable provisions to protect the environment. Exploration, exploitation and beneficiation of minerals are included as prescribed activities where a MIA, including a risk study, will have to be completed by the proponent and approved by SEMARNAT.
| 20-7 | ![]() |
| Orla Mining Ltd. | Camino Rojo Project | March 18, 2026 |
| NI 43-101 Technical Report | SLR Project No.: 233.065118.00001 |
As mentioned in Section 20.1.2, the MIA-R is triggered when a project may have broad, cumulative, or long-term environmental effects across a regional area, not just at the specific project site. The main purpose of the MIA-R is to identify and manage environmental impacts applicable to all project phases, from site preparation, construction, operation, maintenance and decommissioning, demonstrating compliance with applicable federal, state and local environmental and land use regulations. In addition, a LAU is required. According to the legislation, an ETJ authorization should also be obtained.
| 20.3.2 | Current Permits, Approvals & Authorizations |
The Project’s original MIA-R (2020) for the construction and operation of an open pit mine was approved on August 11, 2020, through Oficio No. SGPA/DGIRA/DG/03478. This approval expires on October 7, 2036. This permit authorizes the completion of mining, mineral processing, and associated activities described in the referred MIA document. The associated ETJ was approved on February 6, 2020, through Oficio DFZ152-201/20/0196, allowing the clearance of 816.25 ha. In addition, the Project obtained an additional State approval for the relocation of some facilities (e.g. contractor workshop, others) in a 3.5 ha area within the approved ETJ and MIA-R footprints.
The Project originally obtained LAU 32/0003/07/21-2012 dated September 28, 2021. This LAU was updated on February 23, 2024, and authorizes the exploration, exploitation, and processing of ore (gold and silver). The LAU should be updated when production increases, the process changes, the facilities increase/change, or new hazardous wastes are generated.
The Project started earthworks and construction activities in November 2020 and started operations in 2022 (SANAT 2025).
Camino Rojo has two water-taking permits.
MCR reports that for the active surface exploration areas, SEMARNAT has confirmed in writing that an exclusion to obtain authorization related to environmental impact1 has been granted. The communications from SEMARNAT confirming the exclusion from the completion of an environmental assessment are official letters DFZ152-200/22/0504, DFZ152-200/22/0994, ORE152-200/22/1480, ORE152-200/0394/2023, ORE152-200/0395/2023 and ORE152-200/0625/2024 (SANAT 2025).
Table 20-1 lists the main environmental approvals for the Project.
1 This exclusion has been granted in accordance with Article 5 (L)(II) of Reglamento de la Ley General de Equilibrio Ecologico y la Proteccion al Ambiente en Materia de Evaluacion de Impacto Ambiental, RLGEEPA
| 20-8 | ![]() |
| Orla Mining Ltd. | Camino Rojo Project | March 18, 2026 |
| NI 43-101 Technical Report | SLR Project No.: 233.065118.00001 |
Table 20-1: Camino Rojo - Environmental Permits
| No | Responsible
Agency |
Number (Oficio) | Description | Approval
Date (MM/DD/YYYY) |
Expiration
Date (MM/DD/YYYY) |
Comments |
| 1 | SEMARNAT - DGIRA Mexico City | SGPA/DGIRA/DG/03478 | Original MIA-R 2020 Environmental Approval | 8/11/2020 | 08/11/2034 | Construction and operation of the open pit mine, with a total area of 815.44 ha |
| 2 | SEMARNAT | DFZ152-200/1132 | Unique Environmental License (LAU) | 9/28/2021 | No expiry date | LAU Number 32/0031-2021 |
| 3 | SEMARNAT | ORE152-200/0260/2024 | LAU update | 2/23/2024 | No expiry date | LAU Number 32/LU-0026/12/23. This update reflects changes in the technical general information, emission sources, and type and quantities of hazardous wastes. |
| 4 | SAMA-ZAC | SAMA/0059/2025 | Registration - Special Wastes | 1/10/2025 | 1/10/2026 | Under renewal process |
| 5 | DGGIMAR- SEMARNAT Mexico City | DGGIMAR.710/006802 | Registration - Hazardous Wastes Management Plan | 11/30/2021 | No expiry date | 32-PMG-I-4203-2021 |
| 6 | SEMARNAT - DFZAC | DFZ152-200-21/0126 | Registration - Hazardous Materials | 2/9/2021 | No expiry date | - |
| 7 | SEMARNAT - OREZAC | ORE152-200/0566/2024 | Update to the Hazardous Materials' Registration | 4/20/2024 | No expiry date | - |
| 8 | DGGIMAR- SEMARNAT Mexico City | SRA-DGGIMAR.618/008081 | Registration - Metallurgical Wastes Management Plan | 12/15/2023 | No expiry date | - |
| 9 | ZAC- Departamento de Desarrollo Urbano y Ordenamiento Territorial | ###-##-#### OP 577 | Urban Compatibility - State | 01/24/2026 | 01/24/2027 | |
| 10 | Public Works - Mazapil Municipality | OP-25-09 | Urban compatibility - Municipality | 11/05/2025 | 11/05/2026 | - |
| 11 | SEMARNAT - ZAC | ORE152-201/22/1261 | ETJ extension for the original permit granted for additional three years | 02/11/2023 | 2/11/2026 | Timeline has been extended. |
| 20-9 | ![]() |
| Orla Mining Ltd. | Camino Rojo Project | March 18, 2026 |
| NI 43-101 Technical Report | SLR Project No.: 233.065118.00001 |
| 12 | SEMARNAT/OREZAC | ORZAC/2025-0001056 | ETJ additional extension | 2/11/2026 | 02/11/2029 | |
| 13 | SAMA Environmental Impact Assessment "Mining Contractor Complex" |
SAMA/2615/2024 | Environmental authorization for relocation of some facilities within the mine site in an area of 3.5 ha. MIA-State Project Mining Contractor Complex | 11/8/2024 | 11/8/2025 | Under renewal process |
| 14 | CONAGUA | Title Number 817918 | Water Taking from underground. | 8/27/2020 | 8/27/2030 | 3,613,835 m3/year industrial use, 82,065 m3/year services use |
| 15 | CONAGUA | Title Number 815544 | Water taking from underground. | 8/27/2020 | 8/27/2050 | 6,000,000 m3/year, industrial use |
Notes:
SEMARNAT: Secretaría de Medio Ambiente y Recursos Naturales
MIA: Manifestación de Impacto Ambiental
LAU: Licencia Ambiental Unica
OREZAC: Representation Office in Zacatecas
SAMA: Secretaria de Agua y Medio Ambiente
ZAC: Zacatecas State
DGGIMAR: Direccion General de Gestion Integral de Materiales y Actividades de Riesgo
CONAGUA: Comisión Nacional del Agua (National Water Commission)
N/A: Not Applicable
| 20-10 | ![]() |
| Orla Mining Ltd. | Camino Rojo Project | March 18, 2026 |
| NI 43-101 Technical Report | SLR Project No.: 233.065118.00001 |
| 20.3.3 | Future Permits and Authorizations |
The Project is proposing to transition to underground mining, with access from exploration portals being located in the lower levels of the pit (220 m and 280 m within the open pit). These portals will serve as the entry points for exploration ramps that will allow for underground drilling to better define mineral resources and design for future exploitation phase.
A pushback from the north slope of the open pit is required. The primary reason is to modify the slope geometry, which is required to ensure the stability and safety of the areas where the underground mine portals will be developed. In addition, the open pit includes east and west expansions as well.
The updated Project includes the continuation of the activities at surface (as per authorized in the current MIA), and the changes to some of the footprint of the already approved facilities. These changes are listed as follows:
| · | Open pit (34.05 ha additional to the 32.61 ha authorized) |
| · | WRSF (17.67 ha additional to the 69.45 ha authorized) |
| · | Low-grade ore stacking (11.49 ha additional to the authorized 14.56 ha) |
| · | Crusher feed stacking (0.76 ha additional to the authorized 0.62 ha). |
| · | Storm drainage diversion channel (0.48 ha at 9.77 ha authorized). |
| · | Botanical garden (0.77 ha additional to the current 1.02 ha) |
| · | Nursery (0.35 ha additional to the 1.03 ha authorized) |
| · | Conservation area expanded from 13.49 ha to 36.37 ha |
| · | Restoration area expanded from 4.92 ha to 8.38 ha |
| · | Perimeter fence, to cover the layback area where the diversion of the runoff channel and the northern extension of the pit will be carried out |
| · | Increase in the storage capacity of sodium cyanide, without requiring expansion of works |
There are also new project components to be included as part of the Project. These components are a road to the Berrendo community (0.39 ha), an overburden protection area (18.64 ha), and a car wash.
To reflect these changes, the Project is currently undergoing an environmental approval process. A MIA-R was initially submitted to SEMARNAT on November 11, 2024. On July 17, 2025, the environmental authority issued comments indicating that the information provided was insufficient to properly assess the Project’s viability. The following information was requested by SEMARNAT:
| · | a detailed explanation of the transition from open-pit extraction to underground exploration, emphasizing the need for a comprehensive geotechnical study; detailed descriptions of the proposed underground infrastructure and the open-pit shell; |
| · | a hydrogeological study; |
| · | an integrated analysis of soil loss; |
| · | updated flora and fauna diversity assessments; |
| · | a more robust evaluation of cumulative impacts; and |
| 20-11 | ![]() |
| Orla Mining Ltd. | Camino Rojo Project | March 18, 2026 |
| NI 43-101 Technical Report | SLR Project No.: 233.065118.00001 |
| · | consolidation of the associated management plans. |
Orla was instructed to submit the requested information within 60 business days. To address the comments from SEMARNAT, Orla resubmitted an updated MIA-R on October 10, 2025. In the resubmission, Orla clarified that the request pertains solely to underground exploration—not an underground mining permit. The updated application included, among others, conceptual designs for the two access portals and exploration ramps, an integrated water balance study, and a geotechnical assessment. In addition, the environmental management plans were consolidated as required, and an updated flora and fauna diversity analysis was provided.
The MIA-R includes the pushback from the north slope of the open pit, and east-west pit expansion, which are required for the extraction and processing of the Mineral Reserve estimates tabulated in this Technical Report.
In addition, these changes will require an updated ETJ permit to allow for the additional surface disturbances related to the expansion of the pit, and additional footprint not considered in the original permit. This permit application was submitted for approval on June 24, 2025, and it is under evaluation. Technical visit to the Project area has already been scheduled (as part of the regular permitting procedure).
Once this MIA-R and associated permits (including the ETJ) are approved, Orla should complete an additional MIA-R, and obtain the associated permits (including, among others, the ETJ). The objective of this new MIA would be to incorporate the additional infrastructure required (including the tailings management area and associated water management infrastructure), evaluate the potential environmental and social impacts, and establish the necessary mitigation systems to prevent, manage, and minimize those impacts.
The Domestic Wastewater Discharge Permit application was submitted by Orla and is under evaluation by CONAGUA (application No. 231320, File No. 2S.3.01/00272-2021, Folio No. BZNA/7741/2021). This application includes two potential domestic discharges. The first discharge is associated with the kitchen, laundry, and mining camp. The second discharge is associated with the laboratory, warehouse, and offices. The intent is to reuse the water after it is treated. In both cases, the water is to be used for the irrigation of green areas or as part of the makeup water for the process. CONAGUA has informed the permit application has been sent to CONAGUA Mexico City.
Orla is also requesting the authorization to extract water from a fifth groundwater well identified as CRPW-06. This is an existing borehole that should be redrilled. The amount of water to be extracted will not change, as this well is linked to the already granted concession title No. 815544.
It should be noted that Mexico has recently undergone significant regulatory and institutional changes in water governance, and these shifts have directly affected permitting and approval timelines at CONAGUA. The main issues contributing to delays are the expanded regulatory oversight and concession reviews, the transition to digital systems and new registries, the increase in administrative complexity considered in the National Water Law amendment, and a budget cut that constrained staffing and operational capacity.
| 20.3.4 | Permitting Schedule |
The current overall Project timeline indicates that permitting for the proposed transition to underground mining is planned to be completed in the first half of 2026 in order to commence with the construction of an exploration decline as early as the second half of 2026. In addition, Orla estimates that additional baseline programs and permitting for the tailings storage facility and associated infrastructure will be completed between 2026 and 2028.
| 20-12 | ![]() |
| Orla Mining Ltd. | Camino Rojo Project | March 18, 2026 |
| NI 43-101 Technical Report | SLR Project No.: 233.065118.00001 |
The QP understands that the permit amendment for the proposed transition (the MIA-R) is not currently critically affecting the Project schedule, as there is still material to be extracted from the open pit, and stored ore currently placed at the ore stockpiles still to be processed. A detailed permitting schedule linked to a Project execution schedule was not included in the documentation available for review.
| 20.4 | Social or Community Requirements |
| 20.4.1 | Social Setting |
The area of influence for the Project comprises the rural communities in the Mazapil and Concepcion del Oro Municipalities in the State of Zacatecas. These communities are mainly dedicated to rural and urban trade related to the Camino Rojo mine's activities and have established local businesses serving the mine. The direct area of influence includes four agrarian communities (Ejidos): San Tiburcio, San Francisco de los Quijano, El Berrendo, and La Pardita, with a combined population estimated at 1,209 people. The Ejidos of the indirect area of influence include El Calabazal, Tanque de los Hacheros, Majoma, Pozo de San Juan, Presa del Junco, Salto de San Juan, San Benito, San Elias de la Cardona (SANAT 2025).
The closest Ejidos are San Tiburcio (approximately 3 km to the southeast), San Francisco de los Quijano (approximately 7.7 km to the southwest), and El Berrendo (approximately 9 km northwest), all in the Municipality of Mazapil.
| 20.4.2 | Key Social Issues |
The key social issues and concerns from the surrounding communities/Ejidos and other stakeholders are the following:
| · | Increased expectations for employment, local contracting and community benefits (e.g., community investment, improvement of local infrastructure, assistance obtaining land title) due to expansion of mine activities |
| · | Increased community population and strain on public services, as immigration of external workers could place pressure on the current local supply of services. To mitigate this risk, the Project operates a dedicated camp to house external personnel. |
| · | Perception of potential adverse impacts on water quality and quantity (e.g., water shortages) |
| · | Perception of health impacts due to noise and dust levels, air and water pollution. Emission dispersion models predict that emissions will not exceed the national standard at the community receptor sites. |
| 20.4.3 | Social Management System |
Orla has developed a series of policies and standards to manage the social performance of its operations, which include the following:
| · | Environment, Sustainability, Health and Safety Policy (2020) |
| · | Corporate Social Responsibility Policy (2023) |
| · | Human Rights Policy (2023) |
| 20-13 | ![]() |
| Orla Mining Ltd. | Camino Rojo Project | March 18, 2026 |
| NI 43-101 Technical Report | SLR Project No.: 233.065118.00001 |
| · | Indigenous Peoples Policy (2023) |
| · | Community Investment Standard (2023) |
| · | Responsible Procurement Standard (2024), and |
| · | Stakeholder Engagement and Community Response Standard (2023) |
SLR understands that MCR has an interdepartmental Sustainability Risk Committee, with the primary function of identifying and managing ESG risks periodically. It also has an environmental and social risk register that documents risks, tracks them, and develop action plans.
Regarding Project-specific plans, Camino Rojo has developed and is implementing its Community Relations Program. The Program includes stakeholder mapping, risk identification, a strategy to engage and involve them, and a high-level process to respond to questions and complaints (Orla 2025). On the other hand, the Communication Plan outlines the Project’s communication objectives, the accountable parties and its key components (ERM 2018).
MCR completed a voluntary Social Impact Assessment (Evaluación de Impacto Social [EVIS]) for the transition to underground operations. The EVIS2 was completed in May 2025. As part of the EVIS process, MCR updated its stakeholder map. The updated social baseline included approximately 359 surveys with residents from 18 communities within the Project’s direct and indirect areas of influence (Aosenuma 2025).
| 20.4.4 | Community Engagement and Agreements |
In alignment with its Corporate Responsibility Policy, Orla seeks to build and maintain working relationships with the communities surrounding its operations, contributing to their sustainable development. This is achieved by prioritizing local employment and contracting, as well as social investment focused on well-being and quality of the life within the communities where the mine is located (Orla 2025).
Based on the information provided by MCR for this review, the company appears to maintain positive working and commercial relationships with the communities of its area of influence. According to the EVIS (Aosenuma 2025), the communities in the area highlight work opportunities, access to utilities and commerce strengthening as a positive impact of the Project.
MCR negotiates and acquires lands as required by its operations and expansions. SLR understands that MCR has agreements with the Ejidos of San Tiburcio, El Berrendo, La Pardita, and San Francisco de los Quijano. A voluntary expropriation of lands occupied by San Tiburcio has occurred by previous owners of Camino Rojo. Camino Rojo has executed two agreements with San Tiburcio. The first one is a Temporary Occupation Agreement for a surface of 5,850 ha of land that was signed in 2013 and will be in effect until 2043. The mine is permitted to use this land for exploration purposes while the expropriation is executed and approved, and in exchange, MCR is committed to paying financial compensation. MCR has also executed a Collaboration and Social Responsibility Agreement with San Tiburcio to support it via scholarships, infrastructure upgrades, social and economic development initiatives, impact investments, and food and medicine for the most vulnerable community members. Orla has similar collaboration agreements with other communities within the direct area of influence of the Project.
2 The EVIS is mandatory in Mexico for energy-sector projects. Camino Rojo is preparing an EVIS as a voluntary study. An EVIS is a structured process used to identify, predict, and assess a project's social impacts—both positive and negative—on surrounding communities. It also defines mitigation measures and outlines a Social Management Plan.
| 20-14 | ![]() |
| Orla Mining Ltd. | Camino Rojo Project | March 18, 2026 |
| NI 43-101 Technical Report | SLR Project No.: 233.065118.00001 |
The Project has a full-time community relations team managing relationships with the communities in the direct and indirect areas of influence. In addition to Orla’s Community Investment Standard, the Project has developed a list to document and track the community incidents and grievances, including the resolutions.
SLR understands that Camino Rojo invests in health, education, community development, and local infrastructure (Orla 2025). In 2024, Camino Rojo invested more than $1.6 million in social programs, reflecting a 3% increase over the previous year (Orla 2025). The initiatives include the Community Health Program, which has delivered 1,300 medical consultations. Another key initiative is the Breast Cancer Early Detection Program, which provides screening services and awareness-raising activities both at the mine site and in surrounding communities. In addition, Orla has awarded 200 scholarships to students from Ejidos located near the mine.
Orla has also established the Pro ABC Program - Action Plan for Water, Biodiversity, and Climate. The program is implemented collaboratively with rural communities, civil society organizations, academic institutions, and government agencies.
| 20.4.5 | Indigenous Peoples |
SLR is unaware of presence of Indigenous Peoples in the area of influence of Camino Rojo. None of the available information for this review mentions the presence of Indigenous Peoples within the area of influence.
| 20.4.6 | Local Procurement and Hiring |
One of Orla's key goals is to foster economic opportunities for local communities beyond the closure of mines. In this sense, Camino Rojo is committed to maximizing economic opportunities in the communities of its area of influence and the region through local and regional employment and contracting. Camino Rojo prioritizes hiring and buying locally and provides training opportunities to help the local workforce and businesses meet the qualifications requirements. In 2024, 58% of Orla’s direct employees were from local communities (Orla 2025). MCR has experienced an increase in salaries paid to employees from the direct area of influence communities, from over $1.5 million in 2022 to $4.8 million in 2024 (Orla 2025).
| 20.5 | Mine Closure Requirements |
| 20.5.1 | Regulatory Requirements |
The Mexican environmental authority requires the preparation of a reclamation and closure plan, in addition to a commitment on the part of the operator to implement the plan. It is noted, however, that no specific guidelines have been developed for Mexico, and currently no financial assurance (bonding) is required of mining companies. Environmental damages, if not remediated by the owner/operator, can give rise to civil, administrative, and criminal liability, depending on the action or omission carried out. PROFEPA is responsible for the enforcement and recovery for those damages, or any other person or group of people with an interest in the matter.
| 20-15 | ![]() |
| Orla Mining Ltd. | Camino Rojo Project | March 18, 2026 |
| NI 43-101 Technical Report | SLR Project No.: 233.065118.00001 |
Current regulations in México require that a preliminary mine closure and reclamation plan (MCP) be prepared in compliance with the provisions of the MIA, the ETJ, Standard NOM-141-SEMARNAT-2003 (specifications and criteria for tailings dams during construction, operation, and closure), Standard NOM-147-SEMARNAT-2004 (remediation of contaminated sites), and Standard NOM-157-SEMARNAT-2009 (elements and procedures to set out mine waste management plans). The preliminary MCP is conceptual in nature and typically prepared at the time of developing the MIA. A definite MCP must be developed and submitted to the authorities during the operation of the mine (generally accepted as three years into the operation).
The following must be provided in the MCP as per SEMARNAT:
| · | Description of the tentative closure program providing rehabilitation, compensation and restoration measures as applicable to the project. |
| · | Definition of areas susceptible to spills of residues or materials with potential to contaminate the site (if applicable), where characterization studies could be conducted to identify the possible pollutants. |
| · | Identification of compensatory, rehabilitation, and restoration measures for the site that could be implemented in case of contamination. |
| · | Identification of possible alternative uses for the project area (including infrastructure) post closure. |
| · | Identification of possible changes to the area of influence of the project resulting from closure. |
| · | Identification of the management, methods, and locations for final disposal of the residues resulting from the dismantling and removal of infrastructure at closure. |
| 20.5.2 | Mine Closure Plan |
The conceptual MCP for Camino Rojo documents the evaluation of potential actions to restore the land to a condition compatible with and acceptable to the socio-environmental context of the Project. The MCP was developed by Clifton Associates Ltd. – Natural Environment S.C. for MCR (Orla 2022). The closure schedule includes 4.5 years of closure followed by 10 years of post-closure monitoring.
According to the MCP, MCR will consider international guidelines and framework for closure of the Project (e.g., International Council on Mining and Metals [ICMM], Mining Association of Canada [MAC] and International Finance Corporation [IFC]), as well as national regulations including the general law for ecological equilibrium and environmental protection (LGEEPA for its acronym in Spanish), the federal law for environmental responsibility (LFRA for its acronym in Spanish), the mining law, and applicable Official Mexican Norms.
The main objective established in the MCP for restoration and closure is to ensure the integrity of the Project site, based on the proper environmental performance of the land and its components. The potential land use presented in the MCP includes forests and conservation and wildlife protection zones in previously disturbed areas, restored and designated as recovery sites subjected to environmental monitoring. Evaluation of land use for productive activities will be considered in future versions of the MCP, so long as they are not conflicting with the ecological objectives.
The specific closure objectives in the MCP are as follows:
| · | Cessation of activities causing disturbances or adverse impacts (noise, lighting, dust, vehicular traffic, etc.); |
| · | Achieving physical, chemical and hydrological stability; |
| 20-16 | ![]() |
| Orla Mining Ltd. | Camino Rojo Project | March 18, 2026 |
| NI 43-101 Technical Report | SLR Project No.: 233.065118.00001 |
| · | Stabilization of social conditions in the area of influence of the Project; |
| · | Elimination of risks to public health and safety; and |
| · | Restoration of the Project site to conditions similar and compatible with the areas surrounding the site, including areas that may have suffered indirect impacts. |
Temporary Project infrastructure will be decommissioned while permanent facilities such as the open pit, the heap leach pad, and the WRSP (referred to as tepetatera in México) will become part of the landscape under closure conditions. Ore deposited in the heap leach pad and waste rock deposited in the WRSF will be encapsulated to prevent contamination of the surrounding environment. An adequate vegetation cover will be established to stabilize the soil, facilitate natural succession, and habitat for wildlife. If necessary, water treatment will be implemented at closure depending on water quality monitoring results. The closure activities described in the MCP are as follows:
| · | Dismantling |
| · | Demolition |
| · | Recovery and disposal |
| · | Earth movement |
| · | Erosion control |
| · | Encapsuling of deposited ore and waste rock |
| · | Revegetation |
| · | Water treatment |
| · | Environmental monitoring |
According to the MCP, water discharged into surface streams from the Project site must comply with water quality standards outlined in NOM-001-SEMARNAT-2021 and receive authorization from CONAGUA.
The closure and post-closure monitoring includes the following:
| · | Water quality monitoring including surveillance of chemical stability for the open pit, the heap leach pad and the WRSF. |
| · | Inspection of safety associated with site access and physical stability. |
| · | Conditions of reforested and restored areas to support wildlife habitats. |
| · | Social aspects with the communities affected by the mine closure. |
| · | Inspection of general conditions associated with access roads, safety fencing and signposting. |
The MCP includes a discussion about climate change affecting the Project site in the short and long term and a qualitative assessment of vulnerabilities at a municipal level resulting from potential effects of climate change, signaling the intention by MCR to take climate change into consideration for closure planning.
It is worth noting that the MCP outlines a total of 20 commitments stated by MCR for restoration and closure of the Project site.
| 20-17 | ![]() |
| Orla Mining Ltd. | Camino Rojo Project | March 18, 2026 |
| NI 43-101 Technical Report | SLR Project No.: 233.065118.00001 |
| 20.5.3 | Closure Cost Estimate |
The total estimate cost for closure developed for the most recent MCP is presented in Orla (2022) and is summarized in Table 20-2. The report includes a section documenting the approach, assumptions, omissions and limitations associated with the cost estimate. It is noted that the closure cost estimate was not reviewed by SLR for this Technical Report.
Table 20-2: Camino Rojo Closure Cost Estimate Summary
| Description | Cost ($) |
| Mine area | 7,299,200 |
| Administrative and industrial area | 1,466,248 |
| Areas of complementary works | 678,452 |
| Territorial reserve area | 222,271 |
| Closure studies, investigations and design | 626,069 |
| Post-closure maintenance and monitoring | 633,130 |
| Contingencies | 2,516,112 |
| Administrative, legal and indirect costs | 1,509,547 |
| Total | 14,951,029 |
| 20-18 | ![]() |
| Orla Mining Ltd. | Camino Rojo Project | March 18, 2026 |
| NI 43-101 Technical Report | SLR Project No.: 233.065118.00001 |
| 21.0 | Capital and Operating Costs |
| 21.1 | Introduction |
Cost estimates presented in this Technical Report are based on the 2025 Camino Rojo budget and the LOM plan cost estimates. Costs are presented for Q4 2025 to the end of the mine life and correspond to the current LOM plan presented in Section 16.7.
| 21.2 | Capital Cost Estimates |
Sustaining capital costs corresponding to the LOM plan are provided in Table 21-1.
The mining and site sustaining capital costs consist of site infrastructure improvements and site required equipment. Mining fleet replacements are not part of the sustaining capital as the operation uses mining equipment owned/leased by the mining contractor.
Process sustaining capital costs largely consist of heap leach pad expansions required to the end of the current mine life. Other process capital costs include the completion of the crushed ore stockpile dome.
Table 21-1: Sustaining Capital Costs
| Area ($ 000) | Total | Q4 2025 | 2026 | 2027 | 2028 | 2029 |
| Mine and Site | 710 | 189 | 411 | 101 | 2 | 7 |
| Process | 30,382 | 1 | 15,081 | 15,300 | ||
| Total | 31,092 | 190 | 15,492 | 15,401 | 2 | 7 |
| 21.3 | Operating Cost Estimates |
The mine’s total annual operating costs are summarized in Table 21-2, and unit operating costs are summarized in Table 21-3.
Mine operating costs are based on MCR’s existing agreement with the mining contractor and the LOM plan presented in Section 16.0. Mine operating costs include mining contractor costs, explosives supplier costs, and the mine technical services team costs.
Process operating costs are based on the expenditures to date and the 2025 budget and have been adjusted for Q1 to Q3 2025 actual costs. Key drivers for processing costs included prices for reagents, consumables, and plant maintenance. The processing costs includes the on-site assay laboratory operated by Camino Rojo. The laboratory is used for the process and operational grade control samples used for short-term production planning.
The main components of the general and administration costs include salaries and wages, insurance, employee relations, permit and concession fees, and other environmental related fees.
Refining and transport costs are based on the realized or assumed costs for the 2025 operating year. The calculation of royalties, the refining and transport costs assumes metal prices of $3,100 per oz of gold and $37.50 per oz.
The royalty costs presented in Table 21-2 and the underlying economic analysis completed for this Technical Report are based on the new 2025 NSR royalty of 3.0%.
| 20-19 | ![]() |
| Orla Mining Ltd. | Camino Rojo Project | March 18, 2026 |
| NI 43-101 Technical Report | SLR Project No.: 233.065118.00001 |
Table 21-2: Total Operating Costs
| Area ($ 000) | Total | Q4 2025 | 2026 | 2027 | 2028 | 2029 | 2030 | Total |
| Mining | 180,373 | 10,062 | 53,967 | 53,258 | 37,118 | 25,968 | 180,373 | |
| Rehandle | 5,270 | 903 | 4,367 | 5,270 | ||||
| Processing | 142,350 | 7,720 | 32,086 | 26,849 | 26,841 | 26,808 | 22,047 | 142,350 |
| General and Admin | 115,691 | 5,122 | 27,092 | 22,169 | 22,244 | 22,322 | 16,742 | 115,691 |
| Total Operating | 443,684 | 22,904 | 113,146 | 102,275 | 86,202 | 76,001 | 43,155 | 443,684 |
| Refining and Transport | 7,225 | 441 | 1,216 | 1,783 | 1,526 | 1,729 | 529 | 7,225 |
| Royalties (3.0%) | 49,337 | 1,432 | 11,711 | 11,601 | 11,054 | 9,738 | 3,802 | 49,337 |
Table 21-3: Unit Operating Costs
| Area ($) | Total | Q4 2025 | 2026 | 2027 | 2028 | 2029 | 2030 |
| Mining ($/t mined) | 2.15 | 2.11 | 2.21 | 2.10 | 2.12 | 2.18 | |
| Mining ($/t stacked) | 5.40 | 5.71 | 7.82 | 7.72 | 5.37 | 3.77 | |
| Rehandle ($/t stacked) | 0.16 | 0.13 | 1.08 | ||||
| Processing ($/t stacked) | 4.26 | 4.38 | 4.65 | 3.89 | 3.88 | 3.89 | 5.45 |
| General and Admin ($/t stacked) | 3.46 | 2.90 | 3.93 | 3.21 | 3.22 | 3.24 | 4.14 |
| Total Operating ($/t stacked) | 13.28 | 12.99 | 16.41 | 14.83 | 12.46 | 11.02 | 10.67 |
| Refining and Transport ($/oz produced) | 1.71 | 5.38 | 2.58 | 1.54 | 1.80 | 1.54 | 0.98 |
| Royalties (3.0%) ($/oz produced) | 11.68 | 17.48 | 24.87 | 10.00 | 13.05 | 8.65 | 7.06 |
| 20-20 | ![]() |
| Orla Mining Ltd. | Camino Rojo Project | March 18, 2026 |
| NI 43-101 Technical Report | SLR Project No.: 233.065118.00001 |
| 22.0 | Economic Analysis |
This section is not required as Orla is a producing issuer, the operations are currently in production, and there is no material expansion of current production considered within the LOM plan presented in this Technical Report.
Orla completed an economic analysis of the current MCR operations using the assumptions, costing, and Mineral Reserve estimates presented in this Report and verified that the outcome is a positive cash flow that confirms the economic viability of the Mineral Reserves.
| 22-1 | ![]() |
| Orla Mining Ltd. | Camino Rojo Project | March 18, 2026 |
| NI 43-101 Technical Report | SLR Project No.: 233.065118.00001 |
| 23.0 | Adjacent Properties |
There are no active exploration properties or producing mines immediately adjacent to the Project.
On December 21, 2020, Orla announced that it had entered into the Layback Agreement. The Layback Agreement allows Orla to expand the Project’s oxide pit onto part of Fresnillo’s mineral concession located immediately north of Orla’s property. This pit expansion has been accounted for in this Technical Report, with the current final pit and declared Mineral Reserves covered within the Layback Agreement area.
| 23-1 | ![]() |
| Orla Mining Ltd. | Camino Rojo Project | March 18, 2026 |
| NI 43-101 Technical Report | SLR Project No.: 233.065118.00001 |
| 24.0 | Other Relevant Data and Information |
| 24.1 | Introduction |
This Report section presents the results of the PEA on a stand-alone underground development project beneath the existing Camino Rojo open pit operation and the construction of a process facility (the Processing Plant) for the processing of sulphide and refractory material.
The PEA is preliminary in nature; it includes Inferred Mineral Resources that are considered too speculative geologically to have the economic considerations applied to them that would enable them to be categorized as Mineral Reserves, and there is no certainty that the preliminary economic assessment will be realized. Mineral Resources that are not Mineral Reserves do not have demonstrated economic viability. The PEA has been completed independent of the Camino Rojo open pit project and is treated as a separate development project.
The production schedules and financial analysis of annualized cash flow table are presented with conceptual years shown. Upon completion of additional mining, technical, and engineering studies, the assumptions underlying the Underground Project as discussed in this Report may be altered, which may result in changes to the timelines presented.
| 24.2 | Property Description and Location |
Information on property description and location for the Underground Project is provided in Section 4.0 of this Report.
| 24.3 | Accessibility, Climate, Local Resources, Infrastructure, and Physiography |
Information on accessibility, climate, local resources, infrastructure, and physiography for the Underground Project is provided in Section 5.0 of this Report.
| 24.4 | History |
Information on the history of the Underground Project is provided in Section 6.0 of this Report.
| 24.5 | Geological Setting and Mineralization |
Information on the regional, property and deposit geology for the Underground Project is provided in Section 7.0 of this Report, with the deposit geology specifically discussed in Section 7.3.
| 24.6 | Deposit Types |
Information on the deposit type for the Underground Project is provided in Section 8.0 of this Report.
| 24.7 | Exploration |
Information on the exploration completed for the Underground Project is provided in Section 9.0 of this Report.
| 24-1 | ![]() |
| Orla Mining Ltd. | Camino Rojo Project | March 18, 2026 |
| NI 43-101 Technical Report | SLR Project No.: 233.065118.00001 |
| 24.8 | Drilling |
Information on the drilling completed for the Underground Project is provided in Section 10.0 of this Report.
| 24.9 | Sample Preparation, Analyses and Security |
Information on sample preparation, analyses, and security for the Underground Project is provided in Section 11.0 of this Report.
| 24.10 | Data Verification |
Information on data verification for the Underground Project is provided in Section 12.0 of this Report.
| 24.11 | Mineral Processing and Metallurgical Testing |
Information on mineral processing and metallurgical testing for the Underground Project is provided in Section 13.0 of this Report. The forecast recoveries for the 2025 PEA are provided in Section 13.5.
| 24.12 | Mineral Resource Estimates |
Information on the mineral resource estimate for the Underground Project can be found in Section 14.0 of this Report.
| 24.13 | Mineral Reserve Estimates |
This section is not applicable to the 2025 PEA as the 2025 PEA is based on Mineral Resources. Disclaimer – No reserves.
| 24.14 | Mining Methods |
| 24.14.1 | Introduction |
Access to the underground mine workings will be established by a portal within the final open pit limits and ramp to production horizons. The first stage of the ramp will be completed as part of a pre-production exploration phase and used as drill platforms for definition and delineation drilling. All lateral development will be excavated with conventional drill and blast methods.
Long-hole open stoping is suitable for most of the Underground Project, where the dip of the mineralization is 45° or greater and of sufficient width and grade. Mining will consist of an undercut level and an overcut level, each accessed from the main ramp or an access drift. Once sill development is completed on each level, production holes are drilled between the sills and then blasted until the stoping panel is completed.
Cut and fill mining is suitable for a smaller portion of the orebody in the Underground Project, where the dip of the mineralization is less than 45° and not suitable for long-hole open stoping. Mining will consist of developing one lift (in the similar manner as lateral development) before backfilling and establishing another the next excavation panel parallel to the previous excavated and filled development, or above it via inclined access development.
| 24-2 | ![]() |
| Orla Mining Ltd. | Camino Rojo Project | March 18, 2026 |
| NI 43-101 Technical Report | SLR Project No.: 233.065118.00001 |
Both long-hole open stopes and cut and fill production voids will be backfilled with paste fill delivered by piped distribution system from a surface paste plant. Cemented rockfill will be placed in voids excavated during pre-production and production ramp-up phase ahead of commissioning of the paste plant and associated infrastructure. Several distinct metallurgical domains have been defined within the deposit and designated for processing either by mill concentrator or heap leach.
An NSR value of $63 and $57 was used as incremental cut-off for long-hole open stoping for concentrator and heap leach processing respectively. For cut and fill, an incremental cut-off of $72 and $66 was applied for concentrator and heap leach processing respectively.
The target mineralized material to be mined at the Underground Project is estimated to be 37.2 Mt containing 3.2 Moz Au, 13.7 Moz Ag, and 319.2 Mlb Zn. At a target peak production rate of 8,000 tpd, the LOM for the Underground Project based on current geological understanding is 17 years.
| 24.14.1.1 | Block Model |
The block model provided by Orla is summarized in Table 24-1.
Table 24-1: Provided Block Model
| Geological Area | Naming Convention | Release Date |
| Camino Rojo Underground | cr_bm_2025_v3.dm | 2025-10-04 |
The model contains fields for density, resource classification, 8 contained metals, and 11 metallurgical domains and subdomains. A summary of the key model fields is in Table 24-2.
Table 24-2: Provided Block Model Key Attributes
| Attribute | Description |
| DENSITY_FIN | Density as t/m3 |
| CLASS_FIN | Resource Classification, where: 1 = measured, 2 = indicated, 3 = inferred, 4 = unclassified |
| GEOMET_FIN | Metallurgical Domains: Ox, Ox_Kp, Ox_LG, S1a_CAR, S1a_22, S1b, S2a, S2b, Transition, TrHi, TrLo |
| AS_FIN | Arsenic (ppm) |
| FE_FIN | Iron (%) |
| S_FIN | Sulphur (%) |
| AG_FIN | Silver (g/t) |
| AU_FIN | Gold (g/t) |
| CU_FIN | Copper (ppm) |
| PB_FIN | Lead (ppm) |
| ZN_FIN | Zinc (ppm) |
| 24.14.1.2 | Net Smelter Return |
The Underground Project is polymetallic and contains independent metallurgical domains that are expected to be processed independently by heap leach and milling processes. To account for the economic contributions of all metals and impact of lithology on metallurgical performance, an NSR was used. This process creates a block value that considers the estimated recovery of the block and converted to a grade value (NSR $/t) for use in the Mineable Stope Optimisation (MSO) process. The recovery and payability used for each metallurgical domain to the three concentrate types are summarized in Table 24-3 and Table 24-4, respectively.
| 24-3 | ![]() |
| Orla Mining Ltd. | Camino Rojo Project | March 18, 2026 |
| NI 43-101 Technical Report | SLR Project No.: 233.065118.00001 |
Table 24-3: Recovery to Concentrate by Metallurgical Domain
| Met. Domain | Au Concentrate | Zn Concentrate | Py Concentrate | ||||||
| Au Rec. | Ag Rec. | Zn Rec. | Au Rec. | Ag Rec. | Zn Rec. | Au Rec. | Ag Rec. | Zn Rec. | |
| Ox | 56% | 15% | - | - | - | - | - | - | - |
| Ox_Kp | 70% | 11% | - | - | - | - | - | - | - |
| Ox_LG | 56% | 15% | - | - | - | - | - | - | - |
| S1a | - | - | - | - | - | - | 85% | 60% | - |
| S1a_22 | 50% | 50% | - | 20% | 5% | 90% | 10% | 15% | - |
| S1a_CAR | - | - | - | - | - | - | - | -60% | - |
| S1b | 34% | 51% | - | 3% | 8% | 33% | 61% | 16% | - |
| S2a | 40% | 36% | - | 3% | 19% | 45% | 46% | 31% | - |
| S2b | 34% | 51% | - | 3% | 8% | 33% | 51% | 16% | - |
| Transition | - | - | - | - | - | - | 80% | 52% | - |
| TrHi | 60% | 27% | - | - | - | - | - | - | - |
| TrLo | 40% | 34% | - | - | - | - | - | - | - |
Table 24-4: Payability in Concentrate by Metallurgical Domain
| Met. Domain | Au Concentrate | Zn Concentrate | Py Concentrate | ||||||
| Au Pay. | Ag Pay. | Zn Pay. | Au Pay. | Ag Pay. | Zn Pay. | Au Pay. | Ag Pay. | Zn Pay. | |
| Ox | 99.9% | 98% | - | - | - | - | - | - | - |
| Ox_Kp | 99.9% | 98% | - | - | - | - | - | - | - |
| Ox_LG | 99.9% | 98% | - | - | - | - | - | - | - |
| S1a | - | - | - | - | - | - | 70% | 80% | - |
| S1a_22 | 95% | 90% | - | 70% | 70% | 85% | 75% | 40% | - |
| S1a_CAR | - | - | - | - | - | - | - | 80% | - |
| S1b | 95% | 90% | - | 70% | 70% | 85% | 75% | 40% | - |
| S2a | 95% | 90% | - | 70% | 70% | 85% | 75% | 40% | - |
| S2b | 95% | 90% | - | 70% | 70% | 85% | 75% | 40% | - |
| Transition | - | - | - | - | - | - | 70% | 80% | - |
| TrHi | 99.9% | 98% | - | - | - | - | - | - | - |
| TrLo | 99.9% | 98% | - | - | - | - | - | - | - |
Table 24-5 summarizes the metal price, smelter charges and selling costs used in the study.
| 24-4 | ![]() |
| Orla Mining Ltd. | Camino Rojo Project | March 18, 2026 |
| NI 43-101 Technical Report | SLR Project No.: 233.065118.00001 |
Table 24-5: NSR Estimation Parameters
| Parameter | Unit | Value |
| Metal Price – Au | $/oz | 2,300 |
| Metal Price – Ag | $/oz | 25 |
| Metal Price – Zn | $/lb | 1 |
| Metallurgical Recovery | % | Domain-based |
| Concentrate Moisture | % | 10 |
| Payability | % | Domain-based |
| Refining Cost – Au | ||
| Au Conc – Heap Leach | $/oz | 1.62 |
| Au Conc – Mill | $/oz | 6 |
| Py Conc | $/oz | 10 |
| Refining Cost – Ag | ||
| Au Conc – Heap Leach | $/oz | 1.62 |
| Other | $/oz | 0.5 |
| Smelter Cost – Au | $/dmt con | 80 |
| Smelter Cost – Zn | $/dmt con | 180 |
| Freight Cost | $/wmt con | 180 |
| Royalty | % | 3 |
The NSR estimation parameters were then used to estimate NSR, based on the following equation:
Net Smelter Return:
| 24.14.1.3 | Cut-Off Value |
A cut-off value (COV) is used to segregate material based on whether the estimated revenue in a block exceeds the estimated costs of extraction and processing of that block. There were two COVs used to assess and schedule mining at Camino Rojo: Incremental cut-off value (ICOV) and marginal cut-off value (MCOV). Material within the block model with resource classifications of Measured, Indicated, and Inferred was considered for the cut-off value. All other material was assigned no value in the net smelter return and cut-off value evaluation and was not considered or reported as metal production.
The ICOV can be used when the access infrastructure has been completed and no further investment in development is needed to access the material on existing designs. The ICOV excludes the cost of development and partially excludes the cost of sustaining capital, as the activity does not impact these costs from being incurred. The ICOV requires that the material value exceed the costs of the incremental surface handing, processing, G&A, mining, and a partial allocation of the sustaining capital (equipment and fixed plant infrastructure). ICOV is used in the MSO process to determine the economic extents of mineralization. The costs of capital development and access are evaluated as part of the economic screening.
| 24-5 | ![]() |
| Orla Mining Ltd. | Camino Rojo Project | March 18, 2026 |
| NI 43-101 Technical Report | SLR Project No.: 233.065118.00001 |
The MCOV can be used when mining the material is required to access higher value areas, such as during development excavation to access stoping material. This material must be mined, therefore the MCOV excludes all mining costs, as these costs will occur whether the material is treated or sent to the waste facility. The marginal COV would only require that the material value exceed the costs of the incremental surface handing, processing, and G&A.
A summary of the costs included in calculating the COV are summarized in Table 24-6.
Table 24-6: Cost Included in Mine Cut-Off Values
| Cut-Off Value | G&A | Processing | Surface Handling |
Mining | Sustaining Capital |
Operating Development |
| Incremental | ✔ | ✔ | ✔ | ✔ | ✔1 | ✘ |
| Marginal | ✔ | ✔ | ✔ | ✘ | ✘ | ✘ |
| 1 – Partial allocation (UG fleet and fixed plant replacement included) | ||||||
The cut-off values were based on cost data collected by Orla and is summarized in Table 24-7. Separate processing costs are allocated for material designated for heap leach and milling. The long-hole stoping and cut-and-fill mining methods also have separate cost estimates. The combination of the mining methods and processing types results in four categories of cut-off values.
Table 24-7: Preliminary Estimates of Cut-Off Values
| Parameter | Unit | LHOS2 – Heap Leach |
LHOS – Mill |
CAF3 – Heap Leach |
CAF – Mill |
| Marginal Costs | $/t | 12 | 18 | 12 | 18 |
| Incremental Costs1 | $/t | 57 | 63 | 66 | 72 |
|
Notes: 1. Used for MSO Stope Evaluation 2. LHOS long-hole open stoping 3. CAF cut and fill | |||||
| 24.14.1.4 | Target Mineralization |
Target mineralization is material above cut-off value targeted for mine planning. A grade-tonnage curve of the model indicating material above incremental cut-off value for heap leach ($57/t) and milling ($63/t) are illustrated in Figure 24-1 and Figure 24-2. The combined inventory above ICOV for both processing types is 48.3 Mt at $135/t net smelter return value.
| 24-6 | ![]() |
| Orla Mining Ltd. | Camino Rojo Project | March 18, 2026 |
| NI 43-101 Technical Report | SLR Project No.: 233.065118.00001 |
Figure 24-1: Grade Tonnage Curve for Validated Block Model – Mill Material
Figure 24-2: Grade Tonnage Curve for Validated Block Model – Heap Leach Material
| 24.14.1.5 | Mining Dilution and Mining Recovery |
Dilution is waste material that enters the material movement stream and often has two negative impacts:
| · | Increased cost (mining, processing, treatment and increasing the storage of tailings); and |
| · | Increased mined material loss (through processing and impacting on mining recoveries). |
| 24-7 | ![]() |
| Orla Mining Ltd. | Camino Rojo Project | March 18, 2026 |
| NI 43-101 Technical Report | SLR Project No.: 233.065118.00001 |
There are multiple sources of dilution, which can be generally classified in the following two categories:
| · | Planned dilution; and |
| · | Unplanned dilution. |
Planned dilution is additional waste that is deliberately mined concurrently with the target mineralized material, allowing the mineralized material to be recovered albeit at an overall lower grade.
Unplanned dilution is waste material that unintentionally finds its way into the plant-feed during extraction and can be from a variety of sources, as listed:
| · | Overbreak during mining |
| · | Backfill dilution from adjacent stopes |
| · | Mucking of waste material (or backfill or road base material) during the mucking of mineralized material |
| · | Misrouting and dumping of waste material on the plant-feed stockpile |
| · | Misrouting and dumping of waste in ore locations (e.g., stockpiles, ore passes) leading to a mixing of mineralized material and waste material |
Mining loss has a significant impact on the mining business, with a reduction of revenue through the loss of mineralized material. Mining loss can occur in a variety of different ways such as poor blasting, poor recovery of blasted muck, and weak ground conditions impacting on the access to the mineralized material, among others. Mining loss was considered as an allowance for a reduction in production and revenue.
An example of dilution and underbreak due to blasting performance is illustrated in Figure 24-3 and Figure 24-4. Underbreak in waste is an economic benefit; however, it also reflects that the operation is not achieving the targeted mining shape.
| 24-8 | ![]() |
| Orla Mining Ltd. | Camino Rojo Project | March 18, 2026 |
| NI 43-101 Technical Report | SLR Project No.: 233.065118.00001 |
Figure 24-3: Mining Dilution
Figure 24-4: Mining Recovery and Loss of Mineralization
Planned dilution and unplanned rock dilution in long-hole stopes for the Underground Project was accounted for using the MSO. Unplanned rock dilution in the cut and fill shapes was applied as a factor to the shapes within the schedule. Unplanned fill dilution and mining losses for both the long-hole stopes and cut and fill design were applied as factors to the shapes created by MSO within the schedule. A diagram of the contact surfaces to which dilution was applied is illustrated in Figure 24-5.
| 24-9 | ![]() |
| Orla Mining Ltd. | Camino Rojo Project | March 18, 2026 |
| NI 43-101 Technical Report | SLR Project No.: 233.065118.00001 |
Figure 24-5: Stope Shapes and Dilution Contact Surfaces
Mineralized contacts are not considered as dilution of these contacts would otherwise be mined by adjacent mining shapes, leaving no net change to the mine plan. A summary of the estimated equivalent linear overbreak sloughing (ELOS) by contact type and dilution type is summarized in Table 24-8.
Table 24-8: Design Parameters
| Method | Side1 | Side | Near | Far | Backs | Floor | |
| Long-hole Stoping | Contact | W | W | O | F | O | F |
| ELOS | 0.25 m | 0.25 m | - | 0.5 m | - | 0.25 m | |
| Cut and Fill | Contact | F | O | O | O | O | F |
| ELOS | 0.25 m | - | - | - | - | 0.25 m | |
|
O = Mineralized Material – Mined from adjacent stopes W = Waste – Included in MSO F = Fill – Applied as Factor 1 – Cut and Fill shapes consider one side wall in fill for breasting sequence | |||||||
Mining recovery for long-hole stoping was assumed to be 92%, with a 25% penalty to recovery applied to sill pillar stopes separating mining horizons. Development recovery was assumed to be 100% with 10% unplanned dilution.
| 24-10 | ![]() |
| Orla Mining Ltd. | Camino Rojo Project | March 18, 2026 |
| NI 43-101 Technical Report | SLR Project No.: 233.065118.00001 |
Table 24-9: Dilution and Recovery Summary for Camino Rojo Underground Project
| Description | Unit | Long-hole | Cut and Fill | Development |
| Total Planned Dilution1 | % | 28 | 23 | - |
| Total Unplanned Dilution | % | 7.5 | 10 | 10 |
| Unplanned Fill Dilution2 | % | 3.7 | 5 | - |
| Far Wall | m | 0.5 | - | - |
| Floor | m | 0.25 | 0.25 | - |
| Sidewall – HW / FW | m | - | 0.25 / - | - |
| Unplanned Rock Dilution3 | % | 3.8 | 5 | 10 |
| Minimum Target Mining Width | m | 2 | 5 | - |
| ELOS – HW | m | 0.25 | - | - |
| ELOW – FW | m | 0.25 | - | - |
| Minimum Total Mining Width | m | 2.5 | 5 | - |
| Mining Recovery4 | % | 92 | 100 | 100 |
|
Notes: 1. Included in MSO Shape. Weighted Average by target mineralization tonnes within mining shape. Expressed as total planned material below cut-off divided by target mineralization above cut-off. 2. Applied as factor to volume of the shape (assumed density of backfill = 2 t/m3). 3. Included in MSO shape (stoping only) as interrogated dilution. Weighted Average by total tonnes within mining shape. Expressed as total unplanned material tonnes divided by target shape tonnes. 4. Applied as factor to the final shape tonnes as a reduction in planned and unplanned material. | ||||
| 24.14.1.6 | Stope Design Parameters |
Preliminary stope shapes were created using Datamine Mineable Stope Optimiser (MSO). All parameters used in the creation of MSO shapes are summarized in Table 24-10.
Table 24-10: Preliminary MSO Parameters
| MSO Parameter | Unit | Long-hole | Cut and Fill |
| MSO Cut-Off Value | By Met Domain | By Met Domain | |
| Heap Leach | $/t NSR | 57 | 66 |
| Milling | $/t NSR | 63 | 72 |
| Minimum Mining Width | m | 2 | 5 |
| ELOS – FW | m | 0.25 | - |
| ELOS – HW | m | 0.25 | - |
| Final Minimum Mining Width | m | 2.5 | 5 |
| Stope Assessment Length | m | 5 | 5 |
| Target Final Stope Length | m | 20 | 5 |
| Stope Height | m | 20 | 5 |
| 24-11 | ![]() |
| Orla Mining Ltd. | Camino Rojo Project | March 18, 2026 |
| NI 43-101 Technical Report | SLR Project No.: 233.065118.00001 |
Once the stopes were generated and mining locations identified, a preliminary evaluation was completed to identify which production shapes were likely to pay for the estimated development required for access. Additional non-financial factors were considered in this evaluation including intersections with open pit, topographical standoffs, crown pillar around pit, and mining practicality.
The parameters used in the preliminary economic screening are summarized in Table 24-11, all figures are in USD.
Table 24-11: Preliminary Economic Screening Parameters
| Parameter | Unit | Value |
| Development – Capital – Lateral | $/m | 4,550 |
| Development – Operating – Lateral | $/m | 3,150 |
| Development – Capital – Vertical | $/m | 8,400 |
| Capital Lateral Dev. per Level | m | 395 |
| Capital Vertical Dev. per Level | m | 40 |
| Incremental Costs – Long-hole | ||
| Heap Leach | $/t mined | 57 |
| Milling | $/t mined | 63 |
| Incremental Costs – Cut and Fill | ||
| Heap Leach | $/t mined | 66 |
| Milling | $/t mined | 72 |
| Revenue Factor | $/NSR | 1 |
Following economic screening, the remaining Recovered Diluted Tonnes (RDT) of the economic shapes are summarized in Figure 24-6 split into the associated NSR value bins.
| 24-12 | ![]() |
| Orla Mining Ltd. | Camino Rojo Project | March 18, 2026 |
| NI 43-101 Technical Report | SLR Project No.: 233.065118.00001 |
Figure 24-6: Screened MSO Shape Tonnes by Grade
The flow of tonnage and value from block model to final MSO shapes are illustrated in Figure 24-7 and Figure 24-8, respectively. The tonnage conversion from model above cut-off to MSO was 71% and the value conversion was 80%, calculated as the MSO output above cut-off value divided by the block model above the cut-off. Figure 24-7 also illustrates the total dilution included in the design, with planned rock dilution being the sum of the mineralized material below cut-off mined (7.3 Mt) and the waste mined (6.6 Mt), equalling 40% of the mineable shapes above cut-off (34.4 Mt), and unplanned fill dilution (1.6 Mt) of equalling approximately 3% of the MSO output (48.4 Mt).
| 24-13 | ![]() |
| Orla Mining Ltd. | Camino Rojo Project | March 18, 2026 |
| NI 43-101 Technical Report | SLR Project No.: 233.065118.00001 |
Figure 24-7: Waterfall of Tonnage from Block Model to Final MSO Shapes
Figure 24-8: Waterfall of Value from Block Model to Final MSO Shapes
| 24-14 | ![]() |
| Orla Mining Ltd. | Camino Rojo Project | March 18, 2026 |
| NI 43-101 Technical Report | SLR Project No.: 233.065118.00001 |
| 24.14.2 | Geotechnical Considerations |
A series of modelled faults were provided by Orla, which Entech considered during the underground mine design process. Major infrastructure is designed to avoid intersection with modelled faults as much as possible. Figure 24-9 illustrates the locations of the modelled structures relative to the designed underground infrastructure.
Figure 24-9: Location of Major Fault Structures
Piteau Associates completed a geotechnical assessment and technical memorandum to support design assumptions (Piteau 2022). The study used a modified probabilistic stability graph, illustrated in Figure 24-10, to determine the rock quality that would be required to achieve a 5% probability of failure on the stope surfaces. The planned stope dimensions in the current design have a hydraulic radius of 5, which is 10% lower than the lowest evaluated hydraulic radii in the study that were determined to be satisfactory.
| 24-15 | ![]() |
| Orla Mining Ltd. | Camino Rojo Project | March 18, 2026 |
| NI 43-101 Technical Report | SLR Project No.: 233.065118.00001 |
Figure 24-10: Modified Stability Graph
Source: Piteau 2022.
| 24.14.3 | Hydrogeological Considerations |
Piteau completed a hydrogeological review to support scoping study of the Underground Project (Piteau 2020). The review estimated the inflow to the proposed underground workings would be less than open pit modelling, indicating an average of about 300 L/s for most of the LOM, increasing to 500 L/s at the end of the mining life at which time the Indidura Formation is intersected.
Detailed underground water management plans have not been included in the mine design for this stage of study. Each working sublevel of the mine is designed to include a sump for collecting process water and inflow of groundwater. These sumps will transfer to two main pumping stations, which have been included in the mine plan. It is believed that these pumping stations will support the LOM dewatering requirements. Allocations for these water management systems have been included in the design and costing.
| 24.14.4 | Underground Mine Design |
| 24.14.4.1 | Existing Workings |
There are no existing underground workings at Camino Rojo. The current operations consist of only open pit excavations. The Underground Project will use the ultimate pit limit for the designed surface connections. The portal is placed within the pit on the bench 110 m above the designed ultimate pit bottom. Four of five surface raises are designed to daylight within the ultimate pit limit to avoid additional surface disturbance. These interactions between the designed pit and underground are illustrated in Figure 24-11. There will be limited interaction between the underground and open pit equipment as open pit mining near the portal is expected to be complete when the Underground Project commences. Open pit equipment will move broken material from the Underground Project out of the pit.
| 24-16 | ![]() |
| Orla Mining Ltd. | Camino Rojo Project | March 18, 2026 |
| NI 43-101 Technical Report | SLR Project No.: 233.065118.00001 |
Figure 24-11: Portal Location in Pit Design
| 24.14.4.2 | Development |
The underground development design includes a minimum 50 m stand-off distance from ramp to mineralization. The stand-off distance is included to avoid damage to ramp infrastructure due to ground stress changes and blasting from stope extraction. The stand-off distance also allows sufficient space for required infrastructure on level such as stockpiles, sumps, escapeways and return airways. A typical level layout for the mine is illustrated in Figure 24-12.
| 24-17 | ![]() |
| Orla Mining Ltd. | Camino Rojo Project | March 18, 2026 |
| NI 43-101 Technical Report | SLR Project No.: 233.065118.00001 |
Figure 24-12: Camino Rojo Underground Typical Level Layout
The Underground Project has three access ramps diverging from the portal location. The first ramp accesses a small area of oxide material to the east. The two ramps in the main area of the mine diverge above the planning mining areas and follow the mineralization plunging to the southwest and dipping between 60° to the south and 60° to the north. The two declines are included where the mineralization exceeds 1 km along strike, which allows for multiple independent retreat sequences at each elevation to achieve target production rates.
The proposed design allows for loaders to tram material from stope draw points to level stockpiles for loading into haul trucks to move material to surface. The overall mine development is illustrated in Figure 24-13.
| 24-18 | ![]() |
| Orla Mining Ltd. | Camino Rojo Project | March 18, 2026 |
| NI 43-101 Technical Report | SLR Project No.: 233.065118.00001 |
Figure 24-13: Camino Rojo Underground Development Overview
| 24.14.4.3 | Production |
Following the economic screening process, shapes exceeding 20 m width were split (longitudinally) for mine planning purposes. All stopes were sequenced bottom-up, retreating towards the level access, with parallel longitudinal drives sequenced from furthest to nearest the decline. Top levels of independent mining areas were classified as sill pillars to be extracted once the area is depleted with a 25% recovery penalty. Cut and fill shapes were similarly sequenced bottom-up, retreating towards access points. Figure 24-14 illustrates the mining methods for the Underground Project.
| 24-19 | ![]() |
| Orla Mining Ltd. | Camino Rojo Project | March 18, 2026 |
| NI 43-101 Technical Report | SLR Project No.: 233.065118.00001 |
Figure 24-14: Camino Rojo Underground by Mining Method
As illustrated in Figure 24-14, the production tonnage is primarily mined using long-hole open stoping rather than cut and fill methods. The average long-hole open stope is approximately 9,600 tonnes, with many stopes greater than 10,000 t. Figure 24-15 illustrates the number of long-hole open stopes in each stope tonnage range, from less than 2,500 t to greater than 25,000 t, in increments of 2,500 t.
| 24-20 | ![]() |
| Orla Mining Ltd. | Camino Rojo Project | March 18, 2026 |
| NI 43-101 Technical Report | SLR Project No.: 233.065118.00001 |
Figure 24-15: Number of Long-hole Open Stopes by Stope Tonnage Bin
While the greatest number of stopes fall in the 2.5 kt to 5.0 kt range, the largest bin by tonnage is the 12.5 kt to 15.0 kt range, as illustrated below in Figure 24-16.
Figure 24-16: Long-hole Production Tonnes by Stope Tonnage Bins
Production mining begins on the 1,740 mL as seen in Figure 24-17, and continues down to the 900 mL. The orebody is distributed over 840 m, with the majority of the production coming from between the 1,540 mL and the 1,240 mL. Figure 24-17 illustrates the production tonnage by level for the Underground Project.
| 24-21 | ![]() |
| Orla Mining Ltd. | Camino Rojo Project | March 18, 2026 |
| NI 43-101 Technical Report | SLR Project No.: 233.065118.00001 |
Figure 24-17: Production Tonnes Per Level
| 24.14.4.4 | Economic Screening |
A final direct-cost economic assessment of the designed mine plan to determine the economic extents to be included in the mine schedule was completed. The analysis for the Underground Project was completed using Deswik’s Pseudoflow Tool, which uses a network flow algorithm to identify the required revenue factor for an activity (or set of activities) to be included in the plan. Areas with a revenue factor greater than 1 indicate that they require more revenue than contained in the set of activities to pay for their completion, indicating that at baseline economics parameters they are unprofitable and therefore should not be included as part of the mine plan. Areas deemed uneconomic through this process were removed from the schedule.
Table 24-12 summarizes the key parameters used in the economic analysis.
| 24-22 | ![]() |
| Orla Mining Ltd. | Camino Rojo Project | March 18, 2026 |
| NI 43-101 Technical Report | SLR Project No.: 233.065118.00001 |
Table 24-12: Key Economic Analysis Parameters
| Parameter | Units | Value |
| Development – Capital – Lateral | $/m | 4,550 |
| Development – Operating – Lateral | $/m | 3,150 |
| Development – Capital – Vertical | $/m | 8,400 |
| Mining Costs | ||
| Long-hole | $/t mined | 45 |
| Cut and Fill | $/t mined | 54 |
| Milling, G&A Costs | ||
| Heap Leach | $/t milled | 12 |
| Milling | $/t milled | 18 |
| Revenue Factor | $/NSR | 1.00 |
| 24.14.5 | Mine Schedule |
The schedule for the Underground Project is designed with a production target of 8,000 tpd. The mine plan includes an 18-month exploration drive development phase. During this phase, 3.5 km of lateral development and 0.5 km of vertical development will be completed to access underground drill platform locations for diamond drilling.
| 24.14.5.1 | Activity and Equipment Rates |
The development rates used in the schedule are inclusive of the time required to drill, blast, ventilate, muck and install ground support. Single heading development advanced rates are based on schedule priority and are accounted for by partial allocation of the daily equipment capacity. Ventilation and escapeway raises are to be excavated by raisebore. Scheduled lateral and vertical development rates are summarized in Table 24-13.
Table 24-13: Development Activity and Equipment Rates
| Activity | Units | Activity Rate | Equipment Rate |
| Lateral Development - Jumbo | |||
| Single Heading – Capital | m/d | 3.5 | 7 |
| Single Heading – Operating1 | m/d | 1.75 | 7 |
| Vertical Development – Raise Bore | |||
| Single Heading | m/d | 1.8 | 1.8 |
|
Notes: 1. A 25% penalty has been applied to slot drive rates. | |||
Production tasks are broken into specific derived activities, due to the different task rates, equipment required and durations for each task. Some tasks, such as drilling, can fully utilize equipment capacity until the activity is completed, while other tasks, such as stope excavation, occupy only a portion of the daily uptime of the equipment to complete the task.
| 24-23 | ![]() |
| Orla Mining Ltd. | Camino Rojo Project | March 18, 2026 |
| NI 43-101 Technical Report | SLR Project No.: 233.065118.00001 |
Table 24-14: Production Activity Tasks and Equipment Rates
| Activity | Units | Activity Rate | Equipment Rate |
| Long-hole Stoping | |||
| Cable bolting1 | cbm/d | 100 | 100 |
| Slot Raise2 | mV/d | 3 | 3 |
| Production Drilling3 | drm/d | 200 | 200 |
| Stope Excavation – 100 m Tram4 | tpd | 915 | 2,750 |
| Stope Excavation – 400 m Tram | tpd | 460 | 1,385 |
| Paste Backfill5 | m3/d | 2,000 | 2,000 |
| Cemented Rockfill | m3/d | 400 | 400 |
| Backfill Cure | d | 14 | - |
| Cut and Fill | |||
| Stope Excavation | tpd | 450 | 1,350 |
| Paste Backfill | m3/d | 2,000 | 2,000 |
| Cemented Rockfill | m3/d | 400 | 400 |
| Backfill Cure | d | 14 | - |
|
Notes: 1. cbm = Cable bolt metres (6 x 6 m cables for stopes less than 8m wide, 8 x 6 m cables for wider stopes) 2. mV = Vertical Metres (Stope Height – 5 m drift height) 3. drm = Drill Metres (6 tonnes per meter for stopes less than 15 m wide, 8 t/m for wider stopes) 4. Total Loader Productivity = 2,750 tpd 5. Fill Volume = diluted mined volume + 100m3 brow offset allowance | |||
Drilling activities adjacent to backfill can commence seven days following the completion of backfill placement, but excavation activities are subject to a 14-day delay.
| 24.14.5.2 | Lateral Development |
A peak of six development crews is required to establish production horizons early in the schedule, after which, five crews are utilized to maintain production and establish subsequent mining areas. The annual lateral development schedule is illustrated in Figure 24-18 and the total and annual development is summarized in Table 24-15.
| 24-24 | ![]() |
| Orla Mining Ltd. | Camino Rojo Project | March 18, 2026 |
| NI 43-101 Technical Report | SLR Project No.: 233.065118.00001 |
Figure 24-18: Annual Lateral Development Schedule
Table 24-15: Annual Lateral Development Quantities1
| Period | Units | Capital | Ramp | Other | Operating | Sills | Other | Total |
| Yr -2 | km | 5.7 | 2.4 | 3.3 | 8.1 | 4.8 | 3.3 | 13.8 |
| Yr -1 | km | 2.6 | 1.2 | 1.4 | 12.1 | 7.4 | 4.7 | 14.6 |
| Yr 1 | km | 1.0 | 0.3 | 0.7 | 13.7 | 10.0 | 3.7 | 14.7 |
| Yr 2 | km | - | - | - | 11.5 | 6.8 | 4.7 | 11.5 |
| Yr 3 | km | 0.1 | 0.1 | 0.0 | 11.6 | 7.3 | 4.3 | 11.7 |
| Yr 4 | km | 1.3 | 0.6 | 0.7 | 10.7 | 6.9 | 3.8 | 11.9 |
| Yr 5 | km | 1.1 | 0.3 | 0.8 | 10.8 | 7.3 | 3.5 | 11.9 |
| Yr 6 | km | - | - | - | 11.7 | 7.8 | 3.9 | 11.7 |
| Yr 7 | km | 0.6 | 0.4 | 0.2 | 11.2 | 7.5 | 3.7 | 11.8 |
| Yr 8 | km | 1.6 | 0.5 | 1.1 | 10.6 | 7.1 | 3.5 | 12.1 |
| Yr 9 | km | 2.7 | 1.0 | 1.7 | 5.4 | 2.7 | 2.7 | 8.1 |
| Yr 10 | km | 0.8 | 0.3 | 0.5 | 6.4 | 4.5 | 1.9 | 7.2 |
| Yr 11 | km | 0.5 | 0.2 | 0.3 | 3.0 | 1.8 | 1.2 | 3.5 |
| Yr 12 | km | 0.2 | - | 0.2 | 3.0 | 1.9 | 1.1 | 3.2 |
| Yr 13 | km | - | - | - | 3.2 | 2.0 | 1.2 | 3.2 |
| Yr 14 | km | - | - | - | 0.3 | 0.1 | 0.2 | 0.3 |
| Yr 15 | km | - | - | - | 0.2 | 0.0 | 0.2 | 0.2 |
| 24-25 | ![]() |
| Orla Mining Ltd. | Camino Rojo Project | March 18, 2026 |
| NI 43-101 Technical Report | SLR Project No.: 233.065118.00001 |
| Period | Units | Capital | Ramp | Other | Operating | Sills | Other | Total |
| Yr 16 | km | - | - | - | 0.1 | 0.0 | 0.1 | 0.1 |
| Yr 17 | km | - | - | - | 0.0 | 0.0 | 0.0 | 0.0 |
| Total | km | 18.2 | 7.3 | 10.9 | 133.6 | 85.9 | 47.7 | 151.5 |
1 – Numbers are rounded to the nearest 0.1 km, summation errors may occur
| 24.14.5.3 | Vertical Development |
Vertical development is designed to be completed by raisebore with diameters of 1.8 m for escapeways and 5.0 m for ventilation. The target advance rate for all vertical development is 1.8 m per day.
The annual vertical development schedule is illustrated in Figure 24-19, and totals are summarized in Table 24-16.
Figure 24-19: Annual Vertical Development Schedule
Table 24-16: Annual Vertical Development Quantities
| Year | Units | Ventilation | Egress | Total | |
| Yr -2 | km | 0.3 | 0.4 | 0.7 | |
| Yr -1 | km | 0.1 | 0.2 | 0.3 | |
| Yr 1 | km | 0.1 | 0.1 | 0.2 | |
| Yr 2 | km | 0.0 | 0.0 | 0.0 | |
| Yr 3 | km | 0.0 | 0.0 | 0.0 |
| 24-26 | ![]() |
| Orla Mining Ltd. | Camino Rojo Project | March 18, 2026 |
| NI 43-101 Technical Report | SLR Project No.: 233.065118.00001 |
| Year | Units | Ventilation | Egress | Total | |
| Yr 4 | km | 0.1 | 0.1 | 0.1 | |
| Yr 5 | km | 0.1 | 0.1 | 0.2 | |
| Yr 6 | km | 0.0 | 0.0 | 0.0 | |
| Yr 7 | km | 0.0 | 0.0 | 0.0 | |
| Yr 8 | km | 0.1 | 0.1 | 0.2 | |
| Yr 9 | km | 0.2 | 0.2 | 0.4 | |
| Yr 10 | km | 0.0 | 0.1 | 0.1 | |
| Yr 11 | km | 0.0 | 0.0 | 0.0 | |
| Yr 12 | km | 0.0 | 0.0 | 0.0 | |
| Yr 13 | km | - | - | - | |
| Yr 14 | km | - | - | - | |
| Yr 15 | km | - | - | - | |
| Yr 16 | km | - | - | - | |
| Total | km | 1.0 | 1.3 | 2.2 |
| 24.14.5.4 | Long-hole Drilling |
Long-hole drilling productivity has been scheduled at an average rate of 1,000 m per day for the fleet. Each drill is scheduled at a maximum capacity of 200 m per day. The average rates include allocations for drill rig moves, service hole drilling, maintenance and other unspecified downtime. Drill factors have been applied based on stope size. For stopes less than 15 m wide, a drill factor of 5 tonnes per metre has been used and for stopes greater than 15 m wide a drill factor of 6 tonnes per metre was used to calculate required production drilling. Up to six long-hole drills have been included in the production schedule. The annual long-hole drilling schedule is illustrated in Figure 24-20, and totals are summarized in Table 24-17.
| 24-27 | ![]() |
| Orla Mining Ltd. | Camino Rojo Project | March 18, 2026 |
| NI 43-101 Technical Report | SLR Project No.: 233.065118.00001 |
Figure 24-20: Annual Long-hole Drilling Schedule
Table 24-17: Annual Long-hole Drilling Quantities
| Year | Production Drilling (km) |
Production Tonnage (kt) |
|
| Yr -2 | 10 | - | |
| Yr -1 | 56 | 332 | |
| Yr 1 | 270 | 1,394 | |
| Yr 2 | 323 | 1,929 | |
| Yr 3 | 405 | 2,469 | |
| Yr 4 | 381 | 2,559 | |
| Yr 5 | 390 | 2,491 | |
| Yr 6 | 346 | 2,402 | |
| Yr 7 | 401 | 2,655 | |
| Yr 8 | 378 | 2,478 | |
| Yr 9 | 395 | 2,614 | |
| Yr 10 | 398 | 2,634 | |
| Yr 11 | 354 | 2,335 | |
| Yr 12 | 271 | 1,821 |
| 24-28 | ![]() |
| Orla Mining Ltd. | Camino Rojo Project | March 18, 2026 |
| NI 43-101 Technical Report | SLR Project No.: 233.065118.00001 |
| Year | Production Drilling (km) |
Production Tonnage (kt) |
|
| Yr 13 | 271 | 1,588 | |
| Yr 14 | 163 | 1,118 | |
| Yr 15 | 102 | 746 | |
| Yr 16 | 25 | 285 | |
| Yr 17 | 3 | 22 | |
| Total | 4,942 | 31,872 |
| 24.14.5.5 | Material Movement |
Both mineralized and waste material from Camino Rojo underground will be hauled to the portal using 63 t capacity trucks. While it is assumed that all material will be hauled to surface, there is an opportunity exists to co-dispose waste material in stope voids to reduce waste haulage distances and minimize surface storage opportunities. Waste from development will be moved to the nearest stockpile and loaded into trucks using 21 t capacity loaders. Similarly, production material will use 21 t capacity loaders to move mineralized material from drawpoints to on level stockpiles. The larger open pit trucks will be loaded near the portal and will haul to surface stockpiles, the heap leach pad, and the processing plant.
Stope excavation rates are based on the stope-to-stockpile tram distance for each stope. The further the loader must travel to excavate each bucket, the lower the tonnage productivity of the stope and the loader will be. The productivity rate by tramming distance is illustrated in Figure 24-21. The input parameters for productivity rate calculations are summarized in Table 24-18.
| 24-29 | ![]() |
| Orla Mining Ltd. | Camino Rojo Project | March 18, 2026 |
| NI 43-101 Technical Report | SLR Project No.: 233.065118.00001 |
Figure 24-21: Stope Excavation Rate by Tram Distance
Table 24-18: Key Haulage Calculation Parameters
| Parameter | Unit | Value |
| Truck Capacity | t | 63 |
| Truck Fill Factor | % | 95 |
| Truck Limited Capacity | t | 59.9 |
| Tram Speed – Loaded | km/h | 5 |
| Tram Speed – Unloaded | km/h | 10 |
| Buckets per Truck | # | 3 |
| Load Time per Truck1 | min | 9.6 |
| Daily Productive Uptime2 | h | 15.9 |
|
Notes: 1 – Includes truck entrance/exit and loader manoeuvring. 2 – Time spent actively hauling material. Excludes pre-start meetings, breaks, downtime, etc. | ||
| 24-30 | ![]() |
| Orla Mining Ltd. | Camino Rojo Project | March 18, 2026 |
| NI 43-101 Technical Report | SLR Project No.: 233.065118.00001 |
Figure 24-22: Annual Trucking Requirements
Table 24-19: Total and Annual Material Movement Schedule for the Underground Project
| Period | Units | Mineralized Development |
Production | Total Mineralized |
Waste Development |
Cemented Rockfill |
Total Material |
| Yr -2 | kt | 313 | - | 313 | 863 | - | 1,177 |
| Yr -1 | kt | 501 | 332 | 833 | 633 | 155 | 1,621 |
| Yr 1 | kt | 637 | 1,394 | 2,031 | 456 | 50 | 2,536 |
| Yr 2 | kt | 458 | 1,929 | 2,387 | 367 | - | 2,755 |
| Yr 3 | kt | 429 | 2,469 | 2,898 | 410 | - | 3,308 |
| Yr 4 | kt | 402 | 2,559 | 2,961 | 499 | - | 3,460 |
| Yr 5 | kt | 474 | 2,491 | 2,965 | 420 | - | 3,385 |
| Yr 6 | kt | 502 | 2,402 | 2,905 | 339 | - | 3,244 |
| Yr 7 | kt | 416 | 2,655 | 3,070 | 447 | - | 3,517 |
| Yr 8 | kt | 434 | 2,478 | 2,912 | 491 | - | 3,403 |
| Yr 9 | kt | 154 | 2,614 | 2,768 | 516 | - | 3,285 |
| Yr 10 | kt | 264 | 2,634 | 2,897 | 281 | - | 3,178 |
| Yr 11 | kt | 78 | 2,335 | 2,414 | 187 | - | 2,601 |
| Yr 12 | kt | 92 | 1,821 | 1,913 | 146 | - | 2,058 |
| 24-31 | ![]() |
| Orla Mining Ltd. | Camino Rojo Project | March 18, 2026 |
| NI 43-101 Technical Report | SLR Project No.: 233.065118.00001 |
| Period | Units | Mineralized Development |
Production | Total Mineralized |
Waste Development |
Cemented Rockfill |
Total Material |
| Yr 13 | kt | 144 | 1,588 | 1,732 | 88 | - | 1,820 |
| Yr 14 | kt | 14 | 1,118 | 1,312 | 9 | - | 1,140 |
| Yr 15 | kt | 3 | 746 | 749 | 8 | - | 757 |
| Yr 16 | kt | 6 | 285 | 291 | 3 | - | 294 |
| Yr 17 | kt | 2 | 22 | 24 | 1 | - | 25 |
| Total | kt | 5,323 | 31,872 | 37,375 | 6,164 | 205 | 43,564 |
| 24.14.5.6 | Backfill |
The selected mining method requires the use of backfill to minimize dilution and to maximize recovery.
The pastefill process involves erecting a barricade at the stope drawpoint and filling stopes via sufficiently rated piping. After the initial pour (plug) has reached approximately two metres above the brow to meet geotechnical recommendations, a 12-hour delay is applied to allow for the paste to cure. After the delay, the filling of the stope continues until the void is sufficiently filled. After plant construction, paste will be pumped underground from surface through a borehole and routed to the stope level. Down-hole stopes will be paste-filled from their overcut level, while up-hole stopes will be filled through a pastehole drilled from the undercut level. Cemented rockfill has been applied to voids scheduled to be filled ahead of the pastefill plant construction.
The mining study considered all stope voids would be backfilled. Future backfill studies are proposed to further refine stability assessments and cost estimates. The assumed price for cement is $250/t, with a 6.5% binder content assumed for plug pours and 3.5% binder content in the remainder of the stope.
All paste activities are completed at a capacity rate of 2,000 m3 per day. For the period that cemented rockfill is utilized, a rate of 400 m3 per day was applied. The annual backfilling schedule is illustrated in Figure 24-23 and summarized in Table 24-20.
| 24-32 | ![]() |
| Orla Mining Ltd. | Camino Rojo Project | March 18, 2026 |
| NI 43-101 Technical Report | SLR Project No.: 233.065118.00001 |
Figure 24-23: Annual Backfill Schedule
Table 24-20: Annual Backfill Quantities
| Year | Units | Pastefill Low Cement |
Pastefill High Cement |
Pastefill Total |
CRF Cement |
CRF No Cement |
CRF Total |
| Yr -2 | 000 m3 | - | - | - | - | - | - |
| Yr -1 | 000 m3 | - | - | - | 42.6 | 34.9 | 77.5 |
| Yr 1 | 000 m3 | 409 | 211 | 619 | 13.6 | 11.1 | 24.7 |
| Yr 2 | 000 m3 | 554 | 280 | 833 | - | - | - |
| Yr 3 | 000 m3 | 682 | 362 | 1,044 | - | - | - |
| Yr 4 | 000 m3 | 724 | 376 | 1,100 | - | - | - |
| Yr 5 | 000 m3 | 694 | 367 | 1,061 | - | - | - |
| Yr 6 | 000 m3 | 676 | 354 | 1,030 | - | - | - |
| Yr 7 | 000 m3 | 752 | 386 | 1,138 | - | - | - |
| Yr 8 | 000 m3 | 724 | 356 | 1,079 | - | - | - |
| Yr 9 | 000 m3 | 780 | 369 | 1,149 | - | - | - |
| Yr 10 | 000 m3 | 793 | 383 | 1,177 | - | - | - |
| Yr 11 | 000 m3 | 725 | 337 | 1,062 | - | - | - |
| 24-33 | ![]() |
| Orla Mining Ltd. | Camino Rojo Project | March 18, 2026 |
| NI 43-101 Technical Report | SLR Project No.: 233.065118.00001 |
| Year | Units | Pastefill Low Cement |
Pastefill High Cement |
Pastefill Total |
CRF Cement |
CRF No Cement |
CRF Total |
| Yr 12 | 000 m3 | 589 | 261 | 850 | - | - | - |
| Yr 13 | 000 m3 | 506 | 233 | 739 | - | - | - |
| Yr 14 | 000 m3 | 355 | 164 | 519 | - | - | - |
| Yr 15 | 000 m3 | 245 | 98 | 343 | - | - | - |
| Yr 16 | 000 m3 | 97 | 46 | 143 | - | - | - |
| Yr 17 | 000 m3 | 12 | 2 | 14 | - | - | - |
| Total | 000 m3 | 9,317 | 4,585 | 13,900 | 56 | 46 | 102 |
| Note: CRF cemented rockfill | |||||||
It is assumed that the mill feed from underground will generate sufficient tailings to meet the pastefill requirements.
| 24.14.5.7 | Underground Production Summary |
The underground exploration development is scheduled to begin in Yr -5 and continue for 18-months. The pre-production development for Camino Rojo underground is scheduled to start in Yr -3. The first mineralized development begins in Yr -2, and first production tonnes are mined in Yr -1. Peak development rates are expected between Yr -2 to Yr 1 to establish sill development and production access in multiple mining areas. Mineralized material extracted from Yr -2 to end of Yr -1 will be stockpiled until plant commissioning at the end of Yr -1. For the first year of production, stope voids will be filled with cemented rockfill until the commissioning of the plant at the end of 2030. The transition to pastefill begins in Yr 1. Target production of 8,000 tpd is reached in Yr -3 and sustained for approximately nine years before ramping down based on current inventory. With the deposit open at depth, upgrading of material and further exploration material could extend the time of steady state target production.
The proposed annual production from underground is illustrated in Figure 24-24.
| 24-34 | ![]() |
| Orla Mining Ltd. | Camino Rojo Project | March 18, 2026 |
| NI 43-101 Technical Report | SLR Project No.: 233.065118.00001 |
Figure 24-24: Annual Mined Mineralization Schedule for the Underground Project
The annual and total mineralized material mined is summarized Table 24-21, and the total production from underground by Mineral Resource classification is summarized in Table 24-22.
Table 24-21: Total and Annual Mined Mineralized Schedule
| Year | Tonnes (kt) | NSR Value ($/t) |
Gold Grade (g/t) |
Silver Grade (g/t) |
Zinc Grade (ppm) |
| Yr -2 | 313 | 92 | 2.20 | 9.08 | 3,305 |
| Yr -1 | 833 | 97 | 2.36 | 11.23 | 4,086 |
| Yr 1 | 2,031 | 106 | 2.59 | 11.94 | 3,673 |
| Yr 2 | 2,387 | 106 | 2.61 | 13.42 | 4,062 |
| Yr 3 | 2,898 | 110 | 2.67 | 12.67 | 3,755 |
| Yr 4 | 2,961 | 101 | 2.46 | 11.87 | 3,740 |
| Yr 5 | 2,965 | 115 | 2.77 | 11.71 | 3,605 |
| Yr 6 | 2,905 | 116 | 2.79 | 10.91 | 3,488 |
| Yr 7 | 3,070 | 116 | 2.75 | 12.09 | 3,900 |
| Yr 8 | 2,912 | 112 | 2.66 | 11.29 | 3,672 |
| Yr 9 | 2,768 | 115 | 2.73 | 12.24 | 4,248 |
| 24-35 | ![]() |
| Orla Mining Ltd. | Camino Rojo Project | March 18, 2026 |
| NI 43-101 Technical Report | SLR Project No.: 233.065118.00001 |
| Year | Tonnes (kt) | NSR Value ($/t) |
Gold Grade (g/t) |
Silver Grade (g/t) |
Zinc Grade (ppm) |
| Yr 10 | 2,897 | 111 | 2.66 | 11.75 | 3,866 |
| Yr 11 | 2,414 | 121 | 2.77 | 10.72 | 4,672 |
| Yr 12 | 1,913 | 122 | 2.82 | 9.30 | 4,272 |
| Yr 13 | 1,732 | 118 | 2.77 | 10.06 | 4,308 |
| Yr 14 | 1,132 | 132 | 2.99 | 10.85 | 3,979 |
| Yr 15 | 794 | 126 | 2.84 | 8.16 | 3,393 |
| Yr 16 | 291 | 128 | 2.88 | 6.50 | 2,580 |
| Yr 17 | 24 | 95 | 2.22 | 9.17 | 3,106 |
| Total | 37,196 | 112 | 2.7 | 11.4 | 3,869 |
Table 24-22: Mined Mineralization by Classification
| Mineral Resource Classification |
Tonnes (Mt) |
NSR Value ($/t) |
Gold Grade (g/t) |
Silver Grade (g/t) |
Zinc Grade (ppm) |
| Measured | 0.0 | 93 | 2.01 | 32.56 | 6,468 |
| Indicated | 33.0 | 117 | 2.80 | 11.91 | 3,854 |
| Inferred | 2.8 | 122 | 2.81 | 12.01 | 6,361 |
| Dilution (Waste & Fill) | 1.4 | - | - | - | - |
| Total Mineable Inventory | 37.2 | 113 | 2.70 | 11.46 | 3,892 |
The final schedule is broken down into three phases. Phase 1 includes Years -5 to -3 of the Underground Project and includes some early underground excavations to allow for exploration activities. Phase 2 (Years -2 to -1) is considered the Construction period, during which additional underground infrastructure is excavated and production workings are beginning to be excavated. Phase 3, Years 1 to 17, is the Production period of the Underground Project. The key mine physical metrics are summarized below in Table 24-23.
Table 24-23: Key Mine Physicals by Phase
| Item | Unit | Phase 1: Exploration | Phase 2: Construction | Phase 3: Production | Total |
| Y-5 to Y-3 | Y-2 to Y-1 | Y1 to Y17 | |||
| Development | |||||
| Lateral - Capital | km | 7.4 | 8.2 | 9.8 | 25.4 |
| Lateral - Operating | km | 1 | 20.2 | 113.4 | 134.5 |
| Vertical - Capital | km | 1.2 | 1 | 1.3 | 3.5 |
| Production | |||||
| Long-hole Drilling | km | - | 67 | 4,874 | 4,941 |
| Long-hole Open Stoping | 000 t | - | 314 | 30,351 | 30,665 |
| 24-36 | ![]() |
| Orla Mining Ltd. | Camino Rojo Project | March 18, 2026 |
| NI 43-101 Technical Report | SLR Project No.: 233.065118.00001 |
| Item | Unit | Phase 1: Exploration | Phase 2: Construction | Phase 3: Production | Total |
| Y-5 to Y-3 | Y-2 to Y-1 | Y1 to Y17 | |||
| Cut and Fill | 000 t | - | 18 | 1,188 | 1,206 |
| Pastefill | 000 m3 | - | - | 13,900 | 13,900 |
| Material Movement | |||||
| Total Mined Mineralization | 000 t | - | 1,146 | 36,050 | 37,196 |
| Production | 000 t | - | 332 | 31,539 | 31,871 |
| Development | 000 t | - | 814 | 4,511 | 5,325 |
| Mined Grade | |||||
| Gold | g/t | - | 2.32 | 2.71 | 2.7 |
| Silver | g/t | - | 10.64 | 11.49 | 11.46 |
| Zinc | ppm | - | 3,873 | 3,893 | 3,892 |
| Mined Waste | 000 t | 871 | 1,497 | 4,666 | 7,034 |
| 24.14.6 | Mine Infrastructure and Services |
| 24.14.6.1 | Primary Ventilation |
The design has three ventilation raises to surface, which will be used as exhaust raises for the mining zones. Two of these ventilation raises are designed to breakthrough to the open pit to minimize surface disturbance. These exhaust raises will be equipped with fans and will create a pull system with fresh air being drawn down the portal to the ramps.
The primary ventilation circuit is illustrated in Figure 24-25 and estimated fleet requirements are summarized in Table 24-24. More detailed design of primary ventilation will be completed in the next phase of study.
| 24-37 | ![]() |
| Orla Mining Ltd. | Camino Rojo Project | March 18, 2026 |
| NI 43-101 Technical Report | SLR Project No.: 233.065118.00001 |
Figure 24-25: Mine Ventilation Diagram
Table 24-24: Ventilation Demand Estimate for the Underground Project
| Equipment/Unit | Quantity (#) |
Engine Power (kW) |
Usage Factor | Demand1 (m3/s) |
| Truck | 10 | 565 | 100% | 339.0 |
| Truck Loader | 2 | 352 | 100% | 42.2 |
| Development Loader | 2 | 352 | 100% | 46.2 |
| Stope Loader | 6 | 352 | 100% | 126.7 |
| Jumbo Drill | 6 | 122 | 25% | 11.0 |
| Bolter | 5 | 122 | 25% | 9.2 |
| Cablebolter | 2 | 119 | 25% | 3.6 |
| Production Drill | 6 | 119 | 25% | 10.7 |
| Raisebore | 1 | 122 | 25% | 1.8 |
| Diamond Drill | 4 | 122 | 25% | 7.3 |
| Charge Wagon | 5 | 120 | 25% | 9.0 |
| 24-38 | ![]() |
| Orla Mining Ltd. | Camino Rojo Project | March 18, 2026 |
| NI 43-101 Technical Report | SLR Project No.: 233.065118.00001 |
| Equipment/Unit | Quantity (#) |
Engine Power (kW) |
Usage Factor | Demand1 (m3/s) |
| Spraymec | 1 | 82 | 25% | 1.2 |
| Agitator | 2 | 170 | 25% | 5.1 |
| IT – Service Crew | 4 | 111 | 25% | 6.7 |
| IT – Paste Crew | 2 | 111 | 25% | 3.3 |
| Fuel Truck | 3 | 250 | 25% | 11.3 |
| Water Truck | 2 | 250 | 25% | 7.5 |
| Grader | 2 | 123 | 25% | 3.7 |
| Light Vehicles | 18 | 110 | 25% | 29.7 |
| Subtotal | 671.2 | |||
| Contingency (15%) | 100.7 | |||
| Total | 771.9 | |||
|
Notes 1. Total Airflow Requirement Based on 0.06 m3s-1 per Engine kW | ||||
| 24.14.6.2 | Secondary Means of Egress and Refuge Chambers |
The design contains a secondary means of egress between each production level, eventually connecting to surface. The secondary egress circuit is included to prevent entrapment of personnel underground. Where practicable, escapeways are located separately from the return ventilation circuit to reduce the introduction of smoke and other contaminants to the egress circuit.
The secondary egress circuit is designed with two ladder escapeways that directly connect to surface, with bypass development connecting the two main ramps at the bottom of each mining area for additional egress routes in those areas. The development schedule includes meterage for the development of refuge stations on every other level. Placement of refuge stations will be refined in later study phases. The secondary egress circuit is illustrated in Figure 24-26.
| 24-39 | ![]() |
| Orla Mining Ltd. | Camino Rojo Project | March 18, 2026 |
| NI 43-101 Technical Report | SLR Project No.: 233.065118.00001 |
Figure 24-26: Secondary Egress Circuit
| 24.14.6.3 | Water Management |
Detailed water management designs have not been completed at this stage of study. Allocations for pumping and services have been included in cost estimation. The main pumping stations of the water management circuit are illustrated in Figure 24-27. Total vertical pumping height is approximately 900 m with pumping stations proposed at 300 m increments. The main pumping system includes on-level sumps to collect mine water, which is directed to one of the main pumping stations where it will decant and then be pumped to surface utilizing the piping services located in one of the two adjacent ramps.
| 24-40 | ![]() |
| Orla Mining Ltd. | Camino Rojo Project | March 18, 2026 |
| NI 43-101 Technical Report | SLR Project No.: 233.065118.00001 |
Figure 24-27: Permanent Water Management Circuit
| 24.14.6.4 | Service Water |
Detailed service water distribution designs have not been completed at this stage of study. Allocations for required piping services to feed process water to each active mining area has been included in the cost estimate.
| 24.14.6.5 | Compressed Air |
Detailed compressed air designs have not been completed at this stage of study. Allocations for required compressed air infrastructure and distribution have been included in the cost estimate.
| 24.14.6.6 | Electrical Power |
Detailed electrical designs have not been completed at this stage of assessment. Underground excavations of electrical substations have been included in the design at 40 m vertical spacing in each ramp access. Preliminary estimates of power and diesel consumption have been completed based on first principles. Underground mine power for phases two and three is estimated at an average of 23.9 kWh/t and 2.7 L/t for diesel consumption.
Estimated energy consumption for the Underground Project is summarized in Table 24-25.
| 24-41 | ![]() |
| Orla Mining Ltd. | Camino Rojo Project | March 18, 2026 |
| NI 43-101 Technical Report | SLR Project No.: 233.065118.00001 |
Table 24-25: Mining Power Consumption
| Year | Electrical Power (GWh) |
Diesel (ML) |
| Yr -2 | 44.2 | 2.8 |
| Yr -1 | 49.2 | 3.6 |
| Yr 1 | 51.3 | 5.2 |
| Yr 2 | 51.5 | 5.7 |
| Yr 3 | 51.7 | 6.8 |
| Yr 4 | 51.8 | 7.1 |
| Yr 5 | 53.4 | 7.1 |
| Yr 6 | 54.3 | 7.1 |
| Yr 7 | 53.5 | 7.2 |
| Yr 8 | 53.5 | 7.5 |
| Yr 9 | 50.6 | 7.1 |
| Yr 10 | 47.7 | 6.9 |
| Yr 11 | 45.7 | 6.4 |
| Yr 12 | 42.9 | 5.3 |
| Yr 13 | 41.9 | 4.7 |
| Yr 14 | 40.0 | 3.4 |
| Yr 15 | 36.3 | 2.8 |
| Yr 16 | 35.3 | 2.1 |
| Yr 17 | 35.3 | 1.8 |
| Total | 890.1 | 100.6 |
| 24.14.6.7 | Mine Personnel |
Cost estimates for Camino Rojo were completed based on two 12-hr shifts each day, every day of the year. The estimated labour quantities (mining and technical services) are illustrated in Figure 24-28.
| 24-42 | ![]() |
| Orla Mining Ltd. | Camino Rojo Project | March 18, 2026 |
| NI 43-101 Technical Report | SLR Project No.: 233.065118.00001 |
Figure 24-28: Total Monthly Mine Personnel Estimate
| 24.15 | Recovery Methods |
| 24.15.1 | Introduction |
The Sulphide deposit has five spatially distinct zones of metallurgical performance. These include cyanide leachable zones and refractory zones. These zones are defined as:
| · | Leachable |
| o | Transition (T) – transition material |
| o | Sulphide Leachable (S1a) – outside of the arsenic vein system with generally higher CIL gold extractions |
| · | Refractory |
| o | High Arsenic Low Organic Carbon (S2a) |
| o | High Arsenic High Organic Carbon (S2b) |
| o | Moderate/Variable Arsenic High Organic Carbon (S1b) |
The Transition and S1a domains are amenable to cyanidation and may potentially be processed in the existing heap leach and Merrill-Crowe Plant.
The S2a, S2b, and S1b domains are considered refractory and will require additional flotation and/or pressure oxidation for precious metal recovery. Due to cost and processing considerations, Orla has considered producing three distinct concentrates from these domains as the base case for this PEA.
| 24-43 | ![]() |
| Orla Mining Ltd. | Camino Rojo Project | March 18, 2026 |
| NI 43-101 Technical Report | SLR Project No.: 233.065118.00001 |
The flotation circuit flowsheet is designed to produce separate concentrates of gold, zinc, and pyrite through the use of sequential flotation. A pre-flotation step is included to remove organic carbon thereby reducing the consumption of reagent additions in the downstream flotation circuit.
| 24.15.2 | Process Design Criteria |
The latest mine plan developed for the Underground Project indicates a LOM of 17 years. This includes a phased ramp-up. In the first two years of pre-production, all mill feed will be stockpiled until the Processing Plant is constructed and commissioned. In Year 1 of production, the mill feed will be sustained at nameplate capacity of 8,000 tpd for the first 10 years.
The flotation circuit considers the removal of organic carbon in the first step of flotation sending the carbon concentrate produced directly to the tailings thickener. Subsequent flotation steps produce sequential concentrates of gold, zinc, and pyrite by selective flotation.
The key process design parameters are shown in Table 24-26.
Table 24-26: Process Design Criteria
| Description | Units | Value | ||
| Plant Design Capacity | tpd (dry) |
tph
(dry) |
8,000 | 362 |
| Crushing Plant Utilization | % | 75 | ||
| Processing Plant Utilization | % | 92 | ||
| Feed Specific Gravity | t/m3 | 2.62 | ||
| Moisture | % | 4 | ||
| ROM Granulometry F100 (F80) | mm | 550 (230) | ||
| Crushing Work Index (CWi) | kWh/t | 10.5 | ||
| Abrasion Index (Ai) | g | 0.143 | ||
| JK Parameter A x b | 34.4 | |||
| SPI | min | 118.1 | ||
| Ball Mill Work Index (BWi) | kWh/t | 15.7 | ||
| Recirculating load in the ball mill circuit | % | 145 | ||
| Product size (P80) | µm | 120 | ||
| Mine Feed Grade | ||||
| Gold content | g/t | 2.70 | ||
| Silver content | g/t | 11.46 | ||
| Zinc content | ppm | 3,892 | ||
| Flotation | ||||
| Carbon Pre Flotation - Mass Pull | % of feed | 1.5 – 3.7 | ||
| 24-44 | ![]() |
| Orla Mining Ltd. | Camino Rojo Project | March 18, 2026 |
| NI 43-101 Technical Report | SLR Project No.: 233.065118.00001 |
| Description | Units | Value |
| Gold Flotation – Mass Pull | % of feed | 1.5 – 1.6 |
| Zinc Flotation – Mass Pull | % of feed | 0.3 – 0.4 |
| Pyrite Flotation – Mass Pull | % of feed | 15 – 16 |
| Flotation Au Recovery | S2a, S2b and S1b | |
| 0 – 3.5 g/t | % | 0.96 x3 -15.345x2 + 69.888x - 1.4875 (where x = gold feed grade) |
| >3.5 g/t | % | 96.3 |
| Flotation Ag Recovery | ||
| 0 – 20 g/t | % | -0.27
x2 +10x (where x = silver feed grade) |
| >20 g/t | % | 93 |
| Concentrate Grades (calculated) | ||
| Au in Gold Concentrate | g/t | 62.8 |
| Zn in Zinc Concentrate | % | 52.5 |
| Au in Pyrite Concentrate | g/t | 10.54 |
| Concentrate Settling Rate | t/m2h | 0.11 |
| Concentrate Filtration Rate | kg/(m2 h) | 330 |
| Concentrate Moisture | % | 8 |
| Tailings Settling Rate | (t/h)/m2 | 0.79 |
| Tailings Thickener Underflow Density | % w/w | 57 |
| 24.15.3 | Process Design |
The process plant facility makes provisions for the following areas:
| · | Primary Crushing. |
| · | Coarse Ore Stockpile and Reclaim. |
| · | Primary and Secondary Grinding: with SAG mill open circuit with discharge pebble crushing, Ball mill in closed circuit with hydro-cyclones. |
| · | Carbon pre-flotation circuit including roughers and cleaners. |
| · | Gold flotation circuit including roughers, cleaners and concentrate thickening. |
| · | Zinc flotation circuit including roughers, cleaners and concentrate thickening. |
| · | Pyrite flotation circuit including roughers, cleaners and concentrate thickening. |
| · | Concentrates filtration. |
| · | Concentrate load-out and storage. |
| · | Tailings thickeners. |
| · | Reagents storage and distribution. |
| 24-45 | ![]() |
| Orla Mining Ltd. | Camino Rojo Project | March 18, 2026 |
| NI 43-101 Technical Report | SLR Project No.: 233.065118.00001 |
| · | Grinding media storage and addition. |
| · | Water services (including fresh, fire, gland and process water streams). |
| · | Potable water treatment and distribution. |
| · | Air services (including plant and instrument air) |
The flow diagram is shown in Figure 24-29.
| 24-46 | ![]() |
| Orla Mining Ltd. | Camino Rojo Project | March 18, 2026 |
| NI 43-101 Technical Report | SLR Project No.: 233.065118.00001 |
Figure 24-29: Process Flow Diagram

| 24-47 | ![]() |
| Orla Mining Ltd. | Camino Rojo Project | March 18, 2026 |
| NI 43-101 Technical Report | SLR Project No.: 233.065118.00001 |
| 24.15.3.1 | Primary Crushing |
The crushing circuit is designed to reduce ROM ore, with a moisture content of maximum 5% w/w and an F80 of 230 mm to feed the mill comminution circuit at a P80 of 150 mm.
ROM mill feed material is crushed by the primary jaw crusher with an installed power of 160 kW. Crushed mill feed is withdrawn from the discharge chutes using variable speed apron feeders and transferred to the crusher product sacrificial conveyor. The mill feed is transported to the stockpile feed conveyor which transports the crushed ore to the coarse ore stockpile.
| 24.15.3.2 | Coarse Ore Stockpile and Reclaim |
The coarse ore stockpile is designed to provide mill feed storage to the concentrator, and buffer between the crushing circuit and the concentrator to allow for maintenance of the crushing circuit without interrupting mill feed.
Coarse mill feed is reclaimed from the stockpile using apron feeders. Three feeders are installed with two feeders running and one on standby during operation. The combined product of the feeders discharges to a single grinding line feed. Each apron feeder is fitted with a variable-speed drive. Each feeder has the capacity to provide at least 50% of the full base case tonnage rate to the SAG mill.
| 24.15.3.3 | Primary Grinding and Pebble Crushing |
The primary grinding circuit is a single line consisting of a SAG mill with pebble crusher operating in an SABC mode. The SAG mill is approximately 26 ft inside diameter by 14 ft effective grinding length (EGL) with an installed power of 4.8 MW. SAG mill grinding media is added to the SAG mill feed conveyor via an automated rotary feeder and hopper arrangement. Ball storage and ball charging system is installed for the SAG mill. SAG discharge product is fed to a vibrating discharge screen with screen undersize fed to a cyclone cluster and screen oversize fed to the pebble crushing circuit. The pebble crusher will reduce SAG mill pebbles to a P80 of 13 mm using a cone crusher with the crushed product fed back to SAG mill feed.
| 24.15.3.4 | Secondary Grinding |
The secondary grinding circuit consists of a ball mill operating in a closed circuit with a cyclone cluster. The product from the grinding circuit (cyclone overflow) has a nominal particle size of 80% passing 120 µm.
The ball mill is approximately 18.5 ft diameter by 27.5 ft EGL with an installed power of 4.8 MW. The grinding circuit is equipped with a cyclone feed hopper and one variable-speed cyclone feed pump that transports slurry to the primary grinding cyclone cluster.
The ball mill operates in a closed circuit with the secondary grinding cyclone cluster. The cyclone underflow stream reports to the ball mill feed chute. The overflow from the cyclone cluster gravitates to a trash removal screen with screen undersize reporting to the carbon pre-flotation circuit.
| 24.15.3.5 | Carbon Pre-flotation |
Organic carbon is removed using a pre-flotation circuit with the intent of reducing downstream reagent additions and stabilizing froth in the following flotation circuits.
Flotation feed from the grinding circuit cyclone overflow gravitates to the carbon rougher conditioning tank, where MIBC frother is added. The conditioned slurry is processed in the flotation rougher and cleaning banks to produce a carbon concentrate which is sent directly to the plant tailings thickener.
| 24-48 | ![]() |
| Orla Mining Ltd. | Camino Rojo Project | March 18, 2026 |
| NI 43-101 Technical Report | SLR Project No.: 233.065118.00001 |
The flotation process consists of five 130 m3 tank cells for the rougher flotation followed by five 5 m3 cells for the cleaner flotation.
| 24.15.3.6 | Gold Flotation |
The tailings from the carbon flotation are transferred to the gold flotation circuit conditioning tank where flotation reagents including MIBC frother and 3418A collector are added. The conditioned slurry is then processed in the gold flotation rougher and cleaner cells to produce a concentrate containing fine gold.
The gold flotation process consists of four 70 m3 tank cells for the rougher flotation followed by three 1.5 m3 cells for the cleaner flotation.
| 24.15.3.7 | Zinc Flotation |
The tailings from gold flotation are transferred to the zinc flotation circuit to selectively recover zinc mineral. Quicklime is used to increase pulp pH and flotation reagents including CuSO4 activator, MIBC frother and SPIX collector are added to the zinc rougher conditioning tank. The conditioned slurry is processed in the zinc flotation roughing and cleaning banks to produce a zinc concentrate.
The zinc flotation process consists of four 70 m3 tank cells for the rougher’s flotation followed by three 1.5 m3 cells for the cleaner’s flotation.
| 24.15.3.8 | Pyrite Flotation |
The tailings from zinc flotation are treated downstream in the pyrite flotation circuit. Zinc flotation tailings report to a conditioning tank where quicklime is added to adjust pulp pH and flotation reagents including CuSO₄ activator, MIBC frother and SIPX collector are added. The conditioned slurry is treated in the flotation roughing and cleaning banks to produce and pyrite concentrate containing precious metals.
The pyrite flotation process consists of five 130 m3 tank cells for the rougher’s flotation followed by five 20 m3 cells for the cleaner’s flotation.
| 24.15.3.9 | Concentrate Thickening |
Three separate thickeners are used for dewatering the gold, zinc, and pyrite concentrates.
The gold concentrate from the gold flotation circuit is pumped to the dedicated gold concentrate thickener with a diameter of approximately 10 m, and the thickener underflow is then stored in the gold concentrate stock tank.
The concentrate obtained from the zinc flotation circuit is thickened in a dedicated zinc concentrate thickener of 5 m diameter, and the thickener underflow is stored in the zinc concentrate stock tank.
The concentrate from the pyrite flotation circuit is thickened in the dedicated pyrite concentrate thickener of 30 m diameter, and the thickener underflow is stored in the pyrite stock tank.
Flocculant is added to each of the thickener feed streams to enhance settling within the thickeners and improve thickener overflow clarity. The concentrate thickener overflows are used for process water requirements.
| 24-49 | ![]() |
| Orla Mining Ltd. | Camino Rojo Project | March 18, 2026 |
| NI 43-101 Technical Report | SLR Project No.: 233.065118.00001 |
| 24.15.3.10 | Concentrate Filtration, Storage and Load Out |
The gold thickener underflow is transferred from the gold concentrate stock tank to the gold concentrate filter feed tank and then to the gold concentrate pressure filter to reduce the moisture to between 9% and 10 % solids (w/w).
The zinc thickener underflow has its own dedicated zinc concentrate stock tank and concentrate filter feed tank. The gold concentrate pressure filter is also utilized to filter zinc concentrates as the filter utilization is low and quantities of these concentrates are also small. Therefore, these concentrates can be stored and filtered at scheduled intervals.
The pyrite thickener underflow is transferred from the pyrite concentrate stock tank to the pyrite concentrate filter feed tank which is then pumped to a dedicated pyrite horizontal pressure filter.
Gold concentrate filter cake produced is discharged directly into a bag since it is very valuable. Zinc concentrate is also bagged as it is small quantities are produced.
Pyrite concentrate filter cake discharges by gravity into a stockpile building. A front-end loader (FEL) is used to load it on road trucks. Handling of these pyrite concentrate requires specialized PPE due to the toxicity of the concentrates produced.
Road trucks are weighed on a weighbridge located at the main security gate prior to leaving the mine site.
| 24.15.3.11 | Tailings Thickener |
The tailings thickening circuit receives the carbon pre-float concentrate along with pyrite flotation tailings. The thickener is a conventional high-rate thickener of 30 m diameter which is transferred to the tailings thickener feed distributor.
| 24.15.3.12 | Reagents and Consumables |
Major process reagents and consumables are received and stored on site as either dry product or bulk liquids. Where required dedicated mixing, storage and dosing facilities are provided for each reagent. The following are the reagents required:
| · | MIBC Frother – for carbon pre-flotation, gold, zinc and pyrite flotation. |
| · | 3418A Collector – for gold flotation. |
| · | Copper Sulphate – for zinc flotation |
| · | Collector SIPX – for zinc and pyrite flotation. |
| · | Quicklime – for zinc and pyrite flotation. |
| · | Flocculant – setting aid to concentrate and tailings thickeners. |
| 24.15.3.13 | Utilities |
Water
Freshwater will be sourced from production wells located within the property boundary and pumped to the freshwater tank. From the storage tank, water is pumped around the plant for use in reagent mixing, slurry pump gland seals and to produce potable water.
The freshwater tank has a reserve for fire water and will also supply water to the water treatment plant to produce potable water.
| 24-50 | ![]() |
| Orla Mining Ltd. | Camino Rojo Project | March 18, 2026 |
| NI 43-101 Technical Report | SLR Project No.: 233.065118.00001 |
Process water will be stored in the process water tank for its distribution and use. The process water is sourced from the tailings thickener overflow, concentrate thickener overflows, pressure filter filtrate solutions and from the freshwater tank as required.
Air
Air compressors provide air service to the process plant. The plant air is dried using refrigeration dryer and stored in receivers to be distributed throughout the plant.
| 24.16 | Infrastructure |
| 24.16.1 | Paste Plant (Backfill) |
| 24.16.1.1 | Introduction |
The overall design contemplates pumping thickened tails (slurry) from the Processing Plan to the paste plant located centrally above the orebody between the ultimate pit limits and the planned Tailings Management Facility (TMF). At this location, tailings are further dewatered by filters followed by paste preparation including binder addition, mixing and slump control (rheology) and finally gravity distribution or paste pumping to the stopes.
Filtration will produce a filter cake that will either report to the paste mixer directly or to a radial stacking conveyor which allows for stockpiling of tailings (dry stack) next to the plant. While pressure filters have been included thus far, optimization and selection of filter equipment may include pressure or vacuum, to be completed in next stage. This stockpile creates buffer capacity for operational flexibility with TMF placement and is similarly advantageous for paste production if there is any delay or downtime with filtration or the upstream systems supplying thickened slurry. All tailings from the processing plant would be filtered and either 100% of the flow would be directed to produce paste for underground or 100% be directed to a radial stacking conveyor for placement on the TMF.
The centralized location of the paste plant relative to the ore being mined in each phase facilitates the lowest binder usage with lowest pumping requirement, while taking into consideration the potentially high cycle time requirements for longitudinal retreat mining. The proximity of the paste plant to the TMF similarly minimizes the material movement and rehandling costs associated with surface disposal of tailings.
The use of thickened tailings and filter cake reduces the total filter cake needed to produce a paste, since the cake will have low moisture relative to the paste, while thickened slurry contains additional solids and the moisture needed.
| 24.16.1.2 | System Description |
The paste backfill system is essentially comprised of three major elements:
| · | Dewatering by thickening (feed to paste plant) |
| · | Dewatering by filtering (next to the tailings management facility by pressure filters) |
| · | Paste mixing (with binder) followed by distribution by gravity boreholes and underground level piping distribution, that will include some ability for gravity flow, with a need for paste pumping or pump-assist gravity flow to reach zones farther from the plant. |
Slurry from the thickener will be stored in buffer tanks to improve feed control and to moderate density swings from the thickener while allowing for interruptions of up to eight hours or more, depending on final selected tank sizes (critical during underground production/stockpile interruptions, start-up, shutdown, production ramp up periods) or for extended maintenance.
| 24-51 | ![]() |
| Orla Mining Ltd. | Camino Rojo Project | March 18, 2026 |
| NI 43-101 Technical Report | SLR Project No.: 233.065118.00001 |
The thickener, with flocculant system and pumps will be built adjacent to the Processing Plant. Tailings will be received into the feed well expected to be 57 wt% underflow solids in a high-rate thickener while higher densities with improved technologies, pending on optimized testing, sizing and selection of a final thickener design. Thickened tailings underflow would be pumped via the buffer tank, and when backfilling, a partial flow will be directed to the filters as well as a partial flow directed to the mixer.
The key features of the paste plant are listed:
| · | Large, agitated tailings buffer tank at the paste plant |
| · | Slurry transfer pumps for transport to filters and backfill plant |
| · | 2 operating plus 1 redundant pressure filter |
| · | Reversing filter cake conveyor |
| · | Filter cake radial stacking conveyor |
| · | Live bottom feeder to receive either rehandled filter cake or direct feed from conveyor |
| · | Paste mixing system with cement/binder silos and binder feed system |
| · | Paste pump (one operating, no standby) |
| · | Underground paste boreholes and pipeline distribution system (UDS) |
| · | Typical services (power, compressed air, fresh water, laboratory, operator control enclosure, etc.) |
The paste plant flowsheet is illustrated in Figure 24-30.
| 24-52 | ![]() |
| Orla Mining Ltd. | Camino Rojo Project | March 18, 2026 |
| NI 43-101 Technical Report | SLR Project No.: 233.065118.00001 |
| Figure 24-30: | PEA Paste Plant Flowsheet |

| 24.16.1.3 | Mine Backfill |
Use of tailings as backfill immediately reduces the quantity of tailings on surface and cost for disposal while eliminating use of costly quarried borrow materials. Based on the PEA mine plan configuration, a theoretical split of 52% of the tailings can be stored within stoping voids alone.
Binder addition will be metered according to the prescribed amount for the stope being filled, as per mining/geotechnical engineer design requirements, taking into account the period required to mine against the stope.
The discharge from the mixed paste will be distributed underground by gravity, gravity-assist with pumping (extra head delivered by pump) or all by pumping, depending on the relative location of the paste plant to the area to be filled.
Based on the geometry of the orebody, the paste plant will be situated within 50 m of the west side of the existing open pit above the underground mining operation, where primarily gravity can be used. A paste pump will be required to deliver the optimized paste (at lowest binder consumption) relying on ranges of operating pressures.
| 24.16.2 | Tailings Management Facility |
The TMF has been designed to store and contain 50% to 60% of all tailings produced by the Processing Plant for the proposed underground mining operation.
As discussed in Section 24.16.1, filtered tailings will be delivered from the paste plant to a dedicated stacking/loadout area adjacent to TMF.
| 24-53 | ![]() |
| Orla Mining Ltd. | Camino Rojo Project | March 18, 2026 |
| NI 43-101 Technical Report | SLR Project No.: 233.065118.00001 |
The TMF will be built in three distinct phases:
| · | Cell 1: Initial Construction |
| · | Cell 2: Footprint expansion in Year 4 of operation |
| · | Cell 3: Footprint expansion in in Year 8 of operation |
The TMF, illustrated in Figure 24-31, contemplates a LOM footprint of approximately 600,000 m2 with a side slope of 4:1 reaching a total storage capacity of 11.7 Mm3 of tailings.
| 24-54 | ![]() |
| Orla Mining Ltd. | Camino Rojo Project | March 18, 2026 |
| NI 43-101 Technical Report | SLR Project No.: 233.065118.00001 |
| Figure 24-31: | Proposed TMF Layout |

| 24-55 | ![]() |
| Orla Mining Ltd. | Camino Rojo Project | March 18, 2026 |
| NI 43-101 Technical Report | SLR Project No.: 233.065118.00001 |
Other key TMF features include:
| · | Low perimeter containment berms (approximately 2 m high); |
| · | Lined footprint; |
| · | Dedicated tailings loadout area where filtered tailings will be delivered via conveyor and stacked for subsequent loading into haul trucks for delivery to TMF; and |
| · | Dedicated haul roads within the TMF to support equipment access over liner. |
Water Management
All contact water will be directed to an event pond that has been sized to accommodate the 200-year return period storm. The event pond will be excavated adjacent to the southeast corner of the TMF prior to start-up and sized for the full TMF footprint.
Excavated materials will be used in the preparation of the TMF footprint and to raise the foundation of the filtered tailings loadout area. Excess water from the lined event pond will be recirculated back to the paste plant tailings dewatering area and recycled for re-use in the mill.
TMF Closure
The tailings are assumed to be potentially acid generating; however, a lack of pyrrhotite suggests that any onset of sulphide weathering will be gradual and amenable to dry (filtered) stacking without need for additional mitigation during operation.
Additional geochemical characterization of the tailings will be required to support the next stages of design, operational protocols, and closure requirements.
It is anticipated that a closure cover will incorporate store and release and/or oxygen diffusion barrier elements using readily available borrow and overburden stripping from TMF and mine development. Progressive reclamation will be implemented as warranted.
| 24.16.3 | Power Line |
The current mine operation does not have sufficient capacity to service the new process facility and associated infrastructure power demand of approximately 36 MW, which is presented in Table 24-27.
Table 24-27: Estimated Power Requirements
| Area | Equipment Name | Peak Demand kW |
Average Power kW |
| Process Plant | LV and MV Loads | 15,103.8 | 12,083.0 |
| Paste Plant | 5,222.2 | 4,177.8 | |
| TMF | 1,111.1 | 888.9 | |
| Mining | 10,921.1 | 8,736.9 | |
| Infrastructure | 2,222.2 | 1,777.8 | |
| Contingency + Design Growth + Services | 3,458.0 | 2,766.4 | |
| Total Estimated Load | 38,038.5 | 30,430.8 |
| 24-56 | ![]() |
| Orla Mining Ltd. | Camino Rojo Project | March 18, 2026 |
| NI 43-101 Technical Report | SLR Project No.: 233.065118.00001 |
The surplus capacity of 4 MW that is currently available from the existing 34.5kV service can be considered for temporary construction power for the Underground Project subject to ongoing study requirements.
The PEA contemplates a new, 50-kilometre 115 kV power line constructed from the Concha del Oro substation to the mine site. Electrical infrastructure considered in the connection includes but is not limited to the following:
| · | Construction of an overhead Power Line (~50 km); |
| · | Site located stepdown transformers; |
| · | MV Switchgear (34.5 kV at Mine site); and |
| · | Tie-in to Supply Authority. |
A power study to trade-off alternative options is currently in progress.
| 24.17 | Market Studies and Contracts |
Over the last few years, the pyrite concentrate market has evolved significantly, shifting away from direct sales to Chinese smelters and toward international traders with dedicated blending operations.
The primary driver of this shift has been a change in Chinese customs policy. Previously, concentrates containing more than 15 g/t of gold—subject to certain minor-element thresholds—could be classified as gold concentrates and were therefore exempt from VAT (value-added tax). However, under the revised policy, gold concentrates exhibiting pyrite characteristics, such as elevated iron and sulphur, are now subject to a 13% VAT as well as a 1% penalty on the value of the imported material.
At the same time, rising precious-metal prices and the current extreme low treatment charges for copper concentrates have increased the attractiveness of gold-bearing pyrites within blending operations. As copper concentrates become increasingly complex on a global basis, blenders are seeking alternative materials to dilute impurity levels. Higher-value pyrites now provide an economic means of managing concentrate chemistry, while also creating a sales outlet for miners that have historically been excluded from Chinese or European smelters due to lower gold grades.
While policy outcomes remain difficult to predict, the structural tightness in the copper concentrate market is expected to persist in the near to medium term. Combined with strong precious-metal pricing, this should support sustained demand for low- to medium-grade pyrite within the blending market.
The QP has reviewed the relevant studies and analyses and believes the PEA incorporates payable assumptions and treatment terms consistent with current market conditions for comparable concentrates.
Orla intends to continue advancing concentrate market assessments and discussions in parallel with metallurgical optimization and trade-off studies in the next phase of studies.
| 24.18 | Environmental Studies, Permitting and Social or Community Impact |
Information on Environmental Studies, Permitting and Social or Community Impact can be found in Section 20.0 of this report.
| 24-57 | ![]() |
| Orla Mining Ltd. | Camino Rojo Project | March 18, 2026 |
| NI 43-101 Technical Report | SLR Project No.: 233.065118.00001 |
| 24.19 | Capital and Operating Costs |
| 24.19.1 | Overview |
The PEA cost estimates were developed with a target accuracy range of approximately ±30–40%, consistent with the AACE guidelines for Class 4 estimates.
This level of accuracy is based on the engineering maturity, design deliverables, and project definition completed during the PEA phase.
All costs are expressed in United States dollars unless otherwise stated and based on Q4 2025 pricing. An exchange rate of US$1:C$ 1.37 was used for all Canadian-based costs.
Total capital costs (Capex) inclusive of Direct and Indirects are summarized in Table 24-28 by major area. Capex distribution is illustrated in Figure 24-32 below.
All figures expressed in US$.
Table 24-28: Initial Capital Expenditure Summary
| Area | Values ($ million) |
| Processing Plant | 306.0 |
| Paste Plant (Initial CRF) | 5.8 |
| Tailings Management Facility | 6.2 |
| Mine Development | 203.2 |
| Contingency | 86.8 |
| Total Initial Capital Cost | 608.1 |
Figure 24-32: CAPEX Distribution

| 24-58 | ![]() |
| Orla Mining Ltd. | Camino Rojo Project | March 18, 2026 |
| NI 43-101 Technical Report | SLR Project No.: 233.065118.00001 |
| 24.19.2 | Capital Costs |
| 24.19.2.1 | Mining |
The underground mining capital costs were estimated using a combination of first-principles calculations, budgetary quotations from the mining contractors, experience, and factored costs to regional jurisdiction.
The costs were developed based on a contractor operating scenario for all development and production activities.
The mining cost estimate was based on the following:
| · | Budgetary contractor equipment rental rates for primary and ancillary equipment |
| · | Budgetary quotes for labour rates from mining contractors for development and production |
| · | Macro assumptions provided by Orla Mining, including: |
| o | Project Management and Technical Service labour rates; |
| o | Diesel fuel price of $1.20/L; and |
| o | Electrical power price of $0.14/kWh. |
The contractor will provide all mining labour, equipment and supplies except technical services, site management, fuel, and electric power, which will be provided by the Owner. The estimated rental rates were applied to each unit in the contractor’s equipment fleet required on site during mine development / production on an annual basis regardless of equipment utilization.
Lateral development and production mining consumable costs were estimated from first principles. All-in vertical development was based on contractor budgetary estimates.
The underground mining cost model provides first principles estimate of the costs associated with accessing the Camino Rojo orebody and setting up a long-hole and cut and fill mining operation. Costing has been constructed based on physicals output from the mining schedule.
Table 24-29: Mining Cost Summary (US$)
| Capital Cost Description | Initial ($ million) |
~ $/m |
| Underground Development - Lateral | 49.9 | 6,077 |
| Underground Development - Vertical | 7.2 | 7,334 |
| Underground Fixed Plant Equipment | 2.2 | |
| Underground Mining Equipment - Rental | 22.1 | |
| Underground Mine Infrastructure | 9.8 | |
| Capitalized Operating Expenses | ||
| Underground Development - Operating Lateral | 86.1 | 4,259 |
| Production | 16.1 | |
| G&A | 7.8 | |
| Surface Haulage | 2.0 | |
| Sub Total (excluding contingency) | 203.20 |
| 24-59 | ![]() |
| Orla Mining Ltd. | Camino Rojo Project | March 18, 2026 |
| NI 43-101 Technical Report | SLR Project No.: 233.065118.00001 |
| 24.19.2.2 | Processing Plant |
Cost estimating for the Processing Plant primarily focuses on the mechanical equipment list (MEL). The MEL was priced through vendor inquiries wherever possible.
Approximately 93% of the mechanical equipment pricing was obtained directly from US vendors. The remaining unpriced items were sourced from an internal estimating database and represented approximately 7% of total equipment value. Consequently, the overall accuracy of the mechanical equipment pricing is considered high.
Sizing, quantities and key cost inputs were collated from multiple sources, including:
| · | Metallurgical test work results; |
| · | Supplier budget quotations; |
| · | Benchmark and historical cost data; and |
| · | First-principles calculations for key consumables, including grinding media and reagents. |
Installation costs for the MEL were developed based on estimating experience and historical productivity data. Installation labour-hours were based on productivity factors typical of regional greenfield execution projects and local site constraints and weather conditions.
Total Installation Cost (TIC) by major area is summarized in Table 24-30.
Table 24-30: Mechanical Equipment List (Installed) Summary
| Mechanical Equipment | TIC ($ million) |
| Primary Crushing | 7.8 |
| Secondary Crushing | 1.6 |
| Primary Grinding | 11.4 |
| Concentrate Regrinding | 8.2 |
| Flotation-Carbon | 0.6 |
| Flotation-Gold | 4.6 |
| Flotation-Zinc | 2.7 |
| Flotation-Pyrite | 10.4 |
| Lime & Reagents | 2.7 |
| Tailings | 1.3 |
| Utilities | 2.5 |
| Total Install MEL | 53.7 |
Infrastructure including buildings and electrical equipment were estimated based on size and design requirements.
| 24-60 | ![]() |
| Orla Mining Ltd. | Camino Rojo Project | March 18, 2026 |
| NI 43-101 Technical Report | SLR Project No.: 233.065118.00001 |
Table 24-31: Infrastructure Summary
| Infrastructure | Method | Total ($ million) |
| Buildings | Estimated | 23.4 |
| Powerline | Estimated | 12.0 |
| Main Substation | Estimated | 24.0 |
| Utility Tie-Ins | Estimated | 10.3 |
| Total | 69.7 |
The balance of the Processing Plant estimate involved factoring of discipline commodities and/or project Indirects based on projects similar in size and location. Factors and costs are summarized in Table 24-32 and Table 24-33 respectively.
Table 24-32: Discipline Factor Summary
| Commodity | Factor | Total ($ million) |
| Earthworks and Civil | 20% | 10.7 |
| Detail Earthworks | 8% | 4.3 |
| Concrete | 18% | 9.7 |
| Structural Steel | 25% | 13.4 |
| Piping | 22% | 11.8 |
| Insulation and Protection | 1% | 0.5 |
| Electrical | 22% | 11.8 |
| Instrumentation | 10% | 5.4 |
| Total | 67.7 |
Table 24-33: Indirect Factor Summary
| Project Indirects | Range | Total ($ million) |
| Contractor Indirects | 45%–50% | 39.5 |
| Project Indirects (Various) | 1.5%–5% | 13.0 |
| Freight & Transport | 8% | 4.0 |
| EPCM | 15% | 30.4 |
| Owner's Cost | 15% | 28.1 |
| Total | 115 |
| 24.19.2.3 | Paste Backfill Plant |
The paste backfill plant was estimated primarily based on historical data and experience for similar sized plants in similar climates and mining development projects.
| 24-61 | ![]() |
| Orla Mining Ltd. | Camino Rojo Project | March 18, 2026 |
| NI 43-101 Technical Report | SLR Project No.: 233.065118.00001 |
As tailings backfill is not required immediately in Year 1 of Operations due to the use of cemented rockfill, a phased expansion is proposed to progressively support mine development and to defer non-prioritized construction until after the initial capital phase. The paste backfill plant will scale according to mine backfill needs over a two-to-three-year time period until such time the mine reaches maximum production target rates.
Final filtration for tailings storage (dry stack) is expected to be managed through the Paste Plant, and pressure filter plants are included in Sustaining capital costs.
Table 24-34: Paste Plant Cost (Phase 1)
| Area | Total
Installed Cost ($ million) |
| Clean Water/Return Water Tanks, Pumps | 1.2 |
| Binder Storage and Dosage System | 3.0 |
| Miscellaneous Equipment (compressor, oil separator, driers, monorails, sump pumps) | 1.0 |
| Capitalized Operating Expenditure | 0.5 |
| Total Installed Cost (Phase 1) | 5.8 |
| 24.19.2.4 | Tailings Management Facility |
The estimate for the TMF was based on materials balances and footprint dimensions necessary to accommodate the LOM projections of dry stack tails received from the Paste Plant, approximately 19 Mt.
Phase 1 (Cell 1) of construction will account for 50% of the total footprint necessary (approximately 300,000 m2). The footprint will be expanded in Year 4 and Year 8 aligned with expected plant production volumes.
Table 24-35: TMF (Phase 1/Cell1)
| TMF Area | Total ($ 000) |
| Stripping/Stockpiling Organics and Topsoil | 197 |
| Cut-fill / Grading TMF | 709 |
| TMF Perimeter Containment | 16 |
| TMF Cell 1 Liner | 3,375 |
| TMF Cell 1 Equipment Access Roads | 349 |
| Filtered stack underdrain system | 188 |
| Tailings Temp Storage Foundation Prep | 736 |
| Event Pond | 632 |
| Total | 6,203 |
| 24-62 | ![]() |
| Orla Mining Ltd. | Camino Rojo Project | March 18, 2026 |
| NI 43-101 Technical Report | SLR Project No.: 233.065118.00001 |
| 24.19.2.5 | Contingency |
Contingency was included in this Capex estimate to cover “in scope” work as described in this Report, but which cannot be adequately defined at this time due to lack of accurate detailed design information.
Contingency covers uncertainty in the estimated quantities, unit prices for labour, equipment and materials included in the scope of work.
Consistent with a Class 4 estimate, growth and provisional allowances have been considered and included throughout the estimate, and then an overall contingency averaging 17% of the total initial capital cost has been applied across the entire estimate. The contingency for the Processing Plant, which represents 50% of the total initial direct capital costs, was set at 25%.
| 24.19.2.6 | Exclusions |
The Capex excludes the following:
| · | Escalation; |
| · | Capitalized interest during construction; |
| · | Finance Cost; |
| · | Associated Permitting Costs; |
| · | Property taxes, corporate and mining taxes, duties; |
| · | Sunk costs and/or future study costs; and |
| · | Salvage values. |
| 24.19.3 | Operating Costs |
Operating costs were derived from a combination of first principle calculations with an in-house equipment database for all major and supporting equipment operating parameters, and include fuel, consumables, labour ratios, power and general parts costs.
A summary of all operating cost is summarized in Table 24-36.
Table 24-36: Operating Cost Summary
| Operating Cost | LOM
Costs ($ million) |
LOM
Costs ($/t Processed) |
| UG Mining | 1,767.1 | 47.51 |
| Processing Plant | 417.6 | 11.23 |
| Paste Plant | 226.4 | 6.09 |
| TMF | 19.0 | 0.51 |
| G&A | 202.0 | 5.43 |
| Total Operating Costs | 2,632.2 | 70.77 |
| AISC (All-In Sustaining Costs) | 3,325.1 | 89.40 |
| 24-63 | ![]() |
| Orla Mining Ltd. | Camino Rojo Project | March 18, 2026 |
| NI 43-101 Technical Report | SLR Project No.: 233.065118.00001 |
| 24.19.3.1 | Mining Operating Costs |
Mine operating costs were derived from a combination of first principle calculations with an in-house equipment database for all major and supporting equipment operating parameters, and include fuel, consumables, labour ratios, and general parts costs.
Annual resource tonnes, waste tonnes and, loading and hauling hours were calculated based on the capacities of the loading and hauling fleet. These tonnes and hours provide the basis for drilling, blasting, and support fleet inputs.
Based on the tonnes scheduled, a requirement for production drilling hours is calculated based on hole size and pattern, bench height, material density and penetration rate of the drill.
Fleet requirements for loading, hauling and support are derived from the loading and hauling operating hours. Operating hours are estimated to derive the support fleet requirements.
The mine operating cost is summarized in Table 24-37 and averages $47.5/t mined over the 17 year mine life.
Table 24-37: Mine Operating Costs
| Operating Cost Description | Y1
– Y17 ($ million) |
Y1
– Y17 ($/t mined) |
Y1
– Y17 ($/m) |
| Underground Development - Operating | 394.86 | 10.6 | 3,482 |
| Production | 1,265.01 | 34.0 | |
| G&A | 73.52 | 2.0 | |
| Other - Surface Haulage (Ore & Waste) | 31.57 | 0.9 | |
| Rehandling | 1.16 | 0.03 | |
| Sub Total | 1,767.11 | 47.5 | 3,482 |
| 24.19.3.2 | Process Plant Operating Costs |
Process Plant operating costs were developed from first principles based on metallurgical test work and similar flowsheets.
The consumables pricings for the process plant were based on a combination of current prices sourced from vendor’s, recent prices, and specialized third-party advisors.
Table 24-38: Process Plant Operating Costs
| Process Area | LOM
Costs ($ million) |
LOM
Costs ($/t Processed) |
| Reagents Costs | 227.5 | 6.12 |
| Electrical Energy | 110.3 | 2.97 |
| Maintenance | 29.0 | 0.78 |
| Liners | 22.3 | 0.60 |
| Grinding Media | 14.3 | 0.39 |
| Labour | 13.9 | 0.38 |
| Total | 417.6 | 11.23 |
| 24-64 | ![]() |
| Orla Mining Ltd. | Camino Rojo Project | March 18, 2026 |
| NI 43-101 Technical Report | SLR Project No.: 233.065118.00001 |
| 24.19.3.3 | Paste Plant Operating Costs |
Paste Plant operating costs, presented in Table 24-39, considered integration with tailings dewatering and dry stack filtration systems, including:
| · | Thickener type and calculated feed density to filters; |
| · | Ease of operating and maintenance, flexibility and simplicity of the system; and |
| · | Environmental benefit of integrated dewatering systems, including power, dusting and water as well as progressive closure. |
Table 24-39: Paste Plant Operating Costs
| Paste Plant Area | LOM
Costs ($ million) |
LOM
Costs ($/t Processed) |
| Binder | 156.9 | 4.22 |
| Surface and UG Labour | 5.6 | 0.15 |
| Surface and UG Equipment | 22.4 | 0.60 |
| Pipeline Maintenance | 2.2 | 0.06 |
| Barricades | 7.8 | 0.21 |
| Power and Plant Maintenance: | 31.3 | 0.84 |
| Total | 226.4 | 6.09 |
| 24.19.4 | Sustaining Costs |
Sustaining capital over the LOM is estimated at $489.0 million, primarily related to ongoing underground mine development and paste backfill infrastructure, with an additional $30.0 million allocated for closure and rehabilitation costs.
Paste Plant expansion in Year 1 and Year 2 of operations accounts for filtration plant and thickening pumps required for tailings dry stack delivery to the TMF and includes mixing plant and expanding the delivery infrastructure (i.e., bore holes and underground piping) to supply paste backfill to the underground mining operation.
TMF sustaining cost include the expansion of the footprint and storage capacity (Cell 2 and Cell 3) in Years 4 and 8, respectively.
Combined sustaining costs are summarized in Table 24-40.
Table 24-40: Sustaining Capital Cost Summary
| Sustaining Capital Costs | LOM
Costs ($ million) |
LOM
Costs ($/t Processed) |
| Processing Plant | 64.5 | 1.73 |
| Paste Plant | 71.1 | 1.91 |
| Tailing Management Facility | 9.2 | 0.25 |
| Mine Development | 344.2 | 9.25 |
| Total Sustaining Cost | 489.0 | 13.15 |
| Closure and Rehabilitation | 30.0 |
| 24-65 | ![]() |
| Orla Mining Ltd. | Camino Rojo Project | March 18, 2026 |
| NI 43-101 Technical Report | SLR Project No.: 233.065118.00001 |
| 24.20 | Economic Analysis |
| 24.20.1 | Summary |
The PEA is preliminary in nature; it includes Inferred Mineral Resources that are considered too speculative geologically to have economic considerations applied to them that would enable them to be categorized as Mineral Reserves, and there is no certainty that the preliminary economic assessment will be realized. Mineral Resources that are not Mineral Reserves do not have demonstrated economic viability. The PEA has been completed independent of the Camino Rojo open pit project and is treated as a completely separate development project.
Set out in the remainder of this section are the basis for the PEA as well as the qualifications and assumptions made by the QP.
The economic analysis of the PEA focuses on the entirety of the viable Mineral Resources that will yield optimal returns by way of an underground mining expansion.
The economic analysis has been conducted using one set of macro-economic forecasts. The relevant production and financial metrics for the base case are presented below in Table 24-41.
Table 24-41: Summary Metrics
| Area | Metric | Units | Base Case |
| Production | Mineable Inventory | Mt | 37,196 |
| Throughput | tpd | 8,000 | |
| Total Au Conc | 000 tonnes | 506 | |
| Total Zn Conc | 000 tonnes | 110 | |
| Total Py Conc | 000 tonnes | 4,870 | |
| Total Payables Au | koz | 2,478 | |
| Total Payables Ag | koz | 8,404 | |
| Total Payables Zn | 000 lb | 91,870 | |
| Tailings | 000 tonnes | 31,710 | |
| Grade AuEq | g/t | 2.19 | |
| Revenue & OPEX | Gross Revenue | $/t mined | 217.70 |
| NSR | $/t mined | 205.93 | |
| Total Site OPEX | $/t mined | 70.77 | |
| Royalties | $/t mined | 4.12 | |
| Total Cash Costs | $/oz Au | 1,067.50 | |
| CAPEX | Initial Capital | $ million | 608 |
| Total Investment (incl Closure) | $ million | 1,127 | |
| Net AISC (oz Au) | $/oz Au | 1,339 | |
| 24-66 | ![]() |
| Orla Mining Ltd. | Camino Rojo Project | March 18, 2026 |
| NI 43-101 Technical Report | SLR Project No.: 233.065118.00001 |
| Area | Metric | Units | Base Case |
| Returns | Annual Post-Tax Operating CF (10 years) | $ million per year | 213 |
| Post-Tax NPV (0%) | $ million | 3,747 | |
| Post-Tax NPV (5%) | $ million | 1,272 | |
| Post-Tax IRR | % | 30.2 | |
| Post-Tax Payback | years | 3.2 | |
| Pre-Tax NPV | $ million | 2,345 | |
| Pre-Tax IRR | % | 47.7 | |
| Pre-Tax Payback | years | 2.0 |
|
Notes; 1. Neither of C1 cash costs or all-in sustaining costs (“AISC”) have a standardized meaning under IFRS. 2. Gold equivalencies were determined using total contained and payable metals and the respective ratio of metals prices. 3. Evaluation includes financial impacts of existing royalties but does not include the financial impact of any upfront payments for which there is uncertainty regarding the exact timing of future payments. See the Company’s Q4 2025 Financial Statements and MD&A available on SEDAR for additional details regarding any Royalties. 4. Total investment includes initial capital & sustaining capital, operating and closure costs. |
| 24.20.2 | Macro-Economic Assumptions |
The Base Case macro-economic forecast assumes a flat pricing scenario that has been largely establish from long term consensus estimates of North American equity analysts and in discussion with Orla Mining’s strategic metal forecast.
In the event the Underground Project is financed and approved for construction in the near term, there is a reasonable possibility that the Underground Project would benefit from the supply-demand and geo-political factors discussed in Section 24.17
Table 24-42 summarizes the macro-economic forecast.
Table 24-42: Macro-Economic Assumptions
| Item | Units | Price | |
| Au | $/oz | 3,100 | |
| Ag | $/oz | 37.50 | |
| Zn | $/lb | 1.20 | |
| Au Concentrate | |||
| Au Conc TC | $/t conc | 40 | |
| Au Payable | % | 97 | |
| Ag Payable | % | 90 | |
| Zn Concentrate | |||
| Zn Conc TC | $/t | 180 | |
| Au Payable | % | 70 | |
| Ag Payable | % | 70 | |
| 24-67 | ![]() |
| Orla Mining Ltd. | Camino Rojo Project | March 18, 2026 |
| NI 43-101 Technical Report | SLR Project No.: 233.065118.00001 |
| Item | Units | Price | |
| Zn Payable | % | 85 | |
| Pyrite Concentrate | |||
| Py Conc TC | $/t | 0 | |
| Au Payable | % | 85 | |
| Ag Payable | % | 80 | |
| Note: TC Treatment Charges |
|||
| 24.20.3 | Operational Performance |
Key performance and operating assumptions include the following:
| · | This underground design has been limited to a sub-set of mineralization. The optimal method for mining the incremental material was determined before it will be subsequently added to the mine plan. |
| · | A stand-alone process plant consisting of three sequential flotation circuits will be operated following the existing open pit operation to recover gold, silver, and zinc from sulphide resources. |
| · | The flotation circuits will treat the three main types of sulphide mineralization in metallurgically aligned campaigns over the course of any given year. |
| · | The sulphide mill would achieve nameplate throughput of 8,000 tpd in the first year of operation. |
| · | Closure costs include costs typically associated with stand-alone underground mines upon completion of operations. |
| 24.20.4 | Metallurgical Recovery |
Geo-metallurgical modelling of the Camino Rojo resource identified six domains captured into three categories: Non-Refractory, Refractory, and Zone 22.
| · | Non-Refractory (Caracol) |
| · | Transition (T) |
| · | Sulphide (S1a) |
| · | Refractory (Caracol) |
| · | Higher Arsenic Low Carbon (S2a) |
| · | High Arsenic High Carbon (S2b) |
| · | Variable Arsenic High Carbon (S1b) |
| · | Zone 22 (S22) |
Refractory zones represent approximately 80% of the tonnage and the material is not amendable to direct cyanidation.
| 24-68 | ![]() |
| Orla Mining Ltd. | Camino Rojo Project | March 18, 2026 |
| NI 43-101 Technical Report | SLR Project No.: 233.065118.00001 |
The resource was separated by three metallurgical mathematical equations (Bins), stockpiled and feed to the process plant in campaigns prioritized by value in order to produce the three concentrates.
Figure 24-33: Bin Classification
The mathematical equations used to model metallurgical recovery in concentrates were extrapolated from historical analysis of concentrate data.
Table 24-43: Concentrate Grade Assumptions
| Geomet Zones | Au Conc | Zn Conc | Pyrite Conc | ||||
| Au (g/t) | Ag (g/t) | Au (g/t) | Ag (g/t) | Zn (%) | Au (g/t) | Ag (g/t) | |
| S2a | 40.1 | 35.5 | 3.4 | 18.8 | 45.2 | 45.8 | 31.2 |
| S2b | 33.7 | 51.2 | 3.1 | 8.0 | 32.8 | 51.3 | 16.1 |
| S1b | 33.7 | 51.2 | 3.1 | 8.0 | 32.8 | 51.3 | 16.1 |
| T | - | - | - | - | - | 80.0 | 52.0 |
| S1a | - | - | - | - | - | 85.0 | 60.0 |
| Zone 22 | 50.0 | 50.0 | 20.0 | 5.0 | 90.0 | 10.0 | 15.0 |
| 24.20.5 | Royalties and Payments |
A 3% royalty has been applied to all underground resources in accordance with Orla’s current agreements and contractual obligations. This is inclusive of the 1% Mexico Extraordinary Mining Duty on Gold and Silver.
| 24.20.6 | Financial |
NPV is reported using a discount rate of 5%, which reflects that in excess of 94% of gross revenue is generated from saleable gold in concentrate.
NPV is expressed in real, February 2026 terms. The start date for discounting is the commencement of project construction (Year -2).
It is expected that no material expenditures will be made prior to this date.
The base case economic analysis assumed constant prices with no inflationary adjustments. Capital and operating costs were expressed in Q4 2025 US dollars.
| 24.20.7 | Taxes |
Results were calculated on a post-tax basis, incorporating the current Mexican fiscal policy.
Taxes included in the economic evaluation are the Mexico federal income tax (30%), special mining duty (8.5%) and Mexico Extraordinary Mining Duty on Gold and Silver (1%) as discussed in section 24.20.5 Royalties and Payments.
| 24-69 | ![]() |
| Orla Mining Ltd. | Camino Rojo Project | March 18, 2026 |
| NI 43-101 Technical Report | SLR Project No.: 233.065118.00001 |
Depreciation schedules based on current depreciable balances and yearly capital additions were used to model tax depreciation for construction, development and equipment cost pools.
The undiscounted effective tax rate (as a percentage of non-GAAP free cash flow before tax) was ~17.5% for the Underground Project, processing plant and associated infrastructure.
The tax model was completed at the project level, which has the Underground Project as a stand-alone operating asset.
| 24.20.8 | Closure |
The Base Case assumes a nominal closure cost based on input from Orla’s existing Operations.
No salvage value of assets was factored into the economic model.
| 24.20.9 | Base Case Results |
Table 24-44 and Table 24-45 summarize the feed of the mined resource (BIN types prioritized by NSR) to the process plants.
Table 24-46 then illustrates LOM production, payable production and cash flow that would result under the Base Case macro-economic scenario.
Table 24-44: Process Plant Feed (Years 1–10)
| Item | Units | Total (Y1-10) |
Y1 | Y2 | Y3 | Y4 | Y5 | Y6 | Y7 | Y8 | Y9 | Y10 |
| Bin1 - Processed | ‘000 t | 23,473 | 2,606 | 1,855 | 2,387 | 2,623 | 2,518 | 2,400 | 2,555 | 2,352 | 2,156 | 2,021 |
| Grade - Au | g/t | 2.63 | 2.47 | 2.52 | 2.64 | 2.42 | 2.70 | 2.77 | 2.73 | 2.62 | 2.70 | 2.69 |
| Grade - Ag | g/t | 11.92 | 11.56 | 13.27 | 12.15 | 11.77 | 11.73 | 11.08 | 12.34 | 11.08 | 12.35 | 12.30 |
| Grade - Zn | % | 38 | 38 | 41 | 37 | 37 | 36 | 35 | 39 | 36 | 43 | 39 |
| Bin2 - Processed | ‘000 t | 4,292 | 314 | 769 | 504 | 297 | 402 | 520 | 365 | 359 | 353 | 409 |
| Grade - Au | g/t | 2.96 | 2.61 | 2.84 | 2.80 | 2.83 | 3.16 | 2.96 | 2.90 | 3.09 | 3.34 | 3.15 |
| Grade - Ag | g/t | 12.04 | 11.10 | 13.07 | 15.13 | 13.11 | 11.72 | 10.20 | 10.22 | 10.47 | 13.91 | 10.34 |
| Grade - Zn | % | 37 | 37 | 39 | 42 | 39 | 35 | 32 | 33 | 37 | 41 | 31 |
| Bin3 - Processed | ‘000 t | 1,176 | - | 20 | 7 | - | - | - | - | 422 | 260 | 467 |
| Grade - Au | g/t | 2.25 | - | 2.17 | 2.24 | - | - | - | - | 2.46 | 2.18 | 2.10 |
| Grade - Ag | g/t | 11.21 | - | 10.21 | 10.50 | - | - | - | - | 13.23 | 9.13 | 10.60 |
| Grade - Zn | % | 44 | 33 | 38 | 47 | 41 | 44 |
| 24-70 | ![]() |
| Orla Mining Ltd. | Camino Rojo Project | March 18, 2026 |
| NI 43-101 Technical Report | SLR Project No.: 233.065118.00001 |
Table 24-45: Process Plant Feed (Years 11–17)
| Item | Units | Total (Y11-Y17) |
Y11 | Y12 | Y13 | Y14 | Y15 | Y16 | Y17 |
| Bin1 - Processed | ‘000 t | 5,896 | 1,676 | 1,316 | 1,176 | 925 | 577 | 202 | 24 |
| Grade - Au | g/t | 2.95 | 2.90 | 2.95 | 2.88 | 3.14 | 3.02 | 3.27 | 2.22 |
| Grade - Ag | g/t | 10.30 | 11.06 | 10.01 | 10.31 | 11.06 | 8.51 | 8.80 | 9.17 |
| Grade - Zn | % | 29 | 35 | 28 | 30 | 27 | 19 | 29 | 31 |
| Bin2 - Processed | ‘000 t | 635 | 175 | 216 | 218 | 26 | - | - | - |
| Grade - Au | g/t | 3.02 | 2.91 | 3.05 | 3.00 | 3.55 | |||
| Grade - Ag | g/t | 11.06 | 10.18 | 11.27 | 12.04 | 6.92 | |||
| Grade - Zn | % | 39 | 33 | 40 | 44 | 40 | |||
| Bin3 - Processed | ‘000 t | 1,724 | 563 | 381 | 338 | 181 | 173 | 89 | - |
| Grade - Au | g/t | 2.26 | 2.34 | 2.27 | 2.26 | 2.18 | 2.23 | 2.00 | |
| Grade - Ag | g/t | 7.89 | 9.88 | 5.73 | 7.93 | 10.32 | 6.96 | 1.32 | |
| Grade - Zn | % | 87 | 87 | 96 | 89 | 103 | 84 | 19 |
The following is highlighted:
| · | The peak funding requirement is $571.8 million. |
| · | Paste Plant and TMF are expanded to suite Operations totalling $65.8 million including in sustaining capital. |
| · | The mine plan targets highest grades from the outset and the plant is feed based on stockpile value at the time of production. |
| · | The process feed will average 2.87 g/t AuEq of the LOM (3.03 g/t AuEq from 5 years onward), leading to cash positive operations from the outset and payback within 38 months (post-tax). |
| · | Payable output averages 228 koz per annum AuEq over the first 10 years and totals 2,615 Moz AuEq over the LOM. |
Table 24-46 provides a detailed tabulation of production and cash flow for the Base Case.
| 24-71 | ![]() |
| Orla Mining Ltd. | Camino Rojo Project | March 18, 2026 |
| NI 43-101 Technical Report | SLR Project No.: 233.065118.00001 |
Table 24-46: Detailed Metrics
| Item | Units | Total | PreProd | Yr1 | Yr2 | Yr3 | Yr4 | Yr5 | Yr6 | Yr7 | Yr8 | Yr9 | Yr10 | Yr11 | Yr12 | Yr13 | Yr14 | Yr15 | Yr16 | Yr17 | Yr18 |
| Ore Processed | kt | 37,196 | 2,920 | 2,644 | 2,898 | 2,920 | 2,920 | 2,920 | 2,920 | 3,132 | 2,768 | 2,897 | 2,414 | 1,913 | 1,732 | 1,132 | 749 | 291 | 24 | 0 | |
| Gold Concentrate | kt | 506 | 40.8 | 29.3 | 37.5 | 41.0 | 39.4 | 37.5 | 40.0 | 43.5 | 37.9 | 39.1 | 35.2 | 26.7 | 23.8 | 17.4 | 11.8 | 4.6 | 0.4 | 0.0 | |
| Zinc Concentrate | kt | 110 | 6.9 | 5.5 | 6.3 | 6.9 | 6.5 | 6.0 | 7.0 | 9.4 | 8.4 | 9.1 | 12.5 | 8.9 | 7.7 | 5.0 | 3.3 | 0.7 | 0.1 | 0.0 | |
| Py Concentrate | kt | 4,870 | 380.9 | 379.9 | 375.7 | 403.4 | 390.5 | 394.4 | 388.6 | 395.2 | 379.0 | 387.7 | 276.2 | 224.4 | 218.4 | 151.4 | 92.3 | 29.9 | 2.1 | 0.0 | |
| Payable Au | koz | 2,478 | 181.2 | 167.5 | 191.3 | 179.8 | 200.8 | 202.3 | 200.6 | 204.5 | 186.4 | 188.8 | 164.4 | 132.5 | 117.6 | 84.6 | 53.1 | 20.8 | 1.4 | 0.0 | |
| Payable Ag | koz | 8,404 | 676.1 | 653.4 | 710.6 | 697.8 | 680.7 | 626.8 | 709.2 | 696.8 | 664.4 | 667.0 | 513.4 | 348.7 | 338.2 | 251.6 | 125.4 | 39.2 | 46 | 0.0 | |
| Payable Zn | Mlbs | 92 | 5.8 | 4.6 | 5.2 | 5.8 | 5.4 | 5.0 | 5.9 | 7.9 | 7.0 | 7.6 | 10.4 | 7.4 | 6.4 | 4.2 | 2.7 | 0.6 | 0.0 | 0.0 | |
| Gross Revenue | |||||||||||||||||||||
| Gold Concentrate | $ M | $3,252 | $239 | $177 | $235 | $236 | $252 | $244 | $259 | $281 | $244 | $252 | $245 | $184 | $162 | $126 | $82 | $33 | $2 | $0 | |
| Zinc Concentrate | $ M | $400 | $23 | $18 | $23 | $23 | $24 | $23 | $25 | $39 | $31 | $37 | $42 | $30 | $26 | $18 | $13 | $5 | $0 | $0 | |
| Py Concentrate | $ M | $4,453 | $332 | $354 | $369 | $331 | $379 | $390 | $372 | $350 | $336 | $331 | $254 | $218 | $196 | $133 | $77 | $29 | $2 | $0 | |
| Total | $ M | $8,106 | $594 | $549 | $626 | $590 | $654 | $657 | $655 | $670 | $611 | $619 | $541 | $433 | $385 | $277 | $172 | $67 | $4 | $0 | |
| Treatment & Refining | |||||||||||||||||||||
| Gold Concentrate | $ M | $110 | $9 | $6 | $8 | $9 | $9 | $8 | $9 | $9 | $8 | $8 | $8 | $6 | $5 | $4 | $3 | $1 | $0 | $0 | |
| Zinc Concentrate | $ M | $26 | $2 | $1 | $2 | $2 | $2 | $1 | $2 | $2 | $2 | $2 | $3 | $2 | $2 | $1 | $1 | $0 | $0 | $0 | |
| Py Concentrate | $ M | $302 | $24 | $24 | $23 | $25 | $24 | $25 | $24 | $24 | $23 | $24 | $17 | $14 | $14 | $9 | $6 | $2 | $0 | $0 | |
| Total | $ M | $438 | $34 | $31 | $33 | $35 | $34 | $34 | $34 | $36 | $34 | $35 | $28 | $22 | $21 | $14 | $9 | $3 | $0 | $0 | |
| Net Smelter Return | $ M | 7,668 | 560 | 518 | 593 | 555 | 620 | 623 | 621 | 633 | 578 | 585 | 513 | 411 | 364 | 262 | 163 | 64 | 4 | 0 | |
| Operating Costs | |||||||||||||||||||||
| Operating Costs - UG Mining | $ M | $1,767 | $117 | $126 | $138 | $135 | $135 | $136 | $141 | $136 | $122 | $125 | $109 | $94 | $88 | $64 | $51 | $36 | $15 | $0 | |
| Operating Costs - Processing Plant | $ M | $418 | $33 | $30 | $33 | $33 | $33 | $33 | $33 | $35 | $31 | $33 | $27 | $21 | $19 | $13 | $8 | $3 | $0 | $0 | |
| Operating Costs - Paste Plant | $ M | $226 | $10 | $9 | $19 | $19 | $19 | $19 | $19 | $21 | $18 | $19 | $16 | $13 | $11 | $7 | $5 | $2 | $0 | $0 | |
| Operating Costs - TSF | $ M | $19 | $1 | $1 | $1 | $1 | $1 | $1 | $1 | $2 | $1 | $1 | $1 | $1 | $1 | $1 | $0 | $0 | $0 | $0 | |
| Operating Costs - G&A | $ M | $202 | $14 | $14 | $14 | $14 | $14 | $14 | $14 | $14 | $14 | $14 | $14 | $14 | $10 | $10 | $10 | $5 | $5 | $0 | |
| Total OPEX | $ M | $2,632 | $174 | $179 | $205 | $202 | $202 | $203 | $208 | $207 | $186 | $192 | $167 | $142 | $130 | $94 | $75 | $46 | $20 | $0 | |
| Net C1 Cash Cost (Gold) | $ / oz | 1,067 | $970 | $1,076 | $1,072 | $1,137 | $1,016 | $1,026 | $1,041 | $1,013 | $1,001 | $1,020 | $989 | $1,072 | $1,107 | $1,114 | $1,437 | $0 | $0 | $0 | |
| Capital Costs | |||||||||||||||||||||
| Initial | $ M | $571.8 | $571.8 | $0.0 | $0.0 | $0.0 | $0.0 | $0.0 | $0.0 | $0.0 | $0.0 | $0.0 | $0.0 | $0.0 | $0.0 | $0.0 | $0.0 | $0.0 | $0.0 | $0.0 | $0.0 |
| Sustaining | $ M | $489.0 | $46.4 | $39.7 | $41.5 | $40.7 | $37.2 | $28.7 | $32.9 | $45.9 | $45.9 | $32.1 | $26.7 | $20.3 | $17.9 | $13.4 | $10.5 | $6.9 | $2.3 | $0.0 | |
| Closure | $ M | $0.0 | $0.0 | $0.0 | $0.0 | $0.0 | $0.0 | $0.0 | $0.0 | $0.0 | $0.0 | $0.0 | $0.0 | $0.0 | $0.0 | $0.0 | $0.0 | $0.0 | $0.0 | $30.0 | |
| Net AISC (Gold) | $ / oz | 1,339 | $1,288 | $1,375 | $1,351 | $1,426 | $1,263 | $1,229 | $1,267 | $1,299 | $1,309 | $1,252 | $1,214 | $1,287 | $1,321 | $1,335 | $1,697 | $0 | $0 | $0 | |
| Royalites & Taxes | |||||||||||||||||||||
| Total Royalties | $ M | 153 | $11.2 | $10.4 | $11.9 | $11.1 | $12.4 | $12.5 | $12.4 | $12.7 | $11.6 | $11.7 | $10.3 | $8.2 | $7.3 | $5.2 | $3.3 | $1.3 | $0.1 | $0.0 | |
| Fed Tax | $ M | 1,087 | $92.0 | $78.2 | $90.2 | $79.9 | $96.5 | $95.7 | $93.0 | $95.8 | $85.4 | $84.6 | $71.6 | $50.2 | $40.4 | $24.3 | $8.8 | $0.0 | $0.0 | $0.0 | |
| Special Mining Tax | $ M | 424 | $32.2 | $28.8 | $33.0 | $29.4 | $35.0 | $35.7 | $34.9 | $35.5 | $31.9 | $33.0 | $29.3 | $22.7 | $19.9 | $14.3 | $7.5 | $1.5 | $0.0 | $0.0 | |
| Extraordinary Mining Tax | $ M | 80 | $5.9 | $5.4 | $6.2 | $5.8 | $6.5 | $6.5 | $6.5 | $6.6 | $6.0 | $6.1 | $5.3 | $4.2 | $3.8 | $2.7 | $1.7 | $0.7 | $0.0 | $0.0 | |
| Cashflow | |||||||||||||||||||||
| Pre-Tax | $ M | $4,393 | $328 | $289 | $335 | $301 | $369 | $378 | $368 | $368 | $334 | $349 | $310 | $240 | $209 | $149 | $74 | $9 | ($18) | ($10) | |
| Post-Tax | $ M | $2,802 | $198 | $176 | $205 | $186 | $231 | $241 | $233 | $230 | $211 | $225 | $204 | $163 | $145 | $108 | $56 | $7 | ($18) | ($10) | |
| Notes: | |||||||||||||||||||||
| 1. Closure Costs included in Year 18 | |||||||||||||||||||||
| 24-72 | ![]() |
| Orla Mining Ltd. | Camino Rojo Project | March 18, 2026 |
| NI 43-101 Technical Report | SLR Project No.: 233.065118.00001 |
| 24.20.10 | Sensitivity Analysis |
| 24.20.10.1 | Macro-Economic |
Table 24-47 summarizes the sensitivity of NPV, IRR and payback to a ± 60% variation in the Base Case Gold price assumptions.
Table 24-47: Sensitivity to Gold Price Assumptions
| Metric | -60% | -40% | -20% | 0% | 20% | 40% | 60% |
| Gold Price | $1,240 | $1,860 | $2,480 | $3,100 | $3,720 | $4,340 | $4,960 |
| Pre-Tax | |||||||
| NPV | -$654 | $348 | $1,349 | $2,351 | $3,352 | $4,354 | $5,356 |
| IRR | N/A | 13.6% | 32.1% | 47.7% | 62.1% | 75.6% | 88.4% |
| Payback | 25 yrs | 5.8 yrs | 2.9 yrs | 2.0 yrs | 1.4 yrs | 1.1 yrs | 0.9 yrs |
| Post Tax | |||||||
| NPV | -$702 | $6 | $644 | $1,275 | $1,907 | $2,539 | $3,170 |
| IRR | N/A | 5.2% | 19.1% | 30.2% | 40.2% | 49.7% | 58.7% |
| Payback | 25 yrs | 9.1 yrs | 4.8 yrs | 3.2 yrs | 2.4 yrs | 1.9 yrs | 1.5 yrs |
Figure 24-34 and Figure 24-35 show IRR and NPV sensitivities, respectively, to gold and silver pricing, highlighting that economics improve significantly when considering spot prices concurrently for both metals.
Figure 24-34: IRR Sensitivity to Metal Pricing

| 24-73 | ![]() |
| Orla Mining Ltd. | Camino Rojo Project | March 18, 2026 |
| NI 43-101 Technical Report | SLR Project No.: 233.065118.00001 |
Figure 24-35: NPV Sensitivity to Metal Pricing

| 24.20.10.2 | Operating Assumptions |
The sensitivity of the Base Case scenario NPV to the operational performance, including overall operating, initial and sustaining capital costs is given in Figure 24-36.
Returns are most sensitive to operating costs and initial capital, followed by sustaining capital. Sensitivity to pyrite concentrate payment terms was considered material based on preliminary market studies. Mitigation to economic risk will be reviewed in future technical and market studies.
Figure 24-36: Sensitivity to Operating Assumptions

| 24-74 | ![]() |
| Orla Mining Ltd. | Camino Rojo Project | March 18, 2026 |
| NI 43-101 Technical Report | SLR Project No.: 233.065118.00001 |
| 24.21 | Risks and Opportunities |
Although the following project risks were noted, this list is not exhaustive, and other risks are likely but were not identified at this time:
| 24.21.1 | Risks |
The following risks were identified to explore in future studies:
| 24.21.1.1 | Mining |
| · | Increased mining costs or reduced productivity. |
| o | Further geotechnical review is required to limit any risk associated with the required development support or production stope sizing. |
| o | Underground fill cure time and strength assumptions need to be verified to ensure the cost and cure delays used in the study are appropriate. |
| · | Increased mining costs – Study costs were developed from first principals and where available vendor quotes and contractor costs from similar operations. |
| o | Site specific quotes for major consumables and mining contractors will increase the confidence in the Underground Project cost estimation. |
| 24.21.1.2 | Processing Plant |
| · | Assumptions on the metallurgical recoveries that impact payable metal in concentrates. |
| · | Process design risks are general considered low as the flowsheet uses conventional technology and equipment. |
| · | Penalties associated with any deleterious elements in the concentrates. |
| · | Market outlook for the saleability of gold, zinc and pyrite concentrates. |
| 24.21.1.3 | Paste Plant |
| · | Since test data was not available, performance assumptions used for equipment sizing may change in subsequent studies. This may impact cost assumptions and estimates. |
| · | Binder performance test results and stope cycle time requirements can significantly impact operating costs as it represents approximately 70% of the paste plant unit cost per tonne mined. Estimates were based on an average of 4.5% binder achieving the desired results. |
| 24.21.2 | Opportunities |
The following opportunities were identified to explore in future studies:
| 24.21.2.1 | Mining |
| · | Reduce mining costs - The study targeted a production rate of 8,000 tpd, alternative production rates that better utilize the Underground Project equipment and workforce to increase the underground efficiency and reduce mining costs. |
| 24-75 | ![]() |
| Orla Mining Ltd. | Camino Rojo Project | March 18, 2026 |
| NI 43-101 Technical Report | SLR Project No.: 233.065118.00001 |
| · | Reduce mining costs or increase productivity – The Underground Project fill cure time and strength assumptions need to be verified to ensure the cost and cure delays used in the study are appropriate. |
| · | Reduce mining costs – The study assumes an underground fleet consisting of all diesel equipment, potential cost reductions for ventilation and fuel could be possible with the use of electric equipment. |
| 24.21.2.2 | Processing Plant |
| · | Reduce capital and operating cost through optimized flowsheet design and an integrated metallurgical test work program. |
| · | Improved recovery through technology trade-off studies and quality of the test work program. |
| · | Alternative process technology and flowsheets to improve saleable products and market certainty. |
| · | Optimize procurement and construction strategy for enhanced economics. |
| 24.21.2.3 | Paste Plant |
| · | Potential to eliminate paste pumping: |
| o | A detailed schedule review of the transition between CRF and paste should be completed to determine if CRF could be used for the stopes at the furthest extremes from the paste plant. |
| o | A detailed flow model for stopes outside of 175mm slump range for a gravity system should be completed to quantify the additional binder cost to fill these volumes at higher slumps. |
| · | Sub-Aerial Tailings Deposition to be reviewed in future studies. |
| 24-76 | ![]() |
| Orla Mining Ltd. | Camino Rojo Project | March 18, 2026 |
| NI 43-101 Technical Report | SLR Project No.: 233.065118.00001 |
| 25.0 | Interpretation and Conclusions |
The QPs offer the following conclusions by area:
| 25.1 | Geology and Mineral Resources |
| · | Prior operators and MCR have met legal requirements to maintain the mining concession titles in good standing. Conditional upon continued compliance with annual requirements, no risks to the validity of title have been identified. |
| · | The Mineral Resources at Camino Rojo have been updated with data collected since the last Mineral Resource estimate, which was dated effective as of March 31, 2025 (SLR, 2025). The effective date of the updated Mineral Resource estimate is September 30, 2025. |
| · | The QA/QC protocols currently in place have shown notable improvements during the most recent drilling campaigns. The procedures for sample preparation, security, and analytical testing are generally aligned with industry best practices, supporting the integrity and reliability of assay data. Performance from certified reference materials (CRMs), blanks, and duplicates indicate acceptable levels of accuracy and precision, particularly in the context of the Project's known coarse gold (nugget) effect. |
| · | The QA/QC data continues to be systematically monitored, with timely corrective actions taken as needed. These practices ensure that the assay database remains robust and suitable for use in Mineral Resource estimation, with no material concerns identified that would impact the reliability of the results. |
| · | The mineralization at Camino Rojo is interpreted as an intrusive-related system hosted by clastic sedimentary rocks, exhibiting a polymetallic assemblage dominated by gold, silver, and zinc, with minor lead and copper. The geological and geochemical features observed in the Camino Rojo deposit align with those typically associated with distal oxidized gold skarn systems. Mineralization extends over approximately two kilometres (km) along strike, 0.5 km across strike, and one and 1.3 km vertically. |
| · | There is potential to increase the Mineral Resource base at Camino Rojo, both at depth and along strike, and ongoing exploration efforts are warranted. Orla has an exploration plan in place to extend the Mineral Resource footprint and to support continued infill drilling. |
| · | The application of Net Smelter Return (NSR) cut-off values, in conjunction with the use of an optimized pit shell and underground reporting shapes, ensures that the Mineral Resource estimate meets the requirement for RPEEE. The assumed physical and economic parameters are considered appropriate for the style of mineralization, deposit types, and planned mining and processing methods at Camino Rojo. |
| · | The Project’s updated Mineral Resource estimate is reported inclusive of Mineral Reserves. Measured Mineral Resources total 3,355 kilo tonnes (kt) at grades of 0.71 g/t gold (Au) and 16.91 g/t silver (Ag), containing 77 thousand ounces (koz) of Au and 1,825 koz of Ag. Indicated material is estimated at 88,785 kt, grading 1.71 g/t Au, 12.02 g/t Ag, and 0.21% zinc (Zn), containing 4,897 koz Au, 34,313 koz Ag, and 402 million pounds (Mlb) Zn. Inferred Mineral Resources total approximately 5,766 kt at grades of 2.02 g/t Au, 11.39 g/t Ag, and 0.46% Zn, containing an estimated 374 koz Au, 2,111 koz Ag, and 58 Mlb Zn. Inferred Mineral Resources are considered too speculative geologically to have the economic considerations applied to them that would enable them to be categorized as Mineral Reserves. Mineral Resources that are not Mineral Reserves do not have demonstrated economic viability. |
| 25-1 | ![]() |
| Orla Mining Ltd. | Camino Rojo Project | March 18, 2026 |
| NI 43-101 Technical Report | SLR Project No.: 233.065118.00001 |
| · | Comparison between the March 31, 2025 and the September 30, 2025 Mineral Resource estimates shows a 45% increase in contained zinc in the Measured and Indicated Mineral Resources category. Zinc is only considered in the mill scenario, and the grade is averaged over the final total numbers. Gold and silver showed decreases of 1% and 2% contained metal respectively, in the Measured and Indicated Mineral Resources category. The changes can be attributed to the addition of 23 new drill holes, differences in reporting methodology, processing assumptions, cut-off grade criteria, mining approaches, and depletion of near surface material due to mining activity. Due to the additional drilling, some Inferred Mineral Resources within Zone 22 were converted to Indicated Mineral Resources. |
| 25.2 | Mining and Mineral Reserves |
| · | The effective date of the Mineral Reserve estimate is September 30, 2025. Mineral Reserves are classified using CIM (2014) definitions in accordance with the requirements of NI 43-101. Mineral Reserve estimates reflect the reasonable expectation that all necessary permits and approvals will be obtained and maintained. |
| · | To facilitate Mineral Reserve estimation and scheduling activities, the resource block model was re-blocked to a 10 m x 10 m x 10 m cell size. In the QP’s opinion, the regularized block model incorporated adequate dilution consistent with the mine’s current reconciliation data. |
| · | No additional dilution or ore loss was added to the regularized block model. In the QP’s opinion, compositing of assays and estimating blocks with multiple composites introduces some smoothing of model grades that are analogous to dilution and ore loss effects. Additionally, regularizing and re-blocking of a sub-blocked model incorporates increased tonnage and grade dilution. |
| · | Since the start of mining operations, MCR has been following the recommended geotechnical parameters presented in KCA 2021. |
| · | The metal prices used to estimate Mineral Reserves were $2,300 per ounce of gold and $25 per ounce of silver. The QP considers these prices to be reasonable based on historical three-year trailing averages, prices used by other gold and silver producing companies for comparable projects, and long-range consensus price forecasts prepared by various bank economists prepared by CIBC. |
| · | The LOM plan productivity assumptions are based on similar productivities achieved by the current and prior contractors. All equipment and personnel required to deliver the current LOM plan are either on site or available when required. While TMM requirements are notable higher in 2026 and 2027 compared to recent actuals, in the opinion of the QP, the planned TMM in these years is achievable and notes that it is the mining contractor’s contractual obligation to provide the necessary fleet and labour to deliver the LOM plan. |
| · | In the QP’s opinion, the operating cost assumptions used for developing the NSR cut-off values and subsequent Mineral Reserve estimates are reasonable and are based on MCR’s 2025 budget operating costs and the 2025 technical report on MCR (SLR 2025). |
| 25-2 | ![]() |
| Orla Mining Ltd. | Camino Rojo Project | March 18, 2026 |
| NI 43-101 Technical Report | SLR Project No.: 233.065118.00001 |
| · | The Project’s updated open pit, heap leach Mineral Reserve estimates include Proven Mineral Reserves (including stockpiles) of approximately 3,015 kt at grades of 0.71 g/t Au (69 koz contained gold) and 17.4 g/t Ag (1,684 koz contained silver), while Probable Mineral Reserves total approximately 30,399 kt at grades of 0.73 g/t Au (715 koz contained gold) and 14.3 g/t Ag (13,955 koz contained silver). |
| · | Orla submitted a permit application in November 2024 to support and obtain the necessary permits and permit amendments related to the Fresnillo layback area and east-west pit expansion, which are required for the extraction and processing of the Mineral Reserve estimates tabulated herein. The current Mineral Reserve estimates, at the effective date of September 30, 2025, assume the mining of the areas related to the permit application starting in February 2026. |
| 25.3 | Mineral Processing |
| · | The Camino Rojo Project is a currently operating crushed ore heap leach processing approximately 19,200 tonnes of ore per day. |
| · | As of September 30, 2025, realized recoveries for gold are overall in good agreement with predicted production results. |
| · | Silver recoveries to date are less than expected based on the metallurgical test work. Although the silver recoveries have shown significant improvements over the last two years, there is a risk that the predicted silver recoveries, especially for the early operating years, were overstated and the projected silver production targets may not be achieved. |
| 25.4 | Project Infrastructure |
| · | In the QP’s opinion, the current infrastructure at MCR is suitable and meets the Project’s current mining and processing requirements, i.e., extraction of Mineral Reserves via open pit mining and recovery of metals using heap leaching. |
| 25.5 | Market Studies and Contracts |
| · | The main contracts at Camino Rojo relate to the mining contractor, the blasting service provider, and various consumable contracts. The contracts were established based on the LOM plan and the QP considers the terms of the contracts to be reasonable relative to industry norms. |
| 25.6 | Environmental, Permitting, and Social Considerations |
| · | Based on the information available for review, the QP has not identified any known environmental issues that could materially impact the ability to extract the Project’s Mineral Resources and Mineral Reserves. |
| · | The QP is not aware of any non-compliance environmental issues raised by the Mexican authorities. |
| · | The existing mine has the environmental permits to explore and operate, and it is in the process of obtaining additional approvals for the transition to underground, including the associated changes in the land use to accommodate the additional areas related to this transition. Once these permits are granted, the mine must obtain additional environmental permits (including the change to land use) to reflect the project changes, including those related to the Underground Project and associated infrastructure. Conditional upon continued compliance, permits for normal exploration and exploitation activities, as applicable, are expected to be attainable. |
| 25-3 | ![]() |
| Orla Mining Ltd. | Camino Rojo Project | March 18, 2026 |
| NI 43-101 Technical Report | SLR Project No.: 233.065118.00001 |
| · | The Project has an Environment, Sustainability, Health and Safety Policy, and several environmental standards, plans, and programs in place. |
| · | The existing mine does not lie within any protected areas (SANAT 2025), however, in January 2024, a new protected area located 13 km east of the Project site was created. This protected area is located in the Mazapil, Concepción de Oro and Salvador municipalities in Zacatecas. The protected area is called the Semidesierto Zacatecano and is listed as a Flora and Fauna Protection Area. The protected area has a total surface of 223,796 ha. The management plan for the protected area has not been released yet, and the buffer areas established around the new protected area are unknown. |
| · | Orla and MCR have developed an environmental and social risk register that helps document track and manage risks (current and emerging social risks). It also has in place a Stakeholder Engagement Plan, a Communication Plan, and a grievance mechanism specific to the Project. |
| · | Orla and MCR have executed agreements with communities within the Project area of influence for the use of the land and for supporting community investment activities. |
| · | Orla and MCR have established policies and practices to enhance the economic benefits of the Project, including local employment, contracting opportunities, and community investment. Overall, Orla and MCR appear to have built and maintained working relationships with the communities surrounding its operations. |
| · | A conceptual Mine Closure Plan (MCP) has been developed for the Project. |
| 25.7 | Capital and Operating Costs |
| · | The Project is currently in the operating phase. Total sustaining capital costs from the fourth quarter (Q4) of 2025 through 2031 are estimated to be approximately $31.1 million. |
| · | The average operating costs for the remaining LOM are forecasted to be $13.28/t stacked, including mining cost of $2.15/t mined ($5.40/t stacked), processing cost of $4.26/t stacked, rehandling cost of $0.16/t stacked, and G&A cost of $3.46/t stacked. |
| 25.8 | Other Relevant Data and Information |
| · | The PEA evaluated the technical and economic potential of a stand-alone, underground development project beneath the existing Camino Rojo open pit operation and the construction of the Processing Plant for the processing of sulphide and refractory material. |
| · | The process flowsheet includes the production of three salable concentrates – gold, zinc and a gold-silver bearing pyrite concentrate. |
| · | Average annual gold production (in concentrate) over the first 10 years is projected to be 215,000 ounces, with an expected average all-in sustaining cost (AISC) of $1,304 per payable ounce of gold. |
| 25-4 | ![]() |
| Orla Mining Ltd. | Camino Rojo Project | March 18, 2026 |
| NI 43-101 Technical Report | SLR Project No.: 233.065118.00001 |
| · | The PEA results demonstrate robust economics with an NPV(5%) of $1.3 billion with an after-tax IRR of 30% at $3,100/oz gold. |
| · | An assessment of current market conditions for gold-bearing pyrite, gold, and zinc concentrates was conducted as part of the PEA by an independent concentrate marketing advisor. The assessment included a review of treatment and refining charges, payable terms, impurity thresholds, and transportation costs for concentrates with similar metallurgical characteristics. The analysis also considered recent market transactions and long-term demand trends for sulphide concentrates. |
| 25-5 | ![]() |
| Orla Mining Ltd. | Camino Rojo Project | March 18, 2026 |
| NI 43-101 Technical Report | SLR Project No.: 233.065118.00001 |
| 26.0 | Recommendations |
The QPs offer the following recommendations by area:
| 26.1 | Geology and Mineral Resources |
| 1 | Conduct a full wireframe and block model update for the next MRE update. The September 30, 2025 Mineral Resource estimate focused only on Zone 22, and the zone within the Caracol formation was left unchanged. While the 23 new drill holes targeted deeper mineralization, a full model update is recommended to understand the mineralization relationships, particularly around the 100 and 200 series, which border and extend below the Caracol but were not included in this update. Updating of the entire model will also streamline modelling workflows within Leapfrog and facilitate model validation. Continue diamond drilling perpendicular to mineralized zones to better define vein geometry, validate historical downdip drill holes, and increase confidence in areas currently supported primarily by downdip drilling. This approach would also support upgrading areas in the 100 series domain from the Inferred Mineral Resource classification to the Indicated Mineral Resource classification. |
| 2 | To support the estimation strategy, continue exploration drilling in the 300 series and 500 series high-grade mineralization domains to prove additional resources at depth and better understand grade continuity. |
| 3 | Investigate the mineralization chronology and metal associations, and based on this analysis, consider extending the gold-only wireframes at depth given that gold is the primary metal contributor. |
| 4 | Create separate wireframes for silver and zinc to better capture significant grades and reduce reliance on high-grade restrictions. |
| 5 | Establish routine check assays with an independent accredited (umpire) laboratory. |
| 6 | Develop deposit-specific Certified Reference Materials (CRMs). These measures are intended to strengthen the overall QA/QC framework and ensure continued reliability of assay results for Mineral Resource estimation. |
| 7 | To ensure accurate volumetric and tonnage estimates, review sample intervals with anomalous density values and assess the potential causes of errors. |
| 8 | In future resource model updates, reassess the silver estimation approach as current validation exercises indicate that the current resource model may be overly restrictive. To better reflect the distribution and continuity of silver mineralization, this reassessment should include a review of estimation parameters and assay methodologies. |
| 9 | Continue with the reconciliation process to ensure that the resource model is behaving as expected. |
| 26.2 | Mining and Mineral Reserves |
| 1. | Regularly assess contractor performance regarding reconciliation and dilution control. |
| 2. | As economic conditions dictate, examine opportunities to further optimize the pit and mining schedules. |
| 26-1 | ![]() |
| Orla Mining Ltd. | Camino Rojo Project | March 18, 2026 |
| NI 43-101 Technical Report | SLR Project No.: 233.065118.00001 |
| 26.3 | Metallurgical Test Work and Mineral Processing |
| 1 | Continue to closely monitor silver recoveries and production to determine whether a write down of the silver inventory is warranted. |
| 2 | Review ROM recovery and leach kinetics assumptions and determine if the recent discrepancy between the modeled and realized gold recoveries is due to the stacking of the ROM ore. |
| 3 | Consider using the monthly feed composite column leach tests results for production and inventory calculations. |
| 26.4 | Project Infrastructure |
| 1 | Obtain the authorizations necessary to operate another water supply well, which would provide the mine site with an additional 25 L/s of water supply. |
| 2 | Maintain infrastructure as it ages and conduct regular maintenance and assessments. |
| 26.5 | Environmental, Permitting, and Social Considerations |
| 1 | Ensure that the additional environmental approvals (including land use change) required for the planned transition to underground mining are obtained. In addition, Orla and MCR should ensure that the Unique Environmental Licence is up to date and considers the planned changes in the Project’s facilities (i.e., transition to underground and changes in the footprints and processes). |
| 2 | Allow sufficient time for planning and completion of environmental studies that will be required for the transition to underground. Complete a permitting schedule linked to the Project Execution Schedule. |
| 3 | Complete a permitting schedule linked to the Project Execution Schedule. |
| 4 | Continue engaging with regulators to obtain the formal permits for the domestic wastewater discharges |
| 5 | Regularly review and update the existing environmental policies, standards, procedures, management and monitoring plans. |
| 6 | Monitor surface water quality monthly instead of yearly. |
| 7 | Undertake additional water supply/water recycling studies to determine alternative options for water supply as a contingency measure. |
| 8 | Monitor the release of the management plan for the Semi-desierto Zacatecano protected area by the government to understand the management measures in the plan, the buffer areas, and potential implications for the Project. |
| 9 | The Project has an environmental and social risk register, as well as a Risk Committee responsible for identifying, registering, and managing ESG risks related to the Project. It is not clear how the risk register informs the Stakeholder Engagement Plan (and management plans). The QP recommends that these two documents be linked together and revisited regularly as social and emerging risks are constantly evolving. |
| 26.6 | Capital and Operating Costs |
| 1 | Continually monitor actual spending, comparing to budgets and optimize where possible. |
| 26-2 | ![]() |
| Orla Mining Ltd. | Camino Rojo Project | March 18, 2026 |
| NI 43-101 Technical Report | SLR Project No.: 233.065118.00001 |
| 26.7 | Other Relevant Date and Information |
The following items are recommended for future study:
| 26.7.1 | Mining |
| 1 | Complete a production rate trade-off study to identify the optimal production for the operation as currently understood. |
| 2 | Complete detailed geotechnical review for stope stability and ground support requirements. |
| 3 | Confirm paste fill strength and cure time testing. |
| 4 | Complete mining equipment/material movement trade-off, considering equipment size and type. |
| 5 | Obtain site specific quotes from vendors for equipment and major consumables. |
| 6 | Obtain site specific quotes from mining contractors. |
| 26.7.2 | Metallurgical Test Work |
| 7 | Complete additional flotation test work, including locked cycle tests, to further define process requirements and metallurgical recovery on samples from across the deposit. |
| 8 | Perform additional variability flotation tests on the selected flowsheet to expand the recovery relationships. |
| 9 | Conduct additional comminution test work. |
| 10 | Complete dewatering test work to support the design of thickening and filtration equipment. |
| 11 | Conduct additional Pressure Oxidation (POX) tests to continue to evaluate the trade- off between concentrate sales and POX-CIL flowsheets. |
| 26.7.3 | Processing Plant |
| 12 | Ensure the samples selected for metallurgical testing are representative of the orebody, spatially and with respect to grade and metallurgical and physical characterization for the different zones within the Resource. |
| 13 | Conduct additional metallurgical test work with the following goals: |
| o | Optimize the selection and consumption of reagents with the intention of reducing process operating costs. |
| o | Confirm gold and silver recovery algorithms including recoveries for material with a low head grade. |
| o | Confirm deleterious elements in plant feed that could potentially affect the sale and value of concentrates. |
| 14 | Re-evaluate flowsheet options to include downstream oxidation/carbon-in-leach (CIL) treatment to produce doré as an alternative to concentrate. |
| 15 | Establish/optimize plant throughput in concert with mine design for the purpose of improving the project economics. |
| 26-3 | ![]() |
| Orla Mining Ltd. | Camino Rojo Project | March 18, 2026 |
| NI 43-101 Technical Report | SLR Project No.: 233.065118.00001 |
| 16 | Optimize the crushing and milling circuit for performance and cost. |
| 26.7.4 | Paste Plant and Tailings Management Facility |
| 1 | Investigate sub-aerial tailings deposition using vacuum filtration to optimize the tailings management facility (TMF) design. |
| 2 | Conduct trade-off studies of pressure filtration versus vacuum filter or even thickened tailings that can achieve similar stability at far lower costs with less environmental impact. The impact of water conservation should be considered with all technologies. |
| 3 | Investigate sub-aerial options including using the heap leach as a buttress for the TMF, waste rock as a natural containment, waste rock co-disposal with filter cake, and possibly in-pit disposal if mine access or project sequence is amenable. |
| 4 | Confirm whether paste pumping will be necessary or cost optimal. |
| 5 | Confirm binder requirements based on material testing and mining cycle requirements for greater cost certainty. |
| 6 | Confirm contact water management plan including water storage and water treatment requirements. |
| 7 | Complete geotechnical investigation of TMF foundation to refine inputs into TMF design and to evaluate the suitability of excavated material for reuse in TMF construction. |
| 8 | Complete borrow search to support TMF foundation preparation, construction and closure planning. |
| 26-4 | ![]() |
| Orla Mining Ltd. | Camino Rojo Project | March 18, 2026 |
| NI 43-101 Technical Report | SLR Project No.: 233.065118.00001 |
| 27.0 | References |
Aosenuma, 2025.Social Impact Evaluation. Camino Rojo Mining Unit. Transition to Underground. May, 2025.
Aranda-Gomez, J. L.-M.-C. 2006. El volcanismo tipo intraplaca del Cenozoico tardío en el centro y norte de México: Una revision. Boletín De La Sociedad Geológica Mexicana, 187- 225.
Barboza-Gudiño, J. Z.-M.-R.-N. 2010. Late Triassic stratigraphy and facies from northeastern Mexico: Tectonic setting and provenance. Geosphere, 621-640.
Barranca Group (Barranca Group, LLC). 2019. Camino Rojo Project – Well Summary Report Pw-2 – June 2019.
Buseck, P. R., 1966, Contact metamorphism and ore deposition, Concepción del Oro, Mexico. Economic Geology, 61(1), p 97-136.
Centeno-Garcia, E. 2005. Review of Upper Paleozoic and Lower Mesozoic stratigraphy and depositional environments of central and west Mexico: Constraints on terrane analysis and paleogeography. The Mojave-Sonora megashear hypothesis: Development, assessment, and alternatives: Geological Society of America Special Paper 393, Anderson, T.H., Nourse, J.A., McKee, J.W., and Steiner, M.B., eds., 233-258.
Blanchflower, K. K. 2009. Technical Report Preliminary Assessment based on Report Titled "Technical Assessment of Camino Rojo Project, Zacatecas, Mexico", prepared by Minorex Consulting Mine and Quarry Engineering Services Inc. for Canplats Resources Corporation, October 16, 2009.
Centeno-Garcia, E. 2005. Review of Upper Paleozoic and Lower Mesozoic stratigraphy and depositional environments of central and west Mexico: Constraints on terrane analysis and paleogeography. The Mojave-Sonora megashear hypothesis: Development, assessment, and alternatives: Geological Society of America Special Paper 393, Anderson, T.H., Nourse, J.A., McKee, J.W., and Steiner, M.B., eds., 233-258.
CIM. 2014. Canadian Institute of Mining, Metallurgy and Petroleum (CIM) Definition Standards for Mineral Resources and Mineral Reserves, adopted by the CIM Council on May 10, 2014.
CIM. 2019. CIM Estimation of Mineral Resources & Mineral Reserves Best Practice Guidelines, adopted by the CIM Council on November 29, 2019.
Conagua. 2024. Update to the annual water availability in the Guadalalupe Garzaron aquifer (Code 3220), Zacatecas State, 2024.
CONANP. 2014. Estudio previo justificativo para la declaratoria como Area Natural Protegida Reserva de la Biosfera Desierto Semiarido de Zacatecas. Mexico City, Mexico: Comision Nacional de Areas Naturales Protegidas.
Cruz-Gámez, E. V.-T.-F.-S.-D. 2017. Volcanic sequence in Late Triassic – Jurassic siliciclastic and evaporitic rocks from Galeana, NE Mexico. Geologica Acta: an international earth science journal, 89-106.
ERM, 2018. Social Impact Evaluation. Camino Rojo. September 2018.
Goldcorp Inc. 2017. Goldcorp Annual Information Form for the Financial Year Ending December 31, 2016.
| 27-1 | ![]() |
| Orla Mining Ltd. | Camino Rojo Project | March 18, 2026 |
| NI 43-101 Technical Report | SLR Project No.: 233.065118.00001 |
Goldcorp. 2016. Pre-Feasibility Study Report, Camino Rojo Project, San Tiburcio, Zacatecas, Mexico. September 2016.
Gray, M.D. 2016. Site Visit Report, Camino Rojo Gold Project (Goldcorp), Zacatecas, Mexico, Prepared for Orla Mining Ltd. Rio Rico, Arizona, USA: Resource Geosciences Inc. December 2016.
Gray, M.D. 2018. CSA NI43-101 Technical Report on the Camino Rojo Gold Project, Municipio of Mazapil, Zacatecas, Mexico. Rio Rico, AZ: Resource Geosciences Inc.
Hedenquist, J.W., Arribas, A.R. Jr., and Gonzalez-Urien, E. 2000. Exploration for Epithermal Gold Deposits. Reviews in Economic Geology, v. 13, p. 245-277. doi: 10.5382/Rev.13.07.
Heiras, M. 2017. Legal opinion letter. Chihuahua, Chihuahua, Mexico: Heiras y Asociados S.C. Abogados. June 2017.
Heiras, M. 2018. Letter report, Camino Rojo permitting for exploration and Ejido relations. Chihuahua, Chihuahua, Mexico: Heiras y Asociados S.C., Abogados. January 2018.
Heiras, M. 2019. Legal opinion letter. Chihuahua, Chihuahua, Mexico: Heiras y Asociados S.C. Abogados. July 2019.
Heiras, M. 2021. Legal opinion letter, Mining Concessions, Surface Rights, Water Rights, Environmental Permits, Fresnillo Layback Agreement for Camino Rojo Project, Zacatecas. Chihuahua, Chihuahua, Mexico: Heiras y Asociados S.C. Abogados. January 2021.
Heiras, M. 2026. Legal opinion letter, Mining Concession and Compliance with Obligations. Chihuahua, Chihuahua, Mexico: Heiras y Asociados S.C. Abogados. January 2026.
HydroGeoLogica, 2020.Camino Rojo – Waste Rock Management Plan, January 22, 2020
KCA (Kappes, Cassiday & Associates). 2019. Feasibility Study, NI 43-101 Technical Report on the Camino Rojo Gold Project, Municipality of Mazapil, Zacatecas, Mexico. Prepared for Orla Mining. June 25, 2019.
KCA (Kappes, Cassiday & Associates). 2020. Camino Rojo Project TrLo Composite (AAO) Report of Metallurgical Test Work. December 2020.
KCA (Kappes, Cassiday & Associates). 2021. Unconstrained Feasibility Study, NI 43-101 Technical Report on the Camino Rojo Gold Project, Municipality of Mazapil, Zacatecas, Mexico. Prepared for Orla Mining. January 11, 2021.
Longo, A. 2017. Review of the exploration data for Camino Rojo, Orla Mining Ltd., private company report. Reno, NV.
Longo, A.A. and Edwards, J. 2017. Camino Rojo: Observations leading to a new geologic model, and breccia modelling issues, private company report, Prepared for Orla Mining Ltd. Reno, NV.
Loza-Aguirre, I. N. 2008. Relaciones estratigráfico-estructurales en la intersección del sistema de fallas San Luis-Tepehuanes y el graben de Aguascalientes, México central, pp. 533-548.
Loza-Aguirre, I. N.-S.-Á.-O. 2012 Cenozoic volcanism and extension in northwestern Mesa Central, Durango, México. Boletín De La Sociedad Geológica Mexicana, 243-263.
| 27-2 | ![]() |
| Orla Mining Ltd. | Camino Rojo Project | March 18, 2026 |
| NI 43-101 Technical Report | SLR Project No.: 233.065118.00001 |
Martinez-Esparza, G. 2020. Productive Versus Non-Productive Porphyry Systems Surrounding the Peñasquito Diatreme-Porphyry System, Zacatecas, Mexico. Ph.D. Dissertation. University of Nevada.
Meinert, L.D., Dipple, G.M., and Nicolescu, S. 2005. World Skarn Deposits. In J. T. Hedenquist, Economic Geology One Hundredth Anniversary Volume 1905 - 2005. (p. 1136). Littleton, CO: Society of Economic Geologists, Inc.
Middleditch, D. 2020. Camino Rojo Sulphides Variability Testwork, PJ-5288. Blue Coast Research Ltd. May 27, 2020.
Mitre-Salazar, L. 1989. La megafalla Laramídica de San Tiburcio, estado de Zacatecas. Univ. Nacional Autón. México, Inst. Geologia Revista, 47-51.
Nieto-Samaniego, A. A.-Á. 2007 Mesa Central of México: Stratigraphy, structure, and Cenozoic tectonic evolution. Geology of México: Celebrating the Centenary of the Geological Society of México: Geological Society of America, Special Paper 422, Álvarez, S.A., and Nieto-Samaniego, Á.F., eds., 41-70.
Orla. 2020. Stakeholder Engagement Plan. Camino Rojo mine. May 2020.
Orla. 2022. Plan de Cierre y Restauración Ambiental 2022 (Mine Closure Plan). September 2022.
Orla. 2023a. Orla Mining Provides Update on Successful Drilling Program in Mexico. News released issued by Orla Mining. June 22, 2023.
Orla. 2023b. Potential Acid Generating (PAG) Material Management Plan. August 2023.
Orla. 2024. 2023 Sustainability Report. Available at: orla_2023_esg_report_eng_2.pdf
Orla. 2025. 2024 Sustainability Report. Available at: Orla-2024-ESG-Report-ENG.pdf Orla. 2025. Orla Mining Reports New Drill Results from Zone 22 at Camino Rojo, Mexico. News release issued by Orla Mining. August 7, 2025.
Orla.2026. Permitting Register, January 2026.
Ortega-Flores, B. S.-A. 2015 The Mesozoic successions of western Sierra de Zacatecas, Central Mexico: provenance and tectonic implications. Geology Magazine, 1-22.
Piteau Associates (Piteau). 2025. Camino Rojo Project – North Wall Failure – Preliminary Conclusions and Recommendations. Technical Memorandum. August 15, 2025.
Piteau Associates (Piteau). 2022. Underground PEA-Level Geotechnical Design. Technical Memorandum. January 19, 2022.
Piteau Associates (Piteau). 2020. Underground Mining Scoping-Level Study – Hydrogeological Review. Technical Memorandum. August 8, 2020.
Piteau Associates (Piteau). 2020. Geotechnical Review of the Waste Dump and Heap Leach Pad associated with the unconstrained mine plan. Technical Memorandum. March 2, 2020.
Piteau Associates (Piteau). 2019. Geotechnical Review of the Waste Dump and Heap Leach Pad associated with the unconstrained mine plan. Technical Memorandum. December 18, 2019.
Rocha-Rocha, M. 2016. Metallogenesis of the Peñasquito polymetallic deposit: A contribution to the understanding of the magmatic ore system. Doctoral dissertation. Reno, Nevada, USA: University of Nevada Reno. May 2016.
| 27-3 | ![]() |
| Orla Mining Ltd. | Camino Rojo Project | March 18, 2026 |
| NI 43-101 Technical Report | SLR Project No.: 233.065118.00001 |
SANAT, 2024. MIA-R. Executive Summary. Camino Rojo Mining Unit. Transition to underground.
Sanchez, S. 2017. The Mineralogy, Paragenesis and Alteration of the Camino Rojo Deposit, Zacatecas, Mexico. Master of Science Thesis. Reno, Nevada, USA: University of Nevada, Reno. May 2017.
Sanfurgo, B. 2025. Technical Memorandum – Camino Rojo Grade Control Reconciliation Study, RevA. SLR Consulting (Canada) Ltd. February 2025.
Servicio Geológico Mexicano. 2014. Carta Geológico-Minero San Tiburcio G14-C82. Pachuca, Hidalgo, Mexico: Servicio Geologico Mexicano.
SLR Consulting (Canada) Ltd. 2025. NI 43-101 Technical Report on the Camino Rojo Gold Project, Zacatecas State, Mexico. Prepared for Orla Mining. March 31, 2025.
Soto Araiza, R.G. and Garcia Ortiz, M. 2012. Text Explicativo Carta Geológico-Minera y Geoquimica San Tiburcio G14-C82 Escala 1: 50,000. Servicio Geológico Mexicano.
Stepperud, E. and Giddings, L. 2014. Camino Rojo Project Variability Study, Hazen Project 11789. Hazen Research Inc. May 8, 2014.
Sun, B and Lang, J. 2015. The Grindability Characteristics of Camino Rojo Samples, SGS Project 14922-001. SGS Canada Inc. May 21, 2015
Tristán-González, M. A.-D.-H.-H., 2009, Post-Laramide and pre-Basin and Range deformation and implications for Paleogene (55–25 Ma) volcanism in central Mexico: A geological basis for a volcano-tectonic stress model. Tectonophysics, 136-152.
Weiss, S. I.-V.-D.-C.,2010, Geologic Setting and Polymetallic Style of Gold Mineralization, Camino Rojo Deposit, Northern Zacatecas, Mexico. Gold and Base Metal Deposits in the Mexican Altiplano, States of Zacatecas and San Luis Potosi, Central Mexico, Society of Economic Geologists Guidebook series, V. 40, 97-102.
| 27-4 | ![]() |
| Orla Mining Ltd. | Camino Rojo Project | March 18, 2026 |
| NI 43-101 Technical Report | SLR Project No.: 233.065118.00001 |
| 28.0 | Date and Signature Date |
This report titled “NI 43-101 Technical Report for the Camino Rojo Project, Zacatecas State, Mexico” with an effective date of September 30, 2025 was prepared and signed by the following authors:
| (Signed & Sealed) Andrew Boushy | |
| Dated at Toronto, ON | Andrew Boushy, P.Eng. |
| March 18, 2026 | |
| (Signed & Sealed) Caleb Cook | |
| Dated at Reno, NV | Caleb Cook, P.E. |
| March 18, 2026 | |
| (Signed & Sealed) David Frost | |
| Dated at Toronto, ON | David Frost, FAusIMM |
| March 18, 2026 | |
| (Signed & Sealed) Marie-Christine Gosselin | |
| Dated at Toronto, ON | Marie-Christine Gosselin, P.Geo. |
| March 18, 2026 | |
| (Signed & Sealed) Sylvian Guerard | |
| Dated at Toronto, ON | Sylvain Guerard, P.Geo. |
| March 18, 2026 | |
| (Signed & Sealed) Andrew Kelly | |
| Dated at Parksville, BC | Andrew Kelly, P.Eng. |
| March 18, 2026 |
| 28-1 | ![]() |
| Orla Mining Ltd. | Camino Rojo Project | March 18, 2026 |
| NI 43-101 Technical Report | SLR Project No.: 233.065118.00001 |
| (Signed & Sealed) Stephen Ling | |
| Dated at Toronto, ON | Stephen Ling, P.Eng. |
| March 18, 2026 | |
| (Signed & Sealed) Patrick McCann | |
| Dated at Toronto, ON | Patrick McCann, P.Eng. |
| March 18, 2026 | |
| (Signed & Sealed) Frank Palkovits | |
| Dated at Sudbury, ON | Frank Palkovits, P.Eng. |
| March 18, 2026 | |
| (Signed & Sealed) James (Jim) Theriault | |
| Dated at Toronto, ON | James (Jim) Theriault, P.Eng. |
| March 18, 2026 | |
| (Signed & Sealed) Luis Vasquez | |
| Dated at Toronto, ON | Luis Vasquez, P.Eng. |
| March 18, 2026 |
| 28-2 | ![]() |
| Orla Mining Ltd. | Camino Rojo Project | March 18, 2026 |
| NI 43-101 Technical Report | SLR Project No.: 233.065118.00001 |
| 29.0 | Certificate of Qualified Person |
| 29.1 | Andrew Boushy |
I, Andrew Boushy, P.Eng., as an author of this report entitled “NI 43-101 Technical Report, Camino Rojo Project, Zacatecas State, Mexico” (the Technical Report) with an effective date of September 30, 2025 prepared for Orla Mining Ltd., do hereby certify that:
| 1. | I am a Study Manager with DRA Americas Inc., located at 20 Queen St W 29th Floor, Toronto, Ontario, Canada M5H 3R3. |
| 2. | I am a graduate of Queen’s University, Kingston, Ontario, in 1991 with a degree in Applied Science (Mechanical Engineering). |
| 3. | I am registered as a Professional Engineer in the Province of Ontario (Reg.#90396581). I have worked as a Project and Construction manager for a total of 35 years since my graduation. My relevant experience for the purpose of the Technical Report is: |
| · | Over 30 years of industry experience delivering studies and projects in underground, open pit and processing plant; |
| · | Global Due Diligence, Economic Analysis and Project Evaluation of greenfield and brownfield projects and operations; |
| · | Capital Cost Estimation including initial, operating and sustaining capital expenditures; and |
| · | Contribution to several NI 43-101 Technical Reports. |
| 4. | I have read the definition of "qualified person" set out in National Instrument 43-101 (NI 43-101) and certify that by reason of my education, affiliation with a professional association (as defined in NI 43-101) and past relevant work experience, I fulfill the requirements to be a "qualified person" for the purposes of NI 43-101. |
| 5. | I have not visited the Camino Rojo Project. |
| 6. | I am responsible for Sections 1.1.1.8, 1.3.14, 24.1 to 24.13, 24.16.3, 24.17, 24.19, 24.20, 25.8, and related disclosure in Section 27 of the Technical Report. |
| 7. | I am independent of the Issuer, as described in Section 1.5 of NI 43-101. |
| 8. | I have had no prior involvement with the property that is the subject of the Technical Report. |
| 9. | I have read NI 43-101, and the Technical Report has been prepared in compliance with NI 43-101 and Form 43-101F1. |
| 10. | At the effective date of the Technical Report, to the best of my knowledge, information, and belief, the sections in the Technical Report for which I am responsible contain all scientific and technical information that is required to be disclosed to make the Technical Report not misleading. |
| Dated 18th day of March, 2026, | |
| /s/ Andrew Boushy | |
| Andrew Boushy, P.Eng. |
| 29-1 | ![]() |
| Orla Mining Ltd. | Camino Rojo Project | March 18, 2026 |
| NI 43-101 Technical Report | SLR Project No.: 233.065118.00001 |
| 29.2 | Caleb Cook |
I, Caleb Cook, P.E., as an author of this report entitled “NI 43-101 Technical Report, Camino Rojo Project, Zacatecas State, Mexico” (the Technical Report) with an effective date of September 30, 2025 prepared for Orla Mining Ltd., do hereby certify that:
| 1. | I am a Project Engineer and Engineering Manger with Kappes, Cassiday & Associates located at 7950 Security Circle, Reno, Nevada, USA 89506. |
| 2. | I am a graduate of the University of Nevada, Reno in 2010 with a B.S. in Chemical Engineering. |
| 3. | I am registered as a Professional Engineer in the State of Nevada (No. 025803). I have worked as a process engineer and metallurgist for a total of 15 years since my graduation. Most of my professional experience has focused on the development of gold and silver leaching projects. |
| 4. | I have read the definition of "qualified person" set out in National Instrument 43-101 (NI 43-101) and certify that by reason of my education, affiliation with a professional association (as defined in NI 43-101) and past relevant work experience, I fulfill the requirements to be a "qualified person" for the purposes of NI 43-101. |
| 5. | I most recently visited the Camino Rojo Project on April 30 and May 1, 2024. |
| 6. | I am responsible for sections 1.1.1.3, 1.1.2.3, 1.3.9, 12.3, 13.0, 13.1, 17, 25.3, 26.3, and related disclosure in section 27 of the Technical Report. |
| 7. | I am independent of the Issuer as described in Section 1.5 of NI 43-101. |
| 8. | I have had prior involvement with the property that is the subject of the Technical Report as I was a qualified person for the previous Technical Report on the Camino Rojo Project dated July 17, 2025. |
| 9. | I have read NI 43-101, and the Technical Report has been prepared in compliance with NI 43-101 and Form 43-101F1. |
| 10. | At the effective date of the Technical Report, to the best of my knowledge, information, and belief, the sections of the Technical Report for which I am responsible contain all scientific and technical information that is required to be disclosed to make the Technical Report not misleading. |
| Dated 18th day of March, 2026, | |
| /s/ Caleb Cook | |
| Caleb D. Cook, P.E. |
| 29-2 | ![]() |
| Orla Mining Ltd. | Camino Rojo Project | March 18, 2026 |
| NI 43-101 Technical Report | SLR Project No.: 233.065118.00001 |
| 29.3 | David Frost |
I, David Frost, FAusIMM, as an author of this report entitled “NI 43-101 Technical Report, Camino Rojo Project, Zacatecas State, Mexico” (the Technical Report) with an effective date of September 30, 2025 prepared for Orla Mining Ltd., do hereby certify that:
| 1. | I am the Vice President Process Engineering with DRA Americas Inc., located at 20 Queen St W 29th Floor, Toronto, Ontario, Canada M5H 3R3. |
| 2. | I am a graduate of RMIT University with a Bachelor of Metallurgical Engineering in Metallurgy in 1993. |
| 3. | I am a registered Fellow Member of the Australian Institute of Mining and Metallurgy (FAusIMM) membership #110899. I have worked as a Metallurgist and Process Engineer in various capacities since my graduation from university in 1993. My relevant work experience includes: |
| · | More than 30 years of practical experience including 15 years in process plant operations including the operation of conventional flotation circuits and more than 15 years in process plant flowsheet design including the flotation circuit designs for the recovery of copper minerals; |
| · | Multiple base metal flotation flowsheet designs for projects globally inclusive of large- scale conventional copper flotation and gold recovery circuit designs; |
| · | Design and commissioning experience for copper oxide heap leach operations; and |
| · | Contribution to several NI 43-101 Technical Reports. |
| 4. | I have read the definition of “qualified person” set out in National Instrument 43-101 – Standards of Disclosure for Mineral Projects (NI 43-101) and certify that, by reason of my education, affiliation with a professional association, and past relevant work experience, I fulfill the requirements to be a qualified person for the purposes of NI 43 101. |
| 5. | I am independent of the issuer as described in Section 1.5 of NI 43-101. |
| 6. | I am responsible for sections 1.1.2.7 (Processing Plant), 24.15, 24.21.1.2, 24.21.2.2, 26.7.3, and related disclosure in section 27 of the Technical Report. |
| 7. | I did not visit the Property that is subject to the Technical Report. |
| 8. | I have not had prior involvement with the Property that is the subject of the Technical Report. |
| 9. | I have read NI 43-101 and the sections of the Technical Report for which I am responsible have been prepared in compliance with NI 43-101. |
| 10. | At the effective date of the Technical Report, to the best of my knowledge, information and belief, the sections of the Technical Report for which I am responsible contain all scientific and technical information that is required to be disclosed to make the portions of the Technical Report for which I am responsible not misleading. |
| Dated 18th day of March, 2026, | |
| /s/ David Frost | |
| David Frost, FAusIMM |
| 29-3 | ![]() |
| Orla Mining Ltd. | Camino Rojo Project | March 18, 2026 |
| NI 43-101 Technical Report | SLR Project No.: 233.065118.00001 |
| 29.4 | Marie-Christine Gosselin |
I, Marie-Christine Gosselin, P.Geo., as an author of this report entitled “NI 43-101 Technical Report, Camino Rojo Project, Zacatecas State, Mexico” (the Technical Report) with an effective date of September 30, 2025 prepared for Orla Mining Ltd., do hereby certify that:
| 1. | I am Senior Resource Geologist with SLR Consulting (Canada) Ltd, of Suite 501, 55 University Ave., Toronto, Ontario, Canada M5J 2H7. |
| 2. | I am a graduate of Université Laval, Québec, QC in 2014 with a Bachelor of Science degree in Geology. |
| 3. | I am registered as a Professional Geologist with l’Ordre des Géologues du Québec (Reg.#02060). and with Professional Geoscientist of Ontario (Reg.#3799). I have worked as a geologist for a total of 12 years since my graduation. My relevant experience for the purpose of the Technical Report is: |
| · | Lithology and mineralization modelling; |
| · | Experience as Resource Geologist, Production Geologist and Exploration Geologist with porphyry copper, sediment hosted copper, Canadian Archaean and narrow vein gold, skarns and VMS deposits, in Canada, Chile and Mexico; |
| · | Experienced user of Leapfrog Geo, Vulcan, and ArcGIS; |
| · | Target generation; and |
| · | Data analysis. |
| 4. | I have read the definition of "qualified person" set out in National Instrument 43-101 (NI 43-101) and certify that by reason of my education, affiliation with a professional association (as defined in NI 43-101) and past relevant work experience, I fulfill the requirements to be a "qualified person" for the purposes of NI 43-101. |
| 5. | I visited the Camino Rojo Project from January 22 to January 25, 2024. |
| 6. | I am responsible for sections 1.1.1.1, 1.1.2.1, 1.3.6, 11, 12.1, 14, 25.1, 26.1 and related disclosure in Section 27 of the Technical Report. |
| 7. | I am independent of the Issuer as described in Section 1.5 of NI 43-101. |
| 8. | I have had prior involvement with the property that is the subject of the Technical Report as I was a qualified person for the Technical Report on the Camino Rojo Project dated July 17. |
| 9. | I have read NI 43-101, and the Technical Report has been prepared in compliance with NI 43-101 and Form 43-101F1. |
| 10. | At the effective date of the Technical Report, to the best of my knowledge, information, and belief, the sections in the Technical Report for which I am responsible contain all scientific and technical information that is required to be disclosed to make the Technical Report not misleading. |
| Dated this 18th day of March, 2026, | |
| /s/ Marie-Christine Gosselin | |
| Marie-Christine Gosselin, P.Geo. |
| 29-4 | ![]() |
| Orla Mining Ltd. | Camino Rojo Project | March 18, 2026 |
| NI 43-101 Technical Report | SLR Project No.: 233.065118.00001 |
| 29.5 | Sylvain Guérard |
I, Sylvain Guerard, P.Geo., as an author of this report entitled “NI 43-101 Technical Report, Camino Rojo Project, Zacatecas State, Mexico” (the Technical Report) with an effective date of September 30, 2025 prepared for Orla Mining Ltd., do hereby certify that:
| 1. | I am employed as the Senior Vice President Exploration at Orla Mining Ltd., whose address is Suite 630 – 333 Bay St, Toronto, Ontario, Canada M5H 2R2. |
| 2. | I am a graduate of the University of Montreal, Quebec, with a Bachelor of Science (B.Sc.) in Geology, 1990. |
| 3. | I am registered as a Professional Geologist in the Province of Ontario (Reg.# 2435). I have worked as a geologist for 35 years since my graduation, continuously gaining experience in exploration and mining. My relevant expertise for the Technical Report includes: |
| · | In-depth knowledge of the Camino Rojo property and deposit, with ongoing oversight of exploration and drilling activities since August 2020 as SVP Exploration at Orla Mining; |
| · | Extensive global exploration and mining experience across multiple countries and diverse mineral deposit types; and |
| · | Specialization in precious metal exploration, particularly gold deposits, including polymetallic gold-rich epithermal and skarn deposits such as the Camino Rojo deposit. |
| 4. | I have read the definition of "qualified person" set out in National Instrument 43-101 (NI 43-101) and certify that by reason of my education, affiliation with a professional association (as defined in NI 43-101) and past relevant work experience, I fulfill the requirements to be a "qualified person" for the purposes of NI 43-101. |
| 5. | I visited the Camino Rojo Project during the period from April 15 to April 16, 2025, and have visited the Project on several other occasions since August 2020. |
| 6. | I am responsible for Sections 1.3.1 to 1.3.5, 4 through 10, and related disclosure in Section 27 of the Technical Report. |
| 7. | As I am currently employed by Orla Mining Ltd., I do not meet the definition of being independent of the issuer as described in Section 1.5 of NI 43-101. |
| 8. | I have had prior involvement with the Camino Rojo Project as an employee of Orla Mining Ltd. and as I was a qualified person for the Technical Report on the Camino Rojo Project dated July 17. |
| 9. | I have read NI 43-101, and the Technical Report has been prepared in compliance with NI 43-101 and Form 43-101F1. |
| 10. | At the effective date of the Technical Report, to the best of my knowledge, information, and belief, the sections of the Technical Report for which I am responsible contain all scientific and technical information that is required to be disclosed to make the Technical Report not misleading. |
| Dated 18th day of March, 2025 | |
| /s/ Sylvian Guerard | |
| Sylvain Guerard, P.Geo. |
| 29-5 | ![]() |
| Orla Mining Ltd. | Camino Rojo Project | March 18, 2026 |
| NI 43-101 Technical Report | SLR Project No.: 233.065118.00001 |
| 29.6 | Stephen Ling |
I, Stephen Ling, P.Eng., as an author of this report entitled “NI 43-101 Technical Report, Camino Rojo Project, Zacatecas State, Mexico” (the Technical Report) with an effective date of September 30, 2025 prepared for Orla Mining Ltd., do hereby certify that:
| 1. | I am the Director of Technical Services with Orla Mining Ltd., of Suite 630 – 333 Bay St, Toronto, Ontario, Canada M5H 2R2 |
| 2. | I am a graduate of McGill University in 2007 with a Bachelor of Engineering (Mining). |
| 3. | I am registered as a Professional Engineer in the Province of Ontario (Reg. # 100176937). I have worked as a mining engineer/geologist for a total of 19 years since my graduation. My relevant experience for the purpose of the Technical Report is: |
| · | Production and project planning for operating mines; |
| · | Mine design, mine scheduling and cost estimation for operating mines; and |
| · | Senior positions with Canadian mining companies, with responsibilities in managing all mining and technical related functions |
| 4. | I have read the definition of "qualified person" set out in National Instrument 43-101 (NI 43-101) and certify that by reason of my education, affiliation with a professional association (as defined in NI 43-101) and past relevant work experience, I fulfill the requirements to be a "qualified person" for the purposes of NI 43-101. |
| 5. | I visited the Camino Rojo Project multiple times, with the last visit being from Jan 26 to Jan 28, 2026. |
| 6. | I am responsible for sections 1.1, 1.1.1.2, 1.1.1.4, 1.1.1.5, 1.1.1.7, 1.1.2.2, 1.1.2.4, 1.1.2.6, 1.2, 1.3.7, 1.3.8, 1.3.10, 1.3.11, 1.3.13, 2, 3, 12.2, 15, 16, 18, 19, 21, 22, 23, 25.2, 25.4, 25.5, 25.7, 26.2, 26.4, 26.6, and related disclosure in section 27, of the Technical Report. |
| 7. | As I am currently employed by Orla Mining Ltd, I am not independent of the Issuer as described in Section 1.5 of NI 43-101. |
| 8. | I have had prior involvement with the property that is the subject of the Technical Report as an employee of Orla Mining Ltd. and as I was a qualified person for the Technical Report on the Camino Rojo Project dated July 17. |
| 9. | I have read NI 43-101, and the Technical Report has been prepared in compliance with NI 43-101 and Form 43-101F1. |
| 10. | At the effective date of the Technical Report, to the best of my knowledge, information, and belief, the sections in the Technical Report for which I am responsible contain all scientific and technical information that is required to be disclosed to make the Technical Report not misleading. |
| Dated 18th day of March, 2026, | |
| /s/ Stephen Ling | |
| Stephen Ling, P.Eng. | |
| 29-6 | ![]() |
| Orla Mining Ltd. | Camino Rojo Project | March 18, 2026 |
| NI 43-101 Technical Report | SLR Project No.: 233.065118.00001 |
| 29.7 | Andrew Kelly |
I, Andrew Kelly, P.Eng., as an author of this report entitled “NI 43-101 Technical Report, Camino Rojo Project, Zacatecas State, Mexico” (the Technical Report) with an effective date of September 30, 2025 prepared for Orla Mining Ltd., do hereby certify that:
| 1. | I am President and Senior Metallurgist with Blue Coast Research Ltd., of 2-1020 Herring Gull Way, Parksville, British Columbia, Canada V9P 1R2. |
| 2. | I am a graduate of the University of New Brunswick and obtained a Bachelor of Science in Engineering (Chemical) degree in 2003. |
| 3. | I am registered as a Professional Engineer with the Association of Professional Engineers and Geoscientists of British Columbia (License No. 39900) and with the Association of Professional Engineers of Ontario (License No.100073664). I have worked as a metallurgist for a total of 22 years since my graduation. My experience includes both plant operations and laboratory settings and covers base and precious metals. My relevant experience includes the design and review of metallurgical test work, flowsheet development and plant operations. |
| 4. | I have read the definition of "qualified person" set out in National Instrument 43-101 (NI 43-101) and certify that by reason of my education, affiliation with a professional association (as defined in NI 43-101) and past relevant work experience, I fulfill the requirements to be a "qualified person" for the purposes of NI 43-101. |
| 5. | I have not visited the Camino Rojo Project. |
| 6. | I am responsible for sections 1.1.2.7 (Metallurgical Test Work), 12.3, 13.2, 26.7.2, and related disclosure in Section 27 of the Technical Report. |
| 7. | I am independent of the Issuer as described in Section 1.5 of NI 43-101. |
| 8. | I have had prior involvement with the property that is the subject of the Technical Report as I was a qualified person for the technical report for the Camino Rojo Project dated July 17, 2025, and have managed various metallurgical test work programs as an independent consultant since 2021. |
| 9. | I have read NI 43-101, and the Technical Report has been prepared in compliance with NI 43-101 and Form 43-101F1. |
| 10. | At the effective date of the Technical Report, to the best of my knowledge, information, and belief, the sections of the Technical Report for which I am responsible contain all scientific and technical information that is required to be disclosed to make the Technical Report not misleading. |
| Dated 18th day of March, 2026, | |
| /s/ Andrew Kelly | |
| Andrew Kelly, P.Eng. |
| 29-7 | ![]() |
| Orla Mining Ltd. | Camino Rojo Project | March 18, 2026 |
| NI 43-101 Technical Report | SLR Project No.: 233.065118.00001 |
| 29.8 | Patrick James McCann |
I, Patrick James McCann, P.Eng., as an author of this report entitled “NI 43-101 Technical Report, Camino Rojo Project, Zacatecas State, Mexico” (the Technical Report) with an effective date of September 30, 2025 prepared for Orla Mining Ltd., do hereby certify that:
| 1. | I am a Principal Engineer with Entech Mining Ltd., of Suite 835, 1100 Melville St Vancouver, British Columbia, Canada V6E 4A6. |
| 2. | I am a graduate of the University of British Columbia in 2003 with a Bachelor of Applied Science (Mining Engineering). |
| 3. | I am registered as a professional engineer in good standing in Ontario, Canada (No. 100099835). I am also registered as a professional in Newfoundland and Labrador, Canada (No. 12276). I have practiced my profession for 22 years since my graduation and have been licenced in Ontario for 18 years. I have worked continuously as a miner, mining engineer, senior mining engineer, project engineer, technical services superintendent, principal mining engineer, and as a principal consultant. Various roles include drill and blast, mine design, short-term and long-term planning, ventilation, capital projects, and project evaluations (preliminary, prefeasibility, and feasibility studies). My relevant experience for the purpose of the Technical Report is: |
| · | Mine engineering design and planning for underground operations; and |
| · | Project Evaluations and Cost Estimation. |
| 4. | I have read the definition of "qualified person" set out in National Instrument 43-101 (NI 43-101) and certify that by reason of my education, affiliation with a professional association (as defined in NI 43-101) and past relevant work experience, I fulfill the requirements to be a "qualified person" for the purposes of NI 43-101. |
| 5. | I visited the Camino Rojo Mine from May 27 to 29, 2025. |
| 6. | I am responsible for sections 1.1.2.7 (Mining), 24.14, 24.21.1.1, 24.21.2.1, 26.7.1, and related disclosure in Section 27 of the Technical Report. |
| 7. | I am independent of the Issuer, Orla Mining Ltd. as described in Section 1.5 of NI 43-101. |
| 8. | I have had no prior involvement with the property that is the subject of the Technical Report. |
| 9. | I have read NI 43-101, and the Technical Report has been prepared in compliance with NI 43-101 and Form 43-101F1. |
| 10. | At the effective date of the Technical Report, to the best of my knowledge, information, and belief, the sections of the Technical Report for which I am responsible for contain all scientific and technical information that is required to be disclosed to make the Technical Report not misleading. |
| Dated 18th day of March, 2026 | |
| /s/ Patrick James McCann | |
| Patrick McCann P.Eng. |
| 29-8 | ![]() |
| Orla Mining Ltd. | Camino Rojo Project | March 18, 2026 |
| NI 43-101 Technical Report | SLR Project No.: 233.065118.00001 |
| 29.9 | Frank Palkovits |
I, Frank Palkovits, P.Eng., as an author of this report entitled “NI 43-101 Technical Report for the Camino Rojo Project, Zacatecas State, Mexico” (the Technical Report) with an effective date of September 30, 2025 prepared for Orla Mining Ltd., do hereby certify that:
| 1 | I am Principal Engineer with SLR Consulting (Canada) Ltd, of 531 Notre Dame Avenue, Sudbury, Ontario, Canada P3C 5L1. |
| 2 | I am a graduate of Laurentian University, Sudbury, ON in 1988 with a BSc in Mining Engineering. |
| 3 | I am registered as a Professional Engineer in the Province of Ontario (Reg.# 90276379). I have worked as a mining engineer/geologist for a total of 37 since my graduation. My relevant experience for the purpose of the Technical Report is: |
| a) | Approximately 20 years in underground mining operations in geology, engineering and underground supervision; and |
| b) | Approximately 25 years specializing in mining studies specializing in mine backfill and tailings management studies, mine optimization and EPCM implementation of paste backfill, cemented rockfill, hydraulic fill plants and underground piping systems globally. |
| 4 | I have read the definition of "qualified person" set out in National Instrument 43-101 (NI 43-101) and certify that by reason of my education, affiliation with a professional association (as defined in NI 43-101) and past relevant work experience, I fulfill the requirements to be a "qualified person" for the purposes of NI 43-101. |
| 5 | I have not visited the Camino Rojo Project. |
| 6 | I am responsible for sections 1.1.2.7 (Paste Plant and Tailings Management Facility), 24.16.1, 24.21.1.3, 24.21.2.3, 26.7.4, and related disclosure in Section 27 of the Technical Report. |
| 7 | I am independent of the Issuer as described in Section 1.5 of NI 43-101. |
| 8 | I have had no prior involvement with the property that is the subject of the Technical Report. |
| 9 | I have read NI 43-101, and the Technical Report has been prepared in compliance with NI 43-101 and Form 43-101F1. |
| 10 | At the effective date of the Technical Report, to the best of my knowledge, information, and belief, the Technical Report contains for which I am responsible contain all scientific and technical information that is required to be disclosed to make the Technical Report not misleading. |
| Dated 18th day of March, 2026 | |
| /s/ Frank Palkovits | |
| Frank Palkovits, P.Eng. |
| 29-9 | ![]() |
| Orla Mining Ltd. | Camino Rojo Project | March 18, 2026 |
| NI 43-101 Technical Report | SLR Project No.: 233.065118.00001 |
| 29.10 | Luis Vasquez |
I, Luis Vasquez, M.Sc., P.Eng., as an author of this report entitled “NI 43-101 Technical Report, Camino Rojo Project, Zacatecas State, Mexico” (the Technical Report) with an effective date of September 30, 2025 prepared for Orla Mining Ltd., do hereby certify that::
| 1. | I am a Principal Hydrotechnical Engineer – Water Resource Engineering with SLR Consulting (Canada) Ltd, of Suite 501, 55 University Ave., Toronto, Ontario, Canada M5J 2H7. |
| 2. | I am a graduate of Universidad de Los Andes, Bogotá, Colombia, in 1998 with a Bachelor of Science degree in Civil Engineering, and in 1999 with a Master of Science degree in Water Resources Engineering. |
| 3. | I am registered as a Professional Engineer in the Province of Ontario (Reg. #100210789). I have worked as a civil engineer for a total of 26 years since my graduation. My relevant experience for the purpose of the Technical Report is: |
| · | Review and report as an environmental consultant on numerous mining operations and projects for due diligence and regulatory requirements; |
| · | Preparation of numerous environmental impact assessments for mining projects for regulatory approval in Canada and Perú; |
| · | Preparation of multiple mine closure plans for mining projects in Canada and Perú; and |
| · | Preparation of several scoping, prefeasibility, feasibility, and detailed design level studies for projects in North America, South America, the Caribbean, and Asia with a focus on planning, design, and safe operation of water management systems and waste disposal facilities. |
| 4. | I have read the definition of "qualified person" set out in National Instrument 43-101 (NI 43-101) and certify that by reason of my education, affiliation with a professional association (as defined in NI 43-101) and past relevant work experience, I fulfill the requirements to be a "qualified person" for the purposes of NI 43-101. |
| 5. | I have not visited the Camino Rojo Project. |
| 6. | I am responsible for sections 1.1.1.6, 1.1.2.5, 1.3.12, 20, 24.18, 25.6, 26.5, and related disclosure in section 27 of the Technical Report. |
| 7. | I am independent of the Issuer as described in Section 1.5 of NI 43-101. |
| 8. | I have had prior involvement with the property that is the subject of the Technical Report as I was a qualified person for the previous technical report for the Camino Rojo Project dated July 17, 2025. |
| 9. | I have read NI 43-101, and the Technical Report has been prepared in compliance with NI 43-101 and Form 43-101F1. |
| 10. | At the effective date of the Technical Report, to the best of my knowledge, information, and belief, the sections in the Technical Report for which I am responsible contain all scientific and technical information that is required to be disclosed to make the Technical Report not misleading. |
| Dated this 18th day of March, 2026, | |
| /s/ Luis Vasquez | |
| Luis Vasquez, M.Sc., P.Eng. |
| 29-10 | ![]() |
| Orla Mining Ltd. | Camino Rojo Project | March 18, 2026 |
| NI 43-101 Technical Report | SLR Project No.: 233.065118.00001 |
| 29.11 | James (Jim) Theriault, P.Eng. |
I, James (Jim) Theriault, of Markham, Ontario, as an author of this report entitled “NI 43-101 Technical Report, Camino Rojo Project, Zacatecas State, Mexico” (the Technical Report) with an effective date of September 30, 2025 prepared for Orla Mining Ltd., do hereby certify that:
| 1. | I am a Managing Principal and Technical Director of Mining Environment with SLR Consulting (Canada) Ltd., located at 300 Town Centre Blvd., Suite 200, Markham, Ontario, Canada L3R 5Z6. |
| 2. | I am a graduate of Queen’s University in Kingston, Ontario with a B.Sc.Eng. in Geological Engineering (1993) and a M.Sc.Eng., in Civil/Environmental Engineering (1996). |
| 3. | I am a member in good standing with the Professional Engineers of Ontario and registered as a Professional Engineer, license number 90541665. My relevant experience includes 30 years of consulting on mining and environmental remediation projects. I have worked on similar projects to the Camino Rojo Project in Mexico. My experience for the purpose of the Technical Report includes: |
| · | Siting and design of tailings and mine waste management facilities; |
| · | Providing technical support to private sector, government and stakeholder clients through all stages of mine development, operations and closure; |
| · | Involvement as technical specialist and subject matter expert in environmental assessment and public consultation for mine development and permitting; |
| · | Integration of passive and biological treatment into mine operation and mine closure strategies; and |
| · | Contribution to several NI 43-101 Technical Reports. |
| 4. | I have read the definition of "qualified person" set out in National Instrument 43-101 (NI 43-101) and certify that by reason of my education, affiliation with a professional association (as defined in NI 43-101) and past relevant work experience, I fulfill the requirements to be a "qualified person" for the purposes of NI 43-101. |
| 5. | I have not visited the Camino Rojo Project. |
| 6. | I am responsible for Section 24.16.2 of the Technical Report. |
| 7. | I am independent of the Issuer as described in Section 1.5 of NI 43-101. |
| 8. | I have had no prior involvement with the property that is the subject of the Technical Report. |
| 9. | I have read NI 43-101, and the Technical Report has been prepared in compliance with NI 43-101 and Form 43-101F1. |
| 10. | At the effective date of the Technical Report, to the best of my knowledge, information, and belief, the Technical Report Section 24.16.2, for which I am responsible, contains all scientific and technical information that is required to be disclosed to make the Technical Report not misleading. |
| Dated the 18th day of March, 2026 | |
| /s/ Jim Theriault | |
| James (Jim) Theriault, P.Eng. |
| 29-11 | ![]() |
