.4

TECHNICAL REPORT
ON THE
GROTA DO CIRILO LITHIUM PROJECT
ARAçUAí AND ITINGA REGIONS, MINAS GERAIS, BRAZIL
190,615 mE, 8146,788 mN
Prepared for
Sigma Lithium Corporation
Avenida Nove de Julho 4939,
9th Floor, Torre Europa
Itaim, Sao Paulo, Brazil
Report Date: 31st March, 2025
Effective Date: 15th January, 2025
| Qualified Persons | Company |
| Marc-Antoine Laporte, P.Geo | SGS Canada Inc. |
| William van Breugel, P.Eng. | SGS Canada Inc. |
| Johnny Canosa, P.Eng. | SGS Canada Inc. |
| Joseph Keane, P. Eng. | SGS North America Inc. |
| Technical Report – Grota do Cirilo Lithium Project – Araçuai and Itinga Regions, Minas Gerais, Brazil |
TABLE OF CONTENTS
|
1 |
SUMMARY |
1 |
||
|
|
1.1 |
Introduction |
1 |
|
|
|
1.2 |
Property Description and Location |
1 |
|
|
|
1.3 |
Accessibility, Climate, Local Resources, Infrastructure and Physiography |
2 |
|
|
|
1.4 |
History |
2 |
|
|
|
1.5 |
Geological Setting and Mineralization |
3 |
|
|
|
1.6 |
Exploration |
4 |
|
|
|
1.7 |
Drilling |
4 |
|
|
|
1.8 |
Sample Preparation, Analyses and Security |
5 |
|
|
|
1.9 |
Data Verification |
5 |
|
|
|
1.10 |
Mineral Processing and Metallurgical Testing |
5 |
|
|
|
1.11 |
Mineral Resource Estimates |
8 |
|
|
|
1.12 |
Mineral Reserve Estimates |
12 |
|
|
|
1.13 |
Mining Methods |
13 |
|
|
|
1.14 |
Recovery Methods |
14 |
|
|
1.15 |
Project Infrastructure |
15 |
||
|
|
1.16 |
Market Studies and Contracts |
17 |
|
|
|
1.17 |
Environmental Studies, Permitting and Social or Community Impact |
19 |
|
|
|
1.18 |
Capital and Operating Costs |
21 |
|
|
|
1.19 |
Economic Analysis |
22 |
|
|
|
1.20 |
Interpretation and Conclusions |
28 |
|
|
|
1.21 |
Recommendations |
29 |
|
|
2 |
INTRODUCTION |
30 |
||
|
|
2.1 |
Terms of Reference |
30 |
|
|
|
2.2 |
Effective Dates |
31 |
|
|
|
2.3 |
Qualified Persons |
31 |
|
|
|
2.4 |
Site Visits |
31 |
|
|
|
2.5 |
Information Source |
32 |
|
|
3 |
RELIANCE ON OTHER EXPERTS |
33 |
||
|
|
3.1 |
Marketing |
33 |
|
|
|
3.2 |
Units and Currency |
33 |
|
|
|
3.3 |
Environmental, Permitting and Social Licence |
33 |
|
|
|
3.4 |
Cost Estimation and Financial Analysis |
34 |
|
|
|
3.5 |
Mineral Tenure |
35 |
|
|
4 |
PROPERTY DESCRIPTION AND LOCATION |
36 |
||
|
|
4.1 |
Property Description and Location |
36 |
|
|
|
4.2 |
Mineral Tenure |
37 |
|
|
|
4.3 |
Surface Rights |
41 |
|
|
|
4.4 |
Agreements |
41 |
|
|
|
4.5 |
Royalties and Encumbrances |
41 |
|
|
|
4.6 |
QP Comment |
41 |
|
|
5 |
ACCESSIBILITY, CLIMATE, LOCAL RESOURCES, INFRASTRUCTURE AND PHYSIOGRAPHY |
42 |
||
|
|
5.1 |
Accessibility |
42 |
|
| 5.2 | CLIMATE | 42 | ||
| Technical Report – Grota do Cirilo Lithium Project – Araçuai and Itinga Regions, Minas Gerais, Brazil |
|
|
5.3 |
Local Resources and Infrastructure |
42 |
|
|
|
5.4 |
Physiography |
43 |
|
|
6 |
HISTORY |
|
45 | |
|
|
6.1 |
Project History |
45 |
|
|
|
6.2 |
Production |
46 |
|
|
7 |
GEOLOGICAL SETTING AND MINERALIZATION |
47 |
||
|
|
7.1 |
Regional Geology |
47 |
|
|
|
7.2 |
Local Geology |
47 |
|
|
|
7.3 |
Property Geology |
51 |
|
|
8 |
DEPOSIT TYPES |
60 |
||
|
9 |
EXPLORATION |
62 |
||
|
|
9.1 |
Introduction |
62 |
|
|
|
9.2 |
Grids and Surveys |
62 |
|
|
|
9.3 |
Geological Mapping |
62 |
|
|
|
9.4 |
Channel Mapping |
62 |
|
|
|
9.5 |
Trench Sampling |
64 |
|
|
|
9.6 |
Exploration Potential |
65 |
|
|
10 |
DRILLING |
70 |
||
|
|
10.1 |
Introduction |
70 |
|
|
|
10.2 |
Drill Type |
70 |
|
|
|
10.3 |
Sigma Drilling Campaigns |
70 |
|
|
|
10.4 |
Drill Hole Logging |
85 |
|
|
|
10.5 |
Recovery |
85 |
|
|
|
10.6 |
Drill Surveys |
86 |
|
|
|
1.7 |
QP Comment |
86 |
|
|
11 |
SAMPLE PREPARATION, ANALYSES AND SECURITY |
87 |
||
|
|
11.1 |
Introduction |
87 |
|
|
|
11.2 |
Sampling |
87 |
|
|
|
11.3 |
Density Determinations |
88 |
|
|
|
11.4 |
Analytical and Test Laboratories |
90 |
|
|
|
11.5 |
Sample Preparation and Analysis |
90 |
|
|
|
11.6 |
Quality Assurance and Quality Control |
91 |
|
|
|
11.7 |
Sample Security |
123 |
|
|
|
11.8 |
Sample Storage |
123 |
|
|
|
11.9 |
QP Comments |
123 |
|
|
12 |
DATA VERIFICATION |
125 |
||
|
|
12.1 |
Drilling Database |
125 |
|
|
|
12.2 |
Witness Sampling |
125 |
|
|
|
12.3 |
QP Comments |
129 |
|
|
13 |
MINERAL PROCESSING AND METALLURGICAL TESTING |
|
130 | |
|
|
13.1 |
Xuxa Metallurgical Test work (2018-19) |
130 |
|
|
|
13.2 |
Xuxa Metallurgical Test Work (2020-2021) |
141 |
|
|
|
13.3 |
Barreiro Metallurgical Test Work (2020-21) |
159 |
|
![]() |
| SGS Canada Inc. |
| Technical Report – Grota do Cirilo Lithium Project – Araçuai and Itinga Regions, Minas Gerais, Brazil |
|
|
13.4 |
Nezinho do ChicÃo Test Work (2022) |
175 |
|
|
|
13.5 |
Lavra do Meio, Maxixe and Tamboril Test Work (2024) |
191 |
|
|
|
13.6 |
Murial Test Work (2024) |
201 |
|
|
14 |
MINERAL RESOURCE ESTIMATES |
|
209 | |
|
|
14.1 |
Nezinho do ChicÃo Deposit |
209 |
|
|
|
14.2 |
Murial Deposit |
237 |
|
|
|
14.3 |
Elvira Deposit |
250 |
|
|
|
14.4 |
Barreiro Deposit |
259 |
|
|
|
14.5 |
Xuxa Deposit |
271 |
|
|
15 |
MINERAL RESERVE ESTIMATES |
|
284 | |
|
|
15.1 |
Xuxa Mineral Reserves |
284 |
|
|
|
15.2 |
Xuxa Optimization Parameters |
286 |
|
|
|
15.3 |
Xuxa Modifying Factors |
291 |
|
| 15.4 |
Reserve Depletion |
292 |
||
| 15.5 |
Xuxa Mineral Reserves Statement |
293 |
||
| 15.6 |
Barreiro Mineral Reserves |
294 |
||
| 15.7 |
Barreiro Pit Optimization Parameters |
295 |
||
|
|
15.8 |
Barreiro Modifying Factors |
299 |
|
| 15.9 |
Barreiro Pit Optimization Study |
303 |
||
| 15.10 |
Barreiro Mineral Reserves Statement |
309 |
||
|
|
15.11 |
Nezinho do ChicÃo – Lavra do Meio and Murial Mineral Reserves |
309 |
|
|
|
15.12 |
Nezinho do ChicÃo – Lavra do Meio and Murial Pit Optimization Parameters |
311 |
|
|
|
15.13 |
Nezinho do ChicÃo – Lavra do Meio and Murial Modifying Factors |
315 |
|
|
|
15.14 |
Nezinho do ChicÃo – Lavra do Meio and Murial Pit Optimization Study |
318 |
|
|
|
15.15 |
Nezinho do ChicÃo – Lavra do Meio and Murial Mineral Reserves Statement |
325 |
|
|
16 |
MINING METHODS |
327 |
||
|
|
16. |
Xuxa |
327 |
|
|
|
16.2 |
Barreiro Open Pit Mining |
349 |
|
|
|
16.3 |
Barreiro Mine Sequencing |
367 |
|
|
|
16.4 |
Barreiro Mine Fleet |
374 |
|
|
|
16.5 |
Nezinho do Chicão – Lavra do Meio and Murial Open Pit Mining |
397 |
|
|
|
16.6 |
Mine Sequencing |
431 |
|
|
|
16.7 |
Mine Fleet Sizing |
438 |
|
|
17 |
RECOVERY METHODS |
455 |
||
|
|
17.1 |
Processing Overview |
455 |
|
|
|
17.2 |
Nezinho do ChicÃo Trade-Off Update |
455 |
|
|
|
17.3 |
Xuxa Process Plant (Phase 1) |
457 |
|
|
|
17.4 |
Barreiro Process Plant (Scenario 1: Phase 2) |
466 |
|
|
|
17.5 |
Barreiro Process Plant (Scenario 2: Phase 2) |
474 |
|
|
|
17.6 |
Nezinho do ChicÃo Plant (Scenario 2: Phase 3) |
474 |
|
|
18 |
Project Infrastructure |
483 |
||
|
|
18.2 |
Roads |
486 |
|
|
|
18.3 |
Earthworks and Buried Services |
487 |
|
|
|
18.4 |
Water Balance - Storm Water & Water Treatment |
487 |
|
![]() |
| SGS Canada Inc. |
| Technical Report – Grota do Cirilo Lithium Project – Araçuai and Itinga Regions, Minas Gerais, Brazil |
|
|
18.5 |
Sewage |
491 |
|
|
|
18.6 |
Built Infrastructure |
491 |
|
|
|
18.7 |
Stockpiles |
492 |
|
|
|
18.8 |
Waste Disposal |
493 |
|
|
|
18.9 |
Fuel |
505 |
|
|
|
18.10 |
Power Supply |
505 |
|
|
|
18.11 |
Water Supply |
508 |
|
| 18.12 |
Compressed Air |
508 |
||
|
|
18.13 |
Control Systems |
509 |
|
|
|
18.14 |
Communication Systems |
509 |
|
|
|
18.15 |
Camps and Accommodation |
510 |
|
|
|
18.16 |
Port Facilities |
510 |
|
|
19 |
MARKET STUDIES AND CONTRACTS |
511 |
||
|
|
19.1 |
Lithium Demand 2024 and Beyond |
511 |
|
|
|
19.2 |
Lithium Supply Forecast |
511 |
|
|
|
19.3 |
Lithium Price Forecast |
514 |
|
|
|
19.4 |
Contracts |
515 |
|
|
20 |
ENVIRONMENTAL STUDIES, PERMITTING AND SOCIAL OR COMMUNITY IMPACT |
517 |
||
|
|
20.1 |
Environmental Considerations |
517 |
|
|
|
20.2 |
Permitting Considerations |
521 |
|
|
|
20.3 |
Social Considerations |
522 |
|
|
|
20.4 |
Evaluation of Environmental Impacts and Mitigation Actions |
524 |
|
|
|
20.5 |
Waste and Water Management |
528 |
|
|
|
20.6 |
Relations with Stakeholders |
528 |
|
|
|
20.7 |
Rehabilitation and Closure Planning |
529 |
|
|
21 |
CAPITAL AND OPERATING COSTS – PHASE 1, PHASE 2 AND PHASE 3 |
532 |
||
|
|
21.1 |
Basis of Estimate |
532 |
|
|
|
21.2 |
CAPITAL COST SUMMARY |
532 |
|
|
|
21.3 |
Operating Cost Summary |
534 |
|
|
22 |
ECONOMIC ANALYSIS |
537 |
||
|
|
22.1 |
Economic Assumptions |
537 |
|
|
|
22.2 |
Phase 1 Economic Analysis |
539 |
|
|
|
22.3 |
Phase 2 Economic Analysis |
543 |
|
|
|
22.4 |
Phase 3 Economic Analysis |
549 |
|
|
|
22.5 |
Phase 1, 2 & 3 Economic Analysis |
555 |
|
|
23 |
ADJACENT PROPERTIES |
560 |
||
|
24 |
OTHER RELEVANT DATA AND INFORMATION |
561 |
||
|
25 |
INTERPRETATION AND CONCLUSIONS |
562 |
||
|
|
25.1 |
Conclusions |
562 |
|
|
|
25.2 |
Risk Evaluation |
566 |
|
|
|
25.3 |
Opportunities |
567 |
|
|
26 |
RECOMMENDATIONS |
568 |
||
|
|
26.1 |
Geology and Resources |
568 |
|
![]() |
| SGS Canada Inc. |
| Technical Report – Grota do Cirilo Lithium Project – Araçuai and Itinga Regions, Minas Gerais, Brazil |
|
27 |
REFERENCES |
|
569 |
![]() |
| SGS Canada Inc. |
| Technical Report – Grota do Cirilo Lithium Project – Araçuai and Itinga Regions, Minas Gerais, Brazil |
LIST OF TABLES
|
Table 1‑1: Grota do Cirilo Complete Mineral Resource Estimate 15th January 2025 |
9 |
|
Table 1‑2: NDC Deposit Mineral Resource Estimate |
10 |
|
Table 1‑3: Murial Deposit Mineral Resource Estimate |
10 |
|
Table 1‑4: Xuxa Deposit Mineral Resource Estimate |
10 |
|
Table 1‑5: Barreiro Deposit Mineral Resource Estimate |
11 |
|
Table 1‑6: Elvira Deposit Mineral Resource Estimate |
11 |
|
Table 1‑7: Sigma Consolidated Mineral Reserves Grota do Cirilo Project |
12 |
|
Table 1‑8: Xuxa Mineral Reserves |
13 |
|
Table 1‑9: Barreiro Mineral Reserves |
13 |
|
Table 1‑10: NDC-LDM Mineral Reserves |
13 |
|
Table 1‑11: Murial Mineral Reserves |
13 |
|
Table 1‑12 – Xuxa Waste Pile Storage |
16 |
|
Table 1‑13: Barreiro Waste Pile Storage |
16 |
|
Table 1‑14: NDC-LDM & Murial Waste Pile Capacity and Surface Area |
17 |
|
Table 1-15: Phase 1, 2 & 3 Capex |
22 |
|
Table 4‑1: Mineral Rights Description |
38 |
|
Table 4‑2: Property Tenure Summary |
40 |
|
Table 6‑1: Project History |
45 |
|
Table 9‑1: Channel Sampling Summary |
63 |
|
Table 9‑2: Grota do Cirilo Trench Sampling Summary |
65 |
|
Table 9‑3: Grota do Cirilo Property Prospects |
66 |
|
Table 9‑4: Genipapo Property Prospects |
68 |
|
Table 9‑5: Santa Clara Property Prospects |
69 |
|
Table 10‑1: Total Sigma Drill Holes to 18th January 2024 |
70 |
|
Table 10‑2: Total Xuxa Drilling |
71 |
|
Table 10‑3: Xuxa Example Drill Intercept Table |
71 |
|
Table 10‑4: Total Barreiro Drilling |
73 |
|
Table 10‑5: Barreiro Example Drill Intercept Table |
73 |
|
Table 10‑6: Total Lavra do Meio Drilling |
75 |
|
Table 10‑7: Lavra do Meio Example Drill Intercept Table |
75 |
|
Table 10‑8: Total Murial Drilling |
77 |
|
Table 10‑9: Murial Example Drill Intercept Table |
77 |
|
Table 10‑10: Nezinho do Chicão Drilling to December 1, 2021 |
79 |
|
Table 10‑11: Nezinho do Chicão Example Drill Intercept Table |
79 |
|
Table 10‑12: Total Maxixe Drilling |
81 |
|
Table 10‑13: Total Tamboril Drilling |
82 |
|
Table 10‑14: Total Elvira Drilling |
84 |
|
Table 11‑1: Specific Gravity of Lithium-Bearing Pegmatites |
89 |
|
Table 11‑2: Standard Average Li Values with Analytical Error |
92 |
|
Table 11‑3: Check Assay Original vs Control Samples |
98 |
|
Table 11‑4: Check Assay Original and Control Descriptive Statistics |
98 |
|
Table 11‑5: Standard Average Li Values with Analytical Error |
100 |
|
Table 11‑6: Standard Average Li Values with Analytical Error |
107 |
|
Table 11‑7: Standard Average Li Values with Analytical Error |
113 |
![]() |
| SGS Canada Inc. |
|
Technical Report – Grota do Cirilo Lithium Project – Araçuai and Itinga Regions, Minas Gerais, Brazil |
|
Table 11‑8: Standard Average Li Values with Analytical Error |
119 |
|
Table 12‑1: Witness Sample Mineralized Interval Comparison between SGS Geosol and SGS Lakefield |
126 |
|
Table 12‑2: Witness Sample Original vs Control Differences |
127 |
|
Table 12‑3: Witness Sample Original and Control Descriptive Statistics |
127 |
|
Table 13‑1: Chemical Analysis and WRA Results |
132 |
|
Table 13‑2: Bond Abrasion and Ball Mill Work Index Test Work Summary |
133 |
|
Table 13‑3: Average UCS and CWi |
133 |
|
Table 13‑4: Summary of Ore Sorter Test Work Results |
134 |
|
Table 13‑5: Summary of HLS Test Results on Variability Samples |
135 |
|
Table 13‑6: Coarse Fraction DMS results |
136 |
|
Table 13‑7: DMS Tailings Grades |
136 |
|
Table 13‑8: Fines Fraction DMS 2nd Pass SG Cut-Points |
138 |
|
Table 13‑9: Ultra-fine Fraction DMS Results |
138 |
|
Table 13‑10: Variability sample assays |
143 |
|
Table 13‑11: Semi-quantitative XRD analysis of the variability samples |
143 |
|
Table 13‑12: HLS Interpolated stage and global lithium recoveries (6% Li2O concentrate) for each variability sample |
144 |
|
Table 13‑13: Variability Sample 2 Global HLS Results |
145 |
|
Table 13‑14: Variability Sample 3 Global HLS Results |
145 |
|
Table 13‑15: Variability Sample 6 Global HLS Results |
146 |
|
Table 13‑16: Variability Sample 6 Global HLS Results with magnetic separation |
146 |
|
Table 13‑17: DMS and magnetic separation results by size fraction |
148 |
|
Table 13‑18: Var 2 Combined DMS stage results |
149 |
|
Table 13‑19: Var 3 Combined DMS stage results |
149 |
|
Table 13‑20: Var 6 Combined DMS stage results |
150 |
|
Table 13‑21: Var 2 Combined Global DMS results |
152 |
|
Table 13‑22: Var 3 Combined Global DMS results |
152 |
|
Table 13‑23: Var 6 Combined Global DMS results |
153 |
|
Table 13‑24: Summary of 2019 and 2021 DMS and magnetic separation concentrate grade and global recovery (including hypofines fraction) |
154 |
|
Table 13‑25: Estimates of DMS Circuit Recovery |
154 |
|
Table 13‑26: Summary of Global Recovery and Yield at 5.5% Li2O for 9.5 mm Top Size |
159 |
|
Table 13‑27: Description of Barreiro Variability Samples |
161 |
|
Table 13‑28: Variability Sample and Composite Sample Assays |
162 |
|
Table 13‑29: Semi-quantitative XRD analysis of the four variability samples and the composite sample |
162 |
|
Table 13‑30: Estimates of Lithium Deportment to Spodumene |
163 |
|
Table 13‑31: HLS Interpolated stage and global lithium recoveries (6% Li2O concentrate) for each crush size |
164 |
|
Table 13‑32: Semi-Quantitative XRD Analysis for Selected Samples (-10 mm crush size) |
166 |
|
Table 13‑33: HLS Interpolated Stage and Global Combined Lithium Recoveries (6% Li2O concentrate) for each Variability Sample |
166 |
|
Table 13‑34: Variability Sample 1 Global HLS Results |
168 |
|
Table 13‑35: Variability Sample 2 Global HLS Results |
168 |
|
Table 13‑36: Variability Sample 3 Global HLS Results |
169 |
|
Table 13‑37: Variability Sample 4 Global HLS Results |
169 |
![]() |
| SGS Canada Inc. |
| Technical Report – Grota do Cirilo Lithium Project – Araçuai and Itinga Regions, Minas Gerais, Brazil |
|
Table 13‑38 : Coarse fraction DMS stage results |
171 |
|
Table 13‑39 : Fines fraction DMS stage results |
171 |
|
Table 13‑40 : Ultrafines fraction DMS stage results |
171 |
|
Table 13‑41: Global DMS results by size fraction |
173 |
|
Table 13‑42: Global combined DMS results |
173 |
|
Table 13‑43: Global combined DMS results with middlings re-crush |
173 |
|
Table 13‑44: Summary of DMS concentrate grade and recovery |
174 |
|
Table 13‑45: DMS concentrate semi-quantitative XRD analysis |
174 |
|
Table 13‑46: Barreiro Global Recovery and Yield between 6% and 5.5% Li2O Product Grade |
175 |
|
Table 13‑47: Variability Sample and Composite Sample Assays |
177 |
|
Table 13‑48: Semi-quantitative XRD analysis of the three variability samples and the Master composite sample |
178 |
|
Table 13‑49: Estimates of Lithium Deportment to Spodumene and Petalite |
178 |
|
Table 13‑50: HLS Interpolated stage and global lithium recoveries (6% Li2O concentrate) for each crush size |
179 |
|
Table 13‑51: Summary of Master Composite HLS Tests with Dry Magnetic Separation for Optimum Crush Size |
180 |
|
Table 13‑52: High-Grade Variability Sample HLS Results |
182 |
|
Table 13‑53: Medium-Grade Variability Sample HLS Results |
182 |
|
Table 13‑54: Low-Grade Variability Sample HLS Results |
183 |
|
Table 13‑55: Mineral Mass Balance for Medium-Grade HLS |
183 |
|
Table 13‑56: Coarse fraction DMS stage results |
185 |
|
Table 13‑57: Fines fraction DMS stage results |
185 |
|
Table 13‑58: Ultrafines fraction DMS stage results |
185 |
|
Table 13‑59: DMS Global results (Master Composite) – 1st Trial |
187 |
|
Table 13‑60: DMS Global results (Master Composite) Combined – 1st Trial |
188 |
|
Table 13‑61: DMS Stage results (Master Composite) Combined – 1st Trial |
188 |
|
Table 13‑62: DMS Global results (Master Composite) – 2nd Trial |
189 |
|
Table 13‑63: DMS Global results (Master Composite) Combined – 2nd Trial |
190 |
|
Table 13‑64: DMS Stage results (Master Composite) Combined – 2nd Trial |
190 |
|
Table 13‑65: Sample Details |
192 |
|
Table 13‑66: Chemical Analysis Results |
192 |
|
Table 13‑67: Semi-Quantitative XRD Analysis |
193 |
|
Table 13‑68: relative Distribution of Spodumene and Petalite |
193 |
|
Table 13‑69: Li2O distribution and % of Li2O from Spodumene in the Feed |
193 |
|
Table 13‑70: Size Fraction and Chemical Analysis results |
194 |
|
Table 13‑71: Metallurgical Balance for Sample MET-SS1-HS-3279 for the 9.5mm to 6.35mm Size Fraction |
195 |
|
Table 13‑72: Cumulative Li2O Recovery and Mass Pull for Sample MET-SS1-HS-3279 for the 9.5mm to 6.35mm Size Fraction |
195 |
|
Table 13‑73: Estimated Densities for 5.5% and 5.3% Li2O Concentrate |
196 |
|
Table 13‑74: HLS Results for 5.5% Li2O Lithium Oxide Concentrate |
197 |
|
Table 13‑75: HLS Results for 5.3% Li2O Lithium Oxide Concentrate |
197 |
|
Table 13‑76: HLS Results for Petalite Concentrate |
198 |
|
Table 13‑77: DMS Feed Results |
199 |
|
Table 13‑78: Global Feed Results |
199 |
![]() |
| SGS Canada Inc. |
| Technical Report – Grota do Cirilo Lithium Project – Araçuai and Itinga Regions, Minas Gerais, Brazil |
|
Table 13‑79: Petalite DMS Results |
200 |
|
Table 13‑80: Comparison of Petalite Results for HLS and DMS |
200 |
|
Table 13‑81: Overall Li2O Recovery Results from the DMS Feed |
201 |
|
Table 13‑82: : Overall Li2O Recovery Results Considering a Global Feed |
201 |
|
Table 13‑83: Sample Details |
202 |
|
Table 13‑84: Chemical Analysis Results |
203 |
|
Table 13‑85: Semi-Quantitative XRD Analysis |
203 |
|
Table 13‑86: Size Fraction and Chemical Analysis results |
204 |
|
Table 13‑87: Metallurgical Balance of Sample MET-SS2-HS-4720 at the 9.5mm to 6.35mm Size Fractions |
205 |
|
Table 13‑88: Cumulative Li2O Recovery and Mass Pull of Sample MET-SS2-HS-4720 at the 9.5mm to 6.35mm Size Fractions |
205 |
|
Table 13‑89: Estimated Densities for 5.5% and 5.3% Li2O Concentrate for Sample MET-SS2-HS-4720 at the 9.5mm to 6.35mm Size Fractions |
206 |
|
Table 13‑90: DMS Feed Results by Rougher and Scavenger |
207 |
|
Table 13‑91: DMS Feed Results |
208 |
|
Table 13‑92: Global Feed Results |
208 |
|
Table 14‑1: Consolidated Mineral Resources for the Grota do Cirilo Project |
209 |
|
Table 14‑2: NDC Assay Statistics Inside Mineralized Solids |
213 |
|
Table 14‑3: Lavra do Meio Assay Statistics Inside Mineralized Solids |
214 |
|
Table 14‑4: Maxixe Assay Statistics Inside Mineralized Solids |
214 |
|
Table 14‑5: Tamboril Assay Statistics Inside Mineralized Solids |
215 |
|
Table 14‑6: NDC 1 m Composite Statistics |
215 |
|
Table 14‑7: Lavra do Meio 1 m Composite Statistics |
216 |
|
Table 14‑8: Maxixe 1 m Composite Statistics |
216 |
|
Table 14‑9: Tamboril 1 m Composite Statistics |
217 |
|
Table 14‑10: Resource Block Model Parameters |
221 |
|
Table 14‑11: Search Ellipses for respective Block Models |
222 |
|
Table 14‑12: NDC Pit Optimization Parameters |
235 |
|
Table 14‑13: NDC Deposit Mineral Resource Estimate |
236 |
|
Table 14‑14 – Murial Assay Statistics Inside Mineralized Solids |
238 |
|
Table 14‑15: Murial 1 m Composite Statistics |
238 |
|
Table 14‑16: Murial Resource Block Model Parameters |
240 |
|
Table 14‑17: Murial Parameters for Reasonable Prospect for Eventual Economic Extraction |
246 |
|
Table 14‑18: Murial Deposit Mineral Resource Estimate |
248 |
|
Table 14‑19: Elvira Assay Statistics Inside Mineralized Solids |
251 |
|
Table 14‑20: Elvira 1 m Composite Statistics |
251 |
|
Table 14‑21: Elvira Resource Block Model Parameters |
253 |
|
Table 14‑22: Elvira Parameters for Reasonable Prospect for Eventual Economic Extraction |
257 |
|
Table 14‑23: Elvira Deposit Mineral Resource Estimate |
258 |
|
Table 14‑24: Barreiro Assay Statistics Inside Mineralized Solids |
260 |
|
Table 14‑25: Barreiro 1 m Composite Statistics |
260 |
|
Table 14‑26: Barreiro Resource Block Model Parameters |
262 |
|
Table 14‑27: Barreiro Pit Optimization Parameters |
268 |
|
Table 14‑28: Barreiro Deposit Mineral Resource Estimate |
270 |
|
Table 14‑29: Xuxa Assay Statistics Inside Mineralized Solids |
272 |
![]() |
| SGS Canada Inc. |
| Technical Report – Grota do Cirilo Lithium Project – Araçuai and Itinga Regions, Minas Gerais, Brazil |
|
Table 14‑30: Xuxa 1 m Composite Statistics |
272 |
|
Table 14‑31: Xuxa Resource Block Model Parameters |
274 |
|
Table 14‑32: Xuxa Parameters for Reasonable Prospect for Eventual Economic Extraction |
280 |
|
Table 14‑33: Xuxa Resource Depletion to the 31st December 2024 |
282 |
|
Table 14‑34: Xuxa Deposit Mineral Resource Estimate |
283 |
|
Table 15‑1: Consolidated Mineral Reserve for the Grota do Cirilo Project |
284 |
|
Table 15‑2: Technical and Economic Parameters Used in the Final Xuxa Pit Optimization |
287 |
|
Table 15‑3: Xuxa Underground Optimization Parameters |
288 |
|
Table 15‑4: Xuxa Geotechnical Pit Slope Design Criteria |
290 |
|
Table 15‑5: Xuxa Mineral Reserves |
293 |
|
Table 15‑6: Technical and Economic Parameters Used in the Final Barreiro Pit Optimization |
296 |
|
Table 15‑7: Barreiro Geotechnical Pit Slope Design Criteria |
298 |
|
Table 15‑8: Barreiro Dilution Analysis |
301 |
|
Table 15‑9: Barreiro Nested Pit Optimization Results |
304 |
|
Table 15‑10: Barreiro Open Pit Operational Design Parameters |
305 |
|
Table 15‑11: Barreiro Pit Final Optimization Ore and Waste |
307 |
|
Table 15‑12: Barreiro Mineral Reserves |
309 |
|
Table 15‑13: Technical and Economic Parameters Used in the Final NDC-LDM Pit Optimization |
312 |
|
Table 15‑14: Technical and Economic Parameters Used in the Final Murial Pit Optimization |
313 |
|
Table 15‑15: NDC Geotechnical Pit Slope Design Criteria |
314 |
|
Table 15‑16: Dilution Analysis |
318 |
|
Table 15‑17: NDC-LDM Nested Pit Optimization Results |
320 |
|
Table 15‑18: Murial Nested Pit Optimization Results |
321 |
|
Table 15‑19: Parameters for the Pit Operational Design |
323 |
|
Table 15‑20: Final NDC-LDM Operational Pit Summary |
324 |
|
Table 15‑21: Final Murial Operational Pit Summary |
324 |
|
Table 15‑22: NDC-LDM Mineral Reserves |
325 |
|
Table 15‑23: Murial Mineral Reserves |
326 |
|
Table 16‑1: Xuxa Geotechnical Slope Results Designed Pit |
328 |
|
Table 16‑2: Xuxa Water Levels Reached in the Drawdown Numerical Model Simulation |
329 |
|
Table 16‑3: Simulated Dewatering Streamflow (Annual Average) |
329 |
|
Table 16‑4: Xuxa Designed Mine Sequencing |
331 |
|
Table 16‑5: List of Main Equipment to be used in the Operation of the Xuxa Pits |
332 |
|
Table 16‑6: Xuxa Staffing Requirement Summary |
334 |
|
Table 16‑7: Cut-Off Grade Assumptions for Xuxa Underground |
337 |
|
Table 16‑8: Xuxa Underground Lateral Development Design Assumptions |
338 |
|
Table 16‑9: Xuxa Underground Longhole Stope Design Assumptions |
339 |
|
Table 16‑10: Xuxa Underground Dilution and Recovery Summary |
340 |
|
Table 16‑11: Xuxa Underground Annual Development Metres |
341 |
|
Table 16‑12: Xuxa Underground Production Schedule |
343 |
|
Table 16‑13: Xuxa Underground Ventilation Demand Estimate |
345 |
|
Table 16‑14: Xuxa Underground Mobile Equipment Fleet |
347 |
|
Table 16‑15: Xuxa Underground Mine Labour |
348 |
|
Table 16‑16: Uniaxial Compression Test (UCS) Results Barreiro Pit |
351 |
|
Table 16‑17: Direct Shear Test Results Barreiro Pit |
351 |
![]() |
| SGS Canada Inc. |
| Technical Report – Grota do Cirilo Lithium Project – Araçuai and Itinga Regions, Minas Gerais, Brazil |
|
Table 16‑18: Barreiro Slope Stability Analysis |
356 |
|
Table 16‑19: Barreiro Recommended Pit Slope Geometry |
360 |
|
Table 16‑20: Survey results of groundwater levels in Barreiro exploration drillholes |
363 |
|
Table 16‑21: Depth values of saprolite-fresh rock boundary Barreiro drill holes |
365 |
|
Table 16‑22: Average climatic data for Araçuaí (1981-2010) |
367 |
|
Table 16‑23: Barreiro Designed Mine Sequence |
369 |
|
Table 16‑24: Barreiro Schedule of Primary Mining Equipment |
376 |
|
Table 16‑25: Ore and Waste Production and percentage of material to be blasted Barreiro Pit |
377 |
|
Table 16‑26: Drilling Equipment for Barreiro Pit |
378 |
|
Table 16‑27: Barreiro Staffing Schedule |
382 |
|
Table 16‑28: Barreiro Preliminary Drill and Blast Plan - Ore |
389 |
|
Table 16‑29: Barreiro Preliminary Drill and Blast Plan – Waste |
390 |
|
Table 16‑30: Barreiro Recommended Drill Rig |
391 |
|
Table 16‑31: Barreiro Preliminary Calculations for Drilling Requirements |
392 |
|
Table 16‑32: Barreiro Estimated Annual Consumption of Explosives - Ore |
394 |
|
Table 16‑33: Barreiro Estimated Annual Consumption of Explosives - Waste |
395 |
|
Table 16‑34: Results of laboratory tests in rock (UCS), 2022 campaign |
399 |
|
Table 16‑35: Results of tests after outlier treatment and adopted as test parameters UCS |
400 |
|
Table 16‑36: Average direction of slopes in sectors and general slope geometry |
401 |
|
Table 16‑37: Result of limit equilibrium analysis |
410 |
|
Table 16‑38: Drainage Point Inspection List and Details |
421 |
|
Table 16‑39: Groundwater Levels in NDC Drillholes |
423 |
|
Table 16‑40: Holes selected for installation of piezometers in the rock mass |
429 |
|
Table 16‑41: Holes selected for installation of piezometers in roofing material and saprolite |
429 |
|
Table 16‑42: NDC-LDM and Murial Mine Sequencing (Dry Basis) |
432 |
|
Table 16‑43: NDC-LDM Production Schedule (Year 1-2) Quarterly |
433 |
|
Table 16‑44: NDC-LDM Production Schedule (Year 3-16) |
433 |
|
Table 16‑45: Murial Production Schedule (Year 16-21) |
434 |
|
Table 16‑46: Schedule of Primary Mining Equipment (Year 1-12) |
440 |
|
Table 16‑47: Ore and Waste Wet Basis Production and percentage of material to be blasted (Year 1-12) |
441 |
|
Table 16‑48: Drilling Equipment for NDC-LDM Pit |
442 |
|
Table 16‑49: NDC-LDM Staffing (Years 1-12) |
445 |
|
Table 16‑50: Preliminary Blasting Plan: Ore |
451 |
|
Table 16‑51: Preliminary Blasting Plan: Waste |
452 |
|
Table 16‑52: List of Selected Equipment |
453 |
|
Table 17‑1: High-Level Mass Balance for Scenario 1, 2 and 3 |
456 |
|
Table 17‑2 – Xuxa Operating Parameters |
464 |
|
Table 17‑3: Xuxa Design Basis and Mass Balance Summary |
464 |
|
Table 17‑4: Xuxa Operating Hours for Main Facilities |
466 |
|
Table 17‑5: Barreiro Operating Parameters |
472 |
|
Table 17‑6: Barreiro Design Basis and Mass Balance Summary |
472 |
|
Table 17‑7: NDC Operating Parameters |
480 |
|
Table 17‑8: NDC Design Basis and Mass Balance Summary |
480 |
|
Table 18‑1 – Infrastructure Summary Table |
491 |
|
Table 18‑2: Xuxa Waste Pile Parameters for Stability Analysis |
497 |
![]() |
| SGS Canada Inc. |
| Technical Report – Grota do Cirilo Lithium Project – Araçuai and Itinga Regions, Minas Gerais, Brazil |
|
Table 18‑3: Safety Factor from Xuxa Waste Pile Stability Analysis |
497 |
|
Table 18‑4: Xuxa Waste Pile Design Parameters |
498 |
|
Table 18‑5: Xuxa Waste Pile Capacities and Surfaces Areas |
499 |
|
Table 18‑6: Barreiro Waste Pile Design Parameters |
501 |
|
Table 18‑7: Barreiro Waste Pile Capacity and Surface Area |
501 |
|
Table 18‑8: NDC-LDM & Murial Waste Pile Design Parameters |
504 |
|
Table 18‑9: NDC-LDM Waste Pile Capacity and Surface Area |
504 |
|
Table 18‑10 –Murial Waste Pile Capacity and Surface Area |
507 |
|
Table 20‑1: Environmental Studies Completed on Grota do Cirilo Project |
517 |
|
Table 20‑2 – Granted Environmental Permits |
518 |
|
Table 20‑3 – Baseline Studies |
519 |
|
Table 20‑4 – Environmental Permit Requests |
521 |
|
Table 20‑5: Applicable Environmental Compensation |
521 |
|
Table 20‑6: Water Usage Permits |
522 |
|
Table 20‑7: Community Relations Meetings by Year |
523 |
|
Table 20‑8: Environmental Education Programs by Year |
524 |
|
Table 20‑9 – Environmental Impact Minimization Measures |
525 |
|
Table 20‑10 – Environmental Impact Minimization Measures |
529 |
|
Table 21‑1: Phase 1, 2 & 3 Capex |
532 |
|
Table 21‑2: Phase 1, 2 & 3 Opex |
534 |
|
Table 21‑3: Phase 1, 2 & 3 Processing Opex Cost Breakdown |
534 |
|
Table 21‑4: Phase 1, 2 & 3 Mining Opex Cost Breakdown |
536 |
|
Table 22‑1 – Base Case After-Tax NPVs |
537 |
|
Table 22‑2: Phase 1 Base Case Scenario Results |
539 |
|
Table 22‑3: Key Phase 1 Technical Assumptions |
539 |
|
Table 22‑4: Phase 1 Estimated Revenue and Operating Costs |
541 |
|
Table 22‑13: Phase 1, 2 & 3 Estimated Revenue and Operating Costs |
557 |
|
Table 25‑1 – Capital Cost Estimate Summary Phase 1 |
564 |
|
Table 25‑2: Capital Cost Estimate Summary Phase 2 & 3 |
565 |
|
Table 25‑3 – Phase 1 Operating Cost Estimate Summary |
566 |
|
Table 25‑4: Phase 2 & 3 Operating Cost Estimate Summary |
566 |
![]() |
| SGS Canada Inc. |
| Technical Report – Grota do Cirilo Lithium Project – Araçuai and Itinga Regions, Minas Gerais, Brazil |
LIST OF FIGURES
|
Figure 2‑1: Project Location |
30 |
|
Figure 4‑1: Project Properties - Genipapo, Grota do Cirilo, Santa Clara and São José |
36 |
|
Figure 4‑2: Project Mineral Rights, North and South Complexes |
39 |
|
Figure 7‑1: Regional Geologic Map (after Pedrosa-Soares et al., 2008) |
50 |
|
Figure 7‑2: Local Geology Map, Itinga Pegmatite Field, Aracuai District |
51 |
|
Figure 7‑3: Historical Workings and Pegmatite Dike Swarms within Grota Do Cirilo Property |
52 |
|
Figure 7‑4: Xuxa Cross Section (looking northeast) |
53 |
|
Figure 7‑5: Barreiro Cross Section (looking northeast) |
54 |
|
Figure 7‑6: Lavra do Meio Cross Section (looking north) |
55 |
|
Figure 7‑7: Nezinho Do Chicão Cross Section (looking northeast) |
56 |
|
Figure 7‑8: Murial Cross Section (looking north) |
57 |
|
Figure 7‑9: Maxixe and Tamboril Cross Section (looking north) |
58 |
|
Figure 8‑1: Generalized Schematic Representation LCT Pegmatite |
61 |
|
Figure 9‑1: Grota do Cirilo Satellite Image |
63 |
|
Figure 9‑2: Channel Samples at Murial Mine |
64 |
|
Figure 10‑1: Plan View of the Drilling at Xuxa (2017 blue collars and 2018 black collars) |
72 |
|
Figure 10‑2: Longitudinal View of the Drilling at Xuxa |
72 |
|
Figure 10‑3: Plan View of the Drilling at Barreiro |
74 |
|
Figure 10‑4: Longitudinal View of the Drilling at Barreiro |
74 |
|
Figure 10‑5 – Plan View of the Drilling at Lavra do Meio |
76 |
|
Figure 10‑6: Longitudinal View of the Drilling at Lavra do Meio |
76 |
|
Figure 10‑7: Plan View of the Drilling at Murial |
78 |
|
Figure 10‑8: Longitudinal View of the Drilling at Murial |
78 |
|
Figure 10‑9: Plan View of the Drilling at Nezinho do Chicão |
80 |
|
Figure 10‑10: Longitudinal View of the Drilling at Nezinho do Chicão |
80 |
|
Figure 10‑11: Plan View of the Drilling at Maxixe |
81 |
|
Figure 10‑12: Longitudinal View of the Drilling at Maxixe |
82 |
|
Figure 10‑13: Plan View of the Drilling at Tamboril |
83 |
|
Figure 10‑14: Longitudinal View of the Drilling at Tamboril |
83 |
|
Figure 10‑15: Plan View of the Drilling at Elvira |
84 |
|
Figure 10‑16: Longitudinal View of the Drilling at Elvira |
85 |
|
Figure 11‑1: Standard Sample Analysis Results for the 2017–2018 Batch with Standard AMIS0338 |
92 |
|
Figure 11‑2: Standard Sample Analyses Results for the 2017–2018 Batch with Standard AMIS0339 |
93 |
|
Figure 11‑3: Standard Sample Analyses Results for the 2017–2018 Batch with Standard AMIS0341 |
93 |
|
Figure 11‑4: Standard Sample Analyses Results for the 2017–2018 Batch with Standard AMIS0342 |
94 |
|
Figure 11‑5: Standard Sample Analyses Results for the 2017–2018 Batch with Standard AMIS0343 |
94 |
|
Figure 11‑6: Standard Sample Analyses Results for the 2017–2018 Batch with Standard AMIS0408 |
95 |
|
Figure 11‑7: Blank Sample Analyses from the 2017–2018 Campaign |
96 |
|
Figure 11‑8: Scatterplot of Core Duplicates |
97 |
|
Figure 11‑9: Correlation Between Original Samples and Pulp Duplicates |
97 |
|
Figure 11‑10: Check Assay Correlation Between Original Samples and Pulp Duplicates |
99 |
|
Figure 11‑11: Check Assay Distribution of the Difference Between Original Results and Pulp Duplicates |
99 |
|
Figure 11‑12: Standard Sample Analysis Results for the 2021 Batch with Standard AMIS0341 |
101 |
|
Figure 11‑13: Standard Sample Analysis Results for the 2021 Batch with Standard AMIS0342 |
101 |
![]() |
| SGS Canada Inc. |
| Technical Report – Grota do Cirilo Lithium Project – Araçuai and Itinga Regions, Minas Gerais, Brazil |
|
Figure 11‑14: Standard Sample Analysis Results for the 2021 Batch with Standard AMIS0343 |
102 |
|
Figure 11‑15: Standard Sample Analysis Results for the 2021 Batch with Standard AMIS0408 |
102 |
|
Figure 11‑16: Blank Sample Analyses from the 2021 Campaign |
103 |
|
Figure 11‑17: Correlation Between 2021 Original Samples and Coarse Duplicates |
104 |
|
Figure 11‑18: Correlation Between 2021 Original Samples and Pulp Duplicates |
105 |
|
Figure 11‑19: 2021 Check Assay Correlation Between SGS Originals and ALS Duplicates |
106 |
|
Figure 11‑20: Check Assay Distribution of the Difference Between SGS Originals and ALS Duplicates |
106 |
|
Figure 11‑21: Standard Sample Analysis Results for the 2021-2022 NDC Batch with Standard AMIS0341 |
108 |
|
Figure 11‑22: Standard Sample Analysis Results for the 2021-2022 NDC Batch with Standard AMIS0342 |
108 |
|
Figure 11‑23: Standard Sample Analysis Results for the 2021-2022 NDC Batch with Standard AMIS0343 |
109 |
|
Figure 11‑24: Standard Sample Analysis Results for the 2021-2022 NDC Batch with Standard AMIS0343 |
109 |
|
Figure 11‑25: Blank Sample Analyses from the 2021-2022 NDC Campaign |
110 |
|
Figure 11‑26: Correlation Between 2021-2022 NDC Original Samples and Coarse Duplicates |
111 |
|
Figure 11‑27: Correlation Between 2021-2022 NDC Original Samples and Pulp Duplicates |
111 |
|
Figure 11‑28: 2021-2022 NDC Check Assay Correlation Between SGS Originals and ALS Duplicates |
112 |
|
Figure 11‑29: Standard Sample Analysis Results for the 2022-2023 Murial Batch with Standard AMIS0341 |
113 |
|
Figure 11‑30: Standard Sample Analysis Results for the 2022-2023 Murial Batch with Standard AMIS0342 |
114 |
|
Figure 11‑31: Standard Sample Analysis Results for the 2022-2023 Murial Batch with Standard AMIS0408 |
114 |
|
Figure 11‑32: Standard Sample Analysis Results for the 2022-2023 Murial Batch with Standard AMIS0565 |
115 |
|
Figure 11‑33: Blank Sample Analyses from the 2022-2023 Murial Campaign |
116 |
|
Figure 11‑34: Correlation Between 2022-2023 Murial Original Samples and Coarse Duplicates |
117 |
|
Figure 11‑35: Correlation Between 2022-2023 Murial Original Samples and Pulp Duplicates |
117 |
|
Figure 11‑36: 2022-2023 Murial Check Assay Correlation Between SGS Originals and ALS Duplicates |
118 |
|
Figure 11‑37: Standard Sample Analysis Results for the 2023 l Batch with Standard AMIS0342 |
119 |
|
Figure 11‑38: Standard Sample Analysis Results for the 2023 Batch with Standard AMIS0408 |
120 |
|
Figure 11‑39: Standard Sample Analysis Results for the 2023 Batch with Standard AMIS0565 |
120 |
|
Figure 11‑40: Blank Sample Analyses from the 2023 Campaign |
121 |
|
Figure 11‑41: Correlation Between 2023 Original Samples and Coarse Duplicates |
122 |
|
Figure 11‑42: Correlation Between 2023 Original Samples and Pulp Duplicates |
122 |
|
Figure 11‑43: 2023 Check Assay Correlation Between SGS Originals and ALS Duplicates |
123 |
|
Figure 12‑1: Witness Sample Original vs Control Sample Differences |
127 |
|
Figure 12‑2: Witness Sample Original vs Control Sample Differences Frequency Distribution |
128 |
|
Figure 12‑3: Witness Sample Original vs Control Sample Differences Correlation Analysis |
128 |
|
Figure 13‑1: Overview of Typical Stage 1 Test work Flowsheet |
130 |
|
Figure 13‑2: Sample Preparation Diagram for Stage 1 Variability Samples |
131 |
|
Figure 13‑3: Effect of Combining Coarse DMS and -3.3 mm Middlings HLS Concentrates |
137 |
|
Figure 13‑4: Xuxa Main Pegmatite and Second Pegmatite Sampled in 2018 |
141 |
|
Figure 13‑5: Petalite Distribution (%) in Xuxa Block Model (Plan View Looking North) |
142 |
|
Figure 13‑6: Comparative Results for 5.5% and 6.0% Li2O Global Recovery for 9.5 mm Top Size |
156 |
|
Figure 13‑7: Relative Increase in Global Li2O Recovery for 9.5 mm Top Size |
157 |
|
Figure 13‑8: Comparative Results for 5.5% and 6.0% Li2O Global Yield for 9.5 mm Top Size |
158 |
|
Figure 13‑9: Relative Increase in Global Li2O Yield for 9.5 mm Top Size |
159 |
|
Figure 13‑10: Lithium (Li2O) Grade and Localization of the Drill Holes used to produce the Barreiro Variability Samples |
160 |
|
Figure 13‑11: BBWi of the Composite Sample compared to the SGS Database |
163 |
![]() |
| SGS Canada Inc. |
| Technical Report – Grota do Cirilo Lithium Project – Araçuai and Itinga Regions, Minas Gerais, Brazil |
|
Figure 13‑12: Ai of Var 3 compared to the SGS Database |
164 |
|
Figure 13‑13: Cumulative Lithium Grade - Stage Recovery Curves for HLS Tests |
165 |
|
Figure 13‑14: Cumulative Lithium Grade – Global Recovery Curves for HLS Tests |
165 |
|
Figure 13‑15: Lithium (Li2O) Grade and Localization of the Drill Holes used to produce the NDC Variability Samples |
177 |
|
Figure 13‑16: Master Composite Cumulative Lithium Grade - Stage Recovery Curves for HLS Tests |
179 |
|
Figure 13‑17: Master Composite Cumulative Lithium Grade - Global Recovery Curves for HLS Tests |
180 |
|
Figure 13‑18: Li2O, Li2O Recovery and Mass Pull for Sample MET-SS1-HS-3279 for the 9.5mm to 6.35mm Size Fraction |
196 |
|
Figure 13‑19: Li2O, Li2O Recovery and Mass Pull with the Different Densities for Sample MET-SS2-HS-4720 at the 9.5mm to 6.35mm Size Fractions |
206 |
|
Figure 14‑1: NDC Drill Hole Collar Locations |
210 |
|
Figure 14‑2: Lavra Do Meio Drill Hole Collar Locations |
211 |
|
Figure 14‑3: Maxixe Drill Hole Collar Locations |
212 |
|
Figure 14‑4: Tamboril Drill Hole Collar Locations |
213 |
|
Figure 14‑5: NDC Pegmatite Solid (looking west-northwest) |
218 |
|
Figure 14‑6: Lavra do Meio Pegmatite Solid |
218 |
|
Figure 14‑7: Maxixe Pegmatite Solid |
219 |
|
Figure 14‑8: Tamboril Pegmatite Solid |
219 |
|
Figure 14‑9: Plan view of the NDC deposit showing all pegmatites |
220 |
|
Figure 14‑10: NDC Combined Correlogram |
221 |
|
Figure 14‑11: Isometric View of NDC North Search Ellipsoids |
223 |
|
Figure 14‑12: Isometric View of the NDC Interpolated Block Model |
223 |
|
Figure 14‑13: Isometric View of Lavra Do Meio Interpolated Block Model |
224 |
|
Figure 14‑14: Isometric View of Maxixe Interpolated Block Model |
224 |
|
Figure 14‑15: Isometric View of Tamboril Interpolated Block Model |
225 |
|
Figure 14‑16: Isometric view of the complete NDC pegmatites |
225 |
|
Figure 14‑17: Statistical Comparison of NDC Assay, Composite and Block Data |
226 |
|
Figure 14‑18: Comparison NDC Block Values Versus Composites Inside Blocks |
227 |
|
Figure 14‑19: Statistical Comparison of Lavra Do Meio Assay, Composite and Block Data |
227 |
|
Figure 14‑20: Lavra Do Meio Block Values Versus Composites Inside Those Blocks |
228 |
|
Figure 14‑21: Statistical Comparison of Maxixe Assay, Composite and Block Data |
229 |
|
Figure 14‑22: Maxixe Block Values Versus Composites Inside Those Blocks |
229 |
|
Figure 14‑23: Statistical Comparison of Tamboril Assay, Composite and Block Data |
230 |
|
Figure 14‑24: Tamboril Block Values Versus Composites Inside Those Blocks |
231 |
|
Figure 14‑25: NDC Block Model Classification |
232 |
|
Figure 14‑26: Lavra Do Meio Block Model Classification |
232 |
|
Figure 14‑27: Maxixe Block Model Classification |
233 |
|
Figure 14‑28: Tamboril Block Model Classification |
233 |
|
Figure 14‑29: Isometric view of the classified NDC pegmatites |
234 |
|
Figure 14‑30: NDC Deposit Mineral Resource Block Model and Revenue Factor 1 Pit |
235 |
|
Figure 14‑31: Murial Drill Hole Collar Location |
237 |
|
Figure 14‑32: Murial Pegmatite Solid (looking west) |
239 |
|
Figure 14‑33: Murial South Combined Correlogram |
240 |
|
Figure 14‑34: Isometric View of the Murial South Search Ellipsoids |
241 |
![]() |
| SGS Canada Inc. |
| Technical Report – Grota do Cirilo Lithium Project – Araçuai and Itinga Regions, Minas Gerais, Brazil |
|
Figure 14‑35: Isometric View of Murial Interpolated Block Model |
242 |
|
Figure 14‑36: Statistical Comparison of Murial Assay, Composite and Block Data |
243 |
|
Figure 14‑37: Comparison Murial Block Values Versus Composites Inside Blocks |
244 |
|
Figure 14‑38: Murial Block Model Classification |
245 |
|
Figure 14‑39: Murial Deposit Open Pit Mineral Resource Block Model and Revenue Factor 1 Pit |
246 |
|
Figure 14‑40: Murial Deposit Underground Mineral Resource Block Model (Looking North) |
247 |
|
Figure 14‑41: Isometric View of NDC-Murial Interpolated Block Model |
247 |
|
Figure 14‑42: Elvira Drill Hole Collar Locations |
250 |
|
Figure 14‑43: Elvira Pegmatite Solid |
252 |
|
Figure 14‑44: Isometric View of Elvira Search Ellipses |
254 |
|
Figure 14‑45: Isometric View of Elvira Interpolated Block Model |
254 |
|
Figure 14‑46: Statistical Comparison of Elvira Assay, Composite and Block Data |
255 |
|
Figure 14‑47: Elvira Block Model Classification |
256 |
|
Figure 14‑48: Elvira Deposit Mineral Resource Block Model and Revenue Factor 1 Pit |
257 |
|
Figure 14‑49: Barreiro Drillhole Collar Locations |
259 |
|
Figure 14‑50: Barreiro 1 m Composite Histogram |
261 |
|
Figure 14‑51: Sectional Interpretations of the Barreiro Pegmatite Unit (looking north and west) |
262 |
|
Figure 14‑52: Barreiro Combined Correlogram |
263 |
|
Figure 14‑53: Isometric View of Barreiro Search Ellipses |
264 |
|
Figure 14‑54: Isometric View of the Barreiro Interpolated Block Model |
265 |
|
Figure 14‑55: Statistical Comparison of Barreiro Assay, Composite and Block Data |
265 |
|
Figure 14‑56: Barreiro Block Values Versus Composites Inside Those Blocks |
266 |
|
Figure 14‑57: Barreiro Block Model Classification |
267 |
|
Figure 14‑58: Isometric View Looking Northeast: Barreiro Deposit Mineral Resource Block Grades and Revenue Factor 1 Pit |
269 |
|
Figure 14‑59: Xuxa Drill Hole Collar Locations (2017 collars shown in blue and 2018 collars shown in black) |
271 |
|
Figure 14‑60: Xuxa 1 m Composite Histogram |
273 |
|
Figure 14‑61: Xuxa Pegmatite Solid (looking southeast) |
274 |
|
Figure 14‑62: Xuxa Combined Correlogram |
275 |
|
Figure 14‑63: Isometric View of Xuxa Search Ellipsoids |
276 |
|
Figure 14‑64: Isometric View of the Xuxa Interpolated Block Model |
277 |
|
Figure 14‑65: Statistical Comparison of Xuxa Assay, Composite and Block Data |
278 |
|
Figure 14‑66: Comparison Xuxa Block Values Versus Composites Inside Blocks |
278 |
|
Figure 14‑67: Xuxa Block Model Classification |
279 |
|
Figure 14‑68: Xuxa Deposit Open Pit Mineral Resource Block Model and Revenue Factor 1 Pit |
281 |
|
Figure 14‑69: Xuxa Deposit Underground Mineral Resource Block Model |
281 |
|
Figure 15‑1: Final Xuxa Mine Configuration |
286 |
|
Figure 15‑2: Xuxa North and South Pit Geotechnical Sectors |
289 |
|
Figure 15‑3: Grade x Tonnage Curve with Selectivity Results Based on Local Uniform Conditioning Estimate |
292 |
|
Figure 15‑4: Final Barreiro Mine Configuration |
295 |
|
Figure 15‑5: Barreiro Pit Geotechnical Sectors |
297 |
|
Figure 15‑6: Barreiro Grade x Tonnage Curve with Selectivity Results Based on Local Uniform Conditioning Estimate |
300 |
![]() |
| SGS Canada Inc. |
| Technical Report – Grota do Cirilo Lithium Project – Araçuai and Itinga Regions, Minas Gerais, Brazil |
|
Figure 15‑7: Cross-Section Showing the Original Pegmatite (brown line) and the One Reduced At 1 M from the Edge (white line). Blocks are Coloured Blue to Red in Relation to their Partial Percentage within the Reduced Solid (Blue = 0%, Red = 100%) |
301 |
|
Figure 15‑8: Schematic Representation of the Dilution Analysis |
302 |
|
Figure 15‑9: Barreiro Tonnage vs Partial Percentage Curves |
302 |
|
Figure 15‑10: Barreiro Nested Pit Tonnage and NPV |
304 |
|
Figure 15‑11: Barreiro Pit Wall Configuration |
306 |
|
Figure 15‑12: Barreiro Pit Ramp Design |
307 |
|
Figure 15‑13: Barreiro Final Operational Pit Design |
308 |
|
Figure 15‑14: Final Nezinho do Chicão Mine Configuration |
311 |
|
Figure 15‑15: Arqueana and CBL Tenement Boundaries with respect to the Murial Pit |
314 |
|
Figure 15‑16: Cross-Section Showing the Original Pegmatite and the One Reduced At 1 m from the Edge. Blocks are Coloured Blue to Red in Relation to their Partial Percentage within the Reduced Solid (Blue = 0%, Red = 100%) |
317 |
|
Figure 15‑17: Bench Cross-Section |
317 |
|
Figure 15‑18: Tonnage vs Partial Percentage Curves |
318 |
|
Figure 15‑19: NDC-LDM Nested Pits Tonnage and NPV Graph |
321 |
|
Figure 15‑20: Murial Nested Pits Tonnage and NPV Graph |
322 |
|
Figure 15‑21: Pit Wall Configuration |
323 |
|
Figure 15‑22: Ramp Design |
324 |
|
Figure 15‑23: Final Operational NDC-LDM and Murial Pits |
325 |
|
Figure 16‑1: Xuxa North and South Pits with Geotechnical Sectors |
327 |
|
Figure 16‑2: Regional Hydrogeological Conceptual Model |
328 |
|
Figure 16‑3: Xuxa North and South Pits Year 8 |
330 |
|
Figure 16‑4: Xuxa Underground Conceptual Design |
335 |
|
Figure 16‑5: Xuxa Underground Longitudinal View of Typical Mining Block |
336 |
|
Figure 16‑6: Xuxa Underground Typical Level Access Layout |
338 |
|
Figure 16‑7: Longitudinal Section of Xuxa Underground Development and Stopes |
342 |
|
Figure 16‑8: Xuxa Underground Proposed Ventilation System |
344 |
|
Figure 16‑9: OPTV-derived stereogram showing two main joint structures at Barreiro |
350 |
|
Figure 16‑10: Barreiro Pit Sectorization |
352 |
|
Figure 16‑11: Barreiro kinematic analysis for sector 1 with 5% planar rupture occurring |
353 |
|
Figure 16‑12: Barreiro kinematic analysis for sector 1 with 4% planar rupture occurring |
353 |
|
Figure 16‑13: Barreiro kinematic analysis for sector 3 with 4% planar rupture occurring |
354 |
|
Figure 16‑14: Barreiro kinematic analysis for sector 4 with 4% planar rupture occurring |
354 |
|
Figure 16‑15: Barreiro kinematic analysis for sector 5 with 5% planar rupture occurring |
355 |
|
Figure 16‑16: Barreiro Kinematic analysis for sector 5 with 30% planar rupture occurring |
355 |
|
Figure 16‑17: Analysis of section 01 with FS = 1.92 |
357 |
|
Figure 16‑18: Analysis of section 02 with FS = 1.43 |
357 |
|
Figure 16‑19: Analysis of section 03 with FS = 1.80 |
358 |
|
Figure 16‑20: Analysis of section 04 with FS = 1.99 |
358 |
|
Figure 16‑21: Analysis of section 05 with FS = 2.18 |
359 |
|
Figure 16‑22: Jequitinhonha River Basin in Minas Gerais state, Brazil |
361 |
|
Figure 16‑23: Route map and drainage points inspected in the Barreiro area |
362 |
|
Figure 16‑24: Drill hole locations and potentiometric map of the Barreiro area |
364 |
![]() |
| SGS Canada Inc. |
| Technical Report – Grota do Cirilo Lithium Project – Araçuai and Itinga Regions, Minas Gerais, Brazil |
|
Figure 16‑25: Barreiro geotechnical drill hole locations |
366 |
|
Figure 16‑26: Barreiro Pit Year 1 |
370 |
|
Figure 16‑27: Barreiro Pit Year 2 |
370 |
|
Figure 16‑28: Barreiro Pit Year 3 |
371 |
|
Figure 16‑29: Barreiro Pit Year 4 |
371 |
|
Figure 16‑30: Barreiro Pit Year 5 |
372 |
|
Figure 16‑31: Barreiro Pit Year 6 |
372 |
|
Figure 16‑32: Barreiro Pit Year 10 |
373 |
|
Figure 16‑33: Barreiro Pit Year 12 |
373 |
|
Figure 16‑34: Explosives Magazines in Container |
380 |
|
Figure 16‑35: Example of Ammonium Nitrate Emulsion Storage Structure |
380 |
|
Figure 16‑36: Schematic of Wash Ramp Oil-Water Separator |
386 |
|
Figure 16‑37: Schematic of Solid Waste Temporary Storage Facility |
387 |
|
Figure 16‑38: Image Analysis and Calculation of Granulometric Distribution |
396 |
|
Figure 16‑39: OPTV-derived stereogram showing two main joint structures at Nezinho do Chicão |
398 |
|
Figure 16‑40: NDC Pit Sectors (Green) and Stability Analysis Sections (Black) |
401 |
|
Figure 16‑41: Kinematic analysis for sector 1, planar rupture, face angle |
402 |
|
Figure 16‑42: Kinematic analysis for sector 1, planar rupture, general angle |
402 |
|
Figure 16‑43: Kinematic analysis for sector 2, planar rupture, face angle |
403 |
|
Figure 16‑44: Kinematic analysis for sector 2, toppling failure |
403 |
|
Figure 16‑45: Kinematic analysis for sector 3, planar rupture, face angle |
404 |
|
Figure 16‑46: Kinematic analysis for sector 3, toppling failure |
404 |
|
Figure 16‑47: Kinematic analysis for sector 4, planar rupture, face angle |
405 |
|
Figure 16‑48: Kinematic analysis for sector 4, toppling failure |
405 |
|
Figure 16‑49: Kinematic analysis for sector 5, planar rupture, face angle |
406 |
|
Figure 16‑50: Kinematic analysis for sector 5, toppling failure |
406 |
|
Figure 16‑51: Kinematic analysis for sector 6, planar rupture, face angle |
407 |
|
Figure 16‑52: Kinematic analysis for sector 6, toppling failure |
407 |
|
Figure 16‑53: Kinematic analysis for sector 7, planar rupture, face angle |
408 |
|
Figure 16‑54: Kinematic analysis for sector 7, toppling failure |
408 |
|
Figure 16‑55: Kinematic analysis for sector 8, planar rupture, face angle |
409 |
|
Figure 16‑56: Kinematic analysis for sector 8 toppling failure |
409 |
|
Figure 16‑57: Sector 3 section 1 SF = 1.59 |
411 |
|
Figure 16‑58: Sector 3 section 2 SF = 1.33 |
411 |
|
Figure 16‑59: Sector 3 section 1 SF = 1.37 |
412 |
|
Figure 16‑60: Sector 2 section 4 SF = 1.68 |
412 |
|
Figure 16‑61: Sector 3 section 5 SF= 1.37 |
413 |
|
Figure 16‑62: Sector 3 section 6 SF = 1.31 |
413 |
|
Figure 16‑63: Sector 8 section 7 SF= 1.63/1.37 |
414 |
|
Figure 16‑64: Sector 5 section 8 SF = 1.38 |
414 |
|
Figure 16‑65: Sector 6 section 9 SF = 1.54 |
415 |
|
Figure 16‑66: Sector 7 section 10 SF = 1.33 |
415 |
|
Figure 16‑67: Jequitinhonha River Basin in Minas Gerais state, Brazil |
416 |
|
Figure 16‑68: Barreiro, NDC-LDM and Murial pit and waste dump arrangement in relation to Piauí Creek |
417 |
|
Figure 16‑69: Regional Hydrogeological Conceptual Model |
418 |
![]() |
| SGS Canada Inc. |
| Technical Report – Grota do Cirilo Lithium Project – Araçuai and Itinga Regions, Minas Gerais, Brazil |
|
Figure 16‑70: Master Plan- Grota do Cirilo Project |
419 |
|
Figure 16‑71: Route Map and Drainage Points Inspected |
420 |
|
Figure 16‑72: NDC Drillhole Location Map |
425 |
|
Figure 16‑73: NDC Potentiometric Map |
425 |
|
Figure 16‑74: Depth variation between weathered material (soil/saprolite) and bedrock. (Mean in red). |
426 |
|
Figure 16‑75: Zone selected for verification of drillholes (RQD less than 70%). |
427 |
|
Figure 16‑76: Proposed locations of piezometers |
430 |
|
Figure 16‑77: Pit NDC-LDM - Year 01 |
434 |
|
Figure 16‑78: Pit NDC-LDM - Year 02 |
435 |
|
Figure 16‑79: Pit NDC-LDM - Year 03 |
435 |
|
Figure 16‑80: Pit NDC-LDM - Year 04 |
436 |
|
Figure 16‑81: Pit NDC-LDM - Year 05 |
436 |
|
Figure 16‑82: Pit NDC-LDM - Year 10 |
437 |
|
Figure 16‑83: Pit NDC-LDM - Year 15 |
437 |
|
Figure 16‑84: Pit Murial – Year 19 |
438 |
|
Figure 17‑1: Xuxa Process Plant |
457 |
|
Figure 17‑2: Block Flow Diagram for Xuxa Crushing Circuit and DMS Plant |
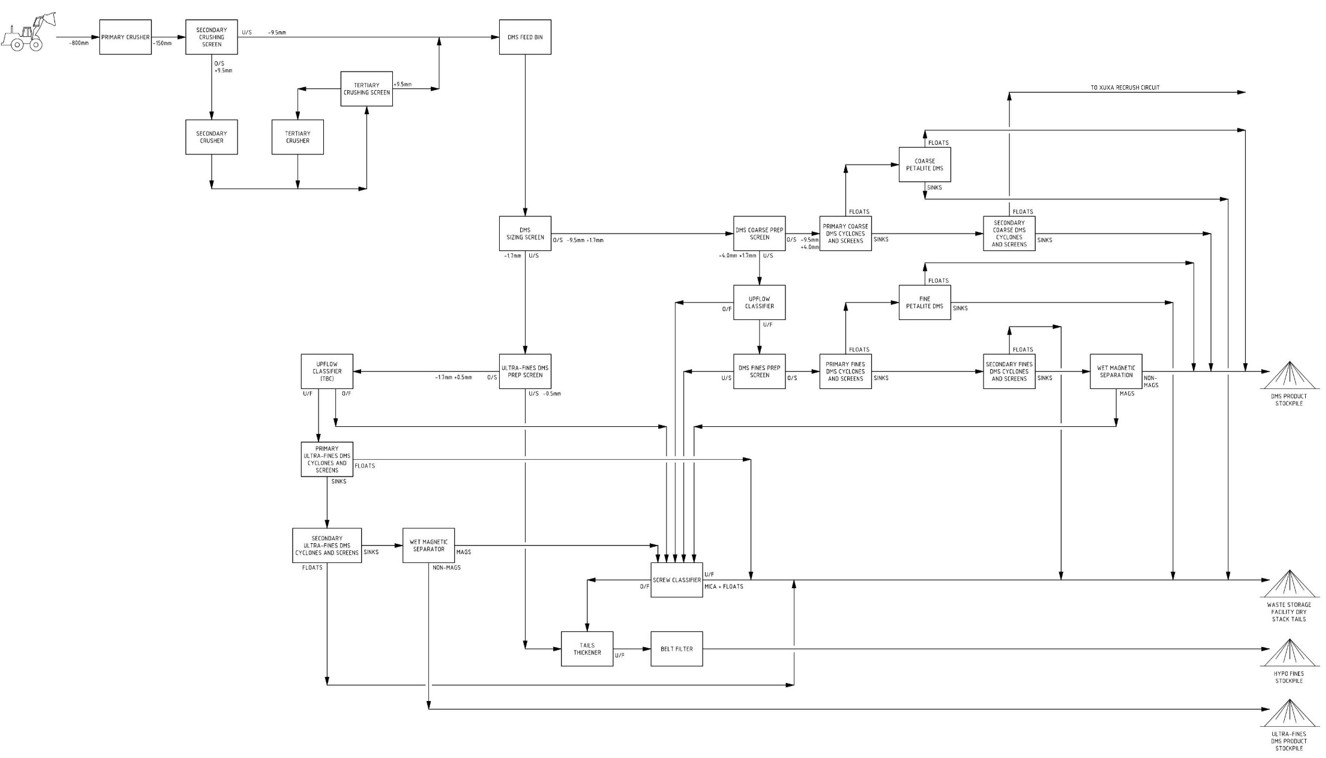
459 |
|
Figure 17‑3: Sigma Crushing and DMS Plant Overview |
460 |
|
Figure 17‑4: Sigma Primary Crushing Facility and Crushed Ore Bin |
461 |
|
Figure 17‑5: Sigma Xuxa DMS Plant and Product Stockpiles |
462 |
|
Figure 17‑6: Xuxa and Barreiro Process Plant Layout (2021 Design) |
467 |
|
Figure 17‑7: Block Flow Diagram for the Barreiro Crushing Circuit and DMS Plant |
469 |
|
Figure 17‑8: Xuxa (Top), Barreiro (Middle), and Nezinho do Chicão (Bottom) Process Plant Layout (2022) |
475 |
|
Figure 17‑9: Block Flow Diagram for the NDC Crushing Circuit and DMS Plant |
477 |
|
Figure 18‑1: Sigma Lithium Project General Layout Plan for Xuxa |
484 |
|
Figure 18‑2: Overall Site Plan |
485 |
|
Figure 18‑3: Municipal road upgrades |
486 |
|
Figure 18‑4: Municipal access road and community bypass road |
487 |
|
Figure 18‑5: Xuxa Mine Water Balance |
489 |
|
Figure 18‑6: Intake Water / Water Treatment |
491 |
|
Figure 18‑7: Xuxa Waste Piles Location Map |
494 |
|
Figure 18‑8: Xuxa Waste Piles Geotechnical Sampling Locations |
495 |
|
Figure 18‑9: Constructive Sequencing of the 340 M Level of the Waste Pile Berm |
496 |
|
Figure 18‑10: Stability Analysis Section AA for Xuxa Waste Pile 03 |
498 |
|
Figure 18‑11: Proposed Location of Barreiro Waste Dump |
500 |
|
Figure 18‑12: Mine Configuration Showing Xuxa and Barreiro Pits and Sigma Processing Plant |
502 |
|
Figure 18‑13: NDC-LDM and Murial Waste Dump Locations |
503 |
|
Figure 18‑14: Mine Configuration Showing Xuxa, Barreiro and NDC-LDM & Murial Pits and Sigma Processing Plant |
505 |
|
Figure 19‑1: Electric Vehicle Sales as a Share of Total Cars (Benchmark Market Intelligence 2022) |
511 |
|
Figure 19‑2: Lithium Feedstock Supply Forecast (Benchmark Market Intelligence 2024) |
513 |
|
Figure 19‑3: Lithium Supply-Demand Forecast (Benchmark Market Intelligence Q2, 2024) |
513 |
|
Figure 19‑4: Battery-Grade Lithium Chemical Price Forecast (Benchmark Market Intelligence 2024) |
514 |
|
Figure 19‑5: Spodumene Price Forecast (Benchmark Market Intelligence 2022) |
515 |
|
Figure 20‑1: Sigma Wildlife Rehabilitation Centre and Seedling Nursery |
527 |
![]() |
| SGS Canada Inc. |
| Technical Report – Grota do Cirilo Lithium Project – Araçuai and Itinga Regions, Minas Gerais, Brazil |
|
Figure 20‑2 – Location of Legal Reserves |
531 |
|
Figure 22‑1: Phase 1 After-Tax Cash Flow and Cumulative Cash Flow Profile @ 5.3% SC |
540 |
|
Figure 22‑2 : Phase 1 Financial Model Summary @ 5.3% Li2O SC |
542 |
|
Figure 22‑3: Phase 1 After-Tax NPV Sensitivity Analysis @ 5.3% Li2O SC (US$ B) |
543 |
|
Figure 22‑4: Phase 1, 2 & 3 After-Tax Cash Flow and Cumulative Cash Flow Profile @ 5.3% Li2O SC |
557 |
|
Figure 22‑5: Phase 1, 2 & 3 Financial Model Summary @ 5.3% Li2O SC |
558 |
|
Figure 22‑6: Phase 1, 2 & 3 After-Tax NPV Sensitivity Analysis @ 5.3% Li2O SC (US$ B) |
559 |
![]() |
| SGS Canada Inc. |
| Technical Report – Grota do Cirilo Lithium Project – Araçuai and Itinga Regions, Minas Gerais, Brazil |
CERTIFICATE OF AUTHOR
MARC-ANTOINE LAPORTE P.GEO
I, Marc-Antoine Laporte, P. Geo., M.Sc., of Québec, Québec, do hereby certify:
|
1. |
I am a senior geologist with SGS Canada Inc (Geological Services) with a business address at 125 rue Fortin, Suite 100, Quebec City, Quebec, G1M 3M2. |
|
2. |
This certificate applies to the Technical Report entitled “Technical Report on the Grota do Cirilo Lithium Project, Aracuai and Itinga Regions, Minas Gerais, Brazil.” with an effective date of 15th January 2025. |
|
3. |
I am a graduate of Université Laval (2004 and 2008) in Earth Sciences. I am a member in good standing of Ordre des Géologues du Québec (#1347). I have worked as a geologist continuously since my graduation. |
|
4. |
I have read the definition of Qualified Person set out in the National Instrument 43-101 (NI 43-101) and certify that by reason of my education, affiliation with a professional association and past relevant work experiences, I fulfil the requirement to be an independent qualified person for the purposes of NI 43-101. |
|
5. |
My most recent personal inspection of the Project was from October 8-10, 2024. |
|
6. |
I have read NI 43-101 and I have participated in the preparation of this Technical Report and am responsible for Sections 3, 4, 5, 6, 7, 8, 9, 10, 11, 12, 14, 23 and the applicable parts of sections 1, 2, 25, 26 and 27 each of which has been prepared in accordance with NI 43-101. |
|
7. |
I am independent of Sigma Lithium Corporation as defined by Section 1.5 of the Instrument. I don’t have any prior involvement with the property that is the subject of the technical report. |
|
8. |
As of the effective date of the Technical Report, to the best of my knowledge, information and belief, the sections of the technical report for which I am responsible contain all scientific and technical information that is required to be disclosed to make the technical report not misleading. |
Signed and dated this 31st day of March 2025 in Tucson, AZ, USA
“Signed and sealed” Marc-Antoine Laporte, P. Geo., M.Sc.
|
“Signed and sealed” |
|
|
Marc-Antoine Laporte, P. Geo., Senior Geologist |
|
![]() |
| SGS Canada Inc. |
| Technical Report – Grota do Cirilo Lithium Project – Araçuai and Itinga Regions, Minas Gerais, Brazil |
CERTIFICATE OF AUTHOR
WILLIAM VAN BREUGEL P.ENG.
I, William van Breugel, P. Eng. of Christopher Lake, Saskatchewan hereby certify that:
|
1. |
I am an Associate Mining Engineer for SGS Canada Inc, with an office located at 235 Ajawan Street, Christopher Lake, Saskatchewan, Canada. |
|
2. |
This certificate applies to the Technical Report entitled “Technical Report on the Grota do Cirilo Lithium Project, Aracuai and Itinga Regions, Minas Gerais, Brazil.” with an effective date of 15th January 2025. |
|
3. |
I graduated from the University of Waterloo in 1990 (BASc (Hons). Geological Engineering). I am a member of good standing of the Association of Professional Engineers and Geoscientists of Saskatchewan (License #22452). I have worked as a mining engineer for over 34 years since my graduation from university. I have worked on precious metals, base metals, industrial commodities, and diamond projects including mine operations and property evaluations. I am a "Qualified Person" for purposes of National Instrument 43-101 (the "Instrument"). |
|
4. |
I have read the definition of Qualified Person set out in the National Instrument 43-101 (Instrument) and certify that by reason of my education, affiliation with a professional association and past relevant work experiences, I fulfil the requirement to be an independent qualified person for the purposes of NI 43-101. |
|
5. |
I have read NI 43-101 and have participated in the preparation of this Technical Report and am responsible for Section 15, 16, 19, 20, 21 and 22, each of which has been prepared in accordance with NI 43-101. |
|
6. |
I am independent of Sigma Lithium Corporation as defined by Section 1.5 of the Instrument. I do not have prior involvement with the properties that are the subject of the technical report. |
|
7. |
As of the effective date of the Technical Report, to the best of my knowledge, information and belief, the sections of the technical report for which I am responsible contain all scientific and technical information that is required to be disclosed to make the technical report not misleading. |
Signed and dated this 31st day of March 2025 at Christopher Lake, Saskatchewan.
|
“Signed and sealed” |
|
|
William van Breugel, P.Eng. SGS Canada Inc |
|
![]() |
| SGS Canada Inc. |
|
Technical Report – Grota do Cirilo Lithium Project – Araçuai and Itinga Regions, Minas Gerais, Brazil |
CERTIFICATE OF AUTHOR
JOHNNY CANOSA P. Eng.
I, Johnny Canosa, P. Eng. of Surrey, British Columbia, Canada, do hereby certify:
|
1. |
I am a Senior Mine Engineer with SGS Canada Inc. - SGS Geological Services with a business address at 10 Boul. de la Seigneurie Est, Suite 203, Blainville Quebec Canada, J7C 3V5. (www.sgs.com). |
|
2. |
This certificate applies to the Technical Report entitled “Technical Report on the Grota do Cirilo Lithium Project, Aracuai and Itinga Regions, Minas Gerais, Brazil.” with an effective date of 15th January 2025. |
|
3. |
I am a graduate of Bachelor of Science in Mining Engineering from Saint Louis University, Baguio City, Benguet, Philippines with a diploma issue dated March 23, 1980. |
|
4. |
I have read the definition of Qualified Person set out in the National Instrument 43-101 (NI 43-101) and certify that by reason of my education, affiliation with a professional association, and past relevant work experiences, I fulfill the requirement to be an independent qualified person for the purposes of NI 43-101. |
|
5. |
I have not personally inspected the property. |
|
6. |
I have read NI 43-101 and I have participated in the preparation of this Technical Report and am responsible for Section 18, which has been prepared in accordance with NI 43-101. |
|
7. |
I am independent of Sigma Lithium Corporation as defined by Section 1.5 of the Instrument. I don’t have any prior involvement with the property that is the subject of the technical report. |
|
8. |
As of the effective date of the Technical Report, to the best of my knowledge, information, and belief, the sections of the technical report for which I am responsible contain all scientific and technical information that is required to be disclosed to make the technical report not misleading. |
Signed and dated this 31st day of March 2025 at Surrey, British Columbia, Canada.
| “Signed and sealed” | |
|
Johnny Canosa, P. Eng. |
|
![]() |
| SGS Canada Inc. |
| Technical Report – Grota do Cirilo Lithium Project – Araçuai and Itinga Regions, Minas Gerais, Brazil |
CERTIFICATE OF AUTHOR
JOSEPH KEANE, P.E., Q.P.
I, Joseph Keane, P.E., Q.P., of Tucson, Arizona, do hereby certify:
|
1. |
I am an Independent Mineral Processing Engineer Consultant as an associate of the following organization: SGS North America Inc, 3845 North Business Center Drive, Tucson, Arizona 85705, Telephone: 520-579-8315, Fax: 520-579-7045, E-Mail: Joseph.Keane@sgs.com. |
|
2. |
This certificate applies to the Technical Report entitled “Technical Report on the Grota do Cirilo Lithium Project, Aracuai and Itinga Regions, Minas Gerais, Brazil.” with an effective date of 15th January 2025. |
|
3. |
I graduate with a degree of Bachelor of Science in Metallurgical Engineering from the Montana School of Mines in 1962. I obtained a Master of Science degree in Mineral Processing Engineering in 1966 from the Montana College of Mineral Science and Technology. In 1989, I received a Distinguished Alumni Award from that institution. I have worked as a metallurgical engineer for a total of 60 years since my graduation from university. |
|
4. |
I have read the definition of Qualified Person set out in the National Instrument 43-101 (NI 43-101) and certify that by reason of my education, affiliation with a professional association and past relevant work experiences, I fulfil the requirement to be an independent qualified person for the purposes of NI 43-101. |
|
5. |
I have not visited the site. |
|
6. |
I have read NI 43-101 and I have participated in the preparation of this Technical Report and am responsible for Section 13 and 17, which has been prepared in accordance with NI 43-101. |
|
7. |
I am independent of Sigma Lithium Corporation as defined by Section 1.5 of the Instrument. I don’t have any prior involvement with the property that is the subject of the technical report. |
|
8. |
As of the effective date of the Technical Report, to the best of my knowledge, information and belief, the sections of the technical report for which I am responsible contain all scientific and technical information that is required to be disclosed to make the technical report not misleading. |
Signed and dated this 31st day of March 2025 at Tucson, Arizona.
|
“Signed and sealed”
Joseph Keane, P.E., Q.P. |
|
|
Joseph Keanne, P.E., Q.P. |
|
![]() |
| SGS Canada Inc. |
| Technical Report – Grota do Cirilo Lithium Project – Araçuai and Itinga Regions, Minas Gerais, Brazil |
ABBREVIATIONS
|
AMIS |
African Mineral Standards |
|
CAPEX |
Capital Expenditures |
|
CIM |
Canadian Institute of Mining, Metallurgy and Petroleum |
|
DMS |
Dense Medium Separation |
|
EPCM |
Engineering Procurement Construction Management |
|
FOB |
Free on Board |
|
FS |
Feasibility Study |
|
GE21 |
GE21 Mineral Consultants |
|
HDPE |
High Density Polyethylene |
|
HLS |
Heavy Liquid Separation |
|
HMI |
Human Machine Interface |
| LOC | Lithium Oxide Concentrate |
|
LOM |
Life of Mine |
|
MEL |
Mechanical Equipment List |
|
MTO |
Material Take-off |
|
NPI |
Non-Process Infrastructure |
|
NPV |
Net Present Value |
|
OPEX |
Operating Expenditures |
|
PEP |
Project Execution Plan |
|
Primero |
Primero Group Americas Inc |
|
Project |
Grota do Cirilo Lithium Project |
|
Promon |
Promon Engenharia Ltda |
|
Property |
Sigma Property |
|
RFQ |
Request for Quotation |
|
ROM |
Run of Mine |
|
Sigma |
Sigma Lithium Corporation |
|
SGS |
SGS Geological Services (SGS Canada) |
|
UCS |
Unconfined Compressive Strength |
|
UPS |
Uninterruptible Power Supply |
|
WBS |
Work Breakdown Structure |
![]() |
| SGS Canada Inc. |
| Technical Report – Grota do Cirilo Lithium Project – Araçuai and Itinga Regions, Minas Gerais, Brazil |
|
1 |
SUMMARY |
|
1.1 |
INTRODUCTION |
Sigma Lithium Corporation (Sigma) requested SGS Geological Services (SGS) to prepare an updated NI 43-101 Technical Report (the Report) on Sigma’s Grota do Cirilo project located in the state of Minas Gerais, Brazil.
This report contains an updated Mineral Resource Estimate for the Xuxa, Barreiro, Nezinho do Chicão - Lavra do Meio, Maxixe, Tamboril and Murial pegmatites.
This report contains an updated Mineral Reserve Estimate for the Xuxa, Barreiro, Nezinho do Chicão - Lavra do Meio, Maxixe, Tamboril and Murial pegmatites.
Sigma Mineração S.A. (SMSA) is the Brazilian subsidiary of Sigma and is the owner of the mining rights and the holder of mining concessions ordinance which includes the Xuxa, Barrerio, Murial, Lavra do Meio and Nezinho do Chicão deposits.
The Report supports the disclosure by Sigma in the news release dated the 31st of January and the 8th of May 2024.
Mineral Resources and Mineral Reserves (MRMR) are reported using the 2014 Canadian Institute of Mining, Metallurgy and Petroleum (CIM) Definition Standards (2014 CIM Definition Standards) and adhere, as best as possible, to the 2019 CIM Estimation of Mineral Resources & Mineral Reserves Best Practice Guidelines (2019 CIM MRMR Guidelines).
|
1.2 |
PROPERTY DESCRIPTION AND LOCATION |
The Project is in northeastern Minas Gerais State, in the municipalities of Araçuaí and Itinga, approximately 25 km east of the town of Araçuaí and 600 km northeast of Belo Horizonte.
The Project is comprised of four properties held by SMSA and is divided into the Northern Complex (the Grota do Cirilo, Genipapo and Santa Clara properties) and the Southern Complex (the São José property).
The Project consists of 29 mineral rights, which include mining concessions, applications for mining concessions, exploration permits and applications for mineral explorations authorizations, spread over 185 km2, and includes nine past producing lithium mines and 11 first-priority exploration targets. Granted mining concessions are in good standing with the Brazilian authorities.
To support Sigma’s exploration and development activities within the Grota do Cirilo property, SMSA has entered into surface lease agreements with three related party companies: Arqueana, Miazga and Tatooine, as well as with third-party surface owners in the Project area. There are no conditions limiting the access to the land by SMSA.
SMSA has a mining easement (Servidão Mineral) with a total of 413.3 hectares and aims to cover the areas of waste and tailings piles, production plant, all access roads (internal), electrical substation, installation of fueling station and support structures. The Servidão Mineral was published in the Official Gazette of the Federal Government. It contemplates the mining and processing activities of the Xuxa deposit and processing plant (ANM Process No. 824.692/1971).
![]() |
| SGS Canada Inc. |
| Technical Report – Grota do Cirilo Lithium Project – Araçuai and Itinga Regions, Minas Gerais, Brazil |
The Brazilian Government levies a Compensação Financeira pela Exploração de Recursos Minerais (CFEM) royalty of 2% on mineral production. The Project is also subject to a third-party net smelter return (NSR) royalty of 1%.
To the extent known to the QPs, there are no other significant factors and risks that may affect access, title, or the right or ability to perform work on the Project that have not been discussed in this Report.
|
1.3 |
ACCESSIBILITY, CLIMATE, LOCAL RESOURCES, INFRASTRUCTURE AND PHYSIOGRAPHY |
The Project is easily accessible from federal Highway BR-367, which runs through the northern part of the Project. Within the Project area, accessibility is provided by municipal roads. A municipal airport services the town of Araçuaí for private flights. The closest major domestic airports are located at the municipality of Vitória da Conquista, 273 km east of the Project and at the municipality of Montes Claros, 329 km west of the Project.
The project area has a Central Brazil Tropical climate, ranging from semi-arid to semi-humid, with more significant rainfall during the summer months and average temperatures consistently above 20°C throughout the year. Mining operations and exploration are usually conducted year-round, but can be interrupted by short-term rainfall events.
Mining operations have been previously conducted in the Project area. Existing infrastructure includes power supply and substation, an extensive office block equipped with internet and telephones, dining hall and kitchen, workshop, on-site laboratory and sample storage building, warehouse and a large store, a fuel storage facility with pumping equipment, and a water pumping facility from the Jequitinhonha River with its reservoir. The main 138 kV transmission line from the Irape hydro power station runs through the northern part of the Project area. The towns of Araçuaí and Itinga can supply certain services. Other services may be sourced from Belo Horizonte or São Paulo.
The project is located within the Jequitinhonha Depression, a geomorphological unit shaped predominantly by the erosive activity of the Jequitinhonha River and its tributaries. These watercourses have incised through the schists of the Salinas Formation and other surrounding rock types, resulting in a landscape evolution characterized by a flattened relief with gently sloping, convex hillsides, broad, rounded hilltops, and fluvial plains composed of sandy and clayey sediments derived from the erosion of upstream source areas.
|
1.4 |
HISTORY |
Exploration and mining activities prior to Sigma’s project interest were conducted by Companhia Estanìfera do Brazil (CEBRAS), Arqueana Minérios e Metais (Arqueana), Tanex Resources plc (Tanex; a subsidiary of Sons of Gwalia Ltd (Sons of Gwalia)), and RI-X Mineração S.A. (RI-X). CEBRAS produced a tin/tantalite concentrate from open pit mines from 1957 to the 1980s. Arqueana operated small open pit mines from the 1980s to the 2000s, exploiting pegmatite and alluvial gravel material for tin and tantalite. Tanex Resources obtained a project interest from Arqueana, and undertook channel sampling, air-track, and reverse circulation (RC) drilling. The Project was subsequently returned to Arqueana. In 2012, RI-X obtained a controlling interest in Arqueana, and formed a new subsidiary company to Arqueana called Araçuaí Mineração whose name was later changed to SMSA. SMSA completed mapping, data compilation, a ground magnetic survey, channel sampling, and HQ core drilling. A heavy mineral separation (HMS) pilot plant was built during 2014–2015. Lithium-specific mining activities were conducted over at least five deposits in the Northern Complex, and four deposits in the Southern Complex.
![]() |
| SGS Canada Inc. |
| Technical Report – Grota do Cirilo Lithium Project – Araçuai and Itinga Regions, Minas Gerais, Brazil |
In 2017 Sigma purchased a dense media separation (DMS) unit to produce a 5.5% Li2O lithium oxide concentrate. Sigma has completed ground reconnaissance, satellite image interpretation, geological mapping, channel and chip sampling, trenching, core drilling, Mineral Resource and Mineral Reserve estimation, and a feasibility study. Sigma initially focused on a geological assessment of available field data to prioritize the 200 known pegmatites that occur on the various properties for future evaluation. A ranking table that highlighted pegmatite volume, mineralogy and Li2O and Ta2O5 grade was established. Within the more prospective areas, Sigma concentrated its activities on detailed geological and mineralogical mapping of historically mined pegmatites, in particular, on the larger pegmatites.
Sigma began mining in the Xuxa open pit in April 2023 and, as of December 2024, Sigma’s production volume totaled 342.7kt of lithium oxide concentrate. At the end of 2024, Sigma began procurement for the commencement of Phase 2 construction.
|
1.5 |
GEOLOGICAL SETTING AND MINERALIZATION |
The pegmatites in the Project area are classified as lithium–cesium–tantalum or LCT types. The Project area lies in the Eastern Brazilian Pegmatite Province (EBP) that encompasses a very large region of about 150,000 km2, stretching from the state of Bahia to Rio de Janeiro state.
The pegmatite swarm is associated with the Neoproterozoic Araçuaí orogeny and has been divided into two main types: anatectic (directly formed from the partial melting of the country rock) or residual pegmatite (fluid rich silicate melts resulting from the fractional crystallization of a parent magma). The pegmatites in the Project area are interpreted to be residual pegmatites and are further classified as LCT types.
Pegmatite bodies are typically hosted in a grey biotite–quartz schist and form bodies that are generally concordant with the schist foliation but can also cross-cut foliation. The dikes are sub-horizontal to shallow-dipping sheeted tabular bodies, typically ranging in thickness from a few metres up to 40 m or more, and display a discontinuous, thin, fine-grained chilled margin. Typical pegmatite mineralogy consists of microcline, quartz, spodumene, albite and muscovite. Spodumene typically comprises about 28–30% of the dike, microcline and albite around 30–35%, and white micas about 5–7%. Locally, feldspar and spodumenes crystals can reach as much as 10–20 cm in length. Tantalite, columbite and cassiterite can occur in association with albite and quartz. The primary lithium-bearing minerals are spodumene and petalite. Spodumene can theoretically contain as much as 3.73% Li, equivalent to 8.03% Li2O, whereas petalite, can contain as much as 2.09% lithium, equivalent to 4.50% Li2O.
Features of the pegmatites where mineral resources have been estimated include:
|
● |
Xuxa: |
|
| foliation concordant, strikes northwest–southeast, dips to the southeast at 40º to 45º, and is not zoned. The strike length is 1,700 m, averages 12–13 m in thickness and has been drill tested to 259 m in depth. Xuxa remains open to the west, east, and at depth. | ||
|
● |
Barreiro: |
|
| foliation discordant, strikes northeast–southwest, dips to the southeast at 30º to 35º, and is slightly zoned with a distinct spodumene zone as well as an albite zone. The pegmatite is about 600 m long (strike), 30–35 m wide, and 800 m along the dip direction. Barreiro remains open to the northeast and at depth. | ||
|
● |
Murial: |
|
| foliation discordant, strikes north–south, and has a variable westerly dip, ranging from 25º to 75º. The strike length is about 750 m, with a thickness of 15–20 m, and the down-dip dimension is 200 m. The pegmatite is zoned with a spodumene-rich intermediate zone and a central zone that contains both spodumene and petalite. The southern section of the pegmatite has lower lithium tenors than the norther portion of the dike. Murial remains open to the west, east, and at depth. | ||
![]() |
| SGS Canada Inc. |
| Technical Report – Grota do Cirilo Lithium Project – Araçuai and Itinga Regions, Minas Gerais, Brazil |
|
● |
Lavra do Meio: |
|
| foliation concordant, strikes north–south, dips 75º–80º to the east. The strike length is 300 m with an average thickness of 12–15 m and a down-dip distance of 250 m. The pegmatite is zoned and contains both spodumene and petalite and remains open at depth. | ||
|
● |
Nezinho do Chicão: |
|
| The pegmatite body strikes nearly north-south (020º) and dips at 40-75º to the southeast. The dike is about 1,600 m long, 200 m down-dip and 20-30 m thick. It remains open to the north, south and at depth. The NDC pegmatite is a high-grade mix of spodumene and petalite with a variable ratio depending on the thickness of the zone. | ||
|
1.6 |
EXPLORATION |
The development of the Project started in the second quarter of 2012, focusing on a geological assessment of available field data to prioritize the 200 known pegmatites that occur on the various properties for future evaluation. A ranking table that highlighted pegmatite volume, mineralogy and Li2O and Ta2O5 grade was established.
Within the more prospective areas, Sigma concentrated its activities on detailed geological and mineralogical mapping of historically mined pegmatites, in particular, on the larger pegmatites, Xuxa and Barreiro. These dikes were channel sampled and subsequently assessed for their lithium, tantalum and cassiterite potential. This work was followed by bulk sampling, drilling and metallurgical test work. In the southern complex area, Sigma geologists have visited sites of historical workings, and undertaken reconnaissance mapping and sampling activities. The Lavra Grande, Samambaia, Ananias, Lavra do Ramom and Lavra Antiga pegmatites were mined for spodumene and heavy minerals, and in some cases gem-quality crystals were targeted. These pegmatites are considered to warrant additional work.
|
1.7 |
DRILLING |
Drilling completed by Sigma as of the 18th January 2024 across the Project area consists of 647 core holes totalling 131,982 m. To date, this drilling has concentrated on the Grota do Cirilo pegmatites. Drilling was completed using HQ core size (63.5 mm core diameter) in order to recover enough material for metallurgical testing. Drill spacing is variable by pegmatite, but typically was at 50 m with wider spacing at the edges of the drill pattern. Drill orientations were tailored as practicable to the strike and dip of the individual pegmatites. The drill hole intercepts range in thickness from approximately 85–95% of true width to near true width of the mineralization.
All core was photographed. Drill hole collars were picked up in the field using a Real Time Kinematic (RTK) global positioning system (GPS) instrument with an average accuracy of 0.01 cm. All drill holes were down-hole surveyed by Sigma personnel using the Reflex EZ-Track and Reflex Gyro instruments. Calibrations of tools were completed every year since 2017.
Sampling intervals were determined by the geologist, marked and tagged based on lithology and mineralization observations. The typical sampling length was 1 m but varied according to lithological contacts between the mineralized pegmatite and the host rock. In general, 1-2 m host rock samples were collected from each side that contacts the pegmatite.
![]() |
| SGS Canada Inc. |
| Technical Report – Grota do Cirilo Lithium Project – Araçuai and Itinga Regions, Minas Gerais, Brazil |
Sigma conducted HQ drilling programs in 2014, 2017, 2018, 2020, 2021, 2022 and 2023 on selected pegmatite targets. The drill programs have used industry-standard protocols that include core logging, core photography, core recovery measurements, and collar and downhole survey measurements.
There are no drilling, sampling or recovery factors that could materially impact the accuracy and reliability of the results in any of the drill campaigns.
Drill results from Grota do Cirilo property support the Mineral Resource and Mineral Reserve (MRMR) estimates.
|
1.8 |
SAMPLE PREPARATION, ANALYSES AND SECURITY |
The protocols used by SMSA for core handling, logging and sampling are considered to represent acceptable industry standards.
SMSA use commercial laboratories for their sample analysis. The laboratories used are ISO/IEC 17025 accredited and all laboratories used are independent of SMSA.
SMSA has a robust quality assurance quality control (QAQC) program utilising standards, blanks, coarse duplicates, pulp duplicates and check assays. The QAQC program has been reviewed by SGS and found to be acceptable by industry standards.
Overall, the QP is confident that the system is appropriate for the collection of data suitable for a Mineral Resource estimate and can support Mineral Reserve estimates and mine planning.
|
1.9 |
DATA VERIFICATION |
SGS conducted site visits in 2017, 2018, 2021, 2022, 2023 and 2024, During those visits, the QP reviewed the exploration methods used by SMSA, the field conditions, the position of the drill hole collars, the core storage and logging facilities and the different exploration targets.
SGS has validated the drillhole database, the QAQC program and core sampling control and chain of custody. SGS is of the opinion that these databases and systems are acceptable by industry standards.
In 2017 SGS conducted a witness sampling campaign to validate the assays within the drillhole database. The results showed the difference in grade between the original samples and the witness samples was not statistically significant.
Following the data verification process and QA/QC review, the QP is of the opinion that the sample preparation, analysis and QA/QC protocol used by SMSA for the Project follow generally accepted industry standards and that the Project data is of a sufficient quality.
|
1.10 |
MINERAL PROCESSING AND METALLURGICAL TESTING |
|
1.10.1 |
Xuxa |
Drill core samples from the Xuxa deposit were processed at the SGS Lakefield facility in 2018 and 2022, samples from the Barreiro deposit were tested between November 2020 and May 2021, and samples from the Nezinho do Chicão deposit in 2022. Work conducted on the Xuxa deposit samples included comminution, heavy liquid separation (HLS), REFLUX™ classifier, dense media separation (DMS) and magnetic separation. The Barreiro deposit test work program included sample characterization, grindability testing, HLS and DMS metallurgical test work. The Nezinho do Chicão deposit test work program included sample characterization, mineralogical analyses, HLS, DMS, and magnetic separation. Xuxa
![]() |
| SGS Canada Inc. |
| Technical Report – Grota do Cirilo Lithium Project – Araçuai and Itinga Regions, Minas Gerais, Brazil |
Drill core samples were selected and combined into six variability (Var) samples for a test work program comprising of mineralogical analyses, grindability, HLS, REFLUX™ classifier, DMS, and magnetic separation testing. Flowsheets for lithium beneficiation were developed in conjunction with the test work. The goal was to produce lithium oxide concentrate grading a minimum 6% Li2O and maximum 1% Fe2O3 while maximizing lithium recovery.
Four HLS tests, at four crush sizes (15.9 mm, 12.5 mm, 9.5 mm, and 6.3 mm) were carried out on each of the six variability samples to evaluate the recovery. The 9.5 mm crush size was selected as the optimum crush size for DMS test work, as it resulted in the highest lithium recovery with minimal fines generation.
The DMS variability samples were each crushed to -9.5 mm and screened into four size fractions: coarse (-9.5 mm/+6.3 mm), fines (-6.3 mm/+1.7 mm), ultrafines (-1.7 mm/+0.5 mm) and hypofines (-0.5 mm). The coarse, fines and ultrafines fractions of each variability sample were processed separately for lithium beneficiation. The REFLUX™ classifier (RC) test work was carried out with a RC-100 unit for mica rejection from the fines and ultrafines fractions only. This test work was conducted at FLSmidth’s Minerals Testing and Research Center in Utah, USA.
The coarse, fines and ultrafines RC underflow streams of each variability sample were processed separately through DMS. The DMS concentrate from each fraction underwent dry magnetic separation at 10,000 gauss.
The DMS test work flowsheet for the coarse and fines fractions included two passes through the DMS; the first at a lower specific gravity (SG) cut-point (~2.65) to reject silicate gangue and the second pass at a higher SG cut-point (ca. ~2.90) to generate lithium oxide concentrate. The coarse DMS middlings were re-crushed to -3.3 mm and a two stage HLS test was conducted. The ultrafines DMS test work flowsheet included both a single pass and a double pass DMS circuit at a high SG cut-point (~2.90) to generate lithium oxide concentrate.
The DMS test results demonstrated the ability to produce lithium oxide concentrate with >6% Li2O in most of the tests. Based on the test work results, a lithium recovery of 60.4% was selected for plant design.
|
1.10.2 |
Barreiro |
Four variability and one composite sample were tested for Barreiro, with the goals of the program to provide preliminary process information on the metallurgical performance of mineralized material from the Barreiro deposit. The test work program was developed based on the flowsheet developed for the Xuxa deposit. The aim of the test work program was to produce chemical grade lithium oxide concentrate (>6% Li2O) with low iron content (<1% Fe2O3), while maximizing lithium recovery.
Two sets of HLS tests were undertaken. The first set was conducted using the Composite to test optimal crush size (i.e., top size of 15.9 mm, 12.5 mm, 10.0 mm, and 6.3 mm). HLS tests were then performed on each variability sample at the optimum crush size. The fine fraction (i.e., -0.5 mm) was screened out from each sub-sample and the oversize fraction was submitted for HLS testing. A crush size of -10 mm was determined to be optimal and variability HLS testing was undertaken at this crush size. Interpolated stage recoveries (6% Li2O concentrate) for the four variability samples ranged from 56.0% to 77.3%.
![]() |
|
SGS Canada Inc. |
| Technical Report – Grota do Cirilo Lithium Project – Araçuai and Itinga Regions, Minas Gerais, Brazil |
In all four variability samples, HLS tests produced >6% Li2O lithium oxide concentrate with low iron content (<1.0% Fe2O3).
Pilot-scale DMS test work was operated on the composite sample. Dry magnetic separation was undertaken on the DMS feed. DMS test work results showed combined lithium oxide concentrate grade of 6.11% Li2O and stage recovery of 59.5% for a global recovery of 50.9%.
|
1.10.3 |
Nezinho do Chicão |
Three variability samples and one composite sample were tested for Nezinho do Chicão (NDC), with the goal of the program to provide process information on the metallurgical performance of mineralized material from the NDC deposit. The test work program was developed based on the flowsheet developed for the Barreiro deposit. The aim of the test work program was to produce chemical grade lithium oxide concentrate (>5.5% Li2O) with low iron content (<1% Fe2O3), while maximizing lithium recovery.
HLS tests were undertaken across four different crush sizes (i.e., top size of 15.9 mm, 12.5 mm, 9.5 mm, and 6.3 mm) to determine the optimum crush size, for each ore (high grade, medium grade and low grade). The fine fraction (i.e., -0.5 mm) was screened out from each sub-sample and the oversize fraction was submitted for HLS testing. A crush size of -9.5mm was determined to be optimal and variability HLS testing was undertaken at this crush size. Interpolated stage recoveries (5.5% Li2O concentrate) for the three variability samples ranged from 58.7% to 61.4%, and the master composite a nominal 57.8%, for the 9.5mm crushed process step 1.54% Li2O head grade.
Pilot-scale DMS test work was operated on the composite sample. Dry magnetic separation was undertaken on the DMS feed. DMS test work results showed combined lithium oxide concentrate grade with petalite 5.50% Li2O and stage recovery of 58.7% for a global recovery of 50.6%.
|
1.10.4 |
Lavra do Meio, Maxixe and Tamboril Test Work |
Four combined variability samples were tested for Lavra do Meio, Maxixe and Tamboril, with the goal of the program to provide process information on the metallurgical performance of mineralized material from the deposits. The test work program was developed based on the flowsheet developed for the NDC deposit. The aim of the test work program was to produce chemical grade lithium oxide concentrate (>5.5% Li2O) with low iron content (<1% Fe2O3), while maximizing lithium recovery.
HLS tests were undertaken across four different crush sizes, namely 9.5mm to 6.35mm, 6.35mm to 4.00mm, 4.00mm to 1.7mm and 1.7mm to 0.5mm to determine the optimum crush size, for each sample (high grade, medium grade, low grade and high schist).
The material from Lavra do Meio, Maxixe and Tamboril displayed a high content of petalite, between 40.3% in the medium grade sample to 59% in the low grade sample. The DMS test work showed an overall average concentrate of 5.2% spodumene at a recovery of 33.9% and an average petalite concentrate of 2.87% with a recovery of 15.5%, for a total average recovery of 49.4% Li2O.
The concentrate had a high Fe2O3 content, which was determined to be the result of biotite from the schist reporting to the lithium oxide concentrate.
![]() |
| SGS Canada Inc. |
| Technical Report – Grota do Cirilo Lithium Project – Araçuai and Itinga Regions, Minas Gerais, Brazil |
|
1.10.5 |
Murial Test Work |
Four combined variability samples were tested for Murial, namely a high grade, medium grade, low grade and high schist sample. The aim of the test work was to produce chemical grade lithium oxide concentrate (>5.5% Li2O) with low iron content (<1% Fe2O3), while maximizing lithium recovery.
HLS tests were undertaken across four different crush sizes, namely 9.5mm to 6.35mm, 6.35mm to 4.00mm, 4.00mm to 1.7mm and 1.7mm to 0.5mm to determine the optimum crush size, for each sample.
The Murial samples displayed a negligible petalite content and the DMS test work produced a Li2O concentrate of 5.3% with an average recovery of 49.2% Li2O. The iron content was within acceptable limits below 1% Fe2O3.
|
1.11 |
MINERAL RESOURCE ESTIMATES |
Mineral Resources for the Grota do Cirilo project were estimated using a computerised resource block model. Three-dimensional wireframe solids of the mineralisation were defined using drill hole Li2O analytical data.
Data were composited to 1 m composite lengths, based on the north–south width of the block size defined for the resource block model. Compositing starts at the schist-pegmatite contact. No capping was applied on the analytical composite data. The Xuxa model used a 5 m x 3 m x 5 m block size and while the Barreiro, Murial, Lavra do Meio, Nezinho do Chicão, Maxixe, Tamboril and Elvira models used a 5 m x 5 m x 5 m block. Average densities were applied to blocks, which varied by pegmatite, from 2.65 t/m3 at Lavra do Meio to 2.71 t/m3 at Barreiro.
Variography was undertaken for Xuxa, Barreiro, NDC and Murial models and the projection and Z-axis rescaling were done according to the mineralization orientation.
The grade interpolation for the Xuxa, Barreiro, NDC and Murial resource block models were completed using ordinary kriging (OK). The Lavra do Meio, Maxixe, Tamboril and Elvira models were estimated using an inverse distance weighting to the second power (ID2) methodology. The interpolation process was conducted using three successive passes with more inclusive search conditions from the first pass to the next until most blocks were interpolated.
For the 2025 MRE the resources for NDC, Tamboril, Maxixe and LDM are presented in a single table, as they are constrained in a single pit for the purposes of estimating reasonable prospects for eventual economic extraction.
The estimates and models were validated by statistically comparing block model grades to the assay and composite grades, and by comparing block values to the composite values located inside the interpolated blocks. The estimates were considered reasonable.
Mineral Resources are classified into Measured, Indicated and Inferred categories. The Mineral Resource classification is based on the density of analytical information, the grade variability and spatial continuity of mineralization.
Conceptual economic parameters were used to assess the reasonable prospects of eventual economic extraction. A series of economic parameters were estimated to represent the production cost and economic prospectivity of an open pit and underground mining operation in Brazil and came either from SGS Canada or SMSA. These parameters are believed to be sufficient to include all block models in future open pit and underground mine planning.
![]() |
| SGS Canada Inc. |
| Technical Report – Grota do Cirilo Lithium Project – Araçuai and Itinga Regions, Minas Gerais, Brazil |
The combined mineral resource estimate for the Grota do Cirilo project is reported in Table 1‑1, while the individual MREs for the different pegmatites are reported in Table 1-2 to Table 1-6 using a 0.3% Li2O cut-off for open pit and a 1.0% Li2O cutoff for underground. The Mineral Resource estimates are constrained by the topography and are based on the conceptual economic parameters. All Mineral Resource Estimates have an effective date of the 15th January 2025. The QP for the estimates is Mr. Marc-Antoine Laporte, P.Geo., an SGS employee.
Table 1‑1: Grota do Cirilo Complete Mineral Resource Estimate 15th January 2025
|
Cut-off Grade Li2O (%) |
Category |
Tonnage (Mt) |
Average Grade Li2O (%) |
LCE (Kt) |
|
0.3 (Pit) 1.0 (UG) |
Measured |
45.8 |
1.39 |
1,575 |
|
0.3 (Pit) 1.0 (UG) |
Indicated |
47.4 |
1.40 |
1,643 |
|
Measured + Indicated |
93.2 |
1.40 |
3,222 |
|
|
0.3 (Pit) 1.0 (UG) |
Inferred |
13.7 |
1.36 |
459 |
| Notes to accompany Mineral Resource tables: | ||
|
1. |
Mineral Resources have an effective date of the 15th January, 2025 and have been classified using the 2014 CIM Definition Standards. The Qualified Person for the estimate is Mr. Marc-Antoine Laporte, P.Geo., an SGS employee. |
|
|
2. |
All Resources are presented undiluted and in situ, constrained by continuous 3D wireframe models, and are considered to have reasonable prospects for eventual economic extraction. |
|
3. |
Mineral Resources are reported assuming open pit mining methods, and the following assumptions: lithium concentrate (6% Li2O) price of US$800/t, mining costs of US$2.2/t for mineralization and waste, crushing and processing costs of US$10.7/t, general and administrative (G&A) costs of US$4/t, concentrate recovery of 60%, 2% royalty payment, pit slope angles of 55º, and an overall cut-off grade of 0.3% Li2O. |
|
4. |
Tonnages and grades have been rounded in accordance with reporting guidelines. Totals may not sum due to rounding. |
|
5. |
Mineral resources which are not mineral reserves do not have demonstrated economic viability. An Inferred Mineral Resource has a lower level of confidence than that applying to a Measured and Indicated Mineral Resource and must not be converted to a Mineral Reserve. It is reasonably expected that the majority of Inferred Mineral Resources could be upgraded to Indicated Mineral Resources with continued exploration. |
|
6. |
The results from the pit optimization are used solely for the purpose of testing the “reasonable prospects for economic extraction” by an open pit and do not represent an attempt to estimate mineral reserves. The results are used as a guide to assist in the preparation of a Mineral Resource statement and to select an appropriate resource reporting cut-off grade. |
|
7. |
The estimate of Mineral Resources may be materially affected by environmental, permitting, legal, title, taxation, socio-political, marketing, or other relevant issues. |
![]() |
| SGS Canada Inc. |
| Technical Report – Grota do Cirilo Lithium Project – Araçuai and Itinga Regions, Minas Gerais, Brazil |
Table 1‑2: NDC Deposit Mineral Resource Estimate
|
CUT-OFF GRADE |
CATEGORY |
TONNES |
AVERAGE |
CONTAINED LCE (KT) |
|
0.3 |
Measured |
5.4 |
1.35 |
180 |
|
0.3 |
Indicated |
32.9 |
1.42 |
1,155 |
|
0.3 |
Measured + Indicated |
38.3 |
1.41 |
1,335 |
|
0.3 |
Inferred |
2.4 |
1.16 |
69 |
Table 1‑3: Murial Deposit Mineral Resource Estimate
|
CUT-OFF GRADE |
METHOD |
CATEGORY |
TONNAGE |
AVERAGE |
LCE (KT) |
|
0.3 |
Open Pit |
Measured |
10.7 |
1.26 |
333 |
|
0.3 |
Open Pit |
Indicated |
1.6 |
1.06 |
42 |
|
1.0 |
UG |
Measured |
1.8 |
1.51 |
67 |
|
1.0 |
UG |
Indicated |
0.5 |
1.50 |
19 |
|
Measured + Indicated |
14.6 |
1.28 |
466 |
||
|
0.3 |
Open Pit |
Inferred |
1.5 |
1.31 |
49 |
|
1.0 |
UG |
Inferred |
0.6 |
1.45 |
22 |
|
Inferred |
2.1 |
1.35 |
71 |
Table 1‑4: Xuxa Deposit Mineral Resource Estimate
|
CUT-OFF GRADE |
METHOD |
CATEGORY |
TONNAGE |
AVERAGE |
LCE (KT) |
|
0.3 |
Open Pit |
Measured |
8.2 |
1.59 |
322 |
|
0.3 |
Open Pit |
Indicated |
3.8 |
1.55 |
146 |
|
1.0 |
UG |
Measured |
0.2 |
1.35 |
7 |
|
1.0 |
UG |
Indicated |
2.5 |
1.41 |
87 |
|
Measured + Indicated |
14.7 |
1.55 |
562 |
||
|
0.3 |
Open Pit |
Inferred |
1.5 |
1.63 |
60 |
|
1.0 |
UG |
Inferred |
1.8 |
1.57 |
70 |
|
Inferred |
3.3 |
1.60 |
130 |
![]() |
| SGS Canada Inc. |
| Technical Report – Grota do Cirilo Lithium Project – Araçuai and Itinga Regions, Minas Gerais, Brazil |
Table 1‑5: Barreiro Deposit Mineral Resource Estimate
|
CUT-OFF GRADE |
CATEGORY |
TONNAGE |
AVERAGE |
LCE (KT) |
|
0.3 |
Measured |
19.5 |
1.38 |
665 |
|
0.3 |
Indicated |
6.1 |
1.29 |
195 |
|
0.3 |
Measured + Indicated |
25.6 |
1.36 |
861 |
|
0.3 |
Inferred |
3.8 |
1.38 |
130 |
Table 1‑6: Elvira Deposit Mineral Resource Estimate
|
CUT-OFF GRADE LI2O (%) |
CATEGORY |
TONNAGE |
AVERAGE |
LCE (KT) |
|
0.3 |
Measured |
- |
- |
- |
|
0.3 |
Indicated |
- |
- |
- |
|
0.3 |
Measured + Indicated |
- |
- |
- |
|
0.3 |
Inferred |
2.1 |
1.16 |
60.2 |
Factors that can affect Grota do Cirilo Mineral Resource estimates include but are not limited to:
|
● |
Changes to the modelling method or approach. |
|
● |
Changes to geotechnical assumptions, in particular, the pit slope angles. |
|
● |
Changes to any of the social, political, economic, permitting, and environmental assumptions considered when evaluating reasonable prospects for eventual economic extraction. |
|
● |
Mineral Resource estimates can also be affected by the market value of lithium and lithium compounds. |
![]() |
| SGS Canada Inc. |
| Technical Report – Grota do Cirilo Lithium Project – Araçuai and Itinga Regions, Minas Gerais, Brazil |
|
1.12 |
MINERAL RESERVE ESTIMATES |
The combined mineral reserve estimate for the Grota do Cirilo project is reported in Table 1‑7, while the individual reserves for the different pegmatites are reported in Table 1-8 to Table 1-12.
Table 1‑7: Sigma Consolidated Mineral Reserves Grota do Cirilo Project
|
Sigma Consolidated Mineral Reserve |
|||
|
Classification |
Tonnage (Mt) |
Li2O(%) |
LCE(Kt) |
|
Proven |
39.9 |
1.33 |
1,314 |
|
Probable |
36.4 |
1.28 |
1,157 |
|
Total |
76.4 |
1.29 |
2,434 |
Notes to accompany Mineral Resource table
|
1. |
Mineral Reserves were estimated using Geovia Whittle 4.3 software and following the economic parameters listed below: |
|
2. |
Sale price for Lithium concentrate at 5.5% Li2O = US$1,150/t concentrate FOB mine gate. |
|
3. |
Exchange rate US$1.00 = R$5.00. |
|
4. |
Mining costs: US$2.20/t/US$50 mined. |
|
5. |
Processing costs: US$10.70/t ore milled. |
|
6. |
G&A: US$4.00/t ROM (run of mine). |
|
7. |
Mineral Reserves are the economic portion of the Measured and Indicated Mineral Resources. |
|
8. |
97% Mine Recovery |
|
9. |
Final slope angles based on geotechnical considerations presented in Section 16. |
|
10. |
Strip ratios based on individual mining parameters |
|
11. |
The Qualified Person for the estimate is William van Breugel, P.Eng., an SGS associate |
![]() |
| SGS Canada Inc. |
| Technical Report – Grota do Cirilo Lithium Project – Araçuai and Itinga Regions, Minas Gerais, Brazil |
Table 1‑8: Xuxa Mineral Reserves
|
Sigma Xuxa Mineral Reserves |
||||
|
Classification |
Method |
Tonnage (Mt) |
Li2O(%) |
LCE(Kt) |
|
Proven |
Open Pit |
7.9 |
1.55 |
303 |
|
Proven |
UG |
1.3 |
1.15 |
37 |
|
Probable |
Open Pit |
3.2 |
1.55 |
123 |
|
Total |
12.4 |
1.51 |
462 |
|
Table 1‑9: Barreiro Mineral Reserves
|
Sigma Barreiro Mineral Reserves |
|||
|
Classification |
Tonnage (Mt) |
Li2O(%) |
LCE(Kt) |
|
Proven |
16.9 |
1.38 |
577 |
|
Probable |
4.8 |
1.29 |
153 |
|
Total |
21.8 |
1.36 |
730 |
Table 1‑10: NDC-LDM Mineral Reserves
|
Sigma NDC-LDM Reserves |
|||
|
Classification |
Tonnage (Mt) |
Li2O(%) |
LCE(Kt)* |
|
Proven |
4.8 |
1.29 |
153 |
|
Probable |
27.1 |
1.27 |
851 |
|
Total |
31.9 |
1.27 |
1,002 |
Table 1‑11: Murial Mineral Reserves
|
Sigma Murial Reserves |
|||
|
Classification |
Tonnage (Mt) |
Li2O(%) |
LCE(Kt)* |
|
Proven |
9.0 |
1.10 |
245 |
|
Probable |
1.2 |
0.87 |
26 |
|
Total |
10.2 |
1.07 |
270 |
|
1.13. |
MINING METHODS |
|
1.13.1 |
Xuxa |
Xuxa is an operating mine and commenced production in April 2023. It is currently operating as an open pit mine, with a mine life of eight years, with an underground component adding a further six years to the mine life.
|
1.13.2 |
Barreiro |
The mine layout and operation are based on the following criteria:
|
● |
A single open pit on the Barreiro pegmatite |
|
● |
Low height mineralized material benches to reduce mine dilution and maximize mine recovery |
|
● |
Pre-splitting of the mineralized material to reduce mine dilution |
|
● |
Elevated inter-ramp angles for the waste to reduce strip ratio |
![]() |
| SGS Canada Inc. |
| Technical Report – Grota do Cirilo Lithium Project – Araçuai and Itinga Regions, Minas Gerais, Brazil |
The basis for the scheduling includes:
|
● |
Pit wall pre-stripping the pit to liberate mineralized material |
|
● |
Pit push-backs in years 4 to 6 to expand and allow deepening of the pit |
|
● |
Mining at a rate of 1.80 Mtpa |
|
● |
The planned open pit mine life is 12 years |
|
● |
The mining fleet is based on road trucks operated by a mining contractor. |
|
1.13.3 |
Nezinho do Chicão – Lavra do Meio |
The mine layout and operation are based on the following criteria:
|
● |
One large pit encompassing the north and south NDC pegmatite bodies and the LDM pegmatite |
|
● |
Low height mineralized material benches to reduce mine dilution and maximize mine recovery |
|
● |
Pit wall pre-splitting of the mineralized material to reduce mine dilution |
|
● |
Elevated inter-ramp angles for the waste to reduce strip ratio |
The basis for the scheduling includes:
|
● |
Mining at a rate of 1.80 Mtpa |
|
● |
The planned open pit mine life is 16 years |
|
● |
The mining fleet is based on road trucks operated by a mining contractor. |
|
1.13.4 |
Murial |
The mine layout and operation are based on the following criteria:
|
● |
A single open pit on the Murial pegmatites |
|
● |
Low height mineralized material benches to reduce mine dilution and maximize mine recovery |
|
● |
Pre-splitting of the mineralized material to reduce mine dilution |
|
● |
Elevated inter-ramp angles for the waste to reduce strip ratio |
The basis for the scheduling includes:
|
● |
Pit wall pre-stripping the pit to liberate mineralized material |
|
● |
Mining at a rate of 1.80 Mtpa |
|
● |
The planned open pit mine life is 6 years |
|
● |
The mining fleet is based on road trucks operated by a mining contractor. |
|
1.14 |
RECOVERY METHODS |
| 1.14.1 |
Processing Plant Description |
The Xuxa concentrator is situated approximately 1.5 km northeast of the Xuxa open-pits. The lithium oxide concentrate is produced by Dense Medium Separation (DMS). The DMS plant is designed based on Xuxa design parameters and will produce a lithium oxide concentrate with a target grade of 5.3% Li2O. The Xuxa plant throughput capacity is based on 1.8 Mtpa (dry) of ore fed to the crushing circuit.
![]() |
| SGS Canada Inc. |
| Technical Report – Grota do Cirilo Lithium Project – Araçuai and Itinga Regions, Minas Gerais, Brazil |
A second DMS concentrator will be constructed to process the Barreiro ore (Phase 2). This plant will produce a lithium oxide concentrate with a target grade of 5.3% Li2O from an average ore grade of 1.36% Li2O (diluted). The Barreiro plant throughput capacity is based on 1.85 Mtpa (dry) of ore fed to the crushing circuit.
Phase 3 involves the construction of a third DMS concentrator. The standalone NDC plant would be a duplicate of the Barreiro design, with a plant capacity based on 1.85 Mtpa (dry) of ore fed to the crushing circuit and an average ore grade of 1.45% Li2O (diluted). The combined plant throughput capacity is 3.9 Mtpa (dry) of ore fed to a dedicated crushing circuit from both the Barreiro and NDC ore bodies. The plant is designed to produce a combined spodumene and petalite concentrate of 5.3% Li2O.
|
1.14.2 |
Design Criteria and Utilities Requirements |
The power consumption of the processing plant is 2.5 MW.
The raw water consumption is approximately 38 m³/hr, with an additional make-up raw water requirement to process water as needed.
The process water is recycled within the plant using a thickener, where all fines slurry streams are directed and recovered. This water is pumped to the process water tank and recycled to the circuits as needed.
Consumables will include reagents and operational consumables for the crushing circuit and the DMS plant.
Reagents will include ferrosilicon with a consumption rate of 280 g/t primary DMS feed and 960 g/t ultrafines DMS feed. and flocculant (Magnafloc 10 or equivalent) at a consumption rate of 30 g/t and coagulant 800 g/t, DMS feed.
In the crushing circuit, consumables will include liners for all the crushers and the screen panels. In the DMS plant, maintenance items will be necessary for cyclones, pumps, screens and belt filters.
|
1.15 |
PROJECT INFRASTRUCTURE &NBSP; |
|
1.15.1 |
Buildings, Roads, Fuel Storage, Power Supply and Water Supply |
The Phase 1 plant site and Xuxa mine pits, located approximately 4 km from the main highway, are accessible via an existing municipal road off Highway BR367. This road has been widened to a width of 8 m. The municipal authorities have built a new road to bypass the plant, providing access to local communities.
To access the NDC-LDM & Murial Deposits, the same road access to Barreiro will be used with an approximate distance of 10 km from the processing plant at Xuxa. A 7.8 km long bypass road will be built at the Murial and LDC-LDM proposed waste dump to allow access to local communities/property owners.
The plant and mine services areas have administrative buildings such as offices, changeroom, cafeteria, concierge, clinic, fire emergency services and operation support facilities such as workshops and warehouses.
Fuel is delivered to the site under a contracted supply arrangement. The diesel is stored in an overhead tank with a capacity of 15m³, situated within a concrete containment bunded area.
![]() |
| SGS Canada Inc. |
| Technical Report – Grota do Cirilo Lithium Project – Araçuai and Itinga Regions, Minas Gerais, Brazil |
CEMIG, a state power company, supplies power. The power is supplied from an existing 138 kV overhead transmission line. This line supplies a new CEMIG substation (intersection substation), which serves as the main source of power for the adjacent Sigma substation.
Sigma has been granted an allocation of 150 m³/hr for all months of the year by the Agencia Nacional das Águas (ANA) for a period of 10 years. The water is drawn from the Jequitinhonha River by two floating pumps, one in operation and one on standby, to the water treatment plant.
|
15.2.1 |
Waste Rock and Tailings Disposal and Stockpiles |
At Xuxa, waste rock is stored in five waste piles in the vicinity of the Xuxa pits. Geotechnical studies determined an optimal bench height of 20 m, with a face angle of 38°. The access ramps are 12 m wide, with a maximum gradient of 10%.
Table 1-12 shows the capacities of the Xuxa waste piles.
Table 1‑12 – Xuxa Waste Pile Storage
|
Designed Pile |
Volume (Mm³) |
Area (ha) |
|
Pile 1 |
4.4 |
16.85 |
|
Pile 2 |
8.5 |
23.03 |
|
Pile 3 |
1.8 |
8.99 |
|
Pile 4 |
25.5 |
50.62 |
|
Pile 5 |
1.3 |
8.4 |
|
TOTAL |
41.5 |
107.89 |
The Barreiro waste will be stored in a single waste pile close to the Barreiro pit. The waste pile parameters are the same as the Xuxa parameters – a 20 m bench height, 38° face angle, 12 m access ramp and a maximum gradient of 10%.
Table 1-13 show the capacity of the Barreiro waste pile.
Table 1‑13: Barreiro Waste Pile Storage
|
Waste Pile |
Value |
|
Volume (Mm3) |
110.9 |
|
Area (ha) |
122.7 |
|
Maximum height (m) |
220 |
The NDC waste will be stored in a single waste stockpile adjacent to the NDC pit. The waste pile parameters are the same as those for Xuxa and Barreiro, namely a 20 m bench height, 38° face angle, 12 m access ramp and a maximum gradient of 10%.
![]() |
| SGS Canada Inc. |
| Technical Report – Grota do Cirilo Lithium Project – Araçuai and Itinga Regions, Minas Gerais, Brazil |
Table 1-14 show the capacity of the NDC-LDM & Murial waste pile.
Table 1‑14: NDC-LDM & Murial Waste Pile Capacity and Surface Area
|
Waste Pile |
Value |
|
Volume (Mm3) |
|
|
NDC-LDM |
243.3 |
|
Murial |
170 |
|
Total |
413.3 |
|
Area (ha) |
|
|
NDC-LDM |
194.87 |
|
Murial |
136.9 |
|
Maximum height (m) |
225 |
The tailings stockpile will be fed by a radial stacker from the process plant. The tailings will then be loaded into mine trucks by front end loaders and transported to a tailings pile for storage.
| 1.15.3 |
Control Systems and Communication |
A process control system (PCS) including a main plant supervisory control and data acquisition (SCADA) system has been installed for monitoring and control purposes.
The telecommunications network consists of the telecommunications network and internet services, local area network (LAN), Wi-Fi access points, access control systems, and CCTV surveillance system.
|
1.16 |
MARKET STUDIES AND CONTRACTS |
The key information contained in the market study regarding lithium demand, supply and price forecasts are summarized from a variety of sources, including recently published industry studies and Benchmark Mineral Intelligence forecasts (2024).
|
1.16.1 |
Demand and Consumption |
Driven by structural changes in the automotive industry, particularly the growing transition to electric vehicles (EVs), the demand for lithium has surged dramatically over the past decade. The primary factors driving this demand growth beyond 2024 will be continued expansion of electric vehicle production and rise of battery storage systems.
According to Benchmark Mineral Intelligence, global lithium demand is projected to reach 2.6 million tonnes of lithium carbonate equivalent (Mt LCE) by 2030, marking a substantial increase of approximately 1.6 Mt from 2024 levels. By 2040, global lithium demand is expected to reach 5.3 Mt. This growth is primarily driven by battery demand for electric vehicles and other energy storage solutions. In 2024, batteries were expected to account for about 86% of total lithium demand, and this share is forecast to rise to over 94% by 2035, as demand from other industrial sectors declines.
![]() |
| SGS Canada Inc. |
| Technical Report – Grota do Cirilo Lithium Project – Araçuai and Itinga Regions, Minas Gerais, Brazil |
Benchmark Mineral Intelligence forecasts that global electric vehicle (EV) penetration will grow from 12.6% in 2024 to 75% by 2040, driven by a combination of pure electric, hybrid, and plug-in hybrid vehicles. Whereas lithium-ion battery demand from stationary storage applications is forecast to accelerate with an average 12% CAGR from 2025-2030.
|
1.16.2 |
Supply |
Currently, lithium supply is dominated by Australia, South America, and China, with the majority of lithium materials being sourced from hard rock deposits in Australia, China, and Brazil, and brine deposits in Chile, Argentina, and China. Most lithium sourced from hard rock deposits undergoes chemical conversion in China, while brine conversion is predominantly carried out in South America. While 81% of global supply came from Australia, China, and Chile in 2023, Benchmark Mineral Intelligence projects their combined share will drop to 46%, signaling a trend towards increasing geographical diversification of lithium supply.
In the long term, Benchmark Mineral Intelligence has revised its mining forecasts to 2.4 Mt LCE by 2030, with supply growth expected to remain relatively flat through 2040. This forecast includes expansions from existing mines as well as new entrants developing pre-production projects.
|
1.16.3 |
Price Forecast |
Lithium prices have pulled back from recent highs in the market, as discussed above. Short term pricing (2025 to 2030) indicates a measured rise in prices from 2024 lows, up to a peak of $36,000 per tonne in 2030, then pulling back to a long-term average of $29,000 for 2034 and beyond.
Long term tight market supply combined with rapidly improving demand for lithium chemicals is expected to put continued strong upward pressure on prices.
|
1.16.4 |
Contracts |
|
1.16.4.1 |
Operational Contracts |
SMSA maintains an ongoing agreement with Fagundes Construção e Mineração S.A. to provide mining services during SMSA’s operational phase, including the supply of all necessary equipment for these services. Additionally, SMSA has an agreement with IBQ Indústrias Químicas S.A. for the supply and handling of explosives used in SMSA's mining operations.
SMSA has active agreements with G7 Log Transportes Ltda. and D’Granel Transportes e Comércio Ltda. for the transportation of goods to the ports and with Multilift Logística Ltda. for storage and port handling services.
SMSA has an ongoing agreement that regulates the connection of the facilities of SMSA’s consumption unit to the distribution system operated by Companhia Energética de Minas Gerais (“CEMIG”) and the use of this distribution system by the Company at the contracted voltage of 138kV.
|
1.16.4.2 |
Construction contracts |
At the end of 2024, SMSA began procurement for the commencement of Phase 2 construction.
![]() |
| SGS Canada Inc. |
| Technical Report – Grota do Cirilo Lithium Project – Araçuai and Itinga Regions, Minas Gerais, Brazil |
As of February 2025, SMSA has already signed a Technical and Engineering Services Agreement with DRA Chile SpA. for the preparation of the early earthworks project and the parties are currently negotiating the terms and conditions of an EPCM Agreement for the processing plant expansion as part or Phase 2.
SMSA has also signed a letter of intent with the engineering firm FX Minas Construções e Empreendimentos Ltda. for the development and execution of the earthworks project to be prepared by DRA for Phase 2.
In December 2024, SMSA’s Procurement Team initiated negotiations to purchase long-lead items necessary for the Phase 2 Project. These agreements are currently in the final stages of closing.
|
1.17 |
ENVIRONMENTAL STUDIES, PERMITTING AND SOCIAL OR COMMUNITY IMPACT |
|
1.17.1 |
Applicable Legal Requirements for Project Environmental Permitting |
CONAMA Resolution N° 237 (1997) defines environmental licensing as an administrative procedure by which the competent environmental agency permits the locating, installation, expansion and operation of enterprises and activities that use environmental resources in a manner considered to be effectively or potentially polluting.
The licensing process in Minas Gerais has been developed in accordance with COPAM Regulatory Deliberation N° 217, dated December 6, 2017, and establishes classification criteria based on scale and polluting potential, as well as the locational criteria used to define the modalities of environmental licensing of ventures and activities that use environmental resources in the state of Minas Gerais.
In compliance with CONAMA Resolution 09/90, the environmental licensing of mining projects is always subject to an Environmental Impact Study (EIS), followed by an Environmental Impact Report (EIR), which supports the technical and environmental feasibility stage of the project and the granting of a Preliminary Licence (LP), a concurrent Preliminary and Installation License (LP + LI), and/or a concurrent Preliminary, Installation and Operational License (LP + LI + LO).
|
1.17.2 |
Permitting |
COPAM granted an Operation License (LO) to SMSA for commercial production and sale in March 2023 for the Xuxa’s Pit #1 (North Pit) and in April 2023 for the Xuxa’s Pit #2 (South Pit).
On January 31, 2024, Conselho Estadual de Política Ambiental (COPAM) granted Sigma a permit to increase the processing plant’s production.
On December 21, 2024, CMI granted the environmental license for the Barreiro mine and waste piles.
SMSA holds approved economic mining plans (Plano de Aproveitamento Econômico or PAE) over the Xuxa, Barreiro, Lavra do Meio, Murial, Maxixe and Nezinho do Chicão deposits within the Grota do Cirilo project.
SMSA has been granted a permit for 150 m³/hr of water from the Jequitinhonha River for all months of the year by the Agencia Nacional das Águas (ANA) for a period of 10 years, which is expected to be sufficient for the life-of mine (LOM) requirements for mining and product processing from Xuxa.
![]() |
| SGS Canada Inc. |
| Technical Report – Grota do Cirilo Lithium Project – Araçuai and Itinga Regions, Minas Gerais, Brazil |
SMSA is the owner of the mining rights registered under DNPM Nº 824.692/1971, and the holder of Mining Concession Ordinance Nº 1.366, published on October 19, 1984. In 2018 a PAE was registered with the National Mining Agency (ANM), which was approved on November 16, 2018.
|
1.17.3 |
Land Access |
Sigma entered into right-of-way agreements with Miazga and third-party surface rights owners of the Project, to carry out mining activities on its properties. These farms include Legal Reserves (LR) which are preserved and registered in the Sistema Nacional de Cadastro Ambiental Rural (SICAR), in accordance with Law Nº 12.651, dated May 25, 2012.
SMSA has a mining easement (Servidão Mineral) with a total of 413.3 hectares and aims to cover the areas of waste and tailings piles, production plant, all access roads (internal), electrical substation, installation of fueling station and support structures. The Servidão Mineral was published in the Official Gazette of the Federal Government. It contemplates the mining and processing activities of the Xuxa deposit (ANM Process No. 824.692/1971).
|
1.17.4 |
Social License Considerations |
Sigma understands and accepts the importance of proactive community relations as an overriding principle in its day-to-day operations as well as future development planning. The company therefore structures its community relations activities to consider the concerns of the local people and endeavors to communicate and demonstrate its commitment in terms that can be best appreciated and understood to maintain the social license to operate.
The Jequitinhonha valley is considered one of the poorest region in Minas Gerais which is plighted by poverty and is in the lowest quartile the Human Development Index (HDI). Sigma is one of the largest investors and operators in the area and the project will be transformational to the local communities. The largest direct economic benefit is that Sigma is subject to a 2% CFEM which is divided between the Federal Government, State Government and Local Government. Secondly a portion of the taxes on local procurement of goods and services is shared with the Local Government. These incomes from the royalty and tax are a most important source of funding for local Government and Sigma is the largest direct contributor in the region. Sigma is the largest employer in the region with 1,550 direct jobs and approximately 20,000 indirect jobs created.
Farming in the area is small-scale subsistence type as the area is semi-arid. Sigma operation causes minimal impact on the neighbouring farms of Grota do Cirilo properties. Sigma and contractor workforce lives in the cities of Araçuaí and Itinga and strict environmental management plans are in place to minimize the environmental footprint of the project. An example is 90% of the process water is re-circulated and there is zero run-off water from the site except during the wet season, when run-off water is discharged in an overflow channel. The process uses dry stacking technology, and no slimes dam was built. Regular environmental monitoring is conducted, and results are shared with the local communities.
Sigma has targeted and continues with consultations/engagements with numerous stakeholders in support of project development of the Project and has hosted visits from representatives of government departments and local institutions.
|
1.17.5 |
Rehabilitation, Closure Planning and Post-Closure Monitoring |
The closure plan for the Grota do Cirilo property encompasses the following: dismantling of building and infrastructure, removal of heavy mobile and surface equipment, restoration by reconstituting vegetal cover of the soil and the establishment of the native vegetation, grading and capping with vegetation suppression layer and revegetation of the waste rock and overburden stockpiles, removal of suppressed vegetation along with slope cover and surface drainage for water management, fencing of site, environmental liability assessment studies where there may have been spillages and soil and water contamination and safe disposal, revegetation of the open pit berm areas and fencing around the open pits.
![]() |
| SGS Canada Inc. |
| Technical Report – Grota do Cirilo Lithium Project – Araçuai and Itinga Regions, Minas Gerais, Brazil |
In the post-closure phase, a socioenvironmental and geotechnical monitoring program will be carried out, to support ecosystem restoration or preparation for the proposed future use.
The monitoring program will collect soil and diversity of species on an annual basis, continuing for a five-year period after mine closure.
|
1.17.6 |
NDC Environmental Work to Date |
The environmental licensing process for NDC began in December 2022 and was filed on August 10, 2023, with the presentation of technical studies for the production of 1,700,000 t/year for open pit mining and 182.2 ha for waste piles.
|
1.18 |
CAPITAL AND OPERATING COSTS |
|
1.18.1 |
Basis of Estimate |
The capital and operating cost estimates for the expansion of the Grota do Cirilo Project, Phases 2 and 3, have been developed based on industry benchmarks, supplier quotations, and internal engineering studies.
Contingencies have been applied according to the level of definition of each scope item and risk profile. All costs are expressed in US dollars and reflect Q1 2025 pricing.
|
1.18.2 |
Capital Cost Summary |
Capital cost estimates have been prepared in detail for Phase 2 and Phase 3, supported by vendor quotes and internal engineering. These cost estimates have been informed by the actual capital and operating expenditures incurred during the construction and commissioning of Phase 1.
![]() |
| SGS Canada Inc. |
| Technical Report – Grota do Cirilo Lithium Project – Araçuai and Itinga Regions, Minas Gerais, Brazil |
The breakdown provided below includes key functional areas:
Table 1-15: Phase 1, 2 & 3 Capex

|
1.19 |
ECONOMIC ANALYSIS |
|
1.19.1 |
Economic Assumptions |
Three levels of economic analyses were undertaken for the Project, contemplating the mining of the Mineral Reserves of:
|
● |
the Xuxa deposit (Phase 1) |
|
● |
the Barreiro deposit (Phase 2) |
|
● |
the NDC deposit (Phase 3) |
The economic analyses contemplate the production of lithium oxide concentrate (SC) at grades of 5.3% Li2O, in line with the current lithium market conditions.
The economic analyses were undertaken on a 100% equity basis and were developed using the discounted cash flow method based on the data and assumptions detailed in this report for revenue, capital expenditure (Capex) and operating cost (OPEX) estimates. An exchange rate of 5.60 BRL per US$ was used to convert particular components of the cost estimates into US$. No provisions were made for the effects of inflation and the base currency was considered on a constant 2025 US$ basis. Exploration costs are deemed outside of the Project and any additional Project study costs have not been included in the analyses.
The base case scenario after-tax net present value (NPV) results are detailed in Table 1-16 below. The discount rate assumed for the after-tax NPVs is 8%.
![]() |
| SGS Canada Inc. |
| Technical Report – Grota do Cirilo Lithium Project – Araçuai and Itinga Regions, Minas Gerais, Brazil |
Table 1-16 – Base Case After-Tax NPVs
|
MODELLED CASE |
UNIT |
@ 5.3% LI2O SC |
|
Phase 1 |
US$ M |
$1,389 |
|
Phase 2 |
US$ M |
$1,885 |
|
Phase 3 |
US$ M |
$2,456 |
|
Phase 1, 2 & 3 |
US$ M |
$5,730 |
A sensitivity analysis reveals that the Project’s viability will not be significantly vulnerable to variations in capital expenditures, within the margins of error associated with the estimates for Phase 1, Phase 2 and Phase 3, respectively. In contrast, the Project’s economic returns remain most sensitive to changes in spodumene prices, feedstock grades and recovery rates.
Phase 1, Phase 2 and Phase 3 were evaluated on a pre- and after-tax basis. It must be noted that there are many potential complex factors that affect the taxation of a mining project. The taxes, depletion, and depreciation calculations in the economic analyses are simplified and only intended to give a general indication of the potential tax implications at the project level.
Sudene is a government agency tasked with stimulating economic development in specific geographies of Brazil. The project is installed in a Sudene-covered geographic area, where a tax incentive granted to the project indicates a 75% reduction of income tax for 10 years, after achieving at least 20% of its production capacity. The considered Brazilian income tax rate is 15.25%, which represents the Sudene tax benefit applied to the Brazilian maximum corporate tax of 34% on taxable income (25% income tax plus 9% social contribution). For Phase 2 & 3, the Sudene tax incentive is expected to be renewed after the 10th anniversary of achieving at least 20% of their production capacities.
The Project is expected to be exempt from all importation taxes for products where there is no similar item produced in Brazil (Ex-Tarifário). Assembled equipment where some but not all individual components are produced in Brazil can be considered exempt from import taxes under these terms.
The Project royalties will include:
|
● |
A 2.0% CFEM royalty on mining operations, paid to the Brazilian Government. The CFEM royalty amount is split between the Federal Government of Brazil (12%), State Government of Minas Gerais (23%), and Municipal Government of Araçuaí (65%). |
|
● |
A 1.0% NSR royalty with permissible deductions from gross spodumene revenue including the CFEM royalty, any commercial discounts, transportation costs and taxes, paid to a third-party. |
|
1.19.2 |
Phase 1 Economic Analysis |
The Phase 1 economic analysis is based on an twelve-year operation sourcing feedstock ore from the Xuxa deposit’s Mineral Reserve of 12.3 Mt grading at 1.52% Li2O. Phase 1 is expected to generate run-rate production of 270 ktpa of lithium concentrate, delivering an average US$220 million of annual free cash flow, at a 5.3% Li2O SC grade.
![]() |
| SGS Canada Inc. |
| Technical Report – Grota do Cirilo Lithium Project – Araçuai and Itinga Regions, Minas Gerais, Brazil |
The base case scenario results are detailed in Table 1-17 below.
Table 1-17: Phase 1 Base Case Scenario Results
|
ITEM |
UNIT |
@ 5.3% LI2O SC |
|
After-Tax NPV @ 8% |
US$ M |
$1,389 |
The key technical assumptions used in the base case are highlighted below in Table 1-18.
Table 1-18: Key Phase 1 Technical Assumptions
|
ITEM |
UNIT |
@ 5.3% LI2O SC |
|
Total Ore Processed (ROM) |
Mt |
12.3 |
|
Annual ROM Ore Processed |
Mt |
1.1 |
|
Average Run-Rate SC Production |
Ktpa |
298.5 |
|
Run-Rate LCE Production |
Ktpa |
39.1 |
|
Average Strip Ratio |
Ratio |
14.4 |
|
Average Li2O Grade |
% |
1.42% |
|
DMS Cyclone Recovery |
% |
70.0% |
|
Lithium Oxide Concentrate Grade |
% Li2O |
5.3% |
|
Operating Life |
Years |
12 Years |
|
Cash Cost at Plant Gate (C1) |
US$/t SC |
318.0 |
|
Transportation Costs (CIF China) |
US$/t SC |
90.0 |
|
Cash Cost at Asia Port CIF (C3) & Royalties |
US$/t SC |
443.3 |
|
All in Sustaining Cost |
US$/t SC |
525.0 |
|
Mine Costs |
US$/t Material Mined |
2.2 |
|
Plant Costs |
US$/t ROM |
21.1 |
|
G&A Costs |
US$/t ROM |
22.94 |
Note 1: tonnage based on direct conversion to LCE excluding conversion rate
Note 2: Values in this table may not match other values in this report due to rounding of averages
Tables above illustrate the after-tax cash flow and cumulative cash flow profiles of Phase 1 under the base case scenario. The intersection of the after-tax cumulative cash flow with the horizontal zero line represents the payback period of the Capex to production.
As highlighted, the total gross revenue derived from the sale of lithium oxide concentrate is estimated at US$3.7 billion, an average revenue of US$1,607/t 5.3% SC with total operating costs (including royalty payments and commercial discounts) of US$0.9 billion at an average cost of US$410/t 5.3% SC. The resulting after-tax earnings margin (gross revenue less realization, operating costs and taxes) was estimated at US$2.2 billion.
|
1.19.3 |
Phase 2 Economic Analysis |
The Phase 2 economic analysis is based on a twelve-year operation sourcing feedstock ore from the Barreiro deposit’s Mineral Reserve of 24.7 Mt grading at 1.36% Li2O. Phase 2 is expected to generate run-rate production of 270 ktpa of lithium concentrate, delivering an average US$290 million of annual free cash flow, at a 5.3% Li2O SC grade.
![]() |
| SGS Canada Inc. |
| Technical Report – Grota do Cirilo Lithium Project – Araçuai and Itinga Regions, Minas Gerais, Brazil |
The base case scenario results are detailed in Table 1-19 below.
Table 1‑19: Phase 2 Base Case Scenario Results
|
ITEM |
UNIT |
@ 5.3% LI2O SC |
|
After-Tax NPV @ 8% |
US$ M |
$1,885 |
|
After-Tax IRR @ 8% |
% |
154% |
The key technical assumptions used in the base case are highlighted below in Table 1-20.
Table 1‑20: Key Phase 2 Technical Assumptions
|
ITEM |
UNIT |
@ 5.3% LI2O SC |
|
Total Ore Processed (ROM) |
Mt |
21.8 |
|
Annual ROM Ore Processed |
Mt |
1.8 |
|
Average Run-Rate SC Production |
Ktpa |
297.6 |
|
Run-Rate LCE Production |
Ktpa |
39.0 |
|
Average Strip Ratio |
Ratio |
9.4 |
|
Average Li2O Grade |
% |
1.36% |
|
DMS Cyclone Recovery |
% |
70.0% |
|
Lithium Oxide Concentrate Grade |
% Li2O |
5.3% |
|
Operating Life |
Years |
12 Years |
|
Cash Cost at Plant Gate (C1) |
US$/t SC |
318.0 |
|
Transportation Costs (CIF China) |
US$/t SC |
90.0 |
|
Cash Cost at Asia Port CIF (C3) & Royalties |
US$/t SC |
446.7 |
|
All in Sustaining Cost |
US$/t SC |
515.8 |
|
Mine Costs |
US$/t Material Mined |
3.2 |
|
Plant Costs |
US$/t ROM |
18.7 |
|
G&A Costs |
US$/t ROM |
22.5 |
Note 1: tonnage based on direct conversion to LCE excluding conversion rate
Tables above illustrate the after-tax cash flow and cumulative cash flow profiles of Phase 2 under the base case scenario. The intersection of the after-tax cumulative cash flow with the horizontal zero line represents the payback period of the Capex to production.
As highlighted, the total gross revenue derived from the sale of lithium oxide concentrate is estimated at US$6.1 billion, an average revenue of US$1,713/t 5.3% SC with total operating costs (including royalty payments and commercial discounts) of US$1.8 billion at an average cost of US$497/t 5.3% SC. The resulting after-tax earnings margin (gross revenue less realization, operating costs and taxes) was estimated at US$3.4 billion.
![]() |
| SGS Canada Inc. |
| Technical Report – Grota do Cirilo Lithium Project – Araçuai and Itinga Regions, Minas Gerais, Brazil |
This robust cash flow profile compares to an estimated Capex of US$101.2 million (as of March 2025) which includes the DMS plant, non-process infrastructure, and owner’s cost. The estimated sustaining and mine closure costs are approximately US$10 million.
|
1.19.4 |
Phase 3 Economic Analysis |
The Phase 3 economic analysis is based on a twelve-year operation sourcing feedstock ore from the NDC deposit’s Mineral Reserve of 42.2 Mt grading at 1.26% Li2O. Phase 3 is expected to generate run-rate production of 270 ktpa of lithium concentrate, delivering an average US$290 million of annual free cash flow, at a 5.3% Li2O SC grade.
The base case scenario results are detailed in Table 1-21 below.
Table 1‑21: Phase 3 Base Case Scenario Results
|
ITEM |
UNIT |
@ 5.3% LI2O SC |
|
After-Tax NPV @ 8% |
US$ M |
$2,456 |
|
After-Tax IRR @ 8% |
% |
160% |
The key technical assumptions used in the base case are highlighted below in Table 1-22.
Table 1-22: Key Phase 3 Technical Assumptions
|
ITEM |
UNIT |
@ 5.3% LI2O SC |
|
Total Ore Processed (ROM) |
Mt |
42.2 |
|
Annual ROM Ore Processed |
Mt |
2.0 |
|
Average Run-Rate SC Production |
Ktpa |
324.0 |
|
Run-Rate LCE Production |
Ktpa |
42.5 |
|
Average Strip Ratio |
Ratio |
16.4 |
|
Average Li2O Grade |
% |
1.26% |
|
DMS Cyclone Recovery |
% |
70.0% |
|
Lithium Oxide Concentrate Grade |
% Li2O |
5.3% |
|
Operating Life |
Years |
21 Years |
|
Cash Cost at Plant Gate (C1) |
US$/t SC |
318.0 |
|
Transportation Costs (CIF China) |
US$/t SC |
90.0 |
|
Cash Cost at Asia Port CIF (C3) & Royalties |
US$/t SC |
446.7 |
|
All in Sustaining Cost |
US$/t SC |
541.9 |
|
Mine Costs |
US$/t Material Mined |
2.0 |
|
Plant Costs |
US$/t ROM |
18.5 |
|
G&A Costs |
US$/t ROM |
29.3 |
Note 1: tonnage based on direct conversion to LCE excluding conversion rate
![]() |
| SGS Canada Inc. |
| Technical Report – Grota do Cirilo Lithium Project – Araçuai and Itinga Regions, Minas Gerais, Brazil |
Tables above illustrate the after-tax cash flow and cumulative cash flow profiles of Phase 3 under the base case scenario. The intersection of the after-tax cumulative cash flow with the horizontal zero line represents the payback period of the Capex to production.
As highlighted, the total gross revenue derived from the sale of lithium oxide concentrate is estimated at US$11.6 billion, an average revenue of US$1,701/t 5.3% SC with total operating costs (including royalty payments and commercial discounts) of US$3.0 billion at an average cost of US$437/t 5.3% SC. The resulting after-tax earnings margin (gross revenue less realization, operating costs and taxes) was estimated at US$7.0 billion.
This robust cash flow profile compares to an estimated Capex of US$101.2 million (as of March 2025) which includes the DMS plant, non-process infrastructure, and owner’s cost. The estimated sustaining and mine closure costs are approximately US$10 million.
| 1.19.5 |
Phase 1, 2 & 3 Economic Analysis |
The Phase 1, 2 & 3 economic analysis is based on a 22-year operation sourcing feedstock ore from the Xuxa deposit’s Mineral Reserve of 12.3 Mt grading at 1.52% Li2O, Barreiro deposit’s Mineral Reserve of 21.7 Mt grading at 1.36% Li2O and the NDC deposit’s Mineral Reserve of 42.2 Mt grading at 1.26% Li2O. Phase 1, 2 & 3 is expected to generate run-rate production of up to 766 ktpa of lithium concentrate, delivering US$600 million of annual free cash flow, at a 5.3% SC grade.
The base case scenario results are detailed in Table 1-23 below.
Table 1-23: Phase 1, 2 & 3 Base Case Scenario Results
|
ITEM |
UNIT |
@ 5.3% LI2O SC |
|
After-Tax NPV @ 8% |
US$ M |
$5,731 |
The key technical assumptions used in the base case are highlighted below in Table 1-24.
Table 1-24: Key Phase 1, 2 & 3 Technical Assumptions
|
ITEM |
UNIT |
@ 5.3% LI2O SC |
|
Total Ore Processed (ROM) |
Mt |
76.1 |
|
Annual ROM Ore Processed |
Mt |
3.3 |
|
Run-Rate SC Production |
ktpa |
895.3 |
|
Run-Rate LCE Production (Note 1) |
ktpa |
117.3 |
|
Phase 1 Strip Ratio |
t |
14.4 |
|
Phase 2 Strip Ratio |
ratio |
9.4 |
|
Phase 3 Strip Ratio |
ratio |
16.4 |
|
Phase 1 Average Li2O Grade |
% |
1.52% |
|
Phase 2 Average Li2O Grade |
% |
1.36% |
|
Phase 3 Average Li2O Grade |
% |
1.26% |
|
Plant 1 Yield |
% |
17.5% |
|
Plant 2 Yield |
% |
17.5% |
|
Plant 3 Yield |
% |
17.5% |
|
Lithium Oxide Concentrate Grade |
% Li2O |
5.3% |
|
Operating Life |
years |
23 |
|
Cash Cost at Plant Gate (C1) |
US$/t SC |
318.0 |
|
Transportation Costs (CIF China) |
US$/t SC |
90.0 |
|
Cash Cost at Asia Port CIF (C3) & Royalties |
US$/t SC |
443.3 |
|
All in Sustaining Cost |
US$/t SC |
525.0 |
|
Mine Costs |
US$/t SC |
204.0 |
|
Processing Costs |
US$/t ROM |
19.3 |
|
G&A Costs |
US$/t ROM |
22.0 |
Note 1: tonnage based on direct conversion to LCE excluding conversion rate
![]() |
| SGS Canada Inc. |
| Technical Report – Grota do Cirilo Lithium Project – Araçuai and Itinga Regions, Minas Gerais, Brazil |
Tables above illustrate the after-tax cash flow and cumulative cash flow profile of Phase 1, 2 & 3 under the base case scenario. The intersection of the after-tax cumulative cash flow with the horizontal zero line represents the payback period of the Capex to production.
As highlighted, the total gross revenue derived from the sale of lithium oxide concentrate is estimated at US$21.3 billion, an average revenue of US$1,688/t 5.3% SC with total operating costs (including royalty payments and commercial discounts) of US$5.5 billion at an average cost of US$434/t 5.3% SC. The resulting after-tax earnings margin (gross revenue less realization, operating costs and taxes) was estimated at US$12.8 billion.
|
1.20 |
INTERPRETATION AND CONCLUSIONS |
Mineral Resources are reported for eight pegmatite bodies, Xuxa, Barreiro, Murial, Lavra do Meio, Nezinho do Chicão, Maxixe, Tamboril and Elvira. Mineral Reserves are reported for the Xuxa, Barreiro, NDC-LDM and Murial deposits.
|
1.20.1 |
Risk Assessment |
Risk assessment sessions were conducted individually and collectively by all parties.
Most aspects of the project are well defined. The risks are grouped by licensing, cost (CAPEX and OPEX), schedule, operations, markets, and social/environmental categories. One of the most significant risks identified for the Project is related to lithium markets.
The following risks are highlighted for the project:
|
● |
Lithium market sale price and demand (commercial trends) |
|
● |
Fluctuations in the exchange rate and inflation |
|
● |
Labour strikes at the Port and at site (construction and operation) |
|
● |
Tax exemptions and import not confirmed |
|
● |
Increased demands from the local community once in operation |
|
● |
The production rate and size of the pit may impose challenges for operations |
![]() |
| SGS Canada Inc. |
| Technical Report – Grota do Cirilo Lithium Project – Araçuai and Itinga Regions, Minas Gerais, Brazil |
| 1.20.2 |
Opportunities |
The following opportunities are identified for the Grota do Cirilo Project:
|
● |
Sales of hypofines as DSO |
|
● |
Recovery of Li2O from petalite |
|
● |
Sale of plant rejects to the ceramics industry |
|
● |
Potential upgrading of some or all of the Inferred Mineral Resources to higher-confidence categories and eventually conversion to Mineral Reserves |
|
● |
Potential for future underground mining at both Phase 1 and Phase 2 projects. |
|
● |
Exchange rate may work in the Project’s favour. |
|
1.21 |
RECOMMENDATIONS |
The following summarizes the recommendations from this report.
| 1.21.1 |
Geology and Resources |
The QPs recommend that additional exploration drilling be conducted to the west and northwest of Barreiro to potentially increase resources. The overall cost for the drill program is estimated to be US$3M.
It is recommended that a geotechnical study of the Murial deposit be undertaken to provide more detailed information for the Murial mineral reserve and mine design.
![]() |
| SGS Canada Inc. |
| Technical Report – Grota do Cirilo Lithium Project – Araçuai and Itinga Regions, Minas Gerais, Brazil |
|
2 |
INTRODUCTION |
Sigma requested SGS Geological Services (SGS) to prepare an updated NI 43-101 Technical Report (the Report) on Sigma’s Grota do Cirilo project located in Minas Gerais State, Brazil.
This report contains an updated Mineral Resource Estimate for the Nezinho do Chicão, Lavra do Meio and Murial pegmatites and the maiden Mineral Resource Estimate for the Maxixe, Tamboril and Elvira pegmatites.
There has been no change in the Mineral reserves or financial analysis from previous reports.
SMSA is the Brazilian subsidiary of Sigma and is the owner of the mining rights and the holder of mining concessions ordinance which includes the Xuxa, Barreiro, Murial, Lavra do Meio and Nezinho do Chicão deposits.
Mineral Resources and Mineral Reserves (MRMR) are reported using the 2014 Canadian Institute of Mining, Metallurgy and Petroleum (CIM) Definition Standards (2014 CIM Definition Standards) and adhere, as best as possible, to the 2019 CIM Estimation of Mineral Resources & Mineral Reserves Best Practice Guidelines (2019 CIM MRMR Guidelines).

Figure 2‑1: Project Location
|
2.1 |
TERMS OF REFERENCE |
Mineral Resources are reported for eight pegmatite bodies, Xuxa, Barreiro, Nezinho do Chicão, Murial, Lavra do Meio, Maxixe, Tamboril and Elvira. Mineral Reserves are reported for the Xuxa, Barreiro and Nezinho do Chicão deposits. A feasibility study has been conducted on the Xuxa deposit and a pre-feasibility level study has been conducted on the Barreiro and Nezinho do Chicão deposits.
![]() |
| SGS Canada Inc. |
| Technical Report – Grota do Cirilo Lithium Project – Araçuai and Itinga Regions, Minas Gerais, Brazil |
Mineral Resources and Mineral Reserves are reported using the 2014 Canadian Institute of Mining, Metallurgy and Petroleum (CIM) Definition Standards (2014 CIM Definition Standards).
This Report is based, in part, on internal reports and information as listed in Section 27 of this Report. Where sections from reports authored by other consultants have been directly quoted in this Report, they are indicated as such in the Report sections.
|
2.2 |
EFFECTIVE DATES |
The effective date of the Mineral Resource and Mineral Reserve estimates reported in this technical report is the 15th January 2025.
|
2.3 |
QUALIFIED PERSONS |
This Technical Report was prepared for Sigma by or under the supervision of the following Qualified Persons (QPs):
|
● |
Mr. Johnny Canosa, P.Eng., Senior Engineer, SGS |
|
● |
Mr. Joseph Keane, P. Eng., Metallurgical Engineer, SGS |
|
● |
Mr. Marc-Antoine Laporte, P.Geo., Senior Geologist, SGS |
|
● |
Mr. William van Breugel, P.Eng, Associate Mining Engineer, SGS |
|
2.4 |
SITE VISITS |
The following Qualified Persons visited the Project site.
Mr. Marc-Antoine Laporte visited the Project site on September 11–15, 2017, from July 11–17, 2018, from September 18-23, 2018, from October 18-21, 2021, from May 30 to June 1 2022, from November 22-24, 2023 and from November 7-11, 2024. During the 2017 site visit, Mr. Laporte conducted a general review of the logging and QA/QC procedures in place for the 2017 drill program. Drill hole collars were visited, and selected collar positions checked with a hand-held global positioning system (GPS) instrument. An inspection of the drilling equipment and deviation survey methodology and tools was completed. Mr. Laporte took 26 witness (control) samples from the remaining 2014 Xuxa campaign drill core to submit for independent confirmation of the presence of lithium-bearing mineralization. During the July 2018 site visit a general review of the logging and QA/QC procedure was conducted with Sigma geologists to confirm compliance with industry best practices. Drill hole collars at Xuxa, Barreiro and Lavra Do Meio were inspected, and selected collar positions checked with a hand-held GPS instrument. An extensive review of the mineralized core from the four main pegmatite was conducted during the first two days of the visit including discussion of the sampling method with technical staff. Inspection of the drilling equipment and deviation survey methodology and tools between the two drilling companies was also completed to check consistency between the drill teams. One day was spent on the Sao Jose property to inspect the different historical mine workings and make recommendations for future drilling. Mr. Laporte visited the site again in September 2018, where he discussed the geological model and information needed to complete the resource estimates on the Xuxa, Barreiro, Murial and Lavra do Meio pegmatites. On his site visit in 2021, Mr. Laporte reviewed logging, QAQC and the drilling program underway at the Barreiro deposit. He also discussed the geological model and the information needed to update the MRE for Barreiro.
![]() |
| SGS Canada Inc. |
| Technical Report – Grota do Cirilo Lithium Project – Araçuai and Itinga Regions, Minas Gerais, Brazil |
|
2.5 |
INFORMATION SOURCE |
Sigma provided the financial model for the economic study. SGS has reviewed the model and input files for alignment with the Project input data.
![]() |
| SGS Canada Inc. |
| Technical Report – Grota do Cirilo Lithium Project – Araçuai and Itinga Regions, Minas Gerais, Brazil |
|
3 |
RELIANCE ON OTHER EXPERTS |
|
3.1 |
MARKETING |
The QP has fully relied upon, and disclaims responsibility for, marketing information derived from a third-party expert retained by Sigma through the following document:
|
● |
Benchmark Mineral Intelligence, Q2 - 2024: Lithium Forecast, Q2 - 2024. |
This information is used in Section 19, the Mineral Reserve estimate in Section 15, and the financial analysis in Section 22.
The QP considers it reasonable to rely on Benchmark Mineral Intelligence because the company is independent, privately owned, and is an industry leader in battery metals reporting. Benchmark Mineral Intelligence, founded in 2014, is a London-based IOSCO-regulated Price Reporting Agency and specialist information provider for the lithium-ion battery to EV supply chain. Benchmark Mineral Intelligence specialises in providing in depth market reports that give a comprehensive analysis of an individual metal or mineral market. These reports cover world supply and demand, the operations of the major producers, end-use market applications, price trends, international trade patterns and forecasts. Benchmark Mineral Intelligence also publishes regularly updated cost curves and databases for a number of metals and minerals.
|
3.2 |
UNITS AND CURRENCY |
Système International d'unités (SI) metric units are used, including metric tonnes (tonnes, t) for weight.
All currency amounts are stated in US dollars (US$) unless otherwise stated.
|
3.3 |
ENVIRONMENTAL, PERMITTING AND SOCIAL LICENCE |
The QP has fully relied upon, and disclaims responsibility for, environmental, permitting, and social licence information derived from third-party experts retained by Sigma.
The environmental studies conducted by Sigma and submitted to the environmental authority responsible for the permitting process are organized as follows:
|
● |
Phase 01 – North Pit and South Pit: In this process, the administrative infrastructure, the water treatment plant, the sewage treatment plant, the mineral processing unit, the North Pit, the South Pit, and the waste rock piles were licensed. |
For the environmental permitting, the following environmental impact studies and environmental control plans were prepared:
|
● |
Estudo e Relatório de Impacto Ambiental Phase 1 North Pit – EIA-RIMA dated October 2018 |
|
● |
Plano de Controle Ambiental Phase 1 North Pit– PCA dated December 2018 |
|
● |
Estudo e Relatório de Impacto Ambiental Phase 1 south pit – EIA-RIMA dated August 2020, and |
|
● |
Plano de Controle Ambiental Phase 1 south pit – PCA dated August 2020 |
![]() |
| SGS Canada Inc. |
| Technical Report – Grota do Cirilo Lithium Project – Araçuai and Itinga Regions, Minas Gerais, Brazil |
Aiming to optimize the geometry of the pits and waste rock piles, the following studies were developed:
|
● |
Estudo e Relatório de Impacto Ambiental – Ampliação da ADA – EIA-RIMA dated September 2024, and |
|
● |
Plano de Controle Ambiental – Ampliação da ADA – PCA dated September 2024 |
|
● |
Phase 02 – Barreiro: In this process, the pit and the waste rock pile in the area known as Barreiro were licensed, while the processing plant was licensed under the Plant Expansion (DMS Phase 02 and 03) process. |
For the environmental permitting, the following environmental impact studies and environmental control plans were prepared.
|
● |
Estudo e Relatório de Impacto Ambiental Phase 2 Barreiro t – EIA-RIMA dated February 2022, and |
|
● |
Plano de Controle Ambiental Phase 2 Barreiro – PCA dated March, 2022 |
|
● |
Phase 03 – NDC: In this process, the pit and the waste rock pile in the area known as Nezinho do Chicão were licensed, while the processing plant was licensed under the Plant Expansion (DMS Phase 02 and 03) process. |
For the environmental permitting, the following environmental impact studies and environmental control plans were prepared.
|
● |
Estudo e Relatorio de Impacto Ambiental Phase 3 NDC – EIA-RIMA dated August 2023, and |
|
● |
Plano de Controle Ambiental Phase 3 NDC – PCA dated August, 2023 |
|
● |
Plant Expansion (DMS Phase 02 and 03) – In this process, the mineral processing infrastructure for Phases 02 and 03 was licensed. |
|
● |
Relatório de Controle Ambiental DMS Phase 2 and 3– RCA – dated June, 2023 |
This information is used in Section 20, and in support of the Mineral Resource estimate in Section 14, the Mineral Reserve estimate in Section 15, and the financial analysis in Section 22.
|
3.4 |
COST ESTIMATION AND FINANCIAL ANALYSIS |
As this report is a resource update, the economic background and analysis for existing reserves at the Xuxa, Barreiro and Nezinho Do Chicão deposits is unchanged from previous reports. The QP has relied upon previous QP's assessment for these deposits in this report.
The QP has studied the previous cost estimates and conducted an audit of the previously published financial model. Cost estimates were suitably applied in the financial model. The audit found no errors or inconsistencies in the financial model.
The QP has fully relied upon, and disclaims responsibility for taxation (including amortization, interest rates, depreciation, discounts), levy, royalty, and buy-back options information derived from third-party experts retained by Sigma.
Updated and new reserve estimates for the Nezinho do Chicão, Lavra do Meio, Murial, Maxixe, Tamboril and Elvira pegmatites will require updated capital, operating and commodity price estimates in future reports.
![]() |
| SGS Canada Inc. |
| Technical Report – Grota do Cirilo Lithium Project – Araçuai and Itinga Regions, Minas Gerais, Brazil |
|
3.5 |
MINERAL TENURE |
The QPs have not reviewed the mineral tenure, nor independently verified the legal status, ownership of the Project area, underlying property agreements or permits. The QPs have fully relied upon, and disclaim responsibility for, information derived from third-party experts retained by Sigma through the following document:
Friere, W., Costa, B., Soares, D.R., and Azevedo, M., 2018: Legal Opinion 29/2018: report prepared by William Freire and Partners for Sigma, 10 April 2018, 68 p.
This information is used in Section 4 of the report, and in support of the Mineral Resource estimate in Section 14, the Mineral Reserve estimate in Section 15, and the financial analysis in Section 22.
![]() |
| SGS Canada Inc. |
| Technical Report – Grota do Cirilo Lithium Project – Araçuai and Itinga Regions, Minas Gerais, Brazil |
|
4 |
PROPERTY DESCRIPTION AND LOCATION |
|
4.1 |
PROPERTY DESCRIPTION AND LOCATION |
The Project area is located within Zone SE24 of the Americas topographic map reference, and is divided into four properties:
Grota do Cirilo property: UTM 190,615 m east and UTM 8146,788 m north; WGS 84, Zone 24S
Genipapo property: UTM 191,226 m east and UTM 8,155,496 m north, WGS 84, Zone 24 K
Santa Clara: UTM 197,682 m east and UTM 8,134,756 m north, WGS 84, Zone 24 K
São José property: UTM 190,612 m east and UTM 8,119,190 m north, 84, Zone 24 K.
The property locations are shown in Figure 4‑1.

Figure 4‑1: Project Properties - Genipapo, Grota do Cirilo, Santa Clara and São José
![]() |
| SGS Canada Inc. |
| Technical Report – Grota do Cirilo Lithium Project – Araçuai and Itinga Regions, Minas Gerais, Brazil |
|
4.2 |
MINERAL TENURE |
The legal framework for the development and use of mineral resources in Brazil was established by the Brazilian Federal Constitution, which was enacted on October 5, 1988 (the Brazilian Constitution) and the Brazilian mining code, which was enacted on January 29, 1940 (Decree-law 1985/40, later modified by Decree-law 227, of February 29, 1967, the Brazilian Mining Code).
According to the Brazilian Constitution, all mineral resources in Brazil are the property of the Federal Government. The Brazilian Constitution also guarantees mining companies the full property of the mineral products that are mined under their respective concessions. Mineral rights come under the jurisdiction of the Federal Government and mining legislation is enacted at the Federal level only. To apply for and acquire mineral rights, a company must be incorporated under Brazilian law, have its management domiciled within Brazil, and its head office and administration in Brazil.
In general, there are no restrictions on foreign investment in the Brazilian mining industry, except for mining companies that operate, or hold mineral rights within a 150 km-wide strip of land parallel to the Brazilian terrestrial borders. In this instance the equity interests of such companies have to be majority Brazilian-owned. Exploration and mining activities in the border zone are regulated by the Brazilian Mining Code and supporting legislation.
The Project consists of 29 mineral rights, mining concessions, applications for mining concessions and exploration permits covering an area of 18,278 Ha in four property areas (refer to Figure 4‑1). The tenure holdings are summarized in Table 4‑1 and tenure outlines are shown in Figure 4‑2. The identification numbers used in Figure 4‑2 correspond to the identification numbers in the first column of Table 4‑1. A summary of the types of concession within each property area is provided in Table 4‑2.
![]() |
| SGS Canada Inc. |
| Technical Report – Grota do Cirilo Lithium Project – Araçuai and Itinga Regions, Minas Gerais, Brazil |
Table 4‑1: Mineral Rights Description
|
ID |
Number |
Year |
Type |
Expiry Date |
Area |
Associated Property |
|
(ha) |
||||||
|
1 |
802.401 |
1972 |
Mining concession (*) |
Life of mine |
1,796.54 |
Genipapo |
|
2 |
802.400 |
1972 |
Mining concession (*) |
Life of mine |
969.13 |
Genipapo |
|
3 |
801.312 |
1972 |
Mining concession (*) |
Life of mine |
2,505.22 |
Grota do Cirilo |
|
4 |
831.891 |
2017 |
Exploration Permit |
03/10/2026 ** |
10.57 |
Genipapo |
|
5 |
830.039 |
1981 |
Mining Application |
Life of mine |
658.2 |
Grota do Cirilo |
|
6 |
824.692 |
1971 |
Mining concession |
Life of mine |
756.21 |
Grota do Cirilo |
|
7 |
810.345 |
1968 |
Mining concession (*) |
Life of mine |
125.54 |
Grota do Cirilo |
|
8 |
9.135 |
1967 |
Mining concession (*) |
Life of mine |
312 |
Grota do Cirilo |
|
9 |
5.804 |
1953 |
Mining concession (*) |
Life of mine |
9.33 |
Grota do Cirilo |
|
10 |
804.541 |
1971 |
Mining Application |
Life of mine |
44.89 |
Grota do Cirilo |
|
11 |
824.695 |
1971 |
Mining concession (*) |
Life of mine |
1,069.21 |
Grota do Cirilo |
|
12 |
805.799 |
1970 |
Mining concession (*) |
Life of mine |
8.29 |
Grota do Cirilo |
|
13 |
4.134 |
1953 |
Mining concession (*) |
Life of mine |
494.69 |
Grota do Cirilo |
|
14 |
831.975 |
2017 |
Exploration Permit |
05/04/2026 ** |
4.03 |
Grota do Cirilo |
|
15 |
2.998 |
1953 |
Mining concession (*) |
Life of mine |
327.84 |
Santa Clara |
|
16 |
801.870 |
1978 |
Mining concession |
Life of mine |
544.9 |
Santa Clara |
|
17 |
801.316 |
1972 |
Mining concession (*) |
Life of mine |
3,727.89 |
Santa Clara |
|
18 |
801.315 |
1972 |
Mining concession (*) |
Life of mine |
991.71 |
Santa Clara |
|
19 |
813.413 |
1973 |
Mining concession (*) |
Life of mine |
379.31 |
Santa Clara |
|
20 |
832.889 |
2013 |
Extension Exploration Permit |
01/11/2025 ** |
810.23 |
São José |
|
21 |
806.856 |
1972 |
Mining concession (*) |
Life of mine |
1,920.42 |
São José |
|
22 |
808.869 |
1971 |
Mining concession (*) |
Life of mine |
29 |
São José |
|
23 |
804.088 |
1975 |
Mining concession |
Life of mine |
29.22 |
São José |
|
24 |
801.875 |
1978 |
Mining concession |
Life of mine |
281.51 |
São José |
|
25 |
830.580 |
1979 |
Exploration Permit |
N/A*** |
466.93 |
São José |
|
26 |
832.244 |
2021 |
Exploration Permit |
04/02/2025 |
1.53 |
Grota do Cirilo |
|
27 |
832.245 |
2021 |
Exploration Requirement |
N/A*** |
0.25 |
Grota do Cirilo |
|
28 |
832.246 |
2021 |
Exploration Permit |
04/02/2025 |
2.16 |
Grota do Cirilo |
|
29 |
830.081 |
2022 |
Exploration Permit |
18/04/2025 |
1.16 |
Grota do Cirilo |
|
* Mining rights covered by the Mining Group 931.021/83. **Deadline for submission to the ANM of the final research report |
||||||
|
*** The Final Research Report was submitted in due time and is pending analysis. There is no provision for an administrative decision.
Exploration permits 832.244, 832.245, 832.246 and 830.081 are too small to be shown in Figure 4-2. |
||||||
![]() |
| SGS Canada Inc. |
| Technical Report – Grota do Cirilo Lithium Project – Araçuai and Itinga Regions, Minas Gerais, Brazil |

Figure 4‑2: Project Mineral Rights, North and South Complexes
![]() |
| SGS Canada Inc. |
| Technical Report – Grota do Cirilo Lithium Project – Araçuai and Itinga Regions, Minas Gerais, Brazil |
Table 4‑2: Property Tenure Summary
|
Property |
Area (ha) |
Concessions |
Historical Workings |
|
Grota do Cirilo |
5,992 |
8 mining concessions, 2 Application for mining concession, 4 exploration permits, 1 exploration requirement |
Xuxa, Lavra do Meio, Murial and Maxixe |
|
São José |
3,537 |
4 mining concessions and 2 exploration permits |
Samambaia, Lavra Grande, Ananias, Ramom and Lavra Antiga |
|
Genipapo |
2,776 |
2 mining concessions and 1 exploration permit |
Morundu and Lavra Velha |
|
Santa Clara |
5,972 |
5 mining concessions |
Lavra do Honorato |
All concessions have been surveyed on the ground and have been monumented (physical boundary markers are in place). Sigma retains third-party consultants to monitor its concession obligations. The consultants report on both a monthly and a quarterly basis.
The following payments and fees are required to keep concessions current:
ANM Proceeding 802.401/1972, 802.400/1972, 4.134/1953, 824.692/1971, 810.345/1968, 9.135/1967, 5.804/1953, 824.695/1971, 805.799/1970, 801.312/1972, 2.998/1953, 801.870/1978, 801.316/1972, 801.315/1972, 813.413/1973, 806.856/1972, 808.869/1971, 804.088/1975, 801.875/1978 (mining concessions): Financial Compensation for the Exploration of Mineral Resources (CFEM) will only be due when there is mineral production in the areas. For the sale of lithium, the value of CFEM is equivalent to 2% on mining operations, less taxes levied on its sale
ANM Proceeding 830.039/1981, 804.541/1971 (Mining Application): there is no periodic payment due
ANM Proceeding 850.580/1979 (Exploration permit with Approved Final Report): there is no periodic payment due
ANM Proceeding 832.244/2021 (Exploration permit with Final Report delivered): there is no periodic payment due
ANM Proceeding 832.889/2013, 831.891/2017, 831.975/2017, 832.246/2021 (Extension Exploration Permit): The annual payments due at the annual fees per hectare (TAH) were made, totaling the amount of R$5,778.85 (about $US1000.00)
ANM Process 830.081/2022, (Original Exploration Permit): The annual payments due at the annual fees per hectare (TAH) were made, totaling the amount of R$ 80.79 (about $US14.74)
The TAH is due in January, for permits granted from July to December of the previous year, and in July, for permits granted from January to June of the present year. Currently the TAH is R$4.53/hectare for original exploration permits and R$6.78/hectare for renewed exploration permits
![]() |
| SGS Canada Inc. |
| Technical Report – Grota do Cirilo Lithium Project – Araçuai and Itinga Regions, Minas Gerais, Brazil |
Sigma has five mining concessions that have had the PAE approved, covering the Xuxa, Lavra do Meio, Murial, Maxixe and Nezinho do Chicâo deposits, as well as two mining applications, Barreiro and Xuxa Sul, within the Grota do Cirilo property.
|
4.3 |
SURFACE RIGHTS |
Under Brazilian laws, foreign entities may not own a controlling interest in surface rights. The surface rights in the Grota do Cirilo area, the current primary focus of activity, are held by Arqueana, Miazga and Tatooine and certain areas are held under private ownership. Sigma has negotiated the right of access in these areas.
|
4.4 |
AGREEMENTS |
SMSA has entered into surface lease agreements with three related party companies: Arqueana, Miazga and Tatooine. There are no conditions limiting the access to the land by SMSA. SMSA has entered into surface lease agreements with these companies to support Sigma’s exploration and development activities within the Grota do Cirilo property, as well as with third-party surface owners in the Project area.
|
4.5 |
ROYALTIES AND ENCUMBRANCES |
|
4.5.1 |
CFEM Royalty |
The Brazilian Government is entitled to a Compensação Financeira pela Exploração de Recursos Minerais (CFEM) royalty. The holder of a mining concession for lithium mineral must pay the Brazilian government 2.0% on mining operations. The only deductions allowed are taxes levied on commercial sales.
|
4.5.2 |
Royalty Agreements |
The royalty provides for an NSR royalty calculated at the rate of 1%, over the gross revenues of SMSA, less all taxes and royalties payable to government authorities, any discounts or sales commissions paid, and any insurance or freight cost borne by SMSA. There is no buyout provision for this royalty.
|
4.6 |
QP COMMENT |
To the extent known, there are no other significant factors and risks that may affect access, title, or the right or ability to perform work on the Project that have not been discussed in this Report.
![]() |
| SGS Canada Inc. |
| Technical Report – Grota do Cirilo Lithium Project – Araçuai and Itinga Regions, Minas Gerais, Brazil |
|
5 |
ACCESSIBILITY, CLIMATE, LOCAL RESOURCES, INFRASTRUCTURE AND PHYSIOGRAPHY |
|
|
|
|
5.1 |
ACCESSIBILITY |
The Grota do Cirilo Project, developed by Sigma, is located along the BR-367 Federal highway, within the municipality of Itinga, and also extends into the municipality of Araçuaí. The BR-367 connects the state of Bahia to the state of Minas Gerais.
From Araçuaí and Itinga to Belo Horizonte, there are two main route options. One involves taking the BR-367 to Gouveia, followed by the BR-259 until reaching the BR-040. The alternative route follows the BR-367 to Itaobim and then continues on the BR-116 to Governador Valadares, where it connects to the BR-381 towards Belo Horizonte. Additionally, in both Araçuaí and Itinga, there are several smaller local roads, some paved and others unpaved, that run through rural areas and provide access to districts and communities.
In Araçuaí, the Araçuaí Airport is located near the BR-367, close to the city center. It features a paved runway measuring 1,200 meters in length and 30 meters in width, at an elevation of 360 meters. The airport operates during daytime under visual approach conditions. The two closest major domestic airports are located in the municipality of Montes Claros, 329 km west of the Project, and in the municipality of Vitória da Conquista, 273 km east of the Project.
The BR251 highway accesses the Port of Vitória in the State of Espirito Santo, approximately 700 km from the Project site.
|
5.2 |
CLIMATE |
The project area has a Central Brazil Tropical climate, ranging from semi-arid to semi-humid, with more significant rainfall during the summer months and average temperatures consistently above 20°C throughout the year. The region has an average annual rainfall of approximately 707 mm, with most of the precipitation concentrated in the November-December-January quarter, totaling 412 mm annually. As a result, the region experiences a prolonged dry season and water deficit lasting about seven consecutive months (from April to October).
During the June-July-August quarter, due to low convective activity, rainfall values are around just 12 mm in total for the period, as the region comes under the influence of the South Atlantic Anticyclone, leading to a well-defined dry season.
|
5.3 |
LOCAL RESOURCES AND INFRASTRUCTURE |
The nearest larger communities are Itinga and Araçuaí, with populations of approximately 13,745 and 34,297, respectively. The following provides a summary of the key infrastructure indicators for each municipality:
|
● |
Araçuaí |
| Education: The education system in Araçuaí comprises both urban and rural schools administered by municipal and state authorities. In areas lacking educational facilities, school transportation (vans) is provided to ensure student access. According to the National Institute for Educational Studies and Research Anísio Teixeira (INEP), as of 2022, the municipality had 41 educational institutions, including 5 offering daycare services, 13 with preschool programs, 31 providing elementary education, and 9 offering secondary education. |
![]() |
| SGS Canada Inc. |
| Technical Report – Grota do Cirilo Lithium Project – Araçuai and Itinga Regions, Minas Gerais, Brazil |
| It is important to note that individual institutions may offer multiple levels of education; therefore, the figures reflect the number of educational modalities rather than distinct schools. | |
| Healthcare: As of February 2024, Araçuaí had 91 registered healthcare facilities, including seven primary health units, one polyclinic, and one general hospital. A total of 247 healthcare professionals operates within the municipality, including 78 licensed physicians across various medical specialties. | |
| Public Safety: Araçuaí hosts a Military Police battalion, a Civil Police station, and a Fire Department unit, providing comprehensive public safety coverage for the region. | |
| Electricity: The municipality is served by a public electricity grid, with energy supply provided by CEMIG – Companhia Energética de Minas Gerais S.A., the state-owned utility company responsible for power distribution in the region. | |
| Water Supply and Sewage Collection: Water supply and wastewater services in Araçuaí are managed by COPANOR – Copasa Serviços de Saneamento Integrado do Norte e Nordeste de Minas Gerais S/A, a subsidiary of COPASA – Companhia de Saneamento de Minas Gerais, which oversees integrated sanitation services across the northern and northeastern regions of the state. | |
|
● |
Itinga |
| Education: The municipality of Itinga maintains a similar education structure, with schools located in both urban and rural zones, operated by municipal and state educational authorities. As reported by INEP in 2022, there were 20 educational institutions in the municipality, comprising 2 offering daycare services, 5 preschools, 16 elementary schools, 4 secondary schools, 4 institutions providing technical and vocational secondary education, 2 offering youth and adult education, and 14 institutions delivering special education programs. | |
| As in Araçuaí, a single institution may cover multiple education levels, thus the total reflects the number of educational service types rather than the number of individual schools. | |
| Healthcare: As of February 2024, Itinga reported 20 operational healthcare facilities, including one primary health unit and one polyclinic. The municipality is staffed by 38 healthcare professionals, including 9 medical doctors of various specialties. | |
| Public Safety: Public safety in Itinga is maintained by a Military Police Company stationed within the municipality. | |
| Electricity: The municipality is served by a public electricity grid, with energy supply provided by CEMIG – Companhia Energética de Minas Gerais S.A., the state-owned utility company responsible for power distribution in the region. |
Water Supply and Sewage Collection: Water supply and wastewater services in Itinga are managed by COPANOR – Copasa Serviços de Saneamento Integrado do Norte e Nordeste de Minas Gerais S/A, a subsidiary of COPASA – Companhia de Saneamento de Minas Gerais, which oversees integrated sanitation services across the northern and northeastern regions of the state.
|
5.4 |
PHYSIOGRAPHY |
The project is located within the Jequitinhonha Depression, a geomorphological unit shaped predominantly by the erosive activity of the Jequitinhonha River and its tributaries. These watercourses have incised through the schists of the Salinas Formation and other surrounding rock types, resulting in a landscape evolution characterized by a flattened relief with gently sloping, convex hillsides, broad, rounded hilltops, and fluvial plains composed of sandy and clayey sediments derived from the erosion of upstream source areas.
![]() |
| SGS Canada Inc. |
| Technical Report – Grota do Cirilo Lithium Project – Araçuai and Itinga Regions, Minas Gerais, Brazil |
Near the project, the terrain includes plateaus (chapadas) typically formed by granitoid rocks, with slopes of moderate elevation and gradient. These landforms are dissected by parallel drainage patterns, featuring escarpments and flat hilltops.
The presence of ridge-type landforms (serras) is also notable in the region. These are primarily underlain by granitoid bedrock and are characterized by prominent peaks, with moderately steep slopes and intermediate altimetric levels.
It is important to highlight that the landscape has also been significantly altered by anthropogenic activities. Alluvial mining (garimpos) along the Jequitinhonha River over extended periods has modified the riverbed, its sandy bars, and associated floodplains, resulting in notable changes to the local topography.
The current geomorphology in the project area is primarily a result of differential erosion, where the erosive forces of the Jequitinhonha River system, combined with lithostructural controls and climatic influences, have shaped a regional relief characterized by low slopes and minimal elevation range across most of the area.
![]() |
| SGS Canada Inc. |
| Technical Report – Grota do Cirilo Lithium Project – Araçuai and Itinga Regions, Minas Gerais, Brazil |
|
6 |
HISTORY |
|
|
|
|
6.1 |
PROJECT HISTORY |
The exploration history for the Project is summarized in Table 6‑1.
Table 6‑1: Project History
|
Operator |
Year |
Comment |
|
Companhia Estanìfera do Brazil (CEBRAS) |
1957 –1980s |
Tin production consisting of a, cassiterite/tantalite concentrate with by-products of feldspar and lithium minerals. Mining focused on near surface, weathered zones, excavations ranged from 100–700 m in length. CEBRAS operated a gravity separation plant, consisting of a jaw crusher, a trommel and cone crusher, with sizing screens and jigs to recover tantalite/cassiterite concentrate. Feldspar and the lithium minerals, spodumene, lepidolite, amblygonite and petalite, were handpicked before the jaw crusher. |
|
Arqueana Minérios e Metais (Arqueana) |
1980s –2000s |
Produced a 6–6.5%% Li2O lithium oxide concentrate and a 3.5-4% Li2O petalite concentrate. No systematic exploration was conducted. Historic mining occurred primarily where the bedrock had been exposed by erosion, on hill flanks. Following the death of the owner of Arqueana, artisan-level operations continued. The focus was on feldspar, petalite, ornamental-grade tourmaline and quartz. This was further reduced, after some years, to the underground mining of minor amounts of tantalite and gemstone. |
|
Tanex Resources plc (Tanex; a subsidiary of Sons of Gwalia Ltd (Sons of Gwalia) |
2000 –2003 |
Channel sampling, air-track drilling, 13 reverse circulation (RC) drill holes. Based on a report that has no location maps, it appears that Tanex and Sons of Gwalia drilled two drill holes at Lavra do Meio in 2000. No other mentions of drill hole locations have been found. In addition, SMSA has not been able to locate or any of the collar locations for the Tanex and Sons of Gwalia drilling on the ground. |
|
Arqueana |
2003 –2012 |
Local workers continue production, but at a reduced rate. |
|
SMSA |
2012 to 2022 |
Completes mapping, data compilation, ground magnetic survey, channel sampling. Drill program in 2014 of 984m to initially investigate the Xuxa and Barreiro prospects. Heavy mineral separation (HMS) pilot plant constructed in 2014–2015, consisting of a jaw crusher, roll crusher, sizing screen and pulse jig. Acquired a dense media pilot plant in 2017 to produce lithium concentrate. Completed drill program of 255 holes (approx. 42,310 m) in the Grota do Cirilo property area, on the Xuxa, Barreiro, Lavra do Meio, Maxixe and Murial prospects. An internal Mineral Resource estimate was completed at Xuxa, Barreiro, Murial and Lavra do Meio. The first public disclosure of a Mineral Resource estimate for Grota de Cirilo was in 2017 which was only for the Xuxa deposit. Updated resources for Xuxa and first-time estimate of Mineral Resources for Barreiro, Lavra do Meio and Murial were released in January 2019. A feasibility study for Xuxa was issued on the 18th of October 2019 with the Phase 1 mineral reserve statement. A pre-feasibility study for Phase 2 Barreiro was completed in February 2022 and a prefeasibility study for phase 3 at Nezinho do Chicão (NDC) was completed in October 2022. A Front-End Engineering Design (FEED) was completed at Xuxa Phase 1, in October 2020 and construction was immediately commenced thereafter. The construction was complete by the end of October 2022 and Xuxa has commenced commercial production. |
|
SMSA |
2023 to date |
Xuxa commenced commercial production in April 2023. As of December 2024, SMSA’s production volume totaled 337.9 dkt of lithium oxide concentrate |
![]() |
| SGS Canada Inc. |
| Technical Report – Grota do Cirilo Lithium Project – Araçuai and Itinga Regions, Minas Gerais, Brazil |
|
6.2 |
PRODUCTION |
There are no verifiable production records for the Project area: based on the known size of the CEBRAS processing plant, about 500 t/d could have been extracted during CEBRAS operations.
The Arqueana operations are estimated to have produced about 29,700 t of tin–tantalum concentrate by 1995. Other production included potassium feldspar (113,402 t), albite (9,649 t), petalite (31,467 t), amblygonite (2,353 t), spodumene (1,317 t), tourmaline (1,429 t), beryl (91,971 t), epidote (5,603 t), and quartz (29,125 t).
Production from artisan and small-miner activity is unknown.
Sigma commenced commercial production from the Project in 2023 and for the year 2023 and 2024 it has operated and produced 337.9 dkt of lithium oxide concentrate. During this period, the average monthly DMS feed rate increased from 167 t/h to 209 t/h.
![]() |
| SGS Canada Inc. |
| Technical Report – Grota do Cirilo Lithium Project – Araçuai and Itinga Regions, Minas Gerais, Brazil |
|
7 |
GEOLOGICAL SETTING AND MINERALIZATION |
|
|
|
|
7.1 |
REGIONAL GEOLOGY |
The project area lies within the Eastern Brazilian Pegmatite Province (EBPP), spanning an extensive region of approximately 150,000 km2 across the states of Bahia, Minas Gerais, Espírito Santo and Rio de Janeiro. Approximately 90% of the EBPP is in the eastern part of Minas Gerais state, where mining activities targeting crystal gem-bearing pegmatites have been ongoing since the 17th century (Paes et al., 2016).
The pegmatite units are part of the Araçuaí Orogen that developed during the late Neoproterozoic to Cambrian. Its tectonic evolution is characterized by a series of events typical of collisional orogens, beginning with the formation of the precursor basin rift that evolved to a passive margin, during the Tonian and Cryogenian (ca. 900 to 650 Ma). Subsequent stages witness the emergence of a continental magmatic arc (ca. 630-585 Ma) and supracrustal sequences linked to the arc, followed by syn-collisional anatexis (ca. 575-540 Ma) and by extensive post-collisional magmatism (530-480 Ma). One notable aspect of the Araçuaí Orogen is the enduring succession of granite production events encompassing approximately 630 to 480 Ma, which stand out as the predominant records of its evolutionary history. These rocks, including associated pegmatites, have been categorized into five supersuites representing different plutonic assemblages related to distinct petrogenetic processes (Pedrosa-Soares et al., 2009). These are identified as G1 (pre-collisional, ca. 630–580Ma), G2 (syn-collisional, ca. 585–540 Ma), G3 (late collisional to post-collisional, ca. 545–500 Ma), G4 (late collisional to post-collisional, ca. 530–490 Ma) and G5 (post-collisional, ca. 530–480 Ma) (Pedrosa-Soares et al., 2007).
The significant pegmatite populations within the EBPP crystallized from ca. 630 Ma to ca. 490 Ma and could be categorized into two types: anatectic or residual. Most anatectic pegmatites formed during the collisional stage of the Araçuaí orogen. They are commonly associated with migmatites and granulites, and may bear deposits of kaolinite, K-feldspar, mica, corundum, and quartz (e.g., Correia-Neves et al. 1986; Morteani et al. 2000; Netto et al. 2001; De Campos et al. 2004; Horn 2007). Residual pegmatites, on the other hand, form through magmatic differentiation and originate from parent granites formed during the syn-collisional (G2) and post-collisional (G4 and G5) stages (Pedrosa-Soares et al., 2011).
The interaction between these two types of pegmatites, along with their host rocks and parent granitoids, as well as considerations of geographical distribution and mineralogical enrichment, have delineated the pegmatitic populations into eleven distinct districts within the EBPP (Pedrosa-Soares et al., 2011): Araçuaí, Ataléia, Conselheiro Pena, Espera Feliz, Padre Paraíso, Pedra Azul, São José da Safira, Caratinga, Santa Maria de Itabira, Malacacheta, and Espírito Santo.
The Araçuaí Pegmatite district encompasses the most important lithium ore deposits within the entire province, prominently situated in the Itinga, Coronel Murta, and Curralinho pegmatitic fields. (Sá 1977; Afgouni & Sá1978; Sá & Ellert 1981; Correia-Neves et al. 1986; Romeiro & Pedrosa-Soares 2005; Pedrosa-Soares & Siga Jr. 1987, 1990, 2011; Paes et al. 2016). The Itinga field features Li-rich pegmatites which host the Sigma Lithium project areas.
Figure 7-1 is a regional-scale schematic geological plan.
|
7.2 |
LOCAL GEOLOGY |
Most pegmatites in the Araçuaí district are formed through the crystallization of residual melts originating from post-collisional G4 granites (Pedrosa-Soares & Siga Jr. 1987; Pedrosa-Soares et al., 2011; Paes et al. 2016). The G4 granites are S-type, sub-alkaline to alkaline, and consists of balloon-like zoned plutons composed of biotite granite cores and roots, grading into two-mica and muscovite-garnet leucogranite towards the borders, capped by pegmatoid cupolas (Pedrosa-Soares et al., 2011). These granites, as well as the related lithium-rich pegmatites, are hosted by the Salinas Formation along the regional foliation and fracture systems, dipping to SE and NW (Correia-Neves et al. 1986; Pedrosa-Soares et al. 1987; Costa 1989). The metasedimentary rocks within this Formation consist of a succession of wackes and pelites with conglomerate rock and layers of calc-silicate rock, metamorphosed in the greenschist to amphibolite facies. Its deposition occurred around 580 Ma, according to U-Pb detrital zircon ages which correspond to the maximum depositional age of the unit (Peixoto et al. 2015; Peixoto et al., 2018; Costa 2018; Deluca et al. 2019).
![]() |
| SGS Canada Inc. |
| Technical Report – Grota do Cirilo Lithium Project – Araçuai and Itinga Regions, Minas Gerais, Brazil |
The Araçuaí district pegmatites exhibit a range of sizes, with the most significant comprising from medium to very large and are typically tabular or lenticular. They are external pegmatites that are embedded within the host rocks of the parent granites belonging to the S-type G4 Supersuite (Pedrosa-Soares et al., 2011a). The pegmatite populations in this district are concentrated in the Itinga fields, notable for their lithium abundance, and the Coronel Murta fields, distinguished by their boron-rich nature and no associated petalite (Pedrosa-Soares et al., 2011).
Pegmatites of these fields belong to a category enriched in rare elements (B, Be, Cs, Li, Sn, Ta), characteristic of lithium-cesium-tantalum (LCT) type pegmatites. LCT-type pegmatites are the main hard rock ore deposits for lithium, yielding key lithium silicates like spodumene, petalite, and lepidolite, alongside several associated minerals such as lithium phosphates (e.g., amblygonite, montebrasite, lithophyllite/triphyllite), tantalum oxides, cassiterite, and pollucite (e.g., Černý & Ercit, 2005). Enrichment in lithium-cesium-tantalum is predominantly, though not exclusively, associated with S-type granites derived from muscovite-rich metasedimentary rocks. The peraluminous character is indicated by the occurrence of muscovite, tourmaline, garnet, and occasionally, topaz, andalusite, and gahnite (Cerný 1991b in London 2008).
According to Černý (1982), lithium-bearing pegmatites typically display zoning in both grain size and mineral composition, with lithium minerals concentrating in the inner zones or cores of essentially granitic pegmatites. However, non-zoned, complex pegmatites containing spodumene are also common. In this regard, the Itinga field pegmatites exhibit unusually high concentrations of lithium minerals such as spodumene, petalite, lepidolite, and/or amblygonite, distinguishing them into two main groups based on mineralogical characteristics and zoning patterns. The first group comprises pegmatitic bodies with simple zoning to non-zoned (homogeneous), typically tabular in shape, and exceptionally rich in spodumene while lacking significant occurrences of tourmaline and petalite. Conversely, the second group includes pegmatites with complex zoning, forming lenticular bodies rich in Li, B, Na, Cs, Ta, and/or Cs. These pegmatites are mineralized with an assemblage including spodumene, petalite, lepidolite, amblygonite-montebrasite, albite, cleavelandite, elbaite, cassiterite, tantalite, and/or pollucite (Pedrosa-Soares et al., 2011; Pedrosa-Soares et al., 2022). Furthermore, there are bodies with simple zoning to non-zoned that are mined for dimension stones due to their ornamental value (Correia Neves et al., 1986; Pedrosa-Soares et al., 2009).
The cordierite-biotite-quartz schists of the Salinas Formation, which envelop the main pegmatites within the Itinga Pegmatitic field, exhibit variable concentrations of andalusite, cordierite, and sillimanite, and calc-silicate rock layers are often intercalated. These rocks are characterized by a parallel or locally subparallel schistosity, oriented NE-SW and dipping moderately to steeply towards NW (Paes et al., 2010a). Pegmatites intrude along two distinct striking surfaces with medium to high-angle dips: the NW-dipping schistosity and the SE-dipping fracture cleavage. Pegmatites emplaced along the NW-dipping schistosity are referred to as concordant bodies, while those hosted by the SE-dipping fracture cleavage are discordant (Pedrosa-Soares et al., 2022). The presence of low-pressure metamorphic silicates such as andalusite and cordierite, along with occurrences of petalite in certain pegmatites and quantitative geothermobarometric data, suggest a relatively shallow crustal depth (5 to 10 km) for metamorphism in the Itinga field (Pedrosa-Soares et al., 2011).
![]() |
| SGS Canada Inc. |
| Technical Report – Grota do Cirilo Lithium Project – Araçuai and Itinga Regions, Minas Gerais, Brazil |
More specifically, within the Sigma Lithium project areas, the pegmatites are commonly hosted by a medium-grey, biotite-quartz schist. Typically, these pegmatites are concordant with the schist foliation which also corresponds to the overall strike of the schist-rich units of the Salinas Formation. At the interfaces between the pegmatite and schist, recrystallization features are evident, including eye-like biotite within cordierite masses, as well as the formation of millimeter-sized black tourmaline needles, which are almost invariably perpendicular to the main schistosity.
Concerning the mineralogical composition of the deposit, spodumene typically constitutes 28–30% of the pegmatite mass, while microcline and albite contents range from 30–35%, with microcline predominating over albite. Muscovite accounts for about 5–7% of the rock mass, with the remaining portion consisting of quartz. The pale green spodumene crystals exhibit elongated or tabular forms, varying in size from millimeters to centimeters, and have been observed up to meter-scale in outcrops. Spodumene cuts the microcline matrix, and intergrowths of spodumene and quartz, occasionally accompanied by muscovite, are commonly observed. Accessory minerals such as columbite and tantalite are found in association with albite and quartz. Late-stage mineralization may include sphalerite and pyrite.
Figure 7-2 is a regional-scale schematic geological plan.
![]() |
| SGS Canada Inc. |
| Technical Report – Grota do Cirilo Lithium Project – Araçuai and Itinga Regions, Minas Gerais, Brazil |

Figure 7‑1: Regional Geologic Map (after Pedrosa-Soares et al., 2008)
![]() |
| SGS Canada Inc. |
| Technical Report – Grota do Cirilo Lithium Project – Araçuai and Itinga Regions, Minas Gerais, Brazil |

Figure 7‑2: Local Geology Map, Itinga Pegmatite Field, Aracuai District
|
7.3 |
PROPERTY GEOLOGY |
|
7.3.1 |
Grota do Cirilo Property |
Figure 7‑3 is a pegmatite location map for the Grota do Cirilo property, showing the mapped dike swarms and the locations of the Xuxa pegmatite and the five major known historical workings.
![]() |
| SGS Canada Inc. |
| Technical Report – Grota do Cirilo Lithium Project – Araçuai and Itinga Regions, Minas Gerais, Brazil |

Figure 7‑3: Historical Workings and Pegmatite Dike Swarms within Grota Do Cirilo Property
Note: Historical workings as yellow dots, and the strike of the Xuxa. Figure also shows location of Sigma’s office and camp complex.
|
7.3.1.1 |
Xuxa |
The host rock for the Xuxa pegmatite body is a biotite–quartz schist with a well-developed crenulation cleavage. Pegmatite xenoliths have been observed within the schist, with sizes ranging from a few centimetres to a metre. The pegmatite/schist contact is frequently hornfelsed.
The pegmatite is concordant with the regional foliation, striking northwest–southeast and dipping at 45–55º to the southeast. Drill data indicate the pegmatite has a strike length of 1,700 m, averages 12–13 m in thickness, and can reach as much as 20 m thick. It has been drill tested to 259 m vertical depth. It remains open to the west, east, and at depth.
Pegmatite mineralogy consists of the following minerals, with their approximate vein content: spodumene (20%), microcline and albite (40–45%), quartz (30%) and muscovite (5%). Spodumene occurs as pale green to colourless, elongated, tabular, crystals that can range in size from millimetre to as much as 80 cm in length and be as wide as 10 cm. The spodumene laths are set in a medium- to very coarse-grained groundmass of colourless albite, translucent quartz and pale grey perthitic microcline. Pale yellow–green medium- to coarse-grained muscovite micas may be present. Poikilitic textures of spodumene and quartz are common. Tantalite–columbite and cassiterite can occur in association with albite.
The Xuxa pegmatite dike is found on both sides of the Piaui creek but does not crop out in the river valley. Two drill holes were angled to pass below the Piaui creek, with one hole drilled from each bank. The drill holes intercepted pegmatite at depth. Core logging showed the spodumene to be weathered and contain replacement textures. The current interpretation is that the Piaui creek occupy a fault trace, and that the interpreted fault has thinned the pegmatite body in that location.
![]() |
| SGS Canada Inc. |
| Technical Report – Grota do Cirilo Lithium Project – Araçuai and Itinga Regions, Minas Gerais, Brazil |
Figure 7‑4 shows a typical cross section through the Xuxa deposit.

Figure 7‑4: Xuxa Cross Section (looking northeast)
|
7.3.1.2 |
Barreiro |
The Barreiro pegmatite body is emplaced into biotite–quartz schist. Pale greenish–grey coloured, multi-centimetre-sized microcrystalline quartz–feldspar intercalations have been noted in the schist, with disseminated green, sub- to one-millimetre-sized amphibole and pink garnet crystals. Pegmatite xenoliths can be found within 3 m of the dike edge within the schist and can range from a centimetre to as much as a metre in size.
The pegmatite strikes northeast–southwest and dips to the southeast at 30–35º. Based on drill data, the dike is about 600 m long, 800 m wide, and has an average thickness of 30–35 m. It remains open to the northeast and at depth. The deepest drill hole reached 374 m. The pegmatite is apparently intruded discordant to the host crenulated biotite schist in surface exposures, but at depth, can be concordant, and emplacement may be related to local fracturing.
The dike is slightly zoned into distinct spodumene-rich and albite-rich areas and is divided into an edge (or border), and a central zone. Overall, spodumene is about 20–24% of the dike mass, albite–microcline is approximately 32–40%, and around 10–18% is mica (muscovite).
The border zone is about 45 cm in thickness, and consists of fine-grained albite, quartz and muscovite. Heavy minerals such as cassiterite and tantalite may occur associated with albite units. The central zone is spodumene-rich and consists of albite and spodumene crystals that are typically 10–25 cm in length but can more rarely can attain as much as a metre in length. Spodumene crystals are also present as short, prismatic, elongated laths. The spodumene laths are colourless or pale green, sometimes displaying a poikilitic texture of fine- to medium-grained quartz and/or pale green sericite. Petalite occurs sporadically, as both colourless, translucent to transparent, coarse to very coarse-grained crystalline aggregates. It can also be present as cryptocrystalline, translucent masses.
![]() |
| SGS Canada Inc. |
| Technical Report – Grota do Cirilo Lithium Project – Araçuai and Itinga Regions, Minas Gerais, Brazil |
Figure 7‑5 shows a typical cross section through the Barreiro deposit.

Figure 7‑5: Barreiro Cross Section (looking northeast)
|
7.3.1.3 |
Lavra do Meio |
The host country rock to the pegmatite dike is a biotite–quartz schist and has similar features to the schist that hosts the Barreiro pegmatite. Garnet and tourmaline have developed near the pegmatite–schist contact.
The dike is concordant with the schist foliation, strikes north–south and dips at 75–80º to the east. Based on drill data, the dike is about 600 m long, 250 m wide, and has an average thickness of 12–15 m. It extends to a depth of approximately 300 m.
The pegmatite mineralization is moderately to highly homogeneous mostly in the centre and deeper part. The upper and lower contact zones are characterized by albite, quartz and mica. In the albite-rich border zone, tantalite and cassiterite can occur interstitial to fan-shaped albite lamellae. In the pegmatite core, medium, to very coarse-grained laths of typically pale green spodumene and coarse to very coarse-grained, colourless, translucent to transparent, petalite crystal aggregates and cryptocrystalline masses occur and compose around 20% of the lithium-bearing minerals. Both spodumene and petalite are set within a micro-fractured, medium to coarse-grained matrix composed of quartz, mica, albite and microcline. The micro-fractures are infilled with pyrolusite.
Figure 7‑6 is a cross-section through the Lavra do Meio pegmatite.
![]() |
| SGS Canada Inc. |
| Technical Report – Grota do Cirilo Lithium Project – Araçuai and Itinga Regions, Minas Gerais, Brazil |

Figure 7‑6: Lavra do Meio Cross Section (looking north)
|
7.3.1.4 |
Nezinho do Chicão |
The Nezinho do Chicão (NDC) pegmatite was discovered in the 1980s by Arqueana. An intensive drilling campaign commenced in 2020 and 131 drill holes totalling 25,671 m have been completed at Nezinho do Chicão to the 18th January 2024.
The pegmatite is hosted in a biotite–quartz schist, which is similar to the schist described as hosting the Barreiro pegmatite.
The pegmatite body strikes nearly north-south (020º) and dips at 40-75º to the southeast. The dike is about 1,600 m long, 200 m wide and 20-30 m thick. It remains open to the north, south and at depth, with the deepest drill hole reaching 350 m.
The pegmatite shows a classic border, intermediate and central zones. The border zone tends to be more albite rich and the highest spodumene content is generally in the central zone. The NDC pegmatite is a high-grade mix of mainly spodumene but also containing some petalite with a variable ratio depending on the thickness of the zone, although petalite can be found throughout the deposit.
Figure 7‑7 is a cross-section through the Nezinho do Chicão pegmatite.
![]() |
| SGS Canada Inc. |
| Technical Report – Grota do Cirilo Lithium Project – Araçuai and Itinga Regions, Minas Gerais, Brazil |

Figure 7‑7: Nezinho Do Chicão Cross Section (looking northeast)
|
7.3.1.5 |
Murial |
A similar biotite–quartz schist to that hosting the Barreiro pegmatite is host to the Murial pegmatite.
The pegmatite is a north–south striking body that has fluctuating westerly dips, ranging from 70–85º in the south of the dike, to a much shallower 25–35º in the north. It is about 1,200 m long, 840 m wide, and has an average thickness of 15–20 m. It remains open to the west, east and at depth.
The southern part of the dike generally has lower lithium contents, and the pegmatite has a sub-vertical to nearly vertical orientation. To the north, the lithium concentrations increase, and the dike orientation changes to horizontal to sub-horizontal and becomes more planar in shape.
The pegmatite shows a border, intermediary and central zone. The border zone is enriched in albite, the intermediate zone is typically spodumene-rich, and the central zone contains both spodumene and petalite. The fine-grained border matrix can include tantalite and cassiterite mineralization.
A cross-section through the Murial pegmatite is provided in Figure 7‑8.
![]() |
| SGS Canada Inc. |
| Technical Report – Grota do Cirilo Lithium Project – Araçuai and Itinga Regions, Minas Gerais, Brazil |

Figure 7‑8: Murial Cross Section (looking north)
|
7.3.1.6 |
Maxixe and Tamboril |
The Maxixe and Tamboril pegmatites are in the hangingwall of the Nezinho do Chicão pegmatite and are southwest and along strike from Lavra do Meio. The pegmatites are very similar geologically to both NDC and LDM.
The host country rock to the pegmatite dikes is a biotite–quartz schist and has similar features to the schist that hosts the Barreiro pegmatite. Garnet and tourmaline have developed near the pegmatite–schist contacts.
The dikes are concordant with the schist foliation, striking approximately north–south and dipping at 60º to the east. Based on drill data, Maxixe is about 400 m long, 170 m wide, and has an average thickness of 10-12 m. It extends to a depth of approximately 300 m and is open at depth and to the north. Tamboril is about 260 m long, 160 m wide, and has an average thickness of about 8 m. It extends to a depth of approximately 250 m.
The pegmatite mineralization is moderately to highly homogeneous mostly in the centre and deeper part. The upper and lower contact zones are characterized by albite, quartz and mica. In the albite-rich border zone, tantalite and cassiterite can occur interstitial to fan-shaped albite lamellae. In the pegmatite core, medium, to very coarse-grained laths of typically pale green spodumene and coarse to very coarse-grained, colourless, translucent to transparent, petalite crystal aggregates and cryptocrystalline masses occur and compose around 20% of the lithium-bearing minerals. Both spodumene and petalite are set within a micro-fractured, medium to coarse-grained matrix composed of quartz, mica, albite and microcline. The micro-fractures are infilled with pyrolusite.
Figure 7‑9 is a cross-section through the Maxixe and Tamboril pegmatites.
![]() |
| SGS Canada Inc. |
| Technical Report – Grota do Cirilo Lithium Project – Araçuai and Itinga Regions, Minas Gerais, Brazil |

Figure 7‑9: Maxixe and Tamboril Cross Section (looking north)
|
7.3.2 |
São José Property |
The tenements in the São José area are designated as a Protected Environmental Area (APA). Sigma has no plans to explore or develop operations in this area.
|
7.3.3 |
Genipapo |
Only initial reconnaissance work has been performed on the Genipapo property, which has identified the Ilha Allegre, Jenipapo, Mario Gusmao and Sebastiano Dutra dikes, and small deposits identified by Arqueana as hosting tantalum–niobium–tin mineralization. Additional information is provided in Section 9-6. This area is not a current exploration focus.
|
7.3.4 |
Santa Clara |
Initial reconnaissance activities have identified the Marculino, Maroto, Jose Gonsales and Bolasha pegmatites as well as areas that Arqueana reported as hosting tantalum–niobium–tin mineralization. Additional information is provided in Section 9-6.
|
7.3.4.1 |
Elvira |
Three main pegmatites have been identified in the José Gonçalves area and have been initially named Elvira 1, Elvira 2 and Elvira 3.
In these pegmatites, the host biotite-quartz schist has foliation discordant to the pegmatite bodies and the foliated host contains andalusite in the contacts close to the pegmatite "pinch" zone. Cordierite ranging from fine to medium grained is present, related to meta-psammitic zones, together with a greater amount of quartz, which may contain groupings of garnet with fine grain and whitish colour. These characteristics can also be identified in the shale that hosts mineralized pegmatites such as Barreiro, Nezinho do Chicão and Murial, which are hosted in the same regional group of foliated rocks, the Salinas Formation.
![]() |
| SGS Canada Inc. |
| Technical Report – Grota do Cirilo Lithium Project – Araçuai and Itinga Regions, Minas Gerais, Brazil |
The main Elvira pegmatite body, Elvira 1, strikes nearly east-west and dips at 40-75º to the southeast. Elvira 1 is about 520 m long, 185 m wide and up to 18 m thick. It remains open to the northeast, and at depth, with the deepest drill hole reaching 229.5 m.
The pegmatite contains spodumene mineralization, together with quartz, albite and muscovite ranging from medium to very coarse grained. There is a greater amount of coarse-grained to very coarse-grained feldspar and coarse-grained muscovite at the edges of the pegmatite body. Petalite crystallization occurs in the shallowest portion of the pegmatite and has also been identified in mineral groupings arranged in the rock.
![]() |
| SGS Canada Inc. |
| Technical Report – Grota do Cirilo Lithium Project – Araçuai and Itinga Regions, Minas Gerais, Brazil |
|
8 |
DEPOSIT TYPES |
The deposits within the Project area are considered to be examples of LCT-type pegmatites.
The following deposit type descriptor for such pegmatites is summarized and abstracted from Bradley and McCauley (2013).
All known LCT pegmatites are associated with convergent-margin or collisional orogens. LCT pegmatite maxima at ca. 2650, 1800, 525, 350, and 100 Ma correspond to times of collisional orogeny and, except for a comparatively minor peak at 100 Ma, to times of supercontinent assembly. The largest known deposits are Archean in age (Viana and al, 2003).
LCT pegmatites represent the most highly differentiated and last to crystallize components of certain granitic melts. Parental granites are typically peraluminous, S-type granites, although some Archean examples are metaluminous, I-type granites. LCT pegmatites are enriched in the incompatible elements lithium, cesium, tin, rubidium, and tantalum, and are distinguished from other rare-element pegmatites by this diagnostic suite of elements. The dikes typically occur in groups, which consist of tens to hundreds of individual pegmatites and cover areas up to a few tens of square kilometres. LCT pegmatites are known to form as far as 10 km from the parental granite and the more distal the pegmatite, frequently the more fractionated. The most highly fractionated rare-element-enriched pegmatites only constitute 1–2% of regional pegmatite populations.
The dikes are commonly late syntectonic to early post-tectonic with respect to enclosing rocks. Most LCT pegmatites intruded metasedimentary rocks, which are often metamorphosed to low-pressure amphibolite to upper greenschist facies.
Individual pegmatites have various forms including tabular dikes, tabular sills, lenticular bodies, and irregular masses. They are significantly smaller than typical granitic plutons, and typically are of the order of tens to hundreds of metres long, and metres to tens of metres wide.
Most LCT pegmatite bodies show some sort of structural control. At shallower crustal depths, pegmatites tend to be intruded along anisotropies such as faults, fractures, foliation, and bedding planes. For example, in more competent rocks such as granites, pegmatites commonly follow fractures whereas pegmatites intruded into schists tend to conform to foliation. In higher-grade metamorphic host rocks, pegmatites are typically concordant with the regional foliation, and form lenticular, ellipsoidal, or tapered cylindrical bodies.
Lithium is mostly found in the silicates spodumene (LiAlSi2O6), petalite (LiAlSi4O10), and lepidolite (Li-mica, KLi2Al(Al,Si)3O10(F,OH)2). Lithium phosphate minerals, mainly montebrasite, amblygonite, lithiophilite, and triphylite, can be present in some LCT pegmatites. Tantalum mineralization predominantly occurs as columbite–tantalite ([Mn,Fe][Nb,Ta]2O6). Tin is found as cassiterite (SnO2). Cesium is mined exclusively from pollucite (CsAlSi2O6).
Most individual LCT pegmatite bodies are concentrically, though irregularly, zoned. However, there are unzoned examples known.
Within an idealized pegmatite, four main zones can be defined (Figure 8‑1).
![]() |
| SGS Canada Inc. |
| Technical Report – Grota do Cirilo Lithium Project – Araçuai and Itinga Regions, Minas Gerais, Brazil |

Figure 8‑1: Generalized Schematic Representation LCT Pegmatite
These comprise:
|
● |
Border: chilled margin just inside the sharp intrusive contact between pegmatite and country rock. Typically, a few centimetres thick, fine-grained, and composed of quartz, muscovite, and albite |
|
● |
Wall: <3 m thick. Largest crystals <30 cm. Main minerals are albite, perthite, quartz, and muscovite. Graphic intergrowths of perthite and quartz are common. Can form economic muscovite concentrations that can be mined. Tourmaline and beryl may be present |
|
● |
Intermediate: Term used to refer to everything between the wall and the core. These may be discontinuous rather than complete shells, there may be more than one, or there may be none at all. Major minerals include plagioclase and potassium feldspars, micas, and quartz. Can host beryl, spodumene, elbaite (tourmaline), columbite–tantalite, pollucite (zeolite), and lithium phosphates. Typically, coarser-grained than the wall or border zones |
|
● |
Core: Often mono-mineralic quartz in composition. Perthite, albite, spodumene or other lithium aluminosilicates, and (or) montebrasite (lithium phosphate) may occur with the quartz. |
LCT pegmatites crystallize from the outside inward. In an idealized zoned pegmatite, first the border zone crystallizes, then the wall zone, then the intermediate zone(s), and lastly, the core and core margin.
The QP considers that exploration programs that use the deposit model set out above would be applicable to the Project area.
![]() |
| SGS Canada Inc. |
| Technical Report – Grota do Cirilo Lithium Project – Araçuai and Itinga Regions, Minas Gerais, Brazil |
|
9 |
EXPLORATION |
|
|
|
9.1 |
INTRODUCTION |
Work commenced on the Project in the second quarter of 2012, focusing on a geological assessment of available field data to prioritize the 200 known pegmatites that occur on the various properties for future evaluation. A ranking table that highlighted pegmatite volume, mineralogy and Li2O and Ta2O5 grade was established.
Within the more prospective areas, Sigma concentrated its activities on detailed geological and mineralogical mapping of historically mined pegmatites, in particular, on the larger pegmatites, Xuxa and Barreiro. These dikes were channel sampled and subsequently assessed for their lithium, tantalum and cassiterite potential. This work was followed by bulk sampling and drilling. A comprehensive description of the work program was provided in Laporte (2018), from which the following information has been summarized and abstracted.
|
9.2 |
GRIDS AND SURVEYS |
Landinfo, a Denver, Colorado-based company that specialises in satellite imagery, was contracted by SMSA to acquire a high-definition satellite image, and prepare a digital elevation model (DEM) for the Grota do Cirilo property area. In 2017, a DEM was constructed specifically for the Xuxa pegmatite area, and in 2018, the DEM was extended to include all targets on the Grota do Cirilo property (Figure 9‑1).
A 3D topographic survey and mapping of the various historically mined pegmatites was conducted using differential global positioning system (DGPS) instruments and total station equipment.
|
9.3 |
GEOLOGICAL MAPPING |
Sigma concentrated its activities on detailed geological and mineralogical mapping of historically mined pegmatites.
|
9.4 |
CHANNEL MAPPING |
Sigma conducted a significant amount of channel sampling at the known historical mines and pegmatite outcrops on the Project from 2012 to 2014. A total of 361 channel samples were collected from 14 pegmatite bodies within the Grota do Cirilo property. Table 9‑1 summarizes the channel sampling conducted during this time.
![]() |
| SGS Canada Inc. |
| Technical Report – Grota do Cirilo Lithium Project – Araçuai and Itinga Regions, Minas Gerais, Brazil |

Figure 9‑1: Grota do Cirilo Satellite Image
Table 9‑1: Channel Sampling Summary
|
Property |
Prospect |
Number of Samples |
|
Grota do Cirilo |
Xuxa |
81 |
|
Barreiro |
157 |
|
|
Lavra do Meio |
72 |
|
|
Murial |
51 |
|
|
Total |
361 |
|
The channel samples were collected along and/or across strike, to the stratigraphy, schistosity, mineralization or other visible continuous structure. Individual channel samples were 10 to 15 cm in width, and approximately 5 cm in depth and one metre in length. Sample weights were between 15 to 30 kg. Channels were taken at outcrops, historic trenches, and historic mine workings. Samples were taken from both the pegmatite and the schist host rock. The samples, were bagged, tagged and sent to the SGS Belo Horizonte laboratory for analysis. Check samples were sent to SGS Johannesburg for control purposes.
![]() |
| SGS Canada Inc. |
| Technical Report – Grota do Cirilo Lithium Project – Araçuai and Itinga Regions, Minas Gerais, Brazil |
An example of the channel sampling methodology is provided in Figure 9‑2 and is photographed at the Murial workings.

Figure 9‑2: Channel Samples at Murial Mine
|
9.5 |
TRENCH SAMPLING |
Sigma generally followed up positive channel sampling results with trenching and collection of large bulk (500 to 1,000 kg) samples for evaluation of heavy mineral potential. Table 9‑2 summarizes the trenching conducted during this time.
![]() |
| SGS Canada Inc. |
| Technical Report – Grota do Cirilo Lithium Project – Araçuai and Itinga Regions, Minas Gerais, Brazil |
Table 9‑2: Grota do Cirilo Trench Sampling Summary
|
Area |
Number of Trenches |
|
Barreiro |
6 |
|
Lavra do Meio |
3 |
|
Nezinho do Chicão |
2 |
|
Mutamba |
5 |
|
Gringo |
6 |
|
Matinha |
4 |
|
Costelao |
5 |
|
Arueira |
3 |
|
Acari |
5 |
|
Total |
39 |
|
9.6 |
EXPLORATION POTENTIAL |
The Grota do Cirilo property hosts a large swarm of pegmatites, with differing orientations and varying mineralogical compositions.
A pervasive regional schistosity affects the Grota do Cirilo region, orientated along strike 238°/dip 50°W obliterating the primary bedding structures within the meta-psammitic Salinas Formation host. A pronounced contrary fracture cleavage is developed, primarily along strike 048°/dip 57°E. Both these ductile and brittle structural pathways are exploited by the subsequent pegmatite emplacement. In general, small pegmatite bodies (< 3m width) are foliation concordant, whilst the large bodies (>10m width) are discordant and east dipping.
The Xuxa pegmatite is emplaced within a foliation parallel shear zone. All the other large pegmatites, including Barreiro, NDC, LDM and Murial are emplaced in the dominant fracture direction.
The pegmatites which may support additional exploration activities in the Grota do Cirilo property are outlined in Table 9‑3.
![]() |
| SGS Canada Inc. |
| Technical Report – Grota do Cirilo Lithium Project – Araçuai and Itinga Regions, Minas Gerais, Brazil |
Table 9‑3: Grota do Cirilo Property Prospects
|
Prospect |
Description |
|
Mutamba |
Concordant to wall rock foliation, mainly containing feldspar and heavy minerals, and the outcrop is 240 m in length with a width of 4-7 m, dipping azimuth 320–340° dip -45–55°. Arqueana mined the pegmatite to approximately 5 m depth. |
|
Gringo |
Discordant to the regional foliation, with high lithium content (spodumene/petalite). The Gringo outcrop is more than 130 m in length, 2–7 m in width and the observed contact attitudes suggest that it may widen in depth. Arqueana mined the pegmatite to approximately 5 m depth |
|
Matinha |
Concordant (or close to concordant) with foliation and is composed mainly of feldspar. The outcrop is 265 m in length, with a maximum width of 23 m, azimuth of 320° and dip -55° and steepens in the northeast to -90°). Arqueana mined the pegmatite to approximately 10–12 m depth. |
|
Costelão and Velho Costelão |
The Costelão and Velho Costelão pegmatites are closely located and are parallel in strike. Both are concordant bodies but have different mineralogical composition. Costelão is a Li (ambligonite) type pegmatite, with an outcrop length of 220 m and width of 11 m, az 330° dip -60°. Velho Costelão is smaller in size: the outcrop is 7 m wide, an interpreted length of 100–150 m, az 340°, dip -75°. The north-eastern part of the Costelão body was mined columbite–tantalite, cassiterite, quartz and feldspar. The southwestern portion was exposed in several prospecting trenches and pits. Velho Costelão was mined from two small underground stopes. |
|
Joao Vaqueiro |
Concordant to the regional host rocks. It is spodumene/petalite-type pegmatite body. The outcrop has been shown to be more than 15 m thick, azimuth 320° and dip -50°. |
|
Arueira |
Concordant to the host rock. This is a lepidolite-type pegmatite that is 250 m in length, 2–5 m in width, striking 320°, and dipping at -50°. The pegmatite was open-pit mined by Arqueana and produced columbite–tantalite, cassiterite, lepidolite, quartz and feldspar. |
|
Soldado |
Soldado (Grota Soldado) is famous in the area for its extremely high grades of heavy minerals (columbite–tantalite and cassiterite). It is a slope deposit containing debris and blocks of pegmatite. Large blocks of pegmatite and a number of smaller boulders were found in the basal layer of a Quaternary deposit, but the in-situ pegmatite was not located. |
|
Acari |
Located along strike from Tamburil. It is an outcrop 9 m in width and 150 m in length and dips 60° to the east. A well-developed lithium-bearing zone is visible on the south part of the outcrop that consists of a 4 m wide pocket of petalite. |
|
Peneira |
The pegmatite is about 7–9 m thick and may be as much as 15 m thick. It is about 200–250 m long. It has been mined for columbite–tantalite, cassiterite, quartz and feldspar. Spodumene and petalite form in the intermediate zone, and spodumene comprises about 20% of the pegmatite body. The crystals are about 20–30 cm in length. Petalite is formed associated to the grains and fractures of spodumene in small interstitial portions throughout the body and is a small percentage of the body. |
![]() |
| SGS Canada Inc. |
| Technical Report – Grota do Cirilo Lithium Project – Araçuai and Itinga Regions, Minas Gerais, Brazil |
| Prospect | Description |
|
Procopio 2 |
800m from Xuxa, a discordant west-east trending pegmatite, dipping steeply to the south. Pitting and limited RC drilling shows a minimum 450m length, ranging from 8m to 19m wide. Spodumene and petalite mineralization confirmed in drill chips. |
|
Filau 14 |
A large pegmatite, with a lenticular, discordant, east-dipping main zone, and concordant west-dipping limbs. In close proximity to Barreiro deposit. Trenching confirmed (decomposed) spodumene and petalite mineralization. |
|
Produco (BAR ext) |
Trenching suggests lenticular pegmatite, 300m long, 10m-30m wide discordant pegmatite dipping east. Limited RC and DDH shows high-grade spodumene intercepts (e.g 14,5m at 1.8% Li2O) and no petalite, typical of spodumene-rich pegmatite. |
|
Zafarinho |
The main zone (250m long, open-ended to the north) is discordant, steeply east-dipping, whilst the southern limb (100m long) is concordant westerly dipping. Spodumene and petalite mineralization confirmed by trenching. Rock chip samples returned grades up to 1.27%Li2O. |
|
Jao do Linto South |
Near to Zafarinho. Trenching proved a 160m length, 12m width. Petalite recovered in the trenches; deep weathering has likely destroyed spodumene. |
|
Jose Ferreira |
A lenticular discordant spodumene pegmatite, currently shown as 150m long and 10m wide. |
Additional prospects and dikes that may warrant follow-up are provided in Table 9‑4 for the Genipapo property and Table 9‑5 for the Santa Clara property.
![]() |
| SGS Canada Inc. |
| Technical Report – Grota do Cirilo Lithium Project – Araçuai and Itinga Regions, Minas Gerais, Brazil |
Table 9‑4: Genipapo Property Prospects
|
Prospect |
Description |
|
IIha Alegre |
Located near the main road from Araçuaí-Itaobim, in the proximity of the Taquaral village. The body strikes southwest–northeast. This pegmatite has a composition including feldspar, quartz, mica and black tourmaline, very similar to the Santa Clara pegmatites. |
|
Jenipapo |
A dike approximately 10 m thick, concordant to wall rock (strike 325º, dip <75º). The composition is predominantly feldspar with quartz and mica. The body has been investigated by means of a single open pit to a depth of 5 m. |
|
Lavra do Morundu |
A vertical pegmatite dyke approximately 30 m thick by 250 m long. It is discordant to the fabric of the country rock. Heavy minerals including cassiterite and tantalite are recognizable in this pegmatite. |
|
Mario Gusmão |
A narrow (<5 m thick) dike, concordant to wall rock (strike 330º, dip <65º), composed of feldspar with quartz, mica and abundant black tourmaline. This pegmatite has been mined by means of an open pit to a depth of approximately 10 m. |
|
Sebastiano Dutra |
A 10–20 m thick, >150 m long dike, concordant to wall rock (strike 330º, dip <65º). The pegmatite exhibits well defined zoning: (i) feldspar with quartz and coarse mica wall zone; and (ii) feldspar (albite)–mica–quartz with columbite intermediate zone; and (iii) quartz core zone. This pegmatite has been mined for gemstone via several open pits of up to 10 m depth. |
|
Aprigio and Aprigio 2 |
These two pegmatites are located in proximity to each other and are concordant with the host rock fabric (320-45°). The main minerals are feldspar–quartz–mica (muscovite and lepidolite), and secondary minerals include black tourmaline (afrisite). No heavy minerals were observed. |
|
Apriginho |
The Apriginho pegmatite body is approximately 15–20 m wide and 60 m long. The main minerals are 60–70% feldspar, 15% quartz, 10% mica and 5% petalite, with accessory tourmaline. The body has small garimpeiro pits probably prospecting for tourmaline. The body is concordant with the host rock (340-75º). |
|
Tedi |
This pegmatitic body is 150 m long, striking north-south. The width of the pegmatite is unknown as the contact zones have not been exposed. The main minerals are feldspar, quartz, mica (muscovite and lepidolite) and the secondary minerals include black tourmaline. |
|
Vicente |
Strikes east–west, with an 80º dip concordant to the host rock. In the area there are some small open pits and underground workings. The mineralogical composition of the bodies includes feldspar, quartz, mica and black tourmaline. |
![]() |
| SGS Canada Inc. |
| Technical Report – Grota do Cirilo Lithium Project – Araçuai and Itinga Regions, Minas Gerais, Brazil |
| Prospect | Description |
|
Bie |
Strikes 320º and dips 90º, concordant with the host rock. The body was mined by means of an open pit 20 m wide and 70 m long. The main minerals are feldspar, quartz, and mica (muscovite and lepidolite) and the secondary minerals include black tourmaline and cassiterite. |
|
Lavra do Bie 2 |
Garimpo underground workings expose weathered pegmatite containing petalite and amblygonite ore, with large columbite crystals |
|
Lavra do Bie 3 |
Exploited by garimpeiros for green tourmaline, beryl and amblygonite |
Table 9‑5: Santa Clara Property Prospects
In the western portion of Santa Clara, schist foliation is shown primarily to be east-west, dipping 30° north. The major pegmatites (Jose Gonzalves, Elvira 1 and 2) are discordant to schist foliation, dipping steeply south. The minor pegmatites are concordant to schist foliation.
Broadly, a lithium mineral zonation is apparent, with amblygonite and lepidolite in the eastern zone, spodumene and petalite in the western zone.
|
Santa Clara Prospect |
Description |
|
Jose Gonzalves |
Some 520m long, 7m to 20m wide. DDH drill core reveals quartz spodumene intergrowth and late-stage petalite fracture-fill; intercepts grading at e.g 1.42% Li2O over 20.03m |
|
Elvira 1 |
Subject to garimpo underground workings, crystalline petalite evident in the stope. |
|
Elvira 2 |
950m long, 8m to 25m wide, similar mineralogy to Jose Gonzalves |
|
Lagoa do Barro |
NE-SW striking pegmatite. Preliminary mapping of garimpo pits indicates 970m length, of variable width. Spodumene recovered from numerous locations. |
Sigma geologists have mapped a total of 236 pegmatites within the tenements held by Sigma, with a number of them being considered prospective for further exploration.
![]() |
| SGS Canada Inc. |
| Technical Report – Grota do Cirilo Lithium Project – Araçuai and Itinga Regions, Minas Gerais, Brazil |
|
10 |
DRILLING |
|
|
|
|
10.1 |
INTRODUCTION |
SMSA has conducted several drilling campaigns on the project since acquiring the property in 2012. To date, this drilling has concentrated primarily on the Grota do Cirilo pegmatites, although in 2023 14 holes were drilled on the Elvira prospect on the Santa Clara property. Table 10‑1 is a drill summary table showing the drilling completed by SMSA until the 18th January 2024. A total of 647 core holes (131,982 m) were completed.
Table 10‑1: Total Sigma Drill Holes to 18th January 2024
|
Pegmatite/Area |
Number of |
Metres |
|
Xuxa |
100 |
15,531 |
|
Barreiro |
136 |
26,976 |
|
Murial |
177 |
42,547 |
|
Lavra do Meio |
44 |
9,192 |
|
Nezinho do Chicão |
131 |
25,671 |
|
Maxixe |
26 |
6,711 |
|
Tamboril |
19 |
3,582 |
|
Elvira |
14 |
1,772 |
|
Total |
647 |
131,982 |
|
10.2 |
DRILL TYPE |
All drilling was core drilling at HQ core size (63.5 mm core diameter) to provide quality logging material, and to recover sufficient material for future metallurgical testing.
|
10.3 |
SIGMA DRILLING CAMPAIGNS |
|
10.3.1 |
Xuxa |
As of October 31st 2022, SMSA had completed a total of 100 diamond drill holes on Xuxa for 15,531 m (Table 10‑2). All of the drilling to the end of 2018 was used in support of Mineral Resource estimation. The seven holes drilled in 2021 were confirmation drill holes and are not included in the current resource statement.
![]() |
| SGS Canada Inc. |
| Technical Report – Grota do Cirilo Lithium Project – Araçuai and Itinga Regions, Minas Gerais, Brazil |
Table 10‑2: Total Xuxa Drilling
|
Year |
Number of |
Metres |
|
2014 |
9 |
649 |
|
2017 |
57 |
7,149 |
|
2018 |
27 |
6,178 |
|
2021 |
7 |
1,555 |
|
Total |
100 |
15,531 |
The 2014 drill program was undertaken by a Brazilian-based company named Geosol, core was stored in locally made wooden boxes and transported to the company’s core sheds for logging and sampling. The average pegmatite intersection was 13.55 m and an average true thickness of 9.6 m was calculated. The true thickness, based on 2017-2018 drilling, increased to 13.6 metres.
Ten percent of the holes at Xuxa have been drilled vertically and the remaining 90% are inclined at between 050º to 090º (average of 75º). The core holes are generally oriented at azimuth 145°, perpendicular to the general orientation of the pegmatite intrusions, and deviate slightly toward the west. Drill spacing is typically 50 m with wider spacing at the edges of the drill pattern. The drill hole intercepts range in thickness from approximately 85% of true width to near true width of the mineralization.
Illustrative intercepts through the deposit, showing examples of drill holes with low-grade intercepts, with high-grade intercepts and with higher-grade intercepts within lower-grade widths, are provided in Table 10‑3. Figure 10‑1 shows the locations of the drill collars. Figure 10‑2 is a longitudinal section showing the general drill orientations.
Table 10‑3: Xuxa Example Drill Intercept Table

![]() |
| SGS Canada Inc. |
| Technical Report – Grota do Cirilo Lithium Project – Araçuai and Itinga Regions, Minas Gerais, Brazil |

Figure 10‑1: Plan View of the Drilling at Xuxa (2017 blue collars and 2018 black collars)

Figure 10‑2: Longitudinal View of the Drilling at Xuxa
![]() |
| SGS Canada Inc. |
| Technical Report – Grota do Cirilo Lithium Project – Araçuai and Itinga Regions, Minas Gerais, Brazil |
|
10.3.2 |
Barreiro |
Drilling from 2014–2021 consisted of 136 HQ drill holes (26,976 m). The drilling is summarized by year in Table 10‑4. All of the drill holes are used in Mineral Resource estimation.
Table 10‑4: Total Barreiro Drilling
|
Year |
Number of |
Metres |
|
2014 |
4 |
181 |
|
2017 |
2 |
234 |
|
2018 |
103 |
19,243 |
|
2021 |
27 |
7,318 |
|
Total |
136 |
26,976 |
The drill holes were generally spaced between 50–100 m apart with 65% of the drilling being vertical and the remaining drill holes were drilled on a N310º azimuth. The drill-hole inclination ranged from 50º to 90º, and the deepest hole reached 350 m below surface. The average pegmatite intersection was about 42 m, resulting in a typical true thickness of 35-40 m.
Illustrative intercepts through the deposit, showing examples of drill holes with low-grade intercepts, with high-grade intercepts and with higher-grade intercepts within lower-grade widths, are provided in Table 10‑5. A drill hole location plan for the drilling is provided in Figure 10‑3, and a longitudinal view of the drill traces in Figure 10‑4.
Table 10‑5: Barreiro Example Drill Intercept Table

![]() |
| SGS Canada Inc. |
| Technical Report – Grota do Cirilo Lithium Project – Araçuai and Itinga Regions, Minas Gerais, Brazil |

Figure 10‑3: Plan View of the Drilling at Barreiro

Figure 10‑4: Longitudinal View of the Drilling at Barreiro
![]() |
| SGS Canada Inc.vvvvvvvvvvv |
| Technical Report – Grota do Cirilo Lithium Project – Araçuai and Itinga Regions, Minas Gerais, Brazil |
|
10.3.3 |
Lavra do Meio |
During 2017–2018, SMSA completed 17 HQ core holes for 2,119 m, while another 27 holes for 7,073 m were completed as part of the 2023 drill program. A drill hole summary table is provided in Table 10‑6. All drilling is used in Mineral Resource estimation.
Table 10‑6: Total Lavra do Meio Drilling
|
Year |
Number of |
Metres |
|
2017 |
2 |
158 |
|
2018 |
15 |
1,961 |
|
2023 |
27 |
7,073 |
|
Total |
44 |
9,192 |
The core holes drilled at Lavra do Meio are generally vertical, perpendicular to the general orientation of the pegmatite intrusions, and have a variable deviation toward the south. Their spacing is typically 50 m with wider spacing at 75 m at the east and west edges of the drill pattern. The drill holes dips range from -60° to -70° with an average of -60° and the drill hole intercepts range in thickness from approximately 95% of true width to near true width of the mineralization.
Illustrative intercepts through the deposit, showing examples of drill holes with low-grade intercepts, with high-grade intercepts and with higher-grade intercepts within lower-grade widths, are provided in
Table 10‑7. Drill collar locations are included in Figure 10‑5 in plan view, and a longitudinal section showing the drilling is included as Figure 10‑6.
Table 10‑7: Lavra do Meio Example Drill Intercept Table

![]() |
| SGS Canada Inc. |
|
Technical Report – Grota do Cirilo Lithium Project – Araçuai and Itinga Regions, Minas Gerais, Brazil |

Figure 10‑5 – Plan View of the Drilling at Lavra do Meio

Figure 10‑6: Longitudinal View of the Drilling at Lavra do Meio
![]() |
| SGS Canada Inc. |
|
Technical Report – Grota do Cirilo Lithium Project – Araçuai and Itinga Regions, Minas Gerais, Brazil |
|
10.3.4 |
Murial |
Drilling from 2017 to the end of 2023 totals 17,528 m in 79 HQ core holes. A drill hole summary table is provided in Table 10‑8. Only the drill holes from 1 to 34 were used in the 2018 Mineral Resource estimation, while the later 2018 results and the 2022 results will be used for the next MRE update.
Table 10‑8: Total Murial Drilling
|
Year |
Number of |
Metres |
|
2017 |
1 |
119 |
|
2018 |
34 |
5,765 |
|
2022 |
49 |
12,793 |
|
2023 |
93 |
23,870 |
|
Total |
177 |
42,547 |
The core holes drilled at Murial in 2017 and 2018 were drilled predominantly at an angle of -60 to the west, perpendicular to the orientation of the southernmost pegmatite intrusion. The 2022 and 2023 drilling extends the mineralization northward and is drilled generally vertical, which is perpendicular to the general orientation of the pegmatite intrusions there which are more flat-lying. The spacing is typically 50 m with some spacing at 100 m at the northern portion of the drill pattern. The drill holes dips range from 57° to 90° and the drill hole intercepts range in thickness from approximately 95% of true width to near true width of the mineralization.
Illustrative intercepts through the deposit, showing examples of drill holes with low-grade intercepts, with high-grade intercepts and with higher-grade intercepts within lower-grade widths, are provided in
Table 10‑9. Drill hole collar locations are provided in Figure 10‑7 and Figure 10‑8.
Table 10‑9: Murial Example Drill Intercept Table

![]() |
| SGS Canada Inc. |
|
Technical Report – Grota do Cirilo Lithium Project – Araçuai and Itinga Regions, Minas Gerais, Brazil |

Figure 10‑7: Plan View of the Drilling at Murial

Figure 10‑8: Longitudinal View of the Drilling at Murial
![]() |
| SGS Canada Inc. |
|
Technical Report – Grota do Cirilo Lithium Project – Araçuai and Itinga Regions, Minas Gerais, Brazil |
|
10.3.5 |
Nezinho do Chicão |
One hundred and thirty-one drill holes totalling 25,671 m have been completed at Nezinho do Chicão to the end of 2023 (Table 10‑10). Table 10‑11 provides illustrative intercepts through the deposit, showing examples of drill holes with low-grade and high-grade intercepts. The average grade over the five holes is 1.49% Li2O. Due the cut-off date, the assay results of holes 118, 120 and 123 were not available for the October 31 2022 MRE update.
Two of the holes at NDC have been drilled vertically and the remaining are inclined between 060º to 090º (average of 65º). The core holes are generally oriented at azimuth 295°, perpendicular to the general orientation of the pegmatite intrusions. Drill spacing is typically 100 m with wider spacing at the edges of the drill pattern. The drill hole intercepts range in thickness from approximately 90% of true width to near true width of the mineralization.
Figure 10‑9 shows the collar locations and Figure 10-10 is a longitudinal view of the drilling.
Table 10‑10: Nezinho do Chicão Drilling to December 1, 2021
|
Year |
Number of |
Metres |
|
2018 |
5 |
394 |
|
2021-2022 |
118 |
21,916 |
|
2023 |
8 |
3,361 |
|
Total |
131 |
25,671 |
Table 10‑11: Nezinho do Chicão Example Drill Intercept Table

![]() |
| SGS Canada Inc. |
|
Technical Report – Grota do Cirilo Lithium Project – Araçuai and Itinga Regions, Minas Gerais, Brazil |

Figure 10‑9: Plan View of the Drilling at Nezinho do Chicão

Figure 10‑10: Longitudinal View of the Drilling at Nezinho do Chicão
![]() |
| SGS Canada Inc. |
|
Technical Report – Grota do Cirilo Lithium Project – Araçuai and Itinga Regions, Minas Gerais, Brazil |
|
10.3.6 |
Maxixe |
Two drill holes totalling 217 m were completed at Maxixe in 2017, followed by 24 drillholes for 6,494 m in 2023. (Table 10‑12).
One of the holes at Maxixe was drilled at 070° and the remaining are inclined at 060°. The core holes are oriented at azimuth 270°, perpendicular to the general orientation of the pegmatite intrusions. Drill spacing is typically 50 m with wider spacing in the centre and on the edges of the drill pattern. The drill hole intercepts range in thickness from approximately 90% of true width to near true width of the mineralization.
Figure 10‑11 shows the collar locations and Figure 10-12 is a longitudinal view of the drilling.
Table 10‑12: Total Maxixe Drilling
|
Year |
Number of |
Metres |
|
2017 |
2 |
217 |
|
2023 |
24 |
6,494 |
|
Total |
26 |
6,711 |

Figure 10‑11: Plan View of the Drilling at Maxixe
![]() |
| SGS Canada Inc. |
|
Technical Report – Grota do Cirilo Lithium Project – Araçuai and Itinga Regions, Minas Gerais, Brazil |

Figure 10‑12: Longitudinal View of the Drilling at Maxixe
|
10.3.7 |
Tamboril |
Eleven drill holes totalling 1,560 m were completed at Maxixe in 2022, with a further eight holes for 2,022 m completed in 2023. (Table 10‑13). All the holes are inclined at 060° and oriented at an azimuth of 270°, perpendicular to the general orientation of the pegmatite intrusions. Drill spacing is typically 50 m with wider spacing in the centre and on the edges of the drill pattern. The drill hole intercepts range in thickness from approximately 90% of true width to near true width of the mineralization.
Figure 10‑13 shows the collar locations and Figure 10-14 is a longitudinal view of the drilling.
Table 10‑13: Total Tamboril Drilling
|
Year |
Number of |
Metres |
|
2022 |
11 |
1,560 |
|
2023 |
8 |
2,022 |
|
Total |
19 |
3,582 |
![]() |
| SGS Canada Inc. |
|
Technical Report – Grota do Cirilo Lithium Project – Araçuai and Itinga Regions, Minas Gerais, Brazil |

Figure 10‑13: Plan View of the Drilling at Tamboril

Figure 10‑14: Longitudinal View of the Drilling at Tamboril
![]() |
| SGS Canada Inc. |
|
Technical Report – Grota do Cirilo Lithium Project – Araçuai and Itinga Regions, Minas Gerais, Brazil |
|
10.3.8 |
Elvira |
Nine drill holes totalling 1,234 m were completed at Elvira in 2023. (Table 10‑14). All the holes are inclined at 060° and oriented at an azimuth of 340°, perpendicular to the general orientation of the pegmatite intrusions. Drill spacing is typically 100 m. The drill hole intercepts range in thickness from approximately 90% of true width to near true width of the mineralization.
Figure 10‑15 shows the collar locations and Figure 10-16 is a longitudinal view of the drilling.
Table 10‑14: Total Elvira Drilling
|
Year |
Number of |
Metres |
|
2023 |
9 |
1,234 |
|
Total |
9 |
1,234 |

Figure 10‑15: Plan View of the Drilling at Elvira
![]() |
| SGS Canada Inc. |
|
Technical Report – Grota do Cirilo Lithium Project – Araçuai and Itinga Regions, Minas Gerais, Brazil |

Figure 10‑16: Longitudinal View of the Drilling at Elvira
|
10.4 |
DRILL HOLE LOGGING |
In each program core logging consisted of recording the following key information into Excel spreadsheets:
|
● |
Lithology: description, colour, grain size, unit, code |
|
● |
Alteration: code, intensity, type |
|
● |
Mineralization: estimated spodumene %, major minerals (quartz, albite, microcline, amphibolite, muscovite, tantalite/columbite, cassiterite, biotite, tourmaline, cordierite), major mineral percentage |
|
● |
Structures: veins, faults, shear zones, breccias, mineral lineation, lithological contacts |
|
● |
Rock quality designation (RQD) |
|
● |
Recovery |
|
● |
Magnetic susceptibility |
All core was photographed dry and wet.
|
10.5 |
RECOVERY |
Due to the hardness of the pegmatite units, the recovery of the drill core was generally excellent, and was typically close to 100%.
![]() |
| SGS Canada Inc. |
|
Technical Report – Grota do Cirilo Lithium Project – Araçuai and Itinga Regions, Minas Gerais, Brazil |
|
10.6 |
DRILL SURVEYS |
Drill hole collars were picked up in the field using a Real Time Kinematic (RTK) GPS with an average accuracy of 0.01 cm.
All drill holes were down-hole surveyed by Sigma personnel using the Reflex EZ-Trac and Reflex Gyro instruments. Calibrations of tools were completed in every year on a regular basis.
|
10.7 |
QP COMMENT |
SMSA conducted HQ drilling programs in 2014, 2017, 2018, 2021, 2022 and 2023 on selected pegmatite targets. The drill programs have used industry-standard protocols that include core logging, core photography, core recovery measurements, and collar and downhole survey measurements. There are no drilling, sampling or recovery factors that could materially impact the accuracy and reliability of the results in any of the drill campaigns.
Information collected during the campaigns can be used to support Mineral Resource estimation at Xuxa, Barreiro, Lavra do Meio, Murial, Nezinho do Chicão, Maxixe, Tamboril and Elvira.
![]() |
| SGS Canada Inc. |
|
Technical Report – Grota do Cirilo Lithium Project – Araçuai and Itinga Regions, Minas Gerais, Brazil |
|
11. |
SAMPLE PREPARATION, ANALYSES AND SECURITY |
|
11.1 |
INTRODUCTION |
The descriptions in this section are based on information supplied by SMSA and observations made during the independent verification programs conducted at the Project site by SGS during September 11–15, 2017, from July 11–17, 2018, from September 18-23, 2018, from October 18-21, 2021, from May 30 to June 1 2022, from November 22-24, 2023 and from November 7-11, 2024.
The evaluation of the geological setting and mineralization on the Project is based on observations and sampling from surface (through geological mapping, grab and channel samples) and diamond drilling.
|
11.2 |
SAMPLING |
|
11.2.1 |
Geochemical Sampling |
Geochemical samples consisted of rock chip and grab samples taken from areas of outcrop. These were generally about 1 kg in weight.
|
11.2.2 |
Channel Sampling |
Channel samples were collected by cutting channels with a diamond-disc cutting machine. Typically, the cut channel measured 4 cm in width and 10 cm in depth. Each channel sample was generally 1 m long and cut directly from the outcrop, identified, numbered and then placed in a new plastic bag. Due to the hardness of the pegmatite units, the recovery of the channel material was generally very good, averaging more than 95%.
|
11.2.3 |
Trench Sampling |
SMSA generally followed up positive channel sampling results with trenching. This work was conducted from 2012 to 2014.
Trenches were typically 1 m wide, 0.5 m deep, and were dug at 2.5 m intervals across the entire pegmatite width from footwall to hanging wall. Full-width pegmatite samples were taken from each trench and aggregated to form 800–1,000 kg trench bulk samples for metallurgical test work.
|
11.2.4 |
Core Sampling |
Drill core of HQ size was placed in wooden core boxes and delivered daily by the drill contractors to the project core logging facilities at SMSA camp. The drill core was first aligned and measured by the technician and geologist for core recovery. The core recovery measurements were followed by the RQD measurements. After a summary review of the core, it was logged, and sampling intervals were defined by a geologist. Before sampling, the core was photographed using a digital camera and the core boxes were identified with box number, hole ID, and aluminium tags were used to mark the sample intervals.
Sampling intervals were determined by the geologist, marked and tagged based on lithology and mineralization observations. The typical sampling length was 1 m but varied according to lithological contacts between the mineralized pegmatite and the host rock. In general, 1 m host rock samples were collected from each side that contacts the pegmatite. The HQ drill core samples were split into two halves with one half placed in a new plastic bag along with the sample tag; the other half was replaced in the core box with the second sample tag for reference. The third sample tag was archived on site.
![]() |
| SGS Canada Inc. |
|
Technical Report – Grota do Cirilo Lithium Project – Araçuai and Itinga Regions, Minas Gerais, Brazil |
Copies of the Excel spreadsheets are stored on external hard drive and backed-up every day for security.
|
11.2.5 |
Metallurgical Sampling |
HQ size drill core was collected from a portion of the 2017-2018 and 2020-2021 Xuxa drill programs for metallurgical purposes. The first half of the HQ drill core was selected for metallurgical testing. The second half was split in two quarters, one quarter placed in a new plastic bag along with the sample tag and the remaining quarter was replaced in the core box with the second sample tag for reference. The samples were then catalogued and placed in rice bags or pails, for shipping. The sample shipment forms were prepared on site with one copy inserted with the shipment, one copy sent by email to SGS Geosol, and one copy kept for reference. The samples were transported on a regular basis by SMSA driver by pick-up truck directly to the SGS Geosol facilities in Belo Horizonte. At SGS Geosol, the sample shipment was verified, and a confirmation of shipment reception and content was emailed to Sigma’s representative and the project geologist.
For the 2020-2021 Barreiro metallurgical test work, SGS Lakefield utilized the 713 samples from Barreiro that they had on hand to produce four variability samples and one composite sample. After reviewing drill collar, survey, assay, and lithological data associated with the samples, they determined their sample selection criteria. Of the 713 samples on hand, 15 were discounted as they fell outside the known mineralization. The remaining 698 samples were divided into four variability samples based on lithium grade and petalite content. Sub-samples from each variability sample would then be blended to create a master composite.
A PFS-level metallurgical test work program was undertaken on samples from the NDC deposit from April 2022 to December 2022 at SGS Lakefield. The aim of the NDC sample selection process for the metallurgical test work program was to select three variability samples (High, Medium, and Low-Grade) of at least 500 kg. Sub-samples from each variability sample were then be blended to create a master composite which was tested to produce 6% Li2O concentrate, and recoveries measured. Three thousand seven hundred forty-seven (3747) individual assays were available at SGS Lakefield for production of the variability samples.
PFS-level metallurgical test work was undertaken on composite samples from Lavra do Meio-Maxixe-Tamboril and from Murial in 2024. Four composite samples were prepared for the test work from the two areas, namely a low-grade, medium-grade, high-grade and high schist sample. The test work was undertaken by SGS Geosol in Belo Horizonte, Brazil.
|
11.3 |
DENSITY DETERMINATIONS |
Densities were measured by SGS Geosol using pycnometer measurement. Measurements were made by lithology with special attention to the lithium-bearing pegmatite. Separate measurements were made for the Xuxa, Barreiro, Lavra do Meio, Nezinho do Chicão, Murial, Maxixe and Tamboril deposits.
A total of 220 measurements were made on Xuxa core from 2017-2021. Of the 220 measurements, 26 were made on albite-altered pegmatite, 69 on schist, and 121 on lithium-bearing pegmatite.
For Barreiro, a total of 470 measurements were made on core from the 2018 and 2021 drill program. Of the 470 measurements, 94 were made on albite-altered pegmatite, 206 on schist, and 164 on lithium-bearing pegmatite.
![]() |
| SGS Canada Inc. |
|
Technical Report – Grota do Cirilo Lithium Project – Araçuai and Itinga Regions, Minas Gerais, Brazil |
From the 2022-2023 Murial exploration program, a total of 1,365 samples from 112 drillholes had density measurements calculated. Of those samples, there were 161 spodumene samples and 49 petalite samples. A weighted average of the core metres logged as spodumene-bearing and petalite-bearing was used to calculate the overall average density of the deposit.
From the 2023 Lavra do Meio exploration program, a total of 197 samples from 25 drillholes had density measurements calculated. Of those samples, there were 25 spodumene samples and 13 petalite samples. A weighted average of the core metres logged as spodumene-bearing and petalite-bearing was used to calculate the overall average density of the deposit.
From the 2022-2023 NDC exploration program, a total of 140 samples from 11 drillholes had density measurements calculated. Of those samples, there were 25 spodumene samples and 15 petalite samples. A weighted average of the core metres logged as spodumene-bearing and petalite-bearing was used to calculate the overall average density of the deposit.
From the 2023 Maxixe exploration program, a total of 149 samples from 20 drillholes had density measurements calculated. Of those samples, there were 18 spodumene samples and 11 petalite samples. A weighted average of the core metres logged as spodumene-bearing and petalite-bearing was used to calculate the overall average density of the deposit.
From the 2022-2023 Tamboril exploration program, a total of 95 samples from 17 drillholes had density measurements calculated. Of those samples, there were 15 spodumene samples and 6 petalite samples. A weighted average of the core metres logged as spodumene-bearing and petalite-bearing was used to calculate the overall average density of the deposit.
From the 2023 Elvira exploration program, a total of 31 samples from five drillholes had density measurements calculated. Of those samples, there were six spodumene samples and three petalite samples. A weighted average of the core metres logged as spodumene-bearing and petalite-bearing was used to calculate the overall average density of the deposit.
Table 11-1 shows the average specific gravity results for the lithium-bearing pegmatite for each of the deposits.
Table 11‑1: Specific Gravity of Lithium-Bearing Pegmatites
|
Deposit |
Specific Gravity g/cm3 |
|
Xuxa |
2.70 |
|
Barreiro |
2.71 |
|
Murial |
2.68 |
|
Lavra do Meio |
2.67 |
|
Nezinho do Chicão |
2.67 |
|
Maxixe |
2.62 |
|
Tamboril |
2.68 |
|
Elvira |
2.65 |
![]() |
| SGS Canada Inc. |
|
Technical Report – Grota do Cirilo Lithium Project – Araçuai and Itinga Regions, Minas Gerais, Brazil |
|
11.4 |
ANALYTICAL AND TEST LABORATORIES |
All samples collected by SMSA during the course of the 2012–2022 exploration programs relating to the Grota do Cirilo property were sent to SGS Geosol in Belo Horizonte, Brazil.
A portion of the 2017–2022 sample pulps were prepped by ALS Brazil Ltda. in Vespasiano, Brazil (ALS Vespasiano) and shipped to ALS Canada Inc. Chemex Laboratory (ALS Chemex) in North Vancouver, BC, Canada for cross check validation.
A portion of the 2014 samples were resampled by the QP and sent for validation to the SGS Lakefield laboratory (SGS Lakefield) in Lakefield, Canada.
All laboratories, including ALS Chemex, ALS Vespasiano, SGS Lakefield and SGS Geosol are ISO/IEC 17025 accredited. The SGS Geosol laboratory is ISO 14001 and 17025 accredited by the Standards Council. All laboratories used for the technical report are independent of Sigma and SMSA and provide services pursuant to service contracts.
|
11.5 |
SAMPLE PREPARATION AND ANALYSIS |
All channel sample and drill core handling were done on site with logging and sampling conducted by employees and contractors of SMSA. Trench samples collected from 2012–2014 were crushed in SMSA’s on-site pilot plant, using a jaw crusher and then roll crushed to reduce the material to below 2 mm size. The heavy minerals were then concentrated on site using a pulse jig (refer to photograph of the pulse jig in Figure 5‑3). The Universities of Rio de Janeiro and São Paulo, as well as SGS Lakefield, completed various metallurgical test work on these samples (refer to Section 13).
Channel and drill core samples collected during the 2013, 2014, 2017, 2018, 2020, 2021 and 2022 exploration programs from the Grota do Cirilo property were transported directly by SMSA representatives to SGS Geosol for sample preparation. The submitted samples were pulverized at SGS Geosol to respect the specifications of the analytical protocol and then analysed in the same laboratory. In 2013 and 2014, samples were pulverized at the same facilities, following the same specification as used in 2017.
All samples received at SGS Geosol were inventoried and weighted prior to being processed. Drying was done to samples having excess humidity. Sample material was crushed to 75% passing 3 mm using jaw crushers. One kilogram of material is put on separate bag and reserved for future analysis. Ground material was then split in two using a Jones split riffle to obtain one 2 kg sample reserved for duplicate analysis and one 1 kg samples for primary analysis. One-kilogram sub-samples were then pulverized using a ring and puck mill or a single component ring mill to 95% passing 150 mesh (106 µm) and split into four 250 g samples using a rotative splitter. The balance of the crushed sample (reject) was placed into the original plastic bag. The pulverized samples were finally analysed by SGS Geosol.
SGS Geosol has used two analytical methods for the pulverized samples from the Project. The analytical method used by SGS Geosol for the 2017 program is the 55-element analysis using sodium peroxide fusion followed by both inductively coupled plasma optical emission spectrometry (ICP-OES) and inductively coupled plasma mass spectrometry (ICP-MS) finish (SGS code ICM90A). This method uses 10 g of the pulp material and returns different detection limits for each element and includes a 10 ppm lower limit detection for Li and a 10,000-ppm upper limit detection for Li. For the 2018-2022 program, SGS Geosol used a 31-element analytical package using sodium peroxide fusion followed by both Inductively Coupled Plasma Atomic Emission Spectrometry (ICP-AES) and ICP-MS finish (SGS code ICP90A). Analytical results were sent electronically to Sigma and results were compiled in an MS Excel spreadsheet by the project geologists.
![]() |
| SGS Canada Inc. |
|
Technical Report – Grota do Cirilo Lithium Project – Araçuai and Itinga Regions, Minas Gerais, Brazil |
All samples received at ALS Vespasiano were inventoried, weighed and dried prior to being processed. Sample material was crushed to 70% passing 2 mm using jaw crushers. Crushed material was split to 250 g sub-samples and then pulverized using a ring and puck mill or a single component ring mill to 85% passing 200 mesh (75 µm). The pulverized samples were sent to ALS Chemex using SGS-secured delivery services. Lithium and boron were determined by sodium peroxide fusion followed by ICP-AES analysis (ALS Chemex method ME-ICP82b). The method is a high-precision analytical method for Li to support resource determination in known deposits.
The 2017 witness samples collected on the 2014 drill core were analysed at SGS Lakefield using sodium peroxide fusion followed by both ICP-OES and ICP-MS finish (SGS code ICM90A).
|
11.6 |
QUALITY ASSURANCE AND QUALITY CONTROL |
In addition to the laboratory quality assurance quality control (QA/QC) routinely implemented by SGS Geosol and ALS Chemex using pulp duplicate analysis, SMSA developed an internal QA/QC protocol for the Grota do Cirilo drilling, which consisted of the insertion of analytical standard reference materials (standards), blanks and core duplicates on a systematic basis with the samples shipped to the analytical laboratories. No pulp reanalysis was performed by SMSA in 2013 and 2014.
|
11.6.1 |
2014 Sampling Program |
|
11.6.1.1 |
Analytical Standards |
SMSA inserted standards in sample batches during the 2013-2014 sampling program. During the 2014 campaign, the standard used was made of locally sourced and prepared pegmatite and was not certified. Sigma inserted an uncertified standard into the sample stream for every 25 samples for a total of five uncertified standards inserted.
|
11.6.1.2 |
Analytical Blanks |
During the 2013-2014 campaign Sigma included insertion of analytical blanks in the sample series as part of their internal QA/QC protocol. The blanks were sourced from a local silicate stone.
|
11.6.2 |
2017-2018 Sampling Campaign |
|
11.6.2.1 |
Analytical Standards |
The 2017–2018 campaign used seven certified standards from African Mineral Standards (AMIS), an international supplier of certified reference materials (Table 11‑5). The recommended lithium values for the AMIS standards range between 0.16 and 2.27% Li2O. A total of 88 standards were inserted during the 2017 campaign and 345 were inserted during the 2018 campaign. Figure 11‑1 to Figure 11‑6 show the standard results for AMIS standards submitted as part of the 2017–2018 campaigns.
![]() |
| SGS Canada Inc. |
|
Technical Report – Grota do Cirilo Lithium Project – Araçuai and Itinga Regions, Minas Gerais, Brazil |
Table 11‑2: Standard Average Li Values with Analytical Error
|
Analytical Standards |
Li (ppm) |
Analytical Error (2σ) |
|
AMIS0341 |
4,733 |
799 |
|
AMIS0338 |
1,682 |
428 |
|
AMIS0339 |
22,700 |
2,506 |
|
AMIS0340 |
14,060 |
1462 |
|
AMIS0342 |
1,612 |
198 |
|
AMIS0343 |
7,150 |
1525 |
|
AMIS0408 |
15,300 |
2,360 |

Figure 11‑1: Standard Sample Analysis Results for the 2017–2018 Batch with Standard AMIS0338
![]() |
| SGS Canada Inc. |
|
Technical Report – Grota do Cirilo Lithium Project – Araçuai and Itinga Regions, Minas Gerais, Brazil |

Figure 11‑2: Standard Sample Analyses Results for the 2017–2018 Batch with Standard AMIS0339

Figure 11‑3: Standard Sample Analyses Results for the 2017–2018 Batch with Standard AMIS0341
![]() |
| SGS Canada Inc. |
|
Technical Report – Grota do Cirilo Lithium Project – Araçuai and Itinga Regions, Minas Gerais, Brazil |

Figure 11‑4: Standard Sample Analyses Results for the 2017–2018 Batch with Standard AMIS0342

Figure 11‑5: Standard Sample Analyses Results for the 2017–2018 Batch with Standard AMIS0343
![]() |
| SGS Canada Inc. |
|
Technical Report – Grota do Cirilo Lithium Project – Araçuai and Itinga Regions, Minas Gerais, Brazil |

Figure 11‑6: Standard Sample Analyses Results for the 2017–2018 Batch with Standard AMIS0408
The results for the 2017–2018 batch are mostly within twice the standard deviation of the expected results. Only one result out of the 433 standards fell outside the acceptable limits recommended by AMIS.
|
11.6.2.2 |
Analytical Blanks |
During the 2017–2018 campaign SMSA included the insertion of analytical blanks in the sample series as part of their internal QA/QC protocol. The blank samples, which are made of fine silica powder provided by AMIS, were inserted an average of one for every 20 samples by the Sigma geologist and subsequently sent to SGS Geosol.
A total of 647 analytical blanks were analysed during the 2017–2018 exploration programs. From the 647 blanks analysed, the first 39 yielded results between 50 and 94 ppm. In the last 554 samples only one sample returned with a value over three times the laboratory detection limit of 10 ppm. This discrepancy between the first 39 blanks and the rest is likely due to contamination of the initial blank batch of uncertified material. Because the level of contamination is very low, it is the QP’s opinion that these slightly higher values are inconsequential. Figure 11‑7 shows blank sample results from the 2017–2018 exploration program.
![]() |
| SGS Canada Inc. |
|
Technical Report – Grota do Cirilo Lithium Project – Araçuai and Itinga Regions, Minas Gerais, Brazil |

Figure 11‑7: Blank Sample Analyses from the 2017–2018 Campaign
|
11.6.2.3 |
Core Duplicates |
SMSA inserted core duplicates as every 20th sample in the sample series as part of their internal QA/QC protocol. The sample duplicates correspond to a quarter HQ core from the sample left behind for reference, or a representative channel sample from the secondary channel cut parallel to the main channel. A total of 333 duplicate pairs were analyzed and only one sample fell outside the 20% difference line. Figure 11‑8 is a scatterplot comparing original and duplicate core pairs. The average value for the original values is 4,431.5 ppm Li and the average value for the duplicate values is 4,433.2 ppm Li. The difference between original and duplicate averages is 1.63 ppm. The correlation coefficient R2 of 0.9912 suggests a high similarity between the two sets of analyses.
Pulp duplicates analyses were also conducted on 387 sample intervals. The average Li concentration for the original values is 4,547.6 ppm Li and the average value of the duplicates is 4,551.9 ppm Li. The difference between the averages is 4.3 and standard two-tailed paired t-test analysis returned no statistically significant bias. The correlation coefficient R2 of 0.9896 suggests a high similarity between the two sets of analyses (Figure 11‑9).
![]() |
| SGS Canada Inc. |
|
Technical Report – Grota do Cirilo Lithium Project – Araçuai and Itinga Regions, Minas Gerais, Brazil |

Figure 11‑8: Scatterplot of Core Duplicates

Figure 11‑9: Correlation Between Original Samples and Pulp Duplicates
![]() |
| SGS Canada Inc. |
|
Technical Report – Grota do Cirilo Lithium Project – Araçuai and Itinga Regions, Minas Gerais, Brazil |
|
11.6.2.4 |
Check Assays |
As additional QAQC, SMSA sent 664 samples from the 2017-2018 Grota do Cirilo drilling campaign to ALS Chemex for check sample analysis using the ALS Chemex protocol ME-ICP82b with sodium peroxide fusion.
Preparation was done by ALS Vespasiano and the samples were subsequently shipped to Vancouver for analysis.
The average lithium concentration for the original samples was 6,411.4 ppm Li and the duplicates averaged 6,475.9 ppm Li. The average difference was 64.5 (1.0%) and standard two-tailed paired t-test analysis returned a p-value of 0.0006 (α = 0.05) (Table 11-6 and Table 11-7). This indicates a slight bias with the ALS Chemex duplicates which is well within the accepted margin of error. Since the correlation coefficient R2 of 0.9792 suggest a high similarity between the two sets of analyses (Figure 11-10 and Figure 11-11), this bias does not warrant any corrective action. Five outliers were identified, but they were not linked to any statistical drift, and thus, it is inconsequential. The control sample results are therefore deemed acceptable, and the original data can be used in Mineral Resource estimation.
Table 11‑3: Check Assay Original vs Control Samples
|
ELEMENT |
COUNT |
ORIGINAL > CONTROL |
ORIGINAL ≤ CONTROL |
||
|
Count |
% |
Count | % | ||
|
Li2O (%) |
664 |
375 |
56 |
287 |
44 |
Table 11‑4: Check Assay Original and Control Descriptive Statistics
|
Data Set |
Mean |
Minimum |
Maximum |
Standard Deviation |
|
SGS_Geosol |
6,411.40 |
50 |
43,175 |
5,948.2 |
|
ALS |
6,475.9 |
40 |
44,956 |
5,989 |
![]() |
| SGS Canada Inc. |
|
Technical Report – Grota do Cirilo Lithium Project – Araçuai and Itinga Regions, Minas Gerais, Brazil |

Figure 11‑10: Check Assay Correlation Between Original Samples and Pulp Duplicates

Figure 11‑11: Check Assay Distribution of the Difference Between Original Results and Pulp Duplicates
![]() |
| SGS Canada Inc. |
|
Technical Report – Grota do Cirilo Lithium Project – Araçuai and Itinga Regions, Minas Gerais, Brazil |
|
11.6.3 |
2021 Barreiro Sampling Campaign |
For the 2021 drilling and sampling campaign, SMSA’s QAQC protocol utilized the inclusion of coarse duplicates, pulp duplicates, standards, blanks and check samples.
For every batch of 24 core samples from an individual hole, there was one coarse duplicate, one pulp duplicate, one standard, one blank and two check samples inserted.
For every batch of 50 core samples from an individual hole, there was one coarse duplicate, one pulp duplicate, two standards, two blanks and three check samples inserted.
|
11.6.3.1 |
Analytical Standards |
The 2021 campaign used four certified standards from African Mineral Standards (AMIS), an international supplier of certified reference materials (Table 11-8). The recommended lithium values for the AMIS standards used range between 0.16% and 1.50% Li. A total of 73 standards were inserted during the 2021 campaign. Figure 11-12 to Figure 11-15 show the standard results for AMIS standards submitted as part of the 2021 campaign.
Table 11‑5: Standard Average Li Values with Analytical Error
|
Analytical Standard |
Li (ppm) |
Analytical Error (2σ) |
|
AMIS0341 |
5,041 |
222 |
|
AMIS0342 |
1,603 |
199 |
|
AMIS0343 |
7,150 |
1,525 |
|
AMIS0408 |
16,000 |
2,400 |
Note: All concentrations and standard deviations are reported for fusion dissolution of the samples, as this was the assay technique used for the Sigma core samples.
![]() |
| SGS Canada Inc. |
|
Technical Report – Grota do Cirilo Lithium Project – Araçuai and Itinga Regions, Minas Gerais, Brazil |

Figure 11‑12: Standard Sample Analysis Results for the 2021 Batch with Standard AMIS0341

Figure 11‑13: Standard Sample Analysis Results for the 2021 Batch with Standard AMIS0342
![]() |
| SGS Canada Inc. |
|
Technical Report – Grota do Cirilo Lithium Project – Araçuai and Itinga Regions, Minas Gerais, Brazil |

Figure 11‑14: Standard Sample Analysis Results for the 2021 Batch with Standard AMIS0343

Figure 11‑15: Standard Sample Analysis Results for the 2021 Batch with Standard AMIS0408
![]() |
| SGS Canada Inc. |
|
Technical Report – Grota do Cirilo Lithium Project – Araçuai and Itinga Regions, Minas Gerais, Brazil |
The results for AMIS0342, AMIS0343 and AMIS0408 all fall within two standard deviations of the mean, although the distribution of AMIS0408 tends to show a slight negative bias compared to the other two standards. This is probably due to a change at the lab in upper limits of detection for the assay techniques used by Sigma, where the upper limit of detection was lowered from 10% Li to 1.5% Li2O, resulting in the majority of the samples showing as “over limit” and being re-assayed using a four-acid acid digestion and AAS finish.
The results for AMIS0341 are consistently below the two standard deviations for fusion dissolution but are within the limits for a four-acid digestion dissolution.
Overall, the results of the standards analysis are within industry-acceptable standards.
|
11.6.3.2 |
Analytical Blanks |
A total of 74 analytical blanks were analysed during the 2021 exploration program. Of the 74 blanks, three were above the lower limit of detection of 10 ppm Li and only one was over two standard deviations. Figure 11-16 shows blank sample results from the 2021 exploration program.

Figure 11‑16: Blank Sample Analyses from the 2021 Campaign
|
11.6.3.3 |
Coarse Duplicates |
The coarse duplicates consist of coarse samples collected immediately after the primary or secondary crushing of the sample, but prior to pulverization. They are designed to evaluate the precision of the physical preparation of the samples, focussing on the splitting of the material.
![]() |
| SGS Canada Inc. |
|
Technical Report – Grota do Cirilo Lithium Project – Araçuai and Itinga Regions, Minas Gerais, Brazil |
A total of 56 duplicate pairs were analyzed and only one sample fell outside the 20% difference line. Figure 11-17 is a scatterplot comparing original and duplicate core pairs. The average value for the original values is 6,420.9 ppm Li and the average value for the duplicate values is 6,278.3 ppm Li. The difference between original and duplicate averages is 142.6 ppm. The correlation coefficient R2 of 0.978 suggests a strong correlation and a high similarity between the two sets of samples.
|
11.6.3.4 |
Pulp Duplicates |
The pulp duplicates are duplicate samples collected immediately after the sample is pulverized. The purpose of the pulp duplicate is to evaluate the level of homogenization in the sample preparation.
A total of 56 pulp duplicates were submitted for analysis for the 2021 program. Figure 11-18 is a scatterplot comparing original and duplicate core pairs. The average Li concentration for the original values is 6,420.9 ppm Li and the average value of the duplicates is 6,422.1 ppm Li. The difference between the averages is 1.2 ppm and standard two-tailed paired t-test analysis returned no statistically significant bias. The correlation coefficient R2 of 0.9961 suggests a strong correlation and a high similarity between the two sets of samples.

Figure 11‑17: Correlation Between 2021 Original Samples and Coarse Duplicates
![]() |
| SGS Canada Inc. |
|
Technical Report – Grota do Cirilo Lithium Project – Araçuai and Itinga Regions, Minas Gerais, Brazil |

Figure 11‑18: Correlation Between 2021 Original Samples and Pulp Duplicates
|
11.6.3.5 |
Check Assays |
As additional QAQC, SMSA sent 65 samples from the 2021 Barreiro drilling campaign to ALS Chemex for check sample analysis using the ALS Chemex protocol ME-ICP82b with sodium peroxide fusion.
The average lithium concentration for the original samples was 6,518.0 ppm Li and the duplicates averaged 6,559.7 ppm Li, with an average difference of 41.7 ppm or 0.6%. The correlation coefficient R2 of 0.9854 suggests a strong correlation and a high similarity between the two sets of samples. Consequently, the control sample results are deemed acceptable, and the original data can be used in Mineral Resource estimation.
Figure 11-19 shows the correlation between the original SGS assays, and the ALS check assays, while Figure 11-20 shows the frequency distribution between the original and duplicate assays.
![]() |
| SGS Canada Inc. |
|
Technical Report – Grota do Cirilo Lithium Project – Araçuai and Itinga Regions, Minas Gerais, Brazil |

Figure 11‑19: 2021 Check Assay Correlation Between SGS Originals and ALS Duplicates

Figure 11‑20: Check Assay Distribution of the Difference Between SGS Originals and ALS Duplicates
![]() |
| SGS Canada Inc. |
|
Technical Report – Grota do Cirilo Lithium Project – Araçuai and Itinga Regions, Minas Gerais, Brazil |
|
11.6.4 |
2021-2022 NDC Sampling Campaign |
For the 2021-2022 NDC drilling and sampling campaign, SMSA’s QAQC protocol utilized the inclusion of coarse duplicates, pulp duplicates, standards, blanks and check samples.
For every batch of 24 core samples from an individual hole, there was one coarse duplicate, one pulp duplicate, one standard, one blank and two check samples inserted.
For every batch of 50 core samples from an individual hole, there was one coarse duplicate, one pulp duplicate, two standards, two blanks and three check samples inserted.
|
11.6.4.1 |
Analytical Standards |
The 2021-2022 NDC campaign used four certified standards from African Mineral Standards (AMIS), an international supplier of certified reference materials (Table 11-6). The recommended lithium values for the AMIS standards used range between 0.16% and 1.60% Li. A total of 210 standards were inserted during the 2021-2022 NDC campaign. Figure 11-21 to Figure 11-24 show the standard results for AMIS standards submitted as part of the 2021-2022 NDC campaign.
Table 11‑6: Standard Average Li Values with Analytical Error
|
Analytical Standard |
Li (ppm) |
Analytical Error (2σ) |
|
AMIS0341 |
5,041 |
222 |
|
AMIS0342 |
1,603 |
199 |
|
AMIS0343 |
7,150 |
1,525 |
|
AMIS0408 |
16,000 |
2,400 |
Note: All concentrations and standard deviations are reported for fusion dissolution of the samples, as this was the assay technique used for the Sigma core samples.
![]() |
| SGS Canada Inc. |
|
Technical Report – Grota do Cirilo Lithium Project – Araçuai and Itinga Regions, Minas Gerais, Brazil |

Figure 11‑21: Standard Sample Analysis Results for the 2021-2022 NDC Batch with Standard AMIS0341

Figure 11‑22: Standard Sample Analysis Results for the 2021-2022 NDC Batch with Standard AMIS0342
![]() |
| SGS Canada Inc. |
|
Technical Report – Grota do Cirilo Lithium Project – Araçuai and Itinga Regions, Minas Gerais, Brazil |

Figure 11‑23: Standard Sample Analysis Results for the 2021-2022 NDC Batch with Standard AMIS0343

Figure 11‑24: Standard Sample Analysis Results for the 2021-2022 NDC Batch with Standard AMIS0343
![]() |
| SGS Canada Inc. |
|
Technical Report – Grota do Cirilo Lithium Project – Araçuai and Itinga Regions, Minas Gerais, Brazil |
|
11.6.4.2 |
Analytical Blanks |
A total of 218 analytical blanks were analysed during the 2021-2022 NDC exploration program. Of the 218 blanks, 30 were above the lower limit of detection of 0.002% Li2O and 19 were over two times the detection limit. Figure 11-25 shows blank sample results from the 2021-2022 exploration program.

Figure 11‑25: Blank Sample Analyses from the 2021-2022 NDC Campaign
|
11.6.4.3 |
Coarse Duplicates |
A total of 216 duplicate pairs were analyzed, with three samples falling outside the 20% difference line. Figure 11-26 is a scatterplot comparing original and duplicate core pairs. The average value for the original values is 1.44% Li2O and the average value for the duplicate values is 1.42% Li2O. The difference between original and duplicate averages is 0.02% Li2O. The correlation coefficient R2 of 0.98 suggests a strong correlation and a high similarity between the two sets of samples.
|
11.6.4.4 |
Pulp Duplicates |
A total of 216 pulp duplicates were submitted for analysis for the 2021-2022 NDC program, with one sample falling outside the 20% difference line. Figure 11-27 is a scatterplot comparing original and duplicate core pairs. The average value for the original values is 1.43% Li2O and the average value for the duplicate values is 1.43% Li2O. The difference between original and duplicate averages is 0.00% Li2O. The correlation coefficient R2 of 0.98 suggests a strong correlation and a high similarity between the two sets of samples.
![]() |
| SGS Canada Inc. |
|
Technical Report – Grota do Cirilo Lithium Project – Araçuai and Itinga Regions, Minas Gerais, Brazil |

Figure 11‑26: Correlation Between 2021-2022 NDC Original Samples and Coarse Duplicates

Figure 11‑27: Correlation Between 2021-2022 NDC Original Samples and Pulp Duplicates
![]() |
| SGS Canada Inc. |
|
Technical Report – Grota do Cirilo Lithium Project – Araçuai and Itinga Regions, Minas Gerais, Brazil |
|
11.6.4.5 |
Check Assays |
As additional QAQC, Sigma sent 304 samples from the 2021-2022 NDC drilling campaign to ALS Chemex for check sample analysis using the ALS Chemex protocol ME-ICP82b with sodium peroxide fusion.
The average lithium grade for the original samples was 1.38% Li2O and the duplicates averaged 1.39% Li2O. The correlation coefficient R2 of 0.98 suggests a strong correlation and a high similarity between the two sets of samples. Consequently, the control sample results are deemed acceptable, and the original data can be used in Mineral Resource estimation.
Figure 11-28 shows the correlation between the original SGS assays, and the ALS check assays.

Figure 11‑28: 2021-2022 NDC Check Assay Correlation Between SGS Originals and ALS Duplicates
|
11.6.5 |
2022-2023 Murial Sampling Campaign |
|
11.6.5.1 |
Analytical Standards |
The 2023 Murial campaign used four certified standards from African Mineral Standards (AMIS), an international supplier of certified reference materials (Table 11-7). The recommended lithium values for the AMIS standards used range between 0.16% and 1.60% Li. A total of 326 standards were inserted during the 2023 Murial campaign. Figure 11-29 to Figure 11-32 show the standard results for AMIS standards submitted as part of the 2023 Murial campaign.
![]() |
| SGS Canada Inc. |
|
Technical Report – Grota do Cirilo Lithium Project – Araçuai and Itinga Regions, Minas Gerais, Brazil |
Table 11‑7: Standard Average Li Values with Analytical Error
|
Analytical Standard |
Li (ppm) |
Analytical Error (2σ) |
|
AMIS0341 |
5,041 |
49 |
|
AMIS0342 |
1,603 |
160 |
|
AMIS0408 |
16,000 |
61 |
|
AMIS0565 |
5,348 |
56 |
Note: All concentrations and standard deviations are reported for fusion dissolution of the samples, as this was the assay technique used for the Sigma core samples.

Figure 11‑29: Standard Sample Analysis Results for the 2022-2023 Murial Batch with Standard AMIS0341
![]() |
| SGS Canada Inc. |
|
Technical Report – Grota do Cirilo Lithium Project – Araçuai and Itinga Regions, Minas Gerais, Brazil |

Figure 11‑30: Standard Sample Analysis Results for the 2022-2023 Murial Batch with Standard AMIS0342

Figure 11‑31: Standard Sample Analysis Results for the 2022-2023 Murial Batch with Standard AMIS0408
![]() |
| SGS Canada Inc. |
|
Technical Report – Grota do Cirilo Lithium Project – Araçuai and Itinga Regions, Minas Gerais, Brazil |

Figure 11‑32: Standard Sample Analysis Results for the 2022-2023 Murial Batch with Standard AMIS0565
|
11.6.5.2 |
Analytical Blanks |
A total of 329 analytical blanks were analysed during the 2022-2023 Murial exploration program. Of the 329 blanks, five were above the lower limit of detection of 0.002% Li2O and two were over two times the detection limit. Figure 11-33 shows blank sample results from the 2022-2023 exploration program.
![]() |
| SGS Canada Inc. |
|
Technical Report – Grota do Cirilo Lithium Project – Araçuai and Itinga Regions, Minas Gerais, Brazil |

Figure 11‑33: Blank Sample Analyses from the 2022-2023 Murial Campaign
|
11.6.5.3 |
Coarse Duplicates |
A total of 254 duplicate pairs were analyzed, with no samples falling outside the 20% difference line. Figure 11-34 is a scatterplot comparing original and duplicate core pairs. The average value for the original values is 1.02% Li2O and the average value for the duplicate values is 1.01% Li2O. The difference between original and duplicate averages is 0.1% Li2O. The correlation coefficient R2 of 0.99 suggests a strong correlation and a high similarity between the two sets of samples.
|
11.6.5.4 |
Pulp Duplicates |
A total of 254 duplicate pairs were analyzed, with no samples falling outside the 20% difference line. Figure 11-35 is a scatterplot comparing original and duplicate core pairs. The average value for the original values is 1.02% Li2O and the average value for the duplicate values is 1.01% Li2O. The difference between original and duplicate averages is 0.1% Li2O. The correlation coefficient R2 of 0.997 suggests a strong correlation and a high similarity between the two sets of samples.
![]() |
| SGS Canada Inc. |
|
Technical Report – Grota do Cirilo Lithium Project – Araçuai and Itinga Regions, Minas Gerais, Brazil |

Figure 11‑34: Correlation Between 2022-2023 Murial Original Samples and Coarse Duplicates

Figure 11‑35: Correlation Between 2022-2023 Murial Original Samples and Pulp Duplicates
![]() |
| SGS Canada Inc. |
|
Technical Report – Grota do Cirilo Lithium Project – Araçuai and Itinga Regions, Minas Gerais, Brazil |
|
11.6.5.5 |
Check Assays |
As additional QAQC, Sigma sent 414 samples from the 2022-2023 Murial drilling campaign to ALS Chemex for check sample analysis using the ALS Chemex protocol ME-ICP82b with sodium peroxide fusion.
The average lithium grade for the original samples was 0.58% Li2O and the duplicates averaged 0.59% Li2O. The correlation coefficient R2 of 0.997 suggests a strong correlation and a high similarity between the two sets of samples. Consequently, the control sample results are deemed acceptable, and the original data can be used in Mineral Resource estimation.
Figure 11-36 shows the correlation between the original SGS assays, and the ALS check assays.

Figure 11‑36: 2022-2023 Murial Check Assay Correlation Between SGS Originals and ALS Duplicates
|
11.6.6 |
2023 Sampling Campaign |
The 2023 sampling campaign encompasses the QAQC for the Lavra do Meio, Maxixe, Tamboril, Nezinho do Chicão and Elvira exploration programs.
|
11.6.6.1 |
Analytical Standards |
The 2023 campaign used three certified standards from African Mineral Standards (AMIS), an international supplier of certified reference materials (Table 11-8). The recommended lithium values for the AMIS standards used range between 0.16% and 1.60% Li. A total of 87 standards were inserted during the 2023 campaign. Figure 11-37 to Figure 11-39 show the standard results for AMIS standards submitted as part of the 2023 campaign.
![]() |
| SGS Canada Inc. |
|
Technical Report – Grota do Cirilo Lithium Project – Araçuai and Itinga Regions, Minas Gerais, Brazil |
Table 11‑8: Standard Average Li Values with Analytical Error
|
Analytical Standard |
Li (ppm) |
Analytical Error (2σ) |
|
AMIS0342 |
1,603 |
40 |
|
AMIS0408 |
16,000 |
24 |
|
AMIS0565 |
5,348 |
23 |
Note: All concentrations and standard deviations are reported for fusion dissolution of the samples, as this was the assay technique used for the Sigma core samples.

Figure 11‑37: Standard Sample Analysis Results for the 2023 l Batch with Standard AMIS0342
![]() |
| SGS Canada Inc. |
|
Technical Report – Grota do Cirilo Lithium Project – Araçuai and Itinga Regions, Minas Gerais, Brazil |

Figure 11‑38: Standard Sample Analysis Results for the 2023 Batch with Standard AMIS0408

Figure 11‑39: Standard Sample Analysis Results for the 2023 Batch with Standard AMIS0565
![]() |
| SGS Canada Inc. |
|
Technical Report – Grota do Cirilo Lithium Project – Araçuai and Itinga Regions, Minas Gerais, Brazil |
|
11.6.6.2 |
Analytical Blanks |
A total of 100 analytical blanks were analysed during the 2023 exploration program. Of the 100 blanks, five were above the lower limit of detection of 0.002% Li2O. Figure 11-40 shows blank sample results from the 2023 exploration program.

Figure 11‑40: Blank Sample Analyses from the 2023 Campaign
|
11.6.6.3 |
Coarse Duplicates |
A total of 57 duplicate pairs were analyzed, with no samples falling outside the 20% difference line. Figure 11-41 is a scatterplot comparing original and duplicate core pairs. The average value for the original values is 1.42% Li2O and the average value for the duplicate values is 1.44% Li2O. The difference between original and duplicate averages is 1.4% Li2O. The correlation coefficient R2 of 0.998 suggests a strong correlation and a high similarity between the two sets of samples.
|
11.6.6.4 |
Pulp Duplicates |
A total of 254 duplicate pairs were analyzed, with no samples falling outside the 20% difference line. Figure 11-42 is a scatterplot comparing original and duplicate core pairs. The average value for the original values is 1.43% Li2O and the average value for the duplicate values is 1.44% Li2O. The difference between original and duplicate averages is 0.7% Li2O. The correlation coefficient R2 of 0.998 suggests a strong correlation and a high similarity between the two sets of samples.
![]() |
| SGS Canada Inc. |
|
Technical Report – Grota do Cirilo Lithium Project – Araçuai and Itinga Regions, Minas Gerais, Brazil |

Figure 11‑41: Correlation Between 2023 Original Samples and Coarse Duplicates

Figure 11‑42: Correlation Between 2023 Original Samples and Pulp Duplicates
|
11.6.6.5 |
Check Assays |
As additional QAQC, Sigma sent 22 samples from the 2023 drilling campaign to ALS Chemex for check sample analysis using the ALS Chemex protocol ME-ICP82b with sodium peroxide fusion.
![]() |
| SGS Canada Inc. |
|
Technical Report – Grota do Cirilo Lithium Project – Araçuai and Itinga Regions, Minas Gerais, Brazil |
The average lithium grade for the original samples was 0.39% Li2O and the duplicates averaged 0.40% Li2O. The correlation coefficient R2 of 0.999 suggests a strong correlation and a high similarity between the two sets of samples. Consequently, the control sample results are deemed acceptable, and the original data can be used in Mineral Resource estimation.
Figure 11-43 shows the correlation between the original SGS assays, and the ALS check assays.

Figure 11‑43: 2023 Check Assay Correlation Between SGS Originals and ALS Duplicates
|
11.7 |
SAMPLE SECURITY |
Samples are placed in bags and numbered, with the sample tag inserted inside the bag. Sample collection and transportation have consistently been conducted by company personnel using company vehicles. Tracking of sample shipments follows industry-standard procedures. Chain-of-custody procedures involve completing sample submittal forms, which are sent to the laboratory along with the sample shipments to ensure proper documentation.
|
11.8 |
SAMPLE STORAGE |
The remaining drill core is stored at the Project site in metal racks in secure sheds.
|
11.9 |
QP COMMENTS |
SGS validated the exploration processes and core sampling procedures used by SMSA in 2017, 2018, 2021-2022 and 2023 as part of an independent verification program.
![]() |
| SGS Canada Inc. |
|
Technical Report – Grota do Cirilo Lithium Project – Araçuai and Itinga Regions, Minas Gerais, Brazil |
The QP concluded that the drill core handling, logging and sampling protocols are at conventional industry standard and conform to generally acceptable best practices. The chain of custody was followed by SMSA employees, and the sample security procedure showed no flaws.
The QP considers that the sample quality is good and that the samples are generally representative.
Finally, the QP is confident that the system is appropriate for the collection of data suitable for a Mineral Resource estimate.
The descriptions in this section are based on information supplied by Sigma and observations made during the independent verification programs conducted at the Project site by SGS during September 11–15, 2017, July 11–17, 2018, September 18-23, 2018, October 18-21, 2021, May 30 to June 01, 2022, from November 22-24, 2023 and from November 7-11, 2024.
The evaluation of the geological setting and mineralization on the Project is based on observations and sampling from surface (through geological mapping, grab and channel samples) and diamond drilling.
![]() |
| SGS Canada Inc. |
|
Technical Report – Grota do Cirilo Lithium Project – Araçuai and Itinga Regions, Minas Gerais, Brazil |
|
12. |
DATA VERIFICATION |
Visits to the Project were conducted by Marc-Antoine Laporte, P.Geo., M.Sc. on September 11–15, 2017, from July 11–17, 2018, from September 18-23, 2018, from October 18-21, 2021, from May 30 to June 1 2022, from November 22-24, 2023 and from November 7-11, 2024. The visits enabled the QP to become familiar with the exploration methods used by SMSA, the field conditions, the position of the drill hole collars, the core storage and logging facilities and the different exploration targets. During the 2017 site visit, the QP collected a total of 26 control samples from witness core stored on site from the 2014 Xuxa deposit drill program.
The data validation was conducted from three fronts:
|
● |
Validation of the drilling database |
|
● |
Validation of the QA/QC data (see section 11.6) |
|
● |
Control sampling program. |
|
12.1 |
DRILLING DATABASE |
The database for the Project was first transmitted to SGS by Sigma on September 15, 2017, and regularly updated by Sigma geologists. The database contains data for: collar locations; downhole surveys; lithologies and lithium assays.
Upon importation of the data into the modelling and mineral resources estimation software (Genesis©), SGS conducted a second phase of data validation. At this point all the major discrepancies were removed from the database.
Lastly, SGS conducted random checks on approximately 5% of the assay certificates, to validate the assay values entered in the database.
|
12.2 |
WITNESS SAMPLING |
During the 2017 site visit, the QP conducted a check sampling program, re-sampling a total of 26 core samples from the 2014 drill program to verify the presence of lithium mineralization on the Xuxa deposit. The samples were taken from previously sampled intervals and the half cores were cut to quarter cores. The samples were analysed at SGS Lakefield for lithium.
A total of nine mineralized intervals were sampled to compare the average grade for the two different laboratories (Table 12‑1). The average for the original samples is 1.61 % Li2O while the average for the control samples is 1.59 % Li2O (Table 12‑2). The average grade difference is 0.02% which makes a relative difference of 1.28% between the original and the control samples.
Table 12‑3, and Figure 12‑1 to Figure 12‑3 present the results of the control sample statistical analysis. The correlation plot yields a correlation coefficient R2 of 0.6527 and standard two-tailed paired t-test analysis returned no statistically significant bias (p-value = 0.8473 / α = 0.05). This gives no reasons to doubt the validity of the SGS Geosol assays results.
![]() |
| SGS Canada Inc. |
|
Technical Report – Grota do Cirilo Lithium Project – Araçuai and Itinga Regions, Minas Gerais, Brazil |
Table 12‑1: Witness Sample Mineralized Interval Comparison between SGS Geosol and SGS Lakefield
|
Drill Hole |
Sample Number |
From (m) |
To (m) |
Length (m) |
SGS Geosol Li2O% |
SGS Lakefield Li2O% |
Relative Difference (%) |
|
DH-XU-01 |
AT-2005 |
23.50 |
25.00 |
0 |
2.0903 |
1.8834 |
0.0990 |
|
DH-XU-01 |
AT-2010 |
30.90 |
32.00 |
1.5 |
1.9138 |
2.1155 |
-0.1054 |
|
DH-XU-01 |
AT-2017 |
39.70 |
41.00 |
1.1 |
0.8754 |
1.3435 |
-0.5347 |
|
DH-XU-02 |
AT-2024 |
81.00 |
82.40 |
1.3 |
2.4264 |
2.3500 |
0.0315 |
|
DH-XU-02 |
AT-2030 |
88.90 |
90.20 |
1.4 |
1.6600 |
1.6236 |
0.0219 |
|
DH-XU-02 |
AT-2035 |
95.60 |
96.60 |
1.3 |
3.0110 |
2.6661 |
0.1146 |
|
DH-XU-04 |
AT-2041 |
86.70 |
87.70 |
1 |
1.9414 |
1.3021 |
0.3293 |
|
DH-XU-04 |
AT-2045 |
91.00 |
91.90 |
1 |
2.3614 |
2.6376 |
-0.1170 |
|
DH-XU-04 |
AT-2049 |
94.40 |
95.50 |
0.9 |
0.7796 |
1.4412 |
-0.8487 |
|
DH-XU-05 |
AT-2057 |
37.60 |
38.60 |
1.1 |
2.0744 |
1.3400 |
0.3540 |
|
DH-XU-05 |
AT-2061 |
42.20 |
43.40 |
1 |
1.1932 |
1.7088 |
-0.4322 |
|
DH-XU-05 |
AT-2066 |
48.80 |
50.00 |
1.2 |
1.8583 |
1.5099 |
0.1875 |
|
DH-XU-06 |
AT-2074 |
54.80 |
56.00 |
1.2 |
0.6470 |
0.5346 |
0.1737 |
|
DH-XU-06 |
AT-2082 |
64.40 |
65.60 |
1.2 |
2.3767 |
1.1783 |
0.5042 |
|
DH-XU-06 |
AT-2087 |
70.70 |
71.90 |
1.2 |
1.0337 |
1.2453 |
-0.2047 |
|
DH-XU-07 |
AT-2099 |
24.40 |
25.60 |
1.2 |
1.3756 |
1.4929 |
-0.0853 |
|
DH-XU-07 |
AT-2101 |
26.70 |
27.70 |
1.2 |
0.2917 |
0.3189 |
-0.0930 |
|
DH-XU-08 |
AT-2109 |
68.30 |
69.30 |
1 |
2.0692 |
3.2551 |
-0.5731 |
|
DH-XU-08 |
AT-2113 |
72.00 |
73.00 |
1 |
3.7001 |
2.5190 |
0.3192 |
|
DH-XU-08 |
AT-2120 |
78.90 |
79.70 |
1 |
2.2454 |
2.1119 |
0.0594 |
|
DH-XU-09 |
AT-2131 |
23.80 |
24.80 |
0.8 |
1.1430 |
1.1463 |
-0.0028 |
|
DH-XU-09 |
AT-2137 |
29.50 |
30.20 |
1 |
2.6732 |
3.0125 |
-0.1269 |
|
DH-XU-09 |
AT-2140 |
31.80 |
32.60 |
0.7 |
0.3346 |
0.7576 |
-1.2645 |
|
DH-XU-10 |
AT-2149 |
35.40 |
36.10 |
0.8 |
0.1102 |
0.6433 |
-4.8359 |
|
DH-XU-10 |
AT-2150 |
36.10 |
36.90 |
0.7 |
1.3525 |
0.9833 |
0.2730 |
|
DH-XU-10 |
AT-2152 |
37.90 |
38.90 |
0.8 |
0.3912 |
0.2717 |
0.3054 |
![]() |
| SGS Canada Inc. |
|
Technical Report – Grota do Cirilo Lithium Project – Araçuai and Itinga Regions, Minas Gerais, Brazil |
Table 12‑2: Witness Sample Original vs Control Differences
|
Element |
Count |
Original > Control |
Original ≤ Control |
||
|
Count |
% |
Count | % | ||
|
Li2O (%) |
26 |
13 |
50 |
13 |
50 |
Table 12‑3: Witness Sample Original and Control Descriptive Statistics
|
Data Set |
Mean |
Minimum |
Maximum |
Standard Deviation |
|
SGS_Geosol |
1.613 |
0.110 |
3.700 |
0.910 |
|
SGS_Lakefield |
1.592 |
0.272 |
3.255 |
0.807 |

Figure 12‑1: Witness Sample Original vs Control Sample Differences
![]() |
| SGS Canada Inc. |
|
Technical Report – Grota do Cirilo Lithium Project – Araçuai and Itinga Regions, Minas Gerais, Brazil |

Figure 12‑2: Witness Sample Original vs Control Sample Differences Frequency Distribution

Figure 12‑3: Witness Sample Original vs Control Sample Differences Correlation Analysis
![]() |
| SGS Canada Inc. |
|
Technical Report – Grota do Cirilo Lithium Project – Araçuai and Itinga Regions, Minas Gerais, Brazil |
|
12.3 |
QP COMMENTS |
SMSA implemented an internal QA/QC protocol by regularly inserting reference materials (standards and blank) and core duplicates in the samples stream.
SGS completed a review of the sample preparation and analysis (including the QA/QC analytical protocol implemented by SMSA for the Grota do Cirilo property). The QP visited the Project in 2017, twice in 2018, once in 2021, 2022 and 2023 to review the sample preparation procedures and local infrastructure.
Following the data verification process and QA/QC review, the QP is of the opinion that the sample preparation, analysis, and QA/QC protocol used by Sigma for the Project follow generally accepted industry standards and that the Project data is of a sufficient quality.
![]() |
| SGS Canada Inc. |
|
Technical Report – Grota do Cirilo Lithium Project – Araçuai and Itinga Regions, Minas Gerais, Brazil |
|
13. |
MINERAL PROCESSING AND METALLURGICAL TESTING |
Preliminary metallurgical test work for the Xuxa deposit was undertaken in November 2017 by SGS Canada Inc. in Lakefield, Ontario, Canada on a high-grade sample. Mineral processing testing for the Xuxa feasibility study commenced in October 2018.
Preliminary metallurgical test work for the Phase 2 Barreiro deposit was first carried out in November 2020 by SGS Canada Inc. in Lakefield, Ontario, Canada on 4 variability samples and a master composite.
|
13.1 |
XUXA METALLURGICAL TEST WORK (2018-19) |
|
13.1.1 |
Stage 1 Testing |
Figure 13‑1 and Figure 13‑2 give an overview of the Xuxa Stage 1 test work flowsheet and sample preparation, respectively. Stage 1 test work was conducted on variability samples, and included feed characterisation, grindability, ore sorting, heavy liquid separation, bulk test work including reflux, further dense media separation and environmental testing.

Figure 13‑1: Overview of Typical Stage 1 Test work Flowsheet
![]() |
| SGS Canada Inc. |
|
Technical Report – Grota do Cirilo Lithium Project – Araçuai and Itinga Regions, Minas Gerais, Brazil |

Figure 13‑2: Sample Preparation Diagram for Stage 1 Variability Samples
Sample selection was undertaken by Primero, with Sigma reviewing the proposed material choices. The initial variability sample selection criteria were as follows:
|
1. |
High grade Li2O |
|
2. |
Low grade Li2O |
|
3. |
Later years – high grade |
|
4. |
Early years – average grade |
|
5. |
High Fe |
|
6. |
High schist. |
The six variability samples criteria aligned closely with the sample selection criteria outlined in the CIM Best Practice Guidelines (Sub-Committee on Best Practice Guidelines for Mineral Processing, 2011).
The samples for testing were selected by Primero under the supervision of Sigma from the 84 HQ drill cores obtained from the drilling program conducted between 2017 and 2018.
The selected drill core samples were sorted into:
|
● |
Six ore sorting samples |
|
● |
Six variability samples (for Stage 1 test work) |
|
● |
One waste rock sample for environmental test work. |
![]() |
| SGS Canada Inc. |
|
Technical Report – Grota do Cirilo Lithium Project – Araçuai and Itinga Regions, Minas Gerais, Brazil |
The remaining drill core samples were combined to create the composite sample for Stage 2 of the test work for the Xuxa deposit.
An additional 14 drill cores were delivered to SGS Canada then composited to produce six samples of relatively equal weights (~40 kg) for the unconfined compressive strength (UCS) and Bond low-energy impact test work.
A further 25 drums containing a total of 5,196 kg of trench samples were also delivered for pilot plant testing in Stage 3 of the test work for the Xuxa deposit. The fine fraction (-0.5mm) generated after preparation of the trench samples was submitted for solid-liquid separation test work at a Primero elected laboratory to reduce the delay in completion of this test work.
|
13.1.1.1 |
Characterization |
Table 13‑1 presents the head assays of each of the six variability (Var) samples.
Table 13‑1: Chemical Analysis and WRA Results

The lithium grade of the six variability samples were relatively close to expected grade. The average iron content was relatively low at ~0.50% Fe2O3 in Var 1 to 4. The iron content was higher in Var 5 and 6 as iron and schist were added to the samples. The average specific gravity was 2.72.
|
13.1.1.2 |
Grindability Test Work |
The following comminution tests were carried out on the variability samples:
|
● |
Bond abrasion test: used to determine the abrasiveness of a test sample for all liner designs. Results are provided in Table 13-2. |
|
● |
Bond ball mill grindability tests: semi-continuous (locked cycle) tests. The Bond ball mill work index is used to determine the power draw or energy consumption to ball mill a test sample. Results are provided in Table 13-2. The sample was characterized as medium hardness relative to the SGS database, with an average BBWi of 13.8 kWh/t. The BBWi measured for the six variability samples ranged from 12.2 to 14.9 kWh/t which demonstrates very little variability in the hardness of the ore from the composites tested. |
![]() |
| SGS Canada Inc. |
|
Technical Report – Grota do Cirilo Lithium Project – Araçuai and Itinga Regions, Minas Gerais, Brazil |
|
● |
Uniaxial Compression Test (UCS): used to determine the relative strength of material in a crushing environment. Results are provided in Table 13-3. Variability was observed in the average UCS of each the six samples, with values ranging from 50.1–74.4 MPa. The overall average UCS was 64.2 MPa which also showed very little variability in the competence of the composite samples |
Bond low-energy impact tests: a particle test in which rocks are subjected to increasingly higher energy levels until they fracture. Results are provided in Table 13-3. Variability was observed in the average crusher work indices (CWi) of each of the 6 samples, with values ranging from 9.8 kWh/t to 14.6 kWh/t. The sample characterizations ranged from medium to hard, with an overall average CWi of 11.8 kWh/t. The variability of the crusher work index needs to be considered when designing the crushers to ensure the hardness of the ore does not impact on the process.
Table 13‑2: Bond Abrasion and Ball Mill Work Index Test Work Summary
|
Sample |
Abrasion Index |
Bond Ball Mill Work Index (kWh/t) |
|
Var 1 |
0.440 |
14.4 |
|
Var 2 |
0.350 |
14.1 |
|
Var 3 |
0.458 |
14.9 |
|
Var 4 |
0.381 |
13.6 |
|
Var 5 |
0.379 |
12.2 |
|
Var 6 |
0.380 |
13.6 |
|
Average |
0.398 |
13.8 |
|
Min |
0.350 |
|
|
Max |
0.458 |
Table 13‑3: Average UCS and CWi
|
Sample |
Average UCS (MPa) |
Average CWi (kWh/t) |
|
Var 1 |
65.2 |
10.3 |
|
Var 2 |
57.8 |
10.8 |
|
Var 3 |
50.1 |
9.8 |
|
Var 4 |
74.4 |
14.6 |
|
Var 5 |
69.3 |
12.9 |
|
Var 6 |
68.6 |
12.6 |
|
Average |
64.2 |
11.8 |
![]() |
| SGS Canada Inc. |
|
Technical Report – Grota do Cirilo Lithium Project – Araçuai and Itinga Regions, Minas Gerais, Brazil |
|
13.1.1.3 |
Ore Sorting Test Work |
Ore sorting test work on the six samples was carried out by Steinert US at their facility in Kentucky, USA. The objective of this preliminary test work was to evaluate the viability of ore-sorting as a technique for waste rejection from the Xuxa ore, and to investigate the performance of different sensors.
Five samples were pegmatite samples consisting of little or no waste rock, while the sixth sample consisted of waste rock only. The ore sorter machine used for the test work was a Steinert KSS 100 520 FLI XT with four types of sensors: XRT (with 3-D laser), induction, laser (brightness), and colour. The products from the test work were returned to SGS Lakefield for Li and whole rock analysis (WRA).
The ore sorter calibration indicated that all four sensors could be applied to remove waste from the samples. Therefore, different sensors (and combinations of sensors) were tested on the five samples. A summary of the ore sorter test work results is presented in Table 13‑4.
Table 13‑4: Summary of Ore Sorter Test Work Results
|
Sample |
Product |
Sensor |
Weight |
Assays (%) |
Distribution (%) |
||
|
% |
Li2O |
Fe2O3 |
Li2O |
Fe2O3 |
|||
|
1 |
Product |
XRT |
92.4 |
1.43 |
0.63 |
88.0 |
70.6 |
|
Waste + Fines |
7.6 |
2.36 |
3.17 |
12.0 |
29.4 |
||
|
Feed Head (Calc.) |
100 |
1.50 |
0.82 |
100 |
100 |
||
|
2 |
Product |
Laser |
95.5 |
1.50 |
0.60 |
98.9 |
68.0 |
|
Waste + Fines |
4.5 |
0.34 |
5.94 |
1.1 |
32.0 |
||
|
Feed Head (Calc.) |
100 |
1.45 |
0.84 |
100 |
100 |
||
|
3 |
Product |
XRT / laser / induction |
93.9 |
1.62 |
0.66 |
98.9 |
57.0 |
|
Waste + Fines |
6.1 |
0.27 |
7.61 |
1.1 |
43.0 |
||
|
Feed Head (Calc.) |
100 |
1.53 |
1.09 |
100 |
100 |
||
|
4 |
Product |
Induction |
94.4 |
1.51 |
0.67 |
96.8 |
74.1 |
|
Waste + Fines |
5.6 |
0.84 |
3.95 |
3.2 |
25.9 |
||
|
Feed Head (Calc.) |
100 |
1.47 |
0.85 |
100 |
100 |
||
|
4 |
Product |
Induction |
97.5 |
1.50 |
0.70 |
99.2 |
80.2 |
|
Waste + Fines |
2.5 |
0.45 |
6.79 |
0.8 |
19.8 |
||
|
Feed Head (Calc.) |
100 |
1.47 |
0.85 |
100 |
100 |
||
|
5 |
Product |
XRT / laser / induction |
96.2 |
1.39 |
0.70 |
99.2 |
74.2 |
|
Waste + Fines |
3.8 |
0.28 |
6.26 |
0.8 |
25.8 |
||
|
Feed Head (Calc.) |
100 |
1.35 |
0.91 |
100 |
100 |
||
The relatively low mass and lithium distributions to waste and fines resulted in only marginal lithium upgrading. However, due to the high iron distributions to waste and fines, significant iron rejection was typically observed. The greatest change was in the test on sample 3 (from 1.09% Fe2O3 in the feed to 0.66% Fe2O3 in the product), using combination of XRT / laser / induction sensors. All three test results show very little mass rejection or lithium beneficiation therefore the inclusion of X-Ray sorting is not viable and was not be considered in the process plant design.
![]() |
| SGS Canada Inc. |
|
Technical Report – Grota do Cirilo Lithium Project – Araçuai and Itinga Regions, Minas Gerais, Brazil |
|
13.1.2 |
Heavy Liquid Separation |
Heavy liquid separation tests were conducted to assess the amenability of the sample to dense media separation (DMS) for spodumene beneficiation, and to determine the optimum crush size for DMS.
The six variability samples were sub-sampled and crushed to four size fractions namely 6.3 mm, 9.5 mm, 12.5 mm, and 15.9 mm to determine the optimal crushed ore size for the process. A summary of the key data from the HLS test results is presented in Table 13-5.
The Stage 1 HLS tests delivered promising results, with >6% Li2O concentrate generated in each of the 24 tests. Lithium recoveries in the interpolated 6.0% Li2O concentrate typically ranged from 40% to 70%, with the significant variation observed between variability samples and at different crush sizes.
Table 13‑5: Summary of HLS Test Results on Variability Samples
|
Mass Distribution (%) |
Media SG |
Li2O Grade (%) |
HLS Li Distribution (%) |
|||||||||||||||||
|
6% Li2O Conc (interpolated) |
Required for 6% Li2O Conc (interpolated) |
Head (Calc.) |
6% Li2O Conc (interpolated) |
SG 2.50 Floats |
||||||||||||||||
|
Crush Size (mm) |
15.9 |
12.5 |
9.5 |
6.3 |
15.9 |
12.5 |
9.5 |
6.3 |
15.9 |
12.5 |
9.5 |
6.3 |
15.9 |
12.5 |
9.5 |
6.3 |
15.9 |
12.5 |
9.5 |
6.3 |
|
Var 1 |
15.1 |
18.1 |
19.3 |
20.5 |
2.88 |
2.87 |
2.86 |
2.8 |
1.66 |
1.77 |
1.72 |
1.71 |
54 |
60.5 |
66.6 |
71.9 |
5.6 |
7.7 |
5 |
5.3 |
|
Var 2 |
6.8 |
8.7 |
5.5 |
8.2 |
2.88 |
2.86 |
2.98 |
2.83 |
1.01 |
1.03 |
0.92 |
1.02 |
39.9 |
49 |
35.4 |
48.2 |
15.4 |
15.2 |
15 |
17 |
|
Var 3 |
12.9 |
14.7 |
14.5 |
16.1 |
2.87 |
2.85 |
2.88 |
2.8 |
1.53 |
1.59 |
1.54 |
1.6 |
49.9 |
54.9 |
56.2 |
60.2 |
11.1 |
11.3 |
10.4 |
12.1 |
|
Var 4 |
12.1 |
11.6 |
15.9 |
17.9 |
2.9 |
2.91 |
2.9 |
2.8 |
1.51 |
1.45 |
1.55 |
1.5 |
48.1 |
48 |
61.4 |
71.5 |
5.4 |
5.2 |
4.6 |
4.8 |
|
Var 5 |
6.1 |
9.3 |
12.2 |
11.1 |
2.99 |
2.93 |
2.92 |
2.92 |
1.1 |
1.28 |
1.28 |
1.16 |
33.1 |
43.7 |
56.9 |
57.1 |
4.6 |
5.3 |
4.3 |
5.7 |
|
Var 6 |
6 |
8 |
7.5 |
9.7 |
2.96 |
2.92 |
2.95 |
2.88 |
1.13 |
1.06 |
1.03 |
1.07 |
31.6 |
45.6 |
44 |
53.2 |
13.4 |
13.8 |
14.4 |
14.8 |
Though the recovery of lithium in 6.0% Li2O lithium oxide concentrate was maximized at a crush size of 6.3 mm, 9.5 mm was selected as the optimum crush size to minimize fines generation.
|
13.1.3 |
Bulk Test Work |
The Stage 1 bulk beneficiation test work program was designed to simulate, as closely as possible, the expected plant flowsheet at laboratory scale. The beneficiation test work consisted primarily of REFLUX Classifier, DMS, and dry magnetic separation test work. Each of the coarse, fines and ultrafines fractions of a variability sample were separately processed to generate lithium oxide concentrate.
|
13.1.3.1 |
REFLUX™ Classifier Test Work Results |
In the absence of mineralogical data on each of the products, potassium (K2O) was an indicator for the main mica minerals (muscovite and biotite) expected to be present in the samples. The results of the test work appeared to be promising with K2O upgrading and Li2O downgrading observed in the overflow products generated from each of the RC feed samples. This indicates that mica was preferentially rejected to the overflow product.
![]() |
| SGS Canada Inc. |
|
Technical Report – Grota do Cirilo Lithium Project – Araçuai and Itinga Regions, Minas Gerais, Brazil |
On average, 8.8% of the K2O and 2.3% of the lithium reported to the fines overflow while 5.3% of the K2O and 1.4% of the lithium reported to the ultrafines overflow. The Reflux classifier is deemed to be a viable process route for the rejection of mica if required during processing of the ore.
|
13.1.3.2 |
Coarse Dense Media Separation Test Work |
An SG of 2.65 was selected as the cut-point for the bulk DMS first pass tests to maximize silicate gangue rejection to the DMS tailings, while minimizing lithium losses. DMS second-pass SG cut-points were recalculated to target a concentrate grade of 6.20% Li2O. These revised DMS second-pass cut-points for Var 1 –Var 4 are presented in Table 13‑6.
Table 13‑6: Coarse Fraction DMS results
|
Sample |
Target Coarse DMS second pass SG Cut-Point |
Lithium recovery to second pass sinks (%) |
Lithium grade in second pass sinks (%) |
Lithium recovery to non-mags (%) |
Lithium grade in non-mags (%) |
|
Var 1 |
2.88 |
65.7 |
6.11 |
||
|
Var 2 |
2.90 |
43.4 |
6.26 |
||
|
Var 3 |
2.90 |
52.2 |
6.52 |
||
|
Var 4 |
2.92 |
52.2 |
5.88 |
||
|
Var 5 |
2.85 |
60.9 |
4.54 |
57.6 |
5.64 |
|
Var 6 |
2.90 |
46.6 |
5.53 |
46.0 |
6.01 |
The test conducted on variability sample 5 and 6 were not able to meet the target product grade, suggesting poor liberation of the lithium bearing minerals being observed for these samples.
The lithium grades in the DMS tailings were relatively high, averaging 0.48% Li2O across the six variability samples (Table 13-7). This could possibly be due to the presence of significant amounts of petalite in the variability samples.
Table 13‑7: DMS Tailings Grades
|
SAMPLE |
DMS TAILINGS GRADE, % LI2O |
|
Var 1 |
0.47 |
|
Var 2 |
0.46 |
|
Var 3 |
0.65 |
|
Var 4 |
0.40 |
|
Var 5 |
0.52 |
|
Var 6 |
0.63 |
![]() |
| SGS Canada Inc. |
|
Technical Report – Grota do Cirilo Lithium Project – Araçuai and Itinga Regions, Minas Gerais, Brazil |
|
13.1.3.3 |
Coarse DMS Recrushing, Screening, and HLS Test work |
The coarse DMS middlings of each variability sample were crushed to -3.3 mm and screened at 0.5 mm to produce -3.3 mm / +0.5 mm HLS feed samples. Due to lack of sample size HLS was used instead of DMS. These samples were submitted for two pass HLS tests, with passes at the same media SGs as those used in the coarse DMS tests on each variability sample. As on-spec concentrate was not generated from the coarse DMS of Var 4 and Var 5, an additional HLS pass was added at a slightly higher SG for these two samples.
Lithium oxide concentrate grading >6% Li2O was generated from the HLS tests on the coarse re-crushed middlings of each of the variability samples apart from Var 6 (which graded 5.64% Li2O). For Var 5, the SG 2.90 HLS sinks product graded >6% Li2O, an increase over the SG cut-point of 2.85 used in the Var 5 coarse DMS test. Averaged over the six variability samples, the additional lithium recovery to the -3.3 mm middlings HLS concentrate was 13.6%.
Figure 13-3 illustrates the effect of combining the -3.3 mm middlings HLS concentrate with the coarse DMS concentrate on the overall combined concentrate Li2O grade for each variability sample. In general, due to the lower mass yield to the HLS concentrates compared to the corresponding DMS concentrates, the combined DMS and HLS concentrate Li2O grades are very similar to those of the coarse DMS concentrates. The re-crushing of the DMS middlings and returning to the DMS feed is not a viable option for the Xuxa deposit as very little additional DMS product was produced.

Figure 13‑3: Effect of Combining Coarse DMS and -3.3 mm Middlings HLS Concentrates
|
13.1.3.4 |
Fines Fraction DMS Test Work |
DMS first pass SG cut-point (SG 2.65) was used for the fines fractions of each variability sample.
![]() |
| SGS Canada Inc. |
|
Technical Report – Grota do Cirilo Lithium Project – Araçuai and Itinga Regions, Minas Gerais, Brazil |
The DMS second pass cut-points selected for the fines fraction DMS test work are presented in Table 13‑8.
Table 13‑8: Fines Fraction DMS 2nd Pass SG Cut-Points
|
Sample |
Target Coarse DMS second pass SG Cut-Point |
Lithium recovery to second pass sinks (%) |
Lithium grade in second pass sinks (%) |
Lithium recovery to non-mags (%) |
Lithium grade in non-mags (%) |
|
Var 1 |
2.86 |
72.8 |
5.94 |
||
|
Var 2 |
2.88 |
53.5 |
6.09 |
||
|
Var 3 |
2.88 |
65.6 |
6.01 |
||
|
Var 4 |
2.90 |
75.1 |
5.98 |
||
|
Var 5 |
2.88 |
72.4 |
4.08 |
69.3 |
6.01 |
|
Var 6 |
2.88 |
62.8 |
4.87 |
60.4 |
6.11 |
|
13.1.3.5 |
Ultrafines Fraction DMS Test Work |
SG cut-points used for the coarse fraction DMS second pass were also used for the single-pass ultrafines DMS test work on the corresponding variability samples. Results are presented in Table 13‑8.
Table 13‑9: Ultra-fine Fraction DMS Results
|
Sample |
Target Ultrafines DMS first pass SG Cut-Point |
Lithium recovery to first pass sinks (%) |
Lithium grade in first pass sinks (%) |
Lithium recovery to non-mags (%) |
Lithium grade in non-mags (%) |
|
Var 1 |
2.88 |
69.4 |
6.74 |
67.3 |
6.52 |
|
Var 2 |
2.90 |
42.1 |
5.81 |
39.0 |
5.98 |
|
Var 3 |
2.90 |
51.7 |
6.65 |
48.4 |
6.48 |
|
Var 4 |
2.92 |
60.3 |
6.80 |
58.2 |
6.65 |
|
Var 5 |
2.90 |
59.1 |
6.24 |
52.8 |
6.61 |
|
Var 6 |
2.90 |
53.5 |
6.18 |
50.0 |
6.07 |
|
13.1.4 |
Overall Flowsheet Test Work |
The trend in lithium grades in the different size fractions was identical for all six variability samples. Lithium was upgraded in the coarse fraction, with the lithium grade declining in each finer size fraction. The lithium grade in the fines fraction was observed to be close to variability sample head grade, and lithium downgrading was observed in the ultrafines and fines fractions.
As a result of the mass distributions and the lithium head grades of each fraction, the greatest proportion of lithium reported to the coarse fraction, followed closely by the fines fraction, and then the ultrafines and hypofines fractions.
![]() |
| SGS Canada Inc. |
|
Technical Report – Grota do Cirilo Lithium Project – Araçuai and Itinga Regions, Minas Gerais, Brazil |
On-spec or near-spec combined lithium oxide concentrate was successfully generated from the bulk processing of each of the variability samples. Apart from Var 3 and Var 5, the combined concentrate from each variability sample graded between 6.00% and 6.16% Li2O, indicating that lithium recovery to the concentrate was optimized based on the flowsheet tested.
The iron contents of the Var 1–Var 4 combined lithium oxide concentrates were each below the 1% Fe2O3 target. Only in Var 4 was this target achieved without any dry magnetic separation of the DMS concentrates. For Var 1 and Var 3, dry magnetic separation was required for the ultrafines DMS concentrate, while dry magnetic separation of the fines and ultrafines DMS concentrates was required for Var 2.
Dry magnetic separation of the coarse, fines, and ultrafines DMS concentrates were required for the two high-waste variability samples (Var 5 and Var 6). The combined concentrates generated grades slightly more than 1% Fe2O3, at 1.10% Fe2O3 for Var 5 and 1.06% Fe2O3 for Var 6. It is expected that the required slight decrease in iron content of these samples may be achieved by further optimization of the parameters used in the dry magnetic separation test work.
The combined middlings grades were relatively high for Var 1–Var 4, ranging from 0.91% Li2O to 1.23% Li2O. The combined middlings grades for Var 5 and Var 6 were ~0.55% Li2O. The average lithium distribution across the six variability samples for the combined middlings was 5.7%.
The mass yields and lithium losses to the mica overflow (combined REFLUX™ classifier overflow) and magnetic concentrate products were relatively low for each variability sample. The mass yield to the mica overflow averaged 1.6%, with an average lithium distribution of 0.8%. The median mass to the combined magnetic concentrate was 0.5%, with a median lithium distribution of 1.1%. The main outlier was the Var 5 (high Fe) magnetic concentrate, which accounted for 4.1% of the feed mass and 3% of the feed lithium.
The mass yield to the hypofines fractions ranged from 14.0% for Var 1 to 23.3% for Var 5, with an average of 17.3%. Lithium distribution to the hypofines fraction ranged from 11.4% for Var 1 to 16.0% for Var 5, with an average of 13.9%. The lithium grades of the hypofines fractions were slightly lower than the head grades of the corresponding variability sample.
|
13.1.5 |
Geochemical (Environmental) Testing |
In addition to the geochemical test work conducted at SGS Geosol on 20 samples as detailed in Section 20.1.4, the metallurgical test work program at SGS Lakefield included geochemical testing on a sample which was a blend of waste rock and DMS tailings, in a ratio of 10:1. Environmental tests were conducted on three samples: waste rock; DMS tailing identified as “ENV Test Tailings”; and a waste rock/DMS tailing composite identified as “Untested/DMS Tls Blend”. The purpose of the environmental program was to assess the acid rock drainage (ARD), contaminant release, and geotechnical characteristics associated with the samples tested.
Geochemical test results for the DMS tailing and humidity cell testing of the waste rock/tailing composite are available.
Semi-quantitative XRD analyses determined that the waste rock was predominantly composed of silicates with minor to trace amounts of iron-sulphide and iron-oxide minerals. Moderate contributions of aluminium, iron, calcium, magnesium, potassium, and sodium were also identified by elemental analysis.
![]() |
| SGS Canada Inc. |
|
Technical Report – Grota do Cirilo Lithium Project – Araçuai and Itinga Regions, Minas Gerais, Brazil |
Ontario Schedule 4 limits were used in analysing the results of the waste rock toxicity characteristic leaching procedure (TCLP) leachate. All the typically controlled parameters were well within the limits specified for this test procedure. Since the TCLP is a highly aggressive extraction procedure, the limits applicable to this test procedure are much higher than those used for synthetic precipitation leaching procedure (SPLP) or shake flask extraction (SFE) leachates. Results of the waste rock SPLP and SFE leachate analyses reported all parameters at concentrations well within the World Bank guidelines.
For the sample tested at SGS Lakefield, modified acid–base accounting (ABA) of the waste rock and the waste rock/tailings composite suggested that these samples are unlikely to generate acidity due to sulphide oxidation. However, as stated in Section 20.1.4, the results of the ABA tests on the other waste rock samples are reported as either non-acid-generating or in the uncertain range.
Analysis of the waste rock/tailings composite humidity cell leachates reported all World Bank (WB) controlled parameters well within the specified guidelines. Testing stopped after 20 weeks of leaching. The depletion rates calculated for this test cell indicated that, if the current depletion rates continue, the waste rock/tailings composite may be expected to retain fast reacting carbonate neutralization potential available upon exhaustion of the samples sulphide content. The test results for that sample indicated no expected acid generation.
Results of the particle size distribution analysis indicated that the DMS tailing sample was comprised entirely of coarse-grained particles (gravel and sand size). While the waste rock was also comprised predominantly of coarse particle sizes, this sample also reported a significant silt size fraction.
|
13.1.6 |
Stage 2 (Composite Sample) |
The remaining drill core sample after variability sample tests was grouped to form a “composite sample”. This sample contained a significant proportion of material classified as “later year” samples. The composite sample was subjected to feed characterisation, abrasion, and beneficiation test work.
The fines and ultrafines fractions were passed through the Reflux classifier prior to DMS. Dry magnetic separation was undertaken on the fines and ultrafines DMS concentrates. The combined lithium oxide concentrate graded 6.16% Li2O and 0.85% Fe2O3 with 46.2% lithium recovery. The combined results do not consider the processing of re-crushed DMS middlings.
|
13.1.7 |
Stage 3 (Pilot Plant Sample) |
The samples for Stage 3 pilot plant, with calculated head grade of 1.64% Li2O, were trench samples from the north pit. These samples had an average head grade of 1.42% Li2O. The samples were subjected to feed characterisation, beneficiation, solid-liquid separation, optical sorting and iron removal test work.
The DMS test results indicate the production of a concentrate (at SG 2.80) grading 6.32% Li2O and 0.71% Fe2O3 with 71.9% lithium recovery in 19.9% of the feed mass.
The bulk pilot plant samples results indicated that a concentrate grade of 6.41% Li2O with 73.1% lithium recovery, iron content was 0.69% Fe2O3 could be achieved without the need for any dry magnetic separation.
The combined tailings grade was relatively low at 0.25% Li2O, and 7.5% of the total lithium reported to this product. Some of this lithium may be in the form of petalite.
![]() |
| SGS Canada Inc. |
|
Technical Report – Grota do Cirilo Lithium Project – Araçuai and Itinga Regions, Minas Gerais, Brazil |
|
13.2 |
XUXA METALLURGICAL TEST WORK (2020-2021) |
|
13.2.1 |
Sample Selection and Test Work Objectives |
During the 2018 sample selection for the metallurgical test work, samples of pegmatite from outside the Xuxa resource model were incorporated into variability samples Var 2, Var 3, and Var 6. This created a bias by adding a higher concentration of petalite into the samples compared to the average abundance in the main Xuxa pegmatite (Figure 13-4). To be more representative of the deposit, a new sample selection based on mineralogy, average Li2O grade and spatial distribution was completed by SGS in 2021, followed by a new metallurgical drilling program to select representative samples. SMSA completed nine (9) metallurgical drill holes, recovering 500 kg of material for the new test work. SGS Lakefield used the same parameters as they had for the 2018 metallurgical test work.

Figure 13‑4: Xuxa Main Pegmatite and Second Pegmatite Sampled in 2018
Along with the sample selection, a statistical analysis of the petalite and spodumene distribution was completed throughout the deposit. Results were used to control the sample selection variable tolerance level of the main lithium barring minerals. The analysis was based on detailed mineralogical logging by SMSA’s mineralogist along with XRD analysis from the metallurgical samples.
![]() |
| SGS Canada Inc. |
|
Technical Report – Grota do Cirilo Lithium Project – Araçuai and Itinga Regions, Minas Gerais, Brazil |
Results show an average petalite distribution of 1.6% throughout the deposit (with 4.5% standard deviation) and 15.8% distribution for spodumene (with 7.8% standard deviation). SGS applied the same interpolation parameters used for the resource estimation and the block model distribution for petalite is shown in Figure 13-5 and spodumene in Figure 13-6. The overall exercise confirmed the geological observation and interpretation and is consistent with the test results.

Figure 13‑5: Petalite Distribution (%) in Xuxa Block Model (Plan View Looking North)

Figure 13 6: Spodumene Distribution (%) in Xuxa Block Model (Plan View Looking North)Sample
![]() |
| SGS Canada Inc. |
|
Technical Report – Grota do Cirilo Lithium Project – Araçuai and Itinga Regions, Minas Gerais, Brazil |
|
13.2.2 |
Preparation and Characterization |
Chemical analyses of the three variability samples are shown in Table 13-10 (calculated head grades based on pegmatite and schist components). The head grades of the variability samples ranged from 1.27% Li2O for Variability sample 6 (Var 6) to 1.74% Li2O in the Var 3 sample. Var 2 and Var 3 contained 3% dilution (schist) while Var 6 contained 10% dilution. Var 6 had elevated concentrations of iron (0.94% Fe2O3) and potassium (3.40% K2O) relative to Var 2 and Var 3.
Table 13‑10: Variability sample assays
|
ELEMENT / OXIDE |
SAMPLE |
||
|
Var 2 |
Var 3 |
Var 6 | |
| Composition, % | |||
|
Li Li2O Si2O Al2O3 Fe2O3 MgO CaO Na2O K2O P2O5 |
0.77 1.66 73.5 16.4 0.57 0.13 0.20 3.39 2.69 0.35 |
0.81 1.74 73.0 16.4 0.56 0.13 0.32 3.62 2.44 0.47 |
0.59 1.27 72.5 15.9 0.94 0.30 0.39 3.44 3.40 0.40 |
Table 13‑11 shows the semi-quantitative mineralogy based on X-Ray Diffraction (XRD) results for the variability samples. Spodumene content ranged from 13.4% to 17.7%. Muscovite content ranged from 6.0% to 6.5%. Lithium bearing minerals included spodumene, cookeite, and petalite.
Table 13‑11: Semi-quantitative XRD analysis of the variability samples
|
ELEMENT / OXIDE |
SAMPLE |
||
|
Var 2 |
Var 3 |
Var 6 | |
| Composition, % | |||
|
Albite Quartz Spodumene Microcline Muscovite Cookeite Petalite Biotite |
28.0 29.9 17.7 12.2 6.5 3.5 0.5 0.4 |
28.2 28.2 16.1 9.8 6.1 2.0 6.4 0.3 |
28.5 29.1 13.4 15.5 6.0 1.9 0.7 1.4 |
![]() |
| SGS Canada Inc. |
|
Technical Report – Grota do Cirilo Lithium Project – Araçuai and Itinga Regions, Minas Gerais, Brazil |
|
13.2.3 |
Heavy Liquid Separation |
HLS tests were performed on each variability sample at a crush size of -9.5 mm. Interpolated lithium recoveries at 6% Li2O concentrate grade are presented in Table 13‑12. Interpolated lithium stage recoveries ranged from 63.3% to 79.8%. Global recoveries include lithium losses to the hypofines (-0.5 mm) fraction and ranged from 49.9% to 66.1%.
Table 13‑12: HLS Interpolated stage and global lithium recoveries (6% Li2O concentrate) for each variability sample
|
Recovery |
Interpolated Lithium Recovery, % |
||
|
Var 2 |
Var 3 |
Var 6 | |
|
Stage |
79.8 |
63.3 |
75.2 |
|
Global |
66.1 |
49.9 |
64.6 |
Size-by-size analysis was undertaken for each variability HLS test. The size fractions were coarse (-9.5 mm / +6.4 mm), fines (-6.4 mm / +1.7 mm), and ultrafines (-1.7 mm / +0.5 mm). Detailed size-by-size HLS mass balances are shown in Table 13‑13 to Table 13‑15.
Lithium recovery was generally seen to increase in the finer size fractions, which is likely due to a higher degree of spodumene liberation. HLS tests produced >6% Li2O lithium oxide concentrate. Combined lithium oxide concentrate iron content ranged from 1.21% to 1.63% Fe2O3 (interpolated values for 6% Li2O concentrate). Magnetic separation was only performed on the Var 6 HLS products. Magnetic separation decreased iron content of the concentrate from 1.63% to 0.83% Fe2O3 (interpolated values for 6% Li2O concentrate) (Table 13-16).
![]() |
| SGS Canada Inc. |
|
Technical Report – Grota do Cirilo Lithium Project – Araçuai and Itinga Regions, Minas Gerais, Brazil |
Table 13‑13: Variability Sample 2 Global HLS Results
|
Combined HLS Products |
HL SG |
Weight |
Assays (%) |
Distribution (%) |
||||||||||||||||||
|
g/cm3 |
g |
% |
Li |
Li2O |
SiO2 |
Al2O3 |
Fe2O3 |
MgO |
CaO |
Na2O |
K2O |
P2O5 |
Li |
SiO2 |
Al2O3 |
Fe2O3 |
MgO |
CaO |
Na2O |
K2O |
P2O5 |
|
|
Lithium oxide Conc. |
2.85 |
1349 |
13.5 |
3.07 |
6.60 |
64.0 |
25.0 |
1.24 |
0.12 |
0.19 |
0.43 |
0.32 |
0.73 |
63.6 |
11.7 |
21.5 |
24.9 |
12.3 |
11.5 |
1.7 |
1.6 |
23.5 |
|
Lithium oxide Conc. (int.*) |
2.81 |
1546 |
15.5 |
2.79 |
6.00 |
63.6 |
24.8 |
1.34 |
0.18 |
0.22 |
0.56 |
0.82 |
0.70 |
66.1 |
13.4 |
24.5 |
30.8 |
21.5 |
15.5 |
2.5 |
4.7 |
25.7 |
|
Lithium oxide Conc. |
2.80 |
1569 |
15.7 |
2.75 |
5.93 |
63.6 |
24.8 |
1.35 |
0.18 |
0.22 |
0.58 |
0.88 |
0.70 |
66.4 |
13.6 |
24.9 |
31.5 |
22.5 |
16.0 |
2.6 |
5.1 |
26.0 |
|
Middlings |
-2.85 +2.65 |
1547 |
15.5 |
0.39 |
0.85 |
70.2 |
17.9 |
1.42 |
0.37 |
0.42 |
2.25 |
3.26 |
0.41 |
9.3 |
14.7 |
17.7 |
32.8 |
45.6 |
29.6 |
10.0 |
18.7 |
15.0 |
|
Middlings (int.) |
-2.84 +2.65 |
1350 |
13.5 |
0.33 |
0.71 |
71.5 |
17.1 |
1.34 |
0.34 |
0.41 |
2.36 |
3.11 |
0.40 |
6.8 |
13.1 |
14.8 |
26.9 |
36.5 |
25.5 |
9.2 |
15.5 |
12.8 |
|
Tailings 1 |
-2.65+2.50 |
4835 |
48.5 |
0.07 |
0.14 |
78.0 |
12.5 |
0.26 |
0.03 |
0.13 |
4.62 |
3.27 |
0.28 |
5.0 |
51.2 |
38.6 |
18.6 |
10.3 |
29.6 |
64.5 |
58.5 |
32.1 |
|
Tailings 2 |
-2.50 |
254 |
2.6 |
1.29 |
2.77 |
72.9 |
17.1 |
0.34 |
0.11 |
0.10 |
1.64 |
2.90 |
0.18 |
5.0 |
2.5 |
2.8 |
1.3 |
2.1 |
1.2 |
1.2 |
2.7 |
1.1 |
|
Hypofines (-0.5 mm) |
1984 |
19.9 |
0.56 |
1.21 |
73.5 |
15.3 |
0.76 |
0.19 |
0.31 |
3.94 |
2.53 |
0.60 |
17.1 |
19.8 |
19.4 |
22.4 |
29.7 |
28.2 |
22.6 |
18.6 |
28.3 |
|
|
Head (calc.) |
9969 |
100.0 |
0.64 |
1.37 |
73.9 |
15.7 |
0.68 |
0.13 |
0.22 |
3.52 |
2.71 |
0.43 |
100 |
100 |
100 |
100 |
100 |
100 |
100 |
100 |
100 |
|
*int = Interpolated based on production of 6% Li2O concentrate
Table 13‑14: Variability Sample 3 Global HLS Results
|
Combined HLS Products |
HL SG |
Weight |
Assays (%) |
Distribution (%) |
||||||||||||||||||
|
g/cm3 |
g |
% |
Li |
Li2O |
SiO2 |
Al2O3 |
Fe2O3 |
MgO |
CaO |
Na2O |
K2O |
P2O5 |
Li |
SiO2 |
Al2O3 |
Fe2O3 |
MgO |
CaO |
Na2O |
K2O |
P2O5 |
|
|
Lithium oxide Conc. |
2.85 |
1286 |
12.9 |
2.84 |
6.12 |
65.3 |
23.7 |
1.20 |
0.11 |
0.46 |
0.52 |
0.39 |
0.87 |
48.9 |
11.6 |
18.6 |
22.3 |
11.5 |
18.3 |
1.8 |
2.0 |
20.9 |
|
Lithium oxide Conc. (int.*) |
2.84 |
1343 |
13.5 |
2.79 |
6.00 |
65.5 |
23.5 |
1.21 |
0.12 |
0.48 |
0.56 |
0.43 |
0.85 |
49.9 |
12.2 |
19.2 |
23.6 |
13.3 |
19.9 |
2.1 |
2.4 |
21.3 |
|
Lithium oxide Conc. |
2.80 |
1533 |
15.3 |
2.60 |
5.6 |
66.3 |
22.8 |
1.2 |
0.2 |
0.5 |
0.7 |
0.6 |
0.8 |
53.4 |
14.0 |
21.4 |
27.6 |
19.4 |
25.1 |
2.9 |
3.4 |
22.7 |
|
Middlings |
-2.85 +2.65 |
1536 |
15.4 |
0.56 |
1.20 |
71.1 |
17.2 |
1.36 |
0.33 |
0.68 |
2.34 |
2.72 |
0.50 |
11.5 |
15.1 |
16.2 |
30.3 |
41.7 |
32.0 |
9.9 |
16.9 |
14.3 |
|
Middlings (int.) |
-2.84 +2.65 |
1478 |
14.8 |
0.53 |
1.14 |
71.1 |
17.2 |
1.36 |
0.32 |
0.67 |
2.37 |
2.78 |
0.50 |
10.4 |
14.5 |
15.5 |
29.0 |
39.8 |
30.4 |
9.6 |
16.6 |
13.9 |
|
Tailings 1 |
-2.65+2.50 |
4238 |
42.4 |
0.13 |
0.27 |
75.2 |
14.0 |
0.29 |
0.02 |
0.15 |
5.24 |
3.20 |
0.37 |
7.2 |
44.0 |
36.2 |
17.6 |
6.4 |
19.5 |
60.9 |
54.7 |
29.5 |
|
Tailings 2 |
-2.50 |
565 |
5.7 |
1.49 |
3.22 |
74.5 |
16.9 |
0.42 |
0.07 |
0.11 |
0.89 |
1.75 |
0.18 |
11.3 |
5.8 |
5.8 |
3.5 |
3.2 |
1.9 |
1.4 |
4.0 |
1.9 |
|
Hypofines (-0.5 mm) |
2360 |
23.6 |
0.67 |
1.44 |
72.3 |
16.1 |
0.77 |
0.19 |
0.39 |
4.02 |
2.35 |
0.76 |
21.2 |
23.5 |
23.2 |
26.3 |
37.2 |
28.3 |
26.0 |
22.4 |
33.4 |
|
|
Feed (Calc.) |
9985 |
100 |
0.75 |
1.61 |
72.6 |
16.4 |
0.69 |
0.12 |
0.33 |
3.65 |
2.48 |
0.54 |
100 |
100 |
100 |
100 |
100 |
100 |
100 |
100 |
100 |
|
*int = Interpolated based on production of 6% Li2O concentrate
![]() |
| SGS Canada Inc. |
|
Technical Report – Grota do Cirilo Lithium Project – Araçuai and Itinga Regions, Minas Gerais, Brazil |
Table 13‑15: Variability Sample 6 Global HLS Results
|
Combined HLS Products |
HL SG |
Weight |
Assays (%) |
Distribution (%) |
||||||||||||||||||
|
g/cm3 |
g |
% |
Li |
Li2O |
SiO2 |
Al2O3 |
Fe2O3 |
MgO |
CaO |
Na2O |
K2O |
P2O5 |
Li |
SiO2 |
Al2O3 |
Fe2O3 |
MgO |
CaO |
Na2O |
K2O |
P2O5 |
|
|
Lithium oxide Conc. |
2.90 |
1209 |
12.1 |
2.95 |
6.35 |
64.2 |
24.9 |
1.49 |
0.29 |
0.36 |
0.44 |
0.27 |
0.37 |
61.5 |
10.7 |
18.9 |
17.7 |
12.8 |
11.7 |
1.6 |
0.9 |
11.1 |
|
Lithium oxide Conc. (int.*) |
2.86 |
1345 |
13.5 |
2.79 |
6.00 |
64.4 |
24.3 |
1.63 |
0.36 |
0.45 |
0.54 |
0.42 |
0.39 |
64.6 |
11.9 |
20.6 |
21.6 |
17.9 |
16.3 |
2.1 |
1.7 |
13.0 |
|
Lithium oxide Conc. |
2.85 |
1369 |
13.7 |
2.76 |
5.94 |
64.4 |
24.2 |
1.66 |
0.37 |
0.47 |
0.55 |
0.45 |
0.39 |
65.1 |
12.2 |
20.9 |
22.3 |
18.7 |
17.1 |
2.2 |
1.8 |
13.4 |
|
Middlings |
-2.90 +2.65 |
1901 |
19.1 |
0.45 |
0.98 |
70.6 |
16.4 |
2.40 |
0.74 |
0.91 |
2.33 |
2.84 |
0.42 |
14.8 |
18.5 |
19.6 |
44.9 |
51.8 |
46.0 |
12.9 |
15.9 |
19.8 |
|
Middlings (int.) |
-2.86+2.65 |
1764 |
17.7 |
0.39 |
0.83 |
71.0 |
16.2 |
2.36 |
0.72 |
0.88 |
2.41 |
2.92 |
0.41 |
11.7 |
17.3 |
17.9 |
40.9 |
46.7 |
41.4 |
12.4 |
15.2 |
17.9 |
|
Tailings 1 |
-2.65+2.50 |
4995 |
50.1 |
0.09 |
0.20 |
76.0 |
13.6 |
0.23 |
0.03 |
0.15 |
4.52 |
4.29 |
0.35 |
7.9 |
52.4 |
42.9 |
11.4 |
4.8 |
20.0 |
65.6 |
63.2 |
43.4 |
|
Tailings 2 |
-2.50 |
128 |
1.3 |
0.75 |
1.62 |
68.8 |
17.6 |
0.43 |
0.11 |
0.13 |
1.70 |
7.12 |
0.40 |
1.7 |
1.2 |
1.4 |
0.5 |
0.5 |
0.5 |
0.6 |
2.7 |
1.3 |
|
Hypofines (-0.5 mm) |
- |
1745 |
17.5 |
0.47 |
1.01 |
71.5 |
15.7 |
1.49 |
0.47 |
0.47 |
3.81 |
3.34 |
0.56 |
14.1 |
17.2 |
17.2 |
25.6 |
30.1 |
21.8 |
19.3 |
17.2 |
24.4 |
|
Feed (Calc.) |
9977 |
100 |
0.58 |
1.25 |
72.7 |
15.9 |
1.02 |
0.27 |
0.38 |
3.45 |
3.40 |
0.40 |
100 |
100 |
100 |
100 |
100 |
100 |
100 |
100 |
100 |
|
*int = Interpolated based on production of 6% Li2O concentrate
Table 13‑16: Variability Sample 6 Global HLS Results with magnetic separation
|
Combined HLS Products |
HL SG |
Weight |
Assays (%) |
Distribution (%) |
||||||||||||||||||
|
g/cm3 |
g |
% |
Li |
Li2O |
SiO2 |
Al2O3 |
Fe2O3 |
MgO |
CaO |
Na2O |
K2O |
P2O5 |
Li |
SiO2 |
Al2O3 |
Fe2O3 |
MgO |
CaO |
Na2O |
K2O |
P2O5 |
|
|
Lithium oxide Conc. |
2.80 |
1323 |
13.3 |
2.88 |
6.20 |
66.6 |
24.4 |
0.74 |
0.03 |
0.10 |
0.02 |
0.46 |
0.16 |
65.6 |
12.2 |
20.3 |
9.6 |
1.3 |
3.4 |
0.1 |
1.8 |
5.1 |
|
Lithium oxide Conc. (int.*) |
2.79 |
1403 |
14.1 |
2.79 |
6.00 |
66.7 |
24.1 |
0.83 |
0.06 |
0.14 |
0.09 |
0.58 |
0.16 |
66.2 |
12.9 |
21.2 |
12.1 |
4.3 |
5.9 |
0.5 |
2.7 |
5.9 |
|
Lithium oxide Conc. |
2.70 |
2164 |
21.7 |
1.92 |
4.13 |
67.0 |
21.7 |
1.67 |
0.42 |
0.51 |
0.75 |
1.67 |
0.24 |
71.5 |
20.0 |
29.5 |
35.6 |
33.3 |
29.7 |
4.8 |
10.6 |
12.9 |
|
HLS Middling |
-2.80+2.65 |
1469 |
14.7 |
0.32 |
0.69 |
72.8 |
15.2 |
2.15 |
0.65 |
0.78 |
2.61 |
2.71 |
0.39 |
8.2 |
14.7 |
14.0 |
31.0 |
34.7 |
30.6 |
11.3 |
11.7 |
14.2 |
|
Middlings (int.*) |
-2.79+2.65 |
1389 |
13.9 |
0.32 |
0.68 |
73.1 |
15.0 |
2.09 |
0.62 |
0.76 |
2.65 |
2.66 |
0.39 |
7.6 |
14.0 |
13.1 |
28.5 |
31.7 |
28.1 |
10.9 |
10.9 |
13.4 |
|
Mag Sep Conc. |
-2.95+2.80 |
318 |
3.2 |
0.46 |
0.98 |
52.8 |
21.1 |
7.01 |
2.47 |
2.75 |
1.54 |
3.55 |
1.46 |
2.5 |
2.3 |
4.2 |
21.9 |
28.7 |
23.4 |
1.5 |
3.3 |
11.6 |
|
Tailings 1 |
-2.65+2.50 |
4995 |
50.0 |
0.09 |
0.20 |
76.0 |
13.6 |
0.23 |
0.03 |
0.15 |
4.52 |
4.29 |
0.35 |
7.9 |
52.3 |
42.8 |
11.3 |
4.8 |
20.1 |
66.8 |
63.2 |
43.4 |
|
Tailings 2 |
-2.50 |
128 |
1.3 |
0.75 |
1.62 |
68.8 |
17.6 |
0.43 |
0.11 |
0.13 |
1.70 |
7.12 |
0.40 |
1.7 |
1.2 |
1.4 |
0.5 |
0.5 |
0.5 |
0.6 |
2.7 |
1.3 |
|
Hypofines (-0.5 mm) |
- |
1748 |
17.5 |
0.47 |
1.01 |
71.5 |
15.7 |
1.49 |
0.47 |
0.47 |
3.81 |
3.34 |
0.56 |
14.2 |
17.2 |
17.2 |
25.6 |
30.0 |
22.0 |
19.7 |
17.2 |
24.5 |
|
Head (Calc.) |
9980 |
100 |
0.58 |
1.25 |
72.7 |
15.9 |
1.02 |
0.27 |
0.37 |
3.39 |
3.40 |
0.40 |
100 |
100 |
100 |
100 |
100 |
100 |
100 |
100 |
100 |
|
![]() |
| SGS Canada Inc. |
|
Technical Report – Grota do Cirilo Lithium Project – Araçuai and Itinga Regions, Minas Gerais, Brazil |
*int = Interpolated based on production of 6% Li2O concentrate
![]() |
| SGS Canada Inc. |
|
Technical Report – Grota do Cirilo Lithium Project – Araçuai and Itinga Regions, Minas Gerais, Brazil |
|
13.2.4 |
Dense Media Separation |
DMS testing was performed on each of the variability samples on the coarse (-9.5 mm / +6.4 mm), fines (-6.4 mm / +1.7 mm) and ultrafines (-1.7 mm / +0.5 mm) size fractions separately. Dry magnetic separation was performed on each of the concentrate streams.
DMS feed was pre-screened at 0.5 mm to remove fine particles. The density of the circulating media was controlled to produce the desired SG cut-points and tracer tests were conducted prior to testing to ensure that the media SG was at the desired target.
Each size fraction underwent two DMS passes. The first pass was operated at a lower density to reject silicate gangue minerals (SG of 2.65). The first pass sink product was repassed through the DMS at a higher density cut-point to produce lithium oxide concentrate. The SG cut-points for the second pass were chosen based on interpolated HLS data to produce 6% Li2O lithium oxide concentrate. Cut-points for Var 6 were based on HLS and magnetic separation results. Target SG cut-points ranged from 2.78 to 2.89.
|
13.2.4.1 |
DMS Results |
Table 13‑17 summarizes the DMS and magnetic separation results for each sample by size fraction. The results show that 6% Li2O concentrate was generally produced (other than the fines fraction for Var 6 which produced 5.92% Li2O concentrate). In all cases, magnetic separation was able to effectively lower the iron content of the concentrate to <1% Fe2O3. Lithium stage recoveries by size fraction ranged from 45.7% to 79.7%.
Table 13‑17: DMS and magnetic separation results by size fraction
|
|
COARSE |
FINES |
ULTRAFINES |
||||||
|
SAMPLE |
% Li2O |
% Fe2O3 |
Li Rec.*, % |
% Li2O |
% Fe2O3 |
Li Rec.*, % |
% Li2O |
% Fe2O3 |
Li Rec.*, % |
|
Var 2 |
6.09 |
0.69 |
67.0 |
6.24 |
0.66 |
66.9 |
6.91 |
0.70 |
67.1 |
|
Var 3 |
6.41 |
0.60 |
49.3 |
6.28 |
0.60 |
58.0 |
7.10 |
0.60 |
45.7 |
| Var 6 | 6.03 | 0.74 | 70.9 | 5.92 | 0.72 | 79.7 | 6.78 | 0.70 | 69.3 |
*Stage lithium recovery
Combined DMS and magnetic separation stage results for the three variability samples are shown in Table 13‑18, Table 13‑19, and Table 13‑20. Lithium stage recoveries for Var 2, Var 3, and Var 6 were 66.9%, 53.2% and 74.7%, respectively. Each combined concentrate graded >6% Li2O with low iron content (<1% Fe2O3) after magnetic separation.
Lithium deportment to the middlings stream was relatively high for sample Var 3 at 17.6%, compared to 9.9% and 12.7% in Var 2 and Var 6 respectively.
Mass rejection to the tailings stream (SG -2.65) ranged from 46.2% to 58.1% with lithium losses ranging from 9.8% to 24.8%.
The Var 6 feed sample contained 10% dilution (schist) compared to 3% in the other two samples. Iron content in the Var 6 DMS concentrate was relatively high at 1.92% Fe2O3. Magnetic separation was able to reduce iron content to 0.71% Fe2O3 with a 2.6% lithium loss to the magnetic concentrate.
![]() |
| SGS Canada Inc. |
|
Technical Report – Grota do Cirilo Lithium Project – Araçuai and Itinga Regions, Minas Gerais, Brazil |
Table 13‑18: Var 2 Combined DMS stage results
|
Product |
Weight |
Assays (%) |
Distribution (%) |
||||||||||||||||||
|
kg |
% |
Li |
Li2O |
SiO2 |
Al2O3 |
Fe2O3 |
MgO |
CaO |
Na2O |
K2O |
P2O5 |
Li |
SiO2 |
Al2O3 |
Fe2O3 |
MgO |
CaO |
Na2O |
K2O |
P2O5 |
|
|
DMS Conc. Non-Mag |
73.7 |
16.3 |
2.92 |
6.29 |
66.6 |
24.7 |
0.68 |
0.04 |
0.06 |
0.50 |
0.32 |
0.13 |
66.9 |
14.8 |
24.5 |
16.6 |
4.65 |
4.20 |
2.22 |
1.98 |
6.0 |
|
DMS Conc. Mag |
7.83 |
1.73 |
1.18 |
2.54 |
52.0 |
24.6 |
5.96 |
1.05 |
1.35 |
1.07 |
4.20 |
2.67 |
2.9 |
1.2 |
2.6 |
15.6 |
12.93 |
10.5 |
0.5 |
2.7 |
13.4 |
|
DMS Middling |
120 |
26.5 |
0.26 |
0.57 |
77.1 |
13.4 |
1.06 |
0.30 |
0.36 |
3.55 |
1.87 |
0.36 |
9.9 |
27.9 |
21.7 |
42.3 |
57.08 |
42.4 |
25.5 |
18.7 |
27.5 |
|
DMS Tailings |
251 |
55.4 |
0.26 |
0.56 |
73.9 |
15.2 |
0.30 |
0.06 |
0.17 |
4.78 |
3.66 |
0.33 |
20.3 |
56.0 |
51.3 |
25.4 |
25.3 |
42.9 |
71.8 |
76.5 |
53.1 |
|
Head (calc.) |
452 |
100 |
0.71 |
1.53 |
73.2 |
16.5 |
0.66 |
0.14 |
0.22 |
3.69 |
2.65 |
0.35 |
100 |
100 |
100 |
100 |
100 |
100 |
100 |
100 |
100 |
|
DMS Conc. |
81.5 |
18.0 |
2.75 |
5.93 |
65.2 |
24.7 |
1.18 |
0.14 |
0.18 |
0.56 |
0.69 |
0.37 |
69.8 |
16.1 |
27.1 |
32.2 |
17.6 |
14.7 |
2.7 |
4.7 |
19.4 |
Table 13‑19: Var 3 Combined DMS stage results
|
Product |
Weight |
Assays (%) |
Distribution (%) |
||||||||||||||||||
|
kg |
% |
Li |
Li2O |
SiO2 |
Al2O3 |
Fe2O3 |
MgO |
CaO |
Na2O |
K2O |
P2O5 |
Li |
SiO2 |
Al2O3 |
Fe2O3 |
MgO |
CaO |
Na2O |
K2O |
P2O5 |
|
|
DMS Conc. Non-Mag |
34.9 |
13.8 |
2.99 |
6.43 |
67.7 |
23.7 |
0.58 |
0.01 |
0.06 |
0.56 |
0.30 |
0.23 |
53.2 |
12.8 |
19.9 |
12.3 |
1.46 |
2.49 |
2.10 |
1.65 |
7.24 |
|
DMS Conc. Mag |
4.90 |
1.94 |
1.79 |
3.85 |
54.6 |
22.5 |
4.42 |
0.84 |
3.72 |
0.83 |
2.24 |
3.37 |
4.47 |
1.45 |
2.65 |
13.1 |
13.3 |
22.0 |
0.44 |
1.73 |
14.6 |
|
DMS Middling |
66.1 |
26.1 |
0.52 |
1.12 |
74.8 |
14.9 |
1.13 |
0.30 |
0.57 |
3.17 |
1.92 |
0.48 |
17.6 |
26.7 |
23.6 |
45.1 |
62.8 |
45.7 |
22.5 |
19.9 |
28.3 |
|
DMS Tailing |
147 |
58.1 |
0.33 |
0.71 |
74.2 |
15.3 |
0.33 |
0.05 |
0.17 |
4.74 |
3.33 |
0.38 |
24.8 |
59.0 |
53.9 |
29.6 |
22.5 |
29.8 |
74.9 |
76.8 |
49.9 |
|
Head (calc.) |
253 |
100 |
0.78 |
1.67 |
73.0 |
16.5 |
0.65 |
0.12 |
0.33 |
3.67 |
2.52 |
0.45 |
100 |
100 |
100 |
100 |
100 |
100 |
100 |
100 |
100 |
|
DMS Conc. |
39.8 |
15.8 |
2.84 |
6.11 |
66.1 |
23.5 |
1.05 |
0.12 |
0.51 |
0.59 |
0.54 |
0.62 |
57.7 |
14.2 |
22.5 |
25.4 |
14.7 |
24.5 |
2.5 |
3.4 |
21.9 |
![]() |
| SGS Canada Inc. |
|
Technical Report – Grota do Cirilo Lithium Project – Araçuai and Itinga Regions, Minas Gerais, Brazil |
Table 13‑20: Var 6 Combined DMS stage results
|
Product |
Weight |
Assays (%) |
Distribution (%) |
||||||||||||||||||
|
kg |
% |
Li |
Li2O |
SiO2 |
Al2O3 |
Fe2O3 |
MgO |
CaO |
Na2O |
K2O |
P2O5 |
Li |
SiO2 |
Al2O3 |
Fe2O3 |
MgO |
CaO |
Na2O |
K2O |
P2O5 |
|
|
DMS Conc. Non-Mag |
53.3 |
17.4 |
2.82 |
6.06 |
67.1 |
23.8 |
0.72 |
0.05 |
0.16 |
0.63 |
0.44 |
0.21 |
74.7 |
16.1 |
25.6 |
12.1 |
2.80 |
6.51 |
3.17 |
2.66 |
9.7 |
|
DMS Conc. Mag |
12.4 |
4.04 |
0.45 |
0.94 |
53.6 |
20.1 |
7.10 |
2.58 |
3.34 |
1.61 |
3.09 |
1.35 |
2.77 |
2.98 |
5.03 |
27.7 |
36.3 |
30.8 |
1.90 |
4.34 |
14.6 |
|
DMS Middling |
99 |
32.4 |
0.26 |
0.55 |
77.1 |
12.9 |
1.38 |
0.43 |
0.54 |
3.55 |
1.85 |
0.36 |
12.7 |
34.4 |
26.0 |
43.1 |
48.4 |
40.1 |
33.5 |
20.9 |
31.3 |
|
DMS Tailing |
142 |
46.2 |
0.14 |
0.30 |
73.2 |
15.2 |
0.38 |
0.08 |
0.21 |
4.58 |
4.49 |
0.36 |
9.8 |
46.5 |
43.4 |
17.1 |
12.5 |
22.6 |
61.5 |
72.1 |
44.4 |
|
Head (calc.) |
306 |
100 |
0.66 |
1.41 |
72.6 |
16.1 |
1.04 |
0.29 |
0.44 |
3.44 |
2.87 |
0.37 |
100 |
100 |
100 |
100 |
100 |
100 |
100 |
100 |
100 |
|
DMS Conc. |
65.7 |
21.4 |
2.37 |
5.10 |
64.5 |
23.1 |
1.92 |
0.52 |
0.76 |
0.81 |
0.94 |
0.42 |
77.5 |
19.1 |
30.6 |
39.9 |
39.1 |
37.4 |
5.1 |
7.0 |
24.3 |
![]() |
| SGS Canada Inc. |
|
Technical Report – Grota do Cirilo Lithium Project – Araçuai and Itinga Regions, Minas Gerais, Brazil |
Table 13‑21, Table 13‑22, and Table 13‑23 show the combined global DMS mass balances for Var 2, Var 3, and Var 6, respectively.
After dry magnetic separation, combined concentrate grades ranged from 6.06% to 6.43% Li2O with lithium recoveries ranging from 46.1% to 64.2%. Mass reporting to the hypofines (-0.5 mm) fraction ranged from 14.0% to 18.4% with lithium losses ranging from 11.0 to 14.1%.
For magnetic separation on the DMS concentrate samples, combined results showed 9.6% mass rejection and decrease in overall lithium recovery of 2.9% for variability sample 2, 12.3% mass rejection and decrease in overall lithium recovery of 4.5% for variability sample 3, and 18.9% mass rejection and decrease in overall lithium recovery of 2.6% for variability sample 6.
![]() |
| SGS Canada Inc. |
|
Technical Report – Grota do Cirilo Lithium Project – Araçuai and Itinga Regions, Minas Gerais, Brazil |
Table 13‑21: Var 2 Combined Global DMS results
|
Product |
Weight |
Assays (%) |
Distribution (%) |
||||||||||||||||||
|
kg |
% |
Li |
Li2O |
SiO2 |
Al2O3 |
Fe2O3 |
MgO |
CaO |
Na2O |
K2O |
P2O5 |
Li |
SiO2 |
Al2O3 |
Fe2O3 |
MgO |
CaO |
Na2O |
K2O |
P2O5 |
|
|
DMS Conc. Non-Mag |
73.7 |
14.0 |
2.92 |
6.29 |
66.6 |
24.7 |
0.68 |
0.04 |
0.06 |
0.50 |
0.32 |
0.13 |
59.6 |
12.8 |
21.1 |
13.4 |
3.82 |
3.39 |
1.89 |
1.70 |
4.69 |
|
DMS Conc. Mag |
7.83 |
1.49 |
1.18 |
2.54 |
52.0 |
24.6 |
5.96 |
1.05 |
1.35 |
1.07 |
4.20 |
2.67 |
2.6 |
1.1 |
2.2 |
12.6 |
10.62 |
8.5 |
0.4 |
2.4 |
10.5 |
|
DMS Middling |
120 |
22.8 |
0.26 |
0.57 |
77.1 |
13.4 |
1.06 |
0.30 |
0.36 |
3.55 |
1.87 |
0.36 |
8.8 |
24.0 |
18.7 |
34.2 |
46.9 |
34.2 |
21.7 |
16.1 |
21.6 |
|
DMS Tailings |
251 |
47.7 |
0.26 |
0.56 |
73.9 |
15.2 |
0.30 |
0.06 |
0.17 |
4.78 |
3.66 |
0.33 |
18.1 |
48.19 |
44.21 |
20.6 |
20.82 |
34.62 |
61.10 |
65.80 |
41.66 |
|
Hypofines (-0.5 mm) |
73.4 |
14.0 |
0.54 |
1.16 |
73.1 |
16.18 |
0.97 |
0.19 |
0.33 |
3.97 |
2.67 |
0.59 |
11.0 |
14.0 |
13.8 |
19.2 |
17.8 |
19.3 |
14.9 |
14.0 |
21.6 |
|
Head (calc.) |
525 |
100 |
0.69 |
1.48 |
73.2 |
16.4 |
0.71 |
0.15 |
0.24 |
3.73 |
2.65 |
0.38 |
100 |
100 |
100 |
100 |
100 |
100 |
100 |
100 |
100 |
|
DMS Conc. |
81.5 |
15.5 |
2.75 |
5.93 |
65.2 |
24.7 |
1.18 |
0.14 |
0.18 |
0.56 |
0.69 |
0.37 |
62.2 |
13.8 |
23.3 |
26.0 |
14.4 |
11.9 |
2.3 |
4.1 |
15.2 |
Table 13‑22: Var 3 Combined Global DMS results
|
Product |
Weight |
Assays (%) |
Distribution (%) |
||||||||||||||||||
|
kg |
% |
Li |
Li2O |
SiO2 |
Al2O3 |
Fe2O3 |
MgO |
CaO |
Na2O |
K2O |
P2O5 |
Li |
SiO2 |
Al2O3 |
Fe2O3 |
MgO |
CaO |
Na2O |
K2O |
P2O5 |
|
|
DMS Conc. Non-Mag |
34.9 |
11.5 |
2.99 |
6.43 |
67.7 |
23.7 |
0.58 |
0.01 |
0.06 |
0.56 |
0.30 |
0.23 |
46.1 |
10.6 |
16.5 |
9.49 |
1.13 |
1.95 |
1.72 |
1.38 |
5.45 |
|
DMS Conc. Mag |
4.90 |
1.61 |
1.79 |
3.85 |
54.6 |
22.5 |
4.42 |
0.84 |
3.72 |
0.83 |
2.24 |
3.37 |
3.88 |
1.20 |
2.21 |
10.1 |
10.29 |
17.2 |
0.36 |
1.44 |
11.0 |
|
DMS Middling |
66.1 |
21.7 |
0.52 |
1.12 |
74.8 |
14.9 |
1.13 |
0.30 |
0.57 |
3.17 |
1.92 |
0.48 |
15.2 |
22.2 |
19.6 |
34.8 |
48.7 |
35.8 |
18.5 |
16.6 |
21.3 |
|
DMS Tailings |
147 |
48.3 |
0.33 |
0.71 |
74.2 |
15.3 |
0.33 |
0.05 |
0.17 |
4.74 |
3.33 |
0.38 |
21.5 |
49.1 |
44.9 |
22.9 |
17.4 |
23.3 |
61.6 |
64.3 |
37.5 |
|
Hypofines (-0.5 mm) |
51.3 |
16.9 |
0.59 |
1.26 |
72.6 |
16.2 |
0.95 |
0.18 |
0.45 |
3.93 |
2.42 |
0.72 |
13.3 |
16.8 |
16.7 |
22.7 |
22.4 |
21.8 |
17.9 |
16.3 |
24.8 |
|
Head (calc.) |
304 |
100 |
0.74 |
1.60 |
73.0 |
16.4 |
0.70 |
0.13 |
0.35 |
3.72 |
2.50 |
0.49 |
100 |
100 |
100 |
100 |
100 |
100 |
100 |
100 |
100 |
|
DMS Conc. |
39.8 |
13.1 |
2.84 |
6.11 |
66.1 |
23.5 |
1.05 |
0.12 |
0.51 |
0.59 |
0.54 |
0.62 |
50.0 |
11.9 |
18.8 |
19.6 |
11.4 |
19.2 |
2.1 |
2.8 |
16.4 |
![]() |
| SGS Canada Inc. |
|
Technical Report – Grota do Cirilo Lithium Project – Araçuai and Itinga Regions, Minas Gerais, Brazil |
Table 13‑23: Var 6 Combined Global DMS results
|
Product |
Weight |
Assays (%) |
Distribution (%) |
||||||||||||||||||
|
kg |
% |
Li |
Li2O |
SiO2 |
Al2O3 |
Fe2O3 |
MgO |
CaO |
Na2O |
K2O |
P2O5 |
Li |
SiO2 |
Al2O3 |
Fe2O3 |
MgO |
CaO |
Na2O |
K2O |
P2O5 |
|
|
DMS Conc. Non-Mag |
53.3 |
14.2 |
2.82 |
6.06 |
67.1 |
23.8 |
0.72 |
0.05 |
0.16 |
0.63 |
0.44 |
0.21 |
64.2 |
13.1 |
21.0 |
9.6 |
2.25 |
5.35 |
2.54 |
2.14 |
7.21 |
|
DMS Conc. Mag |
12.4 |
3.3 |
0.45 |
0.97 |
53.6 |
20.1 |
7.10 |
2.58 |
3.34 |
1.61 |
3.09 |
1.35 |
2.38 |
2.43 |
4.12 |
21.9 |
29.1 |
25.4 |
1.50 |
3.50 |
10.9 |
|
DMS Middling |
99 |
26.4 |
0.26 |
0.55 |
77.1 |
12.9 |
1.40 |
0.43 |
0.54 |
3.55 |
1.85 |
0.36 |
10.9 |
28.0 |
21.3 |
34.0 |
38.8 |
33.0 |
26.8 |
16.7 |
23.4 |
|
DMS Tailings |
142 |
37.7 |
0.14 |
0.30 |
73.2 |
15.2 |
0.38 |
0.08 |
0.21 |
4.58 |
4.49 |
0.36 |
8.42 |
37.9 |
35.5 |
13.5 |
10.0 |
18.6 |
49.2 |
57.9 |
33.1 |
|
Hypofines (-0.5 mm) |
69.2 |
18.4 |
0.48 |
1.02 |
72.9 |
15.9 |
1.23 |
0.31 |
0.42 |
3.82 |
3.13 |
0.56 |
14.1 |
18.5 |
18.1 |
21.1 |
19.7 |
17.8 |
20.0 |
19.7 |
25.4 |
|
Head (calc.) |
376 |
100 |
0.62 |
1.34 |
72.7 |
16.1 |
1.07 |
0.29 |
0.43 |
3.51 |
2.92 |
0.41 |
100 |
100 |
100 |
100 |
100 |
100 |
100 |
100 |
100 |
|
DMS Conc. |
65.7 |
17.5 |
2.37 |
5.10 |
64.5 |
23.1 |
1.92 |
0.52 |
0.76 |
0.81 |
0.94 |
0.42 |
66.6 |
15.5 |
25.1 |
31.5 |
31.4 |
30.7 |
4.1 |
5.6 |
18.1 |
![]() |
| SGS Canada Inc. |
|
Technical Report – Grota do Cirilo Lithium Project – Araçuai and Itinga Regions, Minas Gerais, Brazil |
|
13.2.5 |
Comparison of the 2019 and 2021 Results |
Table 13-24 compares the results obtained in the 2019 and 2021 variability test work program. Combined concentrate grade for variability sample 2 increased from 6.16% Li2O to 6.29% Li2O while global lithium recovery increased from 46.1% to 59.6%. Combined concentrate grade for variability sample 3 increased from 6.33% Li2O to 6.43% Li2O while global lithium recovery decreased from 56.1% to 46.1%. Combined concentrate grade for variability sample 6 decreased from 6.12% Li2O to 6.06% Li2O while global lithium recovery increased from 50.5% to 64.2%.
Table 13‑24: Summary of 2019 and 2021 DMS and magnetic separation concentrate grade and global recovery (including hypofines fraction)
|
SAMPLE |
STREAM |
2019 |
2021 |
||
|
% LI2O |
GLOBAL LITHIUM RECOVERY, % |
% LI2O |
GLOBAL LITHIUM RECOVERY, % |
||
|
Var 2 |
Coarse Fraction Fines Fraction Ultrafines Fraction |
6.26 6.09 5.98 |
22.9 17.8 5.4 |
6.09 6.24 6.91 |
20.5 29.2 9.9 |
|
Combined |
6.16 |
46.1 |
6.29 |
59.6 |
|
|
Var 3 |
Coarse Fraction Fines Fraction Ultrafines Fraction |
6.57 6.01 6.48 |
27.8 22.3 6.1 |
6.41 6.28 7.10 |
13.8 25.8 6.50 |
|
Combined |
6.33 |
56.1 |
6.43 |
46.1 |
|
|
Var 6 |
Coarse Fraction Fines Fraction Ultrafines Fraction |
6.14 6.11 6.07 |
21.3 20.3 8.9 |
6.03 5.92 6.78 |
23.3 32.0 8.98 |
|
Combined |
6.12 |
50.5 |
6.06 |
64.2 |
|
|
13.2.6 |
Xuxa Recovery and Basis of Assumptions |
During the 2019 test work program, Var 3 and Var 4 samples were determined to best represent the deposit. The global recovery was based on the average of the recoveries of these samples and estimated at 60.4% for the DMS circuit, which includes coarse, fines and ultrafines material as summarized in Table 13-25. The global recovery of 60.4% Li2O was reconfirmed in the 2021 results.
Table 13‑25: Estimates of DMS Circuit Recovery
|
DMS CIRCUIT |
DETAILED ESTIMATE |
|
Coarse (-9.5+6.3 mm) |
24.7% |
|
Fines (-6.3+1.7 mm) |
26.1% |
|
Ultrafines (-1.7+0.5 mm) |
9.6% |
|
Global DMS Recovery |
60.4% |
![]() |
| SGS Canada Inc. |
|
Technical Report – Grota do Cirilo Lithium Project – Araçuai and Itinga Regions, Minas Gerais, Brazil |
|
13.2.7 |
Impact of Lower Recovery Grade on Recovery |
The changing market conditions have necessitated the evaluation of a lower product grade and its impact on recovery. An independent DMS expert has evaluated the Xuxa test work date to determine the effect of reducing the product grade on recovery.
The following HLS and compost test work was used as the basis of the estimation
|
● |
6 HLS variability samples |
|
● |
3 Pilot composite samples |
This set of data was then used in the calculations to determine the impact of decreasing the product grade from 6% to 5.5% on Li2O recovery and yield. Both Li2O recovery and product yield calculations are on a global basis i.e., relative to the fresh feed inclusive of the fines. It has been assumed that the fines do not contribute to the product and have been assigned a zero yield.
|
13.2.7.1 |
Increase in Li2O Recovery |
The comparative results for a 9.5 mm top size are shown in Figure 13-7. The results for the variability and composite samples are shown separately.
For a 6% product grade, the median results from the variability and composite samples were similar. When reducing the product grade to 5.5%, the variability samples resulted in a higher recovery compared to the composite samples.
The relative increase in Li2O recovery is shown in Figure 13-8.
The median values for the composite and variability samples are 4.6 and 9.8% respectively.
![]() |
| SGS Canada Inc. |
|
Technical Report – Grota do Cirilo Lithium Project – Araçuai and Itinga Regions, Minas Gerais, Brazil |

Figure 13‑6: Comparative Results for 5.5% and 6.0% Li2O Global Recovery for 9.5 mm Top Size
![]() |
| SGS Canada Inc. |
|
Technical Report – Grota do Cirilo Lithium Project – Araçuai and Itinga Regions, Minas Gerais, Brazil |

Figure 13‑7: Relative Increase in Global Li2O Recovery for 9.5 mm Top Size
|
13.2.7.2 |
Increase in Li2O Yield |
The comparative results for a 9.5 mm top size are shown in Figure 13-9. The results for the variability and composite samples are shown separately.
For both 6% and 5.5%, the variability samples gave a higher yield compared to the composite samples.
The relative increase in yield is shown in Figure 13-10.
The median values for composite and variability samples are 14.1 and 19.8% respectively.
![]() |
| SGS Canada Inc. |
|
Technical Report – Grota do Cirilo Lithium Project – Araçuai and Itinga Regions, Minas Gerais, Brazil |

Figure 13‑8: Comparative Results for 5.5% and 6.0% Li2O Global Yield for 9.5 mm Top Size
![]() |
| SGS Canada Inc. |
|
Technical Report – Grota do Cirilo Lithium Project – Araçuai and Itinga Regions, Minas Gerais, Brazil |

Figure 13‑9: Relative Increase in Global Li2O Yield for 9.5 mm Top Size
|
13.2.7.3 |
Recommendation |
The results obtained were adjusted to predict the relative increases in the yield and recovery if the target product grade was reduced to 5.5%. The values obtained from this exercise are summarized in Table 13-26.
Table 13‑26: Summary of Global Recovery and Yield at 5.5% Li2O for 9.5 mm Top Size
|
Variability |
Composite |
Overall |
|
|
Global Li2O Recovery (%) |
9.8 |
4.6 |
7.9 |
|
Global Yield (%) |
19.8 |
14.1 |
17.7 |
Note: the overall percentage assumes an equal weighting between the variability and composite results.
It is estimated that lithium recovery will increase by between 4.6% and 9.8% when the product target grade is dropped to 5.5%, the more conservative assumption in terms of the increase in the recovery and yield would be the lower end of range.
It is recommended that for a product grade of 5.5% a global recovery of 65% can be assumed.
|
13.3 |
BARREIRO METALLURGICAL TEST WORK (2020-21) |
|
13.3.1 |
Overview |
![]() |
| SGS Canada Inc. |
|
Technical Report – Grota do Cirilo Lithium Project – Araçuai and Itinga Regions, Minas Gerais, Brazil |
A scoping-level metallurgical test work program was undertaken on samples from the Barreiro deposit from November 2020 to May 2021 and a PFS-level metallurgical test work program was undertaken from May 2021 to August 2021 at SGS Canada Inc. (Lakefield, Ontario). Four variability and one composite sample were tested. The test work program included:
|
● |
Sample preparation and characterization |
|
● |
Grindability testing |
|
● |
Heavy liquid separation (HLS) |
The goals of the program were to provide preliminary process information on the metallurgical performance of ore samples from the Barreiro deposit. The test work program was developed based on previous test work and flowsheet developed for the Xuxa deposit. The test work program aimed to produce chemical-grade lithium oxide concentrate (>6% Li2O) with low iron content (<1% Fe2O3), while maximizing lithium recovery.
|
13.3.2 |
Sample Selection |
The aim of the Barreiro sample selection process for the metallurgical test work program was to select four variability samples of at least 100 kg. Sub-samples from each variability sample would then be blended to create a master composite. Seven hundred and thirteen (713) individual samples were available at SGS Canada Inc. (Lakefield, ON) for production of the variability samples. Figure 13‑11 depicts the lithium (Li2O) grades and the localization within the Barreiro deposit of the drill hole intervals used for producing the variability samples.

Figure 13‑10: Lithium (Li2O) Grade and Localization of the Drill Holes used to produce the Barreiro Variability Samples
Inadequate attention to sample selection can compromise the adequacy of the metallurgical test work results. This in turn could ultimately limit the ability of the full-scale metallurgical plant design to handle changes in ore composition over the life of mine. When the samples selected for testing are fully representative of the orebody and of the mine plan, it is easier to predict and reconcile the expected plant performance.
The database received by SGS contained information related to collars, surveys, assays and lithology. In addition, a very detailed table of lithium mineralogy including the petalite content of the rock was included in the database. We also added the geology (rock type) as number variables to handle contents of each. To begin, SGS enhanced the database by including variables to facilitate the sample selection process including the ‘TotPet_per’ variable that represents the percentage of lithium contained in petalite. In terms of metallurgical performance, this is critical information as petalite is a lithium-bearing mineral which is non-recoverable by Dense Media Separation (DMS). Based on discussions with SGS metallurgy and the resource QP, it was decided to select samples with varying lithium and petalite grades as shown in Table 13‑27.
![]() |
| SGS Canada Inc. |
|
Technical Report – Grota do Cirilo Lithium Project – Araçuai and Itinga Regions, Minas Gerais, Brazil |
The target lithium grades and petalite content were based on statistical analysis of the full database using declustering and standard tools (e.g., histograms, averages, medians). To begin, fifteen (15) of the seven hundred and thirteen (713) available samples were rejected because they came from outside the mineralized bodies. The ‘TotPet_per’ ranges from 0% (no lithium in petalite) to 100% (all the lithium is in petalite). The ‘TotPet_per’ average was 12% for the deposit. The remaining 698 samples were separated into the four variability samples that are representative of the deposit and meet the sample selection objectives (Table 13‑27).
The masses of the selected samples are shown in Table 13-27. The master composite was recommended to contain 28.5% of variability sample 1, 24.5% of sample 2, 23.5% of sample 3 and 23.5% of sample 4 to best represent the average feed from the Barreiro deposit.
Table 13‑27: Description of Barreiro Variability Samples
|
Variability Sample |
Description |
1 m Intervals |
Mass, kg |
|
1 |
Average lithium grade and high petalite |
142 |
233.8 |
|
2 |
High lithium grade and normal petalite |
172 |
297.1 |
|
3 |
Average lithium grade and normal petalite |
212 |
366.3 |
|
4 |
Low grade and normal petalite |
172 |
268.6 |
|
Total: |
698 |
1165.8 |
In conclusion, we have succeeded in producing four variability samples with the material available that reached the objectives related to material type and the required quantity to carry out metallurgical test work.
|
13.3.3 |
Test Work Results |
|
13.3.3.1 |
Sample Preparation and Characterization |
Chemical analysis of the four variability samples and the composite sample are shown in Table 13‑28. The head grades of the variability samples ranged from 0.88% Li2O in the Variability sample 4 (Var 4) to 2.09% Li2O in the Var 2 sample. Var 3 has the lithium content closest to the average lithium grade of the deposit (approximately 1.4% Li2O).
![]() |
| SGS Canada Inc. |
|
Technical Report – Grota do Cirilo Lithium Project – Araçuai and Itinga Regions, Minas Gerais, Brazil |
Table 13‑28: Variability Sample and Composite Sample Assays
|
Element |
Sample |
||||
|
/ Oxide |
Var 1 |
Var 2 |
Var 3 |
Var 4 |
Composite |
|
|
Composition, % | ||||
|
Li |
0.51 |
0.97 |
0.63 |
0.41 |
0.69 |
|
Li2O |
1.10 |
2.09 |
1.35 |
0.88 |
1.48 |
|
Si2O |
73.1 |
73.8 |
74.3 |
73.3 |
73.7 |
|
Al2O3 |
16.3 |
16.6 |
15.9 |
16.2 |
16.3 |
|
Fe2O3 |
0.30 |
0.23 |
0.22 |
0.31 |
0.26 |
|
CaO |
0.11 |
0.08 |
0.09 |
0.10 |
0.08 |
|
Na2O |
3.73 |
3.49 |
3.88 |
4.17 |
3.75 |
|
K2O |
2.58 |
2.15 |
2.58 |
2.93 |
2.64 |
|
P2O5 |
0.50 |
0.49 |
0.54 |
0.54 |
0.48 |
|
MnO |
0.10 |
0.10 |
0.08 |
0.10 |
0.08 |
|
Ta2O5 |
0.01 |
<0.01 |
0.01 |
<0.01 |
0.01 |
|
SnO2 |
0.02 |
0.01 |
0.02 |
0.03 |
0.02 |
Table 13‑29 shows the semi-quantitative X-ray Diffraction (XRD) results for the four variability samples and the composite sample. Spodumene content ranged from 7.8% to 20.9%.
Table 13‑29: Semi-quantitative XRD analysis of the four variability samples and the composite sample
|
|
Sample |
||||
|
Mineral |
Var 1 |
Var 2 |
Var 3 |
Var 4 |
Composite |
|
|
Composition, % | ||||
|
Albite |
32.6 |
28.8 |
32.4 |
33.0 |
31.4 |
|
Quartz |
31.0 |
29.9 |
30.8 |
31.4 |
29.7 |
|
Spodumene |
10.3 |
20.9 |
13.2 |
7.8 |
14.4 |
|
K-feldspar |
12.3 |
10.4 |
12.2 |
12.5 |
10.5 |
|
Mica |
6.1 |
4.9 |
6.1 |
9.8 |
7.8 |
|
Cookeite |
4.2 |
2.5 |
2.5 |
2.3 |
2.8 |
|
Petalite |
2.0 |
1.6 |
1.9 |
2.0 |
2.2 |
|
Ferrisicklerite |
0.9 |
1.0 |
0.9 |
1.2 |
1.1 |
|
Beryl |
0.6 |
- |
- |
- |
- |
![]() |
| SGS Canada Inc. |
|
Technical Report – Grota do Cirilo Lithium Project – Araçuai and Itinga Regions, Minas Gerais, Brazil |
Based on the semi-quantitative XRD analysis, the amount of lithium contained in spodumene was estimated for each sample (Table 13‑30). Lithium present in spodumene ranged from 69.4% to 87.3%. The non-spodumene lithium-bearing minerals present were cookeite, petalite, and ferrisicklerite. Cookeite and petalite are low SG minerals (<2.7) which are unlikely to be recovered to the DMS concentrate. Ferrisicklerite has a relatively high SG (3.2 – 3.4) and is likely to report to the concentrate.
Table 13‑30: Estimates of Lithium Deportment to Spodumene
|
Mineral |
Lithium Deportment, % |
||||
|
Var 1 |
Var 2 |
Var 3 |
Var 4 | Composite | |
|
Spodumene |
73.2 |
87.3 |
81.0 |
69.4 |
79.9 |
|
13.3.3.2 |
Grindability Tests |
Bond ball mill work index (BBWi) and Abrasion index (Ai) tests were undertaken on subsamples of the Composite sample and Variability sample 3, respectively.
The Composite sample was classified as moderately hard with a BBWi of 15.3 kWh/t. Figure 13‑12 shows the BBWi of the composite sample as compared to the SGS database. The sample falls into the 62nd percentile of hardness.

Figure 13‑11: BBWi of the Composite Sample compared to the SGS Database
Variability sample 3 was classified as moderately abrasive with an Ai of 0.450 g. Figure 13‑13 shows the Ai of the Var 3 sample as compared to the SGS database. The sample falls into the 71st percentile of abrasivity.
![]() |
| SGS Canada Inc. |
|
Technical Report – Grota do Cirilo Lithium Project – Araçuai and Itinga Regions, Minas Gerais, Brazil |

Figure 13‑12: Ai of Var 3 compared to the SGS Database
|
13.3.4 |
Heavy Liquid Separation |
Two sets of HLS tests were undertaken. The first set was conducted on a sub-sample of the Composite to test optimal crush size (i.e., top size of 15.9 mm, 12.5 mm, 10.0 mm, and 6.3 mm). HLS tests were then performed on each variability sample at the optimum crush size. The fine fraction (i.e., -0.5 mm) was screened out from each sub-sample and the oversize fraction was submitted for HLS testing with a heavy liquid comprised of methylene iodide diluted with acetone. Each HLS test included specific gravity (SG) cut points of 2.95, 2.90, 2.85, 2.80, 2.70, 2.65, 2.60, 2.50, and 2.45.
|
13.3.4.1 |
HLS: Composite Sample Optimal Crush Size |
Grade - recovery curves (stage and global) for the HLS tests to determine optimal crush size are presented in Figure 13‑14 and Figure 13‑15, respectively.
Lithium stage and global recoveries were estimated (interpolated) for 6.0% Li2O concentrate and generally increased with decreasing particle size most likely due to increased spodumene liberation (Table 13‑31). Estimated lithium stage recovery to produce 6.0% Li2O concentrate ranged from 55.4% for the -15.9 mm crush size to 70.2% for the -6.3 mm crush size.
Table 13‑31: HLS Interpolated stage and global lithium recoveries (6% Li2O concentrate) for each crush size
|
Recovery |
Estimated Lithium Recovery, % |
|||
|
|
15.9 mm |
-12.5 mm |
-10 .0 mm | -6.3 mm |
|
Stage |
55.4 |
62.4 |
66.1 |
70.2 |
|
Global |
49.6 |
55.1 |
56.1 |
56.1 |
![]() |
| SGS Canada Inc. |
|
Technical Report – Grota do Cirilo Lithium Project – Araçuai and Itinga Regions, Minas Gerais, Brazil |
Global lithium recoveries while producing a 6% Li2O lithium oxide concentrate were maximized at both 6.3 mm and 10.0 mm crush size. The 10 mm crush size was selected for the variability HLS tests to maximize recovery and yield to product which corresponds to the outcomes of the previous test work conducted on the Xuxa deposit.

Figure 13‑13: Cumulative Lithium Grade - Stage Recovery Curves for HLS Tests

Figure 13‑14: Cumulative Lithium Grade – Global Recovery Curves for HLS Tests
![]() |
| SGS Canada Inc. |
|
Technical Report – Grota do Cirilo Lithium Project – Araçuai and Itinga Regions, Minas Gerais, Brazil |
Tests results showed that a significant amount of lithium (16% to 27.8%) reported to the HLS tailings (-2.65 SG). To further investigate the lithium losses, XRD analysis was undertaken on certain samples from the HLS test with -10.0 mm crush size (SG 2.60 sink, SG 2.50 sink, SG 2.45 sink, and SG 2.45 float samples). XRD results are shown in Table 13‑32. The samples contain low concentrations of spodumene (<2%) and elevated concentrations of petalite (concentrating to 67% in the 2.45 floats stream). Other lithium-bearing minerals present were cookeite, triphylite, and tiptopite.
Table 13‑32: Semi-Quantitative XRD Analysis for Selected Samples (-10 mm crush size)
|
MINERAL |
SINK 2.60 |
SINK 2.50 |
SINK 2.45 |
FLOAT 2.45 |
|
COMPOSITION, % |
||||
|
Albite |
40.9 |
43.0 |
11.0 |
2.5 |
|
Quartz |
48.6 |
11.1 |
7.9 |
5.9 |
|
K-feldspar |
3.9 |
36.4 |
43.2 |
10.9 |
|
Petalite |
0.7 |
3.9 |
23.9 |
67.0 |
|
Muscovite |
1.6 |
2.2 |
6.3 |
3.8 |
|
Cookeite |
1.5 |
1.2 |
4.2 |
3.5 |
|
Spodumene |
1.4 |
0.8 |
1.9 |
2.0 |
|
Kaolinite |
0.8 |
0.5 |
0.7 |
1.4 |
|
Analcime |
- |
- |
- |
1.9 |
|
Triphylite |
0.5 |
0.9 |
0.2 |
- |
|
Tiptopite |
- |
- |
0.7 |
- |
|
Zabuyelite |
- |
- |
- |
1.1 |
|
TOTAL |
100 |
100 |
100 |
100 |
|
13.3.4.2 |
HLS: Variability Samples |
HLS tests were performed on each variability sample at the chosen crush size of -10 mm. Interpolated lithium recoveries at 6% Li2O concentrate grade are presented in Table 13‑33. Interpolated lithium stage recoveries ranged from 56.0% to 77.3%. The highest lithium stage recovery was obtained with the Var 2 sample, estimated to be 77.3%. Global recoveries include lithium losses to the hypofine (-0.5 mm) fraction and ranged from 50.0% to 67.2%.
Table 13‑33: HLS Interpolated Stage and Global Combined Lithium Recoveries (6% Li2O concentrate) for each Variability Sample
|
Recovery |
Interpolated Lithium Recovery, % |
|||
|
|
Var 1 |
Var 2 |
Var 3 |
Var 4 |
|
Stage |
56.0 |
77.3 |
63.9 |
61.9 |
|
Global |
50.0 |
67.2 |
53.9 |
55.0 |
Size-by-size analysis was undertaken for each variability HLS test. Size fractions were chosen to generate equal mass distributions (and to mimic the Xuxa test work and process design). The size fractions chosen were: coarse (-10.0 mm / +6.4 mm), fines (-6.4 mm / +1.7 mm), and ultrafines (-1.7 mm / +0.5 mm). Detailed size-by-size HLS mass balances are shown in Table 13‑34 to Table 13‑37.
![]() |
| SGS Canada Inc. |
|
Technical Report – Grota do Cirilo Lithium Project – Araçuai and Itinga Regions, Minas Gerais, Brazil |
In all four variability samples, the SG cut points were similar for the different size fractions. Lithium recovery was generally seen in the fines fraction (-6.4 mm / +1.7 mm) increased with finer size fraction, which is likely due to a higher degree of spodumene liberation in the finer size fractions. HLS tests produced >6% Li2O lithium oxide concentrate with low iron content (<1.0% Fe2O3) from each variability sample.
![]() |
| SGS Canada Inc. |
|
Technical Report – Grota do Cirilo Lithium Project – Araçuai and Itinga Regions, Minas Gerais, Brazil |
Table 13‑34: Variability Sample 1 Global HLS Results

Table 13‑35: Variability Sample 2 Global HLS Results

![]() |
| SGS Canada Inc. |
|
Technical Report – Grota do Cirilo Lithium Project – Araçuai and Itinga Regions, Minas Gerais, Brazil |
Table 13‑36: Variability Sample 3 Global HLS Results

Table 13‑37: Variability Sample 4 Global HLS Results

![]() |
| SGS Canada Inc. |
|
Technical Report – Grota do Cirilo Lithium Project – Araçuai and Itinga Regions, Minas Gerais, Brazil |
|
13.3.5 |
Dense Media Separation |
The DMS test work was performed on the Composite sample on the coarse (-10 mm / +6.4 mm), fine (-6.4 mm / +1.7 mm) and ultrafine (-1.7 mm / +0.5 mm) size fractions separately. Dry magnetic separation at 10,000 gauss was performed on the feed prior to DMS test work.
DMS feed was pre-screened at 500 μm to remove fine particles. The density of the circulating media was controlled to produce the desired SG cut-points and tracer tests were conducted prior to testing to ensure that the SG was at the desired target.
Each size fraction underwent two DMS passes. The first pass was operated at a lower density to reject silicate gangue minerals (SG of 2.65). The first pass sink product was re-passed through the DMS at a higher density cut-point to produce lithium oxide concentrate. The cut-points for the second pass were based on interpolated HLS data for the production of 6% Li2O lithium oxide concentrate. The coarse, fine, and ultrafine density target cut-points were 2.84, 2.82, and 2.82, respectively. SG cut-points for each DMS pass were selected based on the variability sample HLS results.
|
13.3.5.1 |
DMS Results |
DMS and magnetic separation stage results for the coarse, fines and ultrafines fractions are shown in Table 13‑38, Table 13‑39, and Table 13‑40, respectively.
Coarse DMS concentrate grade was slightly below target at 5.72% Li2O with lithium stage-recovery of 58.1%. Mass pull to the concentrate was 14.8% and iron content of the concentrate was 0.34% Fe2O3. A significant proportion of the lithium in the coarse fraction (22.0%) reported to the middlings stream which graded 0.95% Li2O. The tailings contained 0.54% Li2O which accounted for 50% of the mass of the coarse fraction and contained 18.6% of the lithium.
The fines fraction DMS produced concentrate grading 6.20% Li2O with a stage recovery of 60.5% in 13.2% of the mass. Sixteen percent (16.0%) of the lithium reported to the middlings, which had a grade of 1.12% Li2O and a mass yield of 19.4%. The fines DMS tailings graded 0.45% with 21.9% lithium stage-losses in 65.9% of the mass. Dry magnetic separation was conducted to determine its viability for reduction of iron in the final product. The test showed some success in rejecting iron, with the magnetic concentrate upgraded to 3.55 % Fe2O3 with lithium losses of only 1.65%.
For the ultrafines fraction, relatively high-grade lithium oxide concentrate was produced (6.48% Li2O) with 58.6% lithium stage recovery and a relatively low mass yield of 11.5%. The middlings graded 1.03% Li2O and accounted for 13.2% of the lithium. The ultrafines DMS tailings had a mass yield of 68.5% and accounted for 23.3% of the lithium. Dry magnetic separation test was repeated on the ultra-fines product to determine if this process was viable with positive results achieved.
![]() |
| SGS Canada Inc. |
|
Technical Report – Grota do Cirilo Lithium Project – Araçuai and Itinga Regions, Minas Gerais, Brazil |
Table 13‑38 : Coarse fraction DMS stage results
|
Product |
Weight |
Assays (%) |
Distribution (%) |
||||||||||||||||||||
|
kg |
% |
Li |
Li2O |
SiO2 |
Al2O3 |
Fe2O3 |
MgO |
CaO |
Na2O |
K2O |
P2O5 |
MnO |
Li |
SiO2 |
Al2O3 |
Fe2O3 |
MgO |
CaO |
Na2O |
K2O |
P2O5 |
MnO |
|
|
Concentrate |
22.0 |
14.8 |
2.66 |
5.72 |
67.3 |
24.1 |
0.34 |
0.01 |
0.04 |
0.73 |
0.38 |
0.28 |
0.09 |
58.1 |
13.7 |
21.4 |
16.7 |
3.32 |
6.66 |
2.74 |
2.10 |
8.46 |
17.0 |
|
Middling |
50.5 |
33.8 |
0.44 |
0.95 |
77.1 |
14.3 |
0.44 |
0.02 |
0.10 |
4.04 |
1.43 |
0.55 |
0.11 |
22.0 |
35.9 |
29.2 |
49.7 |
15.2 |
38.2 |
34.8 |
18.1 |
38.1 |
47.6 |
|
Tailings |
75.0 |
50.3 |
0.25 |
0.54 |
71.5 |
15.8 |
0.11 |
0.05 |
0.09 |
4.84 |
4.12 |
0.45 |
0.03 |
18.6 |
49.6 |
47.9 |
18.5 |
56.6 |
51.1 |
62.0 |
77.5 |
46.4 |
19.3 |
|
Mag Conc. |
1.7 |
1.11 |
0.80 |
1.72 |
53.6 |
23.3 |
4.11 |
1.00 |
0.33 |
1.42 |
5.59 |
3.10 |
1.14 |
1.31 |
0.82 |
1.55 |
15.2 |
24.9 |
4.12 |
0.40 |
2.31 |
7.03 |
16.1 |
|
Coarse (calc.) |
149 |
100 |
0.68 |
1.45 |
72.6 |
16.6 |
0.30 |
0.04 |
0.09 |
3.93 |
2.67 |
0.49 |
0.08 |
100 |
100 |
100 |
100 |
100 |
100 |
100 |
100 |
100 |
100 |
Table 13‑39 : Fines fraction DMS stage results
|
Product |
Weight |
Assays (%) |
Distribution (%) |
||||||||||||||||||||
|
kg |
% |
Li |
Li2O |
SiO2 |
Al2O3 |
Fe2O3 |
MgO |
CaO |
Na2O |
K2O |
P2O5 |
MnO |
Li |
SiO2 |
Al2O3 |
Fe2O3 |
MgO |
CaO |
Na2O |
K2O |
P2O5 |
MnO |
|
|
Concentrate |
38.1 |
13.2 |
2.88 |
6.20 |
66.5 |
25.0 |
0.34 |
0.01 |
0.06 |
0.49 |
0.35 |
0.28 |
0.10 |
60.5 |
12.0 |
20.7 |
19.9 |
1.9 |
6.48 |
1.72 |
1.72 |
19.6 |
4.62 |
|
Middling |
55.8 |
19.4 |
0.52 |
1.12 |
77.7 |
14.5 |
0.38 |
0.02 |
0.06 |
2.91 |
1.64 |
0.49 |
0.08 |
16.0 |
20.5 |
17.6 |
32.6 |
5.5 |
9.48 |
14.98 |
11.8 |
50.3 |
5.41 |
|
Tailings |
190 |
65.9 |
0.21 |
0.45 |
74.1 |
14.4 |
0.09 |
0.08 |
0.15 |
4.72 |
3.42 |
0.02 |
0.37 |
21.9 |
66.5 |
59.6 |
25.0 |
78.9 |
79.7 |
82.6 |
83.5 |
8.35 |
84.3 |
|
Mag Conc. |
4.1 |
1.4 |
0.73 |
1.57 |
54.0 |
24.1 |
3.55 |
0.68 |
0.37 |
1.96 |
5.68 |
2.87 |
1.14 |
1.65 |
1.05 |
2.15 |
22.4 |
13.7 |
4.30 |
0.74 |
3.00 |
21.7 |
5.66 |
|
Fines (calc.) |
288 |
100 |
0.63 |
1.36 |
73.5 |
16.0 |
0.23 |
0.07 |
0.12 |
3.77 |
2.70 |
0.19 |
0.29 |
100 |
100 |
100 |
100 |
100 |
100 |
100 |
100 |
100 |
100 |
Table 13‑40 : Ultrafines fraction DMS stage results
|
Product |
Weight |
Assays (%) |
Distribution (%) |
||||||||||||||||||||
|
kg |
% |
Li |
Li2O |
SiO2 |
Al2O3 |
Fe2O3 |
MgO |
CaO |
Na2O |
K2O |
P2O5 |
MnO |
Li |
SiO2 |
Al2O3 |
Fe2O3 |
MgO |
CaO |
Na2O |
K2O |
P2O5 |
MnO |
|
|
Concentrate |
14.1 |
11.5 |
3.01 |
6.48 |
64.6 |
26.6 |
0.40 |
0.01 |
0.03 |
0.30 |
0.61 |
0.43 |
0.07 |
58.6 |
10.2 |
19.9 |
20.6 |
3.32 |
4.47 |
0.99 |
2.91 |
14.4 |
12.1 |
|
Middling |
19.8 |
16.2 |
0.48 |
1.03 |
80.1 |
13.2 |
0.41 |
0.01 |
0.07 |
2.20 |
1.81 |
0.36 |
0.04 |
13.2 |
17.8 |
13.9 |
29.8 |
4.68 |
14.70 |
10.2 |
12.2 |
17.0 |
9.73 |
|
Tailings |
84.1 |
68.5 |
0.20 |
0.43 |
76.5 |
13.6 |
0.06 |
0.04 |
0.09 |
4.52 |
2.97 |
0.32 |
0.02 |
23.3 |
72.0 |
60.9 |
18.5 |
79.3 |
80.1 |
88.8 |
84.7 |
64.1 |
20.6 |
|
Mag Conc. |
4.8 |
3.9 |
0.73 |
1.58 |
1.02 |
20.78 |
1.77 |
0.11 |
0.01 |
0.03 |
0.15 |
0.39 |
0.98 |
4.86 |
0.05 |
5.30 |
31.1 |
12.7 |
0.71 |
0.04 |
0.24 |
4.48 |
57.6 |
|
Ultrafines (calc.) |
123 |
100 |
0.59 |
1.26 |
72.8 |
15.3 |
0.22 |
0.03 |
0.08 |
3.49 |
2.40 |
0.34 |
0.07 |
100 |
100 |
100 |
100 |
100 |
100 |
100 |
100 |
100 |
100 |
![]() |
| SGS Canada Inc. |
|
Technical Report – Grota do Cirilo Lithium Project – Araçuai and Itinga Regions, Minas Gerais, Brazil |
Table 13‑41 and Table 13‑42 show the overall and combined DMS mass balances for the composite sample. The combined concentrate graded 6.11% Li2O and 0.35% Fe2O3, with a global lithium recovery of 50.8%. Dry magnetic separation prior to the DMS test work was mainly used to reject mica. A slightly higher lithium distribution was observed in the fines fraction (26.5%) as compared to 14.1% for the coarse and 10.2% for the ultrafines fraction, which was largely associated with the higher mass of the fines fraction.
Roughly 15% of the lithium reported to the middling (2nd Pass DMS floats) which graded 1.4% Li2O. To maximize the overall lithium recovery, the coarse and fines middlings were combined, re-crushed and processed by HLS. The material was screened at 3.3 mm. The coarse fraction was stage-crushed to -3.3 mm. All the material was then screened at 0.5 mm. A sub-sample of the -3.3 mm / +0.5 mm fraction was submitted for a single pass HLS test at SG 2.90. The -0.5 mm material was subsampled and assayed. The results of the re-crushed HLS test were incorporated into the DMS mass balance (Table 13‑43).
At an SG cut-point of 2.90, the HLS test produced a lithium oxide concentrate grading 5.61% Li2O recovering an additional 3.4% lithium. The combined DMS and re-crushed concentrate graded 6.08% Li2O and the global combined lithium recovery increased from 51.1% to 54.4% with re-crushing (stage recovery of 63.8%).
![]() |
| SGS Canada Inc. |
|
Technical Report – Grota do Cirilo Lithium Project – Araçuai and Itinga Regions, Minas Gerais, Brazil |
Table 13‑41: Global DMS results by size fraction
|
Product |
Weight |
Assays (%) |
Distribution (%) |
|||||||||||||||||||||
|
kg |
% |
Li |
Li2O |
SiO2 |
Al2O3 |
Fe2O3 |
MgO |
CaO |
Na2O |
K2O |
P2O5 |
MnO |
Li |
SiO2 |
Al2O3 |
Fe2O3 |
MgO |
CaO |
Na2O |
K2O |
P2O5 |
MnO |
||
|
Coarse |
DMS Conc. |
22.0 |
3.30 |
2.66 |
5.72 |
67.3 |
24.1 |
0.34 |
0.01 |
0.04 |
0.73 |
0.38 |
0.28 |
0.09 |
14.1 |
3.04 |
4.95 |
4.03 |
0.57 |
1.19 |
0.63 |
0.48 |
2.67 |
1.73 |
|
DMS Middling |
50.5 |
7.56 |
0.44 |
0.95 |
77.1 |
14.3 |
0.44 |
0.02 |
0.10 |
4.04 |
1.43 |
0.55 |
0.11 |
5.35 |
8.00 |
6.74 |
12.0 |
2.62 |
6.85 |
7.96 |
4.18 |
12.0 |
4.85 |
|
|
DMS Tailings |
75.0 |
11.2 |
0.25 |
0.54 |
71.5 |
15.8 |
0.11 |
0.05 |
0.09 |
4.84 |
4.12 |
0.45 |
0.03 |
4.52 |
11.0 |
11.1 |
4.44 |
9.74 |
9.16 |
14.2 |
17.9 |
14.6 |
1.97 |
|
|
Mag Con |
1.65 |
0.25 |
0.52 |
1.12 |
77.7 |
14.5 |
0.38 |
0.02 |
0.06 |
2.91 |
1.64 |
0.49 |
0.08 |
0.21 |
0.26 |
0.22 |
0.34 |
0.09 |
0.13 |
0.19 |
0.16 |
0.35 |
0.12 |
|
|
Fines |
DMS Conc. |
38.1 |
5.71 |
2.88 |
6.20 |
66.5 |
25.0 |
0.34 |
0.01 |
0.06 |
0.49 |
0.35 |
0.28 |
0.10 |
26.5 |
5.21 |
8.89 |
6.97 |
0.99 |
3.10 |
0.73 |
0.77 |
4.63 |
3.33 |
|
DMS Middling |
55.8 |
8.4 |
0.52 |
1.12 |
77.7 |
14.5 |
0.38 |
0.02 |
0.06 |
2.91 |
1.64 |
0.49 |
0.08 |
7.00 |
8.91 |
7.56 |
11.4 |
2.90 |
4.54 |
6.34 |
5.31 |
11.9 |
3.90 |
|
|
DMS Tailings |
190 |
28.4 |
0.21 |
0.45 |
74.1 |
14.4 |
0.09 |
0.08 |
0.15 |
4.72 |
3.42 |
0.02 |
0.37 |
9.59 |
28.9 |
25.6 |
8.74 |
41.6 |
38.2 |
35.0 |
37.6 |
1.97 |
60.9 |
|
|
Mag Con |
4.10 |
0.61 |
0.73 |
1.57 |
54.0 |
24.1 |
3.55 |
0.68 |
0.37 |
1.96 |
5.68 |
2.87 |
1.14 |
0.72 |
0.46 |
0.92 |
7.84 |
7.24 |
2.06 |
0.31 |
1.35 |
5.11 |
4.09 |
|
|
Ultrafines |
DMS Conc. |
14.1 |
2.11 |
3.01 |
6.48 |
64.6 |
26.6 |
0.40 |
0.01 |
0.03 |
0.30 |
0.61 |
0.43 |
0.07 |
10.2 |
1.87 |
3.49 |
3.03 |
0.37 |
0.57 |
0.16 |
0.50 |
2.62 |
0.86 |
|
DMS Middling |
19.8 |
2.97 |
0.48 |
1.03 |
80.1 |
13.2 |
0.41 |
0.01 |
0.07 |
2.20 |
1.81 |
0.36 |
0.04 |
2.30 |
3.27 |
2.45 |
4.38 |
0.52 |
1.88 |
1.71 |
2.08 |
3.10 |
0.69 |
|
|
DMS Tailings |
84.1 |
12.6 |
0.20 |
0.43 |
76.5 |
13.6 |
0.06 |
0.04 |
0.09 |
4.52 |
2.97 |
0.32 |
0.02 |
4.06 |
13.2 |
10.7 |
2.72 |
8.74 |
10.27 |
14.9 |
14.5 |
11.7 |
1.47 |
|
|
Mag Con |
4.79 |
0.72 |
0.73 |
1.58 |
1.0 |
20.8 |
1.8 |
0.11 |
0.01 |
0.03 |
0.15 |
0.4 |
0.98 |
0.85 |
0.01 |
0.93 |
4.56 |
1.39 |
0.09 |
0.01 |
0.04 |
0.82 |
4.11 |
|
|
Hypofines |
108 |
16.2 |
0.56 |
1.21 |
71.3 |
16.4 |
0.51 |
0.08 |
0.15 |
4.26 |
2.42 |
0.61 |
0.13 |
14.6 |
15.8 |
16.5 |
29.6 |
23.2 |
21.9 |
18.0 |
15.1 |
28.5 |
12.0 |
|
|
Head (calc.) |
668 |
100 |
0.62 |
1.34 |
72.9 |
16.0 |
0.28 |
0.06 |
0.11 |
3.83 |
2.58 |
0.35 |
0.17 |
100 |
100 |
100 |
100 |
100 |
100 |
100 |
100 |
100 |
100 |
|
|
Head (direct) |
0.69 |
1.48 |
73.7 |
16.3 |
0.26 |
0.03 |
0.08 |
3.75 |
2.64 |
0.48 |
0.08 |
|||||||||||||
Table 13‑42: Global combined DMS results
|
Product |
Weight |
Assays (%) |
Distribution (%) |
||||||||||||||||||||
|
kg |
% |
Li |
Li2O |
SiO2 |
Al2O3 |
Fe2O3 |
MgO |
CaO |
Na2O |
K2O |
P2O5 |
MnO |
Li |
SiO2 |
Al2O3 |
Fe2O3 |
MgO |
CaO |
Na2O |
K2O |
P2O5 |
MnO |
|
|
DMS Conc. |
74.2 |
11.1 |
2.84 |
6.11 |
66.4 |
25.0 |
0.35 |
0.01 |
0.05 |
0.53 |
0.41 |
0.31 |
0.09 |
50.8 |
10.1 |
17.3 |
14.0 |
1.93 |
4.87 |
1.52 |
1.76 |
9.93 |
5.92 |
|
DMS Middlings |
126 |
18.9 |
0.48 |
1.04 |
77.8 |
14.2 |
0.41 |
0.02 |
0.08 |
3.25 |
1.58 |
0.49 |
0.09 |
14.6 |
20.2 |
16.7 |
27.7 |
6.04 |
13.3 |
16.0 |
11.6 |
27.0 |
9.45 |
|
DMS Tailings |
349 |
52.3 |
0.22 |
0.46 |
74.1 |
14.5 |
0.08 |
0.07 |
0.12 |
4.70 |
3.46 |
0.19 |
0.21 |
18.2 |
53.2 |
47.3 |
15.9 |
60.1 |
57.6 |
64.0 |
70.0 |
28.3 |
64.3 |
|
Mag Con |
10.5 |
1.58 |
0.70 |
1.50 |
33.6 |
21.1 |
2.24 |
0.32 |
0.16 |
1.23 |
2.53 |
1.37 |
0.90 |
1.77 |
0.73 |
2.08 |
12.7 |
8.72 |
2.28 |
0.51 |
1.55 |
6.27 |
8.31 |
|
Hypofines |
108 |
16.2 |
0.56 |
1.21 |
71.3 |
16.4 |
0.51 |
0.08 |
0.15 |
4.26 |
2.42 |
0.61 |
0.13 |
14.6 |
15.8 |
16.5 |
29.6 |
23.2 |
21.9 |
18.0 |
15.1 |
28.5 |
12.0 |
|
Head (calc.) |
668 |
100 |
0.62 |
1.34 |
72.9 |
16.0 |
0.28 |
0.06 |
0.11 |
3.83 |
2.58 |
0.35 |
0.17 |
100 |
100 |
100 |
100 |
100 |
100 |
100 |
100 |
100 |
100 |
|
Head(direct) |
0.69 |
1.48 |
73.7 |
16.3 |
0.26 |
0.03 |
0.08 |
3.75 |
2.64 |
0.48 |
0.08 |
||||||||||||
Table 13‑43: Global combined DMS results with middlings re-crush
|
Product |
Weight |
Assays (%) |
Distribution (%) |
||||||||||||||||||||
|
kg |
% |
Li |
Li2O |
SiO2 |
Al2O3 |
Fe2O3 |
MgO |
CaO |
Na2O |
K2O |
P2O5 |
MnO |
Li |
SiO2 |
Al2O3 |
Fe2O3 |
MgO |
CaO |
Na2O |
K2O |
P2O5 |
MnO |
|
|
DMS Concentrate |
74.2 |
11.1 |
2.84 |
6.11 |
66.4 |
25.04 |
0.35 |
0.01 |
0.05 |
0.53 |
0.41 |
0.31 |
0.09 |
51.0 |
10.2 |
17.3 |
13.8 |
1.85 |
4.30 |
1.53 |
1.75 |
10.1 |
6.07 |
|
Expected DMS Re-crush Conc. |
5.42 |
0.81 |
2.61 |
5.61 |
63.7 |
25.2 |
0.85 |
0.04 |
0.15 |
0.59 |
0.33 |
1.12 |
0.19 |
3.42 |
0.71 |
1.28 |
2.44 |
0.54 |
0.97 |
0.13 |
0.10 |
2.68 |
0.92 |
|
Expected DMS Re-crush Tail |
84.0 |
12.6 |
0.33 |
0.72 |
77.5 |
14.1 |
0.43 |
0.03 |
0.07 |
3.34 |
1.74 |
0.43 |
0.05 |
6.80 |
13.4 |
11.0 |
19.2 |
6.40 |
7.10 |
11.04 |
8.44 |
15.8 |
3.99 |
|
DMS Midllings |
19.8 |
2.97 |
0.48 |
1.03 |
80.1 |
13.2 |
0.41 |
0.01 |
0.07 |
2.20 |
1.81 |
0.36 |
0.04 |
2.30 |
3.29 |
2.45 |
4.30 |
0.49 |
1.66 |
1.72 |
2.07 |
3.16 |
0.71 |
|
DMS Tailings |
349 |
52.3 |
0.22 |
0.46 |
74.1 |
14.5 |
0.08 |
0.07 |
0.12 |
4.70 |
3.46 |
0.19 |
0.21 |
18.2 |
53.5 |
47.3 |
15.6 |
57.7 |
50.9 |
64.5 |
69.7 |
28.8 |
65.9 |
|
Mag Con |
10.5 |
1.58 |
0.70 |
1.50 |
33.6 |
21.1 |
2.24 |
0.32 |
0.16 |
1.23 |
2.53 |
1.37 |
0.90 |
1.78 |
0.73 |
2.08 |
12.5 |
8.37 |
2.02 |
0.51 |
1.54 |
6.39 |
8.51 |
|
Re-crush Undersize |
13.7 |
2.05 |
0.46 |
0.99 |
75.8 |
15.2 |
0.42 |
0.05 |
0.15 |
4.13 |
1.55 |
0.65 |
0.13 |
1.52 |
2.14 |
1.94 |
3.03 |
1.70 |
2.46 |
2.22 |
1.22 |
3.93 |
1.59 |
|
Re-crush Undersize |
3.04 |
0.46 |
0.41 |
0.88 |
15.7 |
0.8 |
0.03 |
0.09 |
3.08 |
2.26 |
0.46 |
0.07 |
0.02 |
0.30 |
0.10 |
0.02 |
0.05 |
0.68 |
11.2 |
0.27 |
0.08 |
0.09 |
0.05 |
|
Hypofines |
108 |
16.2 |
0.56 |
1.21 |
71.3 |
16.4 |
0.51 |
0.08 |
0.15 |
4.26 |
2.42 |
0.61 |
0.13 |
14.7 |
15.9 |
16.5 |
29.0 |
22.3 |
19.4 |
18.1 |
15.0 |
29.0 |
12.3 |
|
Head (calc.) |
667 |
100 |
0.62 |
1.33 |
72.5 |
16.0 |
0.28 |
0.06 |
0.13 |
3.81 |
2.59 |
0.34 |
0.17 |
100 |
100 |
100 |
100 |
100 |
100 |
100 |
100 |
100 |
100 |
|
Head (direct) |
0.62 |
1.34 |
72.9 |
16.0 |
0.28 |
0.06 |
0.11 |
3.83 |
2.58 |
0.35 |
0.17 |
||||||||||||
|
DMS and Re-crush Conc. |
79.6 |
11.9 |
2.82 |
6.08 |
66.2 |
25.0 |
0.39 |
0.01 |
0.06 |
0.53 |
0.40 |
0.36 |
0.10 |
54.4 |
10.9 |
18.6 |
16.2 |
2.39 |
5.27 |
1.66 |
1.85 |
12.8 |
6.99 |
![]() |
| SGS Canada Inc. |
|
Technical Report – Grota do Cirilo Lithium Project – Araçuai and Itinga Regions, Minas Gerais, Brazil |
Table 13‑44 gives a summary of the final concentrate grades and recoveries for the DMS test work.
Table 13‑44: Summary of DMS concentrate grade and recovery
|
STREAM |
GRADE, % LI2O |
STAGE RECOVERY, % |
|
Coarse Fraction Fines Fraction Ultrafines Fraction |
5.72 6.20 6.48 |
58.1 60.5 58.6 |
|
Combined Without Re-crush Combined With Re-crush |
6.11 6.08 |
59.5 63.8 |
The stage recovery data obtained for the DMS testwork shows that the option of re-crushing of the middlings from the second pass of the coarse and fine DMS testwork improved the stage lithium recovery by 4.3%. The re-crushing of the middlings should be considered for the Barreiro deposit if the global lithium recovery is low.
The DMS concentrate was analyzed using XRD to determine semi-quantitative mineralogy. The results are presented in Table 13‑45. The primary lithium-bearing mineral in the DMS concentrate was spodumene with minor amounts of cookeite and ferrisicklerite.
Table 13‑45: DMS concentrate semi-quantitative XRD analysis
|
MINERAL |
COMPOSITION, % |
|
Spodumene Quartz Albite Muscovite Cookeite Ferrisicklerite Magnetite |
74.8 14.4 4.5 3.6 2.2 0.3 0.2 |
|
13.3.6 |
Barreiro recovery and basis of assumptions |
The Barreiro plant mass balance was produced based on stage recoveries achieved during pilot-scale DMS operation on the composite sample:
|
● |
Coarse fraction stage lithium recovery of 58.1% |
|
● |
Fines fraction stage lithium recovery of 60.5% |
|
● |
Ultrafines fraction stage lithium recovery of 58.6% |
Mass reporting to the hypofines fraction was 16% with associated lithium loss of 13.8%.
![]() |
| SGS Canada Inc. |
|
Technical Report – Grota do Cirilo Lithium Project – Araçuai and Itinga Regions, Minas Gerais, Brazil |
Barreiro plant design is based on producing a target 6.0% Li2O lithium oxide concentrate with global lithium recovery of 50.9%. Re-crushing of the combined coarse and fines middlings of the second pass DMS must be considered on the Barreiro deposit due to the low global lithium recovery of 50.9%.
|
13.3.7 |
Impact of Lower Recovery Grade on Recovery |
The metallurgical testwork was conducted on five samples for this project as follows:
|
● |
4 variability samples |
|
● |
1 composite samples |
The description/composition of each variability sample is outlined in Table 13.27 with the composite sample containing 28.5% of Var 1, 24.5% of Var 2, 23.5% of Var 3 and 23.5% of Var 4.
This set of data was then used in the calculations to determine the impact of decreasing the product grade from 6% to 5.5% on Li2O recovery and yield. Both Li2O recovery and product yield calculations are on a global basis i.e., relative to the fresh feed inclusive of the fines. It has been assumed that the fines do not contribute to the product and have been assigned a zero yield.
Table 13-46 shows the summary of global recovery and yield between 6% and 5.5% Li2O product grade.
Table 13‑46: Barreiro Global Recovery and Yield between 6% and 5.5% Li2O Product Grade
|
6.0% Li2O |
5.5 % Li2O |
Relative (5.5% vs 6.0%) |
|||||
|
Size |
ID |
Yield |
Li2O Recovery |
Yield |
Li2O Recovery |
Yield |
Li2O Recovery |
|
9.5 |
Var 1 |
11.22 |
49.18 |
12.7 |
51.02 |
1.04 |
1.13 |
|
9.5 |
Var 2 |
22.86 |
68.96 |
26 |
71.89 |
1.04 |
1.14 |
|
9.5 |
Var 3 |
12.35 |
56.92 |
14.05 |
59.33 |
1.04 |
1.14 |
|
9.5 |
Var 4 |
8.56 |
54.19 |
9.76 |
56.66 |
1.05 |
1.14 |
|
9.5 |
Comp |
13.5 |
57.29 |
15.67 |
60.98 |
1.06 |
1.16 |
|
Overall Median Value |
1.04 |
1.14 |
|||||
|
Overall Relative Increase (%) |
4.26 |
13.74 |
|||||
Given the narrow relative recovery range between the 6 samples the median of the data set was used. The global recovery at 6% concentrate grade is assumed to be 50.9%, using this relative increase the recovery at 5.5% is assumed to be 57.9%.
|
13.4 |
NEZINHO DO CHICÃO TEST WORK (2022) |
|
13.4.1 |
Overview |
A PFS-level metallurgical test work program was undertaken on samples from the NDC deposit from April 2022 to December 2022 at SGS Canada Inc. (Lakefield, Ontario). Three variability samples were composited to represent a low, medium and high-grade sample with subsamples of each variability sample being composited into a Master Composite. All four samples were subjected to the following testwork:
![]() |
| SGS Canada Inc. |
|
Technical Report – Grota do Cirilo Lithium Project – Araçuai and Itinga Regions, Minas Gerais, Brazil |
|
● |
Sample preparation and characterization |
|
● |
Mineralogical analyses |
|
● |
Heavy liquid separation (HLS) |
|
● |
Dense media separation (DMS) in a pilot plant |
|
● |
Magnetic Separation |
The program's goals were to provide a preliminary indication of the lithium beneficiation performance using ore from the NDC deposit in Minas Gerais, Brazil. The test work program was developed based on previous test work and flowsheet developed for the Xuxa and Barreiro deposit. The aim of the test work program was to produce a combined spodumene and petalite concentrate containing ≥5.5% Li2O with low iron content (<1% Fe2O3), while maximizing lithium recovery.
|
13.4.2 |
Sample Selection |
The aim of the NDC sample selection process for the metallurgical test work program was to select three variability samples (High, Medium, and Low-Grade) of at least 500 kg. Sub-samples from each variability sample would then be blended to create a master composite. Three thousand seven hundred forty-seven (3747) individual assays were available at SGS Canada Inc. (Lakefield, ON) for production of the variability samples. Figure 13‑16 depicts the lithium (Li2O) grades and the localization within the NDC deposit of the drill hole intervals used for producing the variability samples.

Figure 13‑15: Lithium (Li2O) Grade and Localization of the Drill Holes used to produce the NDC Variability Samples
![]() |
| SGS Canada Inc. |
|
Technical Report – Grota do Cirilo Lithium Project – Araçuai and Itinga Regions, Minas Gerais, Brazil |
|
13.4.3 |
Test Work Results |
|
13.4.3.1 |
Sample Preparation and Characterization |
Chemical analysis of the three variability samples and the Master composite sample are shown in Table 13‑47. The head grades of the variability samples ranged from 1.08% Li2O in the Low-Grade sample to 1.78% Li2O in the High-Grade sample. The iron content varied from 0.54% to 1.06% Fe2O3 and was highest in the Low-Grade sample.
Table 13‑47: Variability Sample and Composite Sample Assays
|
|
Sample |
|||
| Element / Oxide |
High-Grade |
Med-Grade |
Low-Grade |
Master Comp |
|
Composition, % |
||||
|
Li |
0.83 |
0.70 |
0.50 |
0.64 |
|
Li2O |
1.78 |
1.51 |
1.08 |
1.38 |
|
SiO2 |
72.9 |
72.4 |
71.4 |
73.8 |
|
Al2O3 |
16.3 |
16.5 |
16.3 |
16.3 |
|
Fe2O3 |
0.58 |
0.54 |
1.06 |
0.50 |
|
MgO |
0.04 |
0.04 |
0.29 |
0.10 |
|
CaO |
0.08 |
0.08 |
0.16 |
0.11 |
|
Na2O |
3.59 |
4.01 |
4.31 |
4.01 |
|
K2O |
2.21 |
2.51 |
2.66 |
2.59 |
|
TiO2 |
< 0.01 |
< 0.01 |
0.08 |
0.02 |
|
P2O5 |
0.44 |
0.33 |
0.37 |
0.40 |
|
MnO |
0.13 |
0.1 |
0.08 |
0.09 |
Table 13‑48 shows the semi-quantitative X-ray Diffraction (XRD) analysis for the three variability samples and the Master composite sample. Spodumene content ranged from 10.3% to 14.1%.
![]() |
| SGS Canada Inc. |
|
Technical Report – Grota do Cirilo Lithium Project – Araçuai and Itinga Regions, Minas Gerais, Brazil |
Table 13‑48: Semi-quantitative XRD analysis of the three variability samples and the Master composite sample
|
|
Sample |
|||
| Element / Oxide |
High-Grade |
Med-Grade |
Low-Grade |
Master Comp |
|
Composition, % |
||||
|
Albite |
29.9 |
32.7 |
34.7 |
32.5 |
|
Quartz |
26.4 |
26.2 |
26.1 |
27.8 |
|
Spodumene |
14.1 |
13.7 |
10.3 |
11.4 |
|
Orthoclase |
6.2 |
8.5 |
9.7 |
7.8 |
|
Muscovite |
8.7 |
8.4 |
7.0 |
9.2 |
|
Petalite |
10.5 |
7.7 |
5.8 |
7.7 |
|
Cookeite |
3.6 |
2.3 |
3.5 |
2.9 |
|
Biotite |
- |
- |
1.8 |
- |
|
Siderite |
0.5 |
0.4 |
0.6 |
0.7 |
|
Beryl |
- |
- |
0.6 |
- |
|
Chalcopyrite |
0.1 |
- |
- |
- |
|
Total |
100 |
100 |
100 |
100 |
Based on the semi-quantitative XRD analysis, the amount of lithium contained in spodumene was estimated for each sample (Table 13‑49). Lithium present in spodumene ranged from 65.0% to 68.5% and in petalite ranged from 23.2% to 29.0%. The lithium bearing mineral cookeite was highest in the Low-Grade sample along with minor amounts of beryl.
Table 13‑49: Estimates of Lithium Deportment to Spodumene and Petalite
|
|
Sample |
|||
| Element / Oxide |
High-Grade |
Med-Grade |
Low-Grade |
Master Comp |
|
Composition, % |
||||
|
Spodumene |
65.0 |
71.6 |
68.5 |
66.9 |
|
Petalite |
29.0 |
24.1 |
23.2 |
27.1 |
|
Total |
94.1 |
95.7 |
91.7 |
93.9 |
|
13.4.4 |
Heavy Liquid Separation |
Two sets of HLS tests were undertaken. The first set was conducted on the Master Composite sample to test optimal crush size for DMS at four size fractions (i.e., top size of (-15.9/+0.5 mm, -12.5/+0.5 mm, -9.5/+0.5 mm, and -6.3/+0.5 mm). The determined optimal crush size was then used to perform three additional HLS tests with each variability sample, which were also analyzed in three size fractions denoted as coarse, fine, and ultrafine (-9.5/+4.0 mm, -4.0/+1.7 mm, -1.7/+0.5mm, respectively). The -0.5 mm fraction was screened out from each sub-sample but is factored into the overall metallurgical mass balance. The oversize fraction was submitted for HLS testing with a heavy liquid comprised of methylene iodide diluted with acetone. Each HLS test included specific gravity (SG) cut points of 2.95, 2.90, 2.85, 2.80, 2.70, 2.65, 2.60, 2.50, and 2.45.
|
13.4.4.1 |
HLS: Master Composite Sample Optimal Crush Size |
Grade - recovery curves for the HLS tests to determine optimal crush size are presented in Figure 13‑17 and Figure 13‑18, for stage and global, respectively.
![]() |
| SGS Canada Inc. |
|
Technical Report – Grota do Cirilo Lithium Project – Araçuai and Itinga Regions, Minas Gerais, Brazil |
Lithium stage and global recoveries were estimated (interpolated) for 6.0% Li2O concentrate and increased with decreasing particle size, most likely due to increased spodumene liberation (Table 13‑50). Estimated lithium stage recovery to produce 6.0% Li2O concentrate ranged from 39.1% for the -15.9 mm crush size to 57.3% for the -6.3 mm crush size.
Table 13‑50: HLS Interpolated stage and global lithium recoveries (6% Li2O concentrate) for each crush size
|
Recovery |
Estimated Lithium Recovery, % |
|||
|
-15.9 mm |
-12.5 mm |
-9.5 mm |
-6.3 mm |
|
|
Stage |
39.1 |
44.8 |
53.9 |
57.3 |
|
Global |
36.1 |
39.2 |
46.4 |
46.6 |

Figure 13‑16: Master Composite Cumulative Lithium Grade - Stage Recovery Curves for HLS Tests
![]() |
| SGS Canada Inc. |
|
Technical Report – Grota do Cirilo Lithium Project – Araçuai and Itinga Regions, Minas Gerais, Brazil |

Figure 13‑17: Master Composite Cumulative Lithium Grade - Global Recovery Curves for HLS Tests
The HLS grade vs. recovery results with the Master Composite determined the optimal crush size to be -9.5 mm. The stage and global lithium recoveries at the coarser crush sizes of -15.9 mm and -12.5 mm were considerably lower than that at -9.5 mm. Although the stage lithium recovery at -6.3 mm was higher than that of -9.5 mm, high lithium loss to the -0.5 mm fraction at -6.3 mm led the global lithium recovery to fall below the performance at - 9.5 mm (Table 13-51). A -9.5 mm crush size corresponds with previous test work and process design for the Xuxa lithium DMS operation.
The petalite was concentrated in the SG 2.45 floats, which contained 11.9 % to 12.9% of the total lithium distribution, and 4.1% to 4.6% of the mass distribution.
Table 13‑51: Summary of Master Composite HLS Tests with Dry Magnetic Separation for Optimum Crush Size
|
|
Non Mag Spod. Conc. - 6.0% Li2O (Int.) |
Petalite Conc. (SG 2.45) |
-0.5 mm Fraction |
|||||||
| Crush Size |
HLS SG |
Assay (%) |
Distribution (%) |
Assay (%) |
Distribution (%) |
Distribution (%) |
||||
|
Fe2O3 |
Mass |
Li |
Li2O |
Fe2O3 |
Mass |
Li |
Mass |
Li |
||
|
-15.9 mm |
2.89 |
0.36 |
8.9 |
36.9 |
4.07 |
0.07 |
4.6 |
12.9 |
9.3 |
7.7 |
|
-12.5 mm |
2.85 |
0.37 |
9.5 |
40.0 |
4.15 |
0.05 |
4.2 |
12.2 |
15 |
12.7 |
|
-9.5 mm |
2.80 |
0.35 |
11.8 |
47.9 |
4.11 |
0.05 |
4.3 |
12.0 |
17.6 |
13.9 |
|
-6.3 mm |
2.78 |
0.37 |
11.4 |
47.4 |
4.11 |
0.04 |
4.1 |
11.9 |
23.2 |
18.6 |
|
13.4.4.2 |
HLS: Variability Samples |
HLS tests were performed on the High, Medium, and Low-Grade variability samples at the optimum crush size of -9.5 mm, and the results were analyzed on a global and stage basis to determine the best SG cut-points for DMS. The targeted overall lithium recovery in the combined spodumene and petalite concentrate is 5.5% Li2O. The SG cut-point of the petalite concentrate was reduced to 2.40 in the tests to improve the petalite concentrate grade and overall lithium recovery in the combined concentrate. Detailed size-by-size HLS mass balances are shown in Table 13‑52 to Table 13‑55.
![]() |
| SGS Canada Inc. |
|
Technical Report – Grota do Cirilo Lithium Project – Araçuai and Itinga Regions, Minas Gerais, Brazil |
The global results revealed that combined spodumene and petalite concentrates grading 5.5% Li2O with lithium recoveries between 51.9% and 55.6% could be produced at a crush size of -9.5 mm from all three variability samples. The interpolated SG of the lithium oxide concentrate from the full distribution was 2.82 for the High and Medium-Grade samples and 2.86 for the Low-Grade sample. The global HLS lithium oxide concentrates graded between 5.70% and 5.95% Li2O with global lithium distributions between 42.7% and 47.7%. The HLS petalite concentrates with grades between 3.85% and 4.54% Li2O with lithium distributions between 7.8% and 9.4% at the lower SG of 2.40. The combined spodumene and petalite concentrates all graded <1.0% Fe2O3, however, the Low-Grade sample was very close to the Fe2O3 limit. Magnetic separation was shown to reduce the iron level of the combined Low-Grade HLS concentrate to 0.38% Fe2O3.
The HLS lithium oxide concentrate, middlings, tailings, and petalite concentrate from the Medium-Grade sample underwent XRD analysis to calculate the mineral balance (Table 13‑55). The lithium oxide concentrate contained 70.7% spodumene and quartz, muscovite, and albite were the major contaminant. The petalite losses were high in the HLS tailings (69.1%), while most of the unconcentrated spodumene reported to the HLS middlings (24.0%).
![]() |
| SGS Canada Inc. |
|
Technical Report – Grota do Cirilo Lithium Project – Araçuai and Itinga Regions, Minas Gerais, Brazil |
Table 13‑52: High-Grade Variability Sample HLS Results

Table 13‑53: Medium-Grade Variability Sample HLS Results

![]() |
| SGS Canada Inc. |
|
Technical Report – Grota do Cirilo Lithium Project – Araçuai and Itinga Regions, Minas Gerais, Brazil |
Table 13‑54: Low-Grade Variability Sample HLS Results

Table 13‑55: Mineral Mass Balance for Medium-Grade HLS

![]() |
| SGS Canada Inc. |
|
Technical Report – Grota do Cirilo Lithium Project – Araçuai and Itinga Regions, Minas Gerais, Brazil |
|
13.4.5 |
Dense Media Separation |
The DMS test work was performed on the Master Composite sample crushed to -9.5mm, then screened into coarse (-9.5 mm / +4.0 mm), fine (-4.0 mm / +1.7 mm) and ultrafine (-1.7 mm / +0.5 mm) size fractions separately.
DMS feed was pre-screened at 500 μm to remove fine particles. The density of the circulating media was controlled to produce the desired SG cut-points and tracer tests were conducted prior to testing to ensure that the SG was at the desired target.
Each size fraction underwent two DMS passes. The first pass was operated at a lower density to reject silicate gangue minerals (SG of 2.65). The first pass sink product was repassed through the DMS at a higher density cut-point to produce lithium oxide concentrate. The floats from each first pass were then run through a DMS step at a SG cut-point of 2.40 to produce a “petalite” concentrate, which reports to the float.
The cut-points for the second pass were based on interpolated HLS data for the production of 6% Li2O lithium oxide concentrate. The coarse, fine, and ultrafine density target cut-points were 2.83, 2.79, and 2.79, respectively. SG cut-points for each DMS pass were selected based on the variability sample HLS results.
To maximize spodumene/lithium recovery additional circulation of the middlings (2nd stage float) was integrated by returning to the 2nd stage DMS feed, post re-crush (- 4mm / + 0.5mm).
The DMS middling concentrate and lithium oxide concentrate were then magnetically separated (dry) at 10,000 gauss to produce a final lithium oxide concentrate, with low iron content.
|
13.4.5.1 |
DMS Results |
The result from this work is presented in Table 13‑56, Table 13‑57, and Table 13‑58.
The coarse fraction DMS concentrate grade was slightly below target at 5.29% Li2O with lithium stage recovery of 54.3%. Mass pull to the concentrate was 15.8% and iron content of the concentrate was 0.52% Fe2O3. A proportion of the lithium in the coarse fraction (12.5%) reported to the middlings stream which graded 0.95% Li2O. The tailings contained 27.1% of the contained Li at a grade of 0.69% Li2O and accounted for 60.5% of the mass of the coarse fraction. The fraction of Li recovered from the petalite circuit was 4.4% with a contained Li2O of 3.96%.
The fines fraction DMS produced concentrate grading 5.40% Li2O with a staged recovery of 57.9% in 15.5% of the mass. Lithium reported to the middlings, was then split into magnetics and non-magnetics, which graded on average to 1.23% Li2O and a mass yield of 1.6%. The fines DMS tailings graded 0.56% Li2O with 23.30% lithium global losses 60.2% of the mass. Dry magnetic separation did show some success in rejecting iron, with the magnetic concentrate upgraded to 8.78% Fe2O3 with lithium losses of only 1.5%. The fraction of Li recovered from the petalite circuit was 9.4% with a contained Li2O of 3.94%.
For the ultrafines fraction, relatively high-grade lithium oxide concentrate was produced 5.70% Li2O with 55.6% lithium stage recovery on a mass yield of 13.4%. The middlings graded 0.47% Li2O and accounted for 5.2% of the lithium, in 15.1% of the mass. The ultrafines DMS tailings graded 0.39% Li2O, had a mass yield of 58.6% and accounted for 16.5% of the lithium. The fraction of Li recovered from the petalite circuit was 18.1% with a contained Li2O of 2.45%.
![]() |
| SGS Canada Inc. |
|
Technical Report – Grota do Cirilo Lithium Project – Araçuai and Itinga Regions, Minas Gerais, Brazil |
Table 13‑56: Coarse fraction DMS stage results

Table 13‑57: Fines fraction DMS stage results

Table 13‑58: Ultrafines fraction DMS stage results

![]() |
| SGS Canada Inc. |
|
Technical Report – Grota do Cirilo Lithium Project – Araçuai and Itinga Regions, Minas Gerais, Brazil |
The master composite (-9.5mm) was also run through two bulk DMS trials as per the flowsheet description above, with the SG cuts listed:
|
● |
Trial 1: DMS SG target for each size fraction; 2.83 (coarse), 2.79 (fines), 2.79 (ultrafines), petalite 2.40 |
|
● |
Trial 2: DMS SG target for each size fraction; 2.87 (coarse), 2.81 (fines), 2.81 (ultrafines), petalite 2.37 |
The global results for this scope, for the master composite are presented in for each size fraction and combined respectively, for Trial 1 and Trial 2.
|
13.4.5.1.1 |
Trial 1 Results |
For details on each size fractions coarse, fines and ultrafines DMS response refer to Table 13‑59, Table 13‑60 and Table 13‑61 respectively. The following is the summary for the global combined results.
It will be generally noted that the Li2O concentration for all size fractions did not reach >6.0% but did have a Li2O:Fe ratio of >9.5:1. The overall performance for the “flowsheet” based on the results is summarized in Table 13‑60.
The global performance, combining the three products was a DMS concentrate grade being below target at 5.36% Li2O with lithium global recovery of 47.4%. Mass pull to the concentrate was 12.8% and iron content of the concentrate was 0.53% Fe2O3. The proportion of the lithium (9.2%) that reported to the middlings stream graded 0.83% Li2O, 0.64% Fe2O3 and was considered worth upgrading. The DMS tailings consisted of 21.7% of the contained Li at a grade of 0.63% Li2O and accounted for 49.9% of the mass of the coarse fraction.
The total global performance with the addition of the petalite recovery stream equated to a Li2O recovery of 53.3%, in 15.3% of the mass with a nominal grade of 5.02% Li2O and 0.47% Fe2O3.
The staged performance with the addition of the petalite recovered stream, equates to a Li2O recovery of 61.9% in 18.5% of the DMS feed mass, with a nominal grade of 5.02%.
|
13.4.5.1.2 |
Trial 2 Results |
For details on each size fractions coarse, fines, ultrafines DMS response refer the tables presented, Table 13‑62, Table 13‑63 and Table 13‑64 respectively. The following is the summary for the global combined results. It will be generally noted that the Li2O concentration for all size fractions did not reach >6.0% but did have a Li2O:Fe ratio of >9.5:1.
The overall performance for the “flowsheet” based on the results is summarized in Table 13‑63.
The global performance, combining the three products, was a DMS concentrate grade being below target at 5.88% Li2O with lithium global recovery of 45.5%. Mass pull to the concentrate was 11.2% and very low iron content of the concentrate was 0.36% Fe2O3. The proportion of the lithium (11.5%) that reported to the middlings stream graded 0.92% Li2O, 0.75% Fe2O3 and was considered worth upgrading. The DMS tailings consisted of 22.3% of the contained Li at a grade of 0.64% Li2O and accounted for 50.5% of the mass of the coarse fraction.
The total performance with the addition of the petalite recovery stream equated to a Li2O recovery of 50.6%, in 13.1% of the mass with a nominal grade of 5.57% Li2O and 0.34% Fe2O3.
The staged performance with the addition of the petalite recovered stream, equates to a Li2O recovery of 58.7% in 15.8% of the DMS feed mass, with a nominal grade of 5.57%.
![]() |
| SGS Canada Inc. |
|
Technical Report – Grota do Cirilo Lithium Project – Araçuai and Itinga Regions, Minas Gerais, Brazil |
Table 13‑59: DMS Global results (Master Composite) – 1st Trial

![]() |
| SGS Canada Inc. |
|
Technical Report – Grota do Cirilo Lithium Project – Araçuai and Itinga Regions, Minas Gerais, Brazil |
Table 13‑60: DMS Global results (Master Composite) Combined – 1st Trial

Table 13‑61: DMS Stage results (Master Composite) Combined – 1st Trial

![]() |
| SGS Canada Inc. |
|
Technical Report – Grota do Cirilo Lithium Project – Araçuai and Itinga Regions, Minas Gerais, Brazil |
Table 13‑62: DMS Global results (Master Composite) – 2nd Trial

![]() |
| SGS Canada Inc. |
|
Technical Report – Grota do Cirilo Lithium Project – Araçuai and Itinga Regions, Minas Gerais, Brazil |
Table 13‑63: DMS Global results (Master Composite) Combined – 2nd Trial

Table 13‑64: DMS Stage results (Master Composite) Combined – 2nd Trial

![]() |
| SGS Canada Inc. |
|
Technical Report – Grota do Cirilo Lithium Project – Araçuai and Itinga Regions, Minas Gerais, Brazil |
|
13.4.6 |
NDC recovery and basis of assumptions |
Pilot-scale DMS test work was operated on the composite sample. DMS test work results showed combined lithium oxide concentrate grade with petalite included producing a 5.50% Li2O and stage recovery of 58.7% for a global recovery of 50.6% which corresponds to the results achieved for the Barreiro deposit at 50.9% for the global recovery. The NDC and Barreiro deposits performed poorer when compared to the Xuxa deposit with the processing of the Xuxa deposit achieving a 60.4% global recovery at a concentrate grade of 6% Li2O.
A mass balance was produced based on global recoveries achieved during Trial #2 pilot-scale DMS operation on the composite sample:
|
● |
Coarse fraction stage lithium recovery of 31.6% |
|
● |
Fines fraction stage lithium recovery of 9.69% |
|
● |
Ultrafines fraction stage lithium recovery of 4.18% |
Mass reporting to the hypofines fraction was 17.2% with associated lithium loss of 13.8%.
|
13.5 |
LAVRA DO MEIO, MAXIXE AND TAMBORIL TEST WORK (2024) |
|
13.5.1 |
Overview |
A PFS-level metallurgical test work program was undertaken on combined samples from the Lavra do Meio (LDM), Maxixe and Tamboril deposits at SGS Geosol in Belo Horizonte, Brazil. Four variability samples were composited to represent a low, medium and high-grade sample and a high-schist sample.
All four samples were subjected to the following test work:
|
• |
Sample preparation and characterization |
|
• |
Mineralogical analyses |
|
• |
Heavy liquid separation (HLS) |
|
• |
Dense media separation (DMS) in a pilot plant |
The primary objective of the program was to evaluate and develop a metallurgical flowsheet for lithium beneficiation from the four provided composites. The metallurgical target was to produce lithium oxide concentrates with grades of 5.3% and 5.5% Li2O and less than 1% Fe2O3, achieving maximum lithium recovery.
|
13.5.2 |
Test Work Results |
|
13.5.2.1 |
Sample Preparation and Characterization |
SGS Geosol inventoried and weighed all samples provided by Sigma, as shown in Table 13-65.
![]() |
| SGS Canada Inc. |
|
Technical Report – Grota do Cirilo Lithium Project – Araçuai and Itinga Regions, Minas Gerais, Brazil |
Table 13‑65: Sample Details
|
Sample ID |
Sample |
Sub-samples (nr) |
Weight (kg) |
Hole identification |
||
|
MET-SS1-HS-3279 |
High Schist |
206 |
308 |
DH-LDM |
DH-MAX |
DH-TAM |
|
MET-SS1-H-2784 |
High Grade |
207 |
293 |
DH-LDM |
DH-MAX |
DH-TAM |
|
MET-SS1-L-395 |
Low Grade |
223 |
318 |
DH-LDM |
DH-MAX |
DH-TAM |
|
MET-SS1-M-527 |
Medium Grade |
205 |
289 |
DH-LDM |
DH-MAX |
DH-TAM |
Each individual sample was stage-crushed to 100% below 9.5 mm, homogenized, and split into three portions.
|
● |
Approximately 50 kg for chemical characterization, granulometric tests, and heavy liquid tests. |
|
● |
Approximately 50 kg for dense media pilot plant setup and adjustments. |
|
● |
Approximately 200 kg for dense media pilot plant test work. |
Approximately 10 kg of each sample was prepared for chemical analysis. The head samples were analyzed using Sodium Peroxide fusion and ICP-AES finish (ICP90A/90Q), Borate Fusion/XRF finish (XRF79C), and Sodium Hydroxide Fusion with ISE finish for Fluorine. The results obtained are shown in Table 13-66.
Table 13‑66: Chemical Analysis Results
|
Sample |
|||||
|
Element/Oxide |
Unit |
High Schist |
High Grade |
Medium Grade |
Low Grade |
|
Li2O |
% |
1.21 |
2.18 |
1.15 |
0.74 |
|
SiO2 |
% |
75.70 |
75.20 |
75.00 |
73.20 |
|
Al2O3 |
% |
16.60 |
17.00 |
16.40 |
16.50 |
|
Fe2O3 |
% |
0.54 |
0.42 |
0.37 |
0.44 |
|
CaO |
% |
0.19 |
0.17 |
0.17 |
0.20 |
|
MgO |
% |
<0.1 |
<0.1 |
0.12 |
0.16 |
|
TiO2 |
% |
0.02 |
<0.01 |
<0.01 |
0.02 |
|
P2O5 |
% |
0.40 |
0.52 |
0.33 |
0.30 |
|
Na2O |
% |
3.81 |
3.09 |
3.72 |
4.15 |
|
K2O |
% |
2.40 |
2.29 |
2.95 |
2.92 |
|
MnO |
% |
0.15 |
0.15 |
0.13 |
0.12 |
|
LOI |
% |
1.02 |
1.01 |
1.05 |
1.18 |
|
Be |
ppm |
167.00 |
146.00 |
178.00 |
177.00 |
|
Pb |
ppm |
31.00 |
34.00 |
35.00 |
34.00 |
|
Sn |
ppm |
64.00 |
140.00 |
64.00 |
56.00 |
|
Sr |
ppm |
13.00 |
16.00 |
10.00 |
24.00 |
|
Ta |
ppm |
64.00 |
36.00 |
43.00 |
59.00 |
|
Zn |
ppm |
52.00 |
73.00 |
40.00 |
63.00 |
|
F |
ppm |
432.00 |
524.00 |
347.00 |
505.00 |
Table 13‑67 shows the semi-quantitative X-ray Diffraction (XRD) analysis for the four variability samples. Spodumene content ranged from 2.7% to 9.6%.
![]() |
| SGS Canada Inc. |
|
Technical Report – Grota do Cirilo Lithium Project – Araçuai and Itinga Regions, Minas Gerais, Brazil |
Table 13‑67: Semi-Quantitative XRD Analysis
|
Sample |
Quartz |
Petalite |
Microcline |
Muscovite |
Albite |
Spodumene |
Biotite |
Montebrasite |
|
% |
% |
% |
% |
% |
% |
% |
% |
|
|
High Schist |
29.2 |
8.8 |
7.8 |
9 |
38.2 |
6.2 |
0.4 |
0.5 |
|
High Grade |
25.3 |
18.1 |
8.8 |
8.3 |
28.1 |
9.6 |
0.3 |
1.5 |
|
Medium Grade |
28.4 |
7.6 |
12.1 |
6.6 |
37.5 |
6.6 |
0.2 |
1 |
|
Low Grade |
28.4 |
6.1 |
10.4 |
9 |
42.2 |
2.7 |
0.3 |
1 |
The XRD results show a significant presence of petalite in all samples. Table 13-68 shows the relative distribution of petalite and spodumene in the samples.
Table 13‑68: relative Distribution of Spodumene and Petalite
|
Sample |
LI2O DISTRIBUTION (%) |
|
|
Petalite |
Spodumene |
|
|
High Schist |
47.0 |
53.0 |
|
High Grade |
53.5 |
46.5 |
|
Medium Grade |
40.3 |
59.7 |
|
Low Grade |
59.0 |
41.0 |
Table 13-69 shows the results of the simulated Li2O feed considering that only spodumene will form the concentrate.
Table 13‑69: Li2O distribution and % of Li2O from Spodumene in the Feed
|
Sample |
LI2O DISTRIBUTION (%) |
LI2O FEED (%) |
||
|
Petalite |
Spodumene |
Total |
From spodumene |
|
|
High Schist |
47 |
53 |
1.34 |
0.71 |
|
High Grade |
53.5 |
46.5 |
2.02 |
0.94 |
|
Medium Grade |
40.3 |
59.7 |
1.22 |
0.73 |
|
Low Grade |
59 |
41 |
0.81 |
0.33 |
|
13.5.3 |
Heavy Liquid Separation |
Bench-scale heavy liquid separation (HLS) was undertaken on the four samples to assess their amenability to dense media separation (DMS) and to determine the optimal specific gravity (SG) cut-points for the DMS procedure.
![]() |
| SGS Canada Inc. |
|
Technical Report – Grota do Cirilo Lithium Project – Araçuai and Itinga Regions, Minas Gerais, Brazil |
The samples were crushed to four size fractions: 9.5mm to 6.35mm, 6.35mm to 4.00mm, 4.00mm to 1.7mm and 1.7mm to 0.5mm. After the size tests, a chemical analysis of the samples was undertaken. Table 13-70 shows the test results and chemical analysis for each sample fraction.
Table 13‑70: Size Fraction and Chemical Analysis results
|
|
|
|
ICP90A |
ICP90A |
ICP90A |
ICP90A |
ICP90A |
| Sample | Size range | Size Distribution % |
Li2O |
Al2O3 |
Fe2O3 |
K2O |
P2O5 |
|
% |
% |
% |
% |
% |
|||
|
9.5 - 6.35mm |
26.4 |
1.51 |
15.92 |
0.43 |
2.64 |
0.3 |
|
|
6.35 - 4mm |
20.84 |
1.23 |
14.87 |
0.4 |
2.52 |
0.27 |
|
| High Schist |
4 - 1.7mm |
20.04 |
1.29 |
14.58 |
0.4 |
2.52 |
0.3 |
|
1.7 - 0.5mm |
16.48 |
1.26 |
14.58 |
0.39 |
2.41 |
0.34 |
|
|
- 0.5mm |
16.23 |
1.01 |
15.28 |
0.83 |
2.22 |
0.48 |
|
|
|
9.5 - 6.35mm |
21.32 |
2.22 |
15.89 |
0.31 |
2.22 |
0.41 |
|
6.35 - 4mm |
23.93 |
2.04 |
16.06 |
0.34 |
2.47 |
0.32 |
|
| High Grade |
4 - 1.7mm |
22.73 |
1.93 |
15.6 |
0.36 |
2.37 |
0.39 |
|
1.7 - 0.5mm |
17.36 |
1.86 |
14.83 |
0.37 |
2.17 |
0.48 |
|
|
- 0.5mm |
14.65 |
1.58 |
13.77 |
0.54 |
1.72 |
0.66 |
|
|
|
9.5 - 6.35mm |
20.02 |
0.78 |
14.66 |
0.33 |
3.41 |
0.21 |
|
6.35 - 4mm |
23.17 |
0.78 |
15.45 |
0.37 |
3.52 |
0.23 |
|
| Medium Grade |
4 - 1.7mm |
21.22 |
0.85 |
15.06 |
0.36 |
3.33 |
0.23 |
|
1.7 - 0.5mm |
17.97 |
0.83 |
15.32 |
0.44 |
2.92 |
0.27 |
|
|
- 0.5mm |
17.62 |
0.66 |
17.15 |
0.82 |
2.8 |
0.37 |
|
|
|
9.5 - 6.35mm |
21.93 |
1.38 |
15.06 |
0.24 |
2.86 |
0.16 |
|
6.35 - 4mm |
20.98 |
1.15 |
14.87 |
0.27 |
3.02 |
0.25 |
|
| Low Grade |
4 - 1.7mm |
22.48 |
1.19 |
14.56 |
0.3 |
2.96 |
0.23 |
|
1.7 - 0.5mm |
18.73 |
1.14 |
14.64 |
0.36 |
2.81 |
0.37 |
|
|
- 0.5mm |
15.87 |
0.93 |
15.17 |
0.46 |
2.49 |
0.41 |
|
Each size fraction was subjected to HLS testing using six specific gravity (SG) cut points: 2.9, 2.8, 2.7, 2.6, 2.5, and 2.4.
The first pass was conducted using a heavy liquid with the highest specific gravity (2.9). The float product was subsequently passed through the next heavy liquid with a lower specific gravity. This procedure was continued until the material passed through the lowest SG cut point (2.4). The sink fraction product from each pass and the float product of the lowest SG were dried, weighed, prepared, and analyzed.
![]() |
| SGS Canada Inc. |
|
Technical Report – Grota do Cirilo Lithium Project – Araçuai and Itinga Regions, Minas Gerais, Brazil |
The desired specific gravity was obtained using methylene iodide (3.29 g/cm³ SG) diluted with acetone (SG = 0.79 g/cm³) to create mixtures of different densities. For the fractions 9.5–6.35 mm, 6.35–4 mm, and 4–1.7 mm, the tests were performed using beakers. For the 1.7–0.5 mm fraction, funnel separators were used.
The sink product from each size fraction was analysed and a weighted average was used for the calculation of the total sample.
Table 13-71 shows the metallurgical balance for sample MET-SS1-HS-3279 for the 9.5mm to 6.35mm size fraction at the different densities, while Table 13-72 shows the cumulative Li2O recovery and the mass pull for sample MET-SS1-HS-3279 for the 9.5mm to 6.35mm size fraction for the different densities.
Table 13‑71: Metallurgical Balance for Sample MET-SS1-HS-3279 for the 9.5mm to 6.35mm Size Fraction
|
|
Stage deportment |
|||||||||||
| Fraction |
Mass |
Li2O |
Al2O3 |
Fe2O3 |
K2O |
P2O5 |
Yield |
Li2O |
Al2O3 |
Fe2O3 |
P2O5 |
|
|
% |
% |
% |
% |
% |
% |
% |
% |
% |
% |
% |
||
|
SG 2.90 |
SX |
8.75 |
7.04 |
23.57 |
0.88 |
0.4 |
0.62 |
8.75 |
39.63 |
13.2 |
21.13 |
1.43 |
|
SG 2.80 |
SX |
2.12 |
3.58 |
22.25 |
0.79 |
2.79 |
0.39 |
2.12 |
4.89 |
3.03 |
4.61 |
2.43 |
|
SG 2.70 |
SX |
8.02 |
1.18 |
21.34 |
1.27 |
4.34 |
0.53 |
8.02 |
6.08 |
10.97 |
28.01 |
14.34 |
|
SG 2.60 |
SX |
54.28 |
0.32 |
12.92 |
0.24 |
1.23 |
0.23 |
54.28 |
11.31 |
44.93 |
35.55 |
27.42 |
|
SG 2.50 |
SX |
15.47 |
0.62 |
16.47 |
0.16 |
7.97 |
0.28 |
15.47 |
6.13 |
16.32 |
6.73 |
50.71 |
|
SG 2.40 |
SX |
3.15 |
3.24 |
16.92 |
0.27 |
2.45 |
0.18 |
3.15 |
6.57 |
3.42 |
2.36 |
3.18 |
|
SG 2.40 |
FL |
8.2 |
4.82 |
15.5 |
0.07 |
0.14 |
0.02 |
8.2 |
25.39 |
8.14 |
1.61 |
0.49 |
|
Calculated head |
100 |
100 |
1.55 |
15.61 |
0.36 |
2.43 |
0.28 |
100 |
100 |
100 |
100 |
|
|
Assay Head |
1.51 |
15.93 |
0.43 |
2.64 |
0.3 |
|||||||
Table 13‑72: Cumulative Li2O Recovery and Mass Pull for Sample MET-SS1-HS-3279 for the 9.5mm to 6.35mm Size Fraction
|
S.G (g/cm3) |
Li2O Recovery (%) |
Mass Pull (%) |
Li2O (%) |
Fe2O3 (%) |
|
2.9 |
39.63 |
8.75 |
7.04 |
0.88 |
|
2.8 |
44.52 |
10.87 |
6.37 |
0.86 |
|
2.7 |
50.60 |
18.90 |
4.16 |
0.85 |
|
2.6 |
61.92 |
73.18 |
1.32 |
0.40 |
|
2.5 |
68.04 |
88.65 |
1.19 |
0.36 |
|
2.4 |
74.61 |
91.8 |
1.26 |
0.35 |
Figure 13-18 shows the curves for Li2O, Li2O recovery and mass pull for sample MET-SS1-HS-3279 for the 9.5mm to 6.35mm size fraction with the different densities.
![]() |
| SGS Canada Inc. |
|
Technical Report – Grota do Cirilo Lithium Project – Araçuai and Itinga Regions, Minas Gerais, Brazil |

Figure 13‑18: Li2O, Li2O Recovery and Mass Pull for Sample MET-SS1-HS-3279 for the 9.5mm to 6.35mm Size Fraction
The data was extrapolated to determine the optimal densities for both a 5.5% Li2O concentrate and a 5.3% Li2O concentrate. Table 13-73 show the extrapolated data.
Table 13‑73: Estimated Densities for 5.5% and 5.3% Li2O Concentrate
|
ESTIMATION |
||
|
Li2O (%) |
5.5 |
5.3 |
|
S.G. |
2.76 |
2.75 |
|
Li2O Recovery (%) |
46.92 |
47.47 |
|
Mass Pull (%) |
14.03 |
14.76 |
|
Fe2O3 (%) |
0.86 |
0.86 |
The final results for the spodumene HLS test work at 5.5% Li2O lithium oxide concentrate is shown in Table 13-74 and 5.3% Li2O lithium oxide concentrate data is in table 13-75.
![]() |
| SGS Canada Inc. |
|
Technical Report – Grota do Cirilo Lithium Project – Araçuai and Itinga Regions, Minas Gerais, Brazil |
Table 13‑74: HLS Results for 5.5% Li2O Lithium Oxide Concentrate
|
FEED |
CONCENTRATE |
LI2O RECOVERY (%) |
||||||
|
Sample |
Li2O (%) |
Fe2O3 (%) |
Density (g/cm3) |
Li2O (%) |
Fe2O3 (%) |
HLS Feed |
Whole Feed |
Mass Recovery (%) |
|
High Schist |
1.34 |
0.41 |
2.79 |
|
1.64 |
41.7 |
35.8 |
10.5 |
|
High Grade |
2.02 |
0.35 |
2.76 |
1.46 |
33.8 |
29.6 |
12.4 |
|
|
Medium Grade |
1.22 |
0.29 |
2.77 |
5.5 |
1.08 |
47.3 |
41.7 |
11.0 |
|
Low Grade |
0.81 |
0.37 |
2.80 |
2.11 |
37.1 |
32.0 |
6.6 |
|
|
Average |
1.35 |
0.34 |
2.78 |
1.55 |
39.4 |
34.5 |
||
Table 13‑75: HLS Results for 5.3% Li2O Lithium Oxide Concentrate
|
FEED |
CONCENTRATE |
LI2O RECOVERY (%) |
||||||
|
Sample |
Li2O (%) |
Fe2O3 (%) |
Density (g/cm3) |
Li2O (%) |
Fe2O3 (%) |
HLS Feed |
Whole Feed |
Mass Recovery (%) |
|
High Schist |
1.34 |
0.41 |
2.79 |
|
1.63 |
42.2 |
36.2 |
11.1 |
|
High Grade |
2.02 |
0.35 |
2.76 |
1.46 |
34.2 |
30.0 |
13.0 |
|
|
Medium Grade |
1.22 |
0.29 |
2.77 |
5.3 |
1.09 |
47.8 |
42.1 |
11.5 |
|
Low Grade |
0.81 |
0.37 |
2.80 |
2.12 |
37.5 |
32.4 |
7.0 |
|
|
Average |
1.35 |
0.34 |
2.78 |
1.56 |
39.8 |
34.8 |
||
It should be noted that the reported Fe2O3 results are above the maximum requirement.
With the high petalite content of the samples, a separate HLS test was conducted to produce a petalite concentrate utilizing the float fraction at density of 2.45 g/cm3. The results of this test work is shown in Table 13-76.
![]() |
| SGS Canada Inc. |
|
Technical Report – Grota do Cirilo Lithium Project – Araçuai and Itinga Regions, Minas Gerais, Brazil |
Table 13‑76: HLS Results for Petalite Concentrate
|
Sample |
S.G. (g/cm3) |
Li2O (%) |
Li2O recovery (%) |
Mass Recovery |
|
| HLS Feed | Global Feed | ||||
|
High Schist |
|
3.15 |
22.2 |
19.1 |
10.08 |
|
High Grade |
4.55 |
42.8 |
37.5 |
18.27 |
|
|
Medium Grade |
2.45 |
3.38 |
30.8 |
27.2 |
13.51 |
|
Low Grade |
3.40 |
31.8 |
27.5 |
8.13 |
|
|
Average |
2.45 |
3.62 |
31.9 |
27.8 |
12.50 |
|
13.5.4 |
Dense Media Separation |
The dense media separation (DMS) test work was undertaken on a pilot plant constructed by Dowding Reynard & Associates (South Africa), which utilizes a 100 mm stainless steel dense media cyclone.
The feed was transferred from the feed hopper to the DMS vibrating screen with a 0.212 mm screen deck. Undersize material was collected in a drum, while oversize materials were mixed with dense media in a mixing box and fed to the DMS cyclone by gravity.
After thorough mixing of oversize +0.5 mm materials with dense media, the mixture was fed to the dense media cyclone, where particles were separated based on their density relative to the cyclone's specific gravity cut point. Heavier particles than the SG cut point reported to the cyclone underflow (sink), while lighter particles reported to the cyclone overflow (float). These separate streams were further processed over a drain-and-rinse screen and rinsed with water to remove media residues.
Oversize washed particles were collected as DMS sink (cyclone underflow) and DMS float (cyclone overflow), while undersize from the drain-and-rinse screen reported to a media recovery system. The DMS sinks and floats were further processed through a fine (~212 um) rectangular vibrating screen and rinsed with water to ensure thorough media removal from the products. The dense media employed in this campaign consisted entirely of ferrosilicon.
Proportions of ferrosilicon and water were adjusted as needed to achieve the desired media SG target, while ensuring medium stability and viscosity remained within acceptable ranges. The DMS plant's media recovery system was designed to reclaim and reuse media within the system, maintaining media density at the set-point.
Initially, approximately 25 kg of sample was processed using the mass recovery parameters defined in HLS test work to achieve a target Li2O content of 5.3%. After adjusting this parameter, all material obtained in the concentrate and tailings was dried, homogenized, sampled, and prepared for chemical analysis.
Once the required Li2O concentrate was achieved, these conditions were applied in subsequent tests using around 100 kg of sample. Throughout this phase, media SG was monitored and controlled to maintain consistent mass recovery.
![]() |
| SGS Canada Inc. |
|
Technical Report – Grota do Cirilo Lithium Project – Araçuai and Itinga Regions, Minas Gerais, Brazil |
At the conclusion of each test, all material from the concentrate and tailings was dried, homogenized, sampled, and prepared for chemical analysis to calculate the metallurgical balance and finalize results. This study employed a two-stage concentration process—rougher and scavenger—to enhance Li2O recovery.
Table 13-77 shows the results of the DMS feed and Table 13-78 shows the results on a global feed basis.
Table 13‑77: DMS Feed Results
|
DMS Feed Results |
||||
|
Sample |
Li2O (%) |
Fe2O3 (%) |
Mass Recovery (%) |
Li2O Recovery (%) |
|
High Schist |
|
1.53 |
10.0 |
39.5 |
|
High Grade |
5.3 |
1.23 |
11.3 |
29.6 |
|
Medium Grade |
1.09 |
9.4 |
41.2 |
|
|
Low Grade |
4.9 |
1.65 |
3.5 |
25.4 |
|
Average |
5.2 |
1.37 |
8.5 |
33.9 |
Table 13‑78: Global Feed Results
|
Global Feed Results |
||||
|
Sample |
Li2O (%) |
Fe2O3 (%) |
Mass Recovery (%) |
Li2O Recovery (%) |
|
High Schist |
|
1.53 |
10.0 |
33.9 |
|
High Grade |
5.3 |
1.23 |
11.3 |
26.0 |
|
Medium Grade |
1.09 |
9.4 |
36.4 |
|
|
Low Grade |
4.9 |
1.65 |
3.5 |
21.9 |
|
Average |
5.2 |
1.37 |
8.5 |
29.5 |
DMS test work was also conducted to produce a petalite concentrate utilising the float fraction at a density of 2.45 g/cm3. The results of the petalite DMS test work is shown in Table 13-79, while Table 13-80 shows a comparison between the petalite HLS and DMS results.
![]() |
| SGS Canada Inc. |
|
Technical Report – Grota do Cirilo Lithium Project – Araçuai and Itinga Regions, Minas Gerais, Brazil |
Table 13‑79: Petalite DMS Results
|
Li2O recovery (%) |
Mass Recovery |
||||
|
Sample |
S.G. (g/cm3) |
Li2O (%) |
DMS Feed |
Global Feed |
|
|
High Schist |
|
3.07 |
17.8 |
15.3 |
6.49 |
|
High Grade |
2.45 |
3.49 |
13.0 |
11.4 |
6.39 |
|
Medium Grade |
2.58 |
14.6 |
12.9 |
5.81 |
|
|
Low Grade |
2.32 |
16.5 |
14.2 |
4.71 |
|
|
Average |
2.45 |
2.87 |
15.5 |
13.4 |
5.85 |
Table 13‑80: Comparison of Petalite Results for HLS and DMS
|
Li2O (%) |
Li2O recovery (%) |
||||
|
Sample |
S.G. (g/cm3) |
HLS |
DMS |
HLS |
DMS |
|
High Schist |
|
3.15 |
3.07 |
19.1 |
15.3 |
|
High Grade |
2.45 |
4.55 |
3.49 |
37.5 |
11.4 |
|
Medium Grade |
3.38 |
2.58 |
27.2 |
12.9 |
|
|
Low Grade |
3.40 |
2.32 |
27.5 |
14.2 |
|
|
Average |
2.45 |
3.62 |
2.87 |
27.8 |
13.4 |
The Li2O contents and Li2O recovery of the petalite concentrates obtained using DMS are lower than HLS due the lower selectivity of DMS compared to HLS.
Using a petalite concentrate of 2.87% Li2O as a sub-product, the overall recovery should be calculated considering the sum of the recoveries of this concentrate with the lithium oxide concentrate.
Table 13-81 shows the calculated overall Li2O recovery from the DMS feed, while Table 13-82 shows the calculated overall Li2O recovery on a global feed basis.
![]() |
| SGS Canada Inc. |
|
Technical Report – Grota do Cirilo Lithium Project – Araçuai and Itinga Regions, Minas Gerais, Brazil |
Table 13‑81: Overall Li2O Recovery Results from the DMS Feed
|
Sample |
Lithium oxide concentrate |
Petalite concentrate |
Total Li2O Recovery&NBSP;(%) |
|||
|
Li2O (%) |
Li2O Recovery (%) |
S.G. (g/cm3) |
Li2O (%) |
Li2O Recovery (%) |
||
|
High Schist |
|
39.5 |
|
3.07 |
17.8 |
57.3 |
|
High Grade |
5.3 |
29.6 |
2.45 |
3.49 |
13 |
42.6 |
|
Medium Grade |
41.2 |
2.58 |
14.6 |
55.8 |
||
|
Low Grade |
4.9 |
25.4 |
2.32 |
16.5 |
41.9 |
|
|
Average |
5.2 |
33.9 |
2.87 |
15.5 |
49.4 |
|
Table 13‑82: : Overall Li2O Recovery Results Considering a Global Feed
|
Sample |
Lithium oxide concentrate |
Petalite concentrate |
Total Li2O Recovery&NBSP;(%) |
|||
|
Li2O (%) |
Li2O Recovery (%) |
S.G. (g/cm3) |
Li2O (%) |
Li2O Recovery (%) |
||
|
High Schist |
|
33.9 |
|
3.07 |
15.3 |
49.2 |
|
High Grade |
5.3 |
26.0 |
2.45 |
3.49 |
11.4 |
37.4 |
|
Medium Grade |
36.4 |
2.58 |
12.9 |
49.3 |
||
|
Low Grade |
4.9 |
21.9 |
2.32 |
14.2 |
36.2 |
|
|
Average |
5.2 |
29.5 |
2.87 |
13.4 |
43.0 |
|
The addition of the petalite concentrate increases the recoveries in the DMS tests from 33.9% to 49.4%, while the increase in the global feed is from 29.5% to 43.0%.
|
13.5.5 |
Comments and Recommendations |
It is noted that the Fe2O3 content of the concentrate was above the threshold limit of 1% and as such, additional magnetic separation or ore sorting tests should be conducted on the mineralized material.
XRD analysis suggests that the Fe2O3 comes from the biotite content of the schist and due to its high density, it is selectively reporting to the lithium oxide concentrate.
|
13.6 |
MURIAL TEST WORK (2024) |
|
13.6.1 |
Overview |
A PFS-level metallurgical test work program was undertaken on composite samples from the Murial deposit at SGS Geosol in Belo Horizonte, Brazil. Four variability samples were composited to represent a low, medium and high-grade sample and a high-schist sample.
![]() |
| SGS Canada Inc. |
|
Technical Report – Grota do Cirilo Lithium Project – Araçuai and Itinga Regions, Minas Gerais, Brazil |
All four samples were subjected to the following test work:
|
• |
Sample preparation and characterization |
|
• |
Mineralogical analyses |
|
• |
Heavy liquid separation (HLS) |
|
• |
Dense media separation (DMS) in a pilot plant |
The primary objective of the program was to evaluate and develop a metallurgical flowsheet for lithium beneficiation from the four provided composites. The metallurgical target was to produce lithium oxide concentrates with grades of 5.3% and 5.5% Li2O and less than 1% Fe2O3, achieving maximum lithium recovery.
|
13.6.2 |
Test Work Results |
13.6.2.1 Sample Preparation and Characterization
SGS Geosol inventoried and weighed all samples provided by Sigma, as shown in Table 13-83.
Table 13‑83: Sample Details
|
Sample ID |
Sample |
Sub-samples (nr) |
Weight (kg) |
Hole Numbers |
|
MET-SS2-HS-4720 |
High Schist |
200 |
301 |
DH-MUR |
|
MET-SS2-H-2763 |
High Grade |
193 |
313 |
DH-MUR |
|
MET-SS2-M-518 |
Low Grade |
209 |
330 |
DH-MUR |
|
MET-SS2-L-749 |
Medium Grade |
199 |
294 |
DH-MUR |
Each individual sample was stage-crushed to 100% below 9.5 mm, homogenized, and split into three portions.
|
● |
Approximately 50 kg for chemical characterization, granulometric tests, and heavy liquid tests. |
|
● |
Approximately 50 kg for dense media pilot plant setup and adjustments. |
|
● |
Approximately 200 kg for dense media pilot plant test work. |
Approximately 10 kg of each sample was prepared for chemical analysis. The head samples were analyzed using Sodium Peroxide fusion and ICP-AES finish (ICP90A/90Q), Borate Fusion/XRF finish (XRF79C), and Sodium Hydroxide Fusion with ISE finish for Fluorine. The results obtained are shown in Table 13-84.
![]() |
| SGS Canada Inc. |
|
Technical Report – Grota do Cirilo Lithium Project – Araçuai and Itinga Regions, Minas Gerais, Brazil |
Table 13‑84: Chemical Analysis Results
|
Sample |
|||||
|
Element/Oxide |
Unit |
High Schist |
High Grade |
Medium Grade |
Low Grade |
|
Li2O |
% |
1,39 |
1,68 |
1,30 |
0,99 |
|
SiO2 |
% |
74,9 |
75,4 |
74,0 |
73,6 |
|
Al2O3 |
% |
16,7 |
16,7 |
16,6 |
16,4 |
|
Fe2O3 |
% |
0,48 |
0,24 |
0,26 |
0,60 |
|
CaO |
% |
0,15 |
0,12 |
0,13 |
0,19 |
|
MgO |
% |
0,16 |
<0,1 |
<0,1 |
0,24 |
|
TiO2 |
% |
0,03 |
<0,01 |
<0,01 |
0,05 |
|
P2O5 |
% |
0,28 |
0,26 |
0,25 |
0,27 |
|
Na2O |
% |
4,05 |
3,78 |
4,12 |
4,3 |
|
K2O |
% |
2,32 |
2,18 |
2,62 |
2,72 |
|
MnO |
% |
0,11 |
0,09 |
0,09 |
0,1 |
|
LOI |
% |
0,79 |
0,63 |
0,62 |
0,84 |
|
Be |
ppm |
152 |
165 |
153 |
159 |
|
Pb |
ppm |
29 |
27 |
31 |
42 |
|
Sn |
ppm |
83 |
101 |
82 |
98 |
|
Sr |
ppm |
15 |
<10 |
<10 |
16 |
|
Ta |
ppm |
105 |
123 |
95 |
107 |
|
Zn |
ppm |
74 |
70 |
76 |
79 |
|
F |
ppm |
389 |
200 |
158 |
425 |
Table 13‑85 shows the semi-quantitative X-ray Diffraction (XRD) analysis for the four variability samples. Spodumene content ranged from 9.1% to 15.2%.
Table 13‑85: Semi-Quantitative XRD Analysis
|
Sample |
Quartz |
Petalite |
Microcline |
Muscovite |
Albite |
Spodumene |
Biotite |
Montebrasite |
|
% |
% |
% |
% |
% |
% |
% |
% |
|
|
High Schist |
28.4 |
3.7 |
9.2 |
6.4 |
39.2 |
12 |
0.5 |
0.8 |
|
High Grade |
28.1 |
5.1 |
9 |
4.7 |
37.1 |
15.2 |
0.1 |
0.7 |
|
Medium Grade |
27.1 |
3.1 |
11.5 |
5.7 |
39.9 |
11.9 |
0.1 |
0.7 |
|
Low Grade |
27.9 |
2.3 |
10.1 |
6.9 |
42 |
9.1 |
0.5 |
1.2 |
|
13.6.3 |
Heavy Liquid Separation |
Bench-scale heavy liquid separation (HLS) was undertaken on the four samples to assess their amenability to dense media separation (DMS) and to determine the optimal specific gravity (SG) cut-points for the DMS procedure.
![]() |
| SGS Canada Inc. |
|
Technical Report – Grota do Cirilo Lithium Project – Araçuai and Itinga Regions, Minas Gerais, Brazil |
The samples were crushed to four size fractions: 9.5mm to 6.35mm, 6.35mm to 4.00mm, 4.00mm to 1.7mm and 1.7mm to 0.5mm. After the size tests, a chemical analysis of the samples was undertaken. Table 13-86 shows the test results and chemical analysis for each sample fraction.
Table 13‑86: Size Fraction and Chemical Analysis results
|
|
|
|
ICP90A |
ICP90A |
ICP90A |
ICP90A |
ICP90A |
| Sample | Size range | Size Distribution % |
Li2O |
Al2O3 |
Fe2O3 |
K2O |
P2O5 |
|
% |
% |
% |
% |
% |
|||
|
|
9.5 - 6.35mm |
21.1 |
1.63 |
15.28 |
0.3 |
2.23 |
0.18 |
|
6.35 - 4mm |
21 |
1.54 |
14.83 |
0.37 |
1.95 |
0.21 |
|
| High Schist |
4 - 1.7mm |
21 |
1.42 |
14.64 |
0.34 |
2.14 |
0.21 |
|
1.7 - 0.5mm |
19.4 |
1.34 |
15.3 |
0.89 |
2.19 |
0.34 |
|
|
- 0.5mm |
17.49 |
1.04 |
14.81 |
0.39 |
2.24 |
0.23 |
|
|
|
9.5 - 6.35mm |
32.66 |
1.79 |
15.41 |
0.24 |
1.92 |
0.18 |
|
6.35 - 4mm |
20.42 |
1.66 |
14.83 |
0.2 |
2.04 |
0.21 |
|
| High Grade |
4 - 1.7mm |
18.36 |
1.65 |
14.53 |
0.19 |
2.12 |
0.21 |
|
1.7 - 0.5mm |
15.6 |
1.63 |
14.62 |
0.2 |
2.11 |
0.25 |
|
|
- 0.5mm |
12.95 |
1.34 |
14.83 |
0.29 |
2.06 |
0.3 |
|
|
|
9.5 - 6.35mm |
23.44 |
1.55 |
15.24 |
0.19 |
2.34 |
0.18 |
|
6.35 - 4mm |
22.99 |
1.34 |
14.98 |
0.2 |
2.47 |
0.21 |
|
| Medium Grade |
4 - 1.7mm |
20.69 |
1.35 |
14.75 |
0.2 |
2.49 |
0.23 |
|
1.7 - 0.5mm |
17.24 |
1.27 |
14.43 |
0.2 |
2.51 |
0.23 |
|
|
- 0.5mm |
15.64 |
1.05 |
15.43 |
0.26 |
2.45 |
0.3 |
|
|
|
9.5 - 6.35mm |
21.36 |
1.09 |
14.75 |
0.43 |
2.49 |
0.21 |
|
6.35 - 4mm |
21.91 |
1.06 |
15.15 |
0.44 |
2.61 |
0.25 |
|
| Low Grade |
4 - 1.7mm |
20.66 |
1 |
14.53 |
0.43 |
2.51 |
0.21 |
|
1.7 - 0.5mm |
17.51 |
0.99 |
14.68 |
0.37 |
2.6 |
0.23 |
|
|
- 0.5mm |
18.56 |
0.76 |
15.83 |
1.27 |
2.68 |
0.3 |
|
Each size fraction was subjected to HLS testing using six specific gravity (SG) cut points: 2.9, 2.8, 2.7, 2.6, 2.5, and 2.4.
The first pass was conducted using a heavy liquid with the highest specific gravity (2.9). The float product was subsequently passed through the next heavy liquid with a lower specific gravity. This procedure was continued until the material passed through the lowest SG cut point (2.4). The sink fraction product from each pass and the float product of the lowest SG were dried, weighed, prepared, and analyzed.
![]() |
| SGS Canada Inc. |
|
Technical Report – Grota do Cirilo Lithium Project – Araçuai and Itinga Regions, Minas Gerais, Brazil |
The desired specific gravity was obtained using methylene iodide (3.29 g/cm³ SG) diluted with acetone (SG = 0.79 g/cm³) to create mixtures of different densities. For the fractions 9.5–6.35 mm, 6.35–4 mm, and 4–1.7 mm, the tests were performed using beakers. For the 1.7–0.5 mm fraction, funnel separators were used.
The sink product from each size fraction was analysed and a weighted average was used for the calculation of the total sample.
Table 13-87 shows the metallurgical balance of sample MET-SS2-HS-4720 at the 9.5mm to 6.35mm size fractions at the different densities, while Table 13-88 shows the cumulative Li2O recovery and the mass pull of sample MET-SS2-HS-4720 at the 9.5mm to 6.35mm size fractions for the different densities.
Table 13‑87: Metallurgical Balance of Sample MET-SS2-HS-4720 at the 9.5mm to 6.35mm Size Fractions
|
|
Stage deportment |
|||||||||||
| Fraction |
Mass |
Li2O |
Al2O3 |
Fe2O3 |
K2O |
P2O5 |
Yield |
Li2O |
Al2O3 |
Fe2O3 |
P2O5 |
|
|
% |
% |
% |
% |
% |
% |
% |
% |
% |
% |
% |
||
|
SG 2.90 |
SX |
15.11 |
5.57 |
21.49 |
0.67 |
0.58 |
0.11 |
15.11 |
48.9 |
20.5 |
32.51 |
4.52 |
|
SG 2.80 |
SX |
7.31 |
3.44 |
18.48 |
1.08 |
1.63 |
0.16 |
7.31 |
14.63 |
8.53 |
25.5 |
6.12 |
|
SG 2.70 |
SX |
10.55 |
2.24 |
15.3 |
0.4 |
1.31 |
0.23 |
10.55 |
13.74 |
10.19 |
13.6 |
7.12 |
|
SG 2.60 |
SX |
55.75 |
0.4 |
13.96 |
0.14 |
1.57 |
0.2 |
55.75 |
12.96 |
49.14 |
25.57 |
44.94 |
|
SG 2.50 |
SX |
8.13 |
0.58 |
16.65 |
0.09 |
8.62 |
0.27 |
8.13 |
2.72 |
8.54 |
2.25 |
36.09 |
|
SG 2.40 |
SX |
2.83 |
3.82 |
15.23 |
0.06 |
0.81 |
0.02 |
2.83 |
6.29 |
2.73 |
0.52 |
1.18 |
|
SG 2.40 |
FL |
0.32 |
4.04 |
17.91 |
0.04 |
0.13 |
0.02 |
0.32 |
0.75 |
0.36 |
0.04 |
0.02 |
|
Calculated head |
100 |
1,72 |
15,84 |
0,31 |
1,94 |
0,19 |
100 |
100 |
100 |
100 |
100 |
|
|
Assay Head |
1.63 |
15.28 |
0.3 |
2.23 |
0.18 |
|||||||
Table 13‑88: Cumulative Li2O Recovery and Mass Pull of Sample MET-SS2-HS-4720 at the 9.5mm to 6.35mm Size Fractions
|
S.G (g/cm3) |
Li2O Recovery (%) |
Mass Pull (%) |
Li2O (%) |
Fe2O3 (%) |
|
2.9 |
48.90 |
15.11 |
5.57 |
0.67 |
|
2.8 |
63.53 |
22.43 |
4.87 |
0.80 |
|
2.7 |
77.28 |
32.97 |
4.03 |
0.87 |
|
2.6 |
90.23 |
88.72 |
1.75 |
0.41 |
|
2.5 |
92.96 |
96.85 |
1.65 |
0.38 |
|
2.4 |
99.25 |
99.68 |
1.71 |
0.38 |
Figure 13-19 shows the curves for Li2O, Li2O recovery and mass pull of sample MET-SS2-HS-4720 at the 9.5mm to 6.35mm size fractions with the different densities.
![]() |
| SGS Canada Inc. |
|
Technical Report – Grota do Cirilo Lithium Project – Araçuai and Itinga Regions, Minas Gerais, Brazil |

Figure 13‑19: Li2O, Li2O Recovery and Mass Pull with the Different Densities for Sample MET-SS2-HS-4720 at the 9.5mm to 6.35mm Size Fractions
The data was extrapolated to determine the optimal densities for both a 5.5% Li2O concentrate and a 5.3% Li2O concentrate. Table 13-89 show the extrapolated data.
Table 13‑89: Estimated Densities for 5.5% and 5.3% Li2O Concentrate for Sample MET-SS2-HS-4720 at the 9.5mm to 6.35mm Size Fractions
|
ESTIMATION |
||
|
Li2O (%) |
5.5 |
5.3 |
|
S.G. |
2.89 |
2.86 |
|
Li2O Recovery (%) |
50.3 |
54.5 |
|
Mass Pull (%) |
15.8 |
17.9 |
|
Fe2O3 (%) |
0.68 |
0.72 |
|
13.6.4 |
Dense Media Separation |
The dense media separation (DMS) test work was undertaken on a pilot plant constructed by Dowding Reynard & Associates (South Africa), which utilizes a 100 mm stainless steel dense media cyclone.
The feed was transferred from the feed hopper to the DMS vibrating screen with a 0.212 mm screen deck. Undersize material was collected in a drum, while oversize materials were mixed with dense media in a mixing box and fed to the DMS cyclone by gravity.
![]() |
| SGS Canada Inc. |
|
Technical Report – Grota do Cirilo Lithium Project – Araçuai and Itinga Regions, Minas Gerais, Brazil |
After thorough mixing of oversize +0.5 mm materials with dense media, the mixture was fed to the dense media cyclone, where particles were separated based on their density relative to the cyclone's specific gravity cut point. Heavier particles than the SG cut point reported to the cyclone underflow (sink), while lighter particles reported to the cyclone overflow (float). These separate streams were further processed over a drain-and-rinse screen and rinsed with water to remove media residues.
Oversize washed particles were collected as DMS sink (cyclone underflow) and DMS float (cyclone overflow), while undersize from the drain-and-rinse screen reported to a media recovery system. The DMS sinks and floats were further processed through a fine (~212 um) rectangular vibrating screen and rinsed with water to ensure thorough media removal from the products. The dense media employed in this campaign consisted entirely of ferrosilicon.
Proportions of ferrosilicon and water were adjusted as needed to achieve the desired media SG target, while ensuring medium stability and viscosity remained within acceptable ranges. The DMS plant's media recovery system was designed to reclaim and reuse media within the system, maintaining media density at the set-point.
Initially, approximately 25 kg of sample was processed using the mass recovery parameters defined in HLS test work to achieve a target Li2O content of 5.3%. After adjusting this parameter, all material obtained in the concentrate and tailings was dried, homogenized, sampled, and prepared for chemical analysis.
Once the required Li2O concentrate was achieved, these conditions were applied in subsequent tests using around 100 kg of sample. Throughout this phase, media SG was monitored and controlled to maintain consistent mass recovery.
At the conclusion of each test, all material from the concentrate and tailings was dried, homogenized, sampled, and prepared for chemical analysis to calculate the metallurgical balance and finalize results. This study employed a two-stage concentration process—rougher and scavenger—to enhance Li2O recovery.
Table 13-90 shows the DMS results broken out by rougher and scavenger circuit results.
Table 13‑90: DMS Feed Results by Rougher and Scavenger
|
DMS Results |
|||||||||
|
Rougher (RO) |
Scavenger (SC) |
Concentrate (RO+SC) |
|||||||
|
Sample |
Li2O (%) |
Mass recovery (%) |
Li2O Recovery (%) |
Li2O (%) |
Mass recovery (%) |
Li2O Recovery (%) |
Li2O (%) |
Mass recovery (%) |
Li2O Recovery (%) |
|
High Schist |
6.06 |
12.4 |
50.7 |
2.92 |
3.7 |
7.3 |
5.3 |
16.1 |
58 |
|
High Grade |
5.76 |
16 |
50.4 |
3.19 |
3.2 |
5.6 |
5.3 |
19.2 |
56 |
|
Medium Grade |
5.32 |
16.2 |
60.1 |
2.36 |
2.5 |
4.2 |
4.9 |
18.7 |
64.3 |
|
Low Grade |
5.6 |
9.2 |
49.4 |
2.55 |
1.2 |
2.9 |
5.3 |
10.4 |
52.3 |
By utilizing the two stages of concentration (rougher and scavenger), Li2O recovery increased by 10%. For the medium grade sample, the combined concentrate contains 4.9% Li2O, which is below the 5.3% Li2O specification. For this sample, only the rougher stage was considered for the final results.
![]() |
| SGS Canada Inc. |
|
Technical Report – Grota do Cirilo Lithium Project – Araçuai and Itinga Regions, Minas Gerais, Brazil |
Table 13-91 shows the results of the final DMS feed results and Table 13-92 shows the results on a global feed basis.
Table 13‑91: DMS Feed Results
|
DMS Feed Results |
||||
|
Sample |
Li2O (%) |
Fe2O3 (%) |
Mass Recovery (%) |
Li2O Recovery (%) |
|
High Schist |
|
0.72 |
16.1 |
58.0 |
|
High Grade |
5.3 |
0.38 |
19.2 |
56.0 |
|
Medium Grade |
0.51 |
16.2 |
60.1 |
|
|
Low Grade |
0.74 |
10.4 |
52.3 |
|
|
Average |
5.3 |
0.59 |
15.5 |
56.6 |
Table 13‑92: Global Feed Results
|
Global Feed Results |
||||
|
Sample |
Li2O (%) |
Fe2O3 (%) |
Mass Recovery (%) |
Li2O Recovery (%) |
|
High Schist |
|
0.72 |
16.1 |
48.6 |
|
High Grade |
5.3 |
0.38 |
19.2 |
50.4 |
|
Medium Grade |
0.51 |
16.2 |
52.8 |
|
|
Low Grade |
0.74 |
10.4 |
45.0 |
|
|
Average |
5.3 |
0.59 |
15.5 |
49.2 |
|
13.6.5 |
Comments |
The results of the HLS and DMS test work demonstrate that the mineralization from the Murial deposit is amenable to producing a Li2O concentrate between 5.3% and 5.5%, with Fe2O3 values below 1%
![]() |
| SGS Canada Inc. |
|
Technical Report – Grota do Cirilo Lithium Project – Araçuai and Itinga Regions, Minas Gerais, Brazil |
| 14 |
MINERAL RESOURCE ESTIMATES |
The Mineral Resource Estimates (MRE) are reported using the 2014 CIM Definition Standards and the 2019 CIM Guidelines. The mineral resource estimation work for the Project was conducted by Mr. Marc-Antoine Laporte, M.Sc., P.Geo. The 3D modelling, geostatistics, and grade interpolation of the block model was conducted using the Genesis software developed by SGS.
This MRE comprises an update of the Xuxa, Barreiro, Nezinho do Chicão (NDC) and Murial resources.
The Mineral Resource estimates are based on the drill hole database (lithology logs and assays) using HQ drill core and are limited by the topographic surface. Due to the lack of control on the channel sampling from previous exploration campaigns, the channel assay results were not used for purposes of resource estimation and mapping was used only to control the pegmatite wireframe.
Table 14-1 shows the consolidated mineral resource for Sigma’s Grota do Cirilo project.
Table 14‑1: Consolidated Mineral Resources for the Grota do Cirilo Project
|
Cut-off Grade Li2O (%) |
Category |
Tonnage (Mt) |
Average Grade Li2O (%) |
LCE (Kt) |
|
0.3 (Pit) 1.0 (UG) |
Measured |
45.8 |
1.39 |
1,575 |
|
0.3 (Pit) 1.0 (UG) |
Indicated |
47.4 |
1.40 |
1,643 |
|
Measured + Indicated |
93.2 |
1.40 |
3,222 |
|
|
0.3 (Pit) 1.0 (UG) |
Inferred |
13.7 |
1.36 |
459 |
|
14.1 |
NEZINHO DO CHICÃO DEPOSIT |
This update of the Nezinho do Chicão (NDC) mineral resource estimate includes the three satellite pegmatites that are within the conceptual pit outline for the resource. These three pegmatites, Tamboril, Maxixe and Lavra do Meio (LDM) were previously reported as separate entities, but as they fall within the pit for NDC, it is considered appropriate to report them as a single entity.
|
14.1.1 |
Exploratory Data Analysis |
|
14.1.1.1 |
Nezinho do Chicão |
The final database used for the NDC mineral resource estimation was transmitted to SGS by SMSA on the 11th January 2024 in Microsoft Excel format and this date was used as a cut-off for the resource estimate. The database validation steps are discussed in Section 12. The database comprised 131 drill holes, with assay data available for all holes. The database entries comprise:
![]() |
| SGS Canada Inc. |
|
Technical Report – Grota do Cirilo Lithium Project – Araçuai and Itinga Regions, Minas Gerais, Brazil |
|
● |
Drill hole collars (n=131) |
|
● |
Down hole surveys (n = 7,625) |
|
● |
Assays (n = 5,527) |
|
● |
Lithologies (n = 2,811). |
The database was validated upon importation in Genesis, which enabled the correction of minor discrepancies between the table entries, surveys, and lithologies.
Vertical sections were generated oriented at an azimuth of 25° following the drilling pattern and perpendicular to the general trend of the pegmatite unit. In general, the sections are spaced at 100 m intervals, with drill holes spaced at approximately 50 m intervals on each section. Figure 14‑1 shows the drill collar layout plan.
The topographic surface that was used by SGS was a 1 m precision DEM (refer to Section 9.2).

Figure 14‑1: NDC Drill Hole Collar Locations
|
14.1.1.2 |
Lavra do Meio |
The final database used for the LDM pegmatite mineral resource estimation was transmitted to SGS by SMSA on the 9th January 2024 in Microsoft Excel format and Datamine format. The database validation steps are discussed in Section 12. The database comprised 44 drill holes with entries for:
|
● |
Down hole surveys (n = 1,382) |
|
● |
Assays (n = 1,594) |
|
● |
Lithologies (n = 598) |
![]() |
| SGS Canada Inc. |
|
Technical Report – Grota do Cirilo Lithium Project – Araçuai and Itinga Regions, Minas Gerais, Brazil |
The database was validated upon importation in Genesis, which enabled the correction of minor discrepancies between the table entries, surveys, and lithologies.
Vertical sections were generated oriented east-west following the drilling pattern and the general trend of the pegmatite unit. In general, the sections are spaced at 50 m intervals. Figure 14‑2 is a drill collar location plan.

Figure 14‑2: Lavra Do Meio Drill Hole Collar Locations
|
14.1.1.3 |
Maxixe |
The final database used for the Maxixe pegmatite mineral resource estimation was transmitted to SGS by SMSA on the 13th January 2024 in Microsoft Excel format and Datamine format. The database validation steps are discussed in Section 12. The database comprised 26 drill holes with entries for:
|
● |
Down hole surveys (n = 1,866) |
|
● |
Assays (n = 857) |
|
● |
Lithologies (n = 485) |
The database was validated upon importation in Genesis, which enabled the correction of minor discrepancies between the table entries, surveys, and lithologies.
Vertical sections were generated oriented east-west following the drilling pattern and the general trend of the pegmatite unit. In general, the sections are spaced at 50 m intervals. Figure 14‑3 is a drill collar location plan.
![]() |
| SGS Canada Inc. |
|
Technical Report – Grota do Cirilo Lithium Project – Araçuai and Itinga Regions, Minas Gerais, Brazil |

Figure 14‑3: Maxixe Drill Hole Collar Locations
|
14.1.1.4 |
Tamboril |
The final database used for the Tamboril pegmatite mineral resource estimation was transmitted to SGS by SMSA on the 12th January 2024 in Microsoft Excel format and Datamine format. The database validation steps are discussed in Section 12. The database comprised 19 drill holes with entries for:
|
● |
Down hole surveys (n = 1,339) |
|
● |
Assays (n = 424) |
|
● |
Lithologies (n = 254) |
The database was validated upon importation in Genesis, which enabled the correction of minor discrepancies between the table entries, surveys, and lithologies.
Vertical sections were generated oriented east-west following the drilling pattern and the general trend of the pegmatite unit. In general, the sections are spaced at 50 m intervals. Figure 14‑4 is a drill collar location plan.
![]() |
| SGS Canada Inc. |
|
Technical Report – Grota do Cirilo Lithium Project – Araçuai and Itinga Regions, Minas Gerais, Brazil |

Figure 14‑4: Tamboril Drill Hole Collar Locations
|
14.1.2 |
Analytical Data |
|
14.1.2.1 |
Nezinho do Chicão |
There is a total of 5,527 assay intervals in the database that were used for mineral resource estimation; 3,207 assays are contained inside the interpreted mineralized solids. Most of the drill holes defining the mineralized solids have been sampled continuously. Table 14‑2 shows the range of Li2O values from the analytical data within the interpreted mineralized shapes.
Table 14‑2: NDC Assay Statistics Inside Mineralized Solids
|
Li2O |
|
|
Count |
3,207 |
|
Mean |
1.46 |
|
Std. Dev. |
0.84 |
|
Min |
0.02 |
|
Median |
1.42 |
|
Max |
5.79 |
![]() |
| SGS Canada Inc. |
|
Technical Report – Grota do Cirilo Lithium Project – Araçuai and Itinga Regions, Minas Gerais, Brazil |
|
14.1.2.2 |
Lavra do Meio |
There is a total of 1,594 assay intervals in the database used for the mineral resource estimate; 851 assays are contained inside the interpreted mineralized solids. Most of the drill holes defining the mineralized solids have been sampled continuously.
Table 14‑3 shows the range of Li2O values from the analytical data.
Table 14‑3: Lavra do Meio Assay Statistics Inside Mineralized Solids
|
Li20 (%) |
|
|
Count |
851 |
|
Mean |
1.10 |
|
Std. Dev. |
1.09 |
|
Min |
0.005 |
|
Median |
0.81 |
|
Max |
6.15 |
|
14.1.2.3 |
Maxixe |
There is a total of 857 assay intervals in the database used for the mineral resource estimate; 216 assays are contained inside the interpreted mineralized solids.
Table 14‑4 shows the range of Li2O values from the analytical data.
Table 14‑4: Maxixe Assay Statistics Inside Mineralized Solids
|
Li20 (%) |
|
|
Count |
216 |
|
Mean |
1.24 |
|
Std. Dev. |
1.25 |
|
Min |
0.006 |
|
Median |
0.84 |
|
Max |
5.30 |
|
14.1.2.4 |
Tamboril |
There is a total of 424 assay intervals in the database used for the mineral resource estimate; 88 assays are contained inside the interpreted mineralized solids.
Table 14‑5 shows the range of Li2O values from the analytical data.
![]() |
| SGS Canada Inc. |
|
Technical Report – Grota do Cirilo Lithium Project – Araçuai and Itinga Regions, Minas Gerais, Brazil |
Table 14‑5: Tamboril Assay Statistics Inside Mineralized Solids
|
Li20 (%) |
|
|
Count |
88 |
|
Mean |
0.99 |
|
Std. Dev. |
0.77 |
|
Min |
0.005 |
|
Median |
0.93 |
|
Max |
4.38 |
|
14.1.3 |
Composite Data |
Block model grade interpolation was conducted on composited analytical data. A 1 m composite length was selected based on the north–south width of the 5 m by 5 m by 5 m block size defined for the resource block model. Compositing began at the top of the mineralized wireframes and continued to the end of the mineralized wireframes. No capping was applied on the analytical composite data.
|
14.1.3.1 |
Nezinho do Chicão |
Composite lengths ranged from 0.50 m to 1.135 m, with an average length of 0.999 m. The grade ranged from 0.0% Li2O to 4.72% Li2O, with an average grade of 1.47% Li2O.
Table 14‑6 shows the grade statistics of the analytical composites used for the interpolation of the resource block model.
Table 14‑6: NDC 1 m Composite Statistics
|
Li2O |
|
|
Count |
2,607 |
|
Mean |
1.47 |
|
Std. Dev. |
0.70 |
|
Min |
0.00 |
|
Median |
1.45 |
|
Max |
4.72 |
![]() |
| SGS Canada Inc. |
|
Technical Report – Grota do Cirilo Lithium Project – Araçuai and Itinga Regions, Minas Gerais, Brazil |
|
14.1.3.2 |
Lavra do Meio |
Table 14‑7 shows the grade statistics of the analytical composites used for the interpolation of the resource block model.
Table 14‑7: Lavra do Meio 1 m Composite Statistics
|
Li20 (%) |
|
|
Count |
658 |
|
Mean |
1.10 |
|
Std. Dev. |
0.96 |
|
Min |
0.006 |
|
Median |
0.95 |
|
Max |
5.53 |
|
14.1.3.3 |
Maxixe |
Table 14‑8 shows the grade statistics of the analytical composites used for the interpolation of the resource block model.
Table 14‑8: Maxixe 1 m Composite Statistics
|
Li20 (%) |
|
|
Count |
227 |
|
Mean |
1.22 |
|
Std. Dev. |
1.13 |
|
Min |
0.0 |
|
Median |
0.98 |
|
Max |
4.89 |
|
14.1.3.4 |
Tamboril |
Table 14‑9 shows the grade statistics of the analytical composites used for the interpolation of the resource block model.
![]() |
| SGS Canada Inc. |
|
Technical Report – Grota do Cirilo Lithium Project – Araçuai and Itinga Regions, Minas Gerais, Brazil |
Table 14‑9: Tamboril 1 m Composite Statistics
|
Li20 (%) |
|
|
Count |
81 |
|
Mean |
1.03 |
|
Std. Dev. |
0.61 |
|
Min |
0.015 |
|
Median |
1.02 |
|
Max |
2.85 |
|
14.1.4 |
Density |
Density determinations are outlined in Section 11.3. For NDC and LDM an average density value of 2.67 t/m3 was determined for the mineralized pegmatites. For Maxixe, a density of 2.62 t/m3 was used and for Tamboril, a density value of 2.68 t/m3 was applied.
These values were used for the calculation of the tonnages from the volumetric estimates of the resource block model.
|
14.1.5 |
Geological Interpretation |
SGS conducted the interpretation of the 3D wireframe solids of the mineralization based on the drill hole data and surface mapping done by SMSA geologists. For modelling, sections (looking northeast) were generated every 50 m, with intermediate sections where necessary to tie in the solids. The modelling was first completed on sections to define mineralized shapes using the lithology and lithium analytical data. A minimum grade of 0.3% Li2O over a minimum drill hole interval length of 1.5 m was generally used as guideline to define the width of mineralized shapes (refer to Figure 7‑4). The final 3D wireframe models (solids) were constructed by linking the defined mineralized shapes based on the geological interpretation. In all cases, the mineralized solids were clipped directly to the topographic DTM.
Figure 14-5 shows the final 3D wireframes solids for NDC. The linked interpretation shows two main pegmatite bodies, with a strike orientation of 018º azimuth and a dip averaging -50º to the northeast. The pegmatite body was modelled as two envelopes separated by an 80 m wide zone with no significant lithium mineralization indicated in drilling. Small satellite zones of mineralization were modelled in the hangingwall of both the north and south main pegmatite zones, together with a small footwall pegmatite modelled on the northern main pegmatite.
![]() |
| SGS Canada Inc. |
|
Technical Report – Grota do Cirilo Lithium Project – Araçuai and Itinga Regions, Minas Gerais, Brazil |

Figure 14‑5: NDC Pegmatite Solid (looking west-northwest)
Figure 14‑6 shows the final 3D wireframe solids for LDM. The interpretation shows one pegmatite body, with a strike orientation of 330° and a dip averaging -70° to the east. The average depth of soil overburden is 5.7 m ands no saprolite zone was logged by the Sigma geologists.

Figure 14‑6: Lavra do Meio Pegmatite Solid
![]() |
| SGS Canada Inc. |
|
Technical Report – Grota do Cirilo Lithium Project – Araçuai and Itinga Regions, Minas Gerais, Brazil |
Figure 14‑7 shows the 3D wireframe solids for the Maxixe pegmatite. The interpretation shows one pegmatite body, with a strike orientation of 010° and a dip averaging -60° to the east.

Figure 14‑7: Maxixe Pegmatite Solid
The interpretation for Tamboril is shown in Figure 14-8 and shows one pegmatite body, with a strike orientation of 010° and a dip averaging -60° to the east, similar to the Maxixe pegmatite.

Figure 14‑8: Tamboril Pegmatite Solid
![]() |
| SGS Canada Inc. |
|
Technical Report – Grota do Cirilo Lithium Project – Araçuai and Itinga Regions, Minas Gerais, Brazil |
Figure 14-9 shows all the pegmatites in the NDC deposit in relation to each other.

Figure 14‑9: Plan view of the NDC deposit showing all pegmatites
|
14.1.6 |
Resource Block Modeling |
A block size of 5 m by 5 m by 5 m (vertical) was selected for the resource block model based on the drill hole spacing and the width and general geometry of mineralization. No rotation was applied to the block model. The 5 m vertical dimension corresponds to the bench height of a potential small open pit mining operation. The 5 m northeast–southwest dimension corresponds to about 5% of the minimum drill spacing and accounts for the variable geometry of the mineralization in that direction.
The 5 m northwest–southeast block dimension accounts for the minimum width of the mineralization modelled at NDC. The resource block model contains 150,441 blocks located inside (> 1%) the mineralized solids, for a total volume of 12,630,752 m3. Table 14‑10 summarizes the block model limit parameters.
![]() |
| SGS Canada Inc. |
|
Technical Report – Grota do Cirilo Lithium Project – Araçuai and Itinga Regions, Minas Gerais, Brazil |
Table 14‑10: Resource Block Model Parameters
|
Direction |
Block Size |
Number of Blocks |
Coordinates |
Coordinates |
|
East–west (x) |
5 |
308 |
191,152 |
192,687 |
|
North–south (y) |
5 |
458 |
8,138,971 |
8,141,256 |
|
Elevation (z) |
5 |
163 |
-228 |
582 |
|
14.1.7 |
Variography |
To determine the continuity and distribution of the Li2O grades, the 1 m composites were submitted to a variographic study. The variographic analysis helped determine the search ellipses criteria and define the kriging parameters for the block interpolation process.
The data for NDC supplied a good variogram, while variograms for LDM, Maxixe and Tamboril were not considered of good quality for variographic analysis.
The NDC data was plotted as a correlogram, which normalises the data to a sill value of 1.0.
The resulting correlogram is shown as Figure 14‑10.

Figure 14‑10: NDC Combined Correlogram
![]() |
| SGS Canada Inc. |
|
Technical Report – Grota do Cirilo Lithium Project – Araçuai and Itinga Regions, Minas Gerais, Brazil |
|
14.1.8 |
Block Model Interpolation |
The grade interpolation for the NDC resource block model was completed using ordinary kriging (OK), while LDM, Maxixe and Tamboril were estimated using an inverse distance squared (ID2) methodology. All the interpolation processes were conducted using three successive passes with more inclusive search conditions from the first pass to the next until most blocks were interpolated.
Variable search ellipse orientations were used to interpolate the blocks. The general dip of the mineralized pegmatite was modelled on each section and then interpolated in each block. During the interpolation process, the search ellipse was orientated based on the interpolation direction of each block, hence better representing the local dip and orientation of the mineralization.
Separate search ellipses were developed for the individual pegmatites, based on their respective orientations.
Table 14-11 shows the search ellipses for the respective block models.
Table 14‑11: Search Ellipses for respective Block Models
|
Pegmatite |
Pass Number |
Long Axis (m) |
Intermediate Axis (m) |
Short Axis (m) |
Azimuth |
Dip |
Dip Direction |
|
NDC North |
1 |
75 |
75 |
25 |
110 |
-50 |
East |
|
2 |
150 |
150 |
50 |
110 |
-50 |
East |
|
|
3 |
300 |
300 |
100 |
110 |
-50 |
East |
|
|
NDC South |
1 |
75 |
75 |
25 |
115 |
-40 |
East |
|
2 |
150 |
150 |
50 |
115 |
-40 |
East |
|
|
3 |
300 |
300 |
100 |
115 |
-40 |
East |
|
|
LDM |
1 |
50 |
50 |
25 |
180 |
-72 |
East |
|
2 |
100 |
100 |
50 |
180 |
-72 |
East |
|
|
3 |
300 |
300 |
100 |
180 |
-72 |
East |
|
|
Maxixe |
1 |
50 |
50 |
25 |
180 |
-55 |
East |
|
2 |
100 |
100 |
50 |
180 |
-55 |
East |
|
|
3 |
300 |
300 |
100 |
180 |
-55 |
East |
|
|
Tamboril |
1 |
50 |
50 |
25 |
180 |
-55 |
East |
|
2 |
100 |
100 |
50 |
180 |
-55 |
East |
|
|
3 |
300 |
300 |
100 |
180 |
-55 |
East |
![]() |
| SGS Canada Inc. |
|
Technical Report – Grota do Cirilo Lithium Project – Araçuai and Itinga Regions, Minas Gerais, Brazil |
Figure 14‑11 shows the search ellipses for the NDC block model

Figure 14‑11: Isometric View of NDC North Search Ellipsoids
Figure 14-12 to Figure 14-15 show the respective block models for NDC, LDM, Maxixe and Tamboril, while Figure 14-16 shows all the block models with respect to each other.

Figure 14‑12: Isometric View of the NDC Interpolated Block Model
![]() |
| SGS Canada Inc. |
|
Technical Report – Grota do Cirilo Lithium Project – Araçuai and Itinga Regions, Minas Gerais, Brazil |

Figure 14‑13: Isometric View of Lavra Do Meio Interpolated Block Model

Figure 14‑14: Isometric View of Maxixe Interpolated Block Model
![]() |
| SGS Canada Inc. |
|
Technical Report – Grota do Cirilo Lithium Project – Araçuai and Itinga Regions, Minas Gerais, Brazil |

Figure 14‑15: Isometric View of Tamboril Interpolated Block Model

Figure 14‑16: Isometric view of the complete NDC pegmatites
![]() |
| SGS Canada Inc. |
|
Technical Report – Grota do Cirilo Lithium Project – Araçuai and Itinga Regions, Minas Gerais, Brazil |
|
14.1.9 |
Model Validation |
To validate the interpolation process, the block model grades were compared statistically to the assay and composite grades.
|
14.1.9.1 |
NDC Model Validation |
The distribution of the assays, composites and blocks are normal (gaussian) and show similar average values with decreasing levels of variance (Figure 14‑17). The assays and composites have average values of 1.35% and 1.47% Li2O with variances of 0.75% and 0.49% Li2O respectively. The interpolated blocks have an average value of 1.44% Li2O with a variance of 0.11% Li2O.

Figure 14‑17: Statistical Comparison of NDC Assay, Composite and Block Data
Furthermore, the block values were compared to the composite values located inside the interpolated blocks. This enables a test for possible over- or under-estimation of the grade by the search parameters by testing the correlation between the two values. A correlation of determination of 0.24 (R2) was established between the blocks and the composites (Figure 14‑18). This confirms what can be seen in Figure 14-17, namely that the block model is smoothed in relation to the composites. It is the opinion of the QP that this level of smoothing is acceptable for this type of deposit.
![]() |
| SGS Canada Inc. |
|
Technical Report – Grota do Cirilo Lithium Project – Araçuai and Itinga Regions, Minas Gerais, Brazil |

Figure 14‑18: Comparison NDC Block Values Versus Composites Inside Blocks
| 14.1.9.2 |
LDM Model Validation |
The distribution of the assays, composites and blocks are normal (gaussian) and show similar average values with decreasing levels of variance (Figure 14‑19).

Figure 14‑19: Statistical Comparison of Lavra Do Meio Assay, Composite and Block Data
![]() |
| SGS Canada Inc. |
|
Technical Report – Grota do Cirilo Lithium Project – Araçuai and Itinga Regions, Minas Gerais, Brazil |
The assays and composites have respective averages of 1.09% Li2O and 1.10% Li2O with variances of 1.16 and 0.92. The interpolated blocks have and average value of 0.97% Li2O with a variance of 0.36.
As with NDC, a regression analysis was undertaken. A correlation of determination of 0.56 (R2) was established between the blocks and the composites (Figure 14-20). This confirms what can be seen in Figure 14-19, namely that the block model is smoothed in relation to the composites. It is the opinion of the QP that this level of smoothing is acceptable for this type of deposit.

Figure 14‑20: Lavra Do Meio Block Values Versus Composites Inside Those Blocks
| 14.1.9.3 |
Maxixe Model Validation |
The distribution of the assays, composites and blocks are normal (gaussian) and show similar average values with decreasing levels of variance (Figure 14‑21).
![]() |
| SGS Canada Inc. |
|
Technical Report – Grota do Cirilo Lithium Project – Araçuai and Itinga Regions, Minas Gerais, Brazil |

Figure 14‑21: Statistical Comparison of Maxixe Assay, Composite and Block Data
The assays and composites have respective averages of 1.24% Li2O and 1.22% Li2O with variances of 1.56 and 0.27. The interpolated blocks have and average value of 1.16% Li2O with a variance of 0.46.
The regression analysis showed a correlation of determination of 0.54 (R2) between the blocks and the composites (Figure 14-22). This confirms what can be seen in Figure 14-21, namely that the block model is smoothed in relation to the composites. It is the opinion of the QP that this level of smoothing is acceptable for this type of deposit.

Figure 14‑22: Maxixe Block Values Versus Composites Inside Those Blocks
![]() |
| SGS Canada Inc. |
|
Technical Report – Grota do Cirilo Lithium Project – Araçuai and Itinga Regions, Minas Gerais, Brazil |
|
14.1.9.4 |
Tamboril Model validation |
The distribution of the assays, composites and blocks are normal (gaussian) and show similar average values with decreasing levels of variance (Figure 14‑23).

Figure 14‑23: Statistical Comparison of Tamboril Assay, Composite and Block Data
The assays and composites have respective averages of 0.99% Li2O and 1.03% Li2O with variances of 0.60 and 0.37. The interpolated blocks have and average value of 1.05% Li2O with a variance of 0.11.
A correlation of determination of 0.15 (R2) was established between the blocks and the composites (Figure 14-24). While this is a lower R2 value than the previous models, it is considered a function of the small amount of data that reported to the block model and it is the opinion of the QP that this level of smoothing is acceptable for this type of deposit.
![]() |
| SGS Canada Inc. |
|
Technical Report – Grota do Cirilo Lithium Project – Araçuai and Itinga Regions, Minas Gerais, Brazil |

Figure 14‑24: Tamboril Block Values Versus Composites Inside Those Blocks
| 14.1.10 |
Mineral Resource Classification |
Mineral Resources are classified into Measured, Indicated and Inferred categories. The Mineral Resource classification is based on the density of analytical information, the grade variability and spatial continuity of mineralization. The Mineral Resources were classified in two successive stages: automated classification, followed by manual editing of final classification results.
The first classification stage was conducted by applying an automated classification process which selects around each block a minimum number of composites from a minimum number of holes located within a search ellipsoid of a given size and orientation:
|
● |
Measured Mineral Resources: the search ellipsoid used was 50 m (strike) by 50 m (dip) by 25 m with a minimum of seven composites in at least three different drill holes |
|
● |
Indicated Mineral Resources: the search ellipsoid was twice the size of the Measured category ellipsoid using the same composites selection criteria |
|
● |
Inferred Mineral Resources: all remaining blocks. |
Figure 14‑25 to Figure 14-28 show the classified block models for the respective pegmatites, while Figure 14-29 shows all the classified block models with respect to each other.
![]() |
| SGS Canada Inc. |
|
Technical Report – Grota do Cirilo Lithium Project – Araçuai and Itinga Regions, Minas Gerais, Brazil |

Figure 14‑25: NDC Block Model Classification

Figure 14‑26: Lavra Do Meio Block Model Classification
![]() |
| SGS Canada Inc. |
|
Technical Report – Grota do Cirilo Lithium Project – Araçuai and Itinga Regions, Minas Gerais, Brazil |

Figure 14‑27: Maxixe Block Model Classification

Figure 14‑28: Tamboril Block Model Classification
![]() |
| SGS Canada Inc. |
|
Technical Report – Grota do Cirilo Lithium Project – Araçuai and Itinga Regions, Minas Gerais, Brazil |

Figure 14‑29: Isometric view of the classified NDC pegmatites
| 14.1.11 |
Reasonable Prospects for Eventual Economic Extraction |
The general requirement that all mineral resources have “reasonable prospects for eventual economic extraction” implies that the quantity and grade estimates meet certain economic thresholds and that the mineral resources are reported at an appropriate cut-off grade considering extraction scenarios and processing recoveries. To meet this requirement, the lithium mineralization of the NDC deposit is considered amenable to open pit extraction.
To determine the quantity of material representing “reasonable prospects for eventual economic extraction” by an open pit mining method, Whittle pit optimization software was used with reasonable mining and economic assumptions. The pit optimization for the NDC deposit was completed by SGS for the current MRE. The pit optimization parameters used are summarized in Table 14-12. A conservative and balanced approach was applied when optimizing the open pit scenario. A Whittle pit shell at a revenue factor of 1.0 ($800/t of 5.5% concentrate price) was selected as the ultimate pit shell for the purposes of the MRE for the NDC deposit.
Figure 14-9 shows the pit with all the mineralized surfaces.
The reader is cautioned that the results from the pit optimization are used solely for the purpose of testing the “reasonable prospects for economic extraction” by an open pit and do not represent an attempt to estimate mineral reserves. The results are used as a guide to assist in the preparation of a mineral resource statement and to select an appropriate resource reporting cut-off grade.
![]() |
| SGS Canada Inc. |
|
Technical Report – Grota do Cirilo Lithium Project – Araçuai and Itinga Regions, Minas Gerais, Brazil |
Table 14‑12: NDC Pit Optimization Parameters
|
Parameter |
Unit |
Value |
|
Concentrate Price (5.5% Li2O) |
US$ per tonne |
$800 |
|
Pit Slope |
Degrees |
60 |
|
Mining Cost |
US$ per tonne mined |
$2.20 |
|
Processing Cost & G&A |
US$ per tonne milled |
$16.46 |
|
Mining Recovery |
Percent (%) |
95 |
|
Concentration Recovery (DMS) |
Percent (%) |
60 |
|
Royalties |
Percent (%) |
2 |
|
Mining loss / Dilution |
Percent (%) / Percent (%) |
5 / 5 |
|
Cut-off Grade |
Percent (%) Li2O |
0.3 |

Figure 14‑30: NDC Deposit Mineral Resource Block Model and Revenue Factor 1 Pit
![]() |
| SGS Canada Inc. |
|
Technical Report – Grota do Cirilo Lithium Project – Araçuai and Itinga Regions, Minas Gerais, Brazil |
| 14.1.12 |
Mineral Resource Statement |
The Mineral Resource estimate is reported in Table 14‑13 using a 0.3% Li2O cut-off. The Mineral Resources are constrained by the topography and based on the conceptual economic parameters detailed in Table 14‑12. The estimate has an effective date of the 15th January, 2025. The QP for the estimate is Mr. Marc-Antoine Laporte, P.Geo., an SGS employee.
Table 14‑13: NDC Deposit Mineral Resource Estimate
|
Cut-off Grade |
Category |
Tonnes |
Average |
Contained LCE (Kt) |
|
0.3 |
Measured |
5.4 |
1.35 |
180 |
|
0.3 |
Indicated |
32.9 |
1.42 |
1,155 |
|
0.3 |
Measured + Indicated |
38.3 |
1.41 |
1,335 |
|
0.3 |
Inferred |
2.4 |
1.16 |
69 |
Notes to accompany Mineral Resource table:
|
1. |
Mineral Resources have an effective date of the 15th January, 2025 and have been classified using the 2014 CIM Definition Standards. The Qualified Person for the estimate is Mr. Marc-Antoine Laporte, P.Geo., an SGS employee. |
|
2. |
All Resources are presented undiluted and in situ, constrained by continuous 3D wireframe models, and are considered to have reasonable prospects for eventual economic extraction. |
|
3. |
Mineral Resources are reported assuming open pit mining methods, and the following assumptions: lithium concentrate (5.5% Li2O) price of US$800/t, mining costs of US$2.2/t for mineralization and waste, crushing and processing costs of US$10.7/t, general and administrative (G&A) costs of US$4/t, concentrate recovery of 60%, 2% royalty payment, pit slope angles of 55º, and an overall cut-off grade of 0.3% Li2O. |
|
4. |
Tonnages and grades have been rounded in accordance with reporting guidelines. Totals may not sum due to rounding. |
|
5. |
Mineral resources which are not mineral reserves do not have demonstrated economic viability. An Inferred Mineral Resource has a lower level of confidence than that applying to a Measured and Indicated Mineral Resource and must not be converted to a Mineral Reserve. It is reasonably expected that the majority of Inferred Mineral Resources could be upgraded to Indicated Mineral Resources with continued exploration. |
|
6. |
The results from the pit optimization are used solely for the purpose of testing the “reasonable prospects for economic extraction” by an open pit and do not represent an attempt to estimate mineral reserves. The results are used as a guide to assist in the preparation of a Mineral Resource statement and to select an appropriate resource reporting cut-off grade. |
|
7. |
The estimate of Mineral Resources may be materially affected by environmental, permitting, legal, title, taxation, socio-political, marketing, or other relevant issues. |
Factors that can affect Mineral Resource estimates include but are not limited to:
|
● |
Changes to the modelling method or approach |
|
● |
Changes to geotechnical assumptions, in particular, the pit slope angles |
|
● |
Changes to any of the social, political, economic, permitting, and environmental assumptions considered when evaluating reasonable prospects for eventual economic extraction |
|
● |
Mineral Resource estimates can also be affected by the market value of lithium and lithium compounds. |
![]() |
| SGS Canada Inc. |
|
Technical Report – Grota do Cirilo Lithium Project – Araçuai and Itinga Regions, Minas Gerais, Brazil |
|
14.2 |
MURIAL DEPOSIT |
| 14.2.1 |
Exploratory Data Analysis |
The final database used for the Murial pegmatite Mineral Resource estimation was transmitted to SGS by SMSA on the 7th December 2024, in Microsoft Excel format. The database validation steps are discussed in Section 12. The database comprised 179 drill holes with entries for:
|
● |
Down hole surveys (n = 11,825) |
|
● |
Assays (n = 9,810) |
|
● |
Lithologies (n = 4,362). |
The database was validated upon importation in Genesis, which enabled the correction of minor discrepancies between the table entries, surveys, and lithologies.
Vertical sections were generated oriented east-west following the drilling pattern and the general trend of the pegmatite unit. In general, the sections are spaced at 50 m intervals. Figure 14‑31 is a drill collar location plan.

Figure 14‑31: Murial Drill Hole Collar Location
The topographic surface that was used by SGS was a 1 m precision DEM (refer to Section 9.2).
| 14.2.2 |
Analytical Data |
There is a total of 9,810 assay intervals in the database used for mineral resource estimation; 2,550 assays are contained inside the mineralized solids. Most of the drill hole intervals defining the mineralized solids have been sampled continuously. Table 14‑14 shows the range of Li2O values from the analytical data.
![]() |
| SGS Canada Inc. |
|
Technical Report – Grota do Cirilo Lithium Project – Araçuai and Itinga Regions, Minas Gerais, Brazil |
Table 14‑14 – Murial Assay Statistics Inside Mineralized Solids
|
Li20 |
|
|
Count |
2,550 |
|
Mean |
1.26 |
|
Std. Dev. |
0.76 |
|
Min |
0.007 |
|
Median |
1.29 |
|
Max |
4.99 |
| 14.2.3 |
Composite Data |
Block model grade interpolation was conducted on composited analytical data. A 1 m composite length was selected based on the north–south width of the 5 m by 5 m by 5 m block size defined for the resource block model. Compositing began at the top of the mineralized wireframe and continued to the end of the mineralized wireframe. No capping was applied on the analytical composite data.
Table 14‑15 shows the statistics of the analytical composites used for the interpolation of the resource block model.
Table 14‑15: Murial 1 m Composite Statistics
| ` |
Li20 |
|
Count |
2.093 |
|
Mean |
1.31 |
|
Std. Dev. |
0.66 |
|
Min |
0.0 |
|
Median |
1.36 |
|
Max |
4.48 |
| 14.2.4 |
Density |
Density determinations are outlined in Section 11.3. An average density value of 2.68 t/m3 was determined for the mineralized pegmatite. This value was used for the calculation of the tonnages from the volumetric estimates of the resource block model.
![]() |
| SGS Canada Inc. |
|
Technical Report – Grota do Cirilo Lithium Project – Araçuai and Itinga Regions, Minas Gerais, Brazil |
|
14.2.5 |
Geological Interpretation |
SGS conducted the interpretation of the 3D wireframe solids of the mineralization based on the drill hole data and surface mapping done by SMSA geologists. For the purpose of modelling, sections looking north and looking west were generated every 50 m, with intermediate sections where necessary to tie in the solids. The modelling was first completed on sections to define mineralized shapes using the lithology and lithium analytical data. A minimum grade of 0.3% Li2O over a minimum drill hole interval length of 1.5 m was generally used as guideline to define the width of mineralized shapes. The final 3D wireframe model (solid) was constructed by linking the defined mineralized shapes based on the geological interpretation (refer to Figure 7‑8).
The linked interpretation shows 11 pegmatite bodies in two distinct orientations: a sub-vertical orientation expressed in two pegmatites at the southern end of the mineralized horizon, with a strike of approximately 010° an a dip of 55° to the east and a series of nine sub-horizontal pegmatites at the northern end of the mineralized horizon, with a strike of approximately 010° and dips varying from 20° west to 15° east.
The mineralized solids were clipped directly on the DEM surface and the average depth of soil overburden thickness is about 4 m. No saprolite zone was logged by Sigma geologists. Figure 14‑11 shows the final 3D wireframe solids in isometric view with the drill hole pierce points.

Figure 14‑32: Murial Pegmatite Solid (looking west)
|
14.2.6 |
Resource Block Modeling |
A block size of 5 m by 5 m by 5 m (vertical) was selected for the Murial resource block model based on drill hole spacing and the width and general geometry of mineralization. No rotation was applied to the block model. The 5 m vertical dimension corresponds to the bench height of a potential small open pit mining operation. The 5 m northeast–southwest dimension corresponds to about a tenth of the minimum drill spacing and accounts for the variable geometry of the mineralization in that direction. The 5 m northwest–southeast block dimension accounts for the average minimum width of the mineralization modelled at Murial. The resource block model contains 114,866 blocks located inside the mineralized solids, for a total volume of 8,058,979 m3. Table 14‑16 summarizes the block model limit parameters.
![]() |
| SGS Canada Inc. |
|
Technical Report – Grota do Cirilo Lithium Project – Araçuai and Itinga Regions, Minas Gerais, Brazil |
Table 14‑16: Murial Resource Block Model Parameters
|
Direction |
Block Size |
Number of Blocks |
Coordinates |
Coordinates |
|
East–west (x) |
5 |
236 |
192,310 |
193,485 |
|
North–south (y) |
5 |
581 |
8,140,747 |
8,143,647 |
|
Elevation (z) |
5 |
143 |
-150 |
143 |
|
14.2.7 |
Variography |
To determine the continuity and distribution of the Li2O grades, the 1 m composites were submitted to a variographic study. The variographic analysis helped determine the search ellipses criteria and define the kriging parameters for the block interpolation process.
The data was plotted as a correlogram, which normalises the data to a sill value of 1.0.
An example of the Murial South correlogram is shown in Figure 14‑33.

Figure 14‑33: Murial South Combined Correlogram
![]() |
| SGS Canada Inc. |
|
Technical Report – Grota do Cirilo Lithium Project – Araçuai and Itinga Regions, Minas Gerais, Brazil |
|
14.2.8 |
Block Model Interpolation |
The grade interpolation for the Murial resource block model was completed using ordinary kriging (OK). The interpolation process was conducted using three successive passes with more inclusive search conditions from the first pass to the next until most blocks were interpolated.
Variable search ellipse orientations were used to interpolate the blocks. The general dip of the mineralized pegmatite was modelled on each section and then interpolated in each block. During the interpolation process, the search ellipse was orientated based on the interpolation direction of each block, hence better representing the local dip and orientation of the mineralization.
Separate search ellipses were developed for the sub-vertical and sub-horizontal pegmatites, based on their respective orientations. However, each set of ellipses had the same set of ranges.
The first pass was interpolated using a search ellipsoid distance of 50 m (long axis) by 50 m (intermediate axis) and 25 m (short axis) with an azimuth and dip aligned to the respective pegmatites. For the second pass, the search distance was twice the search distance of the first pass and composites selection criteria were kept the same as for the first pass. Finally, the search distance of the third pass was increased to 300 m (long axis) by 300 m (intermediate axis) by 50 m (short axis). The purpose of the last interpolation pass was to interpolate the remaining un-estimated blocks mostly located at the edges of the block mode.
Figure 14‑34 illustrates the three search ellipsoids used for the different interpolation passes for the Murial south pegmatite.
Figure 14‑35 show the results of the block model interpolation in longitudinal view.

Figure 14‑34: Isometric View of the Murial South Search Ellipsoids
![]() |
| SGS Canada Inc. |
|
Technical Report – Grota do Cirilo Lithium Project – Araçuai and Itinga Regions, Minas Gerais, Brazil |

Figure 14‑35: Isometric View of Murial Interpolated Block Model
|
14.2.9 |
Model Validation |
To validate the interpolation process, the block model grades were compared statistically to the assay and composite grades. The distribution of the assays, composites and blocks are normal (gaussian) and show similar average values with decreasing levels of variance (Figure 14‑36).
![]() |
| SGS Canada Inc. |
|
Technical Report – Grota do Cirilo Lithium Project – Araçuai and Itinga Regions, Minas Gerais, Brazil |

Figure 14‑36: Statistical Comparison of Murial Assay, Composite and Block Data
The assays and composites have average values of 1.10% and 1.31% Li2O with variances of 0.62% and 0.44% Li2O. The interpolated blocks have an average value of 1.25% Li2O with a variance of 0.15% Li2O.
Furthermore, the block values were compared to the composite values located inside the interpolated blocks. This enables a test for possible over- or under-estimation of the grade by the search parameters by testing the correlation between the two values. A correlation of determination of 0.33 (R2) was established between the blocks and the composites (Figure 14-37). This confirms what can be seen in Figure 14-15, namely that the block model is smoothed in relation to the composites. It is the opinion of the QP that this level of smoothing is acceptable for this type of deposit.
![]() |
| SGS Canada Inc. |
|
Technical Report – Grota do Cirilo Lithium Project – Araçuai and Itinga Regions, Minas Gerais, Brazil |

Figure 14‑37: Comparison Murial Block Values Versus Composites Inside Blocks
|
14.2.10 |
Mineral Resources Classification |
The Mineral Resources are classified into Measured, Indicated, and Inferred categories. The Mineral Resource classification is based on the density of analytical information, the grade variability and spatial continuity of mineralization. The Mineral Resources were classified in two successive stages: automated classification, followed by manual editing of final classification results.
The first classification stage is conducted by applying an automated classification process which selects around each block a minimum number of composites from a minimum number of drill holes located within a search ellipsoid of a given size and orientation.
|
● |
Measured Mineral Resources: the search ellipsoid was 50 m (strike) by 50 m (dip) by 25 m with a minimum of five composites in at least three different drill holes. |
|
● |
Indicated Mineral Resources: the search ellipsoid was twice the size of the Measured category ellipsoid using the same composites selection criteria. |
|
● |
Inferred Mineral Resources: all remaining blocks were considered to be in the Inferred category. |
Figure 14‑38 is an isometric view showing the final classifications.
![]() |
| SGS Canada Inc. |
|
Technical Report – Grota do Cirilo Lithium Project – Araçuai and Itinga Regions, Minas Gerais, Brazil |

Figure 14‑38: Murial Block Model Classification
|
14.2.11 |
Reasonable Prospects for Eventual Economic Extraction |
The general requirement that all mineral resources have “reasonable prospects for eventual economic extraction” implies that the quantity and grade estimates meet certain economic thresholds and that the mineral resources are reported at an appropriate cut-off grade considering extraction scenarios and processing recoveries. To meet this requirement, the lithium mineralization of the Murial deposit is considered amenable to open pit and underground extraction.
To determine the quantity of material representing “reasonable prospects for eventual economic extraction” by an open pit mining method, Whittle pit optimization software was used with reasonable mining and economic assumptions. The pit optimization for the Murial deposit was completed by SGS for the current MRE. The pit optimization parameters used are summarized in Table 14-17. A conservative and balanced approach was applied when optimizing the open pit scenario. A Whittle pit shell at a revenue factor of 1.0 ($800/t concentrate price) was selected as the ultimate pit shell for the purposes of the MRE for the Murial deposit.
The reader is cautioned that the results from the pit optimization are used solely for the purpose of testing the “reasonable prospects for economic extraction” by an open pit and do not represent an attempt to estimate mineral reserves. The results are used as a guide to assist in the preparation of a mineral resource statement and to select an appropriate resource reporting cut-off grade.
To determine the quantities of material offering “reasonable prospects for eventual economic extraction” by underground mining methods, reasonable mining assumptions to evaluate the proportions of the block model that could be “reasonably expected” to be mined from underground are used. For the underground component of the MRE, a cut-off grade of 1.0% Li2O was calculated, based on the parameters shown in Table 14-17. Based on the size, shape, and orientation of the deposit, it is envisioned that the deposit may be mined using sublevel stoping. The underground mineral resource grade blocks were quantified above the base case cut-off grade, below the constraining pit shell and within the constraining mineralized wireframes.
![]() |
| SGS Canada Inc. |
|
Technical Report – Grota do Cirilo Lithium Project – Araçuai and Itinga Regions, Minas Gerais, Brazil |
Figure 14-39 shows the pit with all the mineralized surfaces and Figure 14-40 shows the underground component of the block model.
Table 14‑17: Murial Parameters for Reasonable Prospect for Eventual Economic Extraction
|
Parameter |
Unit |
Value |
|
Concentrate Price (5.5% Li2O) |
US$ per tonne |
$800 |
|
Pit Slope |
Degrees |
60 |
|
Mining Cost Open Pit |
US$ per tonne mined |
$2.20 |
|
Mining Cost Open Pit |
US$ per tonne mined |
$50.00 |
|
Processing Cost & G&A |
US$ per tonne milled |
$16.46 |
|
Mining Recovery |
Percent (%) |
95 |
|
Concentration Recovery (DMS) |
Percent (%) |
60 |
|
Royalties |
Percent (%) |
2 |
|
Mining loss / Dilution |
Percent (%) / Percent (%) |
5 / 5 |
|
Cut-off Grade Open Pit |
Percent (%) Li2O |
0.3 |
|
Cut-off Grade Underground |
Percent (%) Li2O |
1.0 |

Figure 14‑39: Murial Deposit Open Pit Mineral Resource Block Model and Revenue Factor 1 Pit
![]() |
| SGS Canada Inc. |
|
Technical Report – Grota do Cirilo Lithium Project – Araçuai and Itinga Regions, Minas Gerais, Brazil |

Figure 14‑40: Murial Deposit Underground Mineral Resource Block Model (Looking North)

Figure 14‑41: Isometric View of NDC-Murial Interpolated Block Model
Figure 14-41 shows the possible combined development of the NDC and Murial ore bodies. This strategy will be studied throughout 2025. The adjacent areas are also subjects of future studies aimed at tracing satellite bodies parallel to the main structure of NDC and Murial, given this region’s high potential for mineralized pegmatite bodies of varying thicknesses, with high-grade spodumene crystals.
|
Technical Report – Grota do Cirilo Lithium Project – Araçuai and Itinga Regions, Minas Gerais, Brazil |
|
14.2.12 |
Mineral Resource Statement |
The Mineral Resource estimate is reported using a 0.3% and 1.0% Li2O cut-off for open pit and underground respectively. The Mineral Resources are constrained by the topography and are based on the conceptual economic parameters detailed in Table 14‑18. The estimate has an effective date of the 15th January, 2025. The QP for the estimate is Mr. Marc-Antoine Laporte, P.Geo., an SGS employee.
Table 14‑18: Murial Deposit Mineral Resource Estimate
|
Cut-off Grade |
Method |
Category |
Tonnage |
Average |
LCE (Kt) |
|
0.3 |
Open Pit |
Measured |
10.7 |
1.26 |
333 |
|
0.3 |
Open Pit |
Indicated |
1.6 |
1.06 |
42 |
|
1.0 |
UG |
Measured |
1.8 |
1.51 |
67 |
|
1.0 |
UG |
Indicated |
0.5 |
1.50 |
19 |
|
Measured + Indicated |
14.6 |
1.28 |
466 |
||
|
0.3 |
Open Pit |
Inferred |
1.5 |
1.31 |
49 |
|
1.0 |
UG |
Inferred |
0.6 |
1.45 |
22 |
|
Inferred |
2.1 |
1.35 |
71 |
Notes to accompany Mineral Resource table:
|
1. |
Mineral Resources have an effective date of the 15th January 2025 and have been classified using the 2014 CIM Definition Standards. The Qualified Person for the estimate is Mr. Marc-Antoine Laporte, P.Geo., an SGS employee. |
|
2. |
All Resources are presented undiluted and in situ, constrained by continuous 3D wireframe models, and are considered to have reasonable prospects for eventual economic extraction. |
|
3. |
Mineral Resources are reported assuming open pit mining methods, and the following assumptions: lithium concentrate (5.5% Li2O) price of US$800/t, mining costs of US$2.2/t open pit and US$50 underground for mineralization and waste, crushing and processing costs of US$10.7/t, general and administrative (G&A) costs of US$4/t, concentrate recovery of 60%, 2% royalty payment, pit slope angles of 55º, and an overall cut-off grade of 0.3% Li2O. |
|
4. |
Tonnages and grades have been rounded in accordance with reporting guidelines. Totals may not sum due to rounding. |
|
5. |
Mineral resources which are not mineral reserves do not have demonstrated economic viability. An Inferred Mineral Resource has a lower level of confidence than that applying to a Measured and Indicated Mineral Resource and must not be converted to a Mineral Reserve. It is reasonably expected that the majority of Inferred Mineral Resources could be upgraded to Indicated Mineral Resources with continued exploration. |
|
6. |
The results from the pit optimization are used solely for the purpose of testing the “reasonable prospects for economic extraction” by an open pit and do not represent an attempt to estimate mineral reserves. The results are used as a guide to assist in the preparation of a Mineral Resource statement and to select an appropriate resource reporting cut-off grade. |
|
7. |
The estimate of Mineral Resources may be materially affected by environmental, permitting, legal, title, taxation, socio-political, marketing, or other relevant issues. |
|
![]() |
| SGS Canada Inc. |
|
Technical Report – Grota do Cirilo Lithium Project – Araçuai and Itinga Regions, Minas Gerais, Brazil |
Factors that can affect Mineral Resource estimates include but are not limited to:
|
● |
Changes to the modelling method or approach |
|
● |
Changes to geotechnical assumptions, in particular, the pit slope angles |
|
● |
Changes to any of the social, political, economic, permitting, and environmental assumptions considered when evaluating reasonable prospects for eventual economic extraction |
|
● |
Mineral Resource estimates can also be affected by the market value of lithium and lithium compounds. |
![]() |
| SGS Canada Inc. |
|
Technical Report – Grota do Cirilo Lithium Project – Araçuai and Itinga Regions, Minas Gerais, Brazil |
|
14.3 |
ELVIRA DEPOSIT |
|
14.3.1 |
Exploratory Data Analysis |
The final database used for the Elvira pegmatite mineral resource estimation was transmitted to SGS by SMSA on the 9th January 2024 in Microsoft Excel format and Datamine format. The database validation steps are discussed in Section 12. The database comprised nine drill holes with entries for:
|
● |
Down hole surveys (n = 128) |
|
● |
Assays (n = 207) |
|
● |
Lithologies (n = 108) |
The database was validated upon importation in Genesis, which enabled the correction of minor discrepancies between the table entries, surveys, and lithologies.
Vertical sections were generated oriented east-west following the drilling pattern and the general trend of the pegmatite unit. In general, the sections are spaced at 50 m intervals. Figure 14‑42 is a drill collar location plan.

Figure 14‑42: Elvira Drill Hole Collar Locations
|
14.3.2 |
Analytical Data |
There is a total of 224 assay intervals in the database used for the Mineral Resource estimate; 103 assays are contained inside the interpreted mineralized solids.
Table 14‑19 shows the range of Li2O values from the analytical data.
![]() |
| SGS Canada Inc. |
|
Technical Report – Grota do Cirilo Lithium Project – Araçuai and Itinga Regions, Minas Gerais, Brazil |
Table 14‑19: Elvira Assay Statistics Inside Mineralized Solids
|
Li20 (%) |
|
|
Count |
103 |
|
Mean |
1.25 |
|
Std. Dev. |
0.64 |
|
Min |
0.053 |
|
Median |
1.26 |
|
Max |
2.62 |
|
14.3.3 |
Composite Data |
Block model grade interpolation was conducted on composited analytical data. A 1 m composite length was selected based on the north–south width of the 5 m by 5 m by 5 m block size defined for the resource block model. Compositing began at the top of the mineralized wireframe and continued to the end of the mineralized wireframe. No capping was applied on the analytical composite data.
Table 14‑20 shows the grade statistics of the analytical composites used for the interpolation of the resource block model.
Table 14‑20: Elvira 1 m Composite Statistics
|
Li20 (%) |
|
|
Count |
70 |
|
Mean |
1.38 |
|
Std. Dev. |
0.57 |
|
Min |
0.02 |
|
Median |
1.18 |
|
Max |
2.37 |
|
14.3.4 |
Density |
Density determinations are outlined in Section 11.3. An average density value of 2.70 t/m3 was determined for the mineralized pegmatite. This value was used for the calculation of the tonnages from the volumetric estimates of the resource block model.
|
14.3.5 |
Geological Interpretation |
SGS conducted the interpretation of the 3D wireframe solids of the mineralization based on the drill hole data and surface mapping done by SMSA geologists. For the purpose of modelling, sections (looking north) were generated every 50 m, with intermediate sections where necessary to tie in the solids. The modelling was first completed on sections to define mineralized shapes using the lithology and lithium analytical data. A minimum grade of 0.3% Li2O over a minimum drill hole interval length of 1.5 m was generally used as a guideline to define the width of the mineralized shapes. The final 3D wireframe model (solid) was constructed by linking the defined mineralized shapes based on the geological interpretation (refer to Figure 7‑6).
![]() |
| SGS Canada Inc. |
|
Technical Report – Grota do Cirilo Lithium Project – Araçuai and Itinga Regions, Minas Gerais, Brazil |
The linked interpretation shows one pegmatite body, with a strike orientation of azimuth 077° and a dip averaging -75° to the south.
The mineralized solids were clipped directly on the DEM surface.
Figure 14‑43 shows the final 3D wireframe solids in isometric view with the drill hole pierce points.

Figure 14‑43: Elvira Pegmatite Solid
|
14.3.6 |
Resource Block Modeling |
A block size of 5 m (northeast–southwest) by 5 m (northwest–southeast) by 5 m (vertical) was selected for the Tamboril resource block model based on drill hole spacing, width and general geometry of mineralization. No rotation was applied to the block model. The 5 m vertical dimension corresponds to the bench height of a potential small open pit mining operation. The 5 m northeast–southwest dimension corresponds to about a tenth of the minimum drill spacing and accounts for the variable geometry of the mineralization in that direction. The 5 m northwest–southeast block dimension accounts for the minimum width of the mineralization modelled at Tamboril. The resource block model contains 12,811 blocks located inside the mineralized solids, for a total volume of 943,130 m3. Table 14‑21 summarizes the block model limit parameters.
![]() |
| SGS Canada Inc. |
|
Technical Report – Grota do Cirilo Lithium Project – Araçuai and Itinga Regions, Minas Gerais, Brazil |
Table 14‑21: Elvira Resource Block Model Parameters
|
Direction |
Block Size |
Number of Blocks |
Coordinates |
Coordinates |
|
East–west (x) |
5 |
118 |
193,628 |
194,213 |
|
North–south (y) |
5 |
161 |
8,135,928 |
8,136,728 |
|
Elevation (z) |
5 |
73 |
76 |
436 |
|
14.3.7 |
Block Model Interpolation |
The grade interpolation for the Elvira resource block model was completed using an inverse distance weighting to the second power (ID2) methodology. The inverse squared distance weighting method assigns a grade to each block in the block model, without the necessity of a sample being within the block volume. With the ID2 method, the grade, thickness, or any other value for the sample is adjusted by the inverse of the distance to the sample, squared. All adjusted sample weights are summed, then divided by the sum of the inverse distances. Closer samples are given greater weight than samples farther away.
Variable search ellipse orientations were used to interpolate the blocks. The general dip of the mineralized pegmatite was modelled on each section and then interpolated in each block. During the interpolation process, the search ellipse was orientated based on the interpolation direction of each block, hence better representing the local dip and orientation of the mineralization.
The first pass was interpolated using a search ellipsoid distance of 50 m (long axis) by 50 m (intermediate axis) and 25 m (short axis) with an orientation of 75º azimuth and -75º dip. For the second pass, the search distance was twice the search distance of the first pass and composites selection criteria were kept the same as for the first pass. Finally, the search distance of the third pass was increased to 300 m (long axis) by 300 m (intermediate axis) by 100 m (short axis). The purpose of the last interpolation pass was to interpolate the remaining un-estimated blocks mostly located at the edges of the block mode.
Figure 14‑44 illustrates the three search ellipsoids used for the different interpolation passes. Figure 14‑45 shows the results of the block model interpolation in longitudinal view.
![]() |
| SGS Canada Inc. |
|
Technical Report – Grota do Cirilo Lithium Project – Araçuai and Itinga Regions, Minas Gerais, Brazil |

Figure 14‑44: Isometric View of Elvira Search Ellipses

Figure 14‑45: Isometric View of Elvira Interpolated Block Model
|
14.3.8 |
Model Validation |
To validate the interpolation process, the block model grades were compared statistically to the assay and composite grades. The distribution of the assays, composites and blocks are normal (gaussian) and show similar average values with decreasing levels of variance (Figure 14‑46).
![]() |
| SGS Canada Inc. |
|
Technical Report – Grota do Cirilo Lithium Project – Araçuai and Itinga Regions, Minas Gerais, Brazil |

Figure 14‑46: Statistical Comparison of Elvira Assay, Composite and Block Data
The assays and composites have respective averages of 1.25% Li2O and 1.39% Li2O with variances of 0.41 and 0.25. The interpolated blocks have and average value of 1.28% Li2O with a variance of 0.55.
|
14.3.9 |
Mineral Resources Classification |
The Mineral Resources are classified into Measured, Indicated, and Inferred categories. The Mineral Resource classification is based on the density of analytical information, the grade variability and spatial continuity of mineralization. The Mineral Resources were classified in two successive stages: automated classification, followed by manual editing of final classification results.
The first classification stage was conducted by applying an automated classification process which selects around each block a minimum number of composites from a minimum number of holes located within a search ellipsoid of a given size and orientation.
|
● |
Measured Mineral Resources: the search ellipsoid was 50 m (strike) by 50 m (dip) by 25 m with a minimum of five composites in at least three different drill holes. |
|
● |
Indicated Mineral Resources: the search ellipsoid was twice the size of the Measured category ellipsoid using the same composites selection criteria. |
|
● |
Inferred Mineral Resources: all remaining blocks were considered to be in the Inferred category. |
Figure 14‑47 is an isometric view showing the final classification.
![]() |
| SGS Canada Inc. |
|
Technical Report – Grota do Cirilo Lithium Project – Araçuai and Itinga Regions, Minas Gerais, Brazil |

Figure 14‑47: Elvira Block Model Classification
|
14.3.10 |
Reasonable Prospects of Eventual Economic Extraction |
The general requirement that all mineral resources have “reasonable prospects for eventual economic extraction” implies that the quantity and grade estimates meet certain economic thresholds and that the mineral resources are reported at an appropriate cut-off grade considering extraction scenarios and processing recoveries. To meet this requirement, the lithium mineralization of the Maxixe deposit is considered amenable to open pit extraction.
To determine the quantity of material representing “reasonable prospects for eventual economic extraction” by an open pit mining method, Whittle pit optimization software was used with reasonable mining and economic assumptions. The pit optimization for the Maxixe deposit was completed by SGS for the current MRE. The pit optimization parameters used are summarized in Table 14-22. A conservative and balanced approach was applied when optimizing the open pit scenario. A Whittle pit shell at a revenue factor of 1.0 ($1,300/t concentrate price) was selected as the ultimate pit shell for the purposes of the MRE for the LDM deposit. Figure 14-48 shows the pit with all the mineralized surfaces.
The reader is cautioned that the results from the pit optimization are used solely for the purpose of testing the “reasonable prospects for economic extraction” by an open pit and do not represent an attempt to estimate mineral reserves. The results are used as a guide to assist in the preparation of a mineral resource statement and to select an appropriate resource reporting cut-off grade.
![]() |
| SGS Canada Inc. |
|
Technical Report – Grota do Cirilo Lithium Project – Araçuai and Itinga Regions, Minas Gerais, Brazil |
Table 14‑22: Elvira Parameters for Reasonable Prospect for Eventual Economic Extraction
|
Parameter |
Unit |
Value |
|
Concentrate Price (6% Li2O) |
US$ per tonne |
$1,300 |
|
Pit Slope |
Degrees |
60 |
|
Mining Cost |
US$ per tonne mined |
$2.20 |
|
Processing Cost & G&A |
US$ per tonne milled |
$16.46 |
|
Mining Recovery |
Percent (%) |
95 |
|
Concentration Recovery (DMS) |
Percent (%) |
60 |
|
Royalties |
Percent (%) |
2 |
|
Mining loss / Dilution |
Percent (%) / Percent (%) |
5 / 5 |
|
Cut-off Grade |
Percent (%) Li2O |
0.3 |

Figure 14‑48: Elvira Deposit Mineral Resource Block Model and Revenue Factor 1 Pit
![]() |
| SGS Canada Inc. |
|
Technical Report – Grota do Cirilo Lithium Project – Araçuai and Itinga Regions, Minas Gerais, Brazil |
|
14.3.11 |
Mineral Resource Estimation |
The Mineral Resource estimate is reported in Table 14-23 using a 0.3% Li2O cut-off. The Mineral Resources are constrained by the topography and based on the conceptual economic parameters detailed in Table 14-22. The estimate has an effective date of 15th January, 2025. The QP for the estimate is Mr. Marc-Antoine Laporte, P.Geo., an SGS employee.
Table 14‑23: Elvira Deposit Mineral Resource Estimate
|
Cut-off Grade Li2O (%) |
Category |
Tonnage |
Average |
LCE (Kt) |
|
0.3 |
Measured |
- |
- |
- |
|
0.3 |
Indicated |
- |
- |
- |
|
0.3 |
Measured + Indicated |
- |
- |
- |
|
0.3 |
Inferred |
2.1 |
1.16 |
60.2 |
Notes to accompany Mineral Resource table:
|
1. |
Mineral Resources have an effective date of the 15th January, 2025 and have been classified using the 2014 CIM Definition Standards. The Qualified Person for the estimate is Mr. Marc-Antoine Laporte, P.Geo., an SGS employee. |
|
2. |
All Resources are presented undiluted and in situ, constrained by continuous 3D wireframe models, and are considered to have reasonable prospects for eventual economic extraction. |
|
3. |
Mineral Resources are reported assuming open pit mining methods, and the following assumptions: lithium concentrate (6% Li2O) price of US$1,300/t, mining costs of US$2.2/t for mineralization and waste, crushing and processing costs of US$10.7/t, general and administrative (G&A) costs of US$4/t, concentrate recovery of 60%, 2% royalty payment, pit slope angles of 55º, and an overall cut-off grade of 0.3% Li2O. |
|
4. |
Tonnages and grades have been rounded in accordance with reporting guidelines. Totals may not sum due to rounding. |
|
5. |
Mineral resources which are not mineral reserves do not have demonstrated economic viability. An Inferred Mineral Resource has a lower level of confidence than that applying to a Measured and Indicated Mineral Resource and must not be converted to a Mineral Reserve. It is reasonably expected that the majority of Inferred Mineral Resources could be upgraded to Indicated Mineral Resources with continued exploration. |
|
6. |
The results from the pit optimization are used solely for the purpose of testing the “reasonable prospects for economic extraction” by an open pit and do not represent an attempt to estimate mineral reserves. The results are used as a guide to assist in the preparation of a Mineral Resource statement and to select an appropriate resource reporting cut-off grade. |
|
7. |
The estimate of Mineral Resources may be materially affected by environmental, permitting, legal, title, taxation, socio-political, marketing, or other relevant issues. |
Factors that can affect the Mineral Resource estimates include but are not limited to:
|
● |
Changes to the modelling method or approach |
|
● |
Changes to geotechnical assumptions, in particular, the pit slope angles |
|
● |
Changes to any of the social, political, economic, permitting, and environmental assumptions considered when evaluating reasonable prospects for eventual economic extraction. |
|
● |
Mineral Resource estimates can also be affected by the market value of lithium and lithium compounds |
![]() |
| SGS Canada Inc. |
|
Technical Report – Grota do Cirilo Lithium Project – Araçuai and Itinga Regions, Minas Gerais, Brazil |
|
14.4 |
BARREIRO DEPOSIT |
|
14.4.1 |
Exploratory Data Analysis |
The final database used for the Barreiro pegmatite mineral resource estimation was transmitted to SGS by SMSA on January 22, 2022, in Microsoft® Excel format and Datamine format. The database validation steps are discussed in Section 12. The database comprises 128 drill holes with entries for:
|
● |
Down hole surveys (n = 8,455) |
|
● |
Assays (n = 6,672) |
|
● |
Lithologies (n = 2,174) |
The database was validated upon importation in Genesis©, which enabled the correction of minor discrepancies between the table entries, surveys, and lithologies.
Vertical sections were generated oriented northwest following the drilling pattern and the general trend of the pegmatite unit. In general, the sections are spaced at 50 m intervals. Figure 14‑49 is a drill collar layout plan.

Figure 14‑49: Barreiro Drillhole Collar Locations
![]() |
| SGS Canada Inc. |
|
Technical Report – Grota do Cirilo Lithium Project – Araçuai and Itinga Regions, Minas Gerais, Brazil |
|
14.4.2 |
Analytical Data |
There is a total of 6,672 assay intervals in the database that were used for the Barreiro Mineral Resource estimate; 4,493 assays are contained inside the interpreted mineralized solids. Most of the drill holes defining the mineralized solids have been sampled continuously. Table 14‑24 shows the range of Li2O values from the analytical data inside the mineralized solids.
Table 14‑24: Barreiro Assay Statistics Inside Mineralized Solids
|
Li20 |
|
|
Count |
4,493 |
|
Mean |
1.40 |
|
Std. Dev. |
1.04 |
|
Min |
0.02 |
|
Median |
1.27 |
|
Max |
7.62 |
|
14.4.3 |
Composite Data |
Block model grade interpolation was conducted on composited analytical data. A 1 m composite length was selected based on the north–south width of the 5 m by 5 m by 5 m block size defined for the resource block model. Compositing starts at the bedrock-overburden contact. No capping was applied on the analytical composite data.
Table 14‑25 shows the statistics of the analytical composites used for the interpolation of the resource block model. Figure 14‑50 shows an example histogram.
Table 14‑25: Barreiro 1 m Composite Statistics
|
Li20 |
|
|
Count |
3,604 |
|
Mean |
1.38 |
|
Std. Dev. |
0.90 |
|
Min |
0.03 |
|
Median |
1.31 |
|
Max |
6.07 |
![]() |
| SGS Canada Inc. |
|
Technical Report – Grota do Cirilo Lithium Project – Araçuai and Itinga Regions, Minas Gerais, Brazil |

Figure 14‑50: Barreiro 1 m Composite Histogram
|
14.4.4 |
Density |
Density determinations are outlined in Section 11.3. An average density value of 2.72 t/m3 was determined for the mineralized pegmatite. This value was used for the calculation of the tonnages from the volumetric estimates of the resource block model.
|
14.4.5 |
Geological Interpretation |
SGS conducted the interpretation of the 3D wireframe solids of the mineralization based on the drill hole data and surface mapping done by SMSA geologists. For the purpose of modelling, sections (looking northeast) were generated every 50 m, with intermediate sections where necessary to tie in the solids. The modelling was first completed on sections to define mineralized shapes using the lithology and lithium analytical data. A minimum grade of 0.3% Li2O over a minimum drill hole interval length of 1.5 m was generally used as guideline to define the width of mineralized shapes. The final 3D wireframe model (solid) was constructed by linking the defined mineralized shapes based on the geological interpretation using a planar envelope model that uses an implicit modeling methodology.
The linked interpretation shows six pegmatite bodies, with a general orientation of azimuth 155° and a dip averaging -35° to the southeast. The pegmatite body was modelled with two main envelopes surrounded by four smaller pegmatite bodies above and below the main zone. The goal of the 2021 drilling program was to add more detail to the gap zone modeled in 2018 and to understand the fault system in Barreiro, if any. The results proved that the 2 main sections are linked and slightly folded on the center. No evidence of major faults was found in the drill core.
The mineralized solids were clipped directly on the DEM surface and the average depth of soil overburden is 3.15 m. Between the soil and the rock there is a semi-consolidated saprolite intersected in a few holes that is quite variable in thickness from 1 m to 3 m. Figure 14‑51 shows the 3D wireframe solids of the Barreiro pegmatite in isometric view with the drill hole pierce points.
![]() |
| SGS Canada Inc. |
|
Technical Report – Grota do Cirilo Lithium Project – Araçuai and Itinga Regions, Minas Gerais, Brazil |

Figure 14‑51: Sectional Interpretations of the Barreiro Pegmatite Unit (looking north and west)
|
14.4.6 |
Resource Block Modelling |
A block size of 5 m (northeast–southwest) by 5 m (northwest–southeast) by 5 m (vertical) was selected for the Barreiro resource block model based on drill hole spacing and width and general geometry of mineralization. No rotation is applied to the block model. The 5 m vertical dimension corresponds to the bench height of a potential small open pit mining operation. The 5 m northeast–southwest dimension corresponds to about a tenth of the minimum drill spacing and accounts for the variable geometry of the mineralization in that direction. The 5 m northwest–southeast block dimension accounts for the minimum width of the mineralization modelled at Barreiro. The resource block model contains 117,371 blocks located inside the mineralized solids, for a total volume of 10,100,000 m3. Table 14‑26 summarizes the block model limit parameters.
Table 14‑26: Barreiro Resource Block Model Parameters
|
Direction |
Block Size |
Number of Blocks |
Coordinates |
Coordinates |
|
East–west (x) |
5 |
219 |
190,356 |
191,446 |
|
North–south (y) |
5 |
182 |
8,140,153 |
8,141,058 |
|
Elevation (z) |
5 |
108 |
-143 |
392 |
|
14.4.7 |
Variography |
To determine the continuity and distribution of the Li2O grades, the 1 m composites were submitted to a variographic study. The variographic analysis helped determine the search ellipses criteria and define the kriging parameters for the block interpolation process.
![]() |
| SGS Canada Inc. |
|
Technical Report – Grota do Cirilo Lithium Project – Araçuai and Itinga Regions, Minas Gerais, Brazil |
The composites show a normal distribution with a relatively high standard deviation of 0.90 Li2O%. This prevented the use of a single correlogram model. Instead, two were generated, one for short distances and one for long distances. The short-distance correlogram was computed on untransformed composites. The long-distance correlogram was computed on transformed composites. The transformations involved projection of the composites and rescaling of the Z axis. This was to ensure a constant planar area of composite that could be used to identified long distance thin structure in the mineralized zone. Multiple iterations of variographic analyses were conducted on the transformed composites, each involved different Z axis slicing. The resulting correlogram is shown as Figure 14‑52.

Figure 14‑52: Barreiro Combined Correlogram
The transformation process is omnidirectional by nature, so no preferred orientation and dip were identified during the modelling process. However, projection and Z-axis rescaling were done according to the mineralization orientation of 317º of azimuth and -29º dip. The long-distance model is therefore optimal in this preferred orientation.
|
14.4.8 |
Block Model Interpolation |
The grade interpolation for the Barreiro resource block model was completed using OK. The interpolation process was conducted using three successive passes with more inclusive search conditions from the first pass to the next until most blocks were interpolated.
Variable search ellipse orientations were used to interpolate the blocks. The general dip of the mineralized pegmatite was modelled on each section and then interpolated in each block. During the interpolation process, the search ellipse was orientated following the interpolation direction of each block, hence better representing the dip and orientation of the mineralization.
The first pass was interpolated using a search ellipsoid distance of 50 m (long axis) by 50 m (intermediate axis) and 25 m (short axis) with an orientation of 317° azimuth, and -29° dip to the southeast which represents the general geometry of the pegmatites in the deposit. Using search conditions defined by a minimum of 11 composites, a maximum of 25 composites and a minimum of five holes, 62% of the blocks were estimated. For the second pass, the search distance was twice the search distance of the first pass and composites selection criteria were kept the same as for the first pass. A total of 95% of the blocks were interpolated following the second pass. Finally, the search distance of the third pass was increased to 250 m (long axis) by 250 m (intermediate axis) by 100 m (short axis) with a minimum of seven composites, a maximum of 25 composites and no minimum number of drill holes. The purpose of the last interpolation pass was to interpolate the remaining unestimated blocks mostly located at the edges of the block model, representing 5% of the blocks.
![]() |
| SGS Canada Inc. |
|
Technical Report – Grota do Cirilo Lithium Project – Araçuai and Itinga Regions, Minas Gerais, Brazil |
Figure 14‑53 illustrates the three search ellipsoids used for the different interpolation passes.
Figure 14‑54 show the results of the block model interpolation in longitudinal view.

Figure 14‑53: Isometric View of Barreiro Search Ellipses
![]() |
| SGS Canada Inc. |
|
Technical Report – Grota do Cirilo Lithium Project – Araçuai and Itinga Regions, Minas Gerais, Brazil |

Figure 14‑54: Isometric View of the Barreiro Interpolated Block Model
Note: Legend shows Li2O grades as greater than the first number, and less than the second in each colour range.
|
14.4.9 |
Model Validation |
To validate the interpolation process, the block model grades were compared statistically to the assay and composite grades. The distribution of the assays, composites and blocks are normal (gaussian) and show similar average values with decreasing levels of variance (Figure 14‑55).

Figure 14‑55: Statistical Comparison of Barreiro Assay, Composite and Block Data
![]() |
| SGS Canada Inc. |
|
Technical Report – Grota do Cirilo Lithium Project – Araçuai and Itinga Regions, Minas Gerais, Brazil |
The assays and composites have average values of 1.38% and 1.40% Li2O respectively with variances of 0.8 and 1.0% Li2O. The interpolated blocks have an average value of 1.31% Li2O with a variance of 0.20% Li2O.
Furthermore, the block values were compared to the composite values located inside the interpolated blocks. This enables to test for possible over- or under-estimation of the grade by the search parameters by testing the local correlation between the two values. A correlation of determination of 0.70 (R2) was established between the blocks and the composites (Figure 14‑56) which is typical and considered acceptable for this type of deposit.

Figure 14‑56: Barreiro Block Values Versus Composites Inside Those Blocks
|
14.4.10 |
Mineral Resources Classification |
The MRE for the Barreiro deposit is prepared and disclosed in compliance with all current disclosure requirements for mineral resources set out in the NI 43-101 Standards of Disclosure for Mineral Projects. The classification of the current MRE into Measured, Indicated and Inferred resources is consistent with current 2014 CIM Definition Standards - For Mineral Resources and Mineral Reserves, including the critical requirement that all mineral resources “have reasonable prospects for eventual economic extraction”.
Mineral Resources are sub-divided, in order of increasing geological confidence, into Inferred, Indicated and Measured categories. An Inferred Mineral Resource has a lower level of confidence than that applied to an Indicated Mineral Resource. An Indicated Mineral Resource has a higher level of confidence than an Inferred Mineral Resource but has a lower level of confidence than a Measured Mineral Resource.
A Mineral Resource is a concentration or occurrence of solid material of economic interest in or on the Earth’s crust in such form, grade or quality and quantity that there are reasonable prospects for eventual economic extraction.
![]() |
| SGS Canada Inc. |
|
Technical Report – Grota do Cirilo Lithium Project – Araçuai and Itinga Regions, Minas Gerais, Brazil |
The Mineral Resource classification is based on the density of analytical information and the grade variability and spatial continuity of mineralization. The Mineral Resources were classified in two successive stages: automated classification, followed by manual editing of final classification results.
The first classification stage was conducted by applying an automated classification process which selects around each block a minimum number of composites from a minimum number of holes located within a search ellipsoid of a given size and orientation:
|
● |
Measured Mineral Resources: the search ellipsoid was 50 m (strike) by 50 m (dip) by 35 m with a minimum of five composites in at least three different drill holes |
|
● |
Indicated Mineral Resources: the search ellipsoid was twice the size of the Measured category ellipsoid using the same composites selection criteria |
|
● |
Inferred Mineral Resources: all remaining blocks. |
Figure 14‑57 is a plan view showing the final classifications.

Figure 14‑57: Barreiro Block Model Classification
|
14.4.11 |
Reasonable Prospects of Eventual Economic Extraction |
The general requirement that all mineral resources have “reasonable prospects for eventual economic extraction” implies that the quantity and grade estimates meet certain economic thresholds and that the mineral resources are reported at an appropriate cut-off grade considering extraction scenarios and processing recoveries. To meet this requirement, the lithium mineralization of the Barreiro deposit is considered amenable to open pit extraction.
To determine the quantity of material representing “reasonable prospects for eventual economic extraction” by an open pit mining method, Whittle™ pit optimization software was used with reasonable mining and economic assumptions. The pit optimization for the Barreiro deposit was completed by SGS for the current MRE. The pit optimization parameters used are summarized in Table 14-27. A conservative and balanced approach was applied when optimizing the open pit scenario. A Whittle pit shell at a revenue factor of 1.0 ($1,500/t concentrate price) was selected as the ultimate pit shell for the purposes of the MRE for the Barreiro deposit.
![]() |
| SGS Canada Inc. |
|
Technical Report – Grota do Cirilo Lithium Project – Araçuai and Itinga Regions, Minas Gerais, Brazil |
Sigma and Arqueana have a waste sharing agreement in place, whereby each party is entitled to mine all the mineralised material to the edge of their respective tenement boundaries. In this case, the pit walls may encroach on the other party’s tenements without penalty. The pit shell selected for the MRE ensures that the mineralisation is accounted for to the eastern tenement boundary with Arqueana.
The reader is cautioned that the results from the pit optimization are used solely for the purpose of testing the “reasonable prospects for economic extraction” by an open pit and do not represent an attempt to estimate mineral reserves. The results are used as a guide to assist in the preparation of a mineral resource statement and to select an appropriate resource reporting cut-off grade.
The parameters detailed in Table 14-27 came from either SGS Canada, SMSA or contractors. These parameters are believed to be sufficient to include all block models for future open pit mine planning.
Table 14‑27: Barreiro Pit Optimization Parameters
|
Parameter |
Unit |
Value |
|
Concentrate Price (6% Li2O) |
US$ per tonne |
$1,500 |
|
Pit Slope |
Degrees |
60 |
|
Mining Cost |
US$ per tonne mined |
$2.20 |
|
Processing Cost (incl. crushing) |
US$ per tonne milled |
$10.7 |
|
General and Administrative |
US$ tonne of feed |
$4 |
|
Mining Recovery |
Percent (%) |
95 |
|
Concentration Recovery (DMS) |
Percent (%) |
60.7 |
|
Pit Slopes Fresh Rock |
Degrees |
52-55 |
|
Royalties |
Percent (%) |
2 |
|
Mining loss / Dilution |
Percent (%) / Percent (%) |
5 / 5 |
|
Cut-off Grade |
Percent (%) Li2O |
0.5 |
Figure 14-58 shows a view of the optimized Barreiro pit together with the Barreiro block model.
![]() |
| SGS Canada Inc. |
|
Technical Report – Grota do Cirilo Lithium Project – Araçuai and Itinga Regions, Minas Gerais, Brazil |

Figure 14‑58: Isometric View Looking Northeast: Barreiro Deposit Mineral Resource Block Grades and Revenue Factor 1 Pit
|
14.4.12 |
Mineral Resource Statement |
The Mineral Resource estimate is reported in Table 14‑28 using a 0.3% Li2O cut-off. The Mineral Resources are constrained by the topography and based on the conceptual economic parameters detailed in Table 14‑27. The estimate has an effective date of 15th January, 2025. The QP for the estimate is Mr. Marc-Antoine Laporte, P.Geo., an SGS employee.
![]() |
| SGS Canada Inc. |
|
Technical Report – Grota do Cirilo Lithium Project – Araçuai and Itinga Regions, Minas Gerais, Brazil |
Table 14‑28: Barreiro Deposit Mineral Resource Estimate
|
Cut-off Grade |
Category |
Tonnage |
Average |
LCE (Kt) |
|
0.3 |
Measured |
19.5 |
1.38 |
665 |
|
0.3 |
Indicated |
6.1 |
1.29 |
195 |
|
0.3 |
Measured + Indicated |
25.6 |
1.36 |
861 |
|
0.3 |
Inferred |
3.8 |
1.38 |
132 |
Notes to accompany Mineral Resource table:
|
1. |
Mineral Resources have an effective date of 15th January, 2025 and have been classified using the 2014 CIM Definition Standards. The Qualified Person for the estimate is Mr. Marc-Antoine Laporte, P.Geo., an SGS employee. |
|
2. |
All Resources are presented undiluted and in situ, constrained by continuous 3D wireframe models, and are considered to have reasonable prospects for eventual economic extraction. |
|
3. |
Mineral Resources are reported assuming open pit mining methods, and the following assumptions: lithium concentrate (5.5% Li2O) price of US$800/t, mining costs of US$2.2/t for mineralization and waste, crushing and processing costs of US$10/t, general and administrative (G&A) costs of US$4/t, concentrate recovery of 60.7%, 2% royalty payment, pit slope angles of 52-55º, and an overall cut-off grade of 0.3% Li2O. |
|
4. |
Tonnages and grades have been rounded in accordance with reporting guidelines. Totals may not sum due to rounding. |
|
5. |
Mineral resources which are not mineral reserves do not have demonstrated economic viability. An Inferred Mineral Resource has a lower level of confidence than that applying to a Measured and Indicated Mineral Resource and must not be converted to a Mineral Reserve. It is reasonably expected that the majority of Inferred Mineral Resources could be upgraded to Indicated Mineral Resources with continued exploration. |
|
6. |
The results from the pit optimization are used solely for the purpose of testing the “reasonable prospects for economic extraction” by an open pit and do not represent an attempt to estimate mineral reserves. The results are used as a guide to assist in the preparation of a Mineral Resource statement and to select an appropriate resource reporting cut-off grade. |
|
7. |
The estimate of Mineral Resources may be materially affected by environmental, permitting, legal, title, taxation, socio-political, marketing, or other relevant issues. |
Factors that can affect Mineral Resource estimates include but are not limited to:
|
● |
Changes to the modelling method or approach |
|
● |
Changes to geotechnical assumptions, in particular, the pit slope angles |
|
● |
Changes to any of the social, political, economic, permitting, and environmental assumptions considered when evaluating reasonable prospects for eventual economic extraction |
|
● |
Mineral Resource estimates can also be affected by the market value of lithium and lithium compounds. |
![]() |
| SGS Canada Inc. |
|
Technical Report – Grota do Cirilo Lithium Project – Araçuai and Itinga Regions, Minas Gerais, Brazil |
|
14.5 |
XUXA DEPOSIT |
|
14.5.1 |
Exploratory Data Analysis |
The final database used for the Xuxa pegmatite Mineral Resource estimation was transmitted to SGS by SMSA on December 13, 2018 in Microsoft® Excel format and Datamine format and this date was used as a cut-off for the resource estimate. The database validation steps are discussed in Section 12. The database comprises 93 drill holes with entries for:
|
● |
Down hole surveys (n = 4,680) |
|
● |
Assays (n = 2,386) |
|
● |
Lithologies (n = 1,180). |
The database was validated upon importation in Genesis©, which enabled the correction of minor discrepancies between the table entries, surveys, and lithologies.
Vertical sections were generated oriented N55°W (305º azimuth) following the drilling pattern and perpendicular to the general trend of the pegmatite unit. In general, the sections are spaced at 50 m intervals. Figure 14‑59 is a drill collar layout plan.

Figure 14‑59: Xuxa Drill Hole Collar Locations (2017 collars shown in blue and 2018 collars shown in black)
|
14.5.2 |
Analytical Data |
There is a total of 2,386 assay intervals in the database that were used for Mineral Resource estimation; 1,247 assays are contained inside the interpreted mineralized solids. Most of the drill holes defining the mineralized solids have been sampled continuously. Table 14‑29 shows the range of Li2O values from the analytical data within the interpreted mineralized shapes.
![]() |
| SGS Canada Inc. |
|
Technical Report – Grota do Cirilo Lithium Project – Araçuai and Itinga Regions, Minas Gerais, Brazil |
Table 14‑29: Xuxa Assay Statistics Inside Mineralized Solids
|
Li2O |
|
|
Count |
1,247 |
|
Mean |
1.48 |
|
Std. Dev. |
0.84 |
|
Min |
0.03 |
|
Median |
1.51 |
|
Max |
4.63 |
|
14.5.3 |
Composite Data |
Block model grade interpolation was conducted on composited analytical data. A 1 m composite length was selected based on the north–south width of the 5 m by 3 m by 5 m block size defined for the resource block model. Compositing began at the bedrock-overburden contact. No capping was applied on the analytical composite data.
Table 14‑7 shows the grade statistics of the analytical composites used for the interpolation of the resource block model and Figure 14‑60 is an example histogram.
Table 14‑30: Xuxa 1 m Composite Statistics
|
Li2O |
|
|
Count |
1,096 |
|
Mean |
1.56 |
|
Std. Dev. |
0.70 |
|
Min |
0.13 |
|
Median |
1.58 |
|
Max |
3.94 |
![]() |
| SGS Canada Inc. |
|
Technical Report – Grota do Cirilo Lithium Project – Araçuai and Itinga Regions, Minas Gerais, Brazil |

Figure 14‑60: Xuxa 1 m Composite Histogram
|
14.5.4 |
Density |
Density determinations are outlined in Section 11.3. An average density value of 2.7 t/m3 was determined for the mineralized pegmatite. This value was used for the calculation of the tonnages from the volumetric estimates of the resource block model.
|
14.5.5 |
Geological Interpretation |
SGS conducted the interpretation of the 3D wireframe solids of the mineralization based on the drill hole data and surface mapping done by SMSA geologists. For the purpose of modelling, sections (looking northeast) were generated every 50 m, with intermediate sections where necessary to tie in the solids. The modelling was first completed on sections to define mineralized shapes using the lithology and lithium analytical data. A minimum grade of 0.3% Li2O over a minimum drill hole interval length of 1.5 m was generally used as guideline to define the width of mineralized shapes (refer to Figure 7‑4). The final 3D wireframe model (solid) was constructed by linking the defined mineralized shapes based on the geological interpretation.
The linked interpretation shows one pegmatite body, with a strike orientation of 075º azimuth and a dip averaging -50º to the northwest. The pegmatite body was modelled as one envelope with two principal zones on the east and west side of the Piaui creek that are linked by a thinner zone extrapolated below the creek level. A fault following the Piaui creek possibly partially split the pegmatite and induced a slight sinistral displacement between the east and west zones. Additional drilling should be conducted to quantify the fault location and impact on the pegmatite location.
The mineralized solids were clipped directly on the DEM surface and the average depth of soil overburden is 2.9 m. Between the soil and the rock there is a semi consolidated saprolite that is quite variable in thickness from 1 to 17 m. Figure 14‑61 shows the final 3D wireframe solids in isometric view with the drill holes pierce points.
![]() |
| SGS Canada Inc. |
|
Technical Report – Grota do Cirilo Lithium Project – Araçuai and Itinga Regions, Minas Gerais, Brazil |

Figure 14‑61: Xuxa Pegmatite Solid (looking southeast)
|
14.5.6 |
Resource Block Modeling |
A block size of 5 m by 3 m by 5 m (vertical) was selected for the Xuxa resource block model based on the drill hole spacing and the width and general geometry of mineralization. No rotation was applied to the block model. The 5 m vertical dimension corresponds to the bench height of a potential small open pit mining operation. The 5 m northeast–southwest dimension corresponds to about a tenth of the minimum drill spacing and accounts for the variable geometry of the mineralization in that direction.
The 3 m northwest–southeast block dimension accounts for the minimum width of the mineralization modelled at Xuxa. The resource block model contains 156,706 blocks located inside (> 1%) the mineralized solids, for a total volume of 7,872,275 m3. Table 14‑31 summarizes the block model limit parameters.
Table 14‑31: Xuxa Resource Block Model Parameters
|
Direction |
Block Size |
Number of Blocks |
Coordinates |
Coordinates |
|
East–west (x) |
5 |
249 |
189,710 |
190,950 |
|
North–south (y) |
3 |
420 |
8,145,922 |
8,147,176 |
|
Elevation (z) |
5 |
71 |
50 |
350 |
![]() |
| SGS Canada Inc. |
|
Technical Report – Grota do Cirilo Lithium Project – Araçuai and Itinga Regions, Minas Gerais, Brazil |
|
14.5.7 |
Variography |
To determine the continuity and distribution of the Li2O grades, the 1 m composites were submitted to a variographic study. The variographic analysis helped determine the search ellipses criteria and define the kriging parameters for the block interpolation process.
The composites show a normal distribution with a relatively high standard deviation of 0.70 Li2O%. This prevented the use of a single correlogram model. Instead, two were generated, one for short distances and one for long distances. The short-distance correlogram was computed on untransformed composites. The long-distance correlogram was computed on transformed composites. The transformations involved projection of the composites and rescaling of the Z axis. This was to ensure a constant planar area of composite that could be used to identify long distance thin structures in the mineralized zone. Multiple iterations of variographic analyses were conducted on the transformed composites, each involved different Z axis slicing. The resulting correlogram is shown in Figure 14‑62.

Figure 14‑62: Xuxa Combined Correlogram
The transformation process is omnidirectional by nature, so no preferred orientation and dip were identified during the modelling process. However, projection and Z-axis rescaling were done according to the mineralization orientation of 315º azimuth and -50º dip. The long-distance model is therefore optimal in this preferred orientation.
|
14.5.8 |
Block Model Interpolation |
The grade interpolation for the Xuxa resource block model was completed using ordinary kriging (OK). The interpolation process was conducted using three successive passes with more inclusive search conditions from the first pass to the next until most blocks were interpolated.
Variable search ellipse orientations were used to interpolate the blocks. The general dip of the mineralized pegmatite was modelled on each section and then interpolated in each block. During the interpolation process, the search ellipse was orientated based on the interpolation direction of each block, hence better representing the local dip and orientation of the mineralization.
![]() |
| SGS Canada Inc. |
|
Technical Report – Grota do Cirilo Lithium Project – Araçuai and Itinga Regions, Minas Gerais, Brazil |
The first pass was interpolated using a search ellipsoid distance of 75 m (long axis) by 75 m (intermediate axis) and 25 m (short axis) with an orientation of 075º azimuth and -50º dip which represents the general geometry of the pegmatite in the Xuxa deposit. Using search conditions defined by a minimum of seven composites, a maximum of 15 composites and a minimum of three drill holes, 35% of the blocks were estimated. For the second pass, the search distance was twice the search distance of the first pass and composites selection criteria were kept the same as for the first pass. A total of 88% of the blocks were interpolated following the second pass. Finally, the search distance of the third pass was increased to 300 m (long axis) by 300 m (intermediate axis) by 100 m (short axis) with a minimum of seven composites, a maximum of 25 composites and a minimum of three drill holes. The purpose of the last interpolation pass was to interpolate the remaining unestimated blocks mostly located at the edges of the block model, representing 12% of the blocks.
Internal dilution included in the interpolation process is estimated by the QP to be at 1% of the overall volume (78,900 m3). Internal dilution of 0.5% or 35,000 m3 can be calculated from the drill log information but their lateral extension can be variable due to the 50 m drill spacing therefore 1% is considered reasonable by the QP.
Figure 14‑63 illustrates the three search ellipsoids used for the different interpolation passes.
Figure 14‑64 shows the results of the block model interpolation in longitudinal view.

Figure 14‑63: Isometric View of Xuxa Search Ellipsoids
![]() |
| SGS Canada Inc. |
|
Technical Report – Grota do Cirilo Lithium Project – Araçuai and Itinga Regions, Minas Gerais, Brazil |

Figure 14‑64: Isometric View of the Xuxa Interpolated Block Model
|
14.5.9 |
Model Validation |
To validate the interpolation process, the block model grades were compared statistically to the assay and composite grades. The distribution of the assays, composites and blocks are normal (gaussian) and show similar average values with decreasing levels of variance (Figure 14‑65). The assays and composites have average values of 1.48 and 1.56% Li2O with variances of 0.70 and 0.49% Li2O respectively. The interpolated blocks have an average value of 1.53% Li2O with a variance of 0.07% Li2O.
![]() |
| SGS Canada Inc. |
| Technical Report – Grota do Cirilo Lithium Project – Araçuai and Itinga Regions, Minas Gerais, Brazil |

Figure 14‑65: Statistical Comparison of Xuxa Assay, Composite and Block Data
Furthermore, the block values were compared to the composite values located inside the interpolated blocks. This enables a test for possible over- or under-estimation of the grade by the search parameters by testing the correlation between the two values. A correlation of determination of 0.55 (R2) was established between the blocks and the composites (Figure 14‑66), which is lower than expected and represents a higher level of smoothing than expected, but it is still considered by the QP to be acceptable for this type of deposit.

Figure 14‑66: Comparison Xuxa Block Values Versus Composites Inside Blocks
![]() |
| SGS Canada Inc. |
| Technical Report – Grota do Cirilo Lithium Project – Araçuai and Itinga Regions, Minas Gerais, Brazil |
|
14.5.10 |
Mineral Resources Classification |
Mineral Resources are classified into Measured, Indicated and Inferred categories. The Mineral Resource classification is based on the density of analytical information, the grade variability and spatial continuity of mineralization. The Mineral Resources were classified in two successive stages: automated classification, followed by manual editing of final classification results.
The first classification stage was conducted by applying an automated classification process which selects around each block a minimum number of composites from a minimum number of holes located within a search ellipsoid of a given size and orientation:
|
● |
Measured Mineral Resources: the search ellipsoid used was 50 m (strike) by 50 m (dip) by 25 m with a minimum of seven composites in at least three different drill holes |
|
● |
Indicated Mineral Resources: the search ellipsoid was twice the size of the Measured category ellipsoid using the same composites selection criteria |
|
● |
Inferred Mineral Resources: all remaining blocks. |
Figure 14‑67 is a plan view showing the final classifications. Because the upper section of the deposit is tested by only one drill hole, it was classified as Inferred, as was the lower section of the deposit.

Figure 14‑67: Xuxa Block Model Classification
|
14.5.11 |
Reasonable Prospects of Eventual Economic Extraction |
The general requirement that all mineral resources have “reasonable prospects for eventual economic extraction” implies that the quantity and grade estimates meet certain economic thresholds and that the mineral resources are reported at an appropriate cut-off grade considering extraction scenarios and processing recoveries. To meet this requirement, the lithium mineralization of the Xuxa deposit is considered amenable to open pit and underground extraction.
![]() |
| SGS Canada Inc. |
| Technical Report – Grota do Cirilo Lithium Project – Araçuai and Itinga Regions, Minas Gerais, Brazil |
To determine the quantity of material representing “reasonable prospects for eventual economic extraction” by an open pit mining method, Whittle pit optimization software was used with reasonable mining and economic assumptions. The pit optimization for the Xuxa deposit was completed by SGS for the current MRE. The pit optimization parameters used are summarized in Table 14-32. A conservative and balanced approach was applied when optimizing the open pit scenario. A Whittle pit shell at a revenue factor of 1.0 ($800/t concentrate price) was selected as the ultimate pit shell for the purposes of the MRE for the Murial deposit.
The reader is cautioned that the results from the pit optimization are used solely for the purpose of testing the “reasonable prospects for economic extraction” by an open pit and do not represent an attempt to estimate mineral reserves. The results are used as a guide to assist in the preparation of a mineral resource statement and to select an appropriate resource reporting cut-off grade.
Sigma and Arqueana have a waste sharing agreement in place, whereby each party is entitled to mine all the mineralised material to the edge of their respective tenement boundaries. In this case, the pit walls may encroach on the other party’s tenements without penalty. The pit shell selected for the MRE ensures that the mineralisation is accounted for to the northern tenement boundary with Arqueana. It must be noted that there is no waste sharing agreement with CBL, so the pit wall on the northern boundary with CBL has to be wholly within the Sigma tenement boundary.
To determine the quantities of material offering “reasonable prospects for eventual economic extr Sigmaaction” by underground mining methods, reasonable mining assumptions to evaluate the proportions of the block model that could be “reasonably expected” to be mined from underground are used. For the underground component of the MRE, a cut-off grade of 1.0% Li2O was calculated, based on the parameters shown in Table 14-32. Based on the size, shape, and orientation of the deposit, it is envisioned that the deposit may be mined using sublevel stoping. The underground mineral resource grade blocks were quantified above the base case cut-off grade, below the constraining pit shell and within the constraining mineralized wireframes.
Figure 14-68 shows the pit with all the mineralized surfaces and Figure 14-69 shows the underground component of the block model.
Table 14‑32: Xuxa Parameters for Reasonable Prospect for Eventual Economic Extraction
|
Parameter |
Unit |
Value |
|
Concentrate Price (5.5% Li2O) |
US$ per tonne |
$800 |
|
Pit Slope |
Degrees |
60 |
|
Mining Cost Open Pit |
US$ per tonne mined |
$2.20 |
|
Mining Cost Open Pit |
US$ per tonne mined |
$50.00 |
|
Processing Cost & G&A |
US$ per tonne milled |
$16.46 |
|
Mining Recovery |
Percent (%) |
95 |
|
Concentration Recovery (DMS) |
Percent (%) |
60 |
|
Royalties |
Percent (%) |
2 |
|
Mining loss / Dilution |
Percent (%) / Percent (%) |
5 / 5 |
|
Cut-off Grade Open Pit |
Percent (%) Li2O |
0.3 |
|
Cut-off Grade Underground |
Percent (%) Li2O |
1.0 |
![]() |
| SGS Canada Inc. |
| Technical Report – Grota do Cirilo Lithium Project – Araçuai and Itinga Regions, Minas Gerais, Brazil |

Figure 14‑68: Xuxa Deposit Open Pit Mineral Resource Block Model and Revenue Factor 1 Pit

Figure 14‑69: Xuxa Deposit Underground Mineral Resource Block Model
![]() |
| SGS Canada Inc. |
| Technical Report – Grota do Cirilo Lithium Project – Araçuai and Itinga Regions, Minas Gerais, Brazil |
|
14.5.12 |
Resource Depletion |
Sigma commenced commercial production on the Xuxa deposit in April 2023. Table 14-33 shows the resource depletion of the Xuxa deposit on the 31st December 2024 versus the original published resource.
Table 14‑33: Xuxa Resource Depletion to the 31st December 2024
|
Cut-off Grade |
Category |
Tonnage |
Average Grade |
LCE (Kt) |
|
Li2O (%) |
(Mt) |
Li2O (%) |
||
|
0.3 |
Measured |
1.8 |
1.58 |
70 |
|
0.3 |
Indicated |
0.8 |
1.56 |
31 |
|
0.3 |
Measured + Indicated |
2.6 |
1.57 |
101 |
|
0.3 |
Inferred |
0.5 |
1.52 |
19 |
|
14.5.13 |
Mineral Resource Statement |
The Mineral Resource estimate is reported using a 0.3% and 1.0% Li2O cut-off for open pit and underground respectively. The Mineral Resources are constrained by the topography and are based on the conceptual economic parameters detailed in Table 14‑34. The estimate has an effective date of the 15th January, 2025. The QP for the estimate is Mr. Marc-Antoine Laporte, P.Geo., an SGS employee.
![]() |
| SGS Canada Inc. |
| Technical Report – Grota do Cirilo Lithium Project – Araçuai and Itinga Regions, Minas Gerais, Brazil |
Table 14‑34: Xuxa Deposit Mineral Resource Estimate
|
CUT-OFF GRADE |
METHOD |
CATEGORY |
TONNAGE |
AVERAGE |
LCE (KT) |
|
0.3 |
Open Pit |
Measured |
8.2 |
1.59 |
322 |
|
0.3 |
Open Pit |
Indicated |
3.8 |
1.55 |
146 |
|
1.0 |
UG |
Measured |
0.2 |
1.35 |
7 |
|
1.0 |
UG |
Indicated |
2.5 |
1.41 |
87 |
|
Measured + Indicated |
14.7 |
1.55 |
562 |
||
|
0.3 |
Open Pit |
Inferred |
1.5 |
1.63 |
60 |
|
1.0 |
UG |
Inferred |
1.8 |
1.57 |
70 |
|
Inferred |
3.3 |
1.60 |
130 |
Notes to accompany Mineral Resource table:
|
1. |
Mineral Resources have an effective date of 15th January, 2025 and have been classified using the 2014 CIM Definition Standards. The Qualified Person for the estimate is Mr. Marc-Antoine Laporte, P.Geo., an SGS employee. |
|
2. |
All Resources are presented undiluted and in situ, constrained by continuous 3D wireframe models, and are considered to have reasonable prospects for eventual economic extraction. |
|
3. |
Mineral Resources are reported assuming open pit mining methods, and the following assumptions: lithium concentrate (5.5% Li2O) price of US$8000/t, mining costs of US$2/t open pit and US$50 underground for mineralization and waste, US$1.2/t for overburden, crushing and processing costs of US$12/t, general and administrative (G&A) costs of US$4/t, concentrate recovery of 85%, 2% royalty payment, pit slope angles of 55º, and an overall cut-off grade of 0.3% Li2O. |
|
4. |
Tonnages and grades have been rounded in accordance with reporting guidelines. Totals may not sum due to rounding. |
|
5. |
Mineral resources which are not mineral reserves do not have demonstrated economic viability. An Inferred Mineral Resource has a lower level of confidence than that applying to a Measured and Indicated Mineral Resource and must not be converted to a Mineral Reserve. It is reasonably expected that the majority of Inferred Mineral Resources could be upgraded to Indicated Mineral Resources with continued exploration. |
|
6. |
The results from the pit optimization are used solely for the purpose of testing the “reasonable prospects for economic extraction” by an open pit and do not represent an attempt to estimate mineral reserves. The results are used as a guide to assist in the preparation of a Mineral Resource statement and to select an appropriate resource reporting cut-off grade. |
|
7. |
The estimate of Mineral Resources may be materially affected by environmental, permitting, legal, title, taxation, socio-political, marketing, or other relevant issues. |
Factors that can affect Mineral Resource estimates include but are not limited to:
|
● |
Changes to the modelling method or approach |
|
● |
Changes to geotechnical assumptions, in particular, the pit slope angles |
|
● |
Changes to any of the social, political, economic, permitting, and environmental assumptions considered when evaluating reasonable prospects for eventual economic extraction |
|
● |
Mineral Resource estimates can also be affected by the market value of lithium and lithium compounds. |
![]() |
| SGS Canada Inc. |
| Technical Report – Grota do Cirilo Lithium Project – Araçuai and Itinga Regions, Minas Gerais, Brazil |
|
15 |
MINERAL RESERVE ESTIMATES |
Mineral reserves are reported for the Xuxa, Barreiro, Nezinho do Chicão-Lavra do Meio (NDC-LDM) and Murial deposits.
Table 15-1 shows the consolidated mineral reserve for Sigma’s Grota do Cirilo project.
Table 15‑1: Consolidated Mineral Reserve for the Grota do Cirilo Project
|
Sigma Consolidated Mineral Reserve |
|||
|
Classification |
Tonnage (Mt) |
Li2O(%) |
LCE(Kt) |
|
Proven |
39.9 |
1.33 |
1,314 |
|
Probable |
36.4 |
1.28 |
1,157 |
|
Total |
76.4 |
1.29 |
2,434 |
|
15.1 |
XUXA MINERAL RESERVES |
The Xuxa deposit is currently being mined by conventional open pit mining methods, with an eight-year mine life, to be followed by an underground mine for a further six years, at a plant feed rate of 1.8 Mtpa, with Mineral Reserves totalling 12.4 Mt grading 1.51% Li2O (lithium oxide), based on a long-term lithium spodumene selling price of US$1,100/t concentrate FOB Mine.
The effective date for the Mineral Reserve Estimate is the 15th January 2025. A CIM-compliant Mineral Resource Estimate, from which this reserve was calculated, was completed by SGS in 2025 as documented in section 14 of this report.
Development of the life of mine (LOM) plan includes pit optimization, pit design, mine scheduling and the application of modifying factors, economic and metallurgical, of the Measured and Indicated Mineral Resources. The basis of which Mineral Reserves are defined is the point where mined ore is delivered to the primary crusher. The tonnages and grades reported are inclusive of geological losses, mining recovery and mining dilution.
The Mineral Reserves for the open pit aspects of the Xuxa deposit were prepared by the Sigma Production Engineering team.
The Mineral Reserve for the Xuxa deposit was estimated based on a topographic surface dated June 29, 2021, and on a diluted and recoverable block model built over the Mineral Resource block model. This block model applies to two surface pits for mining the North and South pits, as defined in relation to the Piaui creek, together with an underground component designed to extract the material between the two pits and below the Piaui creek. Geometric limits were determined using an environmental barrier as a protective buffer from the Piaui creek separating the pits and a crown pillar to protect the underground workings. Extensive geotechnical and hydrogeological studies also contributed to determining the mining limits. A pit design was developed based upon operational parameters, resulting in a mine life of eight years, while the underground design adds another five years to the mine life.
The Mineral Reserve Estimate has been developed using best practices in accordance with the 2019 CIM guidelines and National Instrument 43-101 reporting.
![]() |
| SGS Canada Inc. |
| Technical Report – Grota do Cirilo Lithium Project – Araçuai and Itinga Regions, Minas Gerais, Brazil |
The QP is of the opinion that no known risks including legal, political, or environmental, would materially affect potential development of the Mineral Reserve, except for those risks discussed in this Report.
Table 15-7 presents the Mineral Reserves that have been estimated for the Xuxa deposit, namely 9.2 Mt of Proven Mineral Reserves at an average grade of 1.49% Li2O and 3.2 Mt of Probable Mineral Reserves at an average grade of 1.55% Li2O for a total of 12.4 Mt of Proven and Probable Mineral Reserves at an average grade of 1.51% Li2O. To access these Mineral Reserves, 195.4 Mt of waste rock must be mined, resulting in a strip ratio of 16.6:1 t/t.
Mineral Reserves are an estimate of the ore grade and tonnage that can be economically mined and processed. For the Project, Mineral Reserve estimation used open-pit mining methods as this was determined to be the most economic mining method for the Xuxa deposit.
The final pit and the mine planning were based on a pit optimization using Whittle software, while the underground design was developed using Deswick software. The mining plan developed in this report is based on Measured and Indicated Mineral Resources only. There is a low geological confidence associated with Inferred Mineral Resources, and there is no certainty that further exploration work will result in the Inferred Mineral Resources becoming Indicated Mineral Resources.
Figure 15-2 shows the final Xuxa mine configuration.
![]() |
| SGS Canada Inc. |
| Technical Report – Grota do Cirilo Lithium Project – Araçuai and Itinga Regions, Minas Gerais, Brazil |

Figure 15‑1: Final Xuxa Mine Configuration
|
15.2 |
XUXA OPTIMIZATION PARAMETERS |
|
15.2.1 |
Xuxa Open Pit |
The technical and economic parameters listed in Table 15-2 were used to generate the optimal pit, which consists of a pit that maximizes the project economic value, as obtained by applying the Lerchs-Grossman algorithm implemented by the Geovia Whittle software program.
The methodology for the selection of the optimal pit consists of generating a set of nested pits from the application of revenue factors. The factor is applied to the sale price of the commercial product, resulting in a mathematical pit for each factor applied. The resulting generated pits are analyzed to define the final optimal pit for the deposit.
![]() |
| SGS Canada Inc. |
| Technical Report – Grota do Cirilo Lithium Project – Araçuai and Itinga Regions, Minas Gerais, Brazil |
Table 15‑2: Technical and Economic Parameters Used in the Final Xuxa Pit Optimization
|
Item |
Unit |
Value |
||
|
|
Sales Price |
US$/t conc.* |
$1,150 |
|
|
Ore |
Density |
g/cm³ |
fixed in model |
|
|
Grade |
% Li2O |
fixed in model |
||
|
Mining |
Mine Recovering |
% |
fixed in model |
|
|
Dilution |
fixed in model |
|||
|
Block Model Dimensions |
Block Dimensions |
Unit |
value |
|
| Revenue |
X x Y x Z |
m |
5 x 3 x 5 |
|
|
|
Soil |
|
34 |
|
| General Angle |
Saprolite |
º |
37.5 |
|
|
Fresh Rock |
Sector 1 – 72º Sector 2 – 50º |
|||
|
|
Metallurgical Recovery** |
% |
60.7 |
|
| Processing |
Mass Recovery*** |
% |
Calculated in block |
|
|
Concentrated Grade |
% Li2O |
5.5 |
||
|
Cut-off |
% Li2O |
0.5 |
||
|
|
Mining |
US$/t mined |
$2.20 |
|
|
Processing |
US$/t ore |
$10.70 |
||
| Costs |
G&A (Adjusted for OPEX) |
$4.00 |
||
|
Sale (2% cost of sale) |
US$/t product |
$14.66 |
||
|
Royalties (CFEM 2%) |
$14.66 |
|||
Note: * conc. = concentrate, ** based on DMS Tests, *** Including 15% fines losses - FOB Mine
|
15.2.2 |
Xuxa Underground |
The optimization parameters for the underground reserve calculations are shown in Table 15-3. This information was used in conjunction with Deswick stope optimization software to develop the underground mine plan.
The cut-off grade of 0.7% Li2O was used for the generation of underground mineable stope shapes. Stope shapes generated in the crown pillar and rib pillars were excluded. No incremental cutoff grade was considered for this study.
![]() |
| SGS Canada Inc. |
| Technical Report – Grota do Cirilo Lithium Project – Araçuai and Itinga Regions, Minas Gerais, Brazil |
Table 15‑3: Xuxa Underground Optimization Parameters
|
Parameter |
Unit |
Assumption |
|
Concentrate Sales Price |
USD/t conc. |
1,150.00 |
|
Underground Mining Cost |
USD/t mined |
50.00 |
|
Processing Cost |
USD/t milled |
10.70 |
|
General and Administrative |
USD/t milled |
4.00 |
|
Sale |
USD/t product |
14.66 |
|
Royalties |
USD/t product |
14.66 |
|
Metallurgical Recovery |
% |
60.7 |
|
Concentrated Grade |
% Li2O |
5.5 |
|
Mining Loss (Underground) |
% |
10.0 |
|
Dilution (Underground) |
% |
10.0 |
|
Underground Cut-off Grade |
% Li2O |
0.7 |
|
15.2.3 |
Physical Parameters |
The information relative to the physical aspects and restrictions that were used for the open pit designs and Mineral Reserve Estimate included the topographic surface, the geological block model, and the rock type properties for ore, waste and overburden.
|
15.2.3.1 |
Topographic Surface |
The mine design was based on a topographic surface based on 1 m contour intervals. The contours were supplied by SMSA and derived from a drone topographic survey that took place June 29, 2021.
|
15.2.3.2 |
Geotechnical Parameters |
Figure 15-2 shows the geotechnical sectors for the North, and South pits presented in this feasibility study. The red lines represent the limits for the sectors in each pit. The pit slope angles used are listed in Table 15-4.
The geotechnical and hydrogeological parameters used in the open-pit design are defined in Section 16.1 – Geotechnical and Hydrogeological Analysis.
![]() |
| SGS Canada Inc. |
| Technical Report – Grota do Cirilo Lithium Project – Araçuai and Itinga Regions, Minas Gerais, Brazil |

Figure 15‑2: Xuxa North and South Pit Geotechnical Sectors
![]() |
| SGS Canada Inc. |
| Technical Report – Grota do Cirilo Lithium Project – Araçuai and Itinga Regions, Minas Gerais, Brazil |
Table 15‑4: Xuxa Geotechnical Pit Slope Design Criteria
|
Sectors |
Face Angle (°) |
Berm Width (m) |
Bench Height (m) |
Angle between Ramps / Overall (°) |
|
A |
60 |
6 |
20 |
48 / 46 |
|
B |
82 |
6 |
20 |
66 / 61 |
|
C |
82 |
6 |
20 |
67 / 62 |
|
D |
82 |
6 |
20 |
66 / 61 |
|
E |
82 |
6 |
20 |
66 / 61 |
|
F |
60 |
6 |
20 |
48 / 48 |
|
G |
82 |
6 |
20 |
66 / 59 |
|
H |
82 |
6 |
20 |
66 / 61 |
|
I |
82 |
6 |
20 |
66 / 59 |
|
15.2.3.3 |
Natural Limits |
A buffer of 30 m from the pit crests to the Piaui creek was used as the surface limit of mining, as defined by the environmental license permits.
|
15.2.3.4 |
Rock Type Properties |
The rock type properties are outlined below. Rock properties are important in estimating the Mineral Reserves, the equipment fleet requirements, as well as the dump and stockpile design capacities.
|
15.2.3.4.1 |
Density |
The in-situ dry density of the mineralized material was estimated to be 2.70 t/m³. A density of 2.73 t/m³ has been used for waste schist rock, a density of 2.20 t/m³ for weathered schist overburden, and a density of 2.30 t/m³ for soil overburden.
| 15.2.3.4.2 |
Swell Factor |
An average swell factor of 15% was estimated for the in-situ material transported to the waste dump. This factor was used to define waste dump volumes but does not affect the Mineral Reserves estimate.
| 15.2.3.4.3 |
Moisture Content |
A general moisture content factor of 6% was estimated for in-situ rock material. The final fleet sizing was provided by a contractor who will carry out mining activities during the life of the mining operation. This factor was used to define fleet sizing and does not influence the Mineral Reserve estimate.
| 15.2.3.5 |
Mineral Resource Block Model |
The Mineral Resource block model provided by SGS (described in section 14) was the base used by Sigma to build the modified Mineral Reserve block model.
![]() |
| SGS Canada Inc. |
| Technical Report – Grota do Cirilo Lithium Project – Araçuai and Itinga Regions, Minas Gerais, Brazil |
|
15.3 |
XUXA MODIFYING FACTORS |
The modifying factors listed below were applied to convert the Mineral Resources into Mineral Reserves for the pit optimization analysis, the open pit and underground designs.
|
15.3.1 |
Economic and Metallurgical Factors |
The economic and metallurgical factors used for the open pit and underground Mineral Reserve Estimates include the assumed long-term Li2O concentrate sale price, economic cut-off grade, metallurgical recovery, concentrate grade, mining costs, processing costs, G&A costs, sales cost, and royalties.
|
15.3.1.1 |
Long-Term Concentrate Price |
A long-term sale price of US$1,150/t concentrate FOB Mine for spodumene (5.5% Li2O) was used, based on market studies.
|
15.3.1.2 |
Cut-Off Grade |
Cut-off grades of 0.5% Li2O for open pit and 0.7% Li2O for underground were used.
| 15.3.1.3 |
Metallurgical Factors |
An overall metallurgic recovery of 60.7% for the dense media separation (DMS) operation was used for metallurgical recovery, with a concentrate grade of 5.5% Li2O, resulting in a calculated mass recovery, after allowing for fines losses of 15%, block by block of mined ore by the formula:

|
15.3.1.4 |
Mining and Processing Costs Factors |
Optimization economics used a mining cost of US$2.20/t for open pit and US$50 for underground and a processing cost of US$10.7/t ore, based on known operating costs from the Xuxa open pit and estimated underground mining costs.
|
15.3.1.5 |
Other Costs |
The cost assumptions were compiled using a value of US$4.00/t ore for G&A cost, and royalties at 2% of the concentrate price (US$14.66/t concentrate).
|
15.3.2 |
Selective Mining Unit (SMU) Selection |
The conventional definition of the selective mining unit (SMU) is the smallest volume of material on which ore/waste classification is determined.
In order to determine the optimal SMU for Xuxa, a number of block dimension alternatives were analyzed, ranging in size from 20 m x 12 m x 5 m (x, y, z) to 5 m x 3 m x 2.5 m (x, y, z). Isastis software was used to perform a uniform conditioning simulation on the various SMU alternatives using Li2O% as the estimated variable.
Figure 15-3 shows the results of the uniform conditioning estimate.
Based on the analysis, Sigma determined that an SMU of 5 m x 3 m x 5 m was suitable.
![]() |
| SGS Canada Inc. |
| Technical Report – Grota do Cirilo Lithium Project – Araçuai and Itinga Regions, Minas Gerais, Brazil |

Figure 15‑3: Grade x Tonnage Curve with Selectivity Results Based on Local Uniform Conditioning Estimate
|
15.3.3 |
Dilution and Loss Estimate |
Sigma commenced mining the Xuxa open pit in April 2023 and have monitored ore loss and recovery for the duration of mining.
To date, ore recovery has averaged 97% within the open pit mining and this recovery has been applied to the reserve calculation.
|
15.4 |
RESERVE DEPLETION |
Production on the Xuxa pit commenced in April 2023 and Table 15-5 shows the mineral reserves depleted to the 31st December 2024.
|
Category |
Tonnage |
Average Grade |
LCE (Kt) |
|
(Mt) |
Li2O (%) |
||
|
Proven |
0.4 |
1.55 |
17 |
|
Probable |
0.3 |
1.55 |
9 |
|
Total |
0.7 |
1.55 |
26 |
![]() |
| SGS Canada Inc. |
| Technical Report – Grota do Cirilo Lithium Project – Araçuai and Itinga Regions, Minas Gerais, Brazil |
| 15.5 |
XUXA MINERAL RESERVES STATEMENT |
The Mineral Reserves are shown in Table 15- and were estimated by Sigma’s Production Engineering team
Table 15‑5: Xuxa Mineral Reserves
|
Sigma Xuxa Mineral Reserves |
||||
|
Classification |
Method |
Tonnage (Mt) |
Li2O(%) |
LCE(Kt) |
|
Proven |
Open Pit |
7.9 |
1.55 |
303 |
|
Proven |
UG |
1.3 |
1.15 |
37 |
|
Probable |
Open Pit |
3.2 |
1.55 |
123 |
|
Total |
12.4 |
1.51 |
462 |
|
Notes to accompany Mineral Resource table:
|
1. |
Mineral Reserves were estimated using Geovia Whittle 4.3 software and following the economic parameters listed below: |
|
2. |
Sale price for Lithium concentrate at 5.5% Li2O = US$1,150/t concentrate FOB mine gate. |
|
3. |
Exchange rate US$1.00 = R$5.00. |
|
4. |
Mining costs: US$2.20/t/US$50 mined. |
|
5. |
Processing costs: US$10.70/t ore milled. |
|
6. |
G&A: US$4.00/t ROM (run of mine). |
|
7. |
Mineral Reserves are the economic portion of the Measured and Indicated Mineral Resources. |
|
8. |
97% Mine Recovery |
|
9. |
Final slope angle: 34° to 72° based on geotechnical considerations presented in Section 16. |
|
10. |
Strip Ratio = 16.6 t/t |
|
11. |
The Qualified Person for the estimate is William van Breugel, P.Eng., an SGS associate |
![]() |
| SGS Canada Inc. |
| Technical Report – Grota do Cirilo Lithium Project – Araçuai and Itinga Regions, Minas Gerais, Brazil |
|
15.6 |
BARREIRO MINERAL RESERVES |
The Barreiro Deposit will be mined by conventional open pit mining methods for a twelve-year mine life, at a plant feed rate of 1.80 Mtpa, with Mineral Reserves totalling 21.8 Mt grading 1.36% Li2O (lithium oxide), based on a long-term lithium spodumene selling price of US$1,500/t concentrate FOB Mine
The effective date for the Mineral Reserve Estimate is the 15th January 2025. A CIM-compliant Mineral Resource Estimate, from which this reserve was calculated, was completed by SGS Canada in 2022 as documented in section 14 of this report.
Development of the LOM (life of mine) plan includes pit optimization, pit design, mine scheduling and the application of modifying factors, economic and metallurgical, of the Measured and Indicated Mineral Resources. The basis on which Mineral Reserves are defined is the point where mined ore is delivered to the primary crusher. The tonnages and grades reported are inclusive of geological losses, mining recovery and mining dilution.
The Mineral Reserves for the open pit aspects of the Barreiro deposit were prepared by the Sigma Production Engineering team.
The Mineral Reserve for the Barreiro deposit was based on a diluted and recoverable block model built over the Mineral Resource block model. A pit design was developed based upon operational parameters, resulting in a mine life of twelve years.
The Mineral Reserve Estimate has been developed using best practices in accordance with the 2019 CIM guidelines and National Instrument 43-101 reporting.
The QP is of the opinion that no known risks including legal, political, or environmental, would materially affect potential development of the Mineral Reserve, except for those risks discussed in this Report.
Table 15-12 presents the Mineral Reserves that have been estimated for the Barreiro deposit, which include 16.9 Mt of Proven Mineral Reserves at an average grade of 1.38% Li2O and 4.8 Mt of Probable Mineral Reserves at an average grade of 1.29% Li2O for a total of 21.8 Mt of Proven and Probable Mineral Reserves at an average grade of 1.36% Li2O. To access these Mineral Reserves, 271 Mt of waste rock must be mined, resulting in a strip ratio of 12.5:1 t/t.
The final pit and the mine planning were based on a pit optimization using Whittle software. The mining plan developed in this report is based on Measured and Indicated Mineral Resources only. There is a low geological confidence associated with Inferred Mineral Resources, and there is no certainty that further exploration work will result in the Inferred Mineral Resources becoming Indicated Mineral Resources.
Mineral Reserves are an estimate of the grade and tonnage of measured and indicated mineral resources that can be economically mined and processed. For the Project, Mineral Reserve estimation used open-pit mining methods as this was assumed to be the most economic mining method for the Barreiro Deposit.
Figure 15-4 presents a general layout of the Barreiro deposit mine site.
![]() |
| SGS Canada Inc. |
| Technical Report – Grota do Cirilo Lithium Project – Araçuai and Itinga Regions, Minas Gerais, Brazil |

Figure 15‑4: Final Barreiro Mine Configuration
|
15.7 |
BARREIRO PIT OPTIMIZATION PARAMETERS |
The technical and economic parameters listed in Table 15-6 were used to generate the optimal pit, which consists of a pit that maximizes the project economic value, as obtained by applying the Lerchs-Grossman algorithm implemented by the Geovia Whittle software program.
The classic methodology for the selection of the optimal pit consists of generating a set of nested pits from the application of revenue factors. The factor is applied to the sale price of the commercial product, resulting in a mathematical pit for each factor applied. The resulting generated pits are analyzed to define the final optimal pit for the deposit.
![]() |
| SGS Canada Inc. |
| Technical Report – Grota do Cirilo Lithium Project – Araçuai and Itinga Regions, Minas Gerais, Brazil |
Table 15‑6: Technical and Economic Parameters Used in the Final Barreiro Pit Optimization
|
Item |
Unit |
Value |
||
|
Revenue |
Sales Price |
US$/t conc.* |
$1500 |
|
|
Ore |
Density |
g/cm³ |
Block model |
|
|
Grade |
% Li2O |
Block model |
||
|
Mining |
Mine Recovering |
% |
Block model |
|
|
Dilution |
Block model |
|||
|
Block Model Dimensions |
Block Dimensions |
Unit |
value |
|
|
X x Y x Z |
m |
5 x 5 x 5 |
||
|
General Angle |
Overburden |
º |
Sectors 1, 2, 4 & 5 – 35º Sector 3 – 37º |
|
|
Fresh Rock |
Sectors 1, 2, 4 & 5 – 55º Sector 3 – 52º |
|||
|
Processing |
Metallurgical Recovery** |
% |
60.0 |
|
|
Mass Recovery*** |
% |
Calculated in block |
||
|
Concentrated Grade |
% Li2O |
6.0 |
||
|
Cut-off |
% Li2O |
0.5 |
||
|
|
Mining |
US$/t mined |
$2.20 (Ore)/$1.88 (Waste) |
|
|
Processing |
US$/t ore |
$10.70 |
||
| Costs |
G&A (Adjusted for OPEX) |
$4.00 |
||
|
Sale (2% cost of sale) |
US$/t product |
$14.66 |
||
|
Royalties (CFEM 2%) |
$14.66 |
|||
Note: * conc. = concentrate, ** based on DMS Tests, *** Including 15% fines losses
|
15.7.1 |
Physical Parameters |
The information relative to the physical aspects and restrictions that were used for the open pit designs and Mineral Reserve Estimate included the topographic surface, the geological block model, and the rock type properties for ore, waste and overburden.
|
15.7.1.1 |
Topographic Surface |
The mine design was based on a topographic surface based on 1 m contour intervals derived from a drone topographic survey that took place on June 29, 2021.
|
15.7.1.2 |
Geotechnical Parameters |
Figure 15-5 shows the five geotechnical sectors for the optimized Barreiro pit presented in this preliminary feasibility study. The red lines represent the limits for the sectors within the pit shell. The pit slope angles used are listed in Table 15-7.
![]() |
| SGS Canada Inc. |
| Technical Report – Grota do Cirilo Lithium Project – Araçuai and Itinga Regions, Minas Gerais, Brazil |

Figure 15‑5: Barreiro Pit Geotechnical Sectors
![]() |
| SGS Canada Inc. |
| Technical Report – Grota do Cirilo Lithium Project – Araçuai and Itinga Regions, Minas Gerais, Brazil |
Table 15‑7: Barreiro Geotechnical Pit Slope Design Criteria
|
Sectors |
Face Angle (º) |
Berm Width (m) |
Bench Height (m) |
Inter-Ramp Slopes Angle (º) |
|
01 - Overburden |
55 |
6 |
10 |
37.6 |
|
01 - Fresh Rock |
84 |
6 |
10 |
55 |
|
02 - Overburden |
55 |
6 |
10 |
37.6 |
|
02 - Fresh Rock |
84 |
6 |
10 |
55 |
|
03 - Overburden |
47 |
6 |
10 |
33.7 |
|
03 - Fresh Rock |
75 |
5 |
10 |
52 |
|
04 - Overburden |
55 |
6 |
10 |
37.6 |
|
04 - Fresh Rock |
84 |
6 |
10 |
55 |
|
05 - Overburden |
55 |
6 |
10 |
37.6 |
|
05 - Fresh Rock |
84 |
6 |
10 |
55 |
The geotechnical and hydrogeological parameters used in the open-pit design are defined in Section 16.1 – Geotechnical and Hydrogeological Analysis.
|
15.7.1.3 |
Rock Type Properties |
The rock type properties are outlined below. Rock properties are important in estimating the Mineral Reserves, the equipment fleet requirements, as well as the waste dump and stockpile design capacities.
|
15.7.1.3.1 |
Density |
The in-situ dry density of the mineralized material is estimated to be 2.72 t/m³. A density of 2.76 t/m³ has been used for schist waste rock and a density of 1.61 t/m³ for overburden.
|
15.7.1.3.2 |
Swell Factor |
An average swell factor of 30% and a compaction factor of 15% were estimated for the in-situ material transported to the waste dump. These factors were used to define waste dump volumes.
|
15.7.1.3.3 |
Moisture Content |
A general moisture content factor of 5% was estimated for in-situ rock material. The final fleet sizing was provided by a mining contractor who will carry out mining activities during the life of the mining operation. This factor was used to define fleet sizing.
![]() |
| SGS Canada Inc. |
| Technical Report – Grota do Cirilo Lithium Project – Araçuai and Itinga Regions, Minas Gerais, Brazil |
|
15.7.1.4 |
Mineral Resource Block Model |
The Mineral Resource block model provided by SGS Canada (described in section 14) was the base used by Sigma to build the Mineral Reserve block model.
|
15.8 |
BARREIRO MODIFYING FACTORS |
The modifying factors listed in the Sections below were applied to convert the Mineral Resources into Mineral Reserves for the pit optimization analysis and the open pit design.
|
15.8.1 |
Economic and Metallurgical Factors |
|
15.8.1.1 |
Long-Term Concentrate Price |
A long-term sale price of US$1,500/t concentrate FOB Mine for spodumene (5.5% Li2O) was used, based on market studies provided by Sigma.
|
15.8.1.2 |
Cut-Off Grade |
A cut-off grade of 0.5% Li2O as defined for the Mineral Reserve Estimate.
|
15.8.1.3 |
Metallurgical Factors |
An overall metallurgic recovery of 60.0% for a dense media separation (DMS) operation was used for metallurgical recovery, with a concentrate grade of 5.5% Li2O, resulting in a calculated mass recovery, after allowing for fines losses of 15%, block by block of mined ore by the formula:

|
15.8.1.4 |
Mining and Processing Cost Factors |
Optimization economics used a mining cost of US$2.20/t mined and a processing cost of US$10.7/t ore, based on a proposal from a Brazilian mining contractor.
|
15.8.1.5 |
Other Costs |
The cost assumptions also included US$4.00/t ore for G&A expenses, and royalties at 2% of the concentrate price (US$14.66/t concentrate).
|
15.8.2 |
Selective Mining Unit (SMU) Selection |
The conventional definition of the selective mining unit (SMU) is the smallest volume of material on which an ore/waste classification is determined.
In order to determine the optimal SMU for Xuxa, Sigma analyzed a number of block dimension alternatives, ranging in size from 20 m x 20 m x 5 m (x, y, z) to 5 m x 5 m x 2.5 m (x, y, z). Isastis software was used to perform a uniform conditioning simulation on the various SMU alternatives using Li2O% as the estimated variable.
Figure 15-6 shows the results of the uniform conditioning estimate.
Based on the analysis, Sigma determined that an SMU of 5 m x 5 m x 5 m was suitable.
![]() |
| SGS Canada Inc. |
| Technical Report – Grota do Cirilo Lithium Project – Araçuai and Itinga Regions, Minas Gerais, Brazil |

Figure 15‑6: Barreiro Grade x Tonnage Curve with Selectivity Results Based on Local Uniform Conditioning Estimate
|
15.8.3 |
Dilution and Loss Estimate |
Once the SMU was defined and a grade control procedure established, Sigma prepared a diluted block model to be used in mine planning. The main assumptions adopted by Sigma were:
|
● |
Considering the fact that the grade control drill hole can only be checked every metre, a pegmatite bounding envelope was created based on the one-metre-wide edge, as shown in Figure 15-7. |
|
● |
The blocks within the enclosed envelope, the pegmatite bounding envelope, were classified as waste. The schematic diagram in Figure 15-8 represents the partial effect of this assumption on the blocks near the end face of the bench. |
|
● |
For the blocks still within the remaining pegmatite solid, a maximum 3% of operational dilution was allowed, as shown in the dilution parameterization curve in Figure 15-9 below. |
|
● |
Sigma has considered accepting blocks at the edge of the fixed pegmatitic wireframe structure with a minimum 61% of ore on the block. |
An overall 3% mean dilution was assumed for the diluted pegmatite, as shown in the Table 15-8 below, resulting in a mining recovery equivalent to 95% relative to a partial model in the original resource model.
![]() |
| SGS Canada Inc. |
| Technical Report – Grota do Cirilo Lithium Project – Araçuai and Itinga Regions, Minas Gerais, Brazil |

Figure 15‑7: Cross-Section Showing the Original Pegmatite (brown line) and the One Reduced At 1 M from the Edge (white line). Blocks are Coloured Blue to Red in Relation to their Partial Percentage within the Reduced Solid (Blue = 0%, Red = 100%)
Table 15‑8: Barreiro Dilution Analysis
|
Source |
Partial Percent Cut |
Total Mass After Cut (Mt) |
Average Partial Percentage |
Total Resource on Source (Mt) |
Mining Recovery |
|
Resource Model |
- |
- |
- |
29.6 |
100% |
|
Undiluted Model (1) |
0.61 |
27.9 (2) |
0.97 |
29.4 |
95% |
|
(1) |
Resource restricted within pegmatite model. |
|
(2) |
Whole blocks including dilution model |
![]() |
| SGS Canada Inc. |
| Technical Report – Grota do Cirilo Lithium Project – Araçuai and Itinga Regions, Minas Gerais, Brazil |

Figure 15‑8: Schematic Representation of the Dilution Analysis

Figure 15‑9: Barreiro Tonnage vs Partial Percentage Curves
![]() |
| SGS Canada Inc. |
| Technical Report – Grota do Cirilo Lithium Project – Araçuai and Itinga Regions, Minas Gerais, Brazil |
Sigma intends to use the 61% cut-off on the partial percentage of pegmatite, representing an effective 95% mining recovery, keeping a 3% dilution rate, on the pit optimisation phase.
|
15.9 |
BARREIRO PIT OPTIMIZATION STUDY |
The pit optimization was based on:
|
● |
Definition of economic and geometric parameters, cut-off grade, and physical restrictions. |
|
● |
Modified Mineral Resource Block Model to include the modified factors. |
|
● |
Definition of an optimal pit using Geovia Whittle 4.3 software. |
|
● |
The selection of the optimum pit, based on a strip ratio limit, and allowance for a mine life long enough to support a positive cash flow. |
The technical and economic parameters listed in Table 15-6 were used to generate the optimal pit, which consists of a pit that maximizes the project economic value, as obtained by applying the Lerchs-Grossman algorithm implemented by the Geovia Whittle software program.
The optimal pit sequence was obtained by varying the revenue factor in a range from 30% to 200% of the base product selling price. To determine the evolution of the pits over time, an annual production rate of 1.8 Mtpa of ore feed was established at an annual discount rate of 10%. Table 15-9, and Figure 15-10 present the pit optimization parameters and shows the evolution of the resulting optimization pushbacks with the chosen optimal pit highlighted.
![]() |
| SGS Canada Inc. |
| Technical Report – Grota do Cirilo Lithium Project – Araçuai and Itinga Regions, Minas Gerais, Brazil |
Table 15‑9: Barreiro Nested Pit Optimization Results
|
Pit |
Revenue Factor |
Ore |
Waste |
Total Movement |
Waste-Ore Ratio |
Li2O |
|
(Mt) |
(Mt) |
(Mt) |
t/t | % | ||
|
1 |
30% |
20.60 |
179.64 |
200.23 |
8.72 |
1.41 |
|
2 |
40% |
22.15 |
210.62 |
232.78 |
9.51 |
1.41 |
|
3 |
50% |
22.76 |
227.01 |
249.77 |
9.97 |
1.40 |
|
4 |
60% |
23.19 |
241.49 |
264.68 |
10.41 |
1.40 |
|
5 |
70% |
23.42 |
250.10 |
273.52 |
10.68 |
1.39 |
|
6 |
80% |
23.52 |
254.24 |
277.76 |
10.81 |
1.39 |
|
7 |
90% |
23.56 |
256.73 |
280.29 |
10.90 |
1.39 |
|
8 |
100% |
23.59 |
258.75 |
282.34 |
10.97 |
1.39 |
|
9 |
110% |
23.63 |
260.63 |
284.25 |
11.03 |
1.39 |
|
10 |
120% |
23.64 |
261.87 |
285.51 |
11.08 |
1.39 |
|
11 |
130% |
23.65 |
263.49 |
287.14 |
11.14 |
1.39 |
|
12 |
140% |
23.66 |
264.18 |
287.85 |
11.16 |
1.39 |
|
13 |
150% |
23.67 |
264.60 |
288.27 |
11.18 |
1.39 |
|
14 |
160% |
23.68 |
265.58 |
289.26 |
11.22 |
1.39 |
|
15 |
170% |
23.68 |
266.37 |
290.05 |
11.25 |
1.39 |
|
16 |
180% |
23.69 |
267.26 |
290.95 |
11.28 |
1.39 |
|
17 |
190% |
23.69 |
267.87 |
291.57 |
11.30 |
1.39 |
|
18 |
200% |
23.70 |
268.14 |
291.83 |
11.32 |
1.39 |

Figure 15‑10: Barreiro Nested Pit Tonnage and NPV
![]() |
| SGS Canada Inc. |
| Technical Report – Grota do Cirilo Lithium Project – Araçuai and Itinga Regions, Minas Gerais, Brazil |
Sigma performed a series of pit optimization scenarios considering sales prices of lithium concentrate @5.5% ranging from US$450 (Pit 1) to US$1,500 (Base Case – Pit 8). It was observed that the sales price above US$1,050/t conc (Pit 5), relative at a Revenue Factor of 70%, does not demonstrate any significant gain in the optimization results (ore tonnage). For this reason and representing lower risk, Pit 5 was selected to serve as the basis for the pit design.
|
15.9.1 |
Mine Design |
Mine design comprises the design of an operational pit, including ramps, berms, and access over the life of the selected optimal pit shell, and recovery of the Mineral Reserves in an operationally feasible design.
The methodology consists of tracing the benches, toe and crest outline, safety berms, construction sites, and access ramps, while respecting the geometric and geotechnical parameters defined by geotechnical and hydrogeological studies. The assumptions adopted for the operationalization of the final pit were:
|
● |
Minimize ore mass loss. |
|
● |
Define access routes for shorter average transport distances. |
Table 15-10 presents the geometric parameters adopted to develop the mine design and Figure 15-11 presents the pit wall configuration based on those parameters.
Table 15‑10: Barreiro Open Pit Operational Design Parameters
|
Final Pit Operational Parameters |
|||
|
Parameters |
Value |
Unit |
|
|
Bench Height |
10 |
metres |
|
|
Overburden |
Face Angle – Sector 01 |
55 |
º |
|
Berm Width - Sector 01 |
6 |
metres |
|
|
Face Angle - Sector 02 |
55 |
º |
|
|
Berm Width – Sector 02 |
6 |
metres |
|
|
Face Angle – Sector 03 |
47 |
º |
|
|
Berm Width - Sector 03 |
6 |
metres |
|
|
Face Angle – Sector 04 |
55 |
º |
|
|
Berm Width - Sector 04 |
6 |
metres |
|
|
Face Angle – Sector 05 |
55 |
º |
|
|
Berm Width - Sector 05 |
6 |
metres |
|
|
Fresh Rock |
Face Angle – Sector 01 |
84 |
º |
|
Berm Width - Sector 01 |
6 |
metres |
|
|
Face Angle - Sector 02 |
84 |
º |
|
|
Berm Width – Sector 02 |
6 |
metres |
|
|
Face Angle – Sector 03 |
75 |
º |
|
|
Berm Width - Sector 03 |
6 |
metres |
|
|
Face Angle – Sector 04 |
84 |
º |
|
|
Berm Width - Sector 04 |
6 |
metres |
|
|
Face Angle – Sector 05 |
84 |
º |
|
|
Berm Width - Sector 05 |
6 |
metres |
|
|
Access Ramps Width |
12.0 |
metres |
|
|
Access Ramps Inclination |
10.0 |
% |
|
![]() |
| SGS Canada Inc. |
| Technical Report – Grota do Cirilo Lithium Project – Araçuai and Itinga Regions, Minas Gerais, Brazil |

Figure 15‑11: Barreiro Pit Wall Configuration
A fleet of conventional road trucks is planned to transport ore and waste rock. The width of the access road to the final pit was designed at 12 m. Within the pit, the road has a running surface of 10 m for trucks and a total width of 12 m (Figure 15-12). For mining the lower benches, which mainly consist of mineralized material, the width of the road was reduced to 6 m.
Figure 15-13 shows the final design of the operational pit and Table 15-11 shows the total ore and waste expected to be mined.
The final commissioned pit would contain 21.8 Mt of ore and 271.4 Mt of waste, including Inferred Mineral Resources, with a 12.5:1 strip-ratio, and a mine life of approximately 12 years.
![]() |
| SGS Canada Inc. |
| Technical Report – Grota do Cirilo Lithium Project – Araçuai and Itinga Regions, Minas Gerais, Brazil |

Figure 15‑12: Barreiro Pit Ramp Design
Table 15‑11: Barreiro Pit Final Optimization Ore and Waste
|
Barreiro Pit Ore, Waste and Stripping Ratio |
||
|
Classification |
Tonnage (Mt) |
Li2O (%) |
|
Ore |
21.8 |
1.36 |
|
Waste |
271.4 |
|
|
Stripping Ratio |
12.5:1 |
|
![]() |
| SGS Canada Inc. |
| Technical Report – Grota do Cirilo Lithium Project – Araçuai and Itinga Regions, Minas Gerais, Brazil |

Figure 15‑13: Barreiro Final Operational Pit Design
![]() |
| SGS Canada Inc. |
| Technical Report – Grota do Cirilo Lithium Project – Araçuai and Itinga Regions, Minas Gerais, Brazil |
|
15.10 |
BARREIRO MINERAL RESERVES STATEMENT |
The Mineral Reserves shown in Table 15-12 were estimated by Sigma’s Production Engineering team.
Table 15‑12: Barreiro Mineral Reserves
|
Sigma Barreiro Mineral Reserves |
|||
|
Classification |
Tonnage (Mt) |
Li2O(%) |
LCE(Kt) |
|
Proven |
16.9 |
1.38 |
577 |
|
Probable |
4.8 |
1.29 |
153 |
|
Total |
21.8 |
1.36 |
730 |
Notes to accompany Mineral Resource table
|
1. |
Mineral Reserves were estimated using Geovia Whittle 4.3 software and following the economic parameters listed below: |
|
2. |
Sale price for Lithium concentrate at 5.5% Li2O = US$1,150/t concentrate FOB Mine. |
|
3. |
Exchange rate US$1.00 = R$5.00. |
|
4. |
Mining costs: US$2.19/t mined. |
|
5. |
Processing costs: US$10.7/t ore milled. |
|
6. |
G&A: US$4.00/t ROM (run of mine). |
|
7. |
Mineral Reserves are the economic portion of the Measured and Indicated Mineral Resources. |
|
8. |
95% Mine Recovery and 3% Mine Dilution |
|
9. |
Final slope angle: 35° to 55° based on Geotechnical Document presented in Section 16. |
|
10. |
Inferred Mineral Resources with the Final Operational Pit is 0.59 Mt grading at 1.32% Li2O. The Inferred Mineral Resources are not included in the Mineral Reserves. |
|
11. |
Strip Ratio = 12.5 t/t (waste+Inferred mineral resource)/mineral reserve. |
|
12. |
The Qualified Person for the estimate is William van Breugel, P.Eng., an SGS associate |
|
15.11 |
NEZINHO DO CHICÃO – LAVRA DO MEIO AND MURIAL MINERAL RESERVES |
The Nezinho do Chicão – Lavra do Meio (NDC-LDM) and Murial deposits will be mined by conventional open pit mining methods for a 22 year and six year mine life respectively, at a plant feed rate of 2.0 Mtpa, with Mineral Reserves totaling 41.2 Mt grading 1.22% Li2O, based on a long-term lithium spodumene selling price of US$1,150/t concentrate FOB Mine.
The effective date for the Mineral Reserve Estimate is the 15th January 2025. A CIM-compliant Mineral Resource Estimate, from which this reserve was calculated, was completed by SGS in 2022 as documented in section 14 of this report.
Development of the life of mine (LOM) plan includes pit optimization, pit design, mine scheduling and the application of modifying factors, economic and metallurgical, of the Measured and Indicated Mineral Resources. The basis of which Mineral Reserves are defined is the point where mined ore is delivered to the primary crusher. The tonnages and grades reported are inclusive of geological losses, mining recovery and mining dilution.
The Mineral Reserves for the open pit aspects of the NDC-LDM and Murial deposits were prepared by Sigma’s Production Engineering team.
![]() |
| SGS Canada Inc. |
| Technical Report – Grota do Cirilo Lithium Project – Araçuai and Itinga Regions, Minas Gerais, Brazil |
The Mineral Reserve for the Nezinho do Chicão deposit was based on a diluted and recoverable block model built over the Mineral Resource block model prepared by SGS Canada. A pit design was developed based upon operational and reliable parameters, resulting in a mine life of twelve years.
The Mineral Reserve Estimate has been developed using best practices in accordance with the 2019 CIM guidelines and National Instrument 43-101 reporting.
The QP is of the opinion that no known risks including legal, political, or environmental, would materially affect potential development of the Mineral Reserve, except for those risks discussed in this Report.
Table 15-22 presents the Mineral Reserves that have been estimated for the NDC-LDM deposit, which include 4.8 Mt of Proven Mineral Reserves at an average grade of 1.29% Li2O and 27.1 Mt of Probable Mineral Reserves at an average grade of 1.27% Li2O for a total of 31.9 Mt of Proven and Probable Mineral Reserves at an average grade of 1.27% Li2O.
Table 15-23 presents the Mineral Reserves that have been estimated for the Murial deposit, which include 9.0 Mt of Proven Mineral Reserves at an average grade of 1.10% Li2O and 1.2 Mt of Probable Mineral Reserves at an average grade of 0.87% Li2O for a total of 10.2 Mt of Proven and Probable Mineral Reserves at an average grade of 1.07% Li2O.
The final pit and the mine planning were based on a pit optimization using Whittle software. The mining plan developed in this report is based on Measured and Indicated Mineral Resources only. There is a low geological confidence associated with Inferred Mineral Resources, and there is no certainty that further exploration work will result in the Inferred Mineral Resources becoming Indicated Mineral Resources.
Mineral Reserves are an estimate of the grade and tonnage of measured and indicated mineral resources that can be economically mined and processed. For the Project, Mineral Reserve estimation used open-pit mining methods as this was assumed to be the most economic mining method for the NDC-LDM and Murial deposits.
Figure 15-14 presents a general layout of the NDC_LDM and Murial deposit mine site.
![]() |
| SGS Canada Inc. |
| Technical Report – Grota do Cirilo Lithium Project – Araçuai and Itinga Regions, Minas Gerais, Brazil |

Figure 15‑14: Final Nezinho do Chicão Mine Configuration
|
15.12 |
NEZINHO DO CHICÃO – LAVRA DO MEIO AND MURIAL PIT OPTIMIZATION PARAMETERS |
The technical and economic parameters listed in Table 15-13 and Table 15-14 were used to generate the optimal pit, which consists of a pit that maximizes the project economic value, as obtained by applying the Lerchs-Grossman algorithm implemented by the Geovia Whittle software program.
The methodology for the selection of the optimal pit consists of generating a set of nested pits from the application of multiple revenue factors. The factor is applied to the sale price of the commercial product, resulting in a mathematical pit for each factor applied. The resulting generated pits are analyzed to define the final optimal pit for the deposit.
![]() |
| SGS Canada Inc. |
| Technical Report – Grota do Cirilo Lithium Project – Araçuai and Itinga Regions, Minas Gerais, Brazil |
Table 15‑13: Technical and Economic Parameters Used in the Final NDC-LDM Pit Optimization
|
NDC-LDM OPTIMIZATION PARAMETERS |
||||
|
Item |
Value |
Unit |
||
|
Content |
Li2O |
in the model |
% |
|
|
Mining |
Density |
Ore |
in the model |
g/cm³ |
|
Barren |
in the model |
g/cm³ |
||
|
Mining costs |
Ore |
2.43 |
US$/t |
|
|
Barren |
2.43 |
US$/t |
||
|
Mining recovery |
97 |
% |
||
|
Mining dilution |
3 |
% |
||
|
Cut-off content |
0.3 |
% Li2O |
||
|
Processing |
Processing Cost |
10.7 |
US$/t |
|
|
G&A (OPEX Adjusted) |
4 |
US$/t |
||
|
Mass recovery |
Calculated Block by Block |
% |
||
|
Concentrate content |
5.5 |
% Li2O |
||
|
Metal recovery |
49 |
% |
||
|
Sale |
Sale price |
1150 |
US$/t conc |
|
|
Royalties (CFEM 2%) |
23 |
US$/t conc |
||
|
Discount Rate |
10 |
% per year |
||
|
Production Scale |
3 |
Mtons Ore/Year |
||
|
Geotechnical Parameters |
Overall Overburden Angle |
35 |
º |
|
|
Overall FreshRock Angle |
52 |
º |
||
![]() |
| SGS Canada Inc. |
| Technical Report – Grota do Cirilo Lithium Project – Araçuai and Itinga Regions, Minas Gerais, Brazil |
Table 15‑14: Technical and Economic Parameters Used in the Final Murial Pit Optimization
|
MURIAL OPTIMIZATION PARAMETERS |
||||
|
Item |
Value |
Unit |
||
|
Content |
Li2O |
in the model |
% |
|
|
Mining |
Density |
Ore |
in the model |
g/cm³ |
|
Barren |
in the model |
g/cm³ |
||
|
Mining costs |
Ore |
2.43 |
US$/t |
|
|
Barren |
2.43 |
US$/t |
||
|
Mining recovery |
97 |
% |
||
|
Mining dilution |
3 |
% |
||
|
Cut-off content |
0.3 |
% Li2O |
||
|
Processing |
Processing Cost |
10.7 |
US$/t |
|
|
G&A (OPEX Adjusted) |
4 |
US$/t |
||
|
Mass recovery |
Calculated Block by Block |
% |
||
|
Concentrate content |
5.5 |
% Li2O |
||
|
Metal recovery |
49 |
% |
||
|
Sale |
Sale price |
1,150 |
US$/t conc |
|
|
Royalties (CFEM 2%) |
23 |
US$/t conc |
||
|
Discount Rate |
10 |
% per year |
||
|
Production Scale |
3 |
Mtons Ore/Year |
||
|
Geotechnical Parameters |
Overall Overburden Angle |
35 |
º |
|
|
Overall FreshRock Angle |
52 |
º |
||
|
15.12.1 |
Physical Parameters |
The information relative to the physical aspects and restrictions that were used for the open pit designs included the topographic surface, buffer to Piaui Creek, property boundary constraints, the geological block model, and the rock type properties for ROM, waste and overburden.
|
15.12.1.1 |
Topographic Surface |
The mine design was based on a topographic surface. The contours were supplied by Sigma and derived from a topographic survey of June 29, 2021.
![]() |
| SGS Canada Inc. |
| Technical Report – Grota do Cirilo Lithium Project – Araçuai and Itinga Regions, Minas Gerais, Brazil |
|
15.12.1.2 |
Geotechnical Parameters |
The final pit slope angles and other geotechnical parameters used for the pit optimization and pit design, are listed below in Table 15-15.
Table 15‑15: NDC Geotechnical Pit Slope Design Criteria
|
Sectors |
Face Angle (°) |
Berm Width (m) |
Bench Height (m) |
Overall Slope Angle (°) |
|
Overburden |
50 |
6 |
10 |
35 |
|
Fresh Rock |
75 |
6 |
10 |
52 |
|
15.12.1.3 |
Piaui Creek Buffer |
A 50 m buffer boundary from the final pit crest to the Piauí Creek was assumed as reasonable for the pit optimization for the NDC-LDM open pit.
|
15.12.1.4 |
Sigma-Arqueana Waste Sharing Agreement |
Sigma and Arqueana have a waste sharing agreement in place for the Nezinho do Chicão and Barreiro areas, whereby each party is entitled to mine all the mineralised material to the edge of their respective tenement boundaries. In this case, the pit walls may encroach on the other party’s tenements without penalty.
Figure 15-15 shows the relative tenements and pit outlines.

Figure 15‑15: Arqueana and CBL Tenement Boundaries with respect to the Murial Pit
![]() |
| SGS Canada Inc. |
| Technical Report – Grota do Cirilo Lithium Project – Araçuai and Itinga Regions, Minas Gerais, Brazil |
|
15.12.1.5 |
Rock Type Properties |
The rock type properties are outlined below. Rock properties are important in estimating the mineral reserves, the equipment fleet requirements, and the dump and stockpile design capacities.
|
15.12.1.5.1 |
Density |
The in-situ dry density of the mineralized material was estimated to be 2.70 t/m³. A density of 2.76 t/m³ has been used for waste schist rock, and a density of 1.61 t/m³ for overburden.
|
15.12.1.5.2 |
Swell Factor |
An average swell factor of 15% was estimated for the in-situ material transported to the waste dump. This factor was used to define waste dump volumes but does not affect the Mineral Reserve estimate.
|
15.12.1.5.3 |
Moisture Content |
A general moisture content factor of 6% was estimated for in-situ rock material. The final fleet sizing was provided by a contractor who will carry out mining activities during the life of the mining operation. This factor was used to define fleet sizing and does not influence the mineral reserve estimate.
|
15.12.1.6 |
Mineral Resource Block Model |
Sigma used a mineral resource block model provided by SGS Canada to design the mine and develop a mineral reserve block model.
|
15.13 |
NEZINHO DO CHICÃO – LAVRA DO MEIO AND MURIAL MODIFYING FACTORS |
Modifying factors listed in the sections below were applied to the pit optimization analysis and the open pit design.
|
15.13.1 |
Economic and Metallurgical Factors |
The economic and metallurgical factors used for the open pit and mineral resource estimates include an assumed long-term Li2O concentrate sale price, economic cut-off grade, metallurgical recovery, concentrate grade, mining costs, processing costs, G&A costs, sales cost, and royalties.
|
15.13.1.1 |
Long-Term Concentrate Price |
A long-term sale price of US$1,150/t concentrate FOB Mine for spodumene (5.5.0% Li2O) was used based on market studies provided by Sigma.
|
15.13.1.2 |
Cut-Off Grade |
A cut-off grade of 0.5% Li2O was applied to the Mineral Reserve Estimate.
|
15.13.1.3 |
Metallurgical Factors |
An overall metallurgic recovery of 60.7% for a dense media separation (DMS) operation was used for metallurgical recovery, with a concentrate grade of 6.0% Li2O, resulting in a calculated mass recovery, after allowing for fines losses of 15%, block by block of mined ore by the formula:

![]() |
| SGS Canada Inc. |
.
| Technical Report – Grota do Cirilo Lithium Project – Araçuai and Itinga Regions, Minas Gerais, Brazil |
|
15.13.1.4 |
Mining and Process Cost Factors |
Optimization economics used a mining cost of US$2.43/t based on a proposal from a Brazilian contract miner, which is also currently operating at the Project site and also assuming a processing cost of US$10.7/t process feed based on the Phase 1 Feed study estimate.
|
15.13.1.5 |
Other Costs |
The cost assumptions also included US$4.00/t ore for G&A expense, and cumulative royalties of 2% of the concentrate net sale price (US$14.66/t concentrate).
|
15.13.2 |
Selective Mining Unit (SMU) Selection |
The conventional definition of the selective mining unit (SMU) is the smallest volume of material on which ore/waste classification is determined.
The optimal SMU for NDC-LDM and Murial was determined to be 5 m x 3 m x 5 m.
|
15.13.3 |
Recoverable Resources Block Model |
|
15.13.3.1 |
Dilution and Losses |
Sigma prepared a diluted block model to be used in mining planning. The main assumptions adopted by Sigma were:
|
● |
Mining unit considered by Sigma was 5 x 3 x 5 m. |
|
● |
Considering that the grade control drillholes can only be checked every meter, a pegmatite bounding envelope was created based on the one-meter-wide edge, as shown in Figure 15-16. |
|
● |
The blocks within the enclosed envelope, the pegmatite bounding envelope, were classified as waste. |
|
● |
The schematic diagram in Figure 15-17 represents the partial effect of this assumption on the blocks near the end face of the bench. |
|
● |
Sigma has considered accepting blocks at the edge of the fixed pegmatitic wireframe structure with a minimum 64% to 76% recovery rate. |
![]() |
| SGS Canada Inc. |
| Technical Report – Grota do Cirilo Lithium Project – Araçuai and Itinga Regions, Minas Gerais, Brazil |

Figure 15‑16: Cross-Section Showing the Original Pegmatite and the One Reduced At 1 m from the Edge. Blocks are Coloured Blue to Red in Relation to their Partial Percentage within the Reduced Solid (Blue = 0%, Red = 100%)

Figure 15‑17: Bench Cross-Section
An overall average dilution of 3% was targeted for the final pit.
The average dilution and resulting recoverable portions of the pegmatite is shown in Table 15-16 which has deemed 7.8% of the ore body, mainly its borders, as unfit for processing, with 92.2% of the pegmatite fit for plant feed.
The average dilution obtained for different cut-offs of partial percentages are shown in the dilution parameterization curve in Figure 15-18.
![]() |
| SGS Canada Inc. |
| Technical Report – Grota do Cirilo Lithium Project – Araçuai and Itinga Regions, Minas Gerais, Brazil |
Table 15‑16: Dilution Analysis
|
Block Model |
Partial Percent Cut |
Average Partial Percentage |
Tonnage |
Recoverable Pegmatite (%) |
|
Mineral Resource |
- |
71 |
26.77 |
100 |
|
For optimization |
65 |
96.2 |
24.68(1) |
92.2 |
|
1. |
tonnage of whole blocks, including dilution. |

Figure 15‑18: Tonnage vs Partial Percentage Curves
|
15.14 |
NEZINHO DO CHICÃO – LAVRA DO MEIO AND MURIAL PIT OPTIMIZATION STUDY |
The determination of the pit optimization was based on:
|
● |
Definition of economic and physical parameters, cut-off grade, and site geographic restrictions. |
|
● |
Development of a Modified Mineral Resource Block Model to include the modifying factors. |
|
● |
Definition of an optimal pit shell using Geovia Whittle 4.7 software. |
|
● |
The selection of the optimum pit shell, based on a strip ratio limit, and allowance for a life-of-mine long enough to support a positive cash flow. |
![]() |
| SGS Canada Inc. |
| Technical Report – Grota do Cirilo Lithium Project – Araçuai and Itinga Regions, Minas Gerais, Brazil |
The technical and economic parameters listed in Table 15-13 and Table 15-14 were used to generate the optimal pit shell, which consists of a pit shell that maximizes the project economic value, as obtained by applying the Lerch-Grossman algorithm implemented by the Geovia Whittle software program.
The determination of the optimal pit shell geometry was chosen from the generation of an optimal sequence of pushbacks, corresponding to feasible increments of the generated pit shells, from the use of Lerchs-Grossman’s three-dimensional algorithm for different blocks values, and obtained by product price variations using the revenue factor.
This sequence of expansion pit shells, or pushbacks, is the basis of open pit mine planning when using Whittle software, which projects the evolution of mine geometry over time. The evolution of mining over time can be simulated with two criteria: the maximization route or the stationary route. The first tries to maximize the operational financial return from a sequence of pushbacks that optimize the cash flow; the latter aims to keep the parameters of the processing plant feed material constant. The first approach was applied, and the optimal pit sequence was obtained by varying the revenue factor in a range from 10% to 200% of the product selling price
The NDC-LDM optimal pit used to develop the pit design was Pit 11 with a revenue factor of 55%. Table 15-17, and Figure 15-19 present the pit optimization parameters.
The Murial optimal pit used to develop the pit design was Pit 10 with a revenue factor of 87%. Table 15-18, and Figure 15-20 present the pit optimization parameters.
The evolution of the resulting optimization pushbacks with the chosen optimal pit shell highlighted.
The selected pit shell refers to the point which the increment of ROM is minimal related to the increment in tonnages of waste, with the project’s value curve reaching almost its peak value. This approach adheres to the best practices in mining planning.
![]() |
| SGS Canada Inc. |
| Technical Report – Grota do Cirilo Lithium Project – Araçuai and Itinga Regions, Minas Gerais, Brazil |
Table 15‑17: NDC-LDM Nested Pit Optimization Results


Figure 15‑19: NDC-LDM Nested Pits Tonnage and NPV Graph
![]() |
| SGS Canada Inc. |
| Technical Report – Grota do Cirilo Lithium Project – Araçuai and Itinga Regions, Minas Gerais, Brazil |
Table 15‑18: Murial Nested Pit Optimization Results

![]() |
| SGS Canada Inc. |
| Technical Report – Grota do Cirilo Lithium Project – Araçuai and Itinga Regions, Minas Gerais, Brazil |

Figure 15‑20: Murial Nested Pits Tonnage and NPV Graph
|
15.14.1 |
Mine Design |
Mine design comprises the design of an operational pit, including ramps, berms, and access over the life of the selected optimal pit shell, and the recovery of mineral resources in an operationally feasible design.
The methodology consists of tracing the benches, toe and crest outline, safety berms, construction sites, and access ramps, while respecting the geometric and geotechnical parameters defined by geotechnical and hydrogeological studies. The assumptions adopted for the operationalization of the final pit were:
|
● |
Minimize the loss of mineralized material. |
|
● |
Define access routes for shorter average transport distances. |
Table 15-19 presents the geometric parameters adopted to develop the mine design and Figure 15-21 presents the final pit wall configuration.
![]() |
| SGS Canada Inc. |
| Technical Report – Grota do Cirilo Lithium Project – Araçuai and Itinga Regions, Minas Gerais, Brazil |
Table 15‑19: Parameters for the Pit Operational Design
|
Parameters |
Value |
Unit |
|
|
Face Angle |
Overburden |
50.4 |
° |
|
Fresh Rock |
79.7 |
° |
|
|
Bench Height |
10 |
m |
|
|
Berm width |
6 |
m |
|
|
Ramp gradient |
10 |
% |
|
|
Ramp width |
12 |
m |
|
|
Minimum mining width |
30 |
m |
|
|
Mining Recovery |
Block Model |
% |
|
|
Mining Dilution |
Block Model |
% |
|

Figure 15‑21: Pit Wall Configuration
A fleet of conventional road trucks is planned to transport ROM and waste rock. The width of the access road to the final pit was kept at 12m. Within the pit, the road has a running surface of 10 m for trucks and a total width of 12m (see Figure 15-22). However, the lower benches, (which mainly consist of mineralized material), have a 6m width for the access road.
Figure 15-23 shows the final design of the operational pits and Table 15-20 and Table 15-21 show the total ore and waste expected to be mined as indicated.
The final commissioned pit would contain 21.2 Mt of ore and 339.8 Mt of waste with a 16:1 strip-ratio, resulting in a mine life of approximately twelve years.
![]() |
| SGS Canada Inc. |
| Technical Report – Grota do Cirilo Lithium Project – Araçuai and Itinga Regions, Minas Gerais, Brazil |

Figure 15‑22: Ramp Design
Table 15‑20: Final NDC-LDM Operational Pit Summary
|
NDC-LDM Pit Ore, Waste and Stripping Ratio |
||
|
Classification |
Tonnage (Mt) |
Li2O (%) |
|
Ore |
32 |
1.28 |
|
Waste |
410 |
|
|
Stripping Ratio |
13:1 |
|
Table 15‑21: Final Murial Operational Pit Summary
|
Murial Pit Ore, Waste and Stripping Ratio |
||
|
Classification |
Tonnage (Mt) |
Li2O (%) |
|
Ore |
10.2 |
1.04 |
|
Waste |
257 |
|
|
Stripping Ratio |
25:1 |
|
![]() |
| SGS Canada Inc. |
| Technical Report – Grota do Cirilo Lithium Project – Araçuai and Itinga Regions, Minas Gerais, Brazil |

Figure 15‑23: Final Operational NDC-LDM and Murial Pits
|
15.15 |
NEZINHO DO CHICÃO – LAVRA DO MEIO AND MURIAL MINERAL RESERVES STATEMENT |
The Mineral Reserves are shown in Table 15-22 and Table 15-23 and were estimated by Sigma’s Production Engineering team
Table 15‑22: NDC-LDM Mineral Reserves
|
Sigma NDC-LDM Reserves |
|||
|
Classification |
Tonnage (Mt) |
Li2O(%) |
LCE(Kt) |
|
Proven |
4.8 |
1.29 |
153 |
|
Probable |
27.1 |
1.27 |
851 |
|
Total |
31.9 |
1.27 |
1,002 |
|
1. |
Mineral Reserves were estimated using Geovia Whittle 4.3 software and following the economic parameters listed below: |
|
2. |
Sale price for Lithium concentrate at 5.5% Li2O = US$1,150/t concentrate FOB Mine. |
|
3. |
Mining costs: US$2.43/t mined. |
|
4. |
Processing costs: US$10.7/t ore milled. |
|
5. |
G&A: US$4.00/t ROM (run of mine). |
|
6. |
Exchange rate US$1.00 = R$5.30. |
|
7. |
Mineral Reserves are the economic portion of the Measured and Indicated Mineral Resources. |
|
8. |
97% Mine Recovery and 3% Mine Dilution |
|
9. |
Final slope angle: 35° to 52° based on Geotechnical Document presented in Section 16. |
|
10. |
Strip Ratio = 16.01 t/t (waste)/mineral reserve. |
|
11. |
The Qualified Person for the estimate is William van Breugel, P.Eng., an SGS associate. |
![]() |
| SGS Canada Inc. |
| Technical Report – Grota do Cirilo Lithium Project – Araçuai and Itinga Regions, Minas Gerais, Brazil |
Table 15‑23: Murial Mineral Reserves
|
Sigma Murial Reserves |
|||
|
Classification |
Tonnage (Mt) |
Li2O(%) |
LCE(Kt) |
|
Proven |
9.0 |
1.10 |
245 |
|
Probable |
1.2 |
0.87 |
26 |
|
Total |
10.2 |
1.07 |
270 |
|
1. |
Mineral Reserves were estimated using Geovia Whittle 4.3 software and following the economic parameters listed below |
|
2. |
Sale price for Lithium concentrate at 5.5% Li2O = US$1,150/t concentrate FOB Mine. |
|
3. |
Mining costs: US$2.43/t mined. |
|
4. |
Processing costs: US$10.7/t ore milled. |
|
5. |
G&A: US$4.00/t ROM (run of mine). |
|
6. |
Exchange rate US$1.00 = R$5.30. |
|
7. |
Mineral Reserves are the economic portion of the Measured and Indicated Mineral Resources. |
|
8. |
97% Mine Recovery and 3% Mine Dilution |
|
9. |
Final slope angle: 35° to 52° based on Geotechnical Document presented in Section 16. |
|
10. |
Strip Ratio 25:1 t/t (waste)/mineral reserve. |
|
11. |
The Qualified Person for the estimate is William van Breugel, P.Eng., an SGS employee. |
![]() |
| SGS Canada Inc. |
| Technical Report – Grota do Cirilo Lithium Project – Araçuai and Itinga Regions, Minas Gerais, Brazil |
|
16. |
MINING METHODS |
|
16.1 |
XUXA |
|
16.1.1 |
Xuxa Open Pit Mining |
The Xuxa deposit is currently being mined as an open pit operation and has been in production since April 2023.
|
16.1.1.1 |
Geotechnical |
A geotechnical field study, analysis and design was performed to provide key pit design parameters for the Xuxa North and South pits.
Based on the stability analyses, the calculations for the face angle, berm width, and inter-ramp angle was performed, as illustrated in Figure 16-1, and summarized in Table 16-1.

Figure 16‑1: Xuxa North and South Pits with Geotechnical Sectors
![]() |
| SGS Canada Inc. |
| Technical Report – Grota do Cirilo Lithium Project – Araçuai and Itinga Regions, Minas Gerais, Brazil |
Table 16‑1: Xuxa Geotechnical Slope Results Designed Pit
|
Sectors |
Face Angle (°) |
Berm Width (m) |
Bench Height (m) |
Angle between Ramps / Overall (°) |
|
A |
60 |
6 |
20 |
48 / 46 |
|
B |
82 |
6 |
20 |
66 / 61 |
|
C |
82 |
6 |
20 |
67 / 62 |
|
D |
82 |
6 |
20 |
66 / 61 |
|
E |
82 |
6 |
20 |
66 / 61 |
|
F |
60 |
6 |
20 |
48 / 48 |
|
G |
82 |
6 |
20 |
66 / 59 |
|
H |
82 |
6 |
20 |
66 / 61 |
|
I |
82 |
6 |
20 |
66 / 59 |
|
16.1.1.2 |
Hydrogeology |
A hydrogeological study, consisting of fieldwork, mathematical modeling, studies of regional water characteristics, and the potential impacts on Xuxa open pit mining, was performed.
A complementary campaign of geotechnical oriented drill holes and pressurized water loss tests (Packer Test) was carried out to measure the hydraulic conductivity of the rock mass, the hydrogeological characterization of the operation site, and to assess the likelihood of groundwater inflow from Piaui creek into the North and South Xuxa pits.
Figure 16-2 presents a conceptual model of regional groundwater circulation. In this area, the primary permeability is very low, therefore, aquifers in a fractured environment predominate. The recharge takes place through the fracture system, which also controls surface drainage. Discharge from these fractured aquifers occurs predominantly at the bottom of valleys.

Figure 16‑2: Regional Hydrogeological Conceptual Model
![]() |
| SGS Canada Inc. |
| Technical Report – Grota do Cirilo Lithium Project – Araçuai and Itinga Regions, Minas Gerais, Brazil |
|
16.1.1.3 |
Dewatering |
Table 16-2 presents the levels reached by the drawdown in the simulated period in the North and South pits. Table 16-3 presents the individual pit results and the yearly streamflow.
Table 16‑2: Xuxa Water Levels Reached in the Drawdown Numerical Model Simulation

Table 16‑3: Simulated Dewatering Streamflow (Annual Average)
|
Flow in m3/hr |
|||
|
Year |
North Pit |
South Pit |
Total |
|
Year 01 |
0 |
0 |
0 |
|
Year 02 |
11.5 |
0 |
11.5 |
|
Year 03 |
14.6 |
0 |
14.6 |
|
Year 04 |
11.6 |
3.3 |
14.9 |
|
Year 05 |
10.5 |
15.5 |
26.0 |
|
Year 06 |
10.4 |
12.1 |
22.5 |
|
Year 07 |
10.0 |
9.2 |
19.2 |
|
Year 08 |
8.0 |
10.6 |
18.6 |
|
Year 09 |
6.4 |
9.2 |
15.5 |
|
Average |
9.2 |
6.6 |
15.9 |
As shown by the data, the average dewatering streamflow is around 16 m3/hr, with a maximum of 26 m3/hr.
Effects such as the incursion of water from the Piaui Creek to the pit are not expected according to the conceptual model. No increase in streamflow rate due to blasting is anticipated.
![]() |
| SGS Canada Inc. |
| Technical Report – Grota do Cirilo Lithium Project – Araçuai and Itinga Regions, Minas Gerais, Brazil |
|
16.1.2 |
Xuxa Open Pit Sequencing |
In order to define the annual production plan, the following criteria were applied:
|
■ |
Feed rate 1.50 Mtpa. |
|
■ |
Li2O feed grade: 1.56%. |
|
■ |
3.75% dilution rate. |
|
■ |
Mining recovery: 97%. |
|
■ |
Fines losses: 15%. |
|
■ |
DMS metallurgical recovery: 60.4%. |
|
■ |
Concentrate grade (Li2O): 5.5%. |
|
■ |
Product mass recovery |
For the production development, the areas to be mined annually were established, generating operational plans for years 1 to 8.
The year 8 pit outline is shown in Figure 16-3 and the mine sequence is shown in Table 16-4.

Figure 16‑3: Xuxa North and South Pits Year 8
![]() |
| SGS Canada Inc. |
| Technical Report – Grota do Cirilo Lithium Project – Araçuai and Itinga Regions, Minas Gerais, Brazil |
Table 16‑4: Xuxa Designed Mine Sequencing
|
Year |
Classification |
ROM |
ROM (Mt) |
Li2O Partial |
Waste |
Waste |
Pre-Stripping |
Total Waste |
Stripping Ratio |
Total Stripping Ratio |
|
(%) |
(t) |
(Mt) |
(Mt) |
|||||||
|
1 |
Proven |
906,593 |
0.91 |
1.58 |
||||||
|
Probable |
593,326 |
0.59 |
1.53 |
|||||||
|
Subtotal |
1,499,919 |
1.50 |
1.56 |
13,417,268 |
11.1 |
2.34 |
13.4 |
7.39 |
8.95 |
|
|
2 |
Proven |
1,338,323 |
1.34 |
1.52 |
||||||
|
Probable |
167,873 |
0.17 |
1.36 |
|||||||
|
Subtotal |
1,506,196 |
1.51 |
1.50 |
22,556,241 |
22.6 |
22.6 |
14.98 |
15.0 |
||
|
3 |
Proven |
1,395,631 |
1.40 |
1.61 |
||||||
|
Probable |
68,648 |
0.07 |
1.66 |
|||||||
|
Subtotal |
1,464,279 |
1.46 |
1.61 |
27,730,862 |
27.7 |
27.7 |
18.94 |
18.9 |
||
|
4 |
Proven |
1,461,038 |
1.46 |
1.63 |
||||||
|
Probable |
24,706 |
0.02 |
1.58 |
|||||||
|
Subtotal |
1,485,744 |
1.49 |
1.63 |
22,553,266 |
22.6 |
22.6 |
15.18 |
15.2 |
||
|
5 |
Proven |
1,015,538 |
1.02 |
1.59 |
||||||
|
Probable |
491,063 |
0.49 |
1.69 |
|||||||
|
Subtotal |
1,506,601 |
1.51 |
1.63 |
27,428,536 |
27.4 |
27.4 |
18.21 |
18.2 |
||
|
6 |
Proven |
949,725 |
0.95 |
1.46 |
||||||
|
Probable |
503,415 |
0.50 |
1.67 |
|||||||
|
Subtotal |
1,453,140 |
1.45 |
1.54 |
28,989,385 |
29.0 |
29.0 |
19.95 |
19.9 |
||
|
7 |
Proven |
1,114,358 |
1.11 |
1.47 |
||||||
|
Probable |
365,918 |
0.37 |
1.60 |
|||||||
|
Subtotal |
1,480,276 |
1.48 |
1.50 |
38,241,206 |
14.6 |
23.6 |
38.2 |
9.89 |
25.8 |
|
|
8 |
Proven |
153,293 |
0.15 |
1.38 |
0.0 |
|||||
|
Probable |
1,248,413 |
1.25 |
1.42 |
|||||||
|
Subtotal |
1,401,706 |
1.40 |
1.42 |
14,522,953 |
14.5 |
14.5 |
10.36 |
10.4 |
||
|
Grand Total |
11,797,861 |
11.80 |
1.55 |
195.4 |
16.6 |
|||||
|
16.1.3 |
Xuxa Open Pit Logistics |
At the Xuxa deposit, the mining operations are carried out by a third-party contractor, with proven experience with similar sized operations in Brazil.
|
16.1.3.1 |
Equipment |
Table 16-5 shows the proposed mining fleet for the operation of the Xuxa open pit.
![]() |
| SGS Canada Inc. |
| Technical Report – Grota do Cirilo Lithium Project – Araçuai and Itinga Regions, Minas Gerais, Brazil |
Table 16‑5: List of Main Equipment to be used in the Operation of the Xuxa Pits
|
Equipment |
Brand |
Model |
Capacity |
Quantity |
Quantity |
Quantity |
Quantity |
Quantity |
Quantity |
Quantity |
Quantity |
|
Year 1 |
Year 2 |
Year 3 |
Year 4 |
Year 5 |
Year 6 |
Year 7 |
Year 8 |
||||
|
Hydraulic drill |
Sandvik or Similar |
DP 1500 or Similar |
4" to 5.5" |
4 |
10 |
12 |
10 |
12 |
13 |
15 |
7 |
|
Hydraulic drill |
Sandvik or Similar |
DX 800 or Similar |
4" to 5.5" |
1 |
1 |
1 |
2 |
2 |
2 |
2 |
1 |
|
Excavator |
Liebherr or Similar |
R966 SME or Similar |
70 t |
0 |
3 |
4 |
3 |
3 |
4 |
6 |
3 |
|
Excavator |
Liebherr or Similar |
R944 CSME or Similar |
45 t |
2 |
5 |
5 |
5 |
6 |
4 |
5 |
2 |
|
Excavator |
Caterpillar or Similar |
336D or Similar |
35 t |
2 |
2 |
2 |
2 |
2 |
2 |
2 |
2 |
|
Excavator |
Caterpillar or Similar |
320D with Rock Drill Hammer or Similar |
20 t |
1 |
1 |
2 |
2 |
2 |
2 |
2 |
1 |
|
Wheel Loader |
Caterpillar or Similar |
966H or Similar |
18 t |
2 |
2 |
2 |
2 |
2 |
2 |
2 |
2 |
|
Bulldozer |
Caterpillar or Similar |
D7T or Similar |
38 t |
2 |
2 |
2 |
2 |
2 |
2 |
2 |
2 |
|
Bulldozer |
Caterpillar or Similar |
D6T or Similar |
18 t |
3 |
3 |
3 |
3 |
3 |
3 |
3 |
3 |
|
Motor Grader |
Caterpillar or Similar |
140K or Similar |
16 t |
2 |
2 |
2 |
2 |
2 |
2 |
2 |
2 |
|
Truck |
Mercedes Benz or Similar |
Actros 8X4 or Similar |
40 t |
21 |
58 |
71 |
63 |
70 |
70 |
70 |
32 |
|
Water truck |
Mercedes Benz or Similar |
3340K or Similar |
22,000 l |
4 |
4 |
5 |
5 |
5 |
5 |
6 |
4 |
|
Operation Support Truck |
Mercedes Benz or Similar |
1726 or Similar |
6,000 l |
1 |
2 |
2 |
2 |
2 |
2 |
2 |
2 |
|
Crane Truck |
Mercedes Benz or Similar |
2426K or Similar |
11 t |
1 |
1 |
1 |
1 |
1 |
1 |
1 |
1 |
|
Lightning Tower |
Light Source |
NA-T4 |
- |
7 |
13 |
14 |
13 |
13 |
13 |
16 |
10 |
|
Light Vehicle |
Toyota or Similar |
Hilux or Similar |
5 people |
4 |
5 |
6 |
6 |
6 |
6 |
7 |
5 |
![]() |
| SGS Canada Inc. |
| Technical Report – Grota do Cirilo Lithium Project – Araçuai and Itinga Regions, Minas Gerais, Brazil |
|
16.1.3.2 |
Labour Mining |
SMSA is committed to prioritizing the hiring of local labour.
Table 16 6 lists the expected annual labour requirements for the eight years of mine life; these expectations will be adjusted as required during the mining operation.
![]() |
| SGS Canada Inc. |
| Technical Report – Grota do Cirilo Lithium Project – Araçuai and Itinga Regions, Minas Gerais, Brazil |
Table 16‑6: Xuxa Staffing Requirement Summary
|
Office |
Year 1 |
Year 2 |
Year 3 |
Year 4 |
Year 5 |
Year 6 |
Year 7 |
Year 8 |
|
Manager |
1 |
1 |
1 |
1 |
1 |
1 |
1 |
1 |
|
Coordinator |
1 |
1 |
2 |
2 |
2 |
2 |
1 |
1 |
|
Production Coordinator |
6 |
6 |
6 |
6 |
8 |
8 |
8 |
6 |
|
Operational Instructor |
2 |
2 |
2 |
2 |
2 |
2 |
2 |
2 |
|
Machine Operators |
46 |
66 |
73 |
69 |
97 |
92 |
106 |
65 |
|
Truck Drivers |
89 |
215 |
261 |
234 |
343 |
343 |
348 |
215 |
|
Production Assistants |
10 |
11 |
11 |
12 |
14 |
14 |
14 |
11 |
|
Drilling and Rock Blasting Supervisor |
7 |
7 |
7 |
7 |
9 |
9 |
9 |
7 |
|
Machine Operator |
20 |
44 |
52 |
48 |
56 |
60 |
68 |
44 |
|
Drilling Assistant |
23 |
47 |
55 |
51 |
59 |
63 |
71 |
47 |
|
Maintenance Officer |
4 |
4 |
4 |
4 |
5 |
5 |
5 |
4 |
|
Mechanic |
5 |
14 |
17 |
15 |
16 |
16 |
16 |
14 |
|
Welder |
8 |
10 |
12 |
16 |
20 |
20 |
20 |
10 |
|
Tire Fitter/Electrician/Tinsmith |
3 |
3 |
4 |
5 |
5 |
5 |
5 |
3 |
|
Greaser |
8 |
8 |
13 |
12 |
15 |
15 |
15 |
8 |
|
Maintenance Assistants |
8 |
12 |
14 |
14 |
20 |
20 |
20 |
12 |
|
Geologist |
1 |
1 |
1 |
1 |
1 |
1 |
1 |
1 |
|
Security Engineer |
1 |
1 |
1 |
1 |
1 |
1 |
1 |
1 |
|
Occupational Physician |
1 |
1 |
1 |
1 |
1 |
1 |
1 |
1 |
|
Safety Technician |
6 |
6 |
7 |
7 |
9 |
9 |
9 |
6 |
|
Surveyor |
1 |
1 |
1 |
1 |
1 |
1 |
1 |
1 |
|
Surveying Assistants |
2 |
2 |
2 |
2 |
2 |
2 |
2 |
2 |
|
Administrative |
3 |
3 |
4 |
4 |
5 |
5 |
5 |
3 |
|
Administrative - Control Room Technician |
3 |
3 |
4 |
4 |
5 |
5 |
5 |
3 |
|
Warehouser |
3 |
3 |
4 |
4 |
5 |
5 |
5 |
3 |
|
Total |
262 |
472 |
559 |
523 |
702 |
705 |
730 |
471 |
![]() |
| SGS Canada Inc. |
| Technical Report – Grota do Cirilo Lithium Project – Araçuai and Itinga Regions, Minas Gerais, Brazil |
|
16.1.4 |
Xuxa Underground |
|
16.1.4.1 |
Proposed Mining Method |
The mineralized area beneath the river, between the two pits, is planned for recovery using an underground mining method. This presents operational challenges, as the underground mine is under the influence of a water table and between two open pits. For the purposes of this study, a preliminary crown pillar of 60 m has been considered beneath the river, while a 50 m rib pillar has been assumed at the pit margins. Figure 16-4 illustrates the conceptual underground mining plan with the pillar configurations.

Figure 16‑4: Xuxa Underground Conceptual Design
The selected mining method for this study is longitudinal longhole stoping with backfill. Production levels will be spaced at 25 m vertical intervals. All material extracted will be hauled to the surface via a ramp from the north pit, using a fleet of 50-tonne underground trucks. At full production, the operation is expected to achieve a mining rate of 1,000 tonnes per day.
Longitudinal longhole stoping with backfill is well-suited to the Xuxa underground project, given the deposit’s dip, which allows material to flow by gravity. Sufficiently competent hanging wall and footwall conditions have been assumed. The mineralized zones are of adequate width and grade for efficient longhole extraction.
![]() |
| SGS Canada Inc. |
| Technical Report – Grota do Cirilo Lithium Project – Araçuai and Itinga Regions, Minas Gerais, Brazil |
From the access ramp, sills will be developed at 25 m vertical intervals along the strike of the mineralization. Hanging wall support will be installed using anchor cables placed in pre-drilled holes with a longhole drill rig. A drop raise will be excavated at the end of each sill to establish the initial void for blasting. Production drilling will predominantly be performed downhole, except in areas where only undercut access is available, in which case uphole drilling will be used.
Following blasting and mucking, stopes will be backfilled. It is assumed that waste rock from underground development and open pits will be used to meet backfill requirements. Backfill material will be placed from overcut access points to fill the stope. Once backfilling is completed, mining can proceed in the stope above, following a retreating sequence toward the level access.
A longitudinal view of a typical longitudinal longhole stoping block with backfill is presented in Figure 16-5.

Figure 16‑5: Xuxa Underground Longitudinal View of Typical Mining Block
|
16.1.4.2 |
Preliminary Cut-Off Grade |
The preliminary cut-off value for the underground mine design was estimated based on the cost assumptions summarized in Table 16-7.
![]() |
| SGS Canada Inc. |
| Technical Report – Grota do Cirilo Lithium Project – Araçuai and Itinga Regions, Minas Gerais, Brazil |
Table 16‑7: Cut-Off Grade Assumptions for Xuxa Underground
|
Parameter |
Unit |
Assumption |
|
Concentrate Sales Price |
USD/t conc. |
1,150.00 |
|
Underground Mining Cost |
USD/t mined |
50.00 |
|
Processing Cost |
USD/t milled |
10.70 |
|
General and Administrative |
USD/t milled |
4.00 |
|
Sale |
USD/t product |
14.66 |
|
Royalties |
USD/t product |
14.66 |
|
Metallurgical Recovery |
% |
60.7 |
|
Concentrated Grade |
% Li2O |
5.5 |
|
Mining Loss (Underground) |
% |
10.0 |
|
Dilution (Underground) |
% |
10.0 |
|
Underground Cut-off Grade |
% Li2O |
0.7 |
The cut-off grade of 0.7% Li2O was used for the generation of underground mineable stope shapes. Stope shapes generated in the crown pillar and rib pillars were excluded. No incremental cutoff grade was considered for this study.
|
16.1.4.3 |
Mine Access |
Underground access will be established via two ramps. The main ramp, developed from the Xuxa North pit, will serve as the primary haulage route. A short service ramp, developed from the South pit, will provide an additional access point and support ventilation.
|
16.1.4.4 |
Horizontal Development |
All ramp and lateral excavations will be developed using conventional drill-and-blast methods with diesel-powered mobile equipment. Level development will be in the footwall. Typical infrastructure on each level will include:
|
● |
Level access from the ramp |
|
● |
Remuck and truck loading area at the level entrance |
|
● |
Water collection sump |
|
● |
Electrical cut-out |
|
● |
Stope accesses |
|
● |
Return airway (from the ramp) |
|
● |
Escapeway (from the ramp) |
Some levels will include additional infrastructure such as:
|
● |
Refuge stations |
|
● |
Explosives and detonators storage |
|
● |
Material storage bays |
|
● |
Pump stations |
|
● |
Cemented rock fill mixing bay |
![]() |
| SGS Canada Inc. |
| Technical Report – Grota do Cirilo Lithium Project – Araçuai and Itinga Regions, Minas Gerais, Brazil |
The lateral development design assumptions are summarized in Table 16-8. In some locations, back height will need to be increased. For example, in truck loading areas, the back will be raised to 7.0 m to accommodate the loader’s bucket height during loading operations. A typical level layout is illustrated in Figure 16-6.
Table 16‑8: Xuxa Underground Lateral Development Design Assumptions
|
Item |
Ramp |
Other Dev |
Sills |
|
Waste Rock |
Waste Rock |
||
|
Width |
5.0 m |
5.0 m |
5.0 m |
|
Height |
5.5 m |
5.0 m |
5.0 m |
|
Planned Gradient |
2 - 15 % |
2 - 5 % |
2 - 5 % |
|
Sand-Off Distances from Ramps to mineralized Zone |
Approximately 55 m |
||

Figure 16‑6: Xuxa Underground Typical Level Access Layout
|
16.1.4.5 |
Vertical Development |
Ventilation raises will be developed with dimensions of 3.0 m x 4.0 m using longhole drop raise methods with production drills. Escapeway raises will be developed with dimensions of 2.1 m x 2.1 m, using either conventional raising or the Alimak method.
![]() |
| SGS Canada Inc. |
| Technical Report – Grota do Cirilo Lithium Project – Araçuai and Itinga Regions, Minas Gerais, Brazil |
|
16.1.4.6 |
Longhole Stoping |
A minimum horizontal mining width of 4.5 m was applied, based on a minimum vein width of 3.5 m, plus an allowance of 1.0 m for unplanned dilution (0.7 m on the hanging wall and 0.3 m on the footwall). The narrowest stope shape generated in the design is 4.8 m wide (5.8 m with dilution). Based on preliminary mining costs, a break-even cut-off grade of 0.70 % Li2O was used for the preliminary stope optimization. The design assumptions for longhole stopes are summarized in Table 16-9.
Table 16‑9: Xuxa Underground Longhole Stope Design Assumptions
|
Item |
Value |
|
Minimum Mining Width |
3.5 m |
|
Minimum Stope Dip |
45° |
|
Level Interval |
25 m floor to floor |
|
Stope Length (along strike) |
15 m |
|
Waste Density |
2.73 t/m3 |
|
Drill |
ITH Electric-Hydraulic |
|
Hole Diameter |
102 mm |
|
Ring Burden |
2.5 m |
|
Hole Spacing |
3.0 m |
|
Slot Raise |
Drop raise |
|
V30 for upper |
|
|
Explosive Type |
Bulk Emulsion |
|
Detonators |
Non-Electric |
|
Loading Method |
Mobile Explosives Loader |
|
LHD |
9 yd3 |
|
Backfill |
Unconsolidated Rockfill (URF) |
|
Cemented Rockfill (CRF) |
|
|
Haul |
50T Class Haul Truck |
Production tonnes come primarily from downhole drilling, with uphole drilling reserved for pillar recovery. Production holes will be loaded with bulk emulsion using a mobile explosive loader. Downhole stopes utilize a drop raise slot, while uphole stopes utilize a large-diameter reamer ("V30") for improved raise blasting reliability. After opening the slot, the stope is taken with a series of successive non-electric firings.
Blasted material will be mucked from stopes using a 9 yd3 LHD. When the stope brow is closed, the LHD will be operated with the operator in the cab. When the stope brow is open, the LHD will be operated by remote control with the operator stationed at a remote stand, located a safe distance from the brow and away from the path of the moving LHD. The LHD will tram and dump into a remuck bay located on the level access. When a haul truck is present at the remuck bay, the LHD will load the truck. The height of the drift at the truck loading area will accommodate the truck loading.
![]() |
| SGS Canada Inc. |
| Technical Report – Grota do Cirilo Lithium Project – Araçuai and Itinga Regions, Minas Gerais, Brazil |
|
16.1.4.7 |
Dilution and Recovery |
Dilution can be either internal (planned) or external (unplanned). Internal dilution involves the deliberate inclusion of non-mineralized material in a mining shape. External dilution occurs incidentally because of overbreak or poor drilling and blasting practices. This type of dilution adds additional tonnes below the cut-off value (COV) into the mining plan. Additional external dilution can also result from backfill dilution, which occurs due to endwall overbreak into filled stopes or from floor gouging or poor fill wall locations. Internal dilution is reported along with the in-situ resource from stope shapes in the Deswik model.
External dilution in longhole stopes will primarily come from waste rock in the hanging wall (HW) and footwall (FW) that overbreaks into the stope and is mined with the stope resource. Additional dilution can come from backfill in adjacent stopes. A 70 cm overbreak was applied to the HW and 30 cm to the FW (totaling 1.0 m) for all the stope shapes.
A 10% overbreak factor has been applied to the neat quantities for waste rock development to account for unplanned breakage beyond the planned dimensions. No overbreak allowance is applied to excavations in the mineralized resource. Mining recovery for development is assumed to be 100%.
A mining recovery factor will be applied to account for stope resources that are planned to be mined but may not be fully recovered due to losses in the mining process. The dilution and mining recovery factor by mining method are summarized in Table 16-10.
Table 16‑10: Xuxa Underground Dilution and Recovery Summary
|
Method |
Dilution |
|
Longhole Stope HW |
0.7 m |
|
Longhole Stope FW |
0.3 m |
|
Development Overbreak |
10% |
|
Method |
Recovery Factor |
|
Uphole |
85% |
|
Downhole |
92% |
|
Development |
100% |
|
16.1.4.8 |
Material Handling |
|
16.1.4.8.1 |
Ore Haulage |
During production, stopes will be mucked to the level access remucks using 9 yd3 LHDs. Underground 50-t haul trucks will then access the level and be conventionally loaded by the LHDs from the remucks. All mineralized material will be hauled to the surface pad near the portal via the haulage ramp.
|
16.1.4.8.2 |
Waste Haulage |
Before stope production begins, all waste rock will be hauled to the surface and dumped at a waste rock dump near the portal. The dump may be located within the exhausted pit. Once stope production starts, waste rock will be hauled and dumped at other levels for use as backfill. It is anticipated that 50-t underground haul trucks will be used for waste rock hauling.
![]() |
| SGS Canada Inc. |
| Technical Report – Grota do Cirilo Lithium Project – Araçuai and Itinga Regions, Minas Gerais, Brazil |
|
16.1.4.9 |
Backfill |
Stopes will mainly be backfilled with uncemented rock fill (URF), including those that will be mined against. In stopes located immediately above the sill pillar and those adjacent to level access, cemented rock fill (CRF) will be used. URF material will come from underground waste development and additional waste sourced from the surface. Haul trucks will transport mineralized resource material up the ramp and return with a load of waste rock for backfill.
When URF is being placed, haul trucks will deliver waste rock to the backfilling level where an LHD will rehandle the material for dumping into the stope. The same process applies for CRF, except that before placement, the LHD will first mix the waste rock with cement in a dedicated bay near the truck dump.
|
16.1.4.10 |
Development Schedule |
The proposed lateral development schedule for Xuxa underground has been planned based on long-term performance metrics, with ramp headings advancing at a rate of 105 m per month and other horizontal development crews achieving 150 m per month. Only one horizontal development crew is used during the project.
Annual advance totals can be found by type in Table 16-11. Stope shapes and proposed development for the project are presented in Figure 16-7.
Table 16‑11: Xuxa Underground Annual Development Metres
|
Item |
Unit |
Project Year |
Total |
|||||
|
1 |
2 |
3 |
4 |
5 |
6 |
|||
|
Ramp |
m |
664 |
456 |
537 |
146 |
0 |
0 |
1,804 |
|
Level Access and Infrastructure |
m |
565 |
385 |
440 |
141 |
0 |
0 |
1,531 |
|
Operating Waste |
m |
275 |
740 |
544 |
330 |
0 |
0 |
1,890 |
|
Operating |
m |
36 |
45 |
60 |
101 |
0 |
0 |
241 |
|
Total Horizontal |
m |
1,540 |
1,626 |
1,582 |
719 |
0 |
0 |
5,466 |
|
Vertical Development |
m |
88 |
82 |
129 |
20 |
0 |
0 |
320 |
![]() |
| SGS Canada Inc. |
| Technical Report – Grota do Cirilo Lithium Project – Araçuai and Itinga Regions, Minas Gerais, Brazil |

Figure 16‑7: Longitudinal Section of Xuxa Underground Development and Stopes
|
16.1.4.11 |
Mine Production Schedule |
The first 1.5 years of the mine schedule will be dedicated to ramp development, reaching the first production level. The first stopes will be blasted in the second year, with production gradually ramping up to full capacity in years 4 and 5. Production will then decline in year 6 due to a lack of new stopes. The total mine life is estimated at 5.5 years.
A total of 16 kt of mineralized material is expected to be recovered from development, while 1,244 kt will be extracted through stoping, for a total production of 1,260 kt at 1.15% Li₂O. The diluted and mining-recovered production quantities are summarized in Table 16-12.
![]() |
| SGS Canada Inc. |
| Technical Report – Grota do Cirilo Lithium Project – Araçuai and Itinga Regions, Minas Gerais, Brazil |
Table 16‑12: Xuxa Underground Production Schedule
|
Resource Mined |
Unit |
Project Year |
Total |
|||||
|
1 |
2 |
3 |
4 |
5 |
6 |
|||
|
Development |
t |
2,368 |
2,986 |
3,967 |
6,701 |
0 |
0 |
16,022 |
|
Grade Li2O |
% |
0.77 |
1.02 |
1.10 |
1.16 |
1.06 |
||
|
Production |
t |
0 |
94,173 |
232,743 |
308,701 |
364,575 |
243,949 |
1,244,140 |
|
Grade Li2O |
% |
1.14 |
1.11 |
1.10 |
1.20 |
1.17 |
1.15 |
|
|
Total |
t |
2,368 |
97,159 |
236,710 |
315,402 |
364,575 |
243,949 |
1,260,162 |
|
Grade Li2O |
% |
0.77 |
1.14 |
1.11 |
1.10 |
1.20 |
1.17 |
1.15 |
|
16.1.4.12 |
Ventilation |
The proposed primary ventilation system will operate as a pull system, with the main fan installed in the service ramp, which opens onto the Xuxa South pit. This fan will draw fresh air into the mine through the haulage ramp, which connects to the Xuxa North pit.
At each level, a new ventilation raise will be developed to establish a fresh ventilation loop, ensuring adequate airflow throughout the workings. The proposed ventilation scheme is illustrated in Figure 16-8.
![]() |
| SGS Canada Inc. |
| Technical Report – Grota do Cirilo Lithium Project – Araçuai and Itinga Regions, Minas Gerais, Brazil |

Figure 16‑8: Xuxa Underground Proposed Ventilation System
|
16.1.4.13 |
Primary Ventilation Layout |
The ventilation circuit was modeled using Ventsim, an industry standard software for ventilation simulation. The ventilation demand was estimated based on Canadian regulations (Ontario Occupational Health and Safety Act in Mines and Mining Plants), which require airflow to meet or exceed the recommended ventilation rate specified in the CSA Standard M424.2:22 (“Diesel-Powered Machines for Use in Non-Gassy Underground Mines”). If an engine is not certified under this standard, a minimum ventilation airflow of 0.06 m³/s per kW of mobile equipment must be maintained. An additional 15% allowance for leakage and mine losses was also applied. The estimated ventilation demand is shown in Table 16-13.
The ventilation requirement has been rounded to 115 m³/s. One 150 kW primary fans is proposed in the service ramp to pull fresh air into the mine.
![]() |
| SGS Canada Inc. |
| Technical Report – Grota do Cirilo Lithium Project – Araçuai and Itinga Regions, Minas Gerais, Brazil |
Table 16‑13: Xuxa Underground Ventilation Demand Estimate
|
Equipment |
Model |
Power |
Units |
Unit Demand |
Utilization |
Airflow |
|
kW |
m3/s |
% |
m3/s |
|||
|
LHD 9 yd3 |
LH410 |
310 |
3 |
12.8 |
100 |
38.3 |
|
50 t Truck |
TH430 |
515 |
2 |
22.7 |
100 |
45.4 |
|
LHD 3 yd3 |
LH203 |
72 |
1 |
6.5 |
50 |
3.2 |
|
Boom Truck |
BT3 |
160 |
1 |
9.6 |
50 |
4.8 |
|
Light Vehicle |
HZJ79 |
96 |
2 |
5.8 |
50 |
5.8 |
|
Tractor |
Kubota |
78 |
1 |
4.7 |
50 |
2.3 |
|
Subtotal |
99.8 |
|||||
|
Leakage |
15% |
15.0 |
||||
|
Total |
114.8 |
|
16.1.4.14 |
Auxiliary Ventilation |
Where headings are outside of the primary ventilation circuit, auxiliary fans are required to push the air to the working headings. Auxiliary ventilation fans rated 75-90 kW will be installed on each level access with flexible ducting delivering approximately 25-30 m3/s to each working heading. Where appropriate, different fan sizes and airflow requirements may be required.
|
16.1.4.15 |
Compressed Air |
Compressed air will be delivered to sublevels through a 150 mm pipe installed in the ramp. The underground equipment requiring compressed air includes pneumatic drills, pneumatic pumps, blowpipes for cleaning holes, a shotcrete sprayer, tools in the maintenance shop, refuge stations, and Alimak raising systems. A preliminary estimate indicates that the mine will require approximately 2,500 cfm (450 kW) of compressed air at peak airflow during full production.
|
16.1.4.16 |
Process Water |
The underground process water users are anticipated to include the following:
|
● |
All drills (jumbo, bolter, longhole, cable bolter, jacklegs/stopers, diamond drill) |
|
● |
Dust Suppression – Hose/nozzle, water sprays |
|
● |
Shotcrete |
|
● |
Wash Bay |
|
● |
Miscellaneous washing |
A pre-engineered pumphouse building will transfer process water from the water source to water storage tanks. Process water will be delivered to levels through a 100 mm pipe in the ramp.
|
16.1.4.17 |
Dewatering System |
Water inflow will result from both infiltration and mining activities. However, since the underground project is situated between two pits that will be actively pumped, and the region is semi-arid, large water volumes are not expected. The anticipated mine dewatering system will include the following components:
![]() |
| SGS Canada Inc. |
| Technical Report – Grota do Cirilo Lithium Project – Araçuai and Itinga Regions, Minas Gerais, Brazil |
|
● |
A development gradient designed to direct water flow along a floor ditch. |
|
● |
Collection basins on each level, either gravity feeding to a lower-elevation basin via a borehole or equipped with a submersible pump to transfer water to another basin. |
|
● |
Intermediate basin and pump stations to transfer water to the main basin and pump stations. |
|
● |
Main basin and pump stations to pump water to the surface. |
Water pumped from the underground mine will be directed to the collection basin in the North pit.
|
16.1.4.18 |
Electrical Power Distribution |
The underground mine will be powered from the same electrical supply as the open pit, which will be upgraded to accommodate the increased power demand for underground operations, including mining equipment, ventilation, and air compressors.
|
16.1.4.19 |
Underground Communication |
The communication systems planned for the underground facilities will use proven technologies. The following systems are planned:
|
● |
Leaky feeder system (radio) |
|
● |
Blasting system |
The leaky feeder system will be the primary method of communication. It will be routed along the main ramp and will branch out to various levels underground.
|
16.1.4.20 |
Mobile equipment |
The mobile equipment fleet will include units that are commonly used in similar development and production applications. The estimated peak mobile equipment fleet is summarized in Table 16-14.
![]() |
| SGS Canada Inc. |
| Technical Report – Grota do Cirilo Lithium Project – Araçuai and Itinga Regions, Minas Gerais, Brazil |
Table 16‑14: Xuxa Underground Mobile Equipment Fleet
|
Description |
Qty |
|
Development |
|
|
Jumbo 2-boom |
1 |
|
ANFO Loader |
1 |
|
LHD 9 yd3 |
1 |
|
Scissor Lift |
1 |
|
Truck 50 t |
1 |
|
Production |
|
|
Electro-Hydraulic Drill |
1 |
|
Explosives Loader |
1 |
|
LHD 9 yd3 |
1 |
|
Truck 50 t |
1 |
|
Backfill |
|
|
LHD 9 yd3 |
1 |
|
Services |
|
|
Cable Bolter |
1 |
|
Shotcrete Sprayer |
1 |
|
LHD 3 yd3 |
1 |
|
Boom Truck |
1 |
|
Tractor |
1 |
|
Light Vehicle |
2 |
|
16.1.4.21 |
Mine Labour |
The underground mine will operate two 12-hour shifts per day, 365 days per year. To maintain continuous operations, four crew rotations will be required. For example, Crews A and B will be on-site working dayshift and nightshift, while Crews C and D will be on days off. As this project is part of a larger mining operation, administrative staff were not included in this study. The estimated peak personnel required to support underground operations are summarized in Table 16-15.
![]() |
| SGS Canada Inc. |
| Technical Report – Grota do Cirilo Lithium Project – Araçuai and Itinga Regions, Minas Gerais, Brazil |
Table 16‑15: Xuxa Underground Mine Labour
|
Area |
Position |
Qty |
|
Mine Direct |
UG Mine General Foreman |
1 |
|
Mine Shift Bosses |
4 |
|
|
Jumbo Operator |
4 |
|
|
Dev. Support Leader |
2 |
|
|
Dev. Support Miner |
2 |
|
|
Scoop Operator |
12 |
|
|
Truck Operator |
8 |
|
|
Long hole driller |
4 |
|
|
Long hole blaster |
4 |
|
|
Service Long hole & dev |
4 |
|
|
Construction |
4 |
|
|
Service Underground |
1 |
|
|
Electrician |
1 |
|
|
Mechanics |
2 |
|
|
Total Mine Direct |
53 |
|
|
Mine Indirect |
Mine Technical Services Manager |
1 |
|
Senior Mine Engineer |
1 |
|
|
Mine Planner - Longhole |
1 |
|
|
Surveyors |
4 |
|
|
Chief Geologist |
1 |
|
|
Production Geologists |
2 |
|
|
Geology Technicians |
1 |
|
|
Mine Operations Superintendent |
1 |
|
|
UG Trainer |
1 |
|
|
Mine Maintenance Superintendent |
1 |
|
|
Mechanical General Foreman |
1 |
|
|
Electrical General Foreman |
1 |
|
|
Total Mine Indirect |
16 |
|
|
Grand Total |
69 |
|
16.1.4.22 |
Underground Infrastructure |
|
16.1.4.22.1 |
Refuge Stations |
There will be permanent Refuge Stations at strategic locations where larger numbers of personnel gather frequently. The permanent refuge stations will also be used as a lunchroom. Portable refuge stations will be located at key areas and near the working face in headings being developed away from the main infrastructure. Portable refuge stations will be used during emergency conditions only. The mine also has an emergency escapeway raise system to surface equipped with ladders and is planned to be accessible from every level.
![]() |
| SGS Canada Inc. |
| Technical Report – Grota do Cirilo Lithium Project – Araçuai and Itinga Regions, Minas Gerais, Brazil |
Portable refuge stations will be self-contained manufacturer-supplied and located in repurposed excavations. Each portable refuge station is capable of housing 12 people for 36 hours and will be supplied with oxygen by bottled systems and not through a compressed-air line.
|
16.1.4.22.2 |
Maintenance Facilities |
Infrastructure related to mechanical maintenance will be minimal. Given the small scale of the project, major maintenance will be conducted on the surface. Basic maintenance tasks will be carried out underground in service bays.
|
16.2 |
BARREIRO OPEN PIT MINING |
The Barreiro Deposit will be mined by open pit mining methods, using a contracted mining fleet consisting of hydraulic excavators, front-end loaders, and 40 t trucks for both waste and ore, coupled with appropriate auxiliary support equipment.
|
16.2.1 |
Risk Evaluation |
Sigma evaluated the potential risks of mining and geotechnical activities for the Barreiro deposit. Six risks were identified and considered as follows:
|
1. |
Mineral Resources block model, backing the LOM, may not be robust. |
|
2. |
Deficient geological information (deeper horizons) may compromise the LOM model precision. |
|
3. |
The Mineral Resource block model is deficient (lacking diverse parameters such as recovery, work index (WI), contaminants, or mineralogy for example), compromising the preparation of a proper plant feed blending plan. |
|
4. |
Production problems and interruption, due to environmental licensing delays. |
|
5. |
Model cannot predict dilution with proper precision due to deficiencies in the mine geological mapping and blasting mixing. |
|
16.2.2 |
Geotechnical and Hydrogeological Analysis |
|
16.2.2.1 |
Geotechnical |
A geotechnical field study, analysis and design was performed to provide key design parameters for the Barreiro pit.
Data analysis is supported by a comprehensive investigation and geotechnical assessment of the drill hole samples, and laboratory tests consisting of uniaxial compressive testing (UCS), triaxial testing, indirect tensile strength testing (Brazilian test), and direct shear strength testing. The stability analyses led to the recommendation of inclination angles for the pit walls which are considered to be prudent and within appropriate safety factors expected of a PFS. The stability analyses considered information on the strength parameters of various rock and soil materials, in association with the understanding of the expected rupture mechanisms that could occur on the pit slopes.
![]() |
| SGS Canada Inc. |
| Technical Report – Grota do Cirilo Lithium Project – Araçuai and Itinga Regions, Minas Gerais, Brazil |
The walls of the Barreiro pit will be entirely within a biotite schist unit, consisting of a low to medium intensity of schistosity. Figure 16-24 is a stereogram of two joint main structures identified at Barreiro using optical televiewing (OPTV).
The soil and overburden are up to 5 m deep, with a transition zone of saprolite with moderately altered rock up to 30 m in depth. The basement (fresh rock) is a compact biotite schist, showing little to no change in the original colour of the minerals and moderate to high mechanical strength (weathering zone ranging from W2 on the top to W1).
The rock mass has good to excellent RQD (75 – 100%), low fracturing degree (F2), and RMR class II/I, corresponding from good to very good rock mass strength.

Figure 16‑9: OPTV-derived stereogram showing two main joint structures at Barreiro
|
16.2.2.2 |
Geomechanical Characterization |
Three oriented geotechnical holes were drilled to help determine the geomechanical characteristics of the biotite schist in the Barreiro pit walls. The holes were logged, and images and geological structures were obtained by OPTV. Uniaxial compression tests (UCS) and direct shear tests were completed on the core and the results are presented in Table 16-21 and 16-22 respectively.
Half of the mean values for the friction angle and cohesion were adopted in the stability analyses, based on a conservative approach.
![]() |
| SGS Canada Inc. |
| Technical Report – Grota do Cirilo Lithium Project – Araçuai and Itinga Regions, Minas Gerais, Brazil |
Table 16‑16: Uniaxial Compression Test (UCS) Results Barreiro Pit
|
Lithology |
Code |
Height (mm) |
Diameter (mm) |
UCS (MPa) |
Young Modulus (Gpa) |
Poisson’s Ratio |
|
Biotite schist |
GT-0077_CP_01 |
170.83 |
62.98 |
52.30 |
38.48 |
0.305 |
|
GT-0082_CP_02 |
170.26 |
61.48 |
45.13 |
29.84 |
0.281 |
|
|
GT-0083_CP_03 |
165.56 |
62.73 |
55.02 |
24.89 |
0.263 |
|
|
GT-0084_CP_04 |
162.10 |
62.71 |
66.42 |
23.34 |
0.221 |
|
|
GT-0085_CP_05 |
169.53 |
62.93 |
54.20 |
21.68 |
0.288 |
|
|
S.Dev. |
6.86 |
6.06 |
0.03 |
|||
|
Mean |
54.61 |
27.65 |
0.27 |
|||
|
C.V. |
0.13 |
0.22 |
0.11 |
Table 16‑17: Direct Shear Test Results Barreiro Pit
|
RESIDUAL RESISTANCE |
||
|
Lithological Code |
Friction Angle (°) |
Cohesion (MPa) |
|
SCHMI |
67 |
1.7 |
|
66 |
1.2 |
|
|
60 |
1.1 |
|
|
S.Dev. |
3.0 |
0.32 |
|
Mean |
64 |
1.33 |
|
C.V. |
5% |
24% |
|
16.2.2.3 |
Pit Sectorization |
The pit was divided into 5 sectors according to the orientation of the pit wall slopes and geological structures, as shown in Figure 16-25.
![]() |
| SGS Canada Inc. |
| Technical Report – Grota do Cirilo Lithium Project – Araçuai and Itinga Regions, Minas Gerais, Brazil |

Figure 16‑10: Barreiro Pit Sectorization
|
16.2.2.4 |
Kinematic Analyses |
Kinematic analyses were performed for the different sectors to assess planar and toppling ruptures.
The friction angle adopted was obtained from the direct shear tests result values and was calculated using the mean minus two standard deviations.
Figure 16-26 to Figure 16-31 show the analyses for the sectors and the respective percentages of occurrences.
![]() |
| SGS Canada Inc. |
| Technical Report – Grota do Cirilo Lithium Project – Araçuai and Itinga Regions, Minas Gerais, Brazil |

Figure 16‑11: Barreiro kinematic analysis for sector 1 with 5% planar rupture occurring

Figure 16‑12: Barreiro kinematic analysis for sector 1 with 4% planar rupture occurring
![]() |
| SGS Canada Inc. |
| Technical Report – Grota do Cirilo Lithium Project – Araçuai and Itinga Regions, Minas Gerais, Brazil |

Figure 16‑13: Barreiro kinematic analysis for sector 3 with 4% planar rupture occurring

Figure 16‑14: Barreiro kinematic analysis for sector 4 with 4% planar rupture occurring
![]() |
| SGS Canada Inc. |
| Technical Report – Grota do Cirilo Lithium Project – Araçuai and Itinga Regions, Minas Gerais, Brazil |

Figure 16‑15: Barreiro kinematic analysis for sector 5 with 5% planar rupture occurring

Figure 16‑16: Barreiro Kinematic analysis for sector 5 with 30% planar rupture occurring
![]() |
| SGS Canada Inc. |
| Technical Report – Grota do Cirilo Lithium Project – Araçuai and Itinga Regions, Minas Gerais, Brazil |
|
16.2.2.5 |
Limit Equilibrium Slope Stability Analysis |
The following conditions were assumed for the stability analysis:
|
● |
The rock mass was considered an anisotropic material |
|
● |
For the condition perpendicular to foliation, the residual strength of direct shear tests was considered |
|
● |
Foliation was considered half the mean of the friction angle and cohesion for the parallel condition |
|
● |
Slope partially saturated |
The results of the analyzes are shown in Table 16-23 and in Figure 16-32 to Figure 16-36.
Table 16‑18: Barreiro Slope Stability Analysis
|
Section |
Sector |
Minimum SF |
|
SEC 01 |
01 |
1.92 |
|
SEC 02 |
02 |
1.43 |
|
SEC 03 |
03 |
1.80 |
|
SEC 04 |
03 |
1.99 |
|
SEC 05 |
04 |
2.18 |
![]() |
| SGS Canada Inc. |
| Technical Report – Grota do Cirilo Lithium Project – Araçuai and Itinga Regions, Minas Gerais, Brazil |

Figure 16‑17: Analysis of section 01 with FS = 1.92

Figure 16‑18: Analysis of section 02 with FS = 1.43
![]() |
| SGS Canada Inc. |
| Technical Report – Grota do Cirilo Lithium Project – Araçuai and Itinga Regions, Minas Gerais, Brazil |

Figure 16‑19: Analysis of section 03 with FS = 1.80

Figure 16‑20: Analysis of section 04 with FS = 1.99
![]() |
| SGS Canada Inc. |
| Technical Report – Grota do Cirilo Lithium Project – Araçuai and Itinga Regions, Minas Gerais, Brazil |

Figure 16‑21: Analysis of section 05 with FS = 2.18
|
16.2.2.6 |
Recommended Geometry for Pit Slopes |
Based on the results of the kinematic analyses and the limit equilibrium analyses, adjustments must be made to the pit wall slopes projected in the upper pit portions, from surface to a depth of 35 m.
In the current phase of the studies, the following geometry, shown in Table 16-24, is recommended.
![]() |
| SGS Canada Inc. |
| Technical Report – Grota do Cirilo Lithium Project – Araçuai and Itinga Regions, Minas Gerais, Brazil |
Table 16‑19: Barreiro Recommended Pit Slope Geometry
|
Sectors |
Face Angle (º) |
Berm Width (m) |
Bench Height (m) |
Inter-ramps Slopes Angle (º) |
|
01 - Overburden |
55 |
6 |
10 |
37.6 |
|
01 - Fresh Rock |
84 |
6 |
10 |
55 |
|
02 - Overburden |
55 |
6 |
10 |
37.6 |
|
02 - Fresh Rock |
84 |
6 |
10 |
55 |
|
03 - Overburden |
47 |
6 |
10 |
33,7 |
|
03 - Fresh Rock |
75 |
5 |
10 |
52 |
|
04 - Overburden |
55 |
6 |
10 |
37,6 |
|
04 - Fresh Rock |
84 |
6 |
10 |
55 |
|
05 - Overburden |
55 |
6 |
10 |
37,6 |
|
05 - Fresh Rock |
84 |
6 |
10 |
55 |
|
16.2.2.7 |
Hydrogeology |
Sigma’s Grota do Cirilo Project is situated within the Jequitinhonha River Hydrographic Basin (Figure 16-37) which is located in the mesoregions of the Jequitinhonha Valley and Northern Minas Gerais, with a drainage area of 19,803 km². The climate in the basin is considered semi-arid, with a dry period varying from four to five months per year, and hydraulic availability between 2 and 10 litres per second per square kilometre.
The Barreiro deposit is situated immediately east of the Piauí Creek, a shallow, intermittent creek that is a tributary of the Jequitinhonha River (Figure 16-38). All the secondary drainage channels from the Barreiro site to the Piauí Creek were inspected. All the drainage channels were dry, and it was concluded that the secondary drainage channels only flow after a rainfall event. Figure 16-38 shows the area of the field trip and the drainage points inspected.
![]() |
| SGS Canada Inc. |
| Technical Report – Grota do Cirilo Lithium Project – Araçuai and Itinga Regions, Minas Gerais, Brazil |

Figure 16‑22: Jequitinhonha River Basin in Minas Gerais state, Brazil
![]() |
| SGS Canada Inc. |
| Technical Report – Grota do Cirilo Lithium Project – Araçuai and Itinga Regions, Minas Gerais, Brazil |

Figure 16‑23: Route map and drainage points inspected in the Barreiro area
Water samples to determine the physical and chemical parameters of the water (pH, EH, conductivity and temperature) were collected at 2 points in the Piaui Creek. The average measurement shows a 7.8 pH in the Piaui Creek within the project area, an important parameter that clearly indicates rainwater without any acidic water characteristics. The average electrical conductivity measured at Piaui Creek is 54.3 µS. This extremely low value demonstrates that the water, although muddy in appearance, has very little suspended solids. The water grade of dissolved solids is extremely low, with an average of 27.4 ppm, which gives the water a low electrical conductivity, an important parameter to analyze the origin of water when related to pH. The average obtained from the measurements was 217.9 mv, and this positive value indicates fast circulating water and an oxidizing environment typical of rainwater. The average water temperature of the Piaui Creek in the project area was 28.9 °C.
|
16.2.2.7.1 |
Hydrogeological Characterization |
Regarding the hydrogeological characterization of the Barreiro pit area, the following considerations can be stated:
|
● |
In general terms, the Piaui Creek has characteristics of both an influent and an effluent river, with the influent component being more prominent |
|
● |
Effluent rivers receive water from the ground through their streambeds, while influent rivers lose water through evaporation and seepage into the ground |
|
● |
The main groundwater flow occurs in the contact region between the altered saprolite/fresh rock, as observed in the drill cores of geotechnical drillholes campaign |
![]() |
| SGS Canada Inc. |
| Technical Report – Grota do Cirilo Lithium Project – Araçuai and Itinga Regions, Minas Gerais, Brazil |
Nine drill holes from the Barreiro drilling campaigns were assessed for groundwater levels. Table 16-25 shows the results of that assessment and Figure 16-39 shows the location of the drill holes and the estimated potentiometric map of the Barreiro area.
Table 16‑20: Survey results of groundwater levels in Barreiro exploration drillholes
|
Hole Id |
Coordinates (UTM - SIRGAS 2000) |
Hole Depth (m) |
Water Level (m) |
|
|
X |
Y |
|||
|
DH-BAR-15 |
190687 |
8140463 |
291.79 |
279.76 |
|
DH-BAR-40 |
191010 |
8140521 |
305.77 |
289.13 |
|
DH-BAR-60 |
190780 |
8140711 |
320.04 |
279.42 |
|
DH-BAR-62 |
190882 |
8140763 |
331.25 |
317.94 |
|
DH-BAR-81 |
191075 |
8140675 |
322.24 |
288.14 |
|
DH-BAR-86 |
191145 |
8140616 |
313.36 |
289.46 |
|
DH-BAR-93 |
191102 |
8140711 |
326.85 |
287.53 |
|
DH-BAR-96 |
190545 |
8140524 |
293.79 |
278.46 |
|
DH-BAR-98 |
191135 |
8140440 |
313.93 |
287.04 |
![]() |
| SGS Canada Inc. |
| Technical Report – Grota do Cirilo Lithium Project – Araçuai and Itinga Regions, Minas Gerais, Brazil |

Figure 16‑24: Drill hole locations and potentiometric map of the Barreiro area
The interpretation of the water level survey data in the drillholes is preliminary and shows an underground watershed divided in the central area of the rock massif, with SW flows to the Piaui Creek basin and NE flow to the opposite side.
|
16.2.2.7.2 |
Water Circulation Potential |
Three geotechnical drill holes were drilled into the proposed Barreiro pit area (Figure 16-40). The data from these holes, together with geotechnical data logged in other exploration holes were assessed to determine the water circulation potential for the Barreiro pit.
The holes were assessed on two criteria:
|
● |
Zones with RQD below 70 and below the contact zone between the saprolite and fresh rock were selected |
|
● |
Areas with RQD below 70 and above the depth of 180 metres (bottom of the pit) were selected |
The contact between the saprolite and fresh rock was selected as the area with highest potential for water circulation. Table 16-26 shows the drill holes assessed with the contact depths.
![]() |
| SGS Canada Inc. |
| Technical Report – Grota do Cirilo Lithium Project – Araçuai and Itinga Regions, Minas Gerais, Brazil |
Table 16‑21: Depth values of saprolite-fresh rock boundary Barreiro drill holes
|
Hole Id |
Contact Depth (m) |
Litho-Code |
|
GTB-DH-001 |
10.00 |
SAP |
|
GTB-DH-002 |
20.95 |
SAP |
|
GTB-DH-003 |
22.50 |
SAP |
|
DH-BAR-09 |
7.15 |
SAP |
|
DH-BAR-13 |
21.06 |
SAP |
|
DH-BAR-18 |
5.75 |
SAP |
|
DH-BAR-26 |
21.05 |
SAP |
|
DH-BAR-30 |
9.75 |
SAP |
|
DH-BAR-31 |
16.27 |
SAP |
|
DH-BAR-33 |
7.91 |
SAP |
|
DH-BAR-37 |
5.36 |
SAP |
|
DH-BAR-40 |
1.98 |
SUN |
|
DH-BAR-41 |
21.24 |
SAP |
|
DH-BAR-43 |
16.41 |
SAP |
|
DH-BAR-45 |
11.78 |
SAP |
|
DH-BAR-47 |
8.07 |
SAP |
|
DH-BAR-50 |
5.69 |
SAP |
|
DH-BAR-52 |
21.45 |
SAP |
|
DH-BAR-54 |
27.66 |
SAP |
|
DH-BAR-75 |
14.92 |
SAP |
|
DH-BAR-76 |
5.85 |
SAP |
|
DH-BAR-84 |
7.95 |
SAP |
|
DH-BAR-99 |
15.20 |
SAP |
![]() |
| SGS Canada Inc. |
| Technical Report – Grota do Cirilo Lithium Project – Araçuai and Itinga Regions, Minas Gerais, Brazil |

Figure 16‑25: Barreiro geotechnical drill hole locations
|
16.2.2.7.3 |
Climatological and Hydrological Assessment |
Broadly speaking, the area of Brazil where the Grota do Cirilo project is located is within the tropical savannah climate (Aw – drier winter) under the Köppen Climatic Classification system. Locally, however, the climate in Itinga and Araçuaí is characterized as hot semi-arid (BSh) under the same classification system.
The annual rainfall total for the study region is 707 mm, distributed irregularly throughout the year, with distinct dry and wet seasons and a monthly average of 59 mm. The wettest months occur between October and March. April and September are considered transitional months between the two regimes and are typically marked by the onset of the dry season in the region.
However, due to atmospheric dynamics and external factors, both the dry and wet seasons may present intra- and interannual variations.
Rainfall distribution during the November–December–January quarter represents the peak of the wet season, with a total precipitation of 412 mm. In contrast, during the June–July–August quarter, precipitation is significantly lower—around 12 mm in total—due to weak convective activity, as the region is influenced by the South Atlantic Anticyclone, resulting in a well-defined dry period. Table 16-27 shows the average climatic data for Aracuai between 1981 and 2010.
![]() |
| SGS Canada Inc. |
| Technical Report – Grota do Cirilo Lithium Project – Araçuai and Itinga Regions, Minas Gerais, Brazil |
Table 16‑22: Average climatic data for Araçuaí (1981-2010)

The estimates of monthly average precipitation was used in the development of the studies of water balance of the Barreiro pit and estimation of the expected water volumes from the surface runoff for pumping system design.
The analysis of the mining plan and results of the mathematical modeling in permanent groundwater regime and the hydrological analysis above allowed the conception design of the drainage system of the Barreiro pit.
|
16.2.2.7.4 |
Hydrogeology Conclusions |
|
● |
Hydrogeological studies took place in 2022 |
|
● |
The model of the circulation and interaction of water is similar from what was obtained in the studies of the Xuxa deposit |
|
● |
The major difference between the Xuxa rock mass and the Barreiro rock mass is that the pegmatite at Xuxa is parallel to the schist foliation while the pegmatite at Barreiro crosscuts foliation. This cross-cutting feature can affect the level of fracturing, the depth of the alteration or even a separation of aquifers |
|
● |
Operational problems caused by groundwater interference are not expected |
|
● |
During the field study, no water springs related to any lithology were found. All secondary drainages were dry. |
|
16.3 |
BARREIRO MINE SEQUENCING |
In order to define the annual production plan, the following criteria were applied:
|
● |
Feed rate 1.80 Mtpa. |
|
● |
Li2O feed grade: 1.40%. |
|
● |
3.0% dilution rate. |
![]() |
| SGS Canada Inc. |
| Technical Report – Grota do Cirilo Lithium Project – Araçuai and Itinga Regions, Minas Gerais, Brazil |
|
● |
Mining recovery: 95%. |
|
● |
Fines losses: 15%. |
|
● |
DMS metallurgical recovery: 60.0%. |
|
● |
Concentrate grade (Li2O): 6%. |
|
● |
Product mass recovery |
This study consisted of sequencing production, the definition of waste and ore, and the mining sequence of the waste rock blocks, in addition to the evolution of pit geometries throughout the mine life.
For the production development, the areas to be mined annually were established, generating operational plans for years 1 to 12.
Operational sequencing results can be found in Figure 16-41 to Figure 16-48 and Table 16-28.
![]() |
| SGS Canada Inc. |
| Technical Report – Grota do Cirilo Lithium Project – Araçuai and Itinga Regions, Minas Gerais, Brazil |
Table 16‑23: Barreiro Designed Mine Sequence
|
YEAR |
Classification |
Tonnes |
Grade LI2O |
WASTE |
Intermediate Stripping |
Total Waste |
Strip Ratio* |
Strip Ratio Total |
Total Mov. |
|
1 |
Proven |
1.68 |
1.33 |
18.00 |
- |
18.00 |
9.93 |
9.93 |
19.82 |
|
Probable |
0.14 |
0.84 |
|||||||
|
Total |
1.81 |
1.30 |
|||||||
|
2 |
Proven |
1.50 |
1.36 |
18.02 |
- |
18.02 |
9.83 |
9.83 |
19.86 |
|
Probable |
0.33 |
1.10 |
|||||||
|
Total |
1.83 |
1.31 |
|||||||
|
3 |
Proven |
1.70 |
1.43 |
18.59 |
- |
18.59 |
10.08 |
10.08 |
20.43 |
|
Probable |
0.14 |
1.46 |
|||||||
|
Total |
1.84 |
1.43 |
|||||||
|
4 |
Proven |
1.70 |
1.41 |
17.91 |
23.81 |
41.72 |
9.88 |
23.02 |
43.53 |
|
Probable |
0.11 |
0.89 |
|||||||
|
Total |
1.81 |
1.38 |
|||||||
|
5 |
Proven |
1.78 |
1.39 |
16.47 |
21.02 |
37.48 |
9.10 |
20.72 |
39.29 |
|
Probable |
0.03 |
0.98 |
|||||||
|
Total |
1.81 |
1.39 |
|||||||
|
6 |
Proven |
1.67 |
1.41 |
17.85 |
21.81 |
39.66 |
9.89 |
21.96 |
41.46 |
|
Probable |
0.14 |
1.20 |
|||||||
|
Total |
1.81 |
1.39 |
|||||||
|
7 - 10 |
Proven |
5.73 |
1.36 |
84.67 |
- |
84.67 |
11.57 |
11.57 |
91.99 |
|
Probable |
1.58 |
1.26 |
|||||||
|
Total |
7.32 |
1.34 |
|||||||
|
11 - 12 |
Proven |
1.16 |
1.38 |
13.22 |
- |
13.22 |
3.75 |
3.75 |
16.75 |
|
Probable |
2.37 |
1.38 |
|||||||
|
Total |
3.53 |
1.38 |
|||||||
|
Total |
Proven |
16.93 |
1.38 |
204.73 |
66.63 |
271.37 |
9.41 |
12.47 |
293.13 |
|
Probable |
4.83 |
1.29 |
|||||||
|
Total |
21.76 |
1.36 |
![]() |
| SGS Canada Inc. |
| Technical Report – Grota do Cirilo Lithium Project – Araçuai and Itinga Regions, Minas Gerais, Brazil |

Figure 16‑26: Barreiro Pit Year 1

Figure 16‑27: Barreiro Pit Year 2
![]() |
| SGS Canada Inc. |
| Technical Report – Grota do Cirilo Lithium Project – Araçuai and Itinga Regions, Minas Gerais, Brazil |

Figure 16‑28: Barreiro Pit Year 3

Figure 16‑29: Barreiro Pit Year 4
![]() |
| SGS Canada Inc. |
| Technical Report – Grota do Cirilo Lithium Project – Araçuai and Itinga Regions, Minas Gerais, Brazil |

Figure 16‑30: Barreiro Pit Year 5

Figure 16‑31: Barreiro Pit Year 6
![]() |
| SGS Canada Inc. |
| Technical Report – Grota do Cirilo Lithium Project – Araçuai and Itinga Regions, Minas Gerais, Brazil |

Figure 16‑32: Barreiro Pit Year 10

Figure 16‑33: Barreiro Pit Year 12
![]() |
| SGS Canada Inc. |
| Technical Report – Grota do Cirilo Lithium Project – Araçuai and Itinga Regions, Minas Gerais, Brazil |
|
16.4 |
BARREIRO MINE FLEET |
At the Barreiro deposit, the mining operations will be carried out by a third-party contractor, with proven experience with similar sized operations in Brazil. In order to select the mining operations contractor, operational work technical specifications were compiled and forwarded to the companies for technical and commercial proposals. After selecting the company and signing a contract, the work of mobilization and construction of the construction site will begin immediately.
The run of mine (ROM) ore will be drilled, blasted, loaded and transported by trucks to the ROM pad. The ore will be loaded by a wheel loader and fed into the primary crusher. The oversize material, >1000 mm, will be fragmented by a rockbreaker installed in the crusher protection grate. A minimum ore stockpile of around 30,000 t will be kept in the ROM yard, with the aim of stabilizing the supply of feed to the plant when the mine production rate decreases or stops. This also helps to maintain the mine's ore production rate should the primary crusher have unscheduled production stops.
Ore below the cut-off grade will be blasted, loaded, and transported to specifically delimited discharge points within the waste disposal pile.
The main mining activities will be:
|
■ |
Digging or rock blasting of ore and waste |
|
■ |
Excavation, loading and transport of ore and waste |
|
■ |
Disposal of ore in the ROM yard and waste in the waste dump |
|
■ |
Construction and maintenance of all internal accesses to the pit(s) and the waste dumps |
|
■ |
Maintenance of the floor, drainage, coating and signaling of all access roads used in the operation |
|
■ |
Implementation and maintenance of the mine's surface drainage systems at access points to the mining operation, waste deposit, ore yard and other areas linked to mining operations |
|
■ |
Execution of mine infrastructure services, such as: construction and maintenance of accesses to the mining areas, crusher, waste dump, workshops and offices, mine drainage services, access signaling, mine dewatering, etc. |
|
■ |
Feeding the primary crusher at an average rate of 320 t/hr, per wheel loader |
|
■ |
Build and maintain the operation support facilities (offices, workshops, cafeteria, living quarters, warehouses, changing rooms, bathrooms, septic tanks, environmental, health and safety emergency (HSE), explosive magazine, electrical and hydraulic installations and others, in strict accordance with the Brazilian environmental standards and labour laws. |
|
16.4.1 |
Equipment |
For the execution of mining activities, the equipment used must be in full working order, always observing the technical standards necessary for the services to be carried out safely. The equipment must comply with the respective Maintenance and Inspection Plans, as well as carrying out scheduled shutdowns for preventive and predictive maintenance. The proposed equipment to be used in the Mine will have high operational reliability and provide comfort and safety to operators.
![]() |
| SGS Canada Inc. |
| Technical Report – Grota do Cirilo Lithium Project – Araçuai and Itinga Regions, Minas Gerais, Brazil |
Table 16-29 shows the main list of equipment to be used at Barreiro, while Table 16-30 shows the designed production of ore and waste and the percentage of material to be blasted.
![]() |
| SGS Canada Inc. |
| Technical Report – Grota do Cirilo Lithium Project – Araçuai and Itinga Regions, Minas Gerais, Brazil |
Table 16‑24: Barreiro Schedule of Primary Mining Equipment
|
Mining Fleet |
Year |
|||||||||||
|
1 |
2 |
3 |
4 |
5 |
6 |
7 |
8 |
9 |
10 |
11 |
12 |
|
|
Hydraulic Excavator |
7 |
7 |
7 |
7 |
6 |
7 |
8 |
8 |
8 |
8 |
3 |
3 |
|
Haul Truck |
40 |
40 |
43 |
45 |
43 |
52 |
58 |
58 |
58 |
58 |
26 |
25 |
|
Drilling Machine |
9 |
9 |
9 |
9 |
8 |
9 |
10 |
10 |
10 |
10 |
4 |
4 |
|
Wheel Loader |
1 |
1 |
1 |
1 |
1 |
1 |
1 |
1 |
1 |
1 |
1 |
1 |
|
Bulldozer CAT D8 T - Caterpillar |
4 |
4 |
4 |
4 |
3 |
4 |
4 |
4 |
4 |
4 |
2 |
2 |
|
Bulldozer CAT D6 T - Caterpillar |
4 |
4 |
4 |
4 |
3 |
4 |
4 |
4 |
4 |
4 |
2 |
2 |
|
Grader - Komatsu |
2 |
2 |
2 |
2 |
2 |
2 |
3 |
3 |
3 |
3 |
1 |
1 |
|
Operation Support Truck - Scania |
2 |
2 |
2 |
2 |
2 |
2 |
3 |
3 |
3 |
3 |
1 |
1 |
|
Water Truck (20.000 l) - Mercedes |
4 |
4 |
4 |
4 |
3 |
4 |
4 |
4 |
4 |
4 |
2 |
2 |
|
Backhoe Excavator - JVC |
2 |
2 |
2 |
2 |
2 |
2 |
2 |
2 |
2 |
2 |
2 |
2 |
|
Hydraulic Hammer - Komatsu |
2 |
2 |
2 |
2 |
2 |
2 |
3 |
3 |
3 |
3 |
1 |
1 |
|
Forklift - Hyster |
2 |
2 |
2 |
2 |
2 |
2 |
3 |
3 |
3 |
3 |
1 |
1 |
|
Blasting Support Truck - Scania |
2 |
2 |
2 |
2 |
2 |
2 |
3 |
3 |
3 |
3 |
1 |
1 |
|
Fuel and Lube Truck - Mercedes |
2 |
2 |
2 |
2 |
2 |
2 |
3 |
3 |
3 |
3 |
1 |
1 |
|
Maintenance Support Truck - Crane Mercedes |
2 |
2 |
2 |
2 |
2 |
2 |
3 |
3 |
3 |
3 |
1 |
1 |
|
Crane (30 t of capacity) - SANYI |
1 |
1 |
1 |
1 |
1 |
1 |
1 |
1 |
1 |
1 |
1 |
1 |
|
Portable Lightning Tower - Pramac |
7 |
7 |
7 |
7 |
6 |
7 |
8 |
8 |
8 |
8 |
3 |
3 |
|
Light Vehicle - Mitsubish |
7 |
7 |
7 |
7 |
6 |
7 |
8 |
8 |
8 |
8 |
3 |
3 |
|
Total |
100 |
100 |
103 |
105 |
96 |
112 |
129 |
129 |
129 |
129 |
56 |
55 |
![]() |
| SGS Canada Inc. |
| Technical Report – Grota do Cirilo Lithium Project – Araçuai and Itinga Regions, Minas Gerais, Brazil |
Table 16‑25: Ore and Waste Production and percentage of material to be blasted Barreiro Pit
|
Production / Year |
1 |
2 |
3 |
4 |
5 |
6 |
7 |
8 |
9 |
10 |
11 |
12 |
Total |
|
Total ROM x 1.000 t - Wet Basis |
1 909 |
1 931 |
1 941 |
1 908 |
1 904 |
1 901 |
1 925 |
1 925 |
1 925 |
1 925 |
1 895 |
1 819 |
22 908 |
|
ROM to Stock |
1 909 |
1 931 |
1 941 |
1 908 |
1 904 |
1 901 |
1 925 |
1 925 |
1 925 |
1 925 |
1 895 |
1 819 |
22 908 |
|
ROM - Stock to Plant |
1 909 |
1 931 |
1 941 |
1 908 |
1 904 |
1 901 |
1 925 |
1 925 |
1 925 |
1 925 |
1 895 |
1 819 |
22 908 |
|
Total Waste x 1.000 t - Wet Basis |
18 953 |
18 973 |
19 564 |
43 913 |
39 458 |
41 744 |
22 282 |
22 282 |
22 282 |
22 282 |
6 958 |
6 958 |
285 649 |
|
Waste |
18 953 |
18 973 |
19 564 |
18 851 |
17 332 |
18 791 |
22 282 |
22 282 |
22 282 |
22 282 |
6 958 |
6 958 |
215 509 |
|
Waste - Pushback |
25 061 |
22 126 |
22 953 |
70 140 |
|||||||||
|
Hard Ore o be blasted x 1.000 t |
1 909 |
1 931 |
1 941 |
1 908 |
1 904 |
1 901 |
1 925 |
1 925 |
1 925 |
1 925 |
1 895 |
1 819 |
22 908 |
|
Hard Waste to be blasted x 1.000 t |
14 290 |
14 973 |
16 473 |
37 361 |
33 918 |
35 516 |
19 154 |
19 742 |
19 742 |
19 742 |
6 165 |
6 165 |
243 241 |
|
Total to be blasted |
16 200 |
16 904 |
18 414 |
39 269 |
35 822 |
37 417 |
21 079 |
21 667 |
21 667 |
21 667 |
8 060 |
7 984 |
266 149 |
|
% Hard ROM |
100% |
100% |
100% |
100% |
100% |
100% |
100% |
100% |
100% |
100% |
100% |
100% |
100% |
|
% Hard Waste |
75% |
79% |
84% |
85% |
86% |
85% |
86% |
89% |
89% |
89% |
89% |
89% |
85% |
|
Stripping Ratio (t/t) |
9.93 |
9.83 |
10.08 |
9.88 |
9.10 |
9.89 |
11.57 |
11.57 |
11.57 |
11.57 |
3.67 |
3.83 |
9.41 |
|
Stripping Ratio Pushback Waste (t/t) |
13.14 |
11.62 |
12.08 |
3.06 |
|||||||||
|
Stripping Ratio General (t/t) |
9.93 |
9.83 |
10.08 |
23.02 |
20.72 |
21.96 |
11.57 |
11.57 |
11.57 |
11.57 |
3.67 |
3.83 |
12.47 |
|
Total Earthmoving x 1,000 t |
20 862 |
20 904 |
21 505 |
45 820 |
41 362 |
43 645 |
24 207 |
24 207 |
24 207 |
24 207 |
8 853 |
8 777 |
308 557 |
![]() |
| SGS Canada Inc. |
| Technical Report – Grota do Cirilo Lithium Project – Araçuai and Itinga Regions, Minas Gerais, Brazil |
|
16.4.2 |
Operations |
Mining will commence after the removal and storage of topsoil and waste overburden material. Small excavators will be used initially for drainage work, digging trenches, minor material removal and material disposal. An excavator with a bucket capacity of 4.4 m3 has been selected for digging and loading. For transport, road trucks (8X4) with a capacity of 40 t are planned.
|
16.4.2.1 |
Loading, Transporting and Unloading |
The ore and waste will be blasted, loaded by excavators, transported by trucks with a capacity of 40 t and unloaded on the ROM pad and waste dump respectively. If necessary, a hydraulic rockbreaker will be used to break rock larger than the opening of the crusher's fixed protection grid.
The process plant will be fed at an average rate of 320 t/hr, 24 hours per day, 7 days per week.
It is estimated that 100% of the ore, 85% of the waste must be blasted using explosives.
As an initial premise, a drilling diameter of 4.5 inches was adopted for ore with 5-metre-high benches and 4.5 inches for waste in 10-metre-high benches.
A careful analysis of the characteristics of the Barreiro Mine was performed to determine the most appropriate drilling equipment, as shown in Table 16-31.
Table 16‑26: Drilling Equipment for Barreiro Pit
|
Brand |
Model |
Diameter |
Type |
|
|
mm |
inch |
|||
|
Atlas Copco |
F9/T45 |
102 to 140 |
4.5 |
Production |
The drilling operation will be supported by a bulldozer and/or hydraulic excavator to carry out cleaning activities in the drilling areas, construction of access points to the drilling area, as well as the use of a hydraulic hammer coupled to the hydraulic excavator for rock handling in the operational area.
The rock blasting work comprises primary and secondary blasting and a hydraulic hammer will be used as required.
|
16.4.3 |
Explosives Supply |
The provision of explosives and the execution of blasting services will be carried out by a subcontractor specializing in blasting, under the guidance of Sigma.
For the Barreiro Mine, where appropriate, pumped explosives, stemming and non-electrical accessories will be used.
During the mine operation, the daily blasting plans will be prepared by Sigma´s technical team and the results will be evaluated, and any necessary adjustments made to improve blasting effectiveness.
![]() |
| SGS Canada Inc. |
| Technical Report – Grota do Cirilo Lithium Project – Araçuai and Itinga Regions, Minas Gerais, Brazil |
|
16.4.4 |
Explosives Magazine and Accessories |
The explosive magazines will be supplied and built by the company contracted to perform the mining activities. This company will supply and maintain a remote security system, following the guidelines of ORDINANCE No. 147 - COLOG, of November 21, 2019, which provides the administrative procedures for the use and storage of explosives and accessories, as well as ORDINANCE No. 56 - COLOG, of June 5, 2017, which provides the administrative procedures related to registration with the army for the use and storage of army-controlled products (PCE).
Area security will be established through compliance with the minimum distances from the storage location to inhabited areas, railways, or highways, according to distances established in the regulation for the Inspection of Controlled Products (R-105). To this end, the plan for transporting, handling and storage of explosives and explosive accessories will be reviewed by Sigma management so that all conditions are fully complied.
The security of products controlled by the army (PCE) will be guaranteed through the adoption of measures against deviations, loss, theft, and theft against obtaining knowledge about activities with PCE, in order to avoid their use in the practice of illicit acts. These measures will be included in the Security Plan.
Access control will be carried out electronically, 24 hours a day, covering storage and access areas. For this, cameras connected to a remote base will be used and monitored online.
The facilities will undergo regular internal inspection to ensure the integrity of the active and passive protection systems. In the case of accidents of any nature, the Security Plan will determine the procedures related to the simultaneous activation of the competent public security bodies, including military and civil police, army and fire department.
Contingency measures will be adopted in the event of accidents or detection of illegal practices with explosives, including information to the inspection of army-controlled products (PCE). In these situations, quick and safe activation of the monitoring center and competent authorities listed in the Security Plan will be adopted.
For the storage of explosive and blasting accessories, a Rustic Mobile Storage container, installed in accordance with Technical-Administrative Instruction No. 18/99-DFPC, is planned as shown in Figure 16-49. This structure consists of a box truck or adapted container located in a fenced and monitored area, under the same security and monitoring conditions applied to the explosive magazine as shown in, Figure 16-50.
![]() |
| SGS Canada Inc. |
|
Technical Report – Grota do Cirilo Lithium Project – Araçuai and Itinga Regions, Minas Gerais, Brazil |

Figure 16‑34: Explosives Magazines in Container

Figure 16‑35: Example of Ammonium Nitrate Emulsion Storage Structure
|
16.4.5 |
Fleet Monitoring System |
The fleet monitoring system (dispatch) to the Barreiro mine will be carried out through an electronic system that allows the monitoring and management of the mine's operation in real time. SMSA will work with solutions that allow for the monitoring, management, and optimization of the truck fleet. Using the most advanced hardware, the software monitors and manages each piece of equipment at all stages of the mining production cycle. The software uses algorithms that provide solutions to maximizing productivity and reduce operating costs.
![]() |
| SGS Canada Inc. |
| Technical Report – Grota do Cirilo Lithium Project – Araçuai and Itinga Regions, Minas Gerais, Brazil |
A monitoring device is installed in each piece of equipment (excavator and truck) that is responsible for sending various information to control centre, including: location, status of equipment, etc. A communication network will be established between the monitoring equipment, antennas, and the control centre, this enables the monitoring of the entire mine fleet, operations and production with a high level of detail.
|
16.4.6 |
Work Shifts |
The mine workforce teams will work in various shift schedules. The administrative group will work 9 hours a day from Monday to Friday, with 1 hour off for a meal, and 4 hours on Saturday mornings. The operational team will work 7 days a week, 24 hours a day, in a 6x2 shift scheme, where the employees work 6 days consecutively, for 9 hours per shift, and then have 2 days off. This method of shift work provides uninterrupted work and is in accordance with Brazilian labour legislation. The explosives supplier will work 5 days per week, taking Saturdays and Sundays off.
|
16.4.7 |
Labour Mining |
SMSA is committed to prioritizing the hiring of local labour.
Table 16-32 lists the expected annual labour requirements for the 12 years of mine life; these expectations will be adjusted as required during the mining operation.
![]() |
| SGS Canada Inc. |
|
Technical Report – Grota do Cirilo Lithium Project – Araçuai and Itinga Regions, Minas Gerais, Brazil |
Table 16‑27: Barreiro Staffing Schedule
|
Position |
Shift |
Nº Teams |
Year |
|||||||||||
|
Operation Team |
1 |
2 |
3 |
4 |
5 |
6 |
7 |
8 |
9 |
10 |
11 |
12 |
||
|
General Manager |
1 |
1 |
1 |
1 |
1 |
1 |
1 |
1 |
1 |
1 |
1 |
1 |
1 |
1 |
|
Mine Operation Manager |
1 |
1 |
1 |
1 |
1 |
1 |
1 |
1 |
1 |
1 |
1 |
1 |
1 |
1 |
|
Maintenance Manager |
1 |
1 |
1 |
1 |
1 |
1 |
1 |
1 |
1 |
1 |
1 |
1 |
1 |
1 |
|
Environmental & Safety Manager |
1 |
1 |
1 |
1 |
1 |
1 |
1 |
1 |
1 |
1 |
1 |
1 |
1 |
1 |
|
Production Coordinator |
1 |
1 |
1 |
1 |
1 |
1 |
1 |
1 |
1 |
1 |
1 |
1 |
1 |
1 |
|
Infrastructure Coordinator |
1 |
1 |
1 |
1 |
1 |
1 |
1 |
1 |
1 |
1 |
1 |
1 |
1 |
1 |
|
Maintenance Coordinator |
1 |
1 |
3 |
3 |
3 |
3 |
3 |
3 |
3 |
3 |
3 |
3 |
3 |
3 |
|
Mining Planning Coordinator |
1 |
1 |
1 |
1 |
1 |
1 |
1 |
1 |
1 |
1 |
1 |
1 |
1 |
1 |
|
Production Supervisor |
3 |
4 |
4 |
4 |
4 |
4 |
4 |
4 |
4 |
4 |
4 |
4 |
4 |
4 |
|
Infrastructure Supervisor |
3 |
4 |
4 |
4 |
4 |
4 |
4 |
4 |
4 |
4 |
4 |
4 |
4 |
4 |
|
Maintenance Supervisor |
1 |
1 |
3 |
3 |
3 |
3 |
3 |
3 |
3 |
3 |
3 |
3 |
3 |
3 |
|
Dispatcher |
3 |
4 |
4 |
4 |
4 |
4 |
4 |
4 |
4 |
4 |
4 |
4 |
4 |
4 |
|
Training & Development Technician |
1 |
1 |
1 |
1 |
1 |
1 |
1 |
1 |
1 |
1 |
1 |
1 |
1 |
1 |
|
Environment & Safety Coordinator |
1 |
1 |
2 |
2 |
2 |
2 |
2 |
2 |
2 |
2 |
2 |
2 |
2 |
2 |
|
Hydrology & Geotechnical Coordinator |
1 |
1 |
2 |
2 |
2 |
2 |
2 |
2 |
2 |
2 |
2 |
2 |
2 |
2 |
|
Junior Geotech Engineer |
1 |
1 |
2 |
2 |
2 |
2 |
2 |
2 |
2 |
2 |
2 |
2 |
2 |
2 |
|
Senior Mine Engineer |
1 |
1 |
2 |
2 |
2 |
2 |
2 |
2 |
2 |
2 |
2 |
2 |
2 |
2 |
|
Mine Planner |
1 |
1 |
2 |
2 |
2 |
2 |
2 |
2 |
2 |
2 |
2 |
2 |
2 |
2 |
|
Mine Field Engineer |
1 |
1 |
1 |
1 |
1 |
1 |
1 |
1 |
1 |
1 |
1 |
1 |
1 |
1 |
|
Drill & Blast Engineer |
1 |
1 |
1 |
1 |
1 |
1 |
1 |
1 |
1 |
1 |
1 |
1 |
1 |
1 |
|
Surveyor |
1 |
1 |
2 |
2 |
2 |
2 |
2 |
2 |
2 |
2 |
2 |
2 |
2 |
2 |
|
Assistant Surveyor |
1 |
1 |
4 |
4 |
4 |
4 |
4 |
4 |
4 |
4 |
4 |
4 |
4 |
4 |
|
Senior Geologist |
1 |
1 |
2 |
2 |
2 |
2 |
2 |
2 |
2 |
2 |
2 |
2 |
2 |
2 |
|
Geologist |
1 |
1 |
2 |
2 |
2 |
2 |
2 |
2 |
2 |
2 |
2 |
2 |
2 |
2 |
|
Shift Coordinator Quality |
3 |
4 |
4 |
4 |
4 |
4 |
4 |
4 |
4 |
4 |
4 |
4 |
4 |
4 |
|
Ore Sampler |
3 |
4 |
8 |
8 |
8 |
8 |
8 |
8 |
8 |
8 |
8 |
8 |
8 |
8 |
|
Senior Maintenance Engineer |
1 |
1 |
1 |
1 |
1 |
1 |
1 |
1 |
1 |
1 |
1 |
1 |
1 |
1 |
|
Junior Maintenance Engineer |
1 |
1 |
3 |
3 |
3 |
3 |
3 |
3 |
3 |
3 |
3 |
3 |
3 |
3 |
|
Maintenance Senior Technician |
1 |
1 |
4 |
4 |
4 |
4 |
4 |
4 |
4 |
4 |
4 |
4 |
4 |
4 |
|
Field Inspector |
1 |
1 |
2 |
2 |
2 |
2 |
2 |
2 |
2 |
2 |
2 |
2 |
2 |
2 |
|
Part Coordinator |
1 |
1 |
2 |
2 |
2 |
2 |
2 |
2 |
2 |
2 |
2 |
2 |
2 |
2 |
|
Contract Coordinator |
1 |
1 |
2 |
2 |
2 |
2 |
2 |
2 |
2 |
2 |
2 |
2 |
2 |
2 |
|
Sub Total |
74 |
74 |
74 |
74 |
74 |
74 |
74 |
74 |
74 |
74 |
74 |
74 |
||
![]() |
| SGS Canada Inc. |
|
Technical Report – Grota do Cirilo Lithium Project – Araçuai and Itinga Regions, Minas Gerais, Brazil |
|
Operators Team |
||||||||||||||
|
Hydraulic Excavator |
3 |
4 |
28 |
28 |
28 |
28 |
24 |
28 |
32 |
32 |
32 |
32 |
12 |
12 |
|
Haul Truck |
3 |
4 |
131 |
131 |
141 |
148 |
141 |
171 |
190 |
190 |
190 |
190 |
85 |
82 |
|
Drilling Machine |
3 |
4 |
36 |
36 |
36 |
36 |
32 |
36 |
40 |
40 |
40 |
40 |
16 |
16 |
|
Wheel Loader |
3 |
4 |
4 |
4 |
4 |
4 |
4 |
4 |
4 |
4 |
4 |
4 |
4 |
4 |
|
Bulldozer CAT D8 T - Caterpillar |
3 |
4 |
16 |
16 |
16 |
16 |
12 |
16 |
16 |
16 |
16 |
16 |
8 |
8 |
|
Bulldozer CAT D6 T - Caterpillar |
3 |
4 |
16 |
16 |
16 |
16 |
12 |
16 |
16 |
16 |
16 |
16 |
8 |
8 |
|
Grader - Komatsu |
3 |
4 |
8 |
8 |
8 |
8 |
8 |
8 |
12 |
12 |
12 |
12 |
4 |
4 |
|
Operation Support Truck - Scania |
2 |
2 |
4 |
4 |
4 |
4 |
4 |
4 |
6 |
6 |
6 |
6 |
2 |
2 |
|
Water Truck (20.000 l) - Mercedes |
3 |
4 |
16 |
16 |
16 |
16 |
12 |
16 |
16 |
16 |
16 |
16 |
8 |
8 |
|
Backhoe Excavator - JVC |
1 |
1 |
2 |
2 |
2 |
2 |
2 |
2 |
2 |
2 |
2 |
2 |
2 |
2 |
|
Hydraulic Hammer - Komatsu |
1 |
1 |
2 |
2 |
2 |
2 |
2 |
2 |
3 |
3 |
3 |
3 |
1 |
1 |
|
Fork Lift - Hyster |
1 |
1 |
2 |
2 |
2 |
2 |
2 |
2 |
3 |
3 |
3 |
3 |
1 |
1 |
|
Blasting Support Truck - Scania |
1 |
1 |
2 |
2 |
2 |
2 |
2 |
2 |
3 |
3 |
3 |
3 |
1 |
1 |
|
Fuel and Lube Truck - Mercedes |
2 |
2 |
4 |
4 |
4 |
4 |
4 |
4 |
6 |
6 |
6 |
6 |
2 |
2 |
|
Maintenance Support Truck Crane Mercedes |
2 |
2 |
4 |
4 |
4 |
4 |
4 |
4 |
6 |
6 |
6 |
6 |
2 |
2 |
|
Crane (30 t of capacity) - SANYI |
1 |
1 |
1 |
1 |
1 |
1 |
1 |
1 |
1 |
1 |
1 |
1 |
1 |
1 |
|
Detonation operator |
1 |
2 |
12 |
12 |
12 |
12 |
12 |
12 |
12 |
12 |
12 |
12 |
12 |
12 |
|
Team in Holidays |
1 |
1 |
26 |
26 |
27 |
28 |
25 |
30 |
33 |
33 |
33 |
33 |
15 |
15 |
|
Sub Total Operation |
314 |
314 |
325 |
332 |
303 |
357 |
402 |
402 |
402 |
402 |
185 |
181 |
||
|
Maintenance team |
||||||||||||||
|
Mechanical Technician |
3 |
4 |
29 |
29 |
30 |
30 |
28 |
33 |
38 |
38 |
38 |
38 |
17 |
16 |
|
Electrical Technician |
3 |
4 |
6 |
6 |
6 |
6 |
6 |
7 |
8 |
8 |
8 |
8 |
3 |
3 |
|
Welding Technician |
2 |
2 |
6 |
6 |
6 |
6 |
6 |
7 |
8 |
8 |
8 |
8 |
3 |
3 |
|
Fueling / Lube |
3 |
4 |
14 |
14 |
14 |
15 |
13 |
16 |
18 |
18 |
18 |
18 |
8 |
8 |
|
Tyre Repair |
2 |
2 |
4 |
4 |
4 |
5 |
4 |
5 |
6 |
6 |
6 |
6 |
3 |
2 |
|
Maintenance Assistant |
1 |
1 |
4 |
4 |
4 |
5 |
4 |
5 |
6 |
6 |
6 |
6 |
3 |
2 |
|
Management and Maintenance Control |
1 |
1 |
4 |
4 |
4 |
5 |
4 |
5 |
6 |
6 |
6 |
6 |
3 |
2 |
|
Team in Holidays |
6 |
6 |
6 |
6 |
6 |
7 |
8 |
8 |
8 |
8 |
4 |
3 |
||
|
Sub total Maintenance |
73 |
73 |
75 |
77 |
71 |
83 |
96 |
96 |
96 |
96 |
42 |
42 |
||
|
Total General |
461 |
461 |
475 |
483 |
448 |
514 |
571 |
571 |
571 |
571 |
301 |
297 |
![]() |
| SGS Canada Inc. |
|
Technical Report – Grota do Cirilo Lithium Project – Araçuai and Itinga Regions, Minas Gerais, Brazil |
|
16.4.8 |
Labour and Equipment |
For the mobilization of technical and operational personnel, priority will be given to local people and those living near to Araçuaí & Itinga Municipalities, and the following criteria:
|
● |
Recruitment |
|
|
● |
Selection |
|
|
● |
Conducting admission exams |
|
|
● |
SMSA integration |
|
|
● |
Introductory equipment/vehicle training |
|
|
● |
Initiation into assisted operation |
|
|
● |
Final aptitude test |
|
16.4.9 |
Site Construction |
The site construction shall consist of:
|
● |
Mine Office |
|
|
● |
Meeting room |
|
|
● |
Control room |
|
|
● |
Auditorium |
|
|
● |
Cafeteria |
|
|
● |
Changing rooms |
|
|
● |
First aid post |
|
|
● |
Warehouse |
|
|
● |
Workshop |
|
|
● |
Washing ramp |
|
|
● |
Oil and grease storage area |
|
|
● |
Fuel storage area |
|
|
● |
Recreation area |
|
|
● |
Explosive magazine |
The total area of infrastructure will be approximately 1,390 m², and the total area that the buildings will occupy is approximately 1.5 hectares.
All built-up areas will have waterproof flooring, so that there is no risk of soil contamination from the operations, especially in the workshop and washing ramp. The runoff from the roofs will be drained into the gutters to supply the cistern, which will be used at the washing ramp. After using the water in the washing ramp, the water will be sent to the effluent treatment station, which starts in the decanter, followed by the oil and grease separator box with capacity of 20 m³/day.
The water and oil separator system must operate at a flow rate of 20 m³/day, which complies with the ABNT NBR 14605 standard and the ASTM D 6104/03 international standard. The analysis standards to verify the efficiency and quality of the water must follow the CONAMA Resolution No. 357/2005 for the parameters of oils and greases. After treatment the water will be pumped back to the process water tank.
![]() |
| SGS Canada Inc. |
|
Technical Report – Grota do Cirilo Lithium Project – Araçuai and Itinga Regions, Minas Gerais, Brazil |
|
16.4.10 |
Wastewater Treatment |
Step 1: The effluent from the drains (channels) from the workshop, washing ramp and oil deposit, oil and grease separator stage, will be drained to the decanter where it will undergo the first sedimentation process. The process consists of separating solid particles from water by the action of gravity. The flow velocity of the liquid is reduced, favoring the sedimentation of these particles. The water enters the next step, which further separates the suspended solids. The solids from the first process are deposited at the bottom of the decanter, where they will be periodically removed.
Step 2: In the module for separation of solids (MSS) the solids coming from the water used to wash the equipment are separated by the process of gravity and sedimentation of the particles. This process removes the remaining particulate matter suspended in the fluid, allowing oil and water to flow to the next stage, avoiding the silting of the remaining procedure. Solids will be removed and stored in an appropriate place.
Step 3: The water and oil separator box (WOSB) receive all the effluent from the MSS process. This system has, among others, two basic constituents: water and oil. The process of separating water and oil occurs by density difference. The clean water will be released into the rainwater drainage network. Periodically (biannually) samples will be collected at the final outlet, the third box of the water and oil separation system, so that the efficiency of the system and the quality of the effluent is known.
Step 4: The supernatant oil goes to the oil collection reservoir (OCR) to be removed and sent for recycling. Used oils will be sent to a certified and approved company, with the relevant documentation and authorization, in accordance with the applicable legal requirements. Likewise, tailings will be monitored, in relation to quantity and classification, and recorded in the waste inventory worksheet of the Sigma integrated management system.
Step 5: Contaminated oil and grease residues (Class I) must be packed in properly identified drums and sent to an appropriate collection company. This waste output will be registered by Sigma by filling out the waste transport manifest (MTR), according to the waste management procedure.
Figure 16-51 shows a schematic of the model to be built for the water treatment of effluent from the washing ramp and the modules of the water and oil separator box.
![]() |
| SGS Canada Inc. |
|
Technical Report – Grota do Cirilo Lithium Project – Araçuai and Itinga Regions, Minas Gerais, Brazil |

Figure 16‑36: Schematic of Wash Ramp Oil-Water Separator
|
16.4.11 |
Solid Waste Management |
To meet the demand for internal solid waste generation, Sigma will have a waste deposit located next to the oil storage structure, physically separated in accordance with safety standards, such as physical divisions, roof, waterproofed floor, channels, and drains. Next to this will be located waste disposal bays for items such as plastic, paper/cardboard, metals, glass, and contaminated waste (towels, filters, PPE, etc.). Tires must be stored inside the warehouse until they are sent to their final destination off site. Organic waste must be delivered to locations properly prepared to receive this type of material. Figure 16-52 shows the solid waste temporary storage layout.
According to ABNT NBR 10.004 - Waste Classification, waste must be collected, segregated/packaged, and sent to the final destination, to companies licensed by the appropriate environmental agency. Periodically, Sigma will be monitoring their waste generation, and checking the internal waste inventory worksheet, a tool that it uses within the integrated management system.
![]() |
| SGS Canada Inc. |
|
Technical Report – Grota do Cirilo Lithium Project – Araçuai and Itinga Regions, Minas Gerais, Brazil |

Figure 16‑37: Schematic of Solid Waste Temporary Storage Facility
|
16.4.12 |
Site Access |
The construction of site access necessary to start ore mining operations, waste removal, access to the waste dump and marginal ore, auxiliary accesses and others that may be required will be carried out according to the specific project’s requirements.
If necessary, land clearing, including the removal of trees, undergrowth and debris will be performed using a D6T crawler tractor with ripper. The material removed will be loaded with a 35 t excavator and transported with trucks with a capacity of 20 m³.
The leveling of accesses, considering slope and slope for land drainage will be carried out through cutting and filling using a D6T crawler tractor, 35 t and 55 t excavator, 20 m³ trucks, grader and water trucks. Low strength soils will be replaced. Surface drainage and construction of berms will be carried out with a 20 t excavator.
|
16.4.13 |
Road Construction and Maintenance |
The construction and maintenance of site roads will require the following:
|
● |
Initial construction of the roads |
|
● |
Water and storm drainage |
|
● |
Construction of safety berms |
|
● |
Reflective signage |
|
● |
Dust suppression |
|
16.4.14 |
Excavation, Loading, Transport and Soil Treatment |
The excavation stage will start after the removal and storage of the topsoil.
![]() |
| SGS Canada Inc. |
|
Technical Report – Grota do Cirilo Lithium Project – Araçuai and Itinga Regions, Minas Gerais, Brazil |
As the excavation progresses, drainage systems will be installed to avoid the accumulation of rainfall.
It is planned to mobilize a backhoe excavator for drainage services, trench excavation, material disposal and small handling. 70 t excavators will be used according to the volume requirements for large and medium volumes. For transport, 8x4 trucks, with a capacity of 40 t, will be used, allowing for productivity and safety.
|
16.4.15 |
Drilling and Blasting |
The geology and rock types at the Barreiro deposit are crucial for defining drilling and blasting parameters, which relates to mining recovery.
It is important to know the limits of the ore body to minimize dilution and losses. SMSA will have a geologist as part of its technical staff who will work directly with the drilling, blasting, and loading teams. Employees who are directly involved in activities related to optimizing the mining recovery, such as drill operators, drilling assistants, rock blasting team, and excavator operators, will be trained to recognize minerals to avoid deviation from planned mineral boundaries.
As this is a greenfield project, it is foreseeable that SMSA's technical teams will go through a learning period based on the empirical results acquired with operation commencement. Naturally, changes to rock blast parameters and operating methods will be required. Consideration should be given not only to the complexity of the geological formation and the operational challenges resulting from this condition, but also to the context of the environment in which the mine will be located.
Previous studies (pre-blast survey) before the first blasting should be developed to establish the minimum distances between pre-existing structures that will be kept and the blasted benches. As a result, restrictions or opportunities relating to the maximum load per drill hole may be revealed, which may indicate the maximum blasthole diameter, as well as the type of accessories used. These factors, among others, may imply technical and commercial adjustments throughout the life of the mine operation. Table 16-33 and Table 16-34 detail the drilling and blasting for ore and waste respectively.
![]() |
| SGS Canada Inc. |
|
Technical Report – Grota do Cirilo Lithium Project – Araçuai and Itinga Regions, Minas Gerais, Brazil |
Table 16‑28: Barreiro Preliminary Drill and Blast Plan - Ore
|
Drilling and Blasting Rock Parameters |
Year 1 |
Year 2 |
Year 3 |
Year 4 |
Year 5 |
Year 6 |
Year 7 |
Year 8 |
Year 9 |
Year 10 |
Year 11 |
Year 12 |
|
|
Ore |
m³ in situ |
664 713 |
672 269 |
675 768 |
664 215 |
662 877 |
661 666 |
670 242 |
670 242 |
670 242 |
670 242 |
659 649 |
633 277 |
|
Ore |
kt |
1 909 |
1 931 |
1 941 |
1 908 |
1 904 |
1 901 |
1 925 |
1 925 |
1 925 |
1 925 |
1 895 |
1 819 |
|
Average Density |
t/m³ |
2.87 |
2.87 |
2.87 |
2.87 |
2.87 |
2.87 |
2.87 |
2.87 |
2.87 |
2.87 |
2.87 |
2.87 |
|
Hole Diameter |
inch |
4.5 |
4.5 |
4.5 |
4.5 |
4.5 |
4.5 |
4.5 |
4.5 |
4.5 |
4.5 |
4.5 |
4.5 |
|
Burden |
m |
2.6 |
2.6 |
2.6 |
2.6 |
2.6 |
2.6 |
2.6 |
2.6 |
2.6 |
2.6 |
2.6 |
2.6 |
|
Spacing |
m |
3.5 |
3.5 |
3.5 |
3.5 |
3.5 |
3.5 |
3.5 |
3.5 |
3.5 |
3.5 |
3.5 |
3.5 |
|
Blast Pattern |
m² |
9.10 |
9.10 |
9.10 |
9.10 |
9.10 |
9.10 |
9.10 |
9.10 |
9.10 |
9.10 |
9.10 |
9.10 |
|
Spacing/Burden |
- |
1.35 |
1.35 |
1.35 |
1.35 |
1.35 |
1.35 |
1.35 |
1.35 |
1.35 |
1.35 |
1.35 |
1.35 |
|
Subdrilling |
m |
0.4 |
0.4 |
0.4 |
0.4 |
0.4 |
0.4 |
0.4 |
0.4 |
0.4 |
0.4 |
0.4 |
0.4 |
|
Bench height |
m |
5 |
5 |
5 |
5 |
5 |
5 |
5 |
5 |
5 |
5 |
5 |
5 |
|
Total Hole Length |
m |
5.40 |
5.40 |
5.40 |
5.40 |
5.40 |
5.40 |
5.40 |
5.40 |
5.40 |
5.40 |
5.40 |
5.40 |
|
Volume per Hole |
m³ |
49.14 |
49.14 |
49.14 |
49.14 |
49.14 |
49.14 |
49.14 |
49.14 |
49.14 |
49.14 |
49.14 |
49.14 |
|
Mass per Hole |
t |
141.15 |
141.15 |
141.15 |
141.15 |
141.15 |
141.15 |
141.15 |
141.15 |
141.15 |
141.15 |
141.15 |
141.15 |
|
m³ Blasted/m Drilled |
m³/m |
9.10 |
9.10 |
9.10 |
9.10 |
9.10 |
9.10 |
9.10 |
9.10 |
9.10 |
9.10 |
9.10 |
9.10 |
|
Specific Drilling |
m/m³ |
0.11 |
0.11 |
0.11 |
0.11 |
0.11 |
0.11 |
0.11 |
0.11 |
0.11 |
0.11 |
0.11 |
0.11 |
|
Specific Drilling |
m/t |
0.038 |
0.038 |
0.038 |
0.038 |
0.038 |
0.038 |
0.038 |
0.038 |
0.038 |
0.038 |
0.038 |
0.038 |
|
Drilled Metres |
m |
73 045 |
73 876 |
74 260 |
72 991 |
72 844 |
72 711 |
73 653 |
73 653 |
73 653 |
73 653 |
72 489 |
69 591 |
|
Necessary Holes |
hole |
13 527 |
13 681 |
13 752 |
13 517 |
13 490 |
13 465 |
13 639 |
13 639 |
13 639 |
13 639 |
13 424 |
12 887 |
|
Explosive Density |
g/cm³ |
1.21 |
1.21 |
1.21 |
1.21 |
1.21 |
1.21 |
1.21 |
1.21 |
1.21 |
1.21 |
1.21 |
1.21 |
|
Linear Load Ratio |
kg/m |
10.79 |
10,79 |
10.79 |
10,79 |
10.79 |
10,79 |
10.79 |
10,79 |
10.79 |
10,79 |
10.79 |
10,79 |
|
Top Stemming |
m |
0.70 |
0.70 |
0.70 |
0.70 |
0.70 |
0.70 |
0.70 |
0.70 |
0.70 |
0.70 |
0.70 |
0.70 |
|
Explosive Column |
m |
4.70 |
4.70 |
4.70 |
4.70 |
4.70 |
4.70 |
4.70 |
4.70 |
4.70 |
4.70 |
4.70 |
4.70 |
|
Load per Hole |
kg |
58.28 |
58.28 |
58.28 |
58.28 |
58.28 |
58.28 |
58.28 |
58.28 |
58.28 |
58.28 |
58.28 |
58.28 |
|
Load Ratio |
kg/m³ |
1.19 |
1.19 |
1.19 |
1.19 |
1.19 |
1.19 |
1.19 |
1.19 |
1.19 |
1.19 |
1.19 |
1.19 |
|
Load Ratio |
kg/t |
0.41 |
0.41 |
0.41 |
0.41 |
0.41 |
0.41 |
0.41 |
0.41 |
0.41 |
0.41 |
0.41 |
0.41 |
![]() |
| SGS Canada Inc. |
|
Technical Report – Grota do Cirilo Lithium Project – Araçuai and Itinga Regions, Minas Gerais, Brazil |
Table 16‑29: Barreiro Preliminary Drill and Blast Plan – Waste
|
Drilling and Blasting Rock Parameters |
Year 1 |
Year 2 |
Year 3 |
Year 4 |
Year 5 |
Year 6 |
Year 7 |
Year 8 |
Year 9 |
Year 10 |
Year 11 |
Year 12 |
|
|
Waste |
m³ in situ |
6 105 838 |
6 397 699 |
7 038 521 |
15 963 267 |
14 492 163 |
15 175 085 |
8 183 867 |
8 435 209 |
8 435 209 |
8 435 209 |
2 634 076 |
2 634 076 |
|
Waste |
kt |
14 290 |
14 973 |
16 473 |
37 361 |
33 918 |
35 516 |
19 154 |
19 742 |
19 742 |
19 742 |
6 165 |
6 165 |
|
Average Density |
t/m³ |
2.34 |
2.34 |
2.34 |
2.34 |
2.34 |
2.34 |
2.34 |
2.34 |
2.34 |
2.34 |
2.34 |
2.34 |
|
Hole Diameter |
inch |
4.5 |
4.5 |
4.5 |
4.5 |
4.5 |
4.5 |
4.5 |
4.5 |
4.5 |
4.5 |
4.5 |
4.5 |
|
Burden |
m |
3.20 |
3.20 |
3.20 |
3.20 |
3.20 |
3.20 |
3.20 |
3.20 |
3.20 |
3.20 |
3.20 |
3.20 |
|
Spacing |
m |
4.0 |
4.0 |
4.0 |
4.0 |
4.0 |
4.0 |
4.0 |
4.0 |
4.0 |
4.0 |
4.0 |
4.0 |
|
Blast Pattern |
m² |
12.80 |
12.80 |
12.80 |
12.80 |
12.80 |
12.80 |
12.80 |
12.80 |
12.80 |
12.80 |
12.80 |
12.80 |
|
Spacing/Burden |
- |
1.25 |
1.25 |
1.25 |
1.25 |
1.25 |
1.25 |
1.25 |
1.25 |
1.25 |
1.25 |
1.25 |
1.25 |
|
Subdrilling |
m |
0.80 |
0.80 |
0.80 |
0.80 |
0.80 |
0.80 |
0.80 |
0.80 |
0.80 |
0.80 |
0.80 |
0.80 |
|
Bench height |
m |
10 |
10 |
10 |
10 |
10 |
10 |
10 |
10 |
10 |
10 |
10 |
10 |
|
Hole Length |
m |
10.80 |
10.80 |
10.80 |
10.80 |
10.80 |
10.80 |
10.80 |
10.80 |
10.80 |
10.80 |
10.80 |
10.80 |
|
Volume per Hole |
m³ |
138.24 |
138.24 |
138.24 |
138.24 |
138.24 |
138.24 |
138.24 |
138.24 |
138.24 |
138.24 |
138.24 |
138.24 |
|
Mass per Hole |
t |
323.54 |
323.54 |
323.54 |
323.54 |
323.54 |
323.54 |
323.54 |
323.54 |
323.54 |
323.54 |
323.54 |
323.54 |
|
m³ Blasted/m Drilled |
m³/m |
12.80 |
12.80 |
12.80 |
12.80 |
12.80 |
12.80 |
12.80 |
12.80 |
12.80 |
12.80 |
12.80 |
12.80 |
|
Specific Drilling |
m/m³ |
0.08 |
0.08 |
0.08 |
0.08 |
0.08 |
0.08 |
0.08 |
0.08 |
0.08 |
0.08 |
0.08 |
0.08 |
|
Specific Drilling |
m/t |
0.033 |
0.033 |
0.033 |
0.033 |
0.033 |
0.033 |
0.033 |
0.033 |
0.033 |
0.033 |
0.033 |
0.033 |
|
Drilled Metres |
m |
477 019 |
499 820 |
549 884 |
1 247 130 |
1 132 200 |
1 185 554 |
639 365 |
659 001 |
659 001 |
659 001 |
205 787 |
205 787 |
|
Necessary Holes |
hole |
44 168 |
46 280 |
50 915 |
115 475 |
104 833 |
109 773 |
59 200 |
61 019 |
61 019 |
61 019 |
19 054 |
19 054 |
|
Explosive Density |
g/cm³ |
1.21 |
1.21 |
1.21 |
1.21 |
1.21 |
1.21 |
1.21 |
1.21 |
1.21 |
1.21 |
1.21 |
1.21 |
|
Linear Load Ratio |
kg/m |
10.79 |
10,79 |
10.79 |
10,79 |
10.79 |
10,79 |
10.79 |
10,79 |
10.79 |
10,79 |
10.79 |
10,79 |
|
Top Stemming |
m |
1.40 |
1.40 |
1.40 |
1.40 |
1.40 |
1.40 |
1.40 |
1.40 |
1.40 |
1.40 |
1.40 |
1.40 |
|
Explosive Column |
m |
9.40 |
9.40 |
9.40 |
9.40 |
9.40 |
9.40 |
9.40 |
9.40 |
9.40 |
9.40 |
9.40 |
9.40 |
|
Load per Hole |
kg |
116.55 |
116.55 |
116.55 |
116.55 |
116.55 |
116.55 |
116.55 |
116.55 |
116.55 |
116.55 |
116.55 |
116.55 |
|
Load Ratio |
kg/m³ |
0.84 |
0.84 |
0.84 |
0.84 |
0.84 |
0.84 |
0.84 |
0.84 |
0.84 |
0.84 |
0.84 |
0.84 |
|
Load Ratio |
kg/t |
0.36 |
0.36 |
0.36 |
0.36 |
0.36 |
0.36 |
0.36 |
0.36 |
0.36 |
0.36 |
0.36 |
0.36 |
![]() |
| SGS Canada Inc. |
|
Technical Report – Grota do Cirilo Lithium Project – Araçuai and Itinga Regions, Minas Gerais, Brazil |
Based upon the rock characteristics and operating parameters, the top hammer drilling method has been chosen as the optimal method. Due to experience with and availability of the equipment, tools, original replacement parts, and technical services, the authors recommend the Atlas Copco equipment listed in Table 16-35.
Table 16‑30: Barreiro Recommended Drill Rig
|
Brand |
Model |
Diameter |
Type |
|
|
mm |
inch |
|||
|
Atlas Copco |
F9/T45 |
102 to 140 |
4.5 to 5.5 |
Production |
Using the parameters established for blasting, it was possible to calculate the number of drills needed to meet the planned production schedule for the Barreiro mine as shown in Table 16-36.
If it is necessary to implement different grids than was originally planned or to add slope preservation methods, such as damping lines, pre-cut or post-cut, the amount of drilling will tend to increase. Should an increase in the amount of drilling be required, the fleet and staff will be adequate to meet this demand.
The proposed top hammer drills have an operating cabin with ROPS/FOPS certification, air conditioning, acoustic insulation system, dust collector, hole cleaning air monitoring system, rod greasing system, angle and depth gauge, and water injection for dust control.
The drilling operation will be supported by a bulldozer and/or hydraulic excavator to carry out the cleaning and preparation of the drilling benches, access construction to the drilling benches, as well as a hydraulic rock breaker coupled to the hydraulic excavator to remove blocks in the operational area.
![]() |
| SGS Canada Inc. |
|
Technical Report – Grota do Cirilo Lithium Project – Araçuai and Itinga Regions, Minas Gerais, Brazil |
Table 16‑31: Barreiro Preliminary Calculations for Drilling Requirements
|
Drilling Sizing |
Year 1 |
Year 2 |
Year 3 |
Year 4 |
Year 5 |
Year 6 |
Year 7 |
Year 8 |
Year 9 |
Year 10 |
Year 11 |
Year 12 |
|
|
Blasted Material |
kt |
20 862 |
20 904 |
21 505 |
20 759 |
19 236 |
20 692 |
24 207 |
24 207 |
24 207 |
24 207 |
8 853 |
8 777 |
|
Days / Year |
quantity |
365 |
365 |
366 |
365 |
365 |
365 |
365 |
365 |
365 |
365 |
365 |
365 |
|
Shifts / Day |
quantity |
3 |
3 |
3 |
3 |
3 |
3 |
3 |
3 |
3 |
3 |
3 |
3 |
|
Hours / Shift |
quantity |
8 |
8 |
8 |
8 |
8 |
8 |
8 |
8 |
8 |
8 |
8 |
8 |
|
FA - Physical Availability |
% |
82% |
82% |
82% |
82% |
82% |
82% |
82% |
82% |
82% |
82% |
82% |
82% |
|
Hours Available |
hours |
7 183 |
7 183 |
7 183 |
7 183 |
7 183 |
7 183 |
7 183 |
7 183 |
7 183 |
7 183 |
7 183 |
7 183 |
|
Unproductive Hours |
hours |
4 791 |
4 791 |
4 791 |
4 791 |
4 791 |
4 791 |
4 791 |
4 791 |
4 791 |
4 791 |
4 791 |
4 791 |
|
Utilization |
% |
85% |
85% |
85% |
85% |
85% |
85% |
85% |
85% |
85% |
85% |
85% |
85% |
|
Efficiency Factor |
% |
65% |
65% |
65% |
65% |
65% |
65% |
65% |
65% |
65% |
65% |
65% |
65% |
|
Drillholes per hour - Ore |
Drill/hr |
3.7 |
3.7 |
3.7 |
3.7 |
3.7 |
3.7 |
3.7 |
3.7 |
3.7 |
3.7 |
3.7 |
3.7 |
|
Drillholes per hour - Waste |
Drill//hr |
1.9 |
1.9 |
1.9 |
1.9 |
1.9 |
1.9 |
1.9 |
1.9 |
1.9 |
1.9 |
1.9 |
1.9 |
|
Meters drilled per hour |
m/hr |
20 |
20 |
20 |
20 |
20 |
20 |
20 |
20 |
20 |
20 |
20 |
20 |
|
Drilling Productivity - Ore |
Mtpy |
2.07 |
2.07 |
2.07 |
2.07 |
2.07 |
2.07 |
2.07 |
2.07 |
2.07 |
2.07 |
2.07 |
2.07 |
|
Drilling Productivity - Waste |
Mtpy |
2.38 |
2.38 |
2.38 |
2.38 |
2.38 |
2.38 |
2.38 |
2.38 |
2.38 |
2.38 |
2.38 |
2.38 |
|
Effective Hours Worked |
hours |
3 969 |
3 969 |
3 969 |
3 969 |
3 969 |
3 969 |
3 969 |
3 969 |
3 969 |
3 969 |
3 969 |
3 969 |
|
Tonnage per drillhole - Ore |
t/Drill |
141 |
141 |
141 |
141 |
141 |
141 |
141 |
141 |
141 |
141 |
141 |
141 |
|
Tonnage per drillhole - Waste |
t/Drill |
324 |
324 |
324 |
324 |
324 |
324 |
324 |
324 |
324 |
324 |
324 |
324 |
|
Equipment Numbers Required |
quantity |
9 |
9 |
9 |
9 |
8 |
9 |
10 |
10 |
10 |
10 |
4 |
4 |
![]() |
| SGS Canada Inc. |
|
Technical Report – Grota do Cirilo Lithium Project – Araçuai and Itinga Regions, Minas Gerais, Brazil |
|
16.4.16 |
Explosives Consumption |
The consumption of explosives and accessories was calculated based on the parameters of the blasting plans presented above in Table 16-33 and Table 16-34. The tables below, Table 16-37 and Table 16-38 show the estimated annual consumption of pumped explosives, non-electrical accessories, and remote activation through electronic fuse for ore, waste and the combined totals respectively. In addition, small allowances for explosives and accessories were included, for secondary blasting of oversize rock.
![]() |
| SGS Canada Inc. |
|
Technical Report – Grota do Cirilo Lithium Project – Araçuai and Itinga Regions, Minas Gerais, Brazil |
Table 16‑32: Barreiro Estimated Annual Consumption of Explosives - Ore
|
Rock Blasting / Pumped Emulsion Blaster + Non-Electric / Bulk Emulsion + Non-Electric |
||||||||||||||
|
Ore |
||||||||||||||
|
Item / Quantities |
Unit |
Year 1 |
Year 2 |
Year 3 |
Year 4 |
Year 5 |
Year 6 |
Year 7 |
Year 8 |
Year 9 |
Year 10 |
Year 11 |
Year 12 |
Total |
|
60% Emulsion/40% ANFO - 1.21 g/cm3 |
Kg x 1,000 |
788 |
797 |
801 |
788 |
786 |
785 |
795 |
795 |
795 |
795 |
782 |
751 |
9 458 |
|
Booster 250 g |
unit |
12 174 |
12 313 |
12 377 |
12 165 |
12 141 |
12 118 |
12 275 |
12 275 |
12 275 |
12 275 |
12 081 |
11 598 |
146 070 |
|
Detonating cord |
m |
47 344 |
47 882 |
48 132 |
47 309 |
47 213 |
47 127 |
47 738 |
47 738 |
47 738 |
47 738 |
46 984 |
45 105 |
568 049 |
|
Non-Electric detonator |
unit |
332 |
336 |
338 |
332 |
331 |
331 |
335 |
335 |
335 |
335 |
330 |
317 |
3 988 |
|
Burning fuse |
unit |
260 |
260 |
260 |
260 |
260 |
260 |
260 |
260 |
260 |
260 |
260 |
260 |
3 120 |
|
Powder Factor |
Kg/t |
0.41 |
0.41 |
0.41 |
0.41 |
0.41 |
0.41 |
0.41 |
0.41 |
0.41 |
0.41 |
0.41 |
0.41 |
0.41 |
![]() |
| SGS Canada Inc. |
|
Technical Report – Grota do Cirilo Lithium Project – Araçuai and Itinga Regions, Minas Gerais, Brazil |
Table 16‑33: Barreiro Estimated Annual Consumption of Explosives - Waste
|
Rock Blasting / Pumped Emulsion Blaster + Non-Electric / Bulk Emulsion + Non-Electric |
||||||||||||||
|
Waste |
||||||||||||||
|
Item / Quantities |
Unit |
Year 1 |
Year 2 |
Year 3 |
Year 4 |
Year 5 |
Year 6 |
Year 7 |
Year 8 |
Year 9 |
Year 10 |
Year 11 |
Year 12 |
Total |
|
60% Emulsion/40% ANFO - 1.21 g/cm3 |
Kg x 1,000 |
5 148 |
5 394 |
5 934 |
13 459 |
12 218 |
12 794 |
6 900 |
7 112 |
7 112 |
7 112 |
2 221 |
2 221 |
87 624 |
|
Booster 250 g |
unit |
39 752 |
41 652 |
45 824 |
103 928 |
94 350 |
98 796 |
53 280 |
54 917 |
54 917 |
54 917 |
17 149 |
17 149 |
676 629 |
|
Detonating cord |
m |
176 674 |
185 119 |
203 661 |
461 900 |
419 333 |
439 094 |
236 802 |
244 074 |
244 074 |
244 074 |
76 217 |
76 217 |
3 007 240 |
|
Non-Electric detonator |
unit |
3 053 |
3 199 |
3 519 |
7 982 |
7 246 |
7 588 |
4 092 |
4 218 |
4 218 |
4 218 |
1 317 |
1 317 |
51 965 |
|
Burning fuse |
unit |
260 |
260 |
260 |
260 |
260 |
260 |
260 |
260 |
260 |
260 |
260 |
260 |
3 120 |
|
Powder Factor |
Kg/t |
0.36 |
0.36 |
0.36 |
0.36 |
0.36 |
0.36 |
0.36 |
0.36 |
0.36 |
0.36 |
0.36 |
0.36 |
0.36 |
![]() |
| SGS Canada Inc. |
|
Technical Report – Grota do Cirilo Lithium Project – Araçuai and Itinga Regions, Minas Gerais, Brazil |
|
16.4.17 |
Blasting Plan |
During the operation, the daily blast plans will be prepared by the explosive supplier’s technical staff. These plans will be analysed and validated by the Sigma rock blasting team.
After each blast, the blast plan will be updated according with the equipment quantities actually used. Physical and digital copies of all generated documentation will be kept, which will be available for audits or inspection by regulatory bodies.
|
16.4.18 |
Execution of Blasting |
Rock blasts will be carried out on scheduled dates, the frequency of which will meet the demand for blasted ore and waste.
For all rock blasting, the authorities will also be previously communicated through the Rock Blasting Notice, as per Annex of ORDINANCE No. 147 - COLOG, of November 21, 2019.
|
16.4.19 |
Fragmentation Control |
The fragmentation control will be carried out through specialized software, generating granulometric distribution curves from photographic records. This monitoring allows for blast pattern adjustments, sequencing and other parameters according to the results history. Monitoring will be carried out on a monthly basis for rock blasting and/or whenever the contractor's technical team deems is necessary to optimize the operation.
Figure 16-53 shows an example of image analysis and particle size distribution calculation using granulometric distribution curves.
The blasts will be filmed with high-definition cameras that allow a detailed visual assessment of factors such as detonation sequencing, mass displacement, top stemming efficiency and ultra-launch.

Figure 16‑38: Image Analysis and Calculation of Granulometric Distribution
![]() |
| SGS Canada Inc. |
|
Technical Report – Grota do Cirilo Lithium Project – Araçuai and Itinga Regions, Minas Gerais, Brazil |
|
16.5 |
NEZINHO DO CHICãO – LAVRA DO MEIO AND MURIAL OPEN PIT MINING |
The Nezinho do Chicão – Lavra do Meio (NDC-LDM) and Murial deposits will be mined by open pit mining methods, using a contracted mining fleet consisting of hydraulic excavators, front loaders, and 40 t transport trucks for waste and ore, coupled with appropriate auxiliary support equipment.
|
16.5.1 |
NDC-LDM Geotechnical and Hydrogeological Analysis |
| 16.5.1.1 |
Geotechnical |
A geotechnical field study, analysis and design was performed to provide key pit design parameters for the NDC-LDM pit. There have been no geotechnical studies conducted for the Murial deposit, so the data for NDC-LDM was used for the Murial analysis.
Data analysis is supported by a comprehensive investigation and geotechnical assessment of the drill hole samples, and laboratory tests consisting of uniaxial compressive testing (UCS), triaxial testing, indirect tensile strength testing (Brazilian test), and direct shear strength testing. The stability analysis was done for the recommendation of slope angles for the pit walls within appropriate safety factors. The stability analyses considered information on the strength parameters of various rock and soil materials, in association with the understanding of the expected rupture mechanisms that could occur on the pit slopes.
NDC-LDM pit walls will be entirely within a biotite schist unit, consisting of a low to medium intensity of schistosity. Figure 16-39 is a stereogram of two main joint structures identified at NDC using optical televiewing (OPTV).
The soil and overburden are up to 5 m deep, with a transition zone of saprolite with moderately altered rock up to 30 m in depth. The basement (fresh rock) is a compact biotite schist, showing little to no change in the original color of the minerals and moderate to high mechanical strength (weathering zone ranging from W2 on the top to W1).
The rock mass has good to excellent RQD (75 – 100%), low fracturing degree (F2), and RMR class II/I, corresponding from good to very good rock mass strength.
![]() |
| SGS Canada Inc. |
|
Technical Report – Grota do Cirilo Lithium Project – Araçuai and Itinga Regions, Minas Gerais, Brazil |

Figure 16‑39: OPTV-derived stereogram showing two main joint structures at Nezinho do Chicão
|
16.5.1.2 |
Geomechanical Characterization |
The Uniaxial Compression Tests (UCS) had the specification of the International Society for Rock Mechanics - ISRM (1978) as a technical reference. Suggested methods for determining the strength of rock materials in triaxial compression. Int. J. Rock Mech. Min. Sci. & Geomech. Abstracts., vol. 15, pp 49-51. The results can be found in Table 16-34 and Table 16-35.
![]() |
| SGS Canada Inc. |
|
Technical Report – Grota do Cirilo Lithium Project – Araçuai and Itinga Regions, Minas Gerais, Brazil |
Table 16‑34: Results of laboratory tests in rock (UCS), 2022 campaign

The coefficient of variation (CV) was much greater than 0.30, samples that presented values considered as anomalous (lower and higher values) were excluded (samples GT 0129, GT 0134, GT 0135, GT 0136), resulting in an acceptable CV of 0.23, as presented at Table 16-40.
![]() |
| SGS Canada Inc. |
|
Technical Report – Grota do Cirilo Lithium Project – Araçuai and Itinga Regions, Minas Gerais, Brazil |
Table 16‑35: Results of tests after outlier treatment and adopted as test parameters UCS

The results indicate a medium quality rock.
|
16.5.1.3 |
Pit Sectorization |
Figure 16-40 shows the 8 sectors into which the pit was divided, and Table 16-36 shows the direction of the sectors.
![]() |
| SGS Canada Inc. |
|
Technical Report – Grota do Cirilo Lithium Project – Araçuai and Itinga Regions, Minas Gerais, Brazil |

Figure 16‑40: NDC Pit Sectors (Green) and Stability Analysis Sections (Black)
Table 16‑36: Average direction of slopes in sectors and general slope geometry

![]() |
| SGS Canada Inc. |
|
Technical Report – Grota do Cirilo Lithium Project – Araçuai and Itinga Regions, Minas Gerais, Brazil |
|
16.5.1.4 |
Kinematic Analyses |
Kinematic analyzes were performed for all sectors, even for those in which eventual failures are blocked by the geometry of the structures and the pit. Analyses were made for planar failure and failure due to toppling by face angle. Figure 16-41 to Figure 16-56 show the result of the kinematic analysis.

Figure 16‑41: Kinematic analysis for sector 1, planar rupture, face angle

Figure 16‑42: Kinematic analysis for sector 1, planar rupture, general angle
![]() |
| SGS Canada Inc. |
|
Technical Report – Grota do Cirilo Lithium Project – Araçuai and Itinga Regions, Minas Gerais, Brazil |

Figure 16‑43: Kinematic analysis for sector 2, planar rupture, face angle

Figure 16‑44: Kinematic analysis for sector 2, toppling failure
![]() |
| SGS Canada Inc. |
|
Technical Report – Grota do Cirilo Lithium Project – Araçuai and Itinga Regions, Minas Gerais, Brazil |

Figure 16‑45: Kinematic analysis for sector 3, planar rupture, face angle

Figure 16‑46: Kinematic analysis for sector 3, toppling failure
![]() |
| SGS Canada Inc. |
|
Technical Report – Grota do Cirilo Lithium Project – Araçuai and Itinga Regions, Minas Gerais, Brazil |

Figure 16‑47: Kinematic analysis for sector 4, planar rupture, face angle

Figure 16‑48: Kinematic analysis for sector 4, toppling failure
![]() |
| SGS Canada Inc. |
|
Technical Report – Grota do Cirilo Lithium Project – Araçuai and Itinga Regions, Minas Gerais, Brazil |

Figure 16‑49: Kinematic analysis for sector 5, planar rupture, face angle

Figure 16‑50: Kinematic analysis for sector 5, toppling failure
![]() |
| SGS Canada Inc. |
|
Technical Report – Grota do Cirilo Lithium Project – Araçuai and Itinga Regions, Minas Gerais, Brazil |

Figure 16‑51: Kinematic analysis for sector 6, planar rupture, face angle

Figure 16‑52: Kinematic analysis for sector 6, toppling failure
![]() |
| SGS Canada Inc. |
|
Technical Report – Grota do Cirilo Lithium Project – Araçuai and Itinga Regions, Minas Gerais, Brazil |

Figure 16‑53: Kinematic analysis for sector 7, planar rupture, face angle

Figure 16‑54: Kinematic analysis for sector 7, toppling failure
![]() |
| SGS Canada Inc. |
|
Technical Report – Grota do Cirilo Lithium Project – Araçuai and Itinga Regions, Minas Gerais, Brazil |

Figure 16‑55: Kinematic analysis for sector 8, planar rupture, face angle

Figure 16‑56: Kinematic analysis for sector 8 toppling failure
![]() |
| SGS Canada Inc. |
|
Technical Report – Grota do Cirilo Lithium Project – Araçuai and Itinga Regions, Minas Gerais, Brazil |
The analyzes showed that the probabilities of rupture occurrences are within the acceptable range according to the best international practices for pit design, which should be less than 30%.
|
16.5.1.5 |
Limit Equilibrium Slope Stability Analysis |
The following conditions were assumed for the stability analysis:
|
● |
The minimum safety factor to be SF ≥ 1.30 |
|
● |
The rock mass, despite showing an incipient schistosity, was considered anisotropic |
|
● |
Strength parameters based on laboratory tests, but with a conservative bias |
|
● |
Parallel strength parameter in the anisotropic function was half of the residual strength of the direct shear test, 650kPa of cohesion and 35º friction angle |
|
● |
Rocky mass considered as saturated, without lowering |
The results of the analyzes are shown in Table 16-37 and in Figure 16-57 to Figure 16-66.
Table 16‑37: Result of limit equilibrium analysis
|
Sector / Section |
General Angle |
SoF |
SoF Seismic load |
|
3 / 01 |
47º |
1.59 |
>1.1 |
|
4 / 02 |
46º |
1.33 |
>1.1 |
|
1 / 03 |
68º |
1.37 |
1.29 |
|
2 / 04 |
60º |
1.68 |
>1.1 |
|
3 / 05 |
48º |
1.37 |
1.28 |
|
3 / 06 |
49º |
1.31 |
1.20 |
|
8 / 07 |
61º |
1.37/1.63 |
>1.1 |
|
5 / 08 |
61º |
1.38 |
>1.1 |
|
6 / 09 |
46º |
1.54 |
>1.1 |
|
7 / 10 |
41º |
1.33 |
1.22 |
![]() |
| SGS Canada Inc. |
|
Technical Report – Grota do Cirilo Lithium Project – Araçuai and Itinga Regions, Minas Gerais, Brazil |

Figure 16‑57: Sector 3 section 1 SF = 1.59

Figure 16‑58: Sector 3 section 2 SF = 1.33
![]() |
| SGS Canada Inc. |
|
Technical Report – Grota do Cirilo Lithium Project – Araçuai and Itinga Regions, Minas Gerais, Brazil |

Figure 16‑59: Sector 3 section 1 SF = 1.37

Figure 16‑60: Sector 2 section 4 SF = 1.68
![]() |
| SGS Canada Inc. |
|
Technical Report – Grota do Cirilo Lithium Project – Araçuai and Itinga Regions, Minas Gerais, Brazil |

Figure 16‑61: Sector 3 section 5 SF= 1.37

Figure 16‑62: Sector 3 section 6 SF = 1.31
![]() |
| SGS Canada Inc. |
|
Technical Report – Grota do Cirilo Lithium Project – Araçuai and Itinga Regions, Minas Gerais, Brazil |

Figure 16‑63: Sector 8 section 7 SF= 1.63/1.37

Figure 16‑64: Sector 5 section 8 SF = 1.38
![]() |
| SGS Canada Inc. |
|
Technical Report – Grota do Cirilo Lithium Project – Araçuai and Itinga Regions, Minas Gerais, Brazil |

Figure 16‑65: Sector 6 section 9 SF = 1.54

Figure 16‑66: Sector 7 section 10 SF = 1.33
![]() |
| SGS Canada Inc. |
|
Technical Report – Grota do Cirilo Lithium Project – Araçuai and Itinga Regions, Minas Gerais, Brazil |
|
16.5.1.6 |
Hydrogeology |
Sigma’s Grota do Cirilo Project is situated within the Jequitinhonha River Hydrographic Basin (Figure 16-67) which is in the mesoregions of the Jequitinhonha Valley and Northern Minas Gerais, covering a drainage area of 19,803 km². The climate in the basin is considered semi-arid, with a dry period varying from four to five months per year, and hydraulic availability between 2 and 10 litres per second per square kilometre.
The NDC-LDM deposit is situated immediately northwest of the Piauí Creek, a shallow, intermittent creek that is a tributary of the Jequitinhonha River (Figure 16-68).

Figure 16‑67: Jequitinhonha River Basin in Minas Gerais state, Brazil
![]() |
| SGS Canada Inc. |
|
Technical Report – Grota do Cirilo Lithium Project – Araçuai and Itinga Regions, Minas Gerais, Brazil |

Figure 16‑68: Barreiro, NDC-LDM and Murial pit and waste dump arrangement in relation to Piauí Creek
|
16.5.1.7 |
Regional Hydrogeological Context |
The lithologies present in the regional aquifers can be classified as such:
Unit 1: Comprise the rare alluvial coverings, which occur in some portions of the Jequitinhonha and Araçuaí rivers, they are of very reduced dimensions. They may become very important locally, although the rural properties located on the banks of these rivers do not suffer the problems caused by the lack of water, as these rivers are perennial.
Unit 2: The aquifers in this unit are of a granular nature and comprise the thick packages of coarsely stratified sediments of the São Domingos Formation, which can exceed 100 m in thickness in the Virgem da Lapa region, and other coverings of an eluvial-coluvial nature that cover the tertiary planing surfaces.
Infiltration conditions for this formation are not significantly affected by the presence of fine material or limonite crust in its upper portion, although both factors commonly act to reduce permeability, decreasing and delaying infiltration. On the other hand, the fact that this formation is located in the highest portions of the area, with elevations between 650-800 m and presents a very flat relief, factors that help in infiltration.
Unit 3: This unit, the largest in the area, comprises the lithologies of the Macaúbas Group, especially the Salinas Formation. The hydrogeological characteristics of the Salinas Formation are practically only fractured aquifers with a small contribution, in its altered portion, when of considerable thickness, of granular medium. The Salinas Formation has a very wide occurrence, sustains relief dominated by smooth to moderately undulating and polyconvex hills, when predominantly schist in composition, representing dissected areas, with altitudes in general of up to 500 m, with an alteration layer of variable thickness, but in average length of 10.0 m, with a dense net of drainage with patterns clearly dictated by the regional structural pattern (shale, fracturing, faulting directions), which facilitates surface runoff, to the detriment of infiltration. When of quartzite composition, the Salinas Formation, occupied higher altimetric positions, supporting plateaus and hills.
![]() |
| SGS Canada Inc. |
|
Technical Report – Grota do Cirilo Lithium Project – Araçuai and Itinga Regions, Minas Gerais, Brazil |
Portions of the Salinas Formation, with a predominantly schist composition, potentially have the possibility of constituting quantitatively reasonable aquifers, for regional standards, when the following conditions coexist:
|
● |
Metamorphic-structural discontinuity patterns |
|
● |
Thick levels of alteration |
|
● |
Smooth relief |
|
● |
Overlap of the São Domingos Formation |
Unit 4: This unit encompasses intrusive granitic rocks. The altered granitoids are extensive aquifers in the region. The granitic terrains are typical elevated topographical portions. They have drainage networks in radial and dendritic patterns, especially in larger bodies. Fractures represent the most important means where local granitic rocks can conduct and store water.
Figure 16-69 presents a conceptual model of regional groundwater circulation. In this area, the primary permeability is very low, therefore, aquifers predominate in fractured medium. Recharge is carried out by the fracture system, which also controls surface drainage. This structural control of the drainage is less accentuated, if compared to what occurs in the areas of occurrence of schist and quartzite rocks of the Macaúbas Group and Espinhaço Supergroup, respectively. Discharge from these fractured aquifers occurs predominantly at the bottom of valleys.

Figure 16‑69: Regional Hydrogeological Conceptual Model
|
16.5.1.8 |
Local Hydrogeology |
Figure 16-70 shows the location of Grota do Cirilo Project and the operational structures (pits and waste dumps) of the Xuxa, Barreiro, NDC-LDM and Murial deposits.
![]() |
| SGS Canada Inc. |
|
Technical Report – Grota do Cirilo Lithium Project – Araçuai and Itinga Regions, Minas Gerais, Brazil |

Figure 16‑70: Master Plan- Grota do Cirilo Project
Initial considerations for the hydrogeological assessment are:
|
1) |
The project area is located where the average annual rainfall varies between 620 and 720 mm. |
|
2) |
The climate in the project region is semi-arid. |
|
3) |
The annual water deficit of 800.00 mm. |
|
4) |
The Project is in the geomorphological portion of the schist rocks of the Salinas Formation, slightly undulating topography. |
|
5) |
The hydrogeological characteristics of the Salinas Formation are fractured aquifers with a small contribution, in its altered portion, when of considerable thickness as a granular medium. |
|
6) |
The Salinas Formation may behave as an aquifer with regional patterns when the following conditions coexist: |
|
■ |
Metamorphic-structural discontinuity patterns. |
|
■ |
Thick levels of alteration. |
|
■ |
Smooth relief. |
|
■ |
Overlap of the São Domingos Formation. |
|
7) |
The Project is in the Piauí Creek sub-basin, which behaves as an intermittent drainage being a tributary of the right bank of the Jequitinhonha River. |
![]() |
| SGS Canada Inc. |
|
Technical Report – Grota do Cirilo Lithium Project – Araçuai and Itinga Regions, Minas Gerais, Brazil |
|
8) |
The pegmatites are intruded in the schists of the Salinas Formation of the Macaúbas Group. The intrusions appear, in general, in structural agreement with the foliation of the host rock, however in the case of the Nezinho do Chicão Body these are discordant. |
The possibility of hard rocks constituting aquifers, with volumes correlated with regions with water deficit, such as the project region, increases with the occurrence of families of joints, penetrative of orientations: NW, WNW and NE.
|
16.5.1.9 |
Registration of Water Points |
Work was carried out to register water points in the area covered by the project's polygon between July 25 2022 to July 29 2022.
All the drainage channels that run into the Piauí Creek were visited, and no water surges were observed. All of them were dry. The conclusion is that water only occurs in these channels on surface runoff from rain.
At four points in the Piauí Creek , data were collected on the physical-chemical parameters of the water (pH, EH, Conductivity, Temperature).
No evidence of water surges were found in the higher and lower elevations at the points where these drainages meet the Piauí Creek.
A total of 32 locations were inspected as part of the drainage channel inspection. Figure 16-71 and Table 16-38 list all the visited points.

Figure 16‑71: Route Map and Drainage Points Inspected
![]() |
| SGS Canada Inc. |
|
Technical Report – Grota do Cirilo Lithium Project – Araçuai and Itinga Regions, Minas Gerais, Brazil |
Table 16‑38: Drainage Point Inspection List and Details
|
Point |
Description |
X |
Y |
Z |
pH |
Conductivity |
Temperature |
Solid |
|
m |
µs |
°C |
ppm |
|||||
|
P01 |
Area bordering Barreiro. Facing west |
191838 |
8140664 |
375.88 |
||||
|
P02 |
Drain concentration point |
191911 |
8140941 |
345.96 |
||||
|
P03 |
Artificial pond for watering animals |
191809 |
8141024 |
344.19 |
7.9 |
95 |
24.8 |
45 |
|
P04 |
Checkpoint |
192109 |
8140840 |
384.88 |
||||
|
P05 |
Checkpoint. Facing east |
192082 |
8140627 |
372.58 |
||||
|
P06 |
Lavra do Meio Pit: Old prospector mine, adjacent to the NCD area. It does not show emergence, but it has muddy water accumulated at its bottom due to a large ephemeral drainage ending in it. In this pit it is possible to observe pegmatitic bodies concordant and discordant to the schist. The weathering profile is shown with a depth greater than 30 m. Foliation 270/50, 300/30, 305/35. |
192329 |
8140535 |
373.43 |
7.9 |
203 |
21.2 |
105 |
|
P07 |
Checkpoint |
192062 |
8140423 |
365.45 |
||||
|
P08 |
Checkpoint |
192001 |
8140335 |
355.11 |
||||
|
P09 |
Checkpoint |
191855 |
8140289 |
353.57 |
||||
|
P10 |
Checkpoint |
191981 |
8140119 |
346.15 |
||||
|
P11 |
Bottom of a dry cave, ephemeral drainage |
191853 |
8139992 |
322.24 |
||||
|
P12 |
Schist outcrop |
191830 |
8140036 |
325.72 |
||||
|
P13 |
Checkpoint |
191711 |
8140143 |
347.42 |
||||
|
P14 |
Dry basin of rain accumulation |
191781 |
8140004 |
329.84 |
||||
|
P15 |
Checkpoint at the dry drainage margin |
191705 |
8139807 |
327.06 |
||||
|
P16 |
Maxixe Pit: Prospector pit with transparent water accumulated at the bottom. There is great drainage directed towards it and also fish. |
191879 |
8139852 |
320.93 |
7.2 |
442 |
25 |
231 |
|
P17 |
Dry Drainage |
191717 |
8139761 |
318.28 |
||||
|
P18 |
Dry Drainage |
191721 |
8139703 |
317.12 |
||||
|
P19 |
Drainage and dry pond |
192324 |
8140115 |
338.46 |
||||
|
P20 |
Dry Drainage |
191676 |
8139600 |
306.27 |
||||
|
P21 |
Dry Drainage |
191654 |
8139821 |
313.52 |
||||
|
P22 |
Dry Drainage |
191479 |
8139537 |
316.17 |
||||
|
P23 |
Arrival of drainage in Piauí |
191552 |
8139315 |
289.95 |
8 |
94 |
21.5 |
49 |
|
P24 |
Schist outcrop on the Piauí Creek |
191532 |
8139314 |
289.37 |
||||
|
P25 |
Piauí Riverbank |
191450 |
8139347 |
290.18 |
8.3 |
93 |
21.5 |
48 |
|
P26 |
Piauí Riverbank |
191429 |
8139355 |
290.69 |
7.8 |
93 |
19.6 |
49 |
|
P27 |
Dry Drainage |
191571 |
8139416 |
294.59 |
||||
|
P28 |
Point with river erosion |
191630 |
8139295 |
296.32 |
||||
|
P29 |
Arrival of drainage on the Piauí Creek |
191644 |
8139147 |
293.81 |
6.9 |
93 |
20.3 |
48 |
|
P30 |
Checkpoint |
191760 |
8139341 |
315.85 |
||||
|
P31 |
Checkpoint |
191809 |
8139551 |
328.02 |
||||
|
P32 |
NDC pegmatite outcrop in trench |
191492 |
8139660 |
337.44 |
||||
![]() |
| SGS Canada Inc. |
|
Technical Report – Grota do Cirilo Lithium Project – Araçuai and Itinga Regions, Minas Gerais, Brazil |
|
16.5.1.10 |
Hydrogeochemical Characterization |
Water samples to determine the physical and chemical parameters of the water (pH, EH, conductivity and temperature) were collected at 4 points in the Piaui Creek. The speed at which this drainage fills/increases flow and empties/decreases flow is characterized in drainages strongly controlled by surface runoff and supply by shallow aquifers of small magnitude. The average measurement shows a 7.8 pH in the Piaui creek within the project area, an important parameter that clearly indicates rainwater without any acidic water characteristics. The average electrical conductivity measured at Piaui Creek is 93.3 µS. This extremely low value demonstrates that the water, although muddy in appearance, has very little suspended solids. The water grade of dissolved solids is extremely low, with an average of 40.5 ppm, which gives the water a low electrical conductivity. The average water temperature of the Piaui Creek in the project area was 20.7 °C.
|
16.5.1.11 |
Initial Conclusions |
From these considerations present in this evaluation and observing the geological and hydrogeological similarities of the area with the bodies of Xuxa and Barreiro, where the evaluation is more advanced, it can be expected that in the case of NDC that:
|
■ |
In general, the Piauí Creek should present a dual character of influent and effluent, with the influent character being more prominent |
|
■ |
The main groundwater flow occurs in the contact region between soil/weathered rock and bedrock |
Table 16-39 presents the measured groundwater level elevations in the research holes in NDC (MWL = measured water level in the field and CWL = calculated water level).
![]() |
| SGS Canada Inc. |
|
Technical Report – Grota do Cirilo Lithium Project – Araçuai and Itinga Regions, Minas Gerais, Brazil |
Table 16‑39: Groundwater Levels in NDC Drillholes
|
Name |
X |
Y |
Z |
Depth |
MWL |
CWL |
|
DH-NDC-05 |
191582 |
8139629 |
315,00 |
75,63 |
29,18 |
285,82 |
|
DH-NDC-10 |
191616 |
8139885 |
313,02 |
49,49 |
20,88 |
292,14 |
|
DH-NDC-13 |
191480 |
8139537 |
306,41 |
93,19 |
24,44 |
281,97 |
|
DH-NDC-14 |
191498 |
8139587 |
314,89 |
65,60 |
31,41 |
283,48 |
|
DH-NDC-15 |
191522 |
8139565 |
311,34 |
94,35 |
29,72 |
281,62 |
|
DH-NDC-17 |
191611 |
8139521 |
297,25 |
136,10 |
23,54 |
273,71 |
|
DH-NDC-19 |
191719 |
8139482 |
300,00 |
205,30 |
22,95 |
277,05 |
|
DH-NDC-27 |
191568 |
8139434 |
285,61 |
150,85 |
9,90 |
275,71 |
|
DH-NDC-30 |
191765 |
8139574 |
308,22 |
165,80 |
29,44 |
278,78 |
|
DH-NDC-32 |
191886 |
8140504 |
352,54 |
148,26 |
67,75 |
284,79 |
|
DH-NDC-33 |
191858 |
8140401 |
345,32 |
150,28 |
58,26 |
287,06 |
|
DH-NDC-35 |
191944 |
8140693 |
358,43 |
139,31 |
71,53 |
286,90 |
|
DH-NDC-37 |
192043 |
8140873 |
363,67 |
151,27 |
68,90 |
294,77 |
|
DH-NDC-38 |
191954 |
8140572 |
352,21 |
180,06 |
64,40 |
287,81 |
|
DH-NDC-39 |
191813 |
8140310 |
339,21 |
151,23 |
51,94 |
287,27 |
|
DH-NDC-40 |
191996 |
8140557 |
350,37 |
224,52 |
63,96 |
286,41 |
|
DH-NDC-41 |
191992 |
8140845 |
358,69 |
171,76 |
53,38 |
305,31 |
|
DH-NDC-42 |
192050 |
8140532 |
351,77 |
303,64 |
64,96 |
286,81 |
|
DH-NDC-43 |
191987 |
8140673 |
357,45 |
176,06 |
70,58 |
286,87 |
|
DH-NDC-47 |
192041 |
8140763 |
365,29 |
250,37 |
78,23 |
287,06 |
|
DH-NDC-49 |
191708 |
8140142 |
329,84 |
80,44 |
40,74 |
289,10 |
|
DH-NDC-50 |
191752 |
8140118 |
321,68 |
110,22 |
32,07 |
289,61 |
|
DH-NDC-52 |
191811 |
8140425 |
350,44 |
100,61 |
64,20 |
286,24 |
|
DH-NDC-54 |
191906 |
8140380 |
341,21 |
177,02 |
52,69 |
288,52 |
|
DH-NDC-55 |
191893 |
8140056 |
314,48 |
241,46 |
24,57 |
289,91 |
|
DH-NDC-57 |
192018 |
8140440 |
344,06 |
300,69 |
56,41 |
287,65 |
|
DH-NDC-58 |
191692 |
8140033 |
316,99 |
70,27 |
26,87 |
290,12 |
|
DH-NDC-59 |
191736 |
8140018 |
311,27 |
92,43 |
19,53 |
291,74 |
|
DH-NDC-62 |
191681 |
8139930 |
311,59 |
67,22 |
21,53 |
290,06 |
|
DH-NDC-63 |
191711 |
8139911 |
316,43 |
97,47 |
26,33 |
290,10 |
|
DH-NDC-64 |
191768 |
8140333 |
345,67 |
100,27 |
57,44 |
288,23 |
|
DH-NDC-66 |
191895 |
8140714 |
363,15 |
110,33 |
74,19 |
288,96 |
|
DH-NDC-68 |
191854 |
8140289 |
335,19 |
171,06 |
47,12 |
288,07 |
|
DH-NDC-69 |
191761 |
8140227 |
331,45 |
117,91 |
42,28 |
289,17 |
|
DH-NDC-70 |
191634 |
8139728 |
314,57 |
121,59 |
26,68 |
287,89 |
|
DH-NDC-71 |
191951 |
8140807 |
358,03 |
120,02 |
75,19 |
282,84 |
|
DH-NDC-73 |
191746 |
8139682 |
302,33 |
180,80 |
12,51 |
289,82 |
|
DH-NDC-75 |
191901 |
8140269 |
331,57 |
196,50 |
43,70 |
287,87 |
![]() |
| SGS Canada Inc. |
|
Technical Report – Grota do Cirilo Lithium Project – Araçuai and Itinga Regions, Minas Gerais, Brazil |
|
DH-NDC-77 |
191644 |
8139820 |
306,90 |
88,53 |
17,42 |
289,48 |
|
DH-NDC-78 |
191885 |
8140881 |
345,25 |
79,96 |
54,90 |
290,35 |
|
DH-NDC-79 |
191797 |
8139658 |
313,25 |
257,16 |
29,48 |
283,77 |
|
DH-NDC-80 |
191895 |
8140164 |
324,77 |
230,34 |
34,97 |
289,80 |
|
DH-NDC-81 |
191706 |
8139807 |
307,05 |
138,25 |
16,95 |
290,10 |
|
DH-NDC-82 |
191869 |
8140937 |
335,50 |
110,40 |
43,86 |
291,64 |
|
DH-NDC-86 |
191833 |
8139746 |
317,47 |
353,35 |
25,77 |
291,70 |
|
DH-NDC-88 |
191992 |
8140228 |
333,73 |
321,56 |
43,07 |
290,66 |
|
DH-NDC-89 |
191939 |
8140141 |
327,54 |
280,73 |
38,59 |
288,95 |
|
DH-NDC-91 |
191943 |
8140031 |
319,01 |
302,03 |
29,67 |
289,34 |
|
DH-NDC-92 |
191626 |
8139634 |
310,53 |
120,66 |
21,20 |
289,33 |
|
DH-NDC-94 |
192089 |
8140737 |
364,85 |
345,63 |
75,23 |
289,62 |
|
DH-NDC-95 |
191671 |
8139613 |
301,21 |
141,90 |
14,40 |
286,81 |
|
DH-NDC-97 |
191730 |
8139588 |
300,00 |
196,84 |
20,31 |
279,69 |
|
DH-NDC-98 |
191520 |
8139449 |
290,92 |
136,57 |
17,54 |
273,38 |
|
DH-NDC-99 |
192084 |
8140626 |
359,64 |
351,33 |
72,09 |
287,55 |
|
DH-NDC-100 |
192094 |
8140512. |
354,15 |
381,62 |
62,05 |
292,10 |
|
DH-NDC-101 |
192061 |
8140423 |
346,85 |
351,45 |
56,02 |
290,83 |
|
DH-NDC-102 |
191767 |
8139569 |
308,20 |
230,47 |
28,49 |
279,71 |
|
DH-NDC-105 |
191885 |
8139611 |
320,66 |
315,09 |
43,46 |
277,20 |
|
DH-NDC-106 |
191811 |
8139435 |
303,52 |
317,86 |
22,68 |
280,84 |
|
DH-NDC-107 |
191708 |
8139363 |
292,82 |
279,75 |
12,67 |
280,15 |
|
DH-NDC-108 |
191586 |
8139323 |
285,75 |
200,01 |
7,19 |
278,56 |
|
DH-NDC-109 |
191860 |
8139525 |
314,94 |
310,73 |
40,17 |
274,77 |
|
DH-NDC-110 |
191760 |
8139340 |
301,14 |
297,21 |
22,14 |
279,00 |
|
DH-NDC-111 |
191622 |
8139295 |
285,00 |
256,30 |
3,12 |
281,88 |
Figure 16-72 shows the location of the drillholes tested, while Figure 16-73 shows the potentiometric map of the area.
![]() |
| SGS Canada Inc. |
|
Technical Report – Grota do Cirilo Lithium Project – Araçuai and Itinga Regions, Minas Gerais, Brazil |

Figure 16‑72: NDC Drillhole Location Map

Figure 16‑73: NDC Potentiometric Map
![]() |
| SGS Canada Inc. |
|
Technical Report – Grota do Cirilo Lithium Project – Araçuai and Itinga Regions, Minas Gerais, Brazil |
|
16.5.1.12 |
Water Circulation Potential |
Assumptions
|
■ |
Considering that the flow of water has its circulation in the contact zone between the bedrock and the cover (soil and saprolite) and in zones of fracture in the rock mass, the thickness of the cover material was determined. |
|
■ |
Considering the direct relationship between groundwater circulation and degree of fracturing, in the holes, zones with RQD lower than 70% (greater fracturing) were selected, below the contact zone between saprolite/soil and sound rock. |
Methodology
An analysis on drillhole database was made in order to obtain the necessary information about the contact between the soil/saprolite and the bedrock. Figure 16-74 presents in graphic form the great variation of this contact (non-specialized) whose average depth was evaluated and defined at 13.8 metres, with a minimum thickness of 1.3 metres and a maximum of 44 metres. The variability of the coverage thickness is very large.

Figure 16‑74: Depth variation between weathered material (soil/saprolite) and bedrock. (Mean in red).
Figure 16-75 highlights the zone (shaded) where the drillhole intervals with RQD below 70% were selected.
![]() |
| SGS Canada Inc. |
|
Technical Report – Grota do Cirilo Lithium Project – Araçuai and Itinga Regions, Minas Gerais, Brazil |

Figure 16‑75: Zone selected for verification of drillholes (RQD less than 70%).
|
16.5.1.13 |
Analysis and Verification of Defined Surveys |
Drillhole fractured zones and RQD below 70 were visually evaluated in the core shed for the characterization of possible water passages.
The observation of these holes suggests fractured sections with water circulation at depths of up to 100 meters. The main water-conducting structure is a system of fractures parallel to the foliation. The most fractured zones and with signs of water are close to the thickest portions of the pegmatite.
|
16.5.1.14 |
Piezometer Installation Campaign |
After verifying in the field, the preservation conditions of the 111 holes made in the research campaigns, 10 holes were defined for the installation of instruments (piezometers), which will be of the Casagrande type with a single chamber. Five instruments will be installed in the rock mass/pegmatite (PZ - Deep) and another six in the saprolite/rock contact (PZ - Shallow). Table 16-40 and Table 16-41 show their information.
The work sequence for the hydrogeological assessment as the project matures will consist of the following steps:
|
● |
Analysis of the drillings carried out (lithological and geotechnical descriptions) to identify possible features of water circulation in the rest of the holes (NDC-38 to NDC-111): The lithology and geotechnical drillhole database tables and the photographic archives will be examined in order to find some structure or system that characterizes groundwater circulation. An evaluation of the drillholes in which the imagery survey has been carried out (Televiewer). |
![]() |
| SGS Canada Inc. |
|
Technical Report – Grota do Cirilo Lithium Project – Araçuai and Itinga Regions, Minas Gerais, Brazil |
|
● |
Measurement of 1 more flow point in the Piauí Creek: Piauí Creek will have 3 control points, the Barreiro project control points (one is upstream from the NDC and the other close to the project), while the downstream one from NDC will be defined in the field. |
|
● |
Implementation of Casa Grande type piezometers in selected holes: The piezometers will be used to monitor the water levels in the altered layer and in the bedrock and water samples will also be collected using the “low flow” methodology for the analysis of the physical-chemical parameters of the water according to CONAMA 396/2008. |
|
● |
Performing a “slug test” on the Piezometers to determine the hydraulic conductivity: The Piezometers will also be used for hydraulic tests to obtain the hydraulic conductivity of the rocks. |
![]() |
| SGS Canada Inc. |
|
Technical Report – Grota do Cirilo Lithium Project – Araçuai and Itinga Regions, Minas Gerais, Brazil |
Table 16‑40: Holes selected for installation of piezometers in the rock mass
|
Name |
x |
y |
z |
Slope |
Depth |
Status |
Water |
MWL |
CWL |
Type |
Installation (m) |
|
DH -NDC-111 |
191622 |
8139295 |
285.00 |
-65 |
256.30 |
L |
S |
3.12 |
281.88 |
P |
240 |
|
DH -NDC-41 |
191992 |
8140845 |
358.69 |
-65 |
171.76 |
L |
S |
53.38 |
305.31 |
P |
100 |
|
DH -NDC-40 |
191996 |
8140557 |
350.37 |
-65 |
224.52 |
L |
S |
63.96 |
286.41 |
P |
150 |
|
DH -NDC-55 |
191893 |
8140056 |
314.48 |
-65 |
241.46 |
L |
S |
24.57 |
289.91 |
P |
200 |
|
DH -NDC-79 |
191797 |
8139658 |
313.25 |
-65 |
257.16 |
L |
S |
29.48 |
283.77 |
P |
180 |
Table 16‑41: Holes selected for installation of piezometers in roofing material and saprolite
|
Name |
x |
y |
z |
Slope |
Depth |
Status |
Water |
MWL |
CWL |
Type |
Installation (m) |
|
DH -NDC-108 |
191586 |
8139323 |
285.75 |
-65 |
200.01 |
L |
S |
7.19 |
278.56 |
R |
10 |
|
DH -NDC-82 |
191869 |
8140937 |
335.50 |
-65 |
110.40 |
L |
S |
43.86 |
291.64 |
R |
10 |
|
DH -NDC-38 |
191954 |
8140572 |
352.21 |
-65 |
180.06 |
L |
S |
64.4 |
287.81 |
R |
20 |
|
DH -NDC-50 |
191752 |
8140118 |
31.68 |
-65 |
110.22 |
L |
S |
32.07 |
289.61 |
R |
15 |
|
DH -NDC-73 |
191746 |
8139682 |
302.33 |
-65 |
180.80 |
L |
S |
12.51 |
289.82 |
R |
20 |
![]() |
| SGS Canada Inc. |
|
Technical Report – Grota do Cirilo Lithium Project – Araçuai and Itinga Regions, Minas Gerais, Brazil |
Figure 16-76 shows the proposed locations of the piezometers.

Figure 16‑76: Proposed locations of piezometers
Mathematical modeling will be important for defining the relationship between groundwater and the Piauí Creek and pluviometry. This will define the flow required for draining the pits and depressurizing the slopes.
The Final Hydrogeological Characterization Report will present information from the previous steps and conclude on the groundwater relationship with the region to be mined.
|
16.5.1.15 |
Conclusions |
Conclusions based on the hydrogeological analysis are:
|
● |
The main flow of groundwater occurs in the contact region between the soil/weathered rock and the bedrock. |
|
● |
Quantitative interference in local water availability is not expected. |
|
● |
Operational problems caused by groundwater interference are not expected. |
|
● |
The first information presents the Piauí Creek as an effluent of shallow regional aquifers. |
![]() |
| SGS Canada Inc. |
|
Technical Report – Grota do Cirilo Lithium Project – Araçuai and Itinga Regions, Minas Gerais, Brazil |
|
16.6 |
MINE SEQUENCING |
To define the annual production plan, the following criteria were applied:
|
● |
Feed rate: 1.80 Mtpa |
|
● |
Li2O feed grade: 1.45% |
|
● |
Mining dilution 3% |
|
● |
Mining recovery: 93% |
|
● |
Fines losses: 15% |
|
● |
DMS metallurgical recovery: 60.7 % |
|
● |
Concentrate grade (Li2O): 6% |
|
● |
Product mass recovery is calculated as: |
.This study consisted of sequencing production, and waste rock blocks, in addition to defining the evolution of pit(s) geometries throughout the life of mine.
For the NDC-LDM production development, the areas to be mined annually were established and designed pushbacks plans for years 1 to 5 and years 10 to 16.
Table 16-42 shows the NDC-LDM and Murial mine sequencing, while Table 16-43 is the NDC-LDM quarterly production schedule for years 1 and 2. Table 16-44 is the NDC-LDM production schedule for years 3 to 16, while Table 16-45 is the Murial production schedule for years 16 to 21.
Figure 16-77 to Figure 16-84 show the pit evolution through the life of mine.
![]() |
| SGS Canada Inc. |
|
Technical Report – Grota do Cirilo Lithium Project – Araçuai and Itinga Regions, Minas Gerais, Brazil |
Table 16‑42: NDC-LDM and Murial Mine Sequencing (Dry Basis)

![]() |
| SGS Canada Inc. |
|
Technical Report – Grota do Cirilo Lithium Project – Araçuai and Itinga Regions, Minas Gerais, Brazil |
Table 16‑43: NDC-LDM Production Schedule (Year 1-2) Quarterly
|
NDC-LDM |
Total |
PRE |
Q1 |
Q2 |
Q3 |
Q4 |
Q5 |
Q6 |
Q7 |
Q8 |
|
|
Waste Tonnes Mined |
kt |
409,978 |
2,844 |
5,716 |
5,779 |
5,843 |
5,843 |
6411 |
6482 |
6553 |
6553 |
|
Ore Tonnes Mined |
kt |
31,951 |
156 |
448 |
448 |
448 |
448 |
493 |
498 |
504 |
504 |
|
Ore Grade Mined |
% Li2O |
1.28 |
1.21 |
1.11 |
1.11 |
1.11 |
1.11 |
1.19 |
1.19 |
1.19 |
1.19 |
|
Total Tonnes Mined |
kt |
441,929 |
3,000 |
6,164 |
6,227 |
6,291 |
6,291 |
6,904 |
6,980 |
7,057 |
7,057 |
|
Strip Ratio |
kt |
13 |
18 |
13 |
13 |
13 |
13 |
13 |
13 |
13 |
13 |
Table 16‑44: NDC-LDM Production Schedule (Year 3-16)
|
NDC-LDM |
Total |
Y3 |
Y4 |
Y5 |
Y6 |
Y7 |
Y8 |
Y9 |
Y10 |
Y11 |
Y12 |
Y13 |
Y14 |
Y15 |
Y16 |
|
|
Waste Tonnes Mined |
kt |
409,978 |
26,000 |
26,222 |
26,619 |
26,111 |
26,000 |
26,000 |
26,000 |
26,000 |
26,026 |
26,000 |
26,000 |
26,054 |
26,000 |
18,922 |
|
Ore Tonnes Mined |
kt |
31,951 |
1,998 |
1,776 |
1,380 |
1,887 |
1,998 |
1,998 |
1,998 |
1,998 |
1,972 |
1,998 |
1,998 |
1,964 |
1,998 |
3,038 |
|
Ore Grade Mined |
% Li2O |
1.28 |
1.25 |
1.37 |
1.33 |
1.25 |
1.24 |
1.37 |
1.37 |
1.40 |
1.29 |
1.34 |
1.32 |
1.33 |
1.15 |
1.25 |
|
Total Tonnes Mined |
kt |
441,929 |
27,998 |
27,998 |
27,999 |
27,998 |
27,998 |
27,998 |
27,998 |
27,998 |
27,998 |
27,998 |
27,998 |
28,018 |
27,998 |
21,960 |
|
Strip Ratio |
kt |
13 |
13 |
15 |
19 |
14 |
13 |
13 |
13 |
13 |
13 |
13 |
13 |
13 |
13 |
6 |
![]() |
| SGS Canada Inc. |
|
Technical Report – Grota do Cirilo Lithium Project – Araçuai and Itinga Regions, Minas Gerais, Brazil |
Table 16‑45: Murial Production Schedule (Year 16-21)
|
MURIAL |
UNITS |
TOTAL |
Y16 |
Y17 |
Y18 |
Y19 |
Y20 |
Y21 |
|
Waste Tonnes Mined |
kt |
257,010 |
4,603 |
24,050 |
47,845 |
78,442 |
35,132 |
66,938 |
|
Ore Tonnes Mined |
kt |
10,220 |
59.5 |
1,025 |
1,854 |
3,642 |
956 |
2,683 |
|
Ore Grade Mined |
% Li2O |
1.04 |
0.57 |
0.96 |
1.11 |
1.10 |
0.95 |
0.97 |
|
Total Tonnes Mined |
kt |
267,230 |
4,662 |
25,075 |
49,699 |
82,084 |
36,088 |
69,621 |

Figure 16‑77: Pit NDC-LDM - Year 01
![]() |
| SGS Canada Inc. |
|
Technical Report – Grota do Cirilo Lithium Project – Araçuai and Itinga Regions, Minas Gerais, Brazil |

Figure 16‑78: Pit NDC-LDM - Year 02

Figure 16‑79: Pit NDC-LDM - Year 03
![]() |
| SGS Canada Inc. |
|
Technical Report – Grota do Cirilo Lithium Project – Araçuai and Itinga Regions, Minas Gerais, Brazil |

Figure 16‑80: Pit NDC-LDM - Year 04

Figure 16‑81: Pit NDC-LDM - Year 05
![]() |
| SGS Canada Inc. |
|
Technical Report – Grota do Cirilo Lithium Project – Araçuai and Itinga Regions, Minas Gerais, Brazil |

Figure 16‑82: Pit NDC-LDM - Year 10

Figure 16‑83: Pit NDC-LDM - Year 15
![]() |
| SGS Canada Inc. |
|
Technical Report – Grota do Cirilo Lithium Project – Araçuai and Itinga Regions, Minas Gerais, Brazil |

Figure 16‑84: Pit Murial – Year 19
|
16.7 |
MINE FLEET SIZING |
At the NDC-LDM and Murial deposits, the mining operations will be by a third-party contractor, with proven experience with similar sized operations in Brazil. In order to select the mining operations contractor, operational work technical specifications were compiled and forwarded to the companies for technical and commercial proposals. After selecting the company and signing a contract, the work of mobilization and construction of the construction site would begin.
The run of mine (ROM) will be drilled, blasted, loaded, and transported by trucks to the ROM pad, near to the primary crusher. The ROM will be loaded by a wheel loader and fed into the primary crusher. The ore will be loaded by a wheel loader and fed into the primary crusher. The oversize material, >800 mm, will be fragmented by a rockbreaker installed adjacent to the crusher grizzly grate. A minimum ore stockpile of around 30,000 t will be kept in the ROM yard, with the aim of stabilizing the supply of feed to the plant when the mine production rate decreases or stops. This also helps to maintain the mine's ore production rate should the primary crusher have unscheduled production stops.
Ore below the cut-off grade will be blasted, loaded, and transported to specifically delimited discharge points within the waste disposal pile.
The percentage of material drilled and blasted is expected to be:
|
● |
Ore: 100% |
|
● |
Soil: 5% |
|
● |
Weathered rock (Saprolite) and Fresh Rock: 85% - 100% |
![]() |
| SGS Canada Inc. |
|
Technical Report – Grota do Cirilo Lithium Project – Araçuai and Itinga Regions, Minas Gerais, Brazil |
The main mining activities will be:
|
● |
Digging or rock blasting of ore and waste |
|
● |
Excavation, loading and transport of ore and waste |
|
● |
Disposal of ore in the ROM yard and waste in the waste dump |
|
● |
Construction and maintenance of all internal accesses to the pit(s) and the waste dumps |
|
● |
Maintenance of the floor, drainage, coating and signaling of all access roads used in the operation |
|
● |
Implementation and maintenance of the mine's surface drainage systems at access points to the mining operation, waste deposit, ore yard and other areas linked to mining operations |
|
● |
Execution of mine infrastructure services, such as: construction and maintenance of accesses to the mining areas, crusher, waste dump, workshops and offices, mine drainage services, access signaling, mine dewatering, etc. |
|
● |
Feeding the primary crusher at an average rate of 320 tph, performed by wheel loader |
|
● |
Build and maintain the operation support facilities (offices, workshops, cafeteria, living quarters, warehouses, changing rooms, bathrooms, septic tanks, environmental, health and safety emergency (HSE), explosive magazine, electrical and hydraulic installations, and others, in strict accordance with the Brazilian environmental standards and labour laws |
|
16.7.1 |
Equipment |
For the execution of mining activities, the equipment used must be in full working order, always observing the technical standards necessary for the services to be carried out safely. The equipment must comply with the respective Maintenance and Inspection Plans, as well as carrying out scheduled shutdowns for preventive and predictive maintenance. The proposed equipment to be used in the mine will have high operational reliability and provide comfort and safety to operators.
Table 16-46 shows the schedule of the main equipment to be used at NDC-LDM, while Table 16-47 shows the designed production of ore and waste tonnages and the percentage of material to be blasted.
![]() |
| SGS Canada Inc. |
|
Technical Report – Grota do Cirilo Lithium Project – Araçuai and Itinga Regions, Minas Gerais, Brazil |
Table 16‑46: Schedule of Primary Mining Equipment (Year 1-12)
|
Mining Fleet |
Reference Model |
Year |
|||||||||||
|
1 |
2 |
3 |
4 |
5 |
6 |
7 |
8 |
9 |
10 |
11 |
12 | ||
| Hydraulic Excavator | CAT 374 | 3 | 4 | 6 | 7 | 9 | 15 | 15 | 15 | 15 | 14 | 5 | 5 |
|
Haul Truck |
Heavy Tipper G500 |
19 |
24 |
33 |
35 |
46 |
85 |
86 |
86 |
86 |
85 |
41 |
40 |
|
Drilling Machine |
Sandvik DP 1500 |
3 |
4 |
5 |
5 |
7 |
11 |
12 |
12 |
12 |
12 |
5 |
4 |
|
Wheel Loader |
CAT 966 |
2 |
2 |
2 |
2 |
2 |
2 |
2 |
2 |
2 |
2 |
2 |
2 |
|
Bulldozer CAT D8 T - Caterpillar |
D8T |
1 |
1 |
2 |
2 |
3 |
4 |
4 |
4 |
4 |
4 |
2 |
2 |
|
Bulldozer CAT D6 T - Caterpillar |
D6T |
1 |
1 |
2 |
2 |
3 |
5 |
5 |
5 |
5 |
5 |
2 |
2 |
|
Grader - Komatsu |
GD 655 |
1 |
1 |
2 |
2 |
3 |
4 |
4 |
4 |
4 |
4 |
2 |
2 |
|
Operation Support Truck - Scania |
P360 |
1 |
1 |
2 |
2 |
3 |
4 |
4 |
4 |
4 |
4 |
2 |
2 |
|
Water Truck (20.000 l) - Mercedes |
Axor 3131 |
1 |
2 |
2 |
3 |
3 |
5 |
5 |
5 |
5 |
5 |
2 |
2 |
|
Backhoe Excavator - JVC |
3C |
1 |
1 |
1 |
2 |
2 |
3 |
3 |
3 |
3 |
3 |
1 |
1 |
|
Hydraulic Hammer - Komatsu |
PC 350 |
1 |
1 |
2 |
2 |
2 |
3 |
3 |
3 |
3 |
3 |
1 |
1 |
|
Forklift - Hyster |
H135-155FT |
1 |
1 |
1 |
2 |
2 |
3 |
3 |
3 |
3 |
3 |
1 |
1 |
|
Blasting Support Truck - Scania |
P360 |
1 |
1 |
2 |
2 |
2 |
3 |
3 |
3 |
3 |
3 |
1 |
1 |
|
Fuel and Lube Truck - Mercedes |
Axor 3131 / Mastercom |
1 |
1 |
2 |
2 |
2 |
3 |
3 |
3 |
3 |
3 |
1 |
1 |
|
Crane Truck |
Axor 3131 / Argos 12,5 |
1 |
1 |
2 |
2 |
2 |
3 |
3 |
3 |
3 |
3 |
1 |
1 |
|
Crane (30 t of capacity) - SANYI |
STC 300S |
1 |
1 |
1 |
1 |
1 |
1 |
1 |
1 |
1 |
1 |
1 |
1 |
|
Portable Lightning Tower - Pramac |
LM |
2 |
2 |
3 |
4 |
5 |
8 |
8 |
8 |
8 |
7 |
3 |
3 |
|
Light Vehicle - Mitsubish |
L 200 |
6 |
6 |
6 |
6 |
6 |
6 |
6 |
6 |
6 |
6 |
6 |
6 |
|
Total |
47 |
55 |
76 |
83 |
103 |
168 |
170 |
170 |
170 |
167 |
78 |
76 | |
![]() |
| SGS Canada Inc. |
|
Technical Report – Grota do Cirilo Lithium Project – Araçuai and Itinga Regions, Minas Gerais, Brazil |
Table 16‑47: Ore and Waste Wet Basis Production and percentage of material to be blasted (Year 1-12)
|
Production / Year |
Year |
||||||||||||
|
1 |
2 |
3 |
4 |
5 |
6 |
7 |
8 |
9 |
10 |
11 |
12 |
Total |
|
|
Total ROM x 1,000 t - Wet Basis |
1.600 |
1.899 |
1.906 |
1.905 |
1.917 |
1.895 |
1.895 |
1.895 |
1.895 |
1.895 |
1.900 |
1.702 |
22.304 |
|
DMT ROM - Km |
10,6 |
10,8 |
11,1 |
11,0 |
11,1 |
12,0 |
11,9 |
11,9 |
11,9 |
12,0 |
12,8 |
12,8 |
11,7 |
|
Total Waste x1,000 t - Wet Basis |
8.105 |
11.579 |
17.158 |
19.684 |
27.789 |
48.632 |
48.632 |
48.632 |
48.632 |
48.632 |
14.737 |
14.737 |
356.947 |
|
DMT Estéril - Km |
2,1 |
1,9 |
2,0 |
1,9 |
1,9 |
2,5 |
2,5 |
2,5 |
2,5 |
2,5 |
3,8 |
3,9 |
2,5 |
|
Hard Ore o be blasted x 1,000 t |
1.600 |
1.899 |
1.906 |
1.905 |
1.917 |
1.895 |
1.895 |
1.895 |
1.895 |
1.895 |
1.900 |
1.702 |
22.304 |
|
Hard Waste to be blasted x1,000 t |
6.241 |
9.333 |
14.756 |
17.106 |
24.399 |
42.261 |
42.699 |
44.012 |
44.012 |
44.012 |
13.337 |
13.337 |
315.502 |
|
Total to be blasted |
7.841 |
11.232 |
16.662 |
19.010 |
26.316 |
44.156 |
44.593 |
45.907 |
45.907 |
45.907 |
15.237 |
15.039 |
337.806 |
|
% Hard ROM to be blasted |
100% |
100% |
100% |
100% |
100% |
100% |
100% |
100% |
100% |
100% |
100% |
100% |
100% |
|
% Hard Waste to be blasted |
77% |
81% |
86% |
87% |
88% |
87% |
88% |
91% |
91% |
91% |
91% |
91% |
88% |
|
Stripping Ratio (t/t) |
5,07 |
6,10 |
9,00 |
10,33 |
14,50 |
25,67 |
25,67 |
25,66 |
25,66 |
25,66 |
7,76 |
8,66 |
16,00 |
|
Total Earthmoving - 1,000 t |
9.705 |
13.478 |
19.064 |
21.589 |
29.707 |
50.526 |
50.526 |
50.527 |
50.527 |
50.527 |
16.637 |
16.439 |
379.251 |
![]() |
| SGS Canada Inc. |
|
Technical Report – Grota do Cirilo Lithium Project – Araçuai and Itinga Regions, Minas Gerais, Brazil |
|
16.7.2 |
Operations |
Mining will commence after the removal and storage of topsoil and waste overburden material. Small excavators will be used initially for drainage work, digging trenches, minor material removal and material disposal. A hydraulic excavator equipped with a 4.4 m³ bucket was selected. For transport, road trucks (8X4) with a capacity of 40 t are planned.
|
16.7.2.1 |
Loading, Transporting and Unloading |
The ore and waste will be blasted, loaded by excavators, transported by trucks with a capacity of 40 t and unloaded on the ROM pad and waste dump respectively. If necessary, a hydraulic rockbreaker will be used to break oversize rock larger than the opening of the crusher's fixed grizzly grid.
The process plant will be fed at an average rate of 320tph, 24 hours per day, 7 days per week.
It is estimated that 100% of the ore, and 87% of the waste tonnage must be blasted using explosives.
As an initial assumption, a drilling diameter of 4 inches was adopted for ore with 5-metre-high benches and 5.5 inches for waste at 10 m high benches.
A careful analysis of the characteristics of the NDC deposit was performed to determine the most appropriate drilling equipment, as shown in Table 16-48.
Table 16‑48: Drilling Equipment for NDC-LDM Pit
|
Brand |
Model |
Diameter |
Type |
|
|
mm |
inch |
|||
|
Sandvik |
DP 1500 |
102 to 140 |
4.0 – 5.5 |
Production |
The drilling operation will be supported by a bulldozer and/or hydraulic excavator to carry out cleaning activities in the drilling areas, construction of access points to the drilling area, as well as the use of a hydraulic hammer coupled to the hydraulic excavator for rock handling in the operational area.
The rock blasting work comprises primary and secondary blasting and a hydraulic hammer will be used as required.
|
16.7.3 |
Explosives Supply |
The provision of explosives and the execution of blasting services will be carried out by a subcontractor specializing in blasting, under the guidance of Sigma mine management.
For the NDC-LDM and Murial mine, where appropriate, pumped slurry explosives, stemming and non-electrical detonation accessories and electronic accessories will be used.
During the mine operation, the daily blasting plans will be prepared by SMSA´s technical team and the results will be evaluated, and any necessary adjustments made to improve blasting effectiveness.
![]() |
| SGS Canada Inc. |
|
Technical Report – Grota do Cirilo Lithium Project – Araçuai and Itinga Regions, Minas Gerais, Brazil |
|
16.7.4 |
Explosive Magazine and Accessories |
The explosive magazines will be supplied and built by the company contracted to perform the mining activities. This company will supply and maintain a remote security system, following the guidelines of ORDINANCE No. 147 - COLOG, of November 21, 2019, which provides the administrative procedures for the use and storage of explosives and accessories, as well as ORDINANCE No. 56 - COLOG, of June 5, 2017, which provides the administrative procedures related to registration with the army for the use and storage of army-controlled products (PCE).
Area security will be established through compliance with the minimum distances from the storage location to inhabited areas, railways, or highways, according to distances established in the regulation for the Inspection of Controlled Products (R-105). To this end, the plan for transporting, handling and storage of explosives and explosive accessories will be reviewed by SMSA management so that all conditions are fully complied.
The security of products controlled by the army (PCE) will be guaranteed through the adoption of measures against deviations, loss, theft, and theft against obtaining knowledge about activities with PCE, in order to avoid their use in the practice of illicit acts. These measures will be included in the Security Plan.
Access control will be carried out electronically, 24 hours a day, covering storage and access areas. For this, cameras connected to a remote base will be used and monitored online.
The facilities will undergo regular internal inspection to ensure the integrity of the active and passive protection systems. In the case of accidents of any nature, the Security Plan will determine the procedures related to the simultaneous activation of the competent public security bodies, including military and civil police, army and fire department.
Contingency measures will be adopted in the event of accidents or detection of illegal practices with explosives, including information to the inspection of army-controlled products (PCE). In these situations, quick and safe activation of the monitoring center and competent authorities listed in the Security Plan will be adopted.
For the storage of explosive and blasting accessories, a Rustic Mobile Storage container, installed in accordance with Technical-Administrative Instruction No. 18/99-DFPC, is planned as shown in Figure 16-49. This structure consists of a box truck or adapted container located in a fenced and monitored area, under the same security and monitoring conditions applied to the explosive magazine as shown in Figure 16-50.
|
16.7.5 |
Fleet Monitoring System |
The fleet monitoring system (dispatch) to the NDC-LDM and Murial mine will be carried out through an electronic system that allows the monitoring and management of the mine's operation in real time. Sigma will work with solutions that allow for the monitoring, management, and optimization of the truck fleet. Using the most advanced hardware, the software monitors and manages each piece of equipment at all stages of the mining production cycle. The software uses algorithms that provide solutions to maximizing productivity and reduce operating costs.
A monitoring device is installed in each piece of equipment (excavator and truck) that is responsible for sending various information to the control centre, including: location, status of equipment, etc. A communication network will be established between the monitoring equipment, antennas, and the control centre, this enables the monitoring of the entire mine fleet, operations, and production with a high level of detail.
![]() |
| SGS Canada Inc. |
|
Technical Report – Grota do Cirilo Lithium Project – Araçuai and Itinga Regions, Minas Gerais, Brazil |
|
16.7.6 |
Work Shifts |
The mine workforce teams will work in various shift schedules. The administrative group will work 9 hours a day from Monday to Friday, with 1 hour off for a meal, and 4 hours on Saturday mornings. The operational team will work 7 days a week, 24 hours a day, in a 6x2 shift scheme, where the employees work 6 days consecutively, for 9 hours per shift, and then have 2 days off. This method of shift work provides uninterrupted work and is in accordance with Brazilian labour legislation. The explosives supplier will work 5 days per week.
|
16.7.7 |
Labour Mining |
SMSA is committed to prioritizing the hiring of local labour.
Table 16-49 lists the expected annual labour requirements for the first 12 years of mine life; these expectations will be adjusted as required during the mining operation.
![]() |
| SGS Canada Inc. |
|
Technical Report – Grota do Cirilo Lithium Project – Araçuai and Itinga Regions, Minas Gerais, Brazil |
Table 16‑49: NDC-LDM Staffing (Years 1-12)
|
Position |
Shift |
Nº Teams |
Year |
|||||||||||
|
Operation Team |
1 |
2 |
3 |
4 |
5 |
6 |
7 |
8 |
9 |
10 |
11 |
12 |
||
|
General Manager |
1 |
1 |
1 |
1 |
1 |
1 |
1 |
1 |
1 |
1 |
1 |
1 |
1 |
1 |
|
Mining Manager |
1 |
1 |
1 |
1 |
1 |
1 |
1 |
1 |
1 |
1 |
1 |
1 |
1 |
1 |
|
Mine Planning Manager |
1 |
1 |
1 |
1 |
1 |
1 |
1 |
1 |
1 |
1 |
1 |
1 |
1 |
1 |
|
Environmental & Safety Manager |
1 |
1 |
1 |
1 |
1 |
1 |
1 |
1 |
1 |
1 |
1 |
1 |
1 |
1 |
|
Mine Planning Supervisor |
1 |
1 |
1 |
1 |
1 |
1 |
1 |
1 |
1 |
1 |
1 |
1 |
1 |
1 |
|
Geology Supervisor |
1 |
1 |
1 |
1 |
1 |
1 |
1 |
1 |
1 |
1 |
1 |
1 |
1 |
1 |
|
Safety Supervisor |
1 |
1 |
1 |
1 |
1 |
1 |
1 |
1 |
1 |
1 |
1 |
1 |
1 |
1 |
|
Environmental Supervisor |
1 |
1 |
1 |
1 |
1 |
1 |
1 |
1 |
1 |
1 |
1 |
1 |
1 |
1 |
|
Contract Coordinator |
1 |
1 |
1 |
1 |
1 |
1 |
1 |
1 |
1 |
1 |
1 |
1 |
1 |
1 |
|
Senior Mine Engineer |
1 |
1 |
2 |
2 |
2 |
2 |
2 |
2 |
2 |
2 |
2 |
2 |
2 |
2 |
|
Mine Planner |
1 |
1 |
2 |
2 |
2 |
2 |
2 |
2 |
2 |
2 |
2 |
2 |
2 |
2 |
|
Geotechnical |
1 |
1 |
1 |
1 |
1 |
1 |
1 |
1 |
1 |
1 |
1 |
1 |
1 |
1 |
|
Senior Geologist |
1 |
1 |
2 |
2 |
2 |
2 |
2 |
2 |
2 |
2 |
2 |
2 |
2 |
2 |
|
Junior Mine Engineer |
1 |
1 |
2 |
2 |
2 |
2 |
2 |
2 |
2 |
2 |
2 |
2 |
2 |
2 |
|
Junior Mine Planner |
1 |
1 |
2 |
2 |
2 |
2 |
2 |
2 |
2 |
2 |
2 |
2 |
2 |
2 |
|
Junior Geologist |
1 |
1 |
2 |
2 |
2 |
2 |
2 |
2 |
2 |
2 |
2 |
2 |
2 |
2 |
|
Maintenance Engineer |
1 |
1 |
2 |
2 |
2 |
2 |
2 |
2 |
2 |
2 |
2 |
2 |
2 |
2 |
|
Dispatch Technician |
1 |
1 |
1 |
1 |
1 |
1 |
1 |
1 |
1 |
1 |
1 |
1 |
1 |
1 |
|
Dispatcher |
3 |
4 |
4 |
4 |
4 |
4 |
4 |
4 |
4 |
4 |
4 |
4 |
4 |
4 |
|
Team Leader Mine Training & Development |
1 |
2 |
1 |
1 |
1 |
1 |
1 |
1 |
1 |
1 |
1 |
1 |
1 |
1 |
|
Camp Support Officer & Data Technician |
1 |
1 |
1 |
1 |
1 |
1 |
1 |
1 |
1 |
1 |
1 |
1 |
1 |
1 |
|
Surveyor |
1 |
1 |
2 |
2 |
2 |
2 |
2 |
2 |
2 |
2 |
2 |
2 |
2 |
2 |
|
Assistant Surveyor |
1 |
1 |
8 |
8 |
8 |
8 |
8 |
8 |
8 |
8 |
8 |
8 |
8 |
8 |
|
Ore Sampler |
3 |
4 |
4 |
4 |
4 |
4 |
4 |
4 |
4 |
4 |
4 |
4 |
4 |
4 |
|
Field Inspector |
||||||||||||||
|
Sub Total |
55 |
55 |
55 |
55 |
55 |
55 |
55 |
55 |
55 |
55 |
55 |
55 |
||
|
Operators |
Shift |
Nº Teams |
1 |
2 |
3 |
4 |
5 |
6 |
7 |
8 |
9 |
10 |
11 |
12 |
|
Hydraulic Excavator |
3 |
4 |
12 |
16 |
24 |
28 |
36 |
60 |
60 |
60 |
60 |
56 |
20 |
20 |
|
Haul Truck |
3 |
4 |
76 |
96 |
132 |
140 |
184 |
340 |
344 |
344 |
344 |
340 |
164 |
160 |
|
Drilling Machine |
3 |
4 |
12 |
16 |
20 |
20 |
28 |
44 |
48 |
48 |
48 |
48 |
20 |
16 |
|
Wheel Loader |
3 |
4 |
8 |
8 |
8 |
8 |
8 |
8 |
8 |
8 |
8 |
8 |
8 |
8 |
![]() |
| SGS Canada Inc. |
|
Technical Report – Grota do Cirilo Lithium Project – Araçuai and Itinga Regions, Minas Gerais, Brazil |
|
Bulldozer CAT D8 T - Caterpillar |
3 |
4 |
4 |
4 |
8 |
8 |
12 |
16 |
16 |
16 |
16 |
16 |
8 |
8 |
|
Bulldozer CAT D6 T - Caterpillar |
3 |
4 |
4 |
5 |
8 |
9 |
12 |
20 |
20 |
20 |
20 |
19 |
7 |
7 |
|
Grader - Komatsu |
3 |
4 |
4 |
4 |
8 |
8 |
12 |
16 |
16 |
16 |
16 |
16 |
8 |
8 |
|
Operation Support Truck - Scania |
3 |
4 |
4 |
4 |
8 |
8 |
12 |
16 |
16 |
16 |
16 |
16 |
8 |
8 |
|
Water Truck (20.000 l) - Mercedes |
3 |
4 |
4 |
8 |
8 |
12 |
12 |
20 |
20 |
20 |
20 |
20 |
8 |
8 |
|
Backhoe Excavator - JVC |
3 |
4 |
4 |
4 |
4 |
8 |
8 |
12 |
12 |
12 |
12 |
12 |
4 |
4 |
|
Hydraulic Hammer - Komatsu |
3 |
4 |
4 |
4 |
8 |
8 |
8 |
12 |
12 |
12 |
12 |
12 |
4 |
4 |
|
Forklift - Hyster |
2 |
2 |
2 |
2 |
2 |
4 |
4 |
6 |
6 |
6 |
6 |
6 |
2 |
2 |
|
Blasting Support Truck - Scania |
3 |
4 |
4 |
4 |
8 |
8 |
8 |
12 |
12 |
12 |
12 |
12 |
4 |
4 |
|
Fuel and Lube Truck - Mercedes |
3 |
4 |
4 |
4 |
8 |
8 |
8 |
12 |
12 |
12 |
12 |
12 |
4 |
4 |
|
Crane Truck |
3 |
4 |
4 |
4 |
8 |
8 |
8 |
12 |
12 |
12 |
12 |
12 |
4 |
4 |
|
Crane (30 t of capacity) - SANYI |
1 |
1 |
1 |
1 |
1 |
1 |
1 |
1 |
1 |
1 |
1 |
1 |
1 |
1 |
|
Portable Lightning Tower - Pramac |
1 |
1 |
2 |
2 |
3 |
4 |
5 |
8 |
8 |
8 |
8 |
7 |
3 |
3 |
|
Light Vehicle - Mitsubish |
1 |
1 |
6 |
6 |
6 |
6 |
6 |
6 |
6 |
6 |
6 |
6 |
6 |
6 |
|
Detonation operator |
1 |
2 |
12 |
12 |
12 |
12 |
18 |
18 |
18 |
18 |
18 |
18 |
18 |
12 |
|
Subtotal Operation |
171 |
204 |
284 |
308 |
390 |
639 |
647 |
647 |
647 |
637 |
300 |
286 |
||
|
Maintenance team |
||||||||||||||
|
Mechanical Technician |
3 |
4 |
9 |
11 |
15 |
17 |
21 |
34 |
34 |
34 |
34 |
33 |
16 |
15 |
|
Electrical Technician |
2 |
2 |
2 |
3 |
4 |
4 |
5 |
8 |
8 |
8 |
8 |
8 |
4 |
4 |
|
Auxiliary Mechanical |
3 |
4 |
9 |
11 |
15 |
17 |
21 |
34 |
34 |
34 |
34 |
33 |
16 |
15 |
|
Auxiliary Electrician |
2 |
2 |
2 |
3 |
4 |
4 |
5 |
8 |
8 |
8 |
8 |
8 |
4 |
4 |
|
Welding Technician |
2 |
2 |
2 |
2 |
3 |
3 |
4 |
7 |
7 |
7 |
7 |
7 |
3 |
3 |
|
Tyre Repairman |
1 |
1 |
2 |
3 |
4 |
4 |
5 |
8 |
8 |
8 |
8 |
8 |
4 |
4 |
|
Maintenance Assistant |
1 |
2 |
5 |
6 |
8 |
8 |
10 |
17 |
17 |
17 |
17 |
17 |
8 |
8 |
|
Maintenance Management & Control |
1 |
1 |
2 |
3 |
4 |
4 |
5 |
8 |
8 |
8 |
8 |
8 |
4 |
4 |
|
Subtotal Maintenance |
34 |
41 |
56 |
61 |
76 |
124 |
125 |
125 |
125 |
123 |
58 |
56 |
||
|
Absenteeism (4%) |
8 |
10 |
14 |
15 |
19 |
30 |
31 |
31 |
31 |
30 |
14 |
14 |
||
|
Vacation Team |
19 |
23 |
32 |
35 |
44 |
72 |
73 |
73 |
73 |
72 |
34 |
32 |
||
|
Total General |
287 |
333 |
441 |
474 |
583 |
920 |
931 |
931 |
931 |
917 |
461 |
444 |
Note: Year 13-16 for NDC-LDM will follow the personnel schedule. Murial -Year 16-21 (same personnel schedule)
![]() |
| SGS Canada Inc. |
|
Technical Report – Grota do Cirilo Lithium Project – Araçuai and Itinga Regions, Minas Gerais, Brazil |
|
16.7.8 |
Labour and Equipment |
For the mobilization of technical and operation’s manpower, priority will be given to local people and those living near Araçuaí & Itinga municipalities, and the following criteria:
|
● |
Recruitment |
|
● |
Selection |
|
● |
Conducting admission exams |
|
● |
SMSA integration |
|
● |
Introductory equipment/vehicle training |
|
● |
Initiation into assisted operation |
|
● |
Final aptitude test |
|
16.7.9 |
Site Construction |
The construction site will consist of:
|
● |
Mine Office |
|
● |
Meeting room |
|
● |
Control room |
|
● |
Auditorium |
|
● |
Cafeteria |
|
● |
Changing rooms |
|
● |
First aid post |
|
● |
Warehouse |
|
● |
Workshop |
|
● |
Washing ramp |
|
● |
Oil and grease storage area |
|
● |
Fuel storage area |
|
● |
Recreation area |
|
● |
Explosive magazine |
The total area of mine infrastructure for NDC will be approximately 1,390 m², and the total area that the buildings will occupy is approximately 1.5 hectares.
All built-up areas will have waterproof flooring, so that there is no risk of soil contamination from the operations, especially in the workshop and washing ramp. The runoff from the roofs will be drained into the gutters to supply the cistern, which will be used at the washing ramp. After using the water in the washing ramp, the water will be sent to the effluent treatment station, which starts in the decanter, followed by the oil and grease separator box with capacity of 20m³/day.
The water and oil separator system must operate at a flow rate of 20m³/day, which complies with the ABNT NBR 14605 standard and the ASTM D 6104/03 international standard. The analysis standards to verify the efficiency and quality of the water must follow the CONAMA Resolution No. 357/2005 for the parameters of oils and greases. After treatment the water will be pumped back to the process water tank.
![]() |
| SGS Canada Inc. |
|
Technical Report – Grota do Cirilo Lithium Project – Araçuai and Itinga Regions, Minas Gerais, Brazil |
|
16.7.10 |
Wastewater Treatment |
Step 1: The effluent from the drains (channels) from the workshop, washing ramp and oil deposit, oil and grease separator stage, will be drained to the decanter where it will undergo the first sedimentation process. The process consists of separating solid particles from water by the action of gravity. The flow velocity of the liquid is reduced, favoring the sedimentation of these particles. The water enters the next step, which further separates the suspended solids. The solids from the first process are deposited at the bottom of the decanter, where they will be periodically removed.
Step 2: In the module for separation of solids (MSS) the solids coming from the water used to wash the equipment are separated by the process of gravity and sedimentation of the particles. This process removes the remaining particulate matter suspended in the fluid, allowing oil and water to flow to the next stage, avoiding the silting of the remaining procedure. Solids will be removed and stored in an appropriate place.
Step 3: The water and oil separator box (WOSB) receive all the effluent from the MSS process. This system has, among others, two basic constituents: water and oil. The process of separating water and oil occurs by density difference. The clean water will be released into the rainwater drainage network. Periodically (biannually) samples will be collected at the final outlet, the third box of the water and oil separation system, so that the efficiency of the system and the quality of the effluent is known.
Step 4: The supernatant oil goes to the oil collection reservoir (OCR) to be removed and sent for recycling. Used oils will be sent to a certified and approved company, with the relevant documentation and authorization, in accordance with the applicable legal requirements. Likewise, tailings will be monitored, in relation to quantity and classification, and recorded in the waste inventory worksheet of the Sigma integrated management system.
Step 5: Contaminated oil and grease residues (Class I) must be packed in properly identified drums and sent to an appropriate collection company. This waste output will be registered by Sigma by filling out the waste transport manifest (MTR), according to the waste management procedure.
|
16.7.11 |
Solid Waste Management |
To meet the demand for internal solid waste generation, SMSA will have a waste deposit located next to the oil storage structure, physically separated in accordance with safety standards, such as physical divisions, roof, waterproofed floor, channels, and drains. Next to this will be located waste disposal bays for items such as plastic, paper/cardboard, metals, glass, and contaminated waste (towels, filters, PPE, etc.). Tires must be stored inside the warehouse until they are sent to their final destination off site. Organic waste must be delivered to locations properly prepared to receive this type of material. Figure 16-52 shows the solid waste temporary storage layout.
According to ABNT NBR 10.004 - Waste Classification, waste must be collected, segregated/packaged, and sent to the final destination, to companies licensed by the appropriate environmental agency. Periodically, SMSA will be monitoring their waste generation, and checking the internal waste inventory worksheet, a tool that it uses within the integrated management system.
The effluent treatment stations will have a certificate of Technical Function Annotation (AFT) of the person responsible and duly qualified.
![]() |
| SGS Canada Inc. |
|
Technical Report – Grota do Cirilo Lithium Project – Araçuai and Itinga Regions, Minas Gerais, Brazil |
|
16.7.12 |
Site Access |
The construction of site access necessary to start ore mining operations, waste removal, access to the waste dump and marginal ore, auxiliary accesses and others that may be required will be carried out according to the specific project’s requirements.
If necessary, land clearing, including the removal of trees, undergrowth and debris will be performed using a D6T crawler tractor with ripper. The material removed will be loaded with a 35t excavator and transported with trucks with a capacity of 20m³.
The leveling of accesses, considering slope and slope for land drainage will be carried out through cutting and filling using a D6T crawler tractor, 35 t and 55 t excavator, 20m³ trucks, grader, and water trucks. Low strength soils will be replaced. Surface drainage and construction of berms will be carried out with a 20 t excavator.
|
16.7.13 |
Road Construction and Maintenance |
The construction and maintenance of site roads will require the following:
|
● |
Initial construction of the roads |
|
● |
Water and storm drainage |
|
● |
Construction of safety berms |
|
● |
Reflective signage |
|
● |
Dust suppression |
|
6.7.14 |
Excavation, Loading, Transport and Soil Treatment |
The excavation stage will start after the removal and storage of the topsoil.
As the excavation progresses, drainage systems will be installed to avoid the accumulation of rainfall.
It is planned to mobilize a 20 t excavator for drainage services, trench excavation, material disposal and small handling. 70 t and 45 t excavators will be used according to the volume requirements for large and medium volumes. For transport, 8x4 trucks, with a capacity of 40 t, will be used, allowing for productivity and safety.
|
16.7.15 |
Drilling and Blasting |
The geology and rock types at the NDC-LDM deposit are crucial for defining drilling and blasting parameters, which relates to mining recovery.
It is important to know the limits of the ore body to minimize dilution and losses. SMSA will have a geologist as part of its technical staff who will work directly with the drilling, blasting and loading teams. Employees who are directly involved in activities related to optimizing the mining recovery, such as drill operators, drilling assistants, rock blasting team, and excavator operators, will be trained to recognize minerals to avoid deviation from planned mineral boundaries.
As this is a greenfield project, it is foreseeable that SMSA's technical teams will go through a learning period based on the empirical results acquired with operation commencement. Naturally, changes to rock blast parameters and operating methods will be required. Consideration should be given not only to the complexity of the geological formation and the operational challenges resulting from this condition, but also to the context of the environment in which the mine will be located.
![]() |
| SGS Canada Inc. |
|
Technical Report – Grota do Cirilo Lithium Project – Araçuai and Itinga Regions, Minas Gerais, Brazil |
Previous studies (pre-blast survey) before the first blasting should be developed to establish the minimum distances between pre-existing structures that will be kept and the blasted benches. As a result, restrictions or opportunities relating to the maximum load per drill hole may be revealed, which may indicate the maximum blasthole diameter, as well as the type of accessories used. These factors, among others, may imply technical and commercial adjustments throughout the life of the mine operation, Table 16-50 and Table 16-51 detail the drilling and blasting for ore and waste respectively.
![]() |
| SGS Canada Inc. |
|
Technical Report – Grota do Cirilo Lithium Project – Araçuai and Itinga Regions, Minas Gerais, Brazil |
Table 16‑50: Preliminary Blasting Plan: Ore
|
Ore Blast design |
Unit |
Value |
|||||||||||
|
Bench height |
m |
5,00 |
|||||||||||
|
Blast hole diameter |
(') |
4 |
|||||||||||
|
Blast hole diameter |
m |
0,102 |
|||||||||||
|
Burden |
m |
2,50 |
|||||||||||
|
Spacing |
m |
3,00 |
|||||||||||
|
Subdrill |
m |
0,50 |
|||||||||||
|
Total hole depth |
m |
5,50 |
|||||||||||
|
Stemming |
m |
1,30 |
|||||||||||
|
Bottom charge |
m |
||||||||||||
|
Column charge |
m |
4,20 |
|||||||||||
|
Explosive density |
g/cm3 |
1,21 |
|||||||||||
|
Specific charge |
kg/ml |
9,80 |
|||||||||||
|
Hole charge |
kg/hole |
41,15 |
|||||||||||
|
Volume per hole |
m3 |
41,25 |
|||||||||||
|
Tonnes per hole |
t |
116,94 |
|||||||||||
|
Powder factor |
kg/m3 |
1,00 |
|||||||||||
|
Powder factor |
Kg/t |
0,35 |
|||||||||||
|
Ore Detonation data |
Unit |
1 |
2 |
3 |
4 |
5 |
6 |
7 |
8 |
9 |
10 |
11 |
12 |
|
Blasted Material – wet basis |
1.000 t |
1.600 |
1.899 |
1.906 |
1.905 |
1.917 |
1.895 |
1.895 |
1.895 |
1.895 |
1.895 |
1.900 |
1.702 |
|
Volume |
1.000 m3 |
564 |
670 |
672 |
672 |
676 |
668 |
668 |
668 |
668 |
669 |
670 |
600 |
|
Number of hole/year |
unit |
13.683 |
16.238 |
16.300 |
16.289 |
16.393 |
16.202 |
16.203 |
16.205 |
16.204 |
16.207 |
16.247 |
14.552 |
|
Number of hole/week |
unit |
263 |
312 |
313 |
313 |
315 |
312 |
312 |
312 |
312 |
312 |
312 |
280 |
|
Number of hole / day |
unit |
37 |
44 |
45 |
45 |
45 |
44 |
44 |
44 |
44 |
44 |
45 |
40 |
|
Days per week available to detonation |
5 |
||||||||||||
|
Blast design |
|||||||||||||
|
Number of hole / day |
unit |
37 |
44 |
45 |
45 |
45 |
44 |
44 |
44 |
44 |
44 |
45 |
40 |
|
Number Detonation per day |
unit |
2 |
3 |
3 |
3 |
2 |
2 |
2 |
2 |
2 |
2 |
2 |
2 |
|
holes per detonation |
unit |
19 |
15 |
15 |
15 |
22 |
22 |
22 |
22 |
22 |
22 |
22 |
20 |
|
Tones per day |
t |
6.154 |
7.304 |
7.331 |
7.327 |
7.373 |
7.288 |
7.288 |
7.289 |
7.288 |
7.290 |
7.308 |
6.545 |
|
Year |
|||||||||||||
|
Ore Consumption |
1 |
2 |
3 |
4 |
5 |
6 |
7 |
8 |
9 |
10 |
11 |
12 |
|
|
60% Emulsion/40% ANFO - 1.21 g/cm3 |
Kg x 1,000 |
563 |
668 |
671 |
670 |
675 |
667 |
667 |
667 |
667 |
667 |
669 |
599 |
|
Booster 250 g |
unit |
12.315 |
14.615 |
14.670 |
14.660 |
14.754 |
14.582 |
14.582 |
14.584 |
14.584 |
14.586 |
14.622 |
13.097 |
|
Detonating cord |
m |
41.049 |
48.715 |
48.899 |
48.867 |
49.180 |
48.607 |
48.608 |
48.614 |
48.612 |
48.620 |
48.741 |
43.655 |
|
Non Electric detonator |
unit |
282 |
335 |
336 |
336 |
338 |
334 |
334 |
334 |
334 |
334 |
335 |
300 |
|
Burning fuse |
unit |
520 |
780 |
780 |
780 |
520 |
520 |
520 |
520 |
520 |
520 |
520 |
520 |
|
Kg Explosive / t detonated |
Kg/t |
0,35 |
0,35 |
0,35 |
0,35 |
0,35 |
0,35 |
0,35 |
0,35 |
0,35 |
0,35 |
0,35 |
0,35 |
![]() |
| SGS Canada Inc. |
|
Technical Report – Grota do Cirilo Lithium Project – Araçuai and Itinga Regions, Minas Gerais, Brazil |
Table 16‑51: Preliminary Blasting Plan: Waste
|
Waste Blast design |
Unit |
Value |
|||||||||||
|
Bench height |
m |
10,00 |
|||||||||||
|
Blast hole diameter |
(') |
5,5 |
|||||||||||
|
Blast hole diameter |
m |
0,140 |
|||||||||||
|
Burden |
m |
3,50 |
|||||||||||
|
Spacing |
m |
4,20 |
|||||||||||
|
Subdrill |
m |
1,00 |
|||||||||||
|
Total hole depth |
m |
11,00 |
|||||||||||
|
Stemming |
m |
1,50 |
|||||||||||
|
Bottom charge |
m |
||||||||||||
|
Column charge |
m |
9,50 |
|||||||||||
|
Explosive density |
g/cm3 |
1,21 |
|||||||||||
|
Specific charge |
kg/ml |
18,52 |
|||||||||||
|
Hole charge |
kg/hole |
175,96 |
|||||||||||
|
Volume per hole |
m3 |
161,70 |
|||||||||||
|
Tonnes per hole |
t |
458,42 |
|||||||||||
|
Powder factor |
kg/m3 |
1,09 |
|||||||||||
|
Powder factor |
Kg/t |
0,38 |
|||||||||||
|
Waste Blast data |
Unit |
1 |
2 |
3 |
4 |
5 |
6 |
7 |
8 |
9 |
10 |
11 |
12 |
|
Blasted Material |
1.000 t |
6.241 |
9.333 |
14.756 |
17.106 |
24.399 |
42.261 |
42.699 |
44.012 |
44.012 |
44.012 |
13.337 |
13.337 |
|
Volume |
1.000 m3 |
2.340 |
3.499 |
5.533 |
6.414 |
9.149 |
15.846 |
16.010 |
16.502 |
16.502 |
16.502 |
5.001 |
5.001 |
|
Number of hole/year |
unit |
14.472 |
21.641 |
34.216 |
39.665 |
56.577 |
97.995 |
99.010 |
102.055 |
102.055 |
102.055 |
30.926 |
30.926 |
|
Number of hole/week |
unit |
278 |
416 |
658 |
763 |
1.088 |
1.885 |
1.904 |
1.963 |
1.963 |
1.963 |
595 |
595 |
|
Number of hole / day |
unit |
40 |
59 |
94 |
109 |
155 |
268 |
271 |
280 |
280 |
280 |
85 |
85 |
|
Days per week available to detonation |
5 |
||||||||||||
|
Blast design |
|||||||||||||
|
Number of hole / day |
unit |
40 |
59 |
94 |
109 |
155 |
268 |
271 |
280 |
280 |
280 |
85 |
85 |
|
Number Detonation per day |
unit |
1 |
2 |
2 |
2 |
2 |
2 |
2 |
2 |
2 |
2 |
2 |
2 |
|
holes per detonation |
unit |
40 |
30 |
47 |
54 |
78 |
134 |
136 |
140 |
140 |
140 |
42 |
42 |
|
Tones per day |
t |
24.004 |
35.895 |
56.753 |
65.791 |
93.843 |
162.542 |
164.225 |
169.275 |
169.275 |
169.275 |
51.296 |
51.296 |
|
Year |
|||||||||||||
|
Waste Consumption |
1 |
2 |
3 |
4 |
5 |
6 |
7 |
8 |
9 |
10 |
11 |
12 |
|
|
60% Emulsion/40% ANFO - 1.21 g/cm3 |
Kg x 1,000 |
2.396 |
3.582 |
5.664 |
6.566 |
9.365 |
16.221 |
16.389 |
16.893 |
16.893 |
16.893 |
5.119 |
5.119 |
|
Booster 250 g |
unit |
13.025 |
19.477 |
30.794 |
35.698 |
50.920 |
88.196 |
89.109 |
91.849 |
91.849 |
91.849 |
27.833 |
27.833 |
|
Detonating cord |
m |
60.782 |
90.891 |
143.707 |
166.592 |
237.624 |
411.580 |
415.843 |
428.631 |
428.631 |
428.631 |
129.888 |
129.888 |
|
Non Electric detonator |
unit |
1.170 |
1.750 |
2.766 |
3.207 |
4.574 |
7.923 |
8.005 |
8.251 |
8.251 |
8.251 |
2.500 |
2.500 |
|
Burning fuse |
unit |
260 |
520 |
520 |
520 |
520 |
520 |
520 |
520 |
520 |
520 |
520 |
520 |
|
Kg Explosive / t detonated |
Kg/t |
0,38 |
0,38 |
0,38 |
0,38 |
0,38 |
0,38 |
0,38 |
0,38 |
0,38 |
0,38 |
0,38 |
0,38 |
![]() |
| SGS Canada Inc. |
|
Technical Report – Grota do Cirilo Lithium Project – Araçuai and Itinga Regions, Minas Gerais, Brazil |
Based upon the rock characteristics and operating parameters, the top hammer drilling method has been chosen. Due to experience with and availability of the equipment, tools, original replacement parts, and technical services, the authors recommend the Sandvik equipment listed in Table 16-52.
Table 16‑52: List of Selected Equipment
|
Size |
Brand |
Series |
Model |
Hammer |
Diameter |
Type |
|
|
mm |
inch |
||||||
|
23 t |
Sandvik |
Pantera |
DP1500 |
Top |
102 to 140 |
4.0” a 5.5” |
Production, pre-split, occasional services |
|
16 t |
Sandvik |
Ranger |
DX800 |
Top |
76 to 114 |
3.0” a 4.5” |
Production, pre-split, secondary blasts |
Using the parameters established for blasting, it was possible to calculate the drills requirements needed to meet the planned production schedule for the NDC-LDM mine.
A drop in physical availability over time due to the natural wear and tear and increased use of the equipment once the mine is operational is expected. An efficiency factor was also included for the learning period needed by the operational team and for optimization of operations over time.
If the fleet has operational variations throughout the mine life, it is understood that operations planning will be adjusted, making it possible to optimize the available resources.
If it is necessary to implement different grids than was originally planned or to add slope preservation methods, such as damping lines, pre-cut or post-cut, the amount of drilling will tend to increase. Should an increase in the amount of drilling be required, the fleet and staff will be adequate to meet this demand.
The proposed top hammer drills have an operating cabin with ROPS/FOPS certification, air conditioning, acoustic insulation system, dust collector, hole cleaning air monitoring system, rod greasing system, angle and depth gauge, and water injection for dust control.
The drilling operation will be supported by a bulldozer and/or hydraulic excavator to carry out the cleaning and preparation of the drilling benches, access construction to the drilling benches, as well as a hydraulic rock breaker coupled to the hydraulic excavator to remove blocks in the operational area.
|
16.7.16 |
Blasting Plan |
During the operation, the daily blast plans will be prepared by the explosive supplier’s technical staff. These plans will be analysed and validated by the SMSA rock blasting team.
After each blast, the blast plan will be updated according with the equipment quantities actually used. Physical and digital copies of all generated documentation will be kept, which will be available for audits or inspection by regulatory bodies.
![]() |
| SGS Canada Inc. |
|
Technical Report – Grota do Cirilo Lithium Project – Araçuai and Itinga Regions, Minas Gerais, Brazil |
| 16.7.17 |
Execution of Blasting |
Rock blasts will be carried out on scheduled dates, the frequency of which will meet the demand for blasted ore and waste.
For all rock blasting, the authorities will also be previously communicated through the Rock Blasting Notice, as per Annex of ORDINANCE No. 147 - COLOG, of November 21, 2019.
|
16.7.18 |
Fragmentation Control |
The fragmentation control will be carried out through specialized software, generating granulometric distribution curves from photographic records. This monitoring allows for blast pattern adjustments, sequencing and other parameters according to the results history. Monitoring will be carried out on a monthly basis for rock blasting and/or whenever the contractor's technical team deems is necessary to optimize the operation.
Figure 16-53 shows an example of image analysis and particle size distribution calculation using granulometric distribution curves.
The blasts will be filmed with high-definition cameras that allow a detailed visual assessment of factors such as detonation sequencing, mass displacement, top stemming efficiency and ultra-launch.
![]() |
| SGS Canada Inc. |
|
17 |
RECOVERY METHODS |
|
17.1 |
PROCESSING OVERVIEW |
The Xuxa concentrator is situated approximately 1.5 km northeast of the Xuxa open-pits. The lithium oxide concentrate is produced by Dense Medium Separation (DMS). The DMS plant is designed based on Xuxa design parameters and will produce a lithium oxide concentrate with a target grade of 5.3% Li2O. The Xuxa plant throughput capacity is based on 1.8 Mtpa (dry) of ore fed to the crushing circuit.
A second DMS concentrator will be constructed to process the Barreiro ore (Phase 2). This plant will produce a lithium oxide concentrate with a target grade of 5.3% Li2O from an average ore grade of 1.36% Li2O (diluted). The Barreiro plant throughput capacity is based on 1.85 Mtpa (dry) of ore fed to the crushing circuit.
Phase 3 involves the construction of a third DMS concentrator. The standalone NDC plant would be a duplicate of the Barreiro design, with a plant capacity based on 1.85 Mtpa (dry) of ore fed to the crushing circuit and an average ore grade of 1.45% Li2O (diluted). The combined plant throughput capacity is 3.9 Mtpa (dry) of ore fed to a dedicated crushing circuit from both the Barreiro and NDC ore bodies. The plant is designed to produce a combined spodumene and petalite concentrate of 5.3% Li2O.
|
17.2 |
NEZINHO DO CHICÃO TRADE-OFF UPDATE |
As part of the Nezinho do Chicão design, studies were completed to define and plan the scope of work for Phase 2 and Phase 3 of the project. The study builds on the previous work done for Xuxa FEED estimates and the Barreiro PFS.
Two scenarios were analyzed in the study through an economic assessment of the three phases of the project. The two plant scenarios are:
|
● |
Scenario 1: Phase 1 (Existing Xuxa Plant) and Phase 2 (Barreiro Plant - as per PFS) - the addition of a scavenger (Petalite) DMS circuit in year 8 |
|
● |
Scenario 2: Phase 1 (Existing Xuxa Plant) + Phase 2 (New Barreiro Plant - with petalite DMS circuit) + Phase 3 (Duplicate Barreiro Plant with a petalite DMS circuit for the NDC ore body) |
A high-level mass balance of the various scenarios is presented in Table 17-1.
![]() |
| SGS Canada Inc. |
Table 17‑1: High-Level Mass Balance for Scenario 1, 2 and 3
|
Scenario |
Parameter |
Unit |
Phase 1 Xuxa |
Phase 2 Barreiro |
Phase 3 NDC |
|
|
Crushing Throughput - Nom |
Mtpa |
1.8 |
1.83 |
N/A |
|
Crushing Throughput - Des |
dt/h |
285 |
390 |
N/A |
|
|
Wet Plant Throughput - Nom |
Mtpa |
1.7 |
1.85 |
N/A |
|
|
Wet Plant Throughput - Des |
dt/h |
235 |
250 |
N/A |
|
|
Process Water Demand |
m³/hr |
2500 |
2500 |
N/A |
|
|
Raw Water Demand |
m³/hr |
38.6 |
41.5 |
N/A |
|
| 1 |
Recrush Feed |
dt/h |
0 |
N/A |
N/A |
|
Coarse Scav DMS Feed |
dt/h |
N/A |
N/A |
N/A |
|
|
Fine Scav DMS Feed |
dt/h |
N/A |
N/A |
N/A |
|
|
UF Scav DMS Feed |
dt/h |
N/A |
N/A |
N/A |
|
|
Wet Tails (Th. Fresh Feed) |
dt/h |
37.9 |
39.6 |
N/A |
|
|
BFD |
Figure 17 2 |
Figure 17 2 |
N/A |
||
|
Study/data Status |
- |
DFS |
PFS |
N/A |
|
|
|
Crushing Throughput |
Mtpa |
1.7 |
1.85 |
1.85 |
|
Crushing Throughput - Design |
dt/h |
285 |
285 |
273 |
|
|
Wet Plant Throughput |
Mtpa |
1.7 |
1.85 |
1.85 |
|
|
Wet Plant Throughput - Design |
dt/h |
250 |
250 |
250 |
|
|
Process Water Demand |
m³/hr |
2500 |
2500 |
2500 |
|
|
Raw Water Demand |
m³/hr |
38.6 |
41.5 |
41.5 |
|
| 2 |
Recrush Feed |
dt/h |
23.8 |
15.2 |
15.2 |
|
Coarse Scav DMS Feed |
dt/h |
N/A |
58.7 |
58.7 |
|
|
Fine Scav DMS Feed |
dt/h |
N/A |
30.2 |
30.2 |
|
|
UF Scav DMS Feed |
dt/h |
N/A |
N/A |
N/A |
|
|
Wet Tails (Th. Fresh Feed) |
dt/h |
37.9 |
39.6 |
39.6 |
|
|
BFD |
Figure 17 2 |
Figure 17 2 |
Figure 17 2 |
||
|
Study/data Status |
- |
DFS |
PEA |
PEA |
|
|
|
Crushing Throughput |
Mtpa |
1.7 |
3.9 |
|
|
Crushing Throughput - Design |
dt/h |
285 |
558 |
||
|
Wet Plant Throughput |
Mtpa |
1.7 |
3.9 |
||
|
Wet Plant Throughput - Design |
dt/h |
250 |
530 |
||
|
Process Water Demand |
m³/hr |
2500 |
5300 |
||
|
Raw Water Demand |
m³/hr |
38.6 |
88.0 |
||
| 3 |
Recrush Feed |
dt/h |
23.8 |
32.2 |
|
|
Coarse Scav DMS Feed |
dt/h |
N/A |
124.4 |
||
|
Fine Scav DMS Feed |
dt/h |
N/A |
64.0 |
||
|
UF Scav DMS Feed |
dt/h |
N/A |
N/A |
||
|
Wet Tails (Th. Fresh Feed) |
dt/h |
37.9 |
83.9 |
||
|
BFD |
Figure 17 2 |
Figure 17 2 |
|||
|
Study/data Status |
- |
DFS |
PEA |
||
![]() |
| SGS Canada Inc. |
|
17.3 |
XUXA PROCESS PLANT (PHASE 1) |
|
17.3.1 |
General Description |
The Xuxa lithium oxide concentrator process plant is designed based on a proven DMS circuit and includes the following:
|
● |
A three-stage conventional crushing and screening circuit |
|
● |
DMS screening and mica removal via up-flow classification |
|
● |
Two-stage DMS circuit for the coarse fraction |
|
● |
Two-stage DMS circuit for the fines fraction with a magnetic separation step |
|
● |
Two-stage DMS circuit for the ultrafines fraction with a magnetic separation step |
|
● |
Thickening, filtration (belt filter) and dry stacking of hypofines fraction with the waste |
|
● |
Tailings from the DMS plant trucked for co-disposal with the waste rock. |
Figure 17 1 shows the layout for the crushing circuit and DMS plant.

Figure 17‑1: Xuxa Process Plant
Ore trucked from the mine is stacked on ROM stockpiles. A Front-End Loader (FEL) feeds material into the ROM bin, and an apron feeder draws the material into the primary crusher. A magnet installed at the discharge chute of the primary crusher discharge conveyor removes any tramp metal as the material is fed to the scalping screen. The oversize material of the scalping screen is fed to the secondary cone crusher for size reduction via the secondary crusher feed conveyor. The secondary cone crusher product is combined with the tertiary cone crusher product and conveyed to the classification screen. The classification screen undersize material (-9.5 mm) combines with the scalping screen undersize (-9.5mm) and is conveyed to the DMS crushed ore bin. The classification screen oversize material is conveyed to the tertiary cone crusher feed bins for feeding into the tertiary crushers for further size reduction with the tertiary crusher product returning to the classification screen.
![]() |
| SGS Canada Inc. |
The DMS crushed ore bin provides an 8-hour live capacity buffer between the crushing plant and the wet plant ensuring stable operation. The DMS crushed ore feed bin has been designed with a diversion chute to direct the crusher plant product into a DMS emergency stockpile for additional storage. A DMS emergency feed bin with a feeder is installed to allow for the reclamation of material from the DMS emergency stockpile to the wet plant in cases in which the DMS crushed ore bin is not available.
The wet plant consists principally of a two-stage DMS circuit for coarse fractions, a two-stage DMS circuit for fines fractions and a two-stage DMS circuit for the ultrafines fraction.
The sinks from the secondary stage coarse DMS and the secondary stage fines DMS post wet magnetic separation report to the DMS product stockpile for truck loading and transport to the customer.
The floats from the primary and secondary stage coarse DMS cyclone, primary and secondary stage fines cyclones and the primary and secondary stage ultrafines cyclone report to a tailings stockpile.
The sinks from the secondary ultrafines DMS report to the ultrafines product stockpile for blending with coarse/fine spodumene product for sale to customers.
The overflow of the fines and ultrafines upflow classifier with the fines DMS feed preparation screen undersize and the magnetic fraction of the fines and ultrafines DMS circuit are fed to the screw classifier for dewatering. The screw classifier underflow is combined with the floats from the DMS plants before disposal at the waste storage facility.
The tails thickener and filtration system receive both the ultrafines DMS feed preparation screen undersize and the screw classifier overflow for dewatering to produce a filter cake before conveying it to the hypofines stockpile.
Consideration will be given to re-crush the secondary coarse float fraction in the Phase 2 Plant.
During FEED, the process mass balance and all technical documentation were updated to reflect the changes in design.
Figure 17‑2 is a block flow diagram for the crushing circuit and the DMS plant.
![]() |
| SGS Canada Inc. |

Figure 17‑2: Block Flow Diagram for Xuxa Crushing Circuit and DMS Plant
![]() |
| SGS Canada Inc. |
|
17.3.2 |
Crushing Facilities |
The Xuxa crushing circuit is a fixed plant operation designed to process a nominal throughput of 1.8 million tonnes per annum (Mtpa). The crushing circuit will include a ROM pad, ROM bin, apron feeder, vibrating grizzly feeder, jaw crusher, scalping screen, secondary cone crusher, classification screen and two tertiary cone crushers. ROM from the mine will be trucked and tipped onto ROM stockpiles on the ROM pad. The crushed product from the crusher plant is stored in a DMS crushed ore bin equipped with reclaim belt feeder upstream of the wet-plant feed. The DMS crushed ore bin is sized for nominal eight hours storage with additional capacity via underflow stockpile and front-end loader reclaim to an emergency hopper and feeder.
The primary crusher is designed to be fed via a front-end loader and can accommodate a nominal feed size of up to 960 mm. Primary crushed ore feeds a double deck scalping screen where -9.5 mm material is removed as final crushed ore and +9.5 mm material is conveyed to a secondary crusher. Secondary crushed ore feeds a double deck classification screen where -9.5 mm material is combined with scalping screen undersize and conveyed to the crushed ore feed bin and +9.5 mm material feeds two tertiary crushers. Tertiary crushed material combines with secondary crushed material feeding the classification screen. When the crushing plant is not operating, the DMS plant may be fed via front-end loader from stockpiles from an emergency feed bin and feeder.
Figure 17-3 and Figure 17-4 show the crushing circuit and DMS plant layouts.

Figure 17‑3: Sigma Crushing and DMS Plant Overview
![]() |
| SGS Canada Inc. |

Figure 17‑4: Sigma Primary Crushing Facility and Crushed Ore Bin
|
17.3.3 |
DMS Plant |
Crushed ore from the DMS crushed ore feed bin is conveyed to a sizing screen to remove the -1.7 mm material which will be sent to the ultrafine DMS circuit. The -9.5 mm / +1.7 mm material will report to the DMS coarse sizing screen where it is screened at 4.0 mm to produce:
|
● |
-9.5 mm / +4.0 mm coarse product which reports to the primary coarse DMS |
|
● |
-4.0 mm / +1.7 mm fines product which reports to the primary fines DMS via a REFLUX™ classifier |
The coarse and fine DMS circuits comprise primary and secondary DMS cyclones, which efficiently separate spodumene from the gangue material to produce a target 5.3% Li2O concentrate grade. Mica will be removed from the fines stream by a REFLUX™ classifier before feeding the DMS fines preparation screen.
Before feeding the primary DMS cyclones, each ore stream (coarse and fine) is mixed with ferrosilicon slurry and pumped to the respective coarse and fine primary DMS cyclones. The ferrosilicon slurry density is carefully controlled to enable the gravity separation of spodumene from minerals with a lower SG. Spodumene has a higher specific gravity (SG) than most other gangue minerals, and consequently, the spodumene will report to the DMS cyclone underflow (sinks), while the gangue material will report to the DMS cyclone overflow (floats).
Figure 17-5 shows the plant layout in relation to the stockpile areas.
![]() |
| SGS Canada Inc. |

Figure 17‑5: Sigma Xuxa DMS Plant and Product Stockpiles
|
17.3.3.1 |
Primary DMS Circuit (Coarse and Fines) |
The primary DMS circuit has two sets of DMS cyclones (coarse and fines). They both share the same target SG cut point (2.65) ferrosilicon medium.
The floats from the primary coarse DMS cyclones are sent to tailings, while the underflow streams (sinks) report to the secondary coarse DMS cyclones.
The primary fines DMS circuit feed is processed through a REFLUX™ classifier, which aims to remove a portion of the mica. This mica stream is dewatered and report to tailings, while the REFLUX™ classifier underflow reports to the primary fines DMS cyclones. The floats from the primary fines DMS cyclones are sent to tailings, while the underflow streams (sinks) report to the secondary fines DMS cyclones.
|
17.3.3.2 |
Secondary DMS Circuit (Coarse and Fines) |
The secondary DMS circuit has two sets of DMS cyclones (coarse and fines DMS cyclones). They will both share the same target SG cut point (2.90) ferrosilicon medium.
The floats fraction from the secondary coarse and fines DMS cyclone reports to a waste pile.
![]() |
| SGS Canada Inc. |
The sinks from the secondary coarse DMS cyclones and those from the secondary fines DMS cyclones are sent to the DMS product stockpile via a magnetic separator for iron removal to meet the product iron content criteria. This is the final spodumene product from the coarse and fine circuit at a target grade of 5.3% Li2O.
| 17.3.3.3 |
Ultrafines DMS Circuit |
The undersize (-1.7mm) material from the DMS sizing screen is screened further by a subsequent ultrafines DMS preparation screen. The +0.5 mm material reports to the ultrafine DMS circuit, and the -0.5 mm material is pumped to the tail's thickener.
The ultrafines DMS circuit consists of primary and secondary DMS cyclones to separate spodumene from the gangue material efficiently. The primary ultrafines cyclones have a target SG cut point (2.60) ferrosilicon medium. The secondary ultrafines cyclones have a target SG cut point (2.85) ferrosilicon medium.
The ultrafines DMS circuit feed is processed through a REFLUX™ classifier, which aims to remove a portion of the mica. This mica stream overflows to the screw classifier, while the REFLUX™ classifier underflow reports to the primary ultrafines DMS cyclones. The floats from the primary ultrafines DMS cyclones are sent to tailings, while the underflow stream (sinks) reports to the secondary ultrafines DMS cyclone.
The sinks from the secondary ultrafines DMS cyclones are sent to the ultrafines DMS product stockpile via a magnetic separator for iron removal to meet the product iron content criteria. This will be the final spodumene ultrafine product at a target grade of 5.3% Li2O.
| 17.3.4 |
Thickening, Filtration and Hypofines Stacking |
The ultrafine preparation screen undersize (-0.5 mm), screw classifier overflow, and ultrafine tails report to the tails thickener for dewatering. The thickener underflow is pumped to a vacuum belt filter to produce a filter cake, which is conveyed to a stockpile of -0.5 mm hypo fines stockpile.
| 17.3.5 |
Tailings Disposal System |
The floats from the primary and secondary coarse and fines DMS cyclones, as well as the underflow from the screw classifier (mica and floats) is stockpiled to be co-disposed with mine waste.
|
17.3.6 |
Basis of Design and Mass Balance |
The metallurgical data used for the 2019 Feasibility Study was based on the results of the metallurgical test work conducted in 2019 for the Xuxa deposit. The recovery data was based on the data obtained for the variability samples Var 3 and Var 4 as they were found to best represent the ore body. Further testing was undertaken in 2021 on the Xuxa deposit which increased the confidence levels of the calculated average global recovery of 60.4% obtained in the 2019 testwork program.
The engineering and design were developed to a feasibility-level based on the mass balance, process design criteria and process flow diagrams which incorporate the results of the laboratory test work. The design was further refined during the FEED phase in 2021 and detailed design in 2022 by incorporating the additional metallurgical data obtained from the 2021 testwork program.
The operating parameters used as a basis for design are summarized in Table 17‑2.
![]() |
| SGS Canada Inc. |
Table 17‑2 – Xuxa Operating Parameters
|
Parameter |
Value |
|
Operating days/annum |
365 |
|
Operating hours/day |
24 |
|
Calendar hours |
8,760 |
|
Shifts/day (crushing) |
2 |
|
Shifts/day (wet Plant) |
2 |
|
Hours/shift |
12 |
The design basis and mass balance based on the test work results are summarized in Table 17‑3.
Table 17‑3: Xuxa Design Basis and Mass Balance Summary
|
Parameter |
Units |
Value |
Source |
Comment |
|
Nominal ore processing rate |
dry tonnes per year |
1,500,000 |
1 |
Client |
|
wet tonnes per year |
1,530,612 |
4 |
Calculation |
|
|
Spodumene ore grade (incl. dilution) |
% Li2O |
1.46 |
1 |
2019 DFS |
|
Ore moisture |
% w/w |
2 |
1 |
Client |
|
Crushing Plant |
||||
|
Dilute ore stockpile |
days |
2 |
1 |
Client |
|
Ore fed to crusher |
dry tonnes per year |
1,500,000 |
1 |
Client |
|
wet tonnes per year |
1,530,612 |
4 |
Calculation |
|
|
Design ore fed to crusher |
dry tonnes per year |
1,700,000 |
1 |
Client |
|
Crusher overall availability |
% |
68.0 |
1 |
Client |
|
Crusher operating hours |
hours per year |
5,957 |
1 |
Client |
|
Design ore crushing rate |
dry tonnes per day |
6,849 |
4 |
Calculation |
|
Design ore crushing rate |
dry tonnes per hour |
285 |
4 |
Calculation |
|
wet tonnes per hour |
291 |
4 |
Calculation |
|
|
Wet Plant |
||||
|
DMS plant feed bin |
hours |
8 |
1 |
Client |
|
Feed rate to wet plant |
dry tonnes per year |
1,700,000 |
1 |
Client |
![]() |
| SGS Canada Inc. |
|
Parameter |
Units |
Value |
Source |
Comment |
|
wet tonnes per year |
1,768,000 |
4 |
Calculation |
|
|
Design feed rate to wet plant |
Dry tonnes per year |
1,700,000 |
1 |
Client |
|
Wet plant overall availability |
% |
85 |
6 |
Industry Standard |
|
Wet plant operating hours |
hour per year |
7,446 |
6 |
Industry Standard |
|
Wet plant feed rate |
dry tonnes per day |
5,479 |
4 |
Calculation |
|
Wet plant feed rate |
dry tonnes per hour |
235 |
4 |
Calculation |
|
wet tonnes per hour |
244 |
4 |
Calculation |
|
|
Reflux Classifier mica rejection rate |
%w/w |
2.5 |
3 |
SGS 2019 Test work |
|
DMS coarse prep screen oversize (-9.5 mm / +4.0 mm) |
%w/w Mass |
38.4 |
3 |
Benchmarking |
|
DMS coarse prep screen undersize (-4.0 mm / +1.7 mm) |
%w/w Mass |
27.9 |
3 |
Benchmarking |
|
Ultrafines DMS sizing screen oversize (-1.7 mm / +0.5 mm) |
%w/w Mass |
19.1 |
3 |
Benchmarking |
|
Ultrafines DMS sizing screen undersize (-0.5 mm) (hypofines) |
%w/w Mass |
14.6 |
3 |
Benchmarking |
|
Wet plant lithium oxide concentrate grade |
%w/w Li2O |
5.3 |
7 |
Industry Standard |
|
Li2O Recovery |
||||
|
Li2O recovery (DMS - global) |
% |
60.4 |
4 |
Calculated from 6.0% Li2O grade at mass balance throughput |
|
Stockpiles |
||||
|
Coarse & Fines spodumene |
dry tonnes per year |
223,754 |
4 |
Calculation |
|
wet tonnes per year |
228,234 |
4 |
Calculation |
|
|
Ultrafines spodumene |
dry tonnes per year |
74,715 |
4 |
Calculation |
|
wet tonnes per year |
78,156 |
4 |
Calculation |
|
|
Total lithium oxide concentrate production |
dry tonnes per year |
298,469 |
4 |
Calculation |
|
wet tonnes per year |
306,390 |
4 |
Calculation |
|
|
Hypofines stockpile |
dry tonnes per year |
374,000 |
4 |
Calculation |
|
wet tonnes per year |
415,556 |
4 |
Calculation |
|
|
Process tails – tonnage |
dry tonnes per year |
1,027,531 |
4 |
Calculation |
|
wet tonnes per year |
1,046,054 |
4 |
Calculation |
![]() |
| SGS Canada Inc. |
|
Technical Report – Grota do Cirilo Lithium Project – Araçuai and Itinga Regions, Minas Gerais, Brazil |
Operating hours assumptions for the main facilities are provided in Table 17‑4.
Table 17‑4: Xuxa Operating Hours for Main Facilities
|
Facilities |
Calendar Hours (h/a) |
Operating Hours (h/a) |
Overall utilization (%) |
|
|
Crushing and conveying |
8,760 |
7,446 |
85 |
|
|
Dense medium separation circuit |
8,760 |
7,446 |
85 |
|
|
Tails filter plant and conveyor |
8,760 |
7,446 |
85 |
| 17.3.7 |
Utilities Requirements |
The power consumption of the processing plant is 2.5 MW.
The raw water consumption is approximately 38 m³/hr, with an additional make-up raw water requirement to process water as needed.
The process water is recycled within the plant using a thickener, where all fines slurry streams are directed and recovered. This water is pumped to the process water tank and recycled to the circuits as needed.
Consumables will include reagents and operational consumables for the crushing circuit and the DMS plant.
Reagents will include ferrosilicon with a consumption rate of 280 g/t primary DMS feed and 960 g/t ultrafines DMS feed. and flocculant (Magnafloc 10 or equivalent) at a consumption rate of 30 g/t and coagulant 800 g/t, DMS feed.
In the crushing circuit, consumables will include liners for all the crushers and the screen panels. In the DMS plant, maintenance items will be necessary for cyclones, pumps, screens and belt filters.
|
17.4 |
BARREIRO PROCESS PLANT (SCENARIO 1: PHASE 2) |
|
17.4.1 |
Overview |
The Barreiro concentrator will be located approximately 7 km from the Barreiro open pit and in proximity to the Xuxa plant. Lithium oxide concentrate will be produced using dense media separation (DMS). The plant is designed to produce a target 5.3% Li2O lithium oxide concentrate. The run-of-mine ore has a feed grade of 1.39% Li2O (mine plan is based on 3% dilution).
The Barreiro plant throughput capacity is 1.82 Mtpa (dry) of ore fed to a dedicated crushing circuit. The Barreiro plant is designed to produce 298,000 tpa of 5.3% Li2O lithium oxide concentrate.
Figure 17-6 shows the planned layout for the Xuxa and Barreiro crushing and process plants.
![]() |
| SGS Canada Inc. |
|
Technical Report – Grota do Cirilo Lithium Project – Araçuai and Itinga Regions, Minas Gerais, Brazil |

Figure 17‑6: Xuxa and Barreiro Process Plant Layout (2021 Design)
|
17.4.2 |
Description |
The lithium oxide concentrator process plants are designed based on a proven DMS circuit and includes the following:
|
• |
Three-stage conventional crushing and screening |
|
• |
DMS screening and mica removal via up-flow classification |
|
• |
Two-stage DMS circuit for the coarse fraction |
|
• |
Two-stage DMS circuit for the fines fraction |
|
• |
Two-stage DMS circuit for the ultrafines fraction |
|
• |
Thickening, belt filtration and dry stacking of the hypofines fraction |
|
• |
Magnetic separation of the concentrate streams |
|
• |
DMS plant tailings will be trucked for co-disposal with mine waste |
|
• |
The DMS product will be stockpiled and ready for dispatch. |
Ore trucked from the mine will be stacked in ROM stockpiles. A Front-End Loader (FEL) will feed material into the ROM bin, and an apron feeder will draw the material into the primary crusher. A magnet installed at the discharge chute of the primary crusher discharge conveyor will remove any tramp metal as the material is fed to the scalping screen. The oversize material of the scalping screen is fed to the secondary cone crusher for size reduction via the secondary crusher feed conveyor. The secondary cone crusher product is combined with the tertiary cone crusher product and conveyed to the classification screen. The classification screen undersize material (-9.5 mm) combines with the scalping screen undersize (-9.5mm) and is conveyed to the DMS crushed ore bin. The classification screen oversized material is conveyed to the tertiary cone crusher feed bins for feeding into the tertiary crushers for further size reduction and the tertiary crusher product returns to the classification screen.
![]() |
| SGS Canada Inc. |
|
Technical Report – Grota do Cirilo Lithium Project – Araçuai and Itinga Regions, Minas Gerais, Brazil |
The DMS crushed ore bin provides an 8-hour live capacity buffer between the crusher plant and the wet plant, ensuring a stable operation. The DMS crushed ore feed bin has been designed with a diversion chute to direct the crusher plant product into a DMS emergency stockpile for additional storage. A DMS emergency feed bin with a feeder enables the reclamation of material from the DMS emergency stockpile to the wet plant when the DMS crushed ore bin is unavailable.
The wet plant will consist of a two-stage DMS circuit for the coarse fraction (-9.5 mm / +4.0 mm), a two-stage DMS circuit for the fines fraction (-4.0 mm / +1.7 mm) and a two-stage DMS circuit for the ultrafine fraction (-1.7 mm +0.5 mm). The sinks from the secondary stage coarse and fines DMS circuits, post-magnetic separation, will report to the DMS product stockpile. The sinks from the secondary ultrafines DMS will report to the ultrafines product stockpile for blending with coarse/fine spodumene product for sale to customer.
The floats from the secondary stage coarse DMS cyclone will be crushed to improve liberation and returned to the DMS sizing screen. The floats from the primary stage coarse DMS cyclone, primary and secondary stage fines cyclones and those from the ultrafines cyclones will report to a tailings pile.
The overflow of the fines and ultrafines upflow classifier with the fines DMS feed preparation screen undersize and the magnetic fraction of the fines and ultrafines DMS circuit will be fed to the screw classifier for dewatering. The screw classifier underflow will be combined with the floats from the DMS plants before disposal at the waste storage facility.
The tails thickener and filtration system will receive both the ultrafines DMS feed preparation screen undersize and the screw classifier overflow for dewatering. Thickener underflow will be pumped to two belt filters to produce a filter cake prior to conveying it to the hypofines stockpile.
Figure 17-7 is a block flow diagram for the crushing circuit and DMS plant.
![]() |
| SGS Canada Inc. |
|
Technical Report – Grota do Cirilo Lithium Project – Araçuai and Itinga Regions, Minas Gerais, Brazil |

Figure 17‑7: Block Flow Diagram for the Barreiro Crushing Circuit and DMS Plant
![]() |
| SGS Canada Inc. |
|
Technical Report – Grota do Cirilo Lithium Project – Araçuai and Itinga Regions, Minas Gerais, Brazil |
|
17.4.3 |
Crushing |
The Barreiro crushing circuit is a fixed plant operation designed to process a nominal annual throughput of 1.82 million tonnes (Mtpa). The crushing circuit will include a ROM pad, ROM bin, apron feeder, vibrating grizzly feeder, jaw crusher, scalping screen, secondary cone crusher, classification screen and two tertiary cone crushers. ROM from the mine will be trucked and tipped onto ROM stockpiles on the ROM pad. The ROM will be blended before being transferred to the ROM bin via front-end loaders. The crushed product from the crusher plant will be stored in a DMS crushed ore bin equipped with reclaim belt feeder upstream of the wet-plant feed. The DMS crushed ore bin is sized for a nominal eight hours of storage with additional capacity via underflow stockpile and front-end loader reclaim to an emergency hopper and feeder.
The primary crusher is designed to be fed via a front-end loader and can accommodate a nominal feed size of up to 960mm. Primary crushed ore feeds a double deck scalping screen where -9.5 mm material is removed to final crushed ore and +9.5 mm material is conveyed to a secondary crusher. Secondary crushed ore feeds a double deck classification screen where -9.5 mm material is combined with scalping screen undersize and conveyed to the crushed ore feed bin and +9.5 mm material feeds two tertiary crushers. Tertiary crushed material combines with secondary crushed material feeding the classification screen. When the crushing plant is not operating, the DMS plant may be fed via front-end loader from stockpiles from an emergency feed bin and feeder.
|
17.4.4 |
DMS Plant |
Crushed ore from the feed bin will be conveyed to the DMS to a sizing screen to remove material smaller than 1.7 mm, which will then be sent to the ultrafine DMS circuit. The -9.5 mm / +1.7 mm material will report to the DMS coarse sizing screen where it will be screened at 4.0 mm to produce:
|
● |
A coarse fraction (-9.5 mm / +4.0 mm) which reports to the primary coarse DMS |
|
● |
A fines fraction (-4.0 mm / +1.7 mm) which reports to the primary fines DMS via a REFLUX™ classifier |
The coarse and fine DMS circuits will consist of primary and secondary DMS cyclones, which will efficiently separate spodumene from the gangue material to produce a 5.3% Li2O concentrate grade. Mica will be removed from the fines stream by a REFLUX™ classifier, before feeding the DMS fines preparation screen.
Before feeding the primary DMS cyclones, each ore stream (coarse and fine) will be mixed with ferrosilicon slurry and pumped to the respective coarse and fine primary DMS cyclones. The ferrosilicon slurry density will be carefully controlled to enable the gravity separation of spodumene from minerals with a lower SG. Spodumene has a higher specific gravity (SG) than most gangue minerals, and consequently, the spodumene will report to the DMS cyclone underflow (sinks), while the gangue material will report to the cyclone overflow (floats).
|
17.4.4.1 |
Primary DMS Circuit (Coarse and Fines) |
The primary DMS circuit will have two sets of DMS cyclones (coarse and fines). They will both share the same SG (2.65) ferrosilicon medium.
The floats from the primary coarse DMS cyclones will be sent to tailings, while the underflow streams (sinks) will report to the secondary coarse DMS cyclones.
The primary fines DMS circuit feed will be processed through a REFLUX™ classifier, which aims to remove a portion of the mica. This mica stream will be dewatered and report to tailings, while the REFLUX™ classifier underflow will report to the primary fines DMS cyclones. The floats from the primary fines DMS cyclones will be sent to tailings, while the underflow streams (sinks) will report to the secondary fines DMS cyclones.
![]() |
| SGS Canada Inc. |
|
Technical Report – Grota do Cirilo Lithium Project – Araçuai and Itinga Regions, Minas Gerais, Brazil |
|
17.4.4.2 |
Secondary DMS Circuit (Coarse and Fines) |
The secondary DMS circuit will have two sets of DMS cyclones (coarse and fines DMS cyclones). They will both share the same SG (2.90) ferrosilicon medium.
The floats stream from the secondary fines DMS cyclone will report to a waste pile. The floats stream from the secondary coarse circuit will report to the re-crush plant for further size reduction.
The sinks from the secondary coarse DMS cyclones and those from the secondary fines DMS cyclones will be sent to the DMS product stockpile via a magnetic separator for iron removal, meeting the product iron content criteria. This will be the final spodumene product from the coarse and fine circuit at a target grade of 5.3% Li2O.
|
17.4.4.3 |
Ultrafines DMS Circuit |
The undersize (-1.7mm) material from the DMS sizing screen will be screened further by a subsequent ultrafines DMS preparation screen. The +0.5 mm material will report to the ultrafines DMS circuit and the -0.5 mm material will be pumped to the tails thickener.
The ultrafines DMS circuit will consist of primary and secondary DMS cyclones to separate spodumene from the gangue material efficiently. The primary ultrafines cyclones will have a target SG cut point (2.60) ferrosilicon medium. The secondary ultrafines cyclones will have a target SG cut point (2.85) ferrosilicon medium.
The ultrafines DMS circuit feed will be processed through a REFLUX™ classifier, which aims to remove a portion of the mica. This mica stream overflows to the screw classifier, while the REFLUX™ classifier underflow will report to the primary ultrafines DMS cyclones. The floats from the primary ultrafines DMS cyclones will be sent to tailings, while the underflow stream (sinks) will report to the secondary ultrafines DMS cyclone.
The sinks from the secondary ultrafines DMS cyclones will be sent to the ultrafines DMS product stockpile via a magnetic separator for iron removal to meet the product iron content criteria. This will be the final spodumene ultrafine product targeting a grade of 5.3% Li2O.
|
17.4.5 |
Thickening, Filtration and Hypofines Stacking |
The ultrafines screens undersize (-0.5 mm), the screw classifier overflow and other screen underflows will report to the thickener for dewatering. The underflow will be pumped to a vacuum belt filter, and the filter cake will report to the hyperfine stockpile.
|
17.4.6 |
Tailings Disposal System |
The floats from the primary coarse and fines DMS cyclones, the secondary fines DMS cyclone, and the ultrafines DMS cyclone, as well as the screened underflow from the screw classifier (mica and floats) will be combined and conveyed to the rejects stockpile for co-disposal with mine waste.
|
17.4.7 |
Basis of Design and Mass Balance |
For the current pre-feasibility study, Barreiro design is based on the results of the metallurgical test-work conducted on four variability samples and a composite sample of the Barreiro deposit in 2020. Engineering and design were developed to a pre-feasibility level based on the mass balance, process design criteria and process flow diagrams which incorporate the results of the laboratory test work.
![]() |
| SGS Canada Inc. |
|
Technical Report – Grota do Cirilo Lithium Project – Araçuai and Itinga Regions, Minas Gerais, Brazil |
The operating parameters used as a basis for design are summarized in Table 17‑5.
Table 17‑5: Barreiro Operating Parameters
|
Parameter |
Value |
|
Operating days/annum |
365 |
|
Operating hours/day |
24 |
|
Shifts/day (Crushing & Wet Plant) |
2 x 12 h |
|
Overall Availability (Crushing) |
85% |
|
Overall Availability (Wet Plant) |
84% |
The design basis and mass balance based on the test work results are summarized in Table 17‑6.
Table 17‑6: Barreiro Design Basis and Mass Balance Summary
|
Parameter |
Units |
Barreiro Value |
|
Total ore processing rate |
dry tonnes per year |
1,850,000 |
|
wet tonnes per year |
1,888,000 |
|
|
Spodumene ore grade (incl. dilution) |
% Li2O |
1.39 |
|
Ore moisture |
% w/w |
2 |
|
Dilution factor |
% w/w |
3 |
|
Crushing Plant |
||
|
Crusher overall availability (nominal/design) |
% |
85/54 |
|
Crusher operating hours (nominal/design) |
hours per year |
5,957/4,730 |
|
Ore crushing rate (design) |
dry tonnes per hour |
391 |
|
Nominal ore crushing rate |
dry tonnes per hour |
237 |
|
wet tonnes per hour |
242 |
|
|
Wet Plant |
||
|
DMS plant feed bin |
hours |
8 |
|
Feed rate to wet plant |
dry tonnes per year |
1,850,000 |
|
wet tonnes per year |
1,888,000 |
|
|
Wet plant overall availability |
% |
84 |
|
Wet plant operating hours |
hour per year |
7,446 |
![]() |
| SGS Canada Inc. |
|
Technical Report – Grota do Cirilo Lithium Project – Araçuai and Itinga Regions, Minas Gerais, Brazil |
|
Parameter |
Units |
Barreiro Value |
|
Nominal wet plant feed rate |
dry tonnes per day (24 h/d) |
5686 |
|
Nominal wet plant feed rate |
dry tonnes per hour |
237 |
|
wet tonnes per hour |
242 |
|
|
Reflux Classifier mica rejection rate |
%w/w Reflux feed |
5 |
|
DMS coarse prep screen oversize (-9.5 mm / +4.0 mm) |
%w/w |
31.5 |
|
DMS coarse prep screen undersize (-4.0 mm / +1.7 mm) |
%w/w |
31.5 |
|
DMS sizing screen undersize (-1.7 mm / +0.5 mm) |
%w/w |
21.0 |
|
Ultrafines dewatering cyclone undersize (-0.5 mm hypofines) |
%w/w |
16.0 |
|
Wet plant lithium oxide concentrate grade |
%w/w Li2O |
6.0 |
|
Li2O DMS Stage Recovery |
59.1 |
|
|
Li2O global recovery (Combined) |
% |
50.9 |
|
Li2O global recovery – Coarse DMS |
% |
18.8 |
|
Li2O global recovery – Fines DMS |
% |
19.6 |
|
Li2O global recovery – Ultrafines DMS |
% |
12.6 |
|
Stockpiles |
||
|
Coarse & Fines spodumene |
dry tonnes per year |
208,895 |
|
wet tonnes per year |
217,599 |
|
|
Ultrafines spodumene |
dry tonnes per year |
77,635 |
|
wet tonnes per year |
80,870 |
|
|
Total lithium oxide concentrate production |
dry tonnes per year |
286,530 |
|
wet tonnes per year |
298,469 |
|
|
Hypofines Production |
dry tonnes per year |
352,166 |
|
wet tonnes per year |
415,556 |
|
|
Process Tailings Production |
dry tonnes per year |
1,211,304 |
|
wet tonnes per year |
1,356,660 |
|
17.4.8 |
Utilities Requirements |
The power consumption requirements for the Barreiro plant is approximately 2.5 MW.
![]() |
| SGS Canada Inc. |
|
Technical Report – Grota do Cirilo Lithium Project – Araçuai and Itinga Regions, Minas Gerais, Brazil |
The raw water consumption for process water is a nominal 41.5 m3/hr (make-up raw water requirement). The process water will be recycled within the plant using a thickener, where all fines slurry streams will be directed and recovered. This water will be pumped to the process water tank and recycled to the circuits as needed.
Consumables will include reagents and operational consumables for the crushing circuit and the DMS plant. Reagents will include ferrosilicon and flocculant.
|
● |
Ferrosilicon: a consumption rate of 350 g/t |
|
● |
Flocculant: has a maximum consumption rate of 60 g/t |
|
● |
Coagulant: a maximum consumption rate of 1000g/t |
In the crushing circuit, consumables will include liners for all the crushers and the screen panels. The primary jaw crusher liner changeouts are estimated to be an average of 9.2 sets per year, and 18.5 sets per year for the secondary and tertiary cone crusher liners, as per vendor recommendations. The change-out frequency of the crushing circuit and DMS screen panels is based on three sets per year per screen as per vendor recommendations. Other consumable items for the DMS plant include wear parts for cyclones, pumps, and belt filters.
|
17.5 |
BARREIRO PROCESS PLANT (SCENARIO 2: PHASE 2) |
As part of the PEA for the expansion of the Xuxa project, the Barreiro flowsheet was revised to include a coarse and fine scavenger DMS circuit to recover Petalite. The design basis and mass balance for the revised flowsheet based on the NDC test work results.
The design, block flow diagram, and description of the major processes of the Barreiro PEA plant with the coarse and fine scavenger DMS circuits are described in Section 17.6 Nezinho do Chicão Plant (Scenario 2: Phase 3).
|
17.6 |
NEZINHO DO CHICÃO PLANT (SCENARIO 2: PHASE 3) |
|
17.6.1 |
Overview |
The Nezinho do Chicão concentrator is a duplicate of the revised Scenario 2 Barreiro PEA plant. Due to the spodumene deportment, to maximise lithium recovery, an additional DMS stage for recovering Petalite from the primary DMS plant tailings has been incorporated. The plant will be located to the south of the proposed Barreiro plant (Phase 2). Lithium oxide concentrate and petalite concentrate will be produced using dense media separation (DMS).
The NDC plant throughput capacity is 2.0 Mtpa (dry) of ore fed to a dedicated crushing circuit. The NDC plant is designed to produce a combined spodumene and petalite concentrate of 5.3% Li2O. The run-of-mine ore has a feed grade of 1.45% Li2O (mine plan is based on 3% dilution).
Figure 17-8 shows the planned layout for the Xuxa, Barreiro, and NDC crushing and process plants.
![]() |
| SGS Canada Inc. |
|
Technical Report – Grota do Cirilo Lithium Project – Araçuai and Itinga Regions, Minas Gerais, Brazil |

Figure 17‑8: Xuxa (Top), Barreiro (Middle), and Nezinho do Chicão (Bottom) Process Plant Layout (2022)
|
17.6.2 |
Description |
The concentrator process plants are designed based on a proven DMS circuit and includes the following:
|
• |
Three-stage conventional crushing and screening |
|
• |
DMS screening and mica removal via up-flow classification |
|
• |
Two-stage DMS circuit for the coarse fraction, with a coarse scavenger DMS for petalite and recrush of middlings stream |
|
• |
Two-stage DMS circuit for the fines fraction with a fine scavenger DMS for petalite |
|
• |
Two-stage DMS circuit for the ultrafines fraction |
|
• |
Thickening, belt filtration and dry stacking of the hypofines fraction |
|
• |
Magnetic separation of the fine and ultrafine concentrate streams |
|
• |
DMS plant tailings will be trucked for co-disposal with waste rock |
|
• |
DMS product will be stockpiled and ready for dispatch |
![]() |
| SGS Canada Inc. |
|
Technical Report – Grota do Cirilo Lithium Project – Araçuai and Itinga Regions, Minas Gerais, Brazil |
Ore trucked from the mine will be stacked on ROM stockpiles. A Front-End Loader (FEL) will feed material into the ROM bin, and an apron feeder will draw the material into the primary crusher. A magnet installed at the discharge chute of the primary crusher discharge conveyor will remove any tramp metal as the material is fed to the scalping screen. The oversize material of the scalping screen is fed to the secondary cone crusher for size reduction via the secondary crusher feed conveyor. The secondary cone crusher product is combined with the tertiary cone crusher product and conveyed to the classification screen. The classification screen undersize material (-9.5 mm) combines with the scalping screen undersize (-9.5mm) and is conveyed to the DMS crushed ore bin. The classification screen oversize material is conveyed to the tertiary cone crusher feed bins for feeding into the tertiary crushers for further size reduction with the tertiary crusher product returning to the classification screen.
The DMS crushed ore bin provides an 8-hour live capacity buffer between the crusher plant and the wet plant to ensure for a stable operation. The DMS crushed ore feed bin has been designed with a diversion chute to direct the crusher plant product into a DMS emergency stockpile for additional storage. A DMS emergency feed bin with a feeder is installed to enable the reclamation of material from the DMS emergency stockpile to the wet plant when the DMS crushed ore bin is unavailable.
The wet plant will consist of a two-stage DMS circuit for coarse fraction (-9.5 mm / +4.0 mm), a two-stage DMS circuit for the fines fraction (-4.0 mm / +1.7 mm), a two-stage DMS circuit for the ultrafines fraction (-1.7 mm /+0.5 mm), and a fine and ultrafine scavenger DMS for petalite. The sinks from the secondary stage coarse and fines DMS circuits post wet magnetic separation will report to the DMS product stockpile. The sinks from the ultrafines DMS will report to the ultrafines product stockpile, after magnetic separation, for blending with coarse/fine spodumene product for sale to customer.
The floats from the primary fines and primary ultrafines DMS cyclones will be pumped to a petalite scavenger DMS. The floats from the scavenger DMS will report to the petalite product stockpile, and the sinks will report to the tailings.
The floats from the secondary stage coarse DMS cyclone will be stockpiled and sent to the Barreiro re-crush circuit to improve liberation and be further processed. The floats from the primary stage coarse DMS cyclone, secondary stage fines cyclones and the secondary ultrafines cyclones will report to a tailings pile.
The overflow of the fines and ultrafine up-flow classifier with the fines DMS feed preparation screen undersize and the magnetic fraction of the fines and ultrafine DMS circuit will be fed to the screw classifier for dewatering. The screw classifier underflow will be combined with the floats from the DMS plants before disposal at the waste storage facility.
The tail's thickener will receive both the ultrafine DMS feed preparation screen undersize and the screw classifier overflow for dewatering, with the thickener underflow being pumped to the belt filter to produce a filter cake before conveying to the hypofine stockpile.
Figure 17-9 is a block flow diagram for the crushing circuit and DMS plant.
![]() |
| SGS Canada Inc. |
|
Technical Report – Grota do Cirilo Lithium Project – Araçuai and Itinga Regions, Minas Gerais, Brazil |

Figure 17‑9: Block Flow Diagram for the NDC Crushing Circuit and DMS Plant
![]() |
| SGS Canada Inc. |
|
Technical Report – Grota do Cirilo Lithium Project – Araçuai and Itinga Regions, Minas Gerais, Brazil |
|
17.6.3 |
Crushing |
The NDC crushing circuit is a fixed plant operation designed to process a nominal throughput of 2.0 million tonnes per annum (Mtpa). The crushing circuit will include a ROM pad, ROM bin, apron feeder, vibrating grizzly feeder, jaw crusher, scalping screen, secondary cone crusher, classification screen and two tertiary cone crushers. ROM from the mine will be trucked and tipped onto ROM stockpiles on the ROM pad. The ROM will be blended prior to being transferred to the ROM bin via front-end loaders. The crushed product from the crusher plant will be stored in a DMS crushed ore bin equipped with a reclaim belt feeder upstream of the wet-plant feed. The DMS crushed ore bin is sized for nominal eight hours storage with additional capacity via underflow stockpile and front-end loader reclaim to an emergency hopper and feeder.
The primary crusher is designed to be fed via a front-end loader and can accommodate a nominal feed size of up to 960mm. Primary crushed ore feeds a double deck scalping screen where -9.5 mm material is removed to final crushed ore and +9.5 mm material is conveyed to a secondary crusher. Secondary crushed ore feeds a double deck classification screen where -9.5 mm material is combined with scalping screen undersize and conveyed to the crushed ore feed bin and +9.5 mm material feeds two tertiary crushers. Tertiary crushed material combines with secondary crushed material feeding the classification screen. When the crushing plant is not operating, the DMS plant may be fed via front-end loader from stockpiles from an emergency feed bin and feeder.
| 17.6.4 |
DMS Plant |
The detailed DMS flowsheet consists of the following:
Crushed ore from the feed bin will be conveyed to the DMS feed chute, where it will be fed to a sizing screen to remove the -1.7 mm material, which will be pumped to the ultrafine DMS circuit. The -9.5 mm / +1.7 mm material will report to the DMS coarse sizing screen where it will be screened at 4.0 mm to produce:
|
● |
A coarse fraction (-9.5 mm / +4.0 mm) which reports to the primary coarse DMS |
|
● |
A fines fraction (-4.0 mm / +1.7 mm) which reports to the primary fines DMS via a REFLUX™ classifier |
The coarse and fine DMS circuits will consist of primary and secondary DMS cyclones, which will efficiently separate spodumene from the gangue material to produce a lithium oxide concentrate with a Li2O content of ~6.0% or higher. The coarse and fine scavenger DMS circuits will consist of DMS cyclones to produce >3.8% Li2O petalite concentrate. The combined spodumene and petalite DMS concentrate produced will have an average Li2O grade of 5.5%. Mica will be removed from the fines stream by a REFLUX™ classifier, before feeding the DMS fines preparation screen.
Before feeding the primary DMS cyclones, each ore stream (coarse and fine) will be mixed with ferrosilicon slurry and pumped to the respective coarse and fine primary DMS cyclones. The ferrosilicon slurry density will be carefully controlled to enable the gravity separation of spodumene from minerals with a lower SG. Spodumene has a higher SG than most gangue minerals, and consequently the spodumene will report to the DMS cyclone underflow (sinks), with the gangue material reporting to the cyclone overflow (floats).
|
17.6.4.1 |
Primary DMS Circuit (Coarse and Fines) |
The primary DMS circuit will have two sets of DMS cyclones (coarse and fines). They will both share the same SG (2.65) ferrosilicon medium.
![]() |
| SGS Canada Inc. |
|
Technical Report – Grota do Cirilo Lithium Project – Araçuai and Itinga Regions, Minas Gerais, Brazil |
The floats from the primary coarse DMS cyclones will be pumped to the coarse scavenger DMS, while the underflow streams (sinks) will report to the secondary coarse DMS cyclones.
The primary fines DMS circuit feed will be processed through a REFLUX™ classifier, which aims to remove a portion of the mica. This mica stream will be dewatered and report to tailings, while the REFLUX™ classifier underflow will report to the primary fines DMS cyclones. The floats from the primary fines DMS cyclones will be sent to the fine scavenger DMS, while the underflow streams (sinks) will report to the secondary fines DMS cyclones.
| 17.6.4.2 |
Petalite DMS Circuit (Coarse and Fines) |
The coarse and fine scavenger DMS cyclone will operate at an SG 2.4 using ferrosilicon medium. The floats from the coarse and fine scavenger DMS cyclone will be sent to petalite DMS product stockpile, while the underflow streams (sinks) will be sent to tailings.
|
17.6.4.3 |
Secondary DMS Circuit (Coarse and Fines) |
The secondary DMS circuit will have two sets of DMS cyclones (coarse and fines DMS cyclones). They will both share the same SG (2.90) ferrosilicon medium.
The floats from the secondary coarse DMS stage will be stockpiled and sent to the Barreiro re-crush circuit for processing. The floats stream from the secondary fines DMS cyclone will report to a waste pile.
The sinks from the secondary coarse DMS cyclones and those from the secondary fines DMS cyclones will be sent to the DMS product stockpile via a magnetic separator for iron removal to meet the product iron content criteria. This will be the final lithium oxide concentrate product at 6% Li2O, which combined with the petalite floats from the scavenger DMS, will produce an on average 5.5% Li2O concentrate final product.
| 17.6.4.4 |
Ultrafines DMS Circuit |
The undersize (-1.7mm) material from the DMS sizing screen will be screened further by a subsequent ultrafines DMS preparation screen. The +0.5 mm material will report to the ultrafines DMS circuit and the -0.5 mm material will be pumped to the tails thickener.
The ultrafines DMS circuit will consist of primary and secondary DMS cyclones to separate spodumene from the gangue material efficiently. The primary ultrafines cyclones will have a target SG cut point (2.60) ferrosilicon medium. The secondary ultrafines cyclones will have a target SG cut point (2.85) ferrosilicon medium.
The ultrafines DMS circuit feed will be processed through a REFLUX™ classifier, which aims to remove a portion of the mica. This mica stream overflows to the screw classifier, while the REFLUX™ classifier underflow will report to the primary ultrafines DMS cyclones. The floats from the primary ultrafines DMS cyclones will be sent to tailings, while the underflow stream (sinks) will report to the secondary ultrafines DMS cyclone.
The sinks from the secondary ultrafines DMS cyclones will be sent to the ultrafines DMS product stockpile via a magnetic separator for iron removal to meet the product iron content criteria. This will be the final spodumene ultrafine product, targeting a grade of 5.3% or higher Li2O.
![]() |
| SGS Canada Inc. |
|
Technical Report – Grota do Cirilo Lithium Project – Araçuai and Itinga Regions, Minas Gerais, Brazil |
| 17.6.4.5 |
Thickening, Filtration and Hypofines Stacking |
The ultrafines screens undersize (-0.5 mm), the screw classifier overflow and other screen underflows will report to the Tailings thickener for dewatering. The underflow will be pumped to a belt filter, and the filter cake will report to the hypofine stockpile which will then report to a waste pile.
| 17.6.4.6 |
Tailings Disposal System |
The floats from the primary coarse and fines DMS cyclones, the secondary fines DMS cyclone, and the ultrafines DMS cyclone, as well as the screened underflow from the screw classifier (mica and floats) will be combined and conveyed to stockpile for co-disposal with mine waste.
| 17.6.4.7 |
Basis of Design and Mass Balance |
For the current pre-feasibility study, the NDC design is based on the results from metallurgical test-work conducted on three variability samples and a composite sample from the NDC deposit in 2022. Engineering and design were developed to a pre-feasibility level based on the mass balance, process design criteria and process flow diagrams which incorporate the results of the laboratory test work.
The operating parameters used as a basis for design are summarized in Table 17-7.
Table 17‑7: NDC Operating Parameters
|
Parameter |
Value |
|
Operating days/annum |
365 |
|
Operating hours/day |
24 |
|
Shifts/day (Crushing & Wet Plant) |
2 x 12 h |
|
Overall Availability (Crushing) |
85% |
|
Overall Availability (Wet Plant) |
85% |
The design basis and mass balance based on the test work results are summarized in Table 17-8.
Table 17‑8: NDC Design Basis and Mass Balance Summary
|
Parameter |
Units |
Value |
|
Total ore processing rate |
dry tonnes per year |
1,850,000 |
|
wet tonnes per year |
1,888,000 |
|
|
Spodumene ore grade (incl. dilution) |
% Li2O |
1.21 |
|
Ore moisture |
% w/w |
2 |
|
Dilution factor |
% w/w |
3 |
|
Crushing Plant |
||
|
Crusher overall availability (nominal/design) |
% |
85 / 54 |
|
Crusher operating hours (nominal/design) |
hours per year |
7,446 / 4,730 |
|
Ore crushing rate (design) |
dry tonnes per hour |
244 |
![]() |
| SGS Canada Inc. |
|
Technical Report – Grota do Cirilo Lithium Project – Araçuai and Itinga Regions, Minas Gerais, Brazil |
|
Parameter |
Units |
Value |
|
Nominal ore crushing rate |
dry tonnes per hour |
311 |
|
wet tonnes per hour |
317 |
|
|
Wet Plant |
||
|
DMS plant feed bin |
hours |
8 |
|
Feed rate to wet plant |
dry tonnes per year |
1,850,000 |
|
wet tonnes per year |
1,887,755 |
|
|
Wet plant overall availability |
% |
85 |
|
Wet plant operating hours |
hour per year |
7,446 |
|
Nominal wet plant feed rate |
dry tonnes per day (24 h/d) |
5,963 |
|
Nominal wet plant feed rate |
dry tonnes per hour |
248 |
|
wet tonnes per hour |
254 |
|
|
Reflux Classifier mica rejection rate |
%w/w Reflux feed |
5 |
|
DMS coarse prep screen oversize (-9.5 mm / +4.0 mm) |
%w/w |
32 |
|
DMS coarse prep screen undersize (-4.0 mm / +1.7 mm) |
%w/w |
32 |
|
DMS sizing screen undersize (-1.7 mm / +0.5 mm) |
%w/w |
21 |
|
Ultrafines dewatering cyclone undersize (-0.5 mm hypofines) |
%w/w |
16 |
|
Wet plant lithium oxide concentrate grade |
%w/w Li2O |
5.9 |
|
Wet plant petalite concentrate grade |
%w/w Li2O |
3.8 |
|
Wet plant blended concentrate grade |
%w/w Li2O |
5.5 |
|
Recovery - Spodumene |
||
|
Li2O DMS stage recovery - spodumene |
% |
52.8 |
|
Li2O global recovery (Combined) - spodumene |
% |
45.5 |
|
Li2O global recovery – Coarse DMS - spodumene |
% |
31.6 |
|
Li2O global recovery – Fines DMS - spodumene |
% |
9.7 |
|
Li2O global recovery – Ultrafines DMS - spodumene |
% |
4.2 |
|
Recovery - Petalite |
||
|
Li2O DMS stage recovery - petalite |
% |
5.9 |
|
Li2O global recovery (Combined) - petalite |
% |
5.1 |
|
Li2O global recovery – Coarse DMS - petalite |
% |
2.7 |
|
Li2O global recovery – Fines DMS - petalite |
% |
1.3 |
|
Li2O global recovery – Ultrafines DMS - petalite |
% |
1.1 |
|
Recovery - Overall |
||
|
Li2O DMS stage recovery - overall |
% |
58.7 |
|
Li2O global recovery (Combined) - overall |
% |
50.6 |
|
Li2O global recovery – Coarse DMS - overall |
% |
34.3 |
|
Li2O global recovery – Fines DMS - overall |
% |
11.0 |
|
Li2O global recovery – Ultrafines DMS - overall |
% |
5.3 |
|
Stockpiles |
||
|
Total lithium oxide concentrate production |
dry tonnes per year |
241,241 |
|
wet tonnes per year |
260,000 |
|
|
Total petalite concentrate production |
dry tonnes per year |
38,020 |
![]() |
| SGS Canada Inc. |
|
Technical Report – Grota do Cirilo Lithium Project – Araçuai and Itinga Regions, Minas Gerais, Brazil |
|
Parameter |
Units |
Value |
|
wet tonnes per year |
39,030 |
|
|
Total concentrate production |
dry tonnes per year |
280,241 |
|
wet tonnes per year |
298,000 |
|
|
Petalite stockpile |
dry tonnes per year |
25,009 |
|
wet tonnes per year |
25,674 |
|
|
Hypofines Production |
dry tonnes per year |
280,241 |
|
wet tonnes per year |
298,000 |
|
|
Process Tailings Production |
dry tonnes per year |
1,591,308 |
|
wet tonnes per year |
1,671,239 |
|
17.6.8 |
Utilities Requirements |
The power consumption requirements for the NDC plant is estimated at 3.0 MW.
The raw water consumption for process water is approximately 41.5 m3/hr (make-up raw water requirement). The process water will be recycled within the plant using a thickener, where all fines slurry streams will be directed and recovered. This water will be pumped to the process water tank and recycled to the circuits as needed.
Consumables will include reagents and operational consumables for the crushing circuit and the DMS plant.
Reagents will include ferrosilicon, a consumption rate of 350 g/t DMS feed, 950 g/t ultrafines, 600 g/t petalite, flocculant (Magnafloc 10 or equivalent) at a consumption rate of 60 g/t and coagulant at 1000g/t.
In the crushing circuit, consumables will include liners for all the crushers and the screen panels. In the DMS plant, maintenance items will be necessary for cyclones, pumps, screens, and belt filters.
![]() |
| SGS Canada Inc. |
|
Technical Report – Grota do Cirilo Lithium Project – Araçuai and Itinga Regions, Minas Gerais, Brazil |
|
18 |
PROJECT INFRASTRUCTURE |
The mine and the concentrator infrastructure is located at Sigma’s Xuxa property. Much of the mining non-process infrastructure at the mine services area is included in the contract mining scope. The main infrastructure includes:
|
● |
Four open pits in seven separate deposits and five waste stockpiles |
|
● |
Raw water supply (underground pipeline) from Jequitinhonha River to the site (utility plant) |
|
● |
Electrical supply infrastructure to provide power to the site and related substations |
|
● |
Federal access road BR367 |
|
● |
Deviation from BR367, by a municipal road, to the process plant |
|
● |
Bridge over the Piauí Creek spanning Xuxa Pit #1 and Pit #2 |
|
● |
Road transport (including haul roads) for waste rock and ore to and from the mine |
|
● |
Workshops and fueling services |
|
● |
Plant and mine facilities |
|
18.1 |
SIGMA GENERAL SITE PLAN |
The overall site plan shows the Xuxa mine pits, process plant, waste rock disposal areas, mining services, as well as the main access road and the rerouted municipal roads (Figure 18‑1). There is an existing operation base west of highway BR367. The Phase 1 plant site and Xuxa mine pits, located approximately 4 km from the main highway, are accessible via an existing municipal road off Highway BR367. This road has been widened to a width of 8 m. The existing municipal road located between the process plant and the Xuxa mine workings, will be closed to public traffic. The municipal authorities have built a new road to bypass the plant, providing access to local communities. It has been constructed within the property boundaries and is suitable for light vehicle traffic.
For the Phase 2 Plant, the existing municipal road will be bypassed by building a new public bypass road, which is 1km in length and under construction. This road will bypass the Phase 2 plant area.
![]() |
| SGS Canada Inc. |
|
Technical Report – Grota do Cirilo Lithium Project – Araçuai and Itinga Regions, Minas Gerais, Brazil |

Figure 18‑1: Sigma Lithium Project General Layout Plan for Xuxa
The planned locations for the processing plant and related infrastructure including the ROM pad are shown on Figure 18‑2.
![]() |
| SGS Canada Inc. |
|
Technical Report – Grota do Cirilo Lithium Project – Araçuai and Itinga Regions, Minas Gerais, Brazil |

Figure 18‑2: Overall Site Plan
![]() |
| SGS Canada Inc. |
|
Technical Report – Grota do Cirilo Lithium Project – Araçuai and Itinga Regions, Minas Gerais, Brazil |
|
18.2 |
ROADS |
The existing municipal road has been upgraded to be suitable for the trucks travelling to the port for product export. The road is 11 meters in width, with an active road surface of 8 meters (Figure 18-3).
A 2.6 km-long municipal road has been built to bypass the plant and provide access to local communities. It is built within the property boundaries and is suitable for light vehicle traffic. The road is 8.0 meters in width, with an active road surface of 7.0 meters.
Figure 18-4 presents the finalized layout of the municipal road from the highway exit to the site entrance (Access 1) as well as the constructed bypass road for community access (Access 2).
For the Phase 2 Plant, a 1.0 km long municipal road is being constructed to bypass the plant and provide access for local communities. It is being built within the property boundaries and is suitable for light vehicle traffic. The road will be 12.0 meters in width, with an active road surface of 10.0 m.
To access the NDC-LDM & Murial Deposits, the same road access to Barreiro will be used with an approximate distance of 10 km from the process plant at Xuxa. A 7.8 km long bypass road will be built at the Murial and LDC-LDM proposed waste dump to allow access to local communities/property owners.

Figure 18‑3: Municipal road upgrades
![]() |
| SGS Canada Inc. |
|
Technical Report – Grota do Cirilo Lithium Project – Araçuai and Itinga Regions, Minas Gerais, Brazil |

Figure 18‑4: Municipal access road and community bypass road
|
18.3 |
EARTHWORKS AND BURIED SERVICES |
The process plant construction for Phase 2 involves earthworks at various elevations, requiring both cut and fill operations. The Project is divided into three major areas: ROM Pad and Crushing Plant, Crushed Ore Stockpile and DMS area.
The total earth movement is approximately 240,000 m³, consisting of 140,000 m³ for cutting and 100,000 m³ for landfill.
Appropriate water drainage was designed into the system to minimize slope erosion, and the slopes will be hydro seeded to provide additional erosion control.
|
18.4 |
WATER BALANCE - STORM WATER & WATER TREATMENT |
|
18.4.1 |
Hydrology and Hydrogeology |
|
18.4.1.1 |
Hydrology |
For the process plant and mine areas, hydrological studies were conducted with the objective of determining the flow rates for surface drainage control structures and waste pile designs. Hydrological studies assumed 100- and 500-year return periods, with a 50% probability of occurrence. A minimum permissible velocity of 0.5 m/s was assumed, to avoid deposition of solids in the channels. Soil type and characteristics of land use were identified via satellite imagery and a technical site visit. Sigma provided topographic information.
At the mine area, after each precipitation event, monitoring of river sections downstream of the ponds for erosive processes should be carried out.
![]() |
| SGS Canada Inc. |
|
Technical Report – Grota do Cirilo Lithium Project – Araçuai and Itinga Regions, Minas Gerais, Brazil |
|
18.4.1.2 |
Piauí Creek Flood Study |
The flood line indicates that the flood areas along the Piauí Creek, in the planned bridge area, are basically contained in the greater waterway channel. Flood modelling in the area of the planned bridge was conducted using a 100-year return period.
|
18.4.1.3 |
Hydrogeology |
A detailed hydrogeological investigation was conducted over a 12-month period. The investigation determined the baseline study of the pre-mining conditions, including the following:
|
● |
Review of historical data, which included the 3D geologic model from mineral exploration drilling, strike and dip direction of open fracture sets in cores and cross sections at the study site and water quality data for surface water/ groundwater/ springs |
|
● |
Identification of potential contaminant sources |
|
● |
Determination of physical and geochemical parameters to be monitored as part of baseline and regular monitoring program |
|
● |
Installation of six baseline monitoring wells plus an additional well for a pumping test |
|
● |
Conduct pumping tests to estimate key hydrogeological parameters of the subsurface in the mine pit area and to evaluate dewatering options: a pumping well (larger diameter than monitoring wells) will be drilled as well as two monitoring wells for drawdown monitoring (these two are included in the total of six baseline monitoring wells) |
|
● |
Estimation of hydraulic conductivities for monitoring wells using slug tests |
|
● |
Determine local and regional groundwater flow directions and local gradients |
|
● |
Collected groundwater samples for select parameters to set up baseline groundwater chemistry from monitoring wells |
|
● |
Developed a hydrogeological model for the site. |
The metasedimentary schist host rock has low primary permeability/porosity.
A hydrogeological monitoring program will be employed during the mining operation and will likely include:
|
● |
Installation of a monitoring well network based on baseline study results, geologic setting and potential sources of contaminants (inorganic and organic) |
|
● |
Regular groundwater sampling for select parameters and record of water levels; and measure field parameters (electrical conductivity, pH and temperature) for each monitoring well |
|
● |
Sample analysis and comparison of the results with Brazilian environmental guidelines |
|
● |
Environmental report preparation. |
|
18.4.2 |
Overview |
To avoid damage to the access and interior roads, a surface drainage system has been implemented. Contact water from the process plant, non-process plant, and mine services, as well as tailings and waste piles, the open-pit area, and the access road, will be sent to the sedimentation ponds. All drainage from plant and tailings disposal piles will be collected in settling pond #1. Drainage of the waste rock pile in the Gilson area will be collected in settling pond #2. For waste piles 2 ,3, 4 and 5 the graded surface will be sloped to allow for rainwater to be discharged by gravity out of the waste piles, where it will be picked up by gutters and/or other drainage devices to settling ponds 3 or 4.
![]() |
| SGS Canada Inc. |
|
Technical Report – Grota do Cirilo Lithium Project – Araçuai and Itinga Regions, Minas Gerais, Brazil |
Process plant water will be sourced from the Jequitinhonha River at a maximum rate of 150 m³/hr (refer to the discussion in Section 18.11), and the plant will also utilise water recycled from the sedimentation ponds. Recycling will be maximized to reduce intake water consumption and to allow for water collection at various stages of the process for reuse. Water recovery will also lower intake water consumption by recycling drainage water collected in the sedimentation ponds. Figure 18‑5 is a balance projection for operations. Some of the recycled water will also be used for dust suppression.

Figure 18‑5: Xuxa Mine Water Balance
|
18.4.3 |
Open Pit Dewatering |
In the open pits, the drainage system is directed to the bottom of the mine where water is collected and used to fill water trucks, during the dry season, and spray the mine roads, as a dust suppression mechanism.
![]() |
| SGS Canada Inc. |
|
Technical Report – Grota do Cirilo Lithium Project – Araçuai and Itinga Regions, Minas Gerais, Brazil |
|
18.4.4 |
Tailings and Waste Piles |
|
18.4.4.1 |
Tailings Pile and Waste Piles 1 |
Runoff is directed from higher ground around the tailings and waste piles.
For the waste piles where tailings and waste are co-disposed, precipitation falling directly on the waste piles is being managed in order to maintain a dry working area to place the tailings, to mitigate erosion of the tailings, and manage turbidity in runoff prior to water recycling to the process plant.
Tailings placement is restricted during and immediately after precipitation events and surface accumulations of water are allowed to runoff and evaporate. Surface runoff is facilitated by sloping the pile surface to essentially match the underlying topography, with an overall slope of 2–3% towards the southeast.
Runoff water is collected in an engineered saucer-shaped low from where it will be gravity drained through a pipe in the perimeter lane and discharged to a sedimentation pond located adjacent to the southeast corner of the pile. Once construction of the pile is completed, a final protective cover will be placed to facilitate revegetation and minimize erosion, at which point the sedimentation pond may be decommissioned.
For the waste piles which will receive waste rock only, ponds are built to receive all pile drainage and eventually drainage from the pits. Drainage in the ramps of the waste piles were built to direct water bench to bench and peripheral trenches were built to direct rainfall water to the ponds ensuring solids containment if solids are carried from the waste piles to the containment basins. These ponds are cleaned during dry seasons. Accumulated water is used to fill the water trucks or may be discharged if the water is within the applicable aquatic guidelines.
|
18.4.4.2 |
Waste Piles 2, 3, 4 and 5 |
The graded surfaces are sloped to allow rainwater to be discharged by gravity out of the pile, where it is picked up by drainage channels and/or other drainage devices to settling ponds 3 and 4.
|
18.4.5 |
Water Treatment Plant |
The Water Treatment Plant for the Jequitinhonha River has a treatment capacity of 150 m³/hr, providing 20 m³/hr of drinkable water as determined by Decree 2914/2011 of the Health Ministry. The water treatment plant is modular allowing for the expansion of treatment capacity according to customer demand. The plant includes a physical-chemical water treatment, chemical dosing system and disinfection for drinkable water. The water treatment plant will remove sand, suspended solids, and sludge.
The water intakes and treatments are summarized in Figure 18-6.
![]() |
| SGS Canada Inc. |
|
Technical Report – Grota do Cirilo Lithium Project – Araçuai and Itinga Regions, Minas Gerais, Brazil |

Figure 18‑6: Intake Water / Water Treatment
|
18.5 |
SEWAGE |
The sewage system is operational and designed to treat all domestic effluent from the process plant and utility areas, with a capacity of 50 m³/day, equivalent to 350 persons.
|
18.6 |
BUILT INFRASTRUCTURE |
The central processing facilities consist of unclad steel structures for access, maintenance and equipment support. Floor layouts for access and maintenance around the equipment feature open grating; where required, checker plate or elevated concrete slabs have been used. Switch rooms (housing the various motor control centres (MCCs)) were prefabricated and pre-wired, with the wiring tested in the factory before despatch, to minimise site work.
The steel structures were built on foundations that were supported directly under the soil, through floors, and reinforced concrete footings, according to the needs of each structure.
|
18.6.1 |
Non-Process Infrastructure |
All buildings in the administrative areas have been built as modular structures, with painted metal panels, thermal insulation, and metal tiles. The buildings are equipped with all necessary electrical, hydraulic, and communication facilities. Containers will be used for laboratories and electrical substations (switch-rooms).
Operational support facilities, such as the compressor room and others, are conventionally constructed, consisting of metal-structure sheds and masonry offices, except for workshops and warehouses, which are built with metal-structure sheds and vinyl canvas coverings.
Utilities such as raw water, potable water and fire water are provided for these buildings. A fire detection and protection system consisting of firewater hydrants and portable fire extinguishers has been installed.
Table 18-1 summarizes the planned built non-process infrastructure requirements.
![]() |
| SGS Canada Inc. |
|
Technical Report – Grota do Cirilo Lithium Project – Araçuai and Itinga Regions, Minas Gerais, Brazil |
Table 18‑1 – Infrastructure Summary Table
|
Item |
Comment |
|
Phase 2 Process Plant |
|
|
Gate house |
110 m²; prefabricated modular construction |
|
Truck weigh station |
Consists of a road scale located in the plant area to weigh the lithium oxide concentrate product trucks leaving the plant and weigh diesel tank trucks that supply diesel to the storage facilities in the mine area Trucks are weighed when they enter and exit the plant. Up to 30 spodumene product trucks are weighed per day, and 3–4 diesel trucks per week. The scale is sized for B-Double-sized trucks |
|
Truck scale control room and truck driver rest area |
35 m²; prefabricated modular construction and located near the truck scale. |
|
18.7 |
STOCKPILES |
|
18.7.1 |
ROM Stockpiles |
There is one ROM pad located at the feed of the primary crushing circuit. The ROM is delivered in 40-t trucks directly from the mine. The trucks dump the material at the handling area, which is stockpiled using a front-end loader. Each ROM stockpile occupies an area of approximately 20,000 m² on the ROM pad, with a base of 150 m × 150 m and a maximum height of 12 m, providing a capacity of 5,000 t or one day’s plant feed. Approximately 15,000 m2 of the ROM pad area is used for ROM handling with trucks and front-end loaders. A front-end loader will feed the primary crusher.
Excavated channels are used for rainwater drainage of the ROM pad area, which connects to the overall plant rainwater drainage collection system.
|
18.7.2 |
Crushed Ore Feed Bins |
Crushed ore is sent to the DMS feed bin, which has a capacity of 8 hours and includes an emergency overflow chute. The crushed ore is automatically fed from the feed bin to the DMS circuit. The DMS circuit features a secondary feed chute that a front-end loader can supply during extended maintenance periods of the crushing plant.
|
18.7.3 |
Lithium Oxide Concentrate Stockpile |
The concentrate stockpile is fed by a radial stacker and sized for a one-day storage capacity of 720 t. The stockpile has a concrete pad, and the concentrate is loaded into product transport trucks with front-end loaders for transport to the port.
![]() |
| SGS Canada Inc. |
|
Technical Report – Grota do Cirilo Lithium Project – Araçuai and Itinga Regions, Minas Gerais, Brazil |
| 18.7.4 |
Hypofines Stockpile (In-Plant) |
The Hypofines stockpile is fed by a radial stacker and is sized for one day’s storage of 890 t. There is no concrete pad beneath the stockpile. Hypofines will be loaded into mine trucks by front-end loaders and transported to a waste pile.
| 18.7.5 |
Ultrafines Stockpile (In-Plant) |
Ultrafines lithium oxide concentrate is stockpiled by a radial stacker and sized for one day’s storage of 105 tons. It has a concrete pad.
|
18.7.6 |
Waste Storage – Dry Stack Tailings Stockpile (In-Plant) |
The rejects stockpile is fed by a radial stacker, placed on the ground and has a storage capacity of 3,600 t. The rejects are loaded into mine trucks by front-end loaders and transported to a waste pile.
|
18.8 |
WASTE DISPOSAL |
|
18.8.1 |
Xuxa Waste Disposal |
The waste rock disposal areas are located close to the Xuxa pits. The sites were properly prepared to include drainage of each waste pile base, and the construction of channels to direct the groundwater flow, aiding the geotechnical stability and mitigating erosion of the stored material. Figure 18-7 shows the location of waste piles and sumps.
The geotechnical investigation of the waste pile locations was carried out based on sampling campaigns, laboratory tests and field visits. Altered and unaltered samples were collected to carry out laboratory tests for each of the waste piles. Other available information has been updated, such as laboratory tests, probes with SPT tests and rotary diamond drill hole logs. Figure 18-8 shows the location of the field investigations and test pits.
![]() |
| SGS Canada Inc. |
|
Technical Report – Grota do Cirilo Lithium Project – Araçuai and Itinga Regions, Minas Gerais, Brazil |

Figure 18‑7: Xuxa Waste Piles Location Map
![]() |
| SGS Canada Inc. |
|
Technical Report – Grota do Cirilo Lithium Project – Araçuai and Itinga Regions, Minas Gerais, Brazil |

Figure 18‑8: Xuxa Waste Piles Geotechnical Sampling Locations
The waste piles were built using the ascending method, which allowed a construction sequence of multiple lifts, beginning with the construction of the base of the pile. Waste is dumped by trucks and is uniformly distributed and leveled using a bulldozer. The procedure is then repeated, stacking another bench above the original, while maintaining a ramp so that trucks can access the area.
Upon completion of a bench, it is ready to be revegetated by hydroseeding or another method.
Figure 18-9 shows an example of the construction sequence for a berm.
![]() |
| SGS Canada Inc. |
|
Technical Report – Grota do Cirilo Lithium Project – Araçuai and Itinga Regions, Minas Gerais, Brazil |

Figure 18‑9: Constructive Sequencing of the 340 M Level of the Waste Pile Berm
Stability analysis cross-sections were selected passing through the highest points of the waste piles assuming the hypothesis of circular rupture for granular material. The Slide program was used with the Simplified Bishop method, adopting as resistance parameters those usually used in rockfill piles. For the foundation, the average strength parameters of the CIU triaxial tests were adopted, as shown in Table 18-2.
![]() |
| SGS Canada Inc. |
|
Technical Report – Grota do Cirilo Lithium Project – Araçuai and Itinga Regions, Minas Gerais, Brazil |
Table 18‑2: Xuxa Waste Pile Parameters for Stability Analysis
|
Waste Pile Number |
Materials |
γ(kN/m3) |
Cohesion C’ (kPa) |
Friction Angle Φ (°) |
|
Waste Pile 1 |
Embankment (waste) |
19 |
1 |
40 |
|
Foundation 1 (schist/saprolite) |
16.9 |
9.6 |
26.9 |
|
|
Foundation 2 (biotite schist) |
21 |
50 |
34 |
|
|
Waste Pile 2 |
Embankment (waste) |
19 |
1 |
40 |
|
Foundation 1 (schist/saprolite) |
16.4 |
7.1 |
28.5 |
|
|
Foundation 2 (biotite schist) |
21 |
50 |
34 |
|
|
Waste Pile 3 |
Embankment (waste) |
19 |
1 |
40 |
|
Foundation 1 (schist/saprolite) |
17.2 |
8 |
27.4 |
|
|
|
Embankment (waste) |
19 |
1 |
40 |
| Waste Pile 4 |
Foundation 1 (schist/saprolite) |
17.7 |
3.4 |
32 |
|
Foundation 2 (schist) |
21 |
50 |
34 |
|
|
Waste Pile 5 |
Embankment (waste) |
19 |
1 |
40 |
|
Foundation 1 (schist/saprolite) |
17.7 |
3.4 |
32 |
Results of the stability analysis are presented in Table 18-3 and shown in Figure 18-10.
The results indicate that the safety factor is greater than 1.5 without a low water table level and 1.3 with a high-water table level. These safety factors are in accordance with those usually adopted for similar structures.
Table 18‑3: Safety Factor from Xuxa Waste Pile Stability Analysis
|
Waste Pile Number |
Section |
Safaty Factor (minimum) |
|
Waste Pile 1 |
AA |
1.58 |
|
BB |
1.56 |
|
|
Waste Pile 2 |
AA |
1.58 |
|
BB |
1.56 |
|
|
Waste Pile 3 |
AA |
1.54 |
|
BB |
1.51 |
|
|
Waste Pile 4 |
AA |
1.64 |
|
BB |
1.63 |
|
|
CC |
1.64 |
|
|
Waste Pile 5 |
1 |
1.64 |
![]() |
| SGS Canada Inc. |
|
Technical Report – Grota do Cirilo Lithium Project – Araçuai and Itinga Regions, Minas Gerais, Brazil |

Figure 18‑10: Stability Analysis Section AA for Xuxa Waste Pile 03
Instrumentation sections designed with water level indicators must be installed after the construction of the landfill in order to monitor any rock deformations and verify the efficiency of the internal drainage system.
Table 18-4 presents the design parameters of the waste dumps. Table 18-5 shows the capacities of surface areas for the waste dumps designed for the project. The total capacity of the waste dumps was estimated using 25% expansion and 10% compaction factors.
Table 18‑4: Xuxa Waste Pile Design Parameters
|
Parameter |
Value |
|
Bench Height |
20 m |
|
Minimal Berm Width |
10 m |
|
Face Angle |
38º |
|
Access Ramp Width |
12 m |
|
Ramp Inclination Angle |
10% |
![]() |
| SGS Canada Inc. |
|
Technical Report – Grota do Cirilo Lithium Project – Araçuai and Itinga Regions, Minas Gerais, Brazil |
Table 18‑5: Xuxa Waste Pile Capacities and Surfaces Areas
|
Designed Pile |
Volume (Mm³) |
Area (ha) |
|
Pile 1 |
4.4 |
16.85 |
|
Pile 2 |
8.5 |
23.03 |
|
Pile 3 |
1.8 |
8.99 |
|
Pile 4 |
25.5 |
50.62 |
|
Pile 5 |
1.3 |
8.4 |
|
TOTAL |
41.5 |
107.89 |
|
18.8.2 |
Barreiro Waste Disposal |
The Barreiro waste rock disposal area is planned to be located close to the Barreiro pit, although the final location will depend on the results of environmental analysis and licensing. The site will be properly prepared to include drainage of the waste pile base, and construction of channels to direct the groundwater flow, aiding the geotechnical stability and mitigating erosion of the stored material. Figure 18-11 shows the proposed location of waste pile location.
![]() |
| SGS Canada Inc. |
|
Technical Report – Grota do Cirilo Lithium Project – Araçuai and Itinga Regions, Minas Gerais, Brazil |

Figure 18‑11: Proposed Location of Barreiro Waste Dump
The waste rock dump will be built using the ascending method, which allows a construction sequence of multiple lifts, beginning with the construction of the base of the pile. Waste will be dumped by trucks and be uniformly distributed and leveled using a bulldozer. The procedure is then repeated, stacking another bench above the original, while maintaining a ramp so that trucks can access the area.
Upon completion of a bench, it will be ready to be revegetated by hydroseeding or another method.
Figure 18-9 shows an example of the construction sequence for a berm.
Instrumentation sections designed with water level indicators will be installed after the construction of the landfill to monitor any rock deformations and verify the efficiency of the internal drainage system.
Table 18-6 presents the design parameters of the Barreiro waste dump. Table 18-7 shows the capacity of surface area for the waste dump designed for the project. The total capacity of the waste dump was estimated using 30% expansion and 15% compaction factors. This final waste dump layout is designed to allow for the expansion of the waste pile. Figure 18-12 shows the mine layout with pits, process plant and waste piles locations.
![]() |
| SGS Canada Inc. |
|
Technical Report – Grota do Cirilo Lithium Project – Araçuai and Itinga Regions, Minas Gerais, Brazil |
Table 18‑6: Barreiro Waste Pile Design Parameters
|
Parameter |
Value |
|
Bench Height |
20 m |
|
Minimal Berm Width |
10 m |
|
Face Angle |
38º |
|
Access Ramp Width |
12 m |
|
Ramp Inclination Angle |
10% |
Table 18‑7: Barreiro Waste Pile Capacity and Surface Area
|
Waste Pile |
Value |
|
Volume (Mm3) |
110.9 |
|
Area (ha) |
122.7 |
|
Maximum height (m) |
220 |
![]() |
| SGS Canada Inc. |
|
Technical Report – Grota do Cirilo Lithium Project – Araçuai and Itinga Regions, Minas Gerais, Brazil |

Figure 18‑12: Mine Configuration Showing Xuxa and Barreiro Pits and Sigma Processing Plant
![]() |
| SGS Canada Inc. |
|
Technical Report – Grota do Cirilo Lithium Project – Araçuai and Itinga Regions, Minas Gerais, Brazil |
|
18.8.3 |
Nezinho do Chicão Lavra do Meio and Murial Waste Disposal |
The waste rock disposal area was planned to be located close to the NDC-LDM and Murial pits. Waste rock materials will be transported from the mine by haul truck. The final location will depend on results of environmental analysis and licensing. The site must be properly prepared to include drainage of the waste pile base, and channels to direct the groundwater flow, thus aiding geotechnical stability and mitigate erosion of the stored material. Figure 18-13 shows the location of waste dump.

Figure 18‑13: NDC-LDM and Murial Waste Dump Locations
The waste rock dump will be built using the ascending method, which allows a construction sequence of multiple lifts, beginning with the construction of the base of the pile. Waste will be dumped by trucks and be uniformly distributed and leveled using a bulldozer. The procedure is then repeated, stacking another bench above the original, while maintaining a ramp so that trucks can access the area.
Upon completion of a bench, it will be ready to be revegetated by hydroseeding or another method.
Figure 18-9 shows an example of the construction sequence for a berm.
Instrumentation sections designed with water level indicators will be installed after the construction of the landfill in order to monitor any rock deformations and verify the efficiency of the internal drainage system.
Table 18-8 presents the design parameters of the NDC-LDM and Murial waste dumps. Table 18-9 shows the capacity of surface area for the NDC-LDM waste dump and Table 18-10 shows the capacity of surface area for the Murial waste dump. The total capacity of the waste dump was estimated using 30% expansion and 15% compaction factors. This final waste dump layout is designed to allow for the expansion of the waste pile. Figure 18-14 shows the mine layout with pits, process plant and waste piles locations.
![]() |
| SGS Canada Inc. |
|
Technical Report – Grota do Cirilo Lithium Project – Araçuai and Itinga Regions, Minas Gerais, Brazil |
Table 18‑8: NDC-LDM & Murial Waste Pile Design Parameters
|
Parameter |
Value |
|
Bench Height |
20m |
|
Minimal Berm Width |
10m |
|
Face Angle |
38º |
|
Access Ramp Width |
12m |
|
Ramp Inclination Angle |
10% |
Table 18‑9: NDC-LDM Waste Pile Capacity and Surface Area
|
Waste Pile |
Value |
|
Volume (Mm3) |
243.3 |
|
Area (ha) |
194.87 |
|
Maximum height (m) |
225 |
Table 18‑10: Murial Waste Pile Capacity and Surface Area
|
Waste Pile |
Value |
|
Volume (Mm3) |
170 |
|
Area (ha) |
136.9 |
|
Maximum height (m) |
225 |
![]() |
| SGS Canada Inc. |
|
Technical Report – Grota do Cirilo Lithium Project – Araçuai and Itinga Regions, Minas Gerais, Brazil |

Figure 18‑14: Mine Configuration Showing Xuxa, Barreiro and NDC-LDM & Murial Pits and Sigma Processing Plant
|
18.9 |
FUEL |
Fuel is delivered to the site under a contracted supply arrangement. The diesel is transported by tanker truck to the fueling area, where it is transferred to an overhead storage tank with a capacity of 15m³, situated within a concrete containment bunded area. The facility is designed for efficient access, as well as the supply and distribution of diesel fuel, and is strategically located near the entrance to the North Pit.
To enhance the fueling system, the expansion of Xuxa includes the construction of a new fueling station with a storage capacity of 90m³, which will be strategically positioned near operational areas to optimize fuel access and distribution.
|
18.10 |
POWER SUPPLY |
|
18.10.1 |
Site Power Supply |
CEMIG, a state power company, supplies power. The CEMIG network offers a stable power supply in accordance with local interconnection rules and ONS (National System Operator) procedures.
The power is supplied from an existing 138 kV overhead transmission line. This line supplies a new CEMIG substation (intersection substation), which serves as the main source of power for the adjacent Sigma substation.
The incoming power is reduced to 13.8 kV by two 138-13.8 kV transformers that connect to the medium voltage switchgear for primary distribution. Both Phase 1 and Phase 2 & 3 will each connect to step down 13.8-0.44 kV transformers, as below:
|
● |
Two transformers for DMS |
|
● |
One transformer for crushing |
|
● |
Two transformers for utilities |
|
● |
One transformer for mine |
![]() |
| SGS Canada Inc. |
|
Technical Report – Grota do Cirilo Lithium Project – Araçuai and Itinga Regions, Minas Gerais, Brazil |
The secondary distribution voltage is 440 Vac from the above transformers for all loads. For small loads and lighting power, the voltages are:
|
● |
220V AC 3 phase, 60 Hz for road lighting and small loads |
|
● |
127V AC 1 phase, 60 Hz for offices and working stations |
Emergency power will be supplied by diesel generator sets.
The existing 13.8 kV Taquaral Seco Transmission Line located in the Olimpio area (plant area) has been relocated by CEMIG around the site perimeter to an existing line pole.
|
18.10.2 |
Process Plants |
The crushing equipment is fed by a cable from the plant substation switchgear to a 13.8/0.44 kV transformer. The transformer is connected to a switch room (440 V) MCC for distribution to the crushing equipment. The contract crushing load is estimated at 1.1 MW, including auxiliary electrical loads.
The DMS equipment is fed by two circuits from the plant substation switchgear to two 13.8/0.44 kV transformers. The transformers are connected to a switch room (440 V) MCCs for distribution to the DMS equipment. Table 18-10 shows the process power plant demand for Phase 1. The same power demand applies to Phase 2.
![]() |
| SGS Canada Inc. |
|
Technical Report – Grota do Cirilo Lithium Project – Araçuai and Itinga Regions, Minas Gerais, Brazil |
![]() |
| SGS Canada Inc. |
|
Technical Report – Grota do Cirilo Lithium Project – Araçuai and Itinga Regions, Minas Gerais, Brazil |
|
18.11 |
WATER SUPPLY |
The primary water source is the Jequitinhonha River.
Sigma has been granted a flow of 150 m³/hr for all months of the year by the Agencia Nacional das Águas (ANA) for a period of 10 years. The water is drawn from the Jequitinhonha River by two floating pumps, one in operation and one on standby, to the water treatment plant and for the filling station of the trucks that wet the mine's floor when necessary.
For Phase 1, two pumps (one operating and one on standby) supply treated raw water from the water treatment plant to a 3,500 m3 day storage tank. For Phase 2&3, a second supply line will be built to feed the day storage tank as well as a separate line to supply the mine infrastructure.
Treated raw water is distributed from the process water tank to consumption points by three raw water distribution pumps (two operating and one on standby). The current consumers include:
|
● |
Process plants |
|
● |
Mine services |
|
● |
Service stations (Area 600) |
|
● |
Technical fire reserve |
Potable water is supplied directly from the water treatment plant. The potabilization unit provides 20 m³/h of potable water to a 75 m³ storage tank of. From there, two pumps (one operating and one on standby) supply potable water to the following consumers:
|
● |
Process plant |
|
● |
Showers and eye wash stations |
For the auxiliary buildings such as bathrooms and the canteen, potable water is distributed by gravity flow from the storage tanks.
|
18.12 |
COMPRESSED AIR |
The compressed air system is responsible for supplying service air and instrument air to process plants (Areas 300, Areas 200) and to utilities area (Area 600). Compressed air is supplied by two compressors, one in operation and one on standby. The air-compressed system has a nominal capacity of 700 Nm³/h, and it is composed of air dryers and lung vessels. The lung vessels have the function of storing dry air and absorbing variations in air consumption, acting as an accumulator to ensure a maximum operating time in the event of a system or plant shutdown..
The compressed air distribution network is divided into two branches: one for delivering instrument air and the other for service air. However, the instrument air goes to a drying step before being sent for consumption.
For the mine and at the mine workshop, compressors are provided as required by the mining contractor.
The compressed air system was consolidated after the Phase 1 plant construction and will be replicated for Phase 2.
![]() |
| SGS Canada Inc. |
|
Technical Report – Grota do Cirilo Lithium Project – Araçuai and Itinga Regions, Minas Gerais, Brazil |
|
18.13 |
CONTROL SYSTEMS |
The Programmable Logic Controller (PLC) is an industrial automation device that utilizes programmable memory to store instructions previously defined by the user.
For Sigma's industrial plant, a Process Control System (PCS) has been installed. It contains three main Programmable Logic Controllers (PLCs), which monitor all equipment and instruments in the plant and control all equipment not associated with a supplier's Programmable Logic Controller (PLC). There are two control rooms within the process plant: the crushing control room and the central control room. The crushing control room is situated adjacent to the crushing switch room, while the main control room will be positioned next to the DMS switch room.
Within the central control room, a SCADA server is located. The SCADA is the main plant's supervisory control and data acquisition system. It consists of a pair of redundant master-follower servers, each comprising rack-mounted computers. All computers can remotely control equipment, in the event of a panel or mains power failure.
The control room houses the operating and engineering stations, where operators are located, as well as the entire closed-circuit television (CCTV) monitoring system. From the Control Room , there is a fibre optic ring connection with the two control rooms of the plant: the Crushing Switch Room and the DMS Switch Room. The fibre optic network is connected to locations outside the switch room/control room buildings.
The remote panels, located in the field, are responsible for transmitting information from the instruments and sending it to the PLC for each area.
The Phase 2 control systems will be identical to those for Phase 1.
|
18.14 |
COMMUNICATION SYSTEMS |
The communications infrastructure of the unit includes the following components:
|
● |
Telecommunications network and internet services |
|
● |
Local Area Network (LAN) and Wi-Fi access points |
|
● |
Access control systems |
|
● |
CCTV surveillance system |
All IT infrastructure has been standardized to support these systems. The various areas of the unit are interconnected via a high-performance fiber optic network, with a central server rack housing key equipment, including firewalls, servers, NVR, telephone server, DIO, switches, and a patch panel.
Each area is equipped with network outlets and/or Wi-Fi access points as required to ensure seamless connectivity.
Internet connectivity is provided through a dual-path fiber optic link, offering redundancy, and supported by a satellite link as a backup to ensure continuous high availability.
![]() |
| SGS Canada Inc. |
|
Technical Report – Grota do Cirilo Lithium Project – Araçuai and Itinga Regions, Minas Gerais, Brazil |
Security cameras are strategically installed at key locations, including the main gate, warehouse, parking lot, and other critical points throughout the facility to ensure comprehensive surveillance and security.
|
18.15 |
CAMPS AND ACCOMMODATION |
There will be no construction or operations camp for the Project considering the proximity of nearby towns.
|
18.16 |
PORT FACILITIES |
SMSA uses the port facilities located at Port of Vitória for solid bulk storage port operations. The Port of Vitória is certified by Bureau Veritas for Quality and is fully operational, equipped with trained professionals and advanced cargo handling equipment.
The product is received and unloaded, stored with Multilift Logística Ltda. (“Multilift”) in a segregated warehouse or yard free of contamination, and when required, is uploaded to a ship.
Multilift, as authorized port operator, manages reporting of reception and loading, command of the ship and/or its agents, co-ordinate cargo loading and include port operation insurance.
![]() |
| SGS Canada Inc. |
|
Technical Report – Grota do Cirilo Lithium Project – Araçuai and Itinga Regions, Minas Gerais, Brazil |
|
19 |
MARKET STUDIES AND CONTRACTS |
Information in this section regarding lithium demand, supply and price forecasts are summarized from a variety of sources, including recently published industry studies and Benchmark Mineral Intelligence forecasts (2024).
|
19.1 |
LITHIUM DEMAND 2024 AND BEYOND |
Driven by structural changes in the automotive industry, particularly the growing transition to electric vehicles (EVs), the demand for lithium has surged dramatically over the past decade. The primary factors driving this demand growth beyond 2024 will be continued expansion of electric vehicle production and rise of battery storage systems.
According to Benchmark Mineral Intelligence, global lithium demand is projected to reach 2.6 million tonnes of lithium carbonate equivalent (Mt LCE) by 2030, marking a substantial increase of approximately 1.6 Mt from 2024 levels. By 2040, global lithium demand is expected to reach 5.3 Mt. This growth is primarily driven by battery demand for electric vehicles and other energy storage solutions. In 2024, batteries were expected to account for about 86% of total lithium demand, and this share is forecast to rise to over 94% by 2035, as demand from other industrial sectors declines.
Benchmark Mineral Intelligence forecasts that global electric vehicle (EV) penetration will grow from 12.6% in 2024 to 75% by 2040, driven by a combination of pure electric, hybrid, and plug-in hybrid vehicles. Whereas lithium-ion battery demand from stationary storage applications is forecast to accelerate with an average 12% CAGR from 2025-2030.

Figure 19‑1: Electric Vehicle Sales as a Share of Total Cars (Benchmark Market Intelligence 2022)
|
19.2 |
LITHIUM SUPPLY FORECAST |
Currently, lithium supply is dominated by Australia, South America, and China, with the majority of lithium materials being sourced from hard rock deposits in Australia, China, and Brazil, and brine deposits in Chile, Argentina, and China. Most lithium sourced from hard rock deposits undergoes chemical conversion in China, while brine conversion is predominantly carried out in South America. While 81% of global supply came from Australia, China, and Chile in 2023, Benchmark Mineral Intelligence projects their combined share will drop to 46%, signaling a trend towards increasing geographical diversification of lithium supply.
![]() |
| SGS Canada Inc. |
|
Technical Report – Grota do Cirilo Lithium Project – Araçuai and Itinga Regions, Minas Gerais, Brazil |
In the long term, Benchmark Mineral Intelligence has revised its mining forecasts to 2.4 Mt LCE by 2030, with supply growth expected to remain relatively flat through 2040. This forecast includes expansions from existing mines as well as new entrants developing pre-production projects.
Refer to Figure 19-2 below for a summary of Benchmark Mineral Intelligence’s lithium supply forecast.
![]() |
| SGS Canada Inc. |
|
Technical Report – Grota do Cirilo Lithium Project – Araçuai and Itinga Regions, Minas Gerais, Brazil |

Figure 19‑2: Lithium Feedstock Supply Forecast (Benchmark Market Intelligence 2024)

Figure 19‑3: Lithium Supply-Demand Forecast (Benchmark Market Intelligence Q2, 2024)
![]() |
| SGS Canada Inc. |
|
Technical Report – Grota do Cirilo Lithium Project – Araçuai and Itinga Regions, Minas Gerais, Brazil |
|
19.3 |
LITHIUM PRICE FORECAST |
Lithium prices have pulled back from recent highs in the market, as discussed above. Short term pricing (2025 to 2030) indicates a measured rise in prices from 2024 lows, up to a peak of $36,000 per tonne in 2030, then pulling back to a long-term average of $29,000 for 2034 and beyond.
Long term tight market supply combined with rapidly improving demand for lithium chemicals is expected to put continued strong upward pressure on prices.
Figure 19-5 shows the forecast for battery-grade lithium carbonate, while Figure 19-6 shows the forecast for 6% lithium oxide concentrate.

Figure 19‑4: Battery-Grade Lithium Chemical Price Forecast (Benchmark Market Intelligence 2024)
![]() |
| SGS Canada Inc. |
|
Technical Report – Grota do Cirilo Lithium Project – Araçuai and Itinga Regions, Minas Gerais, Brazil |

Figure 19‑5: Spodumene Price Forecast (Benchmark Market Intelligence 2022)
|
19.4 |
CONTRACTS |
|
19.4.1 |
Operational Contracts |
|
19.4.1.1 |
Outsourcing of Mining Contract |
Mining contractors provided all-in cost per tonne of ore mined offers, which will include drilling and blasting, mining of both waste rock and ore, dump development and supply all the necessary mining infrastructure. The contract is planned for an 8-year period. Outsourcing of mining is very common in the lithium industry.
|
19.4.1.2 |
Road Transport Contract |
SMSA has active agreements with G7 Log Transportes Ltda. and D’Granel Transportes e Comércio Ltda. for the transportation of goods to the ports.
|
19.4.1.3 |
Port Handling Contract |
SMSA has an ongoing agreement with Multilift Logística Ltda. for storage and port handling services.
|
19.4.1.4 |
Power Contract with CEMIG |
SMSA has an ongoing agreement that regulates the connection of the facilities of SMSA’s consumption unit to the distribution system operated by Companhia Energética de Minas Gerais (“CEMIG”) and the use of this distribution system by the Company at the contracted voltage of 138kV.
|
19.4.2 |
Construction Contracts |
At the end of 2024, SMSA began procurement for the commencement of Phase 2 construction.
![]() |
| SGS Canada Inc. |
|
Technical Report – Grota do Cirilo Lithium Project – Araçuai and Itinga Regions, Minas Gerais, Brazil |
As of February 2025, SMSA has already signed a Technical and Engineering Services Agreement with DRA Chile SpA. for the preparation of the early earthworks project and the parties are currently negotiating the terms and conditions of an EPCM Agreement for the processing plant expansion as part or Phase 2.
SMSA has also signed a contract with the engineering firm FX Minas Construções e Empreendimentos Ltda. for the development and execution of the earthworks project to be prepared by DRA for Phase 2.
In December 2024, SMSA’s Procurement Team initiated negotiations to purchase long-lead items necessary for the Phase 2 Project. These agreements are currently in the final stages of closing.
![]() |
| SGS Canada Inc. |
|
Technical Report – Grota do Cirilo Lithium Project – Araçuai and Itinga Regions, Minas Gerais, Brazil |
|
20 |
ENVIRONMENTAL STUDIES, PERMITTING AND SOCIAL OR COMMUNITY IMPACT |
Table 20-1 shows all the environmental studies completed to date for Sigma’s Grota do Cirilo project.
Table 20‑1: Environmental Studies Completed on Grota do Cirilo Project
|
Project |
Environmental Study |
Prepared by |
Date Study Development |
Date of Filing at Agency |
|
Xuxa - North Pit |
Environmental Impact Study (EIS) and Environmental Control Plan (ECP) |
Attogeo Geologia e Engenharia |
December 2018 |
December 20 2018 |
|
Xuxa - South Pit |
Environmental Impact Study (EIS) and Environmental Control Plan (ECP) |
Vetor Ambiental e Urbanística |
April 2020 |
October 19 2020 |
|
Barreiro |
Environmental Impact Study (EIS) and Environmental Control Plan (ECP) |
Instituto Gestão Verde |
August 2022 |
September 05 2022 |
|
Expansion of capacity treatment's plant |
Environmental Control Plan (ECP) |
Alger Consultoria Socioambiental |
June 2023 |
June 06 2023 |
|
NDC |
Environmental Impact Study (EIS) and Environmental Control Plan (ECP) |
Consultoria e Empreendimentos de Recursos Hídricos |
August 2023 |
October 19 2023 |
|
Expansion Xuxa |
Environmental Impact Study (EIS) and Environmental Control Plan (ECP) |
Brandt Meio Ambiente |
July 2024 |
July 26 2024 |
|
20.1 |
ENVIRONMENTAL CONSIDERATIONS |
|
20.1.1 |
Environmental Permitting |
In compliance with CONAMA Resolution 09/90, the environmental licensing of mining projects requires an Environmental Impact Study (EIS) followed by an Environmental Impact Report (EIR). These documents support both the technical and environmental feasibility phase of the project and the issuance of a Preliminary License (Licença Previa or LP) and/or a combined Preliminary and Installation License (Licença de Instalação or LI), collectively referred to as (LP + LI).
The licensing process in Minas Gerais was established in accordance with COPAM Regulatory Deliberation No. 217, dated December 6, 2017, which outlines the criteria to be addressed based on the planned mine's size and its potential environmental impact.
For the first phase of the Xuxa Project – North (i.e., the North Pit, processing plant, and waste piles 1 and 2) – the permit application was submitted on December 20, 2018, and the installation permit was granted on May 31, 2019. An Operating Permit was subsequently obtained on March 31, 2023.
![]() |
| SGS Canada Inc. |
|
Technical Report – Grota do Cirilo Lithium Project – Araçuai and Itinga Regions, Minas Gerais, Brazil |
On October 19, 2020, Sigma submitted a permit application for Xuxa South (i.e., the South Pit and waste piles 3, 4, and 5), which was granted on June 24, 2022, for installation purposes. An Operating Permit was then obtained on April 28, 2023.
On October 19, 2023, Sigma applied for a permit for the Barreiro Project.
On January 31, 2024, COPAM granted SMSA a permit to increase the processing plant’s production.
On December 21, 2024, CMI granted a permit for the Barreiro Project.
Table 20‑2 summarizes the granted environmental permits within the Grota do Cirilo property.
Table 20‑2 – Granted Environmental Permits
|
Environmental Permit |
|||||||
|
Number |
Area |
Permit Scope |
Quantity |
Phase |
Start |
End |
Status |
|
4078/2022 |
Grota Cirilo - Xuxa's North |
Tailing Pile/Waste Rock Pile |
40 ha |
Operation |
March 31 2023 |
March 31 2033 |
Valid |
|
144/2023 |
Grota do Cirilo - Xuxa's South |
Tailing Pile/Waste Rock Pile |
172,71 ha |
Operation |
April 29 2023 |
April 29 2033 |
Valid |
|
1267/2023 |
Grota do Cirilo |
Production Plant |
3,700,000 ton/year |
Operation |
January 26 2024 |
March 26 2033 |
Valid |
|
3341/2022 |
Grota do Cirilo - Barreiro |
Tailing Pile/Waste Rock Pile |
274 ha |
Operation |
December 21 2024 |
March 31 2033 |
Valid |
|
1212/2022 |
Grota do Cirilo - Xuxa |
Concrete Plant |
85 m³/h |
Operation |
March 18.2022 |
March 18.2032 |
Valid |
|
20.1.2 |
Baseline Studies |
A summary of the baseline studies completed is provided in Table 20‑3.
![]() |
| SGS Canada Inc. |
|
Technical Report – Grota do Cirilo Lithium Project – Araçuai and Itinga Regions, Minas Gerais, Brazil |
Table 20‑3 – Baseline Studies
|
Area |
Comment |
|
Land use |
The current land uses include agriculture and subsistence farming. |
|
Flora |
Flora zones include savanna, riparian forests, seasonal forests and pasture lands. Most of the biotic zones have been disturbed by man and are in the process of regeneration. |
|
Archaeology and cultural heritage |
No direct environmental and social impacts were identified in traditional communities (quilombolas and indigenous people). At Barreiro’s Project Area were identified archaeological sites and it will require a development Conservation Program and archaeological rescue. |
|
Special Areas |
No special areas were identified. The project site is not located within a Conservation Unit |
|
Fauna |
Studies conducted included avifauna (birds), herpetofauna (reptiles and amphibians), terrestrial macrofauna (large and medium sized mammals) and ichthyofauna (fish). A low number of endemic and specialist species were recorded in the field, demonstrating that the remaining natural areas have little capacity for the harboring of species that cannot withstand man-generated changes in their habitats. |
|
Climate |
The climate is continental-dry and warm, and has two clearly defined and distinct seasons, one dry, coinciding with winter in the southern hemisphere and the other wet, coinciding with summer |
|
Water |
The Project is located in the Jequitinhonha River basin, spatially occupying the sub-basins of the Ribeirão Piauí and the Córrego Taquaral, which are direct tributaries of the Jequitinhonha River. |
|
Soils |
Three major soil types were identified, consisting of latosols and podzolic soils |
|
Geomorphology |
The general area is of low hills and fluvial flood plains |
|
Caves |
No cave systems were identified. |
|
Social setting |
Itinga and Araçuai municipality, existing local infrastructure, health status, and education status. |
Additional studies will be conducted, including evaluations of greenhouse gas emissions and groundwater quality. The water quality of the Jequitinhonha and Piaui Creek is monitored monthly. Baseline measurements for dust, noise, and vibration have been established, and these parameters continue to be monitored each month.
|
20.1.3 |
Water Considerations |
All water drained and collected to settling ponds, is recycled to the process plant, or used in water trucks to spray the roads. During the wet season, excess water from the pond is discharged in an overflow channel.
The rainfall water/effluent quality from the settling pond is meet the Brazilian Regulations parameters, according to CONAMA 430 - Section II and/or groundwater analysis. For the analysis of surface water, CONAMA 357/2005 is followed; for groundwater, CONAMA 396/2008 and CONAMA 420/2009.
![]() |
| SGS Canada Inc. |
|
Technical Report – Grota do Cirilo Lithium Project – Araçuai and Itinga Regions, Minas Gerais, Brazil |
According to the environmental monitoring program, the company conducts various environmental monitoring activities regarding the quality and quantity of surface and groundwater to ensure the effectiveness of its controls and mitigation of environmental impacts.
|
20.1.4 |
Acid Rock Drainage |
An assessment was conducted to identify the potential for acid rock drainage (ARD), with an emphasis on standard static tests, including modified acid base accounting (ABA), and kinetic tests, specifically the humidity cell test.
ABA tests were conducted at SGS Geosol on a total of 20 samples from five drill holes.
Using net neutralization potential (NNP) criteria, 15 samples out of the 20 samples tested are in the uncertain range, and the remaining five samples tested were non-acid generating.
The neutralization potential ratio (NPR), which is based on the ratio between acid generation potential (AP) and neutralization potential (NP), was evaluated. Thirteen samples were non-acid generating, but four samples had 1<NPR<2 suggesting potential for acid generation.
In addition to the above test work on 20 samples, SGS Lakefield conducted a single humidity cell test. The tested sample had ten-parts waste rock (schist) and one-part DMS tailings. Findings include:
|
● |
The pH fluctuated between 6.55 and 7.31, which is in a circumneutral pH range (6.5–8.3). In general, measured alkalinity values were much greater than measured acidity, which is indicative of dominant buffering capacity conditions |
|
● |
The electrical conductivities of weekly collected effluent ranged from 32 to 95 µS/cm, which is indicative of low ionic constituents of water |
|
● |
Some heavy metals and toxic elements, such as As and U, were detected by analysis of effluent chemistry, but their corresponding concentrations were generally much lower than is permitted by the Canadian guideline for drinking water |
|
● |
The ABA test result on the humidity cell sample suggested 5.15 kg CaCO3/t for NP and 2.5 kg CaCO3/t for AP. Based on the ABA test result and the depletion rate calculation over the course of the humidity cell, the sulphide content in the waste depleted at a faster rate than the sample NP, which suggests negligible acid or metals release for this composite sample |
|
● |
It was concluded that localized ARD generation may occur due to the presence of pyrite and reactive sulphur bearing minerals in the waste rock and tailings |
|
● |
Supplementary laboratory tests are planned in accordance with the Canadian Mine Environment Neutral Drainage (MEND) procedures for acid rock drainage (ARD) definition and control for waste rock, tailings (+0.5 mm and -0.5 mm) and combined waste and +0.5 mm tailings as follows: |
|
● |
Waste rock: modified ABA tests on new set of samples, net acid generation testing (NAG) and humidity cell kinetic testing (4 cell tests: mix of samples with ARD generating conditions, mix of samples with uncertain conditions, +0.5 mm tailings and -0.5 mm tailings) |
|
● |
Tailings (+0.5 mm and -0.5 mm): modified ABA tests |
|
● |
Combined waste and +0.5 mm tailings: XRF and XRD analyses. |
Sigma also conducted an acid drainage study in its stockpile, mine and material storage areas. No risk of contamination from acid drainage was found.
![]() |
| SGS Canada Inc. |
|
Technical Report – Grota do Cirilo Lithium Project – Araçuai and Itinga Regions, Minas Gerais, Brazil |
|
20.2 |
PERMITTING CONSIDERATIONS |
| 20.2.1 |
Federal |
SMSA is the owner of the mining rights registered under DNPM Nº 824.692/1971, and the holder of Mining Concession Ordinance Nº 1.366, published on October 19, 1984. In 2018 a PAE was registered with the National Department of Mineral Production (DNPM) and the National Mining Agency (ANM), which was approved on November 16, 2018.
|
20.2.2 |
State |
The approval process involves a technical and legal analysis conducted by the environmental regulatory agency.
Currently, Sigma await for 2 (two) new Environmental Permits: Nezinho’s Project and Increase area at Xuxa’s Pit and Piles. The table 20-4 summarizes the Environmental Permit Requests.
Table 20‑4 – Environmental Permit Requests
|
In process |
|||||
|
Number |
Area |
Permit Scope |
Quantity |
Protocol |
Status |
|
2392/2023 |
Gr Grota do Cirilo NDC |
Tailing Pile/Waste Rock Pile |
193,94 ha 1.820.000 ton/year |
October 19,2022 |
Under evaluation by environmental agency |
|
4515/2024 |
Grota do Cirilo Xuxa's Expansion |
Tailing Pile/Waste Rock Pile |
77,49 ha 90 m³ |
July, 26,2024 |
Under evaluation by environmental agency |
Current legislation (Federal Law 11.428 / 2006) establishes a mining enterprise as a public utility and therefore allows for intervention in the form of the removal of vegetation that is in the middle stage of regeneration, provided the proper environmental and forestry compensation is applied.
The compensation listed in Table 20-5 will apply to the project.
Table 20‑5: Applicable Environmental Compensation
|
Compensation |
Situation |
Legislation |
|
Environmental |
Activities with significant environmental impact. |
SNUC Law Nº 9.985/2000, dated 18 July 2000; DN COPAM N° 217 dated 06 December 2017. |
|
Suppression of Vegetation |
Mining ventures that depend on the removal of vegetation in the advanced and medium stages of regeneration. |
CONAMA N° 392, dated 25 July 2007, Law Nº 11.428, dated 22 December 2006 and IEF Ordinance Nº 30, dated 03 February 2015. |
|
Mining |
Mining venture that depends on the removal of native vegetation. |
Law N° 20.922, dated 16 October 2013 and IEF Ordinance Nº 27, dated 07 April 2017; Law N° 47.479 dated 11 November 2019. |
![]() |
| SGS Canada Inc. |
|
Technical Report – Grota do Cirilo Lithium Project – Araçuai and Itinga Regions, Minas Gerais, Brazil |
Based on these obligations, the environmental agency approved compensation of approximately 909 ha of native vegetation and overage of 206,000 (two hundred and six thousand) protected trees. Regarding Financial Compensation (SNUC Law), Sigma made a payment of R$ 1.9 million.
| 20.2.3 |
Water Usage Permit |
Sigma has been granted a permit for 150 m3/hr of water from the Jequitinhonha River for all months of the year by the Agencia Nacional das Águas (ANA) for a period of 10 years, which is expected to be sufficient for the life-of mine (LOM) requirements for mining and product processing from Xuxa.
On June 28,2024 Sigma requested a renewal of the Hydrogeological Research water permit. The existing permit remains valid while the agency reviews the renewal request.
Table 20‑6: Water Usage Permits
|
Water Usage Permits |
|||||||
|
Number |
Area |
Permit Scope |
Quantity |
Phase |
Begin |
End |
Status |
|
43/2019 |
Faz. Monte Belo |
Jequitinhonha's River |
150m³/h |
Operation |
Jan 14, 2019 |
Jan 14, 2029 |
Valid |
|
1104299/2020 |
Grota do Cirilo |
Hydrogeological Research |
26m³/h |
Operation |
Jun 26, 2022 |
Jun 26, 2024 |
Valid Under evaluation by environmental agency |
|
20.2.4 |
Municipal |
The project must comply with municipal legislation and the declarations were issued by both the Itinga and Araçuai town councils.
|
20.3 |
SOCIAL CONSIDERATIONS |
|
20.3.1 |
Project Social Setting |
The Sigma Mineração mining complex is located in the northeast of Minas Gerais, in the municipalities of Itinga and Araçuaí, in the Jequitinhonha Valley region, approximately 25 km east of the municipality of Araçuaí and 600 km northeast of Belo Horizonte. Below are the socioeconomic data provided by the Brazilian Institute of Geography and Statistics (IBGE):
|
● |
Araçuaí |
|
| Land Area: 2,236.279 km² [2023] | ||
| Resident Population: 34,297 people [2022] | ||
| Population Density: 15.34 inhabitants/km² [2022] | ||
| Schooling Rate (ages 6 to 14): 97.5% [2010] | ||
| Municipal Human Development Index: 0.663 [2010] |
![]() |
| SGS Canada Inc. |
|
Technical Report – Grota do Cirilo Lithium Project – Araçuai and Itinga Regions, Minas Gerais, Brazil |
|
● |
Itinga |
|
| Land Area: 1,649.622 km² [2023] | ||
| Resident Population: 13,745 people [2022] | ||
| Population Density: 8.33 inhabitants/km² [2022] | ||
| Schooling Rate (ages 6 to 14): 96.8% [2010] | ||
| Municipal Human Development Index: 0.600 [2010] |
There are few neighboring communities. The distance from the communities to the operation of the project can be described as follows:
Xuxa – North and South Pits
The closest significant communities to the project are Ponte do Piauí, Poço Dantas, and Taquaral Seco, located 0.40 km, 0.70 km, and 1.50 km away, respectively. Slightly farther, but still potentially affected by the planned mining activities, is the district of Taquaral de Minas (4.27 km).
Barreiro and NDC
The closest significant communities to the project are Barreiro, José Gonçaves, and Fazenda Velha, located 0.80 km, 0.90 km, and 2.00 km away, respectively.
|
20.3.2 |
Sigma Consultations |
Sigma maintains a relationship with the communities throughout the municipalities of Itinga and Araçuaí, having held regular meetings and consultation sessions with local stakeholders over the last years. The development of mining activities by Sigma in the Jequitinhonha Valley is viewed by both communities as an important economic driver in the region.
Since 2018, Sigma has maintained a routine of meetings with the communities near the project. Table 20-08 describes the number of meetings organized during the years 2023 and 2024. Table 20-9 presents the number of actions carried out under the Environmental Education Program in the communities, aiming to promote the sustainability of the project and enhance environmental awareness among employees and local residents.
Table 20‑7: Community Relations Meetings by Year
|
COMMUNITY |
YEAR |
|
|
|
2023 |
2024 |
|
Taquaral Seco |
05 |
11 |
|
Poco Dantas |
15 |
16 |
|
Ponte do Piauí |
10 |
11 |
![]() |
| SGS Canada Inc. |
|
Technical Report – Grota do Cirilo Lithium Project – Araçuai and Itinga Regions, Minas Gerais, Brazil |
Table 20‑8: Environmental Education Programs by Year
|
COMMUNITY |
YEAR |
|
|
|
2023 |
2024 |
|
Taquaral Seco |
03 |
08 |
|
Poco Dantas |
03 |
06 |
|
Ponte do Piauí |
03 |
08 |
|
Taquaral Minas |
04 |
09 |
Sigma remains committed to engaging with communities to address the operational challenges and ensure the well-being of local residents.
|
20.4 |
EVALUATION OF ENVIRONMENTAL IMPACTS AND MITIGATION ACTIONS |
Table 20‑4 provides a summary of environmental impact minimizing measures.
![]() |
| SGS Canada Inc. |
|
Technical Report – Grota do Cirilo Lithium Project – Araçuai and Itinga Regions, Minas Gerais, Brazil |
Table 20‑9 – Environmental Impact Minimization Measures
|
Minimization Measures |
Objectives |
|
Program for the management and control of water resources and effluents |
The program aims to adopt environmental control measures through the treatment of domestic and industrial effluents originating from the implementation and operation of the venture. |
|
Program for the implementation of a system of drainage erosion control |
The objective was to establish measures to conserve soil and water, through the implementation of a rainwater drainage system employing specialized techniques. |
|
Program for controlling atmospheric emissions and noise and vibration levels |
This program aims to promote, by technical means, the prevention and control of atmospheric emissions and the levels of noise and vibrations from mining activities. |
|
Solid Waste Management Program |
To establish proper procedures for the management of the solid waste generated during the installation and operation of the mine, by reducing the generation, handling, packaging, storage, transportation, treatment and final disposal of the same, in accordance with current regulations. |
|
Reuse of tailings program |
The objective of this report is to describe the feasibility of the use of the tailings/waste generated by the process of exploitation of pegmatite of the Sigma mining venture. |
|
Environmental Education Program – EEP |
The EEP has the general aim of mobilizing and raising the awareness of employees and the community located in the Area of Indirect Influence (AII) of the venture, regarding the importance of environmental conservation, through activities that seek to raise awareness of the topics addressed. |
|
Program of prioritization and professional training of human resources and local suppliers |
Create strategies of human resource training to provide opportunities for growth and development for the internal workers of the company and the region through courses focused on the importance of the enterprise, in partnership with the public and private educational institutions of the region. |
|
Accident prevention and public health program |
Adopt measures to ensure the integrity, health and safety of employees, as well as comply with Regulatory Standard NR-22, which establishes obligations upon employers to coordinate, establish and implement measures of employee safety and health. |
|
Social communication program |
To promote practices of social and environmental responsibility, based on ethics and the transparency of information related to the enterprise. Develop continuous and transparent communication between the company, the local community and inspection agencies. |
|
PPA and Legal Reserve maintenance program |
To guarantee the conservation of the Permanent Preservation Areas (PPA) and Legal Reserve (LR) and provide compensation to avoid the loss of flora species, mainly aquatic macrophytes, to sow propagules, to protect the water body and to care for fauna by offering suitable areas for their survival. |
|
Program for the rescue and prevention of flight of local wildlife |
The Fauna Rescue Program aims to avoid the mortality of the fauna and allow animals to continue occupying the region, as well as to contribute to the scientific research into the fauna during the removal of the vegetation by the mining project. (Figure 20-2) |
![]() |
| SGS Canada Inc. |
|
Technical Report – Grota do Cirilo Lithium Project – Araçuai and Itinga Regions, Minas Gerais, Brazil |
|
Minimization Measures |
Objectives |
|
Endangered and threatened species rescue program |
The objective is to rescue matrices of endangered species, whether endemic or of great socioeconomic importance in the area. These are housed in a seedling nursery for future reintroduction in the areas to be recovered. |
|
Management and environmental supervision plan |
The Plan is to ensure that programs related to all types of activities are developed in a rigorous manner in compliance with legislation. |
|
REHABILITATION MEASURES |
AIMS |
|
Degraded Area Recovery Plan (DARP) |
The main objective of this plan is to restore areas that will be affected by the mining process in the area, through the application of recovery techniques, such as the planting of vegetation, seeking a harmony between the environment and human beings. (Figure 20-2) |
|
COMPENSATION MEASURES |
AIMS |
|
Environmental compensation |
Repair to an equivalent degree, based on the negative environmental impacts that cannot be mitigated. "Environmental compensation may only be used if a sine qua non condition is met, which is the full demonstration of the partially or totally irrecoverable nature of the adversely affected environment.” |
|
Mine closure plan |
The closure plan is based on assessments of available technical information and local conditions throughout the life of the venture. |
![]() |
| SGS Canada Inc. |
|
Technical Report – Grota do Cirilo Lithium Project – Araçuai and Itinga Regions, Minas Gerais, Brazil |

Figure 20‑1: Sigma Wildlife Rehabilitation Centre and Seedling Nursery
![]() |
| SGS Canada Inc. |
|
Technical Report – Grota do Cirilo Lithium Project – Araçuai and Itinga Regions, Minas Gerais, Brazil |
|
20.5 |
WASTE AND WATER MANAGEMENT |
Provision has been made for the waste rock and tailings piles for storage of waste rock from the mining pit and the tailings from the process plant.
The waste rock and tailings piles are designed to rigorous geotechnical and environmental standards.
There are several options for the management and closure rehabilitation of these facilities. These include capping with a stable cover that minimises potential for erosion and supports revegetation (refer to Section 20.7). For water management refer to Section 20.1.3.
|
20.6 |
RELATIONS WITH STAKEHOLDERS |
Sigma understands and embraces the importance of proactive community relations as a fundamental principle in both its day-to-day operations and future development planning. The company structures its community engagement activities to address local concerns, striving to communicate and demonstrate its commitment in a manner that is transparent, meaningful, and easily understood. This approach ensures the maintenance of its social license to operate.
The Jequitinhonha Valley is one of the poorest regions in Minas Gerais, facing significant socio-economic challenges and ranking in the lowest quartile of the Human Development Index (HDI). Sigma represents one of the largest investments and operational projects in the region, bringing transformational benefits to local communities. The most direct economic contribution comes from the Compensação Financeira pela Exploração de Recursos Minerais (CFEM), a 2% mining royalty distributed among the federal, state, and local governments. Additionally, a portion of the taxes from local procurement of goods and services is allocated to the local government, further contributing to regional development.
These revenues from royalties and taxes are a crucial source of funding for the local government, with Sigma being the largest direct contributor in the region. Furthermore, Sigma is the region’s largest employer, creating around 1,550 direct jobs and approximately 20,000 indirect jobs.
Agriculture in the region is primarily small-scale subsistence farming due to the semi-arid climate. Studies have shown that the project will have minimal impact on neighboring farms around the Grota do Cirilo property. Sigma employees and contractor personnel are expected to reside in the nearby cities of Araçuaí and Itinga.
Stringent environmental management plans are in place to minimize the project's ecological footprint. For instance, 90% of the process water is recirculated, and there is zero runoff water from the site, except during the wet season, when excess water from the pond is discharged through an overflow channel. The processing plant employs dry stacking technology, ensuring that no slimes are generated. Regular environmental monitoring is conducted, and the results are consistently shared with local communities to maintain transparency and accountability. Sigma has identified and continues with consultations/engagements with numerous stakeholders in support of the project development which include the following:
|
● |
Local Communities |
|
● |
Local municipal authorities of Itinga and Araçuaí |
|
● |
Religious leaders in Itinga and Araçuaí |
|
● |
Regional Town Hall meeting with General Public and Commercial Society |
|
● |
Environmental authorities of Araçuaí and Itinga |
![]() |
| SGS Canada Inc. |
|
Technical Report – Grota do Cirilo Lithium Project – Araçuai and Itinga Regions, Minas Gerais, Brazil |
|
● |
Regulatory and Government institutions |
|
● |
Federal Department of Mines (ANM) in Brasilia |
|
● |
Minas Gerais Department of Mines (ANM) in Belo Horizonte |
|
● |
State Environmental Regulator (FEAM) in Belo Horizonte |
|
● |
Regional Environmental Regular (FEAM/URA) regulator in DiamantinaRegional Environmental Regular (FEAM/URA) regulator in DiamantinaRFINEPA (Financiadora de Estudos e Projetos) in Rio de Janeiro |
|
● |
INDI the Minas Gerais Agency responsible for the Promotion of Investment and Exports |
|
20.7 |
REHABILITATION AND CLOSURE PLANNING |
The rehabilitation and closure plan consist of three main stages:
|
1. |
Decommissioning planning |
|
2. |
Execution of decommissioning |
|
3. |
Implementation of the socio-environmental and geotechnical follow-up and monitoring actions of the post-closing. |
Waste piles will be graded as needed, capped with a vegetation suppression layer and revegetated with herbaceous-shrub species. A final protective cover can be placed over the pile to facilitate revegetation and minimize erosion, at which point the sedimentation pond may be decommissioned. A cap layer of soil will be placed and seeded on the open pit berm areas. A fence will be built around the open pits, and all mine haul roads will be blocked off.
Sigma has confirmed that there are no requirements for reclamation bonds.
| 20.7.1 |
Decommissioning Planning |
The decommissioning planning comprises the following basic activities:
|
● |
Study of the local environment |
|
● |
Preparation of the Closure Plan on a deposit-by-deposit basis. |
|
20.7.2 |
Execution of Decommissioning |
The Xuxa pit will be closed after its planned mine life of just over nine years. However, as Sigma will be mining Phase 2 and 3 and other deposits in the Grota do Cirilo area, the process plant will remain operational after the Mineral Reserves at the Phase 1 (Xuxa deposit) are exhausted. The following assumptions were considered for the execution of the decommissioning (Table 20‑10).
Table 20‑10 – Environmental Impact Minimization Measures
|
Area |
Activity |
|
Restoration |
Restoration shall be executed according to the specific characteristics of the land where mining is located. The objective will be to reconstitute the vegetal cover of the soil and the establishment of the native vegetation after the operation of the enterprise. In the post-closure phase, the monitoring program should be carried out, to follow the conditions of physical and biological stabilization of the areas to ensure the adequate restoration of the ecosystem |
![]() |
| SGS Canada Inc. |
|
Technical Report – Grota do Cirilo Lithium Project – Araçuai and Itinga Regions, Minas Gerais, Brazil |
|
Area |
Activity |
|
Waste rock & dry tailing co-disposal stockpiles / waste rock disposal stockpiles / overburden pile |
The waste piles will be graded as needed, capped with a vegetation suppression layer and revegetated with herbaceous-shrub species. A final protective cover can be placed over the pile to facilitate revegetation and minimize erosion, at which point the sedimentation pond may be decommissioned |
|
Water management |
The removal of the suppressed vegetation and the topsoil, topographic review and slope cover and surface drainage should be specified and performed. |
|
Site safety |
To ensure site safety a fence must be built around the mine pit and to block the mine haul road. This fence may be made of barbed wire. |
|
New & used controlled products |
Not applicable. Use of controlled products in mine operation is not part of the Closure Planning. |
|
Soils and contaminated materials |
For areas of the mine support facilities, it is recommended to carry out environmental liability assessment studies, particularly in locations of fuel tanks, substations, among others, where there may be spillage and consequent contamination of soil and water. If necessary, a company specializing in safety disposal could be hired. |
|
Open pit |
For revegetation of the open pit berm areas, a cap layer of soil shall be placed and seeded. A fence shall be built around the open pit. |
|
Financial guarantee (reclamation bonds) |
Sigma has confirmed that there are no requirements for reclamation bonds. |
| 20.7.3 |
Monitoring Program and Post-Closure Monitoring |
In the post-closure phase, a socioenvironmental and geotechnical monitoring program will be carried out, to support ecosystem restoration or preparation for the proposed future use.
The monitoring program will collect soil and diversity of species on an annual basis, continuing for a five-year period after mine closure.
|
20.7.4 |
Legal Reserves |
Certain surface rights agreements entered into by Sigma – specifically with Miazga and Tatooine, the owners of the properties where the Project is located - include Legal Reserves (LR) that are preserved and registered in the National Rural Environmental Registration System (NRERS), in accordance with Law Nº 12.651, dated May 25, 2012.
To enable the installation of the Project, it was necessary to relocate portions of these Legal Reserves, so that they remain preserved in compliance with environmental regulations.
Each Legal Reserve required a specific reallocation area, as shown in the map below:
|
● |
North Pit: 27.65 ha |
|
● |
South Pit: 66.83 ha |
|
● |
Barreiro: 130.16 ha |
|
● |
Xuxa Expansion: 48.57 ha |
|
● |
Nezinho do Chicão: approximately 138 ha |
Figure 20‑2 shows the locations of the properties and protected areas.
![]() |
| SGS Canada Inc. |
|
Technical Report – Grota do Cirilo Lithium Project – Araçuai and Itinga Regions, Minas Gerais, Brazil |

Figure 20‑2 – Location of Legal Reserves
![]() |
| SGS Canada Inc. |
|
Technical Report – Grota do Cirilo Lithium Project – Araçuai and Itinga Regions, Minas Gerais, Brazil |
|
21 |
CAPITAL AND OPERATING COSTS –&NBSP;PHASE 1, PHASE 2 AND PHASE 3 |
|
21.1 |
BASIS OF ESTIMATE |
The capital and operating cost estimates for the expansion of the Grota do Cirilo Project, Phases 2 and 3, have been developed based on industry benchmarks, supplier quotations, and internal engineering studies.
Contingencies have been applied according to the level of definition of each scope item and risk profile. All costs are expressed in US dollars and reflect Q1 2025 pricing.
|
21.2 |
CAPITAL COST SUMMARY |
Capital cost estimates have been prepared in detail for Phase 2 and Phase 3, supported by vendor quotes and internal engineering. These cost estimates have been informed by the actual capital and operating expenditures incurred during the construction and commissioning of Phase 1.
The breakdown provided below includes key functional areas:
Table 21‑1: Phase 1, 2 & 3 Capex

|
21.2.1 |
Detailed Cost Breakdown |
|
21.2.1.1 |
Automation and Digitalization |
Automation and digitalization efforts include the integration of control systems across the crushing and DMS circuits to enable centralized digital management of the plant. The scope covers general automation, plant-wide control infrastructure, and dedicated systems for the DMS and crushing units.
![]() |
| SGS Canada Inc. |
|
Technical Report – Grota do Cirilo Lithium Project – Araçuai and Itinga Regions, Minas Gerais, Brazil |
|
21.2.1.2 |
Crushing Systems |
Crushing systems encompass the complete infrastructure required for initial ore processing, including primary and secondary crushing units, scalping screens for early material separation, classification screens to ensure proper sizing, and crushed ore storage with reclaim capabilities.
|
21.2.1.3 |
DMS Systems |
The DMS systems cover all circuits required for density-based separation, including coarse, ultrafine, and secondary DMS units. The configuration integrates sizing screens, screw classifiers, ferrosilicon handling systems, and flocculant dosing equipment to support stable and efficient separation.
|
21.2.1.4 |
Tailings Management |
Tailings management infrastructure comprises dry stacking systems designed to eliminate conventional tailings dams, reducing environmental risk. The scope includes filtration units for moisture control, material handling systems for tailings transport, and deposition areas supported by thickening infrastructure to concentrate solids before final stacking.
|
21.2.1.5 |
Infrastructure |
Site infrastructure includes bulk earthworks, internal road networks, security systems, perimeter fencing, maintenance workshops, and staff canteens.
| 21.2.1.6 |
Water and Sewage |
Water and sewage systems address the full cycle of site water management. This includes raw water intake and distribution, potable water supply systems, and sewage collection and treatment infrastructure.
| 21.2.1.7 |
Power and Electrical |
Power and electrical installations comprise high-voltage switchyards and substations necessary to distribute energy across the plant.
| 21.2.1.8 |
Water Recycling Systems |
Water recycling systems are implemented to reduce fresh water consumption and enhance process sustainability. The configuration includes internal recycling of process water, treatment facilities, and dedicated systems for sewage handling and water quality control.
|
21.2.1.9 |
Management and EPCM |
Management and EPCM costs include engineering, procurement, and construction management services, as well as construction indirects such as temporary site facilities and accommodations. Commissioning activities are also integrated within this scope to ensure operational readiness and performance validation before ramp-up.
|
21.2.1.10 |
Contingency |
Contingency is allocated across all workstreams based on individual risk assessments and cost definition maturity. The objective is to provide financial flexibility to accommodate unforeseen conditions and scope adjustments during project execution.
![]() |
| SGS Canada Inc. |
|
Technical Report – Grota do Cirilo Lithium Project – Araçuai and Itinga Regions, Minas Gerais, Brazil |
|
21.3 |
OPERATING COST SUMMARY |
Operating costs were estimated based on actuals from Phase 1 operations and projections for Phases 2 and 3. They are categorized into mining, processing, G&A, and shipping.
Table 21‑2: Phase 1, 2 & 3 Opex

|
21.3.1 |
Operating Cost Summary - Plant |
The Processing Plant OPEX cost summary breakdown for Phases 1, 2 & 3 are presented in Table 21-3-1.
Table 21‑3: Phase 1, 2 & 3 Processing Opex Cost Breakdown

|
21.3.1.1 |
Labor |
Operating labor cost is estimated to be US$8.0 M per annum for the Phase 1, US$9.9 M per annum for the Phase 2 and US$10.8 M per annum for the Phase.
|
21.3.1.2 |
Operating Consumables |
The consumables are split into three areas: Crushing and screening circuit, DMS plant and reagents. In the crushing circuit, costs for crusher liners and screen panels are provisioned. In the DMS plant, costs for cyclones, pumps, screens and belt filter replacement are included in maintenance supply cost estimates.
|
21.3.1.3 |
Reagents |
The reagents will include ferrosilicon, flocculant and coagulant.
For Phase 1, reagents include ferrosilicon with a consumption rate of 280 g/t primary DMS feed and 960 g/t ultrafines DMS feed, flocculant (Magnafloc 10 or equivalent) at a consumption rate of 30 g/t and coagulant 800 g/t, DMS feed.
![]() |
| SGS Canada Inc. |
|
Technical Report – Grota do Cirilo Lithium Project – Araçuai and Itinga Regions, Minas Gerais, Brazil |
For Phase 2, reagents will include ferrosilicon with estimated consumptions of 350 g/t DMS feed and 960 g/t ultrafines DMS feed,, flocculant (Magnafloc 10 or equivalent) with a maximum consumption rate of 60 g/t and coagulant with a maximum consumption rate of 1000g/t.
For Phase 3, reagents will include ferrosilicon with estimated consumptions of 350 g/t DMS feed and 960 g/t ultrafines DMS feed, flocculant (Magnafloc 10 or equivalent) at a consumption rate of 60 g/t and coagulant at 1000g/t.
|
21.3.1.4 |
Power Cost |
The OPEX was based on 2 US cents per kWh, based on the cost estimate provided by Sigma.
Power consumption was determined based on calculated plant utilization and the mechanical equipment list on an 80% load factor in operation. The estimated installed power for the processing plant is 6.3 MW and consumption is 2.5 MW; an allowance of 241 kW has also been made for lighting, heating and ancillary buildings. This includes the power consumed in the crushing circuit.
|
21.3.1.5 |
Maintenance Supplies |
Maintenance material costs encompass a range of essential components and services required for operational upkeep. These include mechanical maintenance services, screening meshes, parts and components, tools, bearings, bushings, shafts, sealing materials, electrical and electronic materials, as well as pipes, hoses, connections, pumps, valves, and reducers.
|
21.3.1.6 |
Lease of Mobile Equipment |
The mobile equipment will be leased. The lease costs rates for light vehicles for supervisors, heavy equipment for feeding ore, service trucks for maintenance and minibuses for personnel transport have been used for the estimates.
|
21.3.1.7 |
Other |
|
21.3.1.7.1 |
Concentrate Transport |
Concentrate transport cost has been estimated at an average LOM of US$90/t of concentrate produced for all phases per Sigma input based on preliminary estimates. This includes the cost from the site to the Port of Vitória in Brazil and to the final port of Shanghai, China.
|
21.3.1.7.2 |
Indirect Production Costs |
Indirect processing and site administration costs have been included for the processing plant. These costs cover such matters as communications and information technology (IT), engineering, environmental and rehabilitation consultants and services, cleaning contractors, staff training, amenities, fringe benefits and similar for processing and maintenance personnel, health and safety, insurances, and rates, leases and licenses.
|
21.3.2 |
Operating Cost Summary – Mining |
Table 21-15 shows the summary breakdown of operating mining cost for Phase 1, 2 & 3.
![]() |
| SGS Canada Inc. |
|
Technical Report – Grota do Cirilo Lithium Project – Araçuai and Itinga Regions, Minas Gerais, Brazil |
Table 21‑4: Phase 1, 2 & 3 Mining Opex Cost Breakdown

|
21.3.2.1 |
Labor |
Labor costs reflect the internal workforce involved in managing and executing mining activities. This includes site management, technical planning teams, quality control personnel, and geotechnical staff. These professionals are responsible for ensuring the operation runs safely and efficiently, maintaining ore quality, optimizing pit design and mine schedules, and monitoring slope stability and ground conditions. lServices
|
21.3.2.2 |
Services |
Services comprise outsourced activities critical to the execution of core mining functions. These include drilling and blasting for rock fragmentation, as well as loading and hauling material from the pit to designated areas. Service providers typically supply equipment, operators, maintenance, and logistical support under contract. Infrastructure-related work such as road construction, water control systems, and other essential site support also falls within this category, often executed by third-party specialists.
|
21.3.2.3 |
Operations |
Operational costs relate to the support functions that enable the continuity of production. These cover the use of light vehicles, minor equipment, on-site logistics, and general mine services. This includes activities that ensure readiness for daily operations, such as supervision support, dispatch, equipment coordination, and safety-related logistics.
|
21.3.2.4 |
Fuel |
Fuel is a major input for activities involving heavy equipment, particularly in loading, hauling, and blasting operations. Even when embedded within service contracts, fuel consumption significantly affects overall mining costs. It is also used by auxiliary vehicles, mobile equipment, generators, and dewatering systems.
|
21.3.2.5 |
Others |
This category includes minor or exceptional items not classified under the main cost groupings. These may consist of accounting adjustments, reclassifications, or non-recurring expenses related to corrections in previous cost allocations.
![]() |
| SGS Canada Inc. |
|
Technical Report – Grota do Cirilo Lithium Project – Araçuai and Itinga Regions, Minas Gerais, Brazil |
|
22 |
ECONOMIC ANALYSIS |
|
22.1 |
ECONOMIC ASSUMPTIONS |
Three levels of economic analyses were undertaken for the Project, contemplating the mining of the Mineral Reserves of:
|
● |
the Xuxa deposit (Phase 1) |
|
● |
the Barreiro (Phase 2) |
|
● |
the NDC deposit (Phase 3) |
The economic analyses contemplate the production of lithium oxide concentrate (LOC) at grades of 5.3% Li2O, in line with the current lithium market conditions.
The economic analyses were undertaken on a 100% equity basis and were developed using the discounted cash flow method based on the data and assumptions detailed in this report for revenue, capital expenditure (Capex) and operating cost (OPEX) estimates. An exchange rate of 5.60 BRL per US$ was used to convert particular components of the cost estimates into US$. No provisions were made for the effects of inflation and the base currency was considered on a constant 2025 US$ basis. Exploration costs are deemed outside of the Project and any additional Project study costs have not been included in the analyses.
The base case scenario after-tax net present value (NPV) results are detailed in Table 22-1 below. The discount rate assumed for the after-tax NPVs is 8%.
Table 22‑1 – Base Case After-Tax NPVs
|
MODELLED CASE |
UNIT |
@ 5.3% LI2O SC |
|
Phase 1 |
US$ M |
$1,389 |
|
Phase 2 |
US$ M |
$1,885 |
|
Phase 3 |
US$ M |
$2,456 |
|
Phase 1, 2 & 3 |
US$ M |
$5,730 |
A sensitivity analysis reveals that the Project’s viability will not be significantly vulnerable to variations in capital expenditures, within the margins of error associated with the estimates for Phase 1, Phase 2 and Phase 3, respectively. In contrast, the Project’s economic returns remain most sensitive to changes in spodumene prices, feedstock grades and recovery rates.
|
22.1.1 |
Lithium Oxide Concentrate Price Forecast |
The commodity price forecast used in the base case scenarios is detailed in Figure 22-1 below. The price forecast for lithium oxide concentrate was based on Benchmark Mineral Intelligence’s Q2-2024 spodumene SC6 price projections. The sensitivity analyses consider a range of ±20% versus the base case forecasts.
![]() |
| SGS Canada Inc. |
|
Technical Report – Grota do Cirilo Lithium Project – Araçuai and Itinga Regions, Minas Gerais, Brazil |

Figure 22‑1: Lithium oxide Concentrate Price Forecast
|
22.1.2 |
Taxation |
Phase 1, Phase 2 and Phase 3 were evaluated on a pre- and after-tax basis. It must be noted that there are many potential complex factors that affect the taxation of a mining project. The taxes, depletion, and depreciation calculations in the economic analyses are simplified and only intended to give a general indication of the potential tax implications at the project level.
Sudene is a government agency tasked with stimulating economic development in specific geographies of Brazil. The project is installed in a Sudene-covered geographic area, where a tax incentive granted to the project indicates a 75% reduction of income tax for 10 years, after achieving at least 20% of its production capacity. The considered Brazilian income tax rate is 15.25%, which represents the Sudene tax benefit applied to the Brazilian maximum corporate tax of 34% on taxable income (25% income tax plus 9% social contribution). For Phase 2 & 3, the Sudene tax incentive is expected to be renewed after the 10th anniversary of achieving at least 20% of their production capacities.
The Project is expected to be exempt from all importation taxes for products where there is no similar item produced in Brazil (Ex-Tarifário). Assembled equipment where some but not all individual components are produced in Brazil can be considered exempt from import taxes under these terms.
|
22.1.3 |
Royalties |
The Project royalties include:
|
● |
A 2.0% CFEM royalty on mining operations, paid to the Brazilian Government. The CFEM royalty amount is split between the Federal Government of Brazil (12%), State Government of Minas Gerais (23%), and Municipal Government of Araçuaí (65%). |
|
● |
A 1.0% NSR royalty with permissible deductions from gross spodumene revenue including the CFEM royalty, any commercial discounts, transportation costs and taxes, paid to a third-party. |
![]() |
| SGS Canada Inc. |
|
Technical Report – Grota do Cirilo Lithium Project – Araçuai and Itinga Regions, Minas Gerais, Brazil |
|
22.2 |
PHASE 1 ECONOMIC ANALYSIS |
The Phase 1 economic analysis is based on a twelve-year operation sourcing feedstock ore from the Xuxa deposit’s Mineral Reserve of 12.3 Mt grading at 1.52% Li2O. Phase 1 is expected to generate run-rate production of 270 ktpa of lithium concentrate, delivering an average US$220 million of annual free cash flow, at a 5.3% Li2O SC grade.
The base case scenario results are detailed in Table 22-2 below.
Table 22‑2: Phase 1 Base Case Scenario Results
|
ITEM |
UNIT |
@ 5.3% LI2O SC |
|
After-Tax NPV @ 8% |
US$ M |
$1,389 |
|
22.2.1 |
Phase 1 Technical Assumptions |
The key technical assumptions used in the base case are highlighted below in Table 22-3.
Table 22‑3: Key Phase 1 Technical Assumptions
|
ITEM |
UNIT |
@ 5.3% LI2O SC |
|
Total Ore Processed (ROM) |
Mt |
12.3 |
|
Annual ROM Ore Processed |
Mt |
1.1 |
|
Average Run-Rate SC Production |
Ktpa |
298.5 |
|
Run-Rate LCE Production |
Ktpa |
39.1 |
|
Average Strip Ratio |
Ratio |
14.4 |
|
Average Li2O Grade |
% |
1.52% |
|
DMS Cyclone Recovery |
% |
70.0% |
|
Lithium oxide Concentrate Grade |
% Li2O |
5.3% |
|
Operating Life |
Years |
12 Years |
|
Cash Cost at Plant Gate (C1) |
US$/t SC |
318.0 |
|
Transportation Costs (CIF China) |
US$/t SC |
90.0 |
|
Cash Cost at Asia Port CIF (C3) & Royalties |
US$/t SC |
443.3 |
|
All in Sustaining Cost |
US$/t SC |
525.0 |
|
Mine Costs |
US$/t Material Mined |
2.2 |
|
Plant Costs |
US$/t ROM |
21.1 |
|
G&A Costs |
US$/t ROM |
22.9 |
Note 1: tonnage based on direct conversion to LCE excluding conversion rate.
Note 1: Values in this table may not match other values in this report due to rounding of averages
|
22.2.2 |
Phase 1 Financial Results |
Table 22-4 and Figure 22-2 illustrate the after-tax cash flow and cumulative cash flow profiles of Phase 1 under the base case scenario. The intersection of the after-tax cumulative cash flow with the horizontal zero line represents the payback period of the Capex to production.
![]() |
| SGS Canada Inc. |
|
Technical Report – Grota do Cirilo Lithium Project – Araçuai and Itinga Regions, Minas Gerais, Brazil |
As highlighted in Table 22-4, the total gross revenue derived from the sale of lithium oxide concentrate is estimated at US$3.7 billion, an average revenue of US$1,607/t 5.3% SC with total operating costs (including royalty payments and commercial discounts) of US$0.9 billion at an average cost of US$410/t 5.3% SC. The resulting after-tax earnings margin (gross revenue less realization, operating costs and taxes) was estimated at US$2.2 billion.
Additionally, a summary of the Phase 1 Financial Model under the base case scenario 5.3% is provided in Figure 22-3 below. The discount rate assumed for the pre- and after-tax NPV is 8%.

Figure 22‑1: Phase 1 After-Tax Cash Flow and Cumulative Cash Flow Profile @ 5.3% SC
![]() |
| SGS Canada Inc. |
|
Technical Report – Grota do Cirilo Lithium Project – Araçuai and Itinga Regions, Minas Gerais, Brazil |
Table 22‑4: Phase 1 Estimated Revenue and Operating Costs
|
5.3% Li2O SC |
||
|
Total US$ M |
Avg. US$/t |
|
|
Gross Revenue |
$3,650 |
$1,607 |
|
Less: Realization Costs |
||
|
Royalties |
$82 |
$36 |
|
Commercial Discounts |
- |
- |
|
Total Realization Costs |
$82 |
$36 |
|
Net Revenue |
$3,567 |
$1,571 |
|
Less: Site Operating Costs |
||
|
Mining |
$420 |
$185 |
|
Processing |
$259 |
$114 |
|
Selling, General & Administration |
$48 |
$21 |
|
Transportation |
$204 |
$90 |
|
Total Operating Costs |
$932 |
$410 |
|
Less: Depreciation |
$77 |
$34 |
|
Pre-Tax Earnings |
$2,558 |
$1,127 |
|
% Pre-Tax Earnings Margin of Net Sales |
72% |
72% |
|
Less: Taxes |
$360 |
$158 |
|
After-Tax Earnings |
$2,198 |
$968 |
|
% After-Tax Earnings Margin of Net Sales |
62% |
62% |
![]() |
| SGS Canada Inc. |
|
Technical Report – Grota do Cirilo Lithium Project – Araçuai and Itinga Regions, Minas Gerais, Brazil |

Figure 22‑2: Phase 1 Financial Model Summary @ 5.3% Li2O SC
![]() |
| SGS Canada Inc. |
|
Technical Report – Grota do Cirilo Lithium Project – Araçuai and Itinga Regions, Minas Gerais, Brazil |
|
22.2.3 |
Phase 1 Sensitivity Analysis |
A sensitivity analysis for Phase 1 was carried out with the base case as described above as the midpoint. An interval of ±20% versus base case values was considered with increments of 10%.
The sensitivity analysis assesses the impact of changes in spodumene price, discount rate, Capex and Yield on Phase 1 after-tax NPV.
As seen in Figure 22-4, the Phase 1 after-tax NPV is not significantly vulnerable to changes in the discount rate or Capex. In contrast, the Phase 1 after-tax NPV is more sensitive to variations in spodumene price and yield.
Figure 22‑3: Phase 1 After-Tax NPV Sensitivity Analysis @ 5.3% Li2O SC (US$ B)

|
22.3 |
PHASE 2 ECONOMIC ANALYSIS |
The Phase 2 economic analysis is based on a twelve-year operation sourcing feedstock ore from the Barreiro deposit’s Mineral Reserve of 24.7 Mt grading at 1.36% Li2O. Phase 2 is expected to generate run-rate production of 270 ktpa of lithium concentrate, delivering an average US$290 million of annual free cash flow, at a 5.3% Li2O SC grade.
The base case scenario results are detailed in Table 22-5 below.
![]() |
| SGS Canada Inc. |
|
Technical Report – Grota do Cirilo Lithium Project – Araçuai and Itinga Regions, Minas Gerais, Brazil |
Table 22‑5: Phase 2 Base Case Scenario Results
|
ITEM |
UNIT |
@ 5.3% LI2O SC |
|
After-Tax NPV @ 8% |
US$ M |
$1,885 |
|
After-Tax IRR @ 8% |
% |
154% |
|
22.3.1 |
Phase 2 Technical Assumptions |
The key technical assumptions used in the base case are highlighted below in Table 22-6.
Table 22‑6: Key Phase 2 Technical Assumptions
|
ITEM |
UNIT |
@ 5.3% LI2O SC |
|
Total Ore Processed (ROM) |
Mt |
21.8 |
|
Annual ROM Ore Processed |
Mt |
1.8 |
|
Average Run-Rate SC Production |
Ktpa |
297.6 |
|
Run-Rate LCE Production |
Ktpa |
39.0 |
|
Average Strip Ratio |
Ratio |
9.4 |
|
Average Li2O Grade |
% |
1.36% |
|
DMS Cyclone Recovery |
% |
70.0% |
|
Lithim oxide Concentrate Grade |
% Li2O |
5.3% |
|
Operating Life |
Years |
12 Years |
|
Cash Cost at Plant Gate (C1) |
US$/t SC |
318.0 |
|
Transportation Costs (CIF China) |
US$/t SC |
90.0 |
|
Cash Cost at Asia Port CIF (C3) & Royalties |
US$/t SC |
446.7 |
|
All in Sustaining Cost |
US$/t SC |
515.8 |
|
Mine Costs |
US$/t Material Mined |
3.2 |
|
Plant Costs |
US$/t ROM |
18.7 |
|
G&A Costs |
US$/t ROM |
22.5 |
Note 1: tonnage based on direct conversion to LCE excluding conversion rate
|
22.3.2 |
Phase 2 Financial Results |
Table 22-7 and Figure 22-5 illustrate the after-tax cash flow and cumulative cash flow profiles of Phase 2 under the base case scenario. The intersection of the after-tax cumulative cash flow with the horizontal zero line represents the payback period of the Capex to production.
As highlighted in Table 22-7, the total gross revenue derived from the sale of lithium oxide concentrate is estimated at US$6.1 billion, an average revenue of US$1,713/t 5.3% SC with total operating costs (including royalty payments and commercial discounts) of US$1.8 billion at an average cost of US$497/t 5.3% SC. The resulting after-tax earnings margin (gross revenue less realization, operating costs and taxes) was estimated at US$3.4 billion.
![]() |
| SGS Canada Inc. |
|
Technical Report – Grota do Cirilo Lithium Project – Araçuai and Itinga Regions, Minas Gerais, Brazil |
This robust cash flow profile compares to an estimated Capex of US$101.2 million (as of March 2025) which includes the DMS plant, non-process infrastructure, and owner’s cost. The estimated sustaining and mine closure costs are approximately US$10 million.
Additionally, a summary of the Phase 2 Financial Model under the base case scenario 5.3% is provided in Figure 22-6 below. The discount rate assumed for the pre- and after-tax NPV is 8%.

Figure 22‑5: Phase 2 After-Tax Cash Flow and Cumulative Cash Flow Profile @ 5.3% SC
![]() |
| SGS Canada Inc. |
|
Technical Report – Grota do Cirilo Lithium Project – Araçuai and Itinga Regions, Minas Gerais, Brazil |
Table 22‑7: Phase 2 Estimated Revenue and Operating Costs
|
5.3% Li2O SC |
||
|
Total US$ M |
Avg. US$/t |
|
|
Gross Revenue |
$6,117 |
$1,713 |
|
Less: Realization Costs |
||
|
Royalties |
$138 |
$39 |
|
Commercial Discounts |
- |
- |
|
Total Realization Costs |
$138 |
$39 |
|
Net Revenue |
$5,979 |
$1,674 |
|
Less: Site Operating Costs |
||
|
Mining |
$729 |
$204 |
|
Processing |
$776 |
$217 |
|
Selling, General & Administration |
$67 |
$19 |
|
Transportation |
$204 |
$57 |
|
Total Operating Costs |
$1,776 |
$497 |
|
Less: Depreciation |
$121 |
$34 |
|
Pre-Tax Earnings |
$4,082 |
$1,143 |
|
% Pre-Tax Earnings Margin of Net Sales |
68% |
68% |
|
Less: Taxes |
$636 |
$178 |
|
After-Tax Earnings |
$3,446 |
$965 |
|
% After-Tax Earnings Margin of Net Sales |
58% |
58% |
![]() |
| SGS Canada Inc. |
|
Technical Report – Grota do Cirilo Lithium Project – Araçuai and Itinga Regions, Minas Gerais, Brazil |

Figure 22‑6: Phase 2 Financial Model Summary @ 5.3% Li2O SC
![]() |
| SGS Canada Inc. |
|
Technical Report – Grota do Cirilo Lithium Project – Araçuai and Itinga Regions, Minas Gerais, Brazil |
|
22.3.3 |
Phase 2 Sensitivity Analysis |
A sensitivity analysis for Phase 2 was carried out with the base case as described above as the midpoint. An interval of ±20% versus base case values was considered with increments of 10%.
The sensitivity analysis assesses the impact of changes in spodumene price, discount rate, Capex and Yield on Phase 2 after-tax NPV and IRR.
As seen in Figure 22-7, the Phase 2 after-tax NPV is not significantly vulnerable to changes in the discount rate or Capex. In contrast, the Phase 1 after-tax NPV is more sensitive to variations in spodumene price and yield.

Figure 22‑7: Phase 2 After-Tax NPV Sensitivity Analysis @ 5.3% Li2O SC (US$ B)
As seen in Figure 22-8, the after-tax IRR is most sensitive to changes in spodumene price and yield, which cause the largest variations. In contrast, it is less sensitive to changes in Capex and largely insensitive to variations in the discount rate.
![]() |
| SGS Canada Inc. |
|
Technical Report – Grota do Cirilo Lithium Project – Araçuai and Itinga Regions, Minas Gerais, Brazil |
Figure 22‑8: Phase 2 After-Tax IRR Sensitivity Analysis @ 5.3% Li2O SC (%)

|
22.4 |
PHASE 3 ECONOMIC ANALYSIS |
The Phase 3 economic analysis is based on a twelve-year operation sourcing feedstock ore from the NDC deposit Mineral Reserve of 42.2 Mt grading at 1.26% Li2O. Phase 3 is expected to generate run-rate production of 270 ktpa of lithium concentrate, delivering an average US$290 million of annual free cash flow, at a 5.3% Li2O SC grade.
The base case scenario results are detailed in Table 22-8 below.
Table 22‑8: Phase 3 Base Case Scenario Results
|
ITEM |
UNIT |
@ 5.3% LI2O SC |
|
After-Tax NPV @ 8% |
US$ M |
$2,456 |
|
After-Tax IRR @ 8% |
% |
160% |
|
22.4.1 |
Phase 3 Technical Assumptions |
The key technical assumptions used in the base case are highlighted below in Table 22-9.
Table 22‑9: Key Phase 3 Technical Assumptions
|
ITEM |
UNIT |
@ 5.3% LI2O SC |
|
Total Ore Processed (ROM) |
Mt |
42.2 |
|
Annual ROM Ore Processed |
Mt |
2.0 |
![]() |
| SGS Canada Inc. |
|
Technical Report – Grota do Cirilo Lithium Project – Araçuai and Itinga Regions, Minas Gerais, Brazil |
|
ITEM |
UNIT |
@ 5.3% LI2O SC |
|
Average Run-Rate SC Production |
Ktpa |
324.0 |
|
Run-Rate LCE Production |
Ktpa |
42.5 |
|
Average Strip Ratio |
Ratio |
16.4 |
|
Average Li2O Grade |
% |
1.26% |
|
DMS Cyclone Recovery |
% |
70.0% |
|
Lithium oxide Concentrate Grade |
% Li2O |
5.3% |
|
Operating Life |
Years |
21 Years |
|
Cash Cost at Plant Gate (C1) |
US$/t SC |
318.0 |
|
Transportation Costs (CIF China) |
US$/t SC |
90.0 |
|
Cash Cost at Asia Port CIF (C3) & Royalties |
US$/t SC |
446.7 |
|
All in Sustaining Cost |
US$/t SC |
541.9 |
|
Mine Costs |
US$/t Material Mined |
2.0 |
|
Plant Costs |
US$/t ROM |
18.5 |
|
G&A Costs |
US$/t ROM |
29.3 |
Note 1: tonnage based on direct conversion to LCE excluding conversion rate
|
22.4.2 |
Phase 3 Financial Results |
Table 22-10 and Figure 22-9 illustrate the after-tax cash flow and cumulative cash flow profiles of Phase 3 under the base case scenario. The intersection of the after-tax cumulative cash flow with the horizontal zero line represents the payback period of the Capex to production.
As highlighted in Table 22-10, the total gross revenue derived from the sale of lithium oxide concentrate is estimated at US$11.6 billion, an average revenue of US$1,701/t 5.3% SC with total operating costs (including royalty payments and commercial discounts) of US$3.0 billion at an average cost of US$437/t 5.3% SC. The resulting after-tax earnings margin (gross revenue less realization, operating costs and taxes) was estimated at US$7.0 billion.
This robust cash flow profile compares to an estimated Capex of US$101.2 million (as of March 2025) which includes the DMS plant, non-process infrastructure, and owner’s cost. The estimated sustaining and mine closure costs are approximately US$10 million.
Additionally, a summary of the Phase 3 Financial Model under the base case scenario 5.3% is provided in Figure 22-10 below. The discount rate assumed for the pre- and after-tax NPV is 8%.
![]() |
| SGS Canada Inc. |
|
Technical Report – Grota do Cirilo Lithium Project – Araçuai and Itinga Regions, Minas Gerais, Brazil |
Figure 22‑9: Phase 3 After-Tax Cash Flow and Cumulative Cash Flow Profile @ 5.3% SC

![]() |
| SGS Canada Inc. |
|
Technical Report – Grota do Cirilo Lithium Project – Araçuai and Itinga Regions, Minas Gerais, Brazil |
Table 22‑10: Phase 3 Estimated Revenue and Operating Costs
|
5.3% Li2O SC |
||
|
Total US$ M |
Avg. US$/t |
|
|
Gross Revenue |
$11,576 |
$1,701 |
|
Less: Realization Costs |
||
|
Royalties |
$262 |
$38 |
|
Commercial Discounts |
- |
- |
|
Total Realization Costs |
$262 |
$38 |
|
Net Revenue |
$11,388 |
$1,663 |
|
Less: Site Operating Costs |
||
|
Mining |
$1,388 |
$204 |
|
Processing |
$776 |
$114 |
|
Selling, General & Administration |
$200 |
$29 |
|
Transportation |
$612 |
$90 |
|
Total Operating Costs |
$2,976 |
$437 |
|
Less: Depreciation |
$231 |
$34 |
|
Pre-Tax Earnings |
$8,107 |
$1,192 |
|
% Pre-Tax Earnings Margin of Net Sales |
72% |
72% |
|
Less: Taxes |
$1,171 |
$172 |
|
After-Tax Earnings |
$6,936 |
$1,019 |
|
% After-Tax Earnings Margin of Net Sales |
61% |
61% |
![]() |
| SGS Canada Inc. |
|
Technical Report – Grota do Cirilo Lithium Project – Araçuai and Itinga Regions, Minas Gerais, Brazil |

Figure 22‑10: Phase 3 Financial Model Summary @ 5.3% Li2O SC
![]() |
| SGS Canada Inc. |
|
Technical Report – Grota do Cirilo Lithium Project – Araçuai and Itinga Regions, Minas Gerais, Brazil |
|
22.4.3 |
Phase 3 Sensitivity Analysis |
A sensitivity analysis for Phase 3 was carried out with the base case as described above as the midpoint. An interval of ±20% versus base case values was considered with increments of 10%.
The sensitivity analysis assesses the impact of changes in spodumene price, discount rate, Capex and Yield on Phase 3 after-tax NPV and IRR.
As seen in Figure 22-11, the Phase 3 after-tax NPV is most sensitive to changes in the discount rate and spodumene price. It is moderately sensitive to variations in yield, while changes in Capex have minimal impact.

Figure 22‑11: Phase 3 After-Tax NPV Sensitivity Analysis @ 5.3% Li2O SC (US$ B)
As shown in Figure 22-12, the Phase 3 after-tax IRR is most sensitive to changes in spodumene price, followed by yield. Variations in Capex and the discount rate have comparatively smaller impacts on the IRR.
![]() |
| SGS Canada Inc. |
|
Technical Report – Grota do Cirilo Lithium Project – Araçuai and Itinga Regions, Minas Gerais, Brazil |
Figure 22‑12: Phase 3 After-Tax IRR Sensitivity Analysis @ 5.3% Li2O SC (%)

|
22.5 |
PHASE 1, 2 & 3 ECONOMIC ANALYSIS |
The Phase 1, 2 & 3 economic analysis is based on a 22-year operation sourcing feedstock ore from the Xuxa deposit’s Mineral Reserve of 12.3 Mt grading at 1.52% Li2O, Barreiro deposit’s Mineral Reserve of 21.7 Mt grading at 1.36% Li2O and the NDC deposit’s Mineral Reserve of 42.2 Mt grading at 1.26% Li2O. Phase 1, 2 & 3 is expected to generate run-rate production of up to 766 ktpa of lithium concentrate, delivering US$600 million of annual free cash flow, at a 5.3% SC grade.
The base case scenario results are detailed in Table 22-11 below.
Table 22‑11: Phase 1, 2 & 3 Base Case Scenario Results
|
ITEM |
UNIT |
@ 5.3% LI2O SC |
|
After-Tax NPV @ 8% |
US$ M |
$5,731 |
|
22.5.1 |
Phase 1, 2 & 3 Technical Assumptions |
The key technical assumptions used in the base case are highlighted below in Table 22-12.
![]() |
| SGS Canada Inc. |
|
Technical Report – Grota do Cirilo Lithium Project – Araçuai and Itinga Regions, Minas Gerais, Brazil |
Table 22‑12: Key Phase 1, 2 & 3 Technical Assumptions
|
ITEM |
UNIT |
@ 5.3% LI2O SC |
|
Total Ore Processed (ROM) |
Mt |
76.1 |
|
Annual ROM Ore Processed |
Mt |
3.3 |
|
Run-Rate SC Production |
ktpa |
895.3 |
|
Run-Rate LCE Production (Note 1) |
ktpa |
117.3 |
|
Phase 1 Strip Ratio |
t |
14.4 |
|
Phase 2 Strip Ratio |
ratio |
9.4 |
|
Phase 3 Strip Ratio |
ratio |
16.4 |
|
Phase 1 Average Li2O Grade |
% |
1.52% |
|
Phase 2 Average Li2O Grade |
% |
1.36% |
|
Phase 3 Average Li2O Grade |
% |
1.26% |
|
Plant 1 Yield |
% |
17.5% |
|
Plant 2 Yield |
% |
17.5% |
|
Plant 3 Yield |
% |
17.5% |
|
Lithium oxide Concentrate Grade |
% Li2O |
5.3% |
|
Operating Life |
years |
23 |
|
Cash Cost at Plant Gate (C1) |
US$/t SC |
318.0 |
|
Transportation Costs (CIF China) |
US$/t SC |
90.0 |
|
Cash Cost at Asia Port CIF (C3) & Royalties |
US$/t SC |
443.3 |
|
All in Sustaining Cost |
US$/t SC |
525.0 |
|
Mine Costs |
US$/t SC |
204.0 |
|
Processing Costs |
US$/t ROM |
19.3 |
|
G&A Costs |
US$/t ROM |
22.0 |
Note 1: tonnage based on direct conversion to LCE excluding conversion rate.
Note 2: Values in this table may not match other values in this report due to rounding of averages.
|
22.5.2 |
Phase 1, 2 & 3 Financial Results |
Table 22-13 and Figure 22-13 below illustrate the after-tax cash flow and cumulative cash flow profile of Phase 1, 2 & 3 under the base case scenario. The intersection of the after-tax cumulative cash flow with the horizontal zero line represents the payback period of the Capex to production.
As highlighted in Table 22-13, the total gross revenue derived from the sale of lithium oxide concentrate is estimated at US$21.3 billion, an average revenue of US$1,688/t 5.3% SC with total operating costs (including royalty payments and commercial discounts) of US$5.5 billion at an average cost of US$434/t 5.3% SC. The resulting after-tax earnings margin (gross revenue less realization, operating costs and taxes) was estimated at US$12.8 billion.
Additionally, a summary of the Phase 1, 2 & 3 Financial Model under the base case scenario 5.3% is provided in Figure 22-11. The discount rate assumed for the pre- and after-tax NPV is 8%.
![]() |
| SGS Canada Inc. |
|
Technical Report – Grota do Cirilo Lithium Project – Araçuai and Itinga Regions, Minas Gerais, Brazil |

Figure 22‑4: Phase 1, 2 & 3 After-Tax Cash Flow and Cumulative Cash Flow Profile @ 5.3% Li2O SC
Table 22‑13: Phase 1, 2 & 3 Estimated Revenue and Operating Costs
|
5.3% Li2O SC |
||
|
Total US$ M |
Avg. US$/t |
|
|
Gross Revenue |
$21,342 |
$1,688 |
|
Less: Realization Costs |
||
|
Royalties |
$482 |
$38 |
|
Commercial Discounts |
- |
- |
|
Total Realization Costs |
$482 |
$38 |
|
Net Revenue |
$20,860 |
$3,066 |
|
Less: Site Operating Costs |
||
|
Mining |
$2,537 |
$201 |
|
Processing |
$1,442 |
$114 |
|
Selling, General & Administration |
$378 |
$30 |
|
Transportation |
$1,138 |
$90 |
|
Total Operating Costs |
$5,494 |
$434 |
|
Less: Depreciation |
$430 |
$34 |
|
Pre-Tax Earnings |
$14,936 |
$2,195 |
|
% Pre-Tax Earnings Margin of Net Sales |
72% |
72% |
|
Less: Taxes |
$2,167 |
$318 |
|
After-Tax Earnings |
$12,769 |
$1,877 |
|
% After-Tax Earnings Margin of Net Sales |
61% |
61% |
![]() |
| SGS Canada Inc. |
|
Technical Report – Grota do Cirilo Lithium Project – Araçuai and Itinga Regions, Minas Gerais, Brazil |

Figure 22‑5: Phase 1, 2 & 3 Financial Model Summary @ 5.3% Li2O SC
![]() |
| SGS Canada Inc. |
|
Technical Report – Grota do Cirilo Lithium Project – Araçuai and Itinga Regions, Minas Gerais, Brazil |
|
22.5.3 |
Phase 1, 2 & 3 Sensitivity Analysis |
A sensitivity analysis for Phase 1, 2 & 3 was carried out with the base case as described above as the midpoint. An interval of ±20% versus base case values was considered with increments of 10%.
The sensitivity analysis assesses the impact of changes in spodumene price, discount rate, Capex and Yield on Phase 3 after-tax NPV and IRR.
As seen in Figure 22-15, the Phase 1, 2 & 3 after-tax NPV is not significantly vulnerable to changes on Capex. In contrast, the Phase 3 after-tax NPV is more sensitive to variations in spodumene price, yield, and, to a lesser extent, discount rate.

Figure 22‑6: Phase 1, 2 & 3 After-Tax NPV Sensitivity Analysis @ 5.3% Li2O SC (US$ B)
![]() |
| SGS Canada Inc. |
|
Technical Report – Grota do Cirilo Lithium Project – Araçuai and Itinga Regions, Minas Gerais, Brazil |
|
23 |
ADJACENT PROPERTIES |
Sigma has a waste sharing agreements with Arqueana Empreendimentos E Participacoes SA (Arqueana), a privately held corporation which hold claims adjacent to the Barreiro/Nezinho do Chicão deposits and to the Murial deposit.
The agreements, signed on the 9th August, 2023 (Barreiro) and 18th August 2023 (Nezinho do Chicão) and 31st March 2025 (Murial), allows Sigma to remove waste from the Arqueana claims to facilitate the full extraction of ore from the Sigma claims to the boundaries between the claims held by the two companies.
Sigma agreed to pay Arqueana a monthly fee exclusively for the purpose of allowing the sharing of the waste in the areas under consideration. Under the agreement, Sigma will obtain all necessary environmental authorizations and licenses for the mining on their claims, while Arqueana will provide the approvals and documents reasonably necessary so that environmental licensing of the area can be carried out, if necessary.
All waste material removed from the Arqueana claims is to be stockpiled at an agreed upon site and will be the exclusive responsibility of Sigma to manage and maintain. Sigma will be responsible for all costs associated with the mining and removal of the waste material from the Arqueana claims.
![]() |
| SGS Canada Inc. |
|
Technical Report – Grota do Cirilo Lithium Project – Araçuai and Itinga Regions, Minas Gerais, Brazil |
|
24 |
OTHER RELEVANT DATA AND INFORMATION |
This section is not applicable to this Technical Report.
![]() |
| SGS Canada Inc. |
|
Technical Report – Grota do Cirilo Lithium Project – Araçuai and Itinga Regions, Minas Gerais, Brazil |
|
25 |
INTERPRETATION AND CONCLUSIONS |
|
25.1 |
CONCLUSIONS |
Sigma is a producing company, with the commencement of the Xuxa open pit in April 2023. For the year 2023 and 2024 it has operated and produced 337.9 dkt of lithium oxide concentrate. During this period, the average monthly DMS feed rate increased from 167 t/h to 209 t/h.
|
25.1.1 |
Mineral Resource |
Mineral Resource estimates are reported for the Xuxa, Barreiro, Lavra do Meio, Murial, Nezinho do Chicão, Maxixe, Tamboril and Elvira pegmatites in the Grota do Cirilo property area. Based on the information and reviews presented in this Report, the QP notes that:
|
● |
Information from experts retained by Sigma supports that the mining tenure held is valid and is sufficient to support declaration of Mineral Resources |
|
● |
Surface rights to allow exploration-stage activities to have been obtained, in addition, these surface rights will support project evaluation such as DMS pilot plant test work the Grota do Cirilo property area |
|
● |
Royalties are payable to third parties and the Brazilian government |
|
● |
To the extent known to the QP, there are no other significant factors and risks that may affect access, title, or the right or ability to perform work on the property that have not been discussed in this Report |
|
● |
The known deposits within the Project area are examples of LCT pegmatites |
|
● |
11 pegmatites in the Geniapapo and six pegmatites in the Santa Clara area were considered to have exploration potential; however, no current exploration is planned in this area due to the current focus on the Grota do Cirilo property area |
|
● |
Sigma has completed ground reconnaissance, satellite image interpretation, geological mapping, channel and chip sampling, trenching, core drilling, and Mineral Resource estimation. A total of 647 core holes (131,982 m) were completed in 2014, 2017, 2018, 2021, 2022 and 2023, for the different MREs. The drilling used conventional methods. Core was logged and photographed. Collar surveys were performed. Core recovery is considered acceptable. |
|
● |
Most drill holes intersect the mineralized zones at an angle, and the drill hole intercept widths reported for the Project are shorter than true widths |
|
● |
Sample security procedures met industry standards at the time the samples were collected. Current sample storage procedures and storage areas are consistent with industry standards |
|
● |
Sample preparation and lithium analyses are performed by accredited laboratories that are independent of Sigma. Sample preparation and analytical methods are appropriate for lithium determination |
|
● |
SGS validated the exploration processes and core sampling procedures (2022) used by SMSA as part of an independent verification program. The drill core handling, logging and sampling protocols are at conventional industry standard and conform to generally accept best practices. The sample quality is good and that the samples are generally representative. The system is appropriate for the collection of data suitable for a Mineral Resource estimate |
|
● |
The sample preparation, analysis and QA/QC protocol used by Sigma for the Project follow generally accepted industry standards and that the Project data is of a sufficient quality. |
|
● |
Mineral Resources were estimated using ordinary kriging and inverse distance squared (ID2), and were classified using the 2014 CIM Definition Standards |
|
● |
Mineral Resources can be affected by the market value of lithium and lithium compounds or the modification of the Brazilian taxation regime environmental policies |
![]() |
| SGS Canada Inc. |
|
Technical Report – Grota do Cirilo Lithium Project – Araçuai and Itinga Regions, Minas Gerais, Brazil |
The Mineral Resource estimates are reported using a 0.3% Li2O cut-off for open pit resources and 1.0% Li2O for underground resources. The QP for the estimates is Mr. Marc-Antoine Laporte, P.Geo., an employee of SGS Canada Inc.
|
25.1.2 |
Process Plant |
The Xuxa concentrator is situated approximately 1.5 km northeast of the Xuxa open pits. The lithium oxide concentrate is produced by Dense Medium Separation (DMS). The DMS plant is designed based on Xuxa design parameters and produces a lithium oxide concentrate with a grade of 5.5% Li2O. The Xuxa plant throughput capacity is based on 1.8 Mtpa (dry) of ore fed to the crushing circuit.
|
25.1.3 |
Infrastructure |
The necessary non-process infrastructure for the plant that has been installed includes: the main high voltage electrical substations, the main site access roads (municipal), administrative buildings including medical clinic, mess hall and kitchen, warehouse and maintenance building, utilities storage and reticulation (compressed air, process potable and fire-fighting water).
|
25.1.4 |
Water Management |
The water management infrastructure is considered to be sufficiently sized to manage the expected surface runoff volumes.
|
25.1.5 |
Mining |
The Xuxa Deposit is mined by conventional open-pit mining methods for an eight-year mine life, followed by a six-year underground operation at a plant feed rate of 1.8 Mtpa, with Mineral Reserves totaling 12.4 Mt grading at 1.51% Li2O. The Barreiro Deposit will also be mined by conventional open-pit methods for a twelve-year mine life, at a plant feed rate of 1.80 Mtpa, with Mineral Reserves totalling 21.8 Mt grading 1.36% Li2O. The Nezinho do Chicão – Lavra do Meio Deposit will also be mined by conventional open-pit methods for a twelve-year mine life, at a plant feed rate of 1.80 Mtpa, with Mineral Reserves totalling 31.9 Mt grading 1.27 % Li2O. The Murial Deposit will also be mined by conventional open-pit methods for a six-year mine life, at a plant feed rate of 1.80 Mtpa, with Mineral Reserves totalling 10.2 Mt grading 1.07 % Li2O.
Mining operations are based on the use of hydraulic excavators and a haul truck fleet engaged in conventional open pit mining techniques. Excavated material will be loaded in trucks and hauled to either the ROM pad or the waste piles. Controlled blasting (pre-splitting) techniques will be used for the mineralized domain to reduce back-break and to better control dilution.
|
25.1.5.1 |
Waste and tailings |
Five waste dumps are proposed for the Xuxa mine, one waste dump for the Barreiro mine, one waste dump for the Nezinho do Chicão mine – Lavra do Meio and one waste dump for Murial. All dumps are near the respective open pits. The dumps are considered suitable for the volume of waste that will be generated from each of the respective mines.
![]() |
| SGS Canada Inc. |
|
Technical Report – Grota do Cirilo Lithium Project – Araçuai and Itinga Regions, Minas Gerais, Brazil |
Tailings from the DMS plants will be thickened, dewatered and dry-stacked in a tailings waste pile.
| 25.1.6 |
Geotechnical and Hydrogeology |
Geotechnical field studies, analyses and design were performed to provide key pit design parameters for the Xuxa North and South pits, and the Barreiro pit., and the Nezinho do Chicão-Lavra do Meio pit.
Stability analyses for both the Xuxa, and Barreiro and Nezinho do Chicão-Lavra do Meio pits indicate the pit slope designs are stable and fall within acceptable safety limits for open-pit designs.
A hydrogeological study, consisting of fieldwork, mathematical modeling, studies of regional water characteristics, and the potential impacts was completed for Xuxa, Barreiro and Nezinho do Chicão-Lavra do Meio.
A complementary campaign of geotechnical oriented drill holes and pressurized water loss tests (Packer Test) was carried out to measure the hydraulic conductivity of the rock mass, the hydrogeological characterization of the operation site, and to assess the likelihood of groundwater inflow from Piaui Creek into the North and South Xuxa pits.
Overall, test results showed that rock fractures have very low to low specific losses, giving them a virtually tight rock classification.
|
25.1.7 |
Environment |
The Environmental Impact Study - EIA and its respective Environmental Impact Report - RIMA will be submitted to the regulatory agency, Bureau of Priority Projects - SUPPRI, as a supporting document to obtain a Preliminary License - LP and an Installation License - LI for Grota do Cirilo Project - Barreiro Pegmatite.
Sigma holds approved PAEs over the Xuxa, Barreiro, Lavra do Meio, Murial, Maxixe and Nezinho do Chicão deposits within the Grota do Cirilo property. Licenses are renewed in a timely manner when due.
|
25.1.8 |
Capital Cost Estimate |
The capital cost estimate (CAPEX) was developed to provide substantiated costs for the FEED study of Phase 1 and the PFS-level study of Phase 2 & 3 processing plant and to provide Sigma with an overall risk and opportunity profile to enable a Phase 1 production decision and to advance off-take agreements and project financing.
The total CAPEX for Phase 1 including the Estimated Vat Tax Incentive is US$130.6 M.
The total Capex for Phase 2 & 3 is US$154.9 M (this is including the Owner’s cost, working capital, contingency and excluding the Sustaining Capital).
The CAPEX estimate has an accuracy of ±25% and is summarized in Table 25-1 (Phase 1) and Table 25-2 (Phase 2 & 3).
Table 25‑1 – Capital Cost Estimate Summary Phase 1
|
AREA |
TOTALS |
||
|
(USD) |
|||
|
DIRECTS + INDIRECTS |
CONTINGENCY |
TOTAL |
|
|
(USD) |
(USD) |
(USD) |
|
|
001 MINE |
7,856,938 |
605,014 |
8,461,952 |
|
002 PLANT |
64,841,255 |
4,992,777 |
69,834,032 |
|
002.003 AUTOMATION/DIGITALIZATION |
3,852,981 |
296,680 |
4,149,661 |
|
003 ENVIRONMENTAL |
14,418,492 |
1,121,428 |
15,539,921 |
|
004 EPCM & ENGINEERING SERVICES |
17,867,543 |
1,375,801 |
19,243,344 |
|
005 SUBSTATION & UTILITY POWER SUPPLY |
6,888,863 |
530,442 |
7,419,305 |
|
Total Construction Capital Cost |
111,873,091 |
8,625,462 |
120,498,553 |
|
006 OWNERS PROJECT COSTS |
8,901,677 |
890,168 |
9,791,844 |
|
007.001 Working Capital and Spares |
6,137,293 |
– |
6,137,293 |
|
Total Construction Capital Cost (ex VAT Tax Incentive) |
126,912,061 |
9,515,630 |
136,427,691 |
|
009 Estimated VAT Tax Incentive |
(5,859,000) |
– |
(5,859,000) |
|
Total Construction Capital Cost |
121,053,061 |
9,515,630 |
130,568,691 |
|
008 Sustaining and Deferred Capital |
3,200,000 |
246,400 |
3,446,400 |
![]() |
| SGS Canada Inc. |
|
Technical Report – Grota do Cirilo Lithium Project – Araçuai and Itinga Regions, Minas Gerais, Brazil |
Table 25‑2: Capital Cost Estimate Summary Phase 2 & 3
| AREA |
TOTALS USD |
||
| DIRECTS + INDIRECTS | CONTINGENCY | TOTAL | |
| MEGA PLANT |
(USD) |
(USD) |
(Excluding recoverables) |
|
(USD) |
|||
|
000 MEGA (Excluding Sustaining Capital) |
144,429,471 |
10,473,002 |
154,902,473 |
|
000 MEGA (Including Sustaining Capital) |
157,499,471 |
11,479,392 |
168,978,863 |
|
001 MINE |
2,096,208 |
161,408 |
2,257,616 |
|
002 PLANT |
89,536,397 |
6,718,807 |
96,255,204 |
|
003 ENVIRONMENTAL |
15,252,504 |
1,174,443 |
16,426,946 |
|
004 EPCM & ENGINEERING SERVICES |
21,672,011 |
1,668,745 |
23,340,755 |
|
005 SUBSTATION & UTILITY POWER SUPPLY |
663,829 |
51,115 |
714,943 |
|
006 OWNERS PROJECT COSTS |
9,071,230 |
698,485 |
9,769,715 |
|
007 WORKING CAPITAL & SPARES |
6,137,293 |
0 |
6,137,293 |
|
008 SUSTAINING & DEFERRED CAPITAL |
13,070,000 |
1,006,390 |
14,076,390 |
Note: The Phase 2 & 3 substation costs are included in the Xuxa CAPEX estimate
|
25.1.9 |
Operating Cost Summary |
The processing plant operating cost estimate includes the operation of a three-stage crushing and screening circuit and DMS circuits (two stages for coarse, fine and ultra fines material classes).
The processing OPEX includes operating and maintenance labour, power, fuel and indirect charges associated with the processing plant. Based on these cost assumptions, inclusions and exclusions, it is estimated that the variable OPEX for the Phase 1 concentrator will be $5.3/t of ore feed and US$7.5M of fixed OPEX. The estimated variable OPEX for the Phase 2 & 3 concentrator is $4.8/t of ore feed and US$6.7M of fixed OPEX.
![]() |
| SGS Canada Inc. |
|
Technical Report – Grota do Cirilo Lithium Project – Araçuai and Itinga Regions, Minas Gerais, Brazil |
Operating cost estimates are summarized in Table 25-3 (Phase 1) and Table 25-4 (Phase 2 & 3)
Table 25‑3 – Phase 1 Operating Cost Estimate Summary
|
DESCRIPTION |
OPEX (US$) |
|
Mining (US$/t material mined) |
$2.1 |
|
Process (US$/t ore feed) |
$10.4 |
|
G&A (US$/t ore feed) |
$5.3 |
|
Shipping (US$/t SC) |
$120 |
Table 25‑4: Phase 2 & 3 Operating Cost Estimate Summary
|
DESCRIPTION |
OPEX (US$) |
|
Barreiro Mining (US$/t material mined) |
$2.68 |
|
NDC Mining (US$/t material mined) |
$1.98 |
|
Phase 2 & 3 Process (US$/t ore feed) |
$7.1 |
|
Phase 2 & 3 G&A (US$/t ore feed) |
$2.7 |
|
Shipping (US$/t SC) |
$120 |
|
25.2 |
RISK EVALUATION |
Risk assessment sessions were conducted individually and collectively by all parties.
Most aspects of the project are well defined. The risks are grouped by licensing, cost (CAPEX and OPEX), schedule, operations, markets and social/environmental categories. One of the most significant risks identified for the Project is related to lithium markets.
The following risks are highlighted for the project:
|
● |
Lithium market sale price and demand (commercial trends) |
|
● |
Delay in obtaining the license for the NDC-LDM Pit |
|
● |
Fluctuations in the exchange rate and inflation |
|
● |
Labour strikes at the Port and at site (construction and operation) |
|
● |
Tax exemptions and import not confirmed |
|
● |
Increased demands from the local community once in operation |
|
● |
The production rate and size of the pit may impose challenges for operations |
|
● |
Waste generation: the continuous geotechnical monitoring system to be implemented during mining operation can indicate local changes to geotechnical parameters, and potential increase of waste |
![]() |
| SGS Canada Inc. |
|
Technical Report – Grota do Cirilo Lithium Project – Araçuai and Itinga Regions, Minas Gerais, Brazil |
|
25.3 |
OPPORTUNITIES |
The following opportunities are identified for the Grota do Cirilo project:
|
● |
Recovery of Li2O from hypofines with a flotation circuit |
|
● |
Sales of hypofines as DSO |
|
● |
Recovery of Li2O from petalite |
|
● |
Sale of plant rejects to the ceramics industry |
|
● |
Potential upgrading of some or all of the Inferred Mineral Resources to higher-confidence categories and eventually conversion to Mineral Reserves |
|
● |
Potential for future underground mining at both Phase 1 and Phase 2 projects. |
|
● |
Exchange rate may work in the Project’s favour. |
![]() |
| SGS Canada Inc. |
|
Technical Report – Grota do Cirilo Lithium Project – Araçuai and Itinga Regions, Minas Gerais, Brazil |
|
26 |
RECOMMENDATIONS |
The following summarizes the recommendations from the 2025 MRE update.
|
26.1 |
GEOLOGY AND RESOURCES |
The overall cost for the drill program is estimated at US$3M and consists of a 10,000 m drill program to test the area west and northwest of Barreiro. This is not included as a project cost.
Drilling will be completed with HQ size core tools with total depths between 150–500 m. Core sampling will be conducted on 1 m intervals. The all-in program costs, including drilling, logging, and assays, is estimated at US$250 to $US300/m.
It is recommended that a geotechnical study of the Murial deposit be undertaken to provide more detailed information for the Murial mineral reserve and mine design.
![]() |
| SGS Canada Inc. |
|
Technical Report – Grota do Cirilo Lithium Project – Araçuai and Itinga Regions, Minas Gerais, Brazil |
|
27 |
REFERENCES |
Behre Dolbear, (2018): Competent Person’s Report, Greenbushes Lithium Mine, Western Australia: 15 August, 2018, 148 p.
Bilal, E., Horn, AH., and Machado de Melo, M (2012): P-Li-Be Bearing Pegmatite of the South-East Brazil, International Journal of Geosciences, Vol. 3, pp.281-288.
Bonàs, T. B. (2017): Mineral Resource Diligence Xuxa Sector, Sigma Internal Documentation, 11 p.
Bradley D., and McCauley A., (2013): A Preliminary Deposit Model for Lithium-Cesium-Tantalum (LCT) Pegmatites: U.S. Geological Survey, Open-File Report 2013–1008 Version 1.1, December 2016.
FMC, (2018): BMO Global Metals and Mining Conference: February 27, 2018, 15 p.
Harpia Consultoria Ambiental, (2019), Environmental Regularization Summary – Xuxa Project’’ (DNPM 824 692 71, 2019).
Gibson, C., Aghamirian, M., and Grammatikopoulos, T., (2017): A Review: The Beneficiation of Lithium Minerals from Hard Rock Deposits: SME Annual Meeting, Feb. 19- 2, 2017, Denver, CO, Preprint 17-003
Grammatikopoulos, T., (2018): The Mineralogical Characteristic of a Composite Sample from a Lithium Project, Brazil, SGS internal report, 89 p.
Johnston, G., and Baker. M., (2002): Araçuaí Tantalum Prospect Exploration Review, SRK private report, UK, 41 p.
Lefosse Advogados (2019), Sigma Legal Opinion – SUDENE and RECAP Tax Incentives: 25 March 2019.
London, D., (1984): Experimental Phase Equilibria in the System LiAlSiO4- SiO2-H2O; a Petrogenetic Grid for Lithium-rich Pegmatites, American Mineralogist, 69(11-12), pp. 995-1004
José de Castro Paes, V., (2017): Assessment of the Lithium Potential in Brazil: Geological Survey of Brazil PowerPoint presentation, 23 p.
Pedrosa-Soares, A., De Campos, C., Noce, C., and Alkmim, F. (2011): Late Neoproterozoic- Cambrian Granitic Magmatism in the Araçuaí Orogen (Brazil), The Eastern Brazilian Pegmatite Province and Related Mineral Resources, Geological Society London Special Publications, Vol. 350, pp.25-51.
Pedrosa-Soares, A., Chavez, M., Scholz, R (2009): Field Trip Guide Eastern Brazilian Pegmatite Provinces, 4th International Symposium on Granitic Pegmatite, 28 p.
Quemeneur, J., and Lagache, M., (1999): Comparative Study of Two Pegmatitic Field from Minas Gerais, Brazil, using the Rb and Cs Contents of Mica and Feldspars, Revista Brasileira de Geociencias, No. 29, Vol. 1. pp.27-32.
Rose, S and Fahey, G, 2014. Effective grade control systems, in Mineral Resource and Ore Reserve Estimation – The AusIMM Guide to Good Practice, second edition, pp 679-684. The Australasian Institute of Mining and Metallurgy: Melbourne.
Roskill Consulting Group Ltd, (2019): Spodumene Price Forecast for Xuxa DFS: report prepared by Roskill Consulting Group Ltd for Sigma, March 29, 2019
![]() |
| SGS Canada Inc. |
|
Technical Report – Grota do Cirilo Lithium Project – Araçuai and Itinga Regions, Minas Gerais, Brazil |
Sigma Lithium Resources Inc. (2019): Sigma Lithium Triples Measured and Indicated Mineral Resources at Grota do Cirilo, news release 10 January 2019, 7 p.
Sigma Mineração SA, (2017): Developing World-Class Potential. Hard Rock Lithium in Brazil, corporate presentation, 31 p.
Slade, C., Neuhoff, L., Zan, I., and Pogorelev, M. (2014): Arqueana Mineração – Exploration Report, Sigma Internal documentation, 48 p.
Tan. T.S. (2003): Characterisation and Engineering Properties of Natural Soils. Volume 2, CRC Press, 1531p.
Tassos, G. (2018): The Mineralogical Characteristic of a Composite Sample from a Lithium Project, Brazil, SGS internal report, 89p.
Viana, R.R., Manttari, I., Kunst, H., and Jordt-Evangelista, H., (2003): Age of Pegmatites from Eastern Brazil and Implication of Mica Intergrowths on Cooling Rates and Age Calculation, Journal of South American Earth Sciences, Vol. 16, pp.493-501.
Aghamirian, Massoud, (2018), Scoping Study and Preliminary Lithium Flowsheet Development for The Sigma Lithium Deposit (Report number: 16193-001, June 5, 2018).
![]() |
| SGS Canada Inc. |